Proform Pfevel739080 Reflex Step 2 Gw Elliptical Users Manual PFEVEL48940 207837(UK)
2015-04-14
: Proform Proform-Pfevel739080-Reflex-Step-2-Gw-Elliptical-Users-Manual-700477 proform-pfevel739080-reflex-step-2-gw-elliptical-users-manual-700477 proform pdf
Open the PDF directly: View PDF
.
Page Count: 24

ATTENZIONE
Leggere tutte le istruzioni e pre-
cauzioni elencate in questo
manuale prima di utilizzare que-
sta attrezzatura. Conservare il
manuale per future referenze.
Nº del Modello PFEVEL73908.0
Nº di Serie
Riportare il numero di serie nello
spazio soprastante per eventuali
comunicazioni future.
Etichetta del
Nº di Serie
MANUALE DʼISTRUZIONI
DOMANDE?
Come fabbricanti, ci siami imposti
di provvedere alla completa soddi-
sfazione della cliente. Se avete
domande, oppure rinvenite parti
mancanti, si prega di vedere le
seguenti informazioni:
800 865114
lunedì–venerdì, 10.00–13.00 e
14.00–18.00 (non accessibile da
telefoni cellulari)
Fax: 0755910105
email: csitaly@iconeurope.com
sito web: www.iconsupport.eu
www.iconeurope.com

INDICE
POSIZIONEDELLʼETICHETTADIAVVERTENZA .................................................2
PRECAUZIONIIMPORTANTI.................................................................3
PRIMADIINIZIARE ........................................................................4
MONTAGGIO .............................................................................5
USODELLʻATTREZZOELLITTICO...........................................................13
MANUTENZIONEELOCALIZZAZIONEGUASTI ................................................19
GUIDAAGLIESERCIZI ....................................................................21
ELENCOPEZZI ..........................................................................22
DISEGNOESPLOSO ......................................................................23
ORDINAZIONE DEI PEZZI DI RICAMBIO . . . . . . . . . . . . . . . . . . . . . . . . . . . . . . . . . . . . . . . . . . . .Retrocopertina
2
PROFORM è un marchio della ICON IP, Inc.
POSIZIONE DELLʼETICHETTA DI AVVERTENZA
Questi disegni mostra la posizione dellʼetichet-
te di avvertenza. Se un'etichetta è mancante
o illeggibile, consultare la copertina del
presente manuale e richiederne gratuita-
mente una in sostituzione. Applicare lʼeti-
chetta nella posizione indicata. Nota: queste
etichetta potrebbero non essere raffigurate a
grandezza naturale.

3
AVVERTENZA: per ridurre il rischio di incidenti gravi, leggere tutte le precauzioni e
le istruzioni importanti contenute nel presente manuale nonché tutte le avvertenze riportate sul
attrezzo ellittico prima di iniziare a utilizzarlo. ICON declina ogni responsabilità per lesioni personali
o danni a beni subiti a causa o mediante lʼuso di questo prodotto.
1. Prima di iniziare un programma di allena-
mento, consultare il medico. In particolare
coloro che hanno unʼetà superiore ai 35 anni
o che hanno comprovati problemi di salute.
2. Il proprietario dellʼattrezzatura è tenuto a
comunicare a tutti coloro che usano lʼattrez-
zo ellittico le avvertenze contenute nel pre-
sente manuale.
3. Lʼattrezzo ellittico è stato realizzato solo per
uso interno. Non usarlo per scopi commer-
ciali, non affittarlo e non usarlo negli istituti
pubblici.
4. Tenere lʼ attrezzo ellittico al riparo, lontano
da umidità e polvere. Posizionare lʼattrezzo
ellittico su una superficie piana, e posizion-
arvi un tappetino al di sotto per proteggere il
pavimento. Verificare che ci siano almeno
0,9 m di spazio davanti e dietro lʼattrezzo
ellittico e 0,6 m ai lati.
5. Ispezionare e stringere tutte le parti regolar-
mente. Sostituire immediatamente qualsiasi
parte logorata.
6. Tenere sempre lʼattrezzo ellittico lontano
dalla portata di bambini di età inferiore ai 12
anni e dagli animali domestici.
7. Lʼattrezzo ellittico non deve essere usato da
persone con peso superiore a 113 kg.
8. Durante lʼallenamento indossare indumenti
adeguati. Non indossare indumenti larghi
che potrebbero impigliarsi nellʼattrezzo ellit-
tico. Indossare sempre scarpe da ginnastica
per proteggere i piedi.
9. Reggere il sensore pulsazioni impugnatura o
i manubri quando si monta, smonta o utilizza
lʼattrezzo ellittico.
10. Tenere sempre la schiena eretta durante
lʼuso dellʼattrezzo ellittico. Non inarcarsi.
11. Il sensore pulsazioni non è un dispositivo
medico. Vari fattori possono influenzare lʼac-
curatezza dei dati della frequenza cardiaca,
incluso il movimento dellʼutente. Il sensore
pulsazioni è indicato quale supporto per lʼal-
lenamento nella determinazione dellʼanda-
mento generale della frequenza cardiaca.
12. Quando si smette di pedalare, lasciare che i
pedali si fermino lentamente.
13. In caso di giramenti di testa o dolori di qual-
siasi tipo durante lʼallenamento fermarsi
immediatamente e iniziare il defaticamento.
14. Utilizzare lʼattrezzo ellittico esclusivamente
seguendo le istruzioni contenute nel pre-
sente manuale.
PRECAUZIONI IMPORTANTI

4
PRIMA DI INIZIARE
Grazie per aver scelto il nuovo attrezzo ellittico
PROFORM®REFLEX STEP 2. Il REFLEX STEP 2
offre una serie di funzioni realizzate per rendere i
vostri esercizi a casa più piacevoli ed efficaci.
Onde evitare problemi, si consiglia di leggere
attentamente il presente manuale prima di utiliz-
zare lʼattrezzo ellittico. In caso di quesiti dopo la let-
tura del presente manuale, consultare la copertina del
manuale. Per poter soddisfare rapidamente ogni even-
tuale richiesta, prima di contattarci è necessario
munirsi del numero del modello e del numero di serie.
Il numero del modello e la posizione dellʼetichetta che
riporta il numero di serie sono indicati nella copertina
del presente manuale.
Prima di procedere con la lettura, prendere confidenza
con i pezzi contrassegnati nel disegno sottostante.
Sensore Pulsazioni
Molla Pedale
Disco Pedale
*Borraccia non in dotazione
Ruota
Pedale
Porta Borraccia*
Montante Manubrio
Consolle

5
MONTAGGIO
Il montaggio richiede due persone. Mettere tutte le parti dellʼattrezzo ellittico in una zona libera e rimuovere il
materiale dʼimballaggio. Non gettare il materiale dʼimballaggio fino al completamento del montaggio.
Oltre agli attrezzi inclusi, il montaggio richiede un cacciavite a Phillips , una chiave inglese
, e un mazzuolo in gomma .
Utilizzare i disegni delle parti sottostanti per identificare le parti piccole utilizzate nel montaggio. Il numero tra
parentesi sotto ciascun disegno fa riferimento al numero chiave della parte, del ELENCO PEZZI riportata verso
la fine del presente manuale. Il secondo numero fa riferimento alla quantità necessaria per il montaggio. Nota:
se un pezzo non è nel kit, controllare se è stato pre-assemblato.
Vite M4 x 16mm
(52)–4
Rondella Grower
M10 (59)–5
Dado Autobloccante
M10 (33)–6
Bullone Doppio M10 (74)–2
Rondella Montante
Manubrio (55)–2
Rondella Staffa
Molla (35)–2
Dado Autobloccante
M8 (38)–8
Bullone a Testa Bombata
M8 x 45mm (50)–4 Vite con Nailon
M10 x 25mm (40)–5
Bullone Trasporto M10 x 75mm (34)–4
Rondella Ondulata
(43)–2
Vite con Nailon
M8 x 25mm (56)–2
Vite M4 x
19mm (26)–2
Bullone a Testa Bombata M10 x 74mm
(28)–2
Rondella Ondulata
23mm (81)–2

6
2. Mentre una seconda persona solleva la parte
posteriore del Telaio (1), fissare lo Stabilizzatore
Posteriore (9) al Telaio con due Bulloni
Trasporto M10 x 75mm (34) e due Dadi
Autobloccanti M10 (33).
34
9
1
2
33
33
1.
Localizzare lo Stabilizzatore Anteriore (10).
Assicurarsi che le Ruote (22) siano orientate
come indicato.
Mentre una seconda persona solleva la parte
anteriore del Telaio (1), fissare lo Stabilizzatore
Anteriore (10) al Telaio con due Bulloni
Trasporto M10 x 75mm (34) e due Dadi
Autobloccanti M10 (33).
10 33
33
22
22
34
34
1
1
Per facilitare le fasi di montaggio leggere
le informazioni a pagina 5 prima di iniziare.

7
3
2
28
59
59
33
44
1
79
Evitare di
pizzicare i fili
3. Con lʼaiuto di una seconda persona reggere il
Montante (2) vicino al Telaio (1). Accertare che
i fori esagonali si trovino nella posizione
indicata.
Collegare la Prolunga Filo Bardato (44) al Filo
Bardato (79).
Inserire delicatamente il Montante (2) nel Telaio
(1).
Suggerimento: evitare di pizzicare i fili.
Fissare il Montante (2) con due Bulloni a Testa
Bombata M10 x 74mm (28), due Rondelle
Grower M10 (59) e due Dadi Autobloccanti M10
(33). Assicurarsi che i Dadi Autobloccanti
siano inseriti nei fori esagonali.
Fori
Esagonali
4. Mentre unʼaltra persona regge la Prolunga
Montante (73) vicino al Montante (2), inserire la
Prolunga Filo Bardato (44) dallʼalto nella
Prolunga Montante.
Reggere lʼestremità superiore della Prolunga
Filo Bardato (44) e inserire la Prolunga
Montante (73) nel Montante (2).
Suggerimento: evitare di pizzicare i fili.
Fissare la Prolunga Montante (73) con tre Viti
con Nailon M10 x 25mm (40) e tre Rondelle
Grower M10 (59).
4
2
73
59
Evitare di
pizzicare il filo
44
40
40
59

8
5. La Consolle (23) può utilizzare quattro batterie
D(non incluse); si consigliano le batterie alca-
line. IMPORTANTE: qualora la Consolle sia
stata esposta a basse temperature, lasciare
che ritorni a temperatura ambiente prima di
inserire le batterie. In caso contrario, i dis-
play o altri componenti elettronici della con-
solle potranno risultarne danneggiati.
Rimuovere il copri batterie, inserire le batterie
nel vano batterie e rimontare il copri batterie.
Accertare che le batterie siano orientate nel
modo indicato sul diagramma allʼinterno del
vano batterie.
Per acquistare un alimentatore AC supple-
mentare, contattare il rivenditore dove avete
acquistato il prodotto oppure chiamare il
numero riportato sulla copertina del pre-
sente manuale. Per evitare di danneggiare la
consolle, utilizzare solo un alimentatore AC
fornito dal fabbricante. Collegare unʼestremità
dellʼalimentatore AC nella presa della consolle;
collegare lʼaltra estremità in una presa a muro a
norma (in conformità con le leggi in vigore sul-
lʼinstallazione degli impianti elettrici).
23
Copri
Batterie
5
Batterie
6. Mentre una seconda persona regge la Consolle
(23) vicino alla Prolunga Montante (73), colle-
gare il filo bardato consolle alla Prolunga Filo
Bardato (44).
Inserire il cavo in eccesso nella Prolunga
Montante (73).
Suggerimento: evitare di pizzicare i fili.
Fissare la Consolle (23) alla Prolunga Montante
(73) con quattro Viti M4 x 16mm (52).
6
23
52
44
73
Consolle Filo
Bardato
Evitare di
pizzicare i fili

9
7. Applicare il Supporto Borraccia (65) sul
Montante (2) con due Viti M4 x 19mm (26). 7
2
26
65
50
38
8. Localizzare il Montante Manubrio Sinistro (6)
contrassegnato da un adesivo riportante la let-
tera « L » (« L » o « Left » indicano la sinistra;
« R » o « Right » indicano la destra).
Inserire il Montante Manubrio Sinistro (6) nel
Montante Verticale (5); accertare che i fori
esagonali si trovino nella posizione indicata.
Fissare il Montante Manubrio Sinistro (6) con
due Bulloni a Testa Bombata M8 x 45mm (50) e
due Dadi Autobloccanti M8 (38). Assicurarsi
che i Dadi Autobloccanti siano inseriti nei
fori esagonali. Attendere prima di serrare i
Bulloni a Testa Bombata.
Ripetere la suddetta operazione per il
Montante Manubrio Destro (non raffigurato)
e lʼaltro Montante Verticale (non raffigurato).
5
Fori
Esagonali
6
8

10
8
2
7
Lubrificare
46
6
55 43
56
47
9
9. Applicare un abbondante quantità di lubrificante
(incluso nella fornitura) allʼAsse del Perno (7).
Poi lubrificare le due Rondelle Ondulate (43).
Inserire lʼAsse Perno (7) nel Montante (2) e
centrare lʼAsse Perno.
Inserire una Rondella Ondulata (43) nel lato sin-
istro dellʼAsse Perno (7).
Orientare un Distanziatore Manubrio (47) in
modo tale che la freccia sia rivolta verso il pavi-
mento. Inserire il Distanziatore Montante
Manubrio sul Montante Manubrio Sinistro (6).
Inserire il Montante Manubrio Sinistro (6)
nellʼAsse Perno (7).
Fissare il Montante Manubrio Sinistro (6) con
una Vite con Nailon M8 x 25mm (56) e una
Rondella Montante Manubrio (55).
Premere le linguette presenti sul Cappuccio
Montante Manubrio (46) nel Distanziatore
Montante Manubrio (47).
Fissare il Montante Manubrio Destro (8)
nello stesso modo.
10
38
11
13
80
Linguette
Foro
Sedi
10. Individuare la Molla Pedale Sinistro (11) e il
Pedale Sinistro (13) contrassegnati dagli adesivi
con la lettera « L » (« L » o « Left » indicano la
sinistra; « R » o « Right » indicano la destra).
Posizionare il Pedale Sinistro (13) e la Piastra
Pedale (80) attorno alla Molla Pedale (11) sin-
istro come indicato. Verificare che il foro pre-
sente nella Piastra Pedale combaci con il
respingente nella parte sottostante la Molla
Pedale sinistro.
Inserire le linguette della Piastra Pedale (80)
nelle sedi presenti sul Pedale Sinistro (13).
Fissare la Piastra Pedale (80) al Pedale Sinistro
(13) con due Dadi Autobloccanti M8 (38).
Montare il Pedale Destro (non raffigurato)
allo stesso modo.
Respingente

11
11. Individuare la Staffa Molla Posteriore Sinistra
(12) che si trova sulla Molla Pedale (11) sinistra.
Applicare una piccola quantità di lubrificante
allʼinterno delle Boccole Molla Pedale (37).
Applicare successivamente il lubrificante
allʼasse della Barra Trasversale Disco (16) sinis-
tra.
Inserire un Distanziatore Molla (63) e una
Rondella Ondulata da 23mm (81) sullʼasse;
accertarsi che la parte piatta del
Distanziatore Molla sia rivolto verso lʼattrez-
zo ellittico.
Quindi, inserire la Staffa Molla Posteriore (12)
sinistra sullʼasse.
Fissare la Staffa Molla Posteriore (12) sinistra
con una Vite con Nailon M10 x 25mm (40) e
una Rondella Staffa Molla (35).
Ripetere lʼoperazione con la Staffa Molla
Posteriore Destra (non raffigurata).
11
11
40 35 37
63
81
12
Lubrificare 16
13. Assicurarsi che tutti i pezzi dellʼattrezzo ellittico siano stati serrati correttamente. Nota: una volta ulti-
mato il montaggio, potranno rimanere alcuni pezzi. Posizionare un tappetino sotto lʼattrezzo ellittico, al fine di
proteggere il pavimento o la moquette.
12. Reggere lʼestremità inferiore del Montante
Verticale (5) sinistro allʼinterno della Staffa Molla
Anteriore (76) che si trova sulla Molla Pedale
(11) sinistro.
Applicare del lubrificante a un Bullone Doppio
M10 (74).
Fissare il Montante Verticale (5) alla Staffa
Molla Anteriore (76) con un Bullone Doppio M10
(74). Non serrare eccessivamente il Bullone
Doppio, il Montante Verticale deve poter
ruotare liberamente.
Serrare i Bulloni a Testa Bombata M8 x 45mm
(50) nel Montante Verticale (5) sinistro.
Ripetere la stessa operazione sullʼaltro lato
dellʼattrezzo ellittico.
12
Lubrificare
74 11
74
5
76
50

12
14. Togliere il copribatteria dal retro della Consolle
(23).
Collegare il cavo sul ricevitore (A) al cavo nella
Consolle (23). Reggere il ricevitore in modo
tale che lʼantenna sia posizionata come indi-
cato e rivolta verso lʼalto.
Rimuovere la carta dalla striscia adesiva sul
retro del ricevitore (A). Inserire premendo il rice-
vitore nella posizione indicata allʼinterno del
vano batteria. Quindi, rimontare il copri batterie.
Nota: eliminare tutti gli altri cavi in dotazione
con il cardiofrequenzimetro a torace.
Qualora sia stato acquistato il cardiofrequenzimetro a torace opzionale (vedere pagina 18), seguire le
fasi di seguito riportate per installare il ricevitore accluso al cardiofrequenzimetro a torace.
Cavi 23
Antenna
Copri
Batterie
A
Montare il
ricevitore
qui

13
USO DELLʼATTREZZO ELLITTICO
SPOSTAMENTO DELLʼATTREZZO ELLITTICO
A causa delle dimensioni e del peso dellʼattrezzo
ellittico, lo spostamento richiede la presenza di
due persone. Posizionarsi di fronte allʼattrezzo ellitti-
co, reggere il montante e mettere un piede davanti a
una delle ruote. Tirare il montante e con lʼaiuto di una
seconda persona sollevare lo stabilizzatore posteriore
finché lʼattrezzo ellittico scorrerà sulle ruote. Spostare
con attenzione lʼattrezzo ellittico nella posizione
desiderata e poi abbassarlo.
ESERCIZI SULLʻATTREZZO ELLITTICO
Per salire sullʼattrezzo ellittico, impugnare i montanti
manubrio e mettere il piede sul pedale che si trova
nella posizione più bassa. Dopo, salire sullʼaltro ped-
ale. Spingere sui pedali fino a quando iniziano a
muoversi con movimento continuo. Nota: i dischi
pedale possono ruotare in entrambe le direzioni.
Si consiglia di far girare i dischi pedale nella
direzione indicata dalla freccia; tuttavia, per cam-
biare, si possono fare girare i dischi pedale in
senso contrario.
Per scendere dallʼattrezzo ellittico, attendere fino
allʼarresto completo dei pedali. Nota: lʼattrezzo ellitti-
co non ha una ruota libera; i pedali continueranno
a muoversi fino a che il volano si ferma. Quando i
pedali sono fermi, scendere prima dal pedale più alto.
Dopo, da quello più basso.
Pedali
Disco Pedale
Montante
Manubrio
Posizionar
e il piede
qui
Tirare sul
montante
Sollevare
qui

14
CARATTERISTICHE CONSOLLE
La consolle offre una gamma di funzioni concepite per
rendere i vostri esercizi a casa più piacevoli ed effi-
caci.
Quando la console viene usata in modalità manuale, è
possibile modificare la resistenza dei pedali premendo
un tasto. Durante lʼallenamento la consolle visual-
izzerà sempre il feedback dellʼesercizio. Sarà possibile
misurare la frequenza cardiaca usando il sensore pul-
sazioni impugnatura o il cardiofrequenzimetro a torace
opzionale.
La consolle presenta otto programmi predefiniti che
modificano automaticamente la resistenza dei pedali e
invitano lʼutente a variare il ritmo della pedalata per
consentirgli un allenamento efficace.
È possibile collegare il lettore MP3 o il lettore CD
allʼimpianto audio della consolle e ascoltare la musica
preferita o gli audio libri durante lʼallenamento.
Per lʼuso della modalità in manuale vedere a pagina
15. Per lʼuso di un programma di allenamento pre-
definito vedere a pagina 17. Per lʼuso dello stereo
vedere a pagina 18.
Nota: qualora sulla consolle fosse presente una pelli-
cola di plastica trasparente, rimuovere la pellicola.
Accertarsi che le batterie siano inserite nella consolle
o che lʼalimentatore AC opzionale sia correttamente
collegato (vedere fase 5 a pagina 8).
DIAGRAMMA CONSOLLE
Presa
Audio

15
USO DELLA MODALITÀ MANUALE
1. Premere un qualsiasi pulsante della consolle o
iniziare a pedalare per avviare la consolle.
Quando si accende la consolle, il display e il target
pacer lampeggiano. Verrà emesso un segnale
sonoro e la consolle sarà pronta per lʼuso.
2. Selezionare la modalità manuale.
Quando si accende la consolle si selezionerà la
modalità manuale. Se avete selezionato un allena-
mento, riselezionare la modalità manuale premen-
do ripetutamente uno qualsiasi dei pulsanti
Resistenza Veloce/Allenamenti a Intervallo
[QUICK RESISTANCE/PACE WORKOUTS] finché
si visualizza una traccia a sinistra del display.
3. Iniziare a pedalare e modificare la resistenza
dei pedali nel modo desiderato.
Mentre pedalate è
possibile cambiare la
resistenza dei pedali
premendo i pulsanti
Resistenza Veloce
[QUICK RESIS-
TANCE]. Nota: dopo aver premuto i pulsanti
trascorreranno alcuni secondi prima che i pedali
raggiungano in livello di resistenza selezionato.
4. Seguire la progressione sui display.
Il display superiore
destro—Questo dis-
play può visualizzare il
tempo [TIME] trascor-
so, il numero approssi-
mativo di calorie
[CALS.] bruciate e la distanza totale percorsa
[DIST.] (totale giri). Il display cambierà modalità
continuamente.
Il display inferiore
destro—Questo dis-
play visualizzerà il
vostro ritmo di pedalata
[RPM] (in giri al minu-
to) e il livello di
resistenza dei pedali. Il display cambierà modalità
ogni pochi secondi.
Il display visualizzerà altresì la frequenza cardiaca
quando si usa il sensore pulsazioni impugnatura o
il cardiofrequenzimetro a torace opzionale (vedere
fase 5 a pagina 16).
Il display sinistro visu-
alizzerà una pista che
rappresenta 1/4 di
miglio (640 giri).
Durante lʼallenamento,
compariranno degli
indicatori in succes-
sione attorno alla pista,
fino al completamento dellʼintera pista. La pista a
questo punto scomparirà e gli indicatori comincer-
anno di nuovo ad apparire in successione.

16
5. Se lo si desidera, misurare la frequenza
cardiaca.
Èpossibile misurare la frequenza cardiaca utiliz-
zando sia il sensore pulsazioni impugnatura o il
cardiofrequenzimetro a torace opzionale (vedere a
pagina 18 per maggiori informazioni sul cardiofre-
quenzimetro a torace opzionale). Nota: se si uti-
lizzano contemporaneamente il sensore pul-
sazioni impugnatura e il cardiofrequenzimetro
a torace, la frequenza cardiaca visualizzata
dalla consolle non sarà precisa.
Prima di utilizzare
il sensore pul-
sazioni impug-
natura, togliere
lʼeventuale pelli-
cola protettiva dai
contatti metallici.
Assicurarsi inoltre
di avere le mani
pulite. Per mis-
urare la frequenza
cardiaca, afferrare il sensore pulsazioni impug-
natura con i palmi appoggiati sui contatti metallici.
Evitare di muovere le mani o di comprimere
troppo i contatti.
Quando le pulsazioni vengono rilevate, sul display
lampeggerà un simbolo a forma di cuore e succes-
sivamente si visualizzerà la frequenza cardiaca.
Per una lettura più precisa delle pulsazioni,
impugnare i contatti per almeno 15 secondi.
Qualora la frequenza cardiaca non venga visualiz-
zata, accertare che le mani siano posizionate nel
modo descritto. Prestare attenzione a non muo-
vere eccessivamente le mani o schiacciare troppo
i contatti metallici. Per ottenere prestazioni ottimali,
pulire i contatti metallici utilizzando un panno mor-
bido; non utilizzare alcol, sostanze abrasive o
prodotti chimici per pulire i contatti.
6. Una volta terminato lʼallenamento, la consolle
si spegnerà automaticamente.
Se i pedali non vengono azionati per alcuni secon-
di, si udirà un suono e la consolle andrà in pausa.
Se i pedali non vengono azionati per cinque minu-
ti, la consolle si spegnerà e il display verrà ripristi-
nato.
Contatti

17
USO DI UN PROGRAMMA DI ALLENAMENTO
PREDEFINITO
1. Premere un qualsiasi pulsante della consolle o
iniziare a pedalare per avviare la consolle.
Vedere la fase 1 a pagina 15.
2. Selezionare un programma di allenamento pre-
definito.
Per selezionare un programma di allenamento
predefinito, premere uno degli otto pulsanti
Resistenza Veloce/Allenamenti a Intervallo
[QUICK RESISTANCE/PACE WORKOUTS].
Quando selezionate un programma di allenamento
predefinito, il nome dellʼesercizio e il livello massi-
mo di resistenza si visualizzeranno sul display per
alcuni secondi. Un profilo dei livelli di resistenza
dellʼesercizio scorrerà nella parte sinistra del dis-
play.
3. Iniziare a pedalare per far partire il programma.
Ogni programma di allenamento è diviso in 30
segmenti da un minuto ciascuno. Per ogni seg-
mento sono programmati un livello di resistenza e
il ritmo. Nota: lo stesso livello di resistenza e/o
ritmo può essere programmato per i segmenti suc-
cessivi.
Durante il programma di allenamento, il profilo
programma visualizzerà i vostri progressi (si veda
disegno sopra). La colonna lampeggiante del profi-
lo rappresenta il segmento in corso del program-
ma di allenamento. Lʼaltezza della colonna lam-
peggiante indica la resistenza impostata per il seg-
mento in corso. Alla fine di ogni segmento del pro-
gramma, verranno emessi una serie di suoni e il
segmento successivo del profilo comincerà a lam-
peggiare. Se si imposta una resistenza diversa per
il segmento successivo, lʼimpostazione di resisten-
za verrà visualizzata sul display per alcuni secondi
per avvisarvi. Poi la resistenza dei pedali cam-
bierà.
Durante lʼallenamento, il target pacer vi aiuterà a
mantenere il ritmo di pedalata al livello di quello
previsto per il segmento in corso. Quando la spia
luminosa sinistra si accende aumentare il ritmo,
mentre quando si accende quella destra diminuir-
lo. Quando lʼindicatore al centro si illumina, man-
tenere il ritmo.
IMPORTANTE: il target pacer serve solo per
indicare lʼobiettivo da raggiungere. Si racco-
manda di tenere una pedalata adeguata al
vostro ritmo.
Se lʼimpostazione della resistenza per il segmento
corrente è troppo alta o troppo bassa è possibile
sovrascrivere lʼimpostazione manualmente pre-
mendo i pulsanti Resistenza Veloce [QUICK
RESISTANCE]. Tuttavia quando il segmento cor-
rente del programma termina, i pedali regoleranno
automaticamente le impostazioni di resistenza al
segmento successivo.
Se si smette di pedalare per alcuni secondi, verrà
emesso un suono e il programma andrà in pausa.
Per far ripartire il programma, iniziare semplice-
mente a pedalare. Lʼallenamento continuerà finché
lʼultimo segmento del profilo termina.
4. Seguire la progressione sui display.
Vedere la fase 4 a pagina 15.
5. Se lo si desidera, misurare la frequenza
cardiaca.
Vedere la fase 5 a pagina 16.
6. Una volta terminato lʼallenamento, la consolle
si spegnerà automaticamente.
Vedere la fase 6 a pagina 16.
Profilo

18
USO DELLO STEREO
Per riprodurre musica o audio libri sullʼimpianto audio
della consolle durante lʼallenamento, inserire il cavo
audio in dotazione nella presa sulla consolle e nella
presa del lettore MP3 o del lettore CD; accertare di
avere inserito completamente il cavo audio nelle
prese.
Successivamente, premere il pulsante Play del vostro
MP3 o lettore CD. Regolare il volume usando i con-
trolli presenti sullʼMP3 o Lettore CD.
CARDIOFREQUENZIMETRO A TORACE
OPZIONALE
Il cardiofrequenzimetro a torace opzionale consente il
funzionamento a mani libere e controlla costante-
mente la frequenza cardiaca durante gli allenamenti.
Per acquistare il cardiofrequenzimetro a torace
opzionale, consultare la copertina del presente
manuale.

19
Controllare e serrare opportunamente tutte le parti del-
lʼattrezzo ellittico con regolarità. Sostituire immediata-
mente qualsiasi parte usurata.
Per pulire lʼattrezzo ellittico, utilizzare un panno umido
e una piccola quantità di detersivo delicato. IMPOR-
TANTE: mantenere la consolle lontano da liquidi e
dalla luce solare diretta. Quando si ripone lʼattrez-
zo ellittico, rimuovere le pile dalla consolle.
SOLUZIONE DEI PROBLEMI DELLA CONSOLLE
Se il display della consolle si affievolisce significa che
è necessario sostituire le batterie. Vedere la fase di
montaggio 5 a pagina 8.
Se il sensore pulsazioni impugnatura non funziona
adeguatamente, vedere la fase 5 a pagina 16.
REGOLAZIONE DEL COMMUTATORE
Se la consolle non visualizza i dati corretti è neces-
sario regolare il commutatore.
Per regolare il commutatore è sufficiente togliere le
molle pedale, il disco pedale destro e i pannelli.
Vedere le fasi 12 e 11 a pagina 11 e rimuovere le
Molle Pedale (11). Quindi, rimuovere le quattro Viti
(51) dal Disco Pedale destro (15) e sfilare il Disco
Pedale.
Rimuovere tutte le Viti (52, 64) dal Pannello Destro (4)
e le due Viti (77) da sotto il Disco Pedale, quindi
rimuovere il Pannello Destro. Rimuovere tutte le Viti
(52) dal Pannello Sinistro (3) e rimuovere il Pannello
Sinistro.
Individuare poi il Commutatore (53). Allentare, ma non
estrarre le Viti M4 x 16mm (52) indicate. Avvicinare o
allontanare leggermente il Commutatore dal Magnete
(58) sul volano, quindi serrare nuovamente la Vite.
Ruotare il Disco Pedale sinistro (15) per un momento.
Ripetere la procedura fino a quando la consolle visual-
izza le informazioni corrette.
Una volta regolato correttamente il Commutatore
rimontare i pannelli, il disco pedale destro e le molle
pedale.
MANUTENZIONE E LOCALIZZAZIONE GUASTI
64
77
51
51
77
52
52
64
64
11
11
4
15
3
58
53
52
15

20
COME REGOLARE LA CINGHIA DI TRASMISSIONE
Se i pedali dovessero scivolare mentre pedalate,
anche quando la resistenza è regolata al livello massi-
mo, la cinghia trasmissione potrebbe avere bisogno di
essere regolata.
Per regolare la cinghia di trasmissione è necessario
rimuovere prima entrambi i pannelli. Consultare il
paragrafo REGOLAZIONE DEL COMMUTATORE a
pagina 19 e rimuovere i pannelli.
Quindi, allentare il Bullone a Testa Fresata M8 x
22mm (68) e ruotare la Vite M10 x 60mm (62) fino a
tendere la Cinghia di Trasmissione (19).
Quando la Cinghia di Trasmissione (19) è tesa, ser-
rare il Bullone a Testa Fresata (68). Rimontare i pan-
nelli.
68
62 19

21
I consigli che seguono sono un supporto per pianifica-
re il programma di esercizi. Per informazioni più detta-
gliate relative agli esercizi, si consiglia di acquistare
un libro specializzato o di consultare il proprio medico.
Si ricorda che una corretta alimentazione e un riposo
adeguato sono essenziali per ottenere dei risultati
positivi.
INTENSITÀ ESERCIZIO
Qualunque sia l'obiettivo, bruciare grassi o potenziare
il sistema cardiovascolare, la chiave per raggiungere i
risultati desiderati è allenarsi a un livello di intensità
corretto. Per trovare il corretto livello di intensità è
possibile prendere come riferimento la propria fre-
quenza cardiaca. La tabella sottostante mostra le fre-
quenze cardiache consigliate per bruciare i grassi o
per un allenamento aerobico.
Per determinare la frequenza cardiaca più adatta al
proprio fisico, individuare la propria età in fondo alla
tabella (le età sono arrotondate alla decina più prossi-
ma). I tre numeri riportati sopra alla propria età deter-
minano la vostra « zona di allenamento ». Il numero
inferiore rappresenta la frequenza cardiaca raccoman-
data per bruciare i grassi; il numero medio rappresen-
ta la frequenza cardiaca raccomandata per bruciare i
grassi al massimo livello; il numero superiore rappre-
senta la frequenza cardiaca raccomandata per un
esercizio aerobico.
Bruciare i Grassi—Per bruciare i grassi in modo effi-
cace, è necessario eseguire un allenamento a un livel-
lo di intensità relativamente basso per parecchi minuti.
Durante i primi minuti di allenamento, il corpo brucia i
carboidrati semplici. Solo dopo i primi minuti il corpo
brucia grassi accumulati. Se l'obiettivo è bruciare
grassi, regolare l'intensità dell'esercizio fino a quando
la frequenza cardiaca è prossima al numero più basso
della propria zona di allenamento. Per bruciare il mas-
simo dei grassi, allenarsi con la frequenza cardiaca
prossima al numero medio della propria zona di alle-
namento.
Esercizio Aerobico—Se l'obiettivo è il potenziamento
del sistema cardiovascolare si deve eseguire un alle-
namento aerobico la cui attività richiede un apporto di
ossigeno elevato per periodi prolungati. Per l'esercizio
aerobico, regolare l'intensità dell'esercizio fino a quan-
do la propria frequenza cardiaca è prossima la nume-
ro più alto della propria zona di allenamento.
CONSIGLI PER L'ALLENAMENTO
Riscaldamento—Iniziare con 5/10 minuti di stretching
ed esercizi leggeri. Un riscaldamento corretto aumen-
ta la temperatura del corpo, la frequenza cardiaca e la
circolazione in preparazione all'esercizio.
Esercizi nella zona di allenamento—Allenarsi per
20/30 minuti mantenendo la propria frequenza cardia-
ca entro i limiti della propria zona di allenamento.
(Durante le prime settimane del programma di eserci-
zi, mantenere la propria frequenza cardiaca nella zona
di allenamento per massimo 20 minuti.) Durante l'e-
sercizio respirare regolarmente e profondamente
senza mai trattenere il respiro.
Defaticamento—Terminare con 5/10 minuti di stret-
ching. Lo stretching aumenta la flessibilità dei muscoli
e aiuta a prevenire i problemi dopo gli esercizi.
FREQUENZA ESERCIZI
Per mantenere o migliorare la propria condizione, ese-
guire tre allenamenti alla settimana, rispettando alme-
no un giorno di riposo tra ogni sessione. Dopo alcuni
mesi di esercizio costante, sarà possibile anche ese-
guire cinque allenamenti alla settimana. Ricordatevi
che la chiave del successo è rendere l'esercizio una
parte costante e divertente della vita di tutti i giorni.
GUIDA AGLI ESERCIZI
AVVERTENZA: prima di inizia-
re questo programma di esercizi o altri, con-
sultare il medico. In particolare coloro che
hanno un'età superiore ai 35 anni o che hanno
comprovati problemi di salute.
Il sensore pulsazioni non è uno strumento
medico. Esistono vari fattori che possono infi-
ciare la precisione della rilevazione della fre-
quenza cardiaca. Il sensore pulsazioni è solo
uno strumento di supporto per lʼallenamento
che serve a determinare la tendenza della fre-
quenza cardiaca in generale.

22
Nota: le specifiche sono soggette a modifiche senza previo avviso. Si veda il retrocopertina del presente man-
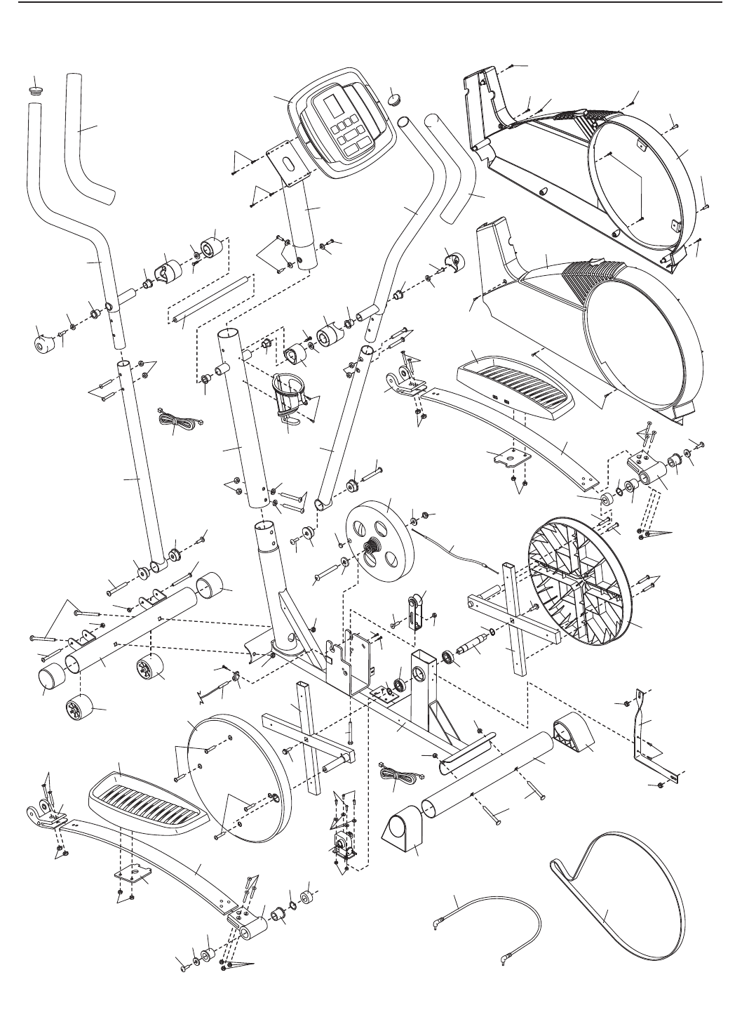
uale per informazioni relative allʼordinazione di pezzi di ricambio. *Indica una parte non illustrata.
11Telaio
21Montante
31Pannello Sinistro
41Pannello Destro
52Montante Verticale
61Montante Manubrio Sinistro
71Asse del Perno
81Montante Manubrio Destro
91Stabilizzatore Posteriore
10 1 Stabilizzatore Anteriore
11 2 Molla Pedale
12 1 Staffa Molla Posteriore Sinistra
13 1 Pedale Sinistro
14 1 Pedale Destro
15 2 Disco Pedale
16 2 Barra Trasversale Disco
17 1 Volano
18 1 Staffa Pannello
19 1 Cinghia di Trasmissione
20 2 Cappuccio Posteriore
21 2 Cappuccio Anteriore
22 2 Ruota
23 1 Consolle
24 2 Impugnatura
25 1 Tenditore
26 2 Vite M4 x 19mm
27 2 Cappuccio Superiore
28 2 Bullone a Testa Bombata M10 x
74mm
29 2 Vite M3 x 16mm
30 2 Anello a Scatto Grande
31 2 Cuscinetto Grande
32 1 Asse Pedale
33 9 Dado Autobloccante M10
34 4 Bullone Trasporto M10 x 75mm
35 2 Rondella Staffa Molla
36 10 Bullone a Testa Fresata M6 x
28mm
37 4 Boccola Molla Pedale
38 9 Dado Autobloccante M8
39 1 Rondella Volano
40 5 Vite con Nailon M10 x 25mm
41 2 Bullone M10 x 45mm
42 4 Rondella M5
43 2 Rondella Ondulata
44 1 Prolunga Filo Bardato
45 1 Motore Regolatore di Resistenza
46 2 Cappuccio Montante Manubrio
47 2 Distanziatore Montante Manubrio
48 2 Distanziatore Montante
49 6 Boccola Montante Manubrio
50 4 Bullone a Testa Bombata M8 x
45mm
51 8 Vite M6 x 28mm
52 11 Vite M4 x 16mm
53 1 Commutatore/Cavo
54 1 Morsetto
55 2 Rondella Montante Manubrio
56 2 Vite con Nailon M8 x 25mm
57 1 Bullone a Testa Fresata M10
58 1 Magnete
59 5 Rondella Grower M10
60 4 Boccola Montante Manubrio
61 2 Bullone Esagonale 3/8” x 12,7mm
62 1 Vite M10 x 60mm
63 2 Distanziatore Molla
64 4 Vite M4 x 25mm
65 1 Porta Bottiglia
66 12 Dado Autobloccante M6
67 2 Vite Autofilettante M5 x 14mm
68 1 Bullone a Testa Fresata M8 x
22mm
69 2 Dado Autobloccante M5
70 1 Staffa Molla Posteriore Destra
71 4 Vite Autofilettante M5 x 16mm
72 2 Vite M5 x 16mm
73 1 Prolunga Montante
74 2 Bullone Doppio M10
75 1 Cavo Audio
76 2 Staffa Molla Anteriore
77 2 Vite M6 x 18mm
78 1 Rondella M10
79 1 Filo Bardato
80 2 Piastra Pedale
81 2 Rondella Ondulata 23mm
82 1 Cavo di Resistenza
*–Strumento di Montaggio
*–Confezione di Lubrificante
*–Manuale dʼIstruzioni
N° Qtà. Descrizione Nº Qtà. Descrizione
ELENCO PEZZI—Nº del Modello PFEVEL73908.0 R0409A

23
61
30
32
31
30
31
24
8
4
3
50
5
38
44
45
6
46
5
60
17
2
10
33
14
12
35
18
19
1
33
13
37
11
51
51
51
15
51
51
34
9
33
33 20
20
16
61
54
52
53
38
25
68
62
55
56 38
50
48
47
49
24
56
55
57 39
33
58
22
41
21
33
41
21
22
37
33
34
80
80
60
60
60
23
52
52
64
52
77
52 77
64
37
37
49
48
47 49
49
46
11
16
71
35
70
66
36 40
63
40 66
63
36
40
59
59
40
73
36
66
36
66
76
76 71
74
74
74
74
79
15
66
66
72
42
78
67
67
69
2727
29
29
7
26
52
52
43
65
49
49
28
33 59
59
43
81
81
38
38
75
82
64
64
DISEGNO ESPLOSO—Nº del Modello PFEVEL73908.0 R0409A

Nº Pezzo 277647 R0409A Stampato in Cina © 2009 ICON IP, Inc.
ORDINAZIONE DEI PEZZI DI RICAMBIO
Per ordinare i pezzi di ricambio, si veda la copertina del presente manuale. Per poter soddisfare rapidamente la
vostra richiesta, prima di contattarci vi preghiamo di munirvi:
• del numero del modello e del numero di serie del prodotto (consultare la copertina del presente manuale)
•del nome del prodotto (consultare la copertina del presente manuale)
• del numero pezzo e della descrizione del/dei pezzo/i di ricambio (consultare il capitolo ELENCO PEZZI e
DISEGNO ESPLOSO alla fine del presente manuale)