Proform Pfevel934070 Reflex Step Gw Elliptical Users Manual PFEVEL48830 202292(UK)
2015-04-14
: Proform Proform-Pfevel934070-Reflex-Step-Gw-Elliptical-Users-Manual-700616 proform-pfevel934070-reflex-step-gw-elliptical-users-manual-700616 proform pdf
Open the PDF directly: View PDF
.
Page Count: 28

ATTENTION
Lisez toutes les précautions et
les instructions contenues dans
ce manuel avant d’utiliser cet
appareil. Gardez ce manuel pour
vous y référer ultérieurement.
Nº. du Modèle PFEVEL93407.0
Nº. de Série
Écrivez le numéro de série sur la
ligne ci-dessus pour références
ultérieures.
Autocollant
du Numéro
de Série
www.iconeurope.com
Notre site Internet
MANUEL DE L’UTILISATEUR
QUESTIONS?
En tant que fabricant nous nous
engageons à satisfaire notre
clientèle entièrement. Si vous
avez des questions ou si des
pièces sont manquantes, veuillez
nous contactez au :
(+33) (0) 810 121 140
du lundi au jeudi de 9h00 à 13h00
et de 14h00 à 18h00, le vendredi
de 14h00 à 17h00 (à l’exception
des jours fériés).
email : csfr@iconeurope.com
site internet : www.iconsupport.eu

TABLE DES MATIÈRES
EMPLACEMENT DE L’AUTOCOLLANT D’AVERTISSEMENT . . . . . . . . . . . . . . . . . . . . . . . . . . . . . . . . . . . . . . . 2
PRÉCAUTIONS IMPORTANTES . . . . . . . . . . . . . . . . . . . . . . . . . . . . . . . . . . . . . . . . . . . . . . . . . . . . . . . . . . . . . . 3
AVANT DE COMMENCER . . . . . . . . . . . . . . . . . . . . . . . . . . . . . . . . . . . . . . . . . . . . . . . . . . . . . . . . . . . . . . . . . . . 4
ASSEMBLAGE . . . . . . . . . . . . . . . . . . . . . . . . . . . . . . . . . . . . . . . . . . . . . . . . . . . . . . . . . . . . . . . . . . . . . . . . . . . . 5
COMMENT UTILISER L’APPAREIL ELLIPTIQUE . . . . . . . . . . . . . . . . . . . . . . . . . . . . . . . . . . . . . . . . . . . . . . . . 10
ENTRETIEN ET PROBLÈMES . . . . . . . . . . . . . . . . . . . . . . . . . . . . . . . . . . . . . . . . . . . . . . . . . . . . . . . . . . . . . . . 20
CONSEILS POUR L’EXERCICE . . . . . . . . . . . . . . . . . . . . . . . . . . . . . . . . . . . . . . . . . . . . . . . . . . . . . . . . . . . . .22
LISTE DES PIÈCES . . . . . . . . . . . . . . . . . . . . . . . . . . . . . . . . . . . . . . . . . . . . . . . . . . . . . . . . . . . . . . . . . . . . . ..26
SCHÉMA DÉTAILLÉ . . . . . . . . . . . . . . . . . . . . . . . . . . . . . . . . . . . . . . . . . . . . . . . . . . . . . . . . . . . . . . . . . . . . . . . 27
POUR COMMANDER DES PIÈCES DE RECHANGE . . . . . . . . . . . . . . . . . . . . . . . . . . . . . . . . . . . Dernière Page
2
PROFORM est une marque enregistrée de ICON IP,Inc.
EMPLACEMENT DE L’AUTOCOLLANT D’AVERTISSEMENT
L’autocollant illustré ci-dessous a été appo-
sé sur l’apparaeil elliptique. Si l’autocol-
lant est manquant ou illisible, veuillez
communiquer avec notre service à la
clientèle au numéro sans frais (voir le
dos de ce manuel). Placez l’autocollant
de remplacement à l’endroit indiqué.
Remarque : l’ autocollant n’est pas illustré
àson taille réelle.

3
1. Consultez votre médecin avant d’entre-
prendre un programme d’exercices. Ceci
s’adresse plus particulièrement aux per-
sonnes âgées de plus de 35 ans ou aux per-
sonnes qui ont déjà eu des problèmes de
santé.
2. Il est de la responsabilité du propriétaire de
s’assurer que tous les utilisateurs de l’appa-
reil elliptique sont correctement informés de
toutes les précautions.
3. Votre appareil elliptique est conçu pour être
utilisé chez vous. L’appareil elliptique ne doit
pas être utilisé dans une institution commer-
ciale ou pour la location.
4. Utilisez et gardez votre appareil elliptique à
l’intérieur, à l’abri de l’humidité et de la pous-
sière. Placez l’appareil elliptique sur une sur-
face plane et sur un tapis pour protéger
votre sol ou votre moquette. Assurez-vous
qu’il y a suffisamment d’espace autour de
l’appareil elliptique pour vous permettre de
monter, de descendre et d’utiliser facilement
l’appareil.
5. Inspectez et serrez correctement toutes les
pièces régulièrement. Remplacez immédiate-
ment toute pièce usée.
6. Tenez les enfants de moins de 12 ans et les
animaux domestiques éloignés de votre
appareil elliptique.
7. Votre appareil elliptique ne doit jamais être
utilisé par des personnes dont le poids est
supérieur à 113 kg (250 lbs).
8. Portez des vêtements appropriés quand
vous faites de l’exercice ; ne portez pas de
vêtements trop larges qui pourraient se coin-
cer dans le votre appareil elliptique. Portez
toujours des chaussures de sport pour pro-
téger vos pieds.
9. Tenez le détecteur cardiaque des poignées ou
les bras pour la partie supérieure du corps
quand vous montez ou descendez de l’appa-
reil et quand vous l’utilisez.
10. Gardez toujours votre dos bien droit quand
vous vous servez de votre appareil elliptique ;
évitez d’arquer le dos.
11. Le détecteur cardiaque n’est pas un appareil
médical. Divers facteurs peuvent rendre la
lecture du rythme cardiaque moins précise.
Le capteur ne sert qu’à donner une idée
approximative des fluctuations du rythme
cardiaque lors de l’exercice.
12. Lorsque vous arrêtez de vous entraîner, lais-
sez les pédales ralentir jusqu’à l’arrêt.
13. Cessez immédiatement vos exercices si
vous ressentez une douleur ou des étourdis-
sements, et commencez des exercices de
retour à la normale.
14. N’utilisez votre appareil elliptique que de la
manière décrite.
AVERTISSEMENT : afin de diminuer les risques de blessures graves, lisez
toutes les précautions et directives de ce manuel, ainsi que tous les avertissements inscrits sur
votre appareil elliptique avant d’utiliser cet appareil. ICON ne se tient aucunement responsable des
blessures ou dégâts matériels résultants de l’utilisation de cet appareil.
PRÉCAUTIONS IMPORTANTES

4
AVANT DE COMMENCER
Merci d’avoir choisi l’appareil elliptique PROFORM®
REFLEX STEP elliptical exerciser. L’appareil elliptique
REFLEX STEP offre un éventail impressionnant de
fonctionnalités pour rendre vos exercices à la maison
plus agréables et efficaces—et quand vous ne l’utili-
sez pas, l’appareil elliptique unique REFLEX STEP
peut se plier pour être rangé.
Veuillez lire attentivement ce manuel avant d’utili-
ser le tapis de course. Si vous avez des questions
concernant cet appareil, voir la page de couverture de
ce manuel. Pour mieux nous assister, notez le numéro
du modèle et le numéro de série de l’appareil avant
de nous appeler (voir la page de couverture de ce
manuel pour son emplacement).
Familiarisez-vous avec les pièces sur le schéma ci-
dessous avant de continuer la lecture de ce manuel.
Détecteur
Cardiaque
Ressort de Pédale
Disque de
la Pédale
*La bouteille n’est pas incluse
Roue
Pédale
Porte-Bouteille*
Poignée Mobile
Console

5
ASSEMBLAGE
L’assemblage requiert deux personnes. Placez toutes les pièces de l’appareil elliptique sur une aire dégagée
et enlevez les emballages. Ne jetez pas les emballages avant d’avoir terminé l’assemblage. En plus des clés
hexagonales incluses, l’assemblage requiert un tournevis cruciforme , une clé à molette
,et un maillet en caoutchouc .
Utilisez le schéma des pièces ci-dessous pour identifier les petites pièces utilisées lors de l’assemblage. Le
nombre entre parenthèses sous chaque pièce fait référence au numéro-clé de la pièce, qui se trouve dans la
LISTE DES PIÈCES vers la fin de ce manuel. Le deuxième nombre fait référence à la quantité nécessaire pour
l’assemblage. Remarque : certaines petites pièces ont peut-être été pré-assemblées. Si une pièce n’est
pas dans le sac de quincaillerie, vérifiez qu’elle n’est pas pré-assemblée.
Vis de M4 x
16mm (52)–4
Rondelle de M10
(78)–2
Rondelle Fendue
de M10 (59)–7
Écrou de Verrouillage
en Nylon de M10
(33)–6
Boulon de Carrosserie
de M10 x 30mm (80)–2
Série de Boulons de M10 (74)–2
Rondelle du Guidon
(55)–2 Rondelle de Support
du Ressort (35)–2
Écrou de Verrouillage
en Nylon de M8
(38)–4
Boulon en Bouton de M8 x 45mm
(50)–4
Vis avec Nylon de
M10 x 27mm (40)–2
Boulon de Carrosserie de
M10 x 75mm (34)–4
Rondelle
Ondulée (43)–2
Vis de
Raccordement de
M8 x 25mm (56)–2
Vis de M4 x
19mm (26)–2
Vis en Bouton de
M10 x 25mm (67)–3
Boulons en Bouton de M10 x 74mm
(28)–2
Rondelle Ondulée de
23mm (83)–2

6
34
9
1
3
2
28
59
59
33
44
1
73
79
59
Faites attention de
ne pas pincer les
groupements de fils.
44
67
67
59
233
33
10 33
33
22
22
34
34 1
1
Trous
Hexagonaux
3. Pendant qu’une deuxième personne tient le Montant
(2) près du Cadre (1), branchez la Rallonge du
Groupement de Fils (44) dans le Groupement de Fils
(79). Tirez doucement la partie supérieure de la
Rallonge du Groupement de Fils pour la tendre
puis, glissez le Montant dans le Cadre. Attachez le
Montant à l’aide de deux Boulons en Bouton de M10
x74mm (28), deux Rondelles Fendues de M10 (59),
et deux Écrous de Verrouillage en Nylon de M10 (33).
Faites attention de ne pas pincer les Groupements
de Fils.
Pendant qu’une deuxième personne tient le Montant
d’Extension (73) près du Montant (2), insérez la partie
supérieure de la Rallonge du Groupement de Fils (44)
dans le Montant d’Extension.
Tenez la partie supérieure de la Rallonge du
Groupement de Fils (44) et enfoncez le Montant
d’Extension (73) dans le Montant (2). Attachez le
Montant d’Extension à l’aide de trois Vis en Bouton de
M10 x 25mm (67) et trois Rondelles Fendues de M10
(59). Faites attention de ne pas pincer la Rallonge
du Groupement de Fils. Assurez-vous que les
Écrous de Verrouillage en Nylon sont dans les
trous hexagonaux.
1.
Identifiez le Stabilisateur Avant (10), qui a des Roues
(22) attachés. Assurez-vous que le Stabilisateur
Avant est tourné de manière à ce que les Roules
ne touchent pas le sol. Pendant qu’une autre per-
sonne soulève l’avant du Cadre (1), attachez le
Stabilisateur Avant au Cadre avec deux Boulons de
Carrosserie de M10 x 75mm (34) et deux Écrous de
Verrouillage en Nylon de M10 (33).
2. Pendant qu’une autre personne soulève légèrement
l’arrière du Cadre (1), attachez le Stabilisateur Arrière
(9) au Cadre avec deux Boulons de Carrosserie de
M10 x 75mm (34) et deux Écrous de Verrouillage en
Nylon de M10 (33).
Pour faciliter l’assemblage de l’appareil
elliptique, lisez d’abord les informations conte-
nues dans la page 5.

7
5. Pendant qu’une deuxième personne tient la Console
(23) près du Montant d’Extension (73), branchez le
groupement de fils de la console dans la Rallonge du
Groupement de Fils (44). Insérez l’excès du Montant
d’Extension.
Attachez la Console (23) au Montant d’Extension (73)
àl’aide de quatre Vis de M10 x 27mm (52). Faites
attention de ne pas pincer les Groupements de
Fils.
Attachez le Porte-bouteille (65) sur la Montant (2)
avec deux Vis de M4 x 19mm (26).
5
23
26
65
52
44
73
Console
Groupement
de Fils
2
6
80
81
59
11
13
78
6. Identifiez le Ressort de Pédale (11) gauche qui est
muni d’une étiquette « L»ou « Left »(Gauche).
Attachez la Pédale Gauche (13) sur le Ressort de
Pédale gauche à l’aide d’un Boulon de Carrosserie de
M10 x 30mm (80), une Rondelle de M10 (78), une
Rondelle Fendues de M10 (59), et un Bouton de
Pédale (81) comme illustré. Remarque :la Pédale
Gauche peut être attachée dans plusieurs positions
selon les cinq position de la Pédale Gauche et les
trois trous sur le Ressort de Pédale.
Attachez la Pédale Droite (non-illustrée) de la
même manière.
Assurez-vous sure que les deux Pédales sont atta-
chées au même trou et dans la même position de
pédale.
4. La Console (23) requiert quatre piles de type AA ; les
piles alcalines sont recommandées. IMPORTANT : si
l’appareil elliptique a été entreposé à basse tem-
pérature, permettez-lui de revenir à la température
ambiante avant de l’allumer. Si vous ne suivez pas
cette consigne, les affichages de la console et
d’autres composantes électriques peuvent être
endommagés. Retirez le couvercle des piles puis
placez quatre piles dans le compartiment des piles ;
assurez-vous que les piles sont placées dans la
position illustrée sur les schémas à l’intérieur du
compartiment des piles. Ensuite, ré-attachez le cou-
vercle des piles.
23
Couvercle
des Piles
4
Piles
Faites attention de ne pas pin-
cer les groupements de fils.

8
50
8
38
7. Identifiez le Guidon Gauche (6) qui est marqué avec
un autocollant « Left ». Insérez le Guidon Gauche
dans un des Jambes du Guidon (5) ; assurez-vous
que le Jambes du Guidon est tourné de manière à
ceque les trous hexagonaux sont dans le côté
indiqué. Attachez le Guidon Gauche à l’aide de deux
Boulons en Bouton de M8 x 45mm (50) et deux
Écrous de Verrouillage en Nylon de M8 (38).
Assurez-vous que les Écrous de Verrouillage en
Nylon sont à l’intérieur des trous hexagonaux. Ne
serrez pas complètement les Boulons en Bouton
maintenant.
Appliquez une grande quantité de la graisse incluse
sur l’Essieu de Pivot (7). Ensuite, appliquez de la
graisse sur deux Rondelle Ondulée (43).
Insérez l’Essieu de Pivot (7) dans le Montant (2) puis
centrez l’Essieu de Pivot. Tournez une Bague
d’Espacement du Guidon (47) de manière à ce que la
petite flèche sur la Bague d’Espacement du Guidon
soit pointée vers le sol puis, glissez la Bague
d’Espacement du Guidon sur le Guidon Gauche (6).
Ensuite, glissez une Rondelle Ondulée (43) sur
l’Essieu de Pivot.
Glissez le Guidon Gauche (6) sur l’Essieu de Pivot (7).
Attachez le Guidon Gauche à l’aide d’une Vis de
Raccordement de M8 x 25mm (56) et une Rondelle du
Guidon (55). Ensuite, enfoncez les languettes sur un
Embout du Guidon (46) dans la Bague d’Espacement
du Guidon (47).
Assemblez le Guidon Droit (8) et l’autre Jambe du
Guidon (5) de la même manière.
5
2
5
Trous
Hexagon-
aux
7
Graisse
46 Lang-
uette
Flèche
6
55 43
56
47
7

9
9. Assurez-vous que toutes les pièces de l’appareil elliptique sont serrées correctement. Remarque : il
est possible qu’il reste des pièces supplémentaires une fois l’assemblage terminé. Pour protéger votre sol
ou votre moquette, placez un tapis sous l’appareil elliptique.
8. Identifiez le Support du Ressort Arrière Gauche (12)
sur le Ressort de Pédale (11) gauche. Appliquez un
peu de graisse à l’intérieur des Bagues du Bras de la
Pédale (37) se trouvant dans le Support du Ressort
Arrière Gauche, et dans l’essieu sur la Barre Latérale
du Disque (16) gauche. Glissez une Bague
d’Espacement du Ressort (63) et une Rondelle
Ondulée de 23mm (83) sur l’essieu ; assurez-vous
que la Bague d’Espacement du Ressort est tour-
née de manière à ce que la partie plate soit en
face de l’appareil elliptique. Ensuite, glissez le
Support du Ressort Arrière Gauche sur l’essieu.
Glissez une Rondelle de Support du Ressort (35) sur
une Vis avec Nylon de M10 x 27mm (40) et serrez la
Vis avec Nylon sur l’essieu.
Placez ensuite la partie inférieure de la Jambe du
Guidon (5) gauche dans le Support du Ressort Avant
(76) sur le Ressort de Pédale (11) gauche. Mettez un
peu de graisse sur une Série de Boulons de M10
(74). Attachez la Jambe du Guidon au Support du
Ressort Avant avec la Série de Boulons. Ne serrez
pas trop la Série de Boulons ; la Jambe du
Guidon doit pouvoir pivoter librement.
Attachez le Ressort de Pédale droit (non-illustré)
au côté droit de l’appareil elliptique de la même
manière.
Réferez-vous à l’étape 7. Vissez les Boulons en
Bouton de M8 x 45mm (50).
8
Graisse
74 11
11
40 35 37
63
83
12
74
5
76
Graisse 16

10
COMMENT UTILISER L’APPAREIL ELLIPTIQUE
COMMENT DÉPLACER L’APPAREIL ELLIPTIQUE
Placez-vous derrière l’appareil elliptique, tenez ferme-
ment les stabilisateurs arrières (9), et soulevez l’appa-
reil elliptique jusqu’à ce qu’il puisse se déplacer sur
les Roues Avants (22). Déplacez doucement l’appareil
elliptique vers l’endroit désiré, puis baissez-le. Pour
réduire les risques de blessure, pliez vos jambes
et gardez votre dos bien droit quand vous soule-
vez le stabilisateur arrière ; utilisez toujours vos
jambes pour soulever l’appareil plutôt que votre
dos.
COMMENT NIVELLER L’APPAREIL ELLIPTIQUE
Si l’appareil elliptique est bancal durant son utilisation,
tournez un ou les deux pieds de nivellement sous le
stabilisateur arrière pour le stabiliser.
COMMENT RÉGLER LES PÉDALES
Le mouvement de
l’appareil ellip-
tique est détermi-
né par la position
des pédales. Pour
régler les
pédales, desser-
rez d’abord le
bouton sous
chaque pédale.
Glissez les
pédales en avant
ou en arrière
dans une des
cinq positions, et
ensuite resserrez
les manettes.
Assurez-vous que les deux pédales sont dans la
même position.
COMMENT UTILISER LES GUIDONS
Les guidons sont
conçus pour ajou-
ter des exercices
pour l’haut du
corps. Alors que
vous vous exercez,
poussez et tirez
les bras de la par-
tie supérieure afin
de travailler vos
bras, votre dos et
vos épaules.
COMMENT VOUS EXERCEZ AVEC L’APPAREIL
ELLIPTIQUE
Tenez le guidon
et montez sur
la pédale qui
est au niveau le
plus bas.
Ensuite, mettez
l’autre pied sur
l’autre pédale.
Poussez les
pédales jusqu’à
ce qu’elles bou-
gent d’une
manière conti-
nue.
Remarque :
les disques de
la pédale peu-
vent tourner
dans les deux
directions. Il
est recom-
mandé de tourner les disques de la pédale dans la
direction indiquée ci-dessous ; cependant pour
varier vos exercices, vous pouvez choisir de tour-
ner les pédales dans la direction opposée.
Pour descendre de l’appareil elliptique, attendez que
les pédales soient à l’arrêt complet. Remarque : l’ap-
pareil elliptique n’a pas de roue libre ; les pédales
continueront à bouger jusqu’à ce que le volant
s’arrête. Quand les pédales sont à l’arrêt, descendez
de la pédale qui est la plus haute. Descendez ensuite
de la pédale la plus basse.
Pédale
Pédale
Disque de la
Pédale
Poignées
Mobiles
Poignées
Mobiles
Bouton
de
Pédale
Ressort
de Pédale
Pedal
22
9

11
Cricket
ELPE2786 / ELPE5996
PFEVEL2786.0
PFEVEL5996.0
FONCTIONNALITÉS DE LA CONSOLE
La console est équipée d’une sélection de fonctionnali-
tés conçues pour rendre vos exercices chez vous plus
efficaces. Lorsque vous utilisez le mode manuel de la
console, vous pouvez changer la résistance des
pédales d’une pression de touche. Alors que vous
pédalez, la console vous fournit des données continues
sur votre entraînement. Vous pouvez même mesurer
votre rythme cardiaque en utilisant le capteur cardiaque
manuel ou le capteur cardiaque du torse en option.
(Pour plus d’information concernant le capteur car-
diaque du torse en option, référez-vous à la page 20).
La console est équipée de six programmes intelligents
qui changent automatiquement la résistance des
pédales et vous motivent pour varier votre cadence tout
en vous guidant lors d’un entraînement efficace.
De plus, deux programmes de rythme cardiaque
contrôlent la résistance des pédales et vous motivent à
maintenir une cadence constante pour que votre ryth-
me cardiaque reste proche d’un rythme cardiaque d’ob-
jectif programmé, durant tout votre entraînement.
La console est aussi équipée de la technologie interac-
tive iFIT.com. Avec la technologie iFIT.com, c’est
comme si vous aviez un entraîneur personnel à la mai-
son. À l’aide du fil audio, vous pouvez brancher votre
appareil elliptique sur votre chaîne hi-fi, chaîne portable,
ordinateur ou magnétoscope et ainsi utiliser les pro-
grammes iFIT.com sur CD ou vidéocassette (les CD et
vidéocassettes iFIT.com sont vendus séparément). Les
programmes iFIT.com sur CD ou vidéocassette contrô-
lent automatiquement votre appareil elliptique comme le
ferait un entraîneur personnel, vous guidant tout au
long de votre entraînement. De la musique dynamique
vous donne de la motivation supplémentaire. Pour
vous procurer des CD ou vidéocassettes iFIT.com,
visitez notre site Internet www.iconeurope.com.
En branchant votre appareil elliptique sur votre ordina-
teur,vous pouvez aussi aller sur notre site Internet
www.iFIT.com et accéder directement aux programmes
àpartir d’Internet. Visitez www.iFIT.com pour plus
d’information.
Pour utiliser le mode manuel de la console, suivez
les étapes commençant à la page 12. Pour utiliser un
programme Intelligent, voir page 13. Pour utiliser les
programmes de pouls, voir page 14. Pour utiliser les
programmes des CD ou des vidéos iFIT.com, voir
page 18. Pour utiliser les programmes iFIT.com
directement depuis notre site sur l’Internet, voir
page 19.
Avant d’utiliser la console, assurez-vous que les piles
sont installées dans la console (voir l’étape 4 de l’as-
semblage à la page 7). Si la console est recouverte
d’un film plastique transparent, retirez-le.
SCHÉMA DE LA CONSOLE

12
COMMENT UTILISER LE MODE MANUEL
1. Allumez la console.
Pour allumer la console, appuyez sur n’importe
quelle touche ou commencez à pédaler. L’écran
s’allume et la console est prête à être utilisée.
2. Sélectionnez le mode manuel.
Le mode manuel est
sélectionné automati-
quement chaque fois
que vous allumez la
console. Si vous avez
sélectionné un autre
programme, sélectionnez de nouveau le mode
manuel en appuyant sur n’importe quelle touche
Programmes jusqu’à ce que l’écran se remette à
zéro.
3. Commencez à pédaler et changez la résistance
des pédales comme vous le désirez.
Pendant que vous
pédalez, changez la
résistance [RESIST.]
des pédales en
appuyant sur les
touches
d’Augmentation et de Diminution. Le niveau de
résistance le plus élevé est le niveau 10.
Remarque : après avoir appuyé sur les touches,
l’appareil prend quelques secondes pour atteindre
le niveau sélectionné.
4. Suivez votre progression sur l’écran.
La première section
de l’écran affiche le
temps [TIME] écoulé
et la distance (nombre
total de tours) que
vous avez parcouru
en pédalant. L’écran affiche les modes en alter-
nance, quelques secondes chacun. Remarque :
quand vous sélectionnez un programme (à l’ex-
ception du deuxième programme de rythme car-
diaque), l’écran affiche le temps restant avant la
fin du programme plutôt que le temps écoulé.
La deuxième section
de l’écran affiche la
cadence des pédales,
en tours par minute
[RPM].
La troisième section de
l’écran affiche le
nombre approximatif
de calories [CALS.]
que vous avez brûlées
et le niveau de résis-
tance des pédales. Les modes sont affichés en
alternance, quelques secondes chacun. L’écran
affiche aussi votre rythme cardiaque quand vous
utilisez le capteur cardiaque manuel.
La dernière section de
l’écran affiche une
piste virtuelle qui
représente 640 tours.
Alors que vous vous
entraînez, les indica-
teurs apparaissent successivement autour de la
piste jusqu’à ce que toute la piste soit allumée. La
piste disparaît alors et les indicateurs recommen-
cent à s’afficher un à un.
5. Mesurez votre fréquence cardiaque, si désiré.
Si les plaques
métalliques sur les
poignées sont
recouvertes d’un
film de plastique,
retirez-le. Ensuite,
tenez le capteur car-
diaque manuel en
plaçant la paume de
vos mains contre les
plaques. Évitez de bouger les mains ou de trop
serrer les plaques. Quand votre rythme cardiaque
est détecté, un symbole en forme de cœur se met
àclignoter sur l’écran à chaque battement de cœur
;votre rythme cardiaque s’affiche ensuite. Pour
une lecture plus précise de votre rythme cardiaque,
tenez les plaques pendant au moins 15 secondes.
6. Quand vous avez fini de vous entraîner,la
console s’éteint automatiquement.
Si les pédales ne tournent pas pendant quelques
secondes, le temps se met à clignoter sur l’écran et
la console suspend son activité. Si les pédales ne
sont pas déplacées pendant plusieurs minutes, la
console s’éteint et les affichages se remettent à
zéro.
Plaques

13
COMMENT UTILISER UN PROGRAMME
INTELLIGENT
1. Allumez la console.
Pour allumer la console, appuyez sur n’importe
quelle touche ou commencez à pédaler. L’écran
s’allume et la console est prête à être utilisée.
2. Sélectionnez un programme intelligent.
Pour sélectionner un
programme intelligent,
appuyez sur la touche
Sélection du
Programme [PRO-
GRAM SELECT] jus-
qu’à ce que P3, P4, P5, P6, P7, ou P8 apparaisse
sur l’écran. La première section de l’écran affiche
la durée du programme.
3. Commencez à pédaler pour lancer le
programme.
Les programmes sont divisés en 30 segments
d’une minute chacun. Une résistance et une
cadence sont programmées pour chaque seg-
ment. Remarque : la même cadence et/ou la
même résistance peuvent avoir été programmées
pour plusieurs segments consécutifs.
Quand la résistance est sur le point de changer,le
niveau de résistance clignote sur l’écran pendant
quelques secondes. La résistance des pédales
change alors automatiquement pour atteindre le
niveau de résistance programmé pour le segment
suivant. Remarque : si le niveau de résistance est
trop élevé ou trop bas, vous pouvez le changer en
appuyant sur les touches d’Augmentation ou de
diminution. Cependant, quand le segment en
cours se termine, l’appareil se met automatique-
ment sur la résistance programmée pour le seg-
ment suivant.
Alors que vous vous
entraînez, l’écran vous
motive pour que vous
mainteniez votre
cadence proche de la
cadence programmée
pour le segment en cours. Quand les mots
Faster
(plus vite) apparaissent sur l’écran, accélérez
votre cadence. Quand les mots
Slower
(moins
vite) apparaissent, ralentissez. Quand le centre de
la cible clignote, maintenez votre cadence en
cours.
IMPORTANT : les cadences programmées sont
là uniquement pour vous motiver. Votre caden-
ce réelle peut être plus lente que la cadence
programmée. Assurez-vous de vous entraîner
à une cadence qui vous est confortable.
Si le niveau de résistance programmé pour le seg-
ment en cours est trop élevé ou trop faible, vous
pouvez la changer manuellement en appuyant sur
les touches d’augmentation et de diminution.
IMPORTANT : à la fin du segment en cours du
programme, les pédales s’ajustent automati-
quement au réglage de la résistance du pro-
chain segment.
Si vous arrêtez de pédaler pendant plusieurs
secondes, le temps se met à clignoter sur l’écran.
Pour relancer le programme, recommencez à
pédaler.
Le programme continu jusqu’à ce que l’écran
affiche un temps de 0:00. Si vous continuez à
pédaler après la fin du programme, l’écran conti-
nue à afficher vos données ; cependant, l’écran
n’affiche plus le temps écoulé jusqu’à ce que vous
sélectionniez le mode manuel ou un nouveau pro-
gramme.
4. Suivez votre progression sur l’écran.
Référez-vous à l’étape 4 à la page 12.
5. Mesurez votre rythme cardiaque, si vous le
désirez.
Référez-vous à l’étape 5 à la page 12.
6. Quand vous avez fini de vous entraîner, la
console s’éteindra automatiquement.
Référez-vous à l’étape 6 à la page 12.

14
COMMENT UTILISER UN PROGRAMME DE RYTH-
ME CARDIAQUE
1. Allumez la console.
Pour allumer la console, appuyez sur n’importe
quelle touche ou commencez à pédaler. L’écran
s’allume et la console est prête à être utilisée.
2. Sélectionnez un programme de rythme
cardiaque.
Pour sélectionner un
des deux programmes
de rythme cardiaque,
appuyez une fois ou
deux fois sur la touche
en forme de cœur jus-
qu’à ce que P1 ou P2 apparaisse sur l’écran. La
première section de l’écran affiche la durée du
programme.
3. Enregistrez un rythme cardiaque cible.
Si vous avez sélec-
tionné le premier
programme de ryth-
me cardiaque, le ryth-
me cardiaque maximal
pour le programme
apparaît sur l’écran. Utilisez les touches
d’Augmentation ou de Diminution pour changer le
rythme cardiaque maximal, si vous le désirez.
Remarque : une modification du rythme cardiaque
cible maximal entraîne une modification du niveau
d’intensité de tout le programme.
Si vous avez sélectionné le deuxième program-
me de rythme cardiaque, le rythme cardiaque
d’objectif pour le programme apparaît sur l’écran.
Utilisez les touches d’Augmentation et de
Diminution pour changer le rythme cardiaque d’ob-
jectif, si vous le désirez. Remarque : le même
rythme cardiaque cible est utilisé pour tout le pro-
gramme.
4. Tenez le capteur cardiaque manuel.
Il n’est pas nécessaire de tenir constamment le
capteur cardiaque manuel durant le programme ;
cependant, vous devez tenir le capteur cardiaque
manuel régulièrement pour que le programme
fonctionne correctement. Chaque fois que vous
tenez le capteur cardiaque manuel, gardez vos
mains sur les plaques métalliques pendant au
moins 30 secondes.
5. Commencez à pédaler pour lancer le program-
me.
Le premier programme de rythme cardiaque—
Ce programme est divisé en 30 segments d’une
minute. Un rythme cardiaque d’objectif est pro-
grammé pour chaque segment. Remarque : le
même rythme cardiaque d’objectif peut être pro-
grammé pour deux segments consécutifs ou plus.
Le deuxième programme de rythme car-
diaque—Le même rythme cardiaque cible est pro-
grammé pour tous les segments.

15
Les deux programmes de rythme cardiaque—
Alors que vous pédalez, la console compare régu-
lièrement votre rythme cardiaque avec le rythme
cardiaque cible programmé pour le segment en
cours. Si votre rythme cardiaque est trop rapide ou
trop lent par rapport au rythme cardiaque cible
programmé, la résistance des pédales s’ajuste
automatiquement pour ramener votre rythme car-
diaque proche du rythme cardiaque cible program-
mé.
Vous serez également
invité à pédaler à une
cadence régulière.
Quand les mots
Faster
(plus vite) apparaissent
sur l’écran, accélérez
votre cadence. Quand les mots
Slower
(moins vite)
apparaissent, ralentissez. Quand le centre de la
cible clignote, maintenez votre cadence en cours.
IMPORTANT : assurez-vous de vous entraîner à
une cadence qui vous est confortable.
Si le niveau de résistance programmé pour le seg-
ment en cours est trop élevé ou trop faible, vous
pouvez la changer manuellement en appuyant sur
les touches d’Augmentation et de Diminution ;
cependant, si vous changez le niveau de résistan-
ce, vous n’arriverez peut-être pas à maintenir
votre objectif de rythme cardiaque. De plus,
lorsque la console compare votre rythme car-
diaque avec le rythme cardiaque cible programmé,
la résistance des pédales peut augmenter ou dimi-
nuer automatiquement afin de rapprocher votre
rythme cardiaque du rythme cardiaque cible.
6. Suivez votre progression sur l’écran.
Référez-vous à l’étape 4 à la page 12.
7. Mesurez votre fréquence cardiaque, si désiré.
Référez-vous à l’étape 5 à la page 12.
8. Quand vous avez fini de vous entraîner, la
console s’éteint automatiquement.
Référez-vous à l’étape 6 à la page 12.
COMMENT BRANCHER VOTRE LECTEUR DE
CD, MAGNETOSCOPE OU ORDINATEUR
Pour utiliser les CD iFIT.com, l’appareil elliptique doit
être branché à votre lecteur de CD portable, à votre sté-
réo portable, à votre stéréo ou à votre ordinateur avec
un lecteur de CD. Référez-vous aux pages 15 á 17 pour
les instructions de branchement. Allez à la page 17.
Pour utiliser les vidéocassettes iFIT.com, l’appareil
elliptique doit être branché à votre magnétoscope. Pour
utiliser des programmes iFIT.com directement
depuis notre site Internet, l’appareil elliptique doit être
branché sur votre ordinateur. Allez à la page 17.
COMMENT BRANCHER VOTRE LECTEUR DE CD
PORTABLE
Remarque : si votre lecteur de CD a une prise de
sortie [Line OUT] et une prise pour écouteurs
[PHONES], référez-vous aux instructions A ci-des-
sous. Si votre lecteur de CD a seulement une
prise, référez-vous aux instructions B.
A. Branchez une extrémité du fil audio dans la prise
sous la console.Branchez l’autre extrémité du fil
audio dans la prise LINE OUT de votre lecteur de
CD. Branchez vos écouteurs dans la prise
PHONES.
B. Branchez une extrémité du fil audio dans la prise
sous la console. Branchez l’autre extrémité du fil
audio dans une fourche. Branchez la fourche dans
la prise PHONES de votre lecteur de CD.
Branchez vos écouteurs dans l’autre extrémité de
la fourche.
A
LINE OUT
PHONES LINE OUT
PHONES
B
PHONES
PHONES
Fil
Audio
Écou-
teurs
A
A
LINE OUT
PHONES LINE OUT
PHONES
B
PHONES
PHONES
Fil
Audio Fourche
Écouteurs
B

16
BRANCHEMENT DE VOTRE CHAINE PORTABLE
Remarque : si votre chaîne portable a une prise de
sortie audio de type RCA [AUDIO OUT], référez-
vous aux instructions A ci-dessous. Si votre chaî-
ne portable a une prise de sortie de 3,5mm [LINE
OUT], référez-vous aux instructions B. Si votre
chaîne portable a seulement une prise pour écou-
teurs [PHONES], référez-vous aux instructions C.
A. Branchez une extrémité du câble audio dans la
prise qui est sous la console. Branchez l’autre
extrémité du câble dans l’adaptateur. Branchez
l’adaptateur dans la prise AUDIO OUT de votre
chaîne portable.
B. Référez-vous au schéma ci-dessus. Branchez une
extrémité du câble audio dans la prise sous la
console. Branchez l’autre extrémité du câble dans
la prise LINE OUT de votre chaîne portable.
N’utilisez pas l’adaptateur.
C. Branchez une extrémité du fil audio dans la prise
sous la console. Branchez l’autre extrémité du fil
dans la fourche. Branchez la fourche dans la prise
PHONES de votre chaîne portable. Branchez vos
écouteurs dans l’autre extrémité de la fourche.
BRANCHEMENT DE VOTRE CHAINE HI-FI
Remarque : si votre chaîne hi-fi a une prise de sor-
tie [LINE OUT] qui n’est pas utilisée, référez-vous
aux instructions A ci-dessous. Si la prise LINE
OUT est déjà utilisée, référez-vous aux instruc-
tions B.
A. Branchez une extrémité du câble audio dans la
prise sous la console. Branchez l’autre extrémité
du câble dans l’adaptateur inclus. Branchez
l’adaptateur dans la prise LINE OUT de votre chaî-
ne hi-fi.
B. Branchez une extrémité du câble audio dans la
prise qui est sous la console. Branchez l’autre
extrémité du câble dans l’adaptateur. Branchez
l’adaptateur dans l’adaptateur RCA (en vente dans
les magasins d’appareils électroniques). Ensuite,
enlevez le fil qui est déjà branché dans la prise
LINE OUT qui est sur votre chaîne hi-fi et bran-
chez-le dans le côté qui n’est pas utilisé de l’adap-
tateur-Y RCA. Branchez l’adaptateur-Y RCA dans
la prise LINE OUT de votre chaîne hi-fi.
B
A
CD
VCR
Amp
LINE OUT
LINE OUT
CD
VCR
Amp
LINE OUT
Fil Audio
A
B
A
CD
VCR
Amp
LINE OUT
LINE OUT
CD
VCR
Amp
LINE OUT
Fil Audio
Adaptateur-Y RCA
Adaptateur
Fil Retiré de la prise
LINE OUT
B
A
C
PHONES
LINE OUT
AUDIO OUT
RIGHT
LEFT
B
Fil Audio
Adaptateur
A/B
A
C
PHONES
LINE OUT
AUDIO OUT
RIGHT
LEFT
B
Fil
Audio
C
Fourche
Écouteurs
Adaptateur

17
BRANCHEMENT DE VOTRE ORDINATEUR
Remarque : si votre ordinateur a une prise de sor-
tie LINE OUT de 3,5 mm, référez-vous aux instruc-
tions A ci-dessous. Si votre ordinateur a seule-
ment une prise pour écouteurs PHONES, référez-
vous aux instructions B.
A. Branchez une extrémité du fil audio dans la prise
sous la console. Branchez l’autre extrémité du fil
dans la prise LINE OUT de votre ordinateur.
B. Branchez une extrémité du fil audio dans la prise
sous la console. Branchez l’autre extrémité du fil
dans la fourche. Branchez la fourche dans la prise
PHONES de votre ordinateur.Branchez vos écou-
teurs ou vos enceintes dans l’autre extrémité de la
fourche.
BRANCHEMENT DE VOTRE MAGNÉTOSCOPE
Remarque : si votre magnétoscope a une prise
sortie audio non-utilisée, référez-vous aux instruc-
tions A ci-dessous.Si la prise sortie audio [AUDIO
OUT] est déjà utilisée, référez-vous aux instruc-
tions B. Si vous avez une télévision avec un
magnétoscope, référez-vous aux instructions B. Si
votre magnétoscope est branché à votre stéréo,
référez-vous à la BRANCHEMENT DE VOTRE
CHAÎNE HI-FI à la page 16.
A. Branchez une extrémité du câble audio dans la
prise qui est sous la console. Branchez l’autre
extrémité du câble dans l’adaptateur. Branchez
l’adaptateur dans la prise AUDIO OUT de votre
magnétoscope.
B. Branchez une extrémité du câble audio dans la
prise qui est sous la console. Branchez l’autre
extrémité du câble dans l’adaptateur. Branchez
l’adaptateur dans l’adaptateur- Y RCA (en vente
dans les magasins d’appareils électroniques).
Ensuite, enlevez le fil qui est déjà branché dans la
prise AUDIO OUT de votre magnétoscope et bran-
chez le fil dans le côté qui n’est pas utilisé de
l’adaptateur-Y RCA. Branchez l’adaptateur RCA
dans la prise AUDIO OUT de votre magnétoscope.
B
VIDEO AUDIO
ANT. IN
RF OUT
IN
OUT
CH
34
A
AUDIO OUT
RIGHT
LEFT
VIDEO AUDIO
ANT. IN
RF OUT
IN
OUT
CH
34
C
AUDIO OUT
R
Câble Audio
Adaptateur
A
B
VIDEO AUDIO
ANT. IN
RF OUT
IN
OUT
CH
34
A
AUDIO OUT
RIGHT
LEFT
VIDEO AUDIO
ANT. IN
RF OUT
IN
OUT
CH
34
Câble Audio Adaptateur
B
Fil Retiré de la prise
LINE OUT
Adaptateur en
Y de RCA
A
PHONES
LINE OUT
B
Câble
Audio
A
A
PHONES
LINE OUT
B
Câble
Audio
B
Fourche
Écouteurs/Enceintes

18
COMMENT UTILISER DES PROGRAMMES
IFIT.COM SUR CD ET VIDÉOCASSETTES
Pour utiliser les CD ou les vidéocassettes iFIT.com,
l’appareil elliptique doit être branché à votre lecteur de
CD portable, à votre stéréo portable, à votre stéréo, à
votre ordinateur avec lecteur de CD ou à votre
magnétoscope. Référez-vous au BRANCHEMENT DE
VOTRE LECTEUR DE CD, MAGNÉTOSCOPE OU
ORDINATEUR à la page 15. Pour acheter des CD
ou des vidéocassettes iFIT.com, visitez notre site
Internet www.iconeurope.com.
Suivez les étapes ci-dessous pour utiliser un program-
me iFIT.com sur CD ou vidéocassette.
1. Allumez la console.
Référez-vous à l’étape 1 à la page 12.
2. Sélectionnez le mode iFIT.com.
Pour sélectionner le mode iFIT.com, appuyez sur
la touche iFIT.com.
3. Insérez le CD ou la vidéocassette iFIT.com.
Si vous utilisez un CD iFIT.com, placez le CD dans
votre lecteur de CD ; si vous utilisez une vidéocas-
sette iFIT.com, insérez la vidéocassette dans votre
magnétoscope.
4. Appuyez sur la touche Lecture sur votre lecteur
de CD ou de votre magnétoscope.
Quelques instants après avoir appuyé sur la
touche de lecture, votre entraîneur personnel com-
mence à vous guider tout au long de votre entraî-
nement. Suivez simplement les instructions de
votre entraîneur personnel.
Le programme fonctionnera presque de la même
manière qu’un programme intelligent (référez-vous
àl’étape 3 de la page 13). Cependant, un son
électronique « bip » vous avertira lorsque la résis-
tance et/ou la vitesse est sur le point de changer.
Remarque : si la résistance des pédales et/ou la
cadence d’objectif ne change pas lorsque vous
entendez un « bip » :
•Assurez-vous que l’indicateur au-dessus de la
touche iFIT.com est allumé.
•Ajustez le volume de votre lecteur de CD ou
de votre magnétoscope. Si le volume est trop
élevé ou trop bas, la console pourrait ne pas
détecter les signaux du programme.
•Assurez-vous que le fil audio est correctement
branché et bien enfoncé.
5. Suivez votre progression sur l’écran.
Référez-vous à l’étape 4 à la page 12.
6. Mesurez votre rythme cardiaque, si désiré.
Référez-vous à l’étape 5 à la page 12.
7. Quand vous avez fini de vous entraîner, la
console s’éteint automatiquement.
Référez-vous à l’étape 6 à la page 12.

19
COMMENT UTILISER DES PROGRAMMES DIREC-
TEMENT DEPUIS NOTRE SITE INTERNET
Notre site Internet www.iFIT.com vous permet d’utiliser
des programmes iFIT.com directement depuis sur site
Internet. Pour utiliser les programmes sur notre site,
l’appareil elliptique doit être branché sur votre ordina-
teur. Référez-vous à la section BRANCHEMENT DE
VOTRE ORDINATEUR à la page 17. De plus, vous
devez avoir une connexion Internet et un fournisseur
d’accès Internet. Vous trouverez les détails des confi-
gurations minimales requises sur notre site Internet.
Suivez les étapes ci-dessous pour utiliser un program-
me depuis notre site Internet.
1. Allumez la console.
Référez-vous à l’étape 1 à la page 12.
2. Sélectionnez le mode iFIT.com.
Pour sélectionner le mode iFIT.com, appuyez sur
la touche iFIT.com.
3. Allez à votre ordinateur et ouvrez une session
Internet.
4. Ouvrez votre navigateur Internet, si nécessaire,
et allez sur notre site Internet à www.iFIT.com.
5. Suivez les liens désirés sur notre site Internet
pour sélectionner un programme.
6. Suivez les instructions sur le site pour lancer
le programme.
Quand vous commencez le programme, un comp-
teàrebours s’affiche sur votre écran.
7. Retournez à l’appareil elliptique et commencez
àpédaler.
Lorsque le compte à rebours sur l’écran est termi-
né, le programme commencera. Le programme
fonctionnera presque de la même manière qu’un
programme intelligent (référez-vous à l’étape 3 de
la page 13). Cependant, un son électronique
«bip » vous avertira lorsque le réglage de la résis-
tance et/ou la vitesse va changer.
8. Suivez votre progression sur l’écran.
Référez-vous à l’étape 4 à la page 12.
9. Mesurez votre fréquence cardiaque, si désiré.
Référez-vous à l’étape 5 à la page 12.
10. Quand vous avez fini de vous entraîner, la
console s’éteint automatiquement.
Référez-vous à l’étape 6 à la page 12.

20
LECAPTEUR CARDIAQUE DU TORSE EN OPTION
Lecapteur cardiaque du torse en option permet de
vous entraîner avec les mains libres et enregistre
votre rythme cardiaque tout au long de votre entraîne-
ment. Pour commander le capteur cardiaque du
torse en option, appelez le numéro de téléphone
sur la page de couverture.
Vérifiez et vissez toutes les pièces de l’appareil ellip-
tique régulièrement. Remplacez toute pièce usée immé-
diatement.
Pour nettoyer l’appareil elliptique, utilisez un chiffon
humide et une petite quantité de savon doux.
Important : pour éviter d’endommager la console,
éloignez tout liquide et maintenez la console à
l’abri des rayons directs du soleil.
INSTALLATION DES PILES
Si l’affichage de la console devient faible, les piles
devraient être remplacées. Référez-vous à l’étape 4
de la page 7 pour les instructions de remplacement.
RÉSOLUTION DE PROBLÈMES AVEC LE MONI-
TEUR CARDIAQUE
•Évitez de bouger vos mains lorsque vous utilisez
le capteur cardiaque manuel. Des mouvements
excessifs peuvent influencer la lecture de la fré-
quence cardiaque. Ne tenez pas les contacts
métalliques trop serrés.
• Pour une lecture plus précise de la fréquence car-
diaque, tenez les contacts métalliques pendant 15
secondes.
•Pour un meilleur rendement du moniteur,gardez
les contacts métalliques propres. Ils peuvent être
nettoyé avec un chiffon doux—n’utilisez jamais de
l’alcool des produits abrasifs ou chimiques.
ENTRETIEN ET PROBLÈMES

21
COMMENT AJUSTER LE CAPTEUR MAGNÉTIQUE
Sil’affichage de la console n’est pas correct, le cap-
teur magnétique devrait être ajusté. Pour faire cela,
vous devez retirer les Ressorts de la Pédale (11), le
Disque de la Pédale (15), et les Panneaux Latéraux
(3, 4). Référez-vous à l’étape 8 à la page 9 et retirez
les Ressorts de Pédale.
Ensuite, retirez les quatre Vis (51) du Disque de la
Pédale (15) droite et enlevez le Disque de la Pédale
en le glissant. Retirez toutes les Vis (52, 64) du
Panneau Latéral Droit (4) et les deux Vis (77) de des-
sous le Disque de Pédale, et retirez le Panneau
Latéral Droit. Enlevez toutes les Vis (52) du Panneau
Latéral Gauche (3) et retirez le Panneau Protecteur
Gauche.
Ensuite, référez-vous au dessin au droit et trouvez le
Capteur Magnétique (53). Dévissez mais ne retirez
pas la Vis de M4 x 16mm (52) indiquée. Glissez le
Capteur Magnétique légèrement en avant ou loin de
l’Aimant (58) sur le volant. Resserrez la Vis. Tournez le
Disque de la Pédale (15) gauche pendant un moment.
Répétez l’opération jusqu’à ce que la console affiche
des données correctes. Quand le Capteur Magnétique
est ajusté correctement, rattachez les Panneaux
Latéraux (3, 4), le Disque de la Pédale droite, les
Ressorts de Pédale (11).
COMMENT RÉGLER LA COURROIE DE TRACTION
Si vous sentez
les pédales
glisser quand
vous pédalez,
même quand
la résistance
est ajustée au
plus haut
niveau, il est
peut-être
nécessaire
d’ajuster la
Courroie de
Traction (19) Pour régler la Courroie de Traction, vous
devez enlever les deux panneaux protecteurs.
Référez-vous à COMMENT AJUSTER LE CAPTEUR
MAGNÉTIQUE ci-contre et retirez les panneaux laté-
raux.
Ensuite, devissez le Boulon à Tête Plate de M8 x
22mm (68) puis, tournez la Vis de M10 x 60mm (62)
jusqu’à ce que la Courroie de Traction (19) soit ten-
due.Quand la Courroie de Traction est tendue, serrez
le Bouton à Tête Plate. Ré-attachez les panneaux
latéraux.
64
77
51
51
77
52
52
64
64
11
11
415
3
58
53
52
15
68
62 19

22
Les conseils suivants vous aideront à planifier vos
exercices. Pour plus de détails concernant l’exercice,
obtenez un livre réputé sur le sujet ou consultez votre
médecin. Une bonne alimentation et un repos adéquat
sont essentiels pour obtenir des résultats.
INTENSITÉDE L’ENTRAÎNEMENT
Que votre but soit de brûler de la graisse ou de forti-
fier votre système cardio-vasculaire, entraînez-vous à
une intensité correcte pour obtenir les résultats dési-
rés. Le niveau d’intensité correct est trouvé en utilisant
votre rythme cardiaque comme point de repère. Le
tableau ci-dessous montre les rythme cardiaque
recommandés pour brûler de la graisse, pour brûler
un maximum de graisse et pour les exercices cardio-
vasculaires (aérobics).
Pour trouver le rythme cardiaque qui vous convient,
cherchez tout d’abord votre âge en bas du tableau
(les âges sont arrondis). Ensuite, trouvez les trois
nombres au-dessus de votre âge. Les trois nombres
sont votre “zone d’entraînement.” Le nombre le plus
bas est le rythme cardiaque recommandé pour brûler
de la graisse ; le nombre du milieu est pour brûler un
maximum de graisse ; le nombre le plus haut est pour
l’exercice aérobic.
Brûler de la Graisse
Pour brûler de la graisse efficacement, vous devez vous
exercez à une intensité relativement basse pendant une
période de temps soutenu. Pendant les premières
minutes de votre entraînement, votre métabolisme utilise
les calories
d’hydrate de carbone
qui sont facilement
accessibles comme source d'énergie. Ce n’est qu’après
les premières minutes d’exercices que votre métabolis-
me commence à utiliser la graisse comme énergie. Si
votre but est de brûler de la graisse, ajustez l’intensité
de votre exercice jusqu’à ce que votre rythme cardiaque
soit près du nombre le plus bas dans votre zone d’en-
traînement quand vous vous entraînez.
Exercices Aérobics
Si votre but est de fortifier votre système cardio-vas-
culaire, votre entraînement devrait être “aérobic.”
L’exercice aérobic requiert de large quantité d’oxygè-
ne durant une période de temps prolongée. Pour un
entraînement aérobic, ajustez l’intensité de votre exer-
cices jusqu’à ce que vos rythme cardiaque s’approche
du nombre le plus haut dans vos zone d’entraînement.
GUIDE D’EXERCICES
Un échauffement—Commencez chaque entraîne-
ment avec 5 à 10 minutes d’étirements et des exer-
cices légers. Un échauffement approprié augmente la
température de votre corps, votre rythme cardiaque et
la circulation afin de préparer votre corps pour les
exercices.
Exercices dans votre zone d’entraînement—Après
vous être échauffé, augmentez l’intensité de vos exer-
cices jusqu’à ce que votre rythme cardiaque soit dans
votre zone d’entraînement pendant 20 à 30 minutes.
(Pendant les premières semaines, ne gardez pas
votre rythme cardiaque dans votre zone d’entraîne-
ment plus de 20 minutes.)
Exercices de retour à la normal—Finissez chaque
entraînement avec 5 à 10 minutes d'étirements. Cela
augmentera la flexibilité de vos muscles et évitera les
problèmes qui surviennent après l’exercice.
FRÉQUENCE DES ENTRAÎNEMENTS
Pour maintenir ou améliorer votre forme physique,
faites trois entraînements par semaine, avec un jour
de repos entre chaque entraînement. Après quelques
mois d’exercices réguliers vous pouvez entreprendre
jusqu’à cinq entraînements par semaine. Rappelez-
vous que le succès d'un programme d'exercice repose
avant tout sur la régularité.
CONSEILS POUR L’EXERCICE
AVERTISSEMENT : Avant
de commencer ce programme d’exercices (ou
un autre), veuillez consulter votre médecin.
Ceci est tout particulièrement important pour
les personnes âgées de plus de 35 ans ou
celles ayant déjà eu des problèmes de santé.
Les détecteurs cardiaque ne sont pas appa-
reils médicales. Des nombreux facteurs tel
que les mouvements de l’utilisateur pendant
l’exercice, peuvent rendre la lecture du ryth-
me cardiaque moins précise. Les détecteurs
ne sert qu’à donner une idée approximative
des fluctuations du rythme cardiaque lors de
l’exercice.

23
EXERCICES D’ÉTIREMENTS CONSEILLÉS
Laposition correcte pour plusieurs étirements est montrée ci-des-
sous. Bougez lentement quand vous vous étirez—ne vous étirez
jamais par à-coups.
1. Exercices d’étirement en touchant vos pieds
Tenez-vous debout avec vos genoux légèrement pliés et bais-
sez-vous lentement en avant à la hauteur de la taille. Laissez
votre dos et vos épaules se relaxer alors que vous touchez vos
orteils aussi loin que possible. Comptez jusqu’à 15 puis déten-
dez-vous. Répétez l’exercice 3 fois. Régions sollicitées : ten-
dons des mollets, partie arrière des genoux et dos.
2. Exercices d’étirement des tendons des mollets
Asseyez-vous sur le sol avec une jambe tendue. Ramenez
l’autre jambe vers vous et posez votre plante de pieds contre
l’intérieur de la cuisse de la jambe qui est tendue. Touchez vos
orteils aussi loin que possible. Comptez jusqu’à 15 puis déten-
dez-vous. Répétez l’exercice 3 fois pour chaque jambe.
Régions sollicitées : tendons des mollets, bas du dos et aine.
3. Exercices d’étirement du tendon d’Achille
Avec une jambe devant l’autre, penchez-vous vers l’avant et
placez vos mains contre un mur. Gardez votre jambe arrière
tendue et votre pied arrière à plat sur le sol. Pliez votre jambe
avant. Penchez-vous en avant et déplacez vos hanches en
direction du mur. Comptez jusqu’à 15 puis détendez-vous.
Répétez l’exercice 3 fois pour chaque jambe. Si vous souhaitez
un assouplissement plus accentué du tendon d’Achille, pliez
également votre jambe arrière. Régions sollicitées : mollets,
tendon d’Achille et chevilles.
4. Exercices d’étirement des quadriceps
Avec une main contre le mur pour garder votre équilibre, pre-
nez votre pied (par l’arrière) avec votre main libre. Amenez
votre talon aussi près que possible de votre fessier.Comptez
jusqu’à 15 puis détendez-vous. Répétez l’exercice 3 fois pour
chaque jambe. Régions sollicitées : quadriceps et muscles des
hanches.
5. Exercices d’étirement de l’intérieur des cuisses
Asseyez-vous avec les plantes de pieds l’une contre l’autre et
vos genoux dirigés vers l’extérieur. Ramenez vos pieds aussi près que possible de la région de l’aine.
Comptez jusqu’à 15 puis détendez-vous. Répétez l’exercice 3 fois. Régions sollicitées : quadriceps et
muscles des hanches.
1
2
3
4
5

24
REMARQUES

25
REMARQUES

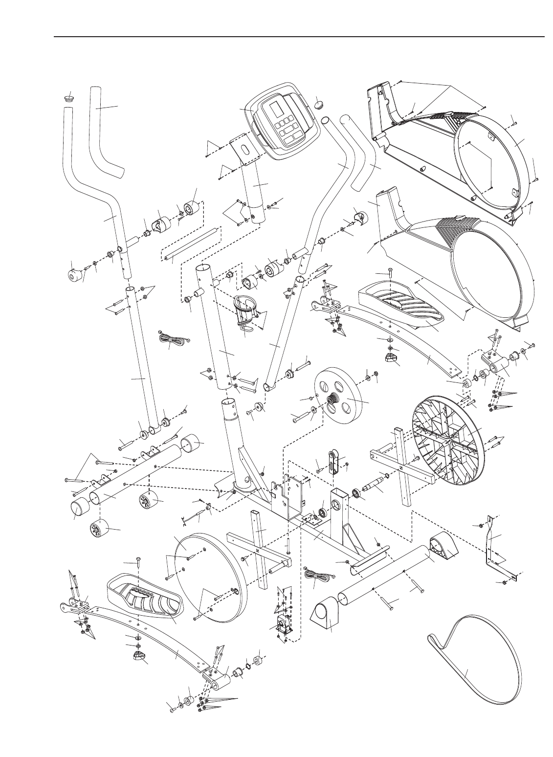
26
Remarque : les spécifications peuvent être modifiées sans notification. Référez-vous au dos de ce manuel pour
commander des pièces de remplacement. *indique qu’une pièce n’est pas illustrée.
1 1 Cadre
21 Montant
3 1 Panneau Latéral Gauche
41 Panneau Latéral Droit
5 2 Jambe de la Poignée
6 1 Poignée Mobile Gauche
7 1 Essieu de Pivot
8 1 Poignée Mobile Droite
9 1 Stabilisateur Arrière
10 1 Stabilisateur Avant
11 2 Ressort de Pédale
12 1 Support du Ressort Arrière Gauche
13 1 Pédale Gauche
14 1 Pédale Droite
15 2 Disque de la Pédale
16 2 Barre Latérale du Disque
17 1 Volant
18 1 Support du Panneau Latéral
19 1 Courroie de Traction
20 2 Embout Arrière
21 2 Embout Avant
22 2 Roue
23 1 Console
24 2 Poignée
25 1 Tendeur
26 2 Vis de M4 x 19mm
27 2 Embout de la Poignée Mobile
28 2 Boulons en Bouton de M10 x 74mm
29 2 Vis de M3 x 16mm
30 2 Bague-Attache Grande
31 2 Roulement à Biles Grande
32 1 Axe de la Pédale
33 9 Écrou de Verrouillage en Nylon
de M10
34 4 Boulon de Carrosserie de
M10 x 75mm
35 2 Rondelle de Support du Ressort
36 12 Boulon à Tête Plate de
M6 x 33.5mm
37 4 Bague du Bras de la Pédale
38 5 Écrou de Verrouillage en Nylon de
M8
39 1 Rondelle du Volant
40 2 Vis avec Nylon de M10 x 27mm
41 2 Boulon de M10 x 45mm
42 4 Rondelle de M5
43 2 Rondelle Ondulée
44 1 Rallonge du Groupement de Fils
45 1 Moteur de Contrôle de Résistance
46 2 Embout du Guidon
47 2 Bague d’Espacement du Guidon
48 2 Bague d’Espacement du Cadre
49 6 Petite Bague du Guidon
50 4 Boulon en Bouton de M8 x 45mm
51 8 Vis de M6 x 28mm
52 11 Vis de M4 x 16mm
53 1 Capteur Magnétique/Fil
54 1 Pince de Fils
55 2 Rondelle du Guidon
56 2 Vis de Raccordement de
M8 x 25mm
57 1 Boulon à Tête Plate de M10
58 1 Aimant
59 7 Rondelle Fendue de M10
60 4 Grand Bague du Bras du Guidon
61 2 Boulon Hexagonal de
5/16" x 25,4mm
62 1 Vis de M10 x 60mm
63 2 Bague d’Espacement du Ressort
64 4 Vis de M4 x 25mm
65 1 Porte-bouteille
66 14 Écrou de Verrouillage en Nylon
de M6
67 3 Vis en Bouton de M10 x 25mm
68 1 Boulon à Tête Plate de M8 x 22mm
69 2 Écrou de Verrouillage en Nylon
de M5
70 1 Support du Ressort Arrière Droit
71 4 Vis Auto-Taraudeuse de
M5 x 16mm
72 2 Vis de M5 x 16mm
73 1 Montant d’Extension
74 2 Série de Boulons de M10
75 12 Rondelle de M6
76 2 Support du Ressort Avant
77 2 Vis de M6 x 18mm
78 3 Rondelle de M10
79 1 Groupement de Fils
80 2 Boulon de Carrosserie de
M10 x 30mm
81 2 Bouton de Pédale
82 2 Vis Auto-perçante M5 x 14mm
83 2 Rondelle Ondulée de 23mm
*- Clé Hexagonale
* - Graisse
* - Manuel de l’Utilisateur
Nº. Qte. Description Nº. Qte. Description
LISTE DES PIÈCES—Nº. du Modèle PFEVEL93407.0 R0907A

27
61
30
32
31
3031
24
8
4
3
50
5
38
44
45
6
46
5
60
17
2
10
33
14
12
35
18
19
1
33
13
37
11
51
51
51
15
51
51
34
9
33
33 20
20
16
61
54
52
53
38
25
68
62
55
56 38
50
48
47
49
24
56
55
57
39
33
58
22
41
21
33
41
21
22
37
33
34
81
59
80
81
59
80
60
60
60
23
52
52
64
52
77
52 77
64
37
37
49
48
47 49
49
46
11
16
71
35
7075
66
36 40
63
40 75
66
63
36
67
59
59
67
73
36
66
75
36
66
75
76
76 71
74
74 74
74
79
15
66
66
72
42
78
82
82
69
27 27
29
29
7
26
52
52
43
65
49
49
28
33 59
59
78
78
43
83
83
SCHÉMA DÉTAILLÉ — Nº. du Modèle PFEVEL93407.0 R0907A

Nº. de Pièce 258752 R0907A Imprimé en Chine © 2007 ICON IP, Inc.
COMMANDER DES PIÈCES DE RECHANGE
Pour commander des pièces de rechange, reportez-vous à la page couverture de ce manuel. Pour nous per-
mettre de mieux vous venir en aide, ayez sous la main les renseignements suivants lorsque vous communiquez
avec nous :
•le numéro de modèle et le numéro de série du produit (reportez-vous à la page couverture de ce manuel)
•le nom du produit (reportez-vous à la page couverture de ce manuel)
•le numéro et la description de la pièce ou des pièces de rechange (reportez-vous à la LISTE DES PIÈCES et
au SCHÉMA DÉTAILLÉ présentés vers la fin de ce manuel)