Proform Pfevel934070 Reflex Step Gw Elliptical Users Manual PFEVEL48830 202292(UK)
2015-04-14
: Proform Proform-Pfevel934070-Reflex-Step-Gw-Elliptical-Users-Manual-700621 proform-pfevel934070-reflex-step-gw-elliptical-users-manual-700621 proform pdf
Open the PDF directly: View PDF
.
Page Count: 28

CUIDADO
Leia todas as precauções e
instruções neste manual antes
de utilizar este equipamento.
Guarde este manual para
referência futura.
Modelo Nº. PFEVEL93407.0
Nº. de série
Escreva o número de série no
espaço acima para consulta futura.
Etiqueta
do
Número
de Série
MANUAL DO UTILIZADOR
PERGUNTAS?
Como fabricantes, compromete-
mo-nos em satisfazer
completamente os nossos clien-
tes. Se tiver perguntas, se falta-
rem algumas peças ou se
alguma peça estiver danificada,
contacte o estabelecimento
onde adquiriu este produto.
Visite o nosso website:
www.iconsupport.eu

ÍNDICE
COLOCAÇÃO DE AUTOCOLANTES DE AVISO . . . . . . . . . . . . . . . . . . . . . . . . . . . . . . . . . . . . . . . . . . . . . . . . . .2
PRECAUÇÕES IMPORTANTES . . . . . . . . . . . . . . . . . . . . . . . . . . . . . . . . . . . . . . . . . . . . . . . . . . . . . . . . . . . . . .3
ANTES DE COMEÇAR . . . . . . . . . . . . . . . . . . . . . . . . . . . . . . . . . . . . . . . . . . . . . . . . . . . . . . . . . . . . . . . . . . . . . .4
MONTAGEM . . . . . . . . . . . . . . . . . . . . . . . . . . . . . . . . . . . . . . . . . . . . . . . . . . . . . . . . . . . . . . . . . . . . . . . . . . . . . .5
COMO USAR A BICICLETA ELÍPTICA . . . . . . . . . . . . . . . . . . . . . . . . . . . . . . . . . . . . . . . . . . . . . . . . . . . . . . . . .10
MANUTENÇÃO E RESOLUÇÃO DE PROBLEMAS . . . . . . . . . . . . . . . . . . . . . . . . . . . . . . . . . . . . . . . . . . . . . .20
DIRECTRIZES DE EXERCÍCIO . . . . . . . . . . . . . . . . . . . . . . . . . . . . . . . . . . . . . . . . . . . . . . . . . . . . . . . . . . . . . .22
LISTA DE PEÇAS . . . . . . . . . . . . . . . . . . . . . . . . . . . . . . . . . . . . . . . . . . . . . . . . . . . . . . . . . . . . . . . . . . . . . . . . .26
DIAGRAMA AMPLIADO . . . . . . . . . . . . . . . . . . . . . . . . . . . . . . . . . . . . . . . . . . . . . . . . . . . . . . . . . . . . . . . . . . . .27
ENCOMENDAR PEÇAS SOBRESSELENTES . . . . . . . . . . . . . . . . . . . . . . . . . . . . . . . . . . . . . . . . . .Contra-capa
2
PROFORM é uma marca comercial registada da ICON IP,Inc.
COLOCAÇÃO DE AUTOCOLANTES DE AVISO
258877
Os autocolantes de aviso aqui mostrados
foram aplicados nos locais indicados. Se um
autocolante estiver em falta ou ilegível,
ligue para o número de telefone indicado
na capa frontal deste manual e peça um
autocolante de substituição gratuito.
Aplique o autocolante no local mostrado.
Nota: Os autocolantes poderão não estar
mostrados no seu tamanho real.

3
1. Antes de iniciar qualquer programa de exer-
cício, consulte o seu médico. Isso é espe-
cialmente importante para pessoas com
mais de 35 anos ou com problemas de
saúde prévios.
2. O proprietário deste equipamento tem a
responsabilidade de garantir que todos os
utilizadores desta bicicleta elíptica estejam
devidamente informados acerca de todas as
precauções.
3. A bicicleta elíptica destina-se apenas a uso
caseiro. Não use a bicicleta elíptica para fins
comerciais, de aluguer ou institucionais.
4. Mantenha a bicicleta elíptica dentro de casa
eafastada da humidade e do pó. Coloque a
bicicleta elíptica numa superfície plana, com
um tapete por baixo para proteger o chão ou
o seu revestimento. Certifique-se de que
exista espaço suficiente à volta da bicicleta
elíptica para subir para ela, descer dela e
usá-la.
5. Inspeccione e aperte devidamente todas as
peças com regularidade. Substitua imediata-
mente quaisquer peças que apresentem des-
gaste.
6. Mantenha sempre as crianças de idade infe-
rior a 12 anos e os animais afastados da
bicicleta elíptica.
7. A bicicleta elíptica não deve ser usada por
pessoas de peso superior a 113 kg (250 lbs.)
8. Vista roupa apropriada para exercício quan-
do usar a bicicleta elíptica. Use sempre
calçado desportivo para proteger os pés
enquanto se exercita.
9. Segure-se ao sensor de pulsação do punho
ou aos manípulos da bicicleta elíptica sem-
pre que subir para ela, descer dela ou a usar.
10. Mantenha as costas direitas sempre que usar
abicicleta elíptica; não arqueie as costas.
11. O sensor de pulsação não é um dispositivo
médico. Diversos factores podem afectar a
exactidão das leituras do ritmo cardíaco. O
sensor de pulsação destina-se apenas a aux-
iliá-lo a determinar as tendências gerais do
seu ritmo cardíaco.
12. Quando terminar o seu exercício, deixe que
os pedais abrandem até parar.
13. Se sentir dores ou tonturas em qualquer
momento do seu exercício, pare imediata-
mente e deixe-se arrefecer.
14. Use a bicicleta elíptica apenas conforme
descrito neste manual.
ADVERTÊNCIA: Para reduzir o risco de lesões sérias, leia todas as precauções e
instruções importantes deste manual e todos os avisos do bicicleta elíptica antes de o usar. A ICON
não assume qualquer responsabilidade por lesões pessoais ou danos em bens, decorrentes do uso
deste produto.
PRECAUÇÕES IMPORTANTES

4
ANTES DE COMEÇAR
Parabéns por ter seleccionado o novo aparelho elípti-
co PROFORM®REFLEX STEP. O REFLEX STEP é
um aparelho incrivelmente suave que faz com que os
pés se movam num caminho naturalmente elíptico,
minimizando o impacto nos joelhos e tornozelos. E o
REFLEX STEP exclusivo inclui resistência ajustável e
uma consola de fácil utilização que o ajuda a
aproveitar o exercício ao máximo.
Para seu benefício, leia atentamente este manual
antes de usar o tapete rolante. Se tiver dúvidas
após a leitura do manual, consulte a capa frontal do
mesmo. Para nos ajudar a prestar-lhe assistência,
anote o número de modelo e o número de série do
produto antes de nos contactar. O número do modelo
ealocalização do autocolante com o número de série
estão indicados na capa frontal deste manual.
Antes de prosseguir com a leitura, familiarize-se com
as peças referenciadas no desenho abaixo.
Sensor de
Pulsações
Mola do Pedal
Disco dos pedais
*Garrafa de água não incluída
Roda
Pedal
Suporte para
garrafa de água*
Manípulo
Consola

5
MONTAGEM
Para a montagem são necessárias duas pessoas. Coloque todas as peças da bicicleta elíptica numa área
vazia e remova os materiais de embalagem. Não descarte os materiais de embalagem até concluir a mon-
tagem. Adicionalmente às chaves sextavadas incluídas , precisará de uma chave de
estrela , uma chave inglesa e um maço de borracha .
Utilize as ilustrações abaixo para identificar as pequenas peças utilizadas na montagem. O número entre parênte-
sis por baixo de cada desenho é o número da peça conforme a LISTA DE PEÇAS incluída na parte final deste
manual. O número que se segue aos parêntesis é a quantidade necessária para a montagem. Nota: Algumas
peças pequenas foram previamente montadas. Se uma peça não se encontrar no kit de equipamento, veri-
fique se foi previamente montada.
Parafuso M4 x
16mm (52)–4
Anilha M10
(78)–2
Anilha Fendida
M8 (59)–7
Porca de Segurança
de Nylon M10 (33)–6
Parafuso Francês
M10 x 30mm (80)–2
Conjunto de Pino e Parafuso M10 (74)–2
Anilha do
Manípulo (55)–2 Anilha de Suporte
de Mola (35)–2
Porca de Segurança
de Nylon M8 (38)–4
Pino Roscado de Cabeça
Redonda M8 x 45mm (50)–4
Parafuso com Plástico
M10 x 27mm (40)–2
Parafuso Francês M10 x 75mm (34)–4
Anilha Ondulada
(43)–2
Parafuso com
Plástico M8 x 25mm
(56)–2
Parafuso M4 x
19mm (26)–2
Parafuso de Cabeça
Redonda
M10 x 25mm (67)–3
Pino Roscado de Cabeça Redonda
M8 x 41mm (28)–2
Anilha Ondulada
de 23mm (83)–2

6
34
9
1
3
2
28
59
59
33
44
1
73
79
59
Tenha cuidado
para evitar entalar
as Cablagens.
44
67
67
59
233
33
10 33
33
22
22
34
34 1
1
Orifícios
Hexagonais
2. Enquanto outra pessoa eleva a parte de trás da
Estrutura (1), fixe o Estabilizador Traseiro (9) à
Estrutura com dois Parafusos de Carroçaria M10 x
75mm (34) e duas Porcas de Poliuretano M10 (33).
3. Enquanto outra pessoa segura na Barra Vertical (2)
junto à Estrutura (1), ligue a Extensão da Cablagem
(44) à Cablagem (79). Puxe cuidadosamente a
extremidade superior da Extensão da Cablagem
para remover qualquer folga e faça deslizar a
Barra Vertical para a Estrutura. Fixe a Barra Vertical
com dois Pinos Roscados de Cabeça Redonda M10 x
74mm (28), duas Anilhas Dentadas M10 (59) e duas
Porcas de Poliuretano M10 (33). Tenha cuidado
para evitar entalar as Cablagens.
Enquanto outra pessoa segura na Extensão da Barra
Vertical (73) junto à Barra Vertical (2), insira a extrem-
idade superior da Extensão da Cablagem (44) na
Extensão da Barra Vertical (73).
Segure na extremidade superior da Extensão da
Cablagem (44) e insira a Extensão da Barra Vertical
(73) na Barra Vertical (2). Fixe a Extensão da Barra
Vertical com três Parafusos de Cabeça Redonda M10
x25mm (67) e três Anilhas Dentadas M10 (59).
Tenha cuidado para evitar entalar a Extensão da
Cablagem. Certifique-se de que as Porcas de
Poliuretano se encontram dentro dos orifícios
hexagonais.
1.
Identifique o Estabilizador Frontal (10), que tem Rodas
(22) anexas. Certifique-se de que o Estabilizador
Frontal está virado de forma a que as Rodas não
toquem no chão. Enquanto outra pessoa eleva a parte
da frente da Estrutura (1), fixe o Estabilizador Frontal à
Estrutura com dois Parafusos de Carroçaria M10 x
75mm (34) e duas Porcas de Poliuretano M10 (33).
Para tornar a montagem mais fácil, leia as infor-
mações da página 5 antes de começar a montar
abicicleta elíptica.

7
5
23
26
65
52
44
73
Cablagem
2
6
80
81
59
11
13
78
23
Cobertura
das Pilhas
4
Pilhas
Evite entalar as cablagens
durante este passo.
5. Enquanto outra pessoa segura na Consola (23) junto
àExtensão da Barra Vertical (73), ligue a extensão da
cablagem da consola à Extensão da Cablagem (44).
Insira o excesso da extensão da cablagem na
Extensão da Barra Vertical.
Fixe a Consola (23) à Extensão da Barra Vertical (73)
com quatro Parafusos M4 x 16mm (52). Tenha cuida-
do para evitar entalar as cablagens.
Fixe o Suporte para Garrafa de Água (65) à Barra
Vertical (2) com dois parafusos M4 x 19mm (26).
6. Identifique a Mola do Pedal esquerdo (11), que está
marcado com um autocolante “L” (esquerdo). Fixe o
Pedal Esquerdo (13) à Mola do Pedal esquerdo com
um Parafuso de Carroçaria M10 x 30mm (80), uma
Anilha M10 (78), uma Anilha Dentada M10 (59) e um
Botão do Pedal (81), conforme indicado. Nota: O
Pedal Esquerdo pode ser fixado em diversas
posições, utilizando as cinco posições no Pedal
Esquerdo e os três orifícios na Mola do Pedal.
Fixe o Pedal Direito (não apresentado) da mesma
forma.
Certifique-se de que ambos os Pedais se encon-
tram no mesmo orifício e na mesma posição do
pedal.
4. A Consola (23) necessita de quatro pilhas “AA”;
recomenda-se a utilização de pilhas alcalinas.
IMPORTANTE: Se o aparelho elíptico tiver sido
exposto a temperaturas frias, deixe-o aquecer à
temperatura ambiente antes de inserir pilhas na
Consola. Se não o fizer, os ecrãs da consola ou
outros componentes eléctricos podem ficar danifi-
cados. Remova a cobertura das pilhas e insira quatro
pilhas no compartimento das pilhas; certifique-se de
que as baterias estão orientadas conforme indica-
do nos diagramas dentro do compartimento das
pilhas. Em seguida, volte a fixar a cobertura das pil-
has.

8
50
8
38
7. Identifique o Manípulo esquerdo (6), que está marca-
do com um autocolante “L” a “Left” (esquerdo). Insira
oManípulo Esquerdo numa das Barras Inferiores do
Manípulo (5); certifique-se de que a Barra Inferior
doManípulo está virada de forma a que os orifí-
cios hexagonais estejam do lado indicado. Fixe o
Manípulo Esquerdo com os dois Pinos Roscados de
Cabeça Redonda M8 x 45mm (50) e duas Porcas de
Poliuretano M8 (38). Certifique-se de que as Porcas
de Poliuretano se encontram dentro dos orifícios
hexagonais. Não aperte ainda os Pinos Roscados
de Cabeça Redonda.
Aplique uma camada generosa da massa lubrificante
incluída no Eixo de Rotação (7). Em seguida, aplique
massa lubrificante a duas Anilhas Onduladas (43).
Insira o Eixo de Rotação (7) na Barra Vertical (2) e
centre o Eixo de Rotação. Rode um Espaçador do
Manípulo (47) de forma a que a pequena seta no
Espaçador do Manípulo aponte para o chão e faça
deslizar o Espaçador do Manípulo para o Manípulo
Esquerdo (6). Em seguida, faça deslizar uma Anilha
Ondulada (43) para o Eixo de Rotação.
Faça deslizar o Manípulo Esquerdo (6) para o Eixo de
Rotação. Fixe o Manípulo Esquerdo com um Parafuso
com Plástico M8 x 25mm (56) e uma Anilha do Maní-
pulo (55). Em seguida, prima as patilhas numa Tampa
do Manípulo (46) para o Espaçador do Manípulo (47).
Monte o Manípulo Direito (8) e a outra Barra
Inferior do Manípulo (5) da mesma forma.
5
2
5
Orifícios
Hexagonais
7
Lubrificante
46 Pati-
lhas
Seta
6
55 43
56
47
7

9
9. Certifique-se de que todas as peças da bicicleta elíptica ficam devidamente apertadas. Nota: poderá
sobrar algum material depois de concluída a montagem. Para proteger o chão ou o seu revestimento,
coloque um tapete por baixo da bicicleta elíptica.
8. Identifique o Suporte de Mola Posterior Esquerdo (12)
na Mola do Pedal esquerdo (11). Aplique uma pequena
quantidade de massa lubrificante dentro das Buchas do
Braço do Pedal (37) no Suporte de Mola Posterior
Esquerdo e no eixo na Barra de Apoio do Disco esquer-
da (16). Faça deslizar um Espaçador de Mola (63) e la
Anilhas Onduladas de 23mm (83) para o eixo; certi-
fique-se de que o Espaçador de Mola está virado de
forma a que o lado plano esteja virado para o apar-
elho elíptico. Em seguida, faça deslizar o Suporte de
Mola Posterior Esquerdo para o eixo. Faça deslizar
uma Anilha de Suporte de Mola (35) para um Parafuso
com Plástico M10 x 27mm (40) e aperte o Parafuso
com Plástico de encontro ao eixo.
Em seguida, segure na extremidade inferior da Barra
Inferior do Manípulo esquerdo (5) dentro do Apoio de
Mola Frontal (76) na Mola do Pedal esquerdo (11).
Aplique massa lubrificante a um Conjunto de Parafusos
M10 (74). Fixe a Barra Inferior do Manípulo ao Apoio de
Mola Frontal com o Conjunto de Parafusos. Não aperte
demasiado o Conjunto de Parafusos; a Barra
Inferior do Manípulo deve rodar livremente.
Fixe o Mola do Pedal direito (não apresentada) ao
lado direito do aparelho elíptico da mesma forma.
Consulte o passo 7. Aperte os Pinos Roscados de
Cabeça Redonda M8 x 45mm (50).
8
Lubrificante
74 11
11
40 35 37
63
83
12
74
5
76
Lubrificante 16

10
COMO USAR A BICICLETA ELÍPTICA
COMO DESLOCAR A BICICLETA ELÍPTICA
Coloque-se por trás do aparelho elíptico, segure
firmemente no Estabilizador Traseiro (9) e eleve o
aparelho elíptico até ser possível movê-lo sobre as
Rodas (22). Mova cuidadosamente o aparelho elíptico
para o local pretendido e baixe-o. Para diminuir a
possibilidade de ferimentos, dobre as pernas e
mantenha as costas direitas quando elevar o
Estabilizador Traseiro; certifique-se de que o eleva
com as pernas e não com as costas.
COMO NIVELAR A BICICLETA ELÍPTICA
Se a bicicleta elíptica oscilar ligeiramente durante o
uso, rode um ou ambos os pés de nivelamento por
baixo do estabilizador traseiro até eliminar a
oscilação.
COMO AJUSTAR OS PEDAIS
Omovimento do
aparelho elíptico é
determinado pelas
posições dos
pedais. Para ajus-
tar cada pedal,
remova primeiro o
botão do pedal
por baixo do
pedal. Faça
deslizar o pedal
para a frente ou
para trás e, em
seguida, volte a
fixá-lo utilizando
um dos cinco orifícios no pedal e um dos três orifícios
na mola do pedal. Certifique-se de que ambos os
pedais se encontram na mesma posição.
COMO USAR OS MANÍPULOS
Os manípulos
foram concebidos
para trabalhar a
parte superior do
corpo durante o
exercício. Durante
oexercício, puxe e
empurre os
manípulos para tra-
balhar os braços,
ombros e costas.
COMO FAZER EXERCÍCIO NA BICICLETA
ELÍPTICA
Para subir para a
bicicleta elíptica,
agarre os manípu-
los e suba para o
pedal que estiver
na posição mais
baixa. Depois,
suba para o outro
pedal. Faça
pressão sobre os
pedais até que
eles comecem a
deslocar-se num
movimento contín-
uo. Nota: os
braços do ped-
aleiro podem
rodar em ambas
as direcções.
Recomenda-se
que os faça
rodar na direcção mostrada pela seta à direita;
contudo, para variar, pode rodar os braços do
pedaleiro na direcção oposta.
Para descer da bicicleta elíptica, espere até que os
pedais parem completamente. Nota: a bicicleta elíp-
tica não possui roda livre; os pedais continuarão a
mover-se até que o volante pare. Quando os pedais
estiverem estacionários, desça primeiro do pedal que
esteja mais elevado. Depois, desça do pedal mais
baixo.
Pedal
Braço do
pedaleiro
Manípulos
Manípulos
Botão do
Pedal
Mola do
Pedal
Pedal
22
9

11
Cricket
ELPE2786 / ELPE5996
PFEVEL2786.0
PFEVEL5996.0
CARACTERÍSTICAS DA CONSOLA
Aconsola oferece uma selecção de características con-
cebidas para tornar as suas sessões de exercício mais
eficazes. Ao usar o modo manual da consola, pode
alterar a resistência dos pedais com o toque de um
botão. Enquanto fizer exercício, a consola mostrará
continuamente informações sobre o mesmo. Pode até
monitorar o seu ritmo cardíaco, usando o sensor de
pulsação para as mãos ou o sensor de pulsação para o
peito opcional. (Para informações acerca do sensor de
pulsação para o peito opcional, consulte a página 20).
A consola possui seis programas inteligentes que alter-
am automaticamente a resistência dos pedais e o
avisam para variar o ritmo da sua pedalada, enquanto
oorientam ao longo de uma sessão de exercício efi-
caz.
A consola oferece também dois programas de ritmo
cardíaco que controlam automaticamente a resistência
dos pedais e o avisam para manter um ritmo de pedal-
ada constante, de modo a manter o seu ritmo cardíaco
próximo das configurações de ritmo cardíaco alvo
durante as suas sessões de exercício.
Adicionalmente, a consola está equipada com a tec-
nologia interactiva iFIT.com. Ter a tecnologia interactiva
iFIT.com é como ter um treinador pessoal em sua casa.
Usando o cabo de áudio, pode ligar a sua bicicleta elíp-
tica à aparelhagem de som, ao aparelho estéreo
portátil, ao computador ou ao gravador de vídeo (VCR)
ereproduzir programas especiais iFIT.com em CD e
vídeo (Os CD’seas cassetes de vídeo iFIT.com estão
disponíveis separadamente). Os programas iFIT.com
em CD e vídeo controlam automaticamente a resistên-
cia dos pedais e avisam-no para alterar o ritmo da sua
passada, como faria um treinador pessoal para o orien-
tar ao longo de uma sessão de exercício. A música de
elevada energia proporciona uma motivação acrescida.
Para comprar CD’s e cassetes de vídeo iFIT.com,
visite o nosso sítio em www.iconeurope.com.
Com a bicicleta elíptica ligada ao seu computador,tam-
bém pode visitar o nosso sítio em www.iFIT.com e
aceder a programas directamente pela Internet.
Explore www.iFIT.com para mais informações.
Para usar o modo manual da consola, siga os pas-
sos que começam na página 12. Para usar um pro-
grama inteligente, consulte a página 13. Para usar
um programa de ritmo cardíaco, consulte a página
14. Para usar um programa iFIT.com em CD ou
vídeo, consulte a página 18. Para usar um programa
directamente do nosso sítio na Internet, consulte a
página 19.
Antes de usar a consola, certifique-se de que as pilhas
estejam instaladas (consulte o passo de montagem 4
na página 7). Se houver uma película de plástico trans-
parente sobre o ecrã, remova-a.
DIAGRAMA DA CONSOLA

12
COMO USAR O MODO MANUAL
1. Ligar a consola.
Para ligar a consola, prima qualquer botão ou
comece a pedalar. O ecrã iluminar-se-á e a conso-
la ficará pronta a usar.
2. Seleccione o modo manual.
Sempre que ligar a
consola, será selec-
cionado o modo man-
ual. Se seleccionou
um programa, volte a
seleccionar o modo
manual premindo repetidamente qualquer dos
botões de Programas até que surjam zeros no
ecrã.
3. Comece a pedalar e altere a resistência dos
pedais conforme o desejado.
Enquanto pedala,
altere a resistência
[RESIST.] dos pedais
premindo os botões
de Aumentar e
Diminuir .
Existem dez níveis de resistência. Nota: Depois
de premir os botões, demorará um momento até
que os pedais alcancem o nível de resistência
seleccionado.
4. Siga o seu progresso com o ecrã
Aprimeira secção do
ecrã mostrará o tempo
[TIME] decorrido e a
distância (número total
de revoluções) que
pedalou. O ecrã tro-
cará de modo de poucos em poucos segundos.
Nota: Quando seleccionar um programa, com a
excepção do segundo programa de ritmo cardíaco,
oecrã mostrará o tempo restante do programa, em
vez do tempo decorrido.
Asegunda secção do
ecrã mostrará o ritmo
de pedalada, em rev-
oluções por minuto
(RPM).
A terceira secção do
ecrã mostrará o
número aproximado de
calorias [CALS.] que
queimou e o nível de
resistência dos pedais.
Oecrã trocará de modo de poucos em poucos
segundos. O ecrã mostrará também o ritmo cardía-
co, quando usar o sensor de pulsação para as
mãos.
A última secção do ecrã
mostrará uma pista que
representa 640 rev-
oluções. Enquanto fizer
exercício, os indi-
cadores da pista apare-
cerão sucessivamente até surgir toda a pista. A
pista desaparecerá então e os indicadores
recomeçarão a aparecer em sucessão.
5. Meça o seu ritmo cardíaco se o desejar.
Se houver películas
de plástico trans-
parente sobre os
contactos metáli-
cos do sensor de
pulsação do punho,
remova-os.
Seguidamente,
agarre o sensor de
pulsação para as
mãos, com as palmas das mãos pousadas nos
contactos metálicos. Evite mover as mãos ou
agarrar os contactos com demasiada força.
Quando a sua pulsação for detectada, piscará no
ecrã um símbolo em forma de coração de cada
vez que o seu coração bater e depois será mostra-
do o seu ritmo cardíaco. Para conseguir uma leitu-
ra mais precisa do ritmo cardíaco, agarre os con-
tactos por, pelo menos, 15 segundos.
6. Quando acabar de fazer exercício, a consola
desligar-se-á automaticamente.
Se os pedais não se moverem durante alguns
segundos, ouvir-se-á um som e a consola entrará
em pausa. Se os pedais não se moverem durante
alguns minutos e os botões não foram premidos, a
consola desligar-se-á e o ecrã será reiniciado.
Contactos

13
COMO USAR UM PROGRAMA INTELIGENTE
1. Ligar a consola.
Para ligar a consola, prima qualquer botão ou
comece a pedalar. O ecrã iluminar-se-á e a conso-
la ficará pronta a usar.
2. Seleccione um programa inteligente.
Para seleccionar um
programa inteligente,
prima repetidamente o
botão Selecção de
Programa [Program
Select] até que surja
no ecrã P3, P4, P5, P6, P7 ou P8. A primeira
secção do ecrã mostrará o tempo de duração do
programa.
3. Comece a pedalar para iniciar o programa.
Cada programa está dividido em 30 segmentos de
um minuto. Para cada segmento está programado
um nível de resistência e um ritmo de pedalada.
Nota: O mesmo nível de resistência e/ou ritmo de
pedalada pode ser programado para dois ou mais
segmentos consecutivos.
Quando a resistência estiver prestes a alterar-se,
onível de resistência piscará no ecrã por alguns
segundos. A resistência dos pedais alterar-se-á
então automaticamente para o nível de resistência
programado para o segmento seguinte. Nota: Se
onível de resistência for demasiado baixo ou alto,
pode alterá-lo manualmente premindo os botões
de Aumentar e Diminuir. Contudo, quando o seg-
mento em curso terminar,aresistência alterar-se-
áautomaticamente para o nível de resistência
programado para o segmento seguinte.
Enquanto faz exercí-
cio, o ecrã avisá-lo-á
para manter o ritmo de
pedalada próximo da
configuração de ritmo
do segmento em
curso. Quando a expressão
faster
(mais rápido)
surgir no ecrã, acelere o seu ritmo. Quando a
expressão
slower
(mais lento) surgir no ecrã,
abrande o seu ritmo. Quando o centro do alvo pis-
car, mantenha o ritmo que está a usar.
IMPORTANTE: As configurações de ritmo de
pedalada destinam-se apenas a proporcionar
motivação. O seu ritmo real pode ser menor do
que as configurações. Certifique-se de que
pedala a um ritmo que seja confortável para si.
Se o nível de resistência do segmento em curso
for demasiado alto ou baixo, pode alterar manual-
mente o nível premindo os botões de diminuir e
aumentar. IMPORTANTE: quando terminar o
segmento corrente do programa, os pedais
ajustar-se-ão automaticamente à configuração
de resistência do segmento seguinte.
Se parar de pedalar por alguns segundos, o tempo
começará a piscar no ecrã. Para reiniciar o progra-
ma, basta recomeçar a pedalar.
Oprograma continuará até que o ecrã mostre um
tempo de 0:00. Se continuar a pedalar após con-
cluído o programa, o ecrã continuará a mostrar
informações sobre o exercício; contudo, deixará de
mostrar o tempo decorrido até que seleccione o
modo manual ou um novo programa.
4. Siga o seu progresso com o ecrã.
Consulte o passo 4 na página 12.
5. Meça o seu ritmo cardíaco se o desejar.
Consulte o passo 5 na página 12.
6. Quando acabar de fazer exercício, a consola
desligar-se-á automaticamente.
Consulte o passo 6 na página 12.

14
COMO USAR UM PROGRAMA DE RITMO
CARDÍACO
1. Ligar a consola.
Para ligar a consola, prima qualquer botão ou
comece a pedalar. O ecrã iluminar-se-á e a conso-
la ficará pronta a usar.
2. Seleccione um programa de ritmo cardíaco.
Para seleccionar um
dos dois programas
de ritmo cardíaco,
prima uma ou duas
vezes o botão com o
símbolo de ritmo
cardíaco até que surja no ecrã P1 ou P2. A
primeira secção do ecrã mostrará o tempo de
duração do programa.
3. Introduza uma configuração de ritmo cardíaco
alvo.
Se seleccionar o
primeiro programa
de ritmo cardíaco,
aparecerá no ecrã a
configuração de ritmo
cardíaco máximo. Use
os botões de Aumentar e Diminuir para alterar a
configuração de ritmo cardíaco máximo, se o
desejar.Nota: Se alterar a configuração de ritmo
cardíaco máximo, será alterado o nível de intensi-
dade de todo o programa.
Se seleccionar o segundo programa de ritmo
cardíaco, aparecerá no ecrã a configuração de
ritmo cardíaco alvo para o programa. Use os
botões de Aumentar e Diminuir para alterar a con-
figuração de ritmo cardíaco alvo, se o desejar.
Nota: A mesma configuração de ritmo cardíaco
alvo será usada para todo o programa.
4. Agarre o sensor de pulsação do punho.
Não é necessário agarrar continuamente o sensor
de pulsação do punho durante um programa de
ritmo cardíaco; contudo, deve agarrar frequente-
mente o sensor de pulsação do punho para que o
programa funcione adequadamente. De cada vez
que agarrar o sensor de pulsação do punho,
mantenha as mãos sobre os contactos metáli-
cos durante pelo menos 30 segundos.
5. Comece a pedalar para iniciar o programa.
Primeiro programa de controlo de ritmo cardía-
co - Este programa está dividido em 30 segmen-
tos de um minuto. Para cada segmento é progra-
mada uma configuração de ritmo cardíaco alvo.
Nota: a mesma configuração de ritmo cardíaco alvo
pode ser programada para dois ou mais segmentos
consecutivos.
Segundo programa de ritmo cardíaco - Épro-
gramado para todos os segmentos deste progra-
ma o mesmo ritmo cardíaco alvo.

15
Ambos os programas de ritmo cardíaco -
Enquanto pedala, a consola comparará regular-
mente o seu ritmo cardíaco com a configuração
de ritmo cardíaco alvo. Se o seu ritmo cardíaco
estiver muito abaixo ou muito acima do ritmo
cardíaco alvo, a resistência dos pedais aumentará
ou diminuirá para fazer aproximar o seu ritmo
cardíaco do ritmo cardíaco alvo.
Também será avisado
através do ecrã para
pedalar a um ritmo
regular. Quando a
expressão
faster
(mais
rápido) surgir no ecrã,
acelere o seu ritmo. Quando a expressão slower
(mais lento) surgir no ecrã, abrande o seu ritmo.
Quando o centro do alvo piscar, mantenha o ritmo
que está a usar. IMPORTANTE: certifique-se de
que se exercita a um ritmo confortável para si.
Se o nível de resistência do segmento em curso,
for demasiado alto ou baixo, pode alterar manual-
mente o nível premindo os botões de diminuir e
aumentar; contudo, se alterar o nível de resistên-
cia, não poderá manter o ritmo cardíaco alvo.
Além disso, quando a consola comparar o seu ritmo
cardíaco com a configuração de ritmo cardíaco
alvo, a resistência dos pedais pode aumentar ou
diminuir automaticamente para aproximar o seu
ritmo cardíaco da configuração de ritmo cardíaco
alvo.
6. Follow your progress with the display.
See step 4 on page 12.
7. Measure your heart rate if desired.
See step 5 on page 12.
8. When you are finished exercising, the console
will turn off automatically.
See step 6 on page 12.
COMO CONECTAR O SEU LEITOR DE CD'S,
GRAVADOR DE VÍDEO OU COMPUTADOR
Para usar CD’s iFIT.com, abicicleta elíptica deve estar
conectada ao seu leitor de CD’sportátil, aparelho
estéreo portátil, aparelhagem caseira ou computador
com leitor de CD’s. Consulte as páginas 15 a 17 para
ver as instruções de ligação. Para usar cassetes de
vídeo iFIT.com, abicicleta elíptica deve estar conecta-
da ao seu gravador de vídeo (VCR). Consulte a página
17para ver as instruções de ligação. Para usar progra-
mas iFIT.com directamente do nosso sítio na
Internet, abicicleta elíptica deve estar conectada ao
seu computador. Consulte a página 17.
COMO CONECTAR O SEU LEITOR DE CD’S
PORTÁTIL
Nota: Se o seu leitor de CD’s tiver tomadas de
SAÍDA DE LINHA [LINE OUT] e AUSCULTADORES
[PHONES] separadas, consulte a instrução A
abaixo. Se o seu leitor de CD’s tiver só uma tomada,
consulte a instrução B.
A. Ligue um terminal do cabo de áudio à tomada por
baixo da consola. Ligue o outro terminal do cabo de
áudio à tomada de SAÍDA DE LINHA do seu leitor
de CD’s. Ligue os seus auscultadores à tomada de
AUSCULTADORES.
B. Ligue um terminal do cabo de áudio à tomada por
baixo da consola. Ligue o outro terminal do cabo
de áudio ao divisor. Ligue o divisor à tomada de
AUSCULTADORES do seu leitor de CD’s. Ligue
os auscultadores ao outro lado do divisor.
A
LINE OUT
PHONES LINE OUT
PHONES
B
PHONES
PHONES
Cabo de
áudio
Auscult
adores
A
A
LINE OUT
PHONES LINE OUT
PHONES
B
PHONES
PHONES
Cabo de
áudio Divisor
Auscultadores
B

16
COMO CONECTAR O SEU APARELHO ESTÉREO
PORTÁTIL
Nota: Se o seu aparelho tiver uma tomada de
SAÍDA DE ÁUDIO do tipo RCA, consulte a
instrução A abaixo. Se o seu aparelho tiver uma
tomada de SAÍDA DE LINHA de 3,5mm, consulte a
instrução B. Se o seu aparelho tiver apenas uma
tomada de AUSCULTADORES, consulte a
instrução C.
A. Ligue um terminal do cabo de áudio à tomada por
baixo da consola. Ligue o outro terminal do cabo
de áudio ao adaptador. Ligue o adaptador à toma-
da de SAÍDA DE ÁUDIO do seu aparelho estéreo.
B. Veja o desenho acima. Ligue um terminal do cabo
de áudio à tomada por baixo da consola. Ligue o
outro terminal do cabo de áudio à tomada de
SAÍDA DE LINHA do seu aparelho estéreo. Não
use o adaptador.
C. Ligue um terminal do cabo de áudio à tomada por
baixo da consola. Ligue o outro terminal do cabo
de áudio ao divisor. Ligue o divisor à tomada de
AUSCULTADORES do seu aparelho estéreo.
Ligue os auscultadores ao outro lado do divisor.
COMO CONECTAR A SUA APARELHAGEM
CASEIRA
Nota: Se a sua aparelhagem tiver uma tomada de
SAÍDA DE ÁUDIO desocupada, consulte a
instrução A abaixo. Se a tomada de SAÍDA DE
ÁUDIO estiver ocupada, consulte a instrução B.
A. Ligue um terminal do cabo de áudio à tomada por
baixo da consola. Ligue o outro terminal do cabo
de áudio ao adaptador. Ligue o adaptador à toma-
da de SAÍDA DE ÁUDIO da sua aparelhagem.
B. Ligue um terminal do cabo de áudio à tomada por
baixo da consola. Ligue o outro terminal do cabo
de áudio ao adaptador. Ligue o adaptador a um
adaptador Y RCA (disponível nas lojas de elec-
trónica). Seguidamente, remova o cabo que está
ligado à tomada de SAÍDA DE LINHA da sua
aparelhagem e ligue-o ao lado livre do adaptador
Y.Ligue o adaptador Y à tomada de SAÍDA DE
LINHA da sua aparelhagem.
B
A
CD
VCR
Amp
LINE OUT
LINE OUT
CD
VCR
Amp
LINE OUT
Cabo de
áudio
A
B
A
CD
VCR
Amp
LINE OUT
LINE OUT
CD
VCR
Amp
LINE OUT
Cabo de
áudio
Adaptador Y RCA
Adaptador
Cabo removido da toma-
da de SAÍDA DE LINHA
B
Adapt-
ador
A
C
PHONES
LINE OUT
AUDIO OUT
RIGHT
LEFT
B
Cabo de
áudio
Adapt-
ador
A/B
A
C
PHONES
LINE OUT
AUDIO OUT
RIGHT
LEFT
B
Cabo de
áudio
C
Divisor
Auscultadores

17
COMO CONECTAR O SEU COMPUTADOR
Nota: Se o seu computador tiver uma tomada de
SAÍDA DE LINHA de 3,5mm, consulte a instrução
A.Se o seu computador tiver apenas uma tomada
de AUSCULTADORES, consulte a instrução B.
A. Ligue um terminal do cabo de áudio à tomada por
baixo da consola. Ligue o outro terminal do cabo
de áudio à tomada de SAÍDA DE LINHA do seu
computador.
B. Ligue um terminal do cabo de áudio à tomada por
baixo da consola. Ligue o outro terminal do cabo
de áudio ao divisor. Ligue o divisor à tomada de
AUSCULTADORES do seu computador. Ligue os
auscultadores ou os altifalantes ao outro lado do
divisor.
COMO CONECTAR O SEU GRAVADOR DE VÍDEO
(VCR)
Nota: Se o seu VCR tiver uma tomada de SAÍDA
DEÁUDIO desocupada, consulte a instrução A
abaixo. Se a tomada de SAÍDA DE ÁUDIO estiver
ocupada, consulte a instrução B. Se tiver um tele-
visor com VCR integrado, consulte a instrução B.
Se o seu VCR estiver ligado à sua aparelhagem
caseira, consulte COMO CONECTAR A SUA APAR-
ELHAGEM CASEIRA na página 16.
A. Ligue um terminal do cabo de áudio à tomada por
baixo da consola. Ligue o outro terminal do cabo
de áudio ao adaptador. Ligue o adaptador à toma-
da de SAÍDA DE ÁUDIO do seu VCR.
B. Ligue um terminal do cabo de áudio à tomada por
baixo da consola. Ligue o outro terminal do cabo
de áudio ao adaptador.Ligue o adaptador a um
adaptador Y RCA (disponível nas lojas de elec-
trónica). Seguidamente, remova o cabo que está
ligado à tomada de SAÍDA DE ÁUDIO do seu
VCR e ligue-o ao lado livre do adaptador Y. Ligue
oadaptador Y à tomada de SAÍDA DE ÁUDIO do
seu VCR.
B
VIDEO AUDIO
ANT. IN
RF OUT
IN
OUT
CH
34
A
AUDIO OUT
RIGHT
LEFT
VIDEO AUDIO
ANT. IN
RF OUT
IN
OUT
CH
34
AUDIO OUT
RIGHT
L
Cabo de áudio
Adaptador
A
B
VIDEO AUDIO
ANT. IN
RF OUT
IN
OUT
CH
34
A
AUDIO OUT
RIGHT
LEFT
VIDEO AUDIO
ANT. IN
RF OUT
IN
OUT
CH
34
C
Cabo de áudio Adaptador
B
Cabo removido da tomada
de SAÍDA DE ÁUDIO
Adaptador Y
RCA
A
PHONES
LINE OUT
B
Cabo de
áudio
A
A
PHONES
LINE OUT
B
Cabo de
áudio
B
Divisor
Auscultadores/Altifalantes

18
COMO USAR UM PROGRAMA IFIT.COM EM CD OU
VÍDEO
Para usar CD’s ou cassetes de vídeo iFIT.com, a bici-
cleta elíptica deve estar conectada ao seu leitor de
CD’s portátil, aparelho estéreo portátil, aparelhagem
caseira, computador com leitor de CD’s ou gravador
de vídeo. Consulte COMO CONECTAR O SEU
LEITOR DE CD'S, GRAVADOR DE VÍDEO OU COM-
PUTADOR na página 15. Para adquirir CD’s e cas-
setes de vídeo iFIT.com, visite o nosso sítio em
www.iFIT.com.
Siga os passos abaixo para usar um programa iFIT
em CD ou vídeo.
1. Ligue a consola.
Consulte o passo 1 na página 12.
2. Seleccione o modo iFIT.com.
Para seleccionar o modo iFIT.com, prima o botão
iFIT.
3. Introduza o CD ou a cassete de vídeo iFIT.com.
Se estiver a usar um CD iFIT.com, introduza o CD
no leitor de CD’s. Se estiver a usar uma cassete
de vídeo iFIT.com, introduza a cassete no gravador
de vídeo.
4. Prima o botão Reproduzir [Play] do seu leitor
de CD’sougravador de vídeo.
Pouco depois de ser premido o botão de repro-
duzir, o seu treinador pessoal começará a orientar
asua sessão de exercício. Siga simplesmente as
instruções do seu treinador pessoal.
Oprograma funcionará de forma muito semelhante
àde um programa inteligente (consulte o passo 3
da página 13). Contudo, um “chilreio" electrónico
alertá-lo-á, quando o nível de resistência e/ou o
ritmo alvo estiverem prestes a mudar.
Nota: Se a resistência dos pedais e/ou o ritmo
alvo não se alterarem quando soar um
“chilreio”:
•Certifique-se de que o indicador junto ao
botão iFIT está iluminado.
•Ajuste o volume do seu leitor de CD’s ou
gravador de vídeo. Se o volume estiver
demasiado alto ou baixo, a consola poderá
não detectar os sinais do programa.
•Certifique-se de que o cabo de áudio está
devidamente conectado e a ficha perfeita-
mente inserida.
5. Acompanhe a sua progressão pelo ecrã.
Consulte o passo 4 na página 12.
6. Meça o seu ritmo cardíaco, se o desejar.
Consulte o passo 5 na página 12.
7. Quando acabar de fazer exercício, a consola
desligar-se-á automaticamente.
Consulte o passo 6 na página 12.

19
COMO USAR UM PROGRAMA DIRECTAMENTE DO
NOSSO SÍTIO NA INTERNET
Onosso sítio da Internet em www.iFIT.com permite-
lhe reproduzir programas iFIT.com directamente a par-
tir da Internet. Para usar programas do nosso sítio na
Internet, a bicicleta elíptica deve estar conectada ao
seu computador. Consulte COMO CONECTAR O SEU
COMPUTADOR na página 17. Adicionalmente, terá de
ter uma ligação à Internet e um fornecedor de serviço
de Internet. Encontrará no nosso sítio da Internet uma
lista dos requisitos de sistema específicos.
Siga os passos abaixo para usar um programa do
nosso sítio na Internet.
1. Ligue a consola.
Consulte o passo 1 na página 12.
2. Seleccione o modo iFIT.com.
Para seleccionar o modo iFIT.com, prima o botão
iFIT.
3. Vá ao seu computador e inicie uma ligação à
Internet.
4. Inicie o seu navegador, se necessário, e vá ao
nosso sítio em www.iFIT.com.
5. Siga as ligações desejadas no nosso sítio da
Internet para seleccionar um programa.
6. Siga as instruções online para iniciar o
programa.
Quando iniciar o programa, começará uma con-
tagem decrescente no ecrã.
7. Regresse à bicicleta elíptica e comece a
pedalar.
Quando terminar a contagem decrescente no
ecrã, o programa começará. O programa fun-
cionará de forma muito semelhante à de um pro-
grama inteligente (consulte o passo 3 da página
13). Contudo, um “chilreio" electrónico alertá-lo-á,
quando o nível de resistência e/ou o ritmo alvo
estiverem prestes a mudar.
8. Acompanhe a sua progressão pelo ecrã.
Consulte o passo 4 na página 12.
9. Meça o seu ritmo cardíaco, se o desejar.
Consulte o passo 5 na página 12.
10. Quando acabar de fazer exercício, a consola
desligar-se-á automaticamente.
Consulte o passo 6 na página 12.

20
OSENSOR DE PULSAÇÃO PARA O PEITO
OPCIONAL
Osensor de pulsação para o peito opcional propor-
ciona uma utilização com mãos livres e monitora con-
tinuamente o seu ritmo cardíaco durante as sessões
de exercício. Para adquirir o sensor de pulsação
para o peito opcional, ligue para o número de tele-
fone indicado na capa anterior deste manual.
Inspeccione e aperte regularmente todas as peças da
bicicleta elíptica. Substitua imediatamente quaisquer
peças que apresentem desgaste.
Para limpar a bicicleta elíptica, use um pano húmido e
uma pequena quantidade de detergente suave.
Importante: para evitar danos na consola, manten-
ha-a afastada de líquidos e da luz solar directa.
Durante o armazenamento, retire as pilhas da
consola.
SUBSTITUIÇÃO DE PILHAS
Se o ecrã da consola ficar escuro, as pilhas devem ser
substituídas; a maior parte dos problemas da consola
resultam de pilhas descarregadas. Consulte o passo de
montagem 4 na página 7 para ver as instruções de
substituição.
RESOLUÇÃO DE PROBLEMAS DO SENSOR DE
PULSAÇÃO DO PUNHO
•Evite mover as mãos quando estiver a usar o sen-
sor de pulsação do punho. O movimento excessivo
pode interferir com as leituras do ritmo cardíaco.
•Para conseguir uma leitura do ritmo cardíaco mais
precisa, agarre os contactos metálicos durante
cerca de 30 segundos.
•Para um desempenho óptimo do sensor de pul-
sação do punho, mantenha os contactos metálicos
limpos. Os contactos podem ser limpos com um
pano macio- nunca use álcool, abrasivos ou quími-
cos para limpar os contactos.
MANUTENÇÃO E RESOLUÇÃO DE PROBLEMAS

21
COMO AJUSTAR O INTERRUPTOR DE LÂMINA
Seaconsola não apresentar um feedback correcto, o
interruptor de lâmina deve ser ajustado. Para o fazer,
deve remover as Molas dos Pedais (11), o Disco do
Pedal direito (15) e as Protecções Laterais (3, 4).
Consulte o passo 8 na página 9 e remova as Molas
dos Pedais.
Em seguida, remova os quatro Parafusos (51) do
Disco do Pedal direito (15) e faça deslizar o Disco do
Pedal para fora. Remova todos os Parafusos (52, 64)
da Protecção Lateral Direita (4) e os dois Parafusos
(77) da parte de baixo do Disco do Pedal e, em
seguida, remova a Protecção Lateral Direita. Remova
todos os Parafusos (52) da Protecção Lateral
Esquerda (3) e remova a Protecção Lateral Esquerda.
Em seguida, consulte a ilustração abaixo e localize o
Interruptor de Lâmina (53). Solte sem remover o
Parafuso M4 x 16mm (52) indicado. Faça deslizar o
Interruptor de Lâmina ligeiramente em direcção a ou
na direcção contrária ao Íman (58) no volante e, em
seguida, volte a apertar o Parafuso. Rode o Disco do
Pedal esquerdo (15) por um momento. Repita até a
consola ter um feedback correcto. Quando o
Interruptor de Lâmina estiver correctamente ajustado,
volte a fixar as Protecções Laterais (3, 4), o Disco do
Pedal esquerdo (15) e as Molas dos Pedais (11).
COMO AJUSTAR A CORREIA DE TRANSMISSÃO
Se sentir os
pedais escor-
regar enquan-
to pedala,
mesmo quan-
do a resistên-
cia estiver
ajustada para
onível mais
elevado, pode
ser necessário
ajustar a
Correia de
Transmissão (19). Para ajustar a Correia de
Transmissão é necessário primeiro remover ambas
as protecções laterais. Consulte COMO AJUSTAR O
INTERRUPTOR DE LÂMINA àesquerda e remova as
protecções laterais.
Em seguida, solte o Pino de Cabeça Chata M8 x
22mm (68) e rode o Parafuso M10 x 60mm (62) até a
Correia de Transmissão (19) estar apertada. Quando
aCorreia de Transmissão estiver apertada, aperte o
Pino de Cabeça Chata. Fixe novamente as pro-
tecções laterais.
64
77
51
51
77
52
52
64
64
11
11
415
3
58
53
52
15
68
62 19

22
As orientações seguintes ajudá-lo-ão a planear o seu
programa de exercício. Para informações sobre exer-
cício mais detalhadas, obtenha um livro recomendado
ou consulte o seu médico.
INTENSIDADE DO EXERCÍCIO
Quer o seu objectivo seja queimar gordura ou fortalecer
oseu sistema cardiovascular,achave para obter os
resultados desejados é fazer exercício com a intensida-
de apropriada. O nível de intensidade apropriado pode
ser encontrado usando o seu ritmo cardíaco como guia.
Ográfico abaixo mostra os ritmos cardíacos recomen-
dados para queimar gordura e fazer exercício aeróbico.
Para determinar o ritmo cardíaco adequado para si,
comece por encontrar a sua idade junto à base do
gráfico (as idades estão arredondadas para a década
mais próxima). Seguidamente, veja os três números
acima da sua idade. Esses três números definem a
sua “zona de treino”. Os dois números mais baixos
são os ritmos cardíacos recomendados para queimar
gordura; o número mais elevado é o ritmo cardíaco
recomendado para exercício aeróbico.
Queima de gordura—Para queimar gordura com efi-
cácia, deve fazer exercício a um nível de intensidade
relativamente baixo por um segmento de tempo sus-
tentado. Durante os primeiros minutos de exercício, o
seu corpo usa as
calorias de hidratos de carbono
,
facilmente acessíveis, para obter energia. Só após os
primeiros minutos o seu corpo começa a usar as
calo-
rias armazenadas
sob a forma
de gordura
para obter
energia. Se o seu objectivo for queimar gordura, ajuste
intensidade seu exercício até que o seu ritmo cardíaco
fique próximo do número mais baixo da sua zona de
treino. Para queimar o máximo de gordura, ajuste a
intensidade seu exercício até que o seu ritmo cardíaco
fique próximo do número médio da sua zona de trei-
no.
Exercício aeróbico—Se o seu objectivo for o de for-
talecer o sistema cardiovascular, o exercício deve ser
“aeróbico”. O exercício aeróbico é uma actividade que
requer grande volume de oxigénio durante segmentos
de tempo longos. Isso aumenta o nível de exigência
sobre o coração, para que bombeie sangue para os
músculos, e sobre os pulmões, para que oxigenem o
sangue. Para exercício aeróbico, ajuste a intensidade
seu exercício até que o seu ritmo cardíaco fique próxi-
mo do número mais alto da sua zona de treino.
DIRECTRIZES PARA EXERCÎCIO
Um aquecimento—inicie cada sessão de exercício
com 5 a 10 minutos de alongamentos e exercícios
leves. Um aquecimento adequado aumenta a tempe-
ratura do corpo, o ritmo cardíaco e a circulação, em
preparação para o exercício.
Exercícios na zona de treino—após o aquecimento,
aumente a intensidade do exercício até que a sua pul-
sação se situe na sua zona de treino durante 20 a 30
minutos. (Durante as primeiras semanas do seu pro-
grama de exercício, não mantenha a pulsação na sua
zona de treino por mais de 20 minutos.) Respire regu-
lar e profundamente enquanto estiver a fazer exercí-
cio – nunca retenha a respiração.
Um arrefecimento—termine cada sessão de exercí-
cio com 5 a 10 minutos de alongamentos para arrefe-
cer. Isso aumentará a flexibilidade dos seus músculos
eajudará a evitar problemas posteriores ao exercício.
Frequência de exercício
FREQUÊNCIA DE EXERCÍCIO
Para manter ou melhorar a sua condição física, faça
três sessões de exercício por semana, com pelo
menos um dia de descanso entre elas. Após alguns
meses, pode fazer até cinco sessões de exercício por
semana, se assim o desejar. Recorde, a chave para o
sucesso é fazer do exercício uma parte regular e
agradável do seu dia-a-dia.
DIRECTRIZES PARA EXERCÍCIO
AVISO: Antes de iniciar este ou
qualquer programa de exercício, consulte o
seu médico. Isso é especialmente importante
para pessoas com mais de 35 anos ou com
problemas de saúde prévios.
Osensor de pulsação não é um dispositivo
médico. Vários factores, incluindo os seus
movimentos, podem afectar a exactidão das
leituras do ritmo cardíaco. O sensor de pul-
sação destina-se apenas a servir como auxi-
liar do exercício, determinando as tendências
do ritmo cardíaco em geral.

23
ALONGAMENTOS SUGERIDOS
A forma correcta de executar vários alongamentos básicos é
mostrada à direita. Mova-se lentamente ao executar os
alongamentos—nunca force o movimento.
1. Alongamento até aos dedos dos pés
Depé, com os joelhos ligeiramente dobrados, vá-se dobrando
lentamente para a frente a partir da cintura. Relaxe as costas e
os ombros à medida que se vai dobrando e procura chegar o
mais possível até aos dedos dos pés. Conte até 15, mantendo a
posição e, em seguida, relaxe o movimento. Repita 3 vezes.
Alongamentos: coxas, parte de trás dos joelhos e costas.
2. Alongamento das coxas
Sente-se com uma perna estendida. Traga a sola do pé oposto
para dentro e pouse-a contra a parte interna da coxa da perna
estendida. Tente o melhor possível alcançar os dedos dos pés.
Conte até 15, mantendo a posição e, em seguida, relaxe o movi-
mento. Repita 3 vezes para cada perna. Alongamentos: coxas,
parte inferior das costas e virilhas.
3. Alongamento da barriga da perna/tendão de Aquiles
Com uma perna à frente da outra, levante os braços à sua frente
eapoie as suas mãos contra uma parede. Mantenha direita a
perna que se encontra atrás com o respectivo pé completamente
apoiado no chão. Dobre a perna que se encontra à frente, incline-
se para a frente e desloque as ancas na direcção da parede.
Conte até 15, mantendo a posição e, em seguida, relaxe o movi-
mento. Repita 3 vezes para cada perna. Para aumentar o alonga-
mento dos tendões de Aquiles, dobre também a perna que se
encontra atrás. Alongamentos: barriga das pernas, tendões de
Aquiles e tornozelos.
4. Alongamento dos quadrícepes
Apoie uma mão contra uma parede, para se equilibrar, e levando
aoutra mão atrás, agarre o pé do lado correspondente. Traga o
seu calcanhar para o mais perto possível das suas nádegas.
Conte até 15, mantendo a posição e, em seguida, relaxe o movi-
mento. Repita 3 vezes para cada perna. Alongamentos: quadríce-
pes e músculos das ancas.
5. Alongamento da parte interna da coxa
Sente-se com as solas dos pés juntas e com os joelhos aponta-
dos para fora. Puxe os seus pés para dentro, o mais possível, na direcção das suas virilhas. Conte até 15,
mantendo a posição e, em seguida, relaxe o movimento. Repita 3 vezes. Alongamentos: quadrícepes e múscu-
los das ancas.
1
2
3
4
5

24
NOTAS

25
NOTAS

26
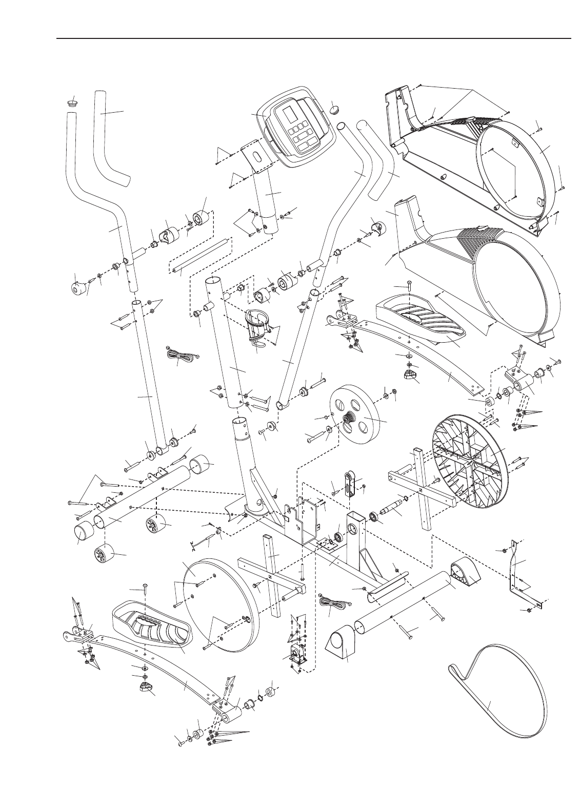
Nota: As especificações estão sujeitas a alteração sem aviso prévio. Consulte a capa posterior deste manual
para informações sobre a encomenda de peças de substituição. *Indica uma peça não ilustrada.
1 1 Estrutura
21 Barra Vertical
3 1 Escudo do Lado Esquerdo
41 Escudo do Lado Direito
5 2 Barra Inferior do Manípulo
6 1 Manípulo Esquerdo
7 1 Eixo de Rotação
8 1 Manípulo Direito
9 1 Estabilizador Traseiro
10 1 Estabilizador Frontal
11 2 Mola do Pedal
12 1 Suporte de Mola Posterior Esquerdo
13 1 Pedal Esquerdo
14 1 Pedal Direito
15 2 Disco do Pedal
16 2 Barra de Apoio do Disco
17 1 Volante
18 1 Suporte da Protecção Lateral
19 1 Correia de Transmissão
20 2 Tampa da Extremidade Posterior
21 2 Tampa da Extremidade Frontal
22 2 Roda
23 1 Consola
24 2 Punho de 200mm
25 1 Tensor
26 2 Parafuso M4 x 19mm
27 2 Tampa do Manípulo
28 2 Pino Roscado de Cabeça Redonda
M8 x 41mm
29 2 Parafuso M3 x 16mm
30 2 Anel de Retenção Grande
31 2 Apoio Grande
32 1 Eixo do Pedal
33 9 Porca de Segurança de Nylon M10
34 4 Parafuso Francês M10 x 75mm
35 2 Anilha de Suporte de Mola
36 12 Pino de Cabeça Chata M6 x 33.5mm
37 4 Bucha do Braço do Pedal
38 5 Porca de Segurança de Nylon M8
39 1 Anilha do Volante
40 2 Parafuso com Plástico M10 x 27mm
41 2 Pino de 1 1/4 pol
42 4 Anilha M5
43 2 Anilha Ondulada
44 1 Extensão da Cablagem
45 1 Motor de Comando por Resistência
46 2 Tampa do Manípulo
47 2 Espaçador do Manípulo
48 2 Espaçador da Barra Vertical
49 6 Bucha Pequena do Manípulo
50 4 Pino Roscado de Cabeça Redonda
M8 x 45mm
51 8 Parafuso M6 x 28mm
52 11 Parafuso M4 x 16mm
53 1 Interruptor de Lâmina/Fio
54 1 Grampo
55 2 Anilha do Manípulo
56 2 Parafuso com Plástico M8 x 25mm
57 1 Pino de Cabaça Chata M10
58 1 Íman
59 7 Anilha Fendida M8
60 4 Bucha Grande do Braço do
Manípulo
61 2 Parafuso de Porca Sextavada 5/16"
x25,4mm
62 1 Parafuso M10 x 60mm
63 2 Espaçador de Mola
64 4 Parafuso M4 x 25mm
65 1 Suporte para Garrafa de Água
66 14 Porca de Segurança de Nylon M6
67 3 Parafuso de Cabeça Redonda M10
x25mm
68 1 M8 x 22mm Flat Head Bolt
69 2 Porca de Segurança de Nylon M5
70 1 Suporte de Mola Posterior Direito
71 4 Parafuso Auto-roscante M5 x 16mm
72 2 Parafuso M5 x 16mm
73 1 Extensão da Barra Vertical
74 2 Conjunto de Pino e Parafuso M10
75 12 Anilha M6
76 2 Apoio de Mola Frontal
77 2 Parafuso M6 x 18mm
78 3 Anilha M10
79 1 Cablagem
80 2 Parafuso Francês M10 x 30mm
81 2 Botão do Pedal
82 2 Parafuso Auto-roscante M5 x 14mm
83 2 Anilha Ondulada de 23mm
*- Chave Sextavada
* - Massa Lubrificante
* - Manual do Utilizador
Nº. Qt. Descrição Nº. Qt. Descrição
LISTA DE PEÇAS—Modelo Nº. PFEVEL93407.0 R0907A

27
61
30
32
31
3031
24
8
4
3
50
5
38
44
45
6
46
5
60
17
2
10
33
14
12
35
18
19
1
33
13
37
11
51
51
51
15
51
51
34
9
33
33 20
20
16
61
54
52
53
38
25
68
62
55
56 38
50
48
47
49
24
56
55
57
39
33
58
22
41
21
33
41
21
22
37
33
34
81
59
80
81
59
80
60
60
60
23
52
52
64
52
77
52 77
64
37
37
49
48
47 49
49
46
11
16
71
35
7075
66
36 40
63
40 75
66
63
36
67
59
59
67
73
36
66
75
36
66
75
76
76 71
74
74 74
74
79
15
66
66
72
42
78
82
82
69
27 27
29
29
7
26
52
52
43
65
49
49
28
33 59
59
78
78
43
83
83
DIAGRAMA AMPLIADO —Modelo nº. PFEVEL93407.0 R0907A

Peça nº 258757 R0907A Impresso na China © 2007 ICON IP, Inc.
ENCOMENDAR PEÇAS DE SUBSTITUIÇÃO
Para encomendar peças de substituição, consulte a capa frontal deste manual. Para nos ajudar a prestar-lhe
assistência, esteja preparado para nos fornecer as seguintes informações quando nos contactar:
• o número de modelo e o número de série do produto (consulte a capa frontal deste manual)
• o nome do produto (consulte a capa frontal deste manual)
•onúmero de código e a descrição da(s) peça(s) (consulte a LISTA DE PEÇAS e o DIAGRAMA AMPLIADO,
na parte final deste manual)