Proform Pfevel934070 Reflex Step Gw Elliptical Users Manual PFEVEL48830 202292(UK)
2015-04-14
: Proform Proform-Pfevel934070-Reflex-Step-Gw-Elliptical-Users-Manual-700622 proform-pfevel934070-reflex-step-gw-elliptical-users-manual-700622 proform pdf
Open the PDF directly: View PDF
.
Page Count: 28

UWAGA
Przed przystąpieniem do
użytkowania przyrządu należy
przeczytać wszystkie ostrzeżenia
i zalecenia zawarte w niniejszej
instrukcji obsługi. Zachować
instrukcję do użytku w
przyszłości.
Nr Modelu PFEVEL93407.0
Nr seryjny
Napisać numer seryjny w linijce
powyżej dla późniejszej identyfikacji
pliku.
Nalepka z
numerem
seryjnym
Odwiedź naszą stronę
www.iconeurope.com
INSTRUKCJA OBSŁUGI
PYTANIA?
Jako producentowi zależy
nam na pełnej satysfakcji
naszych klientów. Jeśli masz wąt-
pliwości lub jeśli pewnych ele-
mentów produktu brakuje bądź
są uszkodzone, należy skontak-
tować się z placówką, w której
produkt został zakupiony.
Odwiedź naszą stronę:
www.iconsupport.eu

SPIS TREŚCI
UMIESZCZANIE NAKLEJEK OSTRZEGAWCZYCH ...............................................2
WAŻNE ŚRODKI OSTROŻNOŚCI . . . . . . . . . . . . . . . . . . . . . . . . . . . . . . . . . . . . . . . . . . . . . . . . . . . . . . . . . . . . .3
PRZED ROZPOCZĘCIEM UŻYTKOWANIA . . . . . . . . . . . . . . . . . . . . . . . . . . . . . . . . . . . . . . . . . . . . . . . . . . . . . .4
MONTAŻ . . . . . . . . . . . . . . . . . . . . . . . . . . . . . . . . . . . . . . . . . . . . . . . . . . . . . . . . . . . . . . . . . . . . . . . . . . . . . . . . .5
OBSŁUGA TRENAŻERA ELIPTYCZNEGO . . . . . . . . . . . . . . . . . . . . . . . . . . . . . . . . . . . . . . . . . . . . . . . . . . . . .10
KONSERWACJA I USUWANIE USTEREK . . . . . . . . . . . . . . . . . . . . . . . . . . . . . . . . . . . . . . . . . . . . . . . . . . . . .20
ZASADY PROWADZENIA ĆWICZEŃ . . . . . . . . . . . . . . . . . . . . . . . . . . . . . . . . . . . . . . . . . . . . . . . . . . . . . . . . . .22
WYKAZ CZĘŚCI . . . . . . . . . . . . . . . . . . . . . . . . . . . . . . . . . . . . . . . . . . . . . . . . . . . . . . . . . . . . . . . . . . . . . . . . . .26
WIDOK ROZSTRZELONY . . . . . . . . . . . . . . . . . . . . . . . . . . . . . . . . . . . . . . . . . . . . . . . . . . . . . . . . . . . . . . . . . . .27
ZAMAWIANIE CZĘŚCI ZAMIENNYCH . . . . . . . . . . . . . . . . . . . . . . . . . . . . . . . . . . . . . . . . . . . . . . . .Tylna okładka
2
PROFORM jest zarejestrowanym znakiem towarowym firmy ICON IP,Inc.
UMIESZCZANIE NAKLEJEK OSTRZEGAWCZYCH
Pokazane tutaj naklejki ostrzegawcze zostały
umieszczone we wskazanych miejscach.
Jeśli naklejki brak lub jest nieczytelna,
proszę zadzwonić pod numer telefonu
podany na pierwszej stronie okładki
niniejszego podręcznika i poprosić o dar-
mową naklejkę zamienną. Umieścić nakle-
jkę w pokazanym miejscu. Uwaga: Naklejki
mogą być pokazane w zmienionej skali.

3
1. Przed rozpoczęciem jakiegokolwiek progra-
mu ćwiczeń skonsultuj się z lekarzem. Jest
to szczególnie ważne dla osób powyżej 35
roku życia lub z historią problemów zdrowot-
nych.
2. Właściciel trenażera eliptycznego jest zobow-
iązany do poinformowania jego użytkown-
ików o wszelkich dotyczących korzystania z
niego zaleceniach.
3. Trenażer eliptyczny przeznaczony jest
wyłącznie do użytku domowego. Nie należy
go stosować w celach komercyjnych, w
wypożyczalniach czy instytucjach.
4. Ustawić trenażer eliptyczny na równym
podłożu, umieszczając pod nim matę
chroniącą podłogę lub dywan. Przyrząd
należy przechowywać w pomieszczeniu z
dala od wilgoci i kurzu. Upewnić się, czy
pozostawione wokół przyrządu miejsce
umożliwia jego bezpieczny rozstawienie,
złożenie i użytkowanie.
5. Należy regularnie kontrolować i dokręcać
wszystkie części przyrządu. Wszelkie zużyte
elementy powinny zostać natychmiast
wymienione.
6. Dzieci poniżej 12 roku życie oraz zwierzęta
domowe nie powinny przebywać w pobliżu
trenażera eliptycznego.
7. Osoby o wadze przekraczającej 250 funtów
(113 kg) nie mogą używać przyrządu.
8. W trakcie korzystania z trenażera elipty-
cznego należy zawsze nosić odpowiednią
odzież. Podczas ćwiczeń stopy powinny być
zabezpieczone obuwiem sportowym.
9. W czasie rozkładania, składania i użytkowania
trenażera eliptycznego należy zawsze trzymać
rączki z czujnikami tętna lub rękojeści.
10. Wczasie korzystania z trenażera elipty-
cznego należy przyjąć pozycję z wypros-
towanym kręgosłupem, unikając jego pochy-
lania.
11. Czujnik tętna nie jest przyrządem medy-
cznym. Wiele czynników może wpływać na
precyzję pomiaru rytmu pracy serca. Czujnik
tętna jest wyłącznie elementem wspomagają-
cym ćwiczenia określającym przybliżoną
jego wartość.
12. W przypadku wystąpienia objawów bólu lub
zawrotów głowy powinniśmy natychmiast
przerwać ćwiczenia i odpocząć.
13. W końcowej fazie treningu należy stopniowo
zwolnić rytm aż do całkowitego zatrzymania
pedałów.
14. Przyrządu należy używać zgodnie z jego
przeznaczeniem.
OSTRZEŻENIE:Aby zminimalizować ryzyko poważnych obrażeń, należy przeczytać
o wszystkich ważnych środkach ostrożności oraz instrukcje niniejszego podręcznika jak też wszys-
tkie ostrzeżenia umieszczone na Twojej bieżni przed użyciem bieżni. ICON nie ponosi odpowiedzial-
ności za obrażenia ciała lub straty majątkowe spowodowane przez produkt lub przez jego użycie.
WAŻNE ŚRODKI OSTROŻNOŚCI

4
PRZED ROZPOCZĘCIEM
Gratulujemy wyboru nowego trenażera eliptycznego
PROFORM®REFLEX STEP, charakteryzującego się
niezwykłą płynnością ruchu. REFLEX STEP prowadzi
stopy w naturalny sposób po elipsie, maksymalnie
chroniąc przed nadwerężaniem stawy kolanowe i
skokowe. Trenażer REFLEX STEP wyposażony został
w komputer umożliwiający regulację oporu pedałowa-
nia. Jego łatwa obsługa sprawia, że użytkownik opty-
malnie wykorzystuje każdy trening.
Dla własnej korzyści, przeczytaj uważnie niniejszy
podręcznik przed rozpoczęciem korzystania z tre-
nażera eliptycznego. Jeśli będziesz mieć pytania po
przeczytaniu niniejszego podręcznika, prosimy o spo-
jrzenie na pierwszą stronę okładki niniejszego
podręcznika. Aby pomóc nam w rozwiązaniu Twego
problemu, zanotuj numer modelu produktu oraz numer
seryjny przed skontaktowaniem się z nami. Numer
modelu oraz miejsce naklejki z numerem seryjnym są
pokazane na pierwszej stronie okładki niniejszego
podręcznika.
Przed dalszą lekturą prosimy o zapoznanie się z częś-
ciami oznakowanymi na poniższej ilustracji.
Rączka z czu-
jnikiem tętna
Dźwignia ramienia pedału
Tarcza pedału
*Zestaw nie zawiera butelki na wodę
Kółko transportowe
Pedał
Uchwyt na butelkę*
Rękojeść
Komputer

5
MONTAŻ
Montaż wymaga udziału dwóch osób. Umieścić wszystkie części trenażera eliptycznego w odpowiednim do
montażu miejscu. Elementy opakowania należy usunąć, zachowując je jednak aż do zakończenia montażu.
Poza dołączonymi do zestawu kluczami imbusowymi , w trakcie montażu potrzebny nam
będzie także śrubokręt krzyżowy , klucz nastawny i gumowy pobijak .
Zamieszczone poniżej rysunki umożliwiają identyfikację niewielkich części stosowanych przy montażu
urządzenia. Numer w nawiasie umieszczony w opisie pod rysunkami odpowiada numerowi referencyjnemu danego
elementu ujętego w WYKAZIE CZĘŚCI umieszczonej pod koniec niniejszego podręcznika. Numer poza naw-
iasem oznacza liczbę części potrzebnych do montażu. Uwaga: Niektóre małe części mogą być już uprzednio
zmontowane. Jeśli części nie ma w zestawie narzędzi, sprawdź, czy została ona już zmontowana.

6
34
9
1
3
2
28
59
59
33
44
1
73
79
59
Uważać, aby nie
doszło do
uszkodzenia kabla.
44
67
67
59
233
33
10 33
33
22
22
34
34 1
1
Sześ-
ciokątne
nakrętki
2. Jedna osoba unosi do góry przednią część ramy (1),
druga natomiast przymocowuje do niej tylną podporę
(9), używając do tego celu dwóch śrub z łbem
okrągłym M10 x 75 mm (34) i dwóch nylonowych
przeciwnakrętek M10 (33).
3. Jedna osoba przytrzymuje wspornik dolny (2)
umieszczony w pobliżu ramy (1), druga łączy środ-
kowy (44) i dolny kabel (79). Pociągnąć delikatnie
górną końcówkę środkowego kabla w taki
sposób, aby nie pozostawał nazbyt luźny, a
następnie osadzić dolny wspornik na ramie i przymo-
cować go za pomocą dwóch śrub z łbem okrągłym
M10 x 74mm (28), dwóch podkładek dzielonych M10
(59) i dwóch nylonowych przeciwnakrętek M10 (33).
Należy uważać, aby nie doszło przy tym do
uszkodzenia kabla.
Jedna osoba przytrzymuje górny wspornik (73)
umieszczony w pobliżu wspornika dolnego (2). W tym
czasie druga osoba przeciąga środkowy kabel przez
(44) wspornik górny (73).
Trzymając naciągnięty środkowy kabel (44), osadzić
górny wspornik (73) w dolnym (2), a następnie przy-
mocować go za pomocą trzech śrub z łbem
półkulistym M10 x 25mm (67) i trzech podkładek
dzielonych M10 (59). Należy uważać, aby nie doszło
przy tym do uszkodzenia kabla. Upewnić się, że
nylonowe przeciwnakrętki znajdują się w sześ-
ciokątnych otworach.
1.
Przygotować wyposażoną w kółka (22) przednią pod-
porę (10). Upewnić się, że ustawiona jest ona w
taki sposób, aby kółka nie dotykały podłogi. Jedna
osoba unosi do góry przednią część ramy (1), druga
natomiast przymocowuje do niej przednią podporę za
pomocą dwóch śrub z łbem okrągłym M10 x 75mm
(34) i dwóch nylonowych przeciwnakrętek M10 (33).
Aby usprawnić montaż trenażera eliptycznego,
przed jego rozpoczęciem, należy zapoznać się z
informacjami zamieszczonymi na stronie 5.

7
5
23
26
65
52
44
73
Kabel
komputera
2
6
80
81
59
11
13
78
23
Pokrywa
kieszeni
4
Baterie
Uważać, aby nie doszło do
uszkodzenia kabla.
5. Jedna osoba przytrzymuje komputer (23) w pobliżu
górnego wspornika (73), druga natomiast łączy kabel
komputera z środkowym kablem (44). W razie potrze-
by, wsuwamy wystający kabel do wnętrza wspornika
górnego.
Zamocować komputer (23) na górnym wsporniku (73)
za pomocą czterech śrub M4 x 16mm (52). Należy
uważać, aby nie doszło przy tym do uszkodzenia
kabla.
Zamontować na dolnym wsporniku (2) uchwyt na
bidon (65), używając do tego celu dwóch śrub M4 x
19mm (26).
6. Przygotować podstawę pedału (11) oznaczoną nakle-
jką z napisem “L”. Zamocować lewy pedał (13) na
odpowiadającej mu podstawie za pomocą śruby z
łbem okrągłym M10 x 30mm (80), podkładki M10 (78),
podkładki dzielonej M10 (59) i gałki (81), tak jak to
zostało ukazane na rysunku. Uwaga: Istnieje możli-
wość zamontowania pedału w różnych pozycjach. Do
tego celu wykorzystujemy jedną z pięciu pozycji
przewidzianych w samym pedale i trzy otwory
umieszczone w jego podstawie.
Na takiej samej zasadzie przymocować prawy
pedał (nie ukazano na rysunku).
Upewnić się, że obydwa pedały zamontowane
zostały jednakowo (w tych samych otworach
pedału i jego podstawy).
4. Komputer (23) zasilany jest przy pomocy czterech
baterii typu “AA” - zaleca się stosowanie baterii alka-
licznych. WAŻNE: Jeśli maszynę eliptyczną wys-
tawiono na działanie niskich temperatur, pozwól
jej osiągnąć temperaturę pokojową przed włoże-
niem baterii do Konsoli. Jeśli tego nie zrobisz,
wyświetlacze konsoli lub inne elementy elektron-
iczne mogą ulec zniszczeniu. Zdjąć pokrywę
kieszeni i założyć baterie. Należy upewnić się, że
ustawienie baterii jest zgodne z oznakowaniem
umieszczonym wewnątrz kieszeni. Po założeniu
baterii umieścić pokrywę na swoim miejscu.

8
50
8
38
7. Przygotować lewą rękojeść (6) oznaczoną naklejką z
napisem “L” i “Left” (lewa), a następnie osadzić ją w
jednym z ramion rękojeści (5). Należy upewnić się,
że sześciokątne otwory ramienia znajdują się po
stronie wskazanej na rysunku. Przymocować lewą
rękojeść za pomocą dwóch śrub z łbem półkulistym
M8 x 45mm (50) i dwóch nylonowych przeciwnakrętek
M8 (38). Sprawdzić, czy nylonowe przeciwnakrętki
zostały prawidłowo umieszczone w sześciokąt-
nych otworach. Wstrzymać się z dokręceniem
śrub.
Nałożyć grubą warstwę dołączonego do zestawu
smaru na oś przegubu (7) oraz na nakładki faliste
(43).
Wprowadzić oś przegubu (7) w otwór wspornika
górnego (2), a następnie wyśrodkować. Ustawić
rozpórkę (47) w taki sposób, aby umieszczona na niej
strzałka wskazywała podłogę, a następnie nałożyć ją
na lewą rękojeść (6). Umieścić nakładkę falistą (43)
na osi przegubu.
Nasunąć lewą rękojeść (6) na oś przegubu (7), po
czym przykręcić za pomocą śruby mocującej M8 x
25mm (56) i podkładki (55). Następnie zamocować na
wcisk kapturek rękojeści (46), łącząc ją z rozpórką
(47).
Wanalogiczny sposób zamontować prawą ręko-
jeść (8) na drugim ramieniu (5).
5
2
5
Sześ-
ciokątne
Nakrętki
7
Smara
46 Wcisk
Strzałka
6
55 43
56
47
7

9
9. Make sure that all parts of the elliptical exerciser are properly tightened. Note: Some hardware may be
left over after assembly is completed. Toprotect the floor or carpet from damage, place a mat under the
elliptical exerciser.
8. Wyszukać uchwyt (12) podstawy lewego pedału (11).
Nałożyć cienką warstwę smaru wewnątrz panewek
(37) uchwytu lewej podstawy pedału i na lewą półoś
poprzeczki tarczy (16). Nałożyć na półoś rozpórkę
(63), i 23mm Podkładka falista (83) upewniając się
przy tym, że jest ona umieszczona przodem do tre-
nażera, anastępnie nasunąć na nią uchwyt lewej
podstawy pedału. Po założeniu podkładki sprężystej
(35) na śrubę mocującą M10 x 27mm (40), wkręcić ją
na półoś.
Wsunąć dolną część lewego ramienia rękojeści (5) w
widełki (76) podstawy lewego pedału (11). Nałożyć
smar na zestaw śrub M10 (74), a następnie połączyć
za ich pomocą ramię rękojeści z widełkami. Śrub nie
należy dokręcać zbyt mocno. Rękojeść powinna
obracać się swobodnie na osi przegubu.
Na takiej samej zasadzie przymocować podstawę
drugiego pedału (nie ukazaną na rysunku) po
prawej stronie trenażera.
Patrz punkt 7. Dokręcić śruby z łbem okrągłym M8
x 45mm (50).
8
Smara
74 11
11
40 35
37
63
83
12
74
5
76
Smara 16

10
OBSŁUGA TRENAŻERA ELIPTYCZNEGO
JAK PRZESUNĄĆ PRZYRZĄD
Stanąć za trenażerem eliptycznym, chwycić mocno
tylną podporę (9) i unieść ją do góry aż do ustawienia
przyrządu w pozycji umożliwiającej jego
przemieszczanie na kółkach (22). Przeciągnąć
ostrożnie trenażer w wybrane miejsce i ustawić w pier-
wotnej pozycji. Aby maksymalnie zmniejszyć ryzyko
kontuzji, unosząc do góry tylną podporę, uginamy
nogi w kolanach, zachowując wyprostowane plecy.
Należy starać się dźwigać ciężar siłą nóg, a nie
mięśni kręgosłupa.
JAK WYPOZIOMOWAĆ PRZYRZĄD
Jeżeli w czasie użytkowania trenażera eliptycznego
zauważymy,że kołysze się on nieznacznie na
podłodze, należy go wypoziomować przy użyciu stopek
regulacyjnych znajdujących się pod tylną podporą stabi-
lizacyjną aż do całkowitego wyeliminowania kołysania.
JAK WYREGULOWAĆ PEDAŁY
Ruch trenażera
eliptycznego uza-
leżniony jest od
pozycji pedałów.
Aby prze-
prowadzić ich
regulację należy,
przede wszys-
tkim, odkręcić
gałkę znajdującą
się pod każdym z
nich. Następnie
przesunąć pedał
do przodu lub do
tyłu, przymo-
cowując go w jed-
nej z pięciu
dostępnych na nim pozycji i w jednym z trzech otworów
podstawy. Należy upewnić się, że obydwa pedały
ustawione są jednakowo.
OBSŁUGA RĘKOJEŚCI
Rękojeści zostały
zaprojektowane z
myślą o objęciu
treningiem także
górnych partii ciała.
Wczasie wykony-
wania ćwiczeń,
pociąganie do
siebie i odpychanie
rękojeści umożliwia
pracę mięśni
ramion, barków i pleców.
JAK ĆWICZYMY NA PRZYRZĄDZIE
Trening
rozpoczynamy
ujmując ręko-
jeści i stając
najpierw jedną
nogą na pedale
znajdującym się
wniższej pozy-
cji, a następnie
dostawiając
drugą nogę.
Ćwiczenie pole-
ga na wykony-
waniu ryt-
micznych
ruchów aż do
uzyskania płyn-
nego
przemieszcza-
nia się pedałów.
Uwaga:
Ramiona wahacza mogą poruszać się dwóch
kierunkach. Zaleca się, aby obrót ramion wahacza
przebiegał w kierunku zaznaczonym strzałką na
umieszczonym po prawej stronie rysunku. Aby
urozmaicić trening, istnieje możliwość wykonywa-
nia ćwiczeń z ramionami wahacza obracającymi się
wprzeciwnym kierunku.
Przed zejściem z przyrządu należy poczekać aż
całkowicie ustanie ruch pedałów. Uwaga: Trenażer
eliptyczny nie został wyposażony w funkcję wol-
nego koła, w związku z czym pedały obracają się aż
do zatrzymania się koła zamachowego. Po całkow-
itym ustaniu ruchu pedałów, schodzimy najpierw z
wyższego pedału, a następnie z niższego.
Pedał
Pedał
Ramię Wahacza
Rękojeść
Rękojeści
Pedal
Knob
Pedal
Spring
Pedal
22
9

11
Cricket
ELPE2786 / ELPE5996
PFEVEL2786.0
PFEVEL5996.0
CHARAKTERYSTYKA KOMPUTERA
Komputer trenażera oferuje szereg funkcji zaprojek-
towanych z myślą o zwiększeniu efektywności treningu.
Wtrybie ręcznym istnieje możliwość regulacji oporu
pedałowania poprzez wciśnięcie odpowiedniego przy-
cisku. W trakcie wykonywania ćwiczeń na wyświetlaczu
pojawiają bieżące wskazania poszczególnych para-
metrów treningu. Można także dokonać pomiaru rytmu
pracy serca za pomocą dotykowego czujnika tętna lub
opcjonalnego pasa na klatkę piersiową (szczegółowe
informacje na ten temat znajdują się na stronie 20).
Komputer wyposażony został w sześć programów
treningowych automatycznie zmieniających opór
pedałowania i ułatwiających ćwiczącemu utrzymanie
odpowiedniego rytmu w ramach możliwie najbardziej
efektywnego treningu.
Dysponuje on także dwoma programami sterowanymi
tętnem. Kontrolują one automatycznie opór pedałowa-
nia i pomagają osobie ćwiczącej utrzymać jego częstotli-
wość na stałym poziomie i tym samym osiągnąć stały
rytm pracy serca maksymalnie zbliżony do docelowej
wartości przyjętej dla danego treningu.
Ponadto komputer obsługuje technologię interaktywnego
treningu iFIT.com, którą można porównać do korzystania
wdomu z usług osobistego trenera. Za pomocą kabla
audio możemy podłączyć trenażer eliptyczny do
przenośnej mini wieży,wieży stereo, komputera lub
magnetowidu, które umożliwiają odtwarzanie specjal-
nych programów treningowych iFIT.com z płyt CD i
kaset wideo (do nabycia osobno). Programy te
automatycznie kontrolują opór pedałowania i sygnalizują
osobie ćwiczącej konieczność zmiany tempa, podczas
gdy osobisty trener prowadzi ją przez poszczególne fazy
treningu, co stanowi dla użytkownika dodatkową
motywację. Program treningowy iFIT.com na płytach
CD i kasetach wideo można nabyć na naszej stronie
internetowej: www.iconeurope.com
Podłączając trenażer eliptyczny do komputera można
także odwiedzić naszą witrynę internetową
www.iFIT.com i uzyskać bezpośredni dostęp do wspom-
nianych programów. Szczegółowe informacje na ten
temat znajdują się na stronie www.iFIT.com.
Opis działania komputera w trybie ręcznym
zamieszczony został w rozdziale na stronie 12. Dzi-
ałanie programu Smart wyjaśnione zostało na stronie
13, aprogramu sterowanego tętnem na stronie 14.
Aby skorzystać z programu treningowego iFIT.com
na płycie CD lub kasecie wideo, należy zastosować
się do wskazówek na stronie 18. Informacje na temat
dostępu do programu treningowego bezpośrednio z
naszej strony internetowej znajdują się na stronie 19.
Przed przystąpieniem do używania komputera, należy
upewnić się, że założono baterie (patrz wskazówki mon-
tażowe, punkt 4 na stronie 7). Jeżeli na wyświetlaczu
znajduje się plastikowa folia ochronna, powinniśmy ją
usunąć.
SCHEMAT KOMPUTERA

12
OBSŁUGA PRZYRZĄDU W TRYBIE RĘCZNYM
1. Uruchomienie komputera.
Komputer włączamy wciskając dowolny przycisk
lub rozpoczynając pedałowanie. Jednocześnie
następuje uruchomienie wyświetlacza i tym
samym komputer przygotowany jest do użytku.
2. Wybór trybu ręcznego.
Każdorazowe włącze-
nie komputera
powoduje automaty-
czne uruchomienie
przyrządu w trybie
ręcznym. W przypad-
ku gdybyśmy chcieli zmienić wybrany uprzednio
tryb automatyczny na ręczny, należy kilkakrotnie
wcisnąć dowolny przycisk programu aż do pojaw-
ienia się na wyświetlaczu wartości zerowych.
3. Rozpoczęcie pedałowania i ustawienie żądanej
wartości oporu.
Istnieje możliwość
zmiany oporu
pedałowania w trakcie
ćwiczenia poprzez
wciśnięcie przycisków
zwiększenia lub
zmniejszenia wartości. Przewidziano dziesięć
poziomów oporu. Uwaga: zmiana poziomu nie
następuje natychmiast po wciśnięciu danego przy-
cisku.
4. Wyświetlacz umożliwiający śledzenie treningu.
Wpierwszej sekcji
wyświetlacza pojawia
się czas ćwiczenia
[TIME] i przebyta
odległość [DIST.]
(całkowita liczba wyko-
nanych obrotów). Wskazania ukazują się na wyświ-
etlaczu naprzemiennie co kilka sekund. Uwaga:
jeżeli wybraliśmy wcześniej program treningowy, w
tym miejscu pojawi się czas pozostały do
zakończenia ćwiczenia, a nie czas, który minął od
jego rozpoczęcia. Wyjątek od powyższej zasady
stanowi drugi program sterowania tętnem.
Wdrugiej sekcji wyświ-
etlacza pojawia się
wskazanie tempa
pedałowania wyrażone
wobrotach na minutę
(obr/min) [RPM].
Trzecia sekcja wyświet-
lacza ukazuje przy-
bliżoną wartość
spalonych kalorii
[CALS.] i poziom oporu
pedałowania. Wskaza-
nia ukazują się na wyświetlaczu naprzemiennie co
kilka sekund. Jeżeli korzystamy z dotykowego czu-
jnika tętna, wyświetlone zostanie także wskazanie
rytmu pracy serca.
Wostatniej sekcji
ukazuje się tor o dłu-
gości odpowiadającej
640 obrotom. W trakcie
treningu pojawiać się
będzie stopniowo linia
przebiegu aż do dopełnienia całego okrążenia. Po
jego zakończeniu, tor zniknie, a na jego miejscu
wyświetlany będzie stopniowo przebieg kolejnego
okrążenia.
5. Możliwość pomiaru rytmu pracy serca.
Jeżeli na met-
alowych płytkach
kontaktowych
dotykowego czujni-
ka tętna znajduje
się plastikowa folia
ochronna, należy ją
usunąć. Wcelu
dokonania pomiaru
rytmu pracy serca
ujmujemy rączki czujnika tętna, opierając dłonie na
metalowych płytkach kontaktowych. Należy unikać
gwałtownego poruszania rękami oraz nad-
miernego dociskania płytek kontaktowych. W
momencie wykrycia pulsu na wyświetlaczu pojawia
się ikona pulsująca w rytmie pracy serca i jed-
nocześnie wyświetlone zostaje odpowiednie
wskazanie. Aby uzyskać maksymalnie precyzyjny
pomiar należy opierać dłonie na płytkach kontak-
towych przez co najmniej 15 sekund.
6. Po zakończeniu treningu następuje automaty-
czne wyłączenie komputera.
Jeżeli w ciągu kilkunastu sekund pedały pozostają
nieruchome, komputer przechodzi w stan
spoczynku, czemu towarzyszy odpowiedni sygnał
akustyczny. Jeżeli pedały nie zostaną uru-
chomione w ciągu kilku minut i w tym czasie nie
zostanie wciśnięty żaden przycisk funkcyjny,
nastąpi automatyczne wyłączenie komputera i zre-
setowanie wyświetlacza.
Płytki
kontaktowe

13
OBSŁUGA PROGRAMU SMART
1. Uruchomienie komputera.
Komputer włączamy wciskając dowolny przycisk
lub rozpoczynając pedałowanie. Jednocześnie
następuje uruchomienie wyświetlacza i tym
samym komputer przygotowany jest do użytku.
2. Wybór programu Smart.
Aby wybrać program
Smart należy kilka-
krotnie wcisnąć przy-
cisk "Select Program"
aż wyświetlone
zostanie P3, P4, P5,
P6, P7 lub P8. Pierwsza sekcja wyświetlacza
ukazuje czas danego programu.
3. Aby uruchomić program wystarczy rozpocząć
ćwiczenie.
Każdy program podzielony jest na 30 jednominu-
towych segmentów. Każdemu segmentowi
odpowiada zaprogramowane pojedyncze ustawie-
nie oporu pedałowania oraz tempa. Uwaga: to
samo ustawienie oporu i/lub tempa może być
zaprogramowane dla dwóch lub większej liczby
następujących po sobie segmentów.
Przed każdą zmianą ustawienia oporu pedałowa-
nia, przez kilka sekund na wyświetlaczu pulsować
będzie wskazanie jego poziomu. Jednocześnie
następuje automatyczne dostosowanie nastawy do
wartości oporu pedałowania przewidzianej dla
kolejnego segmentu. Uwaga: Jeżeli ustawienie
oporu bieżącego segmentu jest nadmiernie wysok-
ie lub zbyt niskie, można je ręcznie zmienić,
wciskając odpowiednio przycisk zwiększenia lub
zmniejszenia wartości. Należy jednak pamiętać, że
wraz z zakończeniem bieżącego segmentu,
nastąpi automatyczne dostosowanie nastawy do
poziomu oporu pedałowania przewidzianego dla
kolejnego segmentu.
W trakcie treningu
komputer pomaga
ćwiczącemu utrzymać
tempo pedałowania
zbliżone do wartości
przewidzianej dla
danego segmentu. Pojawienie się napisu
FASTER
oznacza, że powinniśmy zwiększyć tempo. Słowo
SLOWER
sygnalizuje, że tempo powinno być wol-
niejsze. Jeżeli symbol tarczy pulsuje należy starać
się utrzymać bieżący rytm.
WAŻNE: zaprogramowane tempo ma stanowić
wyłącznie element motywujący użytkownika.
Tylko od niego zależy rzeczywisty rytm
treningu, który może być wolniejszy od
przyjętej nastawy. Należy zawsze starać się
ćwiczyć zachowując tempo dostosowane do
naszych możliwości.
Jeżeli ustawienie oporu pedałowania przewidziane
dla bieżącego segmentu jest nadmiernie wysokie
lub zbyt niskie, można je ręcznie zmienić, wciska-
jąc odpowiednio przycisk zwiększenia lub
zmniejszenia wartości. WAŻNE: w momencie
zakończenia danego segmentu programu
następuje automatyczne dostosowanie
nastawy oporu pedałowania do wartości
przewidzianej dla kolejnego segmentu.
Przerwanie pedałowania przez kilkanaście sekund
sygnalizowane jest pulsującym wskazaniem czasu
na wyświetlaczu. Możemy wrócić do programu
kontynuując przerwane ćwiczenie.
Program wykonywany jest aż do momentu pojaw-
ienia się na wyświetlaczu wskazania czasu 0:00.
Jeżeli po jego zakończeniu, użytkownik kontynuuje
ćwiczenie, wciąż będą wyświetlane bieżące para-
metry treningu, z wyjątkiem wskazania czasu,
które pojawi się dopiero po ponownym wyborze
trybu ręcznego lub nowego programu.
4. Możliwość śledzenia parametrów treningu na
wyświetlaczu.
Zob. punkt 4 na stronie 12.
5. Możliwość pomiaru rytmu pracy serca.
Zob. punkt 5 na stronie 12.
6. Po zakończeniu treningu następuje automaty-
czne wyłączenie komputera.
Zob. punkt 6 na stronie 12.

14
OBSŁUGA PROGRAMU STEROWANEGO TĘTNEM
1. Uruchomienie komputera.
Komputer włączamy wciskając dowolny przycisk
lub rozpoczynając pedałowanie. Jednocześnie
następuje uruchomienie wyświetlacza i tym
samym komputer przygotowany jest do użytku.
2. Wybór programu sterowanego tętnem.
Aby wybrać jeden z
dwóch dostępnych
programów
sterowanych tętnem
należy wcisnąć jed-
nokrotnie lub dwukrot-
nie przycisk z symbolem rytmu serca aż wyświet-
lony zostanie żądany program P1 lub P2. Pier-
wsza sekcja wyświetlacza ukazuje czas danego
programu.
3. Wprowadzić docelową wartość rytmu pracy
serca.
Po wyborze pier-
wszego programu
sterowanego tętnem,
na wyświetlaczu
pojawia się
przewidziana
docelowa wartość rytmu pracy serca. Wciskając
przyciski zwiększenia/zmniejszenia wartości może-
my zmienić ustawienie górnej granicy tętna.
Uwaga: zmiana maksymalnej docelowej wartości
rytmu pracy serca pociąga za sobą modyfikację
poziomu intensywności treningu całego programu
Wprzypadku drugiego programu sterowanego
tętnem, na wyświetlaczu pojawia się docelowa
wartość rytmu pracy serca. Możemy zmienić
ustawienie górnej granicy tętna, wciskając przycis-
ki zwiększenia/zmniejszenia wartości. Uwaga: Ta
sama docelowa wartość rytmu pracy serca uży-
wana będzie w odniesieniu do całego
programu
4. Korzystanie z czujnika tętna.
Nie ma potrzeby opierania dłoni przez cały czas
na rączkach czujnika tętna w trakcie programu
sterowania tętnem. Aby zapewnić jednak praw-
idłowe działanie programu należy dość często
powtarzać tę czynność. Każdorazowe przyłoże-
nie dłoni do metalowych płytek kontaktowych
czujnika tętna powinno trwać co najmniej 30
sekund.
5. Aby uruchomić program wystarczy rozpocząć
ćwiczenie.
Pierwszy program sterowany tętnem—
podzielony jest na 30 jednominutowych segmen-
tów. Każdemu segmentowi odpowiada zapro-
gramowane pojedyncze ustawienie rytmu pracy
serca. Uwaga: ta sama wartość docelowego rytmu
serca może być zaprogramowana dla dwóch
następujących po sobie segmentów.
Drugi program sterowany tętnem—ta sama
docelowa wartość rytmu pracy serca zapro-
gramowana jest w odniesieniu do wszystkich seg-
mentów programu.

15
Obydwa programy sterowane tętnem—w czasie
ćwiczeń komputer systematycznie zestawia odczyt
tętna użytkownika z jego wartością docelową.
Jeżeli bieżące wskazanie znacznie odbiega od
przewidzianego, następuje automatyczne zwięk-
szenie lub zmniejszenie oporu pedałowania w celu
dostosowania rytmu pracy serca do ustawienia
docelowego.
Wtrakcie treningu
komputer pomaga
także ćwiczącemu
utrzymać tempo
pedałowania zbliżone
do wartości
przewidzianej dla danego segmentu. Pojawienie się
napisu
FASTER
oznacza, że powinniśmy zwięk-
szyć tempo. Słowo
SLOWER
sygnalizuje, że tempo
powinno być wolniejsze. UWAGA: Jeżeli symbol
tarczy pulsuje należy starać się utrzymać bieżą-
cy rytm.
Jeżeli ustawienie oporu pedałowania przewid-
zianego dla bieżącego segmentu jest nadmiernie
wysokie lub zbyt niskie, można je ręcznie zmienić,
wciskając odpowiednio przycisk zwiększenia/z-
mniejszenia wartości. Należy jednak pamiętać, że
modyfikując opór pedałowania, zmianie ulec może
także docelowy rytm pracy serca.
6. Wyświetlacz umożliwia śledzenie parametrów
treningu.
Zob. punkt 4 na stronie 12.
7. Możliwość pomiaru rytmu pracy serca.
Zob. punkt 5 na stronie 12.
8. Po zakończeniu treningu następuje automaty-
czne wyłączenie komputera.
Zob. punkt 6 na stronie 12.
JAK PODŁĄCZYĆ ODTWARZACZ CD,
MAGNETOWID I KOMPUTER
Aby skorzystać z programu treningowego iFIT.com
na płycie CD, trenażer eliptyczny musi być podłączony
do przenośnego odtwarzacza CD, mini wieży, wieży
stereo lub komputera wyposażonego w odtwarzacz CD.
Zalecenia dotyczące podłączenia powyższych urządzeń
zamieszczono na stronach 15-17. Program treningowy
iFIT.com na kasetach wideo wymaga podłączenia do
trenażera eliptycznego magnetowidu. Zalecenia doty-
czące jego podłączenia znajdują się na stronie 17. Aby
uzyskać dostęp do programu treningowego iFIT.com
bezpośrednio z naszej strony internetowej, trenażer
eliptyczny musi być podłączony do komputera. Informa-
cje na ten temat zamieszczono na stronie 17.
JAK PODŁĄCZYĆ PRZENOŚNY ODTWARZACZ CD
Uwaga: jeżeli odtwarzacz CD posiada osobne gniaz-
da jack wyjściowe (LINE OUT) i słuchawkowe
(PHONES), należy zastosować się do wskazówek
zamieszczonych poniżej w podpunkcie A. W
odniesieniu do odtwarzaczy CD wyposażonych tylko
wjedno gniazdo jack stosuje się procedurę ujętą w
podpunkcie B.
A. Podłączyć dowolny wtyk kabla audio do gniazda
jack znajdującego się w dolnej części komputera,
drugi natomiast do gniazda LINE OUT odtwarzacza
CD. Słuchawki podłączamy do gniazda PHONES
typu jack.
B. Podłączyć dowolny wtyk kabla audio do gniazda
jack znajdującego się w dolnej części komputera,
drugi natomiast do rozgałęźnika, który należy pod-
piąć do gniazda słuchawkowego PHONES typu
jack. Słuchawki podłączamy do drugiego wejścia
rozgałęźnika.
A
LINE OUT
PHONES LINE OUT
PHONES
B
PHONES
PHONES
Kabel
audio
Słuchawki
A
A
LINE OUT
PHONES LINE OUT
PHONES
B
PHONES
PHONES
Kabel
audio Rozgałęźnik
Słuchawki
B

16
JAK PODŁĄCZYĆ PRZENOŚNĄ MINI WIEŻĘ
Uwaga: jeżeli mini wieża posiada gniazdo jack
[AUDIO OUT] typu RCA, należy zastosować się do
wskazówek zamieszczonych poniżej w podpunkcie
A. W odniesieniu do urządzeń wyposażonych tylko
w gniazdo jack linii wyjścia [LINE OUT] 3,5 mm
stosuje się procedurę ujętą w podpunkcie B, nato-
miast do tych, które posiadają wyłącznie gniazdo
słuchawkowe typu jack [PHONES] – zalecenia
przedstawione w podpunkcie C.
A. Podłączyć dowolny wtyk kabla audio do gniazda
jack znajdującego się w dolnej części komputera,
drugi natomiast do przejściówki, którą należy pod-
piąć do gniazda AUDIO OUT typu jack mini wieży.
B. Zgodnie z rysunkiem umieszczonym powyżej,
podłączyć dowolny wtyk kabla audio do gniazda
jack znajdującego się w dolnej części komputera,
drugi natomiast do gniazda LINE OUT typu jack
mini wieży. W tym przypadku nie stosujemy przejś-
ciówki.
C. Podłączyć dowolny wtyk kabla audio do gniazda
jack znajdującego się w dolnej części komputera,
drugi natomiast do rozgałęźnika, który należy pod-
piąć do gniazda słuchawkowego PHONES typu
jack. Słuchawki podłączamy do drugiego wejścia
rozgałęźnika.
JAK PODŁĄCZYĆ WIEŻĘ STEREO
Uwaga: jeżeli wieża dysponuje wolnym gniazdem
jack linii wyjścia [LINE OUT] należy zastosować
się do wskazówek zamieszczonych poniżej w pod-
punkcie A. Jeśli powyższe gniazdo jest używane,
obowiązuje procedura ujęta w podpunkcie B.
A. Podłączyć dowolny wtyk kabla audio do gniazda
jack znajdującego się w dolnej części komputera,
drugi natomiast do przejściówki, którą należy pod-
piąć do gniazda LINE OUT typu jack wieży stereo.
B. Podłączyć dowolny wtyk kabla audio do gniazda
jack znajdującego się w dolnej części komputera,
drugi natomiast do przejściówki, a tę z kolei do
rozgałęźnika RCA (dostępnego w sklepach elek-
tronicznych). Przepiąć przewód z gniazda LINE
OUT typu jack wieży stereo do drugiego wejścia
rozgałęźnika RCA, który należy podłączyć do wol-
nego teraz gniazda LINE OUT.
B
A
CD
VCR
Amp
LINE OUT
LINE OUT
CD
VCR
Amp
LINE OUT
Kabel
audio
A
B
A
CD
VCR
Amp
LINE OUT
LINE OUT
CD
VCR
Amp
LINE OUT
Kabel audio
Rozgałęźnik RCA
Rozgałęźnik
Przewód przepięty z gniaz-
da LINE OUT typu jack
B
Roz-
gałęźnik
A
C
PHONES
LINE OUT
AUDIO OUT
RIGHT
LEFT
B
Kabel
audio Roz-
gałęźnik
A/B
A
C
PHONES
LINE OUT
AUDIO OUT
RIGHT
LEFT
B
Kabel
audio
C
Roz-
gałęźnik
Słuchawki

17
JAK PODŁĄCZYĆ KOMPUTER
Uwaga: jeżeli komputer posiada gniazdo jack
3,5mm linii wyjścia [LINE OUT] należy zastosować
się do wskazówek zamieszczonych poniżej w pod-
punkcie A. Jeśli dysponuje on natomiast
wyłącznie słuchawkowym gniazdem jack
[PHONES], obowiązuje procedura ujęta w pod-
punkcie B,
A. Podłączyć dowolny wtyk kabla audio do gniazda
jack znajdującego się w dolnej części komputera
przyrządu, drugi natomiast do przejściówki, którą
należy podpiąć do gniazda LINE OUT typu jack
komputera.
B. Podłączyć dowolny wtyk kabla audio do gniazda
jack znajdującego się w dolnej części komputera
przyrządu, drugi natomiast do rozgałęźnika, który
należy podpiąć do gniazda słuchawkowego
PHONES typu jack komputera. Słuchawki
podłączamy do drugiego wejścia rozgałęźnika.
JAK PODŁĄCZYĆ MAGNETOWID
Uwaga: Jeżeli magnetowid dysponuje wolnym gni-
azdem [AUDIO OUT] typu jack, należy zastosować
się do wskazówek zamieszczonych poniżej w pod-
punkcie A. Jeśli powyższe gniazdo jest używane,
obowiązuje procedura ujęta w podpunkcie B. W
przypadku telewizora z wbudowanym magnetowi-
dem również należy skorzystać ze wskazówek
przedstawionych w podpunkcie B. Jeżeli magne-
towid podłączony jest do wieży stereo należy
zapoznać się z treścią punktu JAK PODŁĄCZYĆ
WIEŻĘ STEREO na stronie 16.
A. Podłączyć dowolny wtyk kabla audio do gniazda
jack znajdującego się w dolnej części komputera
przyrządu, drugi natomiast do przejściówki, którą
należy podpiąć do gniazda AUDIO OUT typu jack
magnetowidu.
B. Podłączyć dowolny wtyk kabla audio do gniazda
jack znajdującego się w dolnej części komputera,
drugi natomiast do przejściówki, a tę z kolei do
rozgałęźnika RCA (dostępnego w sklepach elek-
tronicznych). Przepiąć przewód z gniazda AUDIO
OUT typu jack magnetowidu do drugiego wejścia
rozgałęźnika, który należy podłączyć do wolnego
teraz gniazda AUDIO OUT.
B
VIDEO AUDIO
ANT. IN
RF OUT
IN
OUT
CH
34
A
AUDIO OUT
RIGHT
LEFT
VIDEO AUDIO
ANT. IN
RF OUT
IN
OUT
CH
34
C
Kabel audio
Roz-
gałęźnik
A
B
VIDEO AUDIO
ANT. IN
RF OUT
IN
OUT
CH
34
A
AUDIO OUT
RIGHT
LEFT
VIDEO AUDIO
ANT. IN
RF OUT
IN
OUT
CH
34
Kabel audio Rozgałęźnik
B
Przewód przepięty z gniazda
AUDIO OUT typu jack
Rozgałęźnik
RCA
A
PHONES
LINE OUT
B
Kabel
audio
A
A
PHONES
LINE OUT
B
Kabel
audio
B
Roz-
gałęźnik
Słuchawki

18
JAK KORZYSTAå Z PROGRAMU TRENING-
OWEGO IFIT.COM NA P¸YCIE CD LUB KASECIE
WIDEO
Aby skorzystać z programu treningowego iFIT.com na
płycie CD lub kasecie wideo, trenażer eliptyczny musi
być podłączony do przenośnego odtwarzacza CD,
mini wieży, wieży stereo, komputera wyposażonego w
odtwarzacz CD lub magnetowid. Wskazówki doty-
czące podłączenia powyższych urządzeń zamieszc-
zono w punkcie JAK PODŁĄCZYĆ ODTWARZACZ
CD, MAGNETOWID I KOMPUTER na stronie 15. Pro-
gram treningowy iFIT.com na płytach CD i kase-
tach wideo można nabyć na naszej stronie interne-
towej: www.iFIT.com.
Zprogramu treningowego iFIT.com na płycie CD lub
kasecie wideo korzystamy w oparciu o poniższą pro-
cedurę.
1. Włączyć komputer trenażera.
Patrz punkt 1 na stronie 12.
2. Wybrać tryb iFIT.com.
Aby wybrać tryb iFIT.com, wciskamy przycisk iFIT.
3. Założyć płytę CD lub kasetę wideo z pro-
gramem treningowym iFIT.com.
Płytę CD lub kasetę wideo z programem iFIT.com
wkładamy odpowiednio do kieszeni odtwarzacza
CD lub magnetowidu.
4. Wcisnąć przycisk Play odtwarzacza CD lub
magnetowidu.
Po wciśnięciu przycisku Play, osobisty trener
prowadzi ćwiczącego przez poszczególne fazy
treningu. Wystarczy wykonywać jego polecenia.
Program działa w bardzo zbliżonej formie do pro-
gramu Smart (patrz punkt 3 na stronie 13). Elek-
troniczny “dzwonek” sygnalizuje bliską zmianę
poziomu oporu i/lub docelowej wartości tempa.
Uwaga: Jeżeli mimo elektronicznego sygnału
„dzwonka” nie nastąpiła zmiana oporu
pedałowania ani/lub docelowej wartości tempa
należy wykonać następujące czynności:
• Upewnić się, że świeci się wskaźnik znajdują-
cy się obok przycisku iFIT.
• Wyregulować głośność odtwarzacza CD lub
magnetowidu. Nadmiernie wysoki lub zbyt
niski poziom głośności może uniemożliwiać
komputerowi prawidłowe wykrywanie sygnału
programu treningowego.
• Sprawdzić, czy kabel audio został prawidłowo
podłączony, a wtyczka mocno wciśnięta do
gniazda.
5. Wyświetlacz umożliwia śledzenie parametrów
treningu.
Patrz punkt 4 na stronie 12.
6. Możliwość pomiaru rytmu pracy serca.
Patrz punkt 5 na stronie 12.
7. Po zakończeniu treningu następuje automaty-
czne wyłączenie komputera.
Patrz punkt 6 na stronie 12.

19
JAK KORZYSTAĆ Z PROGRAMU BEZPO-ŚREDNIO
Z NASZEJ STRONY INTERNET-OWEJ
Istnieje możliwość uzyskania dostępu do programów
treningowych FIT.com bezpośrednio z naszej witryny
internetowej. Aby skorzystać z tej opcji, trenażer elip-
tyczny musi być podłączony do komputera. Informacje
na ten temat zostały zamieszczone w punkcie JAK
PODŁĄCZYĆ KOMPUTER na stronie 17. Ponadto
musimy dysponować odpowiednią instalacją umożli-
wiającą korzystanie z dostępu do Internetu. Wykaz
minimalnych wymagań systemowych znajduje się na
naszej stronie internetowej.
Aby uzyskać dostęp do programu treningowego
bezpośrednio z naszej strony internetowej należy
wykonać poniższe czynności.
1. Włączyć komputer trenażera.
Patrz punkt 1 na stronie 12.
2. Wybrać tryb iFIT.com.
Aby wybrać tryb iFIT.com, wciskamy przycisk iFIT.
3. Podłączyć się do Internetu przy pomocy kom-
putera domowego.
4. Uruchomić przeglądarkę internetową i otworzyć
naszą witrynę www.iFIT.com.
5. Wybrać żądany program, korzystając z
odpowiednich odnośników na naszej stronie.
6. Uruchomić program zgodnie z zamieszczonymi
na stronie internetowej wskazówkami.
Wmomencie włączenia programu, na ekranie
pojawia się wskaźnik odliczania wstępnego.
7. Możemy wrócić do trenażera i rozpocząć
trening.
Działanie programu rozpoczyna się w chwili
zakończenia wstępnego odliczania. Program dzi-
ała w bardzo zbliżonej formie do programu Smart
(patrz punkt 3 na stronie 13). Elektroniczny
“dzwonek” sygnalizuje bliską zmianę poziomu
oporu i/lub docelowej wartości tempa.
8. Wyświetlacz umożliwia śledzenie parametrów
treningu.
Patrz punkt 4 na stronie 12.
9. Możliwość pomiaru rytmu pracy serca.
Patrz punkt 5 na stronie 12.
10. Po zakończeniu treningu następuje automaty-
czne wyłączenie komputera.
Patrz punkt 6 na stronie 12.

20
OPCJONALNY PAS NA KLATKĘ PIERSIOWĄ
Opcjonalny czujnik tętna umieszczony w pasie
zakładanym na klatkę piersiową umożliwia w czasie
treningu wygodny ciągły pomiar rytmu pracy serca
bez użycia rąk. Aby zakupić pas, wystarczy zadz-
wonić na numer telefoniczny zamieszczony na
przedniej okładce.
Należy regularnie kontrolować i dokręcać wszystkie
części trenażera eliptycznego. Wszelkie zużyte elemen-
ty powinny zostać natychmiast wymienione.
Do czyszczenia przyrządu używamy ściereczki lekko
zwilżonej wodą z delikatnym mydłem. WAŻNE: należy
chronić komputer przed działaniem wszelkiego
rodzaju płynów oraz bezpośrednim promienio-
waniem słonecznym. W czasie przechowywania
przyrządu należy usunąć baterie z komputera.
WYMIANA BATERII
Przyćmione światło wyświetlacza wskazuje na wyczer-
panie się baterii. Instrukcje dotyczące ich wymiany
zostały ujęte w punkcie 4 dotyczącym montażu
przyrządu na stronie 7.
USUWANIE USTEREK ZWIĄZANYCH Z
CZUJNIKAMI TĘTNA
• W czasie używania dotykowego czujnika tętna
powinniśmy starać się nie poruszać rękami. Nad-
mierny ruch może spowodować nieprawidłowe
wskazania rytmu pracy serca.
• Aby uzyskać maksymalnie precyzyjne wskazania
rytmu pracy serca zaleca się oparcie dłoni na met-
alowych płytkach kontaktowych przez około 15
sekund.
•Wcelu zapewnienia optymalnego działania
dotykowego czujnika tętna należy utrzymywać
metalowe płytki kontaktowe w stanie należytej
czystości. Do ich czyszczenia stosujemy miękką
szmatkę. Nie należy używać alkoholu, materiałów
ściernych ani żadnych substancji chemicznych.
KONSERWACJA I USUWANIE USTEREK

21
JAK WYREGULOWAĆ ZESTYK MAGNETYCZNY
Wprzypadku stwierdzenia, że na wyświetlaczu pojaw-
iają nieprawidłowe wskazania parametrów treningu,
należy wyregulować zestyk magnetyczny. W tym celu
trzeba najpierw usunąć podstawy pedałów (11),
prawą tarczę (15) i osłony (3, 4). Przed demontażem
podstaw pedałów przeczytać treść punktu 8 na
stronie 9.
Następnie wykręcić cztery śruby (51) i zdjąć prawą
tarczę (15). Wykręcić wszystkie śruby (52, 64) z
prawej osłony (4) oraz dwie śruby (77) znajdujące pod
tarczą, po czym zdjąć prawą osłonę. Wykręcić wszys-
tkie śruby (52) po lewej stronie i zdjąć lewą osłonę
(3).
Zlokalizować na rysunku poniżej zestyk magnety
czny (53). Poluzować, bez usuwania, wskazaną na
nim śrubę M4 x 16 mm (52). Delikatnie odciągnąć lub
zbliżyć zestyk do magnesu (58) koła zamachowego, a
następnie ponownie dokręcić wspomnianą śrubę.
Dokonać obrotu lewej tarczy (15). Powtórzyć
powyższe czynności aż do uzyskania prawidłowych
wskazań parametrów na wyświetlaczu. Po praw-
idłowym ustawieniu zestyku magnetycznego, zamon-
tować osłony (3, 4), prawą tarczę i podstawy pedałów
(11).
JAK WYREGULOWAĆ PASEK NAPĘDU
Jeżeli w cza-
sie treningu
zauważymy,
że pedały śliz-
gają się nawet
przy maksy-
malnej
nastawie
poziomu
oporu, pasek
napędu (19)
wymaga praw-
dopodobnie
regulacji. Przed przystąpieniem do nastawy należy
usunąć obie osłony. Wskazówki na ten temat znajdują
się w punkcie JAK WYREGULOWAĆ ZESTYK
MAGNETYCZNY, umieszczonym w kolumnie obok.
Następnie poluzować śrubę z łbem płaskim M8 x
22mm (68) i dokręcić śrubę M10 x 60mm (62) aż do
uzyskania odpowiedniego naprężenia paska napędu
(19). Po zakończeniu powyższych czynności,
ponownie dokręcić śrubę z łbem płaskim i założyć
osłony.
64
77
51
51
77
52
52
64
64
11
11
415
3
58
53
52
15
68
62 19

22
Następujące zasady pomogą Ci zaplanować program
ćwiczeń. Aby uzyskać więcej informacji na temat
ćwiczeń, prosimy o nabycie stosownej publikacji lub
udanie się po poradę lekarską.
INTENSYWNOŚĆ ĆWICZEŃ
Czy zamierzasz spalać tłuszcz, czy też wzmocnić
układ krążenia, kluczem do osiągnięcia pożądanych
wyników jest stosowanie ćwiczeń gimnastycznych o
odpowiedniej intensywności. Właściwy poziom inten-
sywności można ustalić kierując się rytmem pracy
serca. Poniższa tabela pokazuje zalecane rytmy pracy
serca dla spalania tłuszczu i ćwiczeń aerobowych.
Aby odnaleźć odpowiedni dla Ciebie rytm pracy serca,
najpierw odnajdź swój wiek na dole tabeli (wiek jest
zaokrąglony do dziesięciu lat). Następnie odnajdź trzy
liczby ponad Twoim wiekiem. Te trzy liczby określają
Twoją “strefę treningową”. Dwie niższe liczby to zale-
cane rytmy pracy serca dla spalania tłuszczu; wyższa
liczba to zalecany rytm pracy serca dla ćwiczeń aer-
obowych.
Spalanie tłuszczu— Aby skutecznie spalać tłuszcz,
musisz ćwiczyć na dość niskim poziomie intensywnoś-
ci przez dłuższy okres czasu. Podczas pierwszych
kilku minut ćwiczeń, Twój organizm zużywa łatwo
dostępne kalorie z węglowodanów aby uzyskać
energię. Dopiero po tych pierwszych paru minutach,
Twój organizm zaczyna zużywać kalorie z tłuszczu
aby uzyskać energię. Jeśli Twoim celem jest spalanie
tłuszczu, dostosuj prędkość i pochylnię bieżni tak, aż
Twój rytm pracy serca znajdzie się w okolicach
najniższej liczby Twojej strefy treningowej.
W celu maksymalnego spalania tłuszczu, dostosuj
prędkość i pochylnię bieżni tak, aż Twój rytm pracy
serca znajdzie się w okolicach środkowej liczby Twojej
strefy treningowej.
Ćwiczenia aerobowe—Jeśli Twoim celem jest
wzmocnienie układu krążenia, Twoje ćwiczenia muszą
być “aerobowe”. Ćwiczenia aerobowe to ćwiczenia
wymagające dużych ilości tlenu w dłuższych
odcinkach czasowych. Wzmaga to nakłady serca w
kierunku pompowania krwi do mięsni, i do płuc aby
utleniać krew. Dla ćwiczeń aerobowych, dostosuj
prędkość i pochylnię bieżni tak, aż Twój rytm pracy
serca znajdzie się w okolicach najwyższej liczby Two-
jej strefy treningowej.
ZASADY SESJI ĆWICZEŃ
Każda sesja ćwiczeń powinna składać się z następu-
jących trzech części:
Rozgrzewka–Rozpocznij każdą sesję ćwiczeń od 5
do 10 minut rozciągania i lekkich ćwiczeń. Odpowied-
nia rozgrzewka podwyższa Twoją ciepłotę ciała, rytm
pracy serca i krążenie w przygotowaniu do ćwiczeń.
Ćwiczenia w strefie treningowej–Po rozgrzewce
zwiększ intensywność Twoich ćwiczeń aż Twój rytm
pracy serca znajdzie się w strefie treningowej przez
20 do 30 minut. (Podczas pierwszych kilku tygodni
programu ćwiczeń, nie utrzymuj swego pulsu w strefie
treningowej przez czas dłuższy niż 20 minut). Oddychaj
regularnie i głęboko podczas gimnastyki – nigdy nie
powstrzymuj oddechu.
Ochłonięcie–Zakończ każdą sesję ćwiczeń 5 do 10
minut rozciągania w celu ostudzenia. Zwiększy to elasty-
czność Twoich mięsni i wspomoże zapobieganie proble-
mom po ćwiczeniach.
Częstotliwość ćwiczeń
Aby utrzymać lub poprawić kondycję, przeprowadzaj
trzy sesje ćwiczeń tygodniowo, z co najmniej jednym
dniem przerwy pomiędzy sesjami. Po kilku miesiącach
możesz przeprowadzać do pięciu sesji tygodniowo jeśli
masz ochotę. Kluczem do sukcesu jest uczynienie z
ćwiczeń regularnego i przyjemnego fragmentu Twojego
życia codziennego.
ZASADY PROWADZENIA ĆWICZEŃ
OSTRZEŻENIE: Przed
rozpoczęciem tego lub jakiegokolwiek progra-
mućwiczeń porozum się z lekarzem. Jest to
szczególnie ważne dla osób powyżej 35 roku
życia lub z historią problemów zdrowotnych.
Czujnik tętna nie jest urządzeniem lekarskim.
Różne czynniki, także Twój ruch, mogą mieć
wpływ na dokładność pomiarów rytmu pracy
serca. Czujnik tętna ma służyć jedynie jako
pomoc w ćwiczeniach w zakresie ogólnego
określania zmian rytmu pracy serca.

23
ZALECANE ĆWICZENIA ROZCIĄGAJĄCE
Odpowiedni sposób rozciągania pokazano po prawej stronie.
Poruszaj się wolno podczas rozciągania, nigdy nie podskakuj.
1. Rozciąganie poprzez dotykanie stóp
Stań zginając lekko nogi w kolanach i pochylaj się do stóp.
Rozluźnij ramiona i plecy i spróbuj sięgnąć jak najbliżej stóp.
Policz do 15, potem rozluźnij się. Powtórz ćwiczenie 3 razy.
Ćwiczenia rozciągające: Rozciąganie mięśni ud, kolan i pleców.
2. Rozciąganie mięśni ud
Usiądź z jedna nogą wyprostowaną. Stopę drugiej nogi oprzyj o
wewnętrzną część uda wyprostowanej nogi. Próbuj dosięgnąć do
palców wyprostowanej nogi. Policz do 15, potem rozluźnij się.
Powtórz ćwiczenie 3 razy dla każdej nogi. Ćwiczenia rozciąga-
jące: Rozciąganie mięśni ud, dolnej części pleców i pachwiny.
3. Rozciąganie łydki/mięśni stóp
Jedną nogę wysuń do przodu, pochyl się i oprzyj się o ścianę.
Wyprostuj nogę pozostawioną w tyle i postaw płasko stopę tej
nogi na podłodze. Zegnij nogę wysuniętą do przodu, pochyl się
do przodu i poruszaj biodrami w kierunku ściany. Policz do 15,
potem rozluźnij się. Powtórz ćwiczenie 3 razy dla każdej nogi.
Aby dalej naciągać ścięgna Achillesa, zegnij również nogę
wysuniętą do tyłu. Ćwiczenia rozciągające: Łydki, ścięgna Achille-
sa i kostki.
4. Rozciąganie mięśnia czworogłowego
Jedną ręką oprzyj się o ścianę, by utrzymać równowagę, odchyl
się i złap jedną stopę. Ciągnij stopę i próbuj dosięgnąć do poślad-
ków. Policz do 15, potem rozluźnij się. Powtórz ćwiczenie 3 razy
dla każdej nogi. Ćwiczenia rozciągające: Mięśnie czworogłowe i
mięśnie bioder.
5. Rozciąganie wewnętrznych części ud
Usiądź, łącząc stopy przy zgiętych kolanach. Ciągnij stopy w
kierunku pachwiny, jak najdalej potrafisz. Policz do 15, potem
rozluźnij się. Powtórz ćwiczenie 3 razy. Ćwiczenia rozciągające:
Mięśnie czworogłowe i mięśnie bioder.
1
2
3
4
5

24
UWAGI

25
UWAGI

26
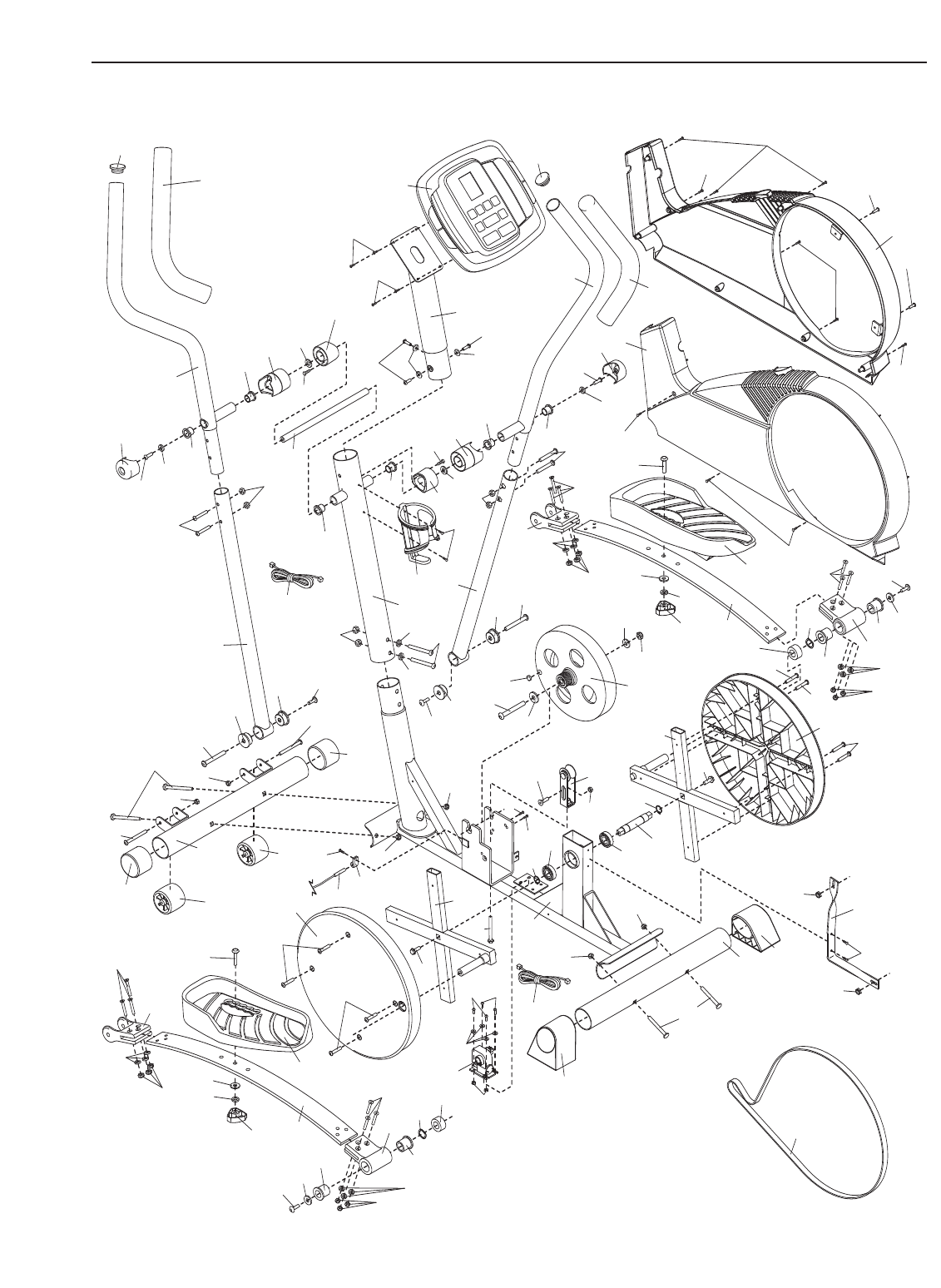
Uwaga: Dane techniczne mogą ulec zmianie bez uprzedzenia. Na tylnej okładce instrukcji obsługi zamieszczono
informacje na temat zamawiania części zamiennych. *oznacza części, które nie zostały ukazane na rysunku.
1 1 Rama
21 Wspornik górny
3 1 Osłona lewostronna
41 Osłona prawostronna
5 2 Ramię rękojeści
6 1 Rękojeść lewa
7 1 Oś przegubu
8 1 Rękojeść prawa
9 1 Podpora stabilizacyjna tylna
10 1 Podpora stabilizacyjna przednia
11 2 Podstawa pedału
12 1 Uchwyt podstawy lewego pedału
13 1 Pedał lewy
14 1 Pedał prawy
15 2 Tarcza
16 2 Poprzeczka tarczy
17 1 Koło zamachowe
18 1 Uchwyt osłony
19 1 Pasek napędu
20 2 Kapturek tylny
21 2 Kapturek przedni
22 2 Kółko transportowe
23 1 Komputer
24 2 Rękojeść
25 1 Koło pasowe luźne
26 2 Śruba M4 x 19mm
27 2 Zaślepka rękojeści
28 2 Śruba z łbem półkulistym
M10 x 74 mm
29 2 M3 x 16mm Śruba
30 2 Pierścień zabezpieczający duży
31 2 Łożysko duże
32 1 Oś pedału
33 9 Nylonowa przeciwnakrętka M10
34 4 M10 x 75mm Śruba z łbem
okrągłym
35 2 Podkładka uchwytu podstawy
pedału
36 12 Śruba z łbem płaskim M6 x 33.5
mm
37 4 Panewka podstawy pedału
38 5 Nylonowa przeciwnakrętka M8
39 1 Podkładka koła zamachowego
40 2 Śruba mocująca M10 x 2 mm
41 2 Śruba M10 x 45mm
42 4 Podkładka M5
43 2 Podkładka falista
44 1 Kabel środkowy
45 1 Silnik sterujący oporem
pedałowania
46 2 Zaślepka rękojeści
47 2 Rozpórka rękojeści
48 2 Rozpórka wspornika
49 6 Panewka rękojeści mała
50 4 M8 x 45mm Śruba z łbem
półkulistym
51 8 M6 x 28mm Śruba
52 11 M4 x 16mm Śruba
53 1 Łącznik/Kabel
54 1 Gniazdo
55 2 Podkładka rękojeści
56 2 M8 x 25mm Śruba mocująca
57 1 Śruba z łbem płaskim M10
58 1 Magnes
59 7 Podkładka dzielona M10
60 4 Panewka ramienia rękojeści duża
61 2 Śruba sześciokątna 5/16" x 25.4mm
62 1 M10 x 60mm Śruba
63 2 Rozpórka podstawy pedału
64 4 M4 x 25mm Śruba
65 1 Uchwyt na butelkę
66 14 Nylonowa przeciwnakrętka M6
67 3 M10 x 25mm Śruba z łbem
półkulistym
68 1 M8 x 22mm Śruba z łbem płaskim
69 2 M5 Nylonowa przeciwnakrętka
70 1 Uchwyt podstawy prawego pedału
71 4 Wkręt samogwintujący M5 x 16mm
72 2 M5 x 16mm Śruba
73 1 Wspornik górny
74 2 Zestaw śrub M10
75 12 Podkładka M6
76 2 Widełki podstawy pedału
77 2 M6 x 18mm Śruba
78 3 Podkładka M10
79 1 Kabel dolny
80 2 M10 x 30mm Śruba z łbem
okrągłym
81 2 Gałka pedału
82 2 M5 x 14mm Wkręt samogwintujący
83 2 23mm Podkładka falista
* - Klucz imbusowy
*- Smar
* - Instrukcja obsługi
Nr ref. Ilość Opis Nr ref. Ilość Opis
WYKAZ CZĘŚCI—Nr Modelu PFEVEL93407.0 R0907A

27
61
30
32
31
30
31
24
8
4
3
50
5
38
44
45
6
46
5
60
17
2
10
33
14
12
35
18
19
1
33
13
37
11
51
51
51
15
51
51
34
9
33
33 20
20
16
61
54
52
53
38
25
68
62
55
56 38
50
48
47
49
24
56
55
57
39
33
58
22
41
21
33
41
21
22
37
33
34
81
59
80
81
59
80
60
60
60
23
52
52
64
52
77
52 77
64
37
37
49
48
47
49
49
46
11
16
71
35
70
75
66
36 40
63
40 75
66
63
36
67
59
59
67
73
36
66
75
36
66
75
76
76 71
74
74
74
74
79
15
66
66
72
42
78
82
82
69
27 27
29
29
7
26
52
52
43
65
49
49
28
33 59
59
78
78
43
83
83
WIDOK ROZSTRZELONY—Nr Modelu PFEVEL93407.0 R0907A

Nr części 258758 R0907A Wydrukowano w Chinach © 2007 ICON IP, Inc.
ZAMAWIANIE CZĘŚCI ZAMIENNYCH
Aby zamówić części zamienne, spójrz na pierwszą stronę okładki niniejszego podręcznika. Aby pomóc nam w
rozwiązaniu Twego problemu, prosimy abyś był gotów podać następujące dane gdy się z nami skontaktujesz:
• numer modelu oraz numer seryjny produktu (spójrz na pierwszą stronę okładki niniejszego podręcznika)
•nazwę produktu (podana na pierwszej stronie okładki niniejszego podręcznika)
• numer kluczowy oraz opis części (por. LISTA CZĘŚCI oraz WIDOK ROZSTRZELONY pod koniec niniejszego
podręcznika)