Proform Pfevex17010 920 S Ekg Bike Users Manual
2015-04-14
: Proform Proform-Pfevex17010-920-S-Ekg-Bike-Users-Manual-700701 proform-pfevex17010-920-s-ekg-bike-users-manual-700701 proform pdf
Open the PDF directly: View PDF
.
Page Count: 16

BEDIENUNGSANLEITUNG
ACHTUNG
Lesen Sie bitte aufmerksam alle
Hinweise und Anleitungen, bevor
Sie dieses Gerät in Betrieb neh-
men. Heben Sie diese Anleitung
für eventuellen späteren
Gebrauch auf.
Aufleber
mit Serien-
Nr.
Modell-Nr. PFEVEX17010
Serien-Nr.
www.proform.com
Unsere Website:
FRAGEN?
Als Hersteller verpflichten wir
uns zur kompletten Zufrieden-
stellung unserer Kunden. Falls
Sie irgendwelche Fragen
haben oder falls Teile fehlen,
rufen Sie bitte an.
01805 231 244
Unsere Bürozeiten sind von
9.00 bis 18.00 Uhr.
Fitness Produkt—Klasse: HC

2
INHALTSVERZEICHNIS
WICHTIGE VORSICHTSMAßNAHMEN . . . . . . . . . . . . . . . . . . . . . . . . . . . . . . . . . . . . . . . . . . . . . . . . . . . . . .2
BEVOR SIE ANFANGEN . . . . . . . . . . . . . . . . . . . . . . . . . . . . . . . . . . . . . . . . . . . . . . . . . . . . . . . . . . . . . . . . .3
MONTAGE . . . . . . . . . . . . . . . . . . . . . . . . . . . . . . . . . . . . . . . . . . . . . . . . . . . . . . . . . . . . . . . . . . . . . . . . . . . .4
BENUTZUNG DES HEIMFAHRRADS . . . . . . . . . . . . . . . . . . . . . . . . . . . . . . . . . . . . . . . . . . . . . . . . . . . . . . .8
WARTUNG UND FEHLERSUCHE . . . . . . . . . . . . . . . . . . . . . . . . . . . . . . . . . . . . . . . . . . . . . . . . . . . . . . . . .12
TRAININGSRICHTLINIEN . . . . . . . . . . . . . . . . . . . . . . . . . . . . . . . . . . . . . . . . . . . . . . . . . . . . . . . . . . . . . . .13
TEILELISTE . . . . . . . . . . . . . . . . . . . . . . . . . . . . . . . . . . . . . . . . . . . . . . . . . . . . . . . . . . . . . . . . . . . . . . . . . .14
DETAILZEICHNUNG . . . . . . . . . . . . . . . . . . . . . . . . . . . . . . . . . . . . . . . . . . . . . . . . . . . . . . . . . . . . . . . . . . .15
BESTELLUNG VON ERSATZTEILEN . . . . . . . . . . . . . . . . . . . . . . . . . . . . . . . . . . . . . . . . . . . . . . . . .Rückseite
1. Lesen Sie bitte aufmerksam alle Anleitungen,
bevor Sie dieses Gerät in Betrieb nehmen.
2. Der Eigentümer dieses Gerätes ist dafür ver-
antwortlich, dass alle Benutzer des Heimfahr-
rads hinreichend über alle Vorsichtsmaßnah-
men informiert sind. Verwenden Sie Ihr Heim-
fahrrad nur so, wie es in dieser Anleitung
beschrieben wird.
3. Benutzen Sie das Heimfahrrad im Haus und
halten Sie es vor Feuchtigkeit und Staub
geschützt. Benutzen Sie das Heimfahrrad nur
auf ebenem Fußboden, der mit einer
Unterlage abgeschützt ist.
4. Überprüfen und ziehen Sie alle Einzelteile
regelmäßig an. Defekte oder abgenutzte Teile
müssen sofort ausgetauscht werden.
5. Kinder unter 12 Jahren und Haustiere müssen
jederzeit vom Heimfahrrad entfernt gehalten
werden.
6. Tragen Sie angemessene Kleidung während
Sie trainieren; tragen Sie keine zu lose
Kleidung, die sich im Heimfahrrad verfangen
könnte. Zum Schutz Ihrer Füße sollten Sie
immer Sportschuhe tragen.
7. Das Heimfahrrad sollte nur von Personen
unter 115 kg Körpergewicht benutzt werden.
8. Halten Sie Ihren Rücken immer gerade, wenn
Sie auf dem Heimfahrrad trainieren; krümmen
Sie Ihren Rücken nicht.
9. Sollten Sie jemals Schmerz fühlen oder
schwindelig werden während Sie trainieren,
hören Sie sofort damit auf und kühlen Sie ab.
10.Das Trainingsfahrrad hat kein Freilaufrad; die
Pedale werden sich weiterhin bewegen bis
das Schwungrad stoppt.
11. Der Pulssensor ist kein medizinisches Instru-
ment. Verschiedene Faktoren, einschließlich
der Bewegungen des Benutzers während des
Trainings, können die Pulsfrequenz verän-
dern. Der Pulssensor soll Ihnen nur als
Trainingshilfe dienen, indem er Ihnen Ihren
durchschnittlichen Pulsfrequenz angibt.
12.Das Heimfahrrad ist nur für den Hausge-
brauch vorgesehen. Verwenden Sie es nicht
im kommerziellem, verpachtetem oder institu-
tionellem Rahmen.
ACHTUNG: Bevor Sie mit diesem oder irgendeinem anderen Trainingsprogramm begin-
nen, konsultieren Sie bitte zunächst Ihren Arzt. Dies ist besonders wichtig für diejenigen Personen,
die über 35 Jahre alt sind oder gesundheitliche Probleme haben oder hatten. Lesen Sie alle Hinweise
bevor Sie Ihr neues Gerät benutzen. AICON übernimmt keine Haftung für Personen- oder
Sachschäden, die durch die Benutzung dieses Gerätes entstehen könnten.
WICHTIGE VORSICHTSMAßNAHMEN
WARNUNG: Um ernstliche Unfälle zu vermeiden, lesen Sie bitte die folgenden wichti-
gen Vorsichtsmaßnahmen bevor Sie den Heimfahrrads in Benutzung nehmen.

3
Wir gratulieren Ihnen zur Auswahl des neuen PRO-
FORM 920 S EKG Heimfahrrads. Fahrradfahren ist
eine der effektivsten Übungen um das Herz-Kreis-
laufsystem zu verbessern, um die Ausdauer zu er-
höhen und um den ganzen Körper zu trainieren. Das
PROFORM 920 S EKG Fahrrad bietet eine beein-
druckende Vielfalt von Merkmalen an, damit Sie dies-
es gesunde Training in Ihrem Privatleben und somit
Ihres Heims genießen können.
Zu Ihrem eigenen Vorteil, lesen Sie bitte diese
Bedienungsanleitung genauestens durch bevor
Sie Ihr Heimfahrrad in Verwendung nehmen.
Sollten Sie noch irgendwelche Fragen oder Probleme
haben, setzen Sie sich bitte mit unserem Kundendienst
unter der Service-Telefon-Nr. 01805 231 244 in Verbin-
dung. Halten Sie bitte vor Ihrem Anruf die Modell- und
die Serien-Nummer Ihres Gerätes bereit. Die Modell-
Nummer ist PFEVEX17010. Die Serien-Nummer kön-
nen Sie auf einem Aufkleber am Heimfahrrad finden
(sehen Sie Vorderseite dieser Bedienungsanleitung).
Bevor Sie nun weiterlesen, werfen Sie bitte zunächst
einen Blick auf die untenstehende Zeichnung und
machen Sie sich mit den gekennzeichneten Einzeltei-
len vertraut.
Wasserflaschenhalter*
*Wasserflasche
nicht beigelegt.
Handgriff-Pulssensor
RÜCKSEITE
VORDERSEITE
Sattel
Verstell-Knopf Verstell-Knopf
Pedal/-riemen
Rad
Computer
Buchablage
Haltestange
Verstell-Knopf
LINKE SEITE
BEVOR SIE ANFANGEN

4
MONTAGE
Zur Montage braucht man zwei Personen. Legen Sie alle Teile des Heimfahrrads auf einer dafür freigemach-
ten Fläche aus und entfernen Sie alle Verpackungsmaterialien. Werfen Sie diese jedoch erst weg, wenn die
Montage komplett fertiggestellt ist.
Zur Montage braucht man einen Kreuzschraubenzieher , und eine verstellbare
Schraubenschlüs-sel .
Dieses Diagramm hilft Ihnen bei der Identifizierung der kleinen Montageteile. Die Zahl in Klammer, die unter
jedem Teil zu finden ist, ist die Bestell-Nr. des Teiles, welches Sie in der TEILELISTE auf Seite 14 finden. Die
zweite Zahl bezieht sich auf die Menge der Teile, die zum Montieren nötig sind. Einige kleine Teile wurden
möglicherweise zur Erleichterung des Transportes schon vorher an größeren Teilen angebracht. Sollten
Sie ein Teil nicht sofort finden, überprüfen Sie bitte, ob es nicht schon an einem anderen Teil angebracht
worden ist.
M10 x 112mm Einsteckbolzen (65)–4
M10 x 27mm
knopfförmige Schraube
(51)–3
M6 x 25.4mm
Kuopfförmige Schraube
(33)-1
M4 x 16mm
Schraube (66)–1
M8 Nylon-
Verschlussmutter
(10)–4
Schwarze M10
Nylon-
Verschlussmutter
(63)–4
M8 geschlitze
Unterlegscheibe
(70)–4
Schwarze M10 geschlitze
Unterlegscheibe
(50)–3

5
1. Finden Sie den vorderen Stabilisator (2), mit den
Rädern (30). Während eine andere Person den vorde-
ren Teil des Rahmens (1) hoch hebt, befestigen Sie
den vorderen Stabilisator mit zwei M10 x 112mm
Einsteckbolzen (65) und zwei schwarze M10 Nylon-
Verschlussmutter (63) am Rahmen. Achten Sie dar-
auf, dass der vordere Stabilisator so gedreht ist,
dass die Räder den Boden nicht berühren.
2
63
30
30
65
1
1
2. Während eine andere Person den hinteren Teil des
Rahmens (1) hoch hebt, befestigen Sie den hinteren
Stabilisator (3) mit zwei M10 x 112mm Einsteckbolzen
(65) und zwei schwarze M10 Nylon-Verschlussmutter
(63) am Rahmen.
65
3
1
3
13
28
36
Schlitz
35
33
1
3. Während eine andere Person den Pfosten (13) in der
gezeigten Position hält, verbinden Sie den oberen
Drahthalter (36) mit dem niederen Drahthalter (35).
Ziehen Sie vorsichtig das obere Ende des oberen
Drahthalters, so dass sich keine Schlaffheit im
Drahthalter befindet; achten Sie darauf, dass die
Verbindung an der angedenteten Stange nicht auf-
hänst.
Drehen Sie den angezeigten Verstellknopf (28) zwei oder
drei Umdrehungen gegen den Uhrzeigersinn um ihn zu
lockern. Dann ziehen Sie den Knopf, führen den Pfosten
(13) in den Rahmen (1) ein, und lassen den Knopf wie-
der los. Achten Sie aber darauf, dass Sie die Draht-
halter (35, 36) nicht einklemmen. Schieben Sie den
Pfosten leicht hoch und runter bis der Stift am Knopf
in eines der Löcher am Pfosten einschnappt. Dann
drehen Sie den Knopf im Uhrzeigersinn bis er fest sitzt.
Ziehen Sie die M6 x 25.4mm knopfförmige Schraube
(33) in den Rahmen (1) ein, im Schlitz an der Seite des
Pfostens (13) fest.
263
63
4. Der Computer (16) braucht vier 1,5 V “D”-Batterien
(nicht in der Packung enthalten); alkalische Batterien
sind empfohlen. Drucken Sie die Lasche an der Batter-
iendeckung und heben die Batteriendeckung hoch.
Legen Sie zuerst vier Batterien auf der
Batteriengehäuses ein. Achten Sie darauf, dass die
Batterien zeichnungsgemäß im Batteriengehäuse
ausgerichtet sind. Schließen Sie wieder die
Batteriendeckung. 16
Lasche
Batterien
Batterien-
deckung
4
Stange
Achten Sie darauf,
dass Sie die
Drahthalter nicht
einklemmen.

6
6. Während eine andere Person den Computer (16) in
der gezeigten Position hält, verbinden Sie den Draht-
halter am Computer mit dem oberen Drahthalter (36).
Führen Sie den zusätzlichen Drahthalter in den
Pfosten (13) ein.
Befestigen Sie den Computer (16) mit drei M10 x
27mm knopfförmige Schraube (51) und drei schwarze
M10 geschlitze Unterlegscheibe (50) am Pfosten (13).
Achten Sie darauf, dass Sie die Drahthalter nicht
einklemmen.
7. Drehen Sie den angezeigten Verstellknopf (28) zwei
oder drei Umdrehungen gegen den Uhrzeigersinn um
ihn zu lockern. Dann ziehen Sie den Knopf, führen den
Sattelpfosten (5) in den Rahmen (1) ein, und lassen Sie
den Knopf wieder los. Schieben Sie den Sattel-Pfos-
ten leicht hoch und runter bis der Stift am Knopf in
eines der Löcher am Sattel-Pfosten einschnappt.
Dann drehen Sie den Knopf im Uhrzeigersinn bis er fest
sitzt.
8. Befestigen Sie den Sattel (12) an den Sitz-Klammer
(6) mit vier M8 Nylon-Verschlussmuttern (10) und vier
M8 geschlitzten Unterlegscheiben (70). Anmerkung:
Die Nylon-Verschlussmuttern und geschlitzte
Unterlegscheiben können eventuell schon an der
Unterseite des Sattel angebracht worden sein.
Drehen Sie den Sattel-Verstellknopf (9) zwei oder drei
Umdrehungen gegen den Uhrzeigersinn um ihn zu
lockern. Dann ziehen Sie den Knopf, führen den Sat-
tel-Klammer (6) in den Sattel-Pfosten (5), ein, und las-
sen den Knopf wieder los. Schieben Sie die Sattel-
Klammer vorwärts und rückwärts bis der Stift am
Knopf in eines der Löcher am Pfosten einschnappt.
Dann drehen Sie den Knopf im Uhrzeiger-sinn bis er
fest sitzt.
1
5
28
5. Verbinden Sie den Drahthalter am Handgriff-Pulssen-
sor (15) mit dem angezeigten Drahthalter am Com-
puter (16). Führen Sie beide Drahthalter in die Öffnung
unten im Computer ein. Dann führen Sie das
Metallrohr am Handgriff-Pulssensor in die Öffnung
unten am Computer ein. Achten Sie darauf, dass Sie
nicht die Drahthalter einklemmen.
Beziehen Sie sich auf die eingesetzte Zeichnung.
Ziehen Sie eine M4 x 16mm Schraube (66) in der
angezeigten Klammer am Computer (16) und in der
Metallröhre am Handgriff-Pulssensor (15) fest.
Drüken Sie den Buchhalter in den Computer (16) ein,
so dass er fest einschnappt, wie gezeigt. 15
16
5
7
5
10
70
6
12
70
10
9
8
Metallröhre
15
16
66
Klammer
6
16
36 51
51
13
Drahthalter
50
50
51
Achten Sie
darauf, dass
Sie die
Drahthalter
nicht ein-
klemmen.
Buchablage

9. Suchen Sie das linke Pedal (24). Zur Identifikation ist es
mit einem “L” versehen. Mit einem verstellbaren Schrau-
benschlüssel drehen Sie das Linke Pedal gegen den
Uhrzeigersinn in den linken Kurbel-Arm (42) fest. Drehen
Sie das Rechte Pedal (nicht abgebildet) im Uhrzeigersinn
in den rechten Kurbel-Arm auf die gleiche Weise.
Wichtig: Befestigen Sie die Pedale so fest wie mög-
lich. Nachdem Sie das Heimfahrrad eine Woche lang
in Betrieb genommen haben, befestigen Sie die
Pedale wieder. Zur besten Leistung, müssen die
Pedale fest befestigt sein.
Verstellen Sie den linken Pedalriemen (25) in die
gewünschte Position und drücken das Ende des
Pedalriemens auf das Haltestück am linken Pedal (24).
Verstellen Sie den rechten Pedalriemen (nicht gezeigt) auf die gleiche Weise.
7
10. Versichern Sie sich, dass alle Teile fest angezogen sind, bevor Sie das Heimfahrrad benutzen.
Anmerkung: Einige Teile könnten übrig bleiben, nachdem der Aufbau fertig ist. Um Ihren Boden vor Schäden
zu schützen, legen Sie eine Unterlage unter das Heimfahrrad.
9
24
42
25
Haltestücke

8
BENUTZUNG DES HEIMFAHRRADS
DEN SATTELPFOSTEN VERSTELLEN
Für ein effektives
Training sollte den
Sattel in der richti-
gen Höhe ange-
bracht sein. Beim
Betätigen der
Pedale, sollten Ihre
Knie leicht gebeugt
sein, wenn sich die
Pedale in der nied-
rigsten Position
befinden. Um die
Höhe des Sattels zu verstellen drehen Sie zuerst den
angezeigten Knopf zwei oder drei Umdrehungen
gegen den Uhrzeigersinn um ihn zu lockern (wenn der
Knopf nicht locker genug ist, könnte er den Sattelpfos-
ten zerkratzen). Dann ziehen Sie den Knopf, schieben
Sie den Sattelpfosten zur gewünschte Höhe und las-
sen Sie den Knopf wieder los. Schieben Sie den
Sattelpfosten leicht hoch und runter bis der Stift
am Knopf in eines der Löcher am Sattelpfosten
einschnappt. Dann drehen Sie den Knopf im
Uhrzeigersinn bis er fest sitzt.
DEN SATTEL VERSTELLEN
Der Sattel kann zu
einer Position, die
für Sie am ange-
nehmsten ist, ver-
stellt werden. Um
die Höhe des
Sattels zu verstel-
len drehen Sie
zuerst den ange-
zeigten Knopf zwei
oder drei Umdreh-
ungen gegen den
Uhrzeigersinn um ihn zu lockern (wenn der Knopf
nicht locker genug ist, könnte er den Sitz-Klammer).
Dann ziehen Sie den Knopf, schieben Sie den Sattel
zur gewünschte Höhe und lassen Sie den wieder
Knopf los. Schieben Sie die Sattel-Klammer vor-
wärts und rückwärts bis der Stift am Knopf in
eines der Löcher am Sattel-Klammer einschnappt.
Dann drehen Sie den Knopf im Uhrzeigersinn bis er
fest sitzt.
DEN PFOSTEN VERSTELLEN
Der Pfosten kann
zu einer Höhe, die
für Sie am ange-
nehmsten ist, ver-
stellt werden. Um
die Höhe des Pfos-
ten zu verstellen
drehen Sie zuerst
den angezeigten
Knopf zwei oder
drei Umdrehungen
gegen den Uhrzei-
gersinn um ihn zu
lockern (wenn der
Knopf nicht locker
genug ist, könnte er
den Pfosten zerkrat-
zen). Dann ziehen Sie den Knopf, schieben Sie den
Pfosten zur gewünschte Höhe und lassen Sie den
Knopf wieder los. Schieben Sie den Pfosten leicht
hoch und runter bis der Stift am Knopf in eines der
Löcher am Pfosten einschnappt. Dann drehen Sie
den Knopf im Uhrzeigersinn bis er fest sitzt.
DIE PEDALRIEMEN VERSTELLEN
Um die Pedalrie-
men zu verstellen
ziehen Sie zuerst
die Riemen von den
Haltestücken an
den Pedalen ab.
Verstellen Sie die
Riemen zur
gewünschten
Position und
drücken die Enden der Riemen wieder auf die
Haltestücke.
Pedal-
riemen
Haltestücke
Pfosten
Knopf
Sattel-
pfosten
Knopf
Sattel
Sitz-
Klammer
Sattel
Knopf

COMPUTERMERKMALE
Der leicht Grauchbare bietet eine Vielfalt von Merkmal-
en an, um Ihr Training angenehmer und effektiver zu
gestalten. Wenn der manuelle Modus am Computer
gewählt worden ist, kann der Widerstand des Heimfahr-
rads mit einem Knopfdrücken verstellt werden. Während
Sie trainieren, wird der Computer fortlaufend Trainings-
informationen anzeigen. Sie können sogar Ihre Pulsfre-
quenz mit dem eingebauten Handgriff-Pulssensor mes-
sen. Der Computer bietet auch vier anerkannte persönli-
che Trainer-Programme an. Jedes Programm kontrolliert
automatisch der Widerstand des Heimfahrrads wenn es
Sie durch ein effektives Workout führt.
BESCHREIBUNG DES COMPUTERS
Beziehen Sie sich auf die Zeichnung oben.
A. Display—Dieses Display bietet sieben Modi an, die
Ihre gegenwärtige Geschwindigkeit, die vergangene
Zeit (oder die übrig bleibende Zeit in einem persön-
liche Trainer-Programme), die von Ihnen gelaufene
Distanz, die gegenwärtige Widerstandsstufe, die
ungefähre Anzahl der von Ihnen verbrannten Kal-
orien, und Fett-Kalorien ( siehe Fettabbau auf Seite
13) und Ihre Pulsfrequenz (wenn Sie den Handgriff-
Pulssensor benutzen).
Anmerkung: Der Computer kann die Geschwin-
digkeit und Distanz entweder in Meilen oder
Kilometer anzeigen. Um die Maßeinheit zu
ändern, drucken Sie die An-/Wiedereinstelltaste
sechs Sekunden lang andauernd herunter. Die
Modi-Indikatoren (siehe B, am Rechten) werden
die ausgewählte Maßeinheit anzeigen. Wenn die
Batterien ersetzt werden, muss es eventuell not-
wendig sein die gewünschte Maßeinheit wieder
auszuwählen.
B. Display-Modus-Indikatoren—Diese Indikatoren zei-
gen an welcher Display-Modus gegenwärtig ange-
zeigt wird (Scan [Scan], Geschwindigkeit [MPH
oder Km’H], Zeit [Time], Distanz [Miles oder Kms),
Wiederstandsstufe [Resistance Level], Kalorien
[Calories], Fett-Kalorien [Fat Cals.], oder
Pulsfrequenz [Heart Rate]).
C. Programm-Profile—Diese Profile zeigen wie sich
der Widerstandskraft und das Tempo des Heim-
fahrrads während einem persönliche Trainer-Pro-
gramme.
D. An-/Wiedereinstelltaste—Wenn der Computer nicht
eingestellt ist, drucken Sie auf diese Taste um das
Display einzustellen. Wenn der Computer schon
eingestellt wurde, drucken Sie auf diese Taste um
das Display wieder einzustellen. Diese Taste kann
auch die Maßeinheit ändern (siehe A).
E. Display-Modus-Taste—Diese Taste wird benutzt um
die Display-Modi auszuwählen. Die Modi werden in
folgender Reihenfolge ausgewählt: Scan, Gesch-
windigkeit, Zeit, Distanz, Widerstandsstufe, Kalo-
rien, Fett-Kalorien und Pulsfrequenz (wenn der
Handgriff-Pulssensor benutzt wird).
F. + und –Tasten—Diese Tasten kontrollieren den
Widerstand des Heimfahrrads.
G. Programmtaste—Diese Taste wird benutzt um den
manuellen Modus, und die persönliche Trainer-
Programme.
H. Achtung—Sehen auf Seite 2.
DE
F
G
H
A B C
Anmerkung: Falls sich eine
dünne, klare Schicht Plastik
auf der Oberfläche des
Computers befindet, entfer-
nen Sie diese.

10
Schalten Sie den Computer ein.
Anmerkung: Der Computer braucht vier 1,5 V “D”-
Batterien (nicht beigelegt). Falls Sie Batterien noch
nicht eingelegt haben, beziehen Sie sich auf Schritt
4 auf Seite 5 und installieren Sie die Batterien.
Um den Computer einzustellen, drucken Sie auf
die An-/Wiedereinstelltaste oder fangen Sie an zu
fahren.
SWählen Sie den manuellen Modus.
Jedes Mal wenn der Computer eingestellt ist,
wird der manuelle Modus ausgewählt. Wenn ein
persönliche Trainer-Programme, Wenn ein per-
sönlicher Trainer-Programm ausgewählt worden
ist, können Sie den manuellen Modus auswählen,
indem Sie andauernd auf die Programmtaste
drücken bis ein "P 4" im Display erscheint, dann
drücken Sie noch einmal auf die Taste.
Beginnen Sie mit Ihrem Training und verstellen
Sie den Widerstand des Heimfahrrads.
Während Sie trainieren, verstellen Sie den Wider-
stand des Heimfahrrads nach Wünsch, indem Sie
auf die + und – Tasten drucken. Es gibt zehn
Widerstandsstufen; Stufe zehn ist die schwierig-
ste. Anmerkung: Nachdem die Tasten gedruckt
worden sind, dauert es ein paar Sekunden um
die ausgewählte Einstellung zu erhalten.
Folgen Sie Ihren Fortschritt mit dem Display.
Wenn der
Computer ein-
gestellt ist, wird
der Scan-
Modus ausge-
wählt. Während
Sie trainieren
wird das Display Ihre gegenwärtige Geschwindig-
keit, die abgelaufene Zeit, gefahrene Distanz, die
ungefähre Anzahl der von Ihnen verbrannten
Kalorien Fett-Kalorien (siehe Fettabban auf Seite
13). Zusätzlich wird Ihre Pulsfrequenz angezeigt,
wenn Sie den Handgriff-Pulssensor benutzen
(siehe Schritt 5, am Rechten. Das Display wird sich
alle sechs Sekunden von einem Modus zum
andern wechseln. Anmerkung: Jedes Mal wenn
sich die Widerstandsstufe ändert, wird der
Computer die Widerstandsstufe sechs Sekunden
lang anzeigen. Wenn ein persönliche Trainer-
Programme ausgewählt worden ist, wird das
Display die übrigbleibende Zeit im Programm
anstatt die vergangene Zeit anzeigen.
Wenn erwünscht, können Sie einen einzelnen
Modus für ein
fortlaufendes
Display aus-
wählen. Drucken
Sie andauernd
auf die Display-
Modus-Taste bis nur “MPH” (oder “Km/H”), “Time”,
“Miles” (oder “Kms”), “Resist.”, “Cals.” oder “Fat
Cals.” im Display erscheint. Achten Sie darauf,
dass der Scan-Indikator nicht erscheint.
Messen Sie nach Wünsch Ihre Pulsfrequenz.
Anmerkung: Falls sich dünne Plastikfolie auf
den Metallkontakten des Handgriff-Pulssen-
sors befinden, entfernen Sie diese.
Um den Pulssensor zu benutzen, legen Sie Ihre
Hände auf die
Metall-kontakte.
Ihre Handflächen
müssen auf den
oberem Kontak-
ten ausruhen,
und Ihre Finger
müssen die
unteren
Kontakten berühren. Versuchen Sie Ihre Hände
nicht zu bewegen. Wenn Ihr Puls festgestellt wer-
den kann, wird der herzförmige Indikator unter
dem rechten Display jedes Mal aufleuchten, wenn
Ihr Herz schlägt. Nach einigen Sekunden werden
zwei Striche (– –) auf dem Display erscheinen
und Ihre Pulsfrequenz wird angezeigt.
Für die genaueste Ablesung Ihrer Pulsfrequenz,
lassen Sie Ihre Hände noch ungefähr 15 Sekun-
den auf den Kontakten liegen. Anmerkung: Wenn
Sie zuerst die Handgriffe halten, wird das Display
Ihre Pulsfrequenz 15 Sekunden lang andauernd
anzeigen. Das Display wird dann Ihre Pulsfre-
quenz mit den anderen Feedback-Modi anzeigen.
Wenn Sie Ihr Training beenden, wird der Com-
puter nach einigen Minuten automatisch aus-
schalten.
Wenn die Pedale nicht bewegt werden und die
Computerknöpfe einige Minuten lang nicht
gedruckt werden, wird sich der Computer auto-
matisch ausstellen, um die Batterien zu kon-
servieren.
6
5
4
3
2
1
BENUTZUNG DES MANUELLEN MODUS
Metallkon-
takte

11
Schalten Sie den Computer ein.
Beziehen Sie sich auf Schritt 1 auf Seite 10.
Wählen Sie eines der vier computergesteuer-
ten Programme.
Jedes Mal wenn
der Computer
eingeschaltet
wird, wird der
manuelle Modus
ausgewählt. Um
ein computerge-
steuertes persönliche Trainer-Programme,
drücken Sie andauernd auf die Programmtaste
bis die Zahl P1, P2, P3, oder P4 in der oberen
rechten Ecke im Display erscheint
Die vier Profile auf der rechten Seite des
Computers zeigen an wie sich der Widerstand
des Heimfahrrads während des persönlicher
Trainer-Programms ändern wird. Zum Beispiel
zeigt Profilnr. 3 an, dass sich der Widerstand
abwechselnd erhöhen und reduzieren wird
während Programm 3.
Fangen Sie mit dem Programm an.
Um mit dem Programm zu beginnen, fangen Sie
einfach an zu trainieren. Jedespersönliche
Trainer-Programme hat zwanzig, eine Minute
lange Abschnitte. Eine Widerstandsstufe sind für
jeden Abschnitt programmiert. (Die selbe
Widerstandseinstellung können für fortlaufende
Abschnitte programmiert werden.)
Während des Programms wird sich der Wider-
stand des Heimfahrrads automatisch ändern und
durch das zutreffende Profil am Computer ange-
zeigt. Wenn die gegenwärtige Widerstandsstufe zu
hoch oder zu niedrig ist, können Sie die Wider-
standsstufe ändern, indem Sie auf die + oder –
Tasten drucken. Wenn jedoch der gegenwärtige
Abschnitt des Programms beendet ist, wird sich
die Widerstandsstufe automatisch ändern wenn
eine andere Widerstandseinstellung für den näch-
sten Abschnitt programmiert worden ist.
Während des Programms wird das Display die
übrigbleibende Zeit im Programm anzeigen.
Wenn Sie Ihr Training fortsetzen nachdem das
Programm fertig ist, wird das Display weiterhin Ihr
Training-Feedback anzeigen.
Folgen Sie Ihren Fortschritt mit den Feedback-
Modi.
Beziehen Sie sich auf Schritt 4 auf Seite 10.
Messen Sie nach Wünsch Ihre Pulsfrequenz.
Sehen Sie Schritt 5 auf Seite 10.
Wenn Sie Ihr Training beenden, wird der Com-
puter nach einigen Minuten automatisch aus-
schalten.
Beziehen Sie sich auf Schritt 6 auf Seite 12.
6
5
4
3
2
1
BENUTZUNG EINES PERSÖNLICHE TRAINER-
PROGRAMME

12
Überprüfen Sie alle Einzelteile und ziehen Sie die Teile
regelmäßig nach. Abgenutzte Teile müssen sofort aus-
getauscht werden.
Um das Heimfahrrad zu putzen, verwenden Sie ein
feuchtes Tuch und eine kleine Menge milde Seife.
Wichtig: Um Schaden am Computer zu vermeiden,
halten Sie Flüssigkeiten und direktes Sonnenlicht
vom Computer fern.
DIE BATTERIEN ERSÄTZEN
Wenn das Computer-Display trübe wird, sollten die
Batterien ersetzt werden. Die meisten Computer-
Probleme sind auf niedere Batterien zurückzuführen.
Beziehen Sie sich auf Schritt 4 auf Seite 5 zwecks
Ersatz-Instruktionen. Der Computer benötigt vier 1,5
V “D”-Batterien.
DAS HEIMFAHRRAD AUSGLEICHEN
Nachdem das
Heimfahrrad an
einem andern Ort
aufgestellt und
benutzt wird, ach-
ten Sie darauf,
dass die Enden
beider Stabilisa-
toren den Boden
berühren. Wenn
das Heimfahrrad
während Gebrauch leicht rüttelt, drehen Sie eines
oder beide der Ausgleichungsfüße unter dem vorde-
ren Stabilisator bis das Rütteln aufhört.
HANDGRIFF-PULSSENSOR FEHLERSUCHEN
• Versuchen Sie Ihre Hände nicht zu bewegen währ-
end Sie den Handgriff-Pulssensor benutzen. Über-
mäßige Bewegung kann die Lesung der Pulsfre-
quenz beeinträchtigen.
• Drucken Sie die Metallekontakte nicht zu fest; wenn
Sie zu fest drücken, kann die Pulslesung beein-
trächtigt werden.
• Um die beste Lesung zu bekommen, warten Sie
ungefähr 15 Sekunden.
• Für optimale Leistung des Handgriff-Pulssensor,
müssen die Metallekontakte sauber gehalten wer-
den. Die Kontakte können mit einem weichen Tuch
geputzt werden. Benutzen Sie keinen Alkohol, keine
Schleifmittel, oder Chemikalien.
DAS HEIMFAHRRAD TRANSPORTIEREN
Um das Heimfahrrad zu transportieren, stellen Sie
sich zuerst vor das Heimfahrrad, halten die Halte-
stange und stellen Sie einen Fuß auf den vorderen
Stabilisator. Ziehen Sie an die Haltestange bis das
Heimfahrrad auf den Vorderrädern bewegt werden
kann. Transportieren Sie das Heimfahrrad vorsichtig
zum gewünschten Ort und lassen es herunter.
WARTUNG UND FEHLERSUCHE
Haltestange
Rad
Einen Fuß
hier stellen
Verstellfuß

13
TRAININGSRICHTLINIEN
Die folgenden Richtlinien werden Ihnen bei der Ausar-
beitung eines persönlichen Trainingsprogrammes
behilflich sein. Denken Sie daran, dass gute Ernähr-
ung und angemessene Pausen wesentlich zum Erfolg
beitragen.
ÜBUNGSINTENSITÄT
Egal, ob Sie abnehmen oder Ihr Herz-Kreislaufsystem
stärken wollen, ist der Schlüssel zum Erfolg die richti-
ge Übungsintensität. Der Indikator für die richtige
Übungsintensität ist die Pulsfrequenz. Die folgende
Tabelle zeigt die empfohlene Pulsfrequenz zum Kal-
orienverbrauch und maximalem Fettabbau sowie für
Herz-Kreislauf- (Aerob-) Training.
Um Ihre richtige Pulsfrequenz zu bestimmen, müssen
Sie oben im Diagramm Ihr Alter finden. (Die Alters-
angaben sind auf die nächsten zehn Jahre abgerun-
det.) Die drei Zahlen unter Ihrer Altersangabe zeigen
Ihren persönlichen Trainingsbereich. Die zwei niedri-
gere Zahlen sind die empfohlene Pulsfrequenzen zum
Kalorienverbrauch; die höchste Zahl ist die empfohle-
ne Pulsfrequenz zum aeroben Training.
Fettabbau
Um Fette wirkungsvoll abzubauen, müssen Sie mit rela-
tiv niedriger Intensität über einen längeren Zeitraum hin-
weg trainieren. Während der ersten paar Minuten des
Trainings baut der Körper leicht zugängliche Kohlenhy-
drat-Kalorien zur Energiegewinnung ab und fängt erst
dann an, gespeicherte Fett-Kalorien abzubauen. Wenn
es Ihr Ziel ist, abzunehmen, dann steigern Sie die Inten-
sität Ihres Trainings bis Ihr Puls die niedrigste Zahl in
Ihrem Trainingsbereich erreicht hat.
Zum maximalen Fettabbau müssen Sie die Intensität
des Trainings so weit steigern, bis Ihr Puls bei der
mittleren Zahl Ihres Trainingsbereiches liegt.
Aerob-Übung
Wenn es Ihr Ziel ist, Ihr Herz-Kreislaufsystem zu stär-
ken, dann empfehlen wir Aerob-Übung. Aerob-Übung
ist eine Aktivität, die grössere Mengen an Sauerstoff
über einen längeren Zeitraum hinweg benötigt. Das
wiederum regt das Herz an, vermehrt Blut in die Mus-
keln zu pumpen und die Lunge, das Blut mit mehr
Sauerstoff zu versorgen. Für Aerob-Übung müssen
Sie die Intensität Ihrer Übungen so weit steigern, bis
Ihr Puls bei der höchsten Zahl Ihres Trainingsberei-
ches liegt.
TRAININGS-RICHTLINIEN
Jedes Training sollte folgendes beinhalten:
Ein Warm-Up, das aus 5 bis 10 Minuten Dehnen und
leichter Übungen besteht. Ein richtiges Warm-Up
erhöht die Körpertemperatur, steigert die Pulsfrequenz
und den Kreislauf und bereitet somit den Körper für
das Training vor.
Übungen innerhalb Ihres Trainingsbereiches, die
aus 20 bis 30 Minuten Übungen, bei dem Ihr Puls-
schlag innerhalb Ihres Trainingsbereiches liegt.
(Während der ersten Wochen sollte dieses Training
20 Minuten nicht überschreiten.)
Eine Abkühlung, die aus 5 bis 10 Minuten Dehnen
besteht. Das steigert die Flexibilität der Muskeln und
wirkt eventuellen Problemen nach dem Training ent-
gegen.
ÜBUNGSHÄUFIGKEIT
Zur Verbesserung oder Erhaltung Ihrer Kondition soll-
ten Sie dreimal pro Woche trainieren und mindestens
einen Tag Pause dazwischen einlegen. Nach einigen
Monaten regelmässigen Trainings können Sie nach
Wunsch bis zu fünf mal pro Woche trainieren. Denken
Sie daran, dass Sie nur dann Ihr Ziel erreichen, wenn
Sie Ihr Training regelmässig und positiv angehen.
WARNUNG:
Bevor Sie mit diesem oder einem anderen
Trainingsprogramm beginnen, sollten Sie
Ihren Arzt konsultieren. Dies gilt besonders
für all diejenigen, die über 35 Jahre sind
oder schon gesundheitliche Probleme haben
oder gehabt haben.
Der Pulssensor ist kein medizinisches Instru-
ment. Verschiedene Faktoren können die
Pulsschlagwerte verändern. Der Pulssensor
soll Ihnen nur als Trainingshilfe dienen,
indem er Ihnen den durchschnittlichen Herz-
schlag angibt.

14
1 1 Rahmen
2 1 Vorderer Stabilisator
3 1 Hinterer Stabilisator
4 2 Hintere Endkappe
5 1 Sattelpfosten
6 1 Sitz-Klammer
7 2 Hantlestange-Endkappe
8 2 Schaumstoffgriff
9 1 Sitz-Einstellungs-Knopf
10 5 M8 Nylon-Verschlussmutter
11 1 M6 x 38mm Schraube
12 1 Sattel
13 1 Pfosten
14 1 Pfosten-Buchse
15 1 Handgriff-Pulssensor/Haltestange
16 1 Computer
17 1 Linke Seitenschutzplatte
18 1 Rechte Seitenschutzplatte
19 1 Seitenschutz-Abdeckung
20 1 Sattelpfosten-Buchse
21 2 M8 Druckmutter
22 1 Membranenschalter-Klemme
23 2 M4 x 5mm Schraube
24 1 Linkes Pedal
25 1 Linker Pedalriemen
26 1 Rechtes Pedal
27 1 Rechter Pedalriemen
28 2 Verstellknopf
29 2 M6 x 72mm knopfförmige Schraube
30 2 Rad
31 1 Linke vordere Endkappe
32 1 Rechter vordere Endkappe
33 1 M6 x 25.4mm knopfförmige
Schraube
34 1 Verstellmotor
35 1 Niederer Drahthalter
36 1 Obere Drahthalter
37 1 Schwungrad
38 1 Magnet
39 1 Schwungrad-Achse
40 2 Schwungrad-Lager
41 1 C-förmige Magnet
42 1 Linker Kurbelarm
43 1 Membranenschalter/-Draht
44 2 Kurbellager
45 2 M5 Mutter
46 1 Verstellkabel
47 1 Rückfeder
48 1 Leerlauf-Arm
49 1 Leerlaufrad m. Lagerung
50 3 Schwarze M10 geschlitze
Unterlegscheibe
51 3 M10 x 27mm knopfförmige
Schraube
52 7 M4 x 25mm Schraube
53 1 Leerlauf-Arm-Feder
54 1 Rolle
55 1 M10 x 25mm flache Bolzen
56 2 Flanschschraube
57 1 Rechter Kurbelarm
58 2 M4 x 7mm Schraube
59 1 M8 x 47mm knopfförmige Schraube
60 2 M6 Mutter
61 2 M8 Nylon-Kontermutter
62 1 Schwungrad-Unterlegscheibe
63 5 Schwarze M10 Nylon-
Verschlussmutter
64 2 Leerlauf-Unterlegscheibe
65 4 M10 x 112mm Einsteckbolzen
66 11 M4 x 16mm Schraube
67 2 Verstellfuß
68 1 Freilauf-Abstandsstück
69 1 M8 Flanschmutter
70 4 M8 geschlitze Unterlegscheibe
71 2 M4 x 12 mm runde
Knopfschraube
72 1 Gurt
73 4 Motor-Unterlegscheibe
74 1 Kurbel-Achse-Ring
# 1 Bedienungsanleitung
# 1 Inbussschlüssel
Anmerkung: # weißt auf ein nicht-abgebildetes Teil hin. Veränderungen zu den Angaben sind dem Hersteller,
ohne Benachrichtigung, vorbehalten.
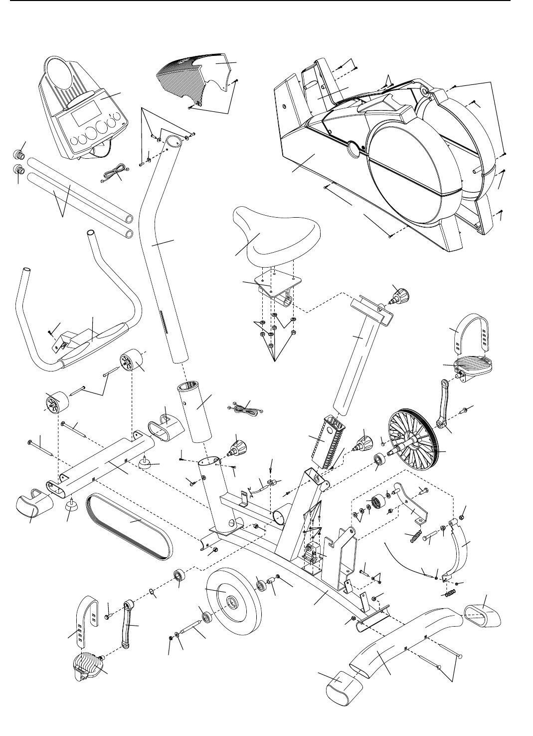
TEILELISTE—Modell-Nr. PFEVEX17010 R0202A
Nr. Zahl Beschreibung Nr. Zahl Beschreibung

15
1
3
4
6
7
13
14
16
17
18
19
24
25
30
30
37
38
41
42
44
46
47
49
55
56
54
64
63 59
23
52
66
71
69
45
45
66
66
63
11 60
21
29
65
65
2
31
32
39
40
40
61
61
62
68
63
63
63
22
66
43
52 52
66
66
52
51
50
50
35
36
12
70
28
44
15
34
33
53
48
26
27
57
56
5
20
4
23
65
58
28
58
7
8
10
10
67
67
70
9
64
72 73
74
DETAILZEICHNUNG—Modell-Nr. PFEVEX17010 R0202A

Teile-Nr. 179389 R0202A In China gedrückt © 2002 ICON Health & Fitness, Inc.
BESTELLUNG VON ERSATZTEILEN
Unter der nachfolgenden Adresse und Telefonnummer können Sie Ersatzteile bestellen:
AICON Health & Fitness, GmbH
Kalscheurener Staße 172
D-50354 Hürth
Fax: 01805 231 243
Telefonanrufe außerhalb Deutschlands: +49 2233 613 250
Fax: +49-2233 613 255
Wenn Sie eine Ersatzteilbestellung vornehmen wollen, benötigen wir die folgenden Angaben:
• die Modell-Nummer des Produktes (PFEVEX17010)
• den Namen des Produktes (PROFORM®920 S EKG Heimfahrrad)
• die Serien-Nummer (finden Sie auf der Vorderseite dieser Bedienungsanleitung)
• die Bestell-Nummer und Beschreibung des Ersatzteiles (siehe DETAILZEICHNUNG und TEILELISTE auf die
Seiten 14 und 15).
01805 231 244
PROFORM ist eine eingetragenes Warenzeichen von AICON Health & Fitness, Inc.