Proform Pfevex49150 755 Ekg Bike Users Manual 285430
Proform-Pfevex49150-Owner-S-Manual proform-pfevex49150-owner-s-manual
2015-04-14
: Proform Proform-Pfevex49150-755-Ekg-Bike-Users-Manual-700811 proform-pfevex49150-755-ekg-bike-users-manual-700811 proform pdf
Open the PDF directly: View PDF
.
Page Count: 24

USERʼS MANUAL
CAUTION
Read all precautions and instruc-
tions in this manual before using
this equipment. Keep this manual
for future reference.
Serial Number Decal
(beneath stabiliser)
Model No. PFEVEX4915.0
Serial No.
Write the serial number in the
space above for reference.
QUESTIONS?
As a manufacturer, we are com-
mitted to providing complete
customer satisfaction. If you
have questions, or if there are
missing parts, please call:
Or write:
ICON Health & Fitness, Ltd.
Customer Service Department
Unit 4
Revie Road Industrial Estate
Revie Road
Beeston
Leeds, LS118JG
UK
email: csuk@iconeurope.com
08457 089 009
www.iconeurope.com
Visit our website at

2
TABLE OF CONTENTS
IMPORTANTPRECAUTIONS ................................................................3
BEFOREYOUBEGIN ......................................................................4
ASSEMBLY ...............................................................................5
HOWTOOPERATETHEEXERCISECYCLE....................................................9
MAINTENANCEANDTROUBLESHOOTING ...................................................20
CONDITIONINGGUIDELINES...............................................................21
PARTLIST ..............................................................................22
EXPLODEDDRAWING ....................................................................23
ORDERINGREPLACEMENTPARTS ..................................................BackCover
PROFORM is a registered trademark of ICON IP, Inc.

3
1. Read all instructions in this manual and all
warnings on the exercise cycle before using
the exercise cycle. Use the exercise cycle
only as described in this manual.
2. It is the responsibility of the owner to ensure
that all users of the exercise cycle are ade-
quately informed of all precautions.
3. The exercise cycle is intended for home use
only. Do not use the exercise cycle in
a commercial, rental, or institutional setting.
4. Place the exercise cycle indoors on a level
surface. Keep the exercise cycle away from
moisture and dust. Place a mat under the
exercise cycle to protect the floor. Make sure
that there is enough clearance around the
exercise cycle to mount, dismount, and use it.
5. Inspect and properly tighten all parts regular-
ly. Replace any worn parts immediately.
6. Keep children under the age of 12 and pets
away from the exercise cycle at all times.
7. Wear appropriate clothes when exercising;
do not wear loose clothes that could become
caught on the exercise cycle. Always wear
athletic shoes for foot protection.
8. The exercise cycle should not be used by
persons weighing more than 115 kg (250
lbs.).
9. The pulse sensor is not a medical device.
Various factors, including the user's move-
ment, may affect the accuracy of heart rate
readings. The pulse sensor is intended only
as an exercise aid in determining heart rate
trends in general.
10. Always keep your back straight when using
the exercise cycle; do not arch your back.
11. If you feel pain or dizziness while exercising,
stop immediately and cool down.
12. The decal shown below has been placed on
the exercise cycle. If the decal is missing, or
if it is not legible, call the telephone number
on the front cover of this manual and order a
free replacement decal. Apply the decal in the
location shown.
WARNING: Before beginning this or any exercise program, consult your physician. This
is especially important for persons over the age of 35 or persons with pre-existing health problems.
Read all instructions before using. ICON assumes no responsibility for personal injury or property
damage sustained by or through the use of this product.
IMPORTANT PRECAUTIONS
WARNING: To reduce the risk of serious injury, read the following important precau-
tions before using the exercise cycle.

4
Congratulations for selecting the new PROFORM®755
EKG exercise cycle. Cycling is one of the most effec-
tive exercises for increasing cardiovascular fitness,
building endurance, and toning the entire body. The
PROFORM 755 EKG exercise cycle offers an impres-
sive array of features to let you enjoy this healthful
exercise in the convenience and privacy of your
home.
For your benefit, read this manual carefully before
you use the exercise cycle. If you have questions
after reading this manual, see the front cover of this
manual. To help us assist you, please note the prod-
uct model number and serial number before calling.
The model number is PFEVEX4915.0. The serial num-
ber can be found on a decal attached to the exercise
cycle (see the front cover of this manual).
Before reading further, please familiarise yourself with
the parts that are labeled in the drawing below.
Handgrip Pulse Sensor
REAR
FRONT
Seat
Seat Knob
Pedal/Strap
Wheel
Levelling Foot
Console
Fan
Handlebar
RIGHT SIDE
BEFORE YOU BEGIN
Handlebar Handle
Seat Handle

5
ASSEMBLY
Assembly requires two persons. Place all parts of the exercise cycle in a cleared area and remove the packing
materials. Do not dispose of the packing materials until assembly is completed.
Assembly requires the included tools and your own adjustable spanner and Phillips
screwdriver .
Use the drawings below to identify the small parts used for assembly. The number in parentheses below each
drawing is the key number of the part, from the PART LIST on page 22. The number following the key number is
the quantity needed for assembly. Note: Some small parts may have been preassembled. If a part is not in
the parts bag, check to see if it has been preassembled.
M8 Split
Washer (50)–7 M8 Nylon
Locknut (65)–4
M4 x 16mm
Screw (57)–4
M10 x 112mm Carriage Bolt (43)–4
M10 Nylon
Locknut (63)–4
M8 x 90mm Button
Screw (41)–1
M8 x 25mm Button
Screw (51)–2
M6 x 8mm
Screw (58)–2
1. Attach the Rear Stabiliser (16) to the Frame (1) with
two M10 x 112mm Carriage Bolts (43) and two M10
Nylon Locknuts (63).
63
1
16
1
43

6
3
2
42
Make sure that the
wire harnesses do
not get pinched
and damaged
during this step.
51
50
1
3. While another person holds the Upright (2) in the posi-
tion shown, connect the Upper Wire Harness (42) to
the Lower Wire Harness (66). Gently pull the upper
end of the Upper Wire Harness to remove any slack.
Insert the Upright (2) into the Frame (1). Be careful to
avoid pinching the Wire Harnesses (42, 66). Attach
the Upright with two M8 x 25mm Button Screws (51),
an M8 x 90mm Button Screw (41), and three M8 Split
Washers (50).
3
4
2
51
50
66
13
2. Orient the Front Stabiliser (15) as shown. Attach the
Front Stabiliser to the Frame (1) with two M10 x
112mm Carriage Bolts (43) and two M10 Nylon
Locknuts (63).
1
2
15
63
43
41
4. Slide the two slots in the Handlebar Bracket (13) onto the
two indicated tabs on the Upright (2). Lift the bottom of
the Handlebar Bracket away from the Upright, and insert
the Handlebar (3) between the Handlebar Bracket and
the Upright. Centre the Handlebar and rotate it to the
desired position.
Identify the Handlebar Handle (5), which has a longer
threaded shaft than the Seat Handle (not shown).
Insert the Handlebar Handle (5) into the Handlebar
Bracket (13), and tighten the Handlebar Handle into the
Upright (2). Note: The Handlebar Handle functions like
a spanner. Turn the Handle clockwise, pull it away from
the Upright, turn it counterclockwise, push it toward the
Upright, and then turn it clockwise again.
5
Tabs

7
6. While another person holds the Console (4) in the
position shown, connect the wire harness on the
Console to the Upper Wire Harness (42). Insert the
excess wire harness down into the Upright (2).
Attach the Console (4) to the Upright (2) with four M4
x 16mm Screws (57). Be careful to avoid pinching
the wire harnesses.
6
4
2
57
7. Remove the packing tube from the Frame (1). Turn the
Seat Knob (20) counterclockwise two or three turns to
loosen it. Next, pull the Seat Knob and insert the Seat
Post (8) into the Frame. Release the Knob, and move
the Seat Post up and down slightly until the pin on
the Knob snaps into one of the holes in the Seat
Post. Then, turn the Knob clockwise until it is tight.
Tighten an M6 x 8mm Screw (58) into one end of the
plate on the Seat Post (8). Next, slide the Seat
Bracket (6) onto the Seat Post, and tighten the Seat
Handle (24) into the Seat Bracket. Then, tighten
another M6 x 8mm Screw (58) into the other end of
the plate on the Seat Post.
Attach the Seat (9) to the Seat Bracket (6) with four M8
Nylon Locknuts (65) and four M8 Split Washers (50).
Note: The Nylon Locknuts and Split Washers are
preattached to the Seat.
9
20
8
7
Wire
Harness
57
65
5. The Console (4) requires four 1,5V “D” batteries; alka-
line batteries are recommended. Remove the indicated
screw from the battery drawer, and pull the battery
drawer open. Insert four batteries into the battery
drawer; make sure that the batteries are oriented as
shown by the markings inside the battery drawer.
Close the battery drawer and reattach the screw.
5
Screw
Batteries
Battery
Drawer
Packing
Tube
1
42
4
50
6
24
58

8
9. Make sure that all parts are properly tightened before you use the exercise cycle. Note: After assembly is
completed, some extra parts may be left over. Place a mat beneath the exercise cycle to protect the floor.
8. Identify the Left Pedal (22), which is marked with an
“L.” Using an adjustable spanner, firmly tighten the
Left Pedal counterclockwise into the left arm of the
Crank (29). Tighten the Right Pedal (not shown) clock-
wise into the right arm of the Crank. Important:
Tighten both Pedals as firmly as possible. After
using the exercise cycle for one week, retighten
the Pedals. For best performance, the Pedals must
be kept tightened.
Adjust the Left Pedal Strap (25) to the desired posi-
tion, and press the end of the Left Pedal Strap onto
the tab on the Left Pedal (22). Adjust the Right Pedal
Strap (not shown) in the same way.
8
29
25
Tab
22

9
HOW TO OPERATE THE EXERCISE CYCLE
HOW TO ADJUST THE SEAT POST
For effective exer-
cise, the seat
should be at the
proper height. As
you pedal, there
should be a slight
bend in your knees
when the pedals
are in the lowest
position. To adjust
the height of the
seat, first turn the
seat knob counter-
clockwise two or
three turns to
loosen it (if the seat knob is not loosened enough, it
may scratch the seat post). Next, pull the knob, slide
the seat post to the desired height, and then release
the knob. Move the seat post up and down slightly
until the pin on the knob snaps into one of the
holes in the seat post. Then, turn the knob clockwise
until it is tight.
HOW TO ADJUST THE PEDAL STRAPS
To adjust the pedal
straps, first pull the
ends of the straps
off the tabs on the
pedals. Adjust the
straps to the
desired position,
and then press the
ends of the straps
back onto the tabs.
Pedal
Strap
Tab
Seat
Post
Knob
Seat

10
FEATURES OF THE CONSOLE
The advanced console offers a selection of features
designed to make your workouts more enjoyable and
effective. When the manual mode of the console is
selected, the resistance of the pedals can be changed
with the touch of a button. As you pedal, the console
will provide continuous exercise feedback. You can
even measure your heart rate using the built-in hand-
grip pulse sensor.
In addition, the console offers ten preset programs.
Each program automatically changes the resistance of
the pedals and prompts you to increase or decrease
your pace as it guides you through an effective workout.
The console also offers two pulse programs that control
the resistance of the pedals to keep your heart rate
near the target heart rate settings during your work-
outs.
The console also features iFIT.com interactive technol-
ogy. Having iFIT.com interactive technology is like hav-
ing a personal trainer in your home. Using the included
audio cable, you can connect the exercise cycle to your
home stereo, portable stereo, computer, or VCR and
play special iFIT.com CD and video programs (iFIT.com
CDs and videocassettes are available separately).
iFIT.com CD and video programs automatically control
the resistance of the pedals and prompt you to vary
your pace as a personal trainer coaches you through
every step of your workout. High-energy music pro-
vides added motivation. To purchase iFIT.com CDs
and videocassettes, visit our Web site at
www.iFIT.com.
With the exercise cycle connected to your computer,
you can also go to our Web site at www.iFIT.com and
access programs directly from the internet. Explore
www.iFIT.com for more information.
To use the manual mode of the console, see page
11. To use a preset program, see page 12. To use a
pulse program, see page 13. To use an iFIT.com CD
or videocassette, see page 18. To use a program
directly from our Web site, see page 19.
Note: These
buttons do
not function
on this model. On/Reset Button
Resistance Buttons
Fan Button

11
HOW TO USE THE MANUAL MODE
Turn on the console.
Note: The console requires four 1.5V “D” batteries
(see assembly step 5 on page 7).
To turn on the console, press the On/Reset button
or begin pedaling. (See the drawing on page 10 to
identify the On/Reset button.)
Select the manual mode.
Each time the
console is
turned on, the
manual mode
will be selected.
If a program has
been selected, select the manual mode by press-
ing the Program (PGM) button repeatedly until
0.00 appears in the upper section of the display.
Begin pedaling and change the resistance of
the pedals as desired.
As you pedal, change the resistance of the ped-
als by pressing the Resistance + and – buttons.
There are ten resistance levels; level 10 is the
most challenging. Note: After the buttons are
pressed, it will take a few seconds for the resis-
tance to reach the selected setting.
Monitor your progress with the display.
The upper sec-
tion of the dis-
play will show
the distance you
have pedaled
and the approxi-
mate number of calories you have burned. The
display will change from one number to the other
every few seconds. If you use the handgrip pulse
sensor, the display will also show your heart rate
(see step 5 on page 12).
The centre of
the display will
show the elapsed
time and your
current pace
(pace is shown in
minutes per kilometer in this section of the dis-
play). The display will change from one number
to the other every few seconds. Note: When a
preset program or pulse program 1 is selected,
the display will show the time remaining in the
program instead of the elapsed time.
The lower sec-
tion of the dis-
play will show
your pedaling
pace (in revolu-
tions per minute
[RPM]), your pedaling speed, and the resistance
level. The display will change from one number to
the next every few seconds.
To reset the display, press the On/Reset button.
Note: The con-
sole can show
speed and dis-
tance in either
kilometers or
miles. To change
the unit of measurement, first hold down the
Program (PGM) button for about six seconds. The
letters “M” and “KM/H,” or “E” and “MPH,” will
appear in the lower section of the display to show
which unit of measurement is selected. Press the
Resistance + button to select a different unit of
measurement if desired. Note: When the batteries
are replaced, it may be necessary to reselect the
desired unit of measurement.
While you are
selecting a unit of
measurement,
you can also
select a backlight
mode. The “On”
mode keeps the backlight on while the console is
on. The “Off” mode turns the backlight off. To
conserve the batteries, the “Auto” mode keeps
the backlight on only while you are exercising.
Press the Resistance – button to change the back-
light mode if desired. When the desired unit of
measurement and backlight mode are selected,
press the Program button again.
3
4
2
1

12
Measure your heart rate if desired.
If there are
sheets of
clear plastic
on the metal
contacts on
the handgrip
pulse sen-
sor, peel off
the plastic.
To use the
handgrip pulse sensor, hold the handgrips with
your palms resting against the metal contacts.
Avoid moving your hands. When your pulse is
detected, the heart-shaped indicator in the upper
section of the display will flash each time your
heart beats, one to three dashes will appear, and
then your heart rate will be shown.
For the most accurate heart rate reading, continue
to hold the handgrips for about 30 seconds. Note:
When you first hold the handgrips, the display will
show your heart rate continuously for 30 sec-
onds. The display will then show your heart rate
along with other feedback modes.
Turn on the fan if desired.
To turn on the
fan at low speed,
press the fan
button. To turn
on the fan at
high speed,
press the fan
button a second
time. To turn off
the fan, press
the fan button a third time. Note: If the fan is
turned on and the pedals are not moved for
about 30 seconds, the fan will turn off to con-
serve the batteries.
Rotate the thumb wheel on the right side of the
console to pivot the fan to the desired angle.
When you are finished exercising, the console
will automatically turn off.
If the pedals are not moved for a few seconds,
the display will pause and the time will flash in
the display.
If the pedals are not moved and the console but-
tons are not pressed for a few minutes, the con-
sole will turn off to conserve the batteries.
6
7
5
Thumb
Wheel
Fan
Button
Contacts

13
HOW TO USE A PRESET PROGRAM
Each preset program will automatically change the
resistance of the pedals and prompt you to increase or
decrease your pace as it guides you through an effec-
tive workout.
Follow the steps below to use a preset program.
Turn on the console.
See step 1 on page 11.
Select a preset program.
To select a pre-
set program,
press the
Program (PGM)
button repeatedly
until “P-3,” “P-4,”
“P-5,” “P-6,” “P-7,” “P-8,” “P-9,” “P-10,” “P-11,” or
“P-12” appears in the upper section of the display.
Begin pedaling to start the program.
To start the program, simply begin pedaling. Each
preset program consists of 20, 30, or 45 one-
minute periods. One resistance level and one tar-
get pace are programmed for each period. Note:
The same resistance level and/or target pace
may be programmed for two or more consecutive
periods.
At the end of each period of the program, the
time will flash in the centre display and a series of
tones will sound. In addition, the resistance of the
pedals will automatically change if a different
resistance level is programmed for the next peri-
od. Note: If the resistance level is too high or too
low, you can change it by pressing the Resistance
+ and – buttons. However, when the current peri-
od ends, the resistance of the pedals will auto-
matically change if a different resistance level is
programmed for the next period.
As you exercise,
the pace display
will help you to
keep your pedal-
ing pace near the
pace setting for
the current period.
When one of the
“too slow” indicators lights, increase your pace.
When one of the “too fast” indicators lights,
decrease your pace. When the centre indicator
lights, maintain your current pace.
Important: The target pace settings are intend-
ed only to provide motivation. Your actual
pace may be slower than the target pace set-
tings. Make sure to exercise at a pace that is
comfortable for you.
During the program, the centre of the display will
show the time remaining in the program. If you
stop pedaling for a few seconds, the display will
pause and the time will flash. To restart the pro-
gram, resume pedaling.
Monitor your progress with the display.
See step 4 on page 11.
Measure your heart rate if desired.
See step 5 on page 12.
Turn on the fan if desired.
See step 6 on page 12.
When you are finished exercising, the console
will automatically turn off.
See step 7 on page 12.
2
1
3
6
7
5
4

14
HOW TO USE THE PULSE PROGRAM
Pulse program 1 is designed to keep your heart rate
within a preset range during your workout. Pulse pro-
gram 2 is designed to keep your heart rate near a tar-
get heart rate setting that you select.
Follow the steps below to use a pulse program.
Turn on the console.
See step 1 on page 11.
Select a pulse program.
To select a pulse
program, press
the Program
(PGM) button
repeatedly until
“P-1” or “P-2”
appears in the upper section of the display.
Enter your age or a target heart rate setting.
If pulse pro-
gram 1 is
selected, the
word “AGE” will
flash in the lower
section of the
display and an age setting will appear. If you
have already entered your age, press the button
with the heart symbol. If you have not entered
your age, press the small + and – buttons to
enter your age, and then press the button with
the heart symbol. Note: Once you have entered
your age, it will be saved in memory.
If pulse pro-
gram 2 is
selected, the
word “RATE” will
flash in the lower
section of the
display and a target heart rate setting will appear.
Press the small + and – buttons to change the
target heart rate setting if desired (see EXER-
CISE INTENSITY on page 21). Then, press the
button with the heart symbol.
Hold the handgrip pulse sensor.
It is not necessary to hold the handgrip pulse
sensor continuously during a pulse program;
however, you must hold the handgrip pulse
sensor frequently for the program to function
properly. Each time you hold the handgrip
pulse sensor, keep your hands on the metal
contacts for at least 30 seconds. Note: When
you are not holding the handgrip pulse sensor,
the letters “PLS” will appear in the display instead
of your heart rate.
Begin pedaling to start the program.
Pulse program 1 is divided into 30 one-minute
periods. One target heart rate setting is pro-
grammed for each period. (The same target heart
rate setting may be programmed for two or more
consecutive periods.) Pulse program 2 is divided
into 60 one-minute periods (you may choose to
use only part of the program). The same target
heart rate setting is programmed for all periods.
During the program, the console will regularly
compare your heart rate to the target heart rate
setting for the current period. If your heart rate is
too far below or above the target heart rate set-
ting, the resistance of the pedals will automatically
increase or decrease to bring your heart rate clos-
er to the target heart rate setting. Note: If the
resistance level is too high or too low, you can
override it by pressing the Resistance buttons.
However, when the console compares your heart
rate to the target heart rate setting, the resistance
may automatically change.
After the first one-
minute period
ends, the pace
display will help
you to maintain a
steady pedaling
pace. When one
of the “too slow”
indicators lights, increase your pace. When the
one of the “too fast” indicators lights, decrease
your pace. When the centre indicator lights, main-
tain your current pace.
Important: The pace display is intended only
to provide a goal. Make sure to pedal at a
pace that is comfortable for you.
3
2
1
5
4

15
The display will show the time remaining in pulse
program 1, or the elapsed time in pulse program
2. If you stop pedaling for a few seconds, the
program will pause and the time will flash in the
display. To restart the program, resume pedaling.
Monitor your progress with the display.
See step 4 on page 11.
Turn on the fan if desired.
See step 6 on page 12.
When you are finished exercising, the console
will automatically turn off.
See step 7 on page 12.
To use iFIT.com CDs, the exercise cycle must be con-
nected to your portable CD player, portable stereo, home
stereo, or computer with CD player. See pages 15 to 17
for connecting instructions. To use iFIT.com videocas-
settes, the exercise cycle must be connected to your
VCR. See page 17 for connecting instructions. To use
iFIT.com programs directly from our Web site, the
exercise cycle must be connected to your computer. See
page 17.
HOW TO CONNECT YOUR PORTABLE CD PLAYER
Note: If your CD player has separate LINE OUT and
PHONES jacks, see instruction A below. If your CD
player has only one jack, see instruction B.
A. Plug one end of the audio cable into the jack
beneath the console. Plug the other end of the
audio cable into the LINE OUT jack on your CD
player. Plug your headphones into the PHONES
jack.
B. Plug one end of the audio cable into the jack
beneath the console. Plug the other end of the
audio cable into the splitter. Plug the splitter into the
PHONES jack on your CD player. Plug your head-
phones into the other side of the splitter.
8
7
6
HOW TO CONNECT YOUR CD PLAYER, VCR,
OR COMPUTER
LINE OUT
PHONES LINE OUT
PHONES
Audio
Cable
Head-
phones
A
PHONES
PHONES
Audio
Cable Splitter
Headphones
B

16
HOW TO CONNECT YOUR PORTABLE STEREO
Note: If your stereo has an RCA-type AUDIO OUT
jack, see instruction A below. If your stereo has a
3.5mm LINE OUT jack, see instruction B. If your
stereo has only a PHONES jack, see instruction C.
A. Plug one end of the audio cable into the jack
beneath the console. Plug the other end of the
audio cable into the adapter. Plug the adapter into
an AUDIO OUT jack on your stereo.
B. See the drawing above. Plug one end of the audio
cable into the jack beneath the console. Plug the
other end of the audio cable into the LINE OUT
jack on your stereo. Do not use the adaptor.
C. Plug one end of the audio cable into the jack
beneath the console. Plug the other end of the
audio cable into the splitter. Plug the splitter into the
PHONES jack on your stereo. Plug your head-
phones into the other side of the splitter.
HOW TO CONNECT YOUR HOME STEREO
Note: If your stereo has an unused LINE OUT jack,
see instruction A below. If the LINE OUT jack is
being used, see instruction B.
A. Plug one end of the audio cable into the jack
beneath the console. Plug the other end of the
audio cable into the adapter. Plug the adapter into
the LINE OUT jack on your stereo.
B. Plug one end of the audio cable into the jack
beneath the console. Plug the other end of the
audio cable into the adapter. Plug the adapter into
an RCA Y-adapter (available at electronics stores).
Next, remove the wire that is currently plugged into
the LINE OUT jack on your stereo and plug the
wire into the unused side of the Y-adapter. Plug the
Y-adapter into the LINE OUT jack on your stereo.
CD
VCR
Amp
LINE OUT
LINE OUT
Audio
Cable
A
CD
VCR
Amp
LINE OUT
Audio Cable
RCA Y-adaptor
Adapter
Wire removed from
LINE OUT jack
B
Adapter
AUDIO OUT
RIGHT
LEFT
Audio
Cable Adapter
A/B
PHONES
Audio
Cable
C
Splitter
Headphones

17
HOW TO CONNECT YOUR COMPUTER
Note: If your computer has a 3.5mm LINE OUT jack,
see instruction A. If your computer has only a
PHONES jack, see instruction B.
A. Plug one end of the audio cable into the jack
beneath the console. Plug the other end of the
audio cable into the LINE OUT jack on your com-
puter.
B. Plug one end of the audio cable into the jack
beneath the console. Plug the other end of the
audio cable into the splitter. Plug the splitter into the
PHONES jack on your computer. Plug your head-
phones or speakers into the other side of the splitter.
HOW TO CONNECT YOUR VCR
Note: If your VCR has an unused AUDIO OUT jack,
see instruction A below. If the AUDIO OUT jack is
being used, see instruction B. If you have a TV
with a built-in VCR, see instruction B. If your VCR
is connected to your home stereo, see HOW TO
CONNECT YOUR HOME STEREO on page 16.
A. Plug one end of the audio cable into the jack
beneath the console. Plug the other end of the
audio cable into the adapter. Plug the adapter into
the AUDIO OUT jack on your VCR.
B. Plug one end of the audio cable into the jack
beneath the console. Plug the other end of the
audio cable into the adapter. Plug the adapter into
an RCA Y-adaptor (available at electronics stores).
Next, remove the wire that is currently plugged into
the AUDIO OUT jack on your VCR and plug the
wire into the unused side of the Y-adaptor. Plug the
Y-adaptor into the AUDIO OUT jack on your VCR.
AUDIO OUT
RIGHT
LEFT
VIDEO AUDIO
ANT. IN
RF OUT
IN
OUT
CH
34
C
Audio Cable
Adapter
A
VIDEO AUDIO
ANT. IN
RF OUT
IN
OUT
CH
34
A
Audio Cable Adapter
B
Wire removed from
AUDIO OUT jack
RCA
Y-adaptor
LINE OUT
Audio
Cable
A
PHONES
Audio
Cable
B
Splitter
Headphones/Speakers

18
To use iFIT.com CDs or videocassettes, the exercise
cycle must be connected to your portable CD player,
portable stereo, home stereo, computer with CD play-
er, or VCR. See HOW TO CONNECT YOUR CD
PLAYER, VCR, OR COMPUTER on page 15. To
purchase iFIT.com CDs and videocassettes, visit
our Web site at www.iFIT.com.
Follow the steps below to use an iFIT.com CD or
video program.
Turn on the console.
See step 1 on page 11.
Select the iFIT.com mode.
To select the iFIT.com mode, press the iFIT.com
button; the indicator near the button will light.
Insert the iFIT.com CD or videocassette.
If you are using an iFIT.com CD, insert the CD into
your CD player. If you are using an iFIT.com
videocassette, insert the videocassette into your
VCR.
Press the play button on your CD player or
VCR.
A moment after the play button is pressed, your
personal trainer will begin guiding you through
your workout. Simply follow your personal trainerʼs
instructions.
The program will function in almost the same way
as a preset program (see step 3 on page 13).
However, an electronic “chirping” sound will alert
you when the resistance level and/or the target
pace is about to change.
Note: If the resistance of the pedals and/or the
target pace does not change when a “chirp” is
heard:
• Make sure that the indicator near the iFIT.com
button is lit.
• Adjust the volume of your CD player or VCR.
If the volume is too high or too low, the con-
sole may not detect the program signals.
• Make sure that the audio cable is properly
connected and that it is fully plugged in.
Monitor your progress with the display.
See step 4 on page 11.
Measure your heart rate if desired.
See step 5 on page 12.
Turn on the fan if desired.
See step 6 on page 12.
When you are finished exercising, the console
will automatically turn off.
See step 7 on page 12.
7
5
3
2
1
8
6
4
HOW TO USE AN IFIT.COM CD OR VIDEO
PROGRAM

19
Our Web site at www.iFIT.com allows you to play
iFIT.com programs directly from the internet. To use
programs from our Web site, the exercise cycle must
be connected to your home computer. See HOW TO
CONNECT YOUR COMPUTER on page 16. In addi-
tion, you must have an internet connection and an
internet service provider. A list of specific system
requirements is found on our Web site.
Follow the steps below to use a program from our
Web site.
Turn on the console.
See step 1 on page 11.
Select the iFIT.com mode.
To select the iFIT.com mode, press the iFIT.com
button; the indicator near the button will light.
Go to your computer and start an internet con-
nection.
Start your Web browser, if necessary, and go
to our Web site at www.iFIT.com.
Follow the desired links on our Web site to
select a program.
Follow the on-line instructions to start the
program.
When you start the program, an on-screen count-
down will begin.
Return to the exercise cycle and begin
pedaling.
When the on-screen countdown ends, the pro-
gram will begin. The program will function in
almost the same way as a preset program (see
step 3 on page 13). However, an electronic “chirp-
ing” sound will alert you when the resistance level
and/or the target pace is about to change.
Monitor your progress with the display.
See step 4 on page 11.
Measure your heart rate if desired.
See step 5 on page 12.
When you are finished exercising, the con-
sole will automatically turn off.
See step 7 on page 12.
2
1
10
9
8
7
6
5
4
3
HOW TO USE A PROGRAM DIRECTLY FROM
OUR WEB SITE

20
Inspect and tighten all parts of the exercise cycle reg-
ularly. Replace any worn parts immediately.
To clean the exercise cycle, use a damp cloth and a
small amount of mild soap. Important: To avoid
damage to the console, keep liquids away from
the console and keep the console out of direct
sunlight.
HOW TO MOVE THE EXERCISE CYCLE
To move the exercise cycle, stand in front of the exer-
cise cycle, hold the handlebars, and place one foot on
the front stabiliser. Pull the handlebars until the exer-
cise cycle can be moved on the front wheels.
Carefully move the exercise cycle to the desired loca-
tion, place one foot on the front stabiliser, and then
carefully lower the exercise cycle.
HOW TO LEVEL THE EXERCISE CYCLE
After the exercise
cycle has been
moved to the
location where it
will be used,
make sure that
both ends of the
front stabiliser are
touching the floor.
If the exercise
cycle rocks slight-
ly on your floor during use, turn one or both of the lev-
elling feet under the front stabiliser until the rocking
motion is eliminated.
HANDGRIP PULSE SENSOR TROUBLESHOOTING
• Avoid moving your hands while using the handgrip
pulse sensor. Excessive movement may interfere
with heart rate readings.
• Do not hold the metal contacts too tightly; doing so
may interfere with heart rate readings.
• For the most accurate heart rate reading, hold the
metal contacts for about 30 seconds.
• For optimal performance of the handgrip pulse sen-
sor, keep the metal contacts clean. The contacts
can be cleaned with a soft cloth; never use alcohol,
abrasives, or chemicals.
BATTERY REPLACEMENT
If the console display becomes dim, the batteries
should be replaced. Most console problems are the
result of low batteries. See assembly step 5 on page
7 for battery replacement instructions.
MAINTENANCE AND TROUBLESHOOTING
Handlebar
Wheel
Place
Your Foot
Here
Levelling
Foot

21
CONDITIONING GUIDELINES
The following guidelines will help you to plan your
exercise program. Remember that proper nutrition
and adequate rest are essential for successful results.
EXERCISE INTENSITY
Whether your goal is to burn fat or to strengthen your
cardiovascular system, the key to achieving the
desired results is to exercise with the proper intensity.
The proper intensity level can be found by using your
heart rate as a guide. The chart below shows recom-
mended heart rates for fat burning, maximum fat
burning, and cardiovascular (aerobic) exercise.
To find the proper heart rate for you, first find your age
at the bottom of the chart (ages are rounded off to the
nearest ten years). Next, find the three numbers above
your age. The three numbers are your “training zone.”
The lowest number is the recommended heart rate for
fat burning; the middle number is the recommended
heart rate for maximum fat burning; the highest num-
ber is the recommended heart rate for aerobic exer-
cise.
Fat Burning
To burn fat effectively, you must exercise at a relative-
ly low intensity level for a sustained period of time.
During the first few minutes of exercise, your body
uses easily accessible carbohydrate calories for ener-
gy. Only after the first few minutes of exercise does
your body begin to use stored fat calories for energy.
If your goal is to burn fat, adjust the intensity of your
exercise until your heart rate is near the lowest num-
ber in your training zone as you exercise. For maxi-
mum fat burning, adjust the intensity of your exercise
until your heart rate is near the middle number in your
training zone as you exercise.
Aerobic Exercise
If your goal is to strengthen your cardiovascular sys-
tem, your exercise must be “aerobic.” Aerobic exer-
cise is activity that requires large amounts of oxygen
for prolonged periods of time. This increases the
demand on the heart to pump blood to the muscles,
and on the lungs to oxygenate the blood. For aerobic
exercise, adjust the intensity of your exercise until
your heart rate is near the highest number in your
training zone.
WORKOUT GUIDELINES
Each workout should include the following three parts:
A warm-up, consisting of 5 to 10 minutes of stretching
and light exercise. A proper warm-up increases your
body temperature, heart rate, and circulation in prepa-
ration for exercise.
Training zone exercise, consisting of 20 to 30 min-
utes of exercising with your heart rate in your training
zone. Note: During the first few weeks of your exer-
cise program, do not keep your heart rate in your
training zone for longer than 20 minutes.
A cool-down, with 5 to 10 minutes of stretching. This
will increase the flexibility of your muscles and will
help to prevent post-exercise problems.
EXERCISE FREQUENCY
To maintain or improve your condition, plan three work-
outs each week, with at least one day of rest between
workouts. After a few months of regular exercise, you
may complete up to five workouts each week, if
desired. Remember, the key to success is make exer-
cise a regular and enjoyable part of your everyday life.
WARNING: Before beginning
this or any exercise program, consult your
physician. This is especially important for
persons over the age of 35 or persons with
pre-existing health problems.
The pulse sensor is not a medical device.
Various factors may affect the accuracy of
heart rate readings. The pulse sensor is
intended only as an exercise aid in determin-
ing heart rate trends in general.

22
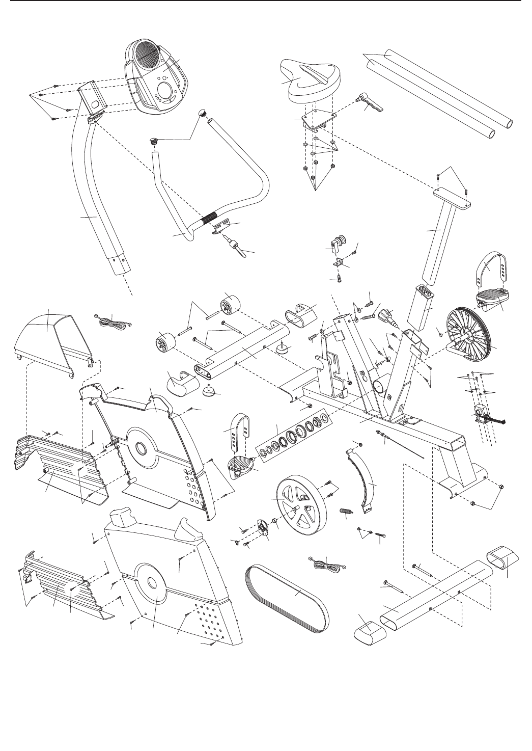
1 1 Frame
2 1 Upright
3 1 Handlebar
41 Console
5 1 Handlebar Handle
6 1 Seat Bracket
7 2 Foam Grip
8 1 Seat Post
9 1 Seat
10 1 Left Front Stabiliser Endcap
11 1 Right Front Stabiliser Endcap
12 1 Frame Bushing
13 1 Handlebar Bracket
14 2 Rear Stabiliser Endcap
15 1 Front Stabiliser
16 1 Rear Stabiliser
17 2 Wheel
18 1 Right Pedal Strap
19 2 Levelling Foot
20 1 Seat Knob
21 1 Right Pedal
22 1 Left Pedal
23 2 Handlebar Endcap
24 1 Seat Handle
25 1 Left Pedal Strap
26 1 Left Side Shield
27 1 Right Side Shield
28 1 Idler
29 1 Pulley/Crank
30 1 Magnet
31 1 Idler Bracket
32 1 Pillow Block
33 1 Crank Bearing Set
34 1 Flywheel
35 1 “C” Magnet
36 1 Resistance Cable Assembly
37 1 Spring
38 1 Resistance Motor
39 1 Flywheel Spacer
40 1 Snap Ring
41 1 M8 x 90mm Button Screw
42 1 Upper Wire Harness
43 4 M10 x 112mm Carriage Bolt
44 2 M6 x 72mm Button Screw
45 1 Clamp
46 1 Reed Switch/Wire
47 1 Drive Belt
48 1 Flywheel Cover
49 4 M4 x 5mm Screw
50 7 M8 Split Washer
51 2 M8 x 25mm Button Screw
52 4 M6 x 13mm Button Screw
53 1 Right Belt Cover
54 1 Idler Bolt
55 1 Left Belt Cover
56 1 M6 x 8mm Button Screw
57 22 M4 x 16mm Screw
58 2 M6 x 8mm Screw
59 1 M6 x 38mm Bolt
60 2 M6 Nut
61 3 M4 x 19mm Screw
62 5 M4 x 10mm Screw
63 4 M10 Nylon Locknut
64 4 M5 Washer
65 5 M8 Nylon Locknut
66 1 Lower Wire Harness
# 2 Assembly Tool
# 1 Userʼs Manual
Note: “#” indicates a non-illustrated part. Specifications are subject to change without notice. See the back cover
of this manual for information about ordering replacement parts.
PART LIST—Model No. PFEVEX4915.0 R1005A
Key No. Qty. Description Key No. Qty. Description

23
1
2
4
5
8
7
11
9
10
6
13
16
15
14
17
19
19
20
21
22
24
25
18
26
27
32
28
34
35
36
37
38
39
44
43
48
51
53
56
57
61
45
46
62
47
55
30
29
33
12
57
57
57
62
57
57
62
57
62
57
57
61
57
57
57
57
61 57
3
65
40
14
17
23
43
43
50
50
51
58
57
63
63
63
65
64
64
54
49
49
52
41
50
42
31
52
52 60 59
66
EXPLODED DRAWING—Model No. PFEVEX4915.0 R1005A

Part No. 229160 R1005A Printed in China © 2005 ICON IP, Inc.
ORDERING REPLACEMENT PARTS
To order replacement parts, contact the ICON Health & Fitness, Ltd. office, or write:
ICON Health & Fitness, Ltd.
Customer Service Department
Unit 4
Revie Road Industrial Estate
Revie Road
Beeston
Leeds, LS118JG
UK
Tel:
Outside the UK: 0 (044) 113 387 7133
Fax: 0 (044) 113 387 7125
To help us assist you, please be prepared to give the following information:
• the MODEL NUMBER of the product (PFEVEX4915.0)
• the NAME of the product (PROFORM 755 EKG exercise cycle)
• the SERIAL NUMBER of the product (see the front cover of this manual)
• the KEY NUMBER and DESCRIPTION of the part(s) (see page 22)
08457 089 009