Proform Pfevex749150 250 Spx Bike Users Manual
2015-04-14
: Proform Proform-Pfevex749150-250-Spx-Bike-Users-Manual-701048 proform-pfevex749150-250-spx-bike-users-manual-701048 proform pdf
Open the PDF directly: View PDF
.
Page Count: 16

GEBRUIKERSHANDLEIDING
Sticker met
Serienummer
Modelnr. PFEVEX74915.0
Serienr.
Schrijf het serienummer hierboven
voor verdere raadpleging.
OPGELET
Lees voor gebruik van dit
apparaat alle instructies en
voorzorgsmaatregelen in deze
handleiding. Bewaar deze hand-
leiding voor verdere raadpleging. www.iconeurope.com
KLANTENDIENST
Neem contact op met de Klanten-
dienst (zie informatie hieronder) of
neem contact op met de winkel waar
u dit product gekocht heeft wanneer
u nog vragen heeft of wanneer er
onderdelen ontbreken of beschadigd
zijn.
4021 529 7186
Maandag-Vrijdag 08:00-20:00
GMT; Zaterdag 09:00-13:00 GMT
Website:
www.iconsupport.eu
Email:
csuk@iconeurope.com

2
DE STICKERS MET WAARSCHUWING
De hier afgebeelde waarschuwingsstickers worden meegeleverd bij dit product. Bevestig de waar-
schuwings stickers bovenop de Engelse waarschuwingen op de aangegeven locatie. De stickers met
waarschuwing hier getoond zijn op de aangegeven plaatsen geplakt. Bel, wanneer een sticker ont-
breekt of niet leesbaar is, het nummer op de voorkant van deze handleiding en vraag om een
gratis vervangende sticker. Plak de sticker op de aangegeven plaats. Aandacht: de stickers worden
mogelijk niet op ware grootte weergegeven.
INHOUD
PROFORM is een geregistreerd handelsmerk van ICON Health & Fitness, Inc.
DE STICKERS MET WAARSCHUWING .........................................................2
BELANGRIJKE VOORZORGSMAATREGELEN ...................................................3
VOORDAT U BEGINT . . . . . . . . . . . . . . . . . . . . . . . . . . . . . . . . . . . . . . . . . . . . . . . . . . . . . . . . . . . . . . . . . . . . . . . .4
MONTAGE. . . . . . . . . . . . . . . . . . . . . . . . . . . . . . . . . . . . . . . . . . . . . . . . . . . . . . . . . . . . . . . . . . . . . . . . . . . . . . . . .5
HOE DE TRAININGSFIETS TE GEBRUIKEN ....................................................10
RICHTLIJNEN VOOR HET OEFENEN. . . . . . . . . . . . . . . . . . . . . . . . . . . . . . . . . . . . . . . . . . . . . . . . . . . . . . . . . .13
LIJST MET ONDERDELEN. . . . . . . . . . . . . . . . . . . . . . . . . . . . . . . . . . . . . . . . . . . . . . . . . . . . . . . . . . . . . . . . . . .14
GEDETAILLEERDE TEKENING. . . . . . . . . . . . . . . . . . . . . . . . . . . . . . . . . . . . . . . . . . . . . . . . . . . . . . . . . . . . . . .15
HET BESTELLEN VAN ONDERDELEN ...............................................Laatste pagina
RECYCLING INFORMATIE. . . . . . . . . . . . . . . . . . . . . . . . . . . . . . . . . . . . . . . . . . . . . . . . . . . . . . . . . Laatste pagina

3
1. Het is de verantwoordelijkheid van de eige-
naar om ervoor te zorgen dat alle gebruikers
van de trainingsfiets goed zijn geïnformeerd
over alle voorzorgsmaatregelen.
2. Raadpleeg uw huisarts voordat u met dit
of enig ander oefenprogramma begint. Dit
is vooral belangrijk voor personen boven
de 35 jaar, of personen met bestaande
gezondheidsproblemen.
3. Gebruik de trainingsfiets alleen zoals in deze
handleiding beschreven wordt.
4. Deze trainingsfiets is alleen voor huiselijk
gebruik bedoeld. Gebruik de trainingsfiets
niet commercieel of voor verhuur.
5. Gebruik de trainingsfiets uitsluitend binnens-
huis en uit de buurt van vocht en stof. Plaats
de trainingsfiets niet in een garage, op een
overdekt terras of bij water.
6. Plaats de trainingsfiets op een vlakke onder-
grond met een matje onder de fiets om uw
vloer (bedekking) te beschermen. Zorg dat
er tenminste 0,6 meter ruimte is rond de
trainingsfiets.
7. Controleer en draai alle delen regelmatig
aan. Vervang versleten onderdelen meteen.
8. Houd te allen tijde kinderen jonger dan 12 en
huisdieren bij de trainingsfiets vandaan.
9. Draag geschikte kleding wanneer u
de trainingsfiets gebruikt. Draag nooit
losse kleding die in de fiets bekneld kan
raken. Draag altijd sportschoenen voor
voetbescherming.
10. De fiets mag alleen door mensen die minder
dan 115 kg wegen gebruikt worden.
11. Wees voorzichtig bij het monteren en demon-
teren van de trainingsfiets.
12. Houd tijdens het gebruik van de trainings-
fiets uw rug recht. Krom uw rug niet.
13. Met de trainingsfiets kan men niet freewhee-
len; de pedalen blijven ronddraaien totdat
het vliegwiel stopt. Verlaag uw fietssnelheid
op een gecontroleerde manier.
14. Om het vliegwiel snel te stoppen drukt u de
weerstandknop omlaag.
15. Als de trainingsfiets niet wordt gebruikt,
draai de weerstandsknop dan helemaal vast
om te voorkomen dat het vliegwiel gaat
bewegen.
16. Om schade aan de remmen te vermijden,
dient u de remmen niet te smeren.
17. Te veel oefeningen doen kan leiden tot
ernstig letsel of de dood. Als u pijn voelt,
kortademig of duizelig wordt tijdens het
oefenen, dient u onmiddellijk te stoppen en
af te koelen.
BELANGRIJKE VOORZORGSMAATREGELEN
BEWAAR DEZE INSTRUCTIES
WAARSCHUWING: lees, om het risico tot ernstig letsel te verminderen, alle
belangrijke voorzorgsmaatregelen en instructies in deze handleiding en alle waarschuwingen op
uw trainingsfiets voordat u deze gebruikt. ICON is niet verantwoordelijk voor persoonlijk letsel of
schade door het gebruik van dit product.

4
Dank u dat u heeft gekozen voor de nieuwe
PROFORM® 250 SPX trainingsfiets. Fietsen is een
effectieve oefening voor het verbeteren van hart en
vaten, het opbouwen van uithoudingsvermogen en het
vormgeven aan het gehele lichaam. De 250 SPX trai-
ningsfiets biedt een reeks functies die zijn ontwikkeld
om uw oefeningen thuis effectiever en leuker te maken.
Lees voor uw eigen welzijn deze handleiding zorg-
vuldig door voordat u de trainingsfiets gebruikt.
Raadpleeg de kaft van deze handleiding mocht u nog
vragen hebben nadat u de handleiding hebt door-
gelezen. Voordat u met ons contact opneemt, schrijf
het productnummer en serienummer even op. De
plaats waar u de sticker van het modelnummer en
het serienummer kunt vinden wordt op de kaft van de
handleiding aangegeven.
Voordat u verder leest, bekijk eerst aandachtig de teke-
ning hieronder en de verschillende onderdelen.
Weerstandsknop
Zadel
Afstelknoppen
Afstelknop
Pedaal/Riem
Houder
Stelvoet
Stelvoet
Hendel
Bedieningspaneel
Wiel
Lengte: 124 cm
Breedte: 51 cm
Gewicht: 41 kg
VOORDAT U BEGINT

5
• De montage moet door twee personen uitgevoerd
worden.
• Plaats alle onderdelen op een open plek en
verwijder het verpakkingsmateriaal. Gooi het
verpakkingsmateriaal niet weg tot u volledig klaar
bent met de montage.
• Linker onderdelen zijn met een “L” of “Left” en
rechter onderdelen zijn met een “R” of “Right”
aangegeven.
• Naast het inbegrepen gereedschap heeft u het
volgende gereedschap nodig:
een instelbare sleutel
een rubber hamer
Montage is makkelijker met een set sleutels.
Gebruik geen elektrisch gereedschap om schade
aan onderdelen te voorkomen.
2. Als er verzendschroeven (niet afgebeeld) zijn
bevestigd aan de voorkant en de achterkant van
het Onderstel (1), verwijder de verzendschroe-
ven en de hardware waaraan ze bevestigd zitten
dan en gooi ze weg.
Draai de Voorste Stabilisator (4) zoals afgebeeld.
Bevestig de Voorste Stabilisator (4) aan het
Onderstel (1) met twee M8 x 16mm Schroeven
(2) en twee M8 Tussenringen (3).
2
2
3
4
1
MONTAGE
1. Ga naar www.iconsupport.eu op uw
computer en registreer uw product.
• activeert uw garantie
• bespaart u tijd als u ooit contact moet
opnemen met de Klantendienst
• hiermee kunnen wij u op de hoogte stellen van
upgrades en aanbiedingen
Aandacht: indien u geen internettoegang heeft,
belt u met de Klantendienst (zie de voorkant van
deze handleiding) om uw product te registreren.
1

6
2
3
5
1
3
3. Bevestig de Achterste Stabilisator (5) aan het
Onderstel (1) met twee M8 x 16mm Schroeven
(2) en twee M8 Tussenringen (3).
4. Richt de Drager van het Zadel (32) zoals
getoond.
Zoek de Afstelknop (15) op de Buis van het
Zadel (6). Maak de Afstelknop los en trek deze
naar beneden. Steek dan de Drager van het
Zadel (32) in de Buis van het Zadel.
Schuif de Drager van het Zadel (32) naar de
gewenste positie en laat de Afstelknop (15) dan
los in een van de afstelgaten van de Drager van
het Zadel waarna u de Afstelknop weer vast
maakt. Zorg ervoor dat de Afstelknop goed
vastzit in een afstelgat.
4
32
15
6

7
6
5
15
71
5. Richt het Zadel (31) zoals getoond.
Schuif het Zadel (31) op de Drager van het
Zadel (32); zorg ervoor dat het Zadel waterpas
ligt en recht vooruit wijst. Draai dan de twee
moeren (A) onder het Zadel vast.
32
A
31
6. Richt de Buis van het Handvat (7) zoals getoond.
Zoek de Afstelknop (15) aan de voorkant van het
Onderstel (1). Maak de Afstelknop los en trek
deze naar buiten. Steek de Buis van het Handvat
(7) in het Onderstel.
Verplaats de Buis van het Handvat (7) naar
boven of naar beneden in de gewenste posi-
tie en laat de Afstelknop (15) los in een van
de afstelgaten van de Buis van het Handvat
en laat de Afstelknop los. Zorg ervoor dat de
Afstelknop goed vastzit in een afstelgat.
10
98
7
7. Plaats het Handvat (8) op de Buis van het
Handvat (7) en schuif het naar de gewenste
positie.
Maak het Handvat (8) aan de Buis van het
Handvat (7) vast met het Afstelhendel (10) en
een M10 Tussenring (9).
Aandacht: het Afstelhendel (10) werkt net als
een ratel. Draai het Afstelhandvat naar de
gewenste richting, trek het omlaag, draai het in
de tegenovergestelde richting, druk het omhoog,
en draai opnieuw naar de gewenste richting.
Herhaal dit proces zo vaak als nodig is.
7

8
8. Zoek naar het Rechter Pedaal (11).
Draai met gebruik van een Engelse sleutel het
Rechter Pedaal (11) naar rechts goed vast in
de Rechter Crankarm (49).
Draai het Linker Pedaal (niet getoond)
stevig naar links in de Linker Crankarm
(niet getoond). BELANGRIJK: u moet het
Linkerpedaal naar links draaien om het te
bevestigen.
8
10
49
11
58
61
60
8
10. Plaats het Bedieningspaneel (58) op de
Bedienings paneelbeugel (60).
Maak dan de Bedieningspaneelbeugel (60) vast
aan het Handvat (8) met twee Beugel schroeven
(61).
9. Het Bedieningspaneel (58) werkt met twee
AAA-batterijen (niet meegeleverd); alkalinebat-
terijen worden aanbevolen. Gebruik geen oude
en nieuwe batterijen of alkaline, standaard en
oplaadbare batterijen samen. BELANGRIJK:
als het bedieningspaneel is blootgesteld
aan koude temperaturen, dient u het op
kamertemperatuur te laten komen voor-
dat u er batterijen in plaatst. Anders kunt
u het bedieningspaneel of andere elektri-
sche onderdelen beschadigen. Verwijder de
batterijklep uit de achterkant van het bedie-
ningspaneel en plaats de batterijen in het
batterijvak. Richt de batterijen zoals wordt
aangegeven met de markeringen aan de
binnenkant van het batterijvak. Maak dan de
batterijklep opnieuw vast.
9
58
Batterijvak

9
11
12
11. Richt het draad (B) op de Snelheidssensor (59)
aan de linkerkant van de trainingsfiets zoals
afgebeeld.
Sluit de draad (B) op de Snelheidssensor (59)
aan op de draad van het Bedieningspaneel (58).
12. Zoek de draad (B) op de Snelheidssensor
(59) en de Clip (62) aan de linkerkant van het
Onderstel (1).
Steek de Snelheidssensor (59) vervolgens in de
Klem (63) op het Onderstel (1).
Draai vervolgens het Vliegwiel (37) totdat een
Magneet (20) op gelijke hoogte komt met de
Snelheidssensor (59).
Raadpleeg de inzet-tekening. Beweeg de
Snelheidssensor (59) zodat deze op 1–2 cm is
van de Magneet (20).
13. Nadat de trainingsfiets is gemonteerd, controleert u of deze juist is gemonteerd en goed werkt. Zorg
ervoor dat alle onderdelen van de trainingsfiets goed vastgedraaid worden. Er kunnen extra onderdelen
zijn meegeleverd. Leg een matje onder de trainingsfiets om uw vloer niet te beschadigen.
58
59
B
62
B
37
1
59 20
63 20
59

10
DE HOEK VAN HET ZADEL AFSTELLEN
U kunt de hoek van het zadel afstellen in de meest
comfortabele positie. U kunt uw zadel ook naar voren
of achteren schuiven om uw comfort te verhogen, of
om de afstand tot het handvat af te stellen.
Raadpleeg montagestap 5 op bladzijde 7 om het zadel
af te stellen. Draai de twee moeren op de zadelklem
een paar draaien los, en kantel het zadel omhoog of
omlaag of schuif het zadel naar voren of naar achteren
naar de gewenste stand. Maak de moeren weer vast.
DE FIETS WATERPAS STELLEN
Indien de trainingsfiets enigszins schommelt op de
vloer tijdens gebruik, dient u één of beide stelvoeten
onder de voorste of achterste stabilisator te draaien tot
de speling weg is (zie de tekening op bladzijde 4).
DE POSITIE VAN HET ZADEL HORIZONTAAL
AFSTELLEN
Om de positie van het
zadel af te stellen,
draait u de afstelknop
van het zadel eerst
met een paar slagen
los en duwt u het
omlaag. Beweeg het
zadel naar voren of
naar achteren in de
gewenste positie, laat
de afstelknop in een
van de afstelgaten
in de drager van het zadel los en draai de afstelknop
opnieuw vast. Zorg ervoor dat de afstelknop goed
vastzit in het afstelgat.
DE BUIS VAN HET ZADEL AFSTELLEN
Voor een effectieve oefening moet het zadel op de
juiste hoogte zijn. Wanneer de pedalen in de laagste
stand staan moeten uw knieën tijdens het fietsen wat
gebogen zijn.
Om de hoogte
van het zadel af
te stellen, draait u
de afstelknop van
het zadel eerst met
een paar slagen los
en duwt u het naar
buiten. Beweeg de
stang van het zadel
omhoog of omlaag,
laat de afstelknop in
een van de afstelga-
ten in de stang van het zadel los en draai de afstelknop
opnieuw vast. Zorg ervoor dat de afstelknop goed
vastzit in het afstelgat.
DE POSITIE VAN HET HANDVAT HORIZONTAAL
AFSTELLEN
Om de stand van
het handvat horizon-
taal aan te passen,
draait u de afstelknop
los, beweegt u het
handvat naar voren
of naar achteren naar
de gewenste positie
en draait u de afstel-
knop weer stevig
vast.
Aandacht: de afstelhendel werkt als een ratel. Zie mon-
tagestap 7 op bladzijde 7 voor een uitleg.
HOE DE TRAININGSFIETS TE GEBRUIKEN
Knop
Knop
Hendel

11
DE BUIS VAN HANDVAT AFSTELLEN
Om de hoogte van
de buis van het
handvat af te stellen,
draait u de afstelknop
eerst met een paar
slagen los en duwt
u het naar buiten.
Beweeg de buis van
het handvat naar
omhoog of omlaag in
de gewenste positie, laat de afstelknop in een van de
afstelgaten in de buis van het handvat los en draai de
afstelknop opnieuw vast. Zorg ervoor dat de afstel-
knop goed vastzit in het afstelgat.
DE PEDAALWEERSTAND INSTELLEN
Om de weerstand
van de pedalen te
verhogen moet u de
weerstandsknop met
de klok mee draaien.
Om de weerstand te
verlagen moet u de
weerstandknop naar
links draaien.
Om het vliegwiel te stoppen, drukt u de weer-
standsknop omlaag. Het vliegwiel moet geheel tot
stilstand gebracht worden.
BELANGRIJK: als de trainingsfiets niet wordt
gebruikt, draait u de weerstandsknop helemaal
vast.
DE TRAININGSFIETS ONDERHOUDEN
Bekijk de onderdelen van de trainingsfiets regelmatig
en draai ze goed vast. Vervang versleten onderdelen
meteen.
Gebruik een vochtige doek en een klein beetje milde
zeep om de trainingsfiets te reinigen. BELANGRIJK:
houd vloeistoffen uit de buurt van het bedie-
ningspaneel om schade te voorkomen. Houd het
bedieningspaneel uit direct zonlicht.
PROBLEMEN MET HET BEDIENINGSPANEEL
OPLOSSEN
Wanneer het bedieningspaneel niet goed meer oplicht
moeten de batterijen vervangen worden (zie montage-
stap 9 op bladzijde 8). De meeste problemen ontstaan
door lege batterijen.
DE SNELHEIDSENSOR AFSTELLEN
Wanneer het bedieningspaneel gegevens niet goed
aangeeft, moet u de snelheidssensor afstellen.
Raadpleeg stap 12 op bladzijde 9 om de batterijen
te vervangen. Schuif de Snelheidssensor (59) wat
dichter naar of verder van de Magneet (20). Draai even
aan het Vliegwiel (37).
Herhaal deze procedure tot het bedieningspaneel de
juiste feedback weergeeft.
Knop
Weerstands-
knop

12
FUNCTIES VAN HET BEDIENINGSPANEEL
Het makkelijk te gebruiken bedieningspaneel heeft vijf
modi die een directe oefeningfeedback geven tijdens
uw oefeningen.
Scan (SCAN)—deze modus geeft de snelheid, tijd,
afstand, calorieën, helling en odometermodi weer, elk
voor een paar seconden in een herhalende cyclus.
Tijd (TIME)—deze modus geeft de verstreken tijd
weer. Aandacht: indien u een tijdsdoel instelt (zie stap
2 op deze bladzijde), zal deze display de resterende
tijd van uw oefening weergeven.
Snelheid (SPEED)—deze modus toont uw trapsnel-
heid in kilometers per uur.
Afstand (DIS)—deze modus toont de afstand die
u heeft gefietst tijdens uw oefening in kilometers.
Aandacht: indien u een afstandsdoel instelt (zie stap 2
op deze bladzijde), zal deze display de resterende tijd
van uw oefening weergeven.
Calorieën (CAL)—deze modus toont het geschatte
aantal calorieën dat u heeft verbrand tijdens uw oefe-
ning. Aandacht: indien u een calorieverbrandingsdoel
instelt (zie stap 2 op deze bladzijde), zal deze display
het aantal te verbranden calorieën van uw oefening
weergeven.
Odometer (ODO)—deze modus toont de totale
afstand in kilometers, die zijn gefietst sinds de laatste
keer waarop de odometer is gereset. Aandacht: om de
odometer te resetten haalt u de batterijen uit het bedie-
ningspaneel en plaatst ze weer terug.
HET BEDIENINGSPANEEL GEBRUIKEN
Zorg ervoor dat de batterijen (niet meegeleverd) in het
bedieningspaneel zijn geplaatst (zie montagestap 9 op
bladzijde 8). Als er een velletje plastic op het bedie-
ningspaneel zit, verwijder dat dan.
1. Schakel het bedieningspaneel in.
Druk, om het bedieningpaneel in werking te stellen,
op een toets of begin gewoon te trappen.
2. Stel indien gewenst een oefening in.
Om een tijd-, afstand- of calorieverbrandingsdoel
voor uw oefening in te stellen druk u herhaaldelijk
op de toets Mode (modus) tot het woord TIME, DIS
of CAL in de display verschijnt. Zorg ervoor dat
het woord SCAN niet in de display verschijnt.
Druk vervolgens herhaaldelijk op de toets Set
(instellen) om een doel in te stellen. Om snel een
doel in te stellen houd u de toets Set ingedrukt. Om
het doel te resetten, houd u de toets Mode enkele
seconden ingedrukt tot nullen verschijnen op de
display.
3. Begin met fietsen en volg uw vorderingen op de
displays.
Modus scan—om een scanmodus te selecteren
drukt u herhaaldelijk op de toets Mode tot het
woord SCAN in de display verschijnt.
Modus tijd, snelheid, afstand, calorieën of odo-
meter—om een van deze modi voor doorlopende
weergave te selecteren, drukt u herhaaldelijk op de
toets Mode tot de naam van de gewenste modus
op het display verschijnt. Zorg ervoor dat het woord
SCAN niet in de display verschijnt.
Het bedieningspaneel zal tijdens uw oefening con-
stant informatie over uw oefening geven.
Wanneer er geen oefeningsdoel is ingesteld,
verschijnt er een pijl die omhoog wijst in de
display als de tijd, afstand, of caloriemodus is
geselecteerd. Wanneer er een oefeningsdoel is
ingesteld, verschijnt er een pijl die omlaag wijst in
de display als de tijd, afstand, of caloriemodus is
geselecteerd.
Indien u een oefeningsdoel heeft ingesteld, zal
het display aftellen en nullen tonen als uw doel is
bereikt, als u verdergaat met de oefening, zal de
display verder tellen.
4. Het bedieningspaneel zal automatisch uitgaan
wanneer u klaar bent met uw oefening.
Als de pedalen een aantal seconden niet bewegen,
zal het bedieningspaneel pauzeren.
Het bedieningspaneel heeft een automatische uit-
schakelfunctie. Als de pedalen niet bewegen en de
toetsen van het bedieningspaneel een paar minu-
ten niet worden ingedrukt gaat het paneel uit om de
batterijen te sparen.

13
Deze richtlijnen helpen u bij het plannen van uw
oefeningenprogramma. Voor meer gedetailleerde
oefeninginformatie, dient u een erkend boek te kopen
of uw arts te consulteren. Onthoud dat goede voeding
en voldoende rust essentieel zijn voor succesvolle
resultaten.
INTENSITEIT VAN OEFENINGEN
Of het nu uw doel is om vet te verbranden of om uw
hart en vaatsysteem te versterken, het uitvoeren van
oefeningen met de juiste intensiteit is de sleutel bij het
bereiken van resultaten. U kunt uw hartslag gebruiken
als gids voor het vinden van het juiste intensiteitniveau.
De grafiek hieronder toont de aanbevolen hartslagen
voor het verbranden van vet en voor een aerobic
oefening.
Voor het vinden van het juiste intensiteitniveau, zoekt
u uw leeftijd onderaan de grafiek (leeftijden worden
afgerond naar het dichtstbijzijnde tiental). De drie get-
allen boven uw leeftijd bepalen uw “trainingszone.” Het
laagste nummer is uw hartslag voor het verbranden
van vet, het middelste nummer is uw hartslag voor het
maximaal verbranden van vet en het hoogste nummer
is de hartslag voor de aerobic-oefening.
Vet verbranden—om op doeltreffende wijze vet te
verbranden moet u gedurende een aanhoudende
periode oefeningen doen op een laag intensiteitniveau.
Tijdens de eerste minuten van de oefening gebruikt
uw lichaam koolhydraatcalorieën voor de energie. Pas
na de eerste minuten van de oefening gebruikt uw
lichaam opgeslagen vetcalorieën voor de energie. Als
het uw doel is om vet te verbranden dient u de intensit-
eit van de oefening aan te passen tot uw hartslag zich
bij het laagste nummer in uw trainingszone bevindt.
Voor maximale vetverbranding, dient u te oefenen
met uw hartslag in het middelste nummer van uw
trainingszone.
Aerobic-oefening—als het uw doel is om uw hart
en vaatsysteem te versterken dan moet u een aer-
obic-oefening uitvoeren die zorgt voor activiteit die
gedurende langere perioden grote hoeveelheden
zuurstof vereist. Voor een aerobic-oefening past
u de intensiteit van uw oefening aan tot uw hart-
slag in de buurt is van het hoogste nummer van uw
trainingszone.
HET METEN VAN UW HARTSLAG
Om uw hartslag te
meten dient u de
oefening minstens vier
minuten uit te voeren.
Stop dan met oefenen
en plaats twee vingers
op uw pols zoals
afgebeeld. Neem uw
hartslag gedurende zes seconden op en vermenigvul-
dig het resultaat met tien om uw hartslag te weten. Als
u bijvoorbeeld 14 hartslagen voelt in zes seconden tijd,
dan is uw hartslag 140 slagen per minuut.
RICHTLIJNEN VOOR EEN TRAINING
Warming up—start met strekken en lichte oefeningen
gedurende 5 tot 10 minuten. Een warming-up zorgt dat
u uw lichaamstemperatuur, hartslag en bloeddoorstro-
ming verhoogt ter voorbereiding op de training.
Trainingszone-oefening—oefen gedurende 20 tot
30 minuten met uw hartslag in uw trainingszone.
(Gedurende de eerste weken van uw oefeningen-
programma, dient u uw hartslag niet langer dan 20
minuten in uw trainingszone te houden.) Adem regel-
matig en diep bij het uitvoeren van de oefening; houd
uw adem niet in.
Afkoelen—eindig met 5 tot 10 minuten strekken.
Strekken verhoogt de flexibiliteit van de spieren en
helpt problemen na de oefening voorkomen.
FREQUENTIE VAN DE OEFENINGEN
Om uw conditie te behouden of te verbeteren dient u
drie trainingen per week te doen, met ten minste één
rustdag tussen de trainingen. Na een aantal maanden
regelmatig oefeningen doen, kunt u, als u dat wenst,
tot vijf trainingen per week doen. Onthoud dat het
dagelijks regelmatig oefeningen doen en hier plezier in
hebben, de sleutel tot uw succes is.
RICHTLIJNEN VOOR HET OEFENEN
WAARSCHUWING:
Voordat u begint met dit of een ander
oefeningenprogramma, dient u een arts te
consulteren. Dit is vooral belangrijk voor
personen boven de 35 jaar of personen met
bestaande gezondheidsproblemen.

14
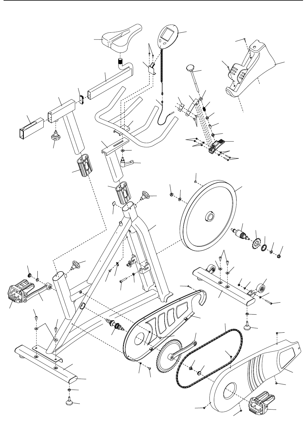
1 1 Onderstel
2 4 M8 x 16mm Schroef
3 8 M8 Tussenring
4 1 Voorste Stabilisator
5 1 Achterste Stabilisator
6 1 Buis van het Zadel
7 1 Buis van het Handvat
8 1 Handvat
9 1 M10 Tussenring
10 1 Afstelhendel
11 1 Rechter Pedaal
12 1 Linker Pedaal
13 2 M10 Flensmoer
14 6 #8 x 20mm Schroef
15 3 Afstelknop
16 1 Rempadmodule
17 2 M5 Slotmoer
18 6 M5 Tussenring
19 2 M5 x 30mm Bout
20 1 Magneet
21 1 Rembeugel
22 2 M10 Grote Tussenring
23 1 Accessoireshouder
24 1 Weerstandknop
25 1 Vierkant Tussenstuk
26 1 Veer
27 1 3/8" Dunne Moer
28 1 Weerstandtussenstuk
29 1 Dop van de Drager
30 1 Huls van de Drager
31 1 Zadel
32 1 Drager van het Zadel
33 1 3/8" Nootmoer
34 1 Borgring
35 1 Kettingwiel
36 1 Hubset
37 1 Vliegwiel
38 5 #10 x 12mm Schroef
39 1 Scherm van de Buitenketting
40 1 Ketting
41 4 Stabilisatorkap
42 1 Scherm van de Binnenketting
43 1 #12 x 15mm Schroef
44 1 Rembeugelpad
45 2 Crankkap
46 2 M8 Flensmoer
47 1 Linkercrankarm
48 1 Onderste Beugel
49 1 Rechter Crankarm/Kettingwiel
50 2 M8 x 45mm Bout
51 2 Huls van het Onderstel
52 2 Wiel
53 2 M8 Borgmoer
54 2 M8 Moer
55 4 Stelvoet
56 2 M8 x 40mm Bout
57 4 3/8" Moer
58 1 Bedieningspaneel
59 1 Snelheidssensor/Draad
60 1 Bedieningspaneelbeugel
61 2 Beugelschroef
62 1 Clip
63 1 Klem
64 1 M4 x 12mm Schroef
* – Gereedschap voor het Monteren
* – Gebruikershandleiding
LIJST MET ONDERDELEN Modelnr. PFEVEX74915.0 R0415A
Nr. Aant. Beschrijving Nr. Aant. Beschrijving
Aandacht: deze technische gegevens kunnen zonder voorafgaande kennisgeving worden gewijzigd. Kijk op de
achterkant van deze gebruiksaanwijzing voor informatie over te bestellen onderdelen. *Deze onderdelen worden
niet getoond.

15
1
3
3
3
3
3
6
8
10
12
5
2
2
2
4
7
9
11
14
14
16
18 18
18
18
19
13
13
15
15
15
17
14
21
23
26
28
30
32
25
22
22
24
27
29
31
34
36
38
38
38
38
38
39
33
35
37
40
14
14
43
46
46
50
52
45
45
42
44
58
59
60
61
47
49
51
51
54
56
41
53
55
55
57
57
62
20
64 63
48
GEDETAILLEERDE TEKENING Modelnr. PFEVEX74915.0 R0415A

Dit elektronische product mag niet bij het gemeentelijk afval worden gegooid.
Om het milieu te beschermen, moet dit product volgens de wet worden gere-
cycleerd aan het einde van de levenscyclus.
Maak gebruik van installaties voor hergebruik die bevoegd zijn voor het ver-
werken van dit soort afval in uw streek. Zo helpt u het milieu te beschermen en de
Europese normen voor milieubescherming te verbeteren. Als u meer informatie
nodig hebt over veilige en correcte afvalverwijdering, neem dan contact op met uw
plaatselijke gemeentedienst of de winkel waar u dit product hebt gekocht.
RECYCLING INFORMATIE
Bekijk de omslag van deze handleiding voor het bestellen van vervangende onderdelen. Zorg ervoor dat u de vol-
gende informatie bij de hand hebt wanneer u contact met ons opneemt:
• het modelnummer en het serienummer van het apparaat (raadpleeg de omslag van deze handleiding)
• de naam van het apparaat (raadpleeg de omslag van deze handleiding)
• het nummer van het onderdeel en de beschrijving (zie LIJST MET ONDERDELEN en GEDETAILLEERDE
TEKENING aan het eind van deze handleiding)
HET BESTELLEN VAN ONDERDELEN
Onderdeel Nr. 369477 R0415A Gedrukt in China © 2015 ICON Health & Fitness, Inc.