Proform Pfex023090 290 Csr Bike Users Manual *PFEX17930 197663
2015-04-14
: Proform Proform-Pfex023090-290-Csr-Bike-Users-Manual-701128 proform-pfex023090-290-csr-bike-users-manual-701128 proform pdf
Open the PDF directly: View PDF
.
Page Count: 28

MANUAL DEL USUARIO
Calcomanía
con el Número
de Serie
PRECAUCIÓN
Antes de usar el equipo, lea cui-
dadosamente todas las
advertencias e instrucciones de
este manual. Guarde el manual
para futuras referencias.
Nº de Modelo PFEX02309.0
Nº de Serie
Escriba el número de serie en el
espacio de arriba.
¿PREGUNTAS?
Si tiene alguna pregunta, o si faltan
piezas o están dañadas, por favor
llame al:
Servicio Técnico:
MEXICO- 01-800-681-9542
servicio@iconfitness.com
Tecnoservicio
Tenayuca 55 “A” Mez. 1
Col. Letran Valle
Del. Benito Juarez
Mexico DF C.P. 03650

2
CONTENIDO
COLOCACIÓNDELACALCOMANÍADEADVERTENCIA ..........................................2
PRECAUCIONESIMPORTANTES.............................................................3
ANTESDECOMENZAR ....................................................................4
MONTAJE ................................................................................5
CÓMOUSARLABICICLETADEEJERCICIOS..................................................12
MANTENIMIENTOYPROBLEMAS ...........................................................23
GUÍADEEJERCICIOS.....................................................................24
LISTADELASPIEZAS.....................................................................25
DIBUJODELASPIEZAS ...................................................................26
CÓMO ORDENAR PIEZAS DE REPUESTO . . . . . . . . . . . . . . . . . . . . . . . . . . . . . . . . . . . . . . . . . .Contraportada
GARANTÍALIMITADA ............................................................Contraportada
COLOCACIÓN DE LA CALCOMANÍA DE ADVERTENCIA
Este dibujo muestra la ubicación de la calcoma-
nía de advertencia. Si falta una calcomanía o
ésta es ilegible, vea la portada de este manual
y solicite una nueva calcomanía de reemplazo
gratuita. Péguela en el lugar indicado. Nota: La
calcomanía puede no mostrarse en su tamaño
real.
PROFORM es una marca registrada de ICON IP, Inc.

3
ADVERTENCIA: Para reducir el riesgo de lesiones graves, lea todas las precaucio-
nes e instrucciones importantes de este manual y todas los advertencias que se observan en su
bicicleta de ejercicios antes de utilizarlo. ICON no asume ninguna responsabilidad por lesiones per-
sonales o daños a la propiedad que ocurran por el uso de este producto o a través del mismo.
1. Antes de iniciar cualquier programa de ejer-
cicios consulte con su médico. Esto es
especialmente importante para personas de
edades superiores a 35 años o para aquellos
que tengan problemas previos de salud.
2. Use la bicicleta de ejercicios solamente
como se describe en este manual.
3. Es la responsabilidad del propietario asegu-
rarse de que todos los usuarios de la
bicicleta de ejercicios estén adecuadamente
informados sobre todas las precauciones.
4. La bicicleta de ejercicios está diseñada sola-
mente para uso doméstico. No use la
bicicleta de ejercicios en un lugar comercial,
de alquiler o institucional.
5. Mantenga la bicicleta de ejercicios bajo
techo, lejos de la humedad y el polvo.
Coloque la bicicleta de ejercicios en una
superficie nivelada con un tapete debajo
para proteger el piso o la alfombra.
Asegúrese de que haya por lo menos 0.6 m
de espacio libre alrededor de su bicicleta de
ejercicios.
6. Inspeccione y ajuste adecuadamente todas
las piezas de manera regular. Reemplace
inmediatamente cualquier pieza desgastada.
7. Mantenga a los niños menores de 12 años y
animales domésticos alejados de la bicicleta
de ejercicios en todo momento.
8. Use ropa adecuada mientras hace ejercicios;
no use ropa suelta que pueda engancharse
en la bicicleta de ejercicios. Use siempre
calzado atlético para proteger sus pies.
9. La bicicleta de ejercicios no debe ser usada
por personas que pesen más de 136 kg.
10. El sensor de pulso no es un aparato médico.
Varios factores, incluyendo el mismo
movimiento del usuario, pueden afectar la
exactitud de la lectura del pulso. El sensor
de pulso está diseñado únicamente como
ayuda para el ejercicio, determinando las
tendencias del ritmo cardíaco en general.
11. Siempre mantenga su espalda en una posi-
ción recta cuando use la bicicleta de
ejercicios; no arquee la espalda.
12. El ejercitar de más puede causar lesiones
serias o incluso la muerte. Si siente mareos
o dolor mientras hace ejercicios, deténgase
inmediatamente y descanse.
PRECAUCIONES IMPORTANTES

4
*No incluye la botella de agua
Baranda
Asiento
Sensor de Pulso del Mango
Mango del Asiento
Pedal/Correa
Rueda
Pata de Nivelación
Perilla del
Montante Vertical
Consola
Respaldo
Manubrio
Porta Botella de Agua*
ANTES DE COMENZAR
Control de los Juegos
Gracias por seleccionar la revolucionaria bicicleta de
ejercicios PROFORM®290 CSR. El ciclismo es un
ejercicio efectivo para mejorar el estado físico cardio-
vascular, ganar resistencia y tonificar el cuerpo. La
bicicleta de ejercicios 290 CSR proporciona una gran
selección de características diseñadas para que sus
entrenamientos en casa sean más efectivos y agrad-
ables.
Para su beneficio, lea el manual cuidadosamente
antes de usar la bicicleta de ejercicios. Si tiene pre-
guntas después de leer este manual, por favor vea la
portada de este manual. Para ayudarnos a asistirlos,
anote el número de modelo y el número de serie del
producto antes de contactarnos. El número del
modelo y la ubicación del número de serie se mues-
tran en la portada de éste manual.
Antes de seguir leyendo, por favor estudie el dibujo de
abajo y familiarícese con las piezas y sus nombres.

5
Juego de Pernos de M10 x 63mm (62)–1
Tornillo con Nylon de
M8 x 50mm (52)–4
Tornillo con Nylon de
M6 x 42mm (51)–2
Perno Botón de M8 x
53mm (72)–2
Tornillo con Nylon de
M8 x 16mm (54)–6
Arandela
Dividida de M8
(55)–10
Arandela de
M6 (44)–4
Tornillo con Nylon de
M6 x 38mm (81)–4
Contratuerca
de Bloqueo de
M8 (89)–2
Contratuerca
de M10 (87)–2
Tornillo con Nylon de
M6 x 18mm (77)–2
Perno Botón de
M10 x 32mm
(78)–2
Tornillo Dentado
de M4 x 16mm
(80)–4
Tornillo de
M4 x 8mm
(92)–1
MONTAJE
Para el montaje se necesitan dos personas. Coloque todos las piezas de la bicicleta de ejercicios en un área
despejada y retire los materiales de embalaje. No se deshaga de los materiales de embalaje hasta haber termi-
nado el montaje.
Además de la(s) herramienta(s) incluida(s), el montaje requiere de un destornillador estrella ,
una llave inglesa y un mazo de goma .
Cuando ensamble la bicicleta de ejercicios, use los dibujos que se muestran abajo para identificar las piezas
pequeñas. El número entre paréntesis que hay debajo de cada dibujo es el número de la pieza en la LISTA DE
LAS PIEZAS hacia el final de este manual. El número que aparece después del paréntesis es la cantidad nece-
saria para el montaje. Nota: Algunas piezas pequeñas pueden haberse preensamblado.

6
1.
Oriente el Estabilizador Delantero Derecho (40)
como se muestra.
Conecte el Estabilizador Delantero Derecho
(40) al lado derecho de la Armadura (1) con
tres Tornillos con Nylon de M8 x 16mm (54) y
tres Arandelas Divididas de M8 (55).
Conecte el Estabilizador Delantero Izquierdo
(no mostrado) de la misma manera.
40
54
1
1
55 55
54
2. Mientras que otra persona levanta el lado de
atrás de la Armadura (1), conecte el
Estabilizador Trasero (16) a la Armadura con
cuatro Tornillos con Nylon de M8 x 50mm (52) y
cuatro Arandelas Divididas de M8 (55).
2
55
55
16
52
1
Para facilitar el montaje, lea la informa-
ción en la página 5 antes de comenzar.

7
3
2
Evite pellizcar los
Cableados
Eléctricos (42, 43)
1
3. Mientras que otra persona sostiene el Montante
Vertical (2) cerca a la Armadura (1), localice la
atadura de cables dentro del Montante Vertical.
Vea el dibujo insertado. Amarre el extremo
inferior de la atadura de cables a los extremos
de los Cableados Principales de los
Juegos/Pulso (42, 43). Entonces, jale del otro
extremo de la atadura de cables hacia arriba
hasta que los Cableados Eléctricos estén com-
pletamente encaminados por el Montante
Vertical (2).
Clave: No pellizque los Cableados Eléctricos
(42, 43). Conecte el Montante Vertical (2) a la
Armadura (1) con un Juego de Pernos de M10
x 63mm (62).
62
42
62
42, 43
43 Atadura
de Cables
4. Identifique las Barandas Derecha e Izquierda
(59, 60), las cuales están marcadas con una
calcomanía “Derecha” e “izquierda”.
Clave: No dañe los Cableados Eléctricos (42,
43). Conecte las Barandas (59, 60) al Montante
Vertical (2) con dos Pernos Botón de M8 x
53mm (72) y dos Contratuercas de Bloqueo de
M8 (89).
4
59
2
60
89
72
42
43
Evite pellizcar los
Cableados
Eléctricos (42, 43)

8
5. Mientras que otra persona sostiene la Consola
(4) cerca al Montante Vertical (2), conecte los
cableados eléctricos de la Consola a los
Cableados Eléctricos (42, 43); asegúrese de
conectar el cable de la consola el cual tiene
una etiqueta, al cable del juego que tiene
una etiqueta. Inserte el cable que sobra dentro
del Montante Vertical.
Clave: No pellizque los Cableados Eléctricos
(42, 43). Conecte la Consola (4) en el Montante
Vertical (2). Presione la Consola hacia arriba de
manera que el borde inferior del indicado
soporte esté insertado dentro de la parte de
atrás de la Consola. Asegúrese que los orifi-
cios de la Consola y los orificios del
Montante Vertical estén alineados.
Conecte la Consola (4) al Montante Vertical (2)
con cuatro Tornillos Dentados de M4 x 16mm
(80).
2
5
4
42
80
80
Evite pellizcar los
Cableados
Eléctricos (42, 43)
43
6. Nota: El dibujo a la derecha muestra la bici-
cleta de ejercicios de frente.
Localice el orificio de Acceso y el Tornillo de M4
x 8mm (92) en el Montante Vertical (2). Nota: Si
no encuentra el Tornillo, use el Tornillo extra de
M4 x 8mm (92) en el estuche de las piezas.
Sostenga la Cubierta del Montante Vertical
Trasera (90) contra el Montante Vertical (2) y
las Barandas (59, 60).
Clave: No dañe los Cableados Eléctricos (no
mostrado) dentro del Montante Vertical (2).
Inserte un destornillador Phillips dentro del orifi-
cio de acceso, y ajuste el Tornillo de M4 x 8mm
(92) dentro del poste de plástico en la Cubierta
Trasera del Montante Vertical (90).
Entonces, sostenga la Cubierta Delantera del
Montante Vertical (91) contra el Montante
Vertical (2) y las Barandas (59, 60). Presione
las lengüetas en la Cubierta del Montante
Vertical Delantero dentro de la Cubierta Trasera
del Montante Vertical (90).
6
92 2
91
Orificio de
Acceso
Soporte
Poste de
Plástico
60
59
90

9
7. Identifique y oriente la Baranda del Asiento (11)
de manera que los controles miren hacia arriba.
Asegúrese de que los orificios hexagonales
estén en los lugares indicados.
Clave: No pellizque el Cable de Juego/Pulso
(58). Conecte la Baranda del Asiento (11) al
Porta Asiento (3) con dos Pernos Botón de M10
x 32mm (78) y dos Contratuercas de M10 (87).
Todavía no ajuste completamente las con-
tratuercas.
7
11
Control
Orificios
Hexagonales
Control
78
58
87
3
Evite pellizca el
Cable de
Juego/Pulso (58)
8. Clave: No pellizque el Cable de Juego/Pulso
(58). Conecte el Respaldo (8) al Porta Asiento
(3) con dos Tornillos con Nylon de M6 x 18mm
(77) y dos Tornillos con Nylon de M6 x 42mm
(51).
Clave: Primero ajuste los Tornillos con
Nylon de M6 x 18mm (77), y entonces ajuste
los Tornillos con Nylon de M6 x 42mm (51).
Vea el paso 7. Ajuste las Contratuercas de M10
(87).
8
877
51
3
58

10
9
9. Conecte el Asiento (9) al Porta Asiento (3) con
cuatro Tornillos con Nylon de M6 x 38mm (81) y
cuatro Arandelas de M6 (44) (solo se muestran
dos de cada uno). Nota: Los Tornillos con
Nylon y las Arandelas pueden ya estar
conectados a la superficie inferior del
Asiento.
9
44
81
44
3
10. Enchufe el Cable de Juego/Pulso (58) dentro
del Receptáculo de Juego/Pulso (79) situado en
el Protector Izquierdo (26).
10
58
26
79

11
11. Identifique el Pedal Derecho (21), el cual está
marcado con una "R".
Con una llave inglesa, ajuste firmemente el
Pedal Derecho (21), en dirección de las agujas
del reloj dentro de la Manivela Derecha (23).
Ajuste el Pedal Izquierdo (que no se muestra),
en dirección opuesta a las agujas del reloj den-
tro de la Manivela Izquierda (que no se
muestra). IMPORTANTE: Ajuste ambos
Pedales lo más firme posible. Después de
usar la bicicleta de ejercicios por una sem-
ana, vuelva a ajustar los Pedales.
Para aflojar la correa del Pedal Derecho (21),
presione la lengüeta indicada y jale la correa
hacia arriba. Para ajustar la correa, simple-
mente jale el extremo de la correa hacia abajo.
Ajuste la correa del Pedal Izquierdo (que no
se muestra) de la misma manera.
11
13. Asegúrese de que todas las piezas estén correctamente ajustadas antes de usar la bicicleta de ejer-
cicios. Nota: Después de que haya finalizado con el montaje, puede que sobren algunas piezas. Coloque
un tapete debajo de la bicicleta de ejercicios para proteger el piso o la alfombra.
21
23
Correa
Lengüeta
12
12. Enchufe el Adaptador de Corriente (93) dentro
del enchufe que está atrás de la Consola (4).
Para enchufar el Adaptador de Corriente (112)
dentro de un toma corriente, vea CÓMO
CONECTAR EL ADAPTADOR DE CORRIENTE
en la página 12.
Vea el dibujo insertado. La Consola (4) puede
también funcionar con cuatro pilas D (no inclui-
das); se recomiendan pilas alcalinas.
IMPORTANTE: Si la bicicleta de ejercicios ha
sido expuesta a bajas temperaturas, deje
que alcance la temperatura del ambiente
antes de insertar las pilas. Si no hace esto,
puede dañar las pantallas de la consola u
otros componentes eléctricos.
Para insertar las pilas, primero retire el tornillo
indicado y la cubierta de las pilas. Luego,
inserte la pilas dentro del compartimiento de
pilas. Entonces, vuelva a colocar la cubierta de
las pilas. Asegúrese de orientar las pilas
como se muestra en el diagrama dentro del
compartimento de pilas.
93
4
4
Pilas
Pilas
Tornillo Cubierta de
las Pilas

12
CÓMO ENCHUFAR EL ADAPTADOR DE CORRI-
ENTE
IMPORTANTE: Si la bicicleta de ejercicios ha
estado expuesta a temperaturas frías, deje que
alcance la temperatura del ambiente antes de
enchufar el adaptador de corriente. Si no hace
esto, puede dañar las pantallas de la consola u
otros componentes eléctricos.
Enchufe el adapta-
dor de corriente
dentro de un
enchufe en la parte
de atrás de la con-
sola. Entonces,
enchufe el adapta-
dor de corriente
dentro de un toma-
corriente apropiado
que esté adecuadamente instalado de acuerdo con
todos los códigos y ordenanzas locales.
CÓMO AJUSTAR EL ASIENTO
El asiento puede ajustarse hacia adelante o hacia
atrás, a la posición que sea más cómoda. Para ajustar
el asiento, empuje hacia abajo el manubrio del
asiento. deslice el asiento a la posición deseada, y
entonces jale hacia arriba el manubrio para asegurar
el asiento en su lugar.
CÓMO AJUSTAR EL MONTANTE VERTICAL
El montante vertical
puede ajustarse al
ángulo que sea
más cómodo.
Primero, levante el
montante vertical
de manera que no
esté descansando
en la perilla del
montante vertical.
Luego, gire la per-
illa del montante
vertical en dirección
de las agujas del reloj o en dirección opuesta a las
agujas del reloj. Entonces, descanse el montante ver-
tical en la perilla del montante vertical.
CÓMO AJUSTAR LAS CORREAS DE LOS
PEDALES
Para aflojar la cor-
rea de un pedal,
presione la
lengüeta indicada y
jale la correa hacia
arriba. Para ajustar
la correa, simple-
mente jale el
extremo de la
lengüeta hacia
abajo.
CÓMO MOVER Y NIVELAR LA BICICLETA DE
EJERCICIOS
Para mover la bici-
cleta de ejercicios,
sostenga el
manubrio en la
parte de atrás del
estabilizador y
cuidadosamente
levántela hasta que
la bicicleta de ejer-
cicios pueda
moverse en la ruedas delanteras. Cuidadosamente
mueva la bicicleta de ejercicios al lugar deseado y
entonces bájela.
Si la bicicleta de ejercicios se mece ligeramente en el
piso durante su uso, gire uno o ambos patas de
nivelación ubicadas debajo del estabilizador delantero
hasta que el movimiento sea eliminado.
Correa
del
Pedal
Lengüeta
Asiento
Perilla del
Montante
Vertical
Montante
Vertical
CÓMO USAR LA BICICLETA DE EJERCICIOS
Manubrio
Adaptador de Corriente
Manubrio

13
CARACTERÍSTICAS DE LA CONSOLA
Esta consola revolucionaria ofrece una variedad de
funciones diseñadas para un entrenamiento más efec-
tivo y agradable.
Cuando use la función manual de la consola, podrá
cambiar la resistencia de los pedales al sólo tocar un
botón. A medida que ejercita, la consola mostrará con-
tinuamente los resultados de su ejercicio. Podrá
incluso medir su ritmo cardíaco usando el sensor de
pulso del mango.
La consola ofrece veinte entrenamientos preajusta-
dos. Cada entrenamiento cambia automáticamente la
resistencia de los pedales y le indica cuando variar la
velocidad de su pedaleo a medida que lo guía por un
entrenamiento efectivo.
La consola también presenta cuatro juegos interac-
tivos de motivación. Usando los controles para juegos
dobles, juegue el desafiante Bloqueador de Grasa o el
juego de ritmo rápido Destructor de Calorías durante
sus entrenamientos — cuanto más difícil ejercita, más
favorable será su ventaja! O, use su ingenio y la inter-
activa pantalla de un toque para ganar créditos
mientras juegue el clásico de Blackjack o Texas Hold
'Em.
La consola también ofrece el Sistema de
Entrenamiento Interactivo iFit, el cual permite a la
consola aceptar tarjetas iFit que contienen entre-
namientos diseñados para ayudarle a lograr metas
específicas de buen estado físico.
Por ejemplo, pierda libras no deseadas con el entre-
namiento para Perder Peso de 8 semanas. Los
entrenamientos iFit controlan la resistencia de los
pedales mientras la voz de un entrenador personal le
asesora a través de sus entrenamientos. Las tarjetas
iFit están disponibles por separado. Para comprar
tarjetas iFit, visite a www.iFit.com o vea la portada
de este manual. Las tarjetas iFit también están
disponibles en establecimientos seleccionados.
También puede conectar su reproductor de MP3 o CD
al sistema de sonido de la consola, y escuchar su
música favorita de entrenamiento o audiolibros mien-
tras hace ejercicios.
Para usar la función manual, vea la página 14. Para
usar un entrenamiento preajustado, vea la página
16. Para jugar Bloqueador de Grasa, vea la página
17. Para jugar Destructor de Calorías, vea la página
18. Para jugar Blackjack, vea la página 19. Para
jugar Texas Hold 'Em, vea la página 20. Para usar
un entrenamiento iFit, vea la página 21. Para usar
el sistema de sonido, va la página 21. Para cambiar
los ajustes de la consola, vea la página 22.
Nota: Antes de usar la consola, asegúrese que el
adaptador de corriente esté enchufado o que las pilas
estén instaladas (vea las páginas 11 y 12). Si hay una
hoja de plástico en la pantalla, retire el plástico.
Botón de
la Pantalla
Botones de
Entrenamiento
Botones de
Resistencia
Botón del
Volumen
Botón del
Volumen Botón del
Juego
DIAGRAMA
DE LA
CONSOLA

14
CÓMO USAR LA FUNCIÓN MANUAL
1. Comience a pedalear o presione cualquier
botón en la consola para encender la consola.
Cada vez que encienda la consola, la pantalla se
iluminará. La consola estará entonces lista para el
uso.
2. Seleccione la función manual.
Cada vez que encienda la consola, la función
manual se seleccionará.
Si ha seleccionado un entrenamiento, presione
cualquiera de los botones de Entrenamientos
[WORKOUTS] o el botón para los Juegos de
Bienestar [FITNESS GAMES] (vea el dibujo en la
página 13) repetidamente hasta que aparezcan
ceros en la pantalla.
3. Cambie la resistencia de los pedales según lo
desee.
Mientras pedalee,
cambie la resisten-
cia de los pedales
presionando los
botones para
aumentar y dis-
minuir la resistencia (vea el dibujo en la página
13) repetidamente. Nota: Después de presionar
los botones, tomará un momento para que los
pedales alcancen el nivel de resistencia selec-
cionado.
4. Siga su progreso a través de la pantalla.
La consola ofrece varias funciones de la pantalla.
La función de la pantalla que seleccione determi-
nará qué tipo de información del entrenamiento se
mostrará. Presione el botón de la Pantalla [DIS-
PLAY] (vea el dibujo en la página 13)
repetidamente para seleccionar la función de la
pantalla que desee.
La pantalla puede mostrar la siguiente información
del entrenamiento:
Tiempo [TIME]—Cuando se seleccione la función
manual, esta pantalla mostrará el tiempo transcur-
rido. Cuando se seleccione un entrenamiento, la
pantalla mostrará el tiempo restante del entre-
namiento en lugar del tiempo transcurrido.
Velocidad [TIME]—Esta pantalla mostrará la
velocidad de su pedaleo, en millas por hora (MPH)
o kilómetros por hora (KM/H).
Distancia [DISTANCE]—Esta pantalla mostrará la
distancia que ha pedaleado, en millas o kilómet-
ros.
Calorías [CALORIES]—Esta pantalla mostrará el
número aproximado de las calorías que ha que-
mado.
Vatios [WATTS]—Esta pantalla mostrará su
aproximada producción de corriente en vatios.

15
Pulso [PULSE]—Esta pantalla mostrará su ritmo
cardíaco cuando use el sensor de pulso del
Mango (vea el paso 5 abajo).
Resistencia [RESISTANCE]—Esta pantalla
mostrará el nivel de resistencia de los pedales
durante algunos segundos cada vez que el nivel
de resistencia cambie.
Perfil [PROFILE]—Cuando se selecciones un
entrenamiento, esta pantalla mostrará una perfil
de los ajustes de la resistencia para el entre-
namiento.
Ajustes de la Pantalla [DISPLAY SETTINGS]—
La consola ofrece una función de ajustes de la
pantalla que puede ser entrada cuando las pal-
abras SOSTENGA LA PANTALLA PARA LOS
AJUSTES aparezcan en la pantalla. Para cam-
biar los ajustes de la pantalla, vea CÓMO
CAMBIAR LOS AJUSTES DE LA CONSOLA en
la página 22.
Cambie el nivel del volumen de la consola presio-
nando los botones para aumentar y disminuir el
Volumen.
Nota: La consola puede mostrar la velocidad de
pedaleo y la distancia tanto en millas como en
kilómetros. Las palabras MPH o KM/H apare-
cerán en la pantalla para mostrar que unidad de
medida ha sido seleccionada. Para cambiar la
unidad de medida, vea el paso 3 de CÓMO CAM-
BIAR LOS AJUSTES DE LA CONSOLA en la
página 22.
5. Mida su ritmo cardíaco si lo desea.
Si hay hojas de plástico en los contactos de
metal en el sensor de pulso del mango, retire
el plástico. Para medir su ritmo cardíaco,
sostenga el sensor de pulso del mango con sus
palmas reposando contra los contactos de metal.
Evite mover sus manos o apretar demasiado
los contactos.
Cuando se detecte su pulso, guiones aparecerán
en la pantalla, y entonces se mostrará su ritmo
cardiaco. Para una lectura más precisa del ritmo
cardíaco, sostenga los contactos por lo menos
durante unos 15 segundos. Nota: Si continúa
sosteniendo el sensor de pulso del mango, la
pantalla mostrará su ritmo cardíaco hasta por 30
segundos.
Si la pantalla no muestra su ritmo cardíaco,
asegúrese de que sus manos estén colocadas en
la posición como se describe. Tenga cuidado de
no mover sus manos en forma excesiva o de
apretar los contactos de metal demasiado fuerte.
Para un funcionamiento óptimo, limpie los contac-
tos de metal usando un paño suave; nunca use
alcohol, abrasivos o químicos para limpiar los
contactos.
6. Cuando termine de hacer ejercicios, la con-
sola se apagará automáticamente.
Si los pedales no se mueven durante algunos
segundos, se escuchará un tono, la consola hará
una pausa y el tiempo destellará en la pantalla.
Para reanudar el entrenamiento, simplemente
vuelva a pedalear.
Si los pedales no se mueven durante varios min-
utos y los botones no se presionan, la consola se
apagará y la pantalla se reajustará.
Contactos

16
COMO USAR UN ENTRENAMIENTO PREAJUS-
TADO
1. Comience a pedalear o presione cualquier
botón en la consola para encender la consola.
Cuando encienda la consola, la pantalla se ilumi-
nará. La consola estará entonces lista para el uso.
2. Seleccione un entrenamiento preajustado.
Para seleccionar un entrenamiento preajustado,
presione el botón Pérdida de Peso [WEIGHT
LOSS] o Aeróbico/Desempeño [AERO-
BIC/PERFORMANCE] repetidamente hasta que el
perfil del entrenamiento deseado aparezca en la
pantalla.
El tiempo del entrenamiento y un perfil de los
niveles de resistencia para el entrenamiento apa-
recerán también en la pantalla.
3. Comience a pedalear para comenzar el entre-
namiento.
Cada entrenamiento está dividido en 20 o 30 seg-
mentos de un minuto. Un nivel de resistencia y
una meta de velocidad están programados para
cada segmento. Nota: El mismo nivel de resisten-
cia y/o meta de velocidad pueden ser
programados para segmentos consecutivos.
Durante el entrenamiento, el perfil del entrena-
miento mostrará su progreso. El segmento que
destella del perfil representa el segmento actual
del entrenamiento. La altura del segmento que
destella indica el nivel de resistencia para el seg-
mento actual.
Al final de cada segmento del entrenamiento se
escuchará una serie de tonos y el próximo seg-
mento del perfil empezará a destellar. El nivel de
resistencia y la meta de velocidad también apare-
cerán en la pantalla.
Si se programa un nivel de resistencia y/o meta
de velocidad diferente para el siguiente segmento,
el nivel de resistencia y/o meta de velocidad des-
tellará en la pantalla durante algunos segundos
para avisarle. La resistencia de los pedales enton-
ces cambiará.
A medida que ejer-
cita, se le indicará
que mantenga la
velocidad de su
pedaleo cerca a la
meta de la veloci-
dad para el segmento actual. Cuando una flecha
aparezca en la pantalla apuntando hacia arriba,
aumente su velocidad. Cuando una flecha apa-
rezca en la pantalla apuntando hacia abajo,
disminuya su velocidad. Cuando no aparece nin-
guna flecha en la pantalla, mantenga su velocidad
actual.
IMPORTANTE: La meta de velocidad tiene la
intención de solamente proveer motivación. Su
velocidad actual puede ser más baja que la
meta de velocidad. Asegúrese de hacer ejerci-
cios a una velocidad que sea cómodo para
usted.
Si el nivel de resistencia para el segmento actual
es muy alto o muy bajo, usted puede manual-
mente anular el ajuste presionando los botones de
resistencia. IMPORTANTE: Cuando el segmento
actual del entrenamiento termine, los pedales
se ajustarán automáticamente al nivel de resis-
tencia para el próximo segmento.
El entrenamiento continuará de esta manera hasta
que finalice el último segmento. Para detener el
entrenamiento en cualquier momento, deje de
pedalear. Se escuchará un tono, la consola pau-
sará y el tiempo comenzará a destellar en la
pantalla. Para reiniciar el entrenamiento, simple-
mente comience a pedalear.
4. Siga su progreso a través de la pantalla.
Vea el paso 4 en la página 14.
5. Mida su ritmo cardíaco si lo desea.
Vea el paso 5 en la página 15.
6. Cuando termine de hacer ejercicios, la consola
se apagará automáticamente.
Vea el paso 6 en la página 15.
Descripción

17
COMO JUGAR BLOQUEADOR DE GRASA
El juego Bloqueador de Grasa [FAT BLOCKER] requiere
agilidad mental y reflejos rápidos. Además de los boto-
nes de la consola, usted usará los controles de juego de
cuatro botones que están en la baranda para jugar. Siga
los pasos a continuación para jugar Bloqueador de
Grasa.
1. Comience a pedalear o presione cualquier botón
en la consola para encender la consola.
Cuando encienda la consola, la pantalla se ilumi-
nará. La consola estará entonces lista para el uso.
2. Seleccione el juego Bloqueador de Grasa.
Para seleccionar el juego Bloqueador de Grasa,
presione el botón para los Juegos de Bienestar [FIT-
NESS GAMES] (vea el dibujo en la página 13)
repetidamente hasta que las palabras FAT BLOC-
KER (bloqueador de grasa) aparezcan en la
pantalla.
3. Empiece a pedalear o presione un botón en
cualquier control para comenzar el juego.
Cuando usted empiece el juego Bloqueador de
Grasa, un campo de juego aparecerá en el centro
de la pantalla.
Un bloque compuesto de cuatro o cinco cuadros
negros lentamente se moverán hacia abajo hasta
que alcance el fondo de la arena. Otro bloque ent-
onces se moverá hacia abajo. Los bloques vienen
en ocho diferentes formas. Al momento en que cada
bloque cae, usted lo puede mover hacia la izquierda
o derecha usando los botones izquierdo y derecho
en el control izquierdo. Además, usted puede girar
el bloque en dirección opuesta a las agujas del reloj,
o en dirección de las agujas del reloj, usando los
botones izquierdo y derecho en el control derecho.
Una vez que haya posicionado y orientado un blo-
que, usted puede acelerar su movimiento hasta el
fondo del campo, si lo desea, presionando el botón
bajar en cualquiera de los controles.
Su objetivo es
manipular los blo-
ques de tal forma
que formen una
hilera completa de
cuadros negros cru-
zando tod el
campo. Cada vez que usted complete una hilera de
cuadros negros, la hilera desaparecerá y todos los
bloques que están por encima bajarán una hilera.
A medida que usted juegue, los bloques caerán
rápido y más rápido; sin embargo, su ritmo del
pedaleo afectará la velocidad de los bloques —
entre más rápido pedalee, los bloques caerán más
despacio, dándole tiempo extra para posicionar y
orientar los bloques. El juego continuará hasta que
cualquier parte de los bloques apilados alcance la
parte más alta del campo.
Cuando el juego termine, la pantalla mostrará su
puntaje final y el nivel del juego que usted alcanzó.
Luego, la pantalla mostrará los cuatro puntajes más
altos registrados desde que los resultados fueron
reajustados. Si desea, presione y sostenga el botón
derecho en cualquiera de los controles para reajus-
tar los resultados. Nota: Si su puntaje es uno de los
cuatro más altos, la pantalla le pedirá que registre
un nombre consistiendo de letras o dígitos. Mientras
la línea debajo de la primera letra está destellando,
presione los botones para subir y bajar en cual-
quiera de los controles para seleccionar la letra o
dígito deseado. Luego, presione el botón derecho
en cualquiera de los controles y seleccione otra letra
o digito. Repita este proceso para seleccionar una
tercera letra o dígito. Entonces, presione una vez
más el botón derecho en cualquiera de los contro-
les. La pantalla entonces mostrará los cuatro
puntajes más altos desde que los resultados fueron
reajustados.
4. Siga su progreso a través de la pantalla.
Mientras hace ejercicios y juega Bloqueador de
Grasa, las esquinas de la pantalla mostrarán el
tiempo transcurrido, el número aproximado de calo-
rías que usted ha quemado y su ritmo de pedaleo.
Además, la pantalla mostrará su puntaje actual y el
nivel del juego que usted ha alcanzado.
Para interrumpir el juego, presione el botón de la
Pantalla. Para reanudar el juego, presione el botón
de la Pantalla repetidamente hasta que las palabras
FAT BLOCKER aparezcan en la parte superior de la
pantalla y entonces oprima un botón de cualquier
control.
5. Cuando termine de hacer ejercicios, la consola
se apagará automáticamente.
Vea el paso 6 en la página 15.
Hilera Completa

18
CÓMO JUGAR EL JUEGO DESTRUCTOR DE
CALORÍAS
El juego Destructor de Calorías [CALORIE DESTRO-
YER] es un juego de ritmo rápido que lo hace luchar en
contra de un escuadrón de drones que lanzan rayos
láser. Además de los botones de la consola, usted
usará los cuatro botones de los controles del juego en
la baranda para jugar. Siga los siguientes pasos para
jugar Destructor de Calorías.
1. Comience a pedalear o presione cualquier botón
en la consola para encender la consola.
Cuando encienda la consola, la pantalla se ilumi-
nará. La consola estará entonces lista para el uso.
2. Seleccione el juego Destructor de Calorías.
Para seleccionar el juego Destructor de Calorías,
presione el botón para los juegos de bienestar [FIT-
NESS GAMES] (vea el dibujo en la página 13)
repetidamente hasta que la palabra DESTROYER
(destructor) aparezca en la pantalla.
3. Oprima un botón de cualquier controlador para
comenzar el juego.
Cuando usted empiece el juego Destructor de
Calorías, un campo de juego aparecerá en la panta-
lla. Tres hileras de drones empezarán a moverse a
través de la parte superior del campo, disparando
periódicamente sus rayos láser hacia abajo. Cada
vez que los drones alcancen el lado izquierdo o
derecho del campo, invertirán la dirección y se
moverán hacia abajo.
Al fondo del campo hay una cañón láser. Usted
puede disparar el cañón láser a los drones presio-
nando el botón subir de cualquiera de los controles.
Además, mientras usted está pedaleando, usted
puede mover el cañón láser a la izquierda o dere-
cha usando los botones izquierdo y derecho de
cualquiera de los controles. Entre más rápido peda-
lee, el cañón láser se moverá más rápido.
Entre los drones y el cañón láser hay cinco escu-
dos. Usted puede proteger el cañón láser debajo de
un escudo si lo desea. Sin embargo, cada vez que
un rayo láser golpee un escudo, un trozo se vapori-
zará.
Su meta es impedir que el cañón láser sea golpe-
ado e impedir que los drones alcancen el fondo del
campo. Si un cañón láser es golpeado, este será
inutilizado y otro cañón aparecerá en su lugar. Hay
un total de cuatro cañones láser. Si usted vaporiza
el escuadrón de drones por completo, un escuadrón
nuevo aparecerá.
Mientras usted juega, los drones se moverán más y
más rápido. El juego continuará hasta que los cua-
tro cañones láser sean inutilizados o un drone
alcance el fondo del campo.
Cuando el juego concluye, la pantalla mostrará el
nivel que alcanzó en el juego y su puntaje final.
Luego, la pantalla mostrará los cuatro puntajes más
altos desde que el puntaje fue reajustado. Si lo
desea, presione y sostenga el botón derecho de
cualquier control para reajustar el puntaje. Nota: si
sus puntos es uno de los cuatro más altos, la pan-
talla le pedirá que registre un nombre consistiendo
de letras o dígitos. Mientras la línea debajo de la
primera letra esté destellando, presione los botones
de subir y bajar en cualquier control para seleccio-
nar la letra o dígito deseado. Luego, presione el
botón derecho en cualquier control y seleccione otra
letra o digito. Repita este proceso para seleccionar
una tercera letra o dígito. Entonces, presione una
vez más el botón derecho en cualquier control. La
pantalla mostrará entonces los cuatro puntajes más
altos registrados desde que el puntaje fue reajus-
tado.
4. Siga su progreso a través de la pantalla.
Mientras usted hace sus ejercicios, y jurga
Destructor de Calorías, la esquina superior
izquierda de la pantalla mostrará el tiempo transcu-
rrido. Además, la pantalla mostrará el nivel que
usted alcanzó en el juego y su puntaje actual.
Para interrumpir el juego, presione el botón de la
Pantalla. Para reanudar el juego, oprima el botón
de la Pantalla repetidamente hasta que la palabra
DESTRUCTOR aparezca en la parte superior de la
pantalla y entonces presione un botón de cualquier
control.
5. Cuando termine de hacer ejercicios, la consola
se apagará automáticamente.
Vea el paso 6 en la página 15.

19
CÓMO JUGAR BLACKJACK
Blackjack es un juego de cartas al estilo casino en el
cual usted compite contra el tallador para ganar crédi-
tos. Su meta durante cada mano del juego es tener el
puntaje total más alto pero que no pase de 21 puntos.
Usted usará la pantalla interactiva de un toque de la
pantalla para jugar. Siga los pasos abajo para jugar
Blackjack. Nota: Para instrucciones detalladas de
como jugar Blackjack, consulte con un libro de
reglas de juegos de carta u otro recurso de juegos
de carta.
1. Comience a pedalear o presione cualquier botón
en la consola para encender la consola.
Cada vez que encienda la consola, la pantalla se
iluminará. La consola estará entonces lista para el
uso.
2. Seleccione el juego Blackjack.
Para seleccionar el juego Blackjack, presione el
botón para los juegos de bienestar [FITNESS
GAMES] (vea el dibujo en la página 13) repetida-
mente hasta que la palabra BLACKJACK aparezca
en la pantalla.
3. Toque la pantalla para comenzar el juego.
Mientras pedalea, toque la pantalla para comenzar
el juego Blackjack. Después de un momento, las
palabras PLACE YOUR BET (haga su apuesta)
aparecerán en la pantalla. Toque la pantalla para
seleccionar la cantidad que quiere apostar en esta
mano. Nota: Usted comienza cada juego con 500
créditos. Mientras gana o pierde créditos durante el
juego, su total actual se mostrará en la esquina
superior derecha de la pantalla.
Después que haya hecho una apuesta, una repre-
sentación de una mesa del juego aparecerá en la
pantalla. Las cartas del tallador aparecerán en la
esquina superior izquierda de la pantalla. Sus car-
tas aparecerán en la esquina inferior izquierda de la
pantalla. Las opciones del juego aparecerán en tres
cuadrados en el lado derecho de la pantalla.
Cuente el puntaje total de sus cartas y toque la
pantalla para seleccionar una opción del juego.
Usted puede escoger HIT (golpear), STAND
(retener), o DOUBLE (dobler). Repita esta acción
cuantas veces sea necesario hasta que termine la
mano.
Cuando termine la mano, el resultado y el total de
puntos para usted y el tallador aparecerá en una
cuadrado en el lado derecho de la pantalla. Para
continuar el juego, toque el centro de la pantalla.
El juego continuará de esta manera indefinidamente
o hasta que usted no tenga créditos que apostar. Si
usted no tiene créditos que apostar, las palabras
GAME OVER (juego terminado) y el tiempo del
juego aparecerán en la pantalla. Para jugar
Blackjack otra vez, toque el cuadrado del prompt en
la pantalla.
4. Siga su progreso a través de la pantalla.
Mientras usted pedalee y juegue el juego Blackjack,
la esquina izquierda superior de la pantalla le
mostrará el tiempo transcurrido. Para ver informa-
ción adicional del ejercicio, presione el botón de la
Pantalla [DISPLAY] repetidamente.
5. Cuando termine de hacer ejercicios, la consola
se apagará automáticamente.
Vea el paso 6 en la página 15.

20
CÓMO JUGAR TEXAS HOLD 'EM
Texas Hold ʼEm es un juego de póker popular en el cual
usted compite con otros jugadores para ganar créditos.
Su meta es formar la mejor mano de póker de cinco
cartas, de sus dos cartas privadas y de las cinco cartas
comunitarias compartidas por todos los jugadores.
Usted usará la pantalla interactiva de un toque en la
pantalla para jugar. Siga los pasos de abajo para jugar
Texas Hold 'Em. Nota: Para instrucciones detalladas
en como jugar Texas Hold 'Em, consulte con un
libro de reglas de juego de cartas u otro recurso de
juego de cartas.
1. Comience a pedalear o presione cualquier botón
en la consola para encender la consola.
Cada vez que encienda la consola, la pantalla se
iluminará. La consola estará entonces lista para el
uso.
2. Seleccione el juego Texas Hold ʼEm.
Para seleccionar el juego Texas Hold ʼEm, presione
el botón para los juegos de bienestar [FITNESS
GAMES] (vea el dibujo en la página 13) repetida-
mente hasta que las palabras TEXAS HOLD ʼEM
aparezcan en la pantalla.
3. Toque la pantalla para comenzar el juego.
Mientras pedalee, toque la pantalla para comenzar
el juego Texas Hold ʼEm. Después que comience el
juego, una representación de una mesa de juego
aparecerá en la pantalla. Sus cartas privadas serán
mostradas en la esquina inferior izquierda de la
pantalla. El número de créditos en el bote serán
mostrados en el cuadrado negro en el centro de la
pantalla. La cantidad de la apuesta de cada jugador
será mostrado a lo largo del lado derecho de la
pantalla. Se mostrará un cuadrado de opción de un
juego debajo del bote.
Durante el juego, la información del jugador apare-
cerá a lo largo del lado derecho de la pantalla. La
información de su jugador está situado en la
esquina inferior derecha de la pantalla. La X negra
en la pantalla indica el lugar del botón del tallador.
La flecha negra indica que jugador tiene su turno.
Cuando sea su turno, vea sus cartas y toque el
cuadrado de la opción del juego C/R/F para hacer
un decisión en su apuesta; usted puede escoger
CALL (llamar), RAISE (levantar), o FOLD (doblar).
Usted también puede tocar el cuadrado de CARD
(cartas) para ver sus cartas y cualquier carta comu-
nitaria que están en la mesa antes de tomar una
decisión. Nota: En algunas circunstancias, usted
puede escoger CHECK (chequear) en vez de CALL.
Si usted decide RAISE, toque los cuadrados con las
flechas hacia arriba y hacia abajo para seleccionar
el numero deseado de créditos, y entonces toque el
cuadrado OK.
Después de tomar su decisión de la apuesta, el
juego continuará con los otros jugadores. Continúe
a tomar decisiones de apuesta durante la ronda de
apuestas y repartos. Cuando las primeras cartas
son repartidas, tres cartas aparecerán en el área
izquierda superior de la pantalla. Cartas adicionales
aparecerán en esta área cuando el turno y el rio
están repartidos. Mire sus cartas y tome decisiones
de apuesta como antes. Durante el juego, los otros
jugadores pueden doblar, quebrar, o continuar a
una demostración.
El jugador con las mejores cinco cartas en la mano,
en cualquier combinación de las cartas privadas y
las comunitarias, ganarán el enfrentamiento.
Después del enfrentamiento, la palabra WINS
(ganas): aparecerá en el centro de la pantalla. El
número de créditos ganados por cada jugador será
mostrado a lo largo del lado derecho de la pantalla.
Para ver las cartas retenidas por los otros jugadores
toque el número de créditos ganados por cada
jugador.
El juego continuará de esta manera hasta que
usted gane todos los créditos de los otros jugadores
o hasta que usted no tenga crédito disponible para
apostar.
4. Siga su progreso a través de la pantalla.
Mientras usted pedalee y juegue el juego Texas
Hold 'Em, la esquina superior izquierda de la panta-
lla mostrará el tiempo transcurrido. Para ver
información adicional del ejercicio, presione el botón
de la Pantalla [DISPLAY] repetidamente.
5. Cuando termine de hacer ejercicios, la consola
se apagará automáticamente.
Vea el paso 6 en la página 15.

21
CÓMO USAR UN ENTRENAMIENTO IFIT
Las tarjetas iFit están disponibles por separado. Para
comprar tarjetas iFit, visite a www.iFit.com o vea la
portada de este manual. Las tarjetas iFit también
están disponibles en establecimientos seleccionados.
1. Comience a pedalear o presione cualquier
botón en la consola para encender la consola.
Cada vez que encienda la consola, la pantalla se
iluminará. La consola estará entonces lista para el
uso.
2. Inserte una tarjeta iFit y seleccione un entrena-
miento.
Para usar un entrenamiento iFit, inserte una tar-
jeta iFit en la ranura iFit; asegúrese de que la
tarjeta iFit esté orientada de modo que los contac-
tos de metal queden hacia abajo y frente la ranura
iFit. Cuando la tarjeta iFit se inserta correcta-
mente, el indicador que está al lado de la ranura
se iluminará y aparecerá un texto en la pantalla.
Entonces, seleccione el entrenamiento que desea
en la tarjeta iFit presionando los botones para
aumentar o disminuir que están al lado de la
ranura iFit.
Unos instantes después de seleccionar un entre-
namiento, la voz de un entrenador personal
empezará a guiarlo durante todo su entrena-
miento.
Los entrenamientos iFit funcionan de la misma
manera que los entrenamientos preajustados.
Para usar el entrenamiento, vea los pasos 3 al 6
en la página 16.
3. Cuando termine de hacer ejercicios, retire la
tarjeta iFit.
Retire la tarjeta iFit cuando termine de hacer ejer-
cicio. Guarde la tarjeta iFit en un lugar seguro.
CÓMO USAR EL SISTEMA DE SONIDO
Para escuchar música o audiolibros con el sistema de
sonido de la consola mientras ejercita, enchufe el
cable de audio incluido en el enchufe de la consola y
dentro del enchufe de su reproductor de MP3 o CD;
asegúrese de que el cable de audio esté completa-
mente enchufado.
Entonces, presione el botón ejecutar en su reproduc-
tor de MP3 o CD. Ajuste el nivel del volumen usando
el control del volumen de su reproductor de MP3 o
CD, o presione los botones para aumentar y disminuir
el volumen en la consola.
Cuando no esté en uso, desenchufe el cable de audio
del enchufe de la consola.
Ranura iFit
Tarjeta iFit

22
CÓMO CAMBIAR LOS AJUSTES DE LA CONSOLA
La consola ofrece una función de ajustes de la pan-
talla que le permite seleccionar una iluminación de
fondo, seleccionar una unidad de medida para la con-
sola, y apagar o encender el sonido del juego. Siga
los pasos abajo para cambiar los ajustes de la con-
sola.
1. Registre la función de ajustes de la pantalla.
Para registrar la función de ajustes de la pantalla,
primero presione el botón de la Pantalla repetida-
mente hasta que las palabras HOLD DISPLAY
FOR SETTINGS (pause la pantalla para ajustes)
aparezcan en la pantalla.
Entonces, presiones y sostenga el botón de la
Pantalla hasta que la información de los ajustes
de la pantalla aparezca en la pantalla.
2. Seleccione una opción de iluminación de
fondo si lo desea
La consola tiene tres opciones de iluminación de
fondo. La opción ON (encender) mantiene la ilumi-
nación de fondo encendida mientras la consola
está encendida. La opción AUTO mantiene la ilu-
minación de fondo encendida solamente mientras
está pedaleando. La opción OFF (apagar) apaga
la iluminación de fondo.
Una X aparecerá al lado de la opción de ilumi-
nación de fondo actualmente seleccionada. Para
cambiar la opción de iluminación de fondo, pre-
sione los botones para aumentar y disminuir la
resistencia para escoger la opción de iluminación
de fondo deseada.
Entonces, presione el botón de la Pantalla [DIS-
PLAY] para proceder a la opción siguiente.
3. Seleccione una unidad de medida si lo desea.
La consola puede mostrar la velocidad de pedaleo
yla distancia tanto en millas como en kilómetros.
La palabra ENGLISH (inglés) para millas inglesas
oMETRIC (métrico) para kilómetros métricos
aparecerá en la pantalla. Una X aparecerá al lado
unidad de medida seleccionada actualmente.
Para cambiar la unidad de medida, presione los
botones para aumentar y disminuir la resistencia
para escoger la unidad de medida deseada.
Entonces, presione el botón de la Pantalla para
proceder a la siguiente opción.
4. Encienda o apague el sonido del juego si lo
desea.
Los sonidos del juego de la consola puede encen-
derse o apagarse. Las palabras OFF YON
aparecerán en la pantalla. Una X aparecerá al
lado de la opción seleccionada actualmente.
Para cambiar la opción, presione los botones para
aumentar y disminuir la resistencia para escoger
ON oOFF.
5. Salga de la función de ajustes de la pantalla.
Presione el botón de la Pantalla para guardar sus
ajustes y salga de la función de ajustes de la pan-
talla.

23
Inspeccione y ajuste regularmente todas las piezas de
la bicicleta de ejercicios. Reemplace inmediatamente
cualquier pieza desgastada.
Para limpiar la bicicleta de ejercicios, use un trapo
húmedo y una cantidad pequeña de detergente
suave. IMPORTANTE: Para evitar daños a la con-
sola, mantenga los líquidos lejos de la consola y
mantenga la consola fuera de la luz directa del sol.
PROBLEMAS DE LA CONSOLA
Si el sensor de pulso del mango no funciona correcta-
mente, vea el paso 5 en la página 15. Si hay pilas en
la consola y la pantalla de la consola se pone oscura,
cambie todas las pilas al mismo tiempo (vea, paso 12
del montaje en la página 11).
CÓMO AJUSTAR EL INTERRUPTOR DE
LENGÜETA
Si la consola no muestra la información correcta, el
interruptor de lengüeta debe de ser ajustado. Para
ajustar el interruptor de lengüeta, primero tiene que
retirar el pedal izquierdo y el protector delantero
izquierdo. Usando una llave inglesa, gire el pedal
izquierdo en dirección de las agujas del reloj y retírelo.
Luego, retire todos los tornillos de los protectores
delanteros izquierdo y derecho; hay dos tamaños de
tornillos en las cubiertas delanteras – note qué
tamaño de tornillos usted retiró de cada orificio.
Entonces, ligeramente jale el protector delantero
izquierdo de la armadura.
Ubique el Interruptor de Lengüeta (46). Gire la Polea
(29) hasta que un Imán (30) esté alineado con el
Interruptor de Lengüeta. Luego, afloje, pero no retire,
el indicado Tornillo de M4 x 12mm (82). Deslice el
Interruptor de Lengüeta ligeramente cerca o lejos del
Imán, y luego vuelva a ajustar el Tornillo. Gire la polea
por un instante. Repita estos pasos hasta que la pan-
talla de la consola muestre los resultados correctos.
Cuando el Interruptor de Lengüeta esté ajustado
correctamente, reconecte los protectores delanteros y
el pedal izquierdo.
CÓMO AJUSTAR LA CORREA DE MANEJO
Si lo pedales se resbalan mientras pedalea, incluso
cuando la resistencia está ajustada al ajuste máximo,
la correa de manejo puede que necesite ser ajustada.
Para ajustar la correa de manejo, usted primero tiene
que retirar el pedal derecho y el protector delantero
derecho. Usando una llave inglesa, gire el pedal dere-
cho en dirección opuesta a las agujas del reloj y
retírelo. Luego, Retire todos los tornillos de los protec-
tores delanteros izquierdo y derecho; hay dos
tamaños de tornillos en los protectores delanteros
– note que tamaño de tornillos usted retiró de
cada orificio. Entonces, ligeramente jale el protector
delantero derecho de la armadura.
Afloje, pero no retire, los tres tornillos (A) indicados.
Inserte el asta de un destornillador hacia abajo entre
el Brazo Estable (39) y la Polea del Brazo Estable
(38). Jale la parte superior del destornillador hacia la
parte de atrás de la bicicleta de ejercicios hasta que la
Correa de Manejo (47) esté ajustada. Ajuste los tres
tornillos. Entonces, vuelva a conectar los protectores
delanteros y el pedal derecho.
MANTENIMIENTO Y PROBLEMAS
46 82
29
30
A
39
38
47

24
Estas indicaciones le ayudarán a planificar su pro-
grama de ejercicios. Para información detallada sobre
los ejercicios consiga un libro acreditado o consulte
con su médico. Recuerde que una nutrición y un des-
canso adecuados son esenciales para obtener
resultados satisfactorios.
INTENSIDAD DE LOS EJERCICIOS
Lo mismo si su objetivo es quemar grasa que si lo es
fortalecer su sistema cardiovascular, la clave para
alcanzar los resultados es hacer ejercicios con la
intensidad adecuada. Usted puede basarse en su
ritmo cardíaco para encontrar el nivel de intensidad
adecuado. El esquema que se presenta más abajo
muestra los ritmos cardíacos recomendados para
quemar grasa y hacer ejercicios aeróbicos.
Para encontrar el nivel de intensidad adecuado, bus-
que su edad en la parte inferior del esquema (las
edades se redondean al múltiplo de 10 más cercano).
Los tres números que se listan encima de su edad
definen su “zona de entrenamiento.” El número más
pequeño es el ritmo cardíaco cuando se queme
grasa, el número intermedio es el ritmo cardíaco
cuando se quema la máxima cantidad de grasa y el
número más grande es el ritmo cardíaco cuando se
realizan ejercicios aeróbicos.
Quemar Grasa—Para quemar grasa eficientemente,
debe hacer ejercicios a un nivel de intensidad bajo
durante un periodo de tiempo mantenido. Durante los
primeros minutos de ejercicio su cuerpo utiliza las
calorías de los carbohidratos para obtener energía.
Sólo tras los primeros minutos de ejercicio su cuerpo
comienza a utilizar las calorías de grasa almacenada
para obtener energía. Si su objetivo es quemar grasa,
ajuste la intensidad de sus ejercicios hasta que el
ritmo cardíaco esté próximo al número más bajo de su
zona de entrenamiento. Para quemar la máxima canti-
dad de grasa, realice los ejercicios con su ritmo
cardíaco cerca del número intermedio de su zona de
entrenamiento.
Ejercicios Aeróbicos—Si su objetivo es fortalecer su
sistema cardiovascular, debe realizar ejercicios aeró-
bicos, una actividad que requiere grandes cantidades
de oxígeno durante periodos de tiempo prolongados.
Para realizar ejercicios aeróbicos ajuste la intensidad
de sus ejercicios hasta que su ritmo cardíaco esté
próximo al número más alto de su zona de entrena-
miento.
GUÍAS DE ENTRENAMIENTO
Calentamiento—Comience estirando y ejercitando
ligeramente los músculos entre 5 y 10 minutos. El
calentamiento aumenta su temperatura corporal, su
frecuencia cardiaca y su circulación, preparándole
para los ejercicios.
Ejercicio en la Zona de Entrenamiento—Realice
ejercicios durante 20 a 30 minutos con su ritmo cardí-
aco en su zona de entrenamiento. (Durante las
primeras semanas de su programa de ejercicios no
mantenga su ritmo cardíaco en su zona de entrena-
miento durante más de 20 minutos.) Respire
regularmente y profundamente mientras hace ejerci-
cios–nunca contenga la respiración.
Relajación—Termine con estiramientos entre 5 y 10
minutos. El estiramiento aumenta la flexibilidad de sus
músculos y le ayuda a evitar problemas posteriores al
ejercicio.
FRECUENCIA DE EJERCICIOS
Para mantener o mejorar su forma física, complete
tres sesiones de entrenamiento cada semana, con al
menos un día de descanso entre sesiones. Tras algu-
nos meses de ejercicio regular, puede completar
hasta cinco sesiones de entrenamiento cada semana
si lo desea. Recuerde, la clave para el éxito es hacer
de los ejercicios una parte regular y agradable de su
vida diaria.
GUÍA DE EJERCICIOS
PRECAUCIÓN: Antes de ini-
ciar éste o cualquier programa de ejercicios
consulte con su médico. Esto es especial-
mente importante para personas de edades
superiores a 35 años, o para aquellos que
hayan presentado problemas de salud.
El sensor de pulso no es un dispositivo
médico. Varios factores pueden afectar la
precisión de las lecturas del ritmo cardíaco.
El sensor de pulso está previsto sólo como
ayuda para los ejercicios, determinando las
tendencias generales de su ritmo cardíaco.

25
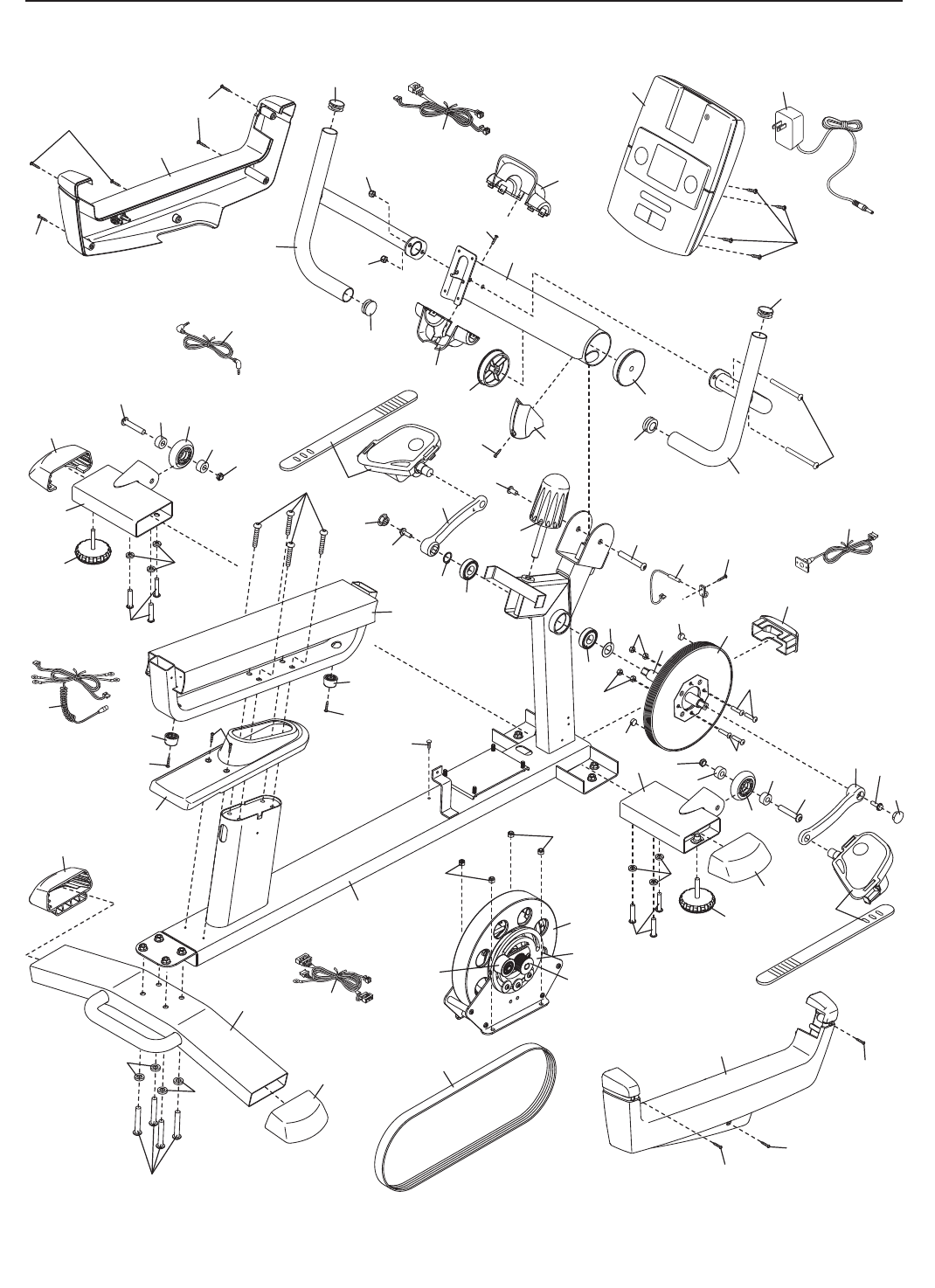
11Armadura
21Montante Vertical
31Porta Asiento
41 Consola
52Cubierta de la Manivela
62Anillo del Acceso
71Perilla del Montante Vertical
81Respaldo
91Asiento
10 2 Mango para el Control del juego
11 1 Baranda del Asiento
12 2 Espaciador de la Almohadilla del
Freno
13 1 Protector Delantero Izquierdo
14 1 Protector Delantero Derecho
15 1 Estabilizador Delantero Izquierdo
16 1 Estabilizador Trasero
17 2 Rueda
18 2 Rodillo Superior
19 2 Pata de Nivelación
20 2 Buje del Montante Vertical
21 1 Correa/Pedal Derecho
22 1 Correa/Pedal Izquierdo
23 1 Manivela Derecha
24 1 Manivela Izquierda
25 1 Soporte del Seguro del Asiento
26 1 Protector Izquierdo
27 1 Protector Derecho
28 1 Anillo Grande
29 1 Polea
30 2 Imán
31 1 Husillo
32 1 Espaciador de Acero
33 2 Cojinete de la Manivela
34 1 Mecanismo Eddy
35 1 Montaje del Eje Eddy
36 2 Tapa del Porta Asiento
37 4 Tapa de la Baranda
38 1 Polea del Brazo Estable
39 1 Brazo Estable
40 1 Estabilizador Delantero Derecho
41 1 Seguro del Asiento
42 1 Cableado Eléctrico del Juego/Pulso
43 1 Cableado Eléctrico Principal
44 12 Arandela de M6
45 1 Abrazadera
46 1 Interruptor/Cable de Lengüeta
47 1 Correa de Manejo
48 2 Tapa del Estabilizador Trasero
49 1 Mango del Asiento
50 2 Tornillo Dentado
51 2 Tornillo con Nylon de M6 x 42mm
52 4 Tornillo con Nylon de M8 x 50mm
53 8 Contratuerca de M6
54 6 Tornillo con Nylon de M8 x 16mm
55 10 Arandela Dividida de M8
56 2 Parachoques
57 17 Tornillo de M4 x 16mm
58 1 Cable del Juego/Pulso
59 1 Baranda Derecha
60 1 Baranda Izquierda
61 2 Contratuerca de M8
62 1 Juego de Pernos de M10 x 63mm
63 4 Buje de la Rueda
64 1 Almohadilla del Freno
65 1 Cubierta de la Armadura
66 2 Tapa del Estabilizador Delantero
67 4 Tornillo con Nylon de M10 x 40mm
68 1 Cubierta del Montante Vertical
69 2 Perno Botón de M8 x 48mm
70 1 Tornillo Brillante de M4 x 12mm
71 2 Rodillo Inferior
72 2 Perno Botón de M8 x 53mm
73 4 Perno Botón de M6 x 20mm
74 1 Portabotella
75 4 Eje del Rodillo
76 5 Tornillo con Nylon de M6 x 9mm
77 10 Tornillo con Nylon de M6 x 18mm
78 2 Perno Botón de M10 x 32mm
79 1 Cable/Receptáculo del Juego/Pulso
80 4 Tornillo Dentado de M4 x 16mm
81 4 Tornillo con Nylon de M6 x 38mm
82 1 Tornillo de M4 x 12mm
83 1 Tapa de la Armadura
84 5 Tornillo de M4 x 19mm
85 2 Cubierta del Eje
86 1 Riel
87 2 Contratuerca de M10
88 1 Cable de Audio
89 2 Contratuerca de Bloqueo de M8
90 1 Cubierta Trasera del Montante
Vertical
91 1 Cubierta Delantera del Montante
Vertical
92 1 Tornillo de M4 x 8mm
93 1 Adaptador de Corriente
*–Herramienta de Montaje
*–Manual del Usuario
Nota: Las especificaciones están sujetas a cambios sin previo aviso. Para información de cómo solicitar piezas
de repuesto, vea la contraportada de este manual. *Estas piezas no están ilustradas.
N° Ctd. Descripción N° Ctd. Descripción
LISTA DE LAS PIEZAS—Nº de Modelo PFEX02309.0 R1010A

26
10
13
57
57
14
57
84
5
6
6
5
74
84
3
11
8
9
49
41
25
36
18
10
57
77
77
78
78
87
87
51
51
81
44
44
77
76
44
44
77
57
57
84
76
64
12
12
71
44
44
77
18
75
75
75
75
71
77
DIBUJO DE LAS PIEZAS A—Nº de Modelo PFEX02309.0 R1010A

27
48
48
16
134 19
40
66
17
63 69
63
61
35
23
32
50
33
29
53
53
80
2
19
54
17
55
63
63
69
61
43
47
42
24
33
28
50
20
20
62
62
85
85
86
57 68
21
22
52
55
55
54
55
15
66
31
73
73
30
30
83
45
46 82
7
39
38
53
53
70
4
26
27
59
37
56
65
60
37
37
37
56
84
57
84
57
57
57
57
57
57
67
72
89
58
79
88
89
92
91
90
93
DIBUJO DE LAS PIEZAS B—Nº de Modelo PFEX02309.0 R1010A

Nº de Pieza 304501 R1010A Impreso en China © 2010 ICON IP, Inc.
CÓMO ORDENAR PIEZAS DE REPUESTO
Para ordenar piezas de repuesto, por favor vea la portada de este manual. Para ayudarnos a proporcionarle
asistencia, por favor esté listo para proporcionar la siguiente información cuando nos contacte:
• el número de modelo y el número de serie del producto (vea la portada de este manual)
• el nombre del producto (vea la portada de este manual)
• el número de la pieza y descripción de la (de las) pieza(s) de reemplazo (vea la LISTA DE LAS PIEZAS y el
DIBUJO DE LAS PIEZAS hacia el final de este manual)
POLIZA DE GARANTÍA
ICON HEALTH & FITNESS otorga la presente garantía por tér-
mino de 12 meses a partir de la fecha de compra. La garantía
cubre todas sus partes contra cualquier defecto de fabricación y
funcionamiento del mismo. (Excepto por rotura en piezas de
plástico); e incluye la reparación sin costo de cualquier compo-
nente del equipo (excepto baterías), asi como, la mano de obra
necesaria para su diagnóstico y reparación en el centro de ser-
vicio especificado, o en la tienda donde adquirió su equipo
entregándolo al usuario en condiciones normales para su uso.
CONDICIONES GENERALES
a) El cliente, debe verificar el estado físico en que recibe su
aparato, ya que una vez firmado de conformidad no se acep-
tará reclamación alguna.
b) Para hacer efectiva la garantía, el comprador debe presentar
ésta póliza, junto con el producto; durante los 15 días sigu-
ientes a su compra, en la tienda donde adquirió el equipo, si
han pasado 15 dias deberá hacer llegar su equipo presen-
tando ésta póliza, directamente a nuestro centro de servicio.
Tecnoservicio ubicado en calle Tenayuca 55 “a” meza-
nine 1, col. Letran Valle, del. Benito Juarez, Mexico, D.F.
C.P. 03650 de lunes a viernes de las 9:00 a las 17:00
horas, teléfonos: 01-800-681-9542 o por correo electron-
ico servicio@iconfitness.com.
c) ICON Health & Fitness reparará el equipo, en un plazo no
mayor a 30 días naturales contando a partir de la fecha del
ingreso a nuestro centro de servicio. Este plazo será con-
siderando contar con la o las refacciones necesarias para la
compostura del equipo.
d) En caso de extravíar esta póliza de garantía es necesario
acudir al lugar donde adquirió el aparato. Ahi podrá solicitar
una copia de su garantía, previa presentación de su factura o
nota de venta.
ÉSTA PÓLIZA DE GARANTÍA QUEDARÁ SIN EFECTO AL
DARSE CUALQUIERA DE LOS SIGUIENTES CASOS:
1. Cuando el aparato haya sido utilizado en forma distinta a las
condiciones señaladas en el instructivo o manual que se
incluye en cada equipo.
2. Cuando los daños o desperfectos se ocasionen ante y
durante el almacenamiento o transportación realizado por el
comprador o por terceros no autorizados por ICON Health &
Fitness.
3. Cuando el aparato presenté golpes, ruptura de cubiertas,
decoloraciones o deformaciones ocasionados por los rayos
solares o temperaturas extremas.
4. Cuando el aparato sea expuesto a la intemperie, a domos
traslúcidos, condiciones de humedad y en caso de que den-
tro de los mecanismos eléctricos o mecánicos se encuentren
objetos extraños al equipo. Asi como por cualquier negligen-
cia realizada por el usuario.
5. Cuando el equipo haya sido abierto y/o intentado ser
reparado por personal no autorizado por ICON Health &
Fitness.
6. Cuando los desperfectos fueran causados por variaciones en
el voltaje, frecuencias de alimentación eléctrica o por fallas
en la instalación eléctrica del lugar, por sobrecarga en los
contactos y por la aplicación de valores nominales distintos a
los contenidos en el instructivo. Por forzamiento del motor
por objetos u obstrucciones que impidan el libre desempeño
del motor. Por rebasar los limites de carga para el que esta
calculado de acuerdo al instructivo de uso. Recomendamos
el uso de un eliminador para evitar problemas de voltaje
y para quedar en efecto la póliza de garantía.
7. Cuando el equipo adquirido sea utilizado con fines comer-
ciales o de lucro tales como uso en gimnasios, clubes,
clínicas de rehabilitación, áreas comunes habitacionales, en
cualquiera de los casos citados ICON Health & Fitness
no tendrá obligación alguna en cuanto a la reparación
del equipo, y no hará efectiva la garantía.
INFORMACIÓN GENERAL
1. Al termino de la vigencia de ésta póliza de garantía, ICON
Health & Fitness puede seguir dando servicio de manten-
imiento a sus aparatos, pero este será con cargo, previa
aceptación del presupuesto, a través de nuestro centro de
servicio para brindarle la atención que usted se merece, o
adquirir una poliza de servicio ampliada. Siempre con la con-
fiabilidad de que en la reparación y servicio se usarán
refacciones originales conservando asi, el valor de sus
equipos.
Producto: _________________________________
Modelo: ___________________________________
Marca: _____________________________________
No. de serie: _______________________________
Fecha de compra: __________________________
Tienda vendedora: _________________________
CENTRO DE SERVICIO:
TECNOSERVICIO
CALLE TENAYUCA 55 “A” MEZANINE 1
COL. LETRAN VALLE DEL. BENITO JUAREZ
MÉXICO D.F. C.P. 03650
01-800-681-9542
servicio@iconfitness.com
DIRECCIÓN GENERAL:
ICON Health & Fitness USA
1500 SOUTH 1000 WEST
LOGAN, UTAH 84321 USA
TEL: 01-800-681-9542
servicio@iconfitness.com