Proform Pfex198100 1350 Bike Users Manual 285430
Proform-Pfex198100-Owner-S-Manual proform-pfex198100-owner-s-manual
2015-04-14
: Proform Proform-Pfex198100-1350-Bike-Users-Manual-701172 proform-pfex198100-1350-bike-users-manual-701172 proform pdf
Open the PDF directly: View PDF
.
Page Count: 28

USERʼS MANUAL
CAUTION
Read all precautions and instruc-
tions in this manual before using
this equipment. Keep this manual
for future reference.
Model No. PFEX19810.0
Serial No.
Write the serial number in the
space above for reference.
www.proform.com
QUESTIONS?
If you have questions, or if parts are
damaged or missing, DO NOT
CONTACT THE STORE; please
contact Customer Care.
IMPORTANT: Please register this
product (see the limited warranty
on the back cover of this manual)
before contacting Customer Care.
CALL TOLL-FREE:
1-888-533-1333
Mon.–Fri. 6 a.m.–6 p.m. MT
Sat. 8 a.m.–4 p.m. MT
ON THE WEB:
www.proformservice.com
Serial Number
Decal

2
TABLE OF CONTENTS
WARNINGDECALPLACEMENT ..............................................................2
IMPORTANTPRECAUTIONS ................................................................3
BEFOREYOUBEGIN ......................................................................4
PARTIDENTIFICATIONCHART ..............................................................5
ASSEMBLY ...............................................................................6
HOWTOUSETHEEXERCISEBIKE .........................................................11
FCCINFORMATION.......................................................................23
MAINTENANCEANDTROUBLESHOOTING ...................................................24
EXERCISEGUIDELINES ...................................................................25
PARTLIST ..............................................................................26
EXPLODEDDRAWING ....................................................................27
ORDERINGREPLACEMENTPARTS ..................................................BackCover
LIMITEDWARRANTY ..............................................................BackCover
PROFORM is a registered trademark of ICON IP, Inc.
WARNING DECAL PLACEMENT
This drawing shows the
location(s) of the warning
decal(s). If a decal is
missing or illegible, see
the front cover of this
manual and request a
free replacement decal.
Apply the decal in the
location shown. Note: The
decal(s) may not be shown
at actual size.

3
WARNING: To reduce the risk of serious injury, read all important precautions and
instructions in this manual and all warnings on your exercise bike before using your exercise bike.
ICON assumes no responsibility for personal injury or property damage sustained by or through the
use of this product.
1. Before beginning any exercise program,
consult your physician. This is especially
important for persons over age 35 or per-
sons with pre-existing health problems.
2. Use the exercise bike only as described in
this manual.
3. It is the responsibility of the owner to ensure
that all users of the exercise bike are ade-
quately informed of all precautions.
4. The exercise bike is intended for home use
only. Do not use the exercise bike in a com-
mercial, rental, or institutional setting.
5. Keep the exercise bike indoors, away from
moisture and dust. Do not put the exercise
bike in a garage or covered patio, or near
water.
6. Place the exercise bike on a level surface,
with a mat beneath it to protect the floor or
carpet. Make sure that there is at least 2 ft.
(0.6 m) of clearance around the exercise bike.
7. Inspect and properly tighten all parts regu-
larly. Replace any worn parts immediately.
8. Keep children under age 12 and pets away
from the exercise bike at all times.
9. Wear appropriate clothes while exercising;
do not wear loose clothes that could become
caught on the exercise bike. Always wear
athletic shoes for foot protection.
10. The exercise bike should not be used by
persons weighing more than 350 lbs.
(159 kg).
11. Always keep your back straight while using
the exercise bike; do not arch your back.
12. Over exercising may result in serious injury
or death. If you feel faint or if you experience
pain while exercising, stop immediately and
cool down.
IMPORTANT PRECAUTIONS

4
Thank you for selecting the new PROFORM®1350
exercise bike. Cycling is an effective exercise for
increasing cardiovascular fitness, building endurance,
and toning the body. The 1350 exercise bike provides
a selection of features designed to make your work-
outs at home more effective and enjoyable.
For your benefit, read this manual carefully before
you use the exercise bike. If you have questions
after reading this manual, please see the front cover
of this manual. To help us assist you, note the product
model number and serial number before contacting
us. The model number and the location of the serial
number decal are shown on the front cover of this
manual.
Before reading further, please familiarize yourself with
the parts that are labeled in the drawing below.
Seat
Adjustment Knob
Seat Carriage
Adjustment Knob
Handlebar
Water Bottle Holder
Wheels
BEFORE YOU BEGIN
Pedal/Strap
Console
Leveling Foot
Power Cord
Power Switch
Length: 4 ft. 10 in. (147 cm)
Width: 2 ft. 1 in. (64 cm)

5
5/16" x 3/4" Patch
Screw (92)–1
#8 x 3/4"
Screw (94)–6
5/16" x 2 1/4" Patch
Screw (81)–1
#8 x 1/4"
Screw (70)–1
3/8" x 2 1/4" Patch
Screw (74)–4
PART IDENTIFICATION CHART
See the drawings below to identify small parts used in assembly. The number in parentheses by each drawing is
the key number of the part, from the PART LIST near the end of this manual. The number following the key
number is the quantity needed for assembly. Note: If a part is not in the hardware kit, check to see if it has
been preattached. To avoid damaging parts, do not use power tools for assembly.

6
1
22
27
27
74
1
1. Identify the Front Stabilizer (22), which has
Wheels (27).
Attach the Front Stabilizer (22) to the Base (1)
with two 3/8" x 2 1/4" Patch Screws (74).
•To hire an authorized service technician
to assemble the exercise bike, call
1-800-445-2480.
•Assembly requires two persons.
• Place all parts in a cleared area and remove
the packing materials. Do not dispose of the
packing materials until you complete all
assembly steps.
• To identify small parts, see page 5.
•In addition to the included tool(s), assembly
requires:
one Phillips screwdriver
one adjustable wrench
Assembly will be more convenient if you have a
socket set, a set of open-end or closed-end
wrenches, or a set of ratchet wrenches.
ASSEMBLY

7
2
2. Attach the Rear Stabilizer (23) to the Base (1)
with two 3/8" x 2 1/4" Patch Screws (74).
74
23
1
3
2
3
3. Orient the Seat Post (3) as shown.
Loosen the indicated Post Knob (47) and pull it
outward. Then, insert the Seat Post (3) into the
Frame (2).
Move the Seat Post (3) upward or downward to
the desired position, release the Post Knob (47)
into an adjustment hole in the Seat Post, and
then tighten the Post Knob. Make sure that the
Post Knob is firmly engaged in an adjust-
ment hole. 47
Holes

5
8
4
4
29
70
3
4. Orient the Seat Carriage (4) as shown.
Locate the Seat Knob (29) on the Seat Post (3).
Loosen the Seat Knob and pull it downward.
Then, insert the Seat Carriage (4) into the Seat
Post.
Slide the Seat Carriage (4) to the desired posi-
tion, release the Seat Knob (29) into one of the
adjustment holes in the Seat Carriage, and then
tighten the Seat Knob. Make sure that the
Seat Knob is firmly engaged in an adjust-
ment hole.
Tighten a #8 x 1/4" Screw (70) into the under-
side of the Seat Carriage (4).
Holes
5. Orient the Handlebar Post (6) as shown.
Have a second person hold the Handlebar Post
(6) near the Frame (2). Locate the wire tie in the
lower end of the Handlebar Post. Tie the wire
tie to the Lower Wire (69). Then, pull the upper
end of the wire tie until the Lower Wire is routed
upward through the Handlebar Post.
Tip: Avoid pinching the Lower Wire (69).
Loosen the indicated Post Knob (47) and pull it
outward. Then, insert the Handlebar Post (6)
into the Frame (2).
Move the Handlebar Post (6) upward or down-
ward to the desired position, release the Post
Knob (47) into an adjustment hole in the
Handlebar Post, and then tighten the Post
Knob. Make sure that the Post Knob is firmly
engaged in an adjustment hole.
6
2
69
47
Holes
Wire Tie
Avoid pinching the
Lower Wire (69)

9
6
6. Orient the Handlebar (7) as shown.
While a second person holds the Handlebar (7)
near the Handlebar Post (6), connect the Upper
Wire (68) to the Lower Wire (69).
Insert the wires into the Handlebar Post (6).
Tip: Avoid pinching the wires. Attach the
Handlebar (7) to the Handlebar Post (6) with a
5/16" x 3/4" Patch Screw (92) and a 5/16" x 2
1/4" Patch Screw (81).
Avoid pinching
the wires
69
68
7
81 92
6
7
8
94
7
7. Orient the Handlebar Cover (8) as shown.
Attach the Handlebar Cover (8) to the
Handlebar (7) with two #8 x 3/4" Screws (94).
Tip: First, insert the front #8 x 3/4" Screw
(94) through the Handlebar (7). Next, set the
Handlebar Cover (8) on the Handlebar and
tighten the front Screw. Then, tighten the
rear #8 x 3/4" Screw (94) into the Handlebar
and the Handlebar Cover.
63
61
8. Identify the Left Pedal (61), which is marked
with an “L.”
Using an adjustable wrench, firmly tighten the
Left Pedal (61) counterclockwise into the Left
Crank Arm (63).
Tighten the Right Pedal (not shown) clockwise
into the Right Crank Arm (not shown).
8
94
Front
Rear

10
11. Remove the screw and the cover from the back
of the Console (9).
Remove the paper from the adhesive pad on
the back of the receiver. Press the receiver onto
the indicated location inside the cover.
Connect the wire on the receiver to the wire in
the Console (9). Then, reattach the cover with
the screw.
Note: Discard any other wires that are included
with the heart rate monitor.
If you purchase the optional heart rate monitor (see page 22), follow the additional step below to install
the receiver included with the heart rate monitor.
Wires
Receiver
9
9
Cover
Screw
Attach
receiver
here
9
11
9. Locate the Upper Wires (68) inside the
Handlebar (7).
While a second person holds the Console (9)
near the Handlebar (7), connect the wires on
the Console to the Upper Wires (68). Then,
insert the wires into the Handlebar.
Tip: Avoid pinching the wires. Slide the
Console (9) onto the Handlebar (7).
Attach the Console (9) with four #8 x 3/4"
Screws (94).
10. Make sure that all parts are properly tightened before you use the exercise bike. Note: After assembly
is completed, some extra parts may be left over. Place a mat beneath the exercise bike to protect the floor.
9
7
68
68
94
Avoid pinching
the wires
Cover
Cover

11
HOW TO USE THE EXERCISE BIKE
HOW TO PLUG IN THE POWER CORD
This product must be grounded. If it should mal-
function or break down, grounding provides a path of
least resistance for electric current to reduce the risk
of electric shock. This productʼs power cord has an
equipment-grounding conductor and a grounding plug.
Plug the power cord into an appropriate outlet that
is properly installed and grounded in accordance
with all local codes and ordinances. This product
is for use on a nominal 120-volt circuit.
Atemporary
adapter may
be used to
connect the
power cord to
a 2-pole
receptacle as
shown at the
right if a
properly
grounded
outlet is not
available. The temporary adapter should be used only
until a properly grounded outlet can be installed by a
qualified electrician.
The green-colored rigid ear, lug, or the like extending
from the adapter must be connected to a permanent
ground such as a properly grounded outlet box cover.
Whenever the adapter is used, it must be held in
place by a metal screw. Some 2-pole receptacle out-
let box covers are not grounded. Contact a
qualified electrician to determine if the outlet box
cover is grounded before using an adapter.
DANGER: Improper connection of
the equipment-grounding conductor can
result in an increased risk of electric shock.
Check with a qualified electrician or service-
man if you are in doubt as to whether the
product is properly grounded. Do not modify
the plug provided with the product—if it will
not fit the outlet, have a proper outlet installed
by a qualified electrician.
Grounded Outlet Box
Adapter
Lug
Metal Screw
Power Cord

12
HOW TO ADJUST THE ANGLE OF THE SEAT
You can adjust the angle of the seat to the position
that is most comfortable. You can also slide your seat
forward or backward to increase your comfort or to
adjust the distance to the handlebar.
To adjust the seat, loosen the nuts on the seat clamp
a few turns, and then tilt the seat upward or downward
or slide the seat forward or backward to the desired
position. Then, retighten the nuts.
HOW TO ADJUST THE HORIZONTAL POSITION OF
THE SEAT CARRIAGE
To adjust the posi-
tion of the seat
carriage, first
loosen the seat
knob and pull it
downward. Then,
move the seat car-
riage forward or
backward, release
the seat knob into
an adjustment hole
in the seat carriage, and firmly tighten the seat knob.
Make sure that the seat knob is engaged in an
adjustment hole.
HOW TO ADJUST THE SEAT POST
For effective exercise, the seat should be at the
proper height. As you pedal, there should be a slight
bend in your knees when the pedals are in the lowest
position.
To adjust the height
of the seat post,
first loosen the post
knob and pull it
outward. Then,
move the seat post
upward or down-
ward, release the
post knob into an
adjustment hole in
the seat post, and firmly tighten the post knob. Make
sure that the post knob is engaged in an adjust-
ment hole.
HOW TO ADJUST THE HANDLEBAR POST
To adjust the height
of the handlebar
post, first loosen the
post knob and pull it
outward. Then,
move the handlebar
post upward or
downward, release
the post knob into
an adjustment hole
in the handlebar post, and firmly tighten the post knob.
Make sure that the post knob is engaged in an
adjustment hole.
HOW TO ADJUST THE PEDAL STRAPS
To tighten the pedal straps (see the drawing on page
4), simply pull the ends of the pedal straps. To loosen
the pedal straps, press and hold the tabs on the buck-
les, adjust the pedal straps to the desired position,
and then release the tabs.
HOW TO LEVEL THE EXERCISE BIKE
If the exercise bike rocks slightly on your floor during
use, turn one or both of the leveling feet on the rear
stabilizer (see the drawing on page 4) until the rocking
motion is eliminated.
Seat Carriage
Seat Knob
Seat
Post
Post
Knob
Handlebar
Post
Post
Knob

13
FEATURES OF THE CONSOLE
The advanced console offers an array of features
designed to make your workouts more effective and
enjoyable.
The console features new iFit Live technology that
enables the console to communicate with your wire-
less network. With iFit Live technology, you can
download personalized workouts, create your own
workouts, track your workout results, and access
many other features. See www.iFit.com for complete
information.
In addition, the console offers twenty-four onboard
workouts—nine exercise bike workouts, ten all terrain
workouts, and five cycle class workouts. Each workout
automatically changes the incline (resistance) of the
exercise bike to match a preset profile or a map of
real terrain and prompts you to maintain a target ped-
aling cadence that you set. You can even change
gears to maintain your pedaling cadence.
When you use the manual mode of the console, you
can change the incline (resistance) of the exercise
bike and change gears with the touch of a button.
While you exercise, the console will display continu-
ous exercise feedback. You can also measure your
heart rate using an optional heart rate monitor.
You can even connect your MP3 player or CD player
to the console sound system and listen to your favorite
music or audio books while you exercise.
To turn on the power, see page 14. To navigate the
console menus, see page 14. To set up the con-
sole, see page 14. To use the manual mode, see
page 15. To use an onboard workout, see page 17.
To use an iFit Live workout, see page 18. To use
the settings mode, see page 19. To use the mainte-
nance mode, see page 21. To use the sound
system, see page 22.
The console can display speed and distance in either
miles or kilometers. To find which unit of measurement
is selected, see step 6 on page 20.
Note: If there is a sheet of plastic on the display,
remove the plastic.
CONSOLE DIAGRAM

14
HOW TO TURN ON THE POWER
IMPORTANT: If the exercise bike has been
exposed to cold temperatures, allow it to warm to
room temperature before turning on the power. If
you do not do this, you may damage the console
displays or other electrical components.
Plug in the power cord (see
HOW TO PLUG IN THE
POWER CORD on page
11). Next, locate the power
switch on the frame near
the power cord. Press the
power switch to the reset
position.
The display will then light and the console will be
ready for use.
Note: When you turn on the power for the first
time, the incline system will calibrate automati-
cally. The exercise bike will move upward and
downward as it calibrates. When the exercise bike
stops moving, the incline system is calibrated.
IMPORTANT: If the incline system does not cali-
brate automatically, see step 7 on page 22 and
manually calibrate the incline system.
IMPORTANT: The console features a display demo
mode, designed to be used if the exercise bike is
displayed in a store. If the demo mode is turned
on, the console will not turn off and the display
will not be reset when you finish exercising. To
turn off the demo mode, see step 7 on page 20.
HOW TO NAVIGATE THE CONSOLE MENUS
You can use the Home, increase, decrease, and Enter
buttons on the console to navigate through menus in
the display, change settings, and view console
information.
Press the Home button to return to the main menu, to
end a workout, or to return to a previous menu.
Press the increase and decrease buttons to highlight a
menu option.
Press the Enter button to select a menu option or to
confirm a setting.
HOW TO SET UP THE CONSOLE
Before using the exercise bike for the first time, set up
your console.
1. Connect to a wireless network.
See steps 1 and 2 on page 19 to connect to a
wireless network. Then, press the Home button to
return to the settings mode.
2. Calibrate the incline system.
First, select the maintenance mode (see steps 1
and 2 on page 21). Then, see step 7 on page 22
and calibrate the incline system of the exercise
bike.
3. Check for firmware updates.
First, select the maintenance mode (see steps 1
and 2 on page 21). Then, see step 3 on page 21
and check for firmware updates.
4. Create an iFit Live account.
To create an iFit Live account, or for more
information about the account, go to
www.iFit.com.
5. Begin working out.
See HOW TO USE AN IFIT LIVE WORKOUT on
page 18.
Reset
Position

15
HOW TO USE THE MANUAL MODE
1. Begin pedaling or press any button on the
console to turn on the console.
See HOW TO TURN ON THE POWER on page
14.
2. Select the main menu.
Each time you turn on the power, the main menu
will be selected automatically.
If you have selected a workout or the iFit Live
mode, press the Home button to return to the main
menu.
3. Select the manual mode.
From the main menu in the display, select
Workouts, and then select Manual.
You can also press the Manual button on the con-
sole to select the manual mode.
4. Change the incline (resistance) of the exercise
bike as desired.
As you pedal, change the incline (resistance) of
the exercise bike by pressing the Incline increase
and decrease buttons.
Note: After you press a button, it will take a
moment for the exercise bike to reach the selected
incline level.
CAUTION: The exercise bike can move to a
broad range of incline levels. Hold the handle-
bars and be prepared for the exercise bike to
move when you change the incline.
5. Change gears as desired.
To maintain a steady pedaling cadence, change
gears by pressing the Gears increase and
decrease buttons.
Note: After you press a button, it will take a
moment for the exercise bike to change to the
selected gear.
6. Follow your progress with the display.
The display can show the following workout
information:
Calories (Cals)—This display mode will show the
approximate number of calories you have burned.
Distance—This display mode will show the dis-
tance that you have pedaled in miles or
kilometers. To change the unit of measurement,
see step 6 on page 20.
Gear—This display mode will show the number of
the currently selected gear.
Incline—This display mode will show the incline
level of the exercise bike.
Map—When an all terrain workout is selected, this
display mode will show a map of the trail and a
marker indicating your progress.
Profile—When an onboard workout is selected,
this display mode will show a profile of the incline
settings for the workout.
Pulse—This display mode will show your heart
rate when you use an optional heart rate monitor
(see page 22).
RPM—This display mode will show your pedaling
cadence in revolutions per minute (rpm).
Speed (Spd)—This display mode will show your
pedaling cadence in miles per hour or kilometers
per hour. To change the unit of measurement, see
step 6 on page 20

16
Target RPM meter—This display mode will com-
pare your pedaling cadence to the target cadence
and prompt you to increase or decrease your ped-
aling cadence.
Time—This display mode will show the elapsed
time.
Watts—This display will show your approximate
power output in watts.
The wireless symbol at the
top of the display will show
the strength of your wireless
signal. Four arcs indicate full
signal strength. If the symbol is green, the console
is connected to your wireless network and you
have logged in to iFit.com. If the symbol is orange,
the console is connected to your wireless network.
If the symbol is black, the console is not con-
nected to your wireless network.
Change the volume level of the con-
sole by pressing the Volume increase
and decrease buttons.
To pause the manual mode or a workout, stop
pedaling. The console will pause and the time will
flash in the display. To resume the manual mode
or the workout, simply resume pedaling.
To exit the manual mode or a workout, press the
Home button, select End Workout, and press the
Enter button.
7. Wear a heart rate monitor and measure your
heart rate if desired.
You can wear an optional heart rate monitor to
measure your heart rate. For more information
about the optional heart rate monitor, see page 22.
When your heart beat is detected, a heart symbol
will appear in the display and your heart rate will
be shown.
8. When you are finished exercising, unplug the
power cord.
If the pedals do not move for several seconds, the
console will pause.
If the pedals do not move for several minutes and
the buttons are not pressed, the console will turn
off and the display will be reset.
When you are finished exercising, press the power
switch to the off position and unplug the power
cord. IMPORTANT: If you do not do this, the
electrical components on the exercise bike
may wear prematurely.

17
HOW TO USE AN ONBOARD WORKOUT
1. Begin pedaling or press any button on the
console to turn on the console.
See HOW TO TURN ON THE POWER on page
14.
2. Select the main menu.
See step 2 on page 15.
3. Select an onboard workout.
From the main menu in the display, first select
Workouts, and then select Exercise Bike, All
Terrain, or Cycle Class.
Then, select the desired workout. The display will
show the name, the estimated duration, and the
estimated distance of the workout. The display will
also show the approximate number of calories you
will burn during the workout.
You can also press the All Terrain, Cycle Class, or
Exercise Bike button on the console.
4. Start the workout.
Press the Enter button to start the workout.
Each workout is divided into several segments.
One incline level (resistance) is programmed for
each segment. Note: The same incline level may
be programmed for consecutive segments.
One target cadence is programmed for the entire
workout. To change the target cadence, see step 4
on page 20.
During the workout, the profile will show your
progress. Press the Display button repeatedly to
view the profile. The colored line at the top of the
profile will indicate the current segment of the
workout. The colored profile represents the incline
level of the current segment.
If you have selected an All Terrain workout, the
display will also show a map of the trail and a
marker indicating your progress. Press the Display
button repeatedly to view the map.
At the end of the first segment of the workout, the
incline will automatically adjust to the incline level
for the next segment.
When the incline changes, the resistance of the
pedals will also change. To maintain a steady ped-
aling cadence, change gears by pressing the
Gears increase and decrease buttons.
As you exercise, you will be prompted to keep
your pedaling cadence near the target cadence for
the current segment. When the upward-pointing
arrow lights in the target RPM meter, increase
your cadence. When the downward-pointing arrow
lights, decrease your cadence. When the center of
the target lights, maintain your current cadence.
IMPORTANT: The target cadence is intended
only to provide motivation. Your actual pedal-
ing cadence may be slower than the target
cadence. Make sure to pedal at a cadence that
is comfortable for you.
Note: The calorie goal is an estimate of the
number of calories that you will burn during
the workout. The actual number of calories
that you burn will depend on your weight. In
addition, your pedaling cadence will affect the
number of calories you burn.
The workout will continue in this way until the last
segment ends. A workout summary will then
appear in the display. After you view the workout
summary, press the Enter button.
5. Follow your progress with the display.
See step 6 on page 15.
6. Wear a heart rate monitor and measure your
heart rate if desired.
See step 7 on page 16.
7. When you are finished exercising, unplug the
power cord.
See step 8 on page 16.

18
HOW TO USE AN IFIT LIVE WORKOUT
Note: To use an iFit Live workout, you must have
access to a wireless network including an 802.11b/n
router with SSID broadcast enabled (hidden networks
are not supported). An iFit.com membership is also
required.
1. Begin pedaling or press any button on the
console to turn on the console.
See HOW TO TURN ON THE POWER on page
14.
2. Log in to iFit.com.
If you have not already done so, log in to your iFit
Live account (see step 3 on page 20).
3. Select the main menu.
See step 2 on page 15.
4. Select an iFit Live workout.
From the main menu in the display, select iFit Live,
and then select Todayʼs Workout, My Trainer, My
Maps, World Tour, or Event Training to download
the next workout of that type in your schedule.
Select Compete to compete in a race that you
have previously scheduled.
You can also press the iFit Live buttons on the
console. Press the iFit Live button to view the iFit
Live menu. Press the My Trainer button, the My
Maps button, the World Tour button, or the Event
Training button to download the next workout of
that type in your schedule. Press the Compete but-
ton to compete in a race that you have previously
scheduled.
To switch users within the iFit Live account, select
Select User and select the desired user.
From the iFit Live menu, you can also select
Manual Workout for the manual mode (see page
15) or Workout Menu for an onboard workout (see
page 17).
Before some workouts will download, you must
add them to your schedule on iFit.com.
For more information about the iFit Live work-
outs, please see www.iFit.com.
When you select an iFit Live workout, the display
will show the name, duration, and distance of the
workout. The display will also show the approxi-
mate number of calories you will burn during the
workout. The display may also show a profile of
the workout. If you select a competition workout,
the display may count down to the beginning of the
race.
5. Start the workout.
See step 4 on page 17.
During some workouts, the voice of a personal
trainer will guide you through your workout.
6. Follow your progress with the display.
See step 6 on page 15.
During a competition workout, the display will show
your progress in the race.
7. Wear a heart rate monitor and measure your
heart rate if desired.
See step 7 on page 16.
8. When you are finished exercising, unplug the
power cord.
See step 8 on page 16.
For more information about the iFit Live mode, go
to www.iFit.com.

19
HOW TO USE THE SETTINGS MODE
The console features a settings mode that allows you
to connect the console to your own wireless network
and to log in to your iFit Live account. The settings
mode also allows you to select the target cadence,
select the unit of measurement, and to turn on and
turn off the display demo mode. You may also be able
to select a language.
1. Select the settings mode.
Turn on the console (see step 1 on page 15).
Next, select the main menu (see step 2 on page
15). Then, select Settings. The settings menu will
appear in the display.
2. Connect to a wireless network.
From the settings menu, select Wifi/Login. Then,
select Standard Wifi Setup or Advanced Wifi
Setup.
Note: You must have your own wireless network
and an 802.11b/n router with SSID broadcast
enabled (hidden networks are not supported).
The iFit Live mode supports unsecured and
secured (WEP, WPA, and WPA2) encryption. A
broadband connection is recommended; perfor-
mance depends on connection speed.
If you select Standard Wifi Setup, a list of wire-
less networks will appear in the display. Select the
desired network.
Note: It may take a few moments for the list of net-
works to appear. You will need to know your
network name (SSID) for the standard setup. If
your network has a password, you will also need
to know the password.
After you select a network, navigation instructions
for the keyboard will appear in the display. View
the navigation instructions and then press the
Enter button.
The keyboard will then appear in the display. Enter
your password (passphrase) and select Done.
Note: If your network does not have a password,
simply select Done.
If you are having problems connecting to the
selected network, make sure that your password is
correct. Note: Passwords are case-sensitive.
The display will inform you when the console has
connected to your wireless network. Press the
Enter button to close the standard setup mode.
Then, press the Enter button to log in to your iFit
Live account or press the Home button repeatedly
to return to the settings menu or the main menu.
If you select Advanced Wifi Setup, a list of wire-
less networks will appear in the display. Select the
desired network. Note: It may take a few moments
for the list of networks to appear.
Note: You will need to know your network name
(SSID), your network password, your IP address,
your netmask, your gateway address, and your
global DNS server for the advanced setup.
After you select a network, navigation instructions
for the keyboard will appear in the display. View
the navigation instructions and then press the
Enter button.
The keyboard will then appear in the display. Enter
your password (passphrase) and select Done.
Repeat these actions to enter your IP address,
your netmask, your gateway address, and your
global DNS.
If you are having problems connecting to the
selected network, make sure that you have
entered case-sensitive information correctly.
The display will inform you when the console has
connected to your wireless network. Press the
Enter button to close the advanced setup mode.
Then, press the Enter button to log in to your iFit
Live account or press the Home button repeatedly
to return to the settings menu or the main menu.
Note: If you have questions after following
these instructions, go to www.iFit.com/support
for assistance.

20
3. Log in to your iFit Live account.
From the settings menu, select Wifi/Login. Then,
select iFit Live Login.
Navigation instructions for the keyboard will
appear in the display. View the navigation instruc-
tions and then press the Enter button.
The keyboard will then appear in the display. Enter
your iFit Live password (passphrase) and select
Done.
After you log in to your iFit live account, the dis-
play will show the iFit Live menu.
Note: To switch users within an iFit Live account,
see step 4 on page 18.
To create an iFit Live account, or for more
information about the account, go to
www.iFit.com.
4. Set the target cadence.
From the settings menu, select User Cadence.
The currently selected target cadence will be
highlighted.
Select the desired target cadence. After you select
a target cadence, the display will return to the set-
tings menu.
5. Select a language.
From the settings menu, select International.
Then, select Language. The currently selected lan-
guage will be highlighted.
Select the desired language. Note: This feature
may not be enabled.
After you select a language, the display will return
to the international menu. Press the Home button
to return to the settings menu.
6. Select the unit of measurement.
From the settings menu, select International.
Then, select Display Units. The currently selected
unit of measurement will be highlighted.
Select US to display speed and distance in miles
or select Metric to display speed and distance in
kilometers.
After you select a unit of measurement, the display
will return to the international menu. Press the
Home button to return to the settings menu.
7. Turn on or turn off the display demo mode.
The console features a display demo mode,
designed to be used if the exercise bike is dis-
played in a store. If the demo mode is turned on,
the console will not turn off and the display will not
be reset when you finish exercising.
You can turn on or turn off the display demo mode.
From the settings menu, select Demo Mode. The
currently selected demo mode option will be
highlighted.
To turn on the demo mode, select Demo ON. To
turn off the demo mode, select Demo OFF. After
you select a demo mode option, the display will
return to the settings menu.
8. Exit the settings mode.
To exit the settings mode, press the Home button.

21
HOW TO USE THE MAINTENANCE MODE
The console features a maintenance mode that allows
you to update the console firmware, restore the
default settings, view technical information, perform a
network test, and calibrate the incline.
1. Select the settings mode.
See step 1 on page 19.
2. Select the maintenance mode.
From the settings menu, select Maintenance. The
maintenance menu will appear in the display.
When you select a menu option from the mainte-
nance menu, the top of the display will show
information about the model and version of the
exercise bike.
If the console is connected to the controller of the
exercise bike, the controller dot will be green; if it
is not, the dot will flash.
If the exercise bike is connected to your wireless
network, the network dot will be green; if it is not,
the dot will be black.
3. Update the console firmware.
For the best results, regularly check for
firmware updates.
From the maintenance menu, select Firmware
Update. Press the Enter button to download the
latest firmware for the console.
IMPORTANT: To avoid damaging the exercise
bike, do not turn off the power while the
firmware is being updated.
The display will show the progress of the update.
When the update is complete, the console will turn
off and then turn back on. If it does not, press the
power switch on the exercise bike to the off posi-
tion. Wait for several seconds, and then press the
power switch to the reset position. It may take a
few minutes for the console to be ready for use.
4. Restore the default settings.
From the maintenance menu, select Restore
Defaults. Then, press Enter to restore the console
to the original settings from the factory.
After you restore the default settings, press the
Enter button. The display will return to the mainte-
nance menu.
5. View technical information.
From the maintenance menu, select Technical
Info.
View the total number of hours that the exercise
bike has been used, the total distance that has
been pedaled, and other information.
After you view the information, press the Enter
button. The display will return to the maintenance
menu.
6. Perform a network test.
From the maintenance menu, select Network Test.
The console will run a network test and check the
connection status of the console and the exercise
bike.
After you view the results of the network test,
press the Enter button. The display will return to
the maintenance menu.

22
7. Calibrate the incline system of the exercise
bike.
From the maintenance menu, select Calibrate
Incline. Then, press the Enter button to calibrate
the incline system.
The exercise bike will automatically rise to the
maximum incline level, lower to the minimum
incline level, and then return to the starting posi-
tion. This will calibrate the incline system.
IMPORTANT: Keep pets, feet, and other objects
away from the exercise bike while the incline
system is calibrating. In an emergency, press
the Enter button to stop the incline calibration.
When the incline system is calibrated, press the
Enter button to return to the maintenance menu.
8. Exit the maintenance mode.
To exit the maintenance mode, press the Home
button repeatedly.
HOW TO USE THE SOUND SYSTEM
To play music or audio books through the console
sound system while you exercise, plug the included
audio cable into the jack on the console and into a
jack on your MP3 player or CD player; make sure
that the audio cable is fully plugged in.
Next, press the Play button on your MP3
player or CD player. Adjust the volume
level using the Volume increase and
decrease buttons on the console or the
volume control on your MP3 player or CD
player.
To use headphones with the console, plug your head-
phones cable into the headphones jack on the
console.
THE OPTIONAL HEART RATE MONITOR
The optional heart rate monitor provides hands-free
operation and continuously monitors your heart rate
during your workouts. To purchase the optional
heart rate monitor, see the front cover of this
manual.

23
FCC INFORMATION
This equipment has been tested and found to comply with the limits for a Class B digital device, pursuant to Part
15 of the FCC Rules. These limits are designed to provide reasonable protection against harmful interference in
a residential installation. This equipment generates, uses, and can radiate radio frequency energy and, if not
installed and used in accordance with the instructions, may cause harmful interference to radio communications.
However, there is no guarantee that interference will not occur in a particular installation. If this equipment does
cause harmful interference to radio or television reception, which can be determined by turning the equipment
off and on, try to correct the interference by one of the following measures:
• Reorient or relocate the receiving antenna.
• Increase the separation between the equipment and the receiver.
• Connect the equipment to an outlet on a circuit different from the circuit to which the receiver is connected.
• Consult the dealer or an experienced radio/TV technician for help.
FCC CAUTION: To assure continued compliance, use only shielded interface cables when connecting to
computer or peripheral devices. Changes or modifications not expressly approved by the party respon-
sible for compliance could void the user's authority to operate this equipment.

24
HOW TO MAINTAIN THE EXERCISE BIKE
Inspect and tighten all parts of the exercise bike regu-
larly. Replace any worn parts immediately.
To clean the exercise bike, use a damp cloth and a
small amount of mild detergent. IMPORTANT: To
avoid damage to the console, keep liquids away
from the console and keep the console out of
direct sunlight.
HOW TO ADJUST THE DRIVE BELT
If the pedals slip while you are pedaling, the drive belt
may need to be adjusted.
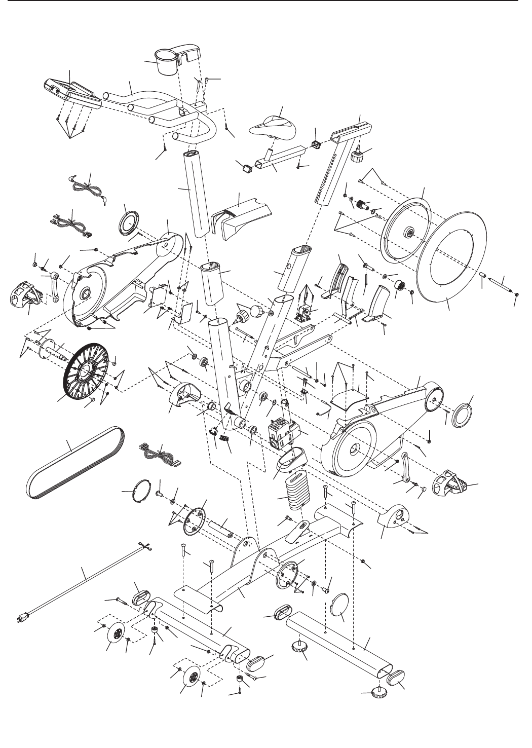
See the EXPLODED DRAWING on page 27 to identify
the parts mentioned below.
To adjust the Drive Belt (66), first press the power
switch to the off position and unplug the power
cord.
Use a flat screwdriver and remove the Upper Shield
(10) and the right Shield Cover (13).
Next, remove the #8 x 32 x 13mm Screw (88) from the
Right Shield (12). Then, remove the #8 x 3/4" Screw
(94) from the Left Shield (11).
Then, use a socket set to remove the two 1/4" Flange
Nuts (99) from the Right Shield (12).
Remove the two #8 x 1/2" Screws (95) on the right
side of the Electronics Shield (98). Then, gently move
the Right Shield (12) away from the exercise bike.
Locate the Idler Pulley (37). Loosen the 3/8" Jam Nut
(71). Then, tighten the Idler Adjustment Screw (39)
until the Drive Belt (66) is tight.
When the Drive Belt (66) is tight, tighten the 3/8" Jam
Nut (71).
Reattach the Right Shield (12) with the #8 x 1/2”
Screws (95), the 1/4" Flange Nuts (99), the #8 x 3/4"
Screw (94), and the #8 x 32 x 13mm Screw (88).
Then, reattach the Upper Shield (10).
MAINTENANCE AND TROUBLESHOOTING

25
These guidelines will help you to plan your exercise
program. For detailed exercise information, obtain a
reputable book or consult your physician. Remember,
proper nutrition and adequate rest are essential for
successful results.
EXERCISE INTENSITY
Whether your goal is to burn fat or to strengthen your
cardiovascular system, exercising at the proper inten-
sity is the key to achieving results. You can use your
heart rate as a guide to find the proper intensity level.
The chart below shows recommended heart rates for
fat burning and aerobic exercise.
To find the proper intensity level, find your age at the
bottom of the chart (ages are rounded off to the near-
est ten years). The three numbers listed above your
age define your “training zone.” The lowest number is
the heart rate for fat burning, the middle number is the
heart rate for maximum fat burning, and the highest
number is the heart rate for aerobic exercise.
Burning Fat—To burn fat effectively, you must exer-
cise at a low intensity level for a sustained period of
time. During the first few minutes of exercise, your
body uses carbohydrate calories for energy. Only after
the first few minutes of exercise does your body begin
to use stored fat calories for energy. If your goal is to
burn fat, adjust the intensity of your exercise until your
heart rate is near the lowest number in your training
zone. For maximum fat burning, exercise with your
heart rate near the middle number in your training
zone.
Aerobic Exercise—If your goal is to strengthen your
cardiovascular system, you must perform aerobic
exercise, which is activity that requires large amounts
of oxygen for prolonged periods of time. For aerobic
exercise, adjust the intensity of your exercise until
your heart rate is near the highest number in your
training zone.
HOW TO MEASURE YOUR HEART RATE
To measure your heart
rate, exercise for at
least four minutes.
Then, stop exercising
and place two fingers on
your wrist as shown.
Take a six-second heart-
beat count, and multiply
the result by 10 to find your heart rate. For example, if
your six-second heartbeat count is 14, your heart rate
is 140 beats per minute.
WORKOUT GUIDELINES
Warming Up—Start with 5 to 10 minutes of stretching
and light exercise. A warm-up increases your body
temperature, heart rate, and circulation in preparation
for exercise.
Training Zone Exercise—Exercise for 20 to 30 min-
utes with your heart rate in your training zone. (During
the first few weeks of your exercise program, do not
keep your heart rate in your training zone for longer
than 20 minutes.) Breathe regularly and deeply as you
exercise—never hold your breath.
Cooling Down—Finish with 5 to 10 minutes of
stretching. Stretching increases the flexibility of your
muscles and helps to prevent post-exercise problems.
EXERCISE FREQUENCY
To maintain or improve your condition, complete three
workouts each week, with at least one day of rest
between workouts. After a few months of regular exer-
cise, you may complete up to five workouts each
week, if desired. Remember, the key to success is to
make exercise a regular and enjoyable part of your
everyday life.
EXERCISE GUIDELINES
WARNING: Before beginning
this or any exercise program, consult your
physician. This is especially important for
persons over age 35 or persons with pre-
existing health problems.

26
Key No. Qty. Description Key No. Qty. Description
PART LIST Model No. PFEX19810.0 R1111A
Note: Specifications are subject to change without notice. For information about ordering replacement parts, see
the back cover of this manual. *These parts are not illustrated.
11Base
21 Frame
31Seat Post
41Seat Carriage
51Seat
61Handlebar Post
71Handlebar
81Handlebar Cover
91Console
10 1 Upper Shield
11 1 Left Shield
12 1 Right Shield
13 2 Shield Cover
14 1 Right Magnet Cover
15 1 Left Magnet Cover
16 1 Left Frame Cover
17 1 Right Frame Cover
18 1 Base Shield
19 1 Flex Cover
20 2 Cover Mount
21 2 Base Cover
22 1 Front Stabilizer
23 1 Rear Stabilizer
24 4 Stabilizer Cap
25 2 Leveling Foot
26 2 Foot
27 2 Wheel
28 2 Seat Carriage Cap
29 1 Seat Knob
30 1 Lift Motor
31 1 Resistance Motor
32 1 Resistance Magnet
33 1 Arm
34 1 Magnet Axle
35 1 Reed Switch/Wire
36 1 Clamp
37 1 Idler Pulley
38 1 Idler Bolt
39 1 Idler Adjustment Screw
40 1 Flywheel Ring
41 1 Flywheel Hub
42 1 Flywheel Axle
43 1 Flywheel Spacer
44 1 Thrust Washer
45 1 Flywheel Pulley
46 2 Post Bushing
47 2 Post Knob
48 1 Power Switch
49 1 Grommet
50 1 Control Board
51 1 Board Bracket
52 3 Standoff
53 1 Crank Pulley
54 1 Crank
55 2 Magnet
56 1 Crank Spacer
57 2 Bearing
58 1 Snap Ring
59 2 Frame Bushing
60 1 Pivot Axle
61 1 Left Pedal
62 1 Right Pedal
63 1 Left Crank Arm
64 1 Right Crank Arm
65 2 Crank Arm Cap
66 1 Drive Belt
67 1 Power Cord
68 1 Upper Wire
69 1 Lower Wire
70 1 #8 x 1/4" Screw
71 3 3/8" Jam Nut
72 2 1/2" Washer
73 2 1/2" x 1" Bolt
74 4 3/8" x 2 1/4" Patch Screw
75 2 5/16" x 1 3/4" Bolt
76 2 5/16" Locknut
77 1 M10 x 35mm Hex Screw
78 2 5/16" x 17mm Flange Screw
79 4 M6 x 20mm Screw
80 4 M6 Nut
81 1 5/16" x 2 1/4" Patch Screw
82 5 #10 x 1/2" Flat Head Screw
83 1 1/4" x 125mm Flat Head Screw
84 4 Wheel Spacer
85 2 M10 Washer
86 2 1/4" x 1/2" Button Screw
87 2 1/4" Washer
88 8 #8 x 32 x 13mm Screw
89 4 #8 x 16mm Screw
90 2 Mount/Screw
91 1 Audio Cable
92 1 5/16" x 3/4" Patch Screw
93 2 #8 Star Washer
94 9 #8 x 3/4" Screw
95 10 #8 x 1/2" Screw
96 4 M4 x 12mm Flange Screw
97 2 #8 x 19mm Tek Screw
98 1 Electronics Shield
99 4 1/4" Flange Nut
100 1 M10 Locknut
*–Assembly Tool
*–Userʼs Manual

27
EXPLODED DRAWING Model No. PFEX19810.0 R1111A
1
2
3
4
5
6
7
8
9
10
11
12
13
13
14
15
17
16
18
19
20
20
21
21 23
24
24
25
25
27
28
28
47
29
30
31
32 33
34 86
87
35
36
97
97
96 95
95
39
85
37 71
38
40
41
42
43
71
44
45
82
85
71
82
94
94
46
46
48 49
51
50 52
52
89
86
87
83
53
54 56
55
55
57
57
58
59
59
60
62
61
64
65 78
63
65
78
95
94
77
73
88
66
67
88
73
94
81
88
88
80
80
79
79
95 94
90
74
74
68
69
91
92
70
93
72
72
27
84
84
84
84
22
24
24
26
26
75
89
89
76
75
99
99
99
98 95
95
100

Part No. 299301 R1111A Printed in USA © 2011 ICON IP, Inc.
ORDERING REPLACEMENT PARTS
To order replacement parts, please see the front cover of this manual. To help us assist you, be prepared to
provide the following information when contacting us:
• the model number and serial number of the product (see the front cover of this manual)
• the name of the product (see the front cover of this manual)
• the key number and description of the replacement part(s) (see the PART LIST and the EXPLODED
DRAWING near the end of this manual)
ICON Health & Fitness, Inc. (ICON) warrants this product to be free from defects in workmanship and
material, under normal use and service conditions. The frame is warranted for ten (10) years from the date
of purchase. Parts and labor are warranted for one (1) year from the date of purchase.
This warranty extends only to the original purchaser (customer). ICONʼs obligation under this warranty is
limited to repairing or replacing, at ICONʼs option, the product through one of its authorized service cen-
ters. All repairs for which warranty claims are made must be preauthorized by ICON. If the product is
shipped to a service center, freight charges to and from the service center will be the customerʼs respon-
sibility. If replacement parts are shipped while the product is under warranty, the customer will be
responsible for a minimal handling charge. For in-home service, the customer will be responsible for a
minimal trip charge. This warranty does not extend to freight damage to the product. This warranty will
automatically be voided if the product is used as a store display model, if the product is purchased or
transported outside the USA, if all instructions in this manual are not followed, if the product is abused or
improperly or abnormally used, or if the product is used for commercial or rental purposes. No other war-
ranty beyond that specifically set forth above is authorized by ICON.
ICON is not responsible or liable for indirect, special, or consequential damages arising out of or in con-
nection with the use or performance of the product; damages with respect to any economic loss, loss of
property, loss of revenues or profits, loss of enjoyment or use, or costs of removal or installation; or other
consequential damages of any kind. Some states do not allow the exclusion or limitation of incidental or
consequential damages. Accordingly, the above limitation may not apply to the customer.
The warranty extended hereunder is in lieu of any and all other warranties, and any implied warranties of
merchantability or fitness for a particular purpose are limited in their scope and duration to the terms set
forth herein. Some states do not allow limitations on how long an implied warranty lasts. Accordingly, the
above limitation may not apply to the customer.
This warranty provides specific legal rights; the customer may have other rights that vary from state to state.
ICON Health & Fitness, Inc., 1500 S. 1000 W., Logan, UT 84321-9813
LIMITED WARRANTY
IMPORTANT: You must register this product within 30 days of the purchase date to avoid added
fees for service needed under warranty. Go to www.proformservice.com/registration.