Proform Pfex739081 480 Csx Bike Users Manual 285430
Proform-Pfex739081-Owner-S-Manual proform-pfex739081-owner-s-manual
2015-04-14
: Proform Proform-Pfex739081-480-Csx-Bike-Users-Manual-701277 proform-pfex739081-480-csx-bike-users-manual-701277 proform pdf
Open the PDF directly: View PDF
.
Page Count: 28

USER'S MANUAL
CAUTION
Read all precautions and instruc-
tions in this manual before using
this equipment. Keep this manual
for future reference.
Serial Number
Decal
Model No. PFEX73908.1
Serial No.
Write the serial number in the
space above for future reference.
QUESTIONS?
If you have questions, or if parts are
damaged or missing, DO NOT
CONTACT THE STORE; please
contact Customer Care.
IMPORTANT: Please register this
product (see the limited warranty
on the back cover of this manual)
before contacting Customer Care.
CALL TOLL-FREE:
1-888-533-1333
Mon.–Fri., 6 a.m.–6 p.m. MT
Sat. 8 a.m.–4 p.m. MT
ON THE WEB:
www.proformservice.com
www.proform.com

2
TABLE OF CONTENTS
WARNINGDECALPLACEMENT ..............................................................2
IMPORTANTPRECAUTIONS ................................................................3
BEFOREYOUBEGIN ......................................................................4
ASSEMBLY ...............................................................................5
HOWTOUSETHEEXERCISECYCLE .......................................................12
MAINTENANCEANDTROUBLESHOOTING ...................................................23
EXERCISEGUIDELINES ...................................................................24
PARTLIST ..............................................................................25
EXPLODEDDRAWING ....................................................................26
ORDERINGREPLACEMENTPARTS ..................................................BackCover
LIMITEDWARRANTY ..............................................................BackCover
WARNING DECAL PLACEMENT
This drawing shows the location(s) of the warning
decal(s). If a decal is missing or illegible, see
the front cover of this manual and request a
free replacement decal. Apply the decal in the
location shown. Note: The decal(s) may not be
shown at actual size.
PROFORM is a registered trademark of ICON IP, Inc.

3
WARNING: To reduce the risk of serious injury, read all important precautions and
instructions in this manual and all warnings on your exercise cycle before using your exercise
cycle. ICON assumes no responsibility for personal injury or property damage sustained by or
through the use of this product.
1. Before beginning any exercise program,
consult your physician. This is especially
important for persons over age 35 or per-
sons with pre-existing health problems.
2. Use the exercise cycle only as described in
this manual.
3. It is the responsibility of the owner to ensure
that all users of the exercise cycle are ade-
quately informed of all precautions.
4. The exercise cycle is intended for home use
only. Do not use the exercise cycle in a com-
mercial, rental, or institutional setting.
5. Keep your exercise cycle indoors, away from
moisture and dust. Place your exercise cycle
on a level surface, with a mat beneath it to
protect the floor or carpet. Make sure that
there is at least 2 ft. (0.6 m) of clearance
around your exercise cycle.
6. Inspect and properly tighten all parts regu-
larly. Replace any worn parts immediately.
7. Keep children under age 12 and pets away
from the exercise cycle at all times.
8. Wear appropriate clothes while exercising;
do not wear loose clothes that could become
caught on the exercise cycle. Always wear
athletic shoes for foot protection.
9. The exercise cycle should not be used by
persons weighing more than 300 lbs.
(136 kg).
10. The pulse sensor is not a medical device.
Various factors, including the user's move-
ment, may affect the accuracy of heart rate
readings. The pulse sensor is intended only
as an exercise aid in determining heart rate
trends in general.
11. Always keep your back straight while using
the exercise cycle; do not arch your back.
12. Over exercising may result in serious injury
or death. If you feel faint or if you experience
pain while exercising, stop immediately and
cool down.
IMPORTANT PRECAUTIONS

4
*Water bottle is not included
Handlebar
Seat
Handgrip Pulse Sensor
Seat Handle
Pedal/Strap
Wheel
Leveling Foot
Upright Knob
Console
Backrest
Handle
Water Bottle Holder*
BEFORE YOU BEGIN
Game Controller
Thank you for selecting the revolutionary PROFORM®
480 CSX exercise cycle. Cycling is an effective exer-
cise for increasing cardiovascular fitness, building
endurance, and toning the body. The 480 CSX exer-
cise cycle provides an impressive selection of features
designed to make your workouts at home more effec-
tive and enjoyable.
For your benefit, read this manual carefully before
you use the exercise cycle. If you have questions
after reading this manual, please see the front cover
of this manual. To help us assist you, note the product
model number and serial number before contacting
us. The model number and the location of the serial
number decal are shown on the front cover of this
manual.
Before reading further, please familiarize yourself with
the parts that are labeled in the drawing below.

5
M10 x 63mm Bolt Set (62)–1
M8 x 50mm Patch
Screw (52)–4
M6 x 42mm Patch
Screw (51)–2
M8 x 53mm Button
Bolt (72)–2
M8 x 16mm Patch
Screw (54)–6
M8 Split
Washer (55)–10
M6 Washer
(44)–4
M6 x 38mm Patch
Screw (81)–4
M8 Jam
Locknut (89)–2
M10 Locknut
(87)–2
M6 x 18mm Patch
Screw (77)–2
M10 x 32mm
Button Bolt (78)–2
M4 x 16mm
Flange
Screw (80)–4
M4 x 8mm
Screw (92)–1
ASSEMBLY
Assembly requires two persons. Place all parts of the exercise cycle in a cleared area and remove the pack-
ing materials. Do not dispose of the packing materials until assembly is completed.
In addition to the included tool(s), assembly requires a Phillips screwdriver , an adjustable
wrench , and a rubber mallet .
As you assemble the exercise cycle, use the drawings below to identify small parts. The number in parentheses
below each drawing is the key number of the part, from the PART LIST near the end of this manual. The number
following the parentheses is the quantity needed for assembly. Note: If a part is not in the hardware kit,
check to see if it has been preassembled.

6
1.
Orient the Right Front Stabilizer (40) as shown.
Attach the Right Front Stabilizer (40) to the right
side of the Frame (1) with three M8 x 16mm
Patch Screws (54) and three M8 Split Washers
(55).
Attach the Left Front Stabilizer (not shown)
in the same way.
40
54
1
1
55 55
54
2. While another person lifts the rear of the Frame
(1), attach the Rear Stabilizer (16) to the Frame
with four M8 x 50mm Patch Screws (52) and
four M8 Split Washers (55).
2
55
55
16
52
1
To make assembly easier, read the
information on page 5 before you begin.

7
3
2
Avoid
pinching
the Wire
Harnesses
(42, 43)
1
3. While another person holds the Upright (2) near
the Frame (1), locate the wire tie inside the
Upright.
See the inset drawing. Tie the lower end of
the wire tie to the ends of the Game/Pulse and
Main Wire Harnesses (42, 43). Then, pull the
other end of the wire tie upward until the Wire
Harnesses are routed completely through the
Upright (2).
Tip: Do not pinch the Wire Harnesses (42,
43). Attach the Upright (2) to the Frame (1) with
an M10 x 63mm Bolt Set (62).
62
42
62
42, 43
43 Wire Tie
4. Identify the Right and Left Handlebars (59, 60),
which are marked with “Right” and “Left” stickers.
Tip: Do not damage the Wire Harnesses (42,
43). Attach the Handlebars (59, 60) to the
Upright (2) with two M8 x 53mm Button Bolts
(72) and two M8 Jam Locknuts (89).
4
59
2
60
89
72
42
43
Avoid
damaging the
Wire Harnesses
(42, 43)

8
5. While another person holds the Console (4)
near the Upright (2), connect the console wire
harnesses to the Wire Harnesses (42, 43);
make sure to connect the console wire that
has a tag to the game wire that has a tag.
Insert the excess wire downward into the
Upright.
Tip: Do not pinch the Wire Harnesses (42,
43). Attach the Console (4) to the Upright (2)
with four M4 x 16mm Flange Screws (80).
2
5
4
42
Console Wire
Harnesses
80
80
Avoid pinching the
Wire Harnesses
(42, 43)
43
6. Note: The drawing at the right shows the
exercise cycle from the front.
Locate the access hole and the M4 x 8mm
Screw (92) in the Upright (2). Note: If the Screw
is missing, use the extra M4 x 8mm Screw (92)
in the hardware kit.
Hold the Rear Upright Cover (90) against the
Upright (2) and the Handlebars (59, 60).
Tip: Do not damage the Wire Harnesses (not
shown) inside the Upright (2). Insert a Phillips
screwdriver into the access hole, and tighten
the M4 x 8mm Screw (92) into the plastic post
on the Rear Upright Cover (90).
Then, hold the Front Upright Cover (91) against
the Upright (2) and the Handlebars (59, 60).
Press the tabs on the Front Upright Cover into
the Rear Upright Cover (90).
6
92 2
91
Access
Hole
Plastic
Post
60
59
90

9
7. Identify and orient the Seat Handlebar (11) so
that the controllers face upward. Make sure
that the hexagonal holes are in the indicated
locations.
Tip: Do not pinch the Game/Pulse Wire (58).
Attach the Seat Handlebar (11) to the Seat
Carriage (3) with two M10 x 32mm Button Bolts
(78) and two M10 Locknuts (87). Do not fully
tighten the Locknuts yet.
7
11
Controller
Hexagonal
Holes
Controller
78
58
87
3
Avoid pinching
the Game/Pulse
Wire (58)
8. Tip: Do not pinch the Game/Pulse Wire (58).
Attach the Backrest (8) to the Seat Carriage (3)
with two M6 x 18mm Patch Screws (77) and
two M6 x 42mm Patch Screws (51).
Tip: First tighten the M6 x 18mm Patch
Screws (77), and then tighten the M6 x
42mm Patch Screws (51).
See step 7. Tighten the M10 Locknuts (87).
8
877
51
3
58

10
9
9. Attach the Seat (9) to the Seat Carriage (3) with
four M6 x 38mm Patch Screws (81) and four
M6 Washers (44) (only two of each are shown).
Note: The Patch Screws and Washers may
be preattached to the underside of the Seat.
9
44
81
44
3
10. Plug the Game/Pulse Wire (58) into the
Game/Pulse Receptacle (79) located in the Left
Shield (26).
10
58
26
79

11
11. Identify the Right Pedal (21), which is marked
with an “R.”
Using an adjustable wrench, firmly tighten the
Right Pedal (21) clockwise into the Right Crank
(23). Tighten the Left Pedal (not shown) coun-
terclockwise into the Left Crank (not shown).
IMPORTANT: Tighten both Pedals as firmly
as possible. After using the exercise cycle
for one week, retighten the Pedals.
To loosen the strap on the Right Pedal (21),
press the indicated tab and pull the strap
upward. To tighten the strap, simply pull the end
of the strap downward. Adjust the strap on the
Left Pedal (not shown) in the same way.
11
13. Make sure that all parts are properly tightened before you use the exercise cycle. Note: After assembly
is completed, some extra parts may be left over. Place a mat beneath the exercise cycle to protect the floor.
21
23
Strap
Tab
12
12. Plug the Power Adapter (93) into the jack on the
back of the Console (4). To plug the Power
Adapter into an outlet, see HOW TO PLUG IN
THE POWER ADAPTER on page 12.
See the inset drawing. The Console (4) can
also be operated with four D batteries (not
included); alkaline batteries are recommended.
IMPORTANT: If the exercise cycle has been
exposed to cold temperatures, allow it to
warm to room temperature before inserting
batteries. If you do not do this, you may
damage the console displays or other elec-
tronic components.
To insert batteries, first remove the indicated
screw and the battery cover. Next, insert batter-
ies into the battery compartment. Then, reattach
the battery cover. Make sure to orient the bat-
teries as shown by the diagram inside the
battery compartment.
93
4
4
Batteries
Batteries
Screw
Battery
Cover

12
HOW TO PLUG IN THE POWER ADAPTER
IMPORTANT: If the exercise cycle has been
exposed to cold temperatures, allow it to warm to
room temperature before plugging in the power
adapter. If you do not do this, you may damage
the console displays or other electronic compo-
nents.
Plug the power
adapter into the jack
on the back of the
console. Then, plug
the power adapter
into an appropriate
outlet that is prop-
erly installed in
accordance with all
local codes and
ordinances.
HOW TO ADJUST THE SEAT
The seat can be adjusted forward or backward to the
position that is the most comfortable. To adjust the
seat, push downward on the seat handle, slide the
seat to the desired position, and then pull upward on
the seat handle to lock the seat in place.
HOW TO ADJUST THE UPRIGHT
The upright can be
adjusted to the
position that is the
most comfortable.
To adjust the
upright, first raise
the upright so that it
is not resting on the
upright knob. Next,
turn the upright
knob clockwise or
counterclockwise.
Then, rest the
upright on the
upright knob.
HOW TO ADJUST THE PEDAL STRAPS
To loosen the strap
on a pedal, press
the indicated tab
and pull the strap
upward. To tighten
the strap, simply
pull the end of the
strap downward.
HOW TO MOVE THE EXERCISE CYCLE
To move the exer-
cise cycle, hold the
handle on the rear
stabilizer and care-
fully lift it until the
exercise cycle can
be moved on the
front wheels.
Carefully move the
exercise cycle to
the desired location
and then lower it.
Pedal
Strap
Tab
Seat
Upright
Knob
Upright
HOW TO USE THE EXERCISE CYCLE
Handle
Power Adapter
Handle

13
FEATURES OF THE CONSOLE
This revolutionary console offers an array of features
designed to make your workouts more effective and
enjoyable.
When you use the manual mode of the console, you
can change the resistance of the pedals with the touch
of a button. While you exercise, the console will dis-
play continuous exercise feedback. You can even
measure your heart rate using the handgrip pulse sen-
sor.
The console offers twenty preset workouts. Each
workout automatically changes the resistance of the
pedals and prompts you to vary your pedaling speed
as it guides you through an effective workout.
The console also features four motivational interactive
games. Using the dual game controllers, play the chal-
lenging Fat Blocker™ game or the fast-paced Calorie
Destroyer™ game during your workouts—the harder
you exercise, the greater your advantage! Or, use
your wits and the interactive touch screen to win cred-
its while playing the classic card game of Blackjack or
Texas Hold ʼEm.
The console also features the iFit interactive workout
system, which enables the console to accept iFit cards
containing workouts designed to help you achieve
specific fitness goals. For example, lose unwanted
pounds with the 8-week Weight Loss workout. iFit
workouts control the resistance of the pedals while the
voice of a personal trainer coaches you through your
workouts. iFit cards are available separately. To pur-
chase iFit cards, go to www.iFit.com or see the
front cover of this manual. iFit cards are also
available at select stores.
You can even connect your MP3 player or CD player
to the consoleʼs sound system and listen to your
favorite workout music or audio books while you exer-
cise.
To use the manual mode, see page 14. To use a
preset workout, see page 16. To play the Fat
Blocker game, see page 17. To play the Calorie
Destroyer game, see page 18. To play the
Blackjack game, see page 19. To play the Texas
Hold ’Em game, see page 20. To use an iFit work-
out, see page 21. To use the sound system, see
page 21. To change the console settings, see page
22.
Note: Before using the console, make sure that the
power adapter is plugged in or that batteries are
installed (see pages 11 and 12). If there is a sheet of
clear plastic on the display, remove the plastic.
Display
Button
Workout
Buttons
Resistance
Buttons
Volume
Button
Volume
Button
Game
Button
CONSOLE DIAGRAM

14
HOW TO USE THE MANUAL MODE
1. Begin pedaling or press any button on the
console to turn on the console.
When you turn on the console, the display will
light. The console will then be ready for use.
2. Select the manual mode.
Each time you turn on the console, the manual
mode will be selected.
If you have selected a workout, press any of the
Workouts buttons or the Fitness Games button
(see the drawing on page 13) repeatedly until
zeroes appear in the display.
3. Change the resistance of the pedals as
desired.
As you pedal,
change the resis-
tance of the pedals
by pressing the
resistance
increase and
decrease buttons
(see the drawing
on page 13) repeatedly. Note: After you press the
buttons, it will take a moment for the pedals to
reach the selected resistance level.
4. Follow your progress with the display.
The console offers several display modes. The
display mode that you select will determine which
workout information is shown. Press the Display
button (see the drawing on page 13) repeatedly to
select the desired display mode.
The display can show the following workout infor-
mation:
Time—When the manual mode is selected, this
display will show the elapsed time. When a work-
out is selected, the display will show the time
remaining in the workout instead of the elapsed
time.
Speed—This display will show your pedaling
speed, in miles per hour (MPH) or kilometers per
hour (KM/H).
Distance—This display will show the distance you
have pedaled, in miles or kilometers.
Calories—This display will show the approximate
number of calories you have burned.
Watts—This display will show your approximate
power output in watts.

15
Pulse—This display will show your heart rate
when you use the handgrip pulse sensor (see step
5 below).
Resistance—This display will show the resistance
level of the pedals for a few seconds each time
the resistance level changes.
Profile—When a workout is selected, this display
will show a profile of the resistance settings for the
workout.
Display Settings—The console offers a display
settings mode that can be entered when the words
HOLD DISPLAY FOR SETTINGS appear in the
display. To change the display settings, see HOW
TO CHANGE THE CONSOLE SETTINGS on page
22.
Change the volume level of the console by press-
ing the Volume increase and decrease buttons.
Note: The console can show pedaling speed and
distance in either miles or kilometers. The letters
MPH or KM/H will appear in the display to show
which unit of measurement is selected. To change
the unit of measurement, see step 3 of HOW TO
CHANGE THE CONSOLE SETTINGS on page
22.
5. Measure your heart rate if desired.
If there are sheets of clear plastic on the metal
contacts on the handgrip pulse sensor, remove
the plastic. To measure your heart rate, hold the
handgrip pulse sensor with your palms resting
against the metal contacts. Avoid moving your
hands or gripping the contacts tightly.
When your pulse is detected, dashes will appear
in the display, and then your heart rate will be
shown. For the most accurate heart rate reading,
hold the contacts for at least 15 seconds. Note: If
you continue to hold the handgrip pulse sensor,
the display will show your heart rate for up to 30
seconds.
If the display does not show your heart rate, make
sure that your hands are positioned as described.
Be careful not to move your hands excessively or
to squeeze the metal contacts tightly. For optimal
performance, clean the metal contacts using a soft
cloth; never use alcohol, abrasives, or chemi-
cals to clean the contacts.
6. When you are finished exercising, the console
will turn off automatically.
If the pedals do not move for several seconds, a
tone will sound, the console will pause, and the
time will flash in the display. To resume your work-
out, simply resume pedaling.
If the pedals do not move for several minutes and
the buttons are not pressed, the console will turn
off and the display will be reset.
Contacts

16
HOW TO USE A PRESET WORKOUT
1. Begin pedaling or press any button on the
console to turn on the console.
When you turn on the console, the display will
light. The console will then be ready for use.
2. Select a preset workout.
To select a preset workout, press the Weight Loss
or the Aerobic/Performance button repeatedly until
the profile of the desired workout appears in the
display.
The workout time and a profile of the resistance
levels for the workout will appear in the display.
3. Begin pedaling to start the workout.
Each workout is divided into 20 or 30 one-minute
segments. One resistance level and one target
speed are programmed for each segment. Note:
The same resistance level and/or target speed
may be programmed for consecutive segments.
During the workout, the workout profile will show
your progress. The flashing segment of the profile
represents the current segment of the workout.
The height of the flashing segment indicates the
resistance level for the current segment.
At the end of each segment of the workout, a
series of tones will sound and the next segment of
the profile will begin to flash. The resistance level
and the target speed will also appear in the dis-
play.
If a different resistance level and/or target speed is
programmed for the next segment, the resistance
level and/or the target speed will flash in the dis-
play for a few seconds to alert you. The resistance
of the pedals will then change.
As you exercise,
you will be
prompted to keep
your pedaling
speed near the tar-
get speed for the
current segment.
When an upward-
pointing arrow appears in the display, increase
your speed. When a downward-pointing arrow
appears in the display, decrease your speed.
When no arrows appear, maintain your current
speed.
IMPORTANT: The target speed is intended only
to provide motivation. Your actual speed may
be slower than the target speed. Make sure to
exercise at a speed that is comfortable for you.
If the resistance level for the current segment is
too high or too low, you can manually override the
setting by pressing the resistance buttons.
IMPORTANT: When the current segment of the
workout ends, the pedals will automatically
adjust to the resistance level for the next seg-
ment.
The workout will continue in this way until the last
segment ends. To stop the workout at any time,
stop pedaling. A tone will sound, the console will
pause, and the time will begin to flash in the dis-
play. To restart the workout, simply resume
pedaling.
4. Follow your progress with the display.
See step 4 on page 14.
5. Measure your heart rate if desired.
See step 5 on page 15.
6. When you are finished exercising, the console
will turn off automatically.
See step 6 on page 15.
Profile

17
HOW TO PLAY THE FAT BLOCKER GAME
The Fat Blocker game requires quick thinking and fast
reflexes. In addition to the console buttons, you will
use the four-button game controllers on the handlebar
to play the game. Follow the steps below to play the
Fat Blocker game.
1. Begin pedaling or press any button on the
console to turn on the console.
When you turn on the console, the display will
light. The console will then be ready for use.
2. Select the Fat Blocker game.
To select the Fat Blocker game, press the Fitness
Games button (see the drawing on page 13)
repeatedly until the words FAT BLOCKER appear
in the display.
3. Begin pedaling or press a button on either
controller to start the game.
When you start the Fat Blocker game, a game
arena will appear in the center of the display.
A block composed of four or five black squares will
slowly move downward until it reaches the bottom
of the arena. Another block will then move down-
ward. Blocks come in eight different shapes. As
each block falls, you can move it to the left or right
using the left and right buttons on the left con-
troller. In addition, you can rotate the block
counterclockwise or clockwise using the left and
right buttons on the right controller. Once you have
positioned and oriented a block, you can speed its
motion to the bottom of the arena, if desired, by
pressing the down button on either controller.
Your goal is to
maneuver the
blocks so that they
form a complete
row of black
squares across the
entire arena. Each
time you complete
a row of black squares, the row will disappear, and
all blocks above will move downward one row.
As you play, the blocks will fall faster and faster;
however, your pedaling speed will affect the speed
of the blocks—the faster you pedal, the more
slowly the blocks will fall, giving you extra time to
position and orient the blocks. The game will con-
tinue until any part of a stacked block reaches the
top of the arena.
When the game ends, the display will show your
final score and the level of play that you reached.
The display will then show the four highest scores
recorded since the scores were reset. If desired,
press and hold down the right button on either
controller to reset the scores. Note: If your score is
one of the four highest, the display will prompt you
to enter a name consisting of three letters or dig-
its. While the line below the first letter is flashing,
press the up and down buttons on either controller
to select the desired letter or digit. Next, press the
right button on either controller and select another
letter or digit. Repeat this process to select a third
letter or digit. Then, press the right button on either
controller again. The display will then show the
four highest scores recorded since the scores
were reset.
4. Follow your progress with the display.
While you exercise and play the Fat Blocker
game, the corners of the display will show the
elapsed time, the approximate number of calories
you have burned, and your pedaling speed. In
addition, the display will show your current score
and the game level that you have reached.
To pause the game, press the Display button. To
resume the game, press the Display button
repeatedly until the words FAT BLOCKER appear
at the top of the display, and then press a button
on either controller.
5. When you are finished exercising, the console
will turn off automatically.
See step 6 on page 15.
Complete Row

18
HOW TO PLAY THE CALORIE DESTROYER GAME
The Calorie Destroyer game is a fast-paced game that
pits you against a squadron of laser-firing drones. In
addition to the console buttons, you will use the four-
button game controllers on the handlebar to play the
game. Follow the steps below to play the Calorie
Destroyer game.
1. Begin pedaling or press any button on the
console to turn on the console.
When you turn on the console, the display will
light. The console will then be ready for use.
2. Select the Calorie Destroyer game.
To select the Calorie Destroyer game, press the
Fitness Games button (see the drawing on page
13) repeatedly until the word DESTROYER
appears in the display.
3. Press a button on either controller to start the
game.
When you start the Calorie Destroyer game, a
game arena will appear in the display. Three rows
of drones will begin to move across the top of the
arena, periodically firing their lasers downward.
Each time the drones reach the left or right side of
the arena, they will reverse direction and move
downward.
At the bottom of the arena is a laser blaster. You
can fire the laser blaster at the drones by pressing
the up button on either controller. In addition, while
you are pedaling, you can move the laser blaster
to the left or right using the left and right buttons
on either controller. The faster you pedal, the
faster the laser blaster will move.
Between the drones and the laser blaster are five
shields. You can hide the laser blaster below a
shield if desired. However, each time a shield is hit
by a laser, a piece will be vaporized.
Your goal is to keep the laser blaster from being
hit and to keep any drone from reaching the bot-
tom of the arena. If the laser blaster is hit, it will be
disabled and another laser blaster will appear in its
place; there are a total of four laser blasters. If you
vaporize the entire squadron of drones, a new
squadron will appear.
As you play, the drones will move faster and
faster. The game will continue until all four laser
blasters are disabled or a drone reaches the bot-
tom of the arena.
When the game ends, the display will show the
level of play that you reached and your final score.
The display will then show the four highest scores
recorded since the scores were reset. If desired,
press and hold down the right button on either
controller to reset the scores. Note: If your score is
one of the four highest, the display will prompt you
to enter a name consisting of three letters or dig-
its. While the line below the first letter is flashing,
press the up and down buttons on either controller
to select the desired letter or digit. Next, press the
right button on either controller and select another
letter or digit. Repeat this process to select a third
letter or digit. Then, press the right button on either
controller again. The display will then show the
four highest scores recorded since the scores
were reset.
4. Follow your progress with the display.
While you exercise and play the Calorie Destroyer
game, the upper left corner of the display will
show the elapsed time. In addition, the display will
show the game level that you have reached and
your current score.
To pause the game, press the Display button. To
resume the game, press the Display button
repeatedly until the word DESTROYER appears at
the top of the display, and then press a button on
either controller.
5. When you are finished exercising, the console
will turn off automatically.
See step 6 on page 15.

19
HOW TO PLAY THE BLACKJACK GAME
Blackjack is a casino-style card game in which you
compete against the dealer to win credits. Your goal
during each hand of the game is to have the highest
point total that does not exceed 21 points. You will use
the interactive touch screen on the display to play the
game. Follow the steps below to play Blackjack.
Note: For detailed instructions on how to play
Blackjack, consult a card game rule book or other
card game resource.
1. Begin pedaling or press any button on the con-
sole to turn on the console.
When you turn on the console, the display will
light. The console will then be ready for use.
2. Select the Blackjack game.
To select the Blackjack game, press the Fitness
Games button (see the drawing on page 13)
repeatedly until the word BLACKJACK appears in
the display.
3. Tap the screen to start the game.
As you pedal, tap the screen to begin the
Blackjack game. After a moment, the words
PLACE YOUR BET will appear in the display. Tap
the screen to select the amount you want to bet on
this hand. Note: You begin each game with 500
credits. As you win or lose credits during the
game, your current total will be shown in the upper
right corner of the display.
After you place a bet, a representation of a game
table will appear in the display. The dealerʼs cards
will appear in the upper left corner of the display.
Your cards will appear in the lower left corner of
the display. The game options will appear in three
boxes on the right side of the display.
Count the point total of your cards and tap the
screen to select a game option. You can choose to
HIT, STAND, or DOUBLE. Repeat this action as
necessary until the hand ends.
When the hand ends, the result and the point
totals for you and the dealer will appear in a box
on the right side of the display. To continue the
game, tap the center of the screen.
The game will continue in this way indefinitely or
until you have no credits available to bet. If you
have no credits to bet, the words GAME OVER
and the game time will appear in the display. To
play Blackjack again, tap the prompt box on the
screen.
4. Follow your progress with the display.
While you pedal and play the Blackjack game, the
upper left corner of the display will show the
elapsed time. To view additional exercise informa-
tion, press the Display button repeatedly.
5. When you are finished exercising, the console
will turn off automatically.
See step 6 on page 15.

20
HOW TO PLAY THE TEXAS HOLD ʼEM GAME
Texas Hold ʼEm is a popular poker game in which you
compete against other players to win credits. Your
objective is to form the best five-card poker hand from
your two hole cards and the five community cards
shared by all the players. You will use the interactive
touch screen on the display to play the game. Follow
the steps below to play Texas Hold ʼEm.
Note: For detailed instructions on how to play
Texas Hold ʼEm, consult a card game rule book or
other card game resource.
1. Begin pedaling or press any button on the con-
sole to turn on the console.
When you turn on the console, the display will
light. The console will then be ready for use.
2. Select the Texas Hold ʼEm game.
To select the Texas Hold ʼEm game, press the
Fitness Games button (see the drawing on page
13) repeatedly until the words TEXAS HOLD ʼEM
appear in the display.
3. Tap the screen to start the game.
As you pedal, tap the screen to begin the Texas
Hold ʼEm game. After you start the game, a repre-
sentation of a game table will appear in the
display. Your hole cards will be shown in the lower
left corner of the display. The number of credits in
the pot will be shown in the black box in the center
of the display. The amount bet by each player will
be shown along the right side of the display. A
game option box will be shown below the pot.
During the game, player information will appear
along the right side of the display. Your player
information is located in the lower right corner of
the display. The black X in the display indicates
the location of the dealer button. The black arrow
indicates which playerʼs turn it is.
When it is your turn, assess your cards and tap
the C/R/F game option box to make a betting deci-
sion; you can choose to CALL, RAISE, or FOLD.
You can also tap the CARDS box to view your
cards and any community cards on the table
before making a decision. Note: In some circum-
stances, you can choose to CHECK instead of
CALL.
If you decide to RAISE, tap the upward and down-
ward arrow boxes to select the desired number of
credits, and then tap the OK box.
After you make your betting decision, play will con-
tinue with the other players. Continue to make
betting decisions throughout the betting rounds
and the deals. When the flop is dealt, three cards
will appear in the upper left area of the display.
Additional cards will appear in this area when the
turn and river are dealt. Assess these cards and
make betting decisions as before. During the
game, the other players may fold, bust, or con-
tinue to a showdown.
The player with the best five-card hand in any
combination of hole and community cards will win
the showdown.
After the showdown, the word WINS: will appear in
the center of the display. The number of credits
won by each player will be shown along the right
side of the display. To view the cards held by the
other players, tap the number of credits won by
each player.
The game will continue in this way until you win all
the other playersʼ credits or until you have no cred-
its available to bet.
4. Follow your progress with the display.
While you pedal and play the Texas Hold ʼEm
game, the upper left corner of the display will
show the elapsed time. To view additional exercise
information, press the Display button repeatedly.
5. When you are finished exercising, the console
will turn off automatically.
See step 6 on page 15.

21
HOW TO USE AN IFIT WORKOUT
iFit cards are available separately. To purchase iFit
cards, go to www.iFit.com or see the front cover of this
manual. iFit cards are also available at select stores.
1. Begin pedaling or press any button on the con-
sole to turn on the console.
When you turn on the console, the display will
light. The console will then be ready for use.
2. Insert an iFit card and select a workout.
To use an iFit workout, insert an iFit card into the
iFit slot; make sure that the iFit card is oriented so
that the metal contacts are face down and are fac-
ing the slot. When the iFit card is properly
inserted, the indicator next to the slot will light and
text will appear in the display.
Next, select the desired workout on the iFit card
by pressing the increase and decrease buttons
next to the iFit slot.
A moment after you select a workout, the voice of
a personal trainer will begin guiding you through
your workout.
iFit workouts function in the same way as preset
workouts. To use the workout, see steps 3 to 6 on
page 16.
3. When you are finished exercising, remove the
iFit card.
Remove the iFit card when you are finished exer-
cising. Store the iFit card in a secure place.
HOW TO USE THE SOUND SYSTEM
To play music or audio books through the consoleʼs
sound system while you exercise, plug the included
audio cable into the jack on the console and into a
jack on your MP3 player or CD player; make sure
that the audio cable is fully plugged in.
Next, press the play button on your MP3 player or CD
player. Adjust the volume level using the volume con-
trol on your MP3 player or CD player or press the
Volume increase and decrease buttons on the con-
sole.
When not in use, unplug the audio cable from the jack
on the console.
iFit Slot
iFit Card

22
HOW TO CHANGE THE CONSOLE SETTINGS
The console features a display settings mode that
allows you to select a backlight option, to select a unit
of measurement for the console, and to turn the game
sounds on or off. Follow the steps below to change
the console settings.
1. Enter the display settings mode.
To enter the display settings mode, first press the
Display button repeatedly until the words HOLD
DISPLAY FOR SETTINGS appear in the display.
Then, press and hold the Display button until the
display settings information appears in the display.
2. Select a backlight option if desired.
The console has three backlight options. The ON
option keeps the backlight on while the console is
on. The AUTO option keeps the backlight on only
while you are pedaling. The OFF option turns the
backlight off.
An X will appear next to the currently selected
backlight option. To change the backlight option,
press the resistance increase and decrease but-
tons to choose the desired backlight option.
Then, press the Display button to proceed to the
next option.
3. Select a unit of measurement if desired.
The console can show pedaling speed and dis-
tance in either miles or kilometers.
The word ENGLISH for English miles or the word
METRIC for metric kilometers will appear in the
display. An X will appear next to the currently
selected unit of measurement.
To change the unit of measurement, press the
resistance increase and decrease buttons to
choose the desired unit of measurement.
Then, press the Display button to proceed to the
next option.
4. Turn the game sounds on or off if desired.
The console game sounds can be turned on or
turned off. The words OFF and ON will appear in
the display. An X will appear next to the currently
selected option.
To change the option, press the resistance
increase and decrease buttons to choose ON or
OFF.
5. Exit the display settings mode.
Press the Display button to save your settings and
exit the display settings mode.

23
Inspect and tighten all parts of the exercise cycle reg-
ularly. Replace any worn parts immediately.
To clean the exercise cycle, use a damp cloth and a
small amount of mild soap. IMPORTANT: To avoid
damage to the console, keep liquids away from
the console and keep the console out of direct
sunlight.
CONSOLE TROUBLESHOOTING
If the handgrip pulse sensor does not function prop-
erly, see step 5 on page 15. If there are batteries in
the console and the console display becomes dim, the
batteries should be replaced. See assembly step 12
on page 11 for replacement instructions.
HOW TO ADJUST THE REED SWITCH
If the console does not display correct feedback, the
reed switch should be adjusted. To adjust the reed
switch, you must first remove the left pedal and the
left front shield. Using an adjustable wrench, turn the
left pedal clockwise and remove it. Next, remove all
the screws from the left and right front shields; there
are two sizes of screws in the front shields–note
which size of screw you remove from each hole.
Then, gently pull the left front shield away from the
frame.
Locate the Reed Switch (46). Turn the Pulley (29)
until a Magnet (30) is aligned with the Reed Switch.
Next, loosen, but do not remove, the indicated M4 x
16mm Screw (57). Slide the Reed Switch slightly
closer to or away from the Magnet, and then retighten
the Screw. Turn the Pulley for a moment. Repeat
these actions until the console displays correct feed-
back. When the Reed Switch is correctly adjusted,
reattach the front shields and the left pedal.
HOW TO ADJUST THE DRIVE BELT
If the pedals slip while you are pedaling, even while
the resistance is adjusted to the highest setting, the
drive belt may need to be adjusted. To adjust the drive
belt, you must first remove the right pedal and the
right front shield. Using an adjustable wrench, turn the
right pedal counterclockwise and remove it. Next,
remove all the screws from the left and right front
shields; there are two sizes of screws in the front
shields–note which size of screw you remove from
each hole. Then, gently pull the right front shield
away from the frame.
Loosen, but do not remove, the three indicated screws
(A). Insert the shaft of a screwdriver downward
between the Idler (39) and the Idler Pulley (38). Pull
the top of the screwdriver toward the rear of the exer-
cise cycle until the Drive Belt (47) is tight. Tighten the
three screws. Then, reattach the front shields and the
right pedal.
HOW TO LEVEL THE EXERCISE CYCLE
If the exercise cycle rocks slightly on your floor during
use, turn one or both of the leveling feet under the
front stabilizer until the rocking motion is eliminated.
MAINTENANCE AND TROUBLESHOOTING
46 57
29
30
A
39
38
47

24
These guidelines will help you to plan your exercise
program. For detailed exercise information, obtain a
reputable book or consult your physician. Remember,
proper nutrition and adequate rest are essential for
successful results.
EXERCISE INTENSITY
Whether your goal is to burn fat or to strengthen your
cardiovascular system, exercising at the proper inten-
sity is the key to achieving results. You can use your
heart rate as a guide to find the proper intensity level.
The chart below shows recommended heart rates for
fat burning and aerobic exercise.
To find the proper intensity level, find your age at the
bottom of the chart (ages are rounded off to the near-
est ten years). The three numbers listed above your
age define your “training zone.” The lowest number is
the heart rate for fat burning, the middle number is the
heart rate for maximum fat burning, and the highest
number is the heart rate for aerobic exercise.
Burning Fat—To burn fat effectively, you must exer-
cise at a low intensity level for a sustained period of
time. During the first few minutes of exercise, your
body uses carbohydrate calories for energy. Only after
the first few minutes of exercise does your body begin
to use stored fat calories for energy. If your goal is to
burn fat, adjust the intensity of your exercise until your
heart rate is near the lowest number in your training
zone. For maximum fat burning, exercise with your
heart rate near the middle number in your training
zone.
Aerobic Exercise—If your goal is to strengthen your
cardiovascular system, you must perform aerobic
exercise, which is activity that requires large amounts
of oxygen for prolonged periods of time. For aerobic
exercise, adjust the intensity of your exercise until
your heart rate is near the highest number in your
training zone.
WORKOUT GUIDELINES
Warming Up—Start with 5 to 10 minutes of stretching
and light exercise. A warm-up increases your body
temperature, heart rate, and circulation in preparation
for exercise.
Training Zone Exercise—Exercise for 20 to 30 min-
utes with your heart rate in your training zone. (During
the first few weeks of your exercise program, do not
keep your heart rate in your training zone for longer
than 20 minutes.) Breathe regularly and deeply as you
exercise–never hold your breath.
Cooling Down—Finish with 5 to 10 minutes of
stretching. Stretching increases the flexibility of your
muscles and helps to prevent post-exercise problems.
EXERCISE FREQUENCY
To maintain or improve your condition, complete three
workouts each week, with at least one day of rest
between workouts. After a few months of regular exer-
cise, you may complete up to five workouts each
week, if desired. Remember, the key to success is to
make exercise a regular and enjoyable part of your
everyday life.
EXERCISE GUIDELINES
WARNING: Before beginning this
or any exercise program, consult your physi-
cian. This is especially important for persons
over age 35 or persons with pre-existing
health problems.
The pulse sensor is not a medical device.
Various factors may affect the accuracy of
heart rate readings. The pulse sensor is
intended only as an exercise aid in determin-
ing heart rate trends in general.

25
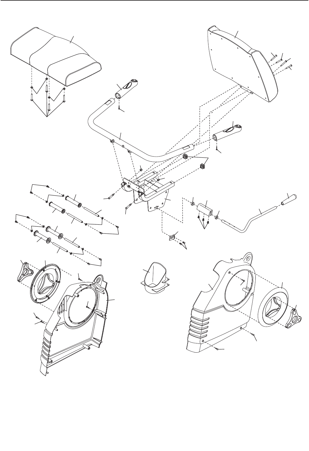
11Frame
21Upright
31Seat Carriage
41Console
52Crank Cover
62Accent Ring
71Upright Knob
81Backrest
91Seat
10 2 Game Grip
11 1 Seat Handlebar
12 2 Brake Pad Spacer
13 1 Left Front Shield
14 1 Right Front Shield
15 1 Left Front Stabilizer
16 1 Rear Stabilizer
17 2 Wheel
18 2 Upper Roller
19 2 Leveling Foot
20 2 Upright Bushing
21 1 Right Pedal/Strap
22 1 Left Pedal/Strap
23 1 Right Crank
24 1 Left Crank
25 1 Seat Lock Bracket
26 1 Left Shield
27 1 Right Shield
28 1 Large Snap Ring
29 1 Pulley
30 2 Magnet
31 1 Spindle
32 1 Steel Washer
33 2 Crank Bearing
34 1 Eddy Mechanism
35 1 Eddy Axle Assembly
36 2 Seat Carriage Cap
37 4 Handlebar Cap
38 1 Idler Pulley
39 1 Idler
40 1 Right Front Stabilizer
41 1 Seat Lock
42 1 Game/Pulse Wire Harness
43 1 Main Wire Harness
44 12 M6 Washer
45 1 Clamp
46 1 Reed Switch/Wire
47 1 Drive Belt
48 2 Rear Stabilizer Cap
49 1 Seat Handle
50 2 Flange Screw
51 2 M6 x 42mm Patch Screw
52 4 M8 x 50mm Patch Screw
53 8 M6 Locknut
54 6 M8 x 16mm Patch Screw
55 10 M8 Split Washer
56 2 Bumper
57 17 M4 x 16mm Screw
58 1 Game/Pulse Wire
59 1 Right Handlebar
60 1 Left Handlebar
61 2 M8 Locknut
62 1 M10 x 63mm Bolt Set
63 4 Wheel Bushing
64 1 Brake Pad
65 1 Frame Cover
66 2 Front Stabilizer Cap
67 4 M10 x 40mm Patch Screw
68 1 Upright Cover
69 2 M8 x 48mm Button Bolt
70 1 Bright M4 x 12mm Screw
71 2 Lower Roller
72 2 M8 x 53mm Button Bolt
73 4 M6 x 20mm Button Bolt
74 1 Water Bottle Holder
75 4 Roller Axle
76 5 M6 x 9mm Patch Screw
77 10 M6 x 18mm Patch Screw
78 2 M10 x 32mm Button Bolt
79 1 Game/Pulse Receptacle/Wire
80 4 M4 x 16mm Flange Screw
81 4 M6 x 38mm Patch Screw
82 1 M4 x 12mm Screw
83 1 Frame Cap
84 5 M4 x 19mm Screw
85 2 Spindle Cover
86 1 Rail
87 2 M10 Locknut
88 1 Audio Cable
89 2 M8 Jam Locknut
90 1 Rear Upright Cover
91 1 Front Upright Cover
92 1 M4 x 8mm Screw
93 1 Power Adapter
*–Pillow Block
*–Resistance Motor
*–Assembly Tool
*–Userʼs Manual
Note: Specifications are subject to change without notice. For information about ordering replacement parts, see
the back cover of this manual. *These parts are not illustrated.
Key No. Qty. Description Key No. Qty. Description
PART LIST—Model No. PFEX73908.1 R1209A

26
10
13
57
57
14
57
84
5
6
6
5
74
84
3
11
8
9
49
41
25
36
18
10
57
77
77
78
78
87
87
51
51
81
44
44
77
76
44
44
77
57
57
84
76
64
12
12
71
44
44
77
18
75
75
75
75
71
77
EXPLODED DRAWING A—Model No. PFEX73908.1 R1209A

27
48
48
16
134 19
40
66
17
63 69
63
61
35
23
32
50
33
29
53
53
80
2
19
54
17
55
63
63
69
61
43
47
42
24
33
28
50
20
20
62
62
85
85
86
57 68
21
22
52
55
55
54
55
15
66
31
73
73
30
30
83
45
46 82
7
39
38
53
53
70
4
26
27
59
37
56
65
60
37
37
37
56
84
57
84
57
57
57
57
57
57
67
72
89
58
79
88
89
92
91
90
93
EXPLODED DRAWING B—Model No. PFEX73908.1 R1209A

Part No. 293621 R1209A Printed in China © 2009 ICON IP, Inc.
ORDERING REPLACEMENT PARTS
To order replacement parts, please see the front cover of this manual. To help us assist you, be prepared to
provide the following information when contacting us:
• the model number and serial number of the product (see the front cover of this manual)
• the name of the product (see the front cover of this manual)
• the key number and description of the replacement part(s) (see the PART LIST and the EXPLODED
DRAWING near the end of this manual)
ICON Health & Fitness, Inc. (ICON) warrants this product to be free from defects in workmanship and
material, under normal use and service conditions. The frame is warranted for five (5) years from the date
of purchase. Parts and labor are warranted for ninety (90) days from the date of purchase.
This warranty extends only to the original purchaser. ICONʼs obligation under this warranty is limited to
repairing or replacing, at ICONʼs option, the product through one of its authorized service centers. All
repairs for which warranty claims are made must be preauthorized by ICON. If the product is shipped to
a service center, freight charges to and from the service center will be the customerʼs responsibility. For
replacement parts shipped while the product is under warranty, the customer will be responsible for a min-
imal handling charge. For in-home service, the customer will be responsible for a minimal trip charge. This
warranty does not extend to any damage to a product caused by or attributable to freight damage, abuse,
misuse, improper or abnormal usage, or repairs not provided by an ICON authorized service center; to
products used for commercial or rental purposes or as store display models; or to products transported
or purchased outside the US. No other warranty beyond that specifically set forth above is authorized by
ICON.
ICON is not responsible or liable for indirect, special, or consequential damages arising out of or in con-
nection with the use or performance of the product; damages with respect to any economic loss, loss of
property, loss of revenues or profits, loss of enjoyment or use, or costs of removal or installation; or other
consequential damages of whatsoever nature. Some states do not allow the exclusion or limitation of inci-
dental or consequential damages. Accordingly, the above limitation may not apply to you.
The warranty extended hereunder is in lieu of any and all other warranties, and any implied warranties of
merchantability or fitness for a particular purpose are limited in their scope and duration to the terms set
forth herein. Some states do not allow limitations on how long an implied warranty lasts. Accordingly, the
above limitation may not apply to you.
This warranty gives you specific legal rights. You may also have other rights that vary from state to state.
ICON Health & Fitness, Inc., 1500 S. 1000 W., Logan, UT 84321-9813
LIMITED WARRANTY
IMPORTANT: You must register this product within 30 days of the purchase date to avoid added
fees for service needed under warranty. Go to www.proformservice.com/registration.