Proform Pfrw59130 Dual Trainer Bike Rower Users Manual
2015-04-14
: Proform Proform-Pfrw59130-Dual-Trainer-Bike-Rower-Users-Manual-701342 proform-pfrw59130-dual-trainer-bike-rower-users-manual-701342 proform pdf
Open the PDF directly: View PDF
.
Page Count: 28

Calcomanía
con el Número
de Serie
MANUAL DEL USUARIO
Nº de Modelo PFRW5913.0
Nº de Serie
Escriba el número de serie en el
espacio de arriba para referencia.
www.proform.com
PRECAUCIÓN
Antes de usar el aparato, lea
cuidadosamente todas las adver-
tencias e instrucciones de este
manual. Guarde el manual para
futuras referencias.
¿PREGUNTAS?
Si tiene alguna pregunta, o si faltan
piezas o alguna pieza ha resultado
dañada, por favor comuníquese
con el establecimiento donde
compró este producto.

2
PROFORM es una marca registrada de ICON Health & Fitness, Inc.
COLOCACIÓN DE LA CALCOMANÍA DE ADVERTENCIA
CONTENIDO
Este dibujo muestra la ubicación de la calcomanía
de advertencia. Si falta una calcomanía o ésta
es ilegible, vea la portada de este manual y
solicite una nueva calcomanía de reemplazo
gratuita. Péguela en el lugar indicado. Puede
ser que no se muestre la calcomanía en su
tamaño real.
COLOCACIÓN DE LA CALCOMANÍA DE ADVERTENCIA ...........................................2
PRECAUCIONES IMPORTANTES ..............................................................3
ANTES DE COMENZAR ......................................................................5
TABLA DE IDENTIFICACIÓN DE PIEZAS ........................................................6
MONTAJE .................................................................................7
CÓMO USAR EL ENTRENADOR DUAL ........................................................13
MANTENIMIENTO Y SOLUCIÓN DE PROBLEMAS ...............................................21
GUÍA DE EJERCICIOS . . . . . . . . . . . . . . . . . . . . . . . . . . . . . . . . . . . . . . . . . . . . . . . . . . . . . . . . . . . . . . . . . . . . . .23
LISTA DE LAS PIEZAS. . . . . . . . . . . . . . . . . . . . . . . . . . . . . . . . . . . . . . . . . . . . . . . . . . . . . . . . . . . . . . . . . . . . . .24
DIBUJO DE LAS PIEZAS ....................................................................26
CÓMO ORDENAR PIEZAS DE REPUESTO ...........................................Contraportada

3
1. Es responsabilidad del propietario ase-
gurarse de que todos los usuarios del
entrenador dual estén adecuadamente infor-
mados sobre todas las precauciones.
2. Antes de comenzar cualquier programa de
ejercicios, consulte con su médico. Esto es
particularmente importante para individuos
mayores de 35 años o individuos con proble-
mas de salud preexistentes.
3. Use el entrenador dual solamente como se
describe en este manual.
4. El entrenador dual está diseñado únicamente
para uso dentro del hogar. No use el entrena-
dor dual en un entorno comercial, de alquiler
ni institucional.
5. Guarde el entrenador dual en un lugar
cerrado, lejos del polvo y la humedad. No
guarde el entrenador dual en el garaje ni en
un patio cubierto o cerca de agua.
6. Coloque el entrenador dual sobre una
superficie plana, con una estera debajo para
proteger el piso o la alfombra. Asegúrese de
que quede un mínimo de 0,6 m de espacio
libre alrededor del entrenador dual.
7. Inspeccione y apriete adecuadamente todas
las piezas de manera regular. Reemplace
inmediatamente cualquier pieza gastada.
8. Mantenga a los niños menores de 12 años y
animales domésticos alejados del entrena-
dor dual en todo momento.
9. Use ropa adecuada mientras hace ejercicios;
no use ropa suelta que pueda engancharse
en el entrenador dual. Use siempre calzado
deportivo para protegerse los pies.
10. El entrenador dual no debe ser usado por
personas que pesen más de 136 kg.
11. Tenga cuidado al montarse en el entrenador
dual y al bajar de él.
12. Mantenga siempre recta la espalda al usar el
entrenador dual; no arquee la espalda.
13. No intente tirar de la barra para remar
cuando el entrenador dual se encuentra
en el modo reclinado (vea la página 13);
no intente pedalear con el entrenador dual
cuando este se encuentra en la función de
remo (vea la página 14).
14. El hacer ejercicios en exceso puede cau-
sar lesiones graves o incluso la muerte. Si
experimenta mareos, se queda sin aliento o
siente dolor mientras hace ejercicios, detén-
gase inmediatamente y descanse.
PRECAUCIONES IMPORTANTES
ADVERTENCIA: Para reducir el riesgo de lesiones graves, lea todas las precau-
ciones e instrucciones importantes de este manual y todas las advertencias que se observan en su
entrenador dual antes de utilizarlo. ICON no asume ninguna responsabilidad por lesiones person-
ales o daños a la propiedad que ocurran por el uso de este producto o a través del mismo.
GUARDE ESTAS INSTRUCCIONES

4
IFIT.COM
VISITE LA WEB
O LLAME AL
877-236-1009
Felicitaciones por la compra de su nuevo equipo de
ejercicios compatible con iFit®. Solo le falta un clic para
convertir sus metas de estado físico en realidad.
CONVIERTA SUS METAS DE
ESTADO FÍSICO EN
REALIDAD
ENTRENAMIENTO
PERSONALIZADO
PARA EVENTOS
Los entrenamientos de 5k, 10k, media
maratón o maratón completo le
ayudarán a prepararse para su evento.
COMPITA CON OTROS
Extienda sus límites con carreras
virtuales en tiempo real.
DISFRUTE DE SU MOVILIDAD
Siga su entrenamiento donde quiera que
vaya con las aplicaciones móviles iFit®.
COMPARTA SU PROGRESO
Inspire a otros, automotívese y comparta
sus rutas, entrenamientos y más.
PIERDA PESO
Mantenga el rumbo y la motivación
con programas de pérdida de peso
progresiva y con la ayuda de
entrenadores como Jillian Michaels.
MÁS QUE UN SIMPLE ENTRENAMIENTO
iFit® es la herramienta de entrenamiento más potente disponible para ayudarle a alcanzar sus
metas de estado físico. Desde programas de entrenamiento para perder peso y de rendimiento
hasta entrenamientos personalizados, iFit® es la clave para sacarle el máximo a todo lo que hace.
Algunas características requieren una suscripción de pago.
TRACE SU RUTA
Con Google Maps™, su equipo de
ejercicios simulará el contorno de la
tierra mientras muestra la vista de
calles durante su entrenamiento.
VISITE LA WEB IFIT.COM PARA COMENZAR

5
Gracias por seleccionar el nuevo PROFORM® DUAL
TRAINER BIKE/ROWER (Entrenador Dual Bicicleta/
Remo). El ciclismo y el remo son ejercicios efica-
ces para mejorar el estado de forma cardiovascular,
desarrollar la resistencia y tonificar el cuerpo. El DUAL
TRAINER BIKE/ROWER fue diseñado para ayudarle a
disfrutar de estos eficaces ejercicios en la comodidad y
privacidad de su hogar.
Para su beneficio, lea el manual cuidadosamente
antes de usar el entrenador dual. Si tiene preguntas
después de leer este manual, por favor vea la portada
de este manual. Para ayudarnos a asistirle, anote el
número de modelo y el número de serie del producto
antes de contactarnos. El número del modelo y la ubi-
cación del número de serie se muestran en la portada
de éste manual.
Antes de seguir leyendo, por favor estudie el dibujo de
abajo y familiarícese con las piezas y sus nombres.
Placa para los Pies/Tirante
Asiento
Tornillos de Almacenamiento del Respaldo
Soporte de Almacenamiento de la Barra para Remar
Pedal/Tirante
Rueda
Consola
Respaldo
Perilla de la Placa para los Pies
Perilla de
Seguridad
Perilla de
Almacenamiento
Perilla del Asiento
Barra para Remar
ANTES DE COMENZAR
Largura: 6' 7" (201 cm)
Anchura: 1' 9" (53 cm)

6
Tornillo M10 x 100mm (13)–4
Arandela
M6 (34)–2 Tornillo M8 x 20mm
(15)–8
Tornillo M6 x 20mm
(14)–2
Tornillo M5 x 20mm
(81)–2
Tornillo M4 x 16mm
(84)–2
TABLA DE IDENTIFICACIÓN DE PIEZAS
Consulte los dibujos que aparecen abajo para identificar las piezas pequeñas en el montaje. El número entre
paréntesis debajo de cada dibujo es el número de la pieza en la LISTA DE LAS PIEZAS hacia el final de este
manual. El número que aparece después del paréntesis es la cantidad necesaria para el montaje. Nota: Si no
encuentra alguna de las piezas en la bolsa de piezas, compruebe si ha sido previamente conectada.
Pueden incluirse piezas adicionales.

7
• El montaje requiere dos personas.
• Coloque todas las piezas en un área despejada y
quite los materiales de empaque. No se deshaga
de los materiales de empaque hasta haber termi-
nado todos los pasos de montaje.
• Para identicar las piezas pequeñas, vea la
página 6.
• Las partes del lado izquierdo están marcadas con
“L” o “Left” y las partes del lado derecho están
marcadas con “R” o “Right.”
• Además de la(s) herramienta(s) incluida(s),
para el montaje se necesitan las siguientes
herramientas:
un destornillador estrella
una llave inglesa
El montaje puede ser más fácil si tiene un juego
de llaves. Para evitar dañar las piezas, no utilice
herramientas eléctricas.
2. Oriente el Estabilizador Delantero (2) como se
muestra.
Conecte el Estabilizador Delantero (2) a la
Armadura Delantera (1) con dos Tornillos M10 x
100mm (13). 213
1
2
MONTAJE
1. Para facilitar el montaje, asegúrese de que haya leído y entendido la información en la caja de arriba.

8
3. Clave: Puede resultar útil que otra persona
eleve y sostenga la Armadura Trasera (18)
mientras realiza este paso.
Oriente el Estabilizador Trasero (3) de la manera
indicada por el adhesivo; asegúrese de que los
tubos soldados queden en el lado mostrado.
Conecte el Estabilizador Trasero (3) a la
Armadura Trasera (18) con dos Tornillos M10 x
100mm (13).
13
3
3
18
4. Vea el diagrama incluido. Tire de la Perilla de
la Placa para los Pies (49), baje la Placa para
los Pies (68) y, a continuación, libere la Perilla
de la Placa para los Pies.
Oriente el Riel (5) de manera que los orificios de
ajuste estén más cerca de la parte delantera del
entrenador dual.
A continuación, oriente el Collar del Riel (6)
como se muestra y deslícelo por la parte delan-
tera del Riel (5).
Después, deslice el Collar del Riel (6) y el Riel
(5) por el Soporte del Pivote del Riel (96).
Conecte el Riel (5) con cuatro Tornillos M8 x
20mm (15) y la Placa del Riel Pequeña (7); no
apriete aún los Tornillos.
A continuación, conecte el Collar del Riel (6) al
Riel (5) y al Soporte del Pivote del Riel (96) con
dos Tornillos M6 x 20mm (14).
5
15
Orificios de
Ajuste
14 6
96
7
4
14
Tubo
soldado
49
68

9
5. Clave: Puede resultar útil que otra persona
eleve y sostenga el Riel (5) y la Armadura
Trasera (18) mientras realiza este paso.
Conecte el Soporte del Riel (8) a la parte inferior
del Riel (5) con cuatro Tornillos M8 x 20mm (15);
apriete parcialmente todos los Tornillos y, a
continuación, apriételos completamente.
Vea el paso 4. Apriete los Tornillos M8 x 20mm
(15).
5
8
5
4
5
6. Oriente el Porta Asiento (4) como se muestra.
Tire de la Perilla del Asiento (93), deslice el
Porta Asiento (4) por el Riel (5) y, a continuación,
libere la Perilla del Asiento para introducirla en
uno de los orificios de ajuste (no se muestran)
cerca de la parte delantera del Riel.
6
7
7. Conecte la Tapa del Riel (82) y dos Parachoques
(65) al Riel (5) con dos Tornillos M4 x 16mm
(84), dos Tornillos M5 x 20mm (81) y dos
Arandelas M6 (34); apriete parcialmente todos
los Tornillos y, a continuación, apriételos
completamente.
15
93
82
81
84 65 5
65
34
15
84
18

10
8. Busque los cuatro Tornillos M6 x 13mm (95) en
el extremo inferior de la Armadura del Respaldo
(94); no apriete ni retire los Tornillos.
Inserte las cabezas de los Tornillos M6 x 13mm
(95) en los orificios en forma de ranura del Porta
Asiento (4) y deslice los Tornillos hacia abajo por
las ranuras.
8
9. Tire de la Perilla de la Placa para los Pies
(49), eleve la Placa para los Pies (68) hasta la
posición mostrada en el diagrama incluido y, a
continuación, libere la Perilla de la Placa para
los Pies en el orificio indicado de la Armadura
Delantera (1).
9
94
95
4
49
68
68
1
Orificio

11
10. Identifique el Pedal Derecho (11).
Con una llave inglesa, apriete firmemente el
Pedal Derecho (11) en el sentido de las agujas
del reloj en el Brazo de la Manivela Derecha
(86).
Apriete firmemente el Pedal Izquierdo (10),
en sentido contrario a las agujas del reloj,
en el Brazo de la Manivela Izquierda (no se
muestra). IMPORTANTE: Debe girar el Pedal
Izquierdo en el sentido contrario a las agujas
del reloj para conectarlo.
Conecte el tirante de pedal derecho al Pedal
Derecho (11) como se muestra. Conecte el
tirante del pedal izquierdo de la misma
manera.
10
11. Conecte la Barra para Remar (12) al Tirante (59)
con el Gancho de la Barra para Remar (100).
Nota: El Gancho de la Barra para Remar (100)
puede estar preconectado al Tirante (59).
11
86
11
12
59
10
100

12
30 Cubierta
de las
Pilas
12
12. La Consola (30) puede usar cuatro pilas AA (no
incluidas); se recomienda utilizar pilas alcalinas.
No combine pilas usadas y nuevas, ni alcalinas,
estándar y recargables juntas. IMPORTANTE:
Si la Consola ha sido expuesta a bajas tem-
peraturas, deje que alcance la temperatura
ambiente antes de insertar las pilas. De lo
contrario, podría dañar las pantallas de la
consola u otros componentes electrónicos.
Retire el tornillo (no se muestra) de la cubierta
de las pilas de la parte posterior de la Consola
(30). A continuación, retire la cubierta de pilas
e inserte pilas nuevas en los compartimentos
para pilas. Asegúrese de orientar las pilas
como se muestra en el diagrama del interior
del compartimento para pilas. A continuación,
monte la cubierta de las pilas.
13. Tras haber ensamblado el entrenador dual, inspecciónelo para asegurarse de que esté ensamblado
correctamente y de que funcione adecuadamente. Asegúrese que todas las piezas estén apropiada-
mente apretadas antes de utilizar el entrenador dual. Pueden incluirse componentes adicionales. Coloque
un tapete debajo del entrenador dual para proteger el piso.

13
CÓMO MOVER EL ENTRENADOR DUAL
Párese detrás del entrenador dual y eleve la tapa del
riel hasta que el entrenador dual pueda desplazarse
sobre las ruedas. Con cuidado, traslade el entrenador
dual hasta la ubicación deseada y luego bájelo hasta
el piso.
CÓMO NIVELAR EL ENTRENADOR DUAL
Si el entrenador
dual se mece
un poco durante
el uso, gire una
o ambas patas
de nivelación
situadas bajo
el estabiliza-
dor trasero o
gire la pata
de nivelación
situada debajo
de la armadura
trasera hasta
que el entrena-
dor dual deje de
mecerse.
CÓMO CONFIGURAR LA FUNCIÓN RECLINADA
Siga las instrucciones que aparecen a continuación
para poner el entrenador dual en la función Reclinada.
1. Retire la barra para remar. Retire la barra para
remar del clip para barra para remar presente en
el tirante (vea el paso de montaje 11 de la página
11). A continuación, inserte la barra para remar
en el clip de almacenamiento de la armadura
trasera.
2. Baje la placa para los pies. Tire de la perilla de la
placa para los pies, baje la placa para los pies y, a
continuación, libere la perilla de la placa para los
pies (vea el paso de montaje 9 de la página 10).
3. Conecte el respaldo. Inserte los tornillos del
extremo inferior del respaldo en los orificios en
forma de ranura del porta asiento y, a continuación,
deslice el respaldo hasta su posición (consulte el
paso de montaje 8 de la página 10).
4. Ajuste el porta asiento. Tire de la perilla de
asiento del porta asiento y gírela en el sentido
de las agujas del reloj. A continuación, deslice el
porta asiento hasta encontrar la posición deseada
y, a continuación, libere la perilla del poste del
asiento para introducirla en un orificio de ajuste del
poste del asiento.
CÓMO USAR LA FUNCIÓN RECLINADA
Para unos ejercicios eficaces en la posición reclinada,
es necesario ajustar el porta asiento a la posición
adecuada. Mientras pedalea, sus rodillas deben estar
levemente flexionadas cuando los pedales estén en la
posición más adelantada.
Levante
aquí
1
2
3
4
Patas de
Nivelación
Pata de
Nivelación
CÓMO USAR EL ENTRENADOR DUAL

14
CÓMO CONFIGURAR LA FUNCIÓN REMO
Siga las instrucciones que aparecen a continuación
para poner el entrenador dual en la función Remo.
1. Conecte la barra para remar. Conecte la barra
para remar al tirante con el clip para barra para
remar (vea el paso de montaje 11 de la página
11).
2. Levante la placa para los pies. Tire de la perilla
de la placa para los pies, eleve la placa para los
pies y, a continuación, libere la perilla de la placa
para los pies para que se introduzca en uno de los
orificios de la armadura delantera (vea el paso de
montaje 9 de la página 10).
3. Retire el respaldo. Retire el respaldo del porta
asiento (vea el paso de montaje 8 de la página
10). A continuación, deslice el respaldo por
los tornillos de almacenamiento de la armadura
trasera.
4. Libere el porta asiento. Tire de la perilla de
asiento del porta asiento y gírela en el sentido con-
trario a las agujas del reloj. A continuación, el porta
asiento se deslizará libremente por el riel.
Nota: Si la parte
delantera del
entrenador dual
se separa del
piso al hacer
ejercicios
mientras el
entrenador dual
está configurado
en la función
Remo, gire en
primer lugar
las patas de
nivelación de
la parte inferior
de la armadura
trasera de modo que queden bien apretadas contra la
armadura trasera. A continuación, gire ambas patas
de nivelación situadas debajo del estabilizador trasero
hasta eliminar el movimiento de separación del piso.
CÓMO USAR LA FUNCIÓN REMO
Siéntese en el asiento, mirando hacia la placa para los
pies. Apoye los pies en la placa para los pies y ajuste
los tirantes a sus pies. Sujete la barra para remar con
un agarre en pronación. La forma correcta de remar
consta de tres fases:
1. La primera fase es el ATAQUE. Deslice el asiento
hacia delante hasta que sus rodillas casi toquen su
pecho. Tire de la barra para remar hasta que sus
manos estén cerca de sus pies.
2. La segunda fase es la PASADA. Presione hacia
atrás usando las piernas. Mantenga derecha la
espalda. Inclínese levemente hacia atrás en las
caderas (no en la cintura) y comience a tirar de la
barra para remar hacia su pecho. Mantenga los
codos apuntando hacia fuera.
3. La tercera fase es el FINAL. Sus piernas deben
estar casi rectas. Continúe tirando de la barra
para remar hasta que sus manos estén a la misma
altura de su pecho.
Tras la fase de final, extienda los brazos hacia delante
y tire del asiento hacia delante con sus piernas. Repita
esta secuencia, pasando por las tres fases con un
movimiento suave y fluido. Recuerde que debe respi-
rar normalmente durante la remada; jamás contenga la
respiración.
1
2
3
4Patas de
Nivelación
Pata de
Nivelación

15
CÓMO PLEGAR Y ALMACENAR EL ENTRENADOR
DUAL
El entrenador dual puede almacenarse en la posición
plegada para ahorrar espacio. Almacene el entrenador
dual en un lugar en el que los niños no puedan vol-
carlo. Retire las pilas de la consola si prevé almacenar
el entrenador dual para un periodo prolongado.
Siga las instrucciones de la derecha para plegar y
almacenar el entrenador dual.
1. Levante la placa para los pies. Tire de la perilla
de la placa para los pies, eleve la placa para los
pies y, a continuación, libere la perilla de la placa
para los pies para que se introduzca en uno de los
orificios de la armadura delantera (vea el paso de
montaje 9 de la página 10). IMPORTANTE: La
placa para los pies debe estar elevada al ple-
gar el entrenador dual, ya que de lo contrario
podrían producirse daños en la placa para los
pies.
2. Retire la barra para remar si lo desea. Retire la
barra para remar del clip para barra para remar
presente en el tirante (vea el paso de montaje 11
de la página 11). A continuación, inserte la barra
para remar en el clip de almacenamiento de la
armadura trasera.
3. Retire el respaldo si lo desea. Retire el respaldo
del porta asiento (vea el paso 8 de montaje de la
página 10). A continuación, deslice el respaldo
por los tornillos de almacenamiento de la armadura
trasera.
IMPORTANTE: Si decide no retirar el respaldo,
debe ajustar el porta asiento al orificio de
ajuste más posterior del riel antes de plegar el
entrenador dual, ya que de lo contrario podrían
producirse daños en el respaldo y la consola.
4. Afloje la perilla de seguridad. Afloje totalmente la
perilla de seguridad de la parte posterior del entre-
nador dual.
5. Pliegue el entrenador dual. Afloje la perilla de
almacenamiento y tire de ella, sujete la tapa del
riel, eleve la armadura trasera hasta la posición de
almacenamiento y, a continuación, libere la perilla
de almacenamiento para que se introduzca en el
orificio de almacenamiento del soporte del riel.
CÓMO DESPLEGAR EL ENTRENADOR DUAL
Para desplegar el entrenador dual, tire de la peri-
lla de almacenamiento, sujete la tapa del riel, baje
la armadura trasera hasta el piso y, a continuación,
apriete la perilla de almacenamiento. A continuación,
apriete la perilla de seguridad de la parte posterior del
entrenador dual. Asegúrese de apretar la perilla de
almacenamiento y la perilla de seguridad.
1
2
3
4
5

16
DIAGRAMA DE LA CONSOLA CARACTERÍSTICAS DE LA CONSOLA
La consola ofrece una selección de características
diseñadas para hacer más efectivos y placenteros sus
entrenamientos con el entrenador dual en las funcio-
nes reclinada y de remo.
Función manual: cuando use el entrenador dual en
la función Reclinada, podrá ajustar la resistencia de
los pedales con solo tocar un botón. Cuando use el
entrenador dual en la función Remo, podrá ajustar la
resistencia de la barra para remar con solo tocar un
botón. A medida que pedalea o rema con el entrenador
dual, la consola proveerá información continua de los
ejercicios.
Entrenamientos Inteligentes: la consola también
ofrece veinticuatro entrenamientos inteligentes, doce
para la función Reclinada y doce para la función
Remo. Cada entrenamiento cambia automáticamente
la resistencia de los pedales o de la barra para remar y
le pide que varíe su velocidad de pedaleo o de remo a
medida que lo guía en un entrenamiento efectivo.
Para usar la función manual, vea la página 17.
Para utilizar un entrenamiento inteligente, vea la
página 19. Para usar la función de usuario, vea la
página 20.
Antes de usar la consola, asegúrese de instalar pilas
(vea el paso de montaje 12 de la página 12). Retire
cualquier lámina de plástico que pueda quedar sobre
la pantalla.
Washo
ERWPF5913
PFRW5913

17
CÓMO USAR LA FUNCIÓN MANUAL
1. Encienda la consola.
Para encender la consola, pulse el botón On/
Reset (activar/restablecer) o comience a pedalear
o remar. Toda la pantalla se encenderá durante un
momento; la consola estará lista para su uso.
2. Seleccione la función manual.
Al encender la
consola, la fun-
ción manual se
seleccionará
automáticamente.
Si seleccionó un
entrenamiento inte-
ligente, seleccione
de nuevo la función manual pulsando repetida-
mente cualquiera de los botones Smart Workout
Apps (aplicaciones de entrenamiento inteligente)
hasta que la pantalla muestre ceros.
A medida que
pedalea o rema,
aparecerá un indi-
cador debajo del
símbolo Reclinado
o el símbolo Remo
para indicar qué
función del entre-
nador dual se está utilizando.
Nota: Al encender la consola, aparecerá un indi-
cador debajo del símbolo Reclinado de forma
predeterminada. Si utiliza el entrenador dual en la
función Remo, aparecerá un indicador debajo del
símbolo Remo tan pronto como la consola detecte
el movimiento del manubrio de remo.
3. Cambie la resistencia de los pedales o de la
barra para remar según desee.
A medida que pedalea o rema, cambie el nivel de
resistencia de los pedales o de la barra para remar
pulsando los botones para aumentar y disminuir
Resistance (resistencia).
Nota: Tras pulsar los botones, pasará cierto tiempo
antes de que el entrenador dual alcance el nivel de
resistencia seleccionado.
4. Siga su progreso en la pantalla.
La consola presenta varias pantallas que muestran
la siguiente información de los entrenamientos:
Time (tiempo): Esta pantalla muestra el tiempo
transcurrido. Nota: Cuando se selecciona un entre-
namiento, la pantalla muestra el tiempo restante
del entrenamiento en lugar del tiempo transcurrido.
Dist. (distancia): Esta pantalla muestra la distan-
cia pedaleada, en millas o kilómetros, o la distancia
remada, en millas o kilómetros.
Calories (calorías): Esta pantalla muestra el
número aproximado de calorías quemadas.
Watts (vatios): esta pantalla indica la potencia
generada, en vatios.
Speed (velocidad): Esta pantalla muestra su
velocidad de pedaleo en millas por hora (mph) o
kilómetros por hora (km/h), o bien su velocidad de
remo en remadas por minuto (rpm).
Scan (secuencia): Cuando se selecciona esta
opción, la sección superior de la pantalla mos-
trará de forma alternada información de tiempo y
distancia, la sección inferior izquierda de la pan-
talla mostrará de forma alternada información de
calorías y vatios y la sección inferior derecha de la
pantalla mostrará información de velocidad.
Resistance
(resistencia): Esta
pantalla muestra el
nivel de resistencia
seleccionado en la
sección superior
derecha de la pantalla durante unos segundos
cada vez que se ajusta el nivel de resistencia.
Nota: La consola puede mostrar la distancia y la
velocidad de pedaleo de la función Reclinada en
millas o kilómetros. Para cambiar la unidad de
medida, vea LA FUNCIÓN DE USUARIO en la
página 20.
Al encender la con-
sola, la opción de
pantalla de secuen-
cia se seleccionará
automáticamente.
La palabra SCAN
(secuencia) aparecerá en la pantalla para indicar
que se ha seleccionado la opción de pantalla de
secuencia.
Washo
ERWPF5913
PFRW5913
Washo
ERWPF5913
PFRW5913
Washo
ERWPF5913
PFRW5913
Washo
ERWPF5913
PFRW5913
Reclinado
Indicador
Remo

18
Mientras hace ejer-
cicios, la sección
superior de la pan-
talla mostrará de
forma alternada el
tiempo transcurrido
y la distancia peda-
leada o remada; la
sección inferior izquierda de la pantalla mostrará
de forma alternada el número de calorías quema-
das y la potencia generada, en vatios. La sección
inferior derecha de la pantalla mostrará su veloci-
dad de pedaleo o remo.
Para salir de la opción de pantalla de secuencia,
pulse el botón Display (pantalla).
En este momento,
la sección
superior de la
pantalla mostrará
solo información
de distancia y la
sección inferior
izquierda de la
pantalla mostrará solo información de vatios.
Si pulsa de nuevo
el botón Display,
la sección supe-
rior de la pantalla
mostrará solo infor-
mación de tiempo y
la esquina inferior
izquierda mostrará
solo información de calorías.
Para seleccionar de nuevo la función de secuen-
cia, pulse repetidamente el botón Display hasta
que aparezca la palabra SCAN (secuencia) en la
pantalla.
Cuenta-
rrevoluciones:
el cuentarre-
voluciones del
lado derecho
de la pantalla
proporciona una
representación
visual de su velo-
cidad de pedaleo
(en revoluciones por minuto) o su velocidad de
remo (en remadas por minuto). Al incrementar o
reducir su velocidad de pedaleo o remo, aparecen
o desaparecen barras del cuentarrevoluciones.
Para restablecer la pantalla, pulse el botón On/
Reset (activar/restablecer). Para poner en pausa
la consola, deje de pedalear o remar. Cuando la
consola está en pausa, la hora destellará inter-
mitentemente en la pantalla. Para continuar su
entrenamiento, simplemente reanude el pedaleo o
el remo.
5. Cuando usted termina de hacer ejercicios, la
consola se apaga automáticamente.
Si los pedales no se mueven o no se tira de la
barra para remar durante unos segundos, el
tiempo parpadea en la pantalla y la consola cambia
al estado de pausa.
Si los pedales no se mueven o no se tira de la
barra para remar durante unos minutos, la consola
se apaga y la pantalla se restablece.
Washo
ERWPF5913
PFRW5913
Cuentarrevoluciones
Washo
ERWPF5913
PFRW5913
Washo
ERWPF5913
PFRW5913
Washo
ERWPF5913
PFRW5913

19
CÓMO UTILIZAR UN ENTRENAMIENTO
INTELIGENTE
1. Encienda la consola.
Para encender la consola, pulse el botón On/
Reset (activar/restablecer) o comience a pedalear
o remar. Toda la pantalla se encenderá durante un
momento; la consola estará lista para su uso.
2. Seleccione un entrenamiento inteligente.
Al seleccionar un entrenamiento inteligente en
la función Reclinada, debe cambiar el entrenador
dual a la función Reclinada para que la consola
proporcione una información exacta (vea CÓMO
CONFIGURAR LA FUNCIÓN RECLINADA en la
página 13).
Al seleccionar un entrenamiento inteligente
en la función Remo, debe cambiar el entrena-
dor dual a la función Remo para que la consola
proporcione una información exacta (vea CÓMO
CONFIGURAR LA FUNCIÓN REMO en la
página 14).
Para seleccionar
un entrenamiento
inteligente, pulse
repetidamente
el botón Smart
Workout Apps
(aplicaciones de
entrenamiento
inteligente) deseado. El nombre del entrenamiento
aparecerá en la pantalla.
Unos segun-
dos después de
seleccionar un
entrenamiento
inteligente, la
pantalla mostrará
la duración del
entrenamiento.
3. Comience a pedalear o remar para iniciar el
entrenamiento.
Los entrenamientos inteligentes constan de varios
segmentos de un minuto. Cada segmento viene
programado con un nivel de resistencia y una velo-
cidad (rpm) objetivo.
Siempre que la resistencia está a punto de cam-
biar, el nivel de resistencia parpadea en la pantalla
durante unos segundos. En este momento, la
resistencia de los pedales o de la barra para remar
cambiará automáticamente al nivel de resisten-
cia programado para el siguiente segmento. Si
el nivel de resistencia para el segmento actual
es demasiado alto o bajo, usted puede modificar
manualmente la configuración pulsando los boto-
nes Resistance (resistencia). IMPORTANTE: Al
finalizar el segmento actual del entrenamiento,
los pedales o la barra para remar se ajustarán
automáticamente al nivel de resistencia progra-
mado para el siguiente segmento.
Los ajustes de
velocidad objetivo
del entrenamiento
se muestran
mediante el indi-
cador de objetivo
de la pantalla. El
cuentarrevolucio-
nes le mostrará su
velocidad de peda-
leo o remo actual.
A medida que el indicador de objetivo cambia de
altura durante el entrenamiento, ajuste su veloci-
dad de pedaleo o remo de forma que aparezca el
mismo número de barras en ambos indicadores.
Si su velocidad de pedaleo o remo es más lenta
que la velocidad objetivo actual, aparecerá una
flecha junto al cuentarrevoluciones para indicarle
que debe incrementar su velocidad; si su velocidad
de pedaleo o remo es más rápida que la velocidad
objetivo, una flecha le indicará que debe disminuir
su velocidad.
IMPORTANTE: Los ajustes de velocidad obje-
tivo del entrenamiento solo tienen como fin
ofrecerle un objetivo. Su velocidad de pedaleo
o remo actual puede ser más lenta que los
ajustes de velocidad objetivo, especialmente
durante los primeros meses de su programa
de ejercicios. Asegúrese de pedalear o remar a
una velocidad que le resulte cómoda.
La pantalla mostrará el tiempo de entrenamiento
restante. Si detiene el pedaleo o el remo durante
unos segundos, el entrenamiento cambia al estado
de pausa y el tiempo parpadea en la pantalla. Para
reanudar el entrenamiento, simplemente reanude
el pedaleo o remo.
4. Siga su progreso en la pantalla.
Vea el paso 4 en la página 17.
5. Cuando usted termina de hacer ejercicios, la
consola se apaga automáticamente.
Vea el paso 5 de la página 18.
Washo
ERWPF5913
PFRW5913
Washo
ERWPF5913
PFRW5913
Washo
ERWPF5913
PFRW5913
Indicador de Objetivo
Cuentarrevoluciones

20
LA FUNCIÓN DE USUARIO
La consola presenta una función de usuario que le
permite seleccionar una unidad de medida para el
entrenador dual.
Para seleccio-
nar la función de
usuario, pulse y
mantenga pulsado
el botón Recumbent
Performance (ren-
dimiento reclinado)
durante unos segun-
dos hasta que la información de la función de usuario
aparezca en la pantalla.
La consola puede mostrar la distancia y la veloci-
dad de pedaleo de la función Reclinada en millas o
kilómetros.
La pantalla muestra la unidad de medida seleccionada.
Se muestra la letra “E” para indicar que se han selec-
cionado las millas inglesas como unidad o una “M”
para los kilómetros. Para cambiar la unidad de medida,
pulse repetidamente el botón Display (pantalla).
Nota: Después de cambiar las pilas, puede ser
necesario seleccionar nuevamente la unidad de
medida.
Para salir de la función de usuario, pulse el botón On/
Reset (activar/restablecer).
Washo
ERWPF5913
PFRW5913

21
MANTENIMIENTO
Inspeccione y apriete regularmente todas las piezas
del entrenador dual. Reemplace inmediatamente cual-
quier pieza gastada.
Para limpiar el entrenador dual, use un paño húmedo
y una pequeña cantidad de detergente suave.
IMPORTANTE: Para evitar daños a la consola,
mantenga los líquidos lejos de ésta y evite que la
consola permanezca bajo la luz solar directa.
SOLUCIÓN DE PROBLEMAS DE LA CONSOLA
La mayoría de los problemas de consola se deben a la
existencia de poca carga en las pilas; vea el paso de
montaje 12 de la página 12 para obtener instruccio-
nes para su sustitución.
CÓMO ENGRASAR LOS RODILLOS
Vea el DIBUJO DE LAS PIEZAS A que se encuen-
tra cerca del nal de este manual. Si los Rodillos del
Asiento (92) chirrían al moverse por el Riel (5), aplique
a una toallita de papel una pequeña cantidad de la
grasa PTFE suministrada. Aplique una capa delgada
de grasa uniformemente a lo largo del Riel. A continua-
ción, elimine el exceso de grasa.
CÓMO AJUSTAR EL INTERRUPTOR DE LENGÜETA
DEL LADO IZQUIERDO
Si la consola no muestra una información correcta
cuando el entrenador dual se encuentra en la
función Reclinada, debe ajustar el interruptor de len-
güeta del lado izquierdo.
Para ajustar el interruptor de lengüeta del lado
izquierdo, debe retirar en primer lugar el pedal
izquierdo y el disco izquierdo de la manera descrita a
continuación.
Vea el DIBUJO DE PIEZAS B en la página 27. Con
ayuda de una llave inglesa, gire el Pedal Izquierdo (10)
en el sentido de las agujas del reloj y retírelo. A con-
tinuación, con un destornillador plano, apalanque con
suavidad el Disco (23) izquierdo para retirarlo.
Busque el Interruptor de Lengüeta (22) del lado
izquierdo. Gire el Brazo de la Manivela Izquierda (85)
hasta que un Imán (109) se alinee con el Interruptor de
Lengüeta. Afloje el Tornillo Dentado #8 x 12mm (28),
pero sin retirarlo.
Deslice el Interruptor de Lengüeta (22) del lado
izquierdo para acercarlo o alejarlo levemente del Imán
(109) y reapriete el Tornillo Dentado #8 x 12mm (28).
Gire el Brazo de la Manivela Izquierda (85) durante un
momento.
Repita estas acciones hasta que la consola indique
una información correcta. Cuando el interruptor de len-
güeta del lado izquierdo esté ajustado correctamente,
reconecte el disco izquierdo y el pedal izquierdo.
22
109
85
28
MANTENIMIENTO Y SOLUCIÓN DE PROBLEMAS

22
CÓMO AJUSTAR LOS INTERRUPTORES DE
LENGÜETA DEL LADO DERECHO
Si la consola no muestra una información correcta
cuando el entrenador dual se encuentra en la fun-
ción Remo, debe ajustar los interruptores de lengüeta
del lado derecho.
Para ajustar los interruptores de lengüeta del lado
derecho, debe retirar en primer lugar el pedal dere-
cho y el disco derecho de la manera descrita a
continuación.
Vea el DIBUJO DE LAS PIEZAS B en la página 27.
Con ayuda de una llave inglesa, gire el Pedal Derecho
(11) en el sentido contrario a las agujas del reloj y
retírelo. A continuación, con un destornillador plano,
apalanque con suavidad el Disco (23) derecho para
retirarlo.
Busque los dos Interruptores de Lengüeta (22) del
lado derecho. Gire el Brazo de la Manivela Derecha
(86) hasta que un Imán (109) se alinee con uno de
los Interruptores de Lengüeta del lado derecho. Afloje
los dos Tornillos Dentados #8 x 12mm (28), pero sin
retirarlos.
Deslice los Interruptores de Lengüeta (22) del lado
derecho para acercarlos o alejarlos levemente del
Imán (109) y reapriete los Tornillos Dentados #8 x
12mm (28). Gire el Brazo de la Manivela Derecha (86)
durante un momento.
Repita estas acciones hasta que la consola indique
una información correcta. Cuando el interruptor de len-
güeta del lado derecho esté ajustado correctamente,
reconecte el disco derecho y el pedal derecho.
CÓMO AJUSTAR LA CORREA DE MANEJO
Si nota que los pedales resbalan al pedalear mien-
tras el entrenador dual se encuentra en la función
Reclinada, incluso cuando la resistencia está al nivel
máximo, puede que la correa de manejo necesite ser
ajustada.
Para ajustar la correa de manejo, debe retirar en
primer lugar el pedal izquierdo, la cubierta del pro-
tector y el protector izquierdo de la manera descrita a
continuación.
Vea el DIBUJO DE LAS PIEZAS B en la página 27.
Con ayuda de una llave inglesa, gire el pedal izquierdo
en el sentido de las agujas del reloj y retírelo.
A continuación, retire los Tornillos de Cabeza Plana #8
x 16mm (66) de la Cubierta del Protector (103). Con
un destornillador plano, apalanque con suavidad la
Cubierta del Protector para retirarla.
A continuación, retire todos los Tornillos de Cabeza
Plana #8 x 16mm (66) y los Tornillos #8 x 25mm (106)
de los Protectores Derecho e Izquierdo (26, 27); ase-
gúrese de anotar qué tamaño de tornillo retira de
cada orificio. A continuación, retire con suavidad el
Protector Izquierdo.
A continuación, afloje el Tornillo del Brazo Estable
(33). A continuación, apriete el Tornillo de Ajuste de la
Correa (32) hasta que la Correa de Manejo (38) quede
tensa.
Cuando la Correa de Manejo (38) esté tensa, apriete el
Tornillo del Brazo Estable (33).
A continuación, conecte de nuevo el protector
izquierdo, la cubierta del protector y el pedal izquierdo.
86
109
22
28

23
Estas indicaciones le ayudarán a planificar su pro-
grama de ejercicios. Para información detallada sobre
los ejercicios consiga un libro acreditado o consulte
con su médico. Recuerde que una nutrición y un
descanso adecuados son esenciales para obtener
resultados satisfactorios.
INTENSIDAD DE LOS EJERCICIOS
Lo mismo si su objetivo es quemar grasa que si lo es
fortalecer su sistema cardiovascular, la clave para alcan-
zar los resultados es hacer ejercicios con la intensidad
adecuada. Usted puede basarse en su ritmo cardíaco
para encontrar el nivel de intensidad adecuado. El
esquema que se presenta más abajo muestra los ritmos
cardíacos recomendados para quemar grasa y hacer
ejercicios aeróbicos.
Para encontrar el nivel de intensidad adecuado, busque
su edad en la parte inferior del esquema (las edades
se redondean al múltiplo de 10 más cercano). Los tres
números que se listan encima de su edad definen su
“zona de entrenamiento.” El número más pequeño es el
ritmo cardíaco cuando se quema grasa, el número inter-
medio es el ritmo cardíaco cuando se quema la máxima
cantidad de grasa y el número más grande es el ritmo
cardíaco cuando se realizan ejercicios aeróbicos.
Quemar Grasa—Para quemar grasa eficientemente,
debe hacer ejercicios a un nivel de intensidad bajo
durante un periodo de tiempo mantenido. Durante
los primeros minutos de ejercicio su cuerpo utiliza las
calorías de los carbohidratos para obtener energía.
Sólo tras los primeros minutos de ejercicio su cuerpo
comienza a utilizar las calorías de grasa almacenada
para obtener energía. Si su objetivo es quemar grasa,
ajuste la intensidad de sus ejercicios hasta que el ritmo
cardíaco esté próximo al número más bajo de su zona
de entrenamiento. Para quemar la máxima cantidad de
grasa, realice los ejercicios con su ritmo cardíaco cerca
del número intermedio de su zona de entrenamiento.
Ejercicios Aeróbicos—Si su objetivo es fortalecer su
sistema cardiovascular, debe realizar ejercicios aeróbi-
cos, una actividad que requiere grandes cantidades de
oxígeno durante periodos de tiempo prolongados. Para
realizar ejercicios aeróbicos ajuste la intensidad de sus
ejercicios hasta que su ritmo cardíaco esté próximo al
número más alto de su zona de entrenamiento.
CÓMO MEDIR SU RITMO CARDÍACO
Para medir su ritmo car-
díaco, realice ejercicios
durante al menos cuatro
minutos. A continuación,
deje de hacer ejercicios y
coloque dos dedos en su
muñeca como se mues-
tra. Realice un recuento
de los latidos de seis segundos y multiplique el resultado
por diez para encontrar su ritmo cardíaco. Por ejemplo,
si su recuento de latidos durante seis segundos es 14,
su ritmo cardíaco es de 140 latidos por minuto.
GUÍAS DE ENTRENAMIENTO
Calentamiento—Comience estirando y ejercitando
ligeramente los músculos entre 5 y 10 minutos. El
calentamiento aumenta su temperatura corporal, su fre-
cuencia cardiaca y su circulación, preparándole para los
ejercicios.
Ejercicio en la Zona de Entrenamiento—Realice ejer-
cicios durante 20 a 30 minutos con su ritmo cardíaco en
su zona de entrenamiento. (Durante las primeras sema-
nas de su programa de ejercicios no mantenga su ritmo
cardíaco en su zona de entrenamiento durante más de
20 minutos.) Respire regularmente y profundamente
mientras hace ejercicios; nunca contenga la respiración.
Relajación—Termine con estiramientos entre 5 y 10
minutos. El estiramiento aumenta la flexibilidad de sus
músculos y le ayuda a evitar problemas posteriores al
ejercicio.
FRECUENCIA DE EJERCICIOS
Para mantener o mejorar su forma física, complete
tres sesiones de entrenamiento cada semana, con al
menos un día de descanso entre sesiones. Tras algunos
meses de ejercicio regular, puede completar hasta cinco
sesiones de entrenamiento cada semana si lo desea.
Recuerde, la clave para el éxito es hacer de los ejerci-
cios una parte regular y agradable de su vida diaria.
GUÍA DE EJERCICIOS
PRECAUCIÓN: Antes de ini-
ciar éste o cualquier programa de ejercicios
consulte con su médico. Esto es especial-
mente importante para personas de edades
superiores a 35 años, o para aquellos que
hayan presentado problemas de salud.

24
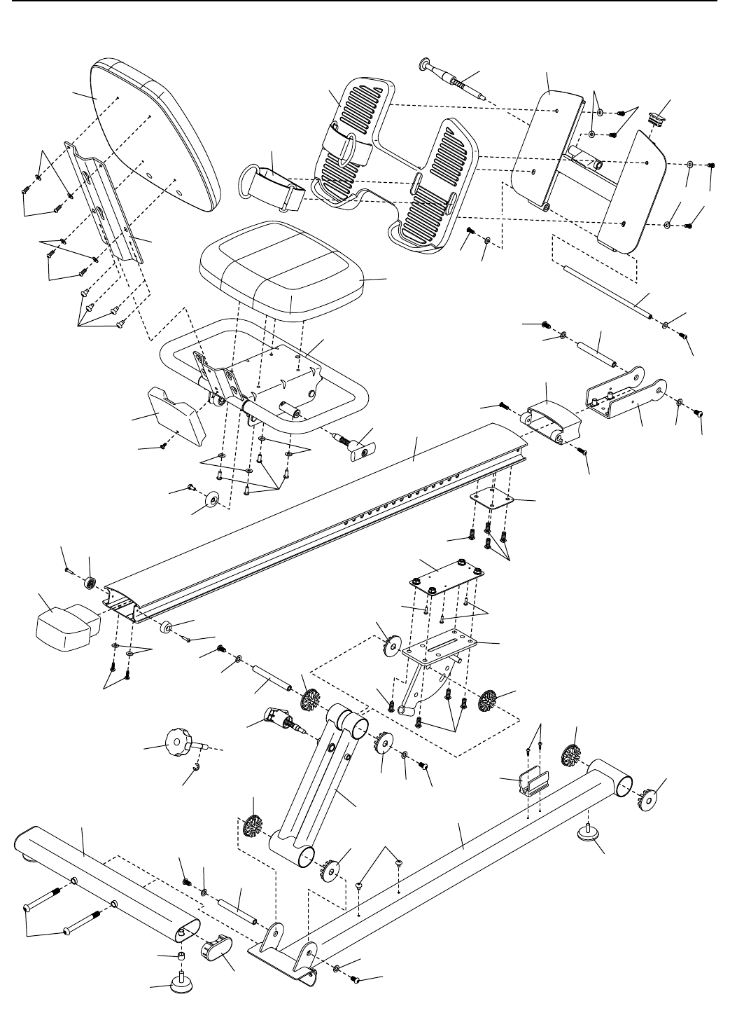
1 1 Armadura Delantera
2 1 Estabilizador Delantero
3 1 Estabilizador Trasero
4 1 Porta Asiento
5 1 Riel
6 1 Collar del Riel
7 1 Placa del Riel Pequeña
8 1 Soporte del Riel
9 1 Respaldo
10 1 Pedal Izquierdo
11 1 Pedal Derecho
12 1 Barra para Remar
13 4 Tornillo M10 x 100mm
14 2 Tornillo M6 x 20mm
15 8 Tornillo M8 x 20mm
16 1 Soporte del Riel
17 1 Asiento
18 1 Armadura Trasera
19 1 Cable Principal
20 1 Interruptor de Lengüeta Dual/Cable
21 1 Montaje de Polea
22 1 Interruptor de Lengüeta/Cable
23 2 Disco
24 2 Copa con Bujes
25 4 Tornillo M8 x 56mm
26 1 Protector Derecho
27 1 Protector Izquierdo
28 7 Tornillo Dentado #8 x 12mm
29 1 Motor de Resistencia
30 1 Consola
31 1 Brazo Estable
32 1 Tornillo de Ajuste de la Correa
33 1 Tornillo del Brazo Estable
34 17 Arandela M6
35 1 Tornillo de Pivote
36 1 Mecanismo Eddy
37 5 Contratuerca M8
38 1 Correa de Manejo
39 3 Abrazadera del Interruptor de
Lengüeta
40 1 Tornillo de Tierra #8 x 16mm
41 1 Armadura de la Copa con Bujes
42 4 Tornillo M8 x 32mm
43 4 Rodillo de Cuerda Elástica
44 2 Espaciador del Rodillo 52mm
45 2 Espaciador del Rodillo 9mm
46 2 Contratuerca Delgada M8
47 2 Perno M8 x 125mm
48 10 Arandela M8
49 1 Perilla de la Placa para los Pies
50 1 Perno M8 x 40mm
51 1 Espaciador del Rodillo 48mm
52 1 Espaciador del Rodillo 6mm
53 1 Perno M8 x 90mm
54 1 Rodillo del Tirante
55 1 Espaciador del Rodillo 19mm
56 1 Espaciador del Rodillo 14mm
57 1 Perno M8 x 72mm
58 1 Cuerda Elástica
59 1 Tirante
60 6 Tapa del Estabilizador
61 2 Pata Trasera de Nivelación
62 2 Perno M10 x 60mm
63 2 Contratuerca M10
64 2 Rueda
65 7 Parachoques
66 23 Tornillo de Cabeza Plana
#8 x 16mm
67 2 Tirante de Pata
68 1 Placa para los Pies
69 1 Eje de Armadura de la Pata
70 1 Armadura de la Pata
71 20 Tornillo M6 x 15mm
72 2 Tornillo M6 x 10mm
73 1 Clip de Almacenamiento
74 8 Tornillo M8 x 15mm
75 2 Eje de la Armadura Trasera
76 8 Buje Grueso
77 2 Buje Delgado
78 1 Eje del Soporte del Riel
79 1 Perilla de Almacenamiento
80 1 Placa Grande del Riel
81 2 Tornillo M5 x 20mm
82 1 Tapa del Riel
83 1 Pata de Nivelación Central
84 2 Tornillo M4 x 16mm
85 1 Brazo de la Manivela Izquierda
86 1 Brazo de la Manivela Derecha
87 2 Tornillo del Brazo de la Manivela
88 2 Tapa del Brazo de la Manivela
89 1 Tornillo M5 x 10mm
90 1 Cubierta del Porta Asiento
91 4 Tornillo M6 x 12mm
92 4 Rodillo del Asiento
93 1 Perilla del Asiento
94 1 Armadura del Respaldo
95 4 Tornillo M6 x 13mm
96 1 Soporte del Pivote del Riel
97 1 Eje del Soporte del Pivote del Riel
98 2 Mango
99 2 Tapa de la Barra para Remar
100 1 Gancho para Barra para Remar
LISTA DE LAS PIEZAS Nº de Modelo PFRW5913.0 R0914A
N° Ctd. Descripción N° Ctd. Descripción

25
101 1 Placa de la Cubierta del Protector
102 2 Tornillo #8 x 12mm
103 1 Cubierta del Protector
104 1 Soporte del Motor
105 1 Soporte de la Consola
106 2 Tornillo #8 x 25mm
107 2 Contratuerca M6
108 2 Tapa de la Armadura de la Pata
109 6 Imán
110 2 Espaciador de la Pata de Nivelación
111 1 Perilla de Seguridad
112 1 Clip en E
* – Manual del Usuario
* – Herramienta del Montaje
* – Paquete de Grasa PTFE
N° Ctd. Descripción N° Ctd. Descripción
Nota: Las especificaciones están sujetas a cambios sin previo aviso. Para información de cómo solicitar piezas
de repuesto, vea la contraportada de este manual. *Estas piezas no están ilustradas.

26
3
6
8
5
4
7
9
14
14
16 18
13
17
34
34
34
34
34
34
34
34 34
48
48
48
48
48
48
49
60
61
66
66 66
68
67
69
70
108
72
71
71
71
71
71
71
71
74
110
74
74
74
74
74
76
76
76
76
83
76 76
78
79
73
15
15
15
15
75
77
77
80
81
82
84 65
65
84
89
90
92
91
94
96
93
95 97
111
112
DIBUJO DE LAS PIEZAS A Nº de Modelo PFRW5913.0 R0914A

27
1
10
12
2
11
13
21
23
23
26
30
32
25
25
22
24
109
109
109
24
27
29
36
39
39
37
37
37
37
41
43
43
46
43
48
48
48
48
50
52
45
42
42
44
47
51
54
56
58
59
53
55
57
60
60
63
66
66
66
66
66
106
106
66
66
66
66
66
66
65
65
66
65
62
64
71
71
74
74
76
31
35
34
33
76
28
28
75
86
88
88 85
87
87
98
99
100
101 102
103
105
104 71
107
20
38
19
28
39
66
40
DIBUJO DE LAS PIEZAS B Nº de Modelo PFRW5913.0 R0914A

Para ordenar piezas de repuesto, por favor vea la portada de este manual. Para ayudarnos a proporcionarle asis-
tencia, por favor esté listo para proporcionar la siguiente información cuando nos contacte:
• el número de modelo y el número de serie del producto (vea la portada de este manual)
• el nombre del producto (vea la portada de este manual)
• el número de la pieza y descripción de la (de las) pieza(s) de reemplazo (vea la LISTA DE LAS PIEZAS y el
DIBUJO DE LAS PIEZAS hacia el final de este manual)
CÓMO ORDENAR PIEZAS DE REPUESTO
Nº de Pieza 366499 R0914A Impreso en EE.UU. © 2014 ICON Health & Fitness, Inc.