Proform Pftl120140 Performance 1250 Treadmill Users Manual
2015-04-14
: Proform Proform-Pftl120140-Performance-1250-Treadmill-Users-Manual-701482 proform-pftl120140-performance-1250-treadmill-users-manual-701482 proform pdf
Open the PDF directly: View PDF
.
Page Count: 36

USER’S MANUAL
CAUTION
Read all precautions and instruc-
tions in this manual before using
this equipment. Keep this manual
for future reference.
Model No. PFTL12014.0
Serial No.
Write the serial number in the space
above for reference.
www.proform.com
To register your product and
activate your warranty today,
go to www.proformservice.com/
registration.
For service at any time, go to
www.proformservice.com.
Or call 1-888-533-1333
Mon.–Fri. 6 a.m.–6 p.m. MT
Sat. 8 a.m.–12 p.m. MT
Please do not contact the store.
ACTIVATE YOUR
WARRANTY
CUSTOMER CARE
Serial Number
Decal

2
This drawing shows the locations of the warning decals.
If a decal is missing or illegible, call the telephone
number on the front cover of this manual and
request a free replacement decal. Apply the decal
in the location shown. Note: The decals may not be
shown at actual size.
WARNING DECAL PLACEMENT
256836
PROFORM is a registered trademark of ICON Health & Fitness, Inc.
WARNING DECAL PLACEMENT . . . . . . . . . . . . . . . . . . . . . . . . . . . . . . . . . . . . . . . . . . . . . . . . . . . . . . . . . . . . . . .2
IMPORTANT PRECAUTIONS ..................................................................3
BEFORE YOU BEGIN. . . . . . . . . . . . . . . . . . . . . . . . . . . . . . . . . . . . . . . . . . . . . . . . . . . . . . . . . . . . . . . . . . . . . . . .7
ASSEMBLY . . . . . . . . . . . . . . . . . . . . . . . . . . . . . . . . . . . . . . . . . . . . . . . . . . . . . . . . . . . . . . . . . . . . . . . . . . . . . . . .8
HOW TO USE THE TREADMILL ..............................................................12
HOW TO FOLD AND MOVE THE TREADMILL . . . . . . . . . . . . . . . . . . . . . . . . . . . . . . . . . . . . . . . . . . . . . . . . . . .23
MAINTENANCE AND TROUBLESHOOTING .....................................................24
EXERCISE GUIDELINES ....................................................................27
PART LIST. . . . . . . . . . . . . . . . . . . . . . . . . . . . . . . . . . . . . . . . . . . . . . . . . . . . . . . . . . . . . . . . . . . . . . . . . . . . . . . .29
EXPLODED DRAWING. . . . . . . . . . . . . . . . . . . . . . . . . . . . . . . . . . . . . . . . . . . . . . . . . . . . . . . . . . . . . . . . . . . . . .31
ORDERING REPLACEMENT PARTS. . . . . . . . . . . . . . . . . . . . . . . . . . . . . . . . . . . . . . . . . . . . . . . . . . . Back Cover
LIMITED WARRANTY. . . . . . . . . . . . . . . . . . . . . . . . . . . . . . . . . . . . . . . . . . . . . . . . . . . . . . . . . . . . . . . Back Cover
TABLE OF CONTENTS

3
1. It is the responsibility of the owner to ensure
that all users of this treadmill are adequately
informed of all warnings and precautions.
2. Before beginning any exercise program,
consult your physician. This is especially
important for persons over age 35 or persons
with pre-existing health problems.
3. Use the treadmill only as described in this
manual.
4. The treadmill is intended for home use only.
Do not use the treadmill in any commercial,
rental, or institutional setting.
5. Keep the treadmill indoors, away from mois-
ture and dust. Do not put the treadmill in a
garage or covered patio, or near water.
6. Place the treadmill on a level surface, with
at least 8 ft. (2.4 m) of clearance behind it
and 2 ft. (0.6 m) on each side. Do not place
the treadmill on any surface that blocks air
openings. To protect the floor or carpet from
damage, place a mat under the treadmill.
7. Do not operate the treadmill where aerosol
products are used or where oxygen is being
administered.
8. Keep children under age 12 and pets away
from the treadmill at all times.
9. The treadmill should be used only by per-
sons weighing 300 lbs. (136 kg) or less.
10. Never allow more than one person on the
treadmill at a time.
11. Wear appropriate exercise clothes while
using the treadmill. Do not wear loose
clothes that could become caught in the
treadmill. Athletic support clothes are recom-
mended for both men and women. Always
wear athletic shoes. Never use the treadmill
with bare feet, wearing only stockings, or in
sandals.
12. Plug the power cord into a surge suppressor
(not included), and plug the surge suppres-
sor into an appropriate outlet (see page 12).
To avoid overloading the circuit, do not plug
other electrical devices, except for low-power
devices such as cell phone chargers, into
the surge suppressor or into an outlet on the
same circuit.
13. Use only a surge suppressor that meets all of
the specifications described on page 12. To
purchase a surge suppressor, see your local
PROFORM dealer, call the telephone number
on the front cover of this manual, or see your
local electronics store.
14. Failure to use a properly functioning surge
suppressor could result in damage to the
control system of the treadmill. If the control
system is damaged, the walking belt may
slow, accelerate, or stop unexpectedly, which
may result in a fall and serious injury.
15. Keep the power cord and the surge suppres-
sor away from heated surfaces.
16. Never move the walking belt while the power
is turned off. Do not operate the treadmill
if the power cord or plug is damaged, or
if the treadmill is not working properly. (See
MAINTENANCE AND TROUBLESHOOTING on
page 24 if the treadmill is not working properly.)
17. Read, understand, and test the emergency
stop procedure before using the treadmill
(see HOW TO TURN ON THE POWER on
page 14).
18. Never start the treadmill while you are stand-
ing on the walking belt.
19. Always hold the handrails or use the desk
for stability while you are using the treadmill.
Never pull upward on the handrails while you
are using the treadmill.
20. Never raise the handrails to the storage posi-
tion while the power cord is plugged in.
WARNING: To reduce the risk of burns, re, electric shock, or injury to persons, read all
important precautions and instructions in this manual and all warnings on the treadmill before using
the treadmill. ICON assumes no responsibility for personal injury or property damage sustained by
or through the use of this product.
IMPORTANT PRECAUTIONS

4
21. The treadmill is capable of high speeds.
Adjust the speed in small increments to
avoid sudden jumps in speed.
22. The heart rate monitor is not a medical
device. Various factors, including the user’s
movement, may affect the accuracy of heart
rate readings. The heart rate monitor is
intended only as an exercise aid in determin-
ing heart rate trends in general.
23. Never leave the treadmill unattended while
it is running. Always remove the key, press
the power switch into the off position (see
the drawing on page 7 for the location of the
power switch), and unplug the power cord
when the treadmill is not in use.
24. Do not attempt to move the treadmill until
it is properly assembled. (See ASSEMBLY
on page 8 and HOW TO FOLD AND MOVE
THE TREADMILL on page 23.) You must be
able to safely lift 45 lbs. (20 kg) to move the
treadmill.
25. When folding or moving the treadmill, make
sure that the storage latch is holding the
frame securely in the storage position.
26. Do not change the incline of the treadmill by
placing objects under the treadmill.
27. Never insert any object into any opening on
the treadmill.
28. Inspect and properly tighten all parts of the
treadmill regularly.
29. DANGER: Always unplug the power
cord immediately after use, before clean-
ing the treadmill, and before performing the
maintenance and adjustment procedures
described in this manual. Never remove the
motor hood unless instructed to do so by an
authorized service representative. Servicing
other than the procedures in this manual
should be performed by an authorized ser-
vice representative only.
30. Over exercising may result in serious injury
or death. If you feel faint or if you experience
pain while exercising, stop immediately and
cool down.
SAVE THESE INSTRUCTIONS

5

6
STANDARD SERVICE PLANS

7
Thank you for selecting the new PROFORM®
THINLINE DESK TREADMILL. The THINLINE DESK
TREADMILL provides an impressive selection of fea-
tures designed to make your workouts at home more
effective and enjoyable.
For your benefit, read this manual carefully before
you use the treadmill. If you have questions after
reading this manual, please see the front cover of this
manual. To help us assist you, note the product model
number and serial number before contacting us. The
model number and the location of the serial number
decal are shown on the front cover of this manual.
Before reading further, please familiarize yourself with
the parts that are labeled in the drawing below.
BEFORE YOU BEGIN
Length: 6 ft. 9 in. (205 cm)
Width: 2 ft. 11 in. (89 cm)
Console
Key/Clip
Power Switch
Power Cord
Walking Belt
Motor Hood
Foot Rail
Idler Roller
Adjustment Screws
Accessory Tray
Platform Cushion
Heart Rate Monitor

8
• To hire an authorized service technician to
assemble the treadmill, call 1-800-445-2480
• Assembly requires two persons.
• Place all parts in a cleared area and remove the
packing materials. Do not dispose of the packing
materials until you nish all assembly steps.
• After shipping, there may be an oily substance
on the exterior of the treadmill. This is normal. If
there is an oily substance on the treadmill, wipe
it off with a soft cloth and a mild, non-abrasive
cleaner.
• Left parts are marked “L” or “Left” and right parts
are marked “R” or “Right.”
• Assembly requires the following tools:
the included hex key
To avoid damaging parts, do not use power tools.
ASSEMBLY
1. Go to www.proformservice.com/registration
on your computer and register your product.
• activates your warranty
• saves you time if you ever need to contact
Customer Care
• allows us to notify you of upgrades and offers
Note: If you do not have Internet access, call
Customer Care (see the front cover of this
manual) and register your product.
1

9
3. Attach the left Extension Leg (94) to the Base
(100) with the two 5/16" x 1/2" Screws (1)
and the two 5/16" Star Washers (32) that you
removed in step 2.
Repeat this step on the right side.
94
94
94
3
2. Make sure that the power cord is unplugged.
Remove and save the indicated 5/16" x 1/2"
Screws (1) and the 5/16" Star Washers (32) from
the left and right Extension Legs (94).
32
1
32
2
100
1
32
1

10
5. Locate the Latch (87) near the top of the left
Upright (102). Press the Latch all of the way to
the left and hold it. IMPORTANT: Make sure
that the Latch is pressed all of the way to
the left.
Carefully pivot the handrail assembly (A) down.
A
87
5
4. Identify the Left Base Cover (101) and the Left
Extension Leg Cover (97).
Press the Left Base Cover (101) onto the Base
(100). Then, press the Left Extension Leg Cover
(97) onto the Base.
Repeat this step on the right side.
97
101
100
4
102

11
7. Make sure that all parts are properly tightened before you use the treadmill. If there are sheets of plastic
on the treadmill decals, remove the plastic. To protect the oor or carpet, place a mat under the treadmill.
To avoid damage to the console, keep the treadmill out of direct sunlight. Keep the included hex key in a
secure place; the hex key is used to adjust the walking belt (see pages 25 and 26). Note: Extra parts may be
included.
6. Carefully pivot the console assembly (B) up.
B
6

12
HOW TO USE THE TREADMILL
HOW TO CONNECT THE POWER CORD
Use a Surge Suppressor
Your treadmill, like other electronic equipment, can be
damaged by sudden voltage changes in your home’s
power. Voltage surges, spikes, and noise interfer-
ence can result from weather conditions or from other
appliances being turned on or off. To decrease the
risk of damaging the treadmill, always use a surge
suppressor with the treadmill. To purchase a surge
suppressor, see precaution 13 on page 3.
Use only a surge suppressor that is UL 1449 listed as a
transient voltage surge suppressor (TVSS). The surge
suppressor must have a UL suppressed voltage rating
of 400 volts or less and a minimum surge dissipation of
450 joules. The surge suppressor must also be electri-
cally rated for 120 volts AC and 15 amps. There must
be a monitoring light on the surge suppressor to indi-
cate whether it is functioning properly. Failure to use a
properly functioning surge suppressor could result
in damage to the control system of the treadmill
and serious injury to users.
Plug in the Power Cord
The treadmill must be grounded. If it should malfunc-
tion or break down, grounding provides a path of least
resistance for electric current to reduce the risk of elec-
tric shock. The treadmill power cord has a plug with a
grounding pin (see drawing 1 on this page).
Plug the power cord into a surge suppressor, and plug
the surge suppressor into an appropriate outlet that is
properly installed and grounded in accordance with all
local codes and ordinances. The outlet must be on a
nominal 120-volt circuit capable of carrying 15 or
more amps. To avoid overloading the circuit, do
not plug other electrical devices, except for low-
power devices such as cell phone chargers, into
the surge suppressor or into an outlet on the same
circuit. IMPORTANT: The treadmill may not be com-
patible with AFCI-equipped outlets.
A temporary
adapter may
be used to
connect the
surge sup-
pressor to
a 2-pole
receptacle
if a properly
grounded
outlet is not
available.
The lug or wire extending from the adapter must
be connected with a metal screw to a permanent
ground such as a properly grounded outlet box cover.
Some 2-pole receptacle outlet box covers are not
grounded. Before using an adapter, contact a quali-
fied electrician to determine whether the outlet box
cover is grounded. The temporary adapter should
be used only until a properly grounded outlet can
be installed by a qualified electrician.
DANGER: Improper connection
of the power cord increases the risk of elec-
tric shock. Do not modify the plug—if it will
not fit an outlet, have a proper outlet installed
by a qualified electrician. If you are unsure
whether the treadmill is properly grounded,
contact a qualified electrician.
1
Surge
Suppressor
Grounding Pin
Grounded Outlet
2
Adapter
2-pole Receptacle
Lug
Grounding Pin
Metal
Screw

13
ETPF12014
(PFTL12014)
FEATURES OF THE CONSOLE
The treadmill console offers an impressive array of
features designed to make your workouts more effec-
tive and enjoyable. When you use the manual mode,
you can change the speed and incline of the treadmill
with the touch of a button. As you exercise, the console
will display instant exercise feedback. You can even
measure your heart rate using the handgrip heart rate
monitor.
In addition, the console features a selection of on-
board workouts. Each workout automatically controls
the speed and incline of the treadmill as it guides you
through an effective exercise session.
You can even use your tablet to control the speed and
incline of the treadmill, or to access workouts. The
console features an iFit mode when you connect your
tablet. See www.iFit.com for complete information.
To turn on the power, see page 14. To use the man-
ual mode, see page 14. To use an onboard workout,
see page 16. To use an iFit workout, see page 17.
To use the settings mode, see page 18. To use your
tablet with the console, see page 21. To use the
desk, see page 22.
Note: The console can display speed and distance in
either miles or kilometers. To nd which unit of mea-
surement is selected, see THE SETTINGS MODE on
page 18. For simplicity, all instructions in this section
refer to miles.
IMPORTANT: If there are sheets of plastic on the
console, remove the plastic. To prevent damage
to the walking platform, wear clean athletic shoes
while using the treadmill. The rst time you use
the treadmill, observe the alignment of the walking
belt, and center the walking belt if necessary (see
page 26).
CONSOLE DIAGRAM

14
HOW TO TURN ON THE POWER
IMPORTANT: If the treadmill has been exposed to
cold temperatures, allow it to warm to room tem-
perature before you turn on the power. If you do
not do this, you may damage the console displays
or other electrical components.
IMPORTANT: Before you plug in the power cord,
make sure that the handrails are lowered (see HOW
TO LOWER THE TREADMILL FOR USE on page 23).
Plug in the power cord (see
page 12). Next, locate the
power switch on the tread-
mill frame near the power
cord. Press the power switch
into the reset position.
IMPORTANT: The console features a display demo
mode, designed to be used if the treadmill is dis-
played in a store. If the displays light as soon as
you plug in the power cord and press the power
switch into the reset position, the demo mode is
turned on. To turn off the demo mode, hold down
the Stop button for a few seconds. If the displays
remain lit, see THE SETTINGS MODE on page 18 to
turn off the demo mode.
Next, stand on the
foot rails of the
treadmill. Find the clip
attached to the key
and slide the clip onto
the waistband of your
clothes. Then, insert
the key into the con-
sole. After a moment,
the displays will light.
IMPORTANT: In an emergency, the key can be
pulled from the console, causing the walking belt
to slow to a stop. Test the clip by carefully taking
a few steps backward; if the key is not pulled from
the console, adjust the position of the clip.
HOW TO USE THE MANUAL MODE
1. Insert the key into the console.
See HOW TO TURN ON THE POWER at the left.
2. Select the manual mode.
When the console is turned on, the manual mode
will be selected. If a workout has been selected,
press the Home button to select the manual mode.
3. Start the walking belt.
To start the walking belt, press the Start button, the
Speed increase button, or one of the numbered
Speed buttons.
If you press the Start button or the Speed increase
button, the walking belt will begin to move at 1
mph. As you exercise, change the speed of the
walking belt as desired by pressing the Speed
increase and decrease buttons. Each time you
press one of the buttons, the speed setting will
change by 0.1 mph; if you hold down the button,
the speed setting will change in increments of 0.5
mph. Note: After you press the buttons, it may take
a moment for the walking belt to reach the selected
speed setting.
If you press one of the numbered Speed buttons,
the walking belt will gradually change speed until
it reaches the selected speed setting. To select a
speed setting that includes a decimal—such as 3.5
mph—press two numbered buttons in succession.
For example, to select a speed setting of 3.5 mph,
press the 3 button and then immediately press the
5 button. Note: This will not function if the console
is set to metric units.
To stop the walking belt, press the Stop button.
The time will begin to flash in the display. To restart
the walking belt, press the Start button or the
Speed increase button.
Reset
ETPF12014
(PFTL12014)
Key
Clip
WARNING: Never raise the hand-
rails to the storage position while the power
cord is plugged in.

15
4. Change the incline of the treadmill as desired.
To change the incline of the treadmill, press the
Incline increase or decrease button or one of the
numbered Incline buttons. Each time you press one
of the buttons, the treadmill will gradually adjust to
the selected incline setting.
5. Follow your progress with the displays.
As you walk or run on the treadmill, the display can
show the following workout information:
• The elapsed time
• The distance that you have walked or run
• The workout intensity level
• The approximate number of calories you have
burned
• The approximate number of calories you are
burning per hour
• The incline level of the treadmill
• The speed of the walking belt
• Your heart rate (see step 6)
• The matrix
The matrix offers several display options. Press the
increase and decrease buttons next to the Enter
button until the desired option is shown.
The Speed option will show a profile of the speed
settings of the workout. A new segment will appear
at the end of each minute.
The Incline option will show a profile of the incline
settings of the workout. A new segment will appear
at the end of each minute.
The Calorie option will show the approximate
amount of calories you have burned. The height of
each segment represents the amount of calories
burned during that segment.
As you exercise, the workout
intensity level bar will indicate
the approximate intensity level
of your exercise.
The display will also show a track that represents
1/4 mile (400 m). As you exercise, the rectangles
around the track will show your progress. The num-
ber of laps you complete will be displayed next to
the track.
Press the Home button to return to the main menu.
If necessary, press the Home button again.
The wireless symbol in the bot-
tom right corner of the display
will show whether the console
is connected to your wireless
network. If it is flashing, the
console is not connected. If it
remains solid, the console is connected.
To reset the displays, press the Stop button,
remove the key, and then reinsert the key.
6. Measure your heart rate if desired.
Before using the heart rate monitor, remove the
sheets of plastic from the metal contacts, if neces-
sary. In addition, make sure that your hands are
clean.
To measure your
heart rate, stand
on the foot rails
and hold the
metal contacts
on the handrails
for approximately
ten seconds—
avoid moving
your hands.
When your pulse
is detected, rst
a heart symbol in the calorie display will appear;
next, one or two dashes will appear; and then your
heart rate will be shown. For the most accurate
heart rate reading, continue to hold the con-
tacts for about 15 seconds.
Contacts

16
7. Turn on the fan if desired.
The fan features multiple speed
settings. Press the fan increase
button repeatedly to turn on the
fan or to select a fan speed.
Press the fan decrease button
to select a fan speed or to turn
off the fan.
8. When you are nished exercising, remove the
key from the console.
Step onto the foot rails, press the Stop button, and
adjust the incline of the treadmill to zero. The
incline must be at zero or you may damage the
treadmill when you fold it to the storage posi-
tion. Next, remove the key from the console and
put it in a secure place.
When you are nished using the treadmill, press
the power switch into the off position and unplug
the power cord. IMPORTANT: If you do not do
this, the treadmill’s electrical components may
wear prematurely.
HOW TO USE AN ONBOARD WORKOUT
1. Insert the key into the console.
See HOW TO TURN ON THE POWER on page 14.
2. Select an onboard workout.
To select an onboard workout, press the Workouts
button repeatedly until the desired workout appears
in the display.
When you select an onboard workout, the display
will show the duration, the distance, the name, the
approximate number of calories you will burn during
the workout, the maximum incline setting, and the
maximum speed setting of the workout. In addition,
a prole of the incline settings of the workout will
appear in the matrix.
3. Start the workout.
Press the Start button or the Speed increase button
to start the workout. A moment after you press the
button, the treadmill will automatically adjust to the
rst speed and incline settings of the workout. Hold
the handrails and begin walking.
Each workout is divided into segments. One speed
setting and one incline setting are programmed for
each segment. Note: The same speed setting
and/or incline setting may be programmed for con-
secutive segments.
During the
workout,
the pro-
les on
the speed
and incline
tabs will
show your
progress. The ashing segment of the prole rep-
resents part of the current segment of the workout.
The height of the ashing segment indicates the
approximate speed or incline setting for the current
segment. If a different speed and/or incline setting
is programmed for the next segment, the treadmill
will automatically adjust to the new speed and/or
incline setting.
ETPF12014
(PFTL12014)
Current Segment

17
The workout will continue in this way until the last
segment of the prole ashes in the display and the
last segment ends. The walking belt will then slow
to a stop.
Note: The calorie goal is an estimate of the
number of calories that you will burn during the
workout. The actual number of calories that you
burn will depend on various factors such as
your weight. In addition, if you manually change
the speed or incline of the treadmill during the
workout, the number of calories you burn will
be affected.
If the speed or incline setting is too high or too low
at any time during the workout, you can manu-
ally override the setting by pressing the Speed or
Incline buttons; however, when the next segment
of the workout begins, the treadmill will auto-
matically adjust to the speed and incline set-
tings for the next segment.
To stop the workout at any time, press the Stop
button. The time will begin to ash in the display.
To resume the workout, press the Start button or
the Speed increase button. The walking belt will
begin to move at 1 mph. When the next segment of
the workout begins, the treadmill will automatically
adjust to the speed and incline settings for the next
segment.
4. Follow your progress with the displays.
See step 5 on page 15.
5. Measure your heart rate if desired.
See step 6 on page 15.
6. Turn on the fan if desired.
See step 7 on page 16.
7. When you are nished exercising, remove the
key from the console.
See step 8 on page 16.
HOW TO USE AN IFIT WORKOUT
Note: To use an iFit workout, you must have access to
a wireless network (see pages 18–21) and you must
connect your tablet to the console. An iFit account is
also required.
1. Insert the key into the console.
See HOW TO TURN ON THE POWER on page 14.
2. Connect your tablet to the console.
See page 21 and connect your tablet to the con-
sole.
3. Access iFit workouts.
Follow the instructions on the iFit app to access iFit
workouts. When you select an iFit workout, the dis-
play will show the name, duration, maximum speed
setting, and distance of the workout. The display
will also show the approximate number of calories
you will burn during the workout and a profile of the
speed settings of the workout.
4. Start the workout.
See step 3 on page 16.
To stop the workout at any time, press the Stop
button. The time will begin to ash in the display.
To resume the workout, press the Start button or
the Speed increase button. The walking belt will
begin to move at the speed setting for the rst seg-
ment of the workout. When the next segment of
the workout begins, the treadmill will automatically
adjust to the speed and incline settings for the next
segment.
5. Follow your progress with the displays.
See step 5 on page 15.
The My Trail tab will show a map of the trail you are
walking or running or it will show a track and the
number of laps you complete.

18
During a competition workout, the Competition tab
will show your progress in the race. As you race,
the top line in the matrix will show how much of the
race you have completed. The other lines will show
your top four competitors. The end of the matrix
represents the end of the race.
6. Measure your heart rate if desired.
See step 6 on page 15.
7. Turn on the fan if desired.
See step 7 on page 16.
8. When you are nished exercising, remove the
key from the console.
See step 8 on page 16.
For more information about the iFit feature, go to
www.iFit.com.
THE SETTINGS MODE
The console features a settings mode that allows you
to view usage information, to personalize console set-
tings, and to set up and manage a wireless network
connection.
1. Select the settings mode.
To select the settings mode, press the Settings
button. The settings mode will then appear in the
display.
The time display will show the total number of
hours that the treadmill has been used.
The distance display will show the total number
of miles (or kilometers) that the walking belt has
moved.
2. Navigate the settings mode menu.
The matrix will display a menu of the settings mode
options.
Press the increase and decrease buttons next to
the Enter button to highlight the desired option.
Units—The selected unit of measurement will
appear in the matrix. To change the unit of mea-
surement, press the Enter button. To view distance
in miles, select ENGLISH. To view distance in
kilometers, select METRIC.
Contrast—The contrast level of the display will
appear in the matrix. Press the Incline increase and
decrease buttons to adjust the contrast level.
Firmware Update—For the best results,
regularly check for firmware updates.
Note: The matrix will display NOT CONNECTED if
the console is not connected to a wireless network.

19
Press the Enter button to check for firmware
updates using your wireless network. If an update
is available, the update will begin automatically.
The lower part of the matrix will display instructions
for the highlighted option. Make sure to follow the
instructions displayed in the lower part of the
matrix.
IMPORTANT: To avoid damaging the treadmill,
do not turn off the power while the firmware is
being updated. The update may take several
minutes.
Note: Occasionally, a firmware update may cause
your console to function slightly differently. These
updates are always designed to improve your exer-
cise experience.
3. Select the optional screens.
Demo—The console features a display demo
mode, designed to be used if the treadmill is dis-
played in a store. While the demo mode is turned
on, the console will function normally when you
plug in the power cord, press the power switch
into the reset position, and insert the key into the
console. However, when you remove the key, the
displays will remain lit, although the buttons will not
function. If the demo mode is turned on, the word
ON will appear in the matrix. To turn on or turn off
the demo mode, press the Enter button.
Default Settings—To restore the console to its
factory default settings, press the Enter button.
Note: The console will erase any information that
you have saved in its memory.
The WiFi–Normal option will allow you to set up
a wireless network connection using the console.
See step 4 for instructions.
The WiFi–Advanced option will allow you to set up
a wireless network connection using your com-
puter, smart phone, tablet, or other Wi-Fi device.
See step 6 for instructions.
iFit User Setup—A numerical code and a web
address will appear in the matrix. Go to the web
address on your internet-compatible device.
Clear WiFi—To erase the console’s wireless
network settings and have it forget the currently
selected wireless network, follow the instructions in
the matrix.
4. Use WiFi–Normal to set up a wireless
connection.
This option will allow you to set up a wireless net-
work connection using the console.
Note: You will need to know your network name
(SSID). If your network has a password, you will
also need to know the password.
To set up a wireless network connection using the
console, first press the Enter button.
A list of networks will appear in the matrix. Press
the up and down buttons to highlight the desired
network. Then, press the Enter button. When the
cursor passes the first and last networks in the list,
the console will rescan for access points. Note: Do
not select IFIT_SETUP.
Note: The time display will show the number of
the currently-selected access point. The distance
display will show the total number of access points
detected.
If the network has a password, enter the password.

20
A keyboard will appear in the matrix. Press the up,
down, left, and right buttons to highlight the desired
letter or number. Then, press the Enter button to
select the letter, number, or symbol. When you
have finished entering the password, press the
Done button.
A numerical code and a web address will appear in
the matrix. Go to the web address on your internet-
compatible device.
Log in to your iFit account on the web page. Then,
enter the numerical code into the indicated field.
Follow any other instructions on the web page.
When the console is connected to a wireless
network, the wireless symbol in the display will
stop flashing and become solid. The wireless sym-
bol will show the strength of your wireless signal;
four arcs indicate full signal strength.
If you cannot complete any part of this
process, or if you have any questions, go to
http://support.ifit.com for assistance.
5. Use WiFi–WPS to set up a wireless connection.
This option will allow you to set up a wireless net-
work connection using your WPS router.
To set up a wireless network connection using your
WPS router, first press the Enter button and follow
the instructions in the matrix.
A numerical code and a web address will appear in
the matrix. Go to the web address on your internet-
compatible device.
Log in to your iFit account on the web page. Then,
enter the numerical code into the indicated field.
Follow any other instructions on the web page.
When the console is connected to a wireless net-
work, the wireless symbol in the display will stop
flashing and become solid. The wireless symbol
will show the strength of your wireless signal; four
arcs indicate full signal strength.
If you cannot complete any part of this
process, or if you have any questions, go to
http://support.ifit.com for assistance.
6. Use WiFi–Advanced to set up a wireless
connection.
This option will allow you to set up a wireless
network connection using your computer, smart
phone, tablet, or other Wi-Fi device.
On your computer, smart phone, tablet, or other
Wi-Fi device, open the list of available networks to
which your device can connect. One of the options
will be IFIT_SETUP; select this network. If this net-
work does not appear, make sure that your Wi-Fi
device is within range of the console, and then
close and re-open your list of networks. Also, see
CLEAR WIFI on page 19 and clear any previous
wireless network settings on the console.
Note: The network IFIT_SETUP will not appear
if the console has already been configured to
connect to a wireless network. Also, AndroidTM
devices may not be able to detect IFIT_SETUP.
The console will display an IP address, such as
192.168.0.1:8080. Open a web browser on your
computer, smart phone, tablet, or other Wi-Fi
device. Next, type in the IP address on the con-
sole into the URL bar in your browser. Example:
http://192.168.0.1:8080.

21
Your browser will load a web page. If the web page
does not appear, double-check the IP address and
the previous instructions of this step. Follow the
instructions on the web page to connect the tread-
mill to your wireless network.
Note: A warning may appear stating that the server
cannot be identified. If this happens, make sure
that you have entered the IP address correctly.
If you cannot complete any part of this
process, or if you have any questions, go to
support.ifit.com for assistance.
7. Exit the settings mode.
To exit the settings mode, press the Settings
button.
HOW TO USE YOUR TABLET WITH THE CONSOLE
Note: To connect your tablet to the console, you must
have access to a wireless network (see pages 18–21).
An iFit account and an iFit app are also required. Go
to www.iFit.com to sign up for an account and to
download the app.
1. Set up a wireless connection on the console.
See pages 18–21. Note: The console and your
tablet must be connected to the same wireless
network.
2. Access the iFit app on your tablet and sign into
your iFit account.
3. Enter an IP address.
Select the Settings mode (see step 1 on page 18).
Next, enter the console’s IP address on your tablet.
Touch Connect on the tablet. Follow the prompts
on your tablet to complete this step.
4. Control the treadmill using your tablet.
Once you have established a wireless connection
between your tablet and the console, you can con-
trol the treadmill using the options on your tablet.
From your tablet, you can access workouts and
adjust the speed and incline. Note: The console
must be in manual mode for you to run a work-
out with your tablet. The buttons on the con-
sole will continue to function in addition to the
tablet controls. If you pause a workout on your
tablet, the workout can only be resumed using
the controls on your tablet.
5. Log out and exit.
When you are nished using your tablet, touch the
link in the upper right corner of the tablet to log out.
For more information about the iFit app, go to
www.iFit.com.

22
HOW TO USE THE TABLET HOLDER
If you plan to use your tablet when the console is in
the upright position, secure your tablet to the console
before you begin using the treadmill. Pull the tablet
holder upward, place your tablet on the console, and
then release the tablet holder. The tablet holder will
then hold your tablet in place.
HOW TO POSITION THE CONSOLE
The console can be used in either the upright position
(see drawing 1) or the desk position (see drawing 2).
To raise the console to the upright position, place one
hand on a handrail. Then, press upward on the front of
the console with your other hand. To lower the console
to the desk position, first make sure that your tablet
is not on the console. Then, press downward on the
back of the console. Note: When the console is in the
desk position, use the controls on the handrail to oper-
ate the treadmill.
1
2Handrail
controls
Tablet Holder

23
HOW TO FOLD THE TREADMILL
To avoid damaging the treadmill, adjust the incline
to zero before you fold the treadmill. CAUTION:
Remove the key and unplug the power cord. You
must be able to safely lift 45 lbs. (20 kg) to raise,
lower, or move the treadmill.
1. Raise the handrails to the vertical position.
2. Raise the console to the vertical position.
3. Hold the metal frame rmly in the location shown
by the arrow above. CAUTION: Do not hold the
frame by the plastic foot rails. Bend your legs
and keep your back straight.
4. Raise the frame until the latch locks onto the catch.
CAUTION: Make sure that the latch locks onto
the catch.
To protect the oor or carpet, place a mat under the
treadmill. Keep the treadmill out of direct sunlight. Do
not leave the treadmill in the storage position in tem-
peratures above 85° F (30° C).
HOW TO MOVE THE TREADMILL
Before moving the treadmill, fold it as described at
the left. CAUTION: Make sure that the catch is held
securely by the latch. Moving the treadmill may
require two people.
1. Hold the frame with both hands and carefully push
the treadmill to the desired location. CAUTION:
Do not pull on the frame, and do not move the
treadmill over an uneven surface.
HOW TO LOWER THE TREADMILL FOR USE
1. See drawing 4. Hold the upper end of the treadmill
with your right hand. Next, press the latch lever
all of the way to the left and hold it. If necessary,
push the frame forward slightly. Pivot the frame
downward a few inches, and release the latch
lever.
2. See drawing 1 at the left. Hold the metal frame
rmly with both hands, and lower it to the oor.
CAUTION: Bend your legs and keep your back
straight.
3. See drawing 4 at the left. Press the latch all of the
way to the left, and lower the handrails. Then, raise
the console to the upright position.
HOW TO FOLD AND MOVE THE TREADMILL
4
Catch
Frame
1
1
3
2Frame
Wheel
1
Catch
Latch
Latch

24
MAINTENANCE
Regularly clean the treadmill and keep the walking
belt clean and dry. First, press the power switch into
the off position and unplug the power cord. Wipe
exterior parts of the treadmill with a damp cloth and a
small amount of mild soap. IMPORTANT: Do not spray
liquids directly onto the treadmill. To avoid damage
to the console, keep liquids away from the console.
Then, thoroughly dry the treadmill with a soft towel.
TROUBLESHOOTING
Most treadmill problems can be solved by follow-
ing the simple steps below. Find the symptom that
applies, and follow the steps listed. If further assis-
tance is needed, see the front cover of this manual.
SYMPTOM: The power does not turn on
a. Make sure that the power cord is plugged into a
surge suppressor and that the surge suppressor
is plugged into a properly grounded outlet (see
page 12). Use only a surge suppressor that meets
all of the specications described on page 12.
IMPORTANT: The treadmill may not be compat-
ible with AFCI-equipped outlets.
b. After the power cord has been plugged in, make
sure that the key is inserted into the console.
c. Check the power switch located on the treadmill
frame near the power cord. If the switch protrudes
as shown, the switch has tripped. To reset the
power switch, wait for ve minutes and then press
the switch back in.
SYMPTOM: The power turns off during use
a. Check the power switch (see the drawing above).
If the switch has tripped, wait for ve minutes and
then press the switch back in.
b. Make sure that the power cord is plugged in. If the
power cord is plugged in, unplug it, wait for ve
minutes, and then plug it back in.
c. Remove the key from the console, and then
reinsert it.
d. If the treadmill still will not run, please see the front
cover of this manual.
SYMPTOM: The console displays remain lit when
you remove the key from the console
a. The console features a display demo mode,
designed to be used if the treadmill is displayed in
a store. If the displays remain lit when you remove
the key, the demo mode is turned on. To turn off
the demo mode, hold down the Stop button for a
few seconds. If the displays are still lit, see THE
SETTINGS MODE on page 18 to turn off the demo
mode.
SYMPTOM: The displays of the console do not
function properly
a. Adjust the incline of the treadmill to its highest
setting. Then, remove the key from the console
and UNPLUG THE POWER CORD. With the
help of another person, carefully tip the treadmill
on its side as shown. Next, remove the two #8 x
3/4" Screws (8). Return the treadmill to the upright
position.
MAINTENANCE AND TROUBLESHOOTING
Reset
Tripped
c
a
8

25
b. Remove the seven #8 x 3/4" Screws (8). Carefully
slide the Motor Hood (57) off.
Locate the Reed Switch (68) and the Magnet (93)
on the left side of the Pulley (49). Turn the Pulley
until the Magnet is aligned with the Reed Switch.
Make sure that the gap between the Magnet
and the Reed Switch is about 1/8 in. (3 mm). If
necessary, loosen the #8 x 3/4" Truss Head Screw
(13), move the Reed Switch slightly, and then
retighten the Screw. Reattach the Motor Hood (not
shown) with the #8 x 3/4" Screws (not shown) and
run the treadmill for a few minutes to check for a
correct speed reading.
SYMPTOM: The incline of the treadmill does not
change correctly
a. Hold down the Stop button and the Speed increase
button, insert the key into the console, and then
release the Stop button and the Speed increase
button. Next, press the Stop button and then
press the Incline increase or decrease button. The
treadmill will automatically rise to the maximum
incline level and then return to the minimum level.
This will recalibrate the incline system. If the incline
system does not begin calibrating, press the Stop
button again, and then press the Incline increase or
decrease button again. When the incline system is
calibrated, remove the key from the console.
SYMPTOM: The walking belt slows when walked on
a. Use only a surge suppressor that meets all of the
specications described on page 12.
b. If the walking belt is overtightened, treadmill per-
formance may decrease and the walking belt may
become damaged. Remove the key and UNPLUG
THE POWER CORD. Using the hex key, turn both
idler roller screws counterclockwise, 1/4 of a turn.
When the walking belt is properly tightened, you
should be able to lift each edge of the walking belt
2 to 3 in. (5 to 7 cm) off the walking platform. Be
careful to keep the walking belt centered. Then,
plug in the power cord, insert the key, and run the
treadmill for a few minutes. Repeat until the walk-
ing belt is properly tightened.
Idler Roller Screws
2–3 in.
b
13 1/8 in.
68
49
93
57
8
8
8
8
8
b
Top
View

26
c. Your treadmill features a walking belt coated with
high-performance lubricant. IMPORTANT: Never
apply silicone spray or other substances to
the walking belt or the walking platform unless
instructed to do so by an authorized service
representative. Such substances may deterio-
rate the walking belt and cause excessive wear.
If you suspect that the walking belt needs more
lubricant, see the front cover of this manual.
d. If the walking belt still slows when walked on, see
the front cover of this manual.
SYMPTOM: The walking belt is off-center or slips
when walked on
a. If the walking belt is off-center, rst remove the
key and UNPLUG THE POWER CORD. If the
walking belt has shifted to the left, use the hex
key to turn the left idler roller screw clockwise 1/2
of a turn; if the walking belt has shifted to the
right, turn the left idler roller screw counterclock-
wise 1/2 of a turn. Be careful not to overtighten the
walking belt. Then, plug in the power cord, insert
the key, and run the treadmill for a few minutes.
Repeat until the walking belt is centered.
b. If the walking belt slips when walked on, rst
remove the key and UNPLUG THE POWER
CORD. Using the hex key, turn both idler roller
screws clockwise, 1/4 of a turn. When the walk-
ing belt is correctly tightened, you should be able
to lift each edge of the walking belt 2 to 3 in. (5 to
7 cm) off the walking platform. Be careful to keep
the walking belt centered. Then, plug in the power
cord, insert the key, and carefully walk on the tread-
mill for a few minutes. Repeat until the walking belt
is properly tightened.
a
b

27
EXERCISE GUIDELINES
These guidelines will help you to plan your exercise
program. For detailed exercise information, obtain a
reputable book or consult your physician. Remember,
proper nutrition and adequate rest are essential for
successful results.
EXERCISE INTENSITY
Whether your goal is to burn fat or to strengthen your
cardiovascular system, exercising at the proper inten-
sity is the key to achieving results. You can use your
heart rate as a guide to find the proper intensity level.
The chart below shows recommended heart rates for
fat burning and aerobic exercise.
To find the proper intensity level, find your age at the
bottom of the chart (ages are rounded off to the near-
est ten years). The three numbers listed above your
age define your “training zone.” The lowest number is
the heart rate for fat burning, the middle number is the
heart rate for maximum fat burning, and the highest
number is the heart rate for aerobic exercise.
Burning Fat—To burn fat effectively, you must exer-
cise at a low intensity level for a sustained period of
time. During the first few minutes of exercise, your
body uses carbohydrate calories for energy. Only after
the first few minutes of exercise does your body begin
to use stored fat calories for energy. If your goal is to
burn fat, adjust the intensity of your exercise until your
heart rate is near the lowest number in your training
zone. For maximum fat burning, exercise with your
heart rate near the middle number in your training
zone.
Aerobic Exercise—If your goal is to strengthen your
cardiovascular system, you must perform aerobic
exercise, which is activity that requires large amounts
of oxygen for prolonged periods of time. For aerobic
exercise, adjust the intensity of your exercise until your
heart rate is near the highest number in your training
zone.
WORKOUT GUIDELINES
Warming Up—Start with 5 to 10 minutes of stretch-
ing and light exercise. A warm-up increases your body
temperature, heart rate, and circulation in preparation
for exercise.
Training Zone Exercise—Exercise for 20 to 30 min-
utes with your heart rate in your training zone. (During
the first few weeks of your exercise program, do not
keep your heart rate in your training zone for longer
than 20 minutes.) Breathe regularly and deeply as you
exercise; never hold your breath.
Cooling Down—Finish with 5 to 10 minutes of stretch-
ing. Stretching increases the flexibility of your muscles
and helps to prevent post-exercise problems.
EXERCISE FREQUENCY
To maintain or improve your condition, complete three
workouts each week, with at least one day of rest
between workouts. After a few months of regular exer-
cise, you may complete up to five workouts each week,
if desired. Remember, the key to success is to make
exercise a regular and enjoyable part of your everyday
life.
WARNING: Before beginning this
or any exercise program, consult your physi-
cian. This is especially important for persons
over age 35 or persons with pre-existing
health problems.
The heart rate monitor is not a medical device.
Various factors may affect the accuracy of
heart rate readings. The heart rate monitor is
intended only as an exercise aid in determin-
ing heart rate trends in general.

28
SUGGESTED STRETCHES
The correct form for several basic stretches is shown at the right. Move slowly as you stretch —never bounce.
1. Toe Touch Stretch
Stand with your knees bent slightly and slowly bend forward from
your hips. Allow your back and shoulders to relax as you reach down
toward your toes as far as possible. Hold for 15 counts, then relax.
Repeat 3 times. Stretches: Hamstrings, back of knees and back.
2. Hamstring Stretch
Sit with one leg extended. Bring the sole of the opposite foot toward
you and rest it against the inner thigh of your extended leg. Reach
toward your toes as far as possible. Hold for 15 counts, then relax.
Repeat 3 times for each leg. Stretches: Hamstrings, lower back and
groin.
3. Calf/Achilles Stretch
With one leg in front of the other, reach forward and place your hands
against a wall. Keep your back leg straight and your back foot flat on
the floor. Bend your front leg, lean forward and move your hips toward
the wall. Hold for 15 counts, then relax. Repeat 3 times for each leg.
To cause further stretching of the achilles tendons, bend your back leg
as well. Stretches: Calves, achilles tendons and ankles.
4. Quadriceps Stretch
With one hand against a wall for balance, reach back and grasp one
foot with your other hand. Bring your heel as close to your buttocks as
possible. Hold for 15 counts, then relax. Repeat 3 times for each leg.
Stretches: Quadriceps and hip muscles.
5. Inner Thigh Stretch
Sit with the soles of your feet together and your knees outward. Pull
your feet toward your groin area as far as possible. Hold for 15 counts,
then relax. Repeat 3 times. Stretches: Quadriceps and hip muscles.
1
2
3
4
5

29
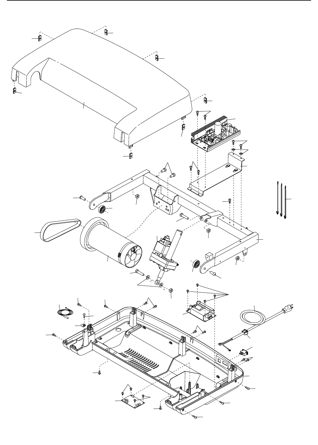
Key No. Qty. Description Key No. Qty. Description
PART LIST Model No. PFTL12014.0 R0814A
1 4 5/16" x 1/2" Screw
2 4 3/8" x 2 3/8" Bolt
3 2 1/4" x 2 1/2" Screw
4 2 3/8" x 3/4" Screw
5 1 Pulse Bar Cover
6 2 Caution Decal
7 1 1/4" x 1 1/2" Bolt
8 55 #8 x 3/4" Screw
9 14 #8 x 1/2" Screw
10 8 Console Fastener
11 10 #8 x 1 1/4" Screw
12 3 #8 x 1/4" Screw
13 5 #8 x 3/4" Truss Head Screw
14 8 #8 x 5/8" Screw
15 1 3/8" x 1 3/4" Bolt
16 1 3/8" x 1 1/2" Bolt
17 2 3/8" x 1" Bolt
18 2 5/16" Drive Motor Bolt
19 8 #8 Belt Guide Screw
20 4 5/16" x 1 3/4" Shoulder Bolt
21 7 #8 x 1/2" Machine Screw
22 2 5/16" x 2" Screw
23 8 #6 x 3/8" Screw
24 4 1/4" x 1" Flat Head Screw
25 10 #8 x 3/4" Tek Screw
26 6 #8 x 3/4" Flat Head Screw
27 9 #8 x 1/2" Tek Screw
28 1 1/4" Star Washer
29 2 #8 Star Washer
30 2 3/8" Flat Washer
31 4 5/16" Flat Washer
32 6 5/16" Star Washer
33 8 7/8" Star Washer
34 7 Hood Clip
35 8 3/8" Nut
36 6 5/16" Nut
37 4 7/8" Nut
38 2 1/4" Flat Washer
39 22 7/8" Plastic Washer
40 2 Axle
41 1 Latch Bracket
42 1 Warning Decal
43 4 Platform Cushion
44 1 Left Frame Cover
45 1 Walking Platform
46 1 Walking Belt
47 2 Belt Guide
48 4 Rubber Cushion
49 1 Front Roller/Pulley
50 1 Left Footrail
51 1 Right Footrail
52 1 Frame
53 1 Right Frame Cover
54 1 Frame Cover
55 2 Rear Foot
56 1 Rear Cap
57 1 Motor Hood
58 1 Controller
59 1 Electronics Bracket
60 3 Wire Tie
61 1 Incline Frame
62 – (Not Used)
63 – (Not Used)
64 1 Incline Motor
65 2 Frame Spacer
66 1 Drive Motor Belt
67 1 Drive Motor
68 1 Reed Switch
69 1 Reed Switch Clip
70 1 Power Supply
71 1 Power Cord
72 1 Power Switch
73 1 Belly Pan
74 1 Upright Motor Controller
75 1 Left Outside Pivot Cover
76 2 Center Cover
77 1 Left Inside Pivot Cover
78 1 Console Back
79 1 Right Inside Pivot Cover
80 1 Right Outside Pivot Cover
81 1 Upright Wire
82 1 Grommet
83 1 Grommet Plate
84 1 Console
85 1 Latch Spacer
86 1 Latch Spring
87 1 Latch
88 1 Latch Lever
89 5 Wire clamp
90 2 Pivot Clamp
91 1 Console Frame
92 1 Pulse Crossbar
93 1 Magnet
94 2 Extension Leg
95 8 Wheel Spacer
96 4 Wheel
97 1 Left Extension Leg Cover
98 1 Right Extension Leg Cover
99 2 Base Pad
100 1 Base

30
Key No. Qty. Description Key No. Qty. Description
Note: Specications are subject to change without notice. For information about ordering replacement parts, see
the back cover of this manual. *These parts are not illustrated.
101 1 Left Base Cover
102 1 Upright
103 1 Right Base Cover
104 1 Left Control Panel
105 1 Right Control Panel
106 1 Handrail
107 1 Top Handrail Cover
108 1 Bottom Handrail Cover
109 1 Key/Clip
110 1 1/4" x 1" Screw
111 2 #8 Flat Washer
112 1 Frame Guide
113 2 Frame Guide Spacer
114 1 Idler Roller
115 2 #8 x 1 1/4" Screw
116 1 5/16" x 1 1/2" Bolt
117 1 5/16" x 1 3/4" Bolt
118 1 Gas Shock
* – User’s Manual

31
38
11
38
11
55
55
3
48
14
36
20
31
19
25
19
19
43
43
47
43
9
14
25
25
14
14
9
43
20 49 50
51
110
24
44
53
56
42
54
41
45 46
19
47
48
48
31
36
24
31
36
28
52
20
24
14
25
24
20
27
19
25
25
14
27
14
27
14
9
3
27
114
31
36
48
9
93
9
9
13
13
13
13
EXPLODED DRAWING A Model No. PFTL12014.0 R0814A

32
59
58
21
21
8
18
29
34
34
34
34
34
34
34
61
72
8
21 60
17
66
67
65 35
15
35
35
57
30
17
23
65
16
35 71
8
8
70
8
8
8
73
8
74
8
8
64
8
68
69
13
8
23
23
82
EXPLODED DRAWING B Model No. PFTL12014.0 R0814A

33
75
76
77
12
76 80
81
33
40 39
33
33
86
7
85
12
9
87
88 9
79
40
8
83
102
33
101
4
96
95
2
39
95
35
2
94
1
35 36
96
116
117
95
95
36
32
99
25
97
98
118
94
100
103
99
25
1
32
35
95 2
95
96
95 96
95
4
35
2
6
6
115
111
112
113
EXPLODED DRAWING C Model No. PFTL12014.0 R0814A

34
106
37
8
8
8
107
108
5
92
104
105
8
33
33 39
33
37
33 39
8
32
8
8
8
109
8
8
8
8
32
22
8
8
8
8
22
8
21
EXPLODED DRAWING D Model No. PFTL12014.0 R0814A

35
78
9
84
91
90
90
910
9
10
37
89
39
39
39
37
26
26
26
26
26
26
39
8
910
910
10
10
9
10
9
10
9
21
11
11
EXPLODED DRAWING E Model No. PFTL12014.0 R0814A

Part No. 355369 R0814A Printed in USA © 2014 ICON Health & Fitness, Inc.
ICON Health & Fitness, Inc. (ICON) warrants this product to be free from defects in workmanship and
material, under normal use and service conditions. The frame and drive motor are warranted for a lifetime.
Parts are warranted for ve (5) years from the date of purchase. Labor is warranted for two (2) years from
the date of purchase.
This warranty extends only to the original purchaser (customer). ICON’s obligation under this warranty is
limited to repairing or replacing, at ICON’s option, the product through one of its authorized service centers.
All repairs for which warranty claims are made must be preauthorized by ICON. If the product is shipped
to a service center, freight charges to and from the service center will be the customer’s responsibility. If
replacement parts are shipped while the product is under warranty, the customer will be responsible for a
minimal handling charge. For in-home service, the customer will be responsible for a minimal trip charge.
This warranty does not extend to freight damage to the product. This warranty will automatically be voided
if the product is used as a store display model, if the product is purchased or transported outside the USA,
if all instructions in this manual are not followed, if the product is abused or improperly or abnormally used,
or if the product is used for commercial or rental purposes. No other warranty beyond that specically set
forth above is authorized by ICON.
ICON is not responsible or liable for indirect, special, or consequential damages arising out of or in con-
nection with the use or performance of the product; damages with respect to any economic loss, loss of
property, loss of revenues or prots, loss of enjoyment or use, or costs of removal or installation; or other
consequential damages of any kind. Some states do not allow the exclusion or limitation of incidental or
consequential damages. Accordingly, the above limitation may not apply to the customer.
The warranty extended hereunder is in lieu of any and all other warranties, and any implied warranties of
merchantability or tness for a particular purpose are limited in their scope and duration to the terms set
forth herein. Some states do not allow limitations on how long an implied warranty lasts. Accordingly, the
above limitation may not apply to the customer.
This warranty provides specic legal rights; the customer may have other rights that vary from state to state.
ICON Health & Fitness, Inc., 1500 S. 1000 W., Logan, UT 84321-9813
To order replacement parts, please see the front cover of this manual. To help us assist you, be prepared to
provide the following information when contacting us:
• the model number and serial number of the product (see the front cover of this manual)
• the name of the product (see the front cover of this manual)
• the key number and description of the replacement part(s) (see the PART LIST and the EXPLODED
DRAWING near the end of this manual)
ORDERING REPLACEMENT PARTS
LIMITED WARRANTY
IMPORTANT: To protect your fitness equipment with an extended service plan, see page 6.