Proform Pftl39020 Lx360 Treadmill Users Manual *PFTL39020 189623
Proform-Pftl39020-Owner-S-Manual proform-pftl39020-owner-s-manual
PFTL39020 product_support%5CProForm%5CPFTL39020 - PROFORM LX 360%5CPFTL3902.0-189623
2015-04-14
: Proform Proform-Pftl39020-Lx360-Treadmill-Users-Manual-701622 proform-pftl39020-lx360-treadmill-users-manual-701622 proform pdf
Open the PDF directly: View PDF
.
Page Count: 19

Serial Number
Decal
USER'S MANUAL
Model No. PFTL39020
Serial No.
CAUTION
Read all precautions and instruc-
tions in this manual before using
this equipment. Save this manual
for future reference.
Visit our website at
www.proform.com
new products, prizes,
fitness tips, and much more!
QUESTIONS?
If you have questions, or if there
are missing or damaged parts,
we will guarantee complete sat-
isfaction through direct assis-
tance from our factory.
TO AVOID DELAYS, PLEASE
CALL DIRECT TO OUR TOLL-
FREE CUSTOMER HOT LINE.
The trained technicians on our
Customer Hot Line will provide
immediate assistance, free of
charge to you.
CUSTOMER HOT LINE:
1-800-999-3756
Mon.–Fri., 6 a.m.–6 p.m. MST

TABLE OF CONTENTS
IMPORTANT PRECAUTIONS . . . . . . . . . . . . . . . . . . . . . . . . . . . . . . . . . . . . . . . . . . . . . . . . . . . . . . . . . . . . . . . .2
BEFORE YOU BEGIN . . . . . . . . . . . . . . . . . . . . . . . . . . . . . . . . . . . . . . . . . . . . . . . . . . . . . . . . . . . . . . . . . . . . . .4
ASSEMBLY . . . . . . . . . . . . . . . . . . . . . . . . . . . . . . . . . . . . . . . . . . . . . . . . . . . . . . . . . . . . . . . . . . . . . . . . . . . . . . .5
OPERATION AND ADJUSTMENT . . . . . . . . . . . . . . . . . . . . . . . . . . . . . . . . . . . . . . . . . . . . . . . . . . . . . . . . . . . . .8
HOW TO FOLD AND MOVE THE TREADMILL . . . . . . . . . . . . . . . . . . . . . . . . . . . . . . . . . . . . . . . . . . . . . . . . . .11
TROUBLESHOOTING . . . . . . . . . . . . . . . . . . . . . . . . . . . . . . . . . . . . . . . . . . . . . . . . . . . . . . . . . . . . . . . . . . . . .13
CONDITIONING GUIDELINES . . . . . . . . . . . . . . . . . . . . . . . . . . . . . . . . . . . . . . . . . . . . . . . . . . . . . . . . . . . . . . .15
ORDERING REPLACEMENT PARTS . . . . . . . . . . . . . . . . . . . . . . . . . . . . . . . . . . . . . . . . . . . . . . . . . .Back Cover
LIMITED WARRANTY . . . . . . . . . . . . . . . . . . . . . . . . . . . . . . . . . . . . . . . . . . . . . . . . . . . . . . . . . . . . . . .Back Cover
Note: An EXPLODED DRAWING and a PART LIST are attached in the center of this manual.
1. It is the responsibility of the owner to ensure
that all users of this treadmill are adequately
informed of all warnings and precautions.
2. Use the treadmill only as described.
3. Place the treadmill on a level surface, with at
least eight feet of clearance behind it and two
feet on each side. Do not place the treadmill
on any surface that blocks air openings. To
protect the floor or carpet from damage, place
a mat under the treadmill.
4. Keep the treadmill indoors, away from mois-
ture and dust. Do not put the treadmill in a
garage or covered patio, or near water.
5. Do not operate the treadmill where aerosol
products are used or where oxygen is being
administered.
6. Keep children under the age of 12 and pets
away from the treadmill at all times.
7. The treadmill should be used only by persons
weighing 250 pounds or less.
8. Never allow more than one person on the
treadmill at a time.
9. Wear appropriate exercise clothes when
using the treadmill. Do not wear loose clothes
that could become caught in the treadmill.
Athletic support clothes are recommended for
both men and women. Always wear athletic
shoes. Never use the treadmill with bare feet,
wearing only stockings, or in sandals.
10. When connecting the power cord (see page 8),
plug the power cord into a surge suppressor
(not included) and plug the surge suppressor
into a grounded circuit capable of carrying 15
or more amps. No other appliance should be on
the same circuit. Do not use an extension cord.
11. Use only a single-outlet surge suppressor that
meets all of the specifications described on
page 8. To purchase a surge suppressor, see
your local PROFORM dealer or call 1-800-806-
3651 and order part number 146148.
12. Failure to use a properly functioning surge
suppressor could result in damage to the con-
trol system of the treadmill. If the control sys-
tem is damaged, the walking belt may change
speed or stop unexpectedly, which may result
in a fall and serious injury.
13. Keep the power cord and the surge suppres-
sor away from heated surfaces.
14. Never move the walking belt while the power
is turned off. Do not operate the treadmill if
the power cord or plug is damaged, or if the
treadmill is not working properly. (See BE-
FORE YOU BEGIN on page 4 if the treadmill is
not working properly.)
15. Never start the treadmill while you are stand-
ing on the walking belt. Always hold the
handrails or upper body arms while using the
treadmill.
WARNING: To reduce the risk of burns, fire, electric shock, or injury to persons, read the
following important precautions and information before operating the treadmill.
IMPORTANT PRECAUTIONS
2

The decals shown have been placed on your treadmill. If a decal is missing, or if
it is not legible, please call our Customer Service Department, toll-free, to order
a free replacement decal (see the front cover of this manual). Apply the decal in
the location shown. Note: The decals are not shown at actual size.
16. The treadmill is capable of high speeds.
Adjust the speed in small increments to
avoid sudden jumps in speed.
17. Never leave the treadmill unattended while it
is running. Always remove the key and un-
plug the power cord when the treadmill is not
in use.
18. Do not attempt to raise, lower, or move the
treadmill until it is properly assembled. (See
ASSEMBLY on page 5, and HOW TO FOLD
AND MOVE THE TREADMILL on page 11.)
You must be able to safely lift 45 pounds (20
kg) to raise, lower, or move the treadmill.
19. When folding or moving the treadmill, make
sure that the storage latch is fully closed.
20. Inspect and properly tighten all parts of the
treadmill regularly.
21. Never insert any object into any opening.
22. DANGER: Always unplug the power
cord immediately after use, before cleaning
the treadmill, and before performing the
maintenance and adjustment procedures de-
scribed in this manual. Never remove the
motor hood unless instructed to do so by an
authorized service representative. Servicing
other than the procedures in this manual
should be performed by an authorized ser-
vice representative only.
23. This treadmill is intended for in-home use
only. Do not use this treadmill in a commer-
cial, rental, or institutional setting.
WARNING: Before beginning this or any exercise program, consult your physician. This
is especially important for persons over the age of 35 or persons with pre-existing health problems.
Read all instructions before using. ICON assumes no responsibility for personal injury or property
damage sustained by or through the use of this product.
SAVE THESE INSTRUCTIONS
3

Thank you for selecting the revolutionary PROFORM®
LX 360 treadmill. The LX 360 treadmill combines ad-
vanced technology with innovative design to help you
get the most from your exercise program in the conve-
nience and privacy of your home. And when you’re not
exercising, the unique LX 360 treadmill can be folded
up, requiring less than half the floor space of other
treadmills.
For your benefit, read this manual carefully before
using the treadmill. If you have questions after read-
ing this manual, please call our Customer Service
Department toll-free at 1-800-999-3756, Monday
through Friday, 6 a.m. until 6 p.m. Mountain Time (ex-
cluding holidays). To help us assist you, please note
the product model number and serial number before
calling. The model number of the treadmill is
PFTL39020. The serial number can be found on a
decal attached to the treadmill (see the front cover of
this manual for the location).
Before reading further, please review the drawing
below and familiarize yourself with the labeled parts.
BEFORE YOU BEGIN
4
Handrail
Storage Latch
Key/Clip
Circuit Breaker
Walking Belt
Cushioned Walking Platform
for maximum exercise comfort
Foot Rail
Power Cord
RIGHT SIDE
Rear Roller
Adjustment Bolts
Console
Bookrack
Water Bottle Holder
(Bottle not included)
BACK

ASSEMBLY
Assembly requires two persons. Set the treadmill in a cleared area and remove all packing materials. Do not
dispose of the packing materials until assembly is completed.
Note: The underside of the treadmill walking belt is coated with high-performance lubricant. During shipping, a
small amount of lubricant may be transferred to the top of the walking belt or the shipping carton. This is a normal
condition and does not affect treadmill performance. If there is lubricant on top of the walking belt, simply wipe off
the lubricant with a soft cloth and a mild, non-abrasive cleaner.
Assembly requires the included allen wrenches and your own phillips screwdriver ,
9/16” wrench , wire cutters , and needlenose pliers .
To identify small parts during assembly, use the PART IDENTIFICATION CHART in the center of this manual.
1. Make sure that the power cord is unplugged.
With the help of a second person, carefully tip the
treadmill onto its left side as shown. Partially fold the
Frame (86) so that the treadmill is more stable. Do not
fully fold the treadmill until it is completely assem-
bled.
Attach four Base Pads (57) to the bottom of the Base
(69) with four 1” Tek Screws (58) (three are shown).
2. Hold one of the Uprights (73) near the Base (69), with
the holes on the indicated side. Straighten the Wire
Harness (42), and feed it into the lower end of the Upright
and out of the large hole near the upper end.
Insert two 2 1/2” Bolts (37) with 3/8” Star Washers (38)
into the bottom of the Base (69) and the lower end of the
Upright (73); be careful not to damage the Wire
Harness (42). Firmly tighten an Upright Nut (109) onto
each Upright Bolt.
Attach the other Upright (not shown) as described
above. Note: There is not a wire harness on the left side.
Refer to the inset drawing. Clip two U-nuts (108) over
the two round holes in each of the Uprights (73) as
shown. Press an Upright Endcap (107) onto the top of
each Upright. Note: Make sure the angle of the ends of
the Endcap matches the angle of the Upright.
42 Holes
69
109
38
37
73
109
2
37 38
5
57
58
58
57
57
69
86
1
108
107
73
58

6
3. Orient a Handrail Spacer (106) so that the arrow be-
tween the two holes points upward. Thread the Wire
Harness (42) through the upper hole in the Handrail
Spacer as shown. Identify the Right Handrail (72), which
has a large hole in the side near the upper end. Insert
the Wire Harness into the Right Handrail and out of the
large hole. If necessary, use needlenose pliers to pull the
Wire Harness out of the hole.
Hold the Handrail Spacer (106) and the Right Handrail
(72) against the right Upright (73). Attach the Right
Handrail and the Handrail Spacer with two 3” Handrail
Bolts (61) and two 5/16” Star Washers (63) as shown.
Do not tighten the Handrail Bolts yet.
Attach the Left Handrail (not shown) to the Left Upright
(73) as described above. Note: There is not a wire har-
ness in the Left Upright.
4. Set the Crossbar (40) on the brackets on the Handrails
(71, 72). Attach the Crossbar with two Crossbar Screws
(39). Do not tighten the Crossbar Screws yet.
Attach the end of the ground wire to the small hole in the
side of the Right Handrail (72) with a 1/2” Silver Screw
(49).
63
72
Ground
Wire
72
71
39
Bracket
Bracket
40
39
49
4
42
73
73
61
47
44
Ties
72
5
5. Place the Console Base (47) on the Right Handrail (72)
and the Left Handrail (not shown). Attach the Console
Base with four 3/4” Screws (2) (only two Screws are
shown).
Insert the Wire Harness (42) through the two indicated
plastic ties on the Console Base (47). Next, insert the
Wire Harness up through the opening beside the Console
Cover (44). Make sure that the Console Cover is securely
attached to the Console Base.
Refer to the inset drawing. Look at the top of the Console
Base (47). Insert the Wire Harness (42) through the
plastic tie on top of the Console Base. 42
42
Tie
47
2
106
3

7
9. Make sure that all parts are properly tightened before you use the treadmill. Note: Extra hardware may
be included. Keep the included allen wrenches in a secure place. The large allen wrench is used to adjust the
walking belt (see page 14). To protect the floor or carpet, place a mat under the treadmill.
7. Attach the Latch Spacer (48) and the Storage Latch (36)
to the left Handrail (71) with two 1” Latch Screws (110).
Remove the Lock Knob (30) from the Lock Pin (35).
Make sure that the Lock Pin Collar (33) and the Spring
(32) are on the Lock Pin. Insert the Lock Pin into the
Storage Latch (36) and tighten the Lock Knob back onto
the Lock Pin. 35
33
32
110
48
36
30
71
7
8. Attach a Wheel (66) to the inner side of the Base (69)
with a Wheel Bolt (64) and a Nut (13) as shown. Do not
overtighten the Wheel Bolt. The Wheel should be able
to spin freely.
Attach a Wheel (66) to the other side of the Base (69) in
the same way.
Lower the Handrails (not shown) to the floor. Make sure
that the frame is centered between the Handrails. Firmly
tighten all of the bolts and screws used in assembly
steps 3–6. Then, raise the Handrails.
69
64
66
13
8
47
43
42
6. Hold the Console (43) near the Console Base (47). Touch
the Right Handrail (72) to discharge any static. Plug
the widest connector on the Wire Harness (42) into the
widest connector on the Console. If the connector does
not fit easily, rotate it and then connect it. Plug the other
connector on the Wire Harness into the other connector on
the Console. Insert the excess Wire Harness down through
the opening in the Console Base (see the inset drawing
in step 5). Securely tighten the plastic tie on top of
the Console Base to prevent the Wire Harness from
slipping. Then, cut off the end of the plastic tie.
Refer to drawing 6a. Press the Bookrack (46) onto the
Console Base (47) in the location shown.
Set the Console (43) on the Console Base (47). Insert
the excess Wire Harness (42) into the large hole in the
side of the Right Handrail (72). Securely tighten the
plastic ties on the bottom of the Console Base to
prevent the Wire Harness from slipping. Then, cut off
the ends of the plastic ties.
Attach the Console (43) to the Console Base (47) with two
1/2” Silver Screws (49) and four 3/4” Screws (2). Start all
six Screws before tightening them; do not over-
tighten the Screws.
6
22
49
72
Ties
47
6a
46

8
OPERATION AND ADJUSTMENT
THE PERFORMANT LUBETM WALKING BELT
Your treadmill features a walking belt coated with
PERFORMANT LUBETM, a high-performance lubricant.
IMPORTANT: Never apply silicone spray or other
substances to the walking belt or the walking plat-
form. Such substances will deteriorate the walking
belt and cause excessive wear.
HOW TO PLUG IN THE POWER CORD
Your treadmill, like any other type of sophisticated
electronic equipment, can be seriously damaged by
sudden voltage changes in your home’s power.
Voltage surges, spikes, and noise interference can
result from weather conditions or from other appliances
being turned on or off. To decrease the possibility of
your treadmill being damaged, always use a surge
suppressor with your treadmill (see drawing 1 at
the right). To purchase a surge suppressor, see
your local PROFORM dealer or call 1-800-806-3651
and order part number 146148.
Use only a single-outlet surge suppressor that is
UL 1449 listed as a transient voltage surge sup-
pressor (TVSS). The surge suppressor must have a
UL suppressed voltage rating of 400 volts or less
and a minimum surge dissipation of 450 joules.
The surge suppressor must be electrically rated
for 120 volts AC and 15 amps. There must be a
monitoring light on the surge suppressor to indi-
cate whether it is functioning properly. Failure to
use a properly functioning surge suppressor could
result in damage to the control system of the
treadmill. If the control system is damaged, the
walking belt may change speed or stop unexpect-
edly, which may result in a fall and serious injury.
This product must be grounded. If it should malfunc-
tion or break down, grounding provides a path of least
resistance for electric current to reduce the risk of elec-
tric shock. This product is equipped with a cord having
an equipment-grounding conductor and a grounding
plug. Plug the power cord into a surge suppressor,
and plug the surge suppressor into an appropriate
outlet that is properly installed and grounded in
accordance with all local codes and ordinances.
Important: The treadmill is not compatible with
GFCI-equipped outlets.
This product is for use on a nominal 120-volt circuit,
and has a grounding plug that looks like the plug illus-
trated in drawing 1 below. A temporary adapter that
looks like the adapter illustrated in drawing 2 may be
used to connect the surge suppressor to a 2-pole
receptacle as shown in drawing 2 if a properly
grounded outlet is not available.
The temporary adapter should be used only until a
properly grounded outlet (drawing 1) can be installed
by a qualified electrician.
The green-colored rigid ear, lug, or the like extending
from the adapter must be connected to a permanent
ground such as a properly grounded outlet box cover.
Whenever the adapter is used it must be held in place
by a metal screw. Some 2-pole receptacle outlet box
covers are not grounded. Contact a qualified elec-
trician to determine if the outlet box cover is
grounded before using an adapter.
DANGER: Improper connection
of the equipment-grounding conductor can
result in an increased risk of electric shock.
Check with a qualified electrician or service-
man if you are in doubt as to whether the
product is properly grounded. Do not modify
the plug provided with the product—if it will
not fit the outlet, have a proper outlet
installed by a qualified electrician.
1
2
Grounded Outlet Box
Grounded Outlet Box
Grounding Plug
Surge Suppressor
Surge Suppressor
Grounding Pin
Adapter
Lug
Metal Screw
Grounded Outlet
Grounding Pin

9
STEP-BY-STEP CONSOLE OPERATION
Before operating the console, make sure that the
power cord is properly plugged in (see page 8).
Next, stand on the foot rails of the treadmill. Find the
clip attached to the key (see the drawing above), and
slide the clip onto the waistband of your clothes.
Insert the key fully into the console. After a moment,
the displays will light. Test the clip by carefully tak-
ing a few steps backward until the key is pulled
from the console. If the key is not pulled from the
console, adjust the position of the clip.
Follow the steps below to operate the console.
Insert the key fully into the console.
A few seconds after the key is inserted, the dis-
plays will light.
Press the Start button or the Speed
▲▲
button to
start the walking belt.
A moment after the button is pressed, the walking
belt will begin to move. Hold the handrails and
begin walking.
As you exercise, change the speed of the walking
belt as desired by pressing the Speed buttons.
Each time a button is pressed, the speed setting
will change by 0.1 mph; if a button is held down,
the speed setting will change in increments of 0.5
mph. Note: The console can display speed and
distance in either miles or kilometers (see
SPEED DISPLAY on page 10). For simplicity, all
instructions in this section refer to miles.
2
1
CAUTION: Before operating the
console, read the following precautions.
• Do not stand on the walking belt when turn-
ing on the power.
• Always wear the clip (see the drawing
above) while operating the treadmill.
• Adjust the speed in small increments to
avoid sudden jumps in speed.
• To reduce the possibility of electric shock,
keep the console dry. Avoid spilling liquids
on the console and place only a sealed
water bottle in the water bottle holder.
Pulse Sensor
CONSOLE DIAGRAM
Note: If there is a thin sheet of
plastic on the console, remove it.
Displays
Key
Clip

10
To stop the walking belt, press the Stop button.
The elapsed time will begin to flash in the
Time/Distance display.
Note: During the first few minutes that the treadmill
is used, inspect the alignment of the walking belt,
and align it if necessary (see page 14).
Change the incline of the treadmill as desired.
To change the incline of the treadmill, press either
of the Incline buttons until the desired incline level
is reached.
Follow your progress with the three displays.
Time/Distance
display—This display
shows the elapsed time
and the distance that
you have walked or run.
The display will change
from one number to the
other every few seconds, as shown by the mode
indicators. When the Stop button is pressed, the
elapsed time will flash.
Fat Calories/Calories/
Pulse display—This
display shows the ap-
proximate numbers of
fat calories and calories
you have burned (see
FAT BURNING on page 15). The display will
change from one number to the other every few
seconds, as shown by the mode indicators. The
display will also show your heart rate when you
use the pulse sensor (see step 5).
Speed display—This
display shows the speed
of the walking belt
Note: The console can
display speed and dis-
tance in either miles or
kilometers. To change
the unit of measure-
ment, hold down the
Stop button, insert the key into the console, and
continue to hold the Stop button for a moment. An
“E” for English miles or an “M” for metric kilometers
will appear in the Fat Calories/Calories/Pulse dis-
play. Press the Speed
▲▲
button to change the unit
of measurement. When the desired unit of mea-
surement is selected, remove the key and then
reinsert it.
To reset the displays, press the Stop button, re-
move the key, and then reinsert the key.
Measure your heart rate if desired.
To measure your
heart rate, stand on
the foot rails and
place your thumb
on the pulse sensor.
Do not press too
hard, or the circu-
lation in your
thumb will be restricted and your pulse will not
be detected. After a few seconds, the heart-
shaped indicator in the Fat Calories/Calories/
Pulse display will begin to flash, one or two dashes
(– –) will appear, and then your heart rate will be
shown. Hold your thumb on the pulse sensor for
about 15 seconds for the most accurate reading.
If the displayed heart rate appears to be too high
or too low, or if your heart rate is not displayed, lift
your thumb off the pulse sensor for a few seconds.
Then, place your thumb on the pulse sensor as de-
scribed above. Remember to stand still while mea-
suring your heart rate.
When you are finished exercising, remove the
key.
Step onto the foot rails, press the Stop button, and
remove the key from the console. Keep the key in a
secure place.
6
5
4
3
WARNING: Removing the key
does not cut off power to the incline sys-
tem. To prevent movement of the treadmill
and possible injury, unplug the power cord
when the treadmill is not in use.
Mode Indicator

1111
HOW TO FOLD AND MOVE THE TREADMILL
HOW TO FOLD THE TREADMILL FOR STORAGE
Before folding the treadmill, unplug the power cord. CAUTION:
You must be able to safely lift 45 pounds (20 kg) to raise,
lower, or move the treadmill.
1. Hold the treadmill with your hands in the locations shown at
the right. To decrease the possibility of injury, bend your
legs and keep your back straight. As you raise the tread-
mill, make sure to lift with your legs rather than your
back. Raise the treadmill about halfway to the vertical posi-
tion.
2. Move your right hand to the position shown and hold the
treadmill firmly. Using your left hand, pull the latch knob to
the left and hold it. Raise the treadmill until the frame passes
the latch pin. Slowly release the latch knob. Make sure that
the frame is securely held by the latch pin.
To protect the floor or carpet from damage, place a mat
under the treadmill. Keep the treadmill out of direct sun-
light. Do not leave the treadmill in the storage position in
temperatures above 85° Fahrenheit.
HOW TO MOVE THE TREADMILL
Before moving the treadmill, convert the treadmill to the storage
position as described above. Make sure that the frame is se-
curely held by the latch pin.
1. Hold the upper ends of the handrails. Place one foot on the
base as shown.
2. Tilt the treadmill back until it rolls freely on the front wheels.
Carefully move the treadmill to the desired location. To re-
duce the risk of injury, use extreme caution while mov-
ing the treadmill. Do not move the treadmill over an un-
even surface.
3. Place one foot on the base, and carefully lower the treadmill
until it is resting in the storage position.
Engaged
Frame
Latch
Knob
Base
Front Wheels

HOW TO LOWER THE TREADMILL FOR USE
1. Hold the upper end of the treadmill with your right hand as
shown. Using your left hand, pull the latch knob to the left
and hold it. Pivot the treadmill down until the frame is past
the latch pin. Slowly release the latch knob.
2. Hold the treadmill firmly with both hands, and lower the tread-
mill to the floor. Do not drop the treadmill frame to the
floor. To decrease the possibility of injury, bend your
legs and keep your back straight.
12
Engaged
Frame
Latch
Knob

13
TROUBLESHOOTING
Most treadmill problems can be solved by following the steps below. Find the symptom that applies, and
follow the steps listed. If further assistance is needed, please call our Customer Service Department toll-
free at 1-800-999-3756, Monday through Friday, 6 a.m. until 6 p.m. Mountain Time (excluding holidays).
PROBLEM: The power does not turn on
SOLUTION: a. Make sure that the power cord is plugged into a surge suppressor, and that the surge suppressor
is plugged into a properly grounded outlet (see page 8). Use only a single-outlet surge suppressor
that meets all of the specifications described on page 8. Important: The treadmill is not compatible
with GFCI-equipped outlets.
b. After the power cord has been plugged in, make sure that the key is fully inserted into the console.
c. Check the circuit breaker located on the treadmill
frame near the power cord. If the switch protrudes
as shown, the circuit breaker has tripped. To reset
the circuit breaker, wait for five minutes and then
press the switch back in.
PROBLEM: The power turns off during use
SOLUTION: a. Check the circuit breaker located on the treadmill frame near the power cord (see the drawing
above). If the circuit breaker has tripped, wait for five minutes and then press the switch back in.
b. Make sure that the power cord is plugged in. If the power cord is plugged in, unplug it, wait for
five minutes, and then plug it back in.
c. Remove the key from the console. Reinsert the key fully into the console.
d. If the treadmill still will not run, please call our Customer Service Department toll-free.
PROBLEM: The displays of the console do not function properly
SOLUTION: a. Remove the key from the console and UNPLUG THE
POWER CORD. Remove the two 3/4” Screws (2)
from the hood, and carefully pivot the Hood (1) off.
Locate the Reed Switch (10) and the Magnet (18) on
the left side of the Pulley (17). Turn the Pulley until
the Magnet is aligned with the Reed Switch. Make
sure that the gap between the Magnet and the
Reed Switch is about 1/8”. If necessary, loosen the
Screw (56) and move the Reed Switch slightly.
Retighten the Screw. Re-attach the Hood, and run the
treadmill for a few minutes to check for a correct
speed reading.
Tripped Reset
c
2
1
a
18
10
56
Top
View
1/8” 17

PROBLEM: The walking belt slows when walked on
SOLUTION: a. Use only a single-outlet surge suppressor that meets all of the specifications described on page 8.
b. If the walking belt is overtightened, treadmill perfor-
mance may decrease and the walking belt may be-
come damaged. Remove the key and UNPLUG THE
POWER CORD. Using the allen wrench, turn both
rear roller adjustment bolts counterclockwise, 1/4 of a
turn. When the walking belt is properly tightened, you
should be able to lift each side of the walking belt 2 to
3 inches off the walking platform. Be careful to keep
the walking belt centered. Plug in the power cord, in-
sert the key, and run the treadmill for a few minutes.
Repeat until the walking belt is properly tightened.
c. If the walking belt still slows when walked on, call our Customer Service Department toll-free.
PROBLEM: The walking belt is off-center or slips when walked on
SOLUTION: a. If the walking belt is off-center, first remove the key
and UNPLUG THE POWER CORD. If the walking
belt has shifted to the left, use the allen wrench to
turn the left rear roller bolt clockwise 1/2 of a turn; if
the walking belt has shifted to the right, turn the
bolt counterclockwise 1/2 of a turn. Be careful not to
overtighten the walking belt. Plug in the power cord,
insert the key, and run the treadmill for a few minutes.
Repeat until the walking belt is centered.
b. If the walking belt slips when walked on, first remove
the key and UNPLUG THE POWER CORD. Using
the allen wrench, turn both rear roller bolts clockwise,
1/4 of a turn. When the walking belt is correctly tight-
ened, you should be able to lift each side of the walk-
ing belt 2 to 3 inches off the walking platform. Be
careful to keep the walking belt centered. Plug in the
power cord, insert the key, and carefully walk on the
treadmill for a few minutes. Repeat until the walking
belt is properly tightened.
b
a
14
Rear Roller Adjustment Bolts
2”–3”
b

CONDITIONING GUIDELINES
The following guidelines will help you to plan your ex-
ercise program. For more detailed exercise informa-
tion, obtain a reputable book or consult your physician.
EXERCISE INTENSITY
Whether your goal is to burn fat or to strengthen your
cardiovascular system, the key to achieving the
desired results is to exercise with the proper intensity.
The proper intensity level can be found by using your
heart rate as a guide. The chart below shows recom-
mended heart rates for fat burning and aerobic exercise.
To find the proper heart rate for you, first find your age
near the bottom of the chart (ages are rounded off to
the nearest ten years). Next, find the three numbers
above your age. The three numbers define your “train-
ing zone.” The lower two numbers are recommended
heart rates for fat burning; the higher number is the
recommended heart rate for aerobic exercise.
To measure your heart rate during exercise, use the
pulse sensor. If your heart rate is too high or too low,
adjust the speed and incline of the treadmill.
Fat Burning
To burn fat effectively, you must exercise at a relatively
low intensity level for a sustained period of time.
During the first few minutes of exercise, your body
uses easily accessible carbohydrate calories for en-
ergy. Only after the first few minutes does your body
begin to use stored fat calories for energy. If your goal
is to burn fat, adjust the speed and incline of the tread-
mill until your heart rate is near the lowest number in
your training zone.
For maximum fat burning, adjust the speed and incline
of the treadmill until your heart rate is near the middle
number in your training zone.
Aerobic Exercise
If your goal is to strengthen your cardiovascular sys-
tem, your exercise must be “aerobic.” Aerobic exercise
is activity that requires large amounts of oxygen for
prolonged periods of time. This increases the demand
on the heart to pump blood to the muscles, and on the
lungs to oxygenate the blood. For aerobic exercise,
adjust the speed and incline of the treadmill until your
heart rate is near the highest number in your training
zone.
WORKOUT GUIDELINES
Each workout should include the following three parts:
A Warm-up—Start each workout with 5 to 10 minutes
of stretching and light exercise. A proper warm-up in-
creases your body temperature, heart rate and circula-
tion in preparation for exercise.
Training Zone Exercise—After warming up, increase
the intensity of your exercise until your pulse is in your
training zone for 20 to 60 minutes. (During the first few
weeks of your exercise program, do not keep your
pulse in your training zone for longer than 20 minutes.)
Breathe regularly and deeply as you exercise—never
hold your breath.
A Cool-down—Finish each workout with 5 to 10 min-
utes of stretching to cool down. This will increase the
flexibility of your muscles and will help prevent post-
exercise problems.
EXERCISE FREQUENCY
To maintain or improve your condition, complete three
workouts each week, with at least one day of rest be-
tween workouts. After a few months, you may com-
plete up to five workouts each week if desired. The key
to success is to make exercise a regular and enjoyable
part of your everyday life.
WARNING: Before beginning this
or any exercise program, consult your physi-
cian. This is especially important for individu-
als over the age of 35 or individuals with pre-
existing health problems.
The pulse sensor is not a medical device.
Various factors, including your movement,
may affect the accuracy of heart rate readings.
The sensor is intended only as an exercise aid
in determining heart rate trends in general.
15

Part No. 189623 R1102A Printed in USA © 2002 ICON Health & Fitness, Inc.
ORDERING REPLACEMENT PARTS
To order replacement parts, call our Customer Service Department toll-free at 1-800-999-3756, Monday through
Friday, 6 a.m. until 6 p.m. Mountain Time (excluding holidays). When ordering parts, please be prepared to give
the following information:
• The MODEL NUMBER OF THE PRODUCT (PFTL39020)
• The NAME OF THE PRODUCT (PROFORM®LX 360 treadmill)
• The SERIAL NUMBER OF THE PRODUCT (see the front cover of this manual)
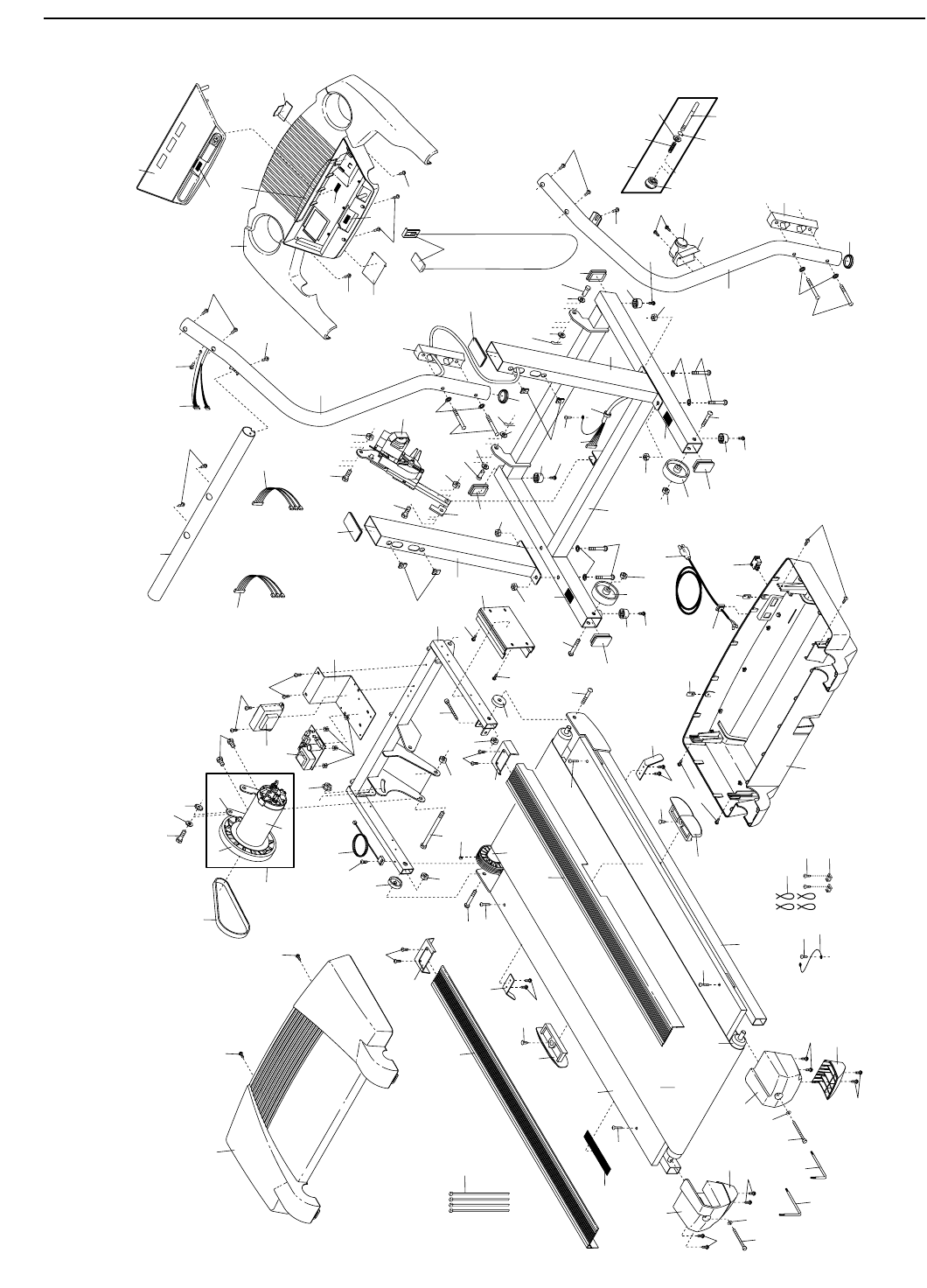
• The KEY NUMBER AND DESCRIPTION OF THE PART(S) (see the EXPLODED DRAWING and PART LIST
attached in the center of this manual)
LIMITED WARRANTY
ICON Health & Fitness, Inc. (ICON), warrants this product to be free from defects in workmanship and
material, under normal use and service conditions, for a period of ninety (90) days from the date of pur-
chase. This warranty extends only to the original purchaser. ICON's obligation under this warranty is lim-
ited to replacing or repairing, at ICON's option, the product through one of its authorized service centers.
All repairs for which warranty claims are made must be pre-authorized by ICON. This warranty does not
extend to any product or damage to a product caused by or attributable to freight damage, abuse, mis-
use, improper or abnormal usage or repairs not provided by an ICON authorized service center; prod-
ucts used for commercial or rental purposes; or products used as store display models. No other war-
ranty beyond that specifically set forth above is authorized by ICON.
ICON is not responsible or liable for indirect, special or consequential damages arising out of or in con-
nection with the use or performance of the product or damages with respect to any economic loss, loss
of property, loss of revenues or profits, loss of enjoyment or use, costs of removal or installation or other
consequential damages of whatsoever nature. Some states do not allow the exclusion or limitation of in-
cidental or consequential damages. Accordingly, the above limitation may not apply to you.
The warranty extended hereunder is in lieu of any and all other warranties and any implied warranties of
merchantability or fitness for a particular purpose is limited in its scope and duration to the terms set
forth herein. Some states do not allow limitations on how long an implied warranty lasts. Accordingly, the
above limitation may not apply to you.
This warranty gives you specific legal rights. You may also have other rights which vary from state to state.
ICON HEALTH & FITNESS, INC., 1500 S. 1000 W., LOGAN, UT 84321-9813

3/4” Screw (2)–8
1/2” Silver
Screw (49)–3
Wheel Bolt (64)–2
Nut (13)–2
1” Tek Screw (58)–4
3/8” Star Washer (38)–4
5/16” Star Washer (63)–4
Crossbar Screw
(39)–2
2 1/2” Bolt (37)–4
3” Bolt (61)–4
U-Nut (108)–4
Upright Nut (109)–4
1” Latch Screw (110)–2
Remove this chart and use it to identify small parts during assembly. Save
this chart and the EXPLODED DRAWING/PART LIST for future reference.
PART IDENTIFICATION CHART

PART LIST—Model No. PFTL39020 R1102A
Key
No. Qty. Description
Key
No. Qty. Description
Key
No. Qty. Description
1 1 Hood
2 15 3/4” Screw
3 1 Motor Belt
4 1 Motor Tension Bolt
5 5 Flat Washer
6 1 Motor Star Washer
7 1 Flywheel
8 1 Motor
9* 1 Motor Assembly
10 1 Reed Switch
11 1 Latch Warning Decal
12 2 Frame Spacer
13 7 Nut
14 2 Frame Pivot Bolt
15 4 Platform Screw
16 1 Left Foot Rail
17 1 Front Roller/Pulley
18 1 Magnet
19 1 Motor Pivot Bolt
20 2 Motor Bracket Bolt
21 1 Right Foot Rail
Endcap
22 2 Belly Pan Clip
23 1 Front Roller
Adjustment Bolt
24 4 Plastic Stand-off
25 1 Electronics Bracket
26 6 Electronics Screw
27 1 Power Board
28 1 Motor Tension Nut
29 1 Choke
30 1 Lock Knob
31* 1 Lock Knob Assembly
32 1 Spring
33 1 Lock Pin Collar
34 1 Lock Pin Clip
35 1 Lock Pin
36 1 Storage Latch
37 4 2 1/2” Bolt
38 4 3/8” Star Washer
39 2 Crossbar Screw
40 1 Crossbar
41 1 5/32” Allen Wrench
42 1 Wire Harness
43 1 Console
44 1 Wire Cover
45 1 Warning Decal
46 1 Bookrack
47 1 Console Base
48 1 Latch Spacer
49 3 1/2” Silver Screw
50 1 Key/Clip
51 1 Incline Motor
52 1 Incline Bracket
53 2 Incline Motor Bolt
54 2 Clevis Pin
55 2 Cotter Pin
56 2 Ground Screw
57 4 Base Pad
58 4 1” Tek Screw
59 1 Controller
60 1 Lift Frame
61 4 3” Bolt
62 2 Warning Decal
63 4 5/16” Star Washer
64 2 3 1/2” Bolt
65 4 Base Endcap
66 2 Wheel
67 1 Warning Decal
68 4 8” Cable Tie
69 1 Base
70 1 Grommet
71 1 Left Handrail
72 1 Right Handrail
73 2 Upright
74 1 Left Foot Rail Endcap
75 1 Battery Cover
76 2 Handrail Endcap
77 4 Belly Pan Screw
78 1 Circuit Breaker
79 1 Power Cord
80 1 Power Cord Grommet
81 1 Belly Pan
82 2 Belt Guide
83 4 Belt Guide Screw
84 4 Plastic Fastener
85 2 Isolator Cushion
86 1 Frame
87 4 Releasable Tie
88 2 Clamp Screw
89 2 Cable Tie Clamp
90 1 Ground Wire
91 1 Right Rear
Endcap Pad
92 2 Rear Roller
Adjustable Bolt
93 1 Right Rear Endcap
94 1 Allen Wrench
95 1 Left Rear Endcap
96 1 Walking Belt
97 1 Walking Platform
98 1 Right Foot Rail
99 1 Left Rear Endcap Pad
100 1 Rear Roller
101 2 Plastic Tie
102 8 Rear Endcap Screw
103 1 Motor Mount Bracket
104 1 Incline Motor Wire
105 1 Motor Controller Wire
106 2 Handrail Spacer
107 2 Upright Endcap
108 4 U-nut
109 4 Upright Nut
110 2 1” Latch Screw
# 1 8” Blue Wire, 2F
# 1 4” Blue Wire, 2F
# 1 4” Blue Wire, M/F
# 1 4” White Wire, M/F
# 1 8” White Wire, 2F
# 1 8 ” Red Wire, M/F
# 1 8” Green Wire, 2 Ring
# 1 User’s Manual
* Includes all parts shown in the box
# These parts are not illustrated

57
58
65
31*
30
32
35
34
33
39
36
110
47
2
75
46
2
49
67
44
45
48
45
43
12
2
3
456
7
8
29
26
26
25
24
27
28
10
56
12
19
13 13
60
23
213
12
59
14
26
26
21
16
18
17
14
15
2
74
98
84
82
85 83
97
15
96
86
15
95
92 38
92
38
93
91
81
85
84
77
83
82
78
77
79
80
64 62
69
55
54
55
54
13
53
57
58
71
58
57
51
53
13
39
40
2
62
50
56
90
88
89
87
68
100
42
56
70
9*
15 65
65
2
2
94
41
99
11
102
102
102
22
22
5
5
5
104
105
52
103 20
102 64
66
57
58
65
72
106
576
76
61
63
108
73
73
42 49
61
106
63
107
107
66
13
13
37
108
109
109
109
38
109
38
37
EXPLODED DRAWING—Model No. PFTL39020 R1102A