Proform Pftl399081 380 Cs Treadmill Users Manual WLTL19012 186811
Proform-Pftl399081-Owner-S-Manual proform-pftl399081-owner-s-manual
2015-04-14
: Proform Proform-Pftl399081-380-Cs-Treadmill-Users-Manual-701676 proform-pftl399081-380-cs-treadmill-users-manual-701676 proform pdf
Open the PDF directly: View PDF
.
Page Count: 28

USERʼS MANUAL
www.proform.com
CAUTION
Read all precautions and instruc-
tions in this manual before using
this equipment. Keep this manual
for future reference.
Model No. PFTL39908.1
Serial No.
Write the serial number in the space
above for future reference.
Serial Number
Decal
QUESTIONS?
If you have questions, or if parts are
damaged or missing, DO NOT
CONTACT THE STORE; please
contact Customer Care.
IMPORTANT: You must note the
product model number and serial
number (see the drawing above)
before contacting us:
CALL TOLL-FREE:
1-888-533-1333
Mon.–Fri. 6 a.m.–6 p.m. MT
Sat. 8 a.m.–4 p.m. MT
ON THE WEB:
www.proformservice.com

2
TABLE OF CONTENTS
WARNINGDECALPLACEMENT ..............................................................2
IMPORTANTPRECAUTIONS .................................................................3
BEFOREYOUBEGIN .......................................................................5
ASSEMBLY ...............................................................................6
OPERATIONANDADJUSTMENT ............................................................12
HOWTOFOLDANDMOVETHETREADMILL ..................................................18
TROUBLESHOOTING ......................................................................19
EXERCISEGUIDELINES ...................................................................21
PARTLIST ...............................................................................22
EXPLODEDDRAWING .....................................................................24
ORDERINGREPLACEMENTPARTS ..................................................BackCover
LIMITEDWARRANTY...............................................................BackCover
This drawing shows the locations of the warning de-
cals. If a decal is missing or illegible, call the
telephone number on the front cover of this
manual and request a free replacement decal.
Apply the decal in the location shown. Note: The
decals may not be shown at actual size.
WARNING DECAL PLACEMENT
PROFORM is a registered trademark of ICON IP, Inc.

3
IMPORTANT PRECAUTIONS
1. Before beginning any exercise program, con-
sult your physician. This is especially impor-
tant for persons over age 35 or persons with
pre-existing health problems.
2. It is the responsibility of the owner to ensure
that all users of this treadmill are adequately
informed of all warnings and precautions.
3. Use the treadmill only as described.
4. Place the treadmill on a level surface, with at
least 8 ft. (2.4 m) of clearance behind it and 2
ft. (0.6 m) on each side. Do not place the
treadmill on any surface that blocks air open-
ings. To protect the floor or carpet from dam-
age, place a mat under the treadmill.
5. Keep the treadmill indoors, away from mois-
ture and dust. Do not put the treadmill in a
garage or covered patio, or near water.
6. Do not operate the treadmill where aerosol
products are used or where oxygen is being
administered.
7. Keep children under age 12 and pets away
from the treadmill at all times.
8. The treadmill should not be used by persons
weighing more than 250 lbs. (113 kg).
9. Never allow more than one person on the
treadmill at a time.
10. Wear appropriate exercise clothes when
using the treadmill. Do not wear loose clothes
that could become caught in the treadmill.
Athletic support clothes are recommended for
both men and women. Always wear athletic
shoes; never use the treadmill with bare feet,
wearing only stockings, or in sandals.
11. When connecting the power cord (see page 12),
plug the power cord into a surge suppressor
(not included) and plug the surge suppressor
into a grounded circuit capable of carrying 15
or more amps. No other appliance should be on
the same circuit. Do not use an extension cord.
12. Use only a single-outlet surge suppressor that
meets all of the specifications described on
page 12. To purchase a surge suppressor, see
your local PROFORM dealer or call the tele-
phone number on the front cover of this man-
ual and order part number 146148, or see your
local electronics store.
13. Failure to use a properly functioning surge
suppressor could result in damage to the con-
trol system of the treadmill. If the control sys-
tem is damaged, the walking belt may slow,
accelerate, or stop unexpectedly, which may
result in a fall and serious injury.
14. Keep the power cord and the surge suppres-
sor away from heated surfaces.
15. Never move the walking belt while the power
is turned off. Do not operate the treadmill if
the power cord or plug is damaged, or if the
treadmill is not working properly. (See TROU-
BLESHOOTING on page 19 if the treadmill is
not working properly.)
16. Read, understand, and test the emergency
stop procedure before using the treadmill (see
HOW TO TURN ON THE POWER on page 14).
17. Never start the treadmill while you are stand-
ing on the walking belt. Always hold the
handrails while using the treadmill.
18. The pulse sensor is not a medical device.
Various factors, including your movement,
may affect the accuracy of heart rate readings.
The pulse sensor is intended only as an exer-
cise aid in determining heart rate trends in
general.
WARNING: To reduce the risk of serious injury, read all important precautions and in-
structions in this manual and all warnings on your treadmill before using your treadmill. ICON as-
sumes no responsibility for personal injury or property damage sustained by or through the use of
this product.

4
19. The treadmill is capable of high speeds.
Adjust the speed in small increments to avoid
sudden jumps in speed.
20. Never leave the treadmill unattended while it
is running. Always remove the key, unplug
the power cord, and switch the reset/off cir-
cuit breaker to the off position when the
treadmill is not in use. (See the drawing on
page 5 for the location of the circuit breaker.)
21. Do not attempt to raise, lower, or move the
treadmill until it is properly assembled. (See
ASSEMBLY on page 6 and HOW TO FOLD
AND MOVE THE TREADMILL on page 18.)
You must be able to safely lift 45 lbs. (20 kg)
to raise, lower, or move the treadmill.
22. When folding or moving the treadmill, make
sure that the storage latch is holding the
frame securely in the storage position.
23. Do not change the incline of the treadmill by
placing objects under the treadmill.
24. Inspect and properly tighten all parts of the
treadmill regularly.
25. Never drop or insert any object into any
opening on the treadmill.
26. This treadmill is intended for in-home use
only. Do not use this treadmill in a commer-
cial, rental, or institutional setting.
27. DANGER: Always unplug the power
cord immediately after use, before cleaning
the treadmill, and before performing the main-
tenance and adjustment procedures de-
scribed in this manual. Never remove the
motor hood unless instructed to do so by an
authorized service representative. Servicing
other than the procedures in this manual
should be performed by an authorized service
representative only.
SAVE THESE INSTRUCTIONS

5
Thank you for selecting the revolutionary PROFORM®
380 CS treadmill. The 380 CS treadmill offers an im-
pressive selection of features designed to make your
workouts at home more enjoyable and effective. And
when youʼre not exercising, the unique treadmill can be
folded up, requiring less than half the floor space of
other treadmills.
For your benefit, read this manual carefully before
using the treadmill. If you have questions after read-
ing this manual, please see the front cover of this man-
ual. To help us assist you, note the product model
number and serial number before contacting us. The
model number and the location of the serial number
decal are shown on the front cover of this manual.
To avoid a registration fee for any service needed
under warranty, you must register the treadmill at
www.proformservice.com/registration.
Before reading further, please review the drawing
below and familiarize yourself with the labeled parts.
BEFORE YOU BEGIN
Handrail
Storage Latch
Console
Key/Clip
Reset/Off
Circuit Breaker
Power Cord
Walking Belt
Hood
Wheel
Foot Rail
Idler Roller
Adjustment Bolts
Accessory Tray Fan
Platform Cushion

6
ASSEMBLY
To hire an authorized service technician to assemble the treadmill, call 1-800-445-2480. Assembly re-
quires two persons. Set the treadmill in a cleared area and remove all packing materials. Do not dispose of the
packing materials until assembly is completed. Note: The underside of the treadmill walking belt is coated with
high-performance lubricant. During shipping, a small amount of lubricant may be transferred to the top of the walk-
ing belt or the shipping carton. This is a normal condition. If there is lubricant on top of the walking belt, simply
wipe off the lubricant with a soft cloth and a mild, non-abrasive cleaner.
Assembly requires the included hex keys and your own Phillips screwdriver ,
adjustable wrench , scissors , needlenose pliers , and rubber mallet .
Use the drawings below to identify the assembly hardware. The number in parentheses below each drawing is
the key number of the part, from the PART LIST near the end of this manual. The number after the parentheses
is the quantity needed for assembly. Note: If a part is not in the hardware kit, check to see if it is preattached to
one of the parts to be assembled. To avoid damaging plastic parts, do not use power tools for assembly.
Extra hardware may be included.
M10 Flat Washer
(14)–2
M8 x 15mm
Bolt (8)–6
M10 Star
Washer (9)–6
M8 Star
Washer (5)–6
M4.2 x 19mm
Screw (10)–6
M5 Star
Washer (7)–2
M10 x 75mm Bolt (2)–4
M10 x 60mm Bolt (1)–2
M5 x 16mm
Screw (85)–2
M4 x 10mm
Ground Screw (84)–1
#8 x 1" Tek Screw
(26)–6
M8.5 Washer
(32)–4
Extension Leg Nut
(43)–4
M8 x 58mm Bolt (13)–4
1. Make sure that the power cord is unplugged.
Position the Base (52) and the two Extension
Legs (45) upside-down as shown.
Attach six Base Pads (63) to the Base (52) and
the Extension Legs (45) with six #8 x 1" Tek
Screws (26).
152 26
26 63
63
63
26
63
26
63
26
63
26
45

7
2. Have a second person hold the Base (52) in the
position shown.
Identify the Left Upright (53) (the Right Upright
[54] has a large hole near the lower end).
Orient the Left Upright (53) so the indicated
small holes are on top as shown. Attach the
Left Upright to the Base (52) with two M10 x
75mm Bolts (2) and two M10 Star Washers (9);
do not tighten the Bolts yet.
Attach the Right Upright (54) to the Base (52)
in the same way.
2
52
53 2
2
9
9
54
Large
Hole
Small
Holes
3. Attach each Extension Leg (45) to the Base (52)
with two M8 x 58mm Bolts (13), two M8.5
Washers (32), and two Extension Leg Nuts (43).
Note: The heads of the wheel bolts should be
on the outside of the Extension Legs.
Lower the Base (52) so that it is flat on the floor.
3
52
32
45
13 43
Bolt Head
13
32
45
43
4. Position the Base (52) as close to the front of the
treadmill as possible, as shown.
See the upper inset drawing. Locate the wire
tie in the lower end of the Right Upright (54). Tie
the wire tie securely around the end of the Wire
Harness (39). Then, locate the other end of the
wire tie in the upper end of the Right Upright.
Pull the upper end of the wire tie until the Wire
Harness is extending from the upper end of the
Right Upright. Secure the Wire Harness to the
Right Upright so that it will not fall inside.
See the lower inset drawing. Press the indi-
cated Grommet (49) into the Right Upright (54).
52
4
39
54
54
54
49
39
Wire Tie

8
5. See the left inset drawing. Identify the two
Frame Spacers (11). Open the included packet
of grease, and apply grease to both sides of both
Frame Spacers. Then, identify the outer side of
each Frame Spacer.
Hold a Frame Spacer (11) between the Right
Upright (54) and the Lift Frame (23), with the
outer side of the Frame Spacer facing the
Right Upright.
With the help of a second person, raise the front
of the treadmill. Attach the Lift Frame (23) to the
Right Upright (54) with an M10 x 60mm Bolt (1),
an M10 Flat Washer (14), and an M10 Star
Washer (9); do not tighten the Bolt yet.
5
54
1
1
11
23
14
54
14
9
23
11
Outer
Side
Inner
Side
11
9
6. See the left inset drawing. Identify the outer
side of the remaining Frame Spacer (11).
Hold the Frame Spacer (11) between the Left
Upright (53) and the Lift Frame (23), with the
outer side of the Frame Spacer facing the
Left Upright. Attach the Left Upright to the Lift
Frame with an M10 x 60mm Bolt (1), an M10 Flat
Washer (14), and an M10 Star Washer (9); do
not tighten the Bolt yet.
6
53
1
14
23
11
14
11
9
23
1
9
Outer
Side
Inner
Side
11
53
Top View
Top View

9
8. Remove the plastic ties from the Right Handrail
(33) and the Left Handrail (not shown). Press the
two Cage Nuts (105) back into place if necessary
(only one side is shown). With the help of a second
person, hold the Console (91) near the Right
Upright (54).
Connect the Wire Harness (39) to the console
wire. See the inset drawing. The connectors
should slide together easily and snap into
place. If they do not, turn one connector and try
again. IF THE CONNECTORS ARE NOT CON-
NECTED PROPERLY, THE CONSOLE MAY
BE DAMAGED WHEN THE POWER IS
TURNED ON. Next, remove the wire tie from the
Wire Harness. Insert the connectors and the ex-
cess wire downward into the Right Upright (54).
8
91
54
39 Console
Wire
39
7. Set the Console (91) face down on a soft sur-
face to avoid scratching the Console. Hold the
Right Handrail (33), which has a large hole in
one side, near the Console.
Next, insert the console wire and the tie into the
hole in the side of the Right Handrail (33). Using
needlenose pliers, pull the console wire out of
the hole near the bracket on the Right Handrail.
Then, set the Right Handrail (33) on the Console
(91). Make sure that no wires are pinched.
Start an M5 x 16mm Screw (85) with a M5 Star
Washer (7) into the Right Handrail, and then
start two M4.2 x 19mm Screws (10) into the
Right Handrail. Tighten the M5 x 16mm Screw
and then tighten the two M4.2 x 19mm
Screws; do not overtighten the Screws.
Attach the Left Handrail (not shown) to the
Console (91) in the same way. Note: There are
no wires on the left side.
7
Console
Wire
Large
Hole
33
Bracket
85
710
91
33
9. Attach the Console (91) to the Uprights (53, 54)
with four M8 x 15mm Bolts (8) and four M8 Star
Washers (5); do not fully tighten the Bolts yet.
Make sure that no wires are pinched.
9
88
5
5
91
54 53
Tie
Wire
Tie
105

10
11. Attach the ground wire on the Wire Harness (39)
to the indicated hole in the Base (52) with an M4
x 10mm Ground Screw (84).
52
39
Ground Wire
11
84
Hole
10. Start two M8 x 15mm Bolts (8) with two M8 Star
Washers (5) into the Uprights (53, 54). Then,
firmly tighten all six M8 x 15mm Bolts used
in steps 9 and 10.
With the help of a second person, carefully
lower the Uprights (53, 54) to the floor (see the
upper drawing in step 12).
10
85
85
54
53

11
14. Make sure that all parts are properly tightened before you use the treadmill. Keep the included hex keys
in a secure place. One hex key is used to adjust the walking belt (see page 20). To protect the floor or carpet,
place a mat under the treadmill.
13. Attach the Latch Housing (48) to the Left
Upright (53) with two M4.2 x 19mm Screws (10);
start both Screws before tightening either of
them. Make sure that the large hole in the
Latch Housing is on the indicated side.
Locate the Latch Pin Assembly (24). Remove
the knob from the pin. Make sure that the collar
and the spring are on the pin. (Note: If there are
two collars, place one on each side of the
spring.) Insert the pin into the Latch Housing
(48). Then, tighten the knob onto the pin.
10
Pin
Spring
Collar
Knob
48
53
Large Hole
13
12. See the lower drawing. Position the Uprights
(53, 54) so that the Frame (51) is centered be-
tween them.
See the upper drawing. Firmly tighten the two
M10 x 60mm Bolts (1) and the four M10 x
75mm Bolts (2). Be careful not to overtighten
the M10 x 60mm Bolts.
12
2
51
1
53
51
54
Top View
24

12
OPERATION AND ADJUSTMENT
THE PRE-LUBRICATED WALKING BELT
Your treadmill features a walking belt coated with high-
performance lubricant. IMPORTANT: Never apply sil-
icone spray or other substances to the walking
belt or the walking platform. Such substances will
deteriorate the walking belt and cause excessive
wear.
HOW TO PLUG IN THE POWER CORD
Your treadmill, like any other type of sophisticated
electronic equipment, can be seriously damaged by
sudden voltage changes in your homeʼs power.
Voltage surges, spikes, and noise interference can
result from weather conditions or from other appli-
ances being turned on or off. To decrease the possi-
bility of your treadmill being damaged, always
use a surge suppressor with your treadmill (see
drawing 1 at the right). To purchase a surge sup-
pressor, see your local PROFORM dealer or call the
telephone number on the front cover of this man-
ual and order part number 146148, or see your local
electronics store.
Use only a single-outlet surge suppressor that is
UL 1449 listed as a transient voltage surge sup-
pressor (TVSS). The surge suppressor must have a
UL suppressed voltage rating of 400 volts or less
and a minimum surge dissipation of 450 joules.
The surge suppressor must be electrically rated for
120 volts AC and 15 amps. There must be a moni-
toring light on the surge suppressor to indicate
whether it is functioning properly. Failure to use a
properly functioning surge suppressor could result
in damage to the control system of the treadmill. If
the control system is damaged, the walking belt
may slow, accelerate or stop unexpectedly, which
may result in a fall and serious injury.
This product must be grounded. If it should malfunc-
tion or break down, grounding provides a path of least
resistance for electric current to reduce the risk of elec-
tric shock. This product is equipped with a cord having
an equipment-grounding conductor and a grounding
plug. Plug the power cord into a surge suppressor,
and plug the surge suppressor into an appropriate
outlet that is properly installed and grounded in
accordance with all local codes and ordinances.
IMPORTANT: The treadmill is not compatible with
GFCI-equipped outlets.
This product is for use on a nominal 120-volt circuit,
and has a grounding plug that looks like the plug illus-
trated in drawing 1 below. A temporary adapter that
looks like the adapter illustrated in drawing 2 may be
used to connect the surge suppressor to a 2-pole
receptacle as shown in drawing 2 if a properly
grounded outlet is not available.
The temporary adapter should be used only until a
properly grounded outlet (drawing 1) can be installed
by a qualified electrician.
The green-colored rigid ear, lug, or the like extending
from the adapter must be connected to a permanent
ground such as a properly grounded outlet box cover.
Whenever the adapter is used it must be held in place
by a metal screw. Some 2-pole receptacle outlet box
covers are not grounded. Contact a qualified elec-
trician to determine if the outlet box cover is
grounded before using an adapter.
DANGER: Improper connection
of the equipment-grounding conductor can
result in an increased risk of electric shock.
Check with a qualified electrician or service-
man if you are in doubt as to whether the
product is properly grounded. Do not modify
the plug provided with the product—if it will
not fit the outlet, have a proper outlet
installed by a qualified electrician.
1
2
Grounded Outlet Box
Grounded Outlet Box
Grounding Plug
Surge Suppressor
Surge Suppressor
Grounding Pin
Adapter
Lug
Metal Screw
Grounded Outlet
Grounding Pin

13
CONSOLE DIAGRAM
FEATURES OF THE CONSOLE
The treadmill console offers a selection of features
designed to make your workouts more effective. When
you select the manual mode of the console, you can
change the speed and incline of the treadmill with the
touch of a button. As you exercise, the displays will
provide continuous exercise feedback. You can even
measure your heart rate using the built-in pulse sensor.
The console also offers six speed workouts. Each
workout automatically controls the speed and incline of
the treadmill as it guides you through an effective exer-
cise session.
You can also listen to your favorite workout music or
audio books with the consoleʼs premium sound system
while you get in shape.
To turn on the power, see page 14. To use the man-
ual mode, see page 14. To use a speed workout,
see page 16. To use the sound system, see page
17. To use the information mode, see page 17.
IMPORTANT: If there is a sheet of clear plastic on
the face of the console, remove the plastic. To pre-
vent damage to the walking platform, wear clean
athletic shoes while using the treadmill. The first
time the treadmill is used, observe the alignment of
the walking belt, and center the walking belt if nec-
essary (see page 20).
Note: The console can display speed and distance in
either miles or kilometers. To find which unit of mea-
surement is selected, see THE INFORMATION MODE
on page 17. For simplicity, all instructions in this man-
ual refer to miles.
Key
Clip

14
HOW TO TURN ON THE POWER
IMPORTANT: If the treadmill has been exposed to
cold temperatures, allow it to warm to room tem-
perature before turning on the power. If you do not
do this, you may damage the console displays or
other electrical components.
Plug in the power cord (see
page 12). Next, locate the
reset/off circuit breaker on
the treadmill frame near the
power cord. Switch the cir-
cuit breaker to the reset po-
sition.
IMPORTANT: The console features a display demo
mode, designed to be used if the treadmill is dis-
played in a store. If the displays light as soon as
you plug in the power cord and switch the reset/off
circuit breaker to the reset position, the demo
mode is turned on. To turn off the demo mode,
hold down the Stop button for a few seconds. If the
displays remain lit, see THE INFORMATION MODE
on page 17 to turn off the demo mode.
Next, stand on the foot rails of the treadmill. Find the
clip attached to the key (see the drawing on page 13)
and slide the clip onto the waistband of your clothes.
Then, insert the key into the console. After a moment,
the displays will light. IMPORTANT: In an emergency
situation, the key can be pulled from the console,
causing the walking belt to slow to a stop. Test the
clip by carefully taking a few steps backward; if the
key is not pulled from the console, adjust the posi-
tion of the clip.
HOW TO USE THE MANUAL MODE
1. Insert the key into the console.
See HOW TO TURN ON THE POWER above.
2. Select the manual mode.
When the key is in-
serted, the manual
mode will be selected. If
you have selected a
speed workout, reselect
the manual mode by
pressing the Workouts button repeatedly until only
zeros appear in the displays.
3. Start the walking belt.
To start the walking belt, press the Start button, the
Speed increase button, or one of the numbered
speed buttons.
If you press the Start button or the Speed increase
button, the walking belt will begin to move at 1 mph.
As you exercise, change the speed of the walking
belt as desired by pressing the Speed increase
and decrease buttons. Each time you press a but-
ton, the speed setting will change by 0.1 mph; if
you hold down a button, the speed setting will
change in increments of 0.5 mph. Note: After you
press the buttons, it may take a moment for the walk-
ing belt to reach the selected speed setting.
If you press one of the numbered speed buttons,
the walking belt will gradually change speed until it
reaches the selected speed setting.
To stop the walking belt, press the Stop button.
The time will begin to flash in one of the displays.
To restart the walking belt, press the Start button or
the Speed increase button.
4. Change the incline of the treadmill as desired.
To change the incline of
the treadmill, press the
Incline increase and de-
crease buttons. Each
time you press one of the
buttons, the incline will
gradually increase or decrease until it reaches the
selected incline setting.
5. Follow your progress with the track and the dis-
plays.
The track—The track
represents a distance of
1/4 mile (400 meters). As
you walk or run on the
treadmill, the indicators
around the track will ap-
pear in succession until the entire track appears.
The track will then disappear and the indicators will
again begin to appear in succession.
Reset
Position

15
The lower left display—
As you exercise, the
lower left display can
show the elapsed time,
the distance that you
have walked or run, and
the incline level of the
treadmill.
The lower right
display—The lower right
display can show the
speed of the walking belt
and the approximate
number of calories that
you have burned. The display also shows your
heart rate when you use the pulse sensor (see step
6 below).
The upper display—
The upper display can
show the elapsed time,
the distance that you
have walked or run, the
approximate number of
calories you have burned, or the speed of the walk-
ing belt. Press the Display button repeatedly until
the upper display shows the information that you
are most interested in viewing. Note: While informa-
tion is shown in the upper display, the same infor-
mation will not be shown in the lower left or lower
right display.
To reset the displays, press the Stop button, re-
move the key, and then reinsert the key.
6. Measure your heart rate if desired.
Before using the handgrip pulse sensor, remove
the sheets of clear plastic from the metal contacts.
In addition, make sure that your hands are clean.
To measure
your heart rate,
stand on the
foot rails and
hold the con-
tacts for ap-
proximately
10 seconds—
avoid moving
your hands. When your pulse is detected, your
heart rate will be shown. For the most accurate
heart rate reading, continue to hold the con-
tacts for about 15 seconds.
7. Turn on the fan if desired.
The fan has high and low speed settings. Press the
Fan button repeatedly to select a fan speed or to
turn off the fan. Note: If the fan is on when the
walking belt stops, the fan will automatically turn off
after a few minutes.
8. When you are finished exercising, remove the
key from the console.
Step onto the foot rails, press the Stop button, and
adjust the incline of the treadmill to the lowest
setting. The incline must be at the lowest setting
or you may damage the treadmill when you fold
it to the storage position. Next, remove the key
from the console and put it in a secure place.
When you are finished using the treadmill, switch
the reset/off circuit breaker to the “off” position and
unplug the power cord. IMPORTANT: If you do
not do this, the treadmillʼs electrical compo-
nents may wear prematurely.
Contacts

16
HOW TO USE A SPEED WORKOUT
1. Insert the key into the console.
See HOW TO TURN ON THE POWER on page
14.
2. Select one of the four speed workouts.
To select a speed work-
out, press the Workouts
button repeatedly; “P 1,”
“P 2,” “P 3,” “P 4” “P 5,”
or “P 6” will appear in
the upper display for a
few seconds. The maximum speed setting, maxi-
mum incline setting, and duration of the selected
workout will also flash in the displays for a few sec-
onds. In addition, a profile of the speed settings of
the workout will scroll across the displays.
Each workout is divided into 30 one-minute seg-
ments. One speed setting and one incline setting
are programmed for each segment. Note: The
same speed and incline settings may be pro-
grammed for consecutive segments.
3. Start the walking belt.
Press the Start button or the Speed increase button
to start the workout. A moment after you press the
button, the treadmill will automatically adjust to the
first speed and incline settings for the workout.
Hold the handrails and begin walking.
During the workout, the
profile will show your
progress. The flashing
segment of the profile
represents the current
segment of the workout.
The height of the flashing segment indicates the
speed setting for the current segment. At the end of
each segment, a series of tones will sound and the
next segment of the profile will begin to flash. If a
different speed and/or incline setting is programmed
for the next segment, the speed and/or incline set-
ting will flash in the display to alert you and the
treadmill will automatically adjust to the speed
and/or incline setting for the next segment.
The workout will continue in this way until the last
segment of the profile flashes in the display and the
last segment ends. The walking belt will then slow
to a stop.
If the speed or incline setting is too high or too low
at any time during the workout, you can manually
override the setting by pressing the speed or incline
buttons; however, when the next segment of the
workout begins, the treadmill will automatically
adjust to the speed and incline settings for the
next segment.
To stop the workout at any time, press the Stop
button. To restart the workout, press the Start button
or the Speed increase button. The walking belt will
begin to move at 1 mph. When the next segment of
the workout begins, the treadmill will automatically
adjust to the speed and incline settings for the next
segment.
4. Follow your progress with the track and the dis-
plays.
See step 5 on pages 14 and 15.
5. Measure your heart rate if desired.
See step 6 on page 15.
6. Turn on the fan if desired.
See step 7 on page 15.
7. When you are finished exercising, remove the
key from the console.
See step 8 on page 15.
Current Segment

17
HOW TO USE THE SOUND SYSTEM
To play music or audio books through the consoleʼs
sound system, you must connect your MP3 player, CD
player, or other personal audio player to the console.
Locate the included audio wire and plug it into the jack
near the speaker. Plug the other end into a jack on
your MP3 player, CD player, or other personal audio
player. Make sure that the audio wire is fully
plugged in.
Next, press the Play button on your MP3 player, CD
player, or other personal audio player. Then, adjust the
volume on your personal audio player.
If you are using a personal CD player and the CD
skips, set the CD player on the floor or another flat sur-
face instead of on the console.
THE INFORMATION MODE
The console features an information mode that keeps
track of treadmill usage information and allows you to
select a unit of measurement for the console.
To select the information mode, insert the key into the
console while holding down the Stop button. When the
information mode is selected, the following information
will be shown:
An “E” for English miles or an
“M” for metric kilometers will
appear in the lower right dis-
play. Press the Speed in-
crease button to change the
unit of measurement, if de-
sired.
The upper display will show the total number of hours
that the treadmill has been used.
The lower left display will show the total number of
miles or kilometers that the walking belt has moved.
The console features a display demo mode, designed
to be used if the treadmill is displayed in a store. While
the demo mode is turned on, the console will function
normally when you plug in the power cord, switch the
reset/off circuit breaker to the reset position, and insert
the key into the console. However, when you remove
the key, the displays will remain lit, although the but-
tons will not function. If the demo mode is turned on, a
“d” will appear in the lower right display while the infor-
mation mode is selected. To turn on or turn off the
demo mode, press the Speed decrease button.
To exit the information mode, remove the key from the
console.

18
HOW TO FOLD AND MOVE THE TREADMILL
HOW TO FOLD THE TREADMILL FOR STORAGE
Before folding the treadmill, adjust the incline to the
lowest position. If you do not do this, you may damage the
treadmill when you fold it. Remove the key and unplug the
power cord. CAUTION: You must be able to safely lift 45 lbs.
(20 kg) to raise, lower, or move the treadmill.
1. Hold the metal frame firmly in the location shown by the
arrow at the right. CAUTION: To decrease the possibility
of injury, do not lift the frame by the plastic foot rails.
Bend your legs and keep your back straight. As you raise
the frame, lift with your legs rather than with your back.
Raise the frame about halfway to the vertical position.
2. Move your right hand to the position shown and hold the
treadmill firmly. Using your left hand, pull the latch knob to the
left and hold it. Raise the frame until the latch plate is past the
latch pin, and then slowly release the latch knob. Make sure
that the frame is held securely by the latch pin.
To protect the floor or carpet from damage, place a mat
under the treadmill. Keep the treadmill out of direct sun-
light. Do not leave the treadmill in the storage position in
temperatures above 85° F (30° C).
HOW TO MOVE THE TREADMILL
Before moving the treadmill, convert the treadmill to the storage
position as described above. Make sure that the frame is held
securely by the latch pin.
1. Hold one handrail and place one foot against one of the
wheels. Do not pull back on the frame.
2. Tilt the treadmill back until it rolls freely on the wheels.
Carefully move the treadmill to the desired location. To re-
duce the risk of injury, use extreme caution while mov-
ing the treadmill. Do not move the treadmill over an un-
even surface.
3. Place one foot against one of the wheels, and carefully lower
the treadmill until it is resting in the storage position.
HOW TO LOWER THE TREADMILL FOR USE
1. See drawing 2 above. Hold the frame with your right hand as shown. Pull the latch knob to the left and hold it.
Pivot the frame down until it is past the latch pin. Then, release the latch knob.
2. See drawing 1 above. Hold the metal frame firmly with both hands, and lower it to the floor. CAUTION: To
decrease the possibility of injury, do not lower the frame by gripping only the plastic foot rails. Do not
drop the frame to the floor. Make sure to bend your legs and keep your back straight.
Handrails
Deck
Wheel
Latch
Plate
Frame
1
2
Latch Knob Engaged
Latch
Pin

19
TROUBLESHOOTING
Most treadmill problems can be solved by following the steps below. Find the symptom that applies, and
follow the steps listed. If further assistance is needed, see the front cover of this manual.
PROBLEM: The power does not turn on
SOLUTION: a. Make sure that the power cord is plugged into a surge suppressor, and that the surge suppressor
is plugged into a properly grounded outlet (see page 12). Use only a single-outlet surge suppres-
sor that meets all of the specifications described on page 12. IMPORTANT: The treadmill is not
compatible with GFCI-equipped outlets.
b. After the power cord has been plugged in, make sure that the key is inserted into the console.
c. Check the reset/off circuit breaker located on the
treadmill frame near the power cord. If the switch
protrudes as shown, the circuit breaker has tripped.
To reset the circuit breaker, wait for five minutes,
and then press the switch back in.
PROBLEM: The power turns off during use
SOLUTION: a. Check the reset/off circuit breaker (see the drawing above). If the circuit breaker has tripped, wait
for five minutes and then press the switch back in.
b. Make sure that the power cord is plugged in.
c. Remove the key from the console. Reinsert the key into the console.
d. If the treadmill still will not run, please see the front cover of this manual.
PROBLEM: The console displays remain lit when you remove the key from the console
SOLUTION: a. The console features a display demo mode, designed to be used if the treadmill is displayed in a
store. If the displays remain lit when you remove the key, the demo mode is turned on. To turn off
the demo mode, hold down the Stop button for a few seconds. If the displays are still lit, see THE
INFORMATION MODE on page 17 to turn off the demo mode.
PROBLEM: The displays of the console do not function properly
SOLUTION: a. Remove the key from the console and UNPLUG THE
POWER CORD. Remove the three indicated M4.2 x
19mm Hood Screws (20) and two M5.5 x 25mm
Screws (25). Then, carefully remove the Motor Hood
(65). 25
20
65
a
Tripped Reset
c

20
Locate the Reed Switch (89) and the Magnet (62) on
the left side of the Pulley (71). Turn the Pulley until the
Magnet is aligned with the Reed Switch. Make sure
that the gap between the Magnet and the Reed
Switch is about 1/8 in. (3 mm). If necessary, loosen
the M4.2 x 13mm Tek Screw (3), move the Reed
Switch slightly, and then retighten the Screw.
Reattach the Hood (not shown), and run the treadmill
for a few minutes to check for a correct speed reading.
PROBLEM: The walking belt slows when walked on
SOLUTION: a. Use only a single-outlet surge suppressor that meets all of the specifications described on page 12.
b. If the walking belt is overtightened, treadmill perfor-
mance may decrease and the walking belt may be-
come damaged. Remove the key and UNPLUG THE
POWER CORD. Using the hex key, turn both idler
roller bolts counterclockwise, 1/4 of a turn. When the
walking belt is properly tightened, you should be able
to lift each edge of the walking belt 2 to 3 in. (5 to 7
cm) off the walking platform. Be careful to keep the
walking belt centered. Then, plug in the power cord,
insert the key, and run the treadmill for a few min-
utes. Repeat until the walking belt is properly tight-
ened.
c. If the walking belt still slows when walked on, please see the front cover of this manual.
PROBLEM: The walking belt is off-center or slips when walked on
SOLUTION: a. If the walking belt is off-center, remove the key and
UNPLUG THE POWER CORD. If the walking belt
has shifted to the left, use the hex key to turn the left
idler roller bolt clockwise 1/2 of a turn. If the walking
belt has shifted to the right, turn the left idler roller
bolt counterclockwise 1/2 of a turn. Be careful not to
overtighten the walking belt. Then, plug in the power
cord, insert the key, and run the treadmill for a few
minutes. Repeat until the walking belt is centered.
b. If the walking belt slips when walked on, first re-
move the key and UNPLUG THE POWER CORD.
Using the hex key, turn both idler roller bolts clock-
wise, 1/4 of a turn. When the walking belt is correctly
tightened, you should be able to lift each edge of the
walking belt 2 to 3 in. (5 to 7 cm) off the walking plat-
form. Be careful to keep the walking belt centered.
Then, plug in the power cord, insert the key, and care-
fully walk on the treadmill for a few minutes. Repeat
until the walking belt is properly tightened.
PROBLEM: The incline of the treadmill does not change correctly
SOLUTION: a. With the key in the console, press one of the Incline buttons. While the incline is changing, re-
move the key. After a few seconds, re-insert the key. The treadmill will automatically rise to the
maximum incline level and then return to the minimum level. This will recalibrate the incline system.
b
a
b2–3 in.
Idler Roller
Bolts
62
3
89
Top View
1/8 in.
71

21
These guidelines will help you to plan your exercise
program. For detailed exercise information, obtain a
reputable book or consult your physician. Remember,
proper nutrition and adequate rest are essential for
successful results.
EXERCISE INTENSITY
Whether your goal is to burn fat or to strengthen your
cardiovascular system, exercising at the proper inten-
sity is the key to achieving results. You can use your
heart rate as a guide to find the proper intensity level.
The chart below shows recommended heart rates for
fat burning and aerobic exercise.
To find the proper intensity level, find your age at the
bottom of the chart (ages are rounded off to the near-
est ten years). The three numbers listed above your
age define your “training zone.” The lowest number is
the heart rate for fat burning, the middle number is the
heart rate for maximum fat burning, and the highest
number is the heart rate for aerobic exercise.
Burning Fat—To burn fat effectively, you must exer-
cise at a low intensity level for a sustained period of
time. During the first few minutes of exercise, your
body uses carbohydrate calories for energy. Only after
the first few minutes of exercise does your body begin
to use stored fat calories for energy. If your goal is to
burn fat, adjust the intensity of your exercise until your
heart rate is near the lowest number in your training
zone. For maximum fat burning, exercise with your
heart rate near the middle number in your training
zone.
Aerobic Exercise—If your goal is to strengthen your
cardiovascular system, you must perform aerobic exer-
cise, which is activity that requires large amounts of
oxygen for prolonged periods of time. For aerobic ex-
ercise, adjust the intensity of your exercise until your
heart rate is near the highest number in your training
zone.
WORKOUT GUIDELINES
Warming Up—Start with 5 to 10 minutes of stretching
and light exercise. A warm-up increases your body
temperature, heart rate, and circulation in preparation
for exercise.
Training Zone Exercise—Exercise for 20 to 30 min-
utes with your heart rate in your training zone. (During
the first few weeks of your exercise program, do not
keep your heart rate in your training zone for longer
than 20 minutes.) Breathe regularly and deeply as you
exercise–never hold your breath.
Cooling Down—Finish with 5 to 10 minutes of stretch-
ing. Stretching increases the flexibility of your muscles
and helps to prevent post-exercise problems.
EXERCISE FREQUENCY
To maintain or improve your condition, complete three
workouts each week, with at least one day of rest be-
tween workouts. After a few months of regular exer-
cise, you may complete up to five workouts each
week, if desired. Remember, the key to success is to
make exercise a regular and enjoyable part of your
everyday life.
EXERCISE GUIDELINES
WARNING: Before beginning this
or any exercise program, consult your physi-
cian. This is especially important for persons
over the age of 35 or persons with pre-exist-
ing health problems.
The pulse sensor is not a medical device.
Various factors may affect the accuracy of
heart rate readings. The pulse sensor is in-
tended only as an exercise aid in determining
heart rate trends in general.

22
12M10 x 60mm Bolt
24 M10 x 75mm Bolt
32M4.2 x 13mm Tek Screw
4 13 M4.2 x 16mm Screw
56M8 Star Washer
61Latch Warning Decal
72M5 Star Washer
86M8 x 15mm Bolt
96M10 Star Washer
10 16 M4.2 x 19mm Screw
11 4 Frame Spacer
12 1 Console Back
13 4 M8 x 58mm Bolt
14 2 M10 Flat Washer
15 1 Key/Clip
16 4 M10 Nut
17 1 6 mm Hex Key
18 1 4 mm Hex Key
19 4 M8 x 30mm Screw
20 3 M4.2 x 19mm Hood Screw
21 7 M4.2 x 13mm Screw
22 1 Left Handrail
23 1 Lift Frame
24 1 Latch Pin Assembly
25 6 M5.5 x 25mm Screw
26 6 #8 x 1" Tek Screw
27 2 M8 x 35mm Screw
28 4 M4.2 x 13mm Belt Guide Screw
29 2 Idler Roller Bolt
30 2 1/4" Motor Bolt
31 1 M8 x 102mm Bolt
32 4 M8.5 Washer
33 1 Right Handrail
34 2 M8 x 20mm Bolt
35 2 M10 x 60mm Bolt
36 2 M6 Star Washer
37 1 Reset/Off Circuit Breaker
38 2 M8.4 Star Washer
39 1 Wire Harness
40 1 Incline Motor
41 4 M4.2 x 13mm Belly Pan Screw
42 4 M4.2 Star Washer
43 4 Extension Leg Nut
44 6 M8 Flange Nut
45 2 Extension Leg
46 1 M8 Jam Nut
47 3 Hood Clip
48 1 Latch Housing
49 2 Grommet
50 2 Isolator Fastener
51 1 Frame
52 1 Base
53 1 Left Upright
54 1 Right Upright
55 1 Idler Roller
56 1 Motor Belt
57 1 Electronics Bracket
58 1 3/8" x 1 3/4" Bolt
59 1 Motor Bracket
60 1 Left Idler Roller Bracket
61 1 Right Idler Roller Bracket
62 1 Magnet
63 6 Base Pad
64 1 Latch Plate
65 1 Motor Hood
66 1 Belly Pan
67 1 Left Foot Rail
68 1 Right Foot Rail
69 4 Wheel Spacer
70 2 Wheel
71 1 Drive Roller/Pulley
72 1 3/8" x 1 1/4" Bolt
73 1 Access Door
74 1 Rear Foot, Left
75 4 Long Foot Rail Screw
76 1 Walking Belt
77 4 Handrail Endcap
78 2 Platform Cushion
79 1 Drive Motor
80 2 Wire Tie
81 12 8" Tie
82 1 3/8" Locknut
83 1 Reed Switch Clip
84 2 M4 x 10mm Ground Screw
85 2 M5 x 16mm Screw
86 1 Walking Platform
87 1 Controller
88 1 Console Crossbar
89 1 Reed Switch
90 1 Power Cord
91 1 Console
92 1 3/8" Jam Nut
93 2 Belt Guide
94 1 5mm Hex Key
95 2 Frame Endcap
96 1 Releasable Tie
97 1 Rear Foot, Right
98 1 Audio Wire
99 1 Power Cord Grommet
100 1 Incline Motor Wire
PART LIST—Model No. PFTL39908.1 R0109A
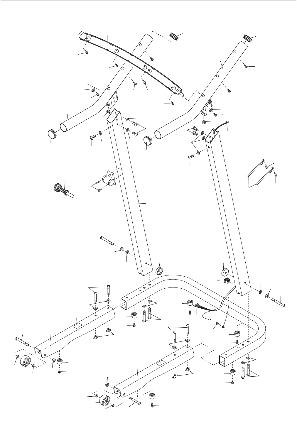
To locate the parts listed below, see the EXPLODED DRAWING near the end of this manual.
Key No. Qty. Description Key No. Qty. Description

23
Key No. Qty. Description Key No. Qty. Description
101 2 Drive Roller Washer
102 3 M4.2 x 18mm Screw
103 1 Console Fan
104 2 M10 x 58mm Bolt
105 2 Cage Nut
106 2 Caution Decal
107 2 Isolator
108 2 M4 x 10mm Screw
*–6" Red Wire, M/F
*–8" Black Wire, M/F
*–4" Blue Wire, 2F
*– 4" Black Wire, M/F
*–10" White Wire, M/F
*– Userʼs Manual
Note: Specifications are subject to change without notice. See the back cover of this manual for information about
ordering replacement parts. *These parts are not illustrated.

24
EXPLODED DRAWING A—Model No. PFTL39908.1 R0109A
93
17
81
86
51
76
67
28
62
89
3
83
93
6
31
46
25
25
25
25
25
75
75
56
25
71
68
28
18
61
19
44
27
29
55
36
21
42
21
29
60
36
19
42
27
44
19
19
78
50
78
64
4
10
50
41
41
41
41
10
94
97
10
10
74
11
11
16
16
44
44
95
96
101
101
102
107
102
107
21
95

25
EXPLODED DRAWING B—Model No. PFTL39908.1 R0109A
34
38
44
79
34
30
59
38
66
90
20
20
20
37
99
65
47
47
47
57
21 21
42
42 21 108
87
104
23
104
72
58
92
82
40
49
21
100

26
EXPLODED DRAWING C—Model No. PFTL39908.1 R0109A
80
102
3
54
11
53
14
1
9
1
11
14
9
10
48
85
10
33
77
22
88
77
24
5
2
39
8
5
8
5
77
10
10
10
77
10
10
10
10
84
85
7
7
8
85
39
106
105 105
52
49
63
26
13
43
32
13
32
43
106
69
69
70 16
35
16
35
69
70
69
45
45
63
26
63
26
63
26
63
26
63
26
2
9
9

27
EXPLODED DRAWING D—Model No. PFTL39908.1 R0109A
15
91
73 4
12
103
4
4
4
4
4
4
4
4
4
98
84

Part No. 275646 R0109A Printed in China © 2009 ICON IP, Inc.
ORDERING REPLACEMENT PARTS
To order replacement parts, please see the front cover of this manual. To help us assist you, be prepared to pro-
vide the following information when contacting us:
• the model number and serial number of the product (see the front cover of this manual)
• the name of the product (see the front cover of this manual)
• the key number and description of the replacement part(s) (see the PART LIST and the EXPLODED
DRAWING near the end of this manual)
LIMITED WARRANTY
ICON Health & Fitness, Inc. (ICON) warrants this product to be free from defects in workmanship and
material, under normal use and service conditions. The drive motor is warranted for five (5) years from
the date of purchase. Parts and labor are warranted for ninety (90) days from the date of purchase.
This warranty extends only to the original purchaser. ICONʼs obligation under this warranty is limited to
repairing or replacing, at ICONʼs option, the product through one of its authorized service centers. All re-
pairs for which warranty claims are made must be preauthorized by ICON. If the product is shipped to a
service center, freight charges to and from the service center will be the customerʼs responsibility. For
replacement parts shipped while the product is under warranty, the customer will be responsible for a
minimal handling charge. For in-home service, the customer will be responsible for a minimal trip charge.
This warranty does not extend to any damage to a product caused by or attributable to freight damage,
abuse, misuse, improper or abnormal usage, or repairs not provided by an ICON authorized service cen-
ter; products used for commercial or rental purposes; or products used as store display models. No other
warranty beyond that specifically set forth above is authorized by ICON.
ICON is not responsible or liable for indirect, special, or consequential damages arising out of or in con-
nection with the use or performance of the product; damages with respect to any economic loss, loss of
property, loss of revenues or profits, loss of enjoyment or use, or costs of removal or installation; or other
consequential damages of whatsoever nature. Some states do not allow the exclusion or limitation of in-
cidental or consequential damages. Accordingly, the above limitation may not apply to you.
The warranty extended hereunder is in lieu of any and all other warranties, and any implied warranties of
merchantability or fitness for a particular purpose are limited in their scope and duration to the terms set
forth herein. Some states do not allow limitations on how long an implied warranty lasts. Accordingly, the
above limitation may not apply to you.
This warranty gives you specific legal rights. You may also have other rights that vary from state to state.
ICON Health & Fitness, Inc., 1500 S. 1000 W., Logan, UT 84321-9813