Proform Pftl6251 Kd0 625 Treadmill Users Manual
Proform-Pftl6251-Kd0-Owner-S-Manual proform-pftl6251-kd0-owner-s-manual
625 EX product_support%5CProForm%5CPFTL6251 KD0 - PROFORM 625%5CPFTL6251KD.0-190629
2015-04-14
: Proform Proform-Pftl6251-Kd0-625-Treadmill-Users-Manual-701967 proform-pftl6251-kd0-625-treadmill-users-manual-701967 proform pdf
Open the PDF directly: View PDF
.
Page Count: 26

USER'S MANUAL
Visit our website at
www.proform.com
new products, prizes,
fitness tips, and much more!
Patent Pending
CAUTION
Read all precautions and instruc-
tions in this manual before using
this equipment. Save this manual
for future reference.
Model No. PFTL62510KD
Serial No.
QUESTIONS?
If you have questions, or if there
are missing parts, we will guar-
antee complete satisfaction
through direct assistance from
our factory.
TO AVOID DELAYS, PLEASE
CALL DIRECT TO OUR TOLL-
FREE CUSTOMER HOT LINE.
The trained technicians on our
Customer Hot Line will provide
immediate assistance, free of
charge to you.
CUSTOMER HOT LINE:
1-800-999-3756
Mon.–Fri., 6 a.m.–6 p.m. MST
Serial
Number
Decal
Write the serial number in the space
above for future reference.

TABLE OF CONTENTS
IMPORTANT PRECAUTIONS . . . . . . . . . . . . . . . . . . . . . . . . . . . . . . . . . . . . . . . . . . . . . . . . . . . . . . . . . . . . . . . . .3
BEFORE YOU BEGIN . . . . . . . . . . . . . . . . . . . . . . . . . . . . . . . . . . . . . . . . . . . . . . . . . . . . . . . . . . . . . . . . . . . . . . .5
ASSEMBLY . . . . . . . . . . . . . . . . . . . . . . . . . . . . . . . . . . . . . . . . . . . . . . . . . . . . . . . . . . . . . . . . . . . . . . . . . . . . . . .6
OPERATION AND ADJUSTMENT . . . . . . . . . . . . . . . . . . . . . . . . . . . . . . . . . . . . . . . . . . . . . . . . . . . . . . . . . . . . .9
HOW TO FOLD AND MOVE THE TREADMILL . . . . . . . . . . . . . . . . . . . . . . . . . . . . . . . . . . . . . . . . . . . . . . . . . .15
TROUBLESHOOTING . . . . . . . . . . . . . . . . . . . . . . . . . . . . . . . . . . . . . . . . . . . . . . . . . . . . . . . . . . . . . . . . . . . . . .17
CONDITIONING GUIDELINES . . . . . . . . . . . . . . . . . . . . . . . . . . . . . . . . . . . . . . . . . . . . . . . . . . . . . . . . . . . . . . .19
PART LIST . . . . . . . . . . . . . . . . . . . . . . . . . . . . . . . . . . . . . . . . . . . . . . . . . . . . . . . . . . . . . . . . . . . . . . . . . . . . . . .22
ORDERING REPLACEMENT PARTS . . . . . . . . . . . . . . . . . . . . . . . . . . . . . . . . . . . . . . . . . . . . . . . . . .Back Cover
LIMITED WARRANTY . . . . . . . . . . . . . . . . . . . . . . . . . . . . . . . . . . . . . . . . . . . . . . . . . . . . . . . . . . . . . . .Back Cover
Note: An EXPLODED DRAWING is attached in the center of this manual.
PROFORM is a registered trademark of ICON Health & Fitness, Inc.
2

3
1. It is the responsibility of the owner to ensure
that all users of this treadmill are adequately
informed of all warnings and precautions.
2. Use the treadmill only as described.
3. Place the treadmill on a level surface, with at
least eight feet of clearance behind it and two
feet on each side. Do not place the treadmill
on any surface that blocks air openings. To
protect the floor or carpet from damage, place
a mat under the treadmill.
4. Keep the treadmill indoors, away from mois-
ture and dust. Do not put the treadmill in a
garage or covered patio, or near water.
5. Do not operate the treadmill where aerosol
products are used or where oxygen is being
administered.
6. Keep children under the age of 12 and pets
away from the treadmill at all times.
7. The treadmill should not be used by persons
weighing more than 250 pounds.
8. Never allow more than one person on the
treadmill at a time.
9. Wear appropriate exercise clothing when
using the treadmill. Do not wear loose cloth-
ing that could become caught in the treadmill.
Athletic support clothes are recommended for
both men and women. Always wear athletic
shoes. Never use the treadmill with bare feet,
wearing only stockings, or in sandals.
10. When connecting the power cord (see page 9),
plug the power cord into a surge suppressor
(not included) and plug the surge suppressor
into a grounded circuit capable of carrying 15
or more amps. No other appliance should be on
the same circuit. Do not use an extension cord.
11. Use only a single-outlet surge suppressor that
meets all of the specifications described on
page 9. To purchase a surge suppressor, see
your local PROFORM dealer or call 1-800-806-
3651 and order part number 146148.
12. Failure to use a properly functioning surge
suppressor could result in damage to the con-
trol system of the treadmill. If the control sys-
tem is damaged, the walking belt may change
speed or stop unexpectedly, which may result
in a fall and serious injury.
13. Keep the power cord and the surge suppres-
sor away from heated surfaces.
14. Never move the walking belt while the power
is turned off. Do not operate the treadmill if
the power cord or plug is damaged, or if the
treadmill is not working properly. (See
BEFORE YOU BEGIN on page 5 if the tread-
mill is not working properly.)
15. Never start the treadmill while you are stand-
ing on the walking belt. Always hold the
handrails while using the treadmill.
16. The treadmill is capable of high speeds.
Adjust the speed in small increments to avoid
sudden jumps in speed.
17. The pulse sensor is not a medical device.
Various factors, including the user's move-
ment, may affect the accuracy of heart rate
readings. The pulse sensor is intended only
as an exercise aid in determining heart rate
trends in general.
18. Never leave the treadmill unattended while it
is running. Always remove the key, unplug
the power cord and move the on/off switch to
the off position when the treadmill is not in
use. (See the drawing on page 5 for the loca-
tion of the on/off switch.)
19. Do not attempt to raise, lower, or move the
treadmill until it is properly assembled. (See
ASSEMBLY on page 6, and HOW TO FOLD
AND MOVE THE TREADMILL on page 15.) You
must be able to safely lift 45 pounds (20 kg) in
order to raise, lower, or move the treadmill.
20. Do not change the incline of the treadmill by
placing objects under the treadmill.
21. When folding or moving the treadmill, make
sure that the storage latch is fully closed.
WARNING: To reduce the risk of burns, fire, electric shock, or injury to persons, read the
following important precautions and information before operating the treadmill.
IMPORTANT PRECAUTIONS

22. Inspect and properly tighten all parts of the
treadmill regularly.
23. Never insert or drop any object into any
opening.
24. DANGER: Always unplug the power
cord immediately after use, before cleaning
the treadmill, and before performing the main-
tenance and adjustment procedures de-
scribed in this manual. Never remove the
motor hood unless instructed to do so by an
authorized service representative. Servicing
other than the procedures in this manual
should be performed by an authorized service
representative only.
25. This treadmill is intended for in-home use
only. Do not use this treadmill in any commer-
cial, rental, or institutional setting.
WARNING: Before beginning this or any exercise program, consult your physician. This
is especially important for persons over the age of 35 or persons with pre-existing health problems.
Read all instructions before using. ICON assumes no responsibility for personal injury or property
damage sustained by or through the use of this product.
SAVE THESE INSTRUCTIONS
The decals shown below have been placed on your treadmill. If a decal is missing, or if it is not legible,
please call our Customer Service Department, toll-free, to order a free replacement decal (see ORDERING
REPLACEMENT PARTS on the back cover of this manual). Apply the decal in the location shown.
Note: This decal is shown at 38% of actual size.
4

Thank you for selecting the revolutionary PROFORM®
625 treadmill. The 625 treadmill combines advanced
technology with innovative design to help you get the
most from your exercise program in the convenience
and privacy of your home. And when you’re not exer-
cising, the unique 625 treadmill can be folded up, re-
quiring less than half the floor space of other treadmills.
For your benefit, read this manual carefully before
using the treadmill. If you have additional questions,
please call our Customer Service Department toll-free
at 1-800-999-3756, Monday through Friday, 6 a.m.
until 6 p.m. Mountain Time (excluding holidays). To
help us assist you, please note the product model
number and serial number before calling. The model
number of the treadmill is PFTL62510KD. The serial
number can be found on a decal attached to the tread-
mill (see the front cover of this manual for the location).
Before reading further, please review the drawing
below and familiarize yourself with the labeled parts.
BEFORE YOU BEGIN
Handrail
Console
Lock Knob
Pulse Sensor
Book Holder
Key/Clip
Circuit Breaker
On/Off Switch
Walking Belt
Cushioned Walking Platform
Front Wheel
Foot Rail
Power Cord
Rear Roller
Adjustment Bolts
Water Bottle
Holder (Bottle
not included)
RIGHT SIDE
LEFT SIDE
5

ASSEMBLY
Assembly requires two persons. Set the treadmill in a cleared area and remove all packing materials. Do not
dispose of the packing materials until assembly is completed. Assembly requires your own Phillips screw-
driver , wire cutters and rubber mallet .
Note: The underside of the treadmill walking belt is coated with high-performance lubricant. During shipping, a
small amount of lubricant may be transferred to the top of the walking belt or the shipping carton. This is a normal
condition and does not affect treadmill performance. If there is lubricant on top of the walking belt, simply wipe off
the lubricant with a soft cloth and a mild, non-abrasive cleaner.
1. Note: Use the PART IDENTIFICATION CHART on
page 23 to identify small parts used during assem-
bly. Do not plug in the power cord until all assembly
steps are completed.
With the help of a second person, carefully tip the
treadmill onto its left side as shown. Partially fold the
Frame (12) so that the treadmill will be more stable. Do
not fully fold the treadmill until it is completely as-
sembled.
Attach four Base Pads (97) to the bottom of the Base
(115) with four 1” Tek Screws (108) (three are shown).
2. Identify the Right and Left Uprights (82, 122); the Right
Upright has a half circle cutout in the lower end. The
brackets on the Uprights should face each other.
Hold the Right Upright (82) near the Base (115). Orient
the Right Upright as shown, with the post on the indi-
cated side. Straighten the Wire Harness (34), and feed it
into the lower end of the Right Upright and out of the
upper end. Leave enough slack in the lower end of the
Wire Harness so that it lies flat on top of the Base (see
drawing 3). Make sure that the Wire Harness goes
through the cutout so that it will not be pinched, and hand
tighten two 2 1/2” Bolts (124) with Washers (123) into the
bottom of the Base and the lower end of the Right Upright.
Do not tighten the Bolts yet.
Attach the Left Upright (122) as described above. Note:
There is not a wire harness on the left side.
1
2
97
97
115
12
123
115
124
124
34
Cutout
123
108
97
108
82
Post
122 Brackets
108
3. With the help of a second person, carefully raise the
Frame (12) to the position shown. Be careful not to
overextend the Frame.
Press the lower end of the Shock (105) onto the bracket
on the Base (115) as shown. Press the upper end of the
Shock onto the bracket on the Frame (12). Note: It may
be necessary to move the Frame forward or backward to
align the Shock with the bracket. It may be helpful to use
a flat head screwdriver (see the inset drawing) to lift the
metal clip on the Shock as you press the Shock onto the
bracket. Do not remove the clip.
Carefully lower the Frame (12).
105
115
312
34 105
Clip
6

7
7. Tighten a 1/2” Tek Screw (76) into the side of the Left
Foam Grip (110) as shown. Note: You may need to pull
on the side of the Left Foam Grip to align the screw hole
with the hole in the Left Upright (122).
Attach the Right Foam Grip (not shown) and the other
Handrail Extension (not shown) as described in step 6
and this step.
76
110
122
6. Insert a Handrail Extension (85) into the post on the Left
Upright (122). Align the holes in the Handrail Extension
with the holes in the post. If necessary, tap the Handrail
Extension with a rubber mallet to fully insert it. Next, attach
the Handrail Extension by tightening three 1/2” Tek
Screws (76) into the indicated holes. Note: If there is
only one hole in the top of the post, tighten the third
Screw into the hole in the left side of the post.
Identify the Left Foam Grip (110), which has a large cutout
in the right side. Slide the Left Foam Grip as far as possi-
ble onto the post on the Left Upright (122). It may be help-
ful to apply soapy water to the Handrail Extension (85).
76
122
110
Cutout
76
Post
85
6
7
5
5. Attach the Latch Assembly (9) and the Latch Spacer (56)
to the Left Upright (122) with two 3/4” Tek Screws (101)
as shown.
9
56
101
122
4
4. With the help of a second person, carefully tip the
Uprights (82, 122 [not shown]) to the vertical position.
Feed the Wire Harness (34) through the indicated hole
near the top of the Right Upright (82).
Hold the Pulse Bar (109) near the Right Upright (82).
Feed the wire in the Pulse Bar into the hole in the side of
the Upright and out of the hole near the top of the Upright.
Insert the tabs on the end of the Pulse Bar into the Right
Upright. If necessary, pull back the foam on the Pulse
Bar. Orient the Pulse Bar with the pulse sensors on top
as shown. Attach the Pulse Bar between the Uprights
with two 3 1/2” Bolts (107). Do not to pinch the wires.
109
Wire
Hole
82
34
107

8
8. With the help of a second person, hold the Console Base (87)
near the Right Upright (82). Make sure that the Pulse Wire
(121) in the back of the Console Base goes through the
looped plastic tie. Connect the Pulse Wire to the wire from the
Pulse Bar (109). Next, insert the Wire Harness (34) into the
hole in the side of the Console Base and through the looped
plastic tie. Connect the Wire Harness and Pulse Wire to the
connector on the Console Base in the area indicated by the
arrow and inset drawing. The connectors should slide eas-
ily and “snap” into place. If the connectors do not slide eas-
ily and snap into place, turn a connector and try again.
Press an Upright Cap (117) into the end of each Upright (82,
122 [not shown]). Feed the wires into the Upright as you set
the Console Base (87) on the Uprights. Make sure that no
wires are pinched and that the front edges of the Foam
Grips (48, 110 [not shown]) are under the Console Base.
Feed the excess wire down into the Right Upright (82).
Make sure that there is enough slack in the lower end of
the Wire Harness (34) so it lies flat on top of the Base
(115) (see drawing 3). Attach the Console Base (87) to the
Uprights with four 1 1/4” Tek Screws (79). Start all four
Screws before tightening them; do not overtighten the
Screws. Securely tighten the plastic tie on the Console
Base to prevent the Wire Harness from slipping. Then,
cut off the end of the plastic tie.
Plastic Tie
117
87
82 48
109
34
121
79
10.Attach the Console Back (116) to the Console Base (87)
with seven 1/2” Screws (46). Firmly tighten the Screws.
Carefully lower the Uprights (82, 122 [not shown]). Note:
It may be helpful to place your foot on a Wheel (not
shown) as you lower the Uprights. Make sure that the
frame is centered between the Uprights.
Firmly tighten the bolts used in assembly step 2.
Carefully raise the Uprights (82, 122 [not shown]).
11.Make sure that all parts are properly tightened before you use the treadmill. Note: Extra screws may
be included. Keep the included allen wrench in a secure place. The allen wrench is used to adjust the walk-
ing belt (see page 18). To protect the floor or carpet from damage, place a mat under the treadmill.
10
46
46
46 46
82
46
87
116
9
95 86
15
115
9. Attach a Wheel (95) to the right side of the Base (115)
with a Wheel Bolt (86) and a Wheel Nut (15) as shown.
Attach a Wheel to the other side of the Base (not shown)
in the same way.
8

9
OPERATION AND ADJUSTMENT
THE PERFORMANT LUBETM WALKING BELT
Your treadmill features a walking belt coated with
PERFORMANT LUBETM, a high-performance lubricant.
IMPORTANT: Never apply silicone spray or other
substances to the walking belt or the walking plat-
form. Such substances will deteriorate the walking
belt and cause excessive wear.
HOW TO PLUG IN THE POWER CORD
Your treadmill, like any other type of sophisticated
electronic equipment, can be seriously damaged by
sudden voltage changes in your home’s power.
Voltage surges, spikes, and noise interference can
result from weather conditions or from other appliances
being turned on or off. To decrease the possibility of
your treadmill being damaged, always use a surge
suppressor with your treadmill (see drawing 1 at
the right). To purchase a surge suppressor, see
your local PROFORM dealer or call 1-800-806-3651
and order part number 146148.
Use only a single-outlet surge suppressor that is
UL 1449 listed as a transient voltage surge sup-
pressor (TVSS). The surge suppressor must have a
UL suppressed voltage rating of 400 volts or less
and a minimum surge dissipation of 450 joules.
The surge suppressor must be electrically rated
for 120 volts AC and 15 amps. There must be a
monitoring light on the surge suppressor to indi-
cate whether it is functioning properly. Failure to
use a properly functioning surge suppressor could
result in damage to the control system of the
treadmill. If the control system is damaged, the
walking belt may change speed or stop unexpect-
edly, which may result in a fall and serious injury.
This product must be grounded. If it should malfunc-
tion or break down, grounding provides a path of least
resistance for electric current to reduce the risk of elec-
tric shock. This product is equipped with a cord having
an equipment-grounding conductor and a grounding
plug. Plug the power cord into a surge suppressor,
and plug the surge suppressor into an appropriate
outlet that is properly installed and grounded in
accordance with all local codes and ordinances.
Important: The treadmill is not compatible with
GFCI-equipped outlets.
This product is for use on a nominal 120-volt circuit,
and has a grounding plug that looks like the plug illus-
trated in drawing 1 below. A temporary adapter that
looks like the adapter illustrated in drawing 2 may be
used to connect the surge suppressor to a 2-pole
receptacle as shown in drawing 2 if a properly
grounded outlet is not available.
The temporary adapter should be used only until a
properly grounded outlet (drawing 1) can be installed
by a qualified electrician.
The green-colored rigid ear, lug, or the like extending
from the adapter must be connected to a permanent
ground such as a properly grounded outlet box cover.
Whenever the adapter is used it must be held in place
by a metal screw. Some 2-pole receptacle outlet box
covers are not grounded. Contact a qualified elec-
trician to determine if the outlet box cover is
grounded before using an adapter.
DANGER: Improper connection
of the equipment-grounding conductor can
result in an increased risk of electric shock.
Check with a qualified electrician or service-
man if you are in doubt as to whether the
product is properly grounded. Do not modify
the plug provided with the product—if it will
not fit the outlet, have a proper outlet
installed by a qualified electrician.
1
2
Grounded Outlet Box
Grounded Outlet Box
Grounding Plug
Surge Suppressor
Surge Suppressor
Grounding Pin
Adapter
Lug
Metal Screw
Grounded Outlet
Grounding Pin

10
CONSOLE DIAGRAM
Clip
Key
Displays
Displays
Manual/Program Indicators
Speed Buttons
LED Track
Note: If there is a thin sheet of clear plastic
on the face of the console, remove it.
FEATURES OF THE CONSOLE
The treadmill console offers an impressive array of
features to help you get the most from your exercise.
When the console is in the manual mode, the speed
and incline of the treadmill can be controlled with a
touch of a button. As you exercise, the LED track and
the four displays will provide continuous exercise feed-
back. You can even measure your heart rate using the
built-in pulse sensor.
Six certified personal trainer programs are also offered.
Each program automatically controls the speed and in-
cline of the treadmill as it guides you through an effec-
tive workout.
To use the manual mode of the console, follow the
steps beginning on page 11. To use a personal trainer
program, see page 13.
HOW TO TURN ON THE POWER
Plug in the power cord (see HOW TO PLUG IN
THE POWER CORD on page 9).
Locate the on/off
switch on the front of
the treadmill near the
power cord. Make sure
that the on/off switch is
in the on position.
Stand on the foot rails of
the treadmill. Find the
clip attached to the key
and slide the clip onto
the waistband of your
clothes. Next, insert the
key into the console.
After a moment, the displays and various indica-
tors on the console will light. Test the clip by
carefully taking a few steps backward until the
key is pulled from the console. If the key is not
pulled from the console, adjust the position of
the clip as needed.
3
2
1
CAUTION:Before operating the
console, read the following precautions.
• Do not stand on the walking belt when turn-
ing on the power.
• Always wear the clip (see the drawing above)
while operating the treadmill.
• Adjust the speed in small increments in order
to avoid sudden jumps in speed.
• To reduce the possibility of electric shock, keep
the console dry. Avoid spilling liquids on the
console and place only a sealed water bottle
in the water bottle holder.
On
Position

HOW TO USE THE MANUAL MODE
Insert the key fully into the console.
See HOW TO TURN ON THE POWER on page 11.
Select the manual mode.
When the key is in-
serted, the manual
mode will automatically
be selected and the
manual control indica-
tor will light. If a pro-
gram has been selected, press the PROGRAM
button repeatedly to select the manual mode.
Press the START button or the SPEED
▲▲
button
to start the walking belt.
A moment after the button is pressed, the walking
belt will begin to move at 1 mph. Hold the handrails
and carefully begin walking.
As you exercise,
change the speed of
the walking belt as de-
sired by pressing the
SPEED
▲▲
and
▼▼
but-
tons. Each time a but-
ton is pressed, the speed will change by 0.1 mph. If
a button is held down, the speed will change in in-
crements of 0.5 mph. To change the speed setting
quickly, press the QUICK SPEED buttons. Note:
After the buttons are pressed, it will take a moment
for the treadmill to reach the selected speed setting.
To stop the walking belt, press the STOP button.
The TIME/INCLINE/SEG. TIME display will begin
to flash. To restart the walking belt, press the
START button or the SPEED
▲▲
button.
During the first few minutes that you use the tread-
mill, inspect the alignment of the walking belt, and
align the walking belt if necessary (see page 18).
Change the incline of the treadmill as desired.
To change the incline of
the treadmill, press the
INCLINE buttons. Each
time a button is
pressed, the incline will
change by 0.5%. The
buttons can be held down to change the incline
rapidly. Note: After the buttons are pressed, it will
take a moment for the treadmill to reach the se-
lected incline setting.
Follow your progress with the LED track and
the four displays.
The LED Track—
The LED track
represents a dis-
tance of 1/4 mile
(400 m). As you
exercise, the indi-
cators around the
track will light in sequence until you have com-
pleted 1/4 mile. A new lap will then begin.
DISTANCE/LAPS dis-
play—This display shows
the distance that you
have walked or run and
the number of laps you
have completed. The dis-
play will alternate between one number and the
other every seven seconds, as shown by the ar-
rows in the display.
TIME/INCLINE/SEG.
TIME display—When the
manual mode is selected,
this display will show the
elapsed time and the in-
cline level of the treadmill.
Every seven seconds, the display will change
from one number to the other, as shown by the ar-
rows in the display. When a personal trainer pro-
gram is selected, the display will show the time re-
maining in the program, the incline level of the
treadmill, and the time remaining in the current seg-
ment of the program.
CALS./FAT CALS./
HEART RATE display—
This display shows the
approximate numbers of
calories and fat calories
you have burned (see
FAT BURNING on page
19). Every seven seconds, the display will change
from one number to the other, as shown by the ar-
rows in the display. The display will also show
your heart rate when the pulse sensor is used (see
step 6 on page 12).
SPEED/MIN-MILE dis-
play—This display shows
the speed of the walking
belt and your current
pace (pace is measured
in minutes per mile).
Every seven seconds, the display will change
from one number to the other, as shown by the ar-
rows in the display.
5
4
3
2
1
Arrow
11

12
The console can display
speed and distance in ei-
ther miles or kilometers.
To change the unit of
measurement, hold down
the STOP button while
inserting the key into the console. An E, for
English miles, or an M, for metric kilometers, will
appear in the SPEED/MIN-MILE display. Press the
SPEED
▲▲
button to change the unit of measure-
ment. When the desired unit of measurement is
selected, remove the key and then reinsert it.
Measure your heart rate, if desired.
Note: When using the pulse sensor, make sure
that your hands are clean. The pulse sensor
should also be kept clean with a damp cloth and
mild detergent.
To measure
your heart rate,
stand on the
foot rails and
place both
thumbs on the
pulse sensors
as shown. Do
not press too
hard, or the cir-
culation in your
thumbs will be
restricted and
your pulse will
not be detected. Next, wait until the heart-shaped
indicator in the CALS./FAT CALS./HEART RATE
display flashes steadily. After a few seconds, your
heart rate will be shown. Hold your thumbs on the
sensor for another 15 seconds for the most accu-
rate reading.
If the displayed heart rate appears to be too high
or too low, or if your heart rate is not displayed, lift
your thumbs off the sensors and allow the display
to reset. Then, place your thumbs on the sensors
as described above. Try the pulse sensor several
times until you become familiar with it. Remember
to stand still while measuring your heart rate.
When you are finished exercising, remove the
key.
Step onto the foot rails, press the STOP button,
and adjust the incline of the treadmill to the lowest
level. The incline must be at the lowest level
when the treadmill is raised to the storage po-
sition or the treadmill will be damaged. Next, re-
move the key from the console and put the key in
a secure place. Note: If the displays and various
indicators on the console remain lit after the
key is removed, the console is in the “demo”
mode. Refer to page 14 and turn off the demo
mode.
When you are finished using the treadmill, move
the on/off switch near the power cord to the off
position.
7
6
Sensors

HOW TO USE PERSONAL TRAINER PROGRAMS
Insert the key fully into the console.
See HOW TO TURN ON THE POWER on page 10.
Select one of the personal trainer programs.
When the key is in-
serted, the manual
mode will be selected.
To select one of the
personal trainer pro-
grams, press the PRO-
GRAM button repeat-
edly until one of the six personal trainer program
indicators lights.
The profiles on the console show how the speed
and incline of the treadmill will change during the
personal trainer programs. The numbers beside
the profiles show the maximum speed and incline
settings for the programs. For example, the upper
left profile shows that the treadmill will reach a
maximum speed of 4 mph and a maximum incline
of 8% during the first program. The TIME/IN-
CLINE/SEG. TIME display will show how long the
selected program will last.
Press the START button or the SPEED
▲▲
button
to start the program.
A moment after the button is pressed, the tread-
mill will automatically adjust to the first speed and
incline settings for the program. Hold the handrails
and begin walking.
Each program is divided into several time seg-
ments of different lengths. One speed setting and
one incline setting are programmed for each seg-
ment. When only three seconds remain in the first
segment of the program, a series of tones will
sound and the treadmill will automatically adjust to
the speed and incline settings for the second seg-
ment.
The program will con-
tinue in this way until the
TIME/INCLINE/SEG.
TIME display counts
down to zero. The walk-
ing belt will then slow to
a stop.
If the speed or incline setting for the current seg-
ment is too high or too low, you can manually
override the setting by pressing the SPEED or
INCLINE buttons on the console. However, when
the next segment begins, the treadmill will au-
tomatically adjust to the next speed and incline
settings for the program.
To stop the program, press the STOP button. The
TIME/INCLINE/SEG. TIME display will begin to
flash. To restart the program, press the START but-
ton or the SPEED
▲▲
button. To end the program,
press the STOP button, remove the key, and then
reinsert the key.
Follow your progress with the LED track and
the four displays.
See step 5 on page 11.
Measure your heart rate, if desired.
See step 6 on page 12.
When the program is completed, remove the
key.
When the program is completed, make sure that
the treadmill is at the lowest incline level. Next,
remove the key from the console and put it in a
secure place. Note: If the displays and indica-
tors on the console remain lit after the key is
removed, the console is in the “demo” mode.
Refer to page 14 and turn off the demo mode.
When you are finished using the treadmill, move
the on/off switch near the power cord to the off
position.
6
5
4
3
2
1
13

14
INFORMATION MODE/DEMO MODE
The console features an information mode that keeps
track of the total number of hours that the treadmill has
been operated and the total number of miles that the
walking belt has moved. The information mode also
allows you to switch the console from miles per hour to
kilometers per hour. In addition, the information mode
allows you to turn on and turn off the demo mode.
To select the information mode, hold down the STOP
button while inserting the key into the console. When
the information mode is selected, the following infor-
mation will be shown:
The DISTANCE/LAPS
display will show the total
number of miles that the
walking belt has moved.
The TIME/INCLINE/SEG.
TIME display will show the
total number of hours that
the treadmill has been used.
An E, for English miles, or an
M, for metric kilometers, will
appear in the SPEED/MIN-
MILE display. Press the
SPEED
▲▲
button to change
the unit of measurement.
IMPORTANT: The CALS./
FAT CALS./HEART RATE
display should be blank. If
a “d” appears in the display,
the console is in the “demo”
mode. This mode is intended
to be used only when a tread-
mill is displayed in a store. When the console is in the
demo mode, the power cord can be plugged in, the
key can be removed from the console, and the dis-
plays and indicators on the console will automatically
light in a preset sequence, although the buttons on the
console will not operate. If a “d” appears in the
CALS./FAT CALS./ HEART RATE display when the
information mode is selected, press the SPEED
▼▼
button so the display is blank.
To exit the information mode, remove the key from the
console.
THE OPTIONAL CHEST PULSE SENSOR
An optional chest pulse sensor adds even more
features to the console. The chest pulse sensor provides
hands-free operation and continuously monitors your
heart rate during your workouts. To purchase the
optional chest pulse sensor, see your local PRO-
FORM dealer or call toll-free 1-800-734-2377.
OPTIONAL HAND WEIGHTS
Optional hand weights
let you include upper-
body exercise in your
workouts. The hand
weights fit into conve-
nience holders in the
console. To purchase
the hand weights, see
your local PROFORM
dealer or call toll-free
1-800-772-0257.

15
HOW TO FOLD AND MOVE THE TREADMILL
HOW TO FOLD THE TREADMILL FOR STORAGE
Before folding the treadmill, adjust the incline to the
lowest position. If this is not done, the treadmill may be
permanently damaged. Next, unplug the power cord. CAU-
TION: You must be able to safely lift 45 pounds (20 kg) in
order to raise, lower, or move the treadmill.
1. Hold the treadmill with your hands in the locations shown at
the right. CAUTION: To decrease the possibility of injury,
bend your legs and keep your back straight. As you
raise the treadmill, make sure to lift with your legs rather
than your back. Raise the treadmill about halfway to the
vertical position.
2. Move your right hand to the position shown and hold the
treadmill firmly. Using your left hand, pull the latch knob to
the left and hold it. Raise the treadmill until the latch pin is
aligned with the hole in the catch. Insert the latch pin into
the catch. Make sure that the latch pin is fully inserted
into the catch.
To protect the floor or carpet from damage, place a mat
under the treadmill. Keep the treadmill out of
direct sunlight. Do not leave the treadmill in the storage
position in temperatures above 85° Fahrenheit.
HOW TO MOVE THE TREADMILL
Before moving the treadmill, convert the treadmill to the stor-
age position as described above. Make sure that the latch
pin is fully inserted into the catch.
1. Hold the handrails as shown and place one foot against a
wheel.
2. Tilt the treadmill back until it rolls freely on the wheels.
Carefully move the treadmill to the desired location. Never
move the treadmill without tipping it back. To reduce
the risk of injury, use extreme caution while moving the
treadmill. Do not attempt to move the treadmill over an
uneven surface.
3. Place one foot on the base, and carefully lower the treadmill
until it is resting in the storage position. Base
Wheels
Latch
Knob
Pin
Catch
Closed
Open

16
HOW TO LOWER THE TREADMILL FOR USE
1. Hold the upper end of the treadmill with your right hand
as shown. Using your left hand, pull the latch knob to the
left and hold it. Pivot the treadmill down until the frame is
past the latch pin. Slowly release the latch knob.
2. Hold the treadmill firmly with both hands, and lower the
treadmill to the floor. Do not drop the treadmill frame
to the floor. CAUTION: To decrease the possibility of
injury, bend your legs and keep your back straight.
Latch
Knob
Pin
Catch
Open

17
TROUBLESHOOTING
Most treadmill problems can be solved by following the steps below. Find the symptom that applies, and
follow the steps listed. If further assistance is needed, please call our Customer Service Department toll-
free at 1-800-999-3756, Monday through Friday, 6 a.m. until 6 p.m. Mountain Time (excluding holidays).
PROBLEM: The power does not turn on
SOLUTION: a. Make sure that the power cord is plugged into a surge suppressor, and that the surge suppressor
is plugged into a properly grounded outlet (see page 9). Use only a single-outlet surge suppressor
that meets all of the specifications described on page 9. Important: The treadmill is not compatible
with GFCI-equipped outlets.
b. After the power cord has been plugged in, make sure that the key is fully inserted into the console.
c. Check the circuit breaker located on the treadmill
near the power cord. If the switch protrudes as
shown, the circuit breaker has tripped. To reset the
circuit breaker, wait for five minutes and then press
the switch back in.
d. Check the on/off switch located on the treadmill near
the power cord. The switch must be in the on posi-
tion.
PROBLEM: The power turns off during use
SOLUTION: a. Check the circuit breaker located on the treadmill frame near the power cord (see c. above). If the
circuit breaker has tripped, wait for five minutes and then press the switch back in.
b. Make sure that the power cord is plugged in. If the power cord is plugged in, unplug it, wait for five
minutes, and then plug it back in.
c. Remove the key from the console. Reinsert the key fully into the console.
d. Make sure that the on/off switch is in the on position.
e. If the treadmill still will not run, please call our Customer Service Department, toll-free.
PROBLEM: The speed display on the console does not function properly
SOLUTION: a. Remove the key from the console and unplug the
power cord. Remove the screws from the hood and
carefully remove the hood. Locate the Reed Switch
(21) and the Magnet (43) on the left side of the Pulley
(42). Turn the Pulley until the Magnet is aligned with
the Reed Switch. Make sure that the gap between
the Magnet and the Reed Switch is about 1/8”. If
necessary, loosen the Reed Switch Screw (30) and
move the Reed Switch slightly. Retighten the Screw.
Re-attach the hood, and run the treadmill for a few
minutes to check for a correct speed reading.
Tripped
c
Reset
On
Position
d
43
21
30
1/8” 42
Top
View
a

18
PROBLEM: The walking belt slows when walked on
SOLUTION: a. Use only a single-outlet surge suppressor that meets all of the specifications described on page 9.
b. If the walking belt is overtightened, treadmill perfor-
mance may decrease and the walking belt may be-
come damaged. Remove the key and UNPLUG THE
POWER CORD. Using the allen wrench, turn both
rear roller adjustment bolts counterclockwise, 1/4 of a
turn. When the walking belt is properly tightened, you
should be able to lift each side of the walking belt 3 to
4 inches off the walking platform. Be careful to keep
the walking belt centered. Plug in the power cord, in-
sert the key, and run the treadmill for a few minutes.
Repeat until the walking belt is properly tightened.
c. If the walking belt still slows when walked on, call our Customer Service Department, toll-free.
PROBLEM: The walking belt is off-center or slips when walked on
SOLUTION: a. If the walking belt is off-center, first remove the key and
UNPLUG THE POWER CORD. If the walking belt has
shifted to the left, use the allen wrench to turn the left
rear roller bolt clockwise 1/2 of a turn; if the walking
belt has shifted to the right, turn the bolt counterclock-
wise 1/2 of a turn. Be careful not to overtighten the walk-
ing belt. Plug in the power cord, insert the key, and run
the treadmill for a few minutes. Repeat until the walking
belt is centered.
b. If the walking belt slips when walked on, first remove the
key and UNPLUG THE POWER CORD. Using the allen
wrench, turn both rear roller bolts clockwise, 1/4 of a
turn. When the walking belt is correctly tightened, you
should be able to lift each side of the walking belt 3 to 4
inches off the walking platform. Be careful to keep the
walking belt centered. Plug in the power cord, insert the
key, and carefully walk on the treadmill for a few min-
utes. Repeat until the walking belt is properly tightened.
PROBLEM: The incline of the treadmill does not change correctly
SOLUTION: a. With the key inserted in the console, press one of the INCLINE buttons. While the incline is
changing, remove the key. After a few seconds, re-insert the key. The treadmill will automati-
cally rise to the maximum incline level and then return to the minimum level. This will recalibrate
the incline.
Rear Roller Adjustment Bolts
3”–4”
b
a
b

19
CONDITIONING GUIDELINES
The following guidelines will help you to plan your ex-
ercise program. For more detailed exercise informa-
tion, obtain a reputable book or consult your physician.
EXERCISE INTENSITY
Whether your goal is to burn fat or to strengthen your
cardiovascular system, the key to achieving the
desired results is to exercise with the proper intensity.
The proper intensity level can be found by using your
heart rate as a guide. The chart below shows recom-
mended heart rates for fat burning and aerobic exercise.
To find the proper heart rate for you, first find your age
near the bottom of the chart (ages are rounded off to
the nearest ten years). Next, find the three numbers
above your age. The three numbers define your “train-
ing zone.” The lower two numbers are recommended
heart rates for fat burning; the higher number is the
recommended heart rate for aerobic exercise.
To measure your heart rate during exercise, use the
pulse sensor. If your heart rate is too high or too low,
adjust the speed and incline of the treadmill.
Fat Burning
To burn fat effectively, you must exercise at a relatively
low intensity level for a sustained period of time.
During the first few minutes of exercise, your body
uses easily accessible carbohydrate calories for en-
ergy. Only after the first few minutes does your body
begin to use stored fat calories for energy. If your goal
is to burn fat, adjust the speed and incline of the tread-
mill until your heart rate is near the lowest number in
your training zone.
For maximum fat burning, adjust the speed and incline
of the treadmill until your heart rate is near the middle
number in your training zone.
Aerobic Exercise
If your goal is to strengthen your cardiovascular sys-
tem, your exercise must be “aerobic.” Aerobic exercise
is activity that requires large amounts of oxygen for
prolonged periods of time. This increases the demand
on the heart to pump blood to the muscles, and on the
lungs to oxygenate the blood. For aerobic exercise,
adjust the speed and incline of the treadmill until your
heart rate is near the highest number in your training
zone.
WORKOUT GUIDELINES
Each workout should include the following three parts:
A Warm-up—Start each workout with 5 to 10 minutes
of stretching and light exercise. A proper warm-up in-
creases your body temperature, heart rate and circula-
tion in preparation for exercise.
Training Zone Exercise—After warming up, increase
the intensity of your exercise until your pulse is in your
training zone for 20 to 60 minutes. (During the first few
weeks of your exercise program, do not keep your
pulse in your training zone for longer than 20 minutes.)
Breathe regularly and deeply as you exercise—never
hold your breath.
A Cool-down—Finish each workout with 5 to 10 min-
utes of stretching to cool down. This will increase the
flexibility of your muscles and will help prevent post-ex-
ercise problems.
EXERCISE FREQUENCY
To maintain or improve your condition, complete three
workouts each week, with at least one day of rest be-
tween workouts. After a few months, you may com-
plete up to five workouts each week if desired. The key
to success is to make exercise a regular and enjoyable
part of your everyday life.
WARNING: Before beginning this
or any exercise program, consult your physi-
cian. This is especially important for individu-
als over the age of 35 or individuals with pre-
existing health problems.
The pulse sensor is not a medical device.
Various factors, including your movement,
may affect the accuracy of heart rate readings.
The sensor is intended only as an exercise aid
in determining heart rate trends in general.

20
SUGGESTED STRETCHES
The correct form for several basic stretches is shown at the right. Move slowly as you stretch—never bounce.
1. Toe Touch Stretch
Stand with your knees bent slightly and slowly bend forward
from your hips. Allow your back and shoulders to relax as you
reach down toward your toes as far as possible. Hold for 15
counts, then relax. Repeat 3 times. Stretches: Hamstrings, back
of knees and back.
2. Hamstring Stretch
Sit with one leg extended. Bring the sole of the opposite foot to-
ward you and rest it against the inner thigh of your extended
leg. Reach toward your toes as far as possible. Hold for 15
counts, then relax. Repeat 3 times for each leg. Stretches:
Hamstrings, lower back and groin.
3. Calf/Achilles Stretch
With one leg in front of the other, reach forward and place your
hands against a wall. Keep your back leg straight and your back
foot flat on the floor. Bend your front leg, lean forward and move
your hips toward the wall. Hold for 15 counts, then relax. Repeat
3 times for each leg. To cause further stretching of the achilles
tendons, bend your back leg as well. Stretches: Calves, achilles
tendons and ankles.
4. Quadriceps Stretch
With one hand against a wall for balance, reach back and grasp
one foot with your other hand. Bring your heel as close to your
buttocks as possible. Hold for 15 counts, then relax. Repeat 3
times for each leg. Stretches: Quadriceps and hip muscles.
5. Inner Thigh Stretch
Sit with the soles of your feet together and your knees outward.
Pull your feet toward your groin area as far as possible. Hold for
15 counts, then relax. Repeat 3 times. Stretches: Quadriceps
and hip muscles.
1
2
3
4
5

21
NOTES

22
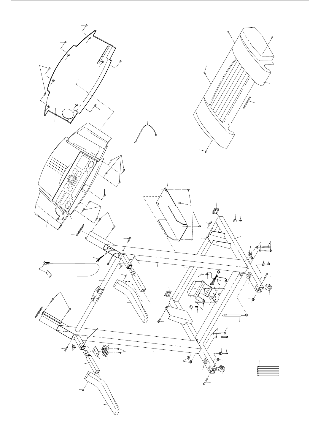
PART LIST—Model No. PFTL62510KD R0203A
To locate the parts listed below, refer to the EXPLODED DRAWING attached in the center of this manual.
Key No. Qty. Description Key No. Qty. Description
1 1 Motor Belt
2 1 Pulley/Flywheel/Fan
3 4 Motor Nut
4* 1 Motor/Pulley/
Flywheel/Fan
5 1 Incline Motor Bolt
6 1 Small Nut
7 1 Incline Motor
8 1 Stop Bracket
9* 1 Latch Assembly
10 1 Hood Bracket Plate
11 1 Rear Foot Spacer
12 1 Frame
13 2 Interface Bracket
14 1 Incline Motor Pivot Bolt
15 8 Incline Motor Nut/Wheel Nut
16 4 Guide Screw
17 4 Plastic Stand-off
18 2 Hood Bracket, Short
19 1 Hood Bracket, Long
20 2 Warning Decal
21 1 Reed Switch
22 1 Reed Switch Clip
23 1 Motor/Controller Wire
24 1 Controller
25 1 Electronics Bracket
26 1 Circuit Breaker
27 1 Power Cord
28 1 Power Cord Grommet
29 1 On/Off Switch
30 18 Hood Bracket Screw/Incline
Shield Screw
31 1 Incline Base
32 2 Frame Pivot Bolt
33 2 Frame Pivot Spacer
34 1 Wire Harness
35 1 Front Roller Adj. Bolt
36 2 Roller Adj. Washer
37 1 Motor Tension Nut
38 4 Motor Bolt
39 4 Cap Screw
40 1 Left Foot Rail Cap
41 2 Foot Rail
42 1 Front Roller/Pulley
43 1 Magnet
44 2 Platform Screw, Mid
45 2 Isolator
46 14 1/2” Screw
47 15 Plastic Fastener
48 1 Right Foam Grip
49 2 Belt Guide
50 1 Book Holder
51 1 Front Belly Pan
52 1 Power Supply
53 4 Cable Tie Clamp
54 4 Cable Tie
55 1 Walking Belt
56 1 Latch Spacer
57 1 Rear Roller
58 1 Belly Pan Spacer
59 2 Rear Foot
60 4 Rear Foot Screw
61 1 Ground Wire
62 5 Ground Wire Screw
63 1 Belly Pan
64 1 Rear Endcap
65 2 Rear Roller Adj. Bolt
66 1 Motor
67 1 Latch Decal
68 4 Platform Screw
69 2 Frame Guide Screw
70 1 Catch
71 1 Walking Platform
72 5 8” Cable Tie
73 1 Frame Guide
74 1 Motor Tension Bolt
75 2 Foot Rail Insert
76 15 1/2” Tek Screw
77 1 Console
78 1 Ground Washer
79 10 1 1/4” Tek Screw
80 2 Front Isolator
81 4 Motor Star Washer
82 1 Right Upright
83 2 Incline Base Pivot Bolt
84 1 Incline Disk
85 2 Handrail Extension
86 2 Wheel Bolt
87 1 Console Base
88 1 Motor Tension Washer
89 8 3/4” Screw
90 1 Key/Clip
91 1 Incline Motor Plate
92 1 Right Foot Rail Cap
93 1 Motor Tension Bushing
94 1 Motor Hood
95 2 Front Wheel
96 1 Incline Motor Shield
97 4 Thick Base Pad
98 1 Incline Sensor Switch
99 1 Upright Grommet
100 1 Allen Wrench
101 21 3/4” Tek Screw
102 1 20” Wire Harness

103 4 U-nut
104 2 Base Endcap
105 1 Shock
106 1 Choke
107 2 3 1/2” Bolt
108 4 1” Tek Screw
109 1 Pulse Bar
110 1 Left Foam Grip
111 1 Trim Guard
112 1 Shield
113 1 Small Bolt
114* 2 Extension Leg Assembly
115 1 Base
116 1 Console Base Bottom
117 2 Upright Cap
118 2 Incline Motor Spacer
119 2 Base Pad
120 1 Right Frame Guide
121 1 Pulse Wire
122 1 Left Upright
123 4 Upright Washer
124 4 2 1/2” Bolt
# 1 8” White Wire, 2F
# 1 4” White Wire, M/F
# 1 8” Blue Wire, 2F
# 1 4” Blue Wire, 2F
# 1 4” Black Wire, 2F
# 1 12” Green Wire, F/Ring
# 1 4” Green Wire, F/Ring
# 1 8” Green Wire, 2 Ring
# 1 4” Red Wire, M/F
# 1 User's Manual
# These parts are not illustrated
* Includes all parts shown in the box
Key No. Qty. Description Key No. Qty. Description
1/2” Tek Screw (76)–8
Wheel Nut (15)–2
Washer (123)–4
1 1/4” Tek Screw (79)–4
1/2” Screw (46)–7
1” Tek Screw
(108)–4
3 1/2” Bolt (107)–2
Wheel Bolt (86)–2
2 1/2” Bolt (124)–4
3/4” Tek Screw
(101)–2
Use the drawings below to identify small parts used during the assembly process (see pages 6–9).
PART IDENTIFICATION CHART
23

17
52
106
16
16
49
24
89 70
100
112
120 69
45
46
45
46
57
113
15
98
78
84
6
80
46
80
46
102
118
41
27
28
29
30
26
18
30
15
19
30
14
15
35
32
33
15
31
38
39
15
15
30 18
30
22
21
3
1
3
4*
2
39
40
92
33
43
42
32
68
44
41
71
55
68
44
101
101
47
47
47 62
53
54
59
60
62
61
64
65
60
59 47
63
57
67
51
66
36
65
36
68
68
12
75
75
37
74
81
23
93
88
16
16
11
25
58
101
62
30
16
49
47
13
13
8
10
EXPLODED DRAWING—Model No. PFTL62510KD R0203A

107
109
87
77
117
117
110
76
89
89
46
46
116
50
89
46
46
46
121
30
97
101
96
97
101
83
83
82
101
16
101
94
101
91
99
62
72
105
16
34
107
85
76
90
76
79
79
104
104
9
78
48
85
111
76
76
56
115
95
97
101
20
86
15
20
97
101
122
103
123
124
103
123
124
34
101
15
95
86
EXPLODED DRAWING—Model No. PFTL62510KD R0203A

Part No. 190629 R0203A Printed in USA © 2003 ICON Health & Fitness, Inc.
ORDERING REPLACEMENT PARTS
To order replacement parts, call our Customer Service Department toll-free at 1-800-999-3756, Monday through
Friday, 6 a.m. until 6 p.m. Mountain Time (excluding holidays). When ordering parts, please be prepared to give
the following information:
• The MODEL NUMBER OF THE PRODUCT (PFTL62510KD)
• The NAME OF THE PRODUCT (PROFORM®625 treadmill)
• The SERIAL NUMBER OF THE PRODUCT (see the front cover of this manual)
• The KEY NUMBER AND DESCRIPTION OF THE PART(S) (see the EXPLODED DRAWING attached in the
center of this manual and the PART LIST on page 22)
LIMITED WARRANTY
ICON Health & Fitness, Inc. (ICON), warrants this product to be free from defects in workmanship and
material, under normal use and service conditions, for a period of ninety (90) days from the date of pur-
chase. This warranty extends only to the original purchaser. ICON's obligation under this warranty is lim-
ited to replacing or repairing, at ICON's option, the product through one of its authorized service centers.
All repairs for which warranty claims are made must be pre-authorized by ICON. This warranty does not
extend to any product or damage to a product caused by or attributable to freight damage, abuse, mis-
use, improper or abnormal usage or repairs not provided by an ICON authorized service center; prod-
ucts used for commercial or rental purposes; or products used as store display models. No other war-
ranty beyond that specifically set forth above is authorized by ICON.
ICON is not responsible or liable for indirect, special or consequential damages arising out of or in con-
nection with the use or performance of the product or damages with respect to any economic loss, loss
of property, loss of revenues or profits, loss of enjoyment or use, costs of removal or installation or other
consequential damages of whatsoever nature. Some states do not allow the exclusion or limitation of in-
cidental or consequential damages. Accordingly, the above limitation may not apply to you.
The warranty extended hereunder is in lieu of any and all other warranties and any implied warranties of
merchantability or fitness for a particular purpose is limited in its scope and duration to the terms set
forth herein. Some states do not allow limitations on how long an implied warranty lasts. Accordingly, the
above limitation may not apply to you.
This warranty gives you specific legal rights. You may also have other rights which vary from state to
state.
ICON HEALTH & FITNESS, INC., 1500 S. 1000 W., LOGAN, UT 84321-9813