Proform Pftl795110 Performance 600 C Treadmill Users Manual
Proform-Pftl795110-Owner-S-Manual proform-pftl795110-owner-s-manual
2015-04-14
: Proform Proform-Pftl795110-Performance-600-C-Treadmill-Users-Manual-702123 proform-pftl795110-performance-600-c-treadmill-users-manual-702123 proform pdf
Open the PDF directly: View PDF
.
Page Count: 36

Serial Number
Decal
Model No. PFTL79511.0
Serial No.
Write the serial number in the space
above for reference.
CAUTION
Read all precautions and instruc-
tions in this manual before using
this equipment. Save this manual
for future reference.
QUESTIONS?
If you have questions, or if parts
are damaged or missing, DO NOT
CONTACT THE STORE; please
contact Customer Care.
IMPORTANT: Please register this
product (see the limited warranty
on the back cover of this manual)
before contacting Customer Care.
CALL TOLL-FREE:
1-888-533-1333
Mon.–Fri. 6 a.m.–6 p.m. MT
Sat. 8 a.m.–4 p.m. MT
ON THE WEB:
www.proformservice.com
USER’S MANUAL
www.proform.com

2
WARNING DECAL PLACEMENT . . . . . . . . . . . . . . . . . . . . . . . . . . . . . . . . . . . . . . . . . . . . . . . . . . . . . . . . . . . . . . .2
IMPORTANT PRECAUTIONS ..................................................................3
BEFORE YOU BEGIN. . . . . . . . . . . . . . . . . . . . . . . . . . . . . . . . . . . . . . . . . . . . . . . . . . . . . . . . . . . . . . . . . . . . . . . .5
PART IDENTIFICATION CHART. . . . . . . . . . . . . . . . . . . . . . . . . . . . . . . . . . . . . . . . . . . . . . . . . . . . . . . . . . . . . . . .6
ASSEMBLY . . . . . . . . . . . . . . . . . . . . . . . . . . . . . . . . . . . . . . . . . . . . . . . . . . . . . . . . . . . . . . . . . . . . . . . . . . . . . . . .7
OPERATION AND ADJUSTMENT .............................................................15
HOW TO FOLD AND MOVE THE TREADMILL . . . . . . . . . . . . . . . . . . . . . . . . . . . . . . . . . . . . . . . . . . . . . . . . . . .24
TROUBLESHOOTING ......................................................................25
EXERCISE GUIDELINES ....................................................................28
PART LIST. . . . . . . . . . . . . . . . . . . . . . . . . . . . . . . . . . . . . . . . . . . . . . . . . . . . . . . . . . . . . . . . . . . . . . . . . . . . . . . .30
EXPLODED DRAWING. . . . . . . . . . . . . . . . . . . . . . . . . . . . . . . . . . . . . . . . . . . . . . . . . . . . . . . . . . . . . . . . . . . . . .32
ORDERING REPLACEMENT PARTS. . . . . . . . . . . . . . . . . . . . . . . . . . . . . . . . . . . . . . . . . . . . . . . . . . . Back Cover
LIMITED WARRANTY. . . . . . . . . . . . . . . . . . . . . . . . . . . . . . . . . . . . . . . . . . . . . . . . . . . . . . . . . . . . . . . Back Cover
This drawing shows the locations of the
warning decals. If a decal is missing
or illegible, call the telephone number
on the front cover of this manual and
request a free replacement decal. Apply
the decal in the location shown. Note: The
decals may not be shown at actual size.
WARNING DECAL PLACEMENT
256836
PROFORM is a registered trademark of ICON IP, Inc.
TABLE OF CONTENTS

3
1. It is the responsibility of the owner to ensure
that all users of this treadmill are adequately
informed of all warnings and precautions.
2. Before beginning any exercise program,
consult your physician. This is especially
important for persons over age 35 or persons
with pre-existing health problems.
3. Use the treadmill only as described in this
manual.
4. The treadmill is intended for home use only.
Do not use the treadmill in any commercial,
rental, or institutional setting.
5. Keep the treadmill indoors, away from mois-
ture and dust. Do not put the treadmill in a
garage or covered patio, or near water.
6. Place the treadmill on a level surface, with
at least 8 ft. (2.4 m) of clearance behind it
and 2 ft. (0.6 m) on each side. Do not place
the treadmill on any surface that blocks air
openings. To protect the floor or carpet from
damage, place a mat under the treadmill.
7. Do not operate the treadmill where aerosol
products are used or where oxygen is being
administered.
8. Keep children under age 12 and pets away
from the treadmill at all times.
9. The treadmill should be used only by per-
sons weighing 325 lbs. (147 kg) or less.
10. Never allow more than one person on the
treadmill at a time.
11. Wear appropriate exercise clothes while
using the treadmill. Do not wear loose
clothes that could become caught in the
treadmill. Athletic support clothes are recom-
mended for both men and women. Always
wear athletic shoes. Never use the treadmill
with bare feet, wearing only stockings, or in
sandals.
12. Plug the power cord into a surge suppressor
(not included), and plug the surge suppres-
sor into an appropriate outlet (see page 15).
To avoid overloading the circuit, do not plug
other electrical devices, except for low-power
devices such as cell phone chargers, into
the surge suppressor or into an outlet on the
same circuit.
13. Use only a surge suppressor that meets all of
the specifications described on page 15. To
purchase a surge suppressor, see your local
PROFORM dealer, call the telephone number
on the front cover of this manual, or see your
local electronics store.
14. Failure to use a properly functioning surge
suppressor could result in damage to the
control system of the treadmill. If the control
system is damaged, the walking belt may
slow, accelerate, or stop unexpectedly, which
may result in a fall and serious injury.
15. Keep the power cord and the surge suppres-
sor away from heated surfaces.
16. Never move the walking belt while the power
is turned off. Do not operate the treadmill
if the power cord or plug is damaged, or if
the treadmill is not working properly. (See
TROUBLESHOOTING on page 25 if the tread-
mill is not working properly.)
17. Read, understand, and test the emergency
stop procedure before using the treadmill
(see HOW TO TURN ON THE POWER on
page 17).
18. Never start the treadmill while you are stand-
ing on the walking belt. Always hold the
handrails while using the treadmill.
19. The treadmill is capable of high speeds.
Adjust the speed in small increments to
avoid sudden jumps in speed.
WARNING: To reduce the risk of burns, fire, electric shock, or injury to persons, read
all important precautions and instructions in this manual and all warnings on your treadmill before
using your treadmill. ICON assumes no responsibility for personal injury or property damage sus-
tained by or through the use of this product.
IMPORTANT PRECAUTIONS

4
20. The heart rate monitor is not a medical
device. Various factors, including the user’s
movement, may affect the accuracy of heart
rate readings. The heart rate monitor is
intended only as an exercise aid in determin-
ing heart rate trends in general.
21. Never leave the treadmill unattended while
it is running. Always remove the key, press
the power switch into the off position (see
the drawing on page 5 for the location of the
power switch), and unplug the power cord
when the treadmill is not in use.
22. Do not attempt to move the treadmill until
it is properly assembled. (See ASSEMBLY
on page 7 and HOW TO FOLD AND MOVE
THE TREADMILL on page 24.) You must be
able to safely lift 45 lbs. (20 kg) to move the
treadmill.
23. When folding or moving the treadmill, make
sure that the storage latch is holding the
frame securely in the storage position.
24. Do not change the incline of the treadmill by
placing objects under the treadmill.
25. Never insert any object into any opening on
the treadmill.
26. Inspect and properly tighten all parts of the
treadmill regularly.
27. DANGER: Always unplug the power
cord immediately after use, before clean-
ing the treadmill, and before performing the
maintenance and adjustment procedures
described in this manual. Never remove the
motor hood unless instructed to do so by an
authorized service representative. Servicing
other than the procedures in this manual
should be performed by an authorized ser-
vice representative only.
28. Over exercising may result in serious injury
or death. If you feel faint or if you experience
pain while exercising, stop immediately and
cool down.
SAVE THESE INSTRUCTIONS

5
Thank you for selecting the revolutionary
PROFORM® PERFORMANCE 600 C treadmill. The
PERFORMANCE 600 C treadmill offers an impres-
sive selection of features designed to make your
workouts at home more enjoyable and effective. And
when you’re not exercising, the unique treadmill can
be folded up, requiring less than half the floor space of
other treadmills.
For your benefit, read this manual carefully before
using the treadmill. If you have questions after
reading this manual, please see the front cover of this
manual. To help us assist you, please note the product
model number and serial number before contacting us.
The model number and the location of the serial num-
ber decal are shown on the front cover of this manual.
Before reading further, please review the drawing
below and familiarize yourself with the labeled parts.
BEFORE YOU BEGIN
Handrail
Upright
Tray
Key/Clip
Power Switch
Walking Belt
Platform Cushion
Foot Rail
Power Cord
Idler Roller
Adjustment Screws
Console
Heart Rate
Monitor
Length: 6 ft. 8 in. (203 cm)
Width: 3 ft. 1 in. (94 cm)

6
PART IDENTIFICATION CHART
Use the drawings below to identify small parts used for assembly. The number in parentheses below each draw-
ing is the key number of the part, from the PART LIST near the end of this manual. The number following the key
number is the quantity used for assembly. Note: If a part is not in the hardware kit, check to see if it is preat-
tached. Extra parts may be included.
#8 x 3/4" Screw
(2)—4
5/16" x 1/2"
Screw (8)—4
3/8" x 1 3/4" Bolt (4)—1
3/8" x 2" Bolt (3)—1 3/8" x 2 1/2" Bolt (20)—2
3/8" x 2 3/4" Screw (5)—4
5/16" Star
Washer (11)—8 3/8" Star
Washer (13)—4
3/8" Nut (12)—4
#10 Star
Washer (14)—4
#10 x 3/4" Screw
(7)—4
#8 x 1/2" Screw
(1)—10
3/8" x 1 1/4"
Screw (6)—4
5/16" x 2 1/2"
Screw (10)—4
#8 x 1/2" Silver
Screw (9)—1

7
• To hire a service technician to assemble this
product in your home, call 1-800-445-2480.
• Assembly requires two persons.
• Place all parts in a cleared area and remove the
packing materials. Do not dispose of the packing
materialsuntilyounishallassemblysteps.
• After shipping, there may be an oily substance
on the exterior of the treadmill. This is normal. If
there is an oily substance on the treadmill, wipe
it off with a soft cloth and a mild, non-abrasive
cleaner.
• Left parts are marked “L” or “Left” and right parts
are marked “R” or “Right.”
• To identify small parts, see page 6.
• Assembly requires the following tools:
the included hex keys
an adjustable wrench
one Phillips screwdriver
scissors
To avoid damaging parts, do not use power tools.
ASSEMBLY
1. Make sure that the power cord is unplugged.
Pull the Upright Wire (78) and the base ground
wire (A) through the indicated hole in the
Base (95).
If there is a screw (B) preinstalled in the side
of the Base (95), remove and discard it. Attach
the ground wire (A) to the Base with a #8 x 1/2"
Silver Screw (9).
Press the Grommet (90) into the square hole in
the Base (95).
78
1
95
90
Hole
9
A
B

8
2. Identify the Left Upright (79). Have a second
person hold the Left Upright near the Base (95).
See the inset drawing. Tie the wire tie in the
Left Upright (79) securely around the end of the
Upright Wire (78). Then, pull the other end of the
wire tie until the Upright Wire is routed through
the Left Upright.
78
2
78
79
Wire
Tie
Wire
Tie
79
95
78
3. Hold the Left Upright (79) against the Base (95).
Be careful not to pinch the Upright Wire (78).
Insert two 3/8" x 1 1/4" Screws (6) with two 3/8"
Star Washers (13) and two 3/8" x 2 3/4" Screws
(5) into the Left Upright.
Partially tighten the 3/8" x 2 3/4" Screws (5) and
the 3/8" x 1 1/4" Screws (6) until the heads of the
Screws touch the Left Upright (79); do not fully
tighten the Screws yet. Note: It may be helpful
to use the short hex key on the Screw shown.
Attach the Right Upright (not shown) in the
same way. Note: There are no wires on the right
side.
79
95
3
Hex
Key
78
6
5
13
13

9
4. Identify the Left Base Cover (81) and the Right
Base Cover (89). Slide the Left Base Cover onto
the Left Upright (79). Slide the Right Base Cover
onto the Right Upright (88). Do not press the
Base Covers into place yet.
Identify the Left Bottom Handrail Cover (84) and
the Right Bottom Handrail Cover (87). Slide the
Left Bottom Handrail Cover onto the Left Upright
(79). Slide the Right Bottom Handrail Cover onto
the Right Upright (88).
79
81
87
88
84 89
4
5. Attach the Left Handrail (83) to the Left Upright
(79) with two 5/16" x 2 1/2" Screws (10) and
two 5/16" Star Washers (11). Make sure that
the Upright Wire (78) is resting to the side as
shown and is not pinched. Fully tighten the
Screws.
Attach the Right Handrail (86) to the Right
Upright (88) with two 5/16" x 2 1/2" Screws (10)
and two 5/16" Star Washers (11). Fully tighten
the Screws.
Remove the wire tie from the Upright Wire (78).
88
5
86
83
79
78
11
10
11
10
Wire
Tie

10
6. If there are four screws (C) in the locations
shown, remove and discard them. 6
C
C
7. Set the console assembly on the Left Handrail
(83) and the Right Handrail (86). Make sure not
to pinch any wires (D, 78).
Attach the console assembly with four 5/16" x
1/2" Screws (8) and four 5/16" Star Washers
(11). Do not tighten the Screws yet.
7Console
Assembly
83
86
8
11
8
D
11
78

11
8. Attach the console assembly to the Handrails
(83, 86) with four #10 x 3/4" Screws (7) and four
#10 Star Washers (14) as shown. Start all four
Screws, and then tighten them.
14
8
14
7
86
83
7
Console
Assembly
9. Connect the Upright Wire (78) to the console
wire (D). See the inset drawing. The connec-
tors should slide together easily and snap
into place. If they do not, turn one connector
and try again. IF YOU DO NOT CONNECT THE
CONNECTORS PROPERLY, THE CONSOLE
MAY BECOME DAMAGED WHEN YOU TURN
ON THE POWER.
Insert the excess wires (D, 78) into the console
assembly.
Firmly tighten the four 5/16" x 1/2" Screws (8)
(only two are shown).
Console
Assembly
78
78
D
9
D
8

12
10. Attach the Left Handrail Cover (82) and the Right
Handrail Cover (85) to the Handrails (83, 86) with
three #8 x 1/2" Screws (1) each. Do not over-
tighten the Screws. 1
85
82 1
83
1
86
1
10
11. Slide the Left Bottom Handrail Cover (84) up
against the Left Handrail Cover (82) and attach
the Left Bottom Handrail Cover with two #8
x 1/2" Screws (1). Do not overtighten the
Screws.
Attach the Right Bottom Handrail Cover (87)
as described above.
11
82 1
1
87
84
1
1

13
12. Firmly tighten the four 3/8" x 2 3/4" Screws (5)
and then the four 3/8" x 1 1/4" Screws (6) (only
one side is shown).
Press the Left Base Cover (81) and the Right
Base Cover (89) onto the Base (95) until they
snap into place.
12
89
6
81
95
5
13. Raise the Frame (63) to the position shown.
Have a second person hold the Frame until
this step is completed.
Orient the Storage Latch (57) so that the large
barrel and the latch knob are oriented as shown.
Attach the lower end of the Storage Latch (57) to
the Base (95) with a 3/8" x 2" Bolt (3) and a 3/8"
Nut (12).
Attach the upper end of the Storage Latch (57)
to the bracket on the Frame (63) with a 3/8" x
1 3/4" Bolt (4) and a 3/8" Nut (12).
13
57
12
Large
Barrel
63
4
Latch
Knob
12 3
95

14
15. Make sure that all parts are properly tightened before you use the treadmill. If there are sheets of plastic
on the treadmill decals, remove the plastic. To protect the floor or carpet, place a mat under the treadmill.
Note: Extra parts may be included. Keep the included hex keys in a secure place; one of the hex keys is used
to adjust the walking belt (see pages 26 and 27).
14. Attach the Wheels (92) to the Base (95) with two
3/8" x 2 1/2" Bolts (20) and two 3/8" Nuts (12).
Do not overtighten the Bolts. The Wheels
must spin freely.
Lower the Frame (63) (see HOW TO LOWER
THE TREADMILL FOR USE on page 24).
14
95
20
20
12
63
12
92
92

15
OPERATION AND ADJUSTMENT
HOW TO CONNECT THE POWER CORD
Use a Surge Suppressor
Your treadmill, like other electronic equipment, can be
damaged by sudden voltage changes in your home’s
power. Voltage surges, spikes, and noise interfer-
ence can result from weather conditions or from other
appliances being turned on or off. To decrease the
risk of damaging the treadmill, always use a surge
suppressor with the treadmill. To purchase a surge
suppressor, see precaution 13 on page 3.
Use only a surge suppressor that is UL 1449 listed as a
transient voltage surge suppressor (TVSS). The surge
suppressor must have a UL suppressed voltage rating
of 400 volts or less and a minimum surge dissipation of
450 joules. The surge suppressor must also be electri-
cally rated for 120 volts AC and 15 amps. There must
be a monitoring light on the surge suppressor to indi-
cate whether it is functioning properly. Failure to use a
properly functioning surge suppressor could result
in damage to the control system of the treadmill
and serious injury to users.
Plug in the Power Cord
The treadmill must be grounded. If it should malfunc-
tion or break down, grounding provides a path of least
resistance for electric current to reduce the risk of elec-
tric shock. The treadmill power cord has a plug with a
grounding pin (see drawing 1 on this page).
Plug the power cord into a surge suppressor, and plug
the surge suppressor into an appropriate outlet that is
properly installed and grounded in accordance with all
local codes and ordinances. The outlet must be on a
nominal 120-volt circuit capable of carrying 15 or
more amps. To avoid overloading the circuit, do
not plug other electrical devices, except for low-
power devices such as cell phone chargers, into
the surge suppressor or into an outlet on the same
circuit. IMPORTANT: The treadmill is not compat-
ible with GFCI-equipped outlets and may not be
compatible with AFCI-equipped outlets.
A temporary
adapter may
be used to
connect the
surge sup-
pressor to
a 2-pole
receptacle
if a properly
grounded
outlet is not
available.
The lug or wire extending from the adapter must
be connected with a metal screw to a permanent
ground such as a properly grounded outlet box cover.
Some 2-pole receptacle outlet box covers are not
grounded. Before using an adapter, contact a quali-
fied electrician to determine whether the outlet box
cover is grounded. The temporary adapter should
be used only until a properly grounded outlet can
be installed by a qualified electrician.
DANGER: Improper connection
of the power cord increases the risk of elec-
tric shock. Do not modify the plug—if it will
not fit an outlet, have a proper outlet installed
by a qualified electrician. If you are unsure
whether the treadmill is properly grounded,
contact a qualified electrician.
1
Surge
Suppressor
Grounding Pin
Grounded Outlet
2
Adapter
2-pole Receptacle
Lug
Grounding Pin
Metal
Screw

16
ETPF79511
(PFTL79511)
FEATURES OF THE CONSOLE
The treadmill console offers an impressive array of
features designed to make your workouts more effec-
tive and enjoyable. When you use the manual mode,
you can change the speed and incline of the treadmill
with the touch of a button. As you exercise, the console
will display instant exercise feedback. You can even
measure your heart rate using the handgrip heart rate
monitor.
In addition, the console features twenty-two onboard
workouts—six speed workouts, five incline workouts,
five intensity workouts, and six calorie workouts. Each
workout automatically controls the speed and incline
of the treadmill as it guides you through an effective
exercise session.
The console also features an iFit mode that enables
the treadmill to communicate with your wireless
network through an optional iFit module. With the
iFit mode, you can download personalized workouts,
create your own workouts, track your workout results,
race against other iFit users, and access many other
features. To purchase an iFit module at any time, go
to www.iFit.com or call the telephone number on
the front cover of this manual.
You can even listen to your favorite workout music or
audio books with the console’s stereo sound system
while you exercise. This treadmill has been designed
specifically to work with iPod and has been certified by
the developer to meet Apple performance standards.
To turn on the power, see page 17. To use the man-
ual mode, see page 17. To use an onboard workout,
see page 20. To use a set-a-goal workout, see page
21. To use an iFit workout, see page 21. To use the
stereo sound system, see page 22. To use the infor-
mation mode, see page 23.
IMPORTANT: If there are sheets of plastic on the
console, remove the plastic. To prevent damage
to the walking platform, wear clean athletic shoes
while using the treadmill. The rst time you use
the treadmill, observe the alignment of the walking
belt, and center the walking belt if necessary (see
page 27).
CONSOLE DIAGRAM

17
HOW TO TURN ON THE POWER
IMPORTANT: If the treadmill has been exposed to
cold temperatures, allow it to warm to room tem-
perature before turning on the power. If you do not
do this, you may damage the console displays or
other electrical components.
Plug in the power cord
(see page 15). Next, locate
the power switch on the
treadmill frame near the
power cord. Press the
power switch into the reset
position.
IMPORTANT: The console features a display demo
mode, designed to be used if the treadmill is dis-
played in a store. If the displays light as soon as
you plug in the power cord and press the power
switch into the reset position, the demo mode is
turned on. To turn off the demo mode, hold down
the Stop button for a few seconds. If the displays
remain lit, see THE INFORMATION MODE on page
23 to turn off the demo mode.
Next, stand on the
foot rails of the
treadmill. Find the
clip attached to the
key and slide the
clip onto the waist-
band of your clothes.
Then, insert the key
into the console.
After a moment, the
displays will light.
IMPORTANT: In an emergency, the key can be
pulled from the console, causing the walking belt
to slow to a stop. Test the clip by carefully taking
a few steps backward; if the key is not pulled from
the console, adjust the position of the clip.
HOW TO USE THE MANUAL MODE
1. Insert the key into the console.
See HOW TO TURN ON THE POWER at the left.
2. Select the manual mode.
Press the Manual button on the console. If you
are not connected to iFit, the manual mode will be
selected automatically.
3. Start the walking belt.
To start the walking belt, press the Start button, the
Speed increase button, or one of the numbered
Quick Speed buttons.
If you press the Start button or the Speed increase
button, the walking belt will begin to move at 1
mph. As you exercise, change the speed of the
walking belt as desired by pressing the Speed
increase and decrease buttons. Each time you
press one of the buttons, the speed setting will
change by 0.1 mph; if you hold down the button,
the speed setting will change in increments of 0.5
mph. Note: After you press the button, it may take
a moment for the walking belt to reach the selected
speed setting.
If you press one of the numbered Quick Speed
buttons, the walking belt will gradually change
speed until it reaches the selected speed setting.
To select a speed setting that includes a decimal—
such as 3.5 mph—press two numbered buttons in
succession. For example, to select a speed setting
of 3.5 mph, press the 3 button and then immedi-
ately press the 5 button. Note: This will not function
if the console is set to metric units.
To stop the walking belt, press the Stop button. The
time will begin to flash in the display. To restart the
walking belt, press the Start button or the Speed
increase button.
Reset
ETPF79511
(PFTL79511)
Key
Clip

18
4. Change the incline of the treadmill as desired.
To change the incline of the treadmill, press the
Incline increase or decrease button or one of the
numbered Quick Incline buttons. Each time you
press one of the buttons, the treadmill will gradually
adjust to the selected incline setting.
5. Follow your progress with the displays.
As you walk or run on the treadmill, the display can
show the following workout information:
•Theelapsedtime
•Thedistancethatyouhavewalkedorrun
• Theworkoutintensitybar
•Theapproximatenumberofcaloriesyouhave
burned
•Theinclinelevelofthetreadmill
• Thenumberofverticalfeetyouhaveclimbed
•Thespeedofthewalkingbelt
•Yourheartrate(seestep6onpage19)
• Thematrix
The matrix offers several display tabs. Press the
increase and decrease buttons next to the Enter
button or press the Display button until the desired
tab is shown.
TheInclinetabwillshowaproleoftheinclineset-
tings of the workout. A new segment will appear at
the end of each minute.
TheSpeedtabwillshowaproleofthespeedset-
tings of the workout.
The My Trail tab will show a track that represents
1/4 mile (400 m). Asyouexercise,theashing
rectangle will show your progress. The My Trail tab
will also show the number of laps you complete.
The Calorie tab will show the approximate amount
of calories you have burned. The height of each
segment represents the amount of calories burned
during that segment. Note: When you select
the Calorie tab, the calorie display will show the
approximate number of calories burned per hour.
As you exercise, the workout intensity level bar will
indicate the approximate intensity level of your
exercise.
Press the Home button to return to the default
menu (see THE INFORMATION MODE on page
23 to set the default menu). If necessary, press the
Home button again.
When a wireless iFit module
is connected, the wireless
symbol at the top of the dis-
play will show the strength
of your wireless signal.
Four arcs indicate full signal
strength.
To reset the displays, press the Stop button, re-
move the key, and then reinsert the key.

19
6. Measure your heart rate if desired.
Before using
the hand-
grip heart
rate monitor,
remove the
sheets of plas-
tic from the
metal contacts
on the pulse
bar. In addi-
tion, make
sure that your hands are clean.
To measure your heart rate, stand on the foot
rails and hold the pulse bar with your palms on the
metal contacts; avoid moving your hands. When
your pulse is detected, several dashes will appear
and then your heart rate will be shown. For the
most accurate heart rate reading, continue to
hold the contacts for about 15 seconds.
7. Turn on the fan if desired.
The fan features multiple
speed settings. Press
the fan increase or de-
crease button to select a
fan speed or to turn off
the fan. Note: If the fan
is on when the walking
belt is stopped, the fan
will turn off automatically
after a few minutes.
8. When you are finished exercising, remove the
key from the console.
Step onto the foot rails, press the Stop button, and
adjust the incline of the treadmill to the lowest
setting. The incline must be at the lowest set-
ting or you may damage the treadmill when you
fold it to the storage position. Next, remove the
key from the console and put it in a secure place.
When you are finished using the treadmill, press
the power switch into the off position and unplug
the power cord. IMPORTANT: If you do not do
this, the treadmill’s electrical components may
wear prematurely.
Contacts
Decrease
Increase

20
HOW TO USE AN ONBOARD WORKOUT
1. Insert the key into the console.
See HOW TO TURN ON THE POWER on page 17.
2. Select an onboard workout.
To select an onboard workout, press the Speed
button, the Incline button, the Intensity button,
or the Calorie button repeatedly until the desired
workout appears in the display.
When you select an onboard workout, the displays
will show the maximum incline, the duration, the
distance, the maximum speed, and the name of the
workout.Inaddition,aproleofthespeedsettings
of the workout will appear in the matrix. If you se-
lect a calorie workout, the approximate number of
calories you will burn will appear in the name of the
workout.
3. Start the workout.
Press the Start button or the Speed increase button
to start the workout. A moment after you press the
button, the treadmill will automatically adjust to the
first speed and incline settings of the workout. Hold
the handrails and begin walking.
Each workout is divided into segments. One speed
setting and one incline setting are programmed for
each segment. Note: The same speed setting and/
or incline setting may be programmed for consecu-
tive segments.
During the
workout, the
prolewill
show your
progress.
Theashing
segment of
theprole
represents the current segment of the workout. The
heightoftheashingsegmentindicatesthespeed
setting for the current segment. At the end of each
segment, a series of tones will sound and the next
segmentoftheprolewillbegintoash.Ifanew
speed and/or incline setting is programmed for the
next segment, the new speed and/or incline setting
will appear in the displays for a few seconds and
the treadmill will automatically adjust to the new
speed and/or incline setting.
The workout will continue in this way until the last
segmentoftheproleashesinthedisplayandthe
last segment ends. The walking belt will then slow
to a stop.
Note: The calorie goal is an estimate of the
number of calories that you will burn during
the workout. The actual number of calories
that you burn will depend on various factors
such as your weight. In addition, if you manu-
ally change the speed or incline of the treadmill
during the workout, the number of calories you
burn will be affected.
If the speed or incline setting is too high or too low
at any time during the workout, you can manu-
ally override the setting by pressing the Speed or
Incline buttons; however, when the next segment
of the workout begins, the treadmill will auto-
matically adjust to the speed and incline set-
tings for the next segment.
To stop the workout at any time, press the Stop
button. The time will begin to flash in the display.
To resume the workout, press the Start button or
the Speed increase button. The walking belt will
begin to move at 1 mph. When the next segment of
the workout begins, the treadmill will automatically
adjust to the speed and incline settings for the next
segment.
4. Follow your progress with the displays.
See step 5 on page 18.
5. Measure your heart rate if desired.
See step 6 on page 19.
6. Turn on the fan if desired.
See step 7 on page 19.
7. When you are finished exercising, remove the
key from the console.
See step 8 on page 19.
Current Segment

21
HOW TO USE A SET-A-GOAL WORKOUT
1. Insert the key into the console.
See HOW TO TURN ON THE POWER on page 17.
2. Select a set-a-goal workout.
To select a set-a-goal workout, press the Set A
Goal button on the console.
Use the increase and decrease buttons next to
the Enter button to set a calorie, time, or distance
goal, and then press the Enter button. Next, press
the increase and decrease buttons next to the
Enter button to select a goal. Press the Speed and
Incline buttons to select the speed and incline for
the workout. The screen will show the duration and
distance of the workout, and the approximate num-
ber of calories you will burn during the workout.
3. Start the workout.
Press the Start button to start the workout. A
moment after you press the button, the walking belt
will begin to move. Hold the handrails and begin
walking.
The workout will function in the same way as the
manual mode (see pages 17 to 19).
The workout will continue until you reach the goal
that you set. The walking belt will then slow to a
stop.
Note: The calorie goal is an estimate of the
number of calories that you will burn during the
workout. The actual number of calories that you
burn will depend on various factors such as
your weight.
4. Follow your progress with the displays.
See step 5 on page 18.
5. Measure your heart rate if desired.
See step 6 on page 19.
6. Turn on the fan if desired.
See step 7 on page 19.
7. When you are finished exercising, remove the
key from the console.
See step 8 on page 19.
HOW TO USE AN IFIT WORKOUT
Note: To use an iFit workout, you must have an
optional iFit module. To purchase an iFit module at
any time, go to www.iFit.com or call the telephone
number on the front cover of this manual. You must
also have access to a computer with a USB port and
an internet connection. In addition, you must have
access to a wireless network including an 802.11b/g/n
router with SSID broadcast enabled (hidden networks
are not supported). An iFit.com membership is also
required.
1. Insert the key into the console.
See HOW TO TURN ON THE POWER on page 17.
2. Insert the iFit module into the console.
To insert the iFit module, see the instructions in-
cluded with the iFit module.
IMPORTANT: To satisfy exposure compliance
requirements, the antenna and transmitter in
the iFit module must be at least 8 in. (20 cm)
from all persons and must not be near or con-
nected to any other antenna or transmitter.
3. Select a user.
If more than one user is registered, you can switch
users in the iFit main screen. Press the increase
and decrease buttons next to the Enter button to
select a user.
4. Select an iFit workout.
To select an iFit workout, press one of the iFit but-
tons. Before some workouts will download, you
must add them to your schedule on www.iFit.com.
To download an iFit workout in your schedule,
press the Map, Train, or Lose Wt. button to down-
load the next workout of that type in your schedule.
To compete in a race that you have previously
scheduled, press the Compete button.

22
To re-run a recent iFit workout from your schedule,
first press the Track button. Next, press the in-
crease and decrease buttons to select the desired
workout. Then, press the Enter button to start the
workout.
Note: Before some workouts will download, you
must add them to your schedule on iFit.com.
For more information about the iFit workouts,
please see www.iFit.com.
When you select an iFit workout, the display will
show the duration of the workout, the distance you
will walk or run, and the approximate number of
calories you will burn. The display may also show
the name of the workout. If you select a competi-
tion workout, the display will count down to the be-
ginning of the race.
Note: Each iFit button can also run two demo work-
outs. To use the demo workouts, remove the iFit
module from the console and press one of the iFit
buttons.
5. Start the workout.
See step 3 on page 20.
During some workouts, the voice of an audio
coach will guide you through your workout. You
can select a setting for your audio coach (see THE
INFORMATION MODE on page 23).
To stop the workout at any time, press the Stop
button.Thetimewillbegintoashinthedisplay.
To resume the workout, press the Start button or
the Speed increase button. The walking belt will
begin to move at thespeedsettingfortherstseg-
ment of the workout. When the next segment of
the workout begins, the treadmill will automatically
adjust to the speed and incline settings for the next
segment.
6. Follow your progress with the displays.
See step 5 on page 18.
During a competition workout, the Compete tab
will show your progress in the race. As you race,
the top line in the matrix will show how much of the
race you have completed. The other lines will show
your top four competitors. The end of the matrix
represents the end of the race.
7. Measure your heart rate if desired.
See step 6 on page 19.
8. Turn on the fan if desired.
See step 7 on page 19.
9. When you are finished exercising, remove the
key from the console.
See step 8 on page 19.
For more information about the iFit mode, go to
www.iFit.com.
HOW TO USE THE STEREO SOUND SYSTEM
To play music or audio books through the console’s
stereo speakers, you must connect your MP3 player,
CD player, or other personal audio player to the con-
sole through the audio jack.
To use the MP3 jack, plug your audio cable into the
MP3 jack on the console. Then plug your audio cable
into a jack on your MP3 player, CD player, or other per-
sonal audio player. Make sure that your audio cable
is fully plugged in.
Next, press the play button
on your MP3 player, CD
player, or other personal
audio player. Adjust the vol-
ume on your personal audio
player or press the volume
increase and decrease but-
tons on the console.
If you are using a personal CD player and the CD
skips,settheCDplayerontheoororanotheratsur-
face instead of on the console.
Decrease
Increase

23
THE INFORMATION MODE
The console features an information mode that keeps
track of treadmill information and allows you to person-
alize console settings.
1. Select the information mode.
To select the information mode, hold down the Stop
button while inserting the key into the console and
then release the Stop button. When the information
mode is selected, the following information will be
shown:
The time display will show the total number of
hours that the treadmill has been used.
The distance display will show the total number
of miles (or kilometers) that the walking belt has
moved.
The lower section of the display will show the
status of an iFit module. If an iFit module is con-
nected, the display will show the words WIFI
MODULE. If a USB module is connected, the
display will show the words USB/SD MODULE. If
no module is connected, the display will show the
words NO IFIT MODULE.
2. Select the optional screens.
While the information mode is selected, the matrix
will display several optional screens. Press the
decrease button next to the Enter button to select
each of the following screens:
UNITS—To change the unit of measurement, press
the Enter button. To view distance in miles, select
ENGLISH. To view distance in kilometers, select
METRIC.
DEMO—The console features a display demo
mode, designed to be used if the treadmill is dis-
played in a store. While the demo mode is turned
on, the console will function normally when you
plug in the power cord, press the power switch
into the reset position, and insert the key into the
console. However, when you remove the key, the
displays will remain lit, although the buttons will not
function. If the demo mode is turned on, the word
ON will appear in the matrix. To turn on or turn off
the demo mode, press the Enter button.
CONTRAST LVL—Press the Incline increase and
decrease buttons to adjust the contrast level of the
display.
If a module is connected, you may also select the
following screen:
TRAINER VOICE—To turn on or turn off the voice
of the personal trainer, press the Enter button.
If an iFit module is connected, you may also select
the following screens:
DEFAULT MENU—The default menu will appear
when you insert the key into the console or when
you press the Home button. Press the Enter button
repeatedly to select the manual main screen or the
iFit screen as the default menu.
CHECK WIFI STATUS—Press the Enter button
to check the status of your iFit module. The lower
display will show the software version number, the
network SSID, the network encryption type, the
connection status, the wireless signal strength, the
IP address of the module, the number of registered
users and their names, the results of the DNS
lookup, and the status of the iFit server.
SEND/RECEIVE DATA—To send and receive
workouts, workout logs, and updates, press the
Enterbutton.Whentheprocessisnished,the
words TRANSFERS DONE will appear in the
display.
3. Exit the information mode.
To exit the information mode, remove the key from
the console.

24
HOW TO FOLD THE TREADMILL
To avoid damaging the treadmill, adjust the incline
to the lowest position before you fold the treadmill.
Then, remove the key and unplug the power cord.
CAUTION: You must be able to safely lift 45 lbs. (20
kg) to raise, lower, or move the treadmill.
1. Hold the metal frame firmly in the location shown
by the arrow below. CAUTION: Do not hold the
frame by the plastic foot rails. Bend your legs
and keep your back straight.
2. Raise the frame until the latch knob locks in the
storage position. CAUTION: Make sure that the
latch knob locks.
To protect the floor or carpet, place a mat under the
treadmill. Keep the treadmill out of direct sunlight.
Do not leave the treadmill in the storage position in
temperatures above 85° F (30° C).
HOW TO MOVE THE TREADMILL
Before moving the treadmill, fold it as described at the
left. CAUTION: Make sure that the latch knob is
locked in the storage position. Moving the treadmill
may require two people.
1. Hold the frame and one of the handrails, and place
one foot against a wheel.
2. Pull back on the handrail until the treadmill will roll
on the wheels, and carefully move it to the desired
location. CAUTION: Do not move the treadmill
without tipping it back, do not pull on the frame,
and do not move the treadmill over an uneven
surface.
3. Place one foot against a wheel, and carefully lower
the treadmill.
HOW TO LOWER THE TREADMILL FOR USE
1. See drawing 2. Hold the upper end of the tread-
mill frame with your right hand. Then, pull the latch
knob to the left. IMPORTANT: Do not turn the
latch knob. If necessary, push the frame forward
slightly. Pivot the frame downward a few inches,
and release the latch knob.
2. See drawing 1 at the left. Hold the metal frame
firmly with both hands, and lower it to the floor.
CAUTION: Do not hold the frame by the plastic
foot rails, and do not drop the frame. Bend your
legs and keep your back straight.
HOW TO FOLD AND MOVE THE TREADMILL
Handrail
Frame
Wheel
Frame
1
Latch
Knob
2
Frame
1

25
Most treadmill problems can be solved by follow-
ing the simple steps below. Find the symptom that
applies, and follow the steps listed. If further assis-
tance is needed, see the front cover of this manual.
SYMPTOM: The power does not turn on
a. Make sure that the power cord is plugged into a
surge suppressor, and that the surge suppressor
is plugged into a properly grounded outlet (see
page 15). Use only a surge suppressor that meets
all of the specifications described on page 15.
IMPORTANT: The treadmill is not compatible
with GFCI-equipped outlets and may not be
comaptible with AFCI-equipped outlets.
b. After the power cord has been plugged in, make
sure that the key is inserted into the console.
c. Check the power switch located on the treadmill
frame near the power cord. If the switch protrudes
as shown, the switch has tripped. To reset the
power switch, wait for five minutes and then press
the switch back in.
SYMPTOM: The power turns off during use
a. Check the power switch (see the drawing above).
If the switch has tripped, wait for five minutes and
then press the switch back in.
b. Make sure that the power cord is plugged in. If the
power cord is plugged in, unplug it, wait for five
minutes, and then plug it back in.
c. Remove the key from the console, and then
reinsert it.
d. If the treadmill still will not run, please see the front
cover of this manual.
SYMPTOM: The console displays remain lit when
you remove the key from the console
a. The console features a display demo mode,
designed to be used if the treadmill is displayed in
a store. If the displays remain lit when you remove
the key, the demo mode is turned on. To turn off
the demo mode, hold down the Stop button for a
few seconds. If the displays are still lit, see THE
INFORMATION MODE on page 23 to turn off the
demo mode.
SYMPTOM: The displays of the console do not
function properly
a. Remove the key from the console and UNPLUG
THE POWER CORD. Remove the seven #8 x 3/4"
Truss Head Screws (16). Carefully pivot the Motor
Hood (64) off.
TROUBLESHOOTING
Reset
Tripped
c
64
16
16
a16
16

26
Locate the Reed Switch (52) and the Magnet (53)
on the left side of the Pulley (54). Turn the Pulley
until the Magnet is aligned with the Reed Switch.
Make sure that the gap between the Magnet
and the Reed Switch is about 1/8 in. (3 mm). If
necessary, loosen the #8 x 3/4" Tek Screw (15),
move the Reed Switch slightly, and then retighten
the Screw. Reattach the Motor Hood (not shown)
and run the treadmill for a few minutes to check for
a correct speed reading.
SYMPTOM: The incline of the treadmill does not
change correctly
a. Hold down the Stop button and the Speed increase
button, insert the key into the console, and then
release the Stop button and the Speed increase
button. Press the Stop button and then press the
Incline increase or decrease button. The tread-
mill will automatically rise to the maximum incline
level and then return to the minimum level. This will
recalibrate the incline system. If the incline does not
begin calibrating, press the Stop button again, and
then press the Incline increase or decrease button
again. When the incline is calibrated, remove the
key from the console.
SYMPTOM: The walking belt slows when walked on
a. Use only a surge suppressor that meets all of the
specifications described on page 15.
b. If the walking belt is overtightened, treadmill per-
formance may decrease and the walking belt may
become damaged. Remove the key and UNPLUG
THE POWER CORD. Using the hex key, turn both
idler roller screws counterclockwise, 1/4 of a turn.
When the walking belt is properly tightened, you
should be able to lift each edge of the walking belt
2 to 3 in. (5 to 7 cm) off the walking platform. Be
careful to keep the walking belt centered. Then,
plug in the power cord, insert the key, and run the
treadmill for a few minutes. Repeat until the walk-
ing belt is properly tightened.
c. Your treadmill features a walking belt coated with
high-performance lubricant. IMPORTANT: Never
apply silicone spray or other substances to
the walking belt or the walking platform unless
instructed to do so by an authorized service
representative. Such substances may deterio-
rate the walking belt and cause excessive wear.
If you suspect the walking belt needs more lubri-
cant, see the front cover of this manual.
d. If the walking belt still slows when walked on, see
the front cover of this manual.
53
15
52
1/8 in.
54
Idler Roller Screws
2–3 in.
b
Top
View

27
SYMPTOM: The walking belt is off-center or slips
when walked on
a. If the walking belt is off-center, first remove the
key and UNPLUG THE POWER CORD. If the
walking belt has shifted to the left, use the hex
key to turn the left idler roller screw clockwise 1/2
of a turn; if the walking belt has shifted to the
right, turn the left idler roller screw counterclock-
wise 1/2 of a turn. Be careful not to overtighten the
walking belt. Then, plug in the power cord, insert
the key, and run the treadmill for a few minutes.
Repeat until the walking belt is centered.
b. If the walking belt slips when walked on, first
remove the key and UNPLUG THE POWER
CORD. Using the hex key, turn both idler roller
screws clockwise, 1/4 of a turn. When the walk-
ing belt is correctly tightened, you should be able
to lift each edge of the walking belt 2 to 3 in. (5 to
7 cm) off the walking platform. Be careful to keep
the walking belt centered. Then, plug in the power
cord, insert the key, and carefully walk on the tread-
mill for a few minutes. Repeat until the walking belt
is properly tightened.
a
b

28
EXERCISE GUIDELINES
These guidelines will help you to plan your exercise
program. For detailed exercise information, obtain a
reputable book or consult your physician. Remember,
proper nutrition and adequate rest are essential for
successful results.
EXERCISE INTENSITY
Whether your goal is to burn fat or to strengthen your
cardiovascular system, exercising at the proper inten-
sity is the key to achieving results. You can use your
heart rate as a guide to find the proper intensity level.
The chart below shows recommended heart rates for
fat burning and aerobic exercise.
To find the proper intensity level, find your age at the
bottom of the chart (ages are rounded off to the near-
est ten years). The three numbers listed above your
age define your “training zone.” The lowest number is
the heart rate for fat burning, the middle number is the
heart rate for maximum fat burning, and the highest
number is the heart rate for aerobic exercise.
Burning Fat—To burn fat effectively, you must exer-
cise at a low intensity level for a sustained period of
time. During the first few minutes of exercise, your
body uses carbohydrate calories for energy. Only after
the first few minutes of exercise does your body begin
to use stored fat calories for energy. If your goal is to
burn fat, adjust the intensity of your exercise until your
heart rate is near the lowest number in your training
zone. For maximum fat burning, exercise with your
heart rate near the middle number in your training
zone.
Aerobic Exercise—If your goal is to strengthen your
cardiovascular system, you must perform aerobic
exercise, which is activity that requires large amounts
of oxygen for prolonged periods of time. For aerobic
exercise, adjust the intensity of your exercise until your
heart rate is near the highest number in your training
zone.
WORKOUT GUIDELINES
Warming Up—Start with 5 to 10 minutes of stretch-
ing and light exercise. A warm-up increases your body
temperature, heart rate, and circulation in preparation
for exercise.
Training Zone Exercise—Exercise for 20 to 30 min-
utes with your heart rate in your training zone. (During
the first few weeks of your exercise program, do not
keep your heart rate in your training zone for longer
than 20 minutes.) Breathe regularly and deeply as you
exercise; never hold your breath.
Cooling Down—Finish with 5 to 10 minutes of stretch-
ing. Stretching increases the flexibility of your muscles
and helps to prevent post-exercise problems.
EXERCISE FREQUENCY
To maintain or improve your condition, complete three
workouts each week, with at least one day of rest
between workouts. After a few months of regular exer-
cise, you may complete up to five workouts each week,
if desired. Remember, the key to success is to make
exercise a regular and enjoyable part of your everyday
life.
WARNING: Before beginning this
or any exercise program, consult your physi-
cian. This is especially important for persons
over age 35 or persons with pre-existing
health problems.
The heart rate monitor is not a medical device.
Various factors may affect the accuracy of
heart rate readings. The heart rate monitor is
intended only as an exercise aid in determin-
ing heart rate trends in general.

29
SUGGESTED STRETCHES
The correct form for several basic stretches is shown at the right. Move slowly as you stretch —never bounce.
1. Toe Touch Stretch
Stand with your knees bent slightly and slowly bend forward from
your hips. Allow your back and shoulders to relax as you reach down
toward your toes as far as possible. Hold for 15 counts, then relax.
Repeat 3 times. Stretches: Hamstrings, back of knees and back.
2. Hamstring Stretch
Sit with one leg extended. Bring the sole of the opposite foot toward
you and rest it against the inner thigh of your extended leg. Reach
toward your toes as far as possible. Hold for 15 counts, then relax.
Repeat 3 times for each leg. Stretches: Hamstrings, lower back and
groin.
3. Calf/Achilles Stretch
With one leg in front of the other, reach forward and place your
hands against a wall. Keep your back leg straight and your back foot
flat on the floor. Bend your front leg, lean forward and move your
hips toward the wall. Hold for 15 counts, then relax. Repeat 3 times
for each leg. To cause further stretching of the achilles tendons,
bend your back leg as well. Stretches: Calves, achilles tendons and
ankles.
4. Quadriceps Stretch
With one hand against a wall for balance, reach back and grasp one
foot with your other hand. Bring your heel as close to your buttocks
as possible. Hold for 15 counts, then relax. Repeat 3 times for each
leg. Stretches: Quadriceps and hip muscles.
5. Inner Thigh Stretch
Sit with the soles of your feet together and your knees outward.
Pull your feet toward your groin area as far as possible. Hold for 15
counts, then relax. Repeat 3 times. Stretches: Quadriceps and hip
muscles.
1
2
3
4
5

30
Key No. Qty. Description Key No. Qty. Description
1 42 #8 x 1/2" Screw
2 28 #8 x 3/4" Screw
3 1 3/8" x 2" Bolt
4 1 3/8" x 1 3/4" Bolt
5 4 3/8" x 2 3/4" Screw
6 4 3/8" x 1 1/4" Screw
7 4 #10 x 3/4" Screw
8 4 5/16" x 1/2" Screw
9 1 #8 x 1/2" Silver Screw
10 4 5/16" x 2 1/2" Screw
11 10 5/16" Star Washer
12 4 3/8" Nut
13 4 3/8" Star Washer
14 4 #10 Star Washer
15 17 #8 x 3/4" Tek Screw
16 7 #8 x 3/4" Truss Head Screw
17 14 #8 x 3/4" Pan Head Tek Screw
18 2 Incline Motor Spacer
19 2 1/4" x 2 1/2" Screw
20 2 3/8" x 2 1/2" Bolt
21 5 #8 x 1/2" Machine Screw
22 1 3/8" x 1 1/2" Bolt
23 1 3/8" x 2" Bolt
24 1 Power Cord Grommet
25 2 #8 x 1 3/4" Screw
26 4 #8 Belt Guide Screw
27 2 5/16" Motor Scew
28 2 1/2" x 2 1/4" Bolt
29 2 3/8" x 1" Bolt
30 4 5/16" x 1 3/4" Bolt
31 1 1/4" x 1" Screw
32 1 1/4" Star Washer
33 4 5/16" Flat Washer
34 2 1/2" Nut
35 4 3/8" Jam Nut
36 4 5/16" Nut
37 5 Hood Clip
38 4 Rubber Grommet
39 6 #8 x 5/8" Screw
40 2 5/16" x 1 1/2" Screw
41 4 #4 Fan Screw
42 1 Left Front Isolator Top
43 2 Rear Isolator Top
44 4 Isolator
45 4 Isolator Bottom
46 1 Walking Belt
47 1 Warning Decal
48 1 Walking Platform
49 2 Belt Guide
50 1 Left Foot Rail
51 1 Reed Switch Clip
52 1 Reed Switch
53 1 Magnet
54 1 Idler Roller/Pulley
55 4 Cable Tie
56 1 Right Front Isolator Top
57 1 Storage Latch
58 1 Drive Motor
59 1 Motor Belt
60 2 Rear Foot
61 1 Idler Roller
62 1 Right Foot Rail
63 1 Frame
64 1 Motor Hood
65 1 Hood Accent
66 2 Frame Spacer
67 2 Incline Frame Spacer
68 1 Stop Bracket
69 1 Incline Motor
70 1 Incline Leg
71 1 Controller
72 1 Controller Bracket
73 2 Belly Pan Post
74 1 Power Switch
75 1 Belly Pan
76 1 Left Rear Cover
77 1 Right Rear Cover
78 1 Upright Wire
79 1 Left Upright
80 2 Caution Decal
81 1 Left Base Cover
82 1 Left Handrail Cover
83 1 Left Handrail
84 1 Left Bottom Handrail Cover
85 1 Right Handrail Cover
86 1 Right Handrail
87 1 Right Bottom Handrail Cover
88 1 Right Upright
89 1 Right Base Cover
90 2 Grommet
91 4 Base pad
92 2 Wheel
93 2 Base Cap
94 1 Power Cord
95 1 Base
96 1 Console Frame
97 2 Console Bracket
98 2 Console Ground Wire
99 1 Key/Clip
100 1 Fan
PART LIST Model No. PFTL79511.0 R1012B

31
Key No. Qty. Description Key No. Qty. Description
101 1 Console
102 1 Left Tray
103 1 Right Tray
104 2 Tie
105 1 Console Base
106 1 Console Trim
107 1 Pulse Bar
108 1 Pulse Bar Bottom
109 1 Fan Cover
110 1 Fan Grill
* – User’s Manual
Note: Specifications are subject to change without notice. For information about ordering replacement parts, see
the back cover of this manual. *These parts are not illustrated.

32
26
3
45
44
2
15
56 12
57
49
36
33
38
28
32
31
30
16
25
21
55
27
21
25
52
53
54
15
51
30
28
38
16
33
36
26
49
46
47
50
45
44 45
44
15
2
43
15
2
42
43
30
61
19
36
33
38
60
17 19
30
62
4
12
58
59
15
45
44
2
63
39
39
39
39
39
39
48
16
17
15
76
17
60
17
15
17
77
36
33
38
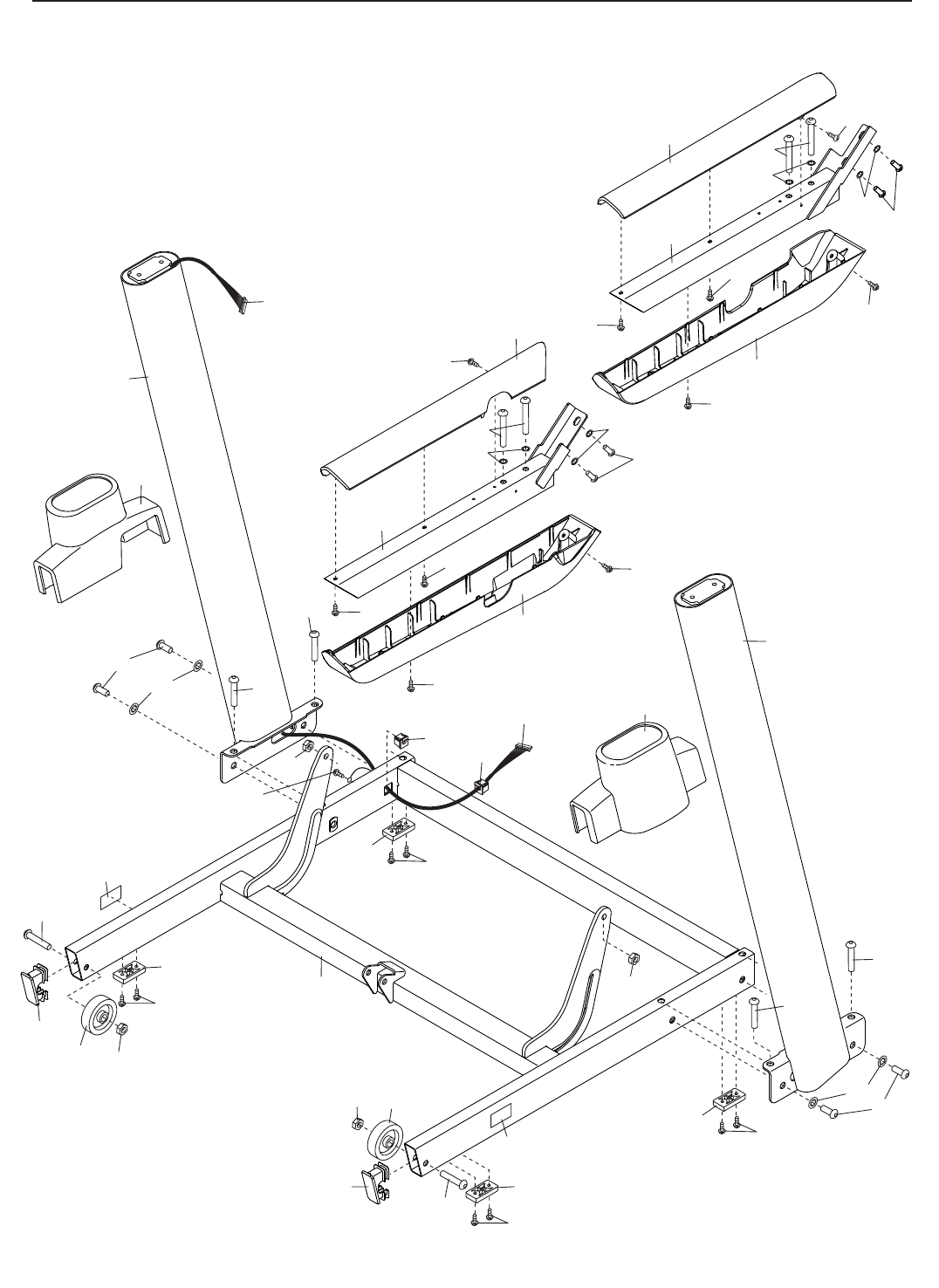
EXPLODED DRAWING A Model No. PFTL79511.0 R1012B

33
17
17
37
2
17
75
37
74
2
73
73
2
37
2
72
24
94
2
2
71
34
21
66
67
29
70
34
66
35
22
29
67
69
23
35
68
65
64
16
16
16
18
37
37
EXPLODED DRAWING B Model No. PFTL79511.0 R1012B

34
91
12 92
20
20
12
15
91
95
88
80
89
15
91
78
90
9
35
13
6
5
81
79
78
1
11
85
86
11
8
82
83
1
1
1
1
5
5
13
6
35
91 15
5
15
1
1
1
1
8
11
10
11
10
87
84
90
1
93
93
92
80
EXPLODED DRAWING C Model No. PFTL79511.0 R1012B

35
40
1
2
2
96
97
97
21
98
1
1
1
2
1
21
41
41
14
7
11
1
14
11
1
1
1
1
1
105
2
104
1
1
1
1
1
101
102
103
1
1
106
107
108
7
110
109
99
2
2
100
EXPLODED DRAWING D Model No. PFTL79511.0 R1012B

Part No. 336478 R1012B Printed in USA © 2012 ICON IP, Inc.
ICON Health & Fitness, Inc. (ICON) warrants this product to be free from defects in workmanship and
material, under normal use and service conditions. The frame and drive motor are warranted for a lifetime.
Parts are warranted for two (2) years from the date of purchase. Labor is warranted for one (1) year from
the date of purchase.
This warranty extends only to the original purchaser (customer). ICON’s obligation under this warranty is
limited to repairing or replacing, at ICON’s option, the product through one of its authorized service centers.
All repairs for which warranty claims are made must be preauthorized by ICON. If the product is shipped
to a service center, freight charges to and from the service center will be the customer’s responsibility. If
replacement parts are shipped while the product is under warranty, the customer will be responsible for a
minimal handling charge. For in-home service, the customer will be responsible for a minimal trip charge.
This warranty does not extend to freight damage to the product. This warranty will automatically be voided
if the product is used as a store display model, if the product is purchased or transported outside the USA,
if all instructions in this manual are not followed, if the product is abused or improperly or abnormally used,
oriftheproductisusedforcommercialorrentalpurposes.Nootherwarrantybeyondthatspecicallyset
forth above is authorized by ICON.
ICON is not responsible or liable for indirect, special, or consequential damages arising out of or in con-
nection with the use or performance of the product; damages with respect to any economic loss, loss of
property,lossofrevenuesorprots,lossofenjoymentoruse,orcostsofremovalorinstallation;orother
consequential damages of any kind. Some states do not allow the exclusion or limitation of incidental or
consequential damages. Accordingly, the above limitation may not apply to the customer.
The warranty extended hereunder is in lieu of any and all other warranties, and any implied warranties of
merchantabilityortnessforaparticularpurposearelimitedintheirscopeanddurationtothetermsset
forth herein. Some states do not allow limitations on how long an implied warranty lasts. Accordingly, the
above limitation may not apply to the customer.
Thiswarrantyprovidesspeciclegalrights;thecustomermayhaveotherrightsthatvaryfromstatetostate.
ICON Health & Fitness, Inc., 1500 S. 1000 W., Logan, UT 84321-9813
LIMITED WARRANTY
IMPORTANT: You must register this product within 30 days of the purchase date to avoid added
fees for service needed under warranty. Go to www.proformservice.com/registration.
To order replacement parts, please see the front cover of this manual. To help us assist you, be prepared to pro-
vide the following information when contacting us:
• the model number and serial number of the product (see the front cover of this manual)
• the name of the product (see the front cover of this manual)
• the key number and description of the replacement part(s) (see the PART LIST and the EXPLODED DRAWING
near the end of this manual)
ORDERING REPLACEMENT PARTS