Proform Pftl998060 Perspective Es Treadmill Users Manual NTL10850 214878
Proform-Pftl998060-Owner-S-Manual proform-pftl998060-owner-s-manual
PROFORM-Treadmill-Perspective-ES
2015-04-14
: Proform Proform-Pftl998060-Perspective-Es-Treadmill-Users-Manual-702225 proform-pftl998060-perspective-es-treadmill-users-manual-702225 proform pdf
Open the PDF directly: View PDF
.
Page Count: 30

USER'S MANUAL
CAUTION
Read all precautions and instruc-
tions in this manual before using
this equipment. Save this manual
for future reference.
Serial Number Decal
Model No. PFTL99806.0
Serial No.
Find the serial number in the location
shown below. Write the serial number
in the space above for reference.
QUESTIONS?
As a manufacturer, we are com-
mitted to providing complete
customer satisfaction.If you
have questions, or if parts are
damaged or missing, PLEASE
CONTACT OUR CUSTOMER
SERVICE DEPARTMENT
DIRECTLY.
CALL TOLL-FREE:
1-888-533-1333
Mon.–Fri., 6 a.m.–6 p.m. MST
ON THE WEB:
www.proformservice.com
Visit our website at
www.proform.com
new products, prizes,
fitness tips, and much more!
V

TABLE OF CONTENTS
IMPORTANT PRECAUTIONS . . . . . . . . . . . . . . . . . . . . . . . . . . . . . . . . . . . . . . . . . . . . . . . . . . . . . . . . . . . . . . . . .3
BEFORE YOU BEGIN . . . . . . . . . . . . . . . . . . . . . . . . . . . . . . . . . . . . . . . . . . . . . . . . . . . . . . . . . . . . . . . . . . . . . . .6
ASSEMBLY . . . . . . . . . . . . . . . . . . . . . . . . . . . . . . . . . . . . . . . . . . . . . . . . . . . . . . . . . . . . . . . . . . . . . . . . . . . . . . .7
OPERATION AND ADJUSTMENT . . . . . . . . . . . . . . . . . . . . . . . . . . . . . . . . . . . . . . . . . . . . . . . . . . . . . . . . . . . .13
HOW TO FOLD AND MOVE THE TREADMILL . . . . . . . . . . . . . . . . . . . . . . . . . . . . . . . . . . . . . . . . . . . . . . . . . .21
TROUBLESHOOTING . . . . . . . . . . . . . . . . . . . . . . . . . . . . . . . . . . . . . . . . . . . . . . . . . . . . . . . . . . . . . . . . . . . . . .22
CONDITIONING GUIDELINES . . . . . . . . . . . . . . . . . . . . . . . . . . . . . . . . . . . . . . . . . . . . . . . . . . . . . . . . . . . . . . .25
PART LIST . . . . . . . . . . . . . . . . . . . . . . . . . . . . . . . . . . . . . . . . . . . . . . . . . . . . . . . . . . . . . . . . . . . . . . . . . . . . . . .26
ORDERING REPLACEMENT PARTS . . . . . . . . . . . . . . . . . . . . . . . . . . . . . . . . . . . . . . . . . . . . . . . . . .Back Cover
LIMITED WARRANTY . . . . . . . . . . . . . . . . . . . . . . . . . . . . . . . . . . . . . . . . . . . . . . . . . . . . . . . . . . . . . . .Back Cover
Note: An EXPLODED DRAWING is attached in the center of this manual.
PROFORM is a registered trademark of ICON IP, Inc.
2

1. It is the responsibility of the owner to ensure
that all users of this treadmill are adequately
informed of all warnings and precautions.
2. Use the treadmill only as described.
3. Place the treadmill on a level surface, with at
least eight feet of clearance behind it and two
feet on each side. Do not place the treadmill
on any surface that blocks air openings. To
protect the floor or carpet from damage, place
amat under the treadmill.
4. Keep the treadmill indoors, away from mois-
ture and dust. Do not put the treadmill in a
garage or covered patio, or near water.
5. Do not operate the treadmill where aerosol
products are used or where oxygen is being
administered.
6. Keep children under the age of 12 and pets
away from the treadmill at all times.
7. The treadmill should not be used by persons
weighing more than 350 pounds.
8. Never allow more than one person on the
treadmill at a time.
9. Wear appropriate exercise clothes when
using the treadmill. Do not wear loose clothes
that could become caught in the treadmill.
Athletic support clothes are recommended for
both men and women.
Always wear athletic
shoes. Never use the treadmill with bare feet,
wearing only stockings, or in sandals.
10. When connecting the power cord (see page 13),
plug the power cord into a surge suppressor
(not included) and plug the surge suppressor
into a grounded circuit capable of carrying 15
or more amps. No other appliance should be on
the same circuit. Do not use an extension cord.
11. Use only a single-outlet surge suppressor that
meets all of the specifications described on
page 13. To purchase a surge suppressor, see
your local PROFORM dealer or call the toll-
free telephone number on the front cover of
this manual and order part number 146148, or
see your local electronics store.
12. Failure to use a properly functioning surge
suppressor could result in damage to the con-
trol system of the treadmill. If the control sys-
tem is damaged, the walking belt may change
speed, accelerate, or stop unexpectedly,
which may result in a fall and serious injury.
13. Keep the power cord and the surge suppres-
sor away from heated surfaces.
14. Never move the walking belt while the power
is turned off. Do not operate the treadmill if
the power cord or plug is damaged, or if the
treadmill is not working properly. (See
TROUBLESHOOTING on page 22 if the tread-
mill is not working properly.)
15. Read, understand, and test the emergency
stop procedure before using the treadmill (see
HOW TO TURN ON THE POWER on page 15).
16. Never start the treadmill while you are stand-
ing on the walking belt. Always hold the
handrails while using the treadmill.
17. The treadmill is capable of high speeds.
Adjust the speed in small increments to avoid
sudden jumps in speed.
18. The pulse sensor is not a medical devices.
Various factors, including the user's move-
ment, may affect the accuracy of heart rate
readings. The pulse sensor is intended only
as an exercise aid in determining heart rate
trends in general.
19. Never leave the treadmill unattended while it
is running. Always remove the key, unplug the
power cord, and switch the reset/off circuit
breaker to the “off” position when the tread-
mill is not in use. (See the drawing on page 6
for the location of the reset/off circuit breaker.)
20. Do not attempt to raise, lower, or move the
treadmill until it is properly assembled. (See
ASSEMBLY on page 7, and HOW TO FOLD
AND MOVE THE TREADMILL on page 21.) You
must be able to safely lift 45 pounds (20 kg) to
raise, lower, or move the treadmill.
WARNING: To reduce the risk of burns, fire, electric shock, or injury to persons, read the
following important precautions and information before operating the treadmill.
IMPORTANT PRECAUTIONS
3

21. Do not change the incline of the treadmill by
placing objects under the treadmill.
22. When folding or moving the treadmill, make
sure that the frame is held securely by the pin
onthe latch knob.
23. Inspect and properly tighten all parts of the
treadmill regularly.
24. Never insert or drop any object into any
opening.
25. DANGER: Always unplug the power
cord immediately after use, before cleaning
the treadmill, and before performing the main-
tenance and adjustment procedures de-
scribed in this manual. Never remove the
motor hood unless instructed to do so by an
authorized service representative. Servicing
other than the procedures in this manual
should be performed by an authorized service
representative only.
26. The treadmill is intended for in-home use
only. Do not use the treadmill in any commer-
cial, rental, or institutional setting.
27. If an outside antenna or cable system is con-
nected, be sure that the antenna or cable sys-
tem is grounded to provide some protection
against voltage surges and built-up static
charges. Section 810 of the National
Electrical Code, ANSI/NFPA No. 70-1984, pro-
vides information with respect to proper
grounding of the mast and supporting struc-
ture, grounding of the lead-in wire to an an-
tenna discharge unit, size of grounding con-
ductors, location of antenna discharge unit,
connection to grounding electrodes, and re-
quirements for the grounding electrode.
28. An outside antenna system should not be lo-
cated in the vicinity of overhead power lines
or other electric light or power circuits, or
where it can fall into such power lines or cir-
cuits. When installing an outside antenna sys-
tem, extreme care should be taken to keep
from touching such power lines or circuits, as
contact with them might be fatal.
29. To reduce the risk of electric shock, do not re-
move the cover or the back of the television.
There are no user serviceable parts inside.
Refer servicing to qualified service personnel.
30. Upon completion of any service or repairs to
the treadmill or the television, ask the service
technician to perform safety checks to con-
firm that the unit is in proper operating con-
dition.
•Use No. 10 AWG (5.3mm2)copper, No. 8
AWG (8.4mm2)aluminum, No. 17 AWG
(1.0mm2)copper-clad steel or bronze wire,
or larger as a ground wire.
•Secure an antenna lead-in and ground wires
to the house with stand-off insulators
spaced from 4 to 6 feet (1.22 to 1.83m)
apart.
•Mount an antenna discharge unit as close
as possible to where the lead-in enters the
house.
•Use a jumper wire not smaller than No. 6
AWG (13.3mm2)copper, or the equivalent
when a separate antenna-grounding elec-
trode is used. See NEC Section 810-21 (j).
Note to CATV system installer: This reminder is
provided to call the CATV system installer’s at-
tention to Article 820-40 of the NEC that provides
guidelines for proper grounding and, in particu-
lar, specifies that the cable ground shall be con-
nected to the grounding system of the building,
as close to the point of cable entry as practical.
4

5
WARNING: Before beginning this or any exercise program, consult your physician. This
is especially important for persons over the age of 35 or persons with pre-existing health problems.
Read all instructions before using. ICON assumes no responsibility for personal injury or property
damage sustained by or through the use of this product.
SAVE THESE INSTRUCTIONS
Power Lines
Ground
Clamps
Ground
Clamps
Ground
Clamp
Bonding
Jumper
Standoff
Insulators
Antenna
Lead-in Wire
Ground Wire
Ground
Wire Antenna
Discharge Unit
ToExternal Antenna
Terminal of Treadmill
Mast
Service
Entrance
Equipment
Power Service Grounding
Electrode System (e.g.
Interior Metal Water Pipe)
Service
Entrance
Conductors
Optional Antenna Grounding Electrode Driven 8
Feet (2.44m) Into The Earth (If Required By Local
Codes). See NEC Section 810–21 (f).
The decals shown here have been placed on the
treadmill. If a decal is missing or illegible, call
the toll-free telephone number on the front
cover of this manual and order a free replace-
ment decal. Apply the decal in the location
shown. Note: The decals may not be shown at
actual size.

6
Thank you for selecting the revolutionary PROFORM™
PERSPECTIVE ES treadmill. The PERSPECTIVE ES
treadmill offers an impressive selection of features de-
signed to make your workouts at home more enjoyable
and effective. And when you’re not exercising, the
unique PERSPECTIVE ES treadmill can be folded up,
requiring less than half the floor space of other tread-
mills.
For your benefit, read this manual carefully before
you use the treadmill. If you have questions after
reading this manual, please see the front cover of this
manual. To help us assist you, note the product model
number and serial number before calling. The model
number of the treadmill is PFTL99806.0. The serial
number can be found on a decal attached to the tread-
mill (see the front cover of this manual for the location).
To avoid a registration fee for any service needed
under warranty, you must register the treadmill at
www.proformservice.com/registration.
Before reading further, please review the drawing
below and familiarize yourself with the labeled parts.
BEFORE YOU BEGIN
Handrail
Fan
Personal Television/Console Book Holder
Key/Clip
Reset/Off
Circuit Breaker
Walking Belt
Foot Rail Power Cord
Cushioned Walking Platform
Rear Roller
Adjustment Bolts
Accessory Tray
Pulse Sensor

7
ASSEMBLY
Tohire an authorized service technician to assemble the treadmill, call toll-free 1-800-445-2480.
Assembly requires two persons. Set the treadmill in a cleared area and remove all packing materials. Do not
dispose of the packing materials until assembly is completed.
Note: The underside of the treadmill walking belt is coated with high-performance lubricant. During shipping, a
small amount of lubricant may be transferred to the top of the walking belt or the shipping carton. This is a normal
condition and does not affect treadmill performance. If there is lubricant on top of the walking belt, simply wipe off
the lubricant with a soft cloth and a mild, non-abrasive cleaner.
Assembly requires the included hex key and your own phillips screwdriver . For help
identifying the assembly hardware, see the drawings below. The number in parentheses below each drawing
is the key number of the part, from the PART LIST on pages 26 and 27. The number following the parentheses is
the quantity needed for assembly. Note: Some small parts may have been preassembled. If a part is not in
the parts bag, check to see if it has been preassembled. To avoid damaging plastic parts, do not use
power tools for assembly.
w(123)–2
1/2” Silver Screw
(48)–1
3/4” Tek Screw (58)–4
3
Spacer Screw (60)–2
1
4 1/2” Bolt (78)–4
1
Washer (96)–8
nsion Leg
N(106)–4
2
Star Washer
(90)–10
Nut (38)–2
3/8
5/16
Upright Bolt (72)–4
3/4” Screw (4)–4
Console Bolt (72)–4
Upper Latch Bolt (XX)–1 Lower Latch Bolt (XX)–1
Handrail Bolt (64)–6
1. Make sure that the power cord is unplugged.
With the help of a second person, raise the front
of the treadmill and insert the crossbar on the
Base (83) into the cutout in the cardboard stand
as shown. Have the second person hold the
treadmill to prevent it from moving forward
or backward until assembly step 2 is com-
pleted.
83
Cardboard
Stand
1
WARNING: Serious injury
may occur if the treadmill moves for-
ward or backward and falls off the card-
board stand. A second person must
hold the treadmill until assembly step 2
is completed to prevent the treadmill
from moving, tipping, or falling.

8
2. Identify the Left Upright (73) and the Right
Upright (74). Hold the Right Upright near the
Right Base Cover (77) as shown. Insert the
Upright Wire Harness (75) up through the rec-
tangular hole in the bottom of the Right Upright
and out of the top of the Right Upright.
Gently pull up on the Upright Wire Harness (75)
as you set the Right Upright (74) on the Base
(83) inside the Right Base Cover (77). Be care-
ful not to pinch the Upright Wire Harness.
Attach the Right Upright (74) to the Base (83)
with two Upright Bolts (72) and two Star
Washers (90). Note: It may be necessary to tip
the tops of the Uprights forward slightly as you
thread the Upright Bolts (72) into the Uprights.
Hold Left Upright (73) near the Left Base Cover
(76), and insert the TV Cable (49) and the AV
Cable (97) up through the rectangular hole in the
bottom of the Left Upright and out of the top of
the Left Upright. Attach the Left Upright to the
Base (83) with two Upright Bolts and two Star
Washers (not shown).
With the help of a second person, lower the
treadmill off the cardboard stand.
83
76
75
77
2
74
73
49
97
90
72
3. Identify the Right Upright Sleeve (96) and the
Left Upright Sleeve (95). Slide the Right Upright
Sleeve onto the Right Upright (74) and the Left
Upright Sleeve onto the Left Upright (73). 95
“Right”
“Left”
96
3
74
73

9
4. With the help of a second person, hold the con-
sole assembly near the Uprights (73, 74).
Connect the Upright Wire Harness (75) to the
Console Wire Harness (71). Make sure to con-
nect the connectors properly (see the inset
drawing). The connectors should slide to-
gether easily and snap into place. If they do
not, turn one connector and try again. IF THE
CONNECTORS ARE NOT CONNECTED
PROPERLY, THE CONSOLE MAY BE DAM-
AGED WHEN THE POWER IS TURNED ON. 71
Console
Assembly
4
75
74
5. Connect the TV Cable (49) and the AV Cable
(97) to the cables extending from the console
assembly. Then, insert the connectors down into
the Uprights (73, 74).
Next, insert the brackets on the Handrails (99)
into the Right Upright (74) and the Left Upright
(73). Make sure that no wires are pinched.
49
73
97
5
74
99
6. Finger tighten three Handrail Bolts (64) with
three Star Washers (90) into the Right Upright
(74). Next, finger tighten three Handrail Bolts
with three Star Washers (not shown) into the
Left Upright (73). Then, firmly tighten the six
Handrail Bolts.
73
74
64
64
90
90
75
6
73
99

10
8. Note the location of the 75 ohm antenna terminal
and the audio/video input jack on the treadmill.
For the television to operate, the included
Audio/Video Wire Harness (115) and your DVD
player or VCR must be connected to the
audio/video input jack on the treadmill, a personal
audio/video player must be connected to the
audio/video jack on the console, or an antenna, a
CATV cable, or a VCR must be connected to the
75 ohm antenna terminal (see page 12).
8
9. Make sure that all parts are properly tightened before you use the treadmill. Keep the included hex key
in a secure place; the hex key is used to adjust the walking belt (see page 23). To protect the floor or carpet
from damage, place a mat under the treadmill.
75 Ohm
Antenna
Terminal
7. Slide the Right Upright Sleeve (96) up against
the console assembly. Attach the Right Upright
Sleeve with two 3/4” Screws (4).
Attach the Left Upright Sleeve (not shown) to the
Left Upright (73) as described above. 73
74
4
96
4
7
Audio/
Video
Input
115

11
1. Make sure that the power cord is unplugged.
Remove the indicated 3/4” Screws (4) from the
Pulse Receiver Cover (70) on the back of the
Console Assembly (A).
2. Next, hold the receiver so the small cylinder
is oriented as shown. Attach the receiver to the
Pulse Receiver Cover (70) with the two included
Small Screws (B).
3. Connect the Wire (C) on the receiver to the wire
extending from the Console Assembly (A). Make
sure that no wires are pinched. Reattach the
Pulse Receiver Cover (70) to the Console
Assembly with the two 3/4” Screws (4). Discard
the other wires included with the receiver.
If you purchase the optional chest pulse sensor (see page 20), follow the steps below to install the re-
ceiver included with the chest pulse sensor.
A
1
70
4
A
3
70
Wire
Tab
4
C
70
Cylinder
2
B

12
HOW TO CONNECT AN ANTENNA
Indoor Antenna
1. Place a VHF
antenna in the
desired loca-
tion. Connect
the 300 ohm
flat wire from
the antenna to
a300 ohm to
75 ohm
adapter.
2. Push the 300
ohm to 75 ohm
adapter onto
the 75 ohm an-
tenna terminal
on the treadmill
frame near the
power cord.
Outdoor Antenna
Note: Outdoor antennas are subject to weathering that
can reduce signal quality. Inspect your antenna and
the lead-in wiring before connecting the antenna.
300 Ohm Flat Wire
1. See the drawing near the bottom of this page.
Connect the 300 ohm flat wire from the antenna to a
300 ohm to 75 ohm adapter.
2. Push the 300 ohm to 75 ohm adapter onto the 75
ohm antenna terminal on the treadmill frame near
the power cord.
75 Ohm CATV Cable
1. See the drawing near the bottom of this page.
Connect the 75 ohm CATV cable from the antenna
to the 75 ohm antenna terminal on the treadmill
frame near the power cord.
HOW TO CONNECT A 75 OHM CATV CABLE
1. Connect a 75 ohm
CATV cable to the 75
ohm antenna terminal
on the treadmill frame
near the power cord.
HOW TO CONNECT A VCR
1. Connect one end of a 75 ohm CATV cable to the
video output jack on your VCR.
2. Plug in the power cord of your VCR. See your VCR
user’s manual for proper grounding instructions.
3. Connect the 75 ohm CATV cable to the 75 ohm an-
tenna terminal on the treadmill frame near the power
cord.
HOW TO CONNECT A DVD PLAYER OR VCR
Plug the three-pronged end of the included audio/video
wire harness into your DVD player or VCR, and plug
the other end into the audio/video input jack on the
treadmill frame near the power cord.
HOW TO CONNECT A PERSONAL AUDIO/VIDEO
PLAYER DIRECTLY TO THE CONSOLE
Locate the audio/video jack below the television on the
console, and plug it into a jack on your MP3 player, CD
player, or personal video player.
75 Ohm
Terminal
300 to 75 Ohm
Adapter
VHF
Antenna
300 to 75 Ohm Adapter
Screwdriver
VHF 300
Ohm Flat
Wire
Combination
VHF/UHF Antennas
300 Ohm
Flat Wire
75 Ohm
Terminal
300 to 75
Ohm Adapter
75 Ohm
CATV Cable
75 Ohm CATV Cable
75 Ohm Terminal
75 Ohm CATV Cable
Before the personal television can be used, you must connect an antenna, a 75 ohm CATV cable, or a VCR
to the 75 ohm antenna terminal on the treadmill frame. Note: No antenna, cable, or adapter is included.

28 31
20
29
14
26 27
21
22
38
23
104
79
1
9
10
101
62
60
105
56
58
4
6
47
100
62
10
57
7
8
7
39
38
40
29
54
29
59
12
15
16
19
18
51
38
53
4
4
17
35
33
33
43
36
69
37
18
17
19
16
15
2
2
1
13
29
11
53
38
52
52
24
38
34
44
4
4
13
46
29
4
4
4
30
30
25
9
8
61
61
105
56
48
103
106
107
108
4
44
4
4
4
45
45
42
42
69
50
98
55
33
55
55
117
38
113
38
3
115
3
3
3
3
3
3
3
119
118
32
84
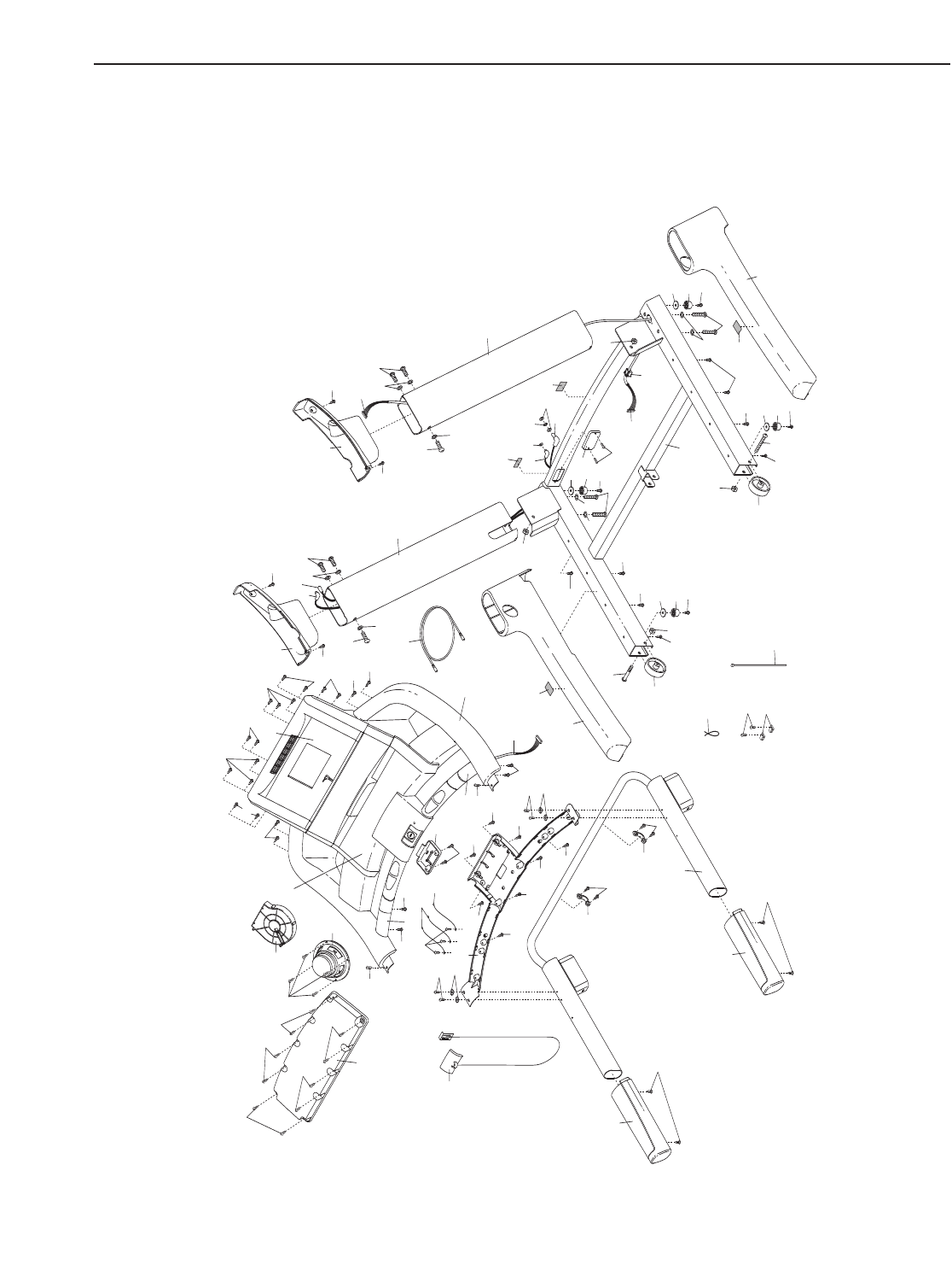
EXPLODED DRAWING—Model No. PFTL99806.0 R1106A
To identify the parts shown on this
EXPLODED DRAWING, see the
PART LIST on pages 26 and 27.

99
94
89
73
74
83
38
86
85
87
87
29
92
91
93
86
85
38
64
127
38
38
82
81
82
81
82
81
95
96
90
64
64
90
90
70
4
94
75
65
67
75
63
64
90
114
114
128
128
4
4
82
81
44
4
4
4
80
4
49
76
77
4
4
4
4
90
72
90
72
90
41
4
4
4
4
110
111
112
102
97
97 49
88
116
116
80
4
4
4
4
4
4
4
120
121
66
71
122
5
123
46
124
126
4
4
125
68
4
13 13
13
13
13
13
13
13
4
128
128
88
128
128
109
78
78
78
78
EXPLODED DRAWING—Model No. PFTL99806.0 R1106A

13
OPERATION AND ADJUSTMENT
THE PRE-LUBRICATED WALKING BELT
Your treadmill features a walking belt coated with high-
performance lubricant. IMPORTANT: Never apply sil-
icone spray or other substances to the walking
belt or the walking platform. Such substances will
deteriorate the walking belt and cause excessive
wear.
HOW TO PLUG IN THE POWER CORD
Your treadmill, like any other type of sophisticated
electronic equipment, can be seriously damaged by
sudden voltage changes in your home’s power.
Voltage surges, spikes, and noise interference can
result from weather conditions or from other appliances
being turned on or off. To decrease the possibility of
your treadmill being damaged, always use a surge
suppressor with your treadmill (see drawing 1 at
the right). To purchase a surge suppressor, see
your local PROFORM dealer or call the toll-free tele-
phone number on the front cover of this manual
and order part number 146148, or see your local
electronics store.
Use only a single-outlet surge suppressor that is
UL 1449 listed as a transient voltage surge sup-
pressor (TVSS). The surge suppressor must have a
UL suppressed voltage rating of 400 volts or less
and a minimum surge dissipation of 450 joules.
The surge suppressor must be electrically rated for
120 volts AC and 15 amps. There must be a moni-
toring light on the surge suppressor to indicate
whether it is functioning properly. Failure to use a
properly functioning surge suppressor could result
in damage to the control system of the treadmill. If
the control system is damaged, the walking belt
may change speed, accelerate, or stop unexpect-
edly, which may result in a fall and serious injury.
This product must be grounded. If it should malfunc-
tion or break down, grounding provides a path of least
resistance for electric current to reduce the risk of elec-
tric shock. This product is equipped with a cord having
an equipment-grounding conductor and a grounding
plug. Plug the power cord into a surge suppressor,
and plug the surge suppressor into an appropriate
outlet that is properly installed and grounded in
accordance with all local codes and ordinances.
Important: The treadmill is not compatible with
GFCI-equipped outlets.
This product is for use on a nominal 120-volt circuit,
and has a grounding plug that looks like the plug illus-
trated in drawing 1 below. A temporary adapter that
looks like the adapter illustrated in drawing 2 may be
used to connect the surge suppressor to a 2-pole
receptacle as shown in drawing 2 if a properly
grounded outlet is not available.
The temporary adapter should be used only until a
properly grounded outlet (drawing 1) can be installed
by a qualified electrician.
The green-colored rigid ear, lug, or the like extending
from the adapter must be connected to a permanent
ground such as a properly grounded outlet box cover.
Whenever the adapter is used it must be held in place
by a metal screw. Some 2-pole receptacle outlet box
covers are not grounded. Contact a qualified elec-
trician to determine if the outlet box cover is
grounded before using an adapter.
DANGER: Improper connection
of the equipment-grounding conductor can
result in an increased risk of electric shock.
Check with a qualified electrician or service-
man if you are in doubt as to whether the
product is properly grounded. Do not modify
the plug provided with the product—if it will
not fit the outlet, have a proper outlet
installed by a qualified electrician.
1
2
Grounded Outlet Box
Grounded Outlet Box
Grounding Plug
Surge Suppressor
Surge Suppressor
Grounding Pin
Adapter
Lug
Metal Screw
Grounded Outlet
Grounding Pin

14
FEATURES OF THE CONSOLE
The treadmill console offers an impressive array of
features designed to make your workouts more effec-
tive and enjoyable. When the manual mode of the con-
sole is selected, the speed and incline of the treadmill
can be changed with the touch of a button. As you ex-
ercise, the screen will display continuous exercise
feedback. You can even measure your heart rate
using the handgrip pulse sensor or the optional chest
pulse sensor (see page 20).
In addition, the console features twenty-eight preset
programs—seven Walking programs, seven Weight
Loss programs, seven Aerobic Fitness programs, and
seven Performance programs. Each program automati-
cally controls the speed and incline of the treadmill as it
guides you through an effective workout.
Whether you select the manual mode or a preset pro-
gram, you can enjoy the shows of your choice on the
personal television while you get in shape. You can
even listen to your favorite workout music or audio
books with the console’s premium stereo sound system.
To turn on the power,follow the steps on page 15. To
use the manual mode, see page 15. To use a preset
program,see page 17. To operate the personal
television,see page 18. To use the stereo sound
system,see page 18.
Note: If there is a sheet of
clear plastic on the console,
peel off the clear plastic.
CONSOLE DIAGRAM
Key Clip

15
HOW TO TURN ON THE POWER
Plug in the power cord
(see page 13). Next,
locate the reset/off cir-
cuit breaker on the
treadmill frame near
the power cord. Make
sure that the circuit
breaker is in the reset position.
Stand on the foot rails of the treadmill. Find the
clip attached to the key (see the drawing on page
14), and slide the clip securely onto the waistband
of your clothes. Next, insert the key into the con-
sole. After a moment, the screen will light, and
after a few seconds, the console will turn on.
Important: In an emergency situation, the key
can be pulled from the console, causing the
walking belt to slow to a stop. Test the clip by
carefully taking a few steps backward; if the
key is not pulled from the console, adjust the
position of the clip.
Note: To prevent damage to the walking platform,
wear clean athletic shoes while using the tread-
mill. The first time the treadmill is used, observe
the alignment of the walking belt, and center the
walking belt if necessary (see page 23).
HOW TO USE THE MANUAL MODE
Insert the key into the console.
See HOW TO TURN ON THE POWER on this
page.
Select the manual mode.
Each time the key is inserted, the manual mode
will be selected. If you have selected a program,
press any of the program buttons (Walking Pgms.,
Weight Loss, Aerobic Fitness, or Performance) re-
peatedly until a track appears in the display.
Start the walking belt and adjust the speed.
To start the walking belt, press the Start button,
the Speed + button, or one of the numbered Quick
Speed buttons.
If the Start button or the Speed + button is
pressed, the walking belt will begin to move at 1
mph. As you exercise, change the speed of the
walking belt as desired by pressing the Speed +
and – buttons. Each time a button is pressed, the
speed setting will change by 0.1 mph; if a button
is held down, the speed setting will change in in-
crements of 0.5 mph. If one of the numbered
Quick Speed buttons is pressed, the walking belt
will gradually increase in speed until it reaches the
selected speed setting.
To stop the walking belt, press the Stop button. To
restart the walking belt, press the Start button, the
Speed + button, or one of the numbered Quick
Speed buttons.
Change the incline of the treadmill as desired.
To change the incline of the treadmill, press the
Incline increase and decrease buttons or one of
the numbered Quick Incline buttons.
Each time the Incline increase or decrease button
is pressed, the incline will change by 0.5%. If one
of the numbered Quick Incline buttons is pressed,
the incline will gradually increase until it reaches
the selected incline setting.
4
3
2
1
2
1
Reset
Position

16
Select a display mode and follow your
progress with the exercise information on the
screen.
As you walk or run on the treadmill, the screen can
display the following exercise information:
•The elapsed time. Note: When a program is se-
lected, the screen will show the time remaining
in the program instead of the elapsed time.
•The distance that you have walked or run. Note:
The console can display distance and speed in
either miles or kilometers (see HOW TO USE
THE INFORMATION MODE on page 19). For
simplicity, all instructions in this section
refer to miles.
•The speed of the walking belt.
•The approximate number of calories you have
burned.
•The incline level of the treadmill. Note: The in-
cline level of the treadmill will be displayed only
when you press Incline buttons.
•Your heart rate. Note: Your heart rate will be dis-
played only when you use the handgrip pulse
sensor or the optional chest pulse sensor.
•When the manual mode is selected, the screen
can show a track that represents 1/4 mile (400
meters). As you walk or run on the treadmill, the
indicators around the track will appear in succes-
sion until the entire track appears. The track will
then disappear and the indicators will again
begin to appear in succession.
While the television is off, you can select one of
two display modes—a track and some of the exer-
cise information, or all of the exercise information.
While the television is on, you can select one of
three display modes—the information can be dis-
played on the right side of the screen, the bottom
of the screen, or the information can be turned off
while you watch the television. Press the Display
button repeatedly to select the desired display
mode.
To reset the console, press the Stop button, re-
move the key, and then reinsert the key.
Measure your heart rate if desired.
Note: If you use the handgrip pulse sensor and
the optional chest pulse sensor at the same time,
the display will not show your heart rate accu-
rately.
To use the
handgrip
pulse sensor,
first remove
the sheets of
clear plastic
from the
metal con-
tacts on the
handgrip
pulse sensor.
Next, stand on the foot rails and hold the metal
contacts—avoid moving your hands.When your
pulse is detected, your heart rate will appear in
the display. For the most accurate heart rate
reading, continue to hold the contacts for
about 15 seconds.
Turn on the fan if desired.
To turn on the fan at low speed, press the Fan
button. To turn on the fan at high speed, press the
button a second time. To turn off the fan, press
the Fan button again. Note: If the fan is on when
the walking belt stops, the fan will automatically
turn off after a few minutes.
When you are finished exercising, remove the
key.
Step onto the foot rails, press the Stop button, and
adjust the incline of the treadmill to the lowest set-
ting. The incline must be at the lowest setting
when the treadmill is folded to the storage posi-
tion or the treadmill will become damaged. Next,
remove the key from the console and put it in a se-
cure place.
When you are finished using the treadmill,
switch the reset/off circuit breaker to the “off”
position and unplug the power cord.
8
7
65
Contacts

17
HOW TO USE A PRESET PROGRAM
Insert the key into the console.
See HOW TO TURN ON THE POWER on page
15.
Select a preset program.
To select a preset program, press the Walking
Programs (Walking Pgms.) button, the Weight
Loss Programs (Weight Loss) button, the Aerobic
Fitness Programs (Aerobic Fitness) button, or the
Performance Programs (Performance) button re-
peatedly.
When a pre-
set program
is selected,
the display
will show the
maximum
speed setting
and the maximum incline setting of the program,
and the program time. In addition, a diagram of
the workout intensity settings of the program will
be displayed. The arrow below the diagram will in-
dicate your progress during your workout.
Press the Start button to start the program.
Amoment after the button is pressed, the tread-
mill will automatically adjust to the first speed and
incline settings of the program. Hold the handrails
and begin walking.
Each program is divided into several one-minute
segments. One speed setting and one incline set-
ting are programmed for each segment. Note: The
same speed setting and/or incline setting may be
programmed for two or more consecutive seg-
ments.
When only three seconds remain in the first seg-
ment of the program, a series of tones will sound.
If the speed and/or the incline of the treadmill is
about to change, the new speed setting and/or in-
cline setting will appear on the screen to alert you.
When the
first segment
ends, the
arrow below
the program
diagram will
move one
position to the right. Note: The program diagram
can only be displayed when the television is in
Console mode. To select the Console mode,
press the TV button repeatedly until the word
“Console” appears on the screen.
When the first segment ends, the treadmill will au-
tomatically adjust to the speed and incline settings
for the second segment.
The program will continue in this way until the
arrow reaches the right end of the program dia-
gram. The walking belt will then slow to a stop.
If the speed and/or incline settings of the program
are too high or too low, you can override the set-
ting by pressing the Speed or Incline buttons;
however, when the next segment begins, the
treadmill will automatically adjust to the speed
and incline settings for the next segment.
To stop the program at any time, press the Stop
button. To restart the program, press the Start but-
ton or the Speed + button. The walking belt will
begin to move at 1 mph. When the next segment
of the program begins, the treadmill will automati-
cally adjust to the speed and incline settings for the
next segment.
Select a display mode and follow your
progress with the exercise information on the
screen.
See step 5 on page 16.
Measure your heart rate if desired.
See step 6 on page 16.
Turn on the fan if desired.
See step 7 on page 16.
When you are finished exercising, remove the
key from the console.
When the program ends, make sure that the in-
cline of the treadmill is at the lowest setting.
Next, remove the key from the console and put it in
asafe place.
When you are finished using the treadmill,
switch the reset/off circuit breaker to the “off”
position and unplug the power cord.
7
6
5
4
3
2
1

18
HOW TO OPERATE THE PERSONAL TELEVISION
IMPORTANT: Before operating the television, you
must connect an antenna, a 75 ohm CATV cable, or
aVCR to the 75 ohm antenna terminal on the tread-
mill, a VCR or DVD player to the three audio/video
RCA jacks, or a personal audio/video player to the
audio/video jack below the television on the con-
sole. See page 12 for instructions.
Follow the steps below to operate the television.
Insert the key into the console.
See HOW TO TURN ON THE POWER on page
15.
Press the TV button to select a television
source or the Console mode.
When the key is inserted, the television will auto-
matically turn on. Select a television source or the
Console mode by pressing the TV button repeat-
edly.
If you have connected an antenna, a 75 ohm
CATV cable, or a VCR to the 75 ohm antenna ter-
minal on the treadmill, select the Tuner source. If
you have plugged a DVD player or VCR into the
three audio/video RCA jacks, select the Input 1
source. If you have plugged a personal
audio/video player into the audio/video jack below
the television on the console, select the MP3
source. If you do not wish to use the television,
select the Console mode.
Press the Channel buttons to select the
desired channel.
When the television is turned on, the screen will
show the last channel that was selected. To select
adifferent channel, press the Channel (Chan) but-
tons. The selected channel number will appear on
the screen for a few seconds. Note: The television
is equipped with a channel memorizing function
that allows you to go directly from the current
channel to the next channel saved in memory.
Before channels can be selected in this way, they
must be saved in the television’s memory. See
HOW TO USE THE INFORMATION MODE on
page 19.
Press the Volume buttons to adjust the volume.
When either Volume (Vol) button is pressed, the
volume level indicator will appear on the screen
for a few seconds.
Touse earphones or headphones (not included),
plug them into the headphone jack beside the key
onthe console.
HOW TO USE THE STEREO SOUND SYSTEM
To play music or audio books through the console’s
stereo speakers, you must connect your MP3 player or
CD player to the console. Locate the audio/video jack
below the television on the console, and plug it into a
jack on your MP3 player, CD player, or personal video
player. Make sure that the audio/video cable is fully
plugged in.
Next, press the Play button on your MP3 player, CD
player, or personal video player. Then, adjust the vol-
ume on your MP3 player, CD player, or personal
audio/video player. You can also adjust the volume on
the console by pressing the Volume increase and de-
crease buttons.
If you are using a personal CD player or DVD player
and the CD or DVD skips, set the CD player or DVD
player on the floor or another flat surface instead of on
the console.
4
3
2
1

19
HOW TO USE THE INFORMATION MODE
The console features an information mode that allows
you to view treadmill usage information, select a sys-
tem of measurement for the console, and turn on and
turn off the demo mode. The information mode also al-
lows you to adjust the settings of the television and to
save channels into the television’s memory.
Follow the steps below to use the information mode.
Hold down the Stop button while inserting the
key into the console.
When the information mode is selected, the lower
part of the screen will show the total number of
miles or kilometers that the walking belt has
moved (Distance) and the total number of hours
that the treadmill has been used (Time).
In addition, the center of the display will show the
word “English” for English miles or the word
“Metric” for metric kilometers. Press the Speed +
button to change the unit of measurement if de-
sired.
IMPORTANT: If the words “Demo On” appear in
the center of the display, the “demo” mode is se-
lected. This mode is intended to be used only
when a treadmill is displayed in a store. When the
demo mode is selected, the power cord can be
plugged in, the key can be removed from the con-
sole, and the displays on the console will automati-
cally light in a preset sequence. The buttons on the
console will not function. If the words “Demo On”
appear in the display when the information
mode is selected, press the Speed – button so
the words “Demo Off” appear.
Press the TV button and adjust the brightness,
contrast, color, sharpness, and/or hue of the
television.
When the TV button is pressed, the brightness level
indicator will appear on the television screen. Press
the Volume buttons to adjust the brightness setting
if desired.
Next, press the Channel buttons until the contrast,
color, sharpness, or hue level indicator appears.
Adjust the settings, if desired, by pressing the
Volume buttons.
Press the TV button again and add or delete
channels.
After all valid channels available in your area have
been saved into the television’s memory (see step
5on this page), you can manually add channels
or delete unwanted channels.
To add or delete a channel, first press the
Channel buttons until the desired channel number
appears on the screen. Then, press the Volume
increase button to add the channel, or the Volume
decrease button to delete the channel. Continue
this process until you have added all desired
channels and deleted all unwanted channels.
Press the TV button again and select an
antenna connection or a cable connection.
After the TV button is pressed, press the Volume
decrease button to select the Antenna setting, the
Volume increase button to select the Standard
Cable setting, the Channel decrease button to se-
lect the Cable IRC setting, or the Channel in-
crease button to select the Cable HRC setting. If
you have connected an antenna to the treadmill,
the Antenna setting should be selected. If you
have connected a CATV cable, one of the three
Cable settings should be selected; try all three
Cable settings, if necessary, to find the optimal
setting.
Press the TV button again and save channels
into the television’s memory.
When the TV button is pressed, the television will
begin scanning all of the channels available in
your area. When no broadcast signal is detected
on a channel, the channel will be skipped. When a
broadcast signal is detected, the channel will be
saved into memory and the next channel will be
selected. This process will continue until the high-
est channel is reached. Do not remove the key
while the television is scanning channels.
When you are finished using the information
mode, remove the key.
To exit the information mode at any time (except
while the television is scanning channels), remove
the key from the console.
6
5
4
3
2
1

20
THE OPTIONAL CHEST PULSE SENSOR
Anoptional chest pulse sensor offers hands-free oper-
ation as it monitors your heart rate during your work-
outs. Topurchase the optional chest pulse sensor,
call the toll-free telephone number on the front
cover of this manual.

HOW TO FOLD AND MOVE THE TREADMILL
HOW TO FOLD THE TREADMILL FOR STORAGE
Before folding the treadmill, adjust the incline to the
lowest position. If you do not do this, you may damage the
treadmill when you fold it. Next, remove the key and unplug
the power cord. CAUTION: You must be able to safely lift
45 pounds (20 kg) to raise, lower, or move the treadmill.
1. Hold the metal frame firmly in the location shown by
the arrow at the right. CAUTION: To decrease the pos-
sibility of injury, do not lift the frame by the plastic foot
rails. Bend your legs and keep your back straight as
you raise the frame—do not lift with your back. Raise
the frame about halfway to the vertical position.
2. Raise the frame until the latch knob locks into the storage
position. Make sure that the latch knob is locked in
the storage position.
To protect the floor or carpet from damage, place a
mat under the treadmill. Keep the treadmill out of di-
rect sunlight. Do not leave the treadmill in the stor-
age position in temperatures above 85° Fahrenheit.
HOW TO MOVE THE TREADMILL
Before moving the treadmill, convert the treadmill to the stor-
age position as described above. Make sure that the latch
knob is locked in the storage position.
1. Hold the handrails and place one foot against one of the
wheels.
2. Tilt the treadmill back until it rolls freely on the wheels.
Carefully move the treadmill to the desired location. Never
move the treadmill without tipping it back.To reduce
the risk of injury, use extreme caution while moving
the treadmill. Do not attempt to move the treadmill
over an uneven surface.
3. Place one foot against one of the wheels, and carefully
lower the treadmill until it is resting in the storage position.
HOW TO LOWER THE TREADMILL FOR USE
1. Hold the upper end of the treadmill with your left hand. Pull the latch knob to the left and hold it. Pivot the
frame downward and release the latch knob. Note: To release the latch knob, it may be necessary to push the
frame forward as you pull the latch knob to the left.
2. Hold the metal frame firmly with both hands,and lower it to the floor. CAUTION: To decrease the possibility
of injury, do not lower the frame by gripping only the plastic foot rails. Do not drop the frame to the floor.
Make sure to bend your legs and keep your back straight.
Wheel
Handrails
Frame
Latch Knob
Frame
21

22
TROUBLESHOOTING
Most treadmill problems can be solved by following the steps below. Find the symptom that applies, and
follow the steps listed. If further assistance is needed, please see the front cover of this manual.
PROBLEM: The power does not turn on
SOLUTION: a. Make sure that the power cord is plugged into a surge suppressor, and that the surge suppressor
is plugged into a properly grounded outlet (see page 13). Use only a single-outlet surge suppres-
sor that meets all of the specifications described on page 13. Important: The treadmill is not com-
patible with GFCI-equipped outlets.
b. After the power cord has been plugged in, make sure that the key is inserted into the console.
c. Check the reset/off circuit breaker located on the
treadmill frame near the power cord. If the switch pro-
trudes as shown, the circuit breaker has tripped. To
reset the circuit breaker, wait for five minutes and
then press the switch to the reset position.
PROBLEM: The power turns off during use
SOLUTION: a. Check the reset/off circuit breaker (see the drawing above). If the circuit breaker has tripped, wait
for five minutes and then press the switch to the reset position.
b. Make sure that the power cord is plugged in. If the power cord is plugged in, unplug it, wait for five
minutes, and then plug it back in.
c. Remove the key from the console. Reinsert the key into the console.
d. If the treadmill still will not run, please see the front cover of this manual.
PROBLEM: The displays of the console do not function properly
SOLUTION: a. Remove the key from the console and UNPLUG THE
POWER CORD. Place the treadmill in the storage po-
sition (see HOW TO FOLD AND MOVE THE TREAD-
MILL on page 21).
Next, remove the two indicated 3/4” Screws (4).
Lower the treadmill (see HOW TO LOWER THE
TREADMILL FOR USE on page 21). Remove the four
indicated 3/4” Screws (4), and remove the Hood (44).
Tripped Reset
c
a
4
4
4
44
4

23
Next, locate the Reed Switch (14) and the Magnet
(12) on the left side of the Pulley (11). Turn the Pulley
until the Magnet is aligned with the Reed Switch.
Make sure that the gap between the Magnet and
the Reed Switch is about 1/8”. Ifnecessary, loosen
the indicated Screw (29), move the Reed Switch
slightly, and then retighten the Screw. Then, reattach
the hood, and run the treadmill for a few minutes to
check for a correct speed reading.
PROBLEM: The walking belt slows when walked on
SOLUTION: a. Use only a single-outlet surge suppressor that meets all of the specifications described on page 13.
b. If the walking belt is overtightened, treadmill perfor-
mance may decrease and the walking belt may be-
come damaged. Remove the key and UNPLUG THE
POWER CORD.Using the hex key, turn both rear
roller bolts counterclockwise, 1/4 of a turn. When the
walking belt is properly tightened, you should be able
to lift each edge of the walking belt 3 to 4 inches off
the walking platform. Be careful to keep the walking
belt centered. Then, plug in the power cord, insert the
key, and run the treadmill for a few minutes. Repeat
until the walking belt is properly tightened.
c. If the walking belt still slows when walked on, please see the front cover of this manual.
PROBLEM: The walking belt is off-center or slips when walked on
SOLUTION: a. If the walking belt is off-center, remove the key and
UNPLUG THE POWER CORD.If the walking belt
has shifted to the left, use the hex key to turn the
left rear roller bolt clockwise 1/2 of a turn; if the walk-
ing belt has shifted to the right, turn the left rear
roller bolt counterclockwise 1/2 of a turn. Be careful
not to overtighten the walking belt. Plug in the power
cord, insert the key, and run the treadmill for a few
minutes. Repeat until the walking belt is centered.
b. If the walking belt slips when walked on, first remove
the key and UNPLUG THE POWER CORD.Using
the hex key, turn both rear roller bolts clockwise, 1/4
of a turn. When the walking belt is correctly tightened,
you should be able to lift each edge of the walking
belt 3 to 4 inches off the walking platform. Be careful
to keep the walking belt centered. Then, plug in the
power cord, insert the key, and carefully walk on the
treadmill for a few minutes. Repeat until the walking
belt is properly tightened.
3”–4”
b
a
b
Top
View
Rear Roller Bolts
29
14
1/8”
11
12

24
PROBLEM: The incline of the treadmill does not change correctly
SOLUTION: a. With the key in the console, press one of the Incline buttons. While the incline is changing, re-
move the key. After a few seconds, re-insert the key. The treadmill will automatically rise to the
maximum incline level and then return to the minimum level. This will recalibrate the incline system.

25
CONDITIONING GUIDELINES
The following guidelines will help you to plan your ex-
ercise program. For more detailed exercise informa-
tion, obtain a reputable book or consult your physician.
EXERCISE INTENSITY
Whether your goal is to burn fat or to strengthen your
cardiovascular system, the key to achieving the
desired results is to exercise with the proper intensity.
The proper intensity level can be found by using your
heart rate as a guide. The chart below shows recom-
mended heart rates for fat burning and aerobic exercise.
To find the proper heart rate for you, first find your age
near the bottom of the chart (ages are rounded off to
the nearest ten years). Next, find the three numbers
above your age. The three numbers define your “train-
ing zone.” The lower two numbers are recommended
heart rates for fat burning; the higher number is the
recommended heart rate for aerobic exercise.
Fat Burning
To burn fat effectively, you must exercise at a relatively
low intensity level for a sustained period of time.
During the first few minutes of exercise, your body
uses easily accessible
carbohydrate calories
for en-
ergy. Only after the first few minutes does your body
begin to use stored
fat calories
for energy. If your goal
is to burn fat, adjust the speed and incline of the tread-
mill until your heart rate is near the lowest number in
your training zone.
For maximum fat burning, adjust the speed and incline
of the treadmill until your heart rate is near the middle
number in your training zone.
Aerobic Exercise
If your goal is to strengthen your cardiovascular sys-
tem, your exercise must be “aerobic.” Aerobic exercise
is activity that requires large amounts of oxygen for
prolonged periods of time. This increases the demand
on the heart to pump blood to the muscles, and on the
lungs to oxygenate the blood. For aerobic exercise,
adjust the speed and incline of the treadmill until your
heart rate is near the highest number in your training
zone.
WORKOUT GUIDELINES
Each workout should include the following three parts:
AWarm-up—Start each workout with 5 to 10 minutes
of stretching and light exercise. A proper warm-up in-
creases your body temperature, heart rate and circula-
tion in preparation for exercise.
Training Zone Exercise—After warming up, increase
the intensity of your exercise until your pulse is in your
training zone for 20 to 60 minutes. (During the first few
weeks of your exercise program, do not keep your
pulse in your training zone for longer than 20 minutes.)
Breathe regularly and deeply as you exercise—never
hold your breath.
ACool-down—Finish each workout with 5 to 10 min-
utes of stretching to cool down. This will increase the
flexibility of your muscles and will help prevent post-ex-
ercise problems.
EXERCISE FREQUENCY
To maintain or improve your condition, complete three
workouts each week, with at least one day of rest be-
tween workouts. After a few months, you may com-
plete up to five workouts each week if desired. The key
to success is to make exercise a regular and enjoyable
part of your everyday life.
WARNING: Before beginning this
or any exercise program, consult your physi-
cian. This is especially important for individu-
als over the age of 35 or individuals with pre-
existing health problems.
The pulse sensor is not a medical device.
Various factors, including your movement,
may affect the accuracy of heart rate readings.
The sensor is intended only as an exercise aid
in determining heart rate trends in general.

26
PART LIST—Model No. PFTL99806.0 R1106A
To locate the parts listed below, see the EXPLODED DRAWING attached in the center of this manual.
Key No. Qty. Description Key No. Qty. Description
1 2 Foot Rail Cover
2 2 Foot Rail
3 8 Isolator Screw
4 56 3/4” Screw
5 3 Ground Wire Screw
6 1 Walking Platform
7 2 Belt Guide
8 4 Belt Guide Screw
9 2 Front Isolator
10 2 Platform Bolt, Front
11 1 Front Roller/Pulley
12 1 Magnet
13 17 1/2” Screw
14 1 Reed Switch Clip
15 2 Incline Rod Bushing
16 2 Lift Arm
17 2 Lift Pivot Bolt
18 2 Hood Mount
19 2 Lift Arm Spacer
20 1 Reed Switch
21 1 Idler Wheel Nut
22 1 Idler Wheel
23 1 Idler Wheel Bolt
24 1 Lift Motor Bolt, Bottom
25 1 Idler Arm Spacer
26 1 Idler Arm
27 1 Idler Arm Spring
28 1 Motor Belt
29 9 3/4” Tek Screw
30 2 Lift Pivot Bolt
31 1 Drive Motor
32 2 Motor Bolt
33 4 Electronic Bracket Nut
34 1 Electronic Bracket
35 1 Front Endcap
36 1 Controller
37 1 Incline Rod
38 11 Nut
39 1 Lift Motor
40 1 Lift Motor Bolt, Top
41 1AV Cover
42 2Platform Cushion
43 1 Power Cord Assembly
44 1 Hood
45 4 Hood Clip
46 2 Grommet
47 1 Walking Belt
48 1Frame
49 1TV Cable
50 1 Transformer
51 1 Right Rear Foot
52 4 Rear Wheel
53 2 Rear Wheel Bolt
54 1 Right Rear Endcap
55 4 Bracket Washer
56 2 Rear Roller Adj. Bolt
57 1 Allen Wrench
58 1 Left Rear Foot
59 1 Left Rear Endcap
60 1 Rear Roller
61 2 Platform Nut
62 2 Platform Bolt, Rear
63 1 Console Fan
64 6 Handrail Bolt
65 1 Console Base
66 1 Console
67 1 TV Console
68 1 Static Decal
69 3 Electronics Screw
70 1 Pulse Receiver Cover
71 1 Console Wire Harness
72 4 Upright Bolt
73 1 Left Upright
74 1 Right Upright
75 1 Upright Wire Harness
76 1 Left Base Cover
77 1 Right Base Cover
78 4 Base Pad Spacer
79 1 Idler Wheel Washer
80 4 Console Crossbar Star Washer
81 4 Base Pad
82 4 1” Tek Screw
83 1 Base
84 1 Reset/Off Circuit Breaker
85 2 Wheel Bolt
86 2 Wheel
87 2 Base Cover Caution Decal
88 4 Console Clamp Screw
89 1 Key/Clip
90 10 Upright Star Washer
91 3Releasable Tie
92 2 Tie Clamp
93 12 Plastic Tie
94 2 Handrail Cover
95 1 Left Upright Sleeve
96 1 Right Upright Sleeve
97 1AV Wire
98 1Ground Nut

27
Key No. Qty. Description Key No. Qty. Description
99 1 Handrail
100 1 Latch Assembly
101 1 Latch Warning Decal
102 1 AV Wire Nut
103 1 Filter Wire
104 1 Idler Arm Bolt
105 2 Rear Roller Washer
106 1 Incline/Controller Wire
107 1 Incline Stop Bracket
108 1 Stop Bracket Spacer
109 1 Jack Ground Wire
110 1 Pulse Plate
111 2 TV Cable Nut
112 1 TV Cable Star Washer
113 1 Lower Latch Bolt
114 4 Handrail Cover Fastener
115 1 Audio/Video Wire Harness
116 2 Console Clamp
117 1 Upper Latch Bolt
118 1 Latch Knob
119 1 Latch Endcap
120 1 Left Pulse Grip
121 1 Right Pulse Grip
122 3 4” Ground Wire
123 1 Console TV Cable
124 1 Speaker Cover
125 1 Speaker
126 4 Speaker Screw
127 1 Caution Decal, Base
128 8 Pulse Plate Screw
# 2 Console Jumper Wire
# 1 8” Blue Wire, 2 F
# 1 User’s Manual
#These parts are not illustrated

Part No. 249190 R1106A Printed in USA ©2006 ICON IP, Inc.
LIMITED WARRANTY
ICON Health & Fitness, Inc. (ICON) warrants this product to be free from defects in workmanship and
material, under normal use and service conditions. The drive motor is warranted for twenty (20) years
after the date of purchase. Parts and labor are warranted for one (1) year after the date of purchase.
This warranty extends only to the original purchaser. ICON's obligation under this warranty is limited to
replacing or repairing, at ICON's option, the product through one of its authorized service centers. All re-
pairs for which warranty claims are made must be pre-authorized by ICON. If the product is shipped to a
service center, freight charges to and from the service center will be the customer’s responsibility. For in-
home service, the customer will be responsible for a minimal trip charge. This warranty does not extend
to any product or damage to a product caused by or attributable to freight damage, abuse, misuse, im-
proper or abnormal usage or repairs not provided by an ICON authorized service center; products used
for commercial or rental purposes; or products used as store display models. No other warranty beyond
that specifically set forth above is authorized by ICON.
ICON is not responsible or liable for indirect, special or consequential damages arising out of or in con-
nection with the use or performance of the product or damages with respect to any economic loss, loss
of property, loss of revenues or profits, loss of enjoyment or use, costs of removal or installation or other
consequential damages of whatsoever nature. Some states do not allow the exclusion or limitation of in-
cidental or consequential damages. Accordingly, the above limitation may not apply to you.
The warranty extended hereunder is in lieu of any and all other warranties and any implied warranties of
merchantability or fitness for a particular purpose is limited in its scope and duration to the terms set
forth herein. Some states do not allow limitations on how long an implied warranty lasts. Accordingly, the
above limitation may not apply to you.
This warranty gives you specific legal rights. You may also have other rights which vary from state to state.
ICON HEALTH & FITNESS, INC., 1500 S. 1000 W., LOGAN, UT 84321-9813
ORDERING REPLACEMENT PARTS
To order replacement parts, see the front cover of this manual. When ordering parts, please be prepared to
provide the following information:
• the MODEL NUMBER of the product (PFTL99806.0)
• the NAME of the product (PROFORM PERSPECTIVE ES treadmill)
• the SERIAL NUMBER of the product (see the front cover of this manual)
• the KEY NUMBER and DESCRIPTION of the part(s) (see the PART LIST on pages 26 and 27 and the EX-
PLODED DRAWING attached in the center of this manual)