Promise Technology Network Device Ex4650 Users Manual SuperTrak_EX Series_UM_v2.0
Network Device EX16650 SuperTrak_EX-Series_UM_v2.0
EX8658 to the manual da53435d-6d49-4569-b398-3c5bc9df1e97
2015-02-06
: Promise-Technology Promise-Technology-Network-Device-Ex4650-Users-Manual-520920 promise-technology-network-device-ex4650-users-manual-520920 promise-technology pdf
Open the PDF directly: View PDF
.
Page Count: 318 [warning: Documents this large are best viewed by clicking the View PDF Link!]
- SuperTrak User Manual
- Contents
- Chapter 1: Introduction
- Chapter 2: Installation
- Unpacking the SuperTrak Card
- Installing the SuperTrak Card
- Choosing the Physical Drives
- Creating a Logical Drive
- Installing the CLI
- Installing WebPAM PRO
- Logging into WebPAM PRO
- Setting up WebPAM PRO
- Chapter 3: Installing Drivers
- Chapter 4: SuperBuild™ Utility
- Chapter 5: Management with WebPAM PRO
- Logging into WebPAM PRO
- Accessing the Interface
- Managing Users
- Working with Subsystem/Host Management
- Managing Software Services
- Managing the Host
- Managing the Subsystem
- Viewing Subsystem Information
- Clearing Statistical Data
- Setting an Alias for the Subsystem
- Updating the Firmware
- Checking Subsystem Health
- Viewing the Runtime Event Log
- Saving the Runtime Event Log
- Clearing the Runtime Event Log
- Viewing the NVRAM Event Log
- Saving the NVRAM Event Log
- Clearing the NVRAM Event Log
- Viewing Current Background Activities
- Making Background Activity Settings
- Running Background Activities
- Running Media Patrol
- Running PDM
- Viewing Scheduled Activities
- Scheduling an Activity
- Deleting a Scheduled Activity
- Viewing System Configuration
- Managing the Controller
- Managing Enclosures
- Managing Physical Drives
- Managing Disk Arrays
- Viewing Disk Arrays
- Locating a Disk Array
- Creating a Disk Array
- Creating a Disk Array - Automatic Configuration
- Creating a Disk Array - Express Configuration
- Creating a Disk Array - Advanced Configuration
- Deleting a Disk Array
- Viewing Disk Array Information
- Making Disk Array Settings
- Creating a Logical Drive
- Deleting a Logical Drive
- Migrating a Disk Array
- Rebuilding a Disk Array
- Running Media Patrol on a Disk Array
- Running PDM on a Disk Array
- Transitioning a Disk Array
- Preparing a Disk Array for Transport
- Managing Logical Drives
- Managing Spare Drives
- Working with the Logical Drive Summary
- Chapter 6: Management with the CLI
- Opening the CLI on Windows
- Opening the CLI on Linux, FreeBSD, and VMware
- Table of Supported Commands
- Notes and Conventions
- List of Supported Commands
- Chapter 7: Technology Background
- Introduction to RAID
- Choosing a RAID Level
- Choosing Stripe Block Size
- Choosing Sector Size
- Choosing Cache Policy
- Capacity Coercion
- Initialization
- Hot Spare Drive(s)
- Partition and Format the Logical Drive
- RAID Level Migration
- Media Patrol
- Predictive Data Migration (PDM)
- Transition
- Critical & Offline Logical Drives
- Chapter 8: Troubleshooting
- Chapter 9: Support
- Appendix A: Partition and Format
- Appendix B: Upgrades
- Appendix C: Battery Backup Unit
- Appendix D: LED Backplane Connections
- Index

S
UPER
T
RAK
EX4650, EX8650,
EX8654, EX8658,
EX16650
U
SER
M
ANUAL
Version 2.0 SR2

SuperTrak EX Series User Manual
ii
Copyright
© 2008 Promise Technology, Inc. All Rights Reserved.
Copyright by Promise Technology, Inc. (Promise Technology). No part of this
manual may be reproduced or transmitted in any form without the expressed,
written permission of Promise Technology.
Trademarks
Promise, and the Promise logo are registered in U.S. Patent and Trademark
Office. All other product names mentioned herein may be trademarks or
registered trademarks of their respective companies.
Important data protection information
You should back up all data before installing any drive controller or storage
peripheral. Promise Technology is not responsible for any loss of data resulting
from the use, disuse or misuse of this or any other Promise Technology product.
Notice
Although Promise Technology has attempted to ensure the accuracy of the
content of this manual, it is possible that this document may contain technical
inaccuracies, typographical, or other errors. Promise Technology assumes no
liability for any error in this publication, and for damages, whether direct, indirect,
incidental, consequential or otherwise, that may result from such error, including,
but not limited to loss of data or profits.
Promise Technology provides this publication “as is” without warranty of any
kind, either express or implied, including, but not limited to implied warranties of
merchantability or fitness for a particular purpose.
The published information in the manual is subject to change without notice.
Promise Technology reserves the right to make changes in the product design,
layout, and driver revisions without notification to its users.
This version of the User Manual supersedes all previous versions.
Recommendations
In this Manual, the appearance of products made by other companies, including,
but not limited to software, servers, and physical drives, is for the purpose of
illustration and explanation only. Promise Technology does not recommend,
endorse, prefer, or support any product made by another manufacturer.

Notices
iii
Radio Frequency Interference Statement
This equipment has been tested and found to comply with the limits for a Class B
digital device, pursuant to Part 15 of the FCC Rules. These limits are designed to
provide reasonable protection against harmful interference in a residential
installation. This equipment generates, uses and can radiate radio frequency
energy, and, if not installed and used in accordance with the instruction may
cause harmful interference to radio communications. However, there is no
guarantee that interference will not occur in a particular installation. If this
equipment does cause harmful interference to radio or television reception, which
can be determined by turning the equipment off and on, the user is encouraged
to try to correct the interference by one or more of the following measures:
• Reorient or relocate the receiving antenna.
• Increase the separation between the equipment and receiver.
• Connect the equipment into an outlet on a circuit different from that to which
the receiver is connected.
• Consult Promise Technology, Inc. or an experienced radio or TV technician
for help.
This device complies with Part 5 of the FCC Rules. Operation is subject to the
following conditions: (1) This device may not cause harmful interference, and (2)
this device must accept any interference received, including interference that
may cause undesired operation.
Caution
Only digital device equipment CERTIFIED CLASS B should be
attached to this equipment and that must have shielded cables.

SuperTrak EX Series User Manual
iv

v
Contents
Chapter 1: Introduction . . . . . . . . . . . . . . . . . . . . . . . . . . . . . . . . . . . . .1
About This Manual . . . . . . . . . . . . . . . . . . . . . . . . . . . . . . . . . . . . . . .1
Product Overview . . . . . . . . . . . . . . . . . . . . . . . . . . . . . . . . . . . . . . .2
XOR Microprocessor . . . . . . . . . . . . . . . . . . . . . . . . . . . . . . . . . .2
Hot-Swapping . . . . . . . . . . . . . . . . . . . . . . . . . . . . . . . . . . . . . . .2
WebPAM PRO Management Software . . . . . . . . . . . . . . . . . . . . . . .3
Operating System Support . . . . . . . . . . . . . . . . . . . . . . . . . . . . . . . .3
Browser Support . . . . . . . . . . . . . . . . . . . . . . . . . . . . . . . . . . . . . . . .4
Key Features and Benefits . . . . . . . . . . . . . . . . . . . . . . . . . . . . . . . .4
Specifications . . . . . . . . . . . . . . . . . . . . . . . . . . . . . . . . . . . . . . . . . .6
Chapter 2: Installation . . . . . . . . . . . . . . . . . . . . . . . . . . . . . . . . . . . . . .7
Unpacking the SuperTrak Card . . . . . . . . . . . . . . . . . . . . . . . . . . . . .7
Installing the SuperTrak Card . . . . . . . . . . . . . . . . . . . . . . . . . . . . . .9
Connecting SuperTrak to a SuperSwap Enclosure . . . . . . . . .14
Connecting SuperTrak to a VTrak JBOD Enclosure . . . . . . . . .14
SAS Connections and ID Numbers . . . . . . . . . . . . . . . . . . . . . .15
Choosing the Physical Drives . . . . . . . . . . . . . . . . . . . . . . . . . . . . .17
Creating a Logical Drive . . . . . . . . . . . . . . . . . . . . . . . . . . . . . . . . .18
Installing the CLI . . . . . . . . . . . . . . . . . . . . . . . . . . . . . . . . . . . . . . .23
Installing onto Windows . . . . . . . . . . . . . . . . . . . . . . . . . . . . . .23
Installing onto Linux . . . . . . . . . . . . . . . . . . . . . . . . . . . . . . . . .28
Installing the CLI onto FreeBSD . . . . . . . . . . . . . . . . . . . . . . . .35
Installing the CLI onto VMware . . . . . . . . . . . . . . . . . . . . . . . . .36
Installing WebPAM PRO . . . . . . . . . . . . . . . . . . . . . . . . . . . . . . . . .37
Utility Server . . . . . . . . . . . . . . . . . . . . . . . . . . . . . . . . . . . . . . .37
Agent . . . . . . . . . . . . . . . . . . . . . . . . . . . . . . . . . . . . . . . . . . . . .37
JRE . . . . . . . . . . . . . . . . . . . . . . . . . . . . . . . . . . . . . . . . . . . . . .38
Internet Browser . . . . . . . . . . . . . . . . . . . . . . . . . . . . . . . . . . . .38
Installing WebPAM PRO onto Windows . . . . . . . . . . . . . . . . . .39
Installing WebPAM PRO onto Linux . . . . . . . . . . . . . . . . . . . . .47
Logging into WebPAM PRO . . . . . . . . . . . . . . . . . . . . . . . . . . . . . .55
Logging in at the Host PC . . . . . . . . . . . . . . . . . . . . . . . . . . . . .55
Logging in over the Network . . . . . . . . . . . . . . . . . . . . . . . . . . .55
Login Screen . . . . . . . . . . . . . . . . . . . . . . . . . . . . . . . . . . . . . . .56
Setting up WebPAM PRO . . . . . . . . . . . . . . . . . . . . . . . . . . . . . . . .57

SuperTrak EX Series User Manual
vi
Chapter 3: Installing Drivers . . . . . . . . . . . . . . . . . . . . . . . . . . . . . . . .59
Driver Installation Media . . . . . . . . . . . . . . . . . . . . . . . . . . . . . . . . .60
Windows . . . . . . . . . . . . . . . . . . . . . . . . . . . . . . . . . . . . . . . . . .60
Linux and FreeBSD . . . . . . . . . . . . . . . . . . . . . . . . . . . . . . . . . .61
Windows Server 2008 . . . . . . . . . . . . . . . . . . . . . . . . . . . . . . . . . . .62
New OS Installation . . . . . . . . . . . . . . . . . . . . . . . . . . . . . . . . .62
Existing System . . . . . . . . . . . . . . . . . . . . . . . . . . . . . . . . . . . .63
Confirming Driver Installation . . . . . . . . . . . . . . . . . . . . . . . . . .63
Windows Vista . . . . . . . . . . . . . . . . . . . . . . . . . . . . . . . . . . . . . . . . .64
New OS Installation . . . . . . . . . . . . . . . . . . . . . . . . . . . . . . . . .64
Existing System . . . . . . . . . . . . . . . . . . . . . . . . . . . . . . . . . . . .65
Confirming Driver Installation . . . . . . . . . . . . . . . . . . . . . . . . . .65
Windows Server 2003 . . . . . . . . . . . . . . . . . . . . . . . . . . . . . . . . . . .66
New OS Installation . . . . . . . . . . . . . . . . . . . . . . . . . . . . . . . . .66
Existing System . . . . . . . . . . . . . . . . . . . . . . . . . . . . . . . . . . . .67
Confirming Driver Installation . . . . . . . . . . . . . . . . . . . . . . . . . .67
Windows XP . . . . . . . . . . . . . . . . . . . . . . . . . . . . . . . . . . . . . . . . . .68
New OS Installation . . . . . . . . . . . . . . . . . . . . . . . . . . . . . . . . .68
Existing System . . . . . . . . . . . . . . . . . . . . . . . . . . . . . . . . . . . .69
Confirming Driver Installation . . . . . . . . . . . . . . . . . . . . . . . . . .69
Red Hat Linux Enterprise 4.4, 4.5 . . . . . . . . . . . . . . . . . . . . . . . . . .70
New OS Installation . . . . . . . . . . . . . . . . . . . . . . . . . . . . . . . . .70
Existing System . . . . . . . . . . . . . . . . . . . . . . . . . . . . . . . . . . . .70
Fedora Core 6 . . . . . . . . . . . . . . . . . . . . . . . . . . . . . . . . . . . . . . . . .71
New OS Installation . . . . . . . . . . . . . . . . . . . . . . . . . . . . . . . . .71
Existing System . . . . . . . . . . . . . . . . . . . . . . . . . . . . . . . . . . . .71
Fedora Core 7, 8 . . . . . . . . . . . . . . . . . . . . . . . . . . . . . . . . . . . . . . .72
New OS Installation . . . . . . . . . . . . . . . . . . . . . . . . . . . . . . . . .72
Existing System . . . . . . . . . . . . . . . . . . . . . . . . . . . . . . . . . . . .72
SuSE Open 10.2, 10.3, 10.5, 11 . . . . . . . . . . . . . . . . . . . . . . . . . . .73
New OS Installation . . . . . . . . . . . . . . . . . . . . . . . . . . . . . . . . .73
Existing System . . . . . . . . . . . . . . . . . . . . . . . . . . . . . . . . . . . .73
SuSE SLES 10, 10 SP1 . . . . . . . . . . . . . . . . . . . . . . . . . . . . . . . . .74
New OS Installation . . . . . . . . . . . . . . . . . . . . . . . . . . . . . . . . .74
Existing System . . . . . . . . . . . . . . . . . . . . . . . . . . . . . . . . . . . .74
Miracle Linux 4 . . . . . . . . . . . . . . . . . . . . . . . . . . . . . . . . . . . . . . . .75
New OS Installation . . . . . . . . . . . . . . . . . . . . . . . . . . . . . . . . .75
Existing System . . . . . . . . . . . . . . . . . . . . . . . . . . . . . . . . . . . .75
FreeBSD 6.1, 6.2 . . . . . . . . . . . . . . . . . . . . . . . . . . . . . . . . . . . . . . .76
New OS Installation . . . . . . . . . . . . . . . . . . . . . . . . . . . . . . . . .76
Existing System . . . . . . . . . . . . . . . . . . . . . . . . . . . . . . . . . . . .77

Contents
vii
Chapter 3: Installing Drivers, cont.
VMware ESX Server 3.0.2, 3.5.0 . . . . . . . . . . . . . . . . . . . . . . . . . . .78
New OS Installation . . . . . . . . . . . . . . . . . . . . . . . . . . . . . . . . .78
Existing System . . . . . . . . . . . . . . . . . . . . . . . . . . . . . . . . . . . .78
Chapter 4: SuperBuild™ Utility . . . . . . . . . . . . . . . . . . . . . . . . . . . . .81
SuperTrak BIOS . . . . . . . . . . . . . . . . . . . . . . . . . . . . . . . . . . . . . . .81
Accessing the Main Menu . . . . . . . . . . . . . . . . . . . . . . . . . . . . . . . .84
Selecting a Controller . . . . . . . . . . . . . . . . . . . . . . . . . . . . . . . . . . .85
Viewing Controller Information . . . . . . . . . . . . . . . . . . . . . . . . . . . .86
Managing Physical Drives . . . . . . . . . . . . . . . . . . . . . . . . . . . . . . . .87
Viewing Physical Drives . . . . . . . . . . . . . . . . . . . . . . . . . . . . . .87
Viewing Physical Drive Information . . . . . . . . . . . . . . . . . . . . . .87
Managing Physical Drive Problems . . . . . . . . . . . . . . . . . . . . .88
Managing Disk Arrays . . . . . . . . . . . . . . . . . . . . . . . . . . . . . . . . . . .89
Viewing Disk Arrays . . . . . . . . . . . . . . . . . . . . . . . . . . . . . . . . .89
Viewing Disk Array Information . . . . . . . . . . . . . . . . . . . . . . . . .89
Creating a Disk Array . . . . . . . . . . . . . . . . . . . . . . . . . . . . . . . .90
Changing Disk Array Settings . . . . . . . . . . . . . . . . . . . . . . . . . .91
Rebuilding a Disk Array . . . . . . . . . . . . . . . . . . . . . . . . . . . . . .91
Deleting a Disk Array . . . . . . . . . . . . . . . . . . . . . . . . . . . . . . . .91
Managing Logical Drives . . . . . . . . . . . . . . . . . . . . . . . . . . . . . . . . .92
Viewing Logical Drives . . . . . . . . . . . . . . . . . . . . . . . . . . . . . . .92
Viewing Logical Drive Information . . . . . . . . . . . . . . . . . . . . . . .92
Creating a Logical Drive . . . . . . . . . . . . . . . . . . . . . . . . . . . . . .93
Initializing a Logical Drive . . . . . . . . . . . . . . . . . . . . . . . . . . . . .94
Changing Logical Drive Settings . . . . . . . . . . . . . . . . . . . . . . . .95
Deleting a Logical Drive . . . . . . . . . . . . . . . . . . . . . . . . . . . . . .95
Managing Spare Drives . . . . . . . . . . . . . . . . . . . . . . . . . . . . . . . . . .97
Viewing Spare Drives . . . . . . . . . . . . . . . . . . . . . . . . . . . . . . . .97
Viewing Spare Drive Information . . . . . . . . . . . . . . . . . . . . . . .97
Creating a Spare Drive . . . . . . . . . . . . . . . . . . . . . . . . . . . . . . .97
Changing Spare Drive Settings . . . . . . . . . . . . . . . . . . . . . . . . .98
Deleting a Spare Drive . . . . . . . . . . . . . . . . . . . . . . . . . . . . . . .99
Viewing Background Activity . . . . . . . . . . . . . . . . . . . . . . . . . . . . .100
Managing the Event Log . . . . . . . . . . . . . . . . . . . . . . . . . . . . . . . .101
Viewing RAM Events . . . . . . . . . . . . . . . . . . . . . . . . . . . . . . .101
Viewing NVRAM Events . . . . . . . . . . . . . . . . . . . . . . . . . . . . .101
Clearing the Event Logs . . . . . . . . . . . . . . . . . . . . . . . . . . . . .102

SuperTrak EX Series User Manual
viii
Chapter 4: SuperBuild™ Utility, cont.
Working with Time Sync . . . . . . . . . . . . . . . . . . . . . . . . . . . . . . . .103
Setting the Time Zone . . . . . . . . . . . . . . . . . . . . . . . . . . . . . . .103
Synchronizing Time with an Embedded Site . . . . . . . . . . . . .103
Using the Miscellaneous Menu . . . . . . . . . . . . . . . . . . . . . . . . . . .104
Making the SAS Ready LED Setting . . . . . . . . . . . . . . . . . . . .104
Making the SGPIO Backplane Setting . . . . . . . . . . . . . . . . . .104
Working with the Buzzer . . . . . . . . . . . . . . . . . . . . . . . . . . . . .104
Chapter 5: Management with WebPAM PRO . . . . . . . . . . . . . . . . . .107
Logging into WebPAM PRO . . . . . . . . . . . . . . . . . . . . . . . . . . . . .107
Logging in at the Host PC . . . . . . . . . . . . . . . . . . . . . . . . . . . .107
Logging in over the Network . . . . . . . . . . . . . . . . . . . . . . . . . .108
Login Screen . . . . . . . . . . . . . . . . . . . . . . . . . . . . . . . . . . . . . .109
Accessing the Interface . . . . . . . . . . . . . . . . . . . . . . . . . . . . . . . . .110
Using the Header . . . . . . . . . . . . . . . . . . . . . . . . . . . . . . . . . .111
Using Tree View . . . . . . . . . . . . . . . . . . . . . . . . . . . . . . . . . . .111
Using Management View . . . . . . . . . . . . . . . . . . . . . . . . . . . .112
Choosing a Display Language . . . . . . . . . . . . . . . . . . . . . . . .113
Viewing the Event Frame . . . . . . . . . . . . . . . . . . . . . . . . . . . .113
Saving the Event Frame . . . . . . . . . . . . . . . . . . . . . . . . . . . . .114
Deleting the Event Frame . . . . . . . . . . . . . . . . . . . . . . . . . . . .114
Viewing the Storage Network . . . . . . . . . . . . . . . . . . . . . . . . .114
Logging out of WebPAM PRO . . . . . . . . . . . . . . . . . . . . . . . .115
Managing Users . . . . . . . . . . . . . . . . . . . . . . . . . . . . . . . . . . . . . .116
Viewing User Information . . . . . . . . . . . . . . . . . . . . . . . . . . . .116
Making User Settings . . . . . . . . . . . . . . . . . . . . . . . . . . . . . . .116
Making Your Own User Settings . . . . . . . . . . . . . . . . . . . . . . .117
Changing a User’s Password . . . . . . . . . . . . . . . . . . . . . . . . .117
Changing Your Own Password . . . . . . . . . . . . . . . . . . . . . . . .117
Creating a User . . . . . . . . . . . . . . . . . . . . . . . . . . . . . . . . . . . .118
Deleting a User . . . . . . . . . . . . . . . . . . . . . . . . . . . . . . . . . . . .118
Working with Subsystem/Host Management . . . . . . . . . . . . . . . . .120
Viewing Subsystem/Host Information . . . . . . . . . . . . . . . . . . .120
Adding a Subsystem or Host . . . . . . . . . . . . . . . . . . . . . . . . .120
In-Band versus Out-of-Band . . . . . . . . . . . . . . . . . . . . . . . . . .121
Deleting a Subsystem or Host . . . . . . . . . . . . . . . . . . . . . . . .121
Setting User Privilege . . . . . . . . . . . . . . . . . . . . . . . . . . . . . . .122
Managing Software Services . . . . . . . . . . . . . . . . . . . . . . . . . . . . .123
Viewing Service Status . . . . . . . . . . . . . . . . . . . . . . . . . . . . . .123
Changing Web Server Settings . . . . . . . . . . . . . . . . . . . . . . . .123

Contents
ix
Chapter 5: Management with WebPAM PRO, cont.
Managing Software Services, cont.
Restarting the Tomcat Server . . . . . . . . . . . . . . . . . . . . . . . . .124
Setting up Email Service . . . . . . . . . . . . . . . . . . . . . . . . . . . . .124
Setting up Extended SMTP . . . . . . . . . . . . . . . . . . . . . . . . . . .125
Sending A Test Email Message . . . . . . . . . . . . . . . . . . . . . . .125
Setting Event Frame Refresh Time . . . . . . . . . . . . . . . . . . . . .125
Changing CIM Client Settings . . . . . . . . . . . . . . . . . . . . . . . . .126
Changing CIM Server Settings . . . . . . . . . . . . . . . . . . . . . . . .126
Managing the Host . . . . . . . . . . . . . . . . . . . . . . . . . . . . . . . . . . . .127
Viewing Host Information . . . . . . . . . . . . . . . . . . . . . . . . . . . .127
Setting User Rights . . . . . . . . . . . . . . . . . . . . . . . . . . . . . . . . .127
Refreshing the WebPAM PRO Screen . . . . . . . . . . . . . . . . . .127
Managing the Subsystem . . . . . . . . . . . . . . . . . . . . . . . . . . . . . . .128
Viewing Subsystem Information . . . . . . . . . . . . . . . . . . . . . . .128
Clearing Statistical Data . . . . . . . . . . . . . . . . . . . . . . . . . . . . .129
Setting an Alias for the Subsystem . . . . . . . . . . . . . . . . . . . . .129
Updating the Firmware . . . . . . . . . . . . . . . . . . . . . . . . . . . . . .129
Checking Subsystem Health . . . . . . . . . . . . . . . . . . . . . . . . . .130
Viewing the Runtime Event Log . . . . . . . . . . . . . . . . . . . . . . .130
Saving the Runtime Event Log . . . . . . . . . . . . . . . . . . . . . . . .131
Clearing the Runtime Event Log . . . . . . . . . . . . . . . . . . . . . . .131
Viewing the NVRAM Event Log . . . . . . . . . . . . . . . . . . . . . . .131
Saving the NVRAM Event Log . . . . . . . . . . . . . . . . . . . . . . . .132
Clearing the NVRAM Event Log . . . . . . . . . . . . . . . . . . . . . . .132
Viewing Current Background Activities . . . . . . . . . . . . . . . . . .133
Making Background Activity Settings . . . . . . . . . . . . . . . . . . .133
Running Background Activities . . . . . . . . . . . . . . . . . . . . . . . .134
Running Media Patrol . . . . . . . . . . . . . . . . . . . . . . . . . . . . . . .134
Running PDM . . . . . . . . . . . . . . . . . . . . . . . . . . . . . . . . . . . . .135
Viewing Scheduled Activities . . . . . . . . . . . . . . . . . . . . . . . . .135
Scheduling an Activity . . . . . . . . . . . . . . . . . . . . . . . . . . . . . . .135
Deleting a Scheduled Activity . . . . . . . . . . . . . . . . . . . . . . . . .137
Viewing System Configuration . . . . . . . . . . . . . . . . . . . . . . . .137
Managing the Controller . . . . . . . . . . . . . . . . . . . . . . . . . . . . . . . .139
Viewing Controllers Information . . . . . . . . . . . . . . . . . . . . . . .139
Viewing Controller Information . . . . . . . . . . . . . . . . . . . . . . . .139
Viewing Controller Statistics . . . . . . . . . . . . . . . . . . . . . . . . . .141
Making Controller Settings . . . . . . . . . . . . . . . . . . . . . . . . . . .141
Clearing an Orphan Watermark . . . . . . . . . . . . . . . . . . . . . . .142
Viewing Battery Information . . . . . . . . . . . . . . . . . . . . . . . . . .142

SuperTrak EX Series User Manual
x
Chapter 5: Management with WebPAM PRO, cont.
Managing the Controller, cont.
Silencing the Buzzer . . . . . . . . . . . . . . . . . . . . . . . . . . . . . . . .143
Making Buzzer Settings . . . . . . . . . . . . . . . . . . . . . . . . . . . . .143
Testing the Buzzer . . . . . . . . . . . . . . . . . . . . . . . . . . . . . . . . .143
Viewing Buzzer Information . . . . . . . . . . . . . . . . . . . . . . . . . .144
Managing Enclosures . . . . . . . . . . . . . . . . . . . . . . . . . . . . . . . . . .145
Viewing Enclosure Information . . . . . . . . . . . . . . . . . . . . . . . .145
Managing Physical Drives . . . . . . . . . . . . . . . . . . . . . . . . . . . . . . .146
Viewing a List of Physical Drives . . . . . . . . . . . . . . . . . . . . . .146
Locating a Physical Drive . . . . . . . . . . . . . . . . . . . . . . . . . . . .146
Making Global Physical Drive Settings . . . . . . . . . . . . . . . . . .147
Viewing Physical Drive Information . . . . . . . . . . . . . . . . . . . . .148
Viewing Physical Drive Statistics . . . . . . . . . . . . . . . . . . . . . .148
Making Physical Drive Settings . . . . . . . . . . . . . . . . . . . . . . . .148
Clearing Stale and PFA Conditions . . . . . . . . . . . . . . . . . . . .149
Managing Disk Arrays . . . . . . . . . . . . . . . . . . . . . . . . . . . . . . . . . .150
Viewing Disk Arrays . . . . . . . . . . . . . . . . . . . . . . . . . . . . . . . .150
Locating a Disk Array . . . . . . . . . . . . . . . . . . . . . . . . . . . . . . .150
Creating a Disk Array . . . . . . . . . . . . . . . . . . . . . . . . . . . . . . .151
Creating a Disk Array – Automatic Configuration . . . . . . . . . .152
Creating a Disk Array – Express Configuration . . . . . . . . . . .153
Creating a Disk Array – Advanced Configuration . . . . . . . . . .155
Deleting a Disk Array . . . . . . . . . . . . . . . . . . . . . . . . . . . . . . .157
Viewing Disk Array Information . . . . . . . . . . . . . . . . . . . . . . . .157
Making Disk Array Settings . . . . . . . . . . . . . . . . . . . . . . . . . . .158
Creating a Logical Drive . . . . . . . . . . . . . . . . . . . . . . . . . . . . .159
Deleting a Logical Drive . . . . . . . . . . . . . . . . . . . . . . . . . . . . .160
Migrating a Disk Array . . . . . . . . . . . . . . . . . . . . . . . . . . . . . . .161
Rebuilding a Disk Array . . . . . . . . . . . . . . . . . . . . . . . . . . . . .162
Running Media Patrol on a Disk Array . . . . . . . . . . . . . . . . . .163
Running PDM on a Disk Array . . . . . . . . . . . . . . . . . . . . . . . .163
Transitioning a Disk Array . . . . . . . . . . . . . . . . . . . . . . . . . . . .164
Preparing a Disk Array for Transport . . . . . . . . . . . . . . . . . . .164
Managing Logical Drives . . . . . . . . . . . . . . . . . . . . . . . . . . . . . . . .166
Viewing Information for All Logical Drives . . . . . . . . . . . . . . . .166
Locating a Logical Drive . . . . . . . . . . . . . . . . . . . . . . . . . . . . .167
Viewing Logical Drive Information . . . . . . . . . . . . . . . . . . . . . .167
Viewing Logical Drive Statistics . . . . . . . . . . . . . . . . . . . . . . .168
Changing Logical Drive Settings . . . . . . . . . . . . . . . . . . . . . . .168
Initializing a Logical Drive . . . . . . . . . . . . . . . . . . . . . . . . . . . .169

Contents
xi
Chapter 5: Management with WebPAM PRO, cont.
Managing Logical Drives, cont.
Running Redundancy Check . . . . . . . . . . . . . . . . . . . . . . . . .170
Viewing the Logical Drive Check Table . . . . . . . . . . . . . . . . .170
Managing Spare Drives . . . . . . . . . . . . . . . . . . . . . . . . . . . . . . . . .172
Viewing a List of Spare Drives . . . . . . . . . . . . . . . . . . . . . . . .172
Creating a Spare Drive . . . . . . . . . . . . . . . . . . . . . . . . . . . . .173
Deleting Spare Drive . . . . . . . . . . . . . . . . . . . . . . . . . . . . . . . .174
Making Spare Drive Settings . . . . . . . . . . . . . . . . . . . . . . . . .174
Running Spare Check . . . . . . . . . . . . . . . . . . . . . . . . . . . . . . .175
Working with the Logical Drive Summary . . . . . . . . . . . . . . . . . . .176
Viewing a List of All Logical Drives . . . . . . . . . . . . . . . . . . . . .176
Locating a Logical Drive . . . . . . . . . . . . . . . . . . . . . . . . . . . . .176
Viewing Individual Logical Drive Information . . . . . . . . . . . . .177
Chapter 6: Management with the CLI . . . . . . . . . . . . . . . . . . . . . . . .179
Opening the CLI on Windows . . . . . . . . . . . . . . . . . . . . . . . . . . . .179
Opening the CLI on Linux, FreeBSD, and VMware . . . . . . . . . . . .180
Table of Supported Commands . . . . . . . . . . . . . . . . . . . . . . . . . . .181
Notes and Conventions . . . . . . . . . . . . . . . . . . . . . . . . . . . . . . . . .183
List of Supported Commands . . . . . . . . . . . . . . . . . . . . . . . . . . . .184
Chapter 7: Technology Background . . . . . . . . . . . . . . . . . . . . . . . .219
Introduction to RAID . . . . . . . . . . . . . . . . . . . . . . . . . . . . . . . . . . .219
RAID 0 – Stripe . . . . . . . . . . . . . . . . . . . . . . . . . . . . . . . . . . . .220
RAID 1 – Mirror . . . . . . . . . . . . . . . . . . . . . . . . . . . . . . . . . . . .221
RAID 1E – Enhanced Mirror . . . . . . . . . . . . . . . . . . . . . . . . . .222
RAID 5 – Block Striping with Distributed Parity . . . . . . . . . . . .223
RAID 6 – Block and Double Parity Stripe . . . . . . . . . . . . . . . .224
RAID 10 – Mirror / Stripe . . . . . . . . . . . . . . . . . . . . . . . . . . . . .225
RAID 50 – Striped Distributed Parity . . . . . . . . . . . . . . . . . . . .226
RAID 60 – Striping of Double Parity . . . . . . . . . . . . . . . . . . . .229
Choosing a RAID Level . . . . . . . . . . . . . . . . . . . . . . . . . . . . . . . . .232
RAID 0 . . . . . . . . . . . . . . . . . . . . . . . . . . . . . . . . . . . . . . . . . .232
RAID 1 . . . . . . . . . . . . . . . . . . . . . . . . . . . . . . . . . . . . . . . . . .232
RAID 1E . . . . . . . . . . . . . . . . . . . . . . . . . . . . . . . . . . . . . . . . .233
RAID 5 . . . . . . . . . . . . . . . . . . . . . . . . . . . . . . . . . . . . . . . . . .233
RAID 6 . . . . . . . . . . . . . . . . . . . . . . . . . . . . . . . . . . . . . . . . . .234
RAID 10 . . . . . . . . . . . . . . . . . . . . . . . . . . . . . . . . . . . . . . . . .234
RAID 50 . . . . . . . . . . . . . . . . . . . . . . . . . . . . . . . . . . . . . . . . .235
RAID 60 . . . . . . . . . . . . . . . . . . . . . . . . . . . . . . . . . . . . . . . . .235

SuperTrak EX Series User Manual
xii
Chapter 7: Technology Background, cont.
Choosing Stripe Block Size . . . . . . . . . . . . . . . . . . . . . . . . . . . . . .236
Choosing Sector Size . . . . . . . . . . . . . . . . . . . . . . . . . . . . . . . . . .236
2 TB Limitation . . . . . . . . . . . . . . . . . . . . . . . . . . . . . . . . . . . .237
Choosing Cache Policy . . . . . . . . . . . . . . . . . . . . . . . . . . . . . . . . .237
Read Cache Policy . . . . . . . . . . . . . . . . . . . . . . . . . . . . . . . . .238
Write Cache Policy . . . . . . . . . . . . . . . . . . . . . . . . . . . . . . . . .238
Capacity Coercion . . . . . . . . . . . . . . . . . . . . . . . . . . . . . . . . . . . . .238
Initialization . . . . . . . . . . . . . . . . . . . . . . . . . . . . . . . . . . . . . . . . . .239
Hot Spare Drive(s) . . . . . . . . . . . . . . . . . . . . . . . . . . . . . . . . . . . . .239
Partition and Format the Logical Drive . . . . . . . . . . . . . . . . . . . . .240
RAID Level Migration . . . . . . . . . . . . . . . . . . . . . . . . . . . . . . . . . . .240
RAID 0 . . . . . . . . . . . . . . . . . . . . . . . . . . . . . . . . . . . . . . . . . .241
RAID 1 . . . . . . . . . . . . . . . . . . . . . . . . . . . . . . . . . . . . . . . . . .242
RAID 1E . . . . . . . . . . . . . . . . . . . . . . . . . . . . . . . . . . . . . . . . .242
RAID 5 . . . . . . . . . . . . . . . . . . . . . . . . . . . . . . . . . . . . . . . . . .243
RAID 6 . . . . . . . . . . . . . . . . . . . . . . . . . . . . . . . . . . . . . . . . . .243
RAID 10 . . . . . . . . . . . . . . . . . . . . . . . . . . . . . . . . . . . . . . . . .244
RAID 50 . . . . . . . . . . . . . . . . . . . . . . . . . . . . . . . . . . . . . . . . .245
RAID 60 . . . . . . . . . . . . . . . . . . . . . . . . . . . . . . . . . . . . . . . . .245
Ranges of Disk Array Expansion . . . . . . . . . . . . . . . . . . . . . .246
Media Patrol . . . . . . . . . . . . . . . . . . . . . . . . . . . . . . . . . . . . . . . . .248
Predictive Data Migration (PDM) . . . . . . . . . . . . . . . . . . . . . . . . . .248
PDM Triggers . . . . . . . . . . . . . . . . . . . . . . . . . . . . . . . . . . . . .248
Transition . . . . . . . . . . . . . . . . . . . . . . . . . . . . . . . . . . . . . . . . . . . .249
Drive Failure and Automatic Rebuild . . . . . . . . . . . . . . . . . . .249
Automatic Transition . . . . . . . . . . . . . . . . . . . . . . . . . . . . . . . .251
Manual Transition . . . . . . . . . . . . . . . . . . . . . . . . . . . . . . . . . .251
Critical & Offline Logical Drives . . . . . . . . . . . . . . . . . . . . . . . . . . .253
When a Physical Drive Fails . . . . . . . . . . . . . . . . . . . . . . . . . .253
With a Hot Spare Drive . . . . . . . . . . . . . . . . . . . . . . . . . . . . . .255
Without a Hot Spare Drive . . . . . . . . . . . . . . . . . . . . . . . . . . .255
Rebuild Operation . . . . . . . . . . . . . . . . . . . . . . . . . . . . . . . . . .255
Chapter 8: Troubleshooting . . . . . . . . . . . . . . . . . . . . . . . . . . . . . . .257
Problems Reported by SuperTrak . . . . . . . . . . . . . . . . . . . . . . . . .257
Buzzer . . . . . . . . . . . . . . . . . . . . . . . . . . . . . . . . . . . . . . . . . . .257
LEDs . . . . . . . . . . . . . . . . . . . . . . . . . . . . . . . . . . . . . . . . . . . .257
BIOS . . . . . . . . . . . . . . . . . . . . . . . . . . . . . . . . . . . . . . . . . . . .259
Problems Reported in WebPAM PRO . . . . . . . . . . . . . . . . . . . . . .261
Open WebPAM PRO . . . . . . . . . . . . . . . . . . . . . . . . . . . . . . .261

Contents
xiii
What to Look For . . . . . . . . . . . . . . . . . . . . . . . . . . . . . . . . . .261
Critical & Offline Logical Drives . . . . . . . . . . . . . . . . . . . . . . . . . . .263
Finding the Failed Drive in SuperBuild . . . . . . . . . . . . . . . . . .263
Finding the Failed Drive in WebPAM PRO . . . . . . . . . . . . . . .264
Salvaging Physical Drives . . . . . . . . . . . . . . . . . . . . . . . . . . . . . . .265
Clearing Stale and PFA Conditions . . . . . . . . . . . . . . . . . . . .265
Rebuilding a Logical Drive . . . . . . . . . . . . . . . . . . . . . . . . . . . . . . .266
Spare Drive Available . . . . . . . . . . . . . . . . . . . . . . . . . . . . . . .266
No Spare Drive Available . . . . . . . . . . . . . . . . . . . . . . . . . . . .266
Manual Rebuild: SuperBuild Utility . . . . . . . . . . . . . . . . . . . . .266
Manual Rebuild: WebPAM PRO . . . . . . . . . . . . . . . . . . . . . . .267
Recovering from a Blank Screen . . . . . . . . . . . . . . . . . . . . . . . . . .268
Cache Battery Does Not Charge . . . . . . . . . . . . . . . . . . . . . . . . . .268
Chapter 9: Support . . . . . . . . . . . . . . . . . . . . . . . . . . . . . . . . . . . . . .269
Frequently Asked Questions . . . . . . . . . . . . . . . . . . . . . . . . . . . . .269
Pre-Installation (Speed, Device Types, Capacity, Cabling) . .269
Drive Issues . . . . . . . . . . . . . . . . . . . . . . . . . . . . . . . . . . . . . .270
Installation Issues (Capacity, Booting) . . . . . . . . . . . . . . . . . .271
Post-Installation . . . . . . . . . . . . . . . . . . . . . . . . . . . . . . . . . . .272
Contacting Technical Support . . . . . . . . . . . . . . . . . . . . . . . . . . . .273
Limited Warranty . . . . . . . . . . . . . . . . . . . . . . . . . . . . . . . . . . . . . .276
Returning the Product For Repair . . . . . . . . . . . . . . . . . . . . . . . . .278
Appendix A: Partition and Format . . . . . . . . . . . . . . . . . . . . . . . . . .281
Appendix B: Upgrades . . . . . . . . . . . . . . . . . . . . . . . . . . . . . . . . . . .285
Updating SuperTrak BIOS and Firmware . . . . . . . . . . . . . . . . . . .285
Updating WebPAM PRO . . . . . . . . . . . . . . . . . . . . . . . . . . . . . . . .286
Appendix C: Battery Backup Unit . . . . . . . . . . . . . . . . . . . . . . . . . .287
Installing the BBU . . . . . . . . . . . . . . . . . . . . . . . . . . . . . . . . . . . . .288
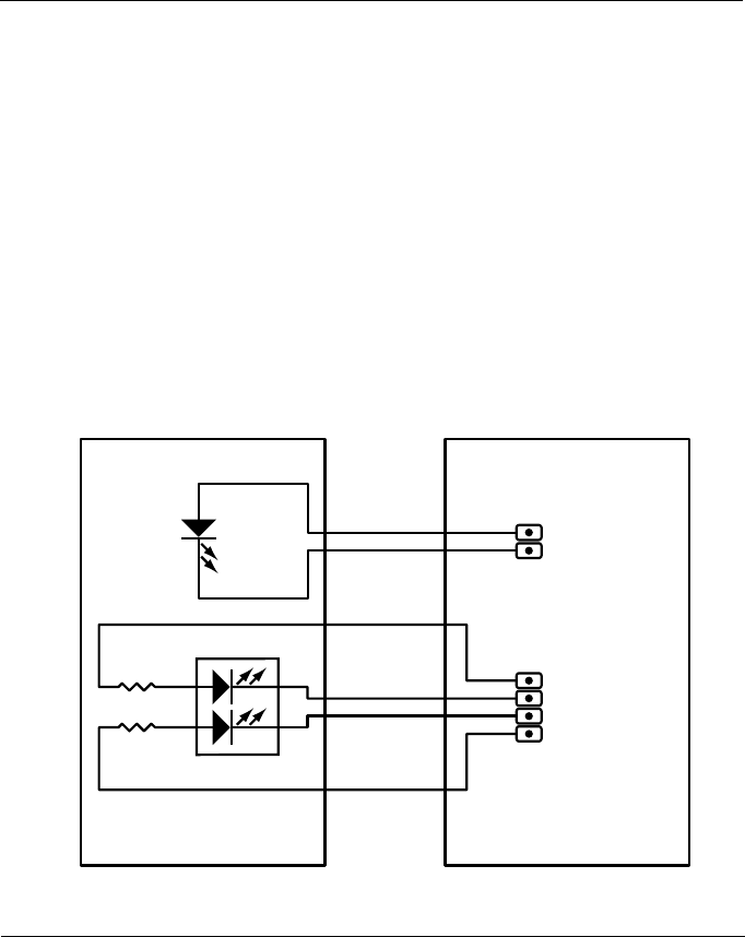
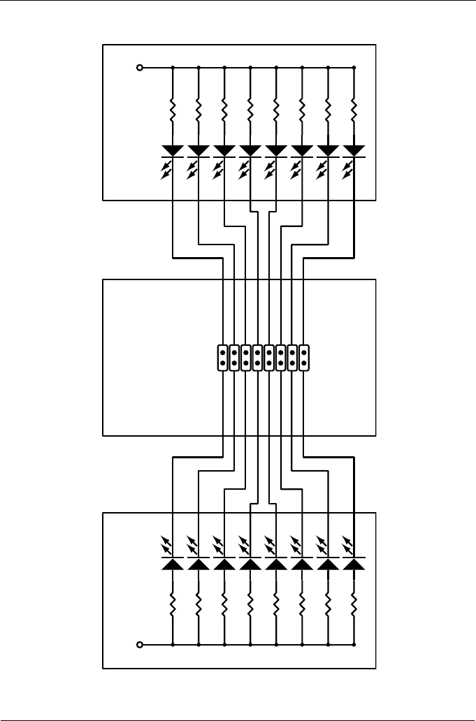
Appendix D: LED Backplane Connections . . . . . . . . . . . . . . . . . . .291
Schematic Diagrams . . . . . . . . . . . . . . . . . . . . . . . . . . . . . . . . . . .291
Direct LED Display . . . . . . . . . . . . . . . . . . . . . . . . . . . . . . . . . . . .293
Aggregate LED Display . . . . . . . . . . . . . . . . . . . . . . . . . . . . . . . . .293
Global LED Display . . . . . . . . . . . . . . . . . . . . . . . . . . . . . . . . . . . .294
Index. . . . . . . . . . . . . . . . . . . . . . . . . . . . . . . . . . . . . . . . . . . . . . . . . . .295

SuperTrak EX Series User Manual
xiv

1
Chapter 1: Introduction
• About This Manual, below
• Product Overview (page 2)
• WebPAM PRO Management Software (page 3)
Thank you for purchasing one of Promise Technology’s SuperTrak EX4650,
EX8650, EX8654, EX8658, or EX16650 SAS/SATA RAID Controller card.
About This Manual
This User Manual describes how to setup, use and maintain the SuperTrak RAID
controller. It also describes how to use the Web-Based Promise Array
Management—Professional (WebPAM PRO) RAID management software.
This manual includes a full table of contents, chapter task lists and numerous
cross-references to help you find the specific information you are looking for.
Also included are four levels of notices:
Note
A Note provides helpful information such as hints or alternative
ways of doing a task.
Important
Important calls attention to an essential step or point required to
complete a task. Important items include things often missed.
Caution
A Caution informs you of possible equipment damage or loss of
data and how to avoid them.
Warning
A Warning notifies you of probable equipment damage or loss of
data, or the possibility of physical injury, and how to avoid them.

SuperTrak EX Series User Manual
2
Product Overview
SuperTrak EX4650, EX8650, EX8654, EX8658, and EX16650 are SAS and
SATA RAID Controller cards. When used with WebPAM PRO software, the
SuperTrak RAID Controllers offer a feature-rich, secure and versatile enterprise-
wide RAID solution. In addition, the SuperTrak EX Series supports RAID
expansion. The resulting RAID environment allows users and administrators to
configure, manage, and monitor everything from single logical drives on local
systems to logical drive networks residing in offsite locations.
The SuperTrak EX Series RAID Controller cards support SAS hard drives as well
as 1.5 Gb/s and 3.0 Gb/s SATA hard drives. At its core, the SuperTrak card
provides advanced RAID management functions: creating logical drives,
monitoring them, keeping them online and operating at optimum efficiency.
SuperTrak can also perform many other tasks, such as:
• The SuperTrak EX4650 Controller card supports up to four SAS or SATA
physical drives and RAID levels 0, 1, 1E, 5, 6, and 10. With a SAS expander
you can attach up to 24 drives, for RAID 50 and 60.
• The SuperTrak EX8650, EX8654, EX8658, and EX16650 Controller cards
you can directly attach up to 16 SAS or SATA physical drives. With a SAS
expander you can attach up to 128 drives. These Controllers also support
RAID levels 0, 1, 1E, 5, 6, 10, 50, and 60.
• Set up a network of SuperTrak RAID servers (all running under different
RAID levels) and monitor those servers from any workstation on the
network.
• Create a series of SuperTrak RAID networks at any number of offsite
locations.
• Monitor and repair SuperTrak RAID logical drives using the Internet from an
offsite location—all without compromising the integrity of secure servers.
XOR Microprocessor
The SuperTrak EX Series Controllers have an onboard microprocessor for XOR
calculations, which off loads the parity calculation workload from the main CPU
and transfers it to the controller card, boosting the performance of the entire
system.
Hot-Swapping
Attached drives can be hot swapped when necessary.

Chapter 1: Introduction
3
WebPAM PRO Management Software
The Web-Based Promise Array Management—Professional (WebPAM PRO)
software offers local and remote management and monitoring of all SuperTrak
logical drives that exist anywhere on a network. Browser-based GUI provides
email notification of all major events or alarms, memory cache management,
drive event logging, logical drive maintenance, rebuild, and access to all
components in the RAID configuration (controller, physical drives, disk arrays,
logical drives, physical drives, and enclosure).
For information on using WebPAM PRO, see “Chapter 5: Management with
WebPAM PRO” on page 107.
Operating System Support
On the Host PC where you install the SuperTrak controller and WebPAM PRO,
Promise Technology recommends:
• Windows Server 2008 (64 bit) with or without Hyper-V
• Windows Server 2008 (32 bit)
• Windows Vista (32 or 64 bit)
• Windows Server 2003 SP1, SP2; R2 (32 or 64 bit)
• Windows XP Professional SP2, SP3 (32 or 64 bit)
• Red Hat Enterprise Linux 4.4, 4.5, 4.6, 5.0, 5.1, 5.2 (32 or 64 bit)
• SuSE Open 10.2, 10.3, 11 (32 or 64 bit)
• SLES 10, 10 SP1 (32 or 64 bit)
• Miracle Linux 4 SP2, 5 (32 or 64 bit)
• Fedora Core 6, 7, 8, 9 (32 or 64 bit)
• Open Source Driver for Linux 2.6 kernel (32 or 64 bit)
SuperTrak management on the following OS is supported only via CLI:
• FreeBSD 6.1, 6.2 (32 or 64 bit)
SuperTrak management on the following virtualization platform is supported only
via CLI:
• VMware ESX 3.0.2, 3.5 (certification pending)

SuperTrak EX Series User Manual
4
Browser Support
On the Host PC where you install the SuperTrak controller and WebPAM PRO,
you must have one of the following browsers:
• Internet Explorer
•Firefox
• Netscape Navigator
If you do not have one of the above browsers, install the browser first and make it
the default browser. Then install WebPAM PRO.
Key Features and Benefits
The following information offers an overview of the major features of the Promise
SuperTrak EX4650, EX8650, EX8654, EX8658, and EX16650.
Advanced Hardware Design
Features Benefits
Supports PCIe x8 bus
motherboards
Allows maximum data transfers of up to 2 GB/s
in both directions simultaneously to dramatically
reduce the time to save and retrieve large files.
EX4650 supports: RAID 0, 1,
1E, 5, 6, and 10. RAID 50 and
60 with SAS Expander. Provides dramatic increase in drive performance
and/or fault tolerant options. Offers performance
customization and data rebuilds from the BIOS
menu.
EX8650, EX8654, EX8658,
and EX16650 support: RAID
0, 1, 1E, 5, 6, 10, 50, and 60
Supports Serial ATA
Specification II
Burst data transfer rates up to 300 MB/s from
Serial ATA drives to boost overall system
performance.
Supports Serial Attached
SCSI Specification
Burst data transfer rates up to 300 MB/s from
SAS drives to boost overall system
performance.
Independent data channels
for SATA and SAS drives
Drives can multiply their data transfer
performance when striped together and each
drive uses a separate data channel.
Supports multiple logical
drives on the same physical
drives
Up to 32 logical drives per array,
Up to 128 arrays drives per controller,
Up to 128 physical drives per controller,
Up to 256 logical drives per controller.

Chapter 1: Introduction
5
Supports online logical drive
expansion
Add disk drives to the array without affecting
data availability.
Supports online logical drive
migration
Change RAID level without affecting data
availability.
Utilizes SuperBuild™
automenu from the SuperTrak
onboard BIOS
Has “Auto Setup” option for quick and easy
logical drive builds.
Displays status and error
checking messages during
bootup
Notifies user of possible errors and allows for
recovery of mirrored drive logical drives directly
from SuperBuild™.
Supports S.M.A.R.T.
monitoring and reporting
Polls status at set intervals, reports through
WebPAM PRO.
Employs the latest Promise
PCI Express SATA/SAS ASIC
technology
Fully supports Serial ATA specifications with 150
and 300 MB/sec timing and CRC error-checking
at high speeds.
Automatic background
rebuilds
Fault tolerance can be restored automatically
without rebooting.
DOS based flash upgrade of
BIOS and Firmware
Verifies proper file, option to backup existing file.
Download files from Promise website.
Capacity coercion Supports four schemes of capacity coercion.
System reboot not required
after create, delete, migrate or
expand logical drive
System boot process continues without
restarting.
Compatibility
Features Benefits
Complies with PCI Express
Specification 1.0a
Provides highest level of hardware compatibility
Complies with SATA
Specification 1.0a
Provides full compatibility with first generation
SATA hard drives.
Complies with SATA II:
Extensions to SATA 1.0a
Specification
Provides enclosure and drive monitoring
compatibility.
Complies with SAS
Specification 1.1
Provides full compatibility with SAS hard drives.
Advanced Hardware Design
Features Benefits

SuperTrak EX Series User Manual
6
Specifications
• Port Counts and Connectors
EX4650: 4 internal, one SFF-8087
EX8650: 8 internal, two SFF-8087
EX8654: 4 internal, one SFF-8087; 4 external, one SFF-8088
EX8658: 8 external, two SFF-8088
EX16650: 16 internal, four SFF-8087
• Interface: PCI-Express x8 Slot
•I/O Processor
EX4650: 667 MHz
EX8650: 800 MHz
EX8654, EX8658, EX16650: 1.2 GHz
• Memory (DDR-II)
EX4650: 128 MB
EX8650: 256 MB
EX8654, EX8658, EX16650: 512 MB
• Controller card dimensions (HWD):
EX4650, EX8650, EX8654, EX8658:
2.69 x 6.63 x 0.75 inches (68.3 x 168.3 x 19.0 mm) “Low profile”
EX16650:
4.37 x 6.63 x 0.75 inches (111.0 x 168.3 x 19.0 mm) “Full height”
• Operating temperatures
Without BBU: 32° to 122°F (0°C to 50°C)
With BBU: 32° to 104°F (0°C to 40°C)
• Operating humidity: 5% to 95% non-condensing
Tested compatibility to coexist
with motherboards that have
integrated IDE controllers
Improves system performance and minimizes
system conflicts for new and existing
installations.
Features LBA support Supports drives greater than 137 GB capacity.
Supports BIOS Boot
Specification
All logical drives attached to the SuperTrak card
appear in the BBS-compliant motherboards
BIOS boot list.
Compatibility
Features Benefits

7
Chapter 2: Installation
• Unpacking the SuperTrak, below
• Installing the SuperTrak Card (page 9)
• Choosing the Physical Drives (page 17)
• Creating a Logical Drive (page 18)
• Installing the CLI (page 23)
• Windows (page 23)
• Linux (page 28)
• Free BSD (page 35
• VMware (page 36)
• Installing WebPAM PRO (page 37)
• Windows (page 39)
• Linux (page 47)
• Logging into WebPAM PRO (page 55)
• Setting up WebPAM PRO (page 57)
Unpacking the SuperTrak Card
When you receive the SuperTrak EX Series SAS/SATA RAID Controller card, the
package should contain the items listed below:
• SuperTrak EX4650, EX8650, EX8654, EX8658, or EX16650 Controller card
•Quick Start Guide
• 0.5m (19-inch) SFF-8087 to SFF-8087 multi-lane cable
One (1) for EX4650 and EX8654
Two (2) for EX8650
Four (4) for EX16650
• CD with WebPAM PRO software, Windows and Linux drivers, and
SuperTrak User Manual
If any of the items are missing or appear damaged, please contact your dealer or
distributor immediately.
Warning
The electronic components on the SuperTrak EX Controller cards
are sensitive to damage from Electro-Static Discharge (ESD).
Observe appropriate precautions at all times when handling the
SuperTrak card or its subassemblies.

SuperTrak EX Series User Manual
8
Warning
Before installing the SuperTrak EX Controller card into an existing
system, backup any important or useful data. Failure to follow this
accepted PC practice could result in data loss.
Important
Promise does not recommend multi-lane and fanout cables longer
than 1m (38 inches) because they have not been tested with the
SuperTrak controller.
Important
If your SuperTrak EX16650 card has a battery backup unit (BBU),
follow these requirements to be sure the battery charges properly:
• Ambient operating temperature must not exceed 104
°
F (40
°
C)
• Airflow through your PC or server must be at least 200 LFM
Note
The SuperTrak EX Controller cards are PCI Plug-n-Play (PnP)
devices. No changes are necessary in the motherboard CMOS or
BIOS Setup for resources or drive types in most applications.

Chapter 2: Installation
9
Installing the SuperTrak Card
The SuperTrak EX Controller card fits into any available PCI-Express x8 slot. You
can also plug the SuperTrak card into a PCI-Express x16 slot.
1. Remove the cover of your system.
2. Remove the inside slot cover of an available PCI-Express slot on the
motherboard.
3. Install the SuperTrak card into the open PCI-Express slot.
4. Fasten the SuperTrak card bracket to the system case.
5. Attach one end of a SAS multi-lane cable to a SAS port on the SuperTrak
card.
External SAS multi-lane cables are user-supplied. The external SAS ports
have SFF-8088 connectors.
See Figures 1 through 5.

SuperTrak EX Series User Manual
10
Figure 1. SuperTrak EX4650 card
Figure 2. SuperTrak EX8650 card
BBU module
connector
SuperSwap connector
Activity and
Fault LED Pins
Ch1-4
Global and
Aggregate
LED Pins
SAS Ports
Activity and
Fault LED Pins
Ch1-4
BBU module
connector
SuperSwap connector
Global and
Aggregate
LED Pins
Ch5-8
SAS Ports

Chapter 2: Installation
11
Figure 3. SuperTrak EX8654 card
Figure 4. SuperTrak EX8658 card
BBU module
connector
SuperSwap connector
Activity and Fault
LED Pins
SAS Ports: Ch1-4
Aggregate
LED Pins
SAS Ports: Ch1-4
SAS Ports:
Ch5-8
Global
LED Pins
Ch1-4
SAS Ports
Ch5-8
Aggregate
LED Pins
Global
LED Pins
BBU module
connector
SuperSwap connector

SuperTrak EX Series User Manual
12
Figure 5. SuperTrak EX16650 card
6. Attach the other end of the SAS multi-lane cable to a SAS port on your
enclosure’s backplane or to your SAS expander.
For more information, see the user manual for your enclosure or SAS
expander.
7. Optional. Repeat steps 5 and 6 for the other SAS ports on the SuperTrak
EX8650, EX8654, EX8658, or 16650 card.
8. Optional. Attach cables from the LED pins on the SuperTrak card to the
LEDs in your PC or enclosure. See Figures 5 through 7.
For more information, see “Appendix D: LED Backplane Connections” on
page 291 and the user manual for your PC or enclosure.
Figure 6. Individual LED pins, EX4650, EX8650, and EX8654
Ch13-16
BBU module
connector
SuperSwap
connector
Global and
Aggregate
LED Pins
Ch9-12
SAS Ports
Ch5-8
Ch1-4
Activity and Fault LED Pins
Ports/Channels
876543
2
1
Activity LEDs
Fault LEDs
EX4650
Ports/Channels
1234
EX8654
Activity LEDs
Fault LEDs
EX8650

Chapter 2: Installation
13
For SuperTrak EX8654 and EX8658, note that only the interior SAS Ports
have individual LED pins.
Figure 7. Individual LED pins, EX16650
Figure 8. Global and Aggregate LED pins, EX4650 and EX8650
Figure 9. Global and Aggregate LED pins, EX8654 and EX8658
Figure 10. Global and Aggregate LED pins, EX16650
Ports/Channels
1
2
34 5678 910
11 12 13 14 15 16
Activity LEDs
Fault LEDs
Global LEDs (J2)
Aggregate LEDs (J3)
+
+
R
G
+
–
–
+
+
+
R
G
+
–
Aggregate LEDsGlobal LEDs
+
+
R
G
Global LEDs
+
–
+
–
Aggregate LEDs

SuperTrak EX Series User Manual
14
Connecting SuperTrak to a SuperSwap Enclosure
If you are using Promise SuperSwap enclosures:
1. Attach SAS fanout cables to the SAS ports of the SuperTrak card.
2. Connect the other ends of the SAS fanout cables to the SuperSwap
enclosure.
3. Connect the 3-to-3 pin management cable (came with the SuperSwap) from
the SuperSwap connector on SuperTrak card to the Management connector
on the back of the the SuperSwap housing.
4. Optional. If you are installing multiple SuperSwap 4600s, install a 6-pin
daisy-chain cable from the daisy-chain OUT connector of the first
SuperSwap to the daisy-chain IN connector of the second.
SuperTrak supports up to eight SuperSwap 1600 enclosures or up to two
SuperSwap 4600 enclosures.
Connecting SuperTrak to a VTrak JBOD Enclosure
If you are connecting the SuperTrak card to a single VTrak JBOD enclosure, you
can attach the SAS multi-lane cable to either the circle or diamond port on the
enclosure.
However, if you plan to cascade multiple VTrak JBOD enclosures, you must
attach the SAS multi-lane cable to the circle port on the first enclosure.
Figure 11. Attaching the SAS multi-lane cable to the diamond port
O
I
115200
8 N 1
VTrak JBOD
enclosure
SuperTrak
Controller SAS multi-lane cable
(supplied with VTrak)

Chapter 2: Installation
15
SAS Connections and ID Numbers
The table below correlates the ranges of Enclosure IDs and Physical Drive IDs,
that appear in the WebPAM PRO interface as a result of the data connections
you make.
The SuperTrak EX8650, EX8654, and EX8658 cards are designed to manage up
to 16 enclosures and up to 256 SAS or SATA disk drives (using SAS expanders).
The SuperTrak EX16650 card is designed to manage up to 32 enclosures and up
to 512 SAS or SATA disk drives (using SAS expanders).
If your system has fewer components, you might be surprised at the way
WebPAM PRO numbers your enclosures and drives. The following scenarios
illustrate some numbering examples.
Scenario 1: Virtual Enclosure – SGPIO
You install the SuperTrak card into an SGPIO enclosure. You attach a SAS data
cable between Port Ch1-4 and the enclosure’s backplane.
In WebPAM PRO, the SGPIO enclosure appears as Enclosure 1. The drives are
numbered 1 to 128.
If you attached a second SGPIO enclosure to Port Ch5-8, it would appear in
WebPAM PRO as Enclosure 10. The drives would be numbered 129 to 256.
Scenario 2: Virtual Enclosure – Host PC
You install the SuperTrak card into a Host PC. You attach SAS breakout cables
to Ports Ch1-4 and Ch5-8 and a SAS or SATA drive at the drive ends of each
cable.
SuperTrak SAS Port Enclosure ID Range Drive ID Range
Ch1-4 Virtual* 1 1 to 128
Ch1-4 2 to 9 1 to 128
Ch5-8 10 to 17 129 to 256
Ch9-12 18 to 25 257 to 384
Ch13-16 26 to 33 385 to 512
* A virtual enclosure involves physical drives attached directly to the
SuperTrak controller or a connection to an SGPIO backplane.
You can attach up to 128 SAS or SATA drives on each SAS port
using SAS expanders.

SuperTrak EX Series User Manual
16
In WebPAM PRO, the Host PC appears as Enclosure 1. The drives on Port
Ch1-4 are numbered 1 to 4. The drives on Port Ch5-8 are numbered 129 to 132.
This scenario also applies if you use Promise SuperSwap enclosures.
Scenario 3: External Enclosures – Daisy Chain
You install the SuperTrak card into a Host PC. You attach a SAS data cable
between Port Ch1-4 and a Promise VTrak J310s 12-drive JBOD enclosure. You
connect a second J310s enclosure to the first in a daisy chain.
In WebPAM PRO, the first JBOD enclosure appears as Enclosure 2. The drives
are numbered 1 to 12. The second JBOD enclosure appears as Enclosure 3. The
drives are numbered 13 to 24.
Scenario 4: External Enclosures – Parallel
You install the SuperTrak card into a Host PC. You attach a SAS data cable
between Port Ch1-4 and a VTrak J310s enclosure. You attach a SAS data cable
between Port Ch5-8 and a second J310s enclosure.
In WebPAM PRO, the first JBOD enclosure appears as Enclosure 2. The drives
are numbered 1 to 12. The second JBOD enclosure appears as Enclosure 10.
The drives are numbered 129 to 140.
Scenario 5: SAS Expanders
You install the SuperTrak card into a Host PC. You attach a SAS data cables
between Ports Ch1-4 and Ch5-8 and two SAS Expanders.
In WebPAM PRO, the first Expander appears as Enclosure 2. The drives are
numbered 1 to 128. The second Expander appears as Enclosure 10. The drives
are numbered 129 to 256.
See “Viewing Enclosure Information” on page 145 and “Locating a Physical
Drive” on page 146 for more information.

Chapter 2: Installation
17
Choosing the Physical Drives
The SuperTrak EX Controller card supports SAS and 1.5-Gb/s or 3.0-Gb/s SATA
physical drives. For optimal performance, install physical drives of the same
model and capacity.
The table above shows the number of drives required for each RAID level.
Level Number of Drives Level Number of Drives
RAID 0 1 or more RAID 6 4 to 16*
RAID 1 2 only RAID 10 4 or more**
RAID 1E 3 or more RAID 50 6 or more
RAID 5 3 to 16* RAID 60 8 or more
* Requires SAS expansion
** Requires an even number of drives

SuperTrak EX Series User Manual
18
Creating a Logical Drive
You can use the SuperBuild™ Configuration Utility to create a logical drive with
the attached physical drives. Even if you plan to use the WebPAM PRO software
to manage your logical drives, you can still create your first logical drive using the
SuperBuild Utility, as described here.
1. Boot your system. If this is the first time you have booted with the SuperTrak
card and physical drives installed, the SuperTrak BIOS will display the
following screen.
2. Press the Ctrl-S keys to display the SuperBuild Utility Main Menu.
Note
For an explanation of the logical drive concepts and the choices
you can make when you create your logical drive, see “Chapter 7:
Technology Background” on page 219 of this manual.

Chapter 2: Installation
19
3. Press the arrow keys to highlight Disk Array Management and press Enter.
The Disk Array Management screen appears.
4. Highlight Create Disk Array and press Enter.
The Create Disk Array screen appears.
Use this screen to select the physical drives for your disk array.
5. Press the arrow keys to highlight a physical drive. Then press the spacebar
to select the physical drive.
An asterisk (*) appears at the left of each selected physical drive.
6. Highlight Save Configuration and press Enter.
The Disk Array Management screen appears, showing your new disk array

SuperTrak EX Series User Manual
20
7. Highlight Return to Previous Menu and press Enter.
The Main Menu appears.
8. Highlight Logical Drive Management and press Enter.
The Logical Drive Management screen appears.
9. Highlight Create Logical Drive and press Enter.
The Create Logical Drive Step 1/2 screen appears.
10. Press the arrow keys to highlight a disk array. Then press the spacebar to
choose the disk array.
An asterisk (*) appears at the left of the chosen disk array.

Chapter 2: Installation
21
11. Highlight Next Step and press Enter.
The Create Logical Drive Step 2/2 screen appears.
12. To change the RAID Level, highlight RAID Level and press Enter.
In the popup menu, highlight your choice of RAID Level and press Enter.
The available RAID Levels depend on the number of physical drives you
selected for your disk array.
13. Press the arrow keys to highlight Logical Drive Name. Type a name for your
logical drive and press Enter.
14. To use less than the full physical drive capacity for this logical drive, highlight
Capacity and press Enter.
Press the Delete or Backspace keys to erase the current capacity. Type the
new capacity in MB to allocate to this logical drive.
Later, you can assign the unused capacity to a second logical drive.
15. To change the Stripe Size, highlight Stripe Size and press Enter.
Highlight your choice of 64 KB, 128 KB, 256 KB, 512 KB, or 1024 KB and
press Enter.
16. To change the Sector Size, highlight Sector Size and press Enter.
Use the default 512 B. Only exceptions are logical drives larger than 2 TB on
Windows XP 32-bit. See page 246 for more information.

SuperTrak EX Series User Manual
22
17. To change the Write Cache Policy, highlight Write Cache Policy and press
Enter.
Highlight your choice of Write Through or Write Back and press Enter.
18. To change the Read Cache Policy, highlight Read Cache Policy and press
Enter.
Highlight your choice of None, Read Cache, or Read Ahead and press
Enter.
19. Highlight Save Configuration and press Enter.
The Logical Drive Management screen appears with your new logical drive.
At this point you can create additional logical drives, if there is physical drive
space available. To create another logical drive, repeat steps 4 though 18
above.
20. Press the F10 key to exit the SuperBuild utility and press Y to confirm and
restart the computer.
Do not press the Ctrl-Alt-Del keys. Do not press the Esc key.
You have successfully created a new RAID logical drive.
Important
You must partition and format your new logical drive before you
can use it. Use the same method of partitioning and formatting a
logical drive as you would any other fixed disk added to your
computer system.

Chapter 2: Installation
23
Installing the CLI
The Command Line Interface (CLI) provides rapid setup of disk arrays and logical
drives. You can also manage your SuperTrak system using the CLI.
Installing onto Windows
To install the CLI onto your Windows PC or server:
1. Boot the PC or server, launch Windows, and log in as the Administrator.
If the computer is already running, exit all programs. If you are not logged in
as the Administrator, log out, then log in again as the Administrator.
2. Insert the Software CD into your CD-ROM drive.
The installer window opens automatically.
3. Click the CLI/SNMP button, then click the Install CLI for Windows button.
The first CLI installation dialog box appears.
4. In the Introduction dialog box, click the Next button to proceed with
installation.
Figure 12. Introduction dialog box
The CLI uses the same installer as WebPAM PRO. Even though the dialog
boxes say “WebPAM PRO,” this procedure installs the CLI.

SuperTrak EX Series User Manual
24
5. In the License Agreement dialog box, choose the I accept... option, then
click the Next button.
Figure 13. License Agreement dialog box

Chapter 2: Installation
25
6. In the Choose Destination Location dialog box, you can:
• Accept the default installation folder (recommended)
• Specify a different installation folder (advanced users)
When you agree with the proposed installation folder, click the Next button.
Figure 14. Choose Destination Location dialog box

SuperTrak EX Series User Manual
26
7. In the Ready to Install dialog box, click the Install button to continue.
Figure 15. Ready to Install dialog box

Chapter 2: Installation
27
8. In the Install Complete dialog box, click the Finish button to exit the installer.
Figure 16. Install Complete dialog box
With the Register Your Product Online box checked, your browser will
open and go directly to the Promise product registration website. Thank
you for taking the time to register.
To open the CLI, click the CLI icon on the desktop (right).
Go to “Chapter 6: Management with the CLI” on page 149 for
information about using this application.

SuperTrak EX Series User Manual
28
Installing onto Linux
For Linux PCs, Promise offers two different binary files:
•WebPAM PRO and CLI – Installs either or both WebPAM PRO and the CLI
•CLI only – Installs only the CLI
Note that both of these binary files open in a terminal window and both files use
the WebPAM PRO installer. The procedure below installs the CLI only. To install
WebPAM PRO, see page 47.
To install the CLI onto your Linux PC or server:
1. Boot the PC or server, log in as root, and launch the Linux GUI.
If the computer is already running, exit all programs. If you are not logged in
as root, log out, then log in again as root.
2. Insert the Software CD into your CD-ROM drive.
3. Copy the CLI_Installer...linux.bin file from the Software CD \CLI\Linux
directory to the /root directory on your PC.
4. Open a terminal window and type sh followed by one space, the exact name
of the CLI_Installer...linux.bin file, then press Enter.
After several moments, the first installation dialog box appears.
Important
Check the SuperTrak Read Me file for any issues pertaining to the
distribution and version of Linux OS running on your PC or server.

Chapter 2: Installation
29
5. In the Introduction dialog box, click the Next button to proceed with
installation.
Figure 17. Introduction dialog box

SuperTrak EX Series User Manual
30
6. In the License Agreement dialog box, choose the I accept... option, then
click the Next button.
Figure 18. License Agreement dialog box

Chapter 2: Installation
31
7. When the Choose Install Folder dialog box appears, you can:
• Accept the default installation folder (recommended)
• Specify a different installation folder (advanced users)
When you agree with the proposed installation folder, click the Next button.
Figure 19. Choose Install Folder dialog box

SuperTrak EX Series User Manual
32
8. In the Pre-Installation Summary dialog box, click the Install button to
continue.
Figure 20. Pre-Installation Summary dialog box

Chapter 2: Installation
33
9. In the Install Complete dialog box, click the Next button to continue.
Figure 21. Install Compete dialog box

SuperTrak EX Series User Manual
34
10. In the Register On-line dialog box, click the Done button to exit the installer
Figure 22. Register On-line dialog box
With the Register Your Product On-line box checked, your browser will open and
go directly to the Promise product registration website. Thank you for taking the
time to register.
Go to the /opt/Promise/WebPAMPRO/Agent/bin directory and type ./cliib to
start the CLI.
Go to “Chapter 6: Management with the CLI” on page 149 for information about
using this application.

Chapter 2: Installation
35
Installing the CLI onto FreeBSD
PCs running FreeBSD do not support WebPAM PRO, therefore they cannot use
the WebPAM PRO installer. Those systems use a binary file to install the CLI in a
terminal window.
Choose the x64 binary file for a 64-bit OS or the x86 binary file for a 32-bit OS.
To install the CLI onto your FreeBSD PC or server:
1. Boot the PC or server, log in as root.
If the computer is already running, exit all programs. If you are not logged in
as root, log out, then log in again as root.
2. Insert the Software CD into your CD-ROM drive.
3. Copy the CLI_Installer...FreeBSD.bin file from the Software CD
\CLI\FreeBSD directory to the /root directory on your PC.
4. Open a terminal window and type
sh CLI_Installer...FreeBSD.bin -i silent
and press Enter.
CLI_Installer...FreeBSD.bin represents the exact name of the CLI binary
file, such as
CLI_Installer_3_11_0000_00_x64FreeBSD.bin, or
CLI_Installer_3_11_0000_00_x86FreeBSD.bin
5. Reboot the PC or server.
After the installation is finished, type cliib with any shell to start the CLI.
Go to “Chapter 6: Management with the CLI” on page 149 for information about
using this application.

SuperTrak EX Series User Manual
36
Installing the CLI onto VMware
The VMware virtualization platfrom does not support WebPAM PRO, therefore
they cannot use the WebPAM PRO installer. Those systems use a binary file to
install the CLI in a terminal window.
Before you begin, download the CLI_Installer...VMware.bin file from the
Promise Support Website to your PC or server.
To install the CLI onto your VMware platform:
1. Boot the PC or server, log in as root.
If the computer is already running, exit all programs. If you are not logged in
as root, log out, then log in again as root.
2. Copy the CLI_Installer...VMware.bin file to the /root directory on your PC.
3. Open a terminal window and type
sh CLI_Installer...VMware.bin -i silent
and press Enter.
CLI_Installer...VMware.bin represents the exact name of the CLI binary file,
such as CLI_Installer_3_11_0000_00_VMware.bin
After the installation is finished, go to the /opt/Promise/WebPAMPRO/Agent/bin
directory and type ./cliib to start the CLI.
Go to “Chapter 6: Management with the CLI” on page 149 for information about
using this application.

Chapter 2: Installation
37
Installing WebPAM PRO
Web-Based Promise Array Management—Professional (WebPAM PRO)
software provides a browser-based graphic user interface used to monitor and
manage Promise RAID products and their logical drives. Because it works over
your network, it can monitor and control multiple systems.
WebPAM PRO involves four components:
•Utility Server – Enables RAID management over a network
•Agent – Enables the Host PC to communicate with the Utility Server
•Java Runtime Environment (JRE) – A private installation for
WebPAM PRO
•Internet Browser – Comes with your OS
When you install WebPAM PRO on a PC or server, you are installing the Utility
Server, Agent, and JRE.
• Utility Server (page 37)
• Agent (page 37)
• JRE (page 38)
• Internet Browser (page 38)
• Installing WebPAM PRO onto Windows (page 39)
• Installing WebPAM PRO onto Linux (page 47)
Utility Server
The Utility Server can run on the Host PC (where the SuperTrak card is installed),
or on a networked PC, if your WebPAM PRO system includes remote
management over a network. You run the Utility Server by directing your browser
to the IP address of the Host PC.
Agent
The Agent runs on the Host PC (where the SuperTrak card is installed). After you
have logged into the Utility Server through WebPAM PRO, the Utility Server
accesses the Agent on the Host PC. As the user, you do not access the Agent
directly.
Operating System Support
On the Host PC where you install the SuperTrak controller and WebPAM PRO,
Promise Technology recommends:
• Windows Server 2008 (64 bit) with or without Hyper-V
• Windows Server 2008 (32 bit)
• Windows Vista (32 or 64 bit)

SuperTrak EX Series User Manual
38
• Windows Server 2003 SP1, SP2; R2 (32 or 64 bit)
• Windows XP Professional SP2, SP3 (32 or 64 bit)
• Red Hat Enterprise Linux 4.4, 4.5, 4.6, 5.0, 5.1, 5.2 (32 or 64 bit)
• SuSE Open 10.2, 10.3, 11 (32 or 64 bit)
• SuSE SLES 10, 10 SP1 (32 or 64 bit)
• Miracle Linux 4 SP2, 5 (32 or 64 bit)
• Fedora Core 6, 7, 8, 9 (32 or 64 bit)
• Open Source Driver for Linux 2.6 kernel (32 or 64 bit)
Choose one of these operating systems to take full advantage of all the features
of WebPAM PRO.
JRE
The WebPAM PRO installation program installs a private Java Runtime
Environment (JRE) under the same directory where WebPAM PRO is installed.
WebPAM PRO uses this private JRE to avoid incompatibility issues with any
other JREs that may be present on your system.
Internet Browser
Typically an Internet browser comes with your operating system. The WebPAM
PRO installer does not include a browser. For computers that will remotely
monitor and manage the RAID, the browser is the only software required.
Browser Support
Choose the latest version of the following browsers to use with WebPAM PRO:
• Internet Explorer
•Firefox
• Netscape Navigator
If you do not have one of the above browsers on the Host PC, install the browser
first and make it the default browser. Then install WebPAM PRO.
Important
Install the SuperTrak driver for your operating system before
installing WebPAM PRO. See “Chapter 3: Installing Drivers” on
page 59 for instructions.

Chapter 2: Installation
39
Go to one of the following procedures:
• “Installing WebPAM PRO onto Windows” on page 39.
• “Installing WebPAM PRO onto Linux” on page 47.
Installing WebPAM PRO onto Windows
To install WebPAM PRO onto your Windows-based PC or server:
1. Boot the PC or server, launch Windows, and log in as the Administrator.
If the computer is already running, exit all programs. If you are not logged in
as the Administrator, log out, then log in again as the Administrator.
2. Insert the Software CD into your CD-ROM drive.
The installer window opens automatically.
3. Click the WebPAM PRO Software button, then click the Install WebPAM
PRO for Windows button.
The first WebPAM PRO installation dialog box appears.
4. In the Introduction dialog box, click the Next button to proceed with
installation.
Figure 23. Introduction dialog box
Caution
If you have WebPAM or an earlier version of WebPAM PRO on
your PC or server, manually uninstall them before you install
WebPAM PRO from the Software CD.

SuperTrak EX Series User Manual
40
5. In the License Agreement dialog box, choose the I accept... option, then
click the Next button.
Figure 24. License Agreement dialog box

Chapter 2: Installation
41
6. In the Setup Type dialog box, choose the option you prefer:
•Typical – Installs the Agent, Server, and CLI. Recommended for most
users.
•Custom – Enables you to choose which components to install. Optional
for advanced users.
Click the Next button to continue.
Figure 25. Setup Type dialog box

SuperTrak EX Series User Manual
42
7. Optional. If you chose the Custom option, the Select Features dialog box
appears. Choose any combination of three options:
•Agent Feature – The Agent is required on the Host PC (where the
SuperTrak card is installed) and for In-band management of
subsystems.
•Server Feature – The Utility Server is required for local or remote
management. If you have a network, install the Server on one of your
networked PCs. If you have only local management, install the Server
on the Host PC (where the SuperTrak card is installed).
•CLI Feature – The Command Line Interface runs on the Host PC
(where the SuperTrak card is installed) and provides local management
only.
Checked items will be installed. Uncheck items you do not want to install.
Click the Next button to continue.
Figure 26. Custom Setup dialog box

Chapter 2: Installation
43
8. In the Choose Destination Location dialog box, you can:
• Accept the default installation folder. Recommended for most users.
• Specify a different installation folder. Optional for advanced users.
When you agree with the proposed installation folder, click the Next button.
Figure 27. Choose Destination Location dialog box

SuperTrak EX Series User Manual
44
9. In the WebPAM PRO Server dialog box, check the box to select SSL
security.
External SSL Security – Applies security to all connections involving the
Internet or outside your company firewall.
Security options are invisible to authorized users.
Promise Technology provides a default certificate for the server as well as for
internal data communication. However, in some cases it is better to install
and verify your own certificate for the webserver. And, if possible, verify the
certificate by a certificate authority such as Verisign or Thwate. See your MIS
Administrator for guidance.
Click the Next button to continue.
Figure 28. WebPAM PRO Server dialog box
Note
If you are only installing the CLI, this dialog box does not appear.

Chapter 2: Installation
45
10. In the Ready to Install dialog box, click the Install button to continue.
Figure 29. Ready to Install dialog box

SuperTrak EX Series User Manual
46
11. In the Install Complete dialog box, click the Finish button to exit the installer.
Figure 30. Install Complete dialog box
With the Register Your Product Online box checked, your browser will open and
go directly to the Promise product registration website. Thank you for taking the
time to register.
This completes the WebPAM PRO installation for Windows. Go to “Logging into
WebPAM PRO” on page 55.

Chapter 2: Installation
47
Installing WebPAM PRO onto Linux
To install WebPAM PRO onto your Linux-based PC or server:
1. Boot the PC or server, log in as root, and launch the Linux GUI.
If the computer is already running, exit all programs. If you are not logged in
as root, log out, then log in again as root.
2. Insert the Software CD into your CD-ROM drive.
3. Go to the WebPAM PRO / Linux directory on the CD-ROM and copy the
WebPAMPRO...Linux.bin file to the root directory.
4. Open a terminal window and type sh followed by the exact name of the
./WebPAMPRO...Linux.bin file, then press Enter.
After several moments, the first WebPAM PRO installation dialog box
appears.
5. In the Introduction dialog box, click the Next button to proceed with
installation.
Figure 31. Introduction dialog box
Important
Check the SuperTrak Read Me file for any issues pertaining to the
distribution and version of Linux OS that you are running.

SuperTrak EX Series User Manual
48
6. In the License Agreement dialog box, choose the I accept... option, then
click the Next button.
Figure 32. License Agreement dialog box

Chapter 2: Installation
49
7. In the Choose Install Product dialog box, choose any combination of three
options:
•WebPAM PRO Utility Server – One Server must be installed on the
network, or on the Host PC if there is only local management
•WebPAM PRO Agent – The Agent must be installed on every PC or
Server where a SuperTrak Controller card has been installed
•Inband CLI Only – Installs the Command Line Interface (CLI)
You can install the CLI now or at a later time.
Checked items will be installed. Uncheck items you do not want to install.
Click the Next button to continue.
Figure 33. Choose Install Product dialog box

SuperTrak EX Series User Manual
50
8. When the Choose Install Folder dialog box appears, you can:
• Accept the default installation folder. Recommended for most users.
• Specify a different installation folder. Optional for advanced users.
When you agree with the proposed installation folder, click the Next button.
Figure 34. Choose Install Folder dialog box

Chapter 2: Installation
51
9. In the SSL Security Options dialog box, check the box to select SSL security.
External SSL Security – Applies security to all connections involving the
Internet or outside your company firewall.
Security options are invisible to authorized users.
Promise Technology provides a default certificate for the server as well as for
internal data communication. However, in some cases it is better to install
and verify your own certificate for the webserver. And, if possible, verify the
certificate by a certificate authority such as Verisign or Thwate. See your MIS
Administrator for guidance.
Click the Next button to continue.
Figure 35. SSL Security Options dialog box
Note
If you are only installing the CLI, this dialog box does not appear.

SuperTrak EX Series User Manual
52
10. In the Pre-Installation Summary dialog box, click the Install button to
continue.
Figure 36. Pre-Installation Summary dialog box

Chapter 2: Installation
53
11. In the Install Complete dialog box, click the Next button to continue.
Figure 37. Install Compete dialog box

SuperTrak EX Series User Manual
54
12. In the Register On-line dialog box, click the Done button to exit the installer
Figure 38. Register On-line dialog box
With the Register Your Product On-line box checked, your browser will open and
go directly to the Promise product registration website. Thank you for taking the
time to register.
This completes the WebPAM PRO installation for Linux. Go to “Logging into
WebPAM PRO” on page 55.
Note
The first time you install WebPAM PRO on a RedHat Linux
system, the WebPAM PRO icon appears on the desktop but not in
the application menu. Please log out, then log in again, and the
WebPAM PRO icon will thereafter appear in the application menu.

Chapter 2: Installation
55
Logging into WebPAM PRO
You can log into WebPAM PRO in either of two ways:
• Logging in at the Host PC (page 55)
• Logging in over the Network (page 55)
Logging in at the Host PC
At the Host PC (where the SuperTrak EX Controller is installed), do one of the
following actions:
• Double-click the WebPAM PRO desktop icon.
• Choose WebPAM PRO in the Windows Programs menu.
• Choose WebPAM PRO in the Linux Applications menu.
• Follow the steps under “Logging in over the Network”.
Logging in over the Network
You can log into WebPAM PRO from any PC with a network connection to the
Host PC (where the SuperTrak EX Controller is installed).
1. Launch your Browser.
2. In the Browser address field, type the information provided below, then press
Enter.
If you selected External SSL Security during installation (Windows, see
page 44; Linux, see page 51), use the Secure Connection. Otherwise, use
the Regular Connection.
Regular Connection
• WebPAM PRO uses an HTTP connection. . . . . . . . . . . . . . . . .http://
• Enter the Host PC’s IP address . . . . . . . . . . . . . . . . 192.168.10.228
• Enter the Port number . . . . . . . . . . . . . . . . . . . . . . . . . . . . . . . :8080
• Add promise to launch WebPAM PRO . . . . . . . . . . . . . . . . /promise
Together, your entry looks like this:
http://192.168.10.228:8080/promise
Secure Connection
• WebPAM PRO uses a secure HTTP connection. . . . . . . . . . .https://
• Enter the Host PC’s IP address . . . . . . . . . . . . . . . . 192.168.10.228
• Enter the Port number . . . . . . . . . . . . . . . . . . . . . . . . . . . . . . . :8443
• Add promise to launch WebPAM PRO . . . . . . . . . . . . . . . . /promise

SuperTrak EX Series User Manual
56
Together, your entry looks like this:
https://192.168.10.228:8443/promise
Login Screen
When the opening screen appears:
1. Type administrator in the User Name field.
2. Type password in the Password field.
3. Click the Login button.
The User Name and Password are case sensitive. See Figure 39.
Figure 39. The WebPAM PRO login screen
Notes
• You can enter the Host PC’s network name in place of the IP
address.
• If you are logging in at the Host PC, you can enter localhost
in place of the IP address.
• Whether you select a regular or a secure connection, your
WebPAM PRO user name and password are always secure.

Chapter 2: Installation
57
Setting up WebPAM PRO
The first time you use WebPAM PRO, you must add the Host PC so that
WebPAM PRO will recognize it. You only need to perform this procedure once.
To add the Host PC:
1. In the Tree, click Subsystem/Host Management.
See Figure 40.
Figure 40. WebPAM PRO initial login screen
2. Click the Add Subsystem/Host tab.
3. In the Subsystem/Host Port IP address field, type the IP address of the
Host PC where you installed the SuperTrak EX Controller card.
If you are working at the same Host PC where the SuperTrak card is
installed, you can also type 127.0.0.1 in the IP address field.
Entries such as localhost or the Host PC’s network name do not work for this
function.
Click Subsystem/Host Management

SuperTrak EX Series User Manual
58
Figure 41. Add Subsystem/Host tab
4. Click the Submit button.
The newly added host appears in the Tree, on the left side of the
WebPAM PRO screen.
This completes the WebPAM PRO installation and initial setup. Go to “Chapter 5:
Management with WebPAM PRO” on page 107 for information about using this
application.

59
Chapter 3: Installing Drivers
Following are installation procedures for the SuperTrak drivers for Windows,
Linux, and FreeBSD included on the software CD.
Download the latest drivers from the Promise Support Website.
The software CD also includes source code files for compiling your own Linux
drivers. Source code files begin with the letters SRC.
• Driver Installation Media
• Windows (page 60)
• Linux and FreeBSD (page 61)
• Windows Server 2008
• New OS Installation (page 62)
• Existing System (page 63)
• Confirming Driver Installation
(page 63)
• Windows Vista
• New OS Installation (page 64)
• Existing System (page 65)
• Confirming Driver Installation
(page 65)
• Windows Server 2003
• New OS Installation (page 66)
• Existing System (page 67)
• Confirming Driver Installation
(page 67)
• Windows XP
• New OS Installation (page 68)
• Existing System (page 69)
• Confirming Driver Installation
(page 69)
• Red Hat Linux Enterprise 4.4, 4.5
• New OS Installation (page 70)
• Existing System (page 70)
• Fedora Core 6
• New OS Installation (page 71)
• Existing System (page 71)
• Fedora Core 7, 8
• New OS Installation (page 72)
• Existing System (page 72)
• SuSE Open 10.2, 10.3, 10.5, 11
• New OS Installation (page 73)
• Existing System (page 73)
• SuSE SLES 10, 10 SP1
• New OS Installation (page 74)
• Existing System (page 74)
• Miracle Linux 4
• New OS Installation (page 76)
• Existing System (page 77)
• FreeBSD 6.1, 6.2
• New OS Installation (page 76)
• Existing System (page 77)
• VMware ESX Server 3.0.2, 3.5.0
• New OS Installation (page 78)
• Existing System (page 78)

SuperTrak EX Series User Manual
60
.
Driver Installation Media
Windows
If your Windows PC does not have a floppy drive, copy the driver file to a CD or a
USB stick, whichever your PC supports.
To prepare a driver diskette, CD, or USB stick for Windows:
1. Insert the software CD into your CD-ROM drive.
2. Click the Driver button.
3. Click the Driver for Windows button.
4. Click the button for your Windows system:
• 2000 or XP 32-bit – Windows SCSIPort Driver
• All other versions – Windows STORPort Driver
5. Insert a blank diskette, a writable CD, or attach a USB memory stick to your
PC.
6. Copy the driver file to the diskette, CD, or USB stick.
Check the driver’s ReadMe file for important information.
Important
If you are using a Linux distribution for which there are no
compiled drivers, please access the Promise Knowledge Base
and call up Article 10029.

Chapter 3: Installing Drivers
61
Linux and FreeBSD
For BSD, start with a diskette. For Linux, choose the medium that works for your
system.
If your Linux PC does not have a floppy drive, copy the driver file to a CD or a
USB stick, whichever your PC supports.
To prepare a driver diskette, CD, or USB stick for Linux:
1. Insert the software CD into your CD-ROM drive.
2. Click the Driver button.
3. Click the button for your OS:
• Driver for Miracle Linux
• Driver for RedHat / Fedora
• Driver for SUSE
• Driver for FreeBSD
4. Double-click the folder for your OS version.
5. Manually copy the driver .tar.gz file from the folder to your PC’s hard drive.
6. Open a terminal window and untar the driver file. Below is an example:
tar zxvf RH-306010003.tar.gz
7. Insert a blank diskette, a writable CD, or attach a USB memory stick to your
PC.
8. Copy the driver file to the diskette, CD, or USB stick.
Check the driver’s ReadMe file for important information.

SuperTrak EX Series User Manual
62
Windows Server 2008
New OS Installation
The following details the installation of the SuperTrak EX Series RAID Controller
drivers while installing Windows Server 2008.
1. Start the installation: Boot from the CD-ROM.
2. When the “Where do you want to install Windows?” dialog box appears, click
Load Driver.
3. Insert the SuperTrak driver diskette into drive A: or attach a USB memory
stick with the SuperTrak driver to the USB port.
4. In the Load Driver dialog box, click the Browse button.
5. In the Browse for Folder dialog box, click the diskette or USB stick, then click
the OK button.
6. In the “Select the driver to be installed” dialog box, highlight Promise
SuperTrak EX [4650, 8650, 8654, 8658, 16650] (tm) Controller, then click the
Next button.
7. When the “Where do you want to install Windows?” dialog box appears
again, in the list of Disks, highlight the Disk representing your logical drive
(the Disk with unallocated space), then click the Next button.
8. Continue the Windows installation.

Chapter 3: Installing Drivers
63
Existing System
After installing the SuperTrak EX Series RAID Controller card and rebooting your
system, Windows Server 2008 setup will show a “Found New Hardware” dialog
box.
1. Choose the Locate and install driver software option and click the Next
button.
The “Found New Hardware – RAID Controller” dialog box displays the
message: “Allow Windows to search online for driver software for your RAID
Controller?”
2. Choose the Don’t search online option.
The “Found New Hardware – RAID Controller” dialog box displays the
message: “Insert the disc that came with your RAID Controller.”
3. Insert the driver diskette into the floppy drive and click the Next button.
Windows loads the driver and displays the “Found New Hardware” dialog
box with message: “Windows has finished installing the driver software for
this device Promise SuperTrak EX [4650, 8650, 8654, 8658, 16650] (tm)
Controller.”
4. Click the Close button to finish driver installation.
Confirming Driver Installation
1. Right-click the My Computer icon and choose Manage from the popup
menu.
2. From the left panel, choose Device Manager.
3. Click the + in front of Storage controllers. “Promise SuperTrak EX [4650,
8650, 8654, 8658, 16650] (tm) Controller” and “Promise Raid Console”
should appear.

SuperTrak EX Series User Manual
64
Windows Vista
New OS Installation
The following details the installation of the SuperTrak EX Series RAID Controller
drivers while installing Windows Vista.
1. Start the installation: Boot from the CD-ROM.
2. When the “Where do you want to install Windows?” dialog box appears, click
Load Driver.
3. Insert the SuperTrak driver diskette into drive A: or attach a USB memory
stick with the SuperTrak driver to the USB port.
4. In the Load Driver dialog box, click the Browse button.
5. In the Browse for Folder dialog box, click the diskette or USB stick, then click
the OK button.
6. In the “Select the driver to be installed” dialog box, highlight Promise
SuperTrak EX [4650, 8650, 8654, 8658, 16650] (tm) Controller, then click the
Next button.
7. When the “Where do you want to install Windows?” dialog box appears
again, in the list of Disks, highlight the Disk representing your logical drive
(the Disk with unallocated space), then click the Next button.
8. Continue the Windows installation.

Chapter 3: Installing Drivers
65
Existing System
After installing the SuperTrak EX Series RAID Controller card and rebooting your
system, Windows Vista setup will show a “Found New Hardware” dialog box.
1. Choose the Locate and install driver software option and click the Next
button.
The “Found New Hardware – RAID Controller” dialog box displays the
message: “Allow Windows to search online for driver software for your RAID
Controller?”
2. Choose the Don’t search online option.
The “Found New Hardware – RAID Controller” dialog box displays the
message: “Insert the disc that came with your RAID Controller.”
3. Insert the driver diskette into the floppy drive and click the Next button.
Windows loads the driver and displays the “Found New Hardware” dialog
box with message: “Windows has finished installing the driver software for
this device Promise SuperTrak EX [4650, 8650, 8654, 8658, 16650] (tm)
Controller.”
4. Click the Close button to finish driver installation.
Confirming Driver Installation
1. Right-click the My Computer icon and choose Manage from the popup
menu.
2. From the left panel, choose Device Manager.
3. Click the + in front of Storage controllers. “Promise SuperTrak EX [4650,
8650, 8654, 8658, 16650] (tm) Controller” and “Promise Raid Console”
should appear.

SuperTrak EX Series User Manual
66
Windows Server 2003
New OS Installation
The following details the installation of the SuperTrak EX Series RAID Controller
drivers while installing Windows Server 2003.
1. Start the installation:
• Floppy Install: Boot the computer with the Windows Server 2003
installation diskettes.
• CD-ROM Install: Boot from the CD-ROM. Press F6 after the message
“Press F6 if you need to install third party SCSI or RAID driver” appears.
2. When the Windows Server 2003 Setup window is generated, press S to
specify an Additional Device(s).
3. Insert the SuperTrak driver diskette into drive A: and press Enter.
4. Choose Promise SuperTrak EX [4650, 8650, 8654, 8658, 16650] (tm)
Controller from the list that appears on screen, and then press the Enter.
5. The Windows Server 2003 Setup screen will appear again saying “Setup will
load support for the following mass storage devices:” The list will include
“Promise SuperTrak EX [4650, 8650, 8654, 8658, 16650] (tm) Controller”.
NOTE: If there are any additional devices to be installed, specify them now.
When all devices are specified, continue to the next step.
6. From the Windows Server 2003 Setup screen, press the Enter. Setup will
now load all device files and then continue the Windows Server 2003
installation.

Chapter 3: Installing Drivers
67
Existing System
After installing the SuperTrak EX Series RAID Controller card and rebooting your
system, Windows Server 2003 setup will show a “Found New Hardware” dialog
box. Under Windows 2003, “RAID Controller” will be displayed.
1. Insert the SuperTrak driver diskette into the A:\ drive.
2. Choose Install the software automatically and press the Enter key.
3. If using a driver that has not been digitally signed by Microsoft, you will be
asked if you want to continue the installation. Click Continue anyway.
4. When the New Hardware Wizard has finished installing the SuperTrak driver,
click Finish.
Confirming Driver Installation
1. Right-click the My Computer icon and choose Manage from the popup
menu.
2. From the left panel, choose Device Manager.
3. Click the + in front of SCSI and RAID controllers. “Promise SuperTrak EX
[4650, 8650, 8654, 8658, 16650] (tm) Controller” and “Promise Raid
Console” should appear.

SuperTrak EX Series User Manual
68
Windows XP
New OS Installation
The following details the installation of the SuperTrak EX Series RAID Controller
drivers while installing Windows XP.
1. Start the installation:
• Floppy Install: Boot the computer with the Windows XP installation
diskettes.
• CD-ROM Install: Boot from the CD-ROM. Press F6 after the message
“Press F6 if you need to install third party SCSI or RAID driver” appears.
2. When the Windows XP Setup window is generated, press S to specify an
Additional Device(s).
3. Insert the SuperTrak driver diskette into drive A: and press Enter.
4. Choose Promise SuperTrak EX [4650, 8650, 8654, 8658, 16650] (tm)
Controller from the list that appears on screen, and then press the Enter.
5. The Windows XP Setup screen will appear again saying “Setup will load
support for the following mass storage devices:” The list will include
“Promise SuperTrak EX [4650, 8650, 8654, 8658, 16650] (tm) Controller”.
NOTE: If there are any additional devices to be installed, specify them now.
When all devices are specified, continue to the next step.
6. From the Windows XP Setup screen, press the Enter. Setup will now load all
device files and then continue the Windows XP installation.

Chapter 3: Installing Drivers
69
Existing System
After installing the SuperTrak EX Series RAID Controller card and rebooting your
system, Windows XP setup will show a “Found New Hardware” dialog box.
1. Insert the SuperTrak driver diskette into the A:\ drive.
2. Choose Install the software automatically and press the Enter key.
3. If using a driver that has not been digitally signed by Microsoft, you will be
asked if you want to continue the installation. Click Continue anyway.
4. When the New Hardware Wizard has finished installing the SuperTrak driver,
click Finish.
Confirming Driver Installation
1. Right-click the My Computer icon and choose Manage from the popup
menu.
2. From the left panel, choose Device Manager.
3. Click the + in front of SCSI and RAID controllers. “Promise SuperTrak EX
[4650, 8650, 8654, 8658, 16650] (tm) Controller” and “Promise Raid
Console” should appear.

SuperTrak EX Series User Manual
70
Red Hat Linux Enterprise 4.4, 4.5
New OS Installation
1. Start the RedHat Linux Installation by booting from the install CD.
2. At the “Welcome to Red Hat Linux...” installation screen, a prompt labeled
boot: will appear at the bottom of the screen. Type linux dd and press
Enter.
3. When the Installer asks, “Do you have a driver disk?” click Yes.
4. At the “Insert your driver disk and press OK to continue,” click OK.
At the Devices dialog box, insert the driver diskette or CD, or attach the USB
stick and click OK.
5. Continue with the installation normally.
Note: Check the readme file, included with the downloaded driver files, for
instructions on installing the RAID Console.
Note: The RHEL 5 kernel includes a SuperTrak driver.
Existing System
1. Insert the driver diskette or CD, or attach the USB stick.
2. Log in as root.
3. Type mount -r /dev/fd0 /mnt/floppy.
Change this command as needed for a CD or USB stick.
4. Type cd /mnt/floppy
Change this command as needed for a CD or USB stick.
5. Type sh ./install.
6. When the Installer asks, “You are installing a driver on an existing OS. Is it
true (y/n)?” press Y, then press Enter.
7. Type cd; umount /mnt/floppy.
Change this command as needed for a CD or USB stick.
8. Remove the driver diskette, CD, or USB stick.
9. Type reboot to restart the system.

Chapter 3: Installing Drivers
71
Fedora Core 6
New OS Installation
1. Start the Fedora Core Installation by booting from the install CD.
2. At the “Welcome to Fedora 6...” installation screen, a prompt labeled boot:
will appear at the bottom of the screen. Type linux dd acpi=off and press
Enter.
3. When the Installer asks, “Do you have a driver disk?” click Yes.
4. At the “Insert your driver disk and press OK to continue,” click OK.
At the Devices dialog box, insert the driver diskette or CD, or attach the USB
stick and click OK.
5. Continue with the installation normally.
Note: Include acpi=off in the boot script to ensure proper system startup.
Existing System
1. Insert the driver diskette or CD, or attach the USB stick.
2. Log in as root.
3. Type mount -r /dev/fd0 /mnt/floppy.
Change this command as needed for a CD or USB stick.
4. Type cd /mnt/floppy
Change this command as needed for a CD or USB stick.
5. Type sh ./install.
6. When the Installer asks, “You are installing a driver on an existing OS. Is it
true (y/n)?” press Y, then press Enter.
7. Type cd; umount /mnt/floppy.
Change this command as needed for a CD or USB stick.
8. Remove the driver diskette, CD, or USB stick.
9. Type reboot to restart the system.
Note: Include acpi=off in the boot script to ensure proper system startup.

SuperTrak EX Series User Manual
72
Fedora Core 7, 8
New OS Installation
1. Start the Fedora Core Installation by booting from the install CD.
2. At the “Welcome to Fedora...” installation screen, highlight the Install or
upgrade an existing system option, then press the Tab key for edit options.
A prompt labeled boot: will appear at the bottom of the screen.
3. Type linux dd and press Enter.
4. When the Installer asks, “Do you have a driver disk?” click Yes.
5. At the “Insert your driver disk and press OK to continue,” click OK.
At the Devices dialog box, insert the driver diskette or CD, or attach the USB
stick and click OK.
6. Continue with the installation normally.
Note: For Fedora Core 7, include acpi=off in the boot script to ensure proper
system startup.
Existing System
1. Insert the driver diskette or CD, or attach the USB stick.
2. Log in as root.
3. Type mount -r /dev/fd0 /mnt/floppy.
Change this command as needed for a CD or USB stick.
4. Type cd /mnt/floppy
Change this command as needed for a CD or USB stick.
5. Type sh ./install.
6. When the Installer asks, “You are installing a driver on an existing OS. Is it
true (y/n)?” press Y, then press Enter.
7. Type cd; umount /mnt/floppy.
Change this command as needed for a CD or USB stick.
8. Remove the driver diskette, CD, or USB stick.
9. Type reboot to restart the system.
Note: For Fedora Core 7, include acpi=off in the boot script to ensure proper
system startup.

Chapter 3: Installing Drivers
73
SuSE Open 10.2, 10.3, 10.5, 11
New OS Installation
1. Start the SuSE Linux Installation by booting from the install CD.
2. As the system boots, press F6 for the driver diskette, CD, or USB stick.
3. Choose the Yes option.
4. Move the cursor to highlight the Installation option, then press Enter.
5. When the Driver Update Menu pops up, choose your driver diskette, CD, or
USB stick.
Then click OK and click Back to return to the installer.
6. Follow the on-screen prompts to complete the installation.
Existing System
1. Insert the driver diskette or CD, or attach the USB stick.
2. Log in as root.
3. Type mount /dev/fd0 /media/floppy.
Change this command as needed for a CD or USB stick.
4. Type cd /media/floppy
Change this command as needed for a CD or USB stick.
5. Type sh ./install.
6. Type cd; umount /media/floppy.
Change this command as needed for a CD or USB stick.
7. Remove the driver diskette, CD, or USB stick.
8. Type reboot to restart the system.

SuperTrak EX Series User Manual
74
SuSE SLES 10, 10 SP1
New OS Installation
1. Start the SuSE Linux Installation by booting from the install CD.
2. As the system boots, press F5 for the driver diskette, CD, or USB stick.
3. Choose the Yes option.
4. Move the cursor to highlight the Installation – ACPI Disabled option, then
press Enter.
5. When the Driver Update Menu pops up, choose your driver diskette, CD, or
USB stick.
Then click OK and click Back to return to the installer.
6. Follow the on-screen prompts to complete the installation.
Existing System
1. Insert the driver diskette or CD, or attach the USB stick.
2. Log in as root.
3. Type mount /dev/fd0 /media/floppy.
Change this command as needed for a CD or USB stick.
4. Type cd /media/floppy
Change this command as needed for a CD or USB stick.
5. Type sh ./install.
6. Type cd; umount /media/floppy.
Change this command as needed for a CD or USB stick.
7. Remove the driver diskette, CD, or USB stick.
8. Type reboot to restart the system.

Chapter 3: Installing Drivers
75
Miracle Linux 4
New OS Installation
1. Start the Miracle Linux Installation by booting from the install CD.
2. At the “Asianux” installation screen, a prompt labeled boot: will appear at the
bottom of the screen. Type linux dd and press Enter.
3. When the Installer asks, “Do you have a driver disk?” click Yes.
4. At the “Insert your driver disk and press OK to continue,” insert the driver
diskette or CD, or attach the USB stick and click OK.
5. Continue with the installation normally.
Note: The Miracle Linux 5 kernel includes a SuperTrak driver.
Existing System
1. Insert the driver diskette or CD, or attach the USB stick.
2. Log in as root.
3. Type mount -r /dev/fd0 /mnt/floppy.
Change this command as needed for a CD or USB stick.
4. Type cd /mnt/floppy
Change this command as needed for a CD or USB stick.
5. Type sh ./install.
6. When the Installer asks, “You are installing a driver on an existing OS. Is it
true (y/n)?” press Y, then press Enter.
7. Type cd; umount /mnt/floppy.
Change this command as needed for a CD or USB stick.
8. Remove the driver diskette, CD, or USB stick.
9. Type reboot to restart the system.

SuperTrak EX Series User Manual
76
FreeBSD 6.1, 6.2
New OS Installation
1. Start the FreeBSD Installation by booting from the install CD.
2. When the console menu appears, choose 6. Escape to loader prompt and
press any key except Enter to confirm your choice.
3. Insert the driver diskette.
4. Type the following commands and press Enter:
set currdev=disk0
load /stex.ko
set currdev=cd0
boot
5. Remove the driver diskette and continue the installation.
6. When the installation is finished, DO NOT EXIT.
Press Alt-F4 to switch to another screen.
7. Verify whether a device node exists.
Type the following command and press Enter.
ls /dev/fd0
Option 1. Device Node Exists
1. Type the following commands and press Enter.
mount -t msdos /dev/fd0 /cdrom
/cdrom/install
2. After those commands finish, type the following command and press Enter.
umount /cdrom
3. Remove the driver diskette.
4. Press Alt+F1, exit the installation, and reboot your PC.
Option 2. Device Node Does Not Exist
1. Obtain a blank USB device, a disk drive or a memory stick, formatted to FAT
or FAT32 (MSDOS).
2. Copy the files from the driver diskette to the root directory of the USB device.
3. Attach the USB device to the PC.
4. Type the following commands and press Enter.
mount -t msdos /dev/daXsX /cdrom
/cdrom/install
Where /dev/daXs is the device node for the USB device.

Chapter 3: Installing Drivers
77
5. After those commands finish, type the following command and press Enter.
umount /cdrom
6. Remove the USB device.
7. Press Alt+F1, exit the installation, and reboot your PC.
Existing System
1. Insert the driver diskette or CD, or attach the USB stick.
2. Log in as root.
3. Type mount -r /dev/fd0 /mnt/floppy.
Change this command as needed for a CD or USB stick.
4. Type cd /mnt/floppy
Change this command as needed for a CD or USB stick.
5. Type ./load.
6. Type cd; umount /mnt/floppy.
Change this command as needed for a CD or USB stick.
7. Remove the driver diskette, CD, or USB stick.
8. Type reboot to restart the system.

SuperTrak EX Series User Manual
78
VMware ESX Server 3.0.2, 3.5.0
New OS Installation
1. Download the VMware driver ISO image from the Promise Support Website.
2. Burn the VMware driver ISO image to a CD.
3. Place the driver CD in the CD-ROM drive.
4. Reboot the computer.
5. When prompted for an upgrade or installation method, press Enter for
graphical mode.
6. Specify your language.
7. Select a keyboard type.
8. If your Driver CD successfully loaded, you will be prompted to insert the ESX
Server CD and restart.
9. Continue with the ESX Server installation.
Existing System
1. Download the VMware driver ISO image from the Promise Support Website.
2. Burn the VMware driver ISO image to a CD.
3. Log into the system as the Superuser.
4. Insert the driver CD into the CD-ROM.
If CD does not mount automatically, type the following comand and press
Enter:
mount /mnt/cdrom
5. Type the following command and press Enter to install the driver RPM:
rpm -ivh /mnt/cdrom/VMupdates/RPMS/VMware-esx-
drivers-scsi-stex-<driver version>-i386.rpm
If the installation fails due to conflicts, try installing with the --force option.
6. Type the followig commands and press Enter to update the boot file and
regenerate GRUB:
esxcfg-boot -rg
esxcfg-boot -b
If the ESX Server did not install on the SuperTrak EX controller, copy stex.o
From /usr/lib/vmware/vmkmod/
To /lib/modules/2.4.xxxxx/kernel/drivers/scsi/
7. Reboot ESX Server.

Chapter 3: Installing Drivers
79
8. Remove the CD from the CD-ROM.
Note: If the driver did not load after the server rebooted, try one of the following
actions to make the ESX Server reconfigure its hardware settings:
• Move the SuperTrak EX controller to a different slot.
• Remove the existing SuperTrak EX controller and install a different
SuperTrak EX controller in its place.

SuperTrak EX Series User Manual
80

81
Chapter 4: SuperBuild™ Utility
• SuperTrak BIOS (below)
• Accessing the Main Menu (page 84)
• Selecting a Controller (page 85)
• Viewing Controller Information (page 86)
• Managing Physical Drives (page 87)
• Managing Disk Arrays (page 89)
• Managing Logical Drives (page 92)
• Managing Spare Drives (page 97)
• Viewing Background Activity (page 100)
• Managing the Event Log (page 101)
• Working with Time Sync (page 103)
• Using the Miscellaneous Menu (page 104)
SuperTrak BIOS
This section explains the information that you can obtain from the SuperTrak
BIOS.
When the SuperTrak BIOS loads during bootup, the BIOS displays pertinent
information about the RAID logical drives. At this point, press Ctrl-S to enter the
SuperBuild Configuration Utility.
The SuperTrak BIOS screen displays the following information:
•Summary of Controller – The SuperTrak controller model number.
•Version of Single Image – The version number of the image used to update
the firmware on the SuperTrak controller.
•Number of Physical Drives – The number of physical drives attached to
this controller.
•Number of Disk Arrays – The number of disk arrays managed by this
controller.
•Number of Logical Drives – The number of logical drives managed by this
controller.
See Figure 1.

SuperTrak EX Series User Manual
82
Figure 1. SuperTrak BIOS screen
If the SuperBuild BIOS detects a Critical logical drive, the BIOS reports the
condition:
Figure 2. SuperTrak BIOS screen, logical drive critical
See “Chapter 8: Troubleshooting” on page 257 for information about rebuilding a
critical logical drive.

Chapter 4: SuperBuild™ Utility
83
If the SuperTrak BIOS detects an Offline logical drive, the BIOS reports the
condition and temporarily halts the booting process of the Host PC.
Figure 3. SuperTrak BIOS screen, logical drive offline
See “Chapter 8: Troubleshooting” on page 257 for information about restoring an
offline logical drive.

SuperTrak EX Series User Manual
84
Accessing the Main Menu
The opening screen of the SuperBuild utility is the Main Menu.
Figure 4. SuperBuild Main Menu
The Main Menu (above) has nine options:
•Controller Selection – Select which of two SuperTrak controllers you want
to access, if you have two SuperTraks installed in the Host PC
•Controller Information – Memory type and size, Firmware and BIOS
version numbers, and address information that may be helpful for diagnostic
purposes
•Physical Drive Management – A list of physical drives attached to the
SuperTrak controller, their ID (channel) numbers, model numbers, capacity,
and status
•Disk Array Management – A list of disk arrays attached to the SuperTrak
controller, the assigned physical drives, logical drives, capacity, and status
•Logical Drive Management – A list of logical drives plus create and delete
logical drive functions
•Spare Drive Management– A list of hot spare drives, their characteristics
and status
•Background Activity – A list of logical drives, any current background
activity, logical drive status and percentage of activity completed.
Background activities include: Rebuild, Initialize, Synchronize, Migrate, and
Pause/Resume
•Event Log – A list of events stored in RAM (since startup) or non-volatile
RAM (since the log was cleared) for diagnosis
•Time Sync – Enables you to set the time zone and synchronize system time
and date with the embedded site

Chapter 4: SuperBuild™ Utility
85
•Miscellaneous – SAS drive LEDs, enclosure management, and buzzer
settings
Selecting a Controller
The SuperBuild Configuration utility supports up to two SuperTrak RAID
Controller cards installed in the same Host PC. Controller selection enables you
to select which of the two SuperTrak controllers the utility accesses.
If you have only one SuperTrak card installed in the Host PC, the SuperTrak is
Controller 1, and no selection is necessary.
If you have two SuperTrak cards installed in the Host PC, take the following
action to select one of them:
1. In the Main Menu, highlight Controller Selection and press Enter.
2. Highlight Controller 1 or Controller 2 and press Enter.
The selected controller (SuperTrak card) displays in the SuperBuild utility.

SuperTrak EX Series User Manual
86
Viewing Controller Information
The SuperBuild utility displays information about the selected SuperTrak EX
controller.
1. In the Main Menu, highlight Controller Information and press Enter.
The information includes:
Vendor – Promise Technology, Inc.
Model – SuperTrak EX4650, 8650, 8654, EX8658, or EX16650
WWN – World Wide Number of the SuperTrak controller
Memory Type – DDR2 SDRAM
Memory Size – 128 MB, 256 MB, or 512 MB
Single Image Ver – The version number of the image used to update the
firmware on the SuperTrak EX controller.*
Firmware Version – The version number of the firmware currently installed
on the SuperTrak EX controller.*
BIOS Version – The version number of the BIOS currently installed on the
SuperTrak EX controller.*
PCI Func Address – The functional address of the SuperTrak card in the
Host PC. Used for advanced diagnostics
* The BIOS and Firmware are upgradable. See “Downloading BIOS and
Firmware File” on page 285 and See “Updating the Firmware” on
page 129.
2. Highlight Return to Previous Menu and press Enter.

Chapter 4: SuperBuild™ Utility
87
Managing Physical Drives
Physical drive management includes these functions:
• Viewing Physical Drives (page 87)
• Viewing Physical Drive Information (page 87)
• Managing Physical Drive Problems (page 88)
Viewing Physical Drives
To view physical drives:
1. In the Main Menu, highlight Physical Drive Management and press Enter.
The information includes:
ID – The channel number of the SuperTrak controller to which the physical
drive is attached
Model Name – The physical drive manufacturer’s model name for the drive
Capacity – Data capacity of the physical drive
Status – OK is normal. Can also show Rebuilding or Dead.
2. Highlight Return to Previous Menu and press Enter.
Viewing Physical Drive Information
The SuperBuild utility displays information about the physical (disk) drives
attached to the SuperTrak controller.
1. In the Main Menu, highlight Physical Drive Management and press Enter.
2. Highlight the physical drive you want to see and press Enter.
The Physical Drive Information screen displays:
ID – The channel number of the SuperTrak controller to which this physical
drive is attached.
Model Name – The drive manufacturer’s model name.
Serial Number – The drive manufacturer’s serial number.
Firmware Version – The drive’s firmware version number.
Drive Interface – SAS or SATA, 3.0 or 1.5 Gb/s
Protocol – ATA/ATAPI protocol level.
Capacity – Data capacity of the physical drive in GB.
Location – Enclosure refers to the Host PC. Slot refers to the channel
number of the SuperTrak controller.
Configuration – Disk array number and sequence number, Type of spare
drive, or Unconfigured.
Status – OK is normal. Can also show Rebuilding, Stale, or Dead.

SuperTrak EX Series User Manual
88
3. Highlight Return to Previous Menu and press Enter.
Managing Physical Drive Problems
Physical drives can develop problems that make them unsuitable for service in a
logical drive. These problems are reflected in the physical drive status:
•PFA – The physical drive has errors resulting in a prediction of failure
•Stale – Caused by obsolete array information on the physical drive
•Offline – The physical drive is present but set to Offline status
•Dead – Physical drive set down by the SuperTrak controller
See “Chapter 8: Troubleshooting” on page 257 for corrective action.

Chapter 4: SuperBuild™ Utility
89
Managing Disk Arrays
Disk array management includes these functions:
• Viewing Disk Arrays (page 89)
• Viewing Disk Array Information (page 89)
• Creating a Disk Array (page 90)
• Changing Disk Array Settings (page 91)
• Rebuilding a Disk Array (page 91)
• Deleting a Disk Array (page 91)
Viewing Disk Arrays
The SuperBuild utility displays information about the disk arrays managed by the
SuperTrak controller.
1. In the Main Menu, highlight Disk Array Management and press Enter.
The information includes:
ID – The consecutive number of the disk array in the order it was created,
beginning with 0.
Disk Array Name – The name you assigned to the disk array.
Capacity – Data capacity of the disk array in GB.
Status – OK is normal. Can also show Rebuilding, Degraded, Critical, or
Offline.
2. Highlight Return to Previous Menu and press Enter.
Viewing Disk Array Information
To view disk array information:
1. In the Main Menu, highlight Disk Array Management and press Enter.
The Disk Array Management screen displays.
2. Highlight the Disk Array you want to see and press Enter.
The Disk Array Info and Setting screen displays. The information includes:
Disk Array ID – The consecutive number of the disk array in the order it was
created, beginning with 0
Disk Array Name – The name you assigned to the disk array
Capacity (Free) – Total data capacity of the disk array in GB
Capacity (Configurable) – Usable data capacity of the disk array in GB
Number of Physical Drives – Number of physical drives in this disk array
Number of Logical Drives – Number of logical drives in this disk array

SuperTrak EX Series User Manual
90
Status – OK is normal. Can also show Rebuilding, Degraded, Critical, or
Offline.
3. Highlight Physical Drives in the Disk Array and press Enter.
The following information displays:
ID – The channel number of the SuperTrak controller to which the physical
drive is attached
Model Name – The physical drive manufacturer’s model name for the drive
Capacity – Data capacity of the physical drive in GB
Status – OK is normal. Can also show Rebuilding or Dead.
4. Highlight Logical Drives in the Disk Array and press Enter.
The following information displays:
ID – The consecutive number of the logical drive in the order it was created,
beginning with 0
Logical Drive Name – The user-assigned name for the logical drive
Capacity – Data capacity of the logical drive in GB
Status – Shows one of seven logical drive conditions: OK, Critical, Offline,
Init, Migration, Synchron, and Rebuild.
5. Highlight Return to Previous Menu and press Enter.
Creating a Disk Array
1. In the Main Menu, highlight Disk Array Management and press Enter.
The Disk Array Management screen displays.
2. Highlight Create Disk Array and press Enter.
The Create Disk Array screen displays.
3. Optional. Press the arrow keys to highlight Disk Array Name and press
Enter. Then type a name for this disk array.
4. Press the arrow keys to highlight the physical drives you want to add to this
disk array. Then press the spacebar to select the physical drives.
An asterisk (*) appears at the left of each selected physical drive.
5. Highlight Save Configuration and press Enter.
The new disk array appears under Disk Array Management. If you have
more physical drives available, you can create additional disk arrays
following the same procedure.
After you have created your disk arrays, Your next action is to create one or
more logical drives. See “Creating a Logical Drive” on page 93.

Chapter 4: SuperBuild™ Utility
91
Changing Disk Array Settings
To change the name of a disk array:
1. In the Main Menu, highlight Disk Array Management and press Enter.
The Disk Array Management screen displays.
2. Highlight the Disk Array you want to change and press Enter.
The Disk Array Info and Setting screen displays.
3. Highlight Disk Array Name and press Enter.
4. Press the backspace or delete keys to remove the characters. Then type
new characters.
5. Highlight Save Setting and press Enter.
6. Highlight Return to Previous Menu and press Enter.
Rebuilding a Disk Array
See “Chapter 8: Troubleshooting” on page 257.
Deleting a Disk Array
To delete a disk array:
1. In the Main Menu, highlight Disk Array Management and press Enter.
The Disk Array Management screen displays.
2. Highlight the disk array you want to delete and press the spacebar to mark
the disk array.
An asterisk (*) appears at the left of the selected disk array.
3. Highlight Delete Selected Disk Arrays and press Enter.
4. Press Y to confirm disk array deletion.
The selected disk array is removed from the list.
Warning
When you delete a disk array, you delete the logical drives and all
of the data on them. Be sure to backup any important data before
you delete a disk array!

SuperTrak EX Series User Manual
92
Managing Logical Drives
Logical drive management includes these functions:
• Viewing Logical Drives (page 92)
• Viewing Logical Drive Information (page 92)
• Creating a Logical Drive (page 93)
• Initializing a Logical Drive (page 94)
• Changing Logical Drive Settings (page 95)
• Deleting a Logical Drive (page 95)
Viewing Logical Drives
To view your logical drives:
1. In the Main Menu, highlight Logical Drive Management and press Enter.
The Logical Drive Management screen displays the following information:
ID – The consecutive number of the logical drive in the order it was created,
beginning with 0
Logical Drive Name – The user-assigned name for the logical drive
Capacity – Data capacity of the logical drive in GB
Status – OK is normal. Can also show Rebuilding, Initializing,
Synchronizing, Degraded, Critical, or Offline.
2. Highlight Return to Previous Menu and press Enter.
Viewing Logical Drive Information
To view logical drive information:
1. In the Main Menu, highlight Logical Drive Management and press Enter.
The Logical Drive Management screen displays.
2. Highlight the logical drive you want to see and press Enter.
The Logical Drive Info and Setting screen displays. The information includes:
Logical Drive ID – The consecutive number of the logical drive in the order it
was created, beginning with 0.
Note
For an explanation of the logical drive concepts and the choices
you can make when you create your logical drive, see “Chapter 7:
Technology Background” on page 219.
For information about logical drive problems, see “Chapter 8:
Troubleshooting” on page 257.

Chapter 4: SuperBuild™ Utility
93
Logical Drive Name – You can change this setting.
Capacity – Data capacity of the logical drive in GB
RAID Level – Chosen when the logical drive was created.
Stripe Size – Chosen when the logical drive was created.
Sector Size – Chosen when the logical drive was created.
Write Cache Policy – You can change this setting.
Read Cache Policy – You can change this setting.
Disk Array ID – Consecutive number of the disk array to which this logical
drive belongs
Status – OK is normal. Can also show Rebuilding, Initializing,
Synchronizing, Degraded, Critical, or Offline.
3. Highlight Return to Previous Menu and press Enter.
Creating a Logical Drive
You must create a disk array before you can create a logical drive. See “Creating
a Disk Array” on page 90.
To create a logical drive:
1. In the Main Menu, highlight Logical Drive Management and press Enter.
The Logical Drive Management screen displays.
2. Highlight Create Logical Drive and press Enter.
The Create Logical Drive Step 1/2 screen appears.
3. Press the arrow keys to highlight a disk array. Then press the spacebar to
select the disk array.
An asterisk (*) appears at the left of the selected disk array.
Highlight Next Step and press Enter.
The Create Logical Drive Step 2/2 screen displays.
4. Press the arrow keys to highlight the item you want to change, then press
Enter to select the item:
•Logical Drive Name – Optional. Type a name.
•RAID Level – Choose a new RAID level. Your choices depend upon the
number of physical drives in your disk array.
•Capacity – 0 means the full capacity or the remaining capacity of the
disk array will be used for this logical drive.
•Stripe Size – Choose from 64 KB, 128 KB, 256 KB, 512 KB, and 1 MB.
64 KB is the default.
•Sector Size – Choose from 512 B, 1 KB, 2 KB, and 4 KB. 512 B is the
default.

SuperTrak EX Series User Manual
94
•Write Cache Policy – Choose from Write Back or Write Through.
•Read Cache Policy – Choose from Read Cache, Read Ahead, or No
Cache.
•Axle – RAID 50 and 60 logical drives only. Choose the number of axles
or choose 0 to let the controller decide for you.
5. Highlight Save Configuration and press Enter.
At this point you can create additional logical drives, if there is space
remaining on your disk arrays. To create another logical drive, repeat steps 2
though 5 above.
6. Press the F10 key to exit the SuperBuild utility and press Y to confirm and
restart the computer.
Do not press the Ctrl-Alt-Del keys. Do not press the Esc key.
Initializing a Logical Drive
Promise recommends that you Initialize your logical drives immediately after you
create them. Initialization sets all data bits in the logical drive to zero, removing
any residual data left behind from earlier configurations. You can also perform an
Initialization on an existing logical drive.
1. In the Main Menu, highlight Logical Drive Management and press Enter.
The Logical Drive Management screen displays.
2. Highlight the logical drive you want to initialize and press Enter.
3. Highlight Initialization Start and press Enter.
A message appears at the bottom of the screen.
4. Choose one of the following actions:
• For a Full Initialization, press F.
• For a Quick Initialization, press Q.
Important
• Promise recommends that you Initialize your logical drives
immediately after you create them.
• You must be partition and format your new logical drives
before your operating system will recognize them.
Warning
When you initialize a logical drive, you delete all data on the
logical drive. Be sure to backup any important data before you
initialize a logical drive!

Chapter 4: SuperBuild™ Utility
95
• To cancel Initialization, press C.
The Initialization begins immediately. If you set Initialization for multiple
logical drives, they will be initialized sequentially. You can monitor
Initialization progress under Background Activity.
5. Highlight Return to Previous Menu and press Enter.
Changing Logical Drive Settings
To change logical drive settings:
1. In the Main Menu, highlight Logical Drive Management and press Enter.
The Logical Drive Management screen displays.
2. Highlight the logical drive whose settings you want to change and press
Enter.
The Logical Drive Info and Setting screen displays.
3. Press the arrow keys to highlight the item you want to change, then press
Enter to select the item:
•Logical Drive Name – Press the backspace or delete keys to remove
the characters. Then type new characters.
• Write Cache Policy – Choose from Write Back or Write Through.
•Read Cache Policy – Choose from Read Cache, Read Ahead, or No
Cache.
4. Highlight Save Setting and press Enter.
The changes happen immediately.
Deleting a Logical Drive
To delete a logical drive:
1. In the Main Menu, highlight Logical Drive Management and press Enter.
The Logical Drive Management screen displays.
2. Highlight the logical drive you want to delete and press the spacebar to mark
the logical drive.
An asterisk (*) appears at the left of the selected logical drive.
3. Highlight Delete Selected Logical Drives and press Enter.
4. Press Y to confirm logical drive deletion.
Warning
When you delete a logical drive, you delete all data on the logical
drive. Be sure to backup any important data before you delete a
logical drive!

SuperTrak EX Series User Manual
96
The selected logical drive is removed from the list.

Chapter 4: SuperBuild™ Utility
97
Managing Spare Drives
Spare drive management includes these functions:
• Viewing Spare Drives (page 97)
• Viewing Spare Drive Information (page 97)
• Creating a Spare Drive (page 97)
• Changing Spare Drive Settings (page 98)
• Deleting a Spare Drive (page 99)
Viewing Spare Drives
To view your spare drives:
1. In the Main Menu, highlight Spare Drive Management and press Enter.
ID – The consecutive number of the spare drive in the order it was created,
beginning with 0
Model Name – The physical drive manufacturer’s model name
Capacity – Data capacity of the physical drive in GB
Status – OK is normal. Can also show Rebuilding or Dead.
2. Highlight Return to Previous Menu and press Enter.
Viewing Spare Drive Information
To view spare drive information:
1. In the Main Menu, highlight Spare Drive Management and press Enter.
The Spare Drive Management screen displays.
2. Highlight the spare drive you want to see and press Enter.
The Spare Drive Info and Setting screen displays. The information includes:
Physical Drive ID – The channel number of the SuperTrak controller to
which the physical drive is attached.
Revertible – Yes or No.
Spare Type – Global or Dedicated.
Disk Array – ID, name, capacity, and status, for spare drives dedicated to
an array
3. Highlight Return to Previous Menu and press Enter.
Creating a Spare Drive
For a physical drive to qualify as a spare, the drive must be:
• Unconfigured – Not part of an array
• Functional – Showing OK status

SuperTrak EX Series User Manual
98
• Big Enough – Same capacity or greater than the largest drive in your array
To create a spare drive:
1. In the Main Menu, highlight Spare Drive Management and press Enter.
The Spare Drive Management screen displays.
2. Highlight Assign Spare Drive and press Enter.
The Assign Spare Drive Step 1/2 screen appears.
3. Press the arrow keys to highlight a physical drive. Then press the spacebar
to select the physical drive.
An asterisk (*) appears at the left of the selected physical drive.
Highlight Next Step and press Enter.
The Assign Spare Drive 2/2 screen displays.
4. Press the arrow keys to highlight the item you want to change, then press
Enter to select the item:
•Revertible – Yes or No. A revertible spare drive automatically returns to
its spare drive assignment after the failed physical drive in the disk array
is replaced. Go to step 6.
•Spare Type – Global, can be used by any disk array. Dedicated, can
only be used by the assigned disk array. Go to step 5.
5. Optional. If you chose Dedicated in step 4, press the arrow keys to highlight
a disk array. Then press the spacebar to select the disk array.
An asterisk (*) appears at the left of the selected disk array.
6. Highlight Save Configuration and press Enter.
Changing Spare Drive Settings
You can change a spare drive’s revertibility and type. To change spare drive
settings:
1. In the Main Menu, highlight Spare Drive Management and press Enter.
The Spare Drive Management screen displays.
2. Highlight the spare drive whose settings you want to change and press
Enter.
The Spare Drive Info and Setting screen displays.
3. Press the arrow keys to highlight the item you want to change, then press
Enter to select the item:
•Revertible – Yes or No. A revertible spare drive automatically returns to
its spare drive assignment after the failed physical drive in the disk array
is replaced. Go to step 5.
•Spare Type – Global, can be used by any disk array. Dedicated, can
only be used by the assigned disk array. Go to step 4.

Chapter 4: SuperBuild™ Utility
99
4. Optional. If you chose Dedicated in step 3, press the arrow keys to highlight
a disk array. Then press the spacebar to select the disk array.
An asterisk (*) appears at the left of the selected disk array.
5. Highlight Save Setting and press Enter.
The changes happen immediately.
Deleting a Spare Drive
To delete a spare drive:
1. In the Main Menu, highlight Spare Drive Management and press Enter.
The Spare Drive Management screen displays.
2. Highlight the spare drive you want to delete and press the spacebar to mark
the spare drive.
An asterisk (*) appears at the left of the selected spare drive.
3. Highlight Delete Selected Spare Drives and press Enter.
4. Press Y to confirm spare drive deletion.
The selected spare drive is removed from the list.

SuperTrak EX Series User Manual
100
Viewing Background Activity
The Background Activity function enables you to monitor background activities
are running on the SuperTrak RAID controller. Information reported includes:
•Device – Disk array or logical drive by ID number
•Type – Synchronization, Initialization, or Rebuilding
•Status – Running or queued (waiting)
•Percentage – Percent completed
The Background Activity screen does not enable you to start, pause, resume, or
cancel any activity. Status of the activity, such as in-progress or paused.
To view background activity, in the Main Menu, highlight Background Activity and
press Enter.
When you are done, highlight Return to Previous Menu and press Enter.

Chapter 4: SuperBuild™ Utility
101
Managing the Event Log
The event log tracks events related to the SuperTrak controller and includes the
following functions:
• Viewing RAM Events (page 101)
• Viewing NVRAM Events (page 101)
• Clearing the Event Logs (page 102)
Viewing RAM Events
RAM events are also called Runtime events. All recorded events happened since
the last time you booted the Host PC. Displays the 1023 most recent events.
To view NVRAM events:
1. In the Main Menu, highlight Event Log and press Enter.
The Event Log screen displays.
2. Optional. If NVRAM is displayed beside Select Location, highlight Select
Location and press Enter. Then highlight NVRAM and press Enter.
3. Do the following actions to navigate the Event Log screen:
• To move to the next page or screen of events, highlight Next Page and
press Enter.
• To move to the previous page or screen of events, highlight Previous
Page and press Enter.
• To see all the information about an event, highlight the event and press
Enter.
Viewing NVRAM Events
NVRAM events are the most important events. These events are stored in non-
volatile RAM. Displays the 63 most recent events.
To view NVRAM events:
1. In the Main Menu, highlight Event Log and press Enter.
The Event Log screen displays.
2. Optional. If RAM is displayed beside Select Location, highlight Select
Location and press Enter. Then highlight NVRAM and press Enter.
3. Do the following actions to navigate the Event Log screen:
• To move to the next page or screen of events, highlight Next Page and
press Enter.
• To move to the previous page or screen of events, highlight Previous
Page and press Enter.

SuperTrak EX Series User Manual
102
• To see all the information about an event, highlight the event and press
Enter.
Clearing the Event Logs
Clearing the event logs remove all of the events from both the RAM and NVRAM
event logs. Note that the RAM log clears every time you boot the Host PC.
1. In the Main Menu, highlight Event Log and press Enter.
The Event Log screen displays. You can clear both logs from the RAM or
NVRAM screen.
2. Highlight Clear All Event Logs and press Enter.
3. Press Y to confirm event log clearing.

Chapter 4: SuperBuild™ Utility
103
Working with Time Sync
The Time Sync function adds two special features to SuperTrak. These functions
include:
• Setting the Time Zone (page 103)
• Synchronizing Time with an Embedded Site (page 103)
The Time Sync function does not replace or overwrite the regular date and time
settings in the Host PC’s BIOS or OS.
Setting the Time Zone
To set the difference between the current time zone (the time zone in which you
are) and Greenwich Mean Time (GMT):
1. In the Main Menu, highlight Time Sync and press Enter.
The Time Sync screen displays.
2. Highlight Current Time Zone and press the + or – key to change the time for
the current time zone.
Each press of the + key increments 15 minutes forward.
Each press of the – key increments 15 minutes backward.
Synchronizing Time with an Embedded Site
This feature requires you to have installed in the Host PC a separate product that
is not part of SuperTrak RAID controller.
To synchronize time with an embedded site:
1. In the Main Menu, highlight Time Sync and press Enter.
The Time Sync screen displays.
2. Highlight Sync Time with Embedded Site and press Enter.

SuperTrak EX Series User Manual
104
Using the Miscellaneous Menu
The Miscellaneous menu enables three useful functions on SuperTrak:
• Making the SAS Ready LED Setting (page 104)
• Making the SGPIO Backplane Setting (page 104)
• Working with the Buzzer (page 104)
Making the SAS Ready LED Setting
The LEDs for SAS disk drives stay on continuously to show Ready status, except
when the drive is processing a command. This function enables you to turn the
LEDs off.
To turn the SAS drive LEDs off:
1. In the Main Menu, highlight Miscellaneous and press Enter.
2. Highlight SAS READY LED and press Enter.
3. Highlight your choice and press Enter.
• On – SAS drive LEDs on continuously
• Off – SAS drive LEDs off
Making the SGPIO Backplane Setting
This function enables you to set your SuperTrak card to work your enclosure
management controller through the SGPIO connection.
To choose your enclosure management controller setting:
1. In the Main Menu, highlight Miscellaneous and press Enter.
2. Highlight SGPIO Backplane and press Enter.
3. Highlight your choice and press Enter.
• Generic
•AIC
•AMI
• Chenbro
• Direct LED
• Supermicro
Working with the Buzzer
The buzzer sounds to inform you that your RAID system needs attention. But the
buzzer does not specify the condition. When a continuous tone sounds, there are
multiple alarm patterns sounding at the same time.

Chapter 4: SuperBuild™ Utility
105
When the buzzer sounds, take the following actions:
• Check your disk arrays and logical drives.
• Check the Event Log. See page 101.
To silence the buzzer for the current trigger event, you must disable it.
Also see “Chapter 8: Troubleshooting” on page 257.
Enabling or Disabling the Buzzer
To enable or disable the Buzzer:
1. In the Main Menu, highlight Miscellaneous and press Enter.
2. Highlight Buzzer and press Enter.
3. Highlight your choice and press Enter.
• Enable
•Disable

SuperTrak EX Series User Manual
106

107
Chapter 5: Management with WebPAM PRO
• Logging into WebPAM PRO (page 107)
• Accessing the Interface (page 110)
• Managing Users (page 116)
• Working with Subsystem/Host Management (page 120)
• Managing Software Services (page 123)
• Managing the Host (page 127)
• Managing the Subsystem (page 128)
• Managing the Controller (page 139)
• Managing Enclosures (page 145)
• Managing Physical Drives (page 146)
• Managing Disk Arrays (page 150)
• Managing Logical Drives (page 166)
• Managing Spare Drives (page 172)
• Working with the Logical Drive Summary (page 176)
This chapter describes using WebPAM PRO to monitor and manage your RAID
system. This chapter is divided into sections for major WebPAM PRO
components as shown above.
Logging into WebPAM PRO
You can log into WebPAM PRO in either of two ways:
• Logging in at the Host PC (page 107)
• Logging in over the Network (page 108)
Logging in at the Host PC
At the Host PC (where the SuperTrak EX Controller is installed), to log into
WebPAM PRO, do one of the following actions:
• Double-click the WebPAM PRO desktop icon.
• Choose WebPAM PRO in the Windows Programs menu or the Linux
Applications menu.
• Follow the steps under “Logging in over the Network” on page 108.

SuperTrak EX Series User Manual
108
Logging in over the Network
You can log into WebPAM PRO from any PC with a network connection to the
Host PC (where the SuperTrak EX Controller is installed).
1. Launch your Browser.
2. In the Browser address field, type the information provided below. Then
press Enter.
If you chose External SSL Security during installation (Windows, see
page 44; Linux, see page 51), use the Secure Connection. Otherwise, use
the Regular Connection.
Regular Connection
• WebPAM PRO uses an HTTP connection. . . . . . . . . . . . . . . . .http://
• Enter the Host PC’s IP address . . . . . . . . . . . . . . . . 192.168.10.228
• Enter the Port number . . . . . . . . . . . . . . . . . . . . . . . . . . . . . . . :8080
• Add promise to launch WebPAM PRO . . . . . . . . . . . . . . . . /promise
Together, your entry looks like this:
http://192.168.10.228:8080/promise
Secure Connection
• WebPAM PRO uses a secure HTTP connection. . . . . . . . . . .https://
• Enter the Host PC’s IP address . . . . . . . . . . . . . . . . 192.168.10.228
• Enter the Port number . . . . . . . . . . . . . . . . . . . . . . . . . . . . . . . :8443
• Add promise to launch WebPAM PRO . . . . . . . . . . . . . . . . /promise
Together, your entry looks like this:
https://192.168.10.228:8443/promise
Notes
• You can enter the Host PC’s network name in place of the IP
address.
• If you are logging in at the Host PC, you can enter localhost
in place of the IP address.
• Whether you select a regular or a secure connection, your
login to WebPAM PRO and your user password are always
secure.

Chapter 5: Management with WebPAM PRO
109
Login Screen
When the opening screen appears:
1. Type administrator in the User Name field.
2. Type password in the Password field.
3. Click the Login button.
The User Name and Password are case sensitive. See Figure 1.
Figure 1. The WebPAM PRO login screen

SuperTrak EX Series User Manual
110
Accessing the Interface
WebPAM PRO is browser-based RAID management software with a graphic
user interface. Basic user interface components and functions include:
• Using the Header (page 111)
• Using Tree View (page 111)
• Using Management View (page 112)
• Choosing a Display Language (page 113)
• Viewing the Event Frame (page 113)
• Saving the Event Frame (page 114)
• Deleting the Event Frame (page 114)
• Viewing the Storage Network (page 114)
• Logging out of WebPAM PRO (page 115)
Figure 2. WebPAM PRO interface

Chapter 5: Management with WebPAM PRO
111
There are four major parts to the WebPAM PRO interface:
• Header (see page 111)
• Tree View (see page 111)
• Management View (see page 112)
• Event Frame (see page 113)
Using the Header
The Header contains the following items:
• Language – To choose a display language, see “Choosing a Display
Language” on page 113.
•Show/Hide Event Frame – To view the Event Frame, see “Viewing the
Event Frame” on page 113.
•Show/Hide Storage Network – To view the Storage Network, see “Viewing
the Storage Network” on page 114.
•Contact Us – Click here for Promise Technology contact information. Or see
“Contacting Technical Support” on page 273.
•Logout – To logout, see “Logging out of WebPAM PRO” on page 115.
Using Tree View
Tree View enables you to navigate around all components of the Host PC (where
the SuperTrak controller card is installed), software management, RAID
controller, enclosure, physical drives, disk arrays, logical drives, and spare
drives. The figure below shows the components of Tree View.

SuperTrak EX Series User Manual
112
Figure 3. WebPAM PRO Tree View
The Administrative Tools section is different for the Administrator and Super
Users than for other users. The remainder of the Tree is the same for all users.
Management View displays information according to the item you choose in Tree
View.
Using Management View
Management View—also referred to Management View—provides the actual
user interface with the SuperTrak EX Controller card, including creation,
maintenance, deletion, and monitoring of disk arrays and logical drives.
Function Tabs control specific actions and processes. This View changes
depending on which item you choose in Tree View and which tab you choose in
the Management View itself.
Click the Help button to the right of the tabs in Management View to access
online help for the function that is currently displayed.
Logged-in User
Host PC, where the
SuperTrak card is
installed

Chapter 5: Management with WebPAM PRO
113
Choosing a Display Language
WebPAM PRO displays in the following languages:
To change the display language:
1. Click the Language dropdown menu in the Header.
2. Highlight the language you prefer.
WebPAM PRO displays in the chosen language.
Viewing the Event Frame
To view the Event Frame, click Show Event Frame in the Header.
To hide the Event Frame, click Hide Event Frame in the Header.
The Event Frame reports all events and stores them in the WebPAM PRO folder
on the hard disk drive of the Host PC.
In the event frame, events are listed and sorted by:
•Host IP – The IP address of the Host PC or subsystem where the event
happened
•WWN – World Wide Number of the Host PC or subsystem where the event
happened
•Device – Disk array, logical drive, physical drive, controller, battery, etc.
•Event ID – The hexadecimal number that identifies the specific type of event
•Severity – See below:
•Information – Information only, no action is required
•Warning – User can decide whether or not action is required
•Minor – Action is needed but the condition is not serious at this time
•Major – Action is needed now
•Critical – Action is needed now and the implications of the condition are
serious
•Fatal – Non-Recoverable error or failure has occurred
•Time – Time and date of the occurrence
•Description – A brief description of the event
• English
• Simplified Chinese
• Traditional Chinese
•French
•German
•Italian
• Japanese
• Korean
• Spanish
• Russian

SuperTrak EX Series User Manual
114
You can also view events by clicking the Subsystems icon in Tree View, then
clicking the Event tab in Management View.
Saving the Event Frame
This function saves a copy of the events from the Event Frame as a text file on
the Host PC’s hard drive.
To save the event log:
1. In the Header, click Show Event Frame.
2. In the Event Frame, click the Save Events button.
3. In the File Download dialog box, click the Save button.
4. In the Save dialog box, name the file, navigate to the folder where you want
to save the log file, and click the Save button.
The event log is saved as a text file on the Host PC’s hard drive.
Deleting the Event Frame
This function deletes the events from the Event Frame and from the WebPAM
PRO database. Deleting the events from this point does not affect events
physically stored in the HBA’s or Subsystem’s RAM or NVRAM.
This function has no effect upon events reported under the Subsystem icon
Events tab. See “Viewing the Runtime Event Log” on page 130 and “Viewing the
NVRAM Event Log” on page 131.
To clear the event log:
1. In the Header, click Show Event Frame.
2. In the Event Frame, click the Delete Events button.
3. In the Confirmation dialog box, type confirm and click the OK button.
Viewing the Storage Network
The Storage Network consists of all the subsystems and host PCs currently
accessible on your network. Use this function to identify the subsystem or host
PC you want to add.
Subsystems and host PCs already added to WebPAM PRO have a + icon beside
them in Tree View.

Chapter 5: Management with WebPAM PRO
115
Figure 4. The Storage Network appears in Tree View
To view the Storage Network, click Show Storage Network in the Header. All
networked systems will appear in Tree View.
To hide the Storage Network, click Hide Storage Network in the Header. Only
the networked systems you have added appear in Tree View.
See “Adding a Subsystem or Host” on page 120.
Logging out of WebPAM PRO
There are two ways to log out of WebPAM PRO:
• Close your browser window
•Click Logout in the WebPAM PRO Header
Figure 5. Clicking “Logout” in the Header)
Clicking Logout brings you back to the Login Screen. After logging out, you must
enter your user name and password in order to log in again.
Added to
WebPAM PRO
Not added yet

SuperTrak EX Series User Manual
116
Managing Users
User Management includes all functions dealing with user accounts. Functions
include:
• Viewing User Information (page 116)
• Making User Settings (page 116)
• Making Your Own User Settings (page 117)
• Changing a User’s Password (page 117)
• Changing Your Own Password (page 117)
• Creating a User (page 118)
• Deleting a User (page 118)
Viewing User Information
The view a list of users, their status, access privileges, display name, and email
address:
1. Click the Administrative Tools icon.
2. Click the User Management icon.
The Information tab appears in Management View.
Making User Settings
To change settings of other users:
1. Log into WebPAM PRO as the Administrator or a Super User.
2. Click the Administrative Tools icon.
3. Click the User Management icon.
4. Click the Information tab in Management View.
5. In the list of users, click the link of the user whose settings you want to
change.
The Settings screen for the chosen user displays.
6. Enter or change the settings for this user.
• Enable/disable this user
• Display name
• Privilege. See “List of User Privileges” on page 118
7. Click the Submit button.
The Administrator or Super User can change another user’s password. See
“Changing a User’s Password” on page 117 for more information.

Chapter 5: Management with WebPAM PRO
117
You can also set user privilege under Subsystem/Host Management. See
“Setting User Privilege” on page 122 and “Setting User Rights” on page 127.
Making Your Own User Settings
To change your own user settings:
1. Log into WebPAM PRO under your own user name.
2. Click the Administrative Tools icon.
3. Click the User Management icon.
4. Click the Settings tab in Management View.
5. Enter or change the display name or mail address.
6. Click the Submit button.
Changing a User’s Password
To change a user’s password:
1. Log into WebPAM PRO as the Administrator or a Super User.
2. Click the Administrative Tools icon.
3. Click the User Management icon.
4. In the list of users, click the link of the user whose settings you want to
change.
The Settings screen for the chosen user displays.
5. Click the Password tab in Management View.
6. Enter the new password in the New Password field.
7. Enter the new password in the Retype Password field.
8. Click the Submit button.
Changing Your Own Password
To set or change your own password:
1. Log into WebPAM PRO under your own user name.
2. Click the Administrative Tools icon.
3. Click the User Management icon.
4. Click the Password tab in Management View.
5. Enter the current password in the Old Password field.
If you do not have a password, leave this field blank.
6. Enter the new password in the New Password field.
7. Enter the new password in the Retype Password field.

SuperTrak EX Series User Manual
118
8. Click the Submit button.
Creating a User
To create a user:
1. Log into WebPAM PRO as the Administrator or a Super User.
2. Click the Administrative Tools icon.
3. Click the User Management icon.
4. Click the Create tab in Management View.
5. Enter a user name in the User Name field.
6. Enter a password for this user in the New Password and Retype Password
fields.
A password is optional. If you do not assign password, tell this user to leave
the password field blank when he/she logs into to WebPAM PRO. Users can
set their own passwords, see “Changing Your Own Password” on page 117.
7. Check the Enabled box to enable this user on this subsystem.
8. Enter a display name in the Display Name field.
A display name is optional but recommended.
9. Choose a privilege level from the Privilege dropdown menu.
For definitions of each privilege level, see the List of User Privileges below.
10. Click the Submit button.
List of User Privileges
•View – Allows the user to see all status and settings but not to make any
changes
•Maintenance – Allows the user to perform maintenance tasks including
Rebuilding, PDM, Media Patrol, and Redundancy Check.
•Power – Allows the user to create (but not delete) disk arrays and logical
drives, change RAID levels, change stripe size; change settings of
components such as disk arrays, logical drives, physical drives, and the
controller.
•Super – Allows the user full access to all functions including create and
delete users and changing the settings of other users, and delete disk arrays
and logical drives. The default “administrator” account is a Super User.
Deleting a User
There will always be at least one Super User account. You cannot delete the user
account you used to log in. To delete a user:
1. Log into WebPAM PRO as the Administrator or a Super User.

Chapter 5: Management with WebPAM PRO
119
2. Click the Administrative Tools icon.
3. Click the User Management icon.
4. Click the Delete tab in Management View.
5. Check the box to the left of the user you want to delete.
6. Click the Submit button.
7. Click OK in the confirmation box.

SuperTrak EX Series User Manual
120
Working with Subsystem/Host Management
Subsystem/Host Management includes the following functions:
• Viewing Subsystem/Host Information (page 120)
• Adding a Subsystem or Host (page 120)
• Deleting a Subsystem or Host (page 121)
• Setting User Privilege (page 122)
Viewing Subsystem/Host Information
To view the Subsystem/Host List:
1. Click the Administrative Tools icon in Tree View.
2. Click the Subsystem/Host Management icon.
In the Information tab, the following information appears:
• Subsystem/Host IP address
• Management Port IP address
• Health – A green checkmark means OK. A red X indicates a problem
• Model of the RAID controller
• Alias of the RAID controller
• Firmware Version of the RAID controller
• Interface of the RAID controller
• World Wide Number of the RAID controller
If a red X appears under Health, click the Health Information icon to
display a breakdown showing the health of the controller, disk arrays, logical
drives, spare drives, and physical drives.
Adding a Subsystem or Host
To add a subsystem/ or host PC to WebPAM PRO:
1. Log into WebPAM PRO as the Administrator or a Super User.
2. Click the Administrative Tools icon in Tree View.
3. Click the Subsystem/Host Management icon.
4. Click the Add Subsystem/Host tab in Management View.

Chapter 5: Management with WebPAM PRO
121
5. Do one of the following actions:
• To create an in-band connection: Type the Host PC’s IP address into
the address field.
Choose this option for SuperTrak. Note that entries such as localhost or
the Host PC’s network name do not work for this function.
• To create an out-of-band connection: Type the Subsystem’s
management port IP address into the address field.
6. Click the Submit button.
The new Subsystem or Host PC is added to Tree View.
In-Band versus Out-of-Band
In-band connection
• The WebPAM PRO Agent is running on the Host PC or server.
• The WebPAM PRO Client/Server is running on any PC on the network.
• Management commands to a subsystem travel through the subsystem's
data ports.
•Multiple subsystems can appear under the same Host PC or server.
Out-of-band connection
• The WebPAM PRO Agent is running on the subsystem.
• The WebPAM PRO Client/Server is running on the same Host PC on the
network.
• Management commands to a subsystem travel through the subsystem's
management port.
•Only one subsystem can appear under a Host PC or server.
Deleting a Subsystem or Host
When you delete a subsystem or host PC, you only remove it from WebPAM
PRO’s list of monitored systems. This action has no effect upon the disk arrays,
logical drives, or data stored on the RAID.
To delete a subsystem or host PC:
1. Log into WebPAM PRO as the Administrator or a Super User.
2. Click the Administrative Tools icon in Tree View.
3. Click the Subsystem/Host Management icon.
4. Click the Delete Subsystem/Host tab in Management View.
5. Check the box to the left of the subsystem or host PC you want to delete.
6. Click the Submit button.

SuperTrak EX Series User Manual
122
7. In the confirmation box, type the word confirm in the field provided.
8. Click the OK button.
Setting User Privilege
To set user privilege:
1. Click the Administrative Tools icon in Tree View.
2. Click the Subsystem/Host Management icon.
3. click the IP address link of the Subsystem or Host you want to access.
4. Beside the name of the user whose privilege you want to change, choose
the privilege level from the Privilege dropdown menu.
For definitions of each privilege level, see “List of User Privileges” on
page 118.
5. Click the Submit button.
You can also set user privilege under User settings. See “Making User Settings”
on page 116.

Chapter 5: Management with WebPAM PRO
123
Managing Software Services
Software Services include the following functions:
• Viewing Service Status (page 123)
• Changing Web Server Settings (page 123)
• Restarting the Tomcat Server (page 124)
• Setting up Email Service (page 124)
• Setting up Extended SMTP (page 125)
• Setting Event Frame Refresh Time (page 125)
• Changing CIM Client Settings (page 126)
• Changing CIM Server Settings (page 126)
Viewing Service Status
There are two software services: Web Server and Email. There are no user
settings. To view the status of the software services:
1. Click the Administrative Tools icon in Tree View.
2. Click the Software Management icon.
The service name, startup type, and current status appear under the Service
tab.
Changing Web Server Settings
To change the Web Server settings:
1. Click the Administrative Tools icon in Tree View.
2. Click the Software Management icon.
3. Click the Web Server tab in Management View.
4. Do one of the following actions:
• For a regular connection:
In the HTTP Port field, type the HTTP port number.
The default is 8080.
• For a secure connection:
Check the Enable SSL box.
In the HTTPS Port field, type the HTTPS port number.
The default is 8443.
5. In the Session Time Out field, enter a time value in minutes.

SuperTrak EX Series User Manual
124
The range is 1 to 1440 minutes. 15 minutes is the default.
Session Time Out refers to the amount of time the connection remains active
without any user interaction. After WebPAM PRO reaches the Time Out
interval, you must log in again and begin a new session.
6. Click the Submit button.
7. In the confirmation box, type the word confirm in the field provided.
8. Click the OK button.
Restarting the Tomcat Server
After you change the Web Server port number, you must restart the Tomcat
server.
Windows
In the Start menu, choose Programs > WebPAM PRO > Server > Restart.
Linux
1. Open a terminal window.
2. Go to the server folder.
cd /opt/Promise/WebPAMPRO/Server
3. Run the restart command:
sh restartPromiseWebPamPro.sh
The system returns:
/etc/rc.d/init.d/ exists.
Shutting down: tomcat OK
Starting: tomcat OK
(Or a similar message)
Setting up Email Service
To change the Email settings:
1. Click the Administrative Tools icon in Tree View.
2. Click the Software Management icon.
3. Click the Email tab in Management View.
4. Enter an Email sender address (example: RAIDmaster@mycompany.com)
in the field provided.
5. Enter an Email server IP address in the field provided.
6. Enter an Email subject (example: VTrak Status) in the field provided.
7. When you are done, click the Submit button.

Chapter 5: Management with WebPAM PRO
125
Setting up Extended SMTP
To make Extended SMTP settings:
1. Click the Administrative Tools icon in Tree View.
2. Click the Software Management icon.
3. Click the Email tab in Management View.
4. Check the Enable ESMTP box to enable ESMTP.
Uncheck the box to disable ESMTP.
5. Enter ESMTP user name in the field provided.
6. Enter a ESMTP password in the field provided.
7. When you are done, click the Submit button.
Sending A Test Email Message
Before you can send a test message, your email service must be set up as
described in “Setting up Email Service” on page 124.
To send a test email message:
1. Click the Administrative Tools icon in Tree View.
2. Click the Software Management icon.
3. Click the Email tab in Management View.
4. Click the Test Email button.
A new window opens.
5. Type the recipient's email address in the field provided.
6. Click the Submit button.
WebPAM PRO sends a test email message to the address you specified.
Setting Event Frame Refresh Time
To set the refresh time for the Event Frame:
1. Click the Administrative Tools icon in Tree View.
2. Click the Software Management icon.
3. Click the Refresh time tab.
4. Choose a time interval from the Event Refresh Time dropdown menu.
The choices are 15, 30, 60, and 300 seconds.
5. Click the Submit button.

SuperTrak EX Series User Manual
126
Changing CIM Client Settings
The CIM client is part of the WebPAM PRO Utility Server. The Utility Server can
be installed on any PC on the network. Only one CIM client and Utility Server
installation is required.
The CIM client works with CIM server. The CIM server is part of the
WebPAMPRO Agent. The Agent must be installed on every host PC where the
HBA RAID controller is installed to enable management over a network.
Under most conditions, there is no need to change CIM settings.
To change settings for the CIM client:
1. Click the Administrative Tools icon in Tree View.
2. Click the Software Management icon.
3. Click the CIM Settings tab.
4. Type the user name in the CIM User name field.
The default name is “cim”.
5. Type a password into the CIM User Password field.
The default password is “password”.
6. Click the Submit button.
Changing CIM Server Settings
To change settings for the CIM server:
1. On the Host PC, access the WebPAM PRO agent folder.
•Windows – C:/Program Files/Promise/WebPAMPRO/Agent/bin
•Linux – /opt/Promise/WebPAMPRO/Agent/bin
2. Open a command-line utility, type cimuser --help and press Enter.
3. Follow the instructions on the screen.
Important
If you change CIM client settings, you must make matching CIM
server settings on ALL Host PCs, otherwise WebPAM PRO will be
unable to monitor them.
Be sure you change the CIM server settings on ALL of your Host
PCs to match the CIM client settings.

Chapter 5: Management with WebPAM PRO
127
Managing the Host
The Host is designated by its IP address:127.0.0.1. Host functions include:
• Viewing Host Information (page 127)
• Setting User Rights (page 127)
• Refreshing the WebPAM PRO Screen (page 127)
Viewing Host Information
To view Host information, click the 127.0.0.1 icon in Tree View. In the
Information tab, the following information appears:
• Management Port IP address (refers to the Host PC)
• Model of the RAID controller
• Alias of the RAID controller
• Firmware Version of the RAID controller
• Interface of the RAID controller
• World Wide Number of the RAID controller
Setting User Rights
User rights is the same function as user privilege. To set user rights:
1. Click the 127.0.0.1 icon in Tree View.
2. Click the User Rights tab.
3. Beside the name of the user whose privilege you want to change, choose
the privilege level from the Privilege dropdown menu.
For definitions of each privilege level, see “List of User Privileges” on
page 118.
4. Click the Submit button.
You can also set user privilege under User settings. See “Making User Settings”
on page 116
Refreshing the WebPAM PRO Screen
Unlike clicking browser’s refresh button, this function calls new information from
the RAID controller’s firmware to update the screen. To refresh the screen:
1. Click the 127.0.0.1 icon in Tree View.
2. Click the Refresh tab.
3. Click the Submit button.
4. Click the OK button in the confirmation box.

SuperTrak EX Series User Manual
128
Managing the Subsystem
Subsystem functions include:
• Viewing Subsystem Information (page 128)
• Clearing Statistical Data (page 129)
• Setting an Alias for the Subsystem (page 129)
• Viewing the Runtime Event Log (page 130)
• Saving the Runtime Event Log (page 131)
• Clearing the Runtime Event Log (page 131)
• Viewing the NVRAM Event Log (page 131)
• Saving the NVRAM Event Log (page 132)
• Clearing the NVRAM Event Log (page 132)
• Updating the Firmware (page 129)
• Checking Subsystem Health (page 130)
• Viewing the NVRAM Event Log (page 131)
• Viewing Current Background Activities (page 133)
• Making Background Activity Settings (page 133)
• Running Background Activities (page 134)
• Running Media Patrol (page 134)
• Running PDM (page 135)
• Viewing Scheduled Activities (page 135)
• Scheduling an Activity (page 135)
• Deleting a Scheduled Activity (page 137)
• Viewing System Configuration (page 137)
Viewing Subsystem Information
To view information about a subsystem, click the Subsystem icon in Tree
View. Management View displays the subsystem information.
To view information about the Host PC, users, controllers, schedules, activities,
physical drives, disk arrays, and logical drives, see “Viewing System
Configuration” on page 137.

Chapter 5: Management with WebPAM PRO
129
Clearing Statistical Data
Use this function to clear the statistical data registers for the controller, physical
drives, and logical drives.
To clear statistical data:
1. In Tree View, click the Subsystem icon.
2. In Management View, click the Information tab.
3. Click the Clear Statistics link.
4. Click the Submit button.
5. In the Confirmation dialog box, type confirm and click the OK button.
Setting an Alias for the Subsystem
An alias is optional. To set an alias for this subsystem or host:
1. In Tree View, click the Subsystem icon.
2. In Management View, click the Settings tab.
3. Enter a name into the Alias field.
Maximum of 48 characters. Use letters, numbers, one space between
words, and underscore.
4. Click the Submit button.
Updating the Firmware
Use this function to update the firmware and BIOS on the SuperTrak controller
card. You must first download the update file and save it to the Host PC. See
“Downloading BIOS and Firmware File” on page 285.
Note that this function does not update the software driver. Install the software
driver file following the procedure for your operating system. See “Chapter 3:
Installing Drivers” on page 59.
To upgrade the firmware and BIOS on the SuperTrak controller card:
1. In Tree View, click the Subsystem icon.
2. In Management View, click the Firmware Update tab dropdown menu and
choose Download From Local File.
3. Click the Browse button.
Cautions
• Before you begin, backup any important or useful data.
• Do NOT power off your PC during the procedure.

SuperTrak EX Series User Manual
130
4. Navigate to the directory where you saved the upgrade file, then click the
upgrade file, and click the Open button.
5. Click the Submit button.
When the Flash Image Status shows Flash image completed, the firmware
and BIOS have been updated.
6. Restart the Host PC.
Checking Subsystem Health
1. In Tree View, click the Subsystem icon.
2. In Management View, click the Health tab.
The health or status of following items is displayed:
• Controller
• Disk Array
• Logical Drive
• Spare Drive
• Physical Drive
If any item reports other than “OK” click that item in the Tree to investigate
the cause of the problem.
Viewing the Runtime Event Log
Runtime Events lists information about all events recorded since the system was
started. Runtime events are stored in RAM on the RAID controller. These events
are cleared when you reboot your system.
To view runtime events:
1. In Tree View, click the Subsystem icon.
2. From the dropdown menu on the Event tab, choose Runtime Events.
The events are listed from newest at the top of the list to oldest at the
bottom.
Severity Definitions
Each event is marked with a level of severity.
•Information – Information only, no action is required
•Warning – User can decide whether or not action is required
•Minor – Action is needed but the condition is not serious at this time
•Major – Action is needed now
•Critical – Action is needed now and the implications of the condition are
serious

Chapter 5: Management with WebPAM PRO
131
•Fatal – Non-Recoverable error or failure has occurred
Saving the Runtime Event Log
This function saves a copy of the runtime event log as a text file on the Host PC’s
hard drive.
To save the runtime event log:
1. In Tree View, click the Subsystem icon.
2. From the dropdown menu on the Events tab, choose Runtime Events.
3. At the bottom of the window, click the Save Event Log button.
4. In the File Download dialog box, click the Save button.
5. In the Save dialog box, name the file, navigate to the folder where you want
to save the log file, and click the Save button.
A text file of the event log is saved to the Host PC’s hard drive.
Clearing the Runtime Event Log
This function clears the events from the runtime event log screen and from the
RAM on the RAID controller. This function has no effect upon events reported in
the WebPAM PRO Event Frame. “Viewing the Event Frame” on page 113.
To clear the runtime event log:
1. In Tree View, click the Subsystem icon.
2. From the dropdown menu on the Events tab, choose Runtime Events.
3. At the bottom of the window, click the Clear Event Log button.
4. In the Confirmation dialog box, type confirm and click the OK button.
All events are cleared from the screen and the RAID controller’s RAM.
Viewing the NVRAM Event Log
NVRAM Events lists information about the most recent important or critical
events. NVRAM events are stored in non-volatile memory on the RAID controller.
This information persists even if you reboot your system.
To view runtime events:
1. In Tree View, click the Subsystem icon.
2. From the dropdown menu on the Events tab, choose Subsystem Events in
NVRAM.
The events are listed from newest at the top of the list to oldest at the
bottom.

SuperTrak EX Series User Manual
132
Severity Definitions
Each event is marked with a level of severity.
•Information – Information only, no action is required
•Warning – User can decide whether or not action is required
•Minor – Action is needed but the condition is not serious at this time
•Major – Action is needed now
•Critical – Action is needed now and the implications of the condition are
serious
•Fatal – Non-Recoverable error or failure has occurred
Saving the NVRAM Event Log
This function saves a copy of the NVRAM event log as a text file on the Host
PC’s hard drive.
To save the NVRAM event log:
1. In Tree View, click the Subsystem icon.
2. From the dropdown menu on the Events tab, choose Subsystem Events in
NVRAM.
3. At the bottom of the window, click the Save Event Log button.
4. In the File Download dialog box, click the Save button.
5. In the Save dialog box, name the file, navigate to the folder where you want
to save the log file, and click the Save button.
A text file of the event log is saved to the Host PC’s hard drive.
Clearing the NVRAM Event Log
This function clears the events from the NVRAM event log screen and from the
NVRAM on the RAID controller. This function has no effect upon events reported
in the WebPAM PRO Event Frame. “Viewing the Event Frame” on page 113.
To clear the NVRAM event log:
1. In Tree View, click the Subsystem icon.
2. From the dropdown menu on the Events tab, choose System Events in
NVRAM.
3. At the bottom of the window, click the Clear Event Log button.
4. In the Confirmation dialog box, type confirm and click the OK button.
All events are cleared from the screen and the RAID controller’s non-volatile
RAM.

Chapter 5: Management with WebPAM PRO
133
Viewing Current Background Activities
To view the current background activities:
1. Click the Subsystem icon in Tree View.
2. Click the Background Activities tab in Management View.
A list of current background activities appears, including:
• Rebuild
• PDM – Predictive Data Migration
• Synchronization
• Redundancy Check
•Migration
• Transition
• Initialization
• Media Patrol
Making Background Activity Settings
To make settings for background activities:
1. In Tree View, click the Subsystem icon.
2. From the dropdown menu on the Background Activities tab, choose Settings.
3. Click the dropdown menu to choose a priority of Low, Medium, or High for
the following functions:
•Rebuild – Rebuilds the data from a failed drive in a disk array
•Synchronization – Checks the data integrity on disk arrays
•Initialization – Sets all data bits in the logical drive to zero
•Redundancy Check – Checks, reports and can correct data
inconsistencies in logical drives
•Migration – Change RAID level or add physical dries to disk arrays
•PDM – Looks for bad blocks the physical drives of disk arrays
•Transition – Returns a revertible spare drive to spare status
The rates are defined as follows:
•Low – Fewer resources to activity, more to data read/write.
•Medium – Balance of resources to activity and data read/write.
•High – More resources to activity, fewer to data read/write.

SuperTrak EX Series User Manual
134
4. Highlight the following PDM trigger settings and type a value into the
corresponding field:
•Reassigned Block Threshold – 1 to 512 blocks
•Error Block Threshold – 1 to 1024 blocks
5. Check to enable or uncheck to disable the following functions:
•Media Patrol – Checks the magnetic media on physical drives
•Auto Rebuild – If there is a spare drive of adequate capacity, a critical
disk array will begin to rebuild automatically. If not spare drive is
available, the disk array will begin to rebuild as soon as you replace the
failed physical drive with an unconfigured physical drive of equal or
greater size.
6. Click the Submit button to save your settings.
Running Background Activities
To run a background activity from the Background Activities tab:
1. In Tree View, click the Subsystem icon.
2. From the dropdown menu on the Background Activities tab, choose one of
the following activities:
•Media Patrol – See “Running Media Patrol” on page 134
•Rebuild – See “Rebuilding a Disk Array” on page 162
•PDM – See “Running PDM” on page 135
•Transition – See “Transitioning a Disk Array” on page 164
•Initialization – See “Initializing a Logical Drive” on page 169
•Redundancy Check – See “Running Redundancy Check” on page 170
3. In the next screen, make the choices as requested.
4. Click the Start button.
Running Media Patrol
Media Patrol checks the magnetic media on physical drives. When it finds the
specified number of bad blocks, it will trigger PDM. See “Making Background
Activity Settings” on page 133 and “Running PDM” on page 135.
You can schedule Media Patrol to run automatically, see “Scheduling an Activity”
on page 135.
To run Media Patrol:
1. In Tree View, click the Subsystem icon.
2. From the dropdown menu on the Background Activities tab, choose Start
Media Patrol.

Chapter 5: Management with WebPAM PRO
135
3. In the next screen, click the Start button.
Running PDM
Predictive Data Migration (PDM) migrates data from the suspect physical drive to
a spare disk drive, similar to Rebuilding. But unlike Rebuilding, PDM acts before
the disk drive fails and your Logical Drive goes Critical.
You an also run PDM on a specific disk array, see “Running PDM on a Disk
Array” on page 163.
Also see “Predictive Data Migration (PDM)” on page 248.
To ru n P DM :
1. In Tree View, click the Subsystem icon.
2. From the dropdown menu on the Background Activities tab, choose Start
PDM.
3. In the next screen, choose the Source and Target physical drives.
The suspect physical drive is the Source. The replacement physical drive is
the Target.
4. Click the Start button.
Viewing Scheduled Activities
To view scheduled activities for this subsystem:
1. Click the Subsystem icon Tree View.
2. Click the Scheduler tab in Management View.
Scheduling an Activity
To set a scheduled activity for this subsystem:
1. Click the Subsystem icon Tree View.
2. From the dropdown menu on the Scheduler tab, choose Add BGA
Scheduler.
3. Click the option button of the activity you want:
• Media Patrol. See “Running Media Patrol” on page 134
• Redundancy Check. See “Running Redundancy Check” on page 170
• Spare Check. See “Running Spare Check” on page 175
4. In the Scheduler dialog box, check the Enable This Schedule box.

SuperTrak EX Series User Manual
136
5. Click the option button for the Recurrence Pattern you want:
•Daily
•Weekly
•Monthly
6. Click the Next button.
7. For a DAILY recurrence pattern, make the following setting:
• Choose a Start Time for the activity, based on a 24-hour clock, from the
dropdown menus.
• Type the number of days between activities, from 1 to 255, into the
Every days field.
For a WEEKLY recurrence pattern, make the following settings:
• Choose a Start Time for the activity, based on a 24-hour clock, from the
dropdown menus.
• Type the number of weeks between activities, from 1 to 52, into the
Every weeks field.
• Check the boxes for the days of the week you want the activity to run.
You can choose from 1 to 7 days.
For a MONTHLY recurrence pattern, make the following settings:
• Choose a Start Time for the activity, based on a 24-hour clock, from the
dropdown menus.
• Choose the day of the month:
• Choose a day of the month, 1 to 31, from the dropdown menu. See
the Note below.
• Choose a day of the month, first to last, and day of the week, from
the dropdown menus.
• Check the boxes for the months of the year you want the activity to run.
You can choose from 1 to 12 months.
8. Choose a starting date in the Start From dropdown menus.
The default is today's date.
9. Choose an End On option:
• No end date (recommended).
• End After the specified number of activities. Type the number of
activities, from 1 to 255, into the field provided.
• Until a specified date. Choose an end date from the dropdown menus.
The default is today's date.

Chapter 5: Management with WebPAM PRO
137
10. For Redundancy Check only:
• Choose the Auto Fix option. This feature attempts to repair the problem
when it finds an error.
• Choose the Pause on Error option. This feature stops the process when
it finds an error
• Check the boxes beside the logical drives (all except RAID 0) to which
this activity will apply.
Note: Each logical drive can have only one scheduled Redundancy
Check.
11. Click the Submit button.
Deleting a Scheduled Activity
To delete a scheduled activity for this subsystem:
1. Click the Subsystem icon Tree View.
2. From the dropdown menu on the Scheduler tab, choose Delete Schedules.
3. Check the box to the left of the schedule you want to delete.
4. Click the Submit button.
Viewing System Configuration
To view the configuration of your complete system:
1. Click the Subsystem icon Tree View.
2. Click the Configuration tab in Management View.
The following information is displayed:
•Host Information – WebPAM PRO version, host name and IP address,
OS version, and JVM version
•User List – User name, status, and display name
•Controllers Summary – Alias, model, and operational status
•Scheduled Activities List – Type, recurrence, start time, and
operational status
•Enclosures Summary – ID, type, operational status, and description
Note
For monthly schedules, if you choose a higher number than a
month has days, the activity will occur in the following month. For
example, say you choose day 31. But there are only 30 days in the
month of June. Therefore, the June activity will happen on July 1.
The next activity will happen on July 31.

SuperTrak EX Series User Manual
138
•Physical Drive List – Device number, model, type, capacity, location,
operational status, and configuration
•Disk Array List – ID, alias, operational status, configurable capacity,
and free capacity
•Logical Drive List – Device number, alias, RAID level, capacity, ID,
stripe size, sector size, and operational status
•Spare Drive List – ID, operational status, physical drive ID, capacity,
revertibility, type (global or dedicated), and dedicated to array

Chapter 5: Management with WebPAM PRO
139
Managing the Controller
The RAID controller is the heart of the RAID storage system. Management of
Controllers includes the following functions:
• Viewing Controllers Information (page 139)
• Viewing Controller Information (page 139)
• Viewing Controller Statistics (page 141)
• Making Controller Settings (page 141)
• Clearing an Orphan Watermark (page 142)
• Viewing Battery Information (page 142)
• Silencing the Buzzer (page 143)
• Making Buzzer Settings (page 143)
• Testing the Buzzer (page 143)
• Viewing Buzzer Information (page 144)
Viewing Controllers Information
Controllers information refers to a brief summary about the controller. To view
Controller information:
1. Click the Subsystem icon in Tree View.
2. Click the Controllers icon.
The controllers information appears under the Information tab in
Management View. Controllers information includes:
• Controller ID
• Alias, if assigned
• Model of the RAID controller
• Status of the RAID controller – OK means normal
Viewing Controller Information
Controller information refers to detailed information about the controller. To view
Controller information:
1. Click the Subsystem icon in Tree View.
2. Click the Controllers icon.
3. Click the Controller icon.
The controller information appears on the Information tab in Management
View.

SuperTrak EX Series User Manual
140
Controller information includes:
• Controller ID (1 or 2)
• Alias, if assigned*
• Vendor
• Model
• Operational Status
•Power On Time
• Cache Usage (percent)
• Dirty Cache Usage (percent) – Refers to data in the cache that is not yet
saved to a physical drive
• Part number
• Serial number
• Hardware revision number
• WWN – World Wide Number of the controller
• Manufacturing Date
• SCSI protocols supported
• Host Driver Version
•BIOS Version
• Single Image Version
• Single Image Build Date
• The Host driver is installed and updated through your operating system.
You can update the other items automatically. See “Updating the
Firmware” on page 129.
• Advanced controller information includes:
• Memory Type – Controller’s data cache.
• Memory Size
• Flash Type – Stores firmware, software and user configurations.
•Flash Size
• NVRAM Type – Stores parameters, settings and tables.
• NVRAM Size
• Preferred Cache Line Size
• Cache Line Size
•Coercion*
• Coercion Method*
• SMART* – Self-Monitoring, Analysis and Reporting System for physical
drives

Chapter 5: Management with WebPAM PRO
141
Controller information, continued:
• SMART Polling Interval*
• Write Back Cache Flush Interval*
• Write Through Mode
• Enclosure Polling interval*
• Adaptive Writeback Cache*
Items marked with an asterisk (*) are user adjustable. See “Making
Controller Settings” on page 141.
Viewing Controller Statistics
To view controller statistics:
1. Click the Subsystem icon in Tree View.
2. Click the Controllers icon.
3. Click the Controller icon.
4. From the dropdown menu on the Information tab, choose Statistics.
Making Controller Settings
To make Controller settings:
1. Click the Subsystem icon in Tree View.
2. Click the Controllers icon.
3. Click the Controller icon.
4. Click the Settings tab in Management View.
5. Make the following settings as needed:
• Optional. Enter a name into the Alias field.
Maximum of 48 characters. Use letters, numbers, one space between
words, and underscore. An alias is not required.
• Check the SMART Log box to enable the Self-Monitoring, Analysis, and
Reporting System (SMART).
• Enter a polling interval (1 to 1440 minutes) in SMART Polling Interval
field.
• Check the Coercion Enabled box to enable disk drive capacity coercion.

SuperTrak EX Series User Manual
142
• Choose a coercion method from the Coercion Method dropdown menu.
The choices are:
•GBTruncate
• 10GBTruncate
• GRPRounding
• TableRounding
For more information, see “Capacity Coercion” on page 238.
• Enter a time interval (1 to 12 seconds) in the Write Back Cache Flush
Interval field.
For more information, see “Choosing Cache Policy” on page 237.
• Enter a time interval (15 to 255 seconds) in the Enclosure Polling
Interval field.
This is the time interval in which the controller polls all of the
components in the enclosure.
Note: Adaptive Writeback Cache is a planned feature for SuperTrak.
6. Click the Submit button.
The changes take effect immediately.
Clearing an Orphan Watermark
An Orphan Watermark condition is the result of a disk drive failure during an
NVRAM RAID level migration on a disk array. The Clear tab remains grayed out
unless this condition is present.
To clear an orphan watermark:
1. Click the Subsystem icon in Tree View.
2. Click the Controllers icon.
3. Click the Controller icon.
4. Click the Clear tab in Management View.
5. Click the Submit button.
The change takes effect immediately.
Viewing Battery Information
The RAID controller’s cache backup battery protects data in the cache for up to
72 hours in the event of a power failure.
To view battery information:
1. Click the Subsystem icon in Tree View.
2. Click the Controllers icon.

Chapter 5: Management with WebPAM PRO
143
3. Click the Controller icon.
4. Click the Battery tab in Management View.
In normal operation, the operational status of the battery shows Fully Charged
with a Reserve Capacity of 100%. If the battery is constantly recharging, its
reserve capacity drops significantly, or the battery remains discharged, replace
the battery. Also see “Viewing Enclosure Information” on page 145.
Silencing the Buzzer
To silence the buzzer for the current event:
1. Click the Subsystem icon in Tree View.
2. Click the Controllers icon.
3. Click the Controller icon.
4. Click the Buzzer tab in Management View.
5. Click the Mute button.
The buzzer goes silent but will sound again for future events.
Making Buzzer Settings
To make buzzer settings:
1. Click the Subsystem icon in Tree View.
2. Click the Controllers icon.
3. Click the Controller icon.
4. From the dropdown menu on the Buzzer tab, choose Settings.
5. Check the Enable Buzzer box to enable the buzzer.
Uncheck the box to disable the buzzer.
6. Click the Submit button
The changes take effect immediately.
Testing the Buzzer
You must enable the buzzer before you can test it. See “Making Buzzer
Settings,” above.
To test the buzzer:
1. Click the Subsystem icon in Tree View.
2. Click the Controllers icon.
3. Click the Controller icon.

SuperTrak EX Series User Manual
144
4. Click the Buzzer tab in Management View.
5. Click the Sound button.
The buzzer sounds a continuous tone.
6. Click the Mute button.
The buzzer goes silent but remains enabled.
Viewing Buzzer Information
This function refers to the buzzer on the SuperTrak RAID controller card.
To view buzzer information:
1. Click the Subsystem icon in Tree View.
2. Click the Controllers icon.
3. Click the Controller icon.
4. Click the Buzzer tab in Management View.

Chapter 5: Management with WebPAM PRO
145
Managing Enclosures
This function of WebPAM PRO does not apply to the SuperTrak RAID controller
card installed in the Host PC, except for one item:
• Viewing Enclosure Information (page 145)
Viewing Enclosure Information
Enclosure information includes:
•Enclosure ID
• Enclosure Type – Virtual
• SEP Firmware Version
• Maximum number of Controllers, Physical Drive Slots, Fans, Blowers,
Temperature Sensors, Power Supply Units, Batteries, and Voltage Sensors.
This information might be useful when contacting Technical Support.
To view Enclosure information:
1. Click the Subsystem icon in Tree View.
2. Click the Enclosures icon.
3. Click the Enclosure icon.
The Enclosure information appears on the Information tab.
See the following topics:
• “SAS Connections and ID Numbers” on page 15
• “Viewing Controller Information” on page 139
• “Viewing Battery Information” on page 142
• “Contacting Technical Support” on page 273.
Note
In addition to the SuperTrak EX Series, WebPAM PRO also
supports Promise VTrak RAID Subsystems.
For more information about managing those products with
WebPAM PRO, see the online help or refer to the Subsystem’s
Product Manual.

SuperTrak EX Series User Manual
146
Managing Physical Drives
Managing Physical Drives deals with the physical disk drives under the
SuperTrak RAID controller, including the following functions:
• Viewing a List of Physical Drives (page 146)
• Locating a Physical Drive (page 146)
• Making Global Physical Drive Settings (page 147)
• Viewing Physical Drive Information (page 148)
• Viewing Physical Drive Statistics (page 148)
• Making Physical Drive Settings (page 148)
• Clearing Stale and PFA Conditions (page 149)
Viewing a List of Physical Drives
To view a list of physical drives in this enclosure:
1. Click the Subsystem icon in Tree View.
2. Click the Enclosures icon.
3. Click the Enclosure icon.
4. Click the Physical Drives icon.
The list of physical drives appears in Management View.
Click the PD link to view a specific physical drive. See “Viewing Physical
Drive Information” on page 148.
Note that Enclosure and Slot numbers are assigned by the controller and do
not necessarily correspond to the actual physical locations of the disk drives,
especially when the disk drives are installed in an enclosure not designed by
Promise.
Also see “SAS Connections and ID Numbers” on page 15.
Locating a Physical Drive
Virtual or Third Party Enclosures
Support for this feature depends on how your system or enclosure was set up.
Direct-connect systems with individual LED connections and SGPIO enclosures
support individual physical drive LEDs. Other systems or enclosures might or
might not support them. See “Appendix D: LED Backplane Connections” on
page 291.
To locate a physical drive in the enclosure, click the Locate PDx button. The LED
for the carrier holding the physical drive will blink for one minute.

Chapter 5: Management with WebPAM PRO
147
Promise Enclosures
To locate a physical drive in the VTrak JBOD enclosure, click the Locate PDx
button. The disk status LED will blink for one minute to identify the carrier holding
the physical drive.
Figure 6. VTrak drive carrier LEDs
Making Global Physical Drive Settings
Global settings apply to all of the physical disk drives installed under the
SuperTrak controller. The functions include:
To make global physical drive settings:
1. Click the Subsystem icon in Tree View.
2. Click the Enclosures icon.
3. Click the Enclosure icon.
4. Click the Physical Drives icon.
5. Click the Global Settings tab in Management View.
6. Check the features you want to enable.
Uncheck any features you want to disable.
7. Click the Submit button.
The changes take effect immediately.
The functions you enable here depend on whether the physical drives
support those functions. See “Viewing Physical Drive Information” on
page 148 to determine which functions a particular drive supports.
SATA Drives SAS Drives
• Enable Write Cache
• Enable Read Look Ahead Cache
• Enable Command Queuing
• Enable Write Cache
• Enable Read Look Ahead Cache
• Enable Read Cache
Disk Status
Power/Activity

SuperTrak EX Series User Manual
148
Viewing Physical Drive Information
To view physical drive information:
1. Click the Subsystem icon in Tree View.
2. Click the Enclosures icon.
3. Click the Enclosure icon.
4. Click the Physical Drives icon.
5. Click a Physical Drive icon.
Useful information provided here includes:
•Operational Status – OK is normal. Can also show Rebuilding, Forced
Online, Forced Offline, Transition Running, PDM Running, Media Patrol
Running, Stale, PFA, Offline or Dead.
•Configuration Status – The array to which the drive is assigned or its spare
designation, including Unconfigured, Stale, PFA, Global Spare, Dedicated
Spare, Revertible Global Spare, Revertible Dedicated Spare.
Adjustable Items
•Write Cache – Enabled or disabled as chosen on the Physical Drives
Settings tab.
•Read Look Ahead (Cache) – Enabled or disabled as chosen on the
Physical Drives Settings tab.
•Command Queuing – SATA only. Enabled or disabled.
See “Making Global Physical Drive Settings” on page 147.
Viewing Physical Drive Statistics
To view physical drive statistics:
1. Click the Subsystem icon in Tree View.
2. Click the Enclosures icon.
3. Click the Enclosure icon.
4. Click the Physical Drives icon.
5. Click a Physical Drive icon.
6. From the dropdown menu on the Information tab, choose Statistics.
Making Physical Drive Settings
The only individual physical drive setting is an alias. An alias is optional. To set
an alias for a physical drive:
1. Click the Subsystem icon in Tree View.

Chapter 5: Management with WebPAM PRO
149
2. Click the Enclosures icon.
3. Click the Enclosure icon.
4. Click the Physical Drives icon.
5. Click a Physical Drive icon.
6. Click the Settings tab in Management View.
7. Type an alias into the Physical Drive Alias field.
Maximum of 32 characters. Use letters, numbers, one space between
words, and underscore.
8. Click the Submit button.
Clearing Stale and PFA Conditions
The Clear tab only appears when one or both conditions are present.
•Stale – The physical drive contains obsolete disk array information.
•PFA – The physical drive has errors resulting in a prediction of failure.
Be sure you have corrected the condition by a physical drive replacement, rebuild
operation, etc., first. Then clear the condition.
To clear a Stale or PFA status from a physical drive:
1. Click the Subsystem icon in Tree View.
2. Click the Enclosures icon.
3. Click the Enclosure icon.
4. Click the Physical Drives icon.
5. Click a Physical Drive icon.
6. in Management View, click the Clear tab.
7. Click the Submit button.
Note
If a physical drive has both a Stale and a PFA condition, click the
Submit button once to clear the Stale condition, then click again
to clear the PFA condition.

SuperTrak EX Series User Manual
150
Managing Disk Arrays
Disk Array Management includes the following functions:
• Viewing Disk Arrays (page 150)
• Locating a Disk Array (page 150)
• Creating a Disk Array (page 151)
• Deleting a Disk Array (page 157)
• Viewing Disk Array Information (page 157)
• Making Disk Array Settings (page 158)
• Creating a Logical Drive (page 159)
• Deleting a Logical Drive (page 160)
• Migrating a Disk Array (page 161)
• Rebuilding a Disk Array (page 162)
• Running PDM on a Disk Array (page 163)
• Transitioning a Disk Array (page 164)
• Preparing a Disk Array for Transport (page 164)
Viewing Disk Arrays
To view the disk arrays in this enclosure plus any expanded or cascaded
enclosures:
1. Click the Subsystem icon in Tree View.
2. Click the Disk Arrays icon.
A list of disk arrays appears in Management View.
Click the DA link to view a specific disk array. See “Viewing Disk Array
Information” on page 157.
Locating a Disk Array
Virtual or Third Party Enclosures
Support for this feature depends on how your system or enclosure was set up.
Direct-connect systems with individual LED connections and SGPIO enclosures
support individual physical drive LEDs. Other systems or enclosures might or
might not support them. See “Appendix D: LED Backplane Connections” on
page 291.
To locate a disk array in the enclosure, click the Locate DAx button. The LEDs
for the carriers holding the physical drives used by the disk array will blink for one
minute.

Chapter 5: Management with WebPAM PRO
151
Promise Enclosures
To locate a disk array in a VTrak JBOD enclosure, click the Locate DAx button.
The disk status LEDs will blink for one minute to identify the carriers holding the
physical drives used by the disk array.
Figure 7. VTrak drive carrier LEDs
Creating a Disk Array
WebPAM PRO provides three methods of creating a disk array:
•Automatic – Creates a default disk array and logical drive based on
unconfigured physical drives in the system. No user choices. If you have
multiple enclosures, multiple disk array/logical drive sets are created. See
“Creating a Disk Array – Automatic Configuration” on page 152.
•Express – You choose the RAID characteristics and type of application.
Creates a disk array and logical drive(s) based on your input. See “Creating
a Disk Array – Express Configuration” on page 153.
•Advanced – You specify all parameters for a new disk array. One logical
drive will be made automatically when you create the disk array. If you
specify less than the total available capacity, you can use the remaining
space to create additional logical drives now or at a later time. See “Creating
a Disk Array – Advanced Configuration” on page 155.
Disk Status
Power/Activity

SuperTrak EX Series User Manual
152
Creating a Disk Array – Automatic Configuration
The Disk Array – Automatic Configuration option enables you to create a new
disk array following a default set of parameters. One logical drive will be made
automatically when you create the disk array. If you have multiple enclosures,
multiple disk array/logical drive sets are created. To create a Disk Array using
the Automatic function:
1. Click the Subsystem icon in Tree View.
2. Click the Disk Arrays icon.
3. From dropdown menu on the Create tab, choose Automatic.
The following parameters display:
•Disk Arrays – The number of physical drives in the disk array, their slot
numbers, configurable capacity, and the number of logical drives to be
created
•Logical Drives – The ID number of the logical drive(s), their RAID level,
capacity, and stripe size
•Spare Drives – The physical drive slot number of the dedicated hot
spare assigned to this disk array. A hot spare drive is created for all
RAID levels except RAID 0, when five or more unconfigured physical
drives are available
4. If you accept these parameters, click the Submit button.
The new disk array appears in the Disk Array List the Information tab.
If you do NOT accept these parameters, use the Advanced option to create
your disk array.

Chapter 5: Management with WebPAM PRO
153
Creating a Disk Array – Express Configuration
The Disk Array – Express Configuration option enables you to choose the
parameters for a new disk array by specifying the characteristics you want. With
this method, you can create multiple logical drives at the same time you create
your disk array. However, all of the logical drives will be the same.
If you prefer to specific the parameters directly, use the Advanced option to
create your disk array.
If you are uncertain about choosing parameters for your disk array, use the
Automatic option.
To create a new disk array:
1. Click the Subsystem icon in Tree View.
2. Click the Disk Arrays icon.
3. From the dropdown menu on the Create tab, choose Express.
4. Check the boxes to choose any one or combination of:
•Redundancy – The array will remain available if a physical drive fails
•Capacity – The greatest possible amount of data capacity
•Performance – The highest possible read/write speed
•Mixing SATA/SAS Drive – Check this box if you want to use both
SATA and SAS drives in the same disk array.
If the box is unchecked, and you have both SATA and SAS drives,
different arrays will be created for each type of drive.
5. In the Number of Logical Drives field, enter the number of logical drives you
want to make from this disk array.
6. From the Application Type menu, choose an application that best describes
your intended use for this disk array:
•File Server
• Video Stream
• Transaction Data
• Transaction Log
•Other
7. Click the Update button.
Or check the Automatic Update box and updates will occur automatically.
The following parameters display:
•Disk Arrays – The number of physical drives in the disk array, their slot
numbers, configurable capacity, and the number of logical drives to be
created

SuperTrak EX Series User Manual
154
•Logical Drives – The slot number of the logical drive(s), their RAID
level, capacity, and stripe size
•Spare Drives – The physical drive slot number of the dedicated hot
spare assigned to this disk array (all RAID levels except RAID 0)
If you accept these parameters, proceed to the next step.
If you do NOT accept these parameters, review and modify your choices in
the previous steps.
8. When you are done, click the Submit button.
The new disk array appears in the Disk Array List the Information tab.

Chapter 5: Management with WebPAM PRO
155
Creating a Disk Array – Advanced Configuration
The Disk Array – Advanced Configuration option enables you to directly specify
all parameters for a new disk array. One logical drive will be made automatically
when you create the disk array. If you specify less than the total available
capacity, you can use the remaining space to create additional logical drives now
or at a later time.
If you are uncertain about choosing parameters for your disk array, use the
Express or Automatic option to create your disk array.
To create a new disk array:
1. Click the Subsystem icon in Tree View.
2. Click the Disk Arrays icon.
3. From the dropdown menu on the Create tab, choose Advanced.
Step 1 – Disk Array Creation
1. Enter a name for the disk array in the field provided.
2. Check the box if you want to enable Media Patrol.
For more information, see “Media Patrol” on page 248.
3. Check the box if you want to enable PDM.
For more information, see “Predictive Data Migration (PDM)” on page 248.
4. Highlight physical drives you want in the disk array from the Available list
and press the >> button to move them to the Selected list.
You can also double-click them to move them.
5. When you are done, click the Next button.
Step 2 – Logical Drive Creation
Logical Drive Creation enables you to specify logical drives under the new disk
array. Enter the information for a logical drive, then click the Update button. If
there is free capacity remaining, you can specify another logical drive now or wait
until later. You can create up to 32 logical drives per array.
1. Optional. Type an alias into the field provided.
2. Choose a RAID level for the logical drive from the dropdown menu.
The choice of RAID levels depends the number of physical drives you
selected.
3. RAID 50 and 60 only. Specify the number of axles for your array.
See “RAID 50 Axles” on page 227 or “RAID 60 Axles” on page 230.
4. Specify a Capacity and the unit of measure (MB, GB, TB).

SuperTrak EX Series User Manual
156
This value will be the data capacity of the first logical drive in your new disk
array. If you specify less than disk array's maximum capacity, the remainder
will be available for additional logical drives which you can create later.
5. Specify a Stripe size from the dropdown menu.
64 KB, 128 KB, 256 KB, and 1 MB are available. 64 KB is the default.
6. Specify a Sector size from the dropdown menu.
512 B, 1 KB, 2 KB, and 4 KB are available. 512 B is the default.
7. Specify a Read (cache) Policy from the dropdown menu.
Read Cache, Read Ahead Cache, and No Cache are available. Read Ahead
is the default.
8. Specify a Write (cache) Policy from the dropdown menu.
Write Back and Write Through are available. Write Back is the default.
9. From the Initialization dropdown menu, choose an Initialization policy.
None, Quick, and Full are available. None is the default but is not
recommended. See “Initialization” on page 239.
10. Click the Update button.
A new logical drive is displayed under New Logical Drives.
Repeat the above steps to specify additional logical drives as desired.
11. When you are done specifying logical drives, click the Next button.
Step 3 – Summary
The Summary lists the disk array and logical drive information you specified.
To proceed with disk array and logical drive creation, click the Submit button.
The new disk array appears in the Disk Array List the Information tab.
Note
This function does not automatically create a hot spare drive. After
the disk array is created, you can create a hot spare drive for it.
For more information, see “Creating a Spare Drive” on page 173.

Chapter 5: Management with WebPAM PRO
157
Deleting a Disk Array
The Disk Arrays–Delete tab enables you to delete existing disk arrays.
To delete a disk array:
1. Click the Subsystem icon in Tree View.
2. Click the Disk Arrays icon.
3. Click the Delete tab in Management View.
4. Check the box to the left of the disk array you want to delete.
5. Click the Submit button.
6. In the confirmation box, type the word confirm in the field provided.
7. Click the OK button.
The chosen disk array disappears from the Disk Array List the Information tab.
Viewing Disk Array Information
To view Disk Array information:
1. Click the Subsystem icon in Tree View.
2. Click the Disk Arrays icon.
3. Click the Disk Array icon.
The disk array information is shown in Management View.
Disk Array Operational Status
•OK – This is the normal state of a logical drive. When a logical drive is
Functional, it is ready for immediate use. For RAID Levels other than
RAID 0, the logical drive has full redundancy.
•Synchronizing – This condition is temporary. Synchronizing is a
maintenance function that verifies the integrity of data and redundancy in the
logical drive. When a logical drive is Synchronizing, it will function and your
data is available. However, access will be slower due to the synchronizing
operation.
•Critical / Degraded – This condition arises as the result of a physical drive
failure. A degraded logical drive will still function and your data is still
Caution
If you delete a disk array, you also delete any logical drives that
belong to it, along with the data in those logical drives. Back up
any important data before deleting a disk array.

SuperTrak EX Series User Manual
158
available. However, the logical drive has lost redundancy (fault tolerance).
You must determine the cause of the problem and correct it.
•Rebuilding – This condition is temporary. When a physical drive has been
replaced, the logical drive automatically begins rebuilding in order to restore
redundancy (fault tolerance). When a logical drive is rebuilding, it will
function and your data is available. However, access will be slower due to
the rebuilding operation.
•Transport Ready – After you perform a successful Prepare for Transport
operation, this condition means you can remove the physical drives of this
disk array and move them to another enclosure or different drive slots. After
you relocate the physical drives, the disk array status will show OK.
Physical Drive Status
•OK – This is the normal state of a physical drive.
•Forced Offline – This drive was forced offline by the user.
•Forced Online – This drive was forced online by the user.
•Transition Running – A Transition is running that involves this physical
drive.
•PDM Running – PDM is running on this physical drive.
•Media Patrol Running – Media Patrol is running on this physical drive.
•Stale – The physical drive contains obsolete disk array information. Click the
Clear tab.
•PFA – The physical drive has errors resulting in a prediction of failure. Click
the Clear tab.
•Offline – This condition arises as the result of a second physical drive
failure. An Offline logical drive is not accessible but some or all of your data
may remain intact. You must determine the cause of the problem and correct
it.
•Dead – The physical drive has failed.
Making Disk Array Settings
To make Disk Array settings:
1. Click the Subsystem icon in Tree View.
2. Click the Disk Arrays icon.
3. Click the Disk Array icon.
4. Click the Settings tab in Management View.
5. Optional. Enter an alias in the Disk Array Alias field.

Chapter 5: Management with WebPAM PRO
159
Maximum of 32 characters. Use letters, numbers, one space between
words, and underscore. An alias is optional.
6. To enable Media Patrol support, check the Media Patrol box.
7. To enable PDM support, check the PDM box.
8. Click the Submit button.
Creating a Logical Drive
When you create a disk array, you automatically create one logical drive also. If
the initial logical drive used less than the full capacity of the disk array, you can
create additional logical drives from the same disk array. You can create up to 32
logical drives per array.
To create a logical drive:
1. Click the Subsystem icon in Tree View.
2. Click the Disk Arrays icon.
3. Click the Disk Array icon.
4. Click the Create LD tab in Management View.
5. Optional. Enter an alias (name) in the Alias field.
Maximum of 32 characters. Use letters, numbers, one space between
words, and underscore. An alias is optional.
6. From the RAID Level dropdown list, choose a RAID level for this logical
drive.
All RAID levels supported by the disk array appear in the list. See “Choosing
a RAID Level” on page 232.
7. Enter a capacity and choose unit of measure (MB, GB, TB).
The default value is the available capacity of the disk array. You can use this
value or any lesser amount.
8. From the Stripe dropdown menu, choose a Stripe size for this logical drive.
The choices are 64 KB, 128 KB, 256 KB, 512 KB, and 1 MB. 64 KB is the
default. See “Choosing Stripe Block Size” on page 236.
9. From the Sector dropdown menu, choose a Sector size for this logical drive.
The choices are 512 B, 1 KB, 2 KB, and 4 KB. 512 B is the default. See
“Choosing Sector Size” on page 236.
10. From the Read Policy dropdown menu, choose a Read Cache policy for this
logical drive.

SuperTrak EX Series User Manual
160
The choices are Read Cache, Read Ahead, and No Cache. Read Ahead is
the default. See “Choosing Cache Policy” on page 237.
11. From the Write Policy dropdown menu, choose a Write Cache policy for this
logical drive.
The choices are Write Through and Write Back. Write Back is the default. If
you chose No Cache under Read Cache, this setting will be Write Through.
See “Choosing Cache Policy” on page 237.
12. From the Initialization dropdown menu, choose an Initialization policy.
The choices are None, Quick and Full. See “Initialization” on page 239.
13. Click the Update button to enter the logical drive parameters.
14. Review the results. If there is remaining space the disk array, you can create
another logical drive, following the steps above. Each logical drive can have
a different set of parameters.
15. Click the Next button when you are done.
A new window displays with the disk array information and the proposed
logical drives with their parameters.
16. Click the Submit button create the logical drives.
The new logical drive appears in the Logical Drive List the Information tab.
If you created a fault-tolerant logical drive (any RAID level except RAID 0), the
Operational Status of new logical drive will display Synchronizing for several
minutes after creation. You can use the logical drive during this period but read/
write performance could be slower than normal.
Deleting a Logical Drive
To delete a logical drive:
1. Click the Subsystem icon in Tree View.
2. Click the Disk Arrays icon.
3. Click the Disk Array icon.
4. Click the Delete LD tab in Management View.
5. Check the box to the left of the logical drive you want to delete.
6. Click the Submit button.
Caution
All data the logical drive will be lost. Back up any valuable data
before deleting the logical drive.

Chapter 5: Management with WebPAM PRO
161
In the confirmation box, type the word confirm in the field provided.
7. Click the OK button.
The chosen logical disappears from the Logical Drive List the Information tab.
Migrating a Disk Array
On SuperTrak, RAID level migration is performed on the disk array but it applies
to the logical drives. The action of migrating a disk array means either or both:
• Change its RAID Level
• Increase the number of disk drives (sometimes called expansion)
For a list of Migration options and other important information, see “RAID Level
Migration” on page 240.
To Migrate an existing disk array:
1. Click the Subsystem icon in Tree View.
2. Click the Disk Arrays icon.
3. Click the Disk Array icon.
4. From the dropdown menu on the Background Activities tab, choose Start
Migration.
5. Highlight physical drives you want in the disk array from the Available list
and press the >> button to move them to the Selected list. You can also
double-click them to move them.
6. When you are done, click the Next button
7. Choose a new RAID Level, if desired
8. To expand the capacity of one or more logical drives, check the Expand
Capacity box
9. If you checked the Expand Capacity box, enter a number into the Capacity
field and choose the appropriate unit of measure (MB, GB, TB)
10. Under Capacity Usage, highlight the logical drive whose RAID level you
want to change or whose capacity you want to expand
11. Click the Update button.
The logical drive changes to reflect your choices.
12. Update other logical drives using the same method.
13. When you are done making changes, click the Next button.
14. Click the Submit button to begin Migration.
In the confirmation box, type the word confirm in the field provided.
15. Click the OK button.

SuperTrak EX Series User Manual
162
To set Migration priority, see “Making Background Activity Settings” on page 133.
Rebuilding a Disk Array
When you rebuild a disk array, you are actually rebuilding the data on a
replacement physical drive.
Rebuilding Automatically
Normally, a disk array would rebuild itself using a hot disk drive, after going
Critical. However, if the Auto Rebuild function is disabled or no spare drives are
available, you must initiate the procedure.
To enable Auto Rebuild, see “Making Background Activity Settings” on page 133.
To create a spare drive, see “Creating a Spare Drive” on page 173.
For more information, see “Hot Spare Drive(s)” on page 239.
Rebuilding Manually
If a physical drive has failed, identify and replace the drive, then rebuild the disk
array as described below:
1. Click the Subsystem icon in Tree View.
2. Click the Disk Arrays icon.
3. Click the Disk Array icon.
If there are multiple disk arrays, choose the icon with the yellow !.
4. From the dropdown menu on the Background Activity tab, choose Start
Rebuild.
5. Choose Source physical drive.
This is a remaining functional physical drive in the disk array.
6. Choose the Target physical drive.
This is the replacement physical drive.
7. Click the Submit button.
The Disk Array Background Activity tab will show the rebuild the replacement
(target) physical drive. Depending the size of the physical disk involved, this
process will take some time.
To view more information, click the Rebuild on PDx link.
To set Rebuild priority, see “Making Background Activity Settings” on page 133.

Chapter 5: Management with WebPAM PRO
163
Running Media Patrol on a Disk Array
Media Patrol checks the magnetic media on physical drives. When it finds the
specified number of bad blocks, it will trigger PDM. See “Making Background
Activity Settings” on page 133 and “Running PDM” on page 135.
You can schedule Media Patrol to run automatically, see “Scheduling an Activity”
on page 135.
To start Media Patrol:
1. Click the Subsystem icon in Tree View.
2. Click the Disk Arrays icon.
3. Click the Disk Array icon.
4. From the dropdown menu on the Background Activities tab, choose Start
Media Patrol.
5. Click the Start button.
Running PDM on a Disk Array
Predictive Data Migration (PDM) migrates data from the suspect physical drive to
a spare physical drive, similar to Rebuilding. But unlike Rebuilding, PDM acts
before the disk drive fails and your Logical Drive goes Critical.
See “Predictive Data Migration (PDM)” on page 248.
To start PDM:
1. Click the Subsystem icon in Tree View.
2. Click the Disk Arrays icon.
3. Click the Disk Array icon.
4. From the dropdown menu on the Background Activities tab, choose Start
PDM.
5. In the next screen, choose the Source and Target physical drives.
The suspect physical drive is the Source. The replacement physical drive is
the Target.
6. Click the Start button.

SuperTrak EX Series User Manual
164
Transitioning a Disk Array
Transition is the process of replacing a revertible spare drive that is currently part
of a disk array with an unconfigured physical drive or a non-revertible spare. The
revertible spare drive returns to its original status. For more information, see
“Transition” on page 249.
In order to run the Transition function:
• The spare drive must be Revertible.
• You must specify an unconfigured physical drive of the same or larger
capacity to replace the revertible spare drive.
To run Transition:
1. Click the Subsystem icon in Tree View.
2. From the dropdown menu on the Background Activities tab, choose Start
Transition.
3. Choose an unconfigured physical drive from the list of available drives.
After Transition is completed, refresh the screen. The revertible spare drive will
be listed under the Spare Drives icon and the disk array’s operational status
will show OK.
To set Transition priority, see “Making Background Activity Settings” on
page 133.
Preparing a Disk Array for Transport
To prepare a disk array for transport:
1. Click the Subsystem icon in Tree View.
2. Click the Disk Arrays icon.
3. Click the Disk Array icon.
4. Click the Transport tab in Management View.
5. Click the Submit button.
6. In the confirmation box, type the word confirm in the field provided.
Important
Before you can use this feature:
• There must be a dedicated spare disk drive assigned to this
disk array.
• The disk array’s Operational Status must be OK.

Chapter 5: Management with WebPAM PRO
165
7. Click the OK button.
8. After the Transition is complete, move the physical drives comprising the
disk array to their new locations.
9. Click the Refresh button in your Browser.
The drives appear in their new locations and disk array status displays OK.

SuperTrak EX Series User Manual
166
Managing Logical Drives
Logical drives are made from disk arrays. In the Tree, you can see a graphic
representation of the logical drives that belong to each array. You can see a
summary of all logical drives in the subsystem under Logical Drive Summary.
Logical drive management includes the following functions:
• Viewing Information for All Logical Drives (page 166)
• Locating a Logical Drive (page 167)
• Viewing Logical Drive Information (page 167)
• Viewing Logical Drive Statistics (page 168)
• Changing Logical Drive Settings (page 168)
• Initializing a Logical Drive (page 169)
• Running Redundancy Check (page 170)
• Viewing the Logical Drive Check Table (page 170)
Viewing Information for All Logical Drives
To view information about all logical drives in a disk array:
1. Click the Subsystem icon in Tree View.
2. Click the Disk Arrays icon.
3. Click the Disk Array icon.
4. Click the Logical Drives icon
Logical Drive Status
•OK – This is the normal state of a logical drive. When a logical drive is OK, it
is ready for immediate use. For RAID Levels other than RAID 0 (Striping),
the logical drive has fault tolerance.
•Synchronizing – This condition is temporary. Synchronizing is a
maintenance function that verifies the integrity of data and redundancy in the
logical drive. When a logical drive is Synchronizing, it will function and your
data is available. However, access will be slower due to the synchronizing
operation.
•Critical/Degraded – This condition arises as the result of a physical drive
failure. Or, one of the physical drives was accidently or intentionally
disconnected or pulled from its enclosure. A critical or degraded logical drive
will still function and your data is still available. However, the logical drive
has lost its fault tolerance.
•Rebuilding – This condition is temporary. When a physical drive has been
replaced, the logical drive automatically begins rebuilding in order to restore

Chapter 5: Management with WebPAM PRO
167
fault tolerance. When a logical drive is rebuilding, it will function and your
data is available. However, access will be slower due to the rebuilding
operation.
To create a logical drive, see “Creating a Logical Drive” on page 159.
To delete a logical drive, see “Deleting a Logical Drive” on page 160.
For a Degraded or Offline logical drive, see “Critical & Offline Logical Drives” on
page 253.
Locating a Logical Drive
Virtual or Third Party Enclosures
Support for this feature depends on how your system or enclosure was set up.
Direct-connect systems with individual LED connections and SGPIO enclosures
support individual physical drive LEDs. Other systems or enclosures might or
might not support them. See “Appendix D: LED Backplane Connections” on
page 291.
To locate a logical drive in the enclosure, click the Locate LDx button. The LEDs
for the carriers holding the physical drives used by the logical drive will blink for
one minute.
Promise Enclosures
To locate a logical drive in the VTrak JBOD enclosure, click the Locate LDx
button. The disk status LEDs will blink for one minute to identify the carriers
holding the physical drives used by the logical drive.
Figure 8. VTrak drive carrier LEDs
Viewing Logical Drive Information
To view information for a single logical drive:
1. Click the Subsystem icon in Tree View.
2. Click the Disk Arrays icon.
3. Click the Disk Array icon.
Disk Status
Power/Activity

SuperTrak EX Series User Manual
168
4. Click the Logical Drives icon
5. Click the Logical Drive icon.
To specify an Alias or set the Read and Write Policies, click the Settings tab.
Logical Drive Status
See “Logical Drive Status” on page 166.
Logical Drive Synchronization
Synchronization is an automatic procedure applied to logical drives when they
are created. Yes means the logical drive was synchronized.
Adjustable Items
• Alias – Optional
• Read Policy
• Write Policy
See “Changing Logical Drive Settings” on page 168.
Viewing Logical Drive Statistics
To view information for a single logical drive:
1. Click the Subsystem icon in Tree View.
2. Click the Disk Arrays icon.
3. Click the Disk Array icon.
4. Click the Logical Drives icon
5. Click the Logical Drive icon.
6. From the dropdown menu on the Information tab, choose Statistics.
Changing Logical Drive Settings
To make logical drive settings:
1. Click the Subsystem icon in Tree View.
2. Click the Disk Arrays icon.
3. Click the Disk Array icon.
4. Click the Logical Drives icon
5. Click the Logical Drive icon.
6. Click the Settings tab in Management View.

Chapter 5: Management with WebPAM PRO
169
7. Optional. Enter an alias in the Logical Drive Alias field.
Maximum of 32 characters. Use letters, numbers, one space between
words, and underscore. An alias is optional.
8. From the Read Policy dropdown menu, choose a Read Cache policy.
The choices are Read Cache, Read Ahead, and No Cache. See “Choosing
Cache Policy” on page 237.
9. From the Write Policy dropdown menu, choose a Write Cache policy.
The choices are Write Back and Write Through. If you chose No Read
Cache, Write policy is automatically Write Through. See “Choosing Cache
Policy” on page 237.
10. Click the Submit button.
Initializing a Logical Drive
Initialization sets the data bits in the logical drive to zero. The action removes any
residual data left behind from earlier configurations. Initialization is recommended
for new logical drives. You can also initialize an existing logical drive. See
“Initialization” on page 239 for more information.
To initialize a logical drive:
1. Click the Subsystem icon in Tree View.
2. Click the Logical Drive Summary icon.
3. Click the icon of the logical drive you want to Initialize.
4. From the dropdown menu on the Background Activities tab, choose
Initialization.
• To choose Quick Initialization, check the box.
• If you checked the Quick Initialization box, enter a value in the Quick
Initialization Size field. This value is the size of the initialization blocks in
MB.
• If you did not choose Quick Initialization, enter a hexidecimal value in
the Initialization Pattern in Hex field or use the default 00000000 value.
5. Click the Submit button.
6. In the confirmation box, type the word confirm in the field provided.
7. Click the OK button.
Warning
When you initialize a logical drive, all the data the logical drive will
be lost. Backup any important data before you initialize a logical
drive.

SuperTrak EX Series User Manual
170
To view the progress of the Initialization, click the Background Activity tab.
To set Initialization priority, see “Making Background Activity Settings” on
page 133.
You can also start Initialization from the Subsystem icon, Background
Activities tab.
Running Redundancy Check
Redundancy Check is a routine maintenance procedure for fault-tolerant disk
arrays (those with redundancy) that ensures all the data matches exactly.
Redundancy Check can also correct inconsistencies. You can also schedule a
Redundancy Check. See “Scheduling an Activity” on page 135.
Redundancy Check a Logical Drive:
1. Click the Subsystem icon in Tree View.
2. Click the Logical Drive Summary icon.
3. Click the icon of the logical drive you want to Redundancy Check.
4. From dropdown menu on the Background Activities tab, choose
Redundancy Check.
•To choose Auto Fix, check the box.
This feature attempts to repair the problem when it finds an error.
•To choose Pause On Error, check the box.
This feature stops the process when it finds an error.
If Auto Fix is also checked, the process stops only when it finds a non-
repairable error.
5. Click the Submit button.
To view the progress of the Redundancy Check, click the Background Activity
tab.
To set Redundancy Check priority, see “Making Background Activity Settings” on
page 133.
You can also start Redundancy check from the Subsystem icon Background
Activities tab
Viewing the Logical Drive Check Table
The Logical Drive Check Table displays errors related to a logical drive. Use this
information to evaluate the integrity of the logical drive and to determine whether
corrective action is needed. To View the tables:
1. Click the Subsystem icon in Tree View.

Chapter 5: Management with WebPAM PRO
171
2. Click the Disk Arrays icon.
3. Click the Disk Array icon.
4. Click the Logical Drives icon
5. Click the Logical Drive icon.
6. Click the Check Table tab in Management View.
7. Click the option for the table you want to see.
The default is All tables.
If there are entries, they are listed as follows:
•Entry Number – A number assigned to each block of entry.
•Table Type – Read Check, Write Check or Inconsistent Block (see
below).
•Start Logical Block Address – LBA of the first block for this entry.
•Count – Number of continuous blocks starting from this LBA.
•Read Check Table – Contains a list of read errors for this logical drive.
•Write Check Table – Contains a list of write errors for this logical drive.
•Inconsistent Block Table – Contains a list of inconsistent blocks for
this logical drive.
• Mirror data for RAID Levels 1, 1E, and 10.
• Parity data for RAID Levels 5, 6, 50, and 60.
• Inconsistent blocks are identified by the Redundancy Check.

SuperTrak EX Series User Manual
172
Managing Spare Drives
When a physical drive in a disk array fails and a spare drive of adequate capacity
is available, the disk array will begin to rebuild automatically using the spare
drive. See “Critical & Offline Logical Drives” on page 253.
Spare drive management includes the following functions:
• Viewing a List of Spare Drives (page 172)
• Creating a Spare Drive (page 173)
• Deleting Spare Drive (page 174)
• Making Spare Drive Settings (page 174)
• Running Spare Check (page 175)
Viewing a List of Spare Drives
To view a list of spare drives:
1. Click the Subsystem icon in Tree View.
2. Click the Spare Drives icon.
The information includes:
•ID – The unique ID number assigned to the spare drive.
•Operational Status – OK is normal. Can also show Rebuilding, Transition
Running, PDM Running, or Offline.
•Physical Drive ID – The ID number of the physical drive assigned as a
spare
•Capacity – The data storage capacity of this spare drive.
•Revertible – Yes or No. A revertible spare drive automatically returns to its
spare drive assignment after the failed physical drive in the disk array is
replaced. See “Transition” on page 249 for more information.
•Type – Global, can be used by any disk array. Dedicated, can only be used
by the assigned disk arrays.
•Dedicated to Disk Arrays – For dedicated spares, the disk arrays to which
they are assigned. Global spares show N/A.

Chapter 5: Management with WebPAM PRO
173
Creating a Spare Drive
To create a spare drive:
1. Click the Subsystem icon in Tree View.
2. Click the Spare Drives icon.
3. Click the Create tab in Management View.
4. Choose a spare type, Global or Dedicated.
5. To make a revertible spare drive, check the Revertible box.
6. To enable Media Patrol on this spare drive, check the Enable Media Patrol
box.
7. In the Physical drives field, highlight the physical drive you want to assign as
a spare drive in the Available list and press the >> button to move the drive
to the Selected list.
You can also double-click drives to move them.
8. If you chose a Dedicated spare drive, in the Dedicated to Disk Arrays field,
highlight disk array to which you want assign the spare drive from the
Available list and press the >> button to move the array to the Selected list.
You can also double-click arrays to move them.
9. Click the Update button.
Your choices are displayed under New Hot Spare Drives.
10. If you agree with the proposed choices, click the Submit button.
Important
• There must be an unconfigured physical drive available to
assign as a spare drive. See “Viewing a List of Physical
Drives” on page 146.
• Be sure the spare drive you choose has capacity equal to or
greater than the smallest physical drive assigned to the disk
array.

SuperTrak EX Series User Manual
174
Deleting Spare Drive
To delete a spare drive:
1. Click the Subsystem icon in Tree View.
2. Click the Spare Drives icon.
3. Click the Delete tab in Management View.
4. Check the box to the left of the spare drive you want to delete.
5. Click the Submit button.
In the confirmation box, type the word confirm in the field provided.
6. Click the OK button.
Making Spare Drive Settings
The Spare Drive–Settings tab enables you to change the settings of an existing
spare drive. To change spare drive settings:
1. Click the Subsystem icon in Tree View.
2. Click the Spare Drives icon.
3. Click the Spare Drive icon.
4. Click the Settings tab in Management View.
5. Choose a spare type, Global or Dedicated.
6. To make a revertible spare drive, check the Revertible box.
7. To enable Media Patrol on this spare drive, check the Enable Media Patrol
box.
8. If you chose a Dedicated spare drive, in the Dedicated to Disk Arrays field,
highlight the disk array to which you want assign the spare drive from the
Available list and press the >> button to move them to the Selected list.
You can also double-click array to move it.
9. Click the Submit button.
Note
If an existing spare drive has the wrong parameters for your
needs, click the Settings tab to change the parameters rather than
delete the spare drive and create a new one.

Chapter 5: Management with WebPAM PRO
175
Running Spare Check
Spare Check verifies the operational status of your spare drives. You can also
schedule a Spare Check. See “Scheduling an Activity” on page 135.
To check a spare drive:
1. Click the Subsystem icon in Tree View.
2. Click the Spare Drives icon.
3. Click the Spare Check tab in Management View.
4. From the Physical Drive dropdown menu, choose the spare drive you want
to check.
Or choose All to check all the spare drives at the same time.
5. Click the Submit button.
The results of the Spare Check appear under Spare Check Status in the
Information tab. “Healthy” means normal condition.

SuperTrak EX Series User Manual
176
Working with the Logical Drive Summary
The Logical Drive Summary displays a list of all logical drives under the
SuperTrak controller including logical drives in expanded or cascaded
enclosures. This list does not arrange the logical drives under the disk array to
which they belong nor under the enclosure in which they are located.
Logical Drive Summary includes the following functions:
• Viewing a List of All Logical Drives (page 176)
• Locating a Logical Drive (page 176)
• Viewing Individual Logical Drive Information (page 177)
Viewing a List of All Logical Drives
To view a list of all logical drives in all enclosures:
1. Click the Subsystem icon in Tree View.
2. Click the Logical Drive Summary icon.
Locating a Logical Drive
Virtual or Third Party Enclosures
Support for this feature depends on how your system or enclosure was set up.
Direct-connect systems with individual LED connections and SGPIO enclosures
support individual physical drive LEDs. Other systems or enclosures might or
might not support them. See “Appendix D: LED Backplane Connections” on
page 291.
To locate a logical drive in the enclosure, click the Locate LDx button. The LEDs
for the carriers holding the physical drives used by the logical drive will blink for
one minute.
Promise Enclosures
To locate a logical drive in the VTrak JBOD enclosure, click the Locate LDx
button. The disk status LEDs will blink for one minute to identify the carriers
holding the physical drives used by the logical drive.
Figure 9. VTrak drive carrier LEDs
Disk Status
Power/Activity

Chapter 5: Management with WebPAM PRO
177
Viewing Individual Logical Drive Information
1. Click the Subsystem icon in Tree View.
2. Click the Logical Drive Summary icon.
3. Click the Logical Drive icon.
The information and location for the logical drive appear in Management
View. See Viewing Logical Drive Information (page 167).

SuperTrak EX Series User Manual
178

179
Chapter 6: Management with the CLI
• Opening the CLI on Windows (below)
• Opening the CLI on Linux, FreeBSD, and VMware (page 180)
• Table of Supported Commands (page 181)
• Notes and Conventions (page 183)
• List of Supported Commands (page 184)
SuperTrak EX Controller’s Command Line Interface (CLI) provides rapid setup of
disk arrays and logical drives. You can also manage your SuperTrak system
using the CLI. However, ongoing management is much easier with the
SuperBuild utility or WebPAM PRO.
Opening the CLI on Windows
To open the CLI, click the CLI icon on the desktop (right), or:
1. Go to Start > Run and click the Browse button.
2. Navigate to the C:\Program Files\WebPAMPRO\Agent\bin folder.
3. Click cliib.exe file then click the Open button.
4. Click the OK button in the Run dialog box.
The CLI window opens.

SuperTrak EX Series User Manual
180
Opening the CLI on Linux, FreeBSD, and VMware
To open the CLI:
1. Open a terminal window.
2. Go to the /opt/Promise/WebPAMPRO/Agent/bin directory.
3. Type ./cliib and press Enter.
The CLI runs in the terminal window.

Chapter 6: Management with the CLI
181
Table of Supported Commands
Command Action
about View utility information.
array View or edit array information.
Create, edit, or delete a new or existing array.
Create, edit, or delete logical drives in an existing array.
To physically locate an array in an enclosure.
Accept an incomplete array condition.
battery Subsystems only. View battery information or to
recondition a battery.
bbm View or clear the BBM defect list of the specified
configured physical drive.
bga View status of all current background activities.
Enable or disable relevant background activities.
Modify the background task rate for each of the
background tasks.
buzz View buzzer status, enable/disable and turn on/off buzzer.
checktable View logical drive error tables.
config For express or automatic configuration.
For advanced configuration please see the 'array'
command.
ctrl View or edit controller information and settings.
date View or edit system time.
enclosure View or edit enclosure and SEP information and settings.
Locate an enclosure via LEDs.
event View or clear events logs.
export Subsystems only. Export files to remote tftp host.
factorydefaults Restore settings to factory defaults.
init View logical drive initialization status and progress.
Start, stop, pause, or resume an initialization or a quick
initialization.

SuperTrak EX Series User Manual
182
logdrv View or edit logical drive information and settings.
Locate a logical drive via LEDs.
migrate Start and monitor disk array migration process.
mp View media patrol status and progress.
Start, stop, pause, or resume media patrol.
pdm View PDM status and progress.
Start, stop, pause, or resume PDM process.
phydrv View or edit physical drive information and settings.
Locate a physical drive via LEDs.
ptiflash Update system software and firmware through local host.
rc View redundancy check status and progress.
Start, stop, pause or resume redundancy check.
rb View rebuild status and progress.
Start, stop, pause, or resume a rebuild process.
sc View spare check status. Start spare check.
spare Create or modify hot spare drives.
spath Discover and change subsystem path.
stats View or reset statistics.
subsys View or edit subsystem information and settings.
sync View logical drive synchronization status and progress.
topology View SAS topology, the physical connections and device
information. For products that support multiple enclosures
only.
transit View transition status and progress.
Start, stop, pause, or resume a transition process.
help When used alone will display this menu.
When used in conjunction with a command (example:
help array) it will display help information for that particular
command.
Command Action

Chapter 6: Management with the CLI
183
Notes and Conventions
Commands and options are NOT case sensitive.
Not all extended keys are supported. However, you can use the backspace and
the left and right arrow keys for command line editing. In addition, the up and
down arrow keys allow scrolling through the command history buffer.
If you need context-sensitive help, type one of the following commands:
• <command> -h
• <command> -?
• help <command>
That action will display full context-sensitive help for the specific command.
Each command when used alone, such as “array” will display a summary of
relevant information. If more information is desired, the -v verbose mode can be
used. This will provide information for all relevant aspects of that command.
Usage terminology is as follows:
• [square braces] depict an optional switch
• <arrow braces> depict user input
• Type " | more" at the end of each command, to display info page by page
? This can be used in place of the help command or
optionally can be used as a switch for a command
(example: array -?) to provide command usage.
Note: Commands are NOT case sensitive.
Command Action

SuperTrak EX Series User Manual
184
List of Supported Commands
about
Usage
about
Summary
Displays utility information.
array
Usage
array [-a <action>] [-d <DaId>] [-c <array count>] [-v] array -a add [-s "<list of
array params>"] [-d <DaId>] -p <PdId list> [-c <Ld count>] [-l "<list of Ld
params>"] array -a mod -d <DaId> [-s "<list of array settings>"]
array -a del -d <DaId list>
array -a locate -d <DaId>
array -a accept -d <DaId> [-t <condition type>]
array -a addld -d <DaId> [-c <Ld count>] -l "<list of ld settings>"
array -a delld -l <LdId list>
array -a transport -d <DaId>
• about (page 184)
• array (page 184)
• battery (page 188)
• bbm (page 189)
• bga (page 189)
• buzz (page 191)
• checktable (page 192)
• config (page 192)
• ctrl (page 194)
• date (page 197)
• enclosure (page 197)
• event (page 198)
• export (page 199)
• factorydefaults (page 200)
• init (page 201)
• logdrv (page 202)
• migrate (page 203)
• mp (page 204)
• pdm (page 205)
• phydrv (page 206)
• ptiflash (page 209)
• rc (page 210)
• rb (page 211)
• sc (page 212)
• spare (page 212)
• spath (page 213)
• stats (page 214)
• subsys (page 215)
• sync (page 216)
• topology (page 217)
• transit (page 217)

Chapter 6: Management with the CLI
185
Summary
The array command is the main command for performing advanced configuration
and maintenance tasks on disk arrays.
This command lists, creates, modifies, deletes, and locates disk arrays. It also
adds and deletes logical drives.
Options
-a <action> Specifies the action to perform.
list (Default) Displays a summary of all arrays, a specified
number of arrays, or a specific array.
add Adds/creates an array. This action might also create
logical drives at the same time.
addld Adds/creates a logical drive to an existing array.
delld Deletes a logical drive from an array.
mod Modifies array settings.
del Deletes an array and all its associated logical drives.
locate Locates an array.
accept Accepts the condition of an incomplete array. Currently,
there are two conditions that can cause an array to be
incomplete:
• "Missing Drive: one or more drives missing in the
array
• "Missing NVRAM Watermark
The migration watermark is not found on the
controller but the DDF on the array indicates that
migration is in progress.
When the either of the above conditions occurs, all the
logical drives on the array go offline.
You can accept the array in incomplete condition and try
to bring the logical drives online. However, that is a high-
risk and non-revertible operation, and it may result in data
loss. Therefore, it is recommended to clear the condition
first, for example: putting the missing drives back or
roaming the array back to the original controller and wait
until the migration completes.
transport Takes the array and the logical drives on the array offline
to get ready for transport the array to another subsystem.
-d <DA ID> The disk array ID. Valid values are 0-255. Specifies the
desired array ID when creating (add) an array. Specifies
the array ID when listing array information, modifying,

SuperTrak EX Series User Manual
186
deleting, locating, accepting, adding or deleting a logical
drive. Only one array may be specified.
-p <PD ID list> Specifies physical drives to be used in an array, with -a
add option. PD IDs are specified individually or separated
by comma. Sequential group of physical drives are
specified by placing a ~ between numbers such as 1~6.
This will include physical drives 1, 2, 3, 4, 5, and 6.
-s "<option>=<value> Specifies array settings when creating (add) or modifying
(mod) an array. Options are comma separated.
alias= A user-specified array name. Up to 32 characters, alpha-
numeric characters, blank spaces and underscores.
Beginning and ending blank spaces are discarded.
mediapatrol= Enables or disables Media Patrol for this array.
enable The default is enable.
disable
pdm= Enables or disables PDM for this array.
enable The default is enable.
disable
-l "<option>=<value>" Specifies logical drive settings when adding a logical
drive to an existing array (addld) or during array creation
(add). Options are comma separated.
<LD ID list> Specifies a list of Logical Drive IDs. Requires the -a delld
option.
ID= Assigns a specific ID to an array. Overrides automatic ID
assignment. Valid values are 0-255.
Alias= A user-specified name for the logical drive.
Raid= Specifies logical drive RAID level.
0 Striping.
1 Mirroring on two drives.
5 Parity, requiring 3 or more drives.
10 Mirroring on even number of drives.
1e Extended mirroring, requiring 2 or more drives.
50 Striping on multiple RAID 5, requiring 6 or more drives.
6 Allow two drive failure, requiring 4 or more drives.
60 Striping on multiple RAID 6, requiring 8 or more drives.
Capacity= Specifies logical drive capacity. Can be specified in
megabytes (mb), gigabytes (gb) or terabytes (tb), up to 2

Chapter 6: Management with the CLI
187
decimal places. If not specified, all available capacity is
used for this logical drive.
Stripe= Specifies logical drive stripe size. Options include 64KB,
128 KB, 256 KB, 512 KB, and 1024 KB. If not specified,
the default 64KB is used.
Sector= Specifies logical drive sector size. Options include 512 B,
1 KB, 2 KB, and 4 KB. Sector size cannot exceed Stripe
size. Auto-adjusted not to exceed the maximum
supported sector size of the controller. See controller
information on page 194. If not specified, the default
512 B is used.
WritePolicy= Specifies logical drive write policy.
writethru Writes are not cached
writeback Writes are cached
ReadPolicy= Specifies logical drive read policy.
readahead Reads extra data to help reduce read times of sequential
data.
readcache Caches reads the data in case the same request is made
again.
nocache No caching algorithm.
Axle= A member element when creating a RAID10 or RAID50
or RAID60. RAID10 have 2 axles, RAID50 and RAID60
may have up to 16 axles with up to 16 drives per axle.
PreferredCtrlId= Subsystems only. Specifies which controller the LD is
preferred for LUN affinity. Valid value is 1 or 2. If value is
not specified, LUN affinity is auto balanced.
-c <array count> Specifies the number of arrays to give a summary of
when used with the -a list option. For example 'array -a
list -c3' will give a summary for the first 3 arrays on that
controller.
<Ld count> Specifies the number of logical drives to be created with
the -a add option. With the -c option, all the logical drives
have same settings but only one -l option=value can be
specified.
-t <condition type> Specifies the type of incomplete condition to accept. If not
specified, it will accept the current incomplete condition
by default.
missingdrive The condition of missing drive in the array.
missingwatermark The condition of missing NVRAM watermark of the array.
-v Verbose mode. Displays all array properties, requires -a list option.

SuperTrak EX Series User Manual
188
Examples
array -v -c 1
array -a add -s "alias=MyArray,mediapatrol=enable" -p 1,3,5~9
-l "raid=5,capacity=50gb,stripe=256kb,sector=1kb"
array -a add -p 1,3,5~9 -l "raid=5,capacity=50gb,stripe=256kb"
-l "raid=0,capacity=100gb"
array -a mod -d 1 -s "alias=YourArray,mediapatrol=disable"
array -a del -d 3
array -a locate -d 0
array -a accept -d 2
array -a addld -d 0 -l "raid=1e,capacity=125gb,stripe=64kb"
array -a delld -l 1
battery
Usage
battery [-a <action>] [-b <batId>]
battery -a recondition -b <batId>
Summary
The battery command displays the status of a battery by the percentage of
charge left.
On subsystems, this command also reconditions the battery. Reconditioning fully
discharges then fully recharge the battery. The battery is reconditioned
automatically once per month.
Options
-a <action> Specifies the action to perform.
list (Default) List information for all batteries or a specific
battery.
recondition Subsystems only. Recondition a specific battery.
-b <battery ID> Specifies which battery in a given enclosure.
1..2
Examples
battery
battery -a recondition -b 1

Chapter 6: Management with the CLI
189
bbm
Usage
bbm [-a <action>] [-p <PdId>]
bbm -a clear -p <PdId>
Summary
The bbm command displays and clears the Bad Block Map (BBM) for all
configured SATA drives.
Options
-a <action> Specifies the action to perform.
list (Default) List the BBM information.
clear Clears the BBM list. For configured SATA drives only.
-p <PdId> Specifies the physical drive id. For the -a list option, the
default is all physical drives. For the -a clear option, you
must specify a physical drive id.
Examples
bbm -p 1
bbm -a clear -p 3
bga
Usage
bga [-a <action>]
bga -a mod -s "<list of settings>"
Summary
The bga command displays all current background activities and makes settings
each background activity.
Options
-a <action> Specifies the action to perform.
list (Default) Lists current background activities.
mod Makes changes to one of the settings.
-s "<option>=<value>" Specifies which background activity settings to change.
autorebuild= Enable or disables auto-rebuild and auto-transition.
Auto-rebuild will rebuild an array when an unconfigured
drive is inserted into the slot of a dead drive.

SuperTrak EX Series User Manual
190
Auto-transition will start transitioning on a used revertible
spare in the following condition:
1. When the rebuild has completed using the revertible
spare, and
2. When an unconfigured drive is inserted into the slot of
the dead drive which the was part of the array. or
When a non-revertible spare has been inserted or
created, and is applicable to the array.
This option affects all arrays on the subsystem.
enable
disable
mediapatrol= Verifies the media of the array and/or spares to find bad
blocks on physical disks before you use that block. This
feature is enabled and disabled on an array basis.
enable
disable
ReassignedBlock=Threshold value to trigger PDM, when re-assign map
exceeds the threshold value
1..512
ErrorBlock= Threshold value to trigger PDM, when number of medium
error on the PD exceeds the threshold value.
1..2048
<bg task>=<rate> Background task rates determine what percentage of the
IO load on the controller should be dedicated to the
background task. A lower number will mean the task
takes longer to complete, a higher number will cause the
task to complete faster, all other things being equal.
rebuildrate= Rebuild rate determines the rate at which rebuild will run.
(low=25, medium=50, high=75)
low
medium
high
pdmrate= PDM rate determines the rate at which PDM will run.
(low=25, medium=50, high=75)
low
medium
high

Chapter 6: Management with the CLI
191
transitionrate= Transition rate determines the rate at which transition will
run. (low=25, medium=50, high=75)
low
medium
high
syncrate= Synchronization rate determines the rate at which
synchronization will run. (low=25, medium=50, high=75)
low
medium
high
initrate= Initialization rate determines the rate at which
initialization will run. (low=25, medium=50, high=75)
low
medium
high
rcrate= Redundancy check rate determines the rate at which
redundancy check will run. (low=25, medium=50,
high=75)
low
medium
high
migrationrate= Migration rate determines the rate at which migration will
run. (low=25, medium=50, high=75)
low
medium
high
Examples
bga
bga -a mod -s "autorebuild=enable,rebuildrate=high,syncrate=low"
buzz
Usage
buzz [-a <action>]
buzz -a list
buzz -a enable
buzz -a disable

SuperTrak EX Series User Manual
192
buzz -a on
buzz -a off
Summary
The buzz command displays the status of the buzzer, and enables, disables,
turns on or turns off the buzzer.
Options
-a <action> Specifies the action to perform.
list (Default) List the status of the buzzer.
enable Enable the buzzer.
disable Disable the buzzer.
on Turn on the buzzer.
off Turn off the buzzer.
checktable
Usage
checktable [-t <tableType>] -l <LdId>
Summary
The checktable command displays the error check tables of a logical drive.
Options
-t <tableType> Specifies which error table to display. The default
displays all tables.
rct Displays the read check table.
wct Displays the write check table.
ibt Displays the inconsistent block table.
-l <LdId> Specifies the logical drive ID.
Examples
checktable -l 10 -t rct
checktable -l 10
config
Usage
config -a auto
config -a expr [-r y|n] [-c y|n] [-p y|n] [-m y|n] [-s y|n] [-t <AppType>] [-l <NumLd>]

Chapter 6: Management with the CLI
193
Summary
The config command has two options: Automatic and Express.
Automatic configuration takes all available unconfigured physical drives to create
an optimized disk array following a default set of parameters. There are no
options.
Express configuration takes your input, creates one or two arrays, and spreads
their capacity evenly over all of the logical drives that you specify.
The redundancy option creates redundant logical drives (RAID 1, 10, 1E, 5, 50,
6, or 60).
The capacity option enables optimizes the logical drives for capacity.
The performance option optimizes the logical drives for performance.
If you choose all three options, redundancy gets highest priority and capacity
gets lowest priority.
Options
-a <action> Specifies the action to perform.
auto Automatic configuration with no options.
Creates an optimized disk array. One or more logical
drives are created automatically.
expr Express configuration. RAID level is dependant on the
options chosen.
-r <y|n> Selects the redundancy option.
-p <y|n> Selects the performance option.
-c <y|n> Selects the capacity option.
-m <y|n> Allows mixing SATA and SAS physical drives in the same
array.
-s <y|n> Includes a spare drive in the array.
Note: Requires 5 or more unconfigured physical drives.
-t <AppType> Specifies the intended application for this array.
video Sequential large block reads.
data Random read/write mix, small to medium sized IO.
log Sequential small block write.
other Random read/write mix, small to medium sized IO.
fileserver Random read/write mix, small to medium sized IO.
-l <num of LDs> Specifies how many logical drives to include in the
configuration. Array capacity is divided evenly among the
logical drives.

SuperTrak EX Series User Manual
194
Examples
config -a auto
config -a expr -ry -p y -c n -sy -t data -l2
ctrl
Usage
ctrl [-a <action>] [-i <ctrlId>] [-c <ctrl count>] [-v]
ctrl -a mod [-i <ctrlId>] -s "<list of settings>"
ctrl -a clear [-i <ctrlId>] [-t <condition type>]
Summary
The ctrl command displays controller information and changes controller settings.
Options
-a <action> Specifies the action to perform.
list (Default) Lists controller information.
mod Changes controller settings.
clear Clears controller conditions.
-i <ctrl ID> Specifies the controller ID. For subsystems with dual
controllers, controller ID is required when setting alias of
controller.
-c <ctrl count> Controller count. Required for information on multiple
controllers.
-s "<option>=<value>" Specifies which settings to change.
alias= A user-specified name for the controller.
Up to 48 characters long, alpha- numeric characters,
blank spaces and underscores. The beginning and
ending blank spaces are discarded.
Following setting is shared if there are dual controllers:
coercion= Enables or disables disk coercion. Disk coercion will
truncate the size of the physical drives. Makes different
size drives appear to be the same size. For example, a
90.1 GB drive would appear as the same size as an 89.8
GB drive. Important when using drives of different
manufacturers for rebuilds or as hot spares.
enable
disable
coercionmethod= The method of coercion.

Chapter 6: Management with the CLI
195
GBTruncate Truncates the drive to the nearest 1-billion byte
boundary.
10GBTruncate Truncates the drive to the nearest 10-billion byte
boundary.
GrpRounding Truncates the drive using an intelligent algorithm. Allows
the maximum amount of usable space.
TableRounding Truncates the drive using a pre-defined coercion table.
smart= Enables or disables polling drive SMART status.
enable
disable
smartpollinginterval= Sets the time interval in number of minutes to poll the
drive SMART status.
1..1440
cacheflushinterval= Sets the time interval in seconds to flush the controller
writeback cache.
1..12
migrationstorage= Sets location to store the migration watermark.
ddf Uses the DDF area on the physical drives of the disk
array.
nvram Uses the NVRAM on the controller.
lunaffinity= Subsystems only. Enables or disables LUN affinity,
allowing LD access only to certain controller. For
subsystems with dual controllers.
enable
disable
pollinterval= Sets interval in seconds to poll enclosure SEP
information.
15..255
lunmapping= Subsystems only. Chooses WWN based or Slot based
LUN mapping method.
wwn
slot
adaptivewbcache= Enables or disables adaptive writeback cache.
enable Writeback logical drives will change the write policy
based on the availability of protection. If BBU or UPS is
available, the write policy is retained as Writeback,
otherwise the policy is switched to Writethru.

SuperTrak EX Series User Manual
196
disable The write policy of the writeback logical drives are not
changed irrespective of the availability of BBU or UPS.
hostcacheflushing= Subsystems only. To enable or disable host cache
flushing. When enabled, SYNCHRONIZE CACHE SCSI
command from host is supported.
For high availability products only.
enable
disable
forcedreadahead=Enables or disables forced read ahead caching.
enable
disable
commonwwnn= Enables or disables common WWNN. For subsystems
with dual controllers.
enable All controllers report one common WWNN.
disable Each controller reports its own WWNN.
alua= Subsystems only. Enables or disables asymmetric logical
unit access. Enabling ALUA will enable LUN affinity
automatically.
enable
disable
-t <condition type> Specifies the type of condition to clear.
Valid only when the command action is "clear".
watermark Watermark, the only supported condition for now.
Used with the -a clear option to clear an orphan migration
watermark in the controller NVRAM. This action only
works when migration storage is set to NVRAM prior to
starting migration.
-l Displays the id of the controller on whose serial port the
CLI is running.
-v Verbose mode. Used with the -a list option.
Examples
ctrl
ctrl -v
ctrl -l
ctrl -a mod -i 1 -s "alias=ctrl1, coercion=enable"

Chapter 6: Management with the CLI
197
date
Usage
date
date -a mod [-d <date>] [-t <time>]
Summary
The date command displays the system time and date, and changes these
settings.
Options
-a <action> Specifies the action to perform.
list (Default) Displays the current system time.
mod Modifies the current system time.
Not supported for HBA products.
-d <date> Specifies the date in the following format:
yyyy/mm/dd where month's range is 1-12 and day's
range is 1-31.
-t <time> Specifies the time in the following format:
hh:mm:ss where hour range is 0-23, minute and second
range is 0-59.
Examples
date
date -a mod -d 2004/02/25 -t 14:50:05
enclosure
Usage
enclosure [-a <action>] -v
enclosure -a mod -s <list of settings>
enclosure -a locate [-t <FRU type> -f <FRU id>]
Summary
The enclosure command provides status and information about the various
components of the enclosure unit. It is also sets temperature threshold values
and displays Vendor Provided Data (VPD).
Options
-a <action> Specifies the action to perform.
list (Default) Displays information and status of the
enclosure.

SuperTrak EX Series User Manual
198
mod Modifies settings. Requires the -s option.
locate Locates an enclosure by flashing its LEDs.
-e <encl id> Enclosure ID. The default value is 1 if unspecified.
For list action, the default is for all enclosures if
unspecified.
-s "<option>=<value>" Specifies the settings to change.
tempwarning= Enclosure warning theshold temperature, in degrees
Celsius.
10..51
tempcritical= Enclosure critical theshold temperature, in degrees
Celsius.
52..61
ctrltempwarning= Controller warning theshold temperature, in degrees
Celsius.
10..61
ctrltempcritical= Controller critical threshold temperature, in degrees
Celsius.
62..71
-t <FRU type> Specifies which type of FRU to locate. Requires -a locate
option.
ctrl Locates the controller.
cooling Locates the cooling unit. Only works with SAS type
enclosure.
psu Locates the power supply unit. Only works with SAS type
enclosure.
-f <FRU id> Specifies id of FRU to locate. Requires -a locate option.
Valid values are 1 and 2.
-v Verbose mode. Requires -a list option. VPD information
is displayed.
Examples
enclosure
enclosure -v
enclosure -a mod -s "tempwarning=40,tempcritical=55"
event
Usage
event [-a <action>] [-l <location>] [-i <SeqNo>] [-c <event count>] [-v]

Chapter 6: Management with the CLI
199
event -a clear [-l <location>]
Summary
The event command displays and clears the RAM and NVRAM event logs.
Options
-a <action> Specified the action to perform.
list Displays the events for the specified location.
RAM events are displayed if no location is specified.
clear Clear events for a specified location.
-l <location> Specifies the location from which to display or clear
events.
ram All events are stored in RAM.
These events are lost after rebooting.
nvram Some events are also stored in NVRAM.
These events remain after rebooting and are a subset of
the RAM events.
-i <sequence ID> Specifies a specific event by its sequence number. This
is a starting point. Requires the -a list option. You can
use the -c option.
-c <event count> Specifies the number of events to retrieve when
displaying events.
-v Verbose mode. Requires the -a list option.
Examples
event
event -v
event -l nvram
event -a clear -lnvram
event -c 200
event -a list -i852 -c200
export
Usage
export -t <fileType> [-s <tftpServer>] [-p <port>] -f <fileName>
Summary
The export command exports certain types of configuration files to a remote or
local host.
This command only affects subsystems.

SuperTrak EX Series User Manual
200
Options
-t <file type> Specifies the type of file to export.
userdb User database file. This file type is not applicable for in-
band and can only be exported to a remote host.
servicereport System service report file. This file is exported to remote
host for embedded and local host for in-band.
-f <file name> Specifies the name of the file to be exported.
-s <TFTP server> Specifies TFTP server’s IP or host name.
Do not specify TFTP server for in-band.
-p <port num> The port number of the TFTP server. Default is 69.
Do not specify port number for in-band.
Examples
export -t userdb -s 192.168.1.1 -f userdb.bin
export -t servicereport -s 192.168.1.1 -f servicereport # for embedded
export -t servicereport -f servicereport # for in-band
factorydefaults
Usage
factorydefaults -a <action> -t <type>
Summary
The factorydefaults command restores factory default settings.
Options
-a <action> Specifies the action to perform.
restore Restore the factory default settings.
-t <type> Specifies the type of settings to restore.
all All settings.
allfw All firmware settings.
allsw Subsystems only. All software settings.
Following are individual Firmware settings:
bga Background activity settings.
ctrl Controller settings.
encl Enclosure settings, including temperature thresholds,
buzzer etc.
fc Subsystems only. FC port settings.

Chapter 6: Management with the CLI
201
iscsi Subsystems only. iscsi settings, including node, port,
SLP, and iSNS.
netiscsi Subsystems only. Network settings of iSCSI ports.
netmgmt Subsystems only. Network settings of management
ports.
phydrv Physical drive settings.
sas Subsystems only. SAS host interface port setting.
scsi Subsystems only. Parallel SCSI channel settings.
subsys Subsystem settings.
Following are individual Software settings, which only apply to Subsystems:
bgascheduler Background activity scheduler settings.
service Service startup type settings.
webserver Web server settings.
snmp SNMP settings.
telnet Telnet settings.
email Email settings.
netsend Netsend settings.
cim CIM settings.
user User settings.
Examples
factorydefaults -a restore -t phydrv
factorydefaults -a restore -t all
init
Usage
init [-a <action>] [-l <LdId>]
init -a start -l <LdId> [-q <size>] [-p <pattern>]
init -a stop -l <LdId>
init -a pause -l <LdId>
init -a resume -l <LdId>
Summary
The init command starts, stops, pauses, and resumes a logical drive initialization.
A full initialization writes to the entire logical drive space and takes several
minutes, depending on the size of the logical drive.

SuperTrak EX Series User Manual
202
A quick initialization writes to the first and last few megabytes of the logical drive.
Typically, a quick initialization is completed in moments.
Options
-a <action> Specifies the action to perform.
list Displays a list of the initializations in progress or paused
and their status. The default action.
start Start an initialization.
stop Stop an initialization.
pause Pause an initialization.
resume Resume an initialization.
-l <LD ID> Specifies the logical drive to be initialized.
-q <size> Specifies the amount of data in megabytes (MB) for a
quick initialization.
1..1024
-p <pattern> Specifies the pattern for a full initialization.
The pattern can range from 1 to 128 bytes (HEX string),
and is padded to even number of bytes, such as, fff
padded to 0fff.
Pattern is not supported for quick initialization.
Examples
init
init -a stop -l0
init -a start -l0 -p5a5a0101
logdrv
Usage
logdrv [-a <action>] [-l <LdId>] [-c <Ld count>] [-v]
logdrv -a locate -l <LdID>
logdrv -a mod -l <LdId> -s "<list of ld settings>"
Summary
The logdrv command displays information about the logical drives and changes
logical drive settings.
To create a logical drive, see the array command on page 184.
Options
-a <action> Specifies the action to perform.

Chapter 6: Management with the CLI
203
list (Default) Displays a summary of one or more logical
drives.
mod Changes logical drive settings.
locate Locates a logical drive within the enclosure by flashing
drive carrier LEDs.
-l [<LD ID>] Logical drive ID.
-c [<LD count>] Logical drive count. Requires the -a list option.
-s ["<option>=<value>"]Specifies the logical drive settings to change.
alias= A user-specified name for the logical drive.
Up to 32 characters, containing alpha-numeric
characters, blank spaces and underscores. Beginning
and ending blank spaces are discarded.
WritePolicy= Specifies logical drive write policy.
writethru Writes are not cached.
writeback Writes are cached. Note: Cannot be set if ReadPolicy is
set to “nocache.”
ReadPolicy= Specifies logical drive read policy.
readahead Reads extra data to help reduce read times of sequential
data.
readcache Caches reads in the case the same request is made
again.
nocache No caching algorithm.
PreferredCtrlId= Specifies which controller the LD is prefers for LUN
affinity. Valid value is 1 or 2.
-v Verbose mode. Used with -a list.
Examples
logdrv
logdrv -v
logdrv -a mod -l0 -s "readpolicy=readahead"
logdrv -a locate -l2
migrate
Usage
migrate [-a <action>] [-d <DaId>]
migrate -a start -d <DaId> -p <PdIds> -l <LdSettings>

SuperTrak EX Series User Manual
204
Summary
The migrate command expands the capacity of a logical drives (online capacity
expansion) and changes logical drive RAID levels (RAID level migration).
Options
-a <action> Specifies the action to perform.
list (Default) Displays the migration status of specified disk
array. If no array ID specified, all migration statuses are
displayed.
start Starts the migration.
-d <DA ID> Specifies the ID of the array to be migrated.
-p <PD ID list> Specifies the physical drives to be added to the array.
-l "<option>=<value>" Specifies logical drive migration settings.
id= (Required) Specifies the logical drive ID.
capacity= Specifies the new logical drive capacity.
Specify a value only when expanding logical drive
capacity.
raid= Specifies the new RAID level.
Note: When expanding a RAID 10 logical drive, specify
RAID 10 as the target RAID level, otherwise the resulting
logical drive is a RAID 1E.
axle= Specifies the axle number.
Applies to RAID 50 and 60 when the RAID Level is
changed.
stripe= Specifies the new stripe size.
Not currently supported.
Examples
migrate -d 1
migrate -a start -d 1 -p 10 -l "id=0,capacity=10gb"
mp
Usage
mp -a <action>
Summary
The mp command activates Media Patrol. Media Patrol searches the physical
drives for media errors. When an error is found, Media Patrol attempts to repair
the error. If it fails to correct the error, Media Patrol attempts to remap the sector.
Note: Sector remapping is not currently supported.

Chapter 6: Management with the CLI
205
You can start, stop, pause, or resume Media Patrol and monitor its progress and
status.
Options
-a <action> Specifies the action to perform.
list (Default) Displays the status and progress of Media
Patrol.
start Starts Media Patrol.
stop Stops Media Patrol.
pause Pauses Media Patrol.
resume Resumes a paused Media Patrol.
Examples
mp
mp -a stop
mp -a resume
pdm
Usage
pdm [-a <action>] [-d <DaId>] [-s <SeqNo>]
pdm -a start -d <DaId> -s <SeqNo> -p <PdId>
pdm -a stop -d <DaId> -s <SeqNo>
pdm -a pause -d <DaId> -s <SeqNo>
pdm -a resume -d <DaId> -s <SeqNo>
Summary
The pdm command activates Predictive Data Migration (PDM). PDM replaces a
suspect physical drive, such as a drive with a PFA condition, with a different
drive. The replacement drive can be an unconfigured drive, a global spare, or a
dedicated spare to this disk array.
During PDM, the data on the suspect drive is transferred to the replacement drive
while the logical drive remains online.
After PDM, the replacement drive becomes part of the disk array. The suspect
drive become unconfigured and any PFA condition remains on it.
This command starts, stops, pauses, and resumes a PDM and monitors the
progress of a running PDM.
A PFA drive cannot be used until you clear the PFA condition. To clear the PFA
conditon of a physical drive, please refer to phydrv command on page 206.

SuperTrak EX Series User Manual
206
Options
-a <action> Specifies the action to perform.
list (Default) Displays the active and paused PDMs and their
status.
start Starts a manual PDM.
stop Stops a PDM.
pause Pauses a PDM.
resume Resumes a paused PDM.
-d <DA ID> Specifies which disk array on which to perform the PDM.
-s <sequence Num> Specifies the sequence number of the suspect drive.
-p <PD ID> Specifies physical drive ID of the replacement drive.
Examples
pdm
pdm -a start -d0 -s2 -p10
pdm -a stop -d0 -s2
phydrv
Usage
phydrv [-a <action>] [-p <PdId>] [-c <Pd count>] [-v]
phydrv -a mod -p <PdId> -s "<list of settings>"
phydrv -a locate -p <PdId>
phydrv -a online -p <PdId>
phydrv -a offline -p <PdId>
phydrv -a clear -t <condition type> -p <PdId>
Summary
The phydrv command displays physical drive information, changes physical drive
settings, locates individual drives, and forces a drive to an online or offline state.
Options
-a <action> Specifies the action to perform.
list (Default) Displays all physical drives, their make, model
number, and array they belong to. Their status is also
shown.
mod Modifiies physical drive settings.
locate Flashes the physical drive's LED so you can location it.

Chapter 6: Management with the CLI
207
online Forces a drive from an Offline to an Online state.
Caution: Do this action only in extreme conditions. It
causes data corruption in most cases.
offline Forces a drive from an Onine to an Offline state.
clear Clears a drive's condition.
-p <PD ID> Specifies the physical drive ID.
-c <count> Specifies number of drives when their ID numbers are
sequential.
-t <condition type> Specifies type of condition to clear. Requires the -a clear
option.
pfa Clears a PFA condition on the drive.
staleconfig Clears a stale configuration on the drive.
-d <drive type> Specifies type of settings to modify. Requires the -a mod
option. Defaults to be all if -d is not specified.
sata SATA related setting(s): writecache, rlacache, and
cmdqueuing.
The SATA settings apply to all SATA physical drives.
sas SAS related setting(s): writecache, rlacache, readcache.
The SAS settings apply to all SAS physical drives.
all Apply to both SATA and SAS drives where is applicable.
-s "<option>=<value>" Specifies which settings to change.
alias= User-specified name, only for configured physical drives.
Up to 32 characters, containing alpha- numeric
characters, blank spaces and underscores. Beginning
and ending blank spaces are discarded.
The following global settings are for physical drives that support these features:
writecache= Enables or disables write cache on the physical drive(s).
enable
disable
rlacache= Enables or disables read look ahead cache on the
physical drive(s).
enable
disable
cmdqueuing= Enables or disables command queuing on the physical
drive(s).
enable
disable

SuperTrak EX Series User Manual
208
temppollint=Drive temperature polling interval in seconds. If value is 0,
polling is disabled. For subsystems with dual controllers.
15..255
mediumerrorthreshold=
Medium error threshold. If the threshold is reached, the
physical drive is marked as dead. The default value is 0,
indicating that physical drive is not marked as dead for
medium errors. For subsystems with dual controllers.
0..4294967294
The following settings are only for SATA drives:
dmamode= For SATA drive only. Attempt to negotiate at the specified
DMA transfer mode. If a DMA transer mode cannot be
negotiate, the next slower mode is attempted until a
mode can be negotiated (udma5, udma4....udma0,
mdma 2.....mdma0).
udma0 Ultra DMA Mode 0
udma1 Ultra DMA Mode 1
udma2 Ultra DMA Mode 2
udma3 Ultra DMA Mode 3
udma4 Ultra DMA Mode 4
udma5 Ultra DMA Mode 5
mdma0 Multi DMA Mode 0
mdma1 Multi DMA Mode 1
mdma2 Multi DMA Mode 2
speed= Set the speed of physical drive(s).
1.5gb 1.5 GB/s
3gb 3 GB/s
auto Automatic
The following settings are only for SAS drives:
readcache= Applied to SAS drive only. Enables or disables read
cache on the physical drive(s).
enable
disable
-v Verbose mode. Used with -a list.
Examples
phydrv
phydrv -v

Chapter 6: Management with the CLI
209
phydrv -a locate -p 9
phydrv -a mod -s "writecache=enable,rlacache=enable"
phydrv -a offline -p 8
phydrv -a online -p 8
ptiflash
Usage
ptiflash [-a <action>] [-t] [-s <ServerName>] -f <FileName> [-p <PortNum>]
ptiflash -f <FileName>
Summary
The ptiflash command is a flash update utility that installs flash image files.
• SuperTrak flash image files update firmware. SuperTraks do not run
software.
• Subsystem flash image files update firmware and software.
Download the flash image file from the Promise website: www.promise.com.
• For SuperTrak, put the flash image file on the PC where the SuperTrak card
is installed.
• For embedded subsystems, you need a TFTP server accessible from the
enclosure's management port. Put the flash image file on the TFTP server.
• For in-band subsystems, put the flash image file on the local host.
Options
-a <action> Specifies the action to perform.
start (Default) Starts the flash process.
Note: Run only one flash process at a time.
versioninfo Subsystems only. Displays the version and build
information of all the flash images of all controllers or the
specified controller.
-t Subsystems only. Specifies a TFTP server. Required for
embedded subsystems.
-s <servername|ipaddress>
Subsystems only. Specifies the hostname or the IP
address of the TFTP server which contains the flash
image file.
-f <filename> Specifies the filename of the flash image file.

SuperTrak EX Series User Manual
210
-p <port number> Subsystems only. Specifies the port number of the TFTP
server.
If no port number is given, the default value of 69 is used.
Examples
ptiflash -f fw_multi_20051022.img[for SuperTrak controllers]
ptiflash -t -s 192.168.1.1 -f fw_multi_20031010.img -p 69[for embedded
Subsystems]
ptiflash -f fw_multi_20031010.img[for in-band Subsystems]
rc
Usage
rc [-a <action>] [-l <LdId>]
rc -a start -l <LdId> [-n] [-p]
rc -a stop -l <LdId>
rc -a pause -l <LdId>
rc -a resume -l <LdId>
Summary
Th rc command starts, stops, pauses and resumes a Redundancy Check and
monitors the progress of a running Redundancy Check.
Options
-a <action> Specifies action to perform.
list (Default) Displays active and paused Redundancy
Checks and their status.
start Starts a Redundancy Check.
stop Stops a Redundancy Check.
pause Pauses a Redundancy Check.
resume Resumes a paused Redundancy Check.
-l <Ld ID> Specifies the logical drive ID on which to run the
Redundancy Check.
-n Do not fix inconsistent data. This option causes
Redundancy Check to run without correcting inconsistent
data. All inconsistency errors are reported.
-p Pause on error. This option causes Redundancy Check
to pause when it encounters inconsistent data. The
default is to continue on error.

Chapter 6: Management with the CLI
211
Examples
rc
rc -a start -l3 -n -p
rc -a start -l3
rc -a stop -l2
rb
Usage
rb [-a <action>] [-d <DaId>] [-s <SeqNo>]
rb -a start -d <DaId> -s <SeqNo> -p <PdId>
rb -a stop -d <DaId> -s <SeqNo>
rb -a pause -d <DaId> -s <SeqNo>
rb -a resume -d <DaId> -s <SeqNo>
Summary
The rb command starts, stops, pauses, and resumes a Rebuild and monitors the
progress of a running Rebuild.
Options
-a <action> Specifies action to perform.
list (Default) Displays the running and paused Rebuilds and
their status.
start Starts a manual Rebuild.
stop Stops a Rebuild.
pause Pauses a Rebuild.
resume Resumes a paused Rebuild.
-d <DA ID> Specifies which disk array on which to perform the
Rebuild.
-s <sequence Num> Specifies the sequence number of the failed physical
drive. The source drive of the Rebuild.
-p <PD ID> Specifies the ID of the replacement physical drive. The
target drive of the Rebuild.
Examples
rb
rb -a start -d0 -s2 -p10
rb -a stop -d0 -s2

SuperTrak EX Series User Manual
212
sc
Usage
sc [-a <action>] [-i <SpareId>]
sc -a start [-i <SpareId>]
Summary
The sc command starts a Spare Check and monitors the status of a running
Spare Check.
Options
-a <action> Specifies the action to perform.
list (Default) Displays Spare Check status.
start Starts the Spare Check.
-i <Spare ID> Specifies the spare ID on which to run Spare Check.
Valid value range is 0~255.
Examples
sc
sc -a start -i 3
spare
Usage
spare [-a <action>]
spare -a list [-i <SpareId>] [-d <DaId>] [-v]
spare -a add [-i <SpareId>] -p <PdId> [-t g|d] [-r y|n] [-d <DaId list>] [-s "<list of
settings>"]
spare -a mod -i <SpareId> [-t g|d] [-r y|n] [-d <DaId list>] [-s "<list of settings>"]
spare -a del -i <SpareId>
Summary
The spare command displays a list of hot spare drives and creates, modifies, and
deletes hot spare drives.
A global hot spare can replace a failed drive from any redundant disk array.
A dedicated hot spare is assigned to one or more redundant disk arrays, and can
only replace a drive that belongs to one of the assigned arrays.
A revertible hot spare can be transitioned back to spare status after it replaces a
failed drive in a disk array. See transit on page 217.
The hot spare drive must be of equal or greater size than the drive it replaces.

Chapter 6: Management with the CLI
213
Options
-a <action> Specifies the action to perform.
list (Default) Displays a list of hot spare drives.
add Adds new hot spare drives.
mod Changes hot spare drive settings.
del Deletes a hot spare drive.
-i <Spare Id> Specifies the ID of the spare drive.
-p <PD ID> Specifies the ID of the physical drive. Requires the -a add
option to configure a drive as a spare.
-d <DA ID or DA ID List>
Specifies the disk array ID. Requires the -a list option.
Displays a list of global spares and spares dedicated to
this disk array.
When used with other actions, it specifies the disk array
IDs to which this spare is dedicated.
-t <type> Specifies the type of hot spare drive.
g A global hot spare drive.
d A dedicated hot spare drive.
-r <revertible> Specifies whether the spare drive is revertible.
yYes.
nNo.
-s "<option>=<value>" Specifies options for the spare drive.
mediapatrol= Enables or disables Media Patrol.
enable
disable
Examples
spare
spare -a add -p 14 -t g -r y
spare -a mod -i 1 -t d -d 0,1 -s "mediapatrol=disable"
spare -a del -i 0
spath
Usage
spath [-a list] [-t <type> -p <path #>] [-c <count>]
spath -a discover
spath -a chgpath [-t <type> -p <path #>]

SuperTrak EX Series User Manual
214
Summary
The spath command discovers and changes subsystem paths.
Options
-a <action> Which action to perform.
list (Default) Lists the subsystem paths that have been
discovered.
discover Discovers subsystem paths.
chgpath Changes the current subsystem path to the new specified
path.
If -t <type> -p <path #> is not specified, it will list the
current subsystem path.
-t <type> Specifies the type of path.
hba HBA.
subsys Subsystem.
With the -a list option, the default is both HBA and
Subsystem.
With the -a chgpath options, you must specify -t and -p to
change the path.
You cannot use the -t option with the -a discover option.
-p <path number> Specifies the path number of the HBA and subsystem.
The path number starts from 1.
-c <count> Specifies the number of paths to be displayed.
Not currently supported.
Examples
spath
spath -a discover
spath -a chgpath -t subsys -p 1
stats
Usage
stats [-t <type>] [-i <devId>] [-c <Count>]
stats -a clear
Summary
The stats command displays statistics of subsytem, controller, enclosure,
physical drives, and logical drives; and resets the statistics count to zero.

Chapter 6: Management with the CLI
215
Options
-a <action> Specifies the action to perform.
list (Default) Displays the statistics.
clear Resets the statistics count to zero.
-t <type> Specifies the device type.
ctrl Controller.
logdrv Logical drive.
phydrv Physical drive.
all All the above options.
-i <devId> Specifies the device ID. Default is the first available
device ID.
-c <Count> Specifies the device count. Default is all devices.
Examples
stats -t logdrv -i 0 -c 5
stats -a list -t all
stats -a clear
subsys
Usage
subsys [-a <action>] [-v]
subsys -a mod -s "<list of settings>"
subsys -a lock [-r] [-t <number of minutes>]
subsys -a unlock [-f]
subsys -a chklock
Summary
The subsys command displays and changes subsystem settings and locks the
subsystem so that only you can make modifications.
Options
-a <action> Specifies the action to perform.
list (Default) Displays information for the specified
subsystem.
mod Modifies subsystem settings.
lock Locks the subsystem so other users cannot apply
changes.

SuperTrak EX Series User Manual
216
Other users must wait for you to unlock the system or for
your lock to expire.
unlock Clears a subsystem lock.
chklock Checks the status of the lock.
-s "<option>=<value>" Specifies which subsystem settings to change.
alias= User-specified name for the subsystem. Up to 48
characters, alpha-numeric characters, blank spaces and
underscores. Beginning and ending blank spaces are
discarded.
-t <number of mins> Specifies the number minutes to lock the subsystem.
Requires the -a lock option. Default is 30 minutes.
-r Renews the lock timer. Requires the -a lock and -t
<number of mins> options.
-f Specifies a forced unlock. Requires super user privilege.
-v Specifies verbose mode.
Examples
subsys
subsys -v
subsys -a mod -s "alias=MySubsystem"
subsys -a lock -t 60
subsys -a lock -r -t 35
subsys -a unlock
subsys -a chklock
sync
Usage
sync [-a <action>] [-l <LdId>]
Summary
The sync command monitors the progress of background synchronization.
Background synchronization makes logical drive consistent. It starts
automatically when a redundant logical drive is created. But unlike initialization,
background synchronization allows read and write operations on the logical drive.
If an initialization starts, the background synchronization pauses until the
initialization has finished.
Since background synchronization is starts, pauses, and resumes automatically,
there is no need for start, stop, pause, or resume functions.

Chapter 6: Management with the CLI
217
Options
-a <action> Specifies the action to perform.
list (Default) Displays the current background
synchronization activities and their status.
-l Specifies the logical drive ID on which background
synchronization is running.
Examples
sync
sync -l3
sync -a list -l3
topology
Usage
topology [-a <action>] [-v]
Summary
The topology command displays enclosure topology, physical connections, and
devices. For products that support multiple enclosures only.
Options
-a <action> Specifies the action to perform.
list (Default) Displays topology information.
-v Displays complete information about topology.
Examples
topology
transit
Usage
transit [-a <action>] [-d <DaId>] [-s <SeqNo>]
transit -a start -d <DaId> -s <SeqNo> -p <PdId>
transit -a stop -d <DaId> -s <SeqNo>
transit -a pause -d <DaId> -s <SeqNo>
transit -a resume -d <DaId> -s <SeqNo>
Summary
The transit command starts, stops, pauses, and resumes a transition and
monitors the progress of a running transition.

SuperTrak EX Series User Manual
218
Transition is an operation to replace a revertible spare drive currently used in a
disk array with an new physical drive, so the reveritible spare can be restored to
spare drive status. The destination drive can be an unconfigured drive, a non-
revertible global spare, or a non-revertible spare dedicated to the array.
During transition, the data on the revertible spare is transferred to the destination
drive while the disk array remains online. After transition, the destination drive
becomes the part of the array and the revertible spare is a spared drive once
again.
Options
-a <action> Specifies the action to perform.
list (Default) Displays the running and paused transitions
and their status.
start Starts a manual transition.
stop Stops a transition.
pause Pauses a transition.
resume Resumes a paused transition.
-d <DA ID> Specifies the id of disk array which contains the revertible
spare drive.
-s <sequence Num> Specifies the sequence number of the revertible spare
drive in the array.
-p <PD ID> Specifies the physical drive ID of the destination drive.
Examples
transit
transit -a start -d 0 -s 2 -p 10
transit -a stop -d 0 -s 2

219
Chapter 7: Technology Background
• Introduction to RAID (below)
• Choosing a RAID Level (page 232)
• Choosing Stripe Block Size (page 236)
• Choosing Sector Size (page 236)
• Choosing Cache Policy (page 237)
• Capacity Coercion (page 238)
• Initialization (page 239)
• Hot Spare Drive(s) (page 239)
• Partition and Format the Logical Drive (page 240)
• RAID Level Migration (page 240)
• Media Patrol (page 248)
• Predictive Data Migration (PDM) (page 248)
• Transition (page 249)
• Critical & Offline Logical Drives (page 253)
Introduction to RAID
RAID (Redundant Array of Independent Disks) allows multiple physical drives to
be combined together in a disk array. Then all or a portion of the disk array is
formed into a logical drive. The operating system sees the logical drive as a
single storage device, and treats it as such.
The RAID software and controller manage all of the individual drives. The
benefits of a RAID can include:
• Higher data transfer rates for increased server performance
• Increased overall storage capacity for a single drive designation (such as, C,
D, E, etc.)
• Data redundancy/fault tolerance for ensuring continuous system operation in
the event of a hard drive failure
Different types of logical drives use different organizational models and have
varying benefits. Also see “Choosing a RAID Level” on page 232. The following
outline breaks down the properties for each type of RAID logical drive:

SuperTrak EX Series User Manual
220
RAID 0 – Stripe
When a logical drive is striped, the read and write blocks of data are interleaved
between the sectors of multiple physical drives. Performance is increased, since
the workload is balanced between drives or “members” that form the logical drive.
Identical drives are recommended for performance as well as data storage
efficiency.
Figure 1. RAID 0 Striping interleaves data across multiple drives
The logical drive's data capacity equals the capacity of the smallest physical
drive times the number of physical drives. For example, one 100 GB and three
120 GB drives will form a 400 GB (4 x 100 GB) logical drive instead of 460 GB.
If physical drives of different capacities are used, there will also be unused
capacity on the larger drives.
RAID 0 logical drives on SuperTrak consist of one or more physical drives.
Data
Stripe
Physical Drives

Chapter 7: Technology Background
221
RAID 1 – Mirror
When a logical drive is mirrored, identical data is written to a pair of physical
drives, while reads are performed in parallel. The reads are performed using
elevator seek and load balancing techniques where the workload is distributed in
the most efficient manner. Whichever drive is not busy and is positioned closer to
the data will be accessed first.
With RAID 1, if one physical drive fails or has errors, the other mirrored physical
drive continues to function. Moreover, if a spare physical drive is present, the
spare drive will be used as the replacement drive and data will begin to be
mirrored to it from the remaining good drive.
Figure 2. RAID 1 Mirrors identical data to two drives
The logical drive’s data capacity equals the smaller physical drive. For example,
a 100 GB physical drive and a 120 GB physical drive have a combined capacity
of 100 GB in a mirrored logical drive.
If physical drives of different capacities are used, there will be unused capacity
on the larger drive.
RAID 1 logical drives on SuperTrak consist of two physical drives.
If you want a mirrored logical drive with more than two physical drives, see
“RAID 1E – Enhanced Mirror” on page 222 and “RAID 10 – Mirror / Stripe” on
page 225.
Data Mirror
Physical Drives

SuperTrak EX Series User Manual
222
RAID 1E – Enhanced Mirror
RAID 1E offers the security of mirrored data provided by RAID 1 plus the added
capacity of more than two physical drives. It also offers overall increased read/
write performance plus the flexibility of using an odd number of physical drives.
With RAID 1E, each data stripe is mirrored onto two physical drives. If one drive
fails or has errors, the other drives continue to function, providing fault tolerance.
Figure 3. RAID 1E can mirror data over an odd number of drives
The advantage of RAID 1E is the ability to use an odd number of physical drives,
unlike RAID 1 and RAID 10. You can also create a RAID 1E Logical Drive with an
even number of physical drives. However, with an even number of drives, you will
obtain somewhat greater security with comparable performance using RAID 10.
RAID 1E logical drives consist of three or more physical drives. You can create
an array with just two physical drives and specify RAID 1E. But the resulting array
will actually be a RAID 1.
Physical Drives
Enhanced Data Mirrors

Chapter 7: Technology Background
223
RAID 5 – Block Striping with Distributed Parity
RAID 5 organizes block data and parity data across the physical drives.
Generally, RAID Level 5 tends to exhibit lower random write performance due to
the heavy workload of parity recalculation for each I/O. RAID 5 is generally
considered to be the most versatile RAID level. It works well for file, database,
application and web servers.
Figure 4. RAID 5 stripes all drives with data and parity information
The capacity of a RAID 5 logical drive equals the smallest physical drive times
the number of physical drives, minus one. Hence, a RAID 5 logical drive with four
100 GB physical drives will have a capacity of 300 GB. A RAID 5 logical drive
with two 120 GB physical drives and one 100 GB physical drive will have a
capacity of 200 GB.
RAID 5 is generally considered to be the most versatile RAID level.
A RAID 5 on SuperTrak consists of 3 to 16 physical drives.
Data
Blocks
Distributed Parity
Physical Drives

SuperTrak EX Series User Manual
224
RAID 6 – Block and Double Parity Stripe
RAID level 6 stores dual parity data is rotated across the physical drives along
with the block data. A RAID 6 logical drive can continue to accept I/O requests
when any two physical drives fail.
Figure 5. RAID 6 stripes all drives with data and dual parity
The total capacity of a RAID 6 logical drive is the smallest physical drive times
the number of physical drives, minus two.
Hence, a RAID 6 logical drive with (7) 100 GB physical drives will have a capacity
of 500 GB. A RAID 6 logical drive with (4) 100 GB physical drives will have a
capacity of 200 GB.
RAID 6 becomes more capacity efficient in terms of physical drives as the
number of physical drives increases.
RAID 6 provides double fault tolerance. Your logical drive remains available
when up to two physical drives fail.
RAID 6 is generally considered to be the safest RAID level.
A RAID 6 on SuperTrak consists of 4 to 16 physical drives.
Double Distributed (P and Q) Parity
physical drives
Data
Blocks

Chapter 7: Technology Background
225
RAID 10 – Mirror / Stripe
Mirror/Stripe combines both of the RAID 0 and RAID 1 logical drive types. RAID
10 is similar though not identical to RAID 0+1. It can increase performance by
reading and writing data in parallel while protecting data with duplication. The
data on one drive pair is mirrored together, then striped over a second drive pair.
Figure 6. RAID 10 takes a data mirror on one drive pair and stripes it over a
second drive pair
The data capacity RAID 10 logical drive equals the capacity of the smallest
physical drive times the number of physical drives, divided by two.
In some cases, RAID 10 offers double fault tolerance, depending on which
physical drives fail.
RAID 10 arrays require an even number of physical drives and a minimum of
four.
For RAID 10 characteristics with an odd number of physical drives, use RAID 1E.
Data Stripe
Data
Mirror
Physical Drives

SuperTrak EX Series User Manual
226
RAID 50 – Striped Distributed Parity
RAID 50 combines both RAID 5 and RAID 0 features. Data is striped across
physical drives as in RAID 0, and it uses distributed parity as in RAID 5. RAID 50
provides data reliability, good overall performance, and supports larger volume
sizes.
Figure 7. RAID 50 is a combination of RAID 5 and RAID 0
The data capacity RAID 50 logical drive equals the capacity of the smallest
physical drive times the number of physical drives, minus two.
RAID 50 also provides very high reliability because data is still available even if
multiple physical drives fail (one in each axle). The greater the number of axles,
the greater the number of physical drives that can fail without the RAID 50 logical
drive going offline.
Component Minimum Maximum
Number of Axles 2 16
Physical Drives per Axle 3 16
Physical Drives per Logical Drive 6 256
Distributed Parity
Physical Drives
Data
Stripe
Axle 1
Axle 2

Chapter 7: Technology Background
227
RAID 50 Axles
When you create a RAID 50, you must specify the number of axles. An axle
refers to a single RAID 5 logical drive that is striped with other RAID 5 logical
drives to make RAID 50. An axle can have from 3 to 16 physical drives,
depending on the number of physical drives in the logical drive.
The chart below shows RAID 50 logical drives with 6 to 16 physical drives, the
available number of axles, and the resulting distribution of physical drives on
each axle.
RAID 50 Logical Drive
No. of Drives No. of Axles Drives per Axle
623,3
723,4
824,4
924,5
33,3,3
10 2 5,5
33,3,4
11 2 5,6
33,4,4
12 2 6,6
34,4,4
4 3,3,3,3
13 2 6,7
34,4,5
4 3,3,3,4
14 2 7,7
34,5,5
4 3,3,4,4

SuperTrak EX Series User Manual
228
15 2 7,8
35,5,5
4 3,4,4,4
5 3,3,3,3,3
16 2 8,8
35,5,6
4 4,4,4,4
5 3,3,3,3,4
RAID 50 Logical Drive
No. of Drives No. of Axles Drives per Axle

Chapter 7: Technology Background
229
RAID 60 – Striping of Double Parity
RAID 60 combines both RAID 6 and RAID 0 features. Data is striped across
disks as in RAID 0, and it uses double distributed parity as in RAID 6. RAID 60
provides data reliability, good overall performance and supports larger volume
sizes.
Figure 8. RAID 60 is a combination of RAID 6 and RAID 0
The total capacity of a RAID 60 logical drive is the smallest physical drive times
the number of physical drives, minus four.
RAID 60 also provides very high reliability because data is still available even if
multiple physical drives fail (two in each axle). The greater the number of axles,
the greater the number of physical drives that can fail without the RAID 60 logical
drive going offline.
Component Minimum Maximum
Number of Axles 2 16
Physical Drives per Axle 4 16
Physical Drives per Logical Drive 8 256
Data
Stripes
Double Distributed Parity
Physical drives
Axle 1
Axle 2

SuperTrak EX Series User Manual
230
RAID 60 Axles
When you create a RAID 60, you must specify the number of axles. An axle
refers to a single RAID 6 logical drive that is striped with other RAID 6 logical
drives to make RAID 60. An axle can have from 4 to 16 physical drives,
depending on the number of physical drives in the logical drive.
The chart below shows RAID 60 logical drives with 8 to 20 physical drives, the
available number of axles, and the resulting distribution of physical drives on
each axle.
RAID 60 Logical Drive
No. of Drives No. of Axles Drives per Axle
824,4
924,5
10 2 5,5
11 2 5,6
12 2 6,6
34,4,4
13 2 6,7
34,4,5
14 2 7,7
34,5,5
15 2 7,8
35,5,5
16 2 8,8
35,5,6
4 4,4,4,4
17 2 8,9
35,6,6
4 4,4,4,5

Chapter 7: Technology Background
231
18 2 9,9
36,6,6
4 4,4,5,5
19 2 9,10
36,6,7
4 4,5,5,5
20 2 10,10
36,7,7
4 5,5,5,5
5 4,4,4,4,4
RAID 60 Logical Drive
No. of Drives No. of Axles Drives per Axle

SuperTrak EX Series User Manual
232
Choosing a RAID Level
There are several issues to consider when choosing the RAID Level for your
logical drive. The following discussion summarizes some advantages,
disadvantages and applications for each choice.
RAID 0
Recommended applications for RAID 0:
•Image Editing
• Pre-Press Applications
• Any application requiring high bandwidth
RAID 1
Recommended applications for RAID 1:
• Accounting/Financial
•Payroll
• Any application requiring very high availability
Advantages Disadvantages
Implements a striped logical drive, the
data is broken down into blocks and
each block is written to a separate
physical drive
I/O performance is greatly improved by
spreading the I/O load across many
channels and drives
No parity calculation overhead is
involved
Not a true RAID because it is not fault-
tolerant
The failure of just one drive will result
in all data in an logical drive being lost
Should not be used in mission critical
environments
Advantages Disadvantages
Simplest RAID storage subsystem
design
Can increase read performance by
processing data requests in parallel
since the same data resides on two
different drives
Very high physical drive overhead –
uses only 50% of total capacity

Chapter 7: Technology Background
233
RAID 1E
Recommended Applications for RAID 1E
• Imaging applications
• Database servers
• General fileserver
RAID 5
Recommended applications for RAID 5:
• File and Application servers
• WWW, E-mail, and News servers
• Intranet servers
Advantages Disadvantages
Implemented as a mirrored logical
drive whose segments are RAID 0
logical drives
High I/O rates are achieved thanks to
multiple stripe segments
Can use an odd number of physical
drives
Very high physical drive overhead –
uses only 50% of total capacity
Advantages Disadvantages
High Read data transaction rate
Medium Write data transaction rate
Good aggregate transfer rate
Most versatile RAID level
Physical drive failure has a medium
impact on throughput

SuperTrak EX Series User Manual
234
RAID 6
Recommended applications for RAID 6:
• Accounting/Financial
• Database servers
• Any application requiring very high availability
RAID 10
Recommended applications for RAID 10:
• Imaging applications
• Database servers
• General fileserver
Advantages Disadvantages
High Read data transaction rate
Medium Write data transaction rate
Good aggregate transfer rate
Safest RAID level
High physical drive overhead –
equivalent of two drives used for parity
Slightly lower performance than RAID
5
Advantages Disadvantages
Implemented as a mirrored logical
drive whose segments are RAID 0
logical drives
High I/O rates are achieved thanks to
multiple stripe segments
Very high physical drive overhead –
uses only 50% of total capacity

Chapter 7: Technology Background
235
RAID 50
Recommended applications for RAID 50:
• File and Application Servers
• Transaction Processing
• Office applications with many users accessing small files
RAID 60
Recommended Applications for RAID 60:
• Accounting and Financial
• Database servers
• Any application requiring very high availability
Advantages Disadvantages
High Read data transaction rate
Good write data transaction rate
Very good aggregate transfer rate
Most versatile RAID level
Physical drive failure has a moderate
impact on throughput
Advantages Disadvantages
High Read data transaction rate
Medium Write data transaction rate
Good aggregate transfer rate
Safest RAID level
High disk overhead – equivalent of two
drives used for parity
Slightly lower performance than RAID
50

SuperTrak EX Series User Manual
236
Choosing Stripe Block Size
You set the stripe block size, also called block size, when you create a logical
drive. With SuperTrak, the choices are 64 KB, 128 KB, 256 KB, 512 KB, and
1024 KB. 64 KB is the default.
Your choice will directly affect performance. There are two issues to consider
when choosing the stripe block size.
• Choose a stripe block size equal to or smaller than the smallest cache buffer
found on any physical drive in your logical drive.
A larger value slows the logical drive down because physical drives with
smaller cache buffers need more time for multiple accesses to fill their
buffers.
• If your data retrieval consists of fixed-size data blocks, such as some
database and video applications, choose that data block size as your stripe
block size.
Generally speaking, email, POS, and webservers prefer smaller stripe block
sizes. Video and database applications prefer larger stripe block sizes.
See “Creating a Logical Drive” on page 93 and “Creating a Logical Drive” on
page 159, and “Creating a Disk Array – Advanced Configuration” on page 155.
Choosing Sector Size
You set the sector size when you create a logical drive. With SuperTrak, the
choices are 512 B, 1 KB, 2 KB, and 4 KB. 512 B is the default.
A sector is the smallest addressable area on a physical drive. Sector Size refers
to the size of sector measured by the number of bytes of data it can hold. The
most common sector size is 512 bytes (512 B). A smaller sector size results in a
more efficient use of a physical drive’s capacity. 512 B is the default sector size
for logical drives on SuperTrak.
The number of usable sectors is limited by the addressing method of the
computer's operating system:
• Windows XP (32-bit) support 10-bit logical bit addressing (LBA), so with 512
B sectors, they can only support up to 2 terabytes (TB) of data storage
capacity. To increase the capacity, you must use larger sectors. See “2 TB
Limitation” on page 237.
• Windows XP (64-bit), Windows Server 2003 and 2008, and Windows Vista
support 64-bit LBA, so they are not affected by this limitation. For these
OSes, always choose the default 512 B sector size.
• Linux operating systems with the 2.4 kernel do not support variable sector
sizes. For these OSes, always choose the default 512 B sector size.

Chapter 7: Technology Background
237
• Linux operating systems with the 2.6 kernel support 64-bit LBA. For these
OSes, always choose the default 512 B sector size.
See “Creating a Logical Drive” on page 93 and “Creating a Logical Drive” on
page 159, and “Creating a Disk Array – Advanced Configuration” on page 155.
2 TB Limitation
If your Host PC runs Windows XP (32-bit), and you want to create logical drives
larger than 2 TB, you must choose a sector size larger than 512 B when you
create the logical drive. The table on the next page correlates sector size with
logical drive capacity.
Also see “Ranges of Disk Array Expansion” on page 246.
Choosing Cache Policy
As it is used with SuperTrak, the term cache refers to any of several kinds of
high-speed, volatile memory that hold data moving from your computer to the
physical drives or vice-versa. Cache is important because it can read and write
data much faster than a physical drive. There are read caches, which hold data
as it is read from a physical drive; and write caches, which hold data as it is
written to a physical drive.
In order to tune the cache for best performance in different applications, user-
adjustable settings are provided. Cache settings are made in conjunction with
logical drives:
• When you create a logical drive. See “Creating a Logical Drive” on page 93
and “Creating a Logical Drive” on page 159, and “Creating a Disk Array –
Advanced Configuration” on page 155.
• On an existing logical drive. See “Changing Logical Drive Settings” on
page 95 or page 168.
Logical Drive Size Sector Size
8 to 16 TB 4096 bytes (4 KB)
4 to 8 TB 2048 bytes (2 KB)
2 to 4 TB 1024 bytes (1 KB)
0 to 2 TB 512 bytes (512 B)

SuperTrak EX Series User Manual
238
Read Cache Policy
•Read Cache – The read cache is enabled.
•Read Ahead – The read cache and the read-ahead feature are enabled.
Read-ahead anticipates the next read and performs it before the request is
made. Can increase read performance.
•Force Read Ahead – Continues reading ahead even when the next read
cannot be logically anticipated. Can increase read performance.
•No Cache – The read cache is disabled.
Write Cache Policy
•Write Back – Data is written first to the cache, then to the logical drive.
Better performance. VTrak has a cache backup battery to protect data in the
cache from a sudden power failure.
•Write Through – Data is written to the cache and the logical drive at the
same time. Safer.
Capacity Coercion
This feature is designed for fault-tolerant logical drives (RAID 1, 1E, 5, 6, 10, and
50). It is generally recommended to use physical drives of the same size in your
disk arrays. When this is not possible, physical drives of different sizes will work
but the system must adjust for the size differences by reducing or coercing the
capacity of the larger drives to match the smaller ones. With SuperTrak, you can
choose to enable Capacity Coercion and any one of four methods.
Enable Capacity Coercion and choose the Method in the Controller Settings
menu. See “Making Controller Settings” on page 141. The choices are:
•GBTruncate – (Default) Reduces the useful capacity to the nearest
1,000,000,000-byte boundary.
•10GBTruncate – Reduces the useful capacity to the nearest
10,000,000,000-byte boundary.
•GRPRounding – Uses an algorithm to determine how much to truncate.
Results in the maximum amount of usable drive capacity.
•TableRounding – Applies a predefined table to determine how much to
truncate.
Capacity Coercion also affects a replacement drive used in a disk array.
Normally, when an physical drive fails, the replacement drive must be the same
capacity or larger. However, the Capacity Coercion feature permits the
installation of a replacement drive that is slightly smaller (within 1 gigabyte) than
the remaining working drive. For example, the remaining working drives can be

Chapter 7: Technology Background
239
80.5 GB and the replacement drive can be 80.3, since all are rounded down to
80 GB. This permits the smaller drive to be used.
Without Capacity Coercion, the controller will not permit the use of a replacement
physical drive that is slightly smaller than the remaining working drive(s).
Initialization
Initialization is highly recommended for logical drives when they are created from
a disk array. Initialization sets all data bits in the logical drive to zero. The action
is useful because there may be residual data on the logical drives left behind
from earlier configurations. You can also perform an Initialization on an existing
logical drive.
There are three options for logical drive initialization:
•Full – Overwrites all data bits on the logical drive. Can take some time for
larger logical drives
•Quick – Overwrites the data bits on the first and last blocks of logical drive.
Takes only seconds.
See “Creating a Logical Drive” on page 93 and “Creating a Logical Drive” on
page 159, and “Creating a Disk Array – Advanced Configuration” on page 155,
and “Initializing a Logical Drive” on page 169.
Hot Spare Drive(s)
A hot spare is a physical drive that is connected to the logical drive system but is
not assigned as a member of the logical drive. In the event of the failure of a drive
within a functioning fault tolerant logical drive, the hot spare is activated as a
member of the logical drive to replace the failed drive.
SuperTrak will replace a failed physical drive in a logical drive with a hot spare
drive, if one is available. There are two types of hot spare drive:
•Global – An unassigned physical drive available to any logical drive on the
Host PC.
•Dedicated – An unassigned physical drive that can only be used by a
specified logical drive.
There is another property you can assign to a hot spare drive:
Warning
When you initialize a logical drive, all the data the logical drive will
be lost. Backup any important data before you initialize a logical
drive.

SuperTrak EX Series User Manual
240
•Revertible – A revertible spare drive will return to spare status when the
failed drive is replace with a new drive. See “Transition” on page 249.
Whenever possible, having a hot spare drive in your RAID system is good
protection against physical drive failure.
Partition and Format the Logical Drive
Like any other type of fixed disk media in your system, a RAID logical drive must
also be partitioned and formatted before use. Use the same method of
partitioning and formatting on an logical drive as you would any other fixed disk.
See “Appendix A: Partition and Format” on page 281.
RAID Level Migration
To migrate a disk array is to do one or both:
• Change its RAID level
• Increase the number of physical drives (sometimes called expansion)
On SuperTrak, RAID level migration is performed on the disk array but it applies
to the logical drives. Migration takes place on an existing Functional disk array
without disturbing the existing data. While the disk array is migrating, you can
access the data as before. When migration is complete, your disk array will have
a different RAID level and/or a larger capacity.
In most cases, you must add one or more physical drives during the migration
process. You can never reduce the number of physical drives.
The tables below shows the migration options for a source logical drive according
to its RAID level. The available target RAID levels are shown with their
requirements.
You must use WebPAM PRO to migrate a disk array. See “Migrating a Disk
Array” on page 161.

Chapter 7: Technology Background
241
RAID 0
A RAID 0 source logical drive can migrate to the following target logical drives:
Target Requirements
RAID 0 Add physical drives.
RAID 1 2 physical drives only.
Only a single-drive RAID 0 can migrate to RAID 1 by adding 1
physical drive.
RAID 1E 3 or more physical drives.
RAID 5 3 physical drives minimum, 16 maximum.
RAID 0 must have less than 16 physical drives.
RAID 6 4 physical drives minimum, 16 maximum.
RAID 10 4 physical drives minimum.
Even number of physical drives.
RAID 50 6 physical drives minimum, 16 per axle maximum.
RAID 60 8 physical drives minimum, 16 per axle maximum.

SuperTrak EX Series User Manual
242
RAID 1
A RAID 1 Source logical drive can migrate to the following Target logical drives:
RAID 1E
A RAID 1E Source logical drive can migrate to the following Target logical drives:
Target Requirements
RAID 0 None.
RAID 1E 3 or more physical drives.
RAID 5 3 physical drives minimum, 16 maximum.
RAID 1 must have less than 16 physical drives.
RAID 10 4 physical drives minimum.
Even number of physical drives.
RAID 50 6 physical drives minimum, 16 per axle maximum.
Target Requirements
RAID 0 None.
RAID 1E Add physical drives.
RAID 5 3 physical drives minimum, 16 maximum.
RAID 1E must have less than 16 physical drives.
RAID 10 4 physical drives minimum.
Even number of physical drives.
RAID 50 6 physical drives minimum, 16 per axle maximum.

Chapter 7: Technology Background
243
RAID 5
A RAID 5 Source logical drive can migrate to the following Target logical drives:
RAID 6
A RAID 6 Source logical drive can migrate to the following Target logical drives:
Target Requirements
RAID 0 None.
RAID 1E None.
RAID 5 Add physical drives. 16 maximum.
RAID 6 4 physical drives minimum, 16 maximum.
RAID 10 4 physical drives minimum.
Even number of physical drives.
RAID 50 6 physical drives minimum, 16 per axle maximum.
RAID 60 8 physical drives minimum, 16 per axle maximum.
Target Requirements
RAID 6 Add physical drives. 16 maximum.
RAID 60 8 physical drives minimum, 16 per axle maximum.

SuperTrak EX Series User Manual
244
RAID 10
A RAID 10 Source logical drive can migrate to the following Target logical drives:
Target Requirements
RAID 0 None.
RAID 1E None.
RAID 5 3 physical drives minimum, 16 maximum.
RAID 10 must have less than 16 physical drives.
RAID 6 4 physical drives minimum, 16 maximum.
RAID 10 must have less than 16 physical drives.
RAID 10 Add physical drives.
Even number of physical drives.
RAID 50 6 physical drives minimum, 16 per axle maximum.
RAID 60 8 physical drives minimum, 16 per axle maximum.

Chapter 7: Technology Background
245
RAID 50
A RAID 50 Source logical drive can migrate to the following Target logical drives:
RAID 60
A RAID 60 Source logical drive can migrate to the following Target logical drives:
Target Requirements
RAID 0 None.
RAID 1E None.
RAID 5 16 physical drives maximum.
RAID 50 must have less than 16 physical drives.
RAID 6 16 physical drives maximum.
RAID 50 must have less than 16 physical drives.
RAID 10 Even number of physical drives.
RAID 50 Add physical drives. 16 per axle maximum.
RAID 60 8 physical drives minimum, 16 per axle maximum.
Target Requirements
RAID 6 16 physical drives maximum.
RAID 60 must have less than 16 physical drives.
RAID 60 Add physical drives. 16 per axle maximum.

SuperTrak EX Series User Manual
246
Ranges of Disk Array Expansion
The Windows XP (32-bit) operating systems support a 10-byte LBA format. As a
result, these OSes can only recognize 4 billion addresses. If you create a logical
drive using the default 512 B sector size, the logical drive will be limited to 2 TB of
data, even if there is more space available on your physical drives.
This limitation does not apply to Windows XP (64-bit), 2003 Server, Vista, and
Linux OSes with the 2.6 kernel. Linux OSes with the 2.4 kernel do not support
variable sector sizes, therefore you cannot apply the solution described here to
those OSes.
Note that once you create your logical drive, you cannot change the size of the
sectors. Nor can you increase the number of address blocks that the OS
recognizes.
You can direct WebPAM PRO to expand a logical drive beyond the maximum
expansion size. When the expansion is finished:
• WebPAM PRO will show the logical drive in the desired size.
• Your operating system might show the logical drive at the maximum size
listed in the table below.
• Additional capacity might appear as unpartitioned and unformatted.
Important
• The Target disk array may require more physical drives than
the Source disk array
• If the Target disk array requires an EVEN number of physical
drives but the Source disk array has an ODD number, ADD a
physical drive as part of the migration process
• You cannot reduce the number of physical drives in your disk
array, even if the Target disk array requires fewer physical
drives than the Source disk array
• RAID 1 (mirroring) works with two drives only. Only a single-
drive RAID 0 disk array can migrate to RAID 1. Other RAID
Levels use too many drives to migrate
• You cannot migrate a disk array when it is Critical or
performing activities such as Synchronizing, Rebuilding, and
PDM
• For RAID 6 or RAID 60, you can only migrate between these
two RAID levels. Destination RAID 60 axles can have up to
16 physical drives. Other limitations might apply

Chapter 7: Technology Background
247
At this point, you have the choice of:
• Format the unpartitioned/unformatted capacity as a second logical drive
• Delete the existing disk array and create a new one in the desired size
Delete and Recreate
If you require a logical drive larger than the maximum expansion size:
1. Backup the data from the current logical drive.
2. Delete the current logical drive.
See “Deleting a Logical Drive” on page 95 or page 160.
3. Create a new logical drive with the desired capacity.
See “Creating a Logical Drive” on page 93 or page 159.
4. Restore the data to the new logical drive.
Current LD Size Maximum LD
Expansion Size Sector Size
8 to 16 TB 16 TB 4096 bytes
4 to 8 TB 8 TB 2048 bytes
2 to 4 TB 4 TB 1024 bytes
up to 2 TB 2 TB 512 bytes

SuperTrak EX Series User Manual
248
Media Patrol
Media Patrol is a routine maintenance procedure that checks the magnetic media
on each physical drive. Media Patrol checks all physical drives assigned to disk
arrays and on spare drives. Media Patrol does not check unconfigured drives.
Unlike Synchronization and Redundancy Check, Media Patrol is concerned with
the condition of the media itself, not the data recorded on the media. If Media
Patrol encounters a critical error, it triggers PDM if PDM is enabled.
You can run Media Patrol from the subsystem. See “Running Media Patrol” on
page 134.
You can also run Media Patrol on a disk array. See “Running Media Patrol on a
Disk Array” on page 163.
Predictive Data Migration (PDM)
Predictive Data Migration (PDM) is the migration of data from the suspect
physical drive to a spare drive, similar to Rebuilding a Logical Drive. But unlike
Rebuilding, PDM constantly monitors your physical drives and automatically
copies your data to the spare drive before the suspect drive fails and your Logical
Drive goes Critical. See “Running PDM” on page 135 and “Running PDM on a
Disk Array” on page 163.
After the data is copied from the suspect drive, the controller marks the suspect
drive with a Stale configuration and a PFA error.
You can clear the Stale configuration and PFA error and put the physical drive
back into service. See “Clearing Stale and PFA Conditions” on page 149 or
page 265. In some cases, however, you might remove the physical drive for
repair or replacement.
PDM Triggers
The following actions trigger PDM:
• A physical drive with unhealthy status (see below)
• Media Patrol finds a disk critical error*
• You initiate PDM manually
*PDM also counts the number of media errors reported by Media Patrol.
A physical drive becomes unhealthy when:
• A SMART error is reported
• The bad sector remapping table fills to the specified level

Chapter 7: Technology Background
249
Because data would be lost if written to a bad sector, when a bad sector is
detected, the physical drive creates a map around it. These maps are saved in
the bad sector remapping table, which has a capacity of 512 reassigned blocks
and 1024 error blocks.
When the table fills to a specified percentage of its capacity, PDM triggers a
migration of data from the suspect drive (the physical drive with the bad sectors)
to a spare drive.
During data migration, you will have access to the logical drive but it will respond
more slowly to read/write tasks because of the additional operation. The time
required for data migration depends on the size of the physical drive.
See “Making Background Activity Settings” on page 133.
Transition
The Transition feature enables you to specify “permanent” spare drives for your
SuperTrak controller. Transition is the process of replacing a revertible spare
drive that is currently part of a disk array with an unconfigured physical drive or a
non-revertible spare. The revertible spare drive returns to its original status.
Transition happens automatically when the following sequence of events takes
place:
• You create a revertible spare drive. “Creating a Spare Drive” on page 173.
• One of the physical drives assigned to your disk array fails and the array
becomes degraded and the logical drive goes critical.
• The SuperTrak controller automatically rebuilds your array to the revertible
spare drive and the array becomes functional again.
• You replace the failed physical drive with a new physical drive of equal or
greater capacity.
• The SuperTrak controller automatically transitions (moves) the data from the
revertible spare to the new physical drive.
• The new physical drive becomes part of the array and the revertible spare
drive returns to its original spare status.
Transition happens manually when you specify a different unconfigured physical
drive to transition (move) the data from the revertible spare drive.
Drive Failure and Automatic Rebuild
In the example below, there is a two-drive RAID 1 disk array.
• The physical drives in channels 1 and 2 belong to the disk array.
• The physical drive in channel 3 is unconfigured.

SuperTrak EX Series User Manual
250
• The physical drive in channel 4 is a revertible spare drive.
The physical drive in channel 2 fails. The disk array becomes degraded and its
logical drives go critical. The SuperTrak controller automatically rebuilds the disk
array using the revertible spare drive, the physical drive in channel 4.
When the rebuild is finished, the disk array and logical drives are OK again.
• The physical drives in channels 1 and 4 belong to the disk array.
• The physical drive in channel 2 has failed and is unusable.
• The physical drive in channel 3 is unconfigured.
Note that there is no spare drive at this moment.

Chapter 7: Technology Background
251
Automatic Transition
At this juncture, you would replace the failed drive in channel 2 with a new drive
of the same or greater capacity.
When the SuperTrak controller detects the new drive in channel 2, it will:
• Transition the data from the drive in channel 4 to the drive in channel 2.
• Return the drive in channel 4 to spare status.
When the Transition is finished:
• The physical drives in channels 1 and 2 belong to the disk array.
• The physical drive in channel 3 is still unconfigured.
• The physical drive in channel 4 is a revertible spare drive.
The original configuration is restored.
Manual Transition
Manual transition requires an unassigned physical drive.
The example below is the same two-drive RAID 1 disk array as before.
• The physical drives in channels 1 and 2 belong to the disk array.
• The physical drive in channel 3 is unconfigured.
• The physical drive in channel 4 is a revertible spare drive.

SuperTrak EX Series User Manual
252
The physical drive in channel 2 fails. The disk array becomes degraded and its
logical drives go critical. The SuperTrak controller automatically rebuilds the disk
array using the spare drive, the physical drive in channel 4.
As we saw in the example of Automatic Transition, if you replace the failed
physical drive in channel 2, the SuperTrak controller would transition the data
from the physical drive in channel 4 to the new drive in channel 2.
But if you wanted to use a different physical drive in your array, such as the
unassigned drive in channel 3, you would run the Transition function manually.
When the Manual Transition is finished:
• The physical drives in channels 1 and 3 belong to the disk array.
• The physical drive channel 2 is still failed and unusable.
• The physical drive in channel 4 is a revertible spare drive.
At this point, after running the Manual Transition, you would replace the failed
drive in channel 2. The replacement drive in channel 2 will remain unconfigured
until you assign it to a disk array or as a spare.

Chapter 7: Technology Background
253
Critical & Offline Logical Drives
A fault-tolerant logical drive—RAID 1, 1E, 5, 6, 10, 50, or 60—goes critical when
a physical drive is removed or fails. Due to the fault tolerance of the logical drive,
the data is still available and online. However, once the logical drive goes critical,
the logical drive has lost its fault tolerance, and performance may be adversely
affected.
If the fault was caused by a failed drive that was removed, the drive must be
replaced by another drive, either identical or larger, in order for the RAID system
to rebuild and restore optimal configuration.
If your fault-tolerant logical drive—RAID 1, 1E, 5, 6, 10, 50, or 60—goes offline,
contact Technical Support. See page 273.
A non-fault tolerant logical drive—RAID 0—goes offline when a physical drive is
removed or fails. Since the logical drive is not fault tolerant, the data stored in the
logical drive is no longer accessible.
If one physical drive fails, all of the data on the logical drive is lost. You must
replace the failed drive. Then, if the logical drive had more than one physical
drive, delete the logical drive and re-create it. Restore the data from a backup
source.
When a Physical Drive Fails
The SuperTrak EX Controller provides both audible and visual indicators to alert
you of a physical drive failure. The following will occur when a physical drive fails
or goes offline, WebPAM PRO reports the condition.
WebPAM PRO aids in troubleshooting your logical drives and enclosure by
continuous monitoring and reporting to the User in the following ways:
• Displays yellow !s red Xs in Tree View (below)
Warning
Take no further corrective action until you have consulted with
Technical Support. See page 273.

SuperTrak EX Series User Manual
254
• Sends email messages, per your configuration
• Displays popup messages, per your configuration (below)
• Keeps a record in the Event Log (below)

Chapter 7: Technology Background
255
With a Hot Spare Drive
When a physical drive in a disk array fails and a spare drive of adequate capacity
is available, the disk array will begin to rebuild automatically using the spare
drive.
After the disk array rebuilds itself using the spare drive, you must replace the
failed drive.
To set up a spare drive, see “Creating a Spare Drive” on page 173.
Without a Hot Spare Drive
If there is no hot spare drive of adequate capacity, you must remove the failed
drive and install an unconfigured replacement drive of the same or greater
capacity in the same slot as the failed drive. Until you install the replacement
drive, the logical drive will remain Degraded.
• If the Auto Rebuild function is ENABLED, the disk array will begin to rebuild
automatically as soon as you replace the failed drive.
• If the Auto Rebuild function is DISABLED, you must manually rebuild the
disk array after you replace the failed drive.
To enable Automatic Rebuild, see “Making Background Activity Settings” on
page 133.
To set Hot Spare Policy, see “Making Spare Drive Settings” on page 174.
Rebuild Operation
During rebuild:
• The alarm sounds two short beeps, repeated
• No warning icon displays over the disk array or logical drive icons
Management View reports the disk array’s Operational Status as OK,
Rebuilding.
During rebuilding, you can still read and write data to the logical drive. However,
fault tolerance is lost until the disk array returns to OK (not-rebuilding) status.
Important
If your replacement physical drive was formerly part of a different
disk array or logical drive, you must clear the configuration data on
the replacement drive before you use it.
See “Clearing Stale and PFA Conditions” on page 149 or
page 265.

SuperTrak EX Series User Manual
256
After a successful rebuild:
• The alarm is silent
• The logical drive’s Operational Status is OK
• The rebuilt physical drive Status LED displays steady green

257
Chapter 8: Troubleshooting
• Problem Reports from SuperTrak
• Buzzer (page 257)
• LEDs (page 257)
•BIOS (page259)
• Problems Reported in WebPAM PRO (page 261)
• Critical & Offline Logical Drives (page 263)
• Salvaging Physical Drives (page 265)
• Rebuilding a Logical Drive (page 266)
• Recovering from a Blank Screen (page 268)
Problems Reported by SuperTrak
The SuperTrak EX Controller provides both audible and visual indicators to alert
you to a problem.
Buzzer
The buzzer sounds to inform you that your RAID system needs attention. But the
buzzer does not specify the condition. When a continuous tone sounds, there are
multiple alarm patterns sounding at the same time.
When the buzzer sounds, take the following actions:
• Check your disk arrays and logical drives.
• Check the Event Log. See page 101 or page 113.
LEDs
If your system is configured with Global LEDs or Direct LEDs, they will indicate
when a problem is present. Use the SuperBuild utility or WebPAM PRO to further
diagnose and correct the problem.

SuperTrak EX Series User Manual
258
Global LED Display
Global LEDs glow in response to Logical Drive status.
Direct LED Display
Direct LEDs, glow and blink in response to the SuperTrak’s firmware status.
LED Logical Drive Status
Dark System off
Green Normal
Amber Logical Drive Critical
Red Logical Drive Offline
Fault
LED Activity
LED Firmware Status
OFF OFF No physical drive
ON ON Unconfigured physical drive
OFF ON Configured physical drive – Status OK
ON ON Configured physical drive – Status Not OK
OFF ON Global spare drive – Status OK
ON ON Physical drive – Status Dead
ON ON Stale condition
Blink ON Rebuilding
OFF Blink Activity
Blink ON Locate physical drive
Blink ON Locate logical drive
Blink ON Locate disk array

Chapter 8: Troubleshooting
259
BIOS
The problem is first reported in the SuperTrak BIOS screen when you boot your
PC or server, as shown below.
Figure 1. SuperTrak BIOS screen, logical drive critical
If the SuperTrak BIOS detects an Critical logical drive, the BIOS reports the
condition but allows the booting process of the Host PC to continue.
Choose a Management application:
• Press Ctrl-S at the BIOS screen to open the SuperBuild utility.
• Allow your OS to boot, then open WebPAM PRO.

SuperTrak EX Series User Manual
260
Figure 2. SuperTrak BIOS screen, logical drive offline
If the SuperTrak BIOS detects an Offline logical drive, the BIOS reports the
condition and temporarily halts the booting process of the Host PC.
Choose a Management application:
• Press Ctrl-S to open the SuperBuild utility.
• Press the Space bar, allow your OS to boot, then open WebPAM PRO.

Chapter 8: Troubleshooting
261
Problems Reported in WebPAM PRO
Open WebPAM PRO
If WebPAM PRO is not running, do the following actions:
1. Open WebPAM PRO.
See “Logging into WebPAM PRO” on page 107 for more information.
2. Click the Subsystem icon in Tree View.
3. Click the Enclosures icon and its subordinate icons.
4. Click the Disk Arrays icon and its subordinate icons.
What to Look For
When a logical drive goes critical or offline, WebPAM PRO reports the condition
in the following ways:
• Displays yellow !s red Xs in Tree View (below)
• Sends email messages, per your configuration
• Displays popup messages, per your configuration (below)

SuperTrak EX Series User Manual
262
• Keeps a record in the Event Log (below)

Chapter 8: Troubleshooting
263
Critical & Offline Logical Drives
A fault-tolerant logical drive—RAID 1, 1E, 5, 6, 10, 50, or 60—goes critical when
a physical drive is removed or fails. Due to the fault tolerance of the logical drive,
the data is still available and online. However, once the logical drive goes critical,
the logical drive has lost its fault tolerance, and performance may be adversely
affected.
If the fault was caused by a failed drive that was removed, the drive must be
replaced by another drive, either identical or larger, in order for the RAID system
to rebuild and restore optimal configuration.
If your fault-tolerant logical drive—RAID 1, 1E, 5, 6, 10, 50, or 60—goes offline,
contact Technical Support. See page 273.
A non-fault tolerant logical drive—RAID 0—goes offline when a physical drive is
removed or fails. Since the logical drive is not fault tolerant, the data stored in the
logical drive is no longer accessible.
If one physical drive fails, all of the data on the logical drive is lost. You must
replace the failed drive. Then, if the logical drive had more than one physical
drive, delete the logical drive and re-create it. Restore the data from a backup
source.
Finding the Failed Drive in SuperBuild
To identify a failed physical drive:
1. In the Main Menu, highlight Physical Drive Management and press Enter.
The Physical Drive Management screen displays.
2. Compare the list of physical drives on the screen against the actual physical
drives attached to the SuperTrak controller.
Warning
Take no further corrective action until you have consulted with
Technical Support. See page 273.

SuperTrak EX Series User Manual
264
Figure 3. Physical Drive Management screen
In the example above, there is no physical drive for ID 3. Assuming you
installed a physical drive onto Channel 3 of the SuperTrak controller, this is
the failed physical drive.
3. Shut down the Host PC, open the case, check the power and data
connections to each physical drive, correct any shortcomings, restart the
Host PC and check in SuperBuild again.
Finding the Failed Drive in WebPAM PRO
To locate a failed or missing physical drive:
1. Open WebPAM PRO.
See “Logging into WebPAM PRO” on
page 107 for more information.
2. Click the Subsystem icon in Tree View.
3. Click the Enclosures icon.
4. Click the Enclosure icon.
5. Click the Physical Drives icon.
6. Examine the list of physical drives.
• If a drive was present but is now
missing, that is the failed drive. Check
the power and data connections. If
those are OK, you must replace the
drive.
• If a drive is marked as PFA or Stale,
that is the problem drive and you might
be able to salvage the drive.
• If a drive is marked as Offline or Dead,
that is the problem drive and you must replace it.
ID 3 is missing

Chapter 8: Troubleshooting
265
Salvaging Physical Drives
Physical drives can develop problems that make them unsuitable for service in a
logical drive. These problems are reflected in the physical drive status:
•PFA – The physical drive has errors resulting in a prediction of failure
•Stale – Caused by obsolete array information on the physical drive
•Offline – The physical drive is present but set to Offline status
•Dead – Physical drive set down by the SuperTrak controller
WebPAM PRO has features to deal with PFA or Stale physical drives. An Offline
or Dead physical drive cannot be salvaged and must be replaced.
Clearing Stale and PFA Conditions
To clear a Stale or PFA status from a physical drive:
1. Open WebPAM PRO.
See “Logging into WebPAM PRO” on page 107 for more information.
2. Click the Subsystem icon in Tree View.
3. Click the Enclosures icon.
4. Click the Enclosure icon.
5. Click the Physical Drives icon.
6. Click a Physical Drive icon.
7. In Management View, click the Clear tab.
8. Click the Submit button.
Note
If a physical drive has both a Stale and a PFA condition, click the
Submit button once to clear the Stale condition, then click again
to clear the PFA condition.

SuperTrak EX Series User Manual
266
Rebuilding a Logical Drive
The remedial action for a critical logical drive is to rebuild it, meaning the data
from the failed physical drive is rebuilt onto a spare or replacement physical
drive.
Spare Drive Available
The SuperTrak Controller will rebuilt a logical drive automatically using a spare
drive, providing:
• A spare drive is available
• The spare drive is the same size or larger than the failed drive
• The Auto Rebuild setting is enabled in WebPAM PRO. Enabled is the default
setting. See “Making Background Activity Settings” on page 133.
If the above conditions are met, the SuperTrak controller automatically rebuilds
the logical drive with the hot spare. After the rebuild is done, you must replace the
failed drive with a new physical drive.
Depending on your spare drive settings, you might make the replacement drive
the new spare drive, or the original spare will transition back to its original status.
See “Creating a Spare Drive” on page 97 or page 173. Also see “Hot Spare
Drive(s)” on page 239.
No Spare Drive Available
If a spare drive is not available, you must replace the failed drive. Then the
SuperTrak controller will automatically rebuild the logical drive using the new
physical drive, providing:
• The new drive is the same size or larger than the failed drive
• The Auto Rebuild setting is enabled in WebPAM PRO. Enabled is the default
setting. See “Making Background Activity Settings” on page 133.
Manual Rebuild: SuperBuild Utility
In some cases, you must start the Rebuild manually. After replacing the failed
drive with a new drive of equal or larger size, take the following actions:
1. In the Main Menu, highlight Disk Array Management and press Enter.
The Disk Array Management screen displays.
2. Highlight the Disk Array with the failed drive and press Enter.
The Disk Array Info and Setting screen displays.
3. Highlight Physical Drives in the Array and press Enter.
Note the ID numbers of the physical drives that are still functional

Chapter 8: Troubleshooting
267
4. Highlight Start Manual Rebuild and press Enter.
The Manual Rebuild screen displays.
5. Highlight the Source Sequence Number and press Enter. Then type the ID
number of one of the physical drives you noted in step 3 and press Enter.
6. Highlight the Target Physical Drive ID and press Enter. Then type the ID
number of the new drive and press Enter.
7. Highlight Start Manual Rebuild and press Enter.
The time required for the Rebuild depends on the number and size of your
logical drives. You can monitor the progress of the Rebuild under
Background Activity.
Manual Rebuild: WebPAM PRO
If a physical drive has failed, identify and replace the drive, then rebuild the disk
array as described below:
1. Click the Subsystem icon in Tree View.
2. Click the Disk Arrays icon.
3. Click the Disk Array icon.
If there are multiple disk arrays, choose the icon with the yellow !.
4. From the dropdown menu on the Background Activity tab, choose Start
Rebuild.
5. Choose Source physical drive.
This is a remaining functional physical drive in the disk array.
6. Choose the Target physical drive.
This is the replacement physical drive.
7. Click the Submit button.
The Disk Array Background Activity tab will show the rebuild the replacement
(target) physical drive. Depending the size of the physical disk involved, this
process will take some time.
To view more information, click the Rebuild on PDx link.
To set Rebuild priority, see “Making Background Activity Settings” on page 133.

SuperTrak EX Series User Manual
268
Recovering from a Blank Screen
Occasionally, while you are performing a RAID
management operation using WebPAM PRO, your
browser screen might go blank.
To recover from a blank browser screen, do one of the
following actions:
• Press the F5 key.
• Click your browser’s Refresh button (right).
Cache Battery Does Not Charge
The RAID controller’s cache backup battery protects data in the cache for up to
72 hours in the event of a power failure. If the battery is too warm, it will not
accept a charge nor will it discharge to power the cache.
To view battery information:
1. Click the Subsystem icon in Tree View.
2. Click the Controllers icon.
3. Click the Controller icon.
4. Click the Battery tab in Management View.
In normal operation, the operational status of the battery shows Fully Charged
with a Reserve Capacity of 100%. If it never reaches this condition or remains
discharged, the battery may be too warm.
RAID controllers, like all components inside the Host PC, rely on a flow of air to
carry off heat and maintain optimal temperature. If the air flow is inadequate,
performance can suffer.
Check and correct the following conditions:
• Ambient operating temperature must not exceed 104°F (40°C).
• Be sure the fan outlets, typically at the back of the PC or server, have at
least 6 inches (15 cm) of clearance.
• If you have other PCI devices and available slots, try moving the SuperTrak
and the other devices further apart to increase airflow between them.
• Airflow through your PC or server must be at least 200 LFM.
Measuring and adjusting airflow through a PC or server is very difficult for users
in the field. Contact the manufacturer’s Technical Support for assistance.
Internet
Explorer
Firefox
Netscape
Navigator

269
Chapter 9: Support
• Frequently Asked Questions (below)
• Contacting Technical Support (page 273)
• Limited Warranty (page 276)
• Returning the Product For Repair (page 278)
Frequently Asked Questions
This section lists frequently asked questions involving pre-installation, drive
issues, installation, and post-installation.
Pre-Installation (Speed, Device Types, Capacity, Cabling)
What kind of HDDs can I use for a SuperTrak EX Series logical drive?
You can use any Serial Attached SCSI (SAS) or Serial ATA (SATA) hard
disk drive from the compatibility list on the Promise Support Website. Use
matching drives for multiple-drive arrays to maximize capacity usage as well
as performance.
What is the maximum physical drive storage capacity of SuperTrak EX
Series?
The SuperTrak EX4650 supports up to 3.0 TB (four 750 GB physical drives).
The SuperTrak EX8650, EX8654, and EX8658 support up to 6.0 TB (eight
750 GB physical drives).
The SuperTrak EX16650 supports up to 16.0 TB (sixteen 1.0 TB physical
drives).
The SuperTrak EX Series controllers also support up to 128 SAS physical
drives per SAS port using SAS expanders.
Can I use ATAPI devices on the SuperTrak EX Series?
No. The SuperTrak EX Series Controller does not support ATAPI devices.
Will ACPI work with HDDs on the SuperTrak EX Series?
Yes. The SuperTrak EX Series controller supports ACPI S1, S3 and S4
standby modes.
What kind of PCI slots do the SuperTrak EX Series controllers use?
SuperTrak EX Series controllers will work in a PCI-Express x8 slot or x16
slot.

SuperTrak EX Series User Manual
270
How can I change the resources that the SuperTrak uses?
The SuperTrak EX Series Controllers are fully PnP. This means all the
resources that it uses are given to it by the PnP BIOS on the motherboard.
The SuperTrak Series Controller supports IRQ sharing, but this feature only
works when ALL the concerned devices support it. If your motherboard
allows you to control the assignment of these resources, you may be able to
remedy the problem by:
• Changing the IRQ assignments to the PCI slots in the motherboard
BIOS during boot up.
• Reset the configuration data in your CMOS. This is usually an option in
the PnP section of your CMOS.
• Otherwise, switch the SuperTrak Controller card to a different PCI slot.
Drive Issues
Can I add a drive to a SuperTrak EX Series logical drive via hot-swap and
dynamically adjust the array size/configuration?
Yes. The SuperTrak EX Series controller supports online logical drive
expansion and migration. You must use the SuperBuild utility or the
WebPAM PRO software to expand or migrate an existing logical drive.
Do the HDDs on the SuperTrak EX Series have to be the same size?
The physical drives that you use with the SuperTrak EX Series controller do
not have to be the same size. If the sizes differ, the SuperTrak EX Controller
will truncate the large drive so the capacities match. The resulting difference
in drive space is unusable, so avoid using physical drives of significantly
different capacities.
Can I take a drive used in a SuperTrak EX Series logical drive and access it
directly with a different controller, such as the one integrated on the
motherboard?
Yes, but only under certain configurations. First, the other controller must
address the drives as LBA, not CHS.
Second, only the following configurations allow the drive(s) to be accessed
individually on another controller:
• Single-drive RAID 0 (stripe)
• One drive from a RAID 1 (mirror) logical drive
No other array configurations will work for this purpose.

Chapter 9: Support
271
I already have an array on a Promise FastTrak controller. Can I move that
array to my new SuperTrak EX Series controller?
No. The SuperTrak EX Series controller supports SNIA Disk Data Format
(DDF), which is not backward compatible with the FastTrak controller.
If I have a problem with one of the drives on the SuperTrak EX Series, how
can I low-level format it to correct the problem?
Do NOT do this! Low-level formatting hard physical drives is not only
unnecessary but it generally does not correct problems commonly
experienced during use.
Errors such as bad sectors or ECC/CRC failure are best remedied by
completely replacing the drive. For this reason, do NOT low-level format the
drives attached to the SuperTrak EX Series controller.
Do I have to install disk management software on my logical drive in order
to access the full storage capacity of drives?
No! Disk management software will only complicate things. The logical drive
should be fully addressable by your OS as it is. Some operating systems
have limits on the sizes of partitions and logical drives that can be defined.
Consult your OS documentation about partitioning larger drives.
What system BIOS setup settings do I use for the drives on the SuperTrak
EX Series?
A BIOS setting is required only if you want to boot your system from the
logical drive on the SuperTrak EX Series controller. After your logical drive is
created, partitioned and formatted, make the change in your BIOS boot
order setting.
How do I partition/format my SuperTrak EX Series RAID logical drive?
The SuperTrak EX Series controller represents the logical drive as a single
physical drive to your system. Therefore, anything that you can do to a single
physical drive you can do to a SuperTrak logical drive.
For example, you should use the FDISK and FORMAT utilities to partition
and format the logical drive. You can format the logical drive with any file
system you wish.
Installation Issues (Capacity, Booting)
How can I change the system boot sequence in order to boot from the
SuperTrak EX Series logical drive?
The boot sequence is controlled by the system BIOS. As far as the system
BIOS is concerned, the SuperTrak EX Controller and defined logical drives

SuperTrak EX Series User Manual
272
are categorized as a SCSI device. This allows you to set the boot sequence
in your BIOS setup utility to boot from SCSI first, rather than IDE.
If there are multiple SCSI add-in controllers in the system, then the boot
sequence among them will be determined exclusively by their PCI slot
priority. PCI slot #1 will be first, slot #2 second, etc. Put the SuperTrak EX
Controller in the PCI-Express slot where it will be accessed ahead of other
SCSI controllers if you want to boot from the logical drive.
How can I change the boot sequence between a PCI SCSI card and the
SuperTrak EX Series RAID logical drive?
Since all PCI-Express are PnP, it is difficult to determine which device is
addressed first. Most motherboard BIOSes have advanced options that
identify devices and allow you to choose which device will be assigned
resources first. Otherwise you may have to physically switch the device
cards on the PCI/PCI-Express/PCI-X slots so that the boot device is in the
highest priority slot number (see previous question).
Post-Installation
Why can’t I see the drives on the SuperTrak EX Series under FDISK?
You have not created a logical drive yet. Without a logical drive, the system
will not recognize the physical drives attached to the SuperTrak EX
Controller.
A physical drive is recognized by the SuperTrak controller but not available
to use in a disk array. How can I make it available?
The physical drive might contain obsolete disk array information. See
“Clearing Stale and PFA Conditions” on page 149 or page 265. This action
clears the obsolete information in order to make the drive available.
Why can’t I run WebPAM PRO in Konqueror?
The Konqueror browser (Linux) does not support WebPAM PRO. Install a
Netscape Navigator or Firefox browser. With that browser as the default,
reinstall WebPAM PRO.
Aren’t the WebPAM PRO icons supposed to be animated?
Yes, they are animated. However, the default setting for Internet Explorer
under Windows 2003 Server does not display animation in the browser. Go
to Internet Options > Advanced and check Play animations in web pages.

Chapter 9: Support
273
Contacting Technical Support
Promise Technical Support provides several support options for Promise users to
access information and updates. We encourage you to use one of our electronic
services, which provide product information updates for the most efficient service
and support.
If you decide to contact us, please have the following information available:
• Product model and serial number
• BIOS and driver version numbers
• A description of the problem / situation
• System configuration information, including: motherboard and CPU type,
hard drive model(s), SAS/SATA/ATA/ATAPI drives & devices, and other
controllers.
Technical Support Services
United States
The Netherlands
Promise Online™ Web Site http://www.promise.com/support/
support_eng.asp.
(technical documents, drivers, utilities, etc.)
E-mail Support e-Support On-Line
Fax Support +1 408 228 1100 Attn: Technical Support
Phone Support +1 408 228 1400 option 4
If you wish to write us for
support:
Promise Technology, Inc.
580 Cottonwood Drive
Milpitas, CA 95035, USA
E-mail Support e-Support On-Line
Fax Support +31 0 40 256 9463 Attn: Technical Support
Phone Support +31 0 40 235 2600
If you wish to write us for
support:
Promise Technology Europe B.V.
Science Park Eindhoven 5542
5692 EL Son, The Netherlands

SuperTrak EX Series User Manual
274
Germany
Italy
Taiwan
E-mail Support e-Support On-Line
Fax Technical Support +49 0 2 31 56 76 48 29
Attn: Technical Support
Phone Technical Support +49 0 2 31 56 76 48 10
If you wish to write us for
support:
Promise Technology Germany
Europaplatz 9
44269 Dortmund, Germany
E-mail Support e-Support On-Line
Fax Support +39 0 6 367 124 00 Attn: Technical Support
Phone Support +39 0 6 367 126 26
If you wish to write us for
support:
Promise Technology Italy
Piazza del Popolo 18
00187 Roma, Italia
E-mail Support e-Support On-Line
Fax Support +886 3 578 2390 Attn: Technical Support
Phone Support +886 3 578 2395 ext. 8822 or 8823
If you wish to write us for
support:
Promise Technology, Inc.
2F, No. 30, Industry E. Rd. IX
Science-based Industrial Park
Hsin-Chu 30075, Taiwan (R.O.C.)

Chapter 9: Support
275
China
E-mail Support e-Support On-Line
Fax Support +86 10 8857 8015 Attn: Technical Support
Phone Support +86 10 8857 8085 or 8095
If you wish to write us for
support:
Promise Technology China – Beijing
Room 1205, Tower C
Webok Time Center, No.17
South Zhong Guan Cun Street
Hai Dian District, Beijing 100081, China
E-mail Support e-Support On-Line
Fax Support +86 21 6249 4627 Attn: Technical Support
Phone Support +86 21 6249 4192, 4193, or 4199
If you wish to write us for
support:
Promise Technology China – Shanghai
Room 508, Leader Tower
1189 West Wu Ding Road
Jing An District, Shanghai 200042, China

SuperTrak EX Series User Manual
276
Limited Warranty
Promise Technology, Inc. (“Promise”) warrants that this product, from the time of
the delivery of the product to the original end user:
a) all components, except the cache backup battery, for a period of three
(3) years;
b) the cache backup battery, for a period of one (1) year;
c) will conform to Promise’s specifications;
d) will be free from defects in material and workmanship under normal use
and service.
This warranty:
a) applies only to products which are new and in cartons on the date of
purchase;
b) is not transferable;
c) is valid only when accompanied by a copy of the original purchase
invoice.
d) Is not valid on spare parts.
This warranty shall not apply to defects resulting from:
a) improper or inadequate maintenance, or unauthorized modification(s),
performed by the end user;
b) operation outside the environmental specifications for the product;
c) accident, misuse, negligence, misapplication, abuse, natural or
personal disaster, or maintenance by anyone other than a Promise or a
Promise-authorized service center.
Disclaimer of other warranties
This warranty covers only parts and labor, and excludes coverage on software
items as expressly set above.
Except as expressly set forth above, Promise DISCLAIMS any warranties,
expressed or implied, by statute or otherwise, regarding the product, including,
without limitation, any warranties for fitness for any purpose, quality,
merchantability, non-infringement, or otherwise. Promise makes no warranty or
representation concerning the suitability of any product for use with any other
item. You assume full responsibility for selecting products and for ensuring that
the products selected are compatible and appropriate for use with other goods
with which they will be used.

Chapter 9: Support
277
Promise DOES NOT WARRANT that any product is free from errors or that it will
interface without problems with your computer system. It is your responsibility to
back up or otherwise save important data before installing any product and
continue to back up your important data regularly.
No other document, statement or representation may be relied on to vary the
terms of this limited warranty.
Promise’s sole responsibility with respect to any product is to do one of the
following:
a) replace the product with a conforming unit of the same or superior
product;
b) repair the product.
Promise shall not be liable for the cost of procuring substitute goods, services,
lost profits, unrealized savings, equipment damage, costs of recovering,
reprogramming, or reproducing of programs or data stored in or used with the
products, or for any other general, special, consequential, indirect, incidental, or
punitive damages, whether in contract, tort, or otherwise, notwithstanding the
failure of the essential purpose of the foregoing remedy and regardless of
whether Promise has been advised of the possibility of such damages. Promise
is not an insurer. If you desire insurance against such damage, you must obtain
insurance from another party.
Some states do not allow the exclusion or limitation of incidental or consequential
damages for consumer products, so the above limitation may not apply to you.
This warranty gives specific legal rights, and you may also have other rights that
vary from state to state. This limited warranty is governed by the State of
California.
Your Responsibilities
You are responsible for determining whether the product is appropriate for your
use and will interface with your equipment without malfunction or damage. You
are also responsible for backing up your data before installing any product and
for regularly backing up your data after installing the product. Promise is not liable
for any damage to equipment or data loss resulting from the use of any product.

SuperTrak EX Series User Manual
278
Returning the Product For Repair
If you suspect a product is not working properly, or if you have any questions
about your product, contact our Technical Support Staff through one of our
Technical Services, making sure to provide the following information:
• Product model and serial number (required)
• Return shipping address
• Daytime phone number
• Description of the problem
• Copy of the original purchase invoice
The technician will assist you in determining whether the product requires repair.
If the product needs repair, the Technical Support Department will issue an RMA
(Return Merchandise Authorization) number.
Return ONLY the specific product covered by the warranty (do not ship cables,
manuals, diskettes, etc.), with a copy of your proof of purchase to:
You must follow the packaging guidelines for returning products:
• Use the original shipping carton and packaging
• Include a summary of the product’s problem(s)
• Write an attention line on the box with the RMA number
• Include a copy of proof of purchase
Important
Obtain an RMA number from Technical Support before you return
the product and write the RMA number on the label. The RMA
number is essential for tracking your product and providing the
proper service.
USA and Canada: Promise Technology, Inc.
Customer Service Dept.
Attn.: RMA # ______
47654 Kato Road
Fremont, CA 94538
Other Countries: Return the product to your dealer
or retailer.
Contact them for instructions
before shipping the product.

Chapter 9: Support
279
You are responsible for the cost of insurance and shipment of the product to
Promise. Note that damage incurred due to improper transport or packaging is
not covered under the Limited Warranty.
When repairing returned product(s), Promise may replace defective parts with
new or reconditioned parts, or replace the entire unit with a new or reconditioned
unit. In the event of a replacement, the replacement unit will be under warranty
for the remainder of the original warranty term from purchase date, or 30 days,
whichever is longer.
Promise will pay for standard return shipping charges only. You will be required to
pay for any additional shipping options (such as express shipping).

SuperTrak EX Series User Manual
280

281
Appendix A: Partition and Format
In order for your operating system to recognize and work with the physical drives
attached to your SuperTrak EX Controller card, the drives must be partitioned
and formatted.
• If your drives were previously partitioned and formatted they are ready to use
and you can skip this procedure
• If your drives have not been partitioned and formatted, you must do that job
before you can use them
The actions of partitioning and formatting create a file structure on the physical
drives with which your operating system can work. In the example below, we
show how this is done in Windows. A similar procedure is required for Linux PCs.
However, partitioning and formatting in Linux is not automated, therefore please
refer to your system documentation for the exact procedure.
1. From the desktop, right-click the My Computer icon and choose Manage
from the popup menu. The Computer Management window opens.
2. From the left menu, click Disk Management. The Disk Management window
opens with your new logical disk identified as Disk 1. The Initialize Wizard
appears automatically.
Note
If you plan to boot your computer from this logical drive, you will
perform partitioning and formatting during the OS installation. The
instructions here are for data logical drives only.

SuperTrak EX Series User Manual
282
3. Click the Next button to start the Wizard.
4. In the following windows, choose Disk 1 to Initialize. Do not choose any
disks to Convert. Click the Finish button to Initialize the logical disk.
5. Right-click the Unallocated portion of Disk 1 and choose New Partition...
from the popup menu. The New Partition Wizard appears.

Appendix A: Partition and Format
283
6. Click the Next button to start the wizard.
7. In the following windows, do the following actions. Click Next to move to the
next window.
• Choose Primary Partition
• Specify the maximum available partition size in MB
• Assign the available drive letter of your choice
• Choose Format this partition with the following settings
• File system: NTFS
• Allocation unit size: Default
• Volume label: Enter your choice of name
• Do not check “Perform a quick format” or “Enable file and folder
compression”
8. Review your selections and click Finish. The New Partition Wizard will
disappear while partitioning and formatting begin.
This process will take some time. The Disk Management window displays
the progress.

SuperTrak EX Series User Manual
284
When formatting is complete, your logical disk will appear as a hard drive in
the Disk Management window (above) and the My Computer window
(below).

285
Appendix B: Upgrades
• Updating SuperTrak BIOS and Firmware (page 285)
• Updating WebPAM PRO (page 286)
Updating SuperTrak BIOS and Firmware
Follow this procedure to upgrade the BIOS and Firmware on your SuperTrak
EX4650, EX8650, EX8654, EX8658, or EX16650 Controller card.
The SuperTrak card must be properly installed in your PC or server in order to
perform the update. See “Installing the SuperTrak Card” on page 9 for more
information.
Downloading BIOS and Firmware File
1. Go to the Promise Support Website at http://support.promise.com/.
2. Click Downloads.
3. Click the Select Product popup menu and choose SuperTrak EX4350/
EX8650/EX8654/EX8658/EX16650.
4. Click the Select Category popup menu and choose All.
5. Click the GO button.
The list of available downloads displays. The firmware and BIOS come
together in a single package.
6. Click the package you want. Be sure you choose the latest version.
7. In the File Download dialog box, click the Save button.
8. In the Save As dialog box, direct the file to save to a convenient location on
your PC.
9. Continue the update procedure in WebPAM PRO. See “Updating the
Firmware” on page 129.
Important
After you update your BIOS and Firmware, install the latest
SuperTrak driver for your OS. See “Chapter 3: Installing Drivers”
on page 59.

SuperTrak EX Series User Manual
286
Updating WebPAM PRO
Follow this procedure to upgrade the WebPAM PRO Software on your PC or
server.
Downloading the WebPAM PRO Update File
1. Go to the Promise website http://support.promise.com/.
2. Click Downloads.
3. Click the Select Product popup menu and choose SuperTrak EX4350/
EX8650/EX8654/EX8658/EX16650.
4. Click the Select Category popup menu and choose Utility.
5. Click the GO button.
The list of the current WebPAM PRO software displays. Promise provides
versions of WebPAM PRO software for Windows and Linux. Be sure you
choose the latest version.
6. Click the WebPAM PRO file you want.
7. In the File Download dialog box, click the Save button.
8. In the Save As dialog box, direct the software to save to a convenient
location on your PC.
9. Unzip the downloaded WebPAM package.
The result is a single installer file.
Installing the WebPAM PRO Update File
You must manually uninstall the existing version of WebPAM PRO before
installing the new one.
See “Installing WebPAM PRO onto Windows” on page 39 or “Installing WebPAM
PRO onto Linux” on page 47.
Logging into WebPAM PRO
The new version of WebPAM PRO has the same login procedure as previous
version. See “Logging into WebPAM PRO” on page 55 or page 107.

287
Appendix C: Battery Backup Unit
The Battery Backup Unit (BBU) maintains power to the cache on the SuperTrak
EX Controller card, when a power failure occurs to the Host PC. The failure could
be due to a problem with the PC’s power supply, a cessation of electrical service,
or an accidental disconnection of the power cable.
When power is interrupted, any data in the controller’s cache is lost. The BBU
maintains power to the cache so that any data stored there is saved until it can be
written to a physical drive.
The BBU is available as a kit, sold separately from the SuperTrak EX Controller
card.
• SuperTrak EX4650 and EX8650 take BBU-Plus II or BBU-Plus III
• SuperTrak EX8654, EX8658, and EX16650 take BBU-Plus III.
Be sure you obtain and install the correct kit for your controller.
The BBU kit includes the following components:
• Battery Assembly – Includes a lithium battery and holder
• Mounting screws (3)
Figure 1. The BBU-Plus III kit

SuperTrak EX Series User Manual
288
Installing the BBU
To install the BBU onto your SuperTrak EX Controller card in the Host PC:
1. Power down your system.
2. Remove the cover of your system.
3. Detach the SAS multi-lane cables from the SuperTrak EX Controller card.
4. Remove the screw holding the SuperTrak EX Controller card to the system
case.
5. Gently pull the SuperTrak EX Controller card out of the PCI-Express slot and
remove it from the system.
6. Place the SuperTrak EX Controller card on an anti-static surface with the
connectors facing up.
7. Attach the BBU module connector on the Battery Assembly to the BBU
module connector on the SuperTrak EX Controller card. See Figure 2.
Warning
The electronic components on the SuperTrak EX Controller cards
are sensitive to damage from Electro-Static Discharge (ESD).
Observe appropriate precautions at all times when handling the
SuperTrak card or its subassemblies.
Warning
Before installing the BBU onto SuperTrak EX Controller card,
backup any important or useful data. Failure to follow this
accepted PC practice could result in data loss.

Appendix C: Battery Backup Unit
289
Figure 2. BBU module connectors on EX4650. Other models are similar
8. From the opposite side of the SuperTrak EX Controller card, insert and snug
the three screws to secure the Battery Assembly.
Figure 3. Three screws secure the Battery Assembly. The EX4650 is
shown. Other models are similar
9. Install the SuperTrak EX Controller card back into its PCI-Express slot.
SuperTrak EX Controller Battery Assembly
BBU module
connector
Back of SuperTrak
EX Controller
Mounting
screw 1 of 3

SuperTrak EX Series User Manual
290
10. Replace the screw holding the SuperTrak EX Controller card to the system
case.
11. Attach the SAS multi-lane cables to the SuperTrak EX Controller card.
12. Replace the cover of your system.
13. Power-up the system and launch WebPAM PRO.
See “Logging into WebPAM PRO” on page 107.
After installation and power-up, a new battery takes several hours to charge.
From that time, it should show Fully Charged. See “Viewing Battery Information”
on page 142.
The BBU module is covered by a one-year warranty. See “Limited Warranty” on
page 276.

291
Appendix D: LED Backplane Connections
• Schematic Diagrams (below)
• Direct LED Display (page 293)
• Aggregate LED Display (page 293)
• Global LED Display (page 294)
Schematic Diagrams
To set up LED configuration for your enclosure or PC, make your backplane
connections as shown below. You can make connections for:
• Aggregate LEDs
• Global LEDs in two colors
• Direct connection – Individual fault and activity LEDs
For SuperTrak EX8654 and EX8658, note that only the interior SAS Ports
have individual LED pins.
For more information, see “Installing the SuperTrak Card” on page 9 and the user
manual for your PC or enclosure.
Figure 1. SuperTrak Aggregate and Global LED backplane connections
Aggregate
LEDs
Global
LEDs
Optional resistors for
tuning LED brightness.
Backplane SuperTrak Controller Card
1
1
2
2
0 Ω
0 Ω
12
34
1
2
3
4
+
R
G
+
LED R+G
D-704578362
pin pitch 2.54 mm
for header
pin pitch 2.54 mm
for header
LED activity = Low

SuperTrak EX Series User Manual
292
Figure 2. SuperTrak fault and activity LED connections
For LED status and behavior information, see the tables on the following pages.
12
1
1
1
1
1
1
1
1
1
1
1
1
1
1
1
1
2
2
2
2
2
2
2
2
2
2
2
2
2
2
2
2
34
56
78
910
1112
1314
1516
Fault and Activity LEDs Activity LEDsFault LEDs
330 Ω
330 Ω
330 Ω
330 Ω
330 Ω
330 Ω
330 Ω
330 Ω
330 Ω
330 Ω
330 Ω
330 Ω
330 Ω
330 Ω
330 Ω
330 Ω
3.3 V 3.3 V
Backplane BackplaneSuperTrak Controller Card
pin pitch 2.54 mm
for header
LED activity = Low

Appendix D: LED Backplane Connections
293
Direct LED Display
Direct LEDs, glow and blink in response to the SuperTrak’s firmware status.
For more information, see:
• “Managing Physical Drives” on page 87 or page 146
• “Managing Disk Arrays” on page 89 or page 150
• “Managing Logical Drives” on page 92 or page 166
• “Managing Spare Drives” on page 97 or page 172
Aggregate LED Display
Aggregate LEDs glow or blink in response to Storage Device (physical drive)
activity.
Fault
LED Activity
LED Firmware Status
OFF OFF No physical drive
ON ON Unconfigured physical drive
OFF ON Configured physical drive – Status OK
ON ON Configured physical drive – Status Not OK
OFF ON Global spare drive – Status OK
ON ON Physical drive – Status Dead
ON ON Stale condition
Blink ON Rebuilding
OFF Blink Activity
Blink ON Locate physical drive
Blink ON Locate logical drive
Blink ON Locate disk array
LED Storage Device Status
OFF No activity
ON Storage device (physical drive) activity

SuperTrak EX Series User Manual
294
Global LED Display
Global LEDs glow in response to Logical Drive status.
When a Global LED glows amber or red, you must diagnose and resolve the
logical drive problem in the SuperBuild BIOS or in WebPAM PRO.
See “Chapter 8: Troubleshooting” on page 257.
LED Logical Drive Status
Dark System off
Green Normal
Amber Logical Drive Critical
Red Logical Drive Offline

295
Index
Numerics
10GBTruncate 238
2 TB limitation 237
A
About This Manual 1
add
host 120
subsystem 120
Agent, WebPAM PRO 37, 121,
126
airflow, PC or server 8, 268
alias
controller 141
disk array 90, 91, 155
logical drive 93, 95, 155, 159
physical drive 148
subsystem 129
Auto Rebuild enable 134
axles
RAID 50 227
RAID 60 230
specify number 94, 155
B
background activity
run 134
settings 133
view 133
backplane, LED connections 291
battery
backup unit (BBU) 287
information 142
not charging 268
BIOS
downloading 285
SuperTrak 18, 81
blank browser screen 268
block size, see stripe size 236
browser screen, blank 268
browser support for WebPAM PRO
4, 38
buzzer 104, 257
information 144
settings 143
silencing 143
testing 143
C
capacity
disk array 89
logical drive 93, 155, 159
physical drive 87
spare drive 173, 266
capacity coercion
defined 238
settings 142
check table 170
CIM
client settings 126
server settings 126
clear
event logs 102
NVRAM event log 132
orphan watermark 142
runtime event log 131
statistical data 129
CLI
commands, listed 184
commands, table 181
install
FreeBSD 35
Linux 28
VMware 36
Windows 23
notes, conventions 183
open 27, 179

SuperTrak EX Series User Manual
296
CLI, cont.
start 27, 179
Client/Server, WebPAM PRO 121
connection, in-band versus out-of-
band 121
controller
alias 141
information 86, 139
selection 85
settings 141
statistics 141
create
disk array 19, 90, 151
logical drive 20, 93, 159
spare drive 97, 173
user 118
critical logical drive 253, 263, 266
D
dedicated spare drive 239
degraded logical drive 166
delete
disk array 91, 157
Event Frame 114
host 121
logical drive 95, 160
scheduled activity 137
spare drive 99, 174
subsystem 121
user 118
dimensions, SuperTrak card 6
disk array
capacity 89
create 19, 90
create advanced 155
create automatically 152
create express 153
create manually 155
delete 91, 157
expansion 246
information 89, 157
disk array, cont.
list 89
locate 150
migrate 161, 240
name or alias 90, 91, 155
prepare for transport 164
rebuild 162, 255
run Media Patrol 163
run PDM 163
settings 91, 158
status 90, 157
transitioning 164
view 150
downloading
BIOS 285
drivers 59
firmware 285
WebPAM PRO 286
drivers
downloading 59
FreeBSD 76
installation media 60
Miracle Linux 75
RedHat Linux 70
SuSE Open Linux 73
SuSE SLES Linux 74
Windows Server 2003 66
Windows Server 2008 62
Windows Vista 64
Windows XP 68
E
email
messages 254, 261
service settings 124
status 123
test 125
enable
Auto Rebuild 134
Media Patrol 134
SMART 141

Index
297
enclosure
information 145
JBOD 14, 16
polling interval 142
SGPIO 15
SuperSwap 16
third party 146, 150, 167, 176
virtual 15, 146, 150, 167, 176
VTrak 14, 147, 151, 167, 176
error block threshold setting 134
Event Frame
deleting 114
refresh time 125
saving 114
viewing 113
event logs
clear 102
SuperBuild 101
expansion 161, 240
ranges of 246
Extended SMTP 125
F
failed physical drive 253
FAQs
installation 271
physical drives 270
post installation 272
pre-installation 269
find failed drive
SuperBuild 263
WebPAM PRO 264
firmware
downloading 285
update 129
first-time setup, WebPAM PRO 57
format logical drive 240, 281
FreeBSD
installing
CLI 35
driver 76
G
GBTruncate 238
global spare drive 239
GRPRounding 238
H
Header 111
health, subsystem 130
host
add 120
delete 121
information 127
hot spare drive 239
I
ID numbers and SAS connections
15
in-band versus out-of-band 121
Inconsistent Block Table 171
information
battery 142
buzzer 144
controller 139
disk array 89, 157
enclosure 145
host 127
logical drive 92, 177
logical drives 166, 167
physical drive 87, 148
spare drive 97
subsystem 128
subsystem/host 120
user 116
initialization
settings 133
initialization, logical drive 94, 156,
160, 169, 239
installing
BBU kit 288

SuperTrak EX Series User Manual
298
installing, cont.
CLI
FreeBSD 35
Linux 28
VMware 36
Windows 23
FreeBSD driver 76
Miracle Linux driver 75
RedHat Linux driver 70
SuperTrak EX Controller card 9
SuSE Open Linux driver 73
SuSE SLES Linux driver 74
VMware driver 78
WebPAM PRO
Linux 47
Windows 39
Windows Server 2003 driver
66
Windows Server 2008 driver
62
Windows Vista driver 64
Windows XP driver 68
J
Java Runtime Environment 38
JBOD enclosure 14, 16, 147, 151,
167, 176
L
language, WebPAM PRO 113
LED behavior and SuperTrak sta-
tus 258, 293
LED pins
backplane 291
SuperTrak 12
Linux
installing
drivers 70–75
WebPAM PRO 47
list
disk arrays 89
logical drives 92
physical drives 87, 146
scheduled activities 135
spare drives 97, 172
locate
disk array 150
logical drive 167, 176
physical drive 146
logging into WebPAM PRO 55,
107
logging out of WebPAM PRO 115
logical drive
2 TB limitation 237
automatic rebuild 266
axles 94, 155
capacity 21, 93, 155, 159
check table 170
create 20, 93, 159
critical 253, 263, 266
degraded 166
delete 95, 160
information 92, 166, 167, 177
initialization 94, 156, 160,
169, 239
list 92
list of all 176
locate 167, 176
manual rebuild 266
name or alias 21, 93, 95, 155,
159, 169
offline 253, 263
partition and format 240, 281
RAID level 21, 93, 155, 159
read cache policy 22, 94, 95,
156, 159, 169
Redundancy Check 170
sector size 21, 93, 156, 159
settings 95, 168
statistics 168

Index
299
logical drive, cont.
status 92, 93, 166
stripe size 21, 93, 156, 159
synchronizing 160, 168
write cache policy 22, 94, 95,
156, 160, 169
login screen, WebPAM PRO 56,
109
M
maintenance user 118
Management View 112
Media Patrol
and PDM 248
defined 248
enable 134
run 134
run on disk array 163
scheduling 135
settings 133
migrate
disk array 161, 240
settings 133
multi-lane SAS cable 12, 288, 290
N
NVRAM event log
clear 132
save 132
view 131
O
offline logical drive 253, 263
online expansion 161, 240
orphan watermark, clear 142
OS support for WebPAM PRO 3,
37
out-of-band versus in-band 121
overview of SuperTrak 2
P
partition logical drive 240, 281
password
change 117
WebPAM PRO 56, 109
PCI-Express slot 9, 288
PDM
and Media Patrol 248
defined 248
running on a physical drive 135
running on disk array 163
settings 133
triggers 134, 248
PFA condition 149, 265
physical drive
alias 148
capacity 87
capacity coercion 142, 238
configuration status 148
failure 253
find failed 263, 264
global settings 147
information 87, 148
list 87, 146
locate 146
management 87
operational status 148
PDM 135, 163
PFA condition 149, 265
problems 88, 265
stale condition 149, 265
statistics 148
status 158
polling interval 142
popup message 254, 261
power user 118
Predictive Data Migration, see
PDM 248
problems
logical drive 253, 263
physical drive 88, 253, 265

SuperTrak EX Series User Manual
300
Product Overview 2
R
RAID
choosing a RAID level 232
introduction to 219
VTrak subsystem 145
RAID level
logical drive 93, 155, 159
migrate 161, 240
RAID 0
applications 232
description 220
RAID 1
applications 232
description 221
RAID 10
applications 234
description 225
RAID 1E
applications 233
description 222
RAID 5
applications 233
description 223
RAID 50
applications 235
description 226
RAID 6
applications 234
description 224
RAID 60
applications 235
description 229
recommendations 232
read cache policy
defined 238
logical drive 94, 95, 156, 159
Read Check Table 171
reassigned block threshold setting
134
rebuild
disk array 162
logical drive 266
settings 133
rebuild logical drive
manual 266
rebuilding a disk array 255
red X 253, 261
RedHat, WebPAM PRO icon in ap-
plication menu 54
Redundancy Check
run on logical drive 170
scheduling 135
settings 133
refresh interval, Event Frame 125
refresh screen, WebPAM PRO 127
returning product for repair 278
revertible spare drive 164, 172,
173, 239
run
background activity 134
Media Patrol 134
Redundancy Check 170
runtime event log
clear 131
save 131
view 130
S
SAS
breakout cable 15
connections and ID numbers
15
data cable 16
diamond port 14
expanders 15, 16, 17
fanout cable 14
multi-lane cable 9, 12, 14,
288, 290

Index
301
save
Event Frame 114
NVRAM event log 132
runtime event log 131
scheduled activities
delete 137
list 135
scheduling
Media Patrol 135
Redundancy Check 135
Spare Check 135
sector size
defined 236
logical drive 93, 156, 159
settings
background activities 133
buzzer 143
capacity coercion 142
CIM client 126
CIM server 126
controller 141
disk array 91, 158
email service 124
error block threshold 134
logical drive 95, 168
other users 116
physical drives 147, 148
reassigned block threshold
134
spare drives 98, 174
user 117
privileges 122
user privileges 118, 127
web server 123
SGPIO enclosure 15
silencing the buzzer 143
SMART, enable 141
Software Management 123
Spare Check
running 175
scheduling 135
spare drive
automatic rebuild 266
capacity 173, 266
create 97, 173
dedicated to array 98, 173
dedicated to disk arrays 172
defined 239
delete 99, 174
information 97
list 97, 172
physical drive ID 97
revertible 98, 172, 173
settings 98, 174
spare check 175
status 97, 172
specifications 6
stale condition 149, 265
statistics
clear 129
controller 141
logical drive 168
physical drive 148
status
disk array 89, 90, 157
email 123
logical drive 90, 92, 93
logical drives 166
physical drive 87, 148, 158
spare drives 97, 172
subsystem 130
web server 123
Storage Network 114
stripe size 21
defined 236
logical drive 93, 156, 159
subsystem
add 120
alias 129
delete 121
health 130
information 128

SuperTrak EX Series User Manual
302
subsystem, cont.
JBOD 14, 16
subsystem/host information 120
super user 118
SuperBuild
background activity 100
buzzer 104, 257
controller information 86
controller selection 85
enter 18
event logs 101
find failed drive 263
logical drive management 92
logical drive, manual rebuild
266
main menu 18, 84
physical drive management 87
spare drive management 97
Time Sync 103
SuperBuild utility, accessing 81
SuperSwap enclosure 14, 16
SuperTrak
Advanced Hardware Design 4
Compatibility 5
installing 9
LED behavior 258, 293
LED pins 12
overview 2
specifications 6
unpacking 7
XOR microprocessor 2
SuperTrak BIOS 18, 81
critical screen 82
normal screen 82
offline screen 83, 260
Synchronization
settings 133
synchronizing a logical drive 160,
168
system configuration, view 137
T
TableRounding 238
technical support, contacting 273
temperatures, operating 6, 8, 268
test email 125
testing the buzzer 143
Time Sync 103
Tomcat server 124
Transition
automatic 251
defined 249
disk array 164
manual 251
settings 133
transport, prepare disk array 164
Tree View 111
troubleshooting 253
U
update firmware 129
user
create 118
delete 118
information 116
interface, WebPAM PRO 110
name in WebPAM PRO 56,
109
password, change 117
privileges 118, 122, 127
privileges defined 118
settings 117
settings of other users 116
Utility Server 37, 126
V
view
background activities 133
disk array 150
NVRAM event log 131
runtime event log 130

Index
303
view, cont.
scheduled activities 135
system configuration 137
view-only user 118
virtual enclosure 15
VMware
installing
CLI 36
drivers 78
VTrak JBOD 14, 16, 147, 151,
167, 176
VTrak RAID subsystem 145
W
warranty 276
web server
settings 123
status 123
WebPAM PRO
Agent 37, 121, 126
alias for subsystem 129
background activity
run 134
schedule 135
settings 133
battery information 142
blank screen 268
browser support 4, 38
buzzer 143
CIM client settings 126
CIM server settings 126
Client/Server 121
components 37
controller
info 139
settings 141
statistics 141
description 3
WebPAM PRO, cont.
disk array
auto create 152
delete 157
express create 153
info 157
locate 150
manual create 155
Media Patrol 163
migrate 161
PDM 163
prepare for transport 164
rebuild 162
settings 158
transition 164
display language 113
downloading 286
email service 124
enclosures 145
Event Frame 113
event frame refresh 125
extended SMTP 125
External SSL Security option
44, 51
find failed driive 264
firmware update 129
first-time setup 57
Header 111
host
add 120
delete 121
info 120
icon in RedHat application
menu 54
installing
Linux 47
Windows 39
Java Runtime Environment 38
logging in 55, 107
logging out 115

SuperTrak EX Series User Manual
304
WebPAM PRO, cont.
logical drive
check table 170
create 159
delete 160
info 166, 167, 177
initialize 169
locate 167, 176
Redundancy Check 170
settings 168
statistics 168
logical drive, manual rebuild
267
login screen 56, 109
Management View 112
Media Patrol 134
NVRAM event log 131
orphan watermark 142
OS support 3, 37
password 56, 109
password, change 117
PDM 135
physical drive
global settings 147
info 148
locate 146
PFA condition 149, 265
settings 148
stale condition 149, 265
statistics 148
refresh screen 127
Regular connection 55, 108
runtime event log 130
Secure connection 55, 108
session time out setting 124
WebPAM PRO, cont.
spare drive
create 173
delete 174
settings 174
spare check 175
statistical data, clear 129
Storage Network 114
subsystem
add 120
delete 121
health 130
info 120
Tomcat Server 124
Tree View 111
troubleshooting 253
user
create 118
delete 118
interface 110
name 56, 109
password 117
privileges 122, 127
settings 116
Utility Server 37, 126
Web Server 123
Windows
installing
drivers 62–68
WebPAM PRO 39
write cache policy
defined 238
logical drive 94, 95, 156, 160
Write Check Table 171
Y
yellow ! 253, 261