17598 2 Taco 0015 Msf3 1Ifc Instructions 102 226 User Manual
17597 2 Taco 0015-Msf3-Ifc Instructions 17597_2_Taco 0015-MSF3-IFC Instructions 17597_2_Taco 0015-MSF3-IFC Instructions pdf pumpproducts
17597 4 Taco 0015-Msf2-Ifc Instructions 17597_4_Taco 0015-MSF2-IFC Instructions 17597_4_Taco 0015-MSF2-IFC Instructions pdf pumpproducts
17598 4 Taco 0015-Msf2-1Ifc Instructions 17598_4_Taco 0015-MSF2-1IFC Instructions 17598_4_Taco 0015-MSF2-1IFC Instructions pdf pumpproducts
554788 2 Taco 0015-Msf2-Ifc Instructions 554788_2_Taco 0015-MSF2-IFC Instructions 554788_2_Taco 0015-MSF2-IFC Instructions pdf pumpproducts
User Manual: Pump 17598 2 Taco 0015-Msf3-1Ifc Instructions
Open the PDF directly: View PDF
.
Page Count: 4

Instruction Sheet
0015-MSF-IFC Multi-Speed Cartridge Circulator
with Integral Flow Check
102-433
APPLICATION:
• Maximum operating pressure is 125 psi (862 kPa).
• Maximum water temperature not to exceed nameplate rating.
• Cast iron circulators are to be used for closed loop systems only.
• Taco Cartridge circulator pumps are for indoor use only – employer uniquement
a linterieur.
• For use with water or maximum of 50% glycol/water mix systems only.
CAUTION: 1. The addition of petroleum based fluids or certain chemical additives to systems
utilizing TACO equipment voids the warranty.
2. Use supply wires suitable for 90°C – ATTENTION: Employer des fils dalimentation
adequats pour 90°C.
WARNING: To avoid electrical shock, disconnect the power supply to the circulator and the main
electrical unit.
WARNING: Do not use in swimming pool or spa areas; pump has not been investigated for this
application.
WARNING: In the event the electrical box has been pulled off of the housing, DO NOT attempt to
reattach it. Use of any other screw may short out the stator windings, creating a risk of
electrical shock.
CAUTION: When installing electrical connections, do not apply mechanical loads to the capacitor
box; otherwise, retaining screws may be pulled out of the housing, making circulator
unusable.
SUPERSEDES: New EFFECTIVE: March 15, 2012
Plant ID# 001-4002
CAUTION: Installations at higher elevations over 5000 feet must have higher fill pressure of 20 psi
minimum to prevent pump cavitation and flashing. Premature failure may result. Adjust
expansion tank pressure to equal fill pressure. A larger size expansion tank may be required.
INSTALLATION:
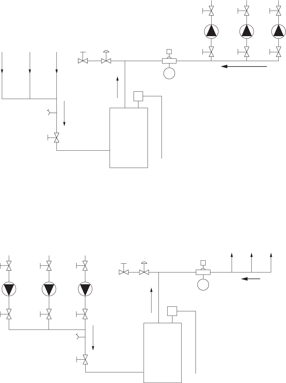
1. Location – Install the
“OO” circulator on the supply side of the boiler “pumping away” from the expansion tank as shown in
Figure 1. This is the best pump location for optimum system performance and maintaining positive system pressure. An alter-
nate location is on the boiler return line as shown in Figure 2.
2. Mounting position – Mount circulator with the motor in the horizontal position. It may be mounted vertically with the
motor up, provided that the system cold fill pressure is at least 20 psi (138 kPa) to ensure proper air purging and pre-
vent flashing.
3. Rotating body – Body has an arrow on the front that indicates direction of flow. To rotate body, remove the four body
bolts, rotate body and replace bolts. Make sure that the junction box is NOT located underneath the circulator. (The
junction box must NOT be located in the 6 o’clock position, as viewed from the motor end.)
4. Electrical connections – Observe all applicable codes when connecting to power supply.
The motor is thermally protected, and does not require additional overload protection.
Either colored wire from the capacitor box can be attached to either colored wire from the
power supply. There is no “hot” or “common” wire leading from the capacitor box. Typical
installation would be to attach the white wire to the white (common) power supply wire and
either the yellow or blue wire to the black (hot) power supply wire. The pump cannot run
backwards.
SPEED Amps (Watts)
1 0.71 (79)
2 0.82 (93)
3 0.98 (113)
ELECTRICAL DATA

BOILER
FF
EXPANSION
TANK
ZONE 1ZONE 2
V1
PV4
FIGURE 1:
PREFERRED PIPING
FOR CIRCULATORS
ON BOILER SUPPLY LINE
ZONE 1
V2
V3
P
ZONE 3
ZONE 2
V2
V3
P
ZONE 3
V2
V3
P
• AIR PURGING SEQUENCE
BY ZONE
LAST FIRST
BOILER
FF
EXPANSION
TANK
ZONE
1
ZONE
2
V1
PV4
FIGURE 2:
ALTERNATE PIPING
FOR CIRCULATORS
ON BOILER RETURN LINE
ZONE 1ZONE 2
V2V2
V3V3
PP
ZONE
3
ZONE 3
V2
V3
P• AIR PURGING
SEQUENCE
BY ZONE
LAST FIRST
KEY:
VI, V2, V3 = SHUT-OFF ISOLATION VALVE
P = TACO IFC CIRCULATOR
FF = FAST FILL BOILER FEED VALVE
PV4 = PURGE VALVE
RECOMMENDED PURGING STEPS:
1. CLOSE V1, PV4, V2
2. OPEN V3
3. OPEN FF VALVE
4. OPEN V2, PV4, TO PURGE LAST ZONE
FIRST (ZONE 3)
5. CLOSE FF VALVE
6. CLOSE V2, PV4
7. REPEAT STEPS 1 TO 6 FOR EACH
ADDITIONAL ZONE, PURGE ZONE 1 LAST
8. OPEN V1 WHEN ALL ZONES ARE
PURGED
9. ADJUST SYSTEM TO DESIRED
OPERATING FILL PRESSURE IF
REQUIRED
5. Fill system with tap water or maximum 50% glycol/water mix – The system must be filled before operating the circulator.
The bearings are water lubricated and should not be allowed to operate dry. Filling the system will result in immediate lubri-
cation of the bearings. It is always good practice to flush a new system of foreign matter before starting the circulator.
6. Circulator operation – Operate the circulator for 5 minutes at full speed immediately after flushing the system to purge
remaining air from the bearing chamber. This is especially important when installing the circulator during the off-season.
7. Turn speed dial on circulator to the desired speed and performance range. See Figure 3.

Your “00” circulator with an Integral Flow Check (IFC) is
designed for easy removal, service and replacement. Please
follow these instructions to ensure proper service and operation
of the circulator.
REMOVAL:
1. Disconnect power to circulator and related equipment.
2. Shut off water supply. Isolate circulator using service valves
or drain system if valves are not available.
3. Allow system to cool to prevent scalding. Loosen flange bolts
slowly to relieve system pressure and remove circulator from
the system. Access the IFC located in the discharge flange
(Figure 4).
4. Using needle nose pliers, carefully grip the IFC body and
remove slowly.
PROPER REMOVAL/REPLACEMENT OF THE INTEGRAL FLOW CHECK (IFC)
Figure 4: View of IFC in discharge
flange of “00” pump casing.
0015-MSF-IFC
Figure 3: Multi-Speed Control Dial
PUMP REPLACEMENT CROSS REFERENCE
60 Hz PERFORMANCE FIELD:
3-Speed Models
TACO Armstrong Grundfos Wilo B & G
0015-MSF-IFC * Astro-30-3 UPS15-58FC Star-S16F NRF-25
Astro-50-3 Star-S21F
* Replaces Taco 00R-MSF-IFC 3-speed.

REPLACEMENT:
1. Make sure the IFC pocket is clean and free of any debris.
2. Position IFC into the machined pocket inside the casing as shown in Figure 4. Firmly press the IFC into the pocket until
it snaps into place.
3. Reinstall circulator with new flange gaskets, if required.
4. Open water supply and refill system. Check for any leaks.
5. Reconnect power to circulator and check for proper operation of system.
REPLACING MOTOR ASSEMBLY:
1. Disconnect the electrical supply.
2. Reduce system pressure to 0 psi and allow system to return to room temperature. Isolate the circulator by closing the
service valves or draining the system.
3. Remove the body bolts and swing motor assembly away from the body.
4. Transfer impeller cartridge from old motor to new motor making sure the cover plate is between the cartridge flange
and motor housing.
5. Install new motor, and reassemble circulator using the new gasket and bolts supplied.
6. Follow the “installation” procedure to start up the circulator
REPLACING CARTRIDGE ASSEMBLY:
1. Disconnect the electrical supply.
2. Reduce system pressure to 0 psi and allow system to return to room temperature. Isolate the circulator by closing the
service valves or draining the system.
3. Remove the body bolts and swing motor assembly away from the body.
4. Pull cartridge out of the motor housing.
5. Install replacement cartridge, making sure that the cover plate is between the cartridge flange and motor.
6. Make sure the replacement cartridge corresponds to the full circulator product number. A complete parts list is available
from your local plumbing supply wholesaler.
7. Reassemble the circulator using the new gasket and bolts supplied.
8. Follow the “Installation” procedure to start up the circulator.
REPLACING CAPACITOR:
1. Replacement capacitor must have same rating as originally furnished.
LIMITED WARRANTY STATEMENT
Taco, Inc. will repair or replace without charge
(at the company’s option) any Taco 00 Series cir-
culator or circulator part which is proven defec-
tive under normal use within three (3) years from
the date of manufacture.
In order to obtain service under this warranty, it
is the responsibility of the purchaser to promptly
notify the local Taco stocking distributor or Taco
in writing and promptly deliver the subject product
or part, delivery prepaid, to the stocking distrib-
utor. For assistance on warranty returns, the
purchaser may either contact the local Taco
stocking distributor or Taco. If the subject prod-
uct or part contains no defect as covered in this
warranty, the purchaser will be billed for parts
and labor charges in effect at time of factory
examination and repair.
Any Taco product or part not installed or operated
in conformity with Taco instructions or which has
been subject to misuse, misapplication, the
addition of petroleum-based fluids or certain
chemical additives to the systems, or other
abuse, will not be covered by this warranty.
If in doubt as to whether a particular substance
is suitable for use with a Taco product or part, or
for any application restrictions, consult the
applicable Taco instruction sheets or contact
Taco at (401-942-8000).
Taco reserves the right to provide replacement
products and parts which are substantially similar
in design and functionally equivalent to the
defective product or part. Taco reserves the right
to make changes in details of design, construc-
tion, or arrangement of materials of its products
without notification.
TACO OFFERS THIS WARRANTY IN LIEU OF
ALL OTHER EXPRESS WARRANTIES. ANY
WARRANTY IMPLIED BY LAW INCLUDING
WARRANTIES OF MERCHANTABILITY OR
FITNESS IS IN EFFECT ONLY FOR THE DURA-
TION OF THE EXPRESS WARRANTY SET
FORTH IN THE FIRST PARAGRAPH ABOVE.
THE ABOVE WARRANTIES ARE IN LIEU OF
ALL OTHER WARRANTIES, EXPRESS OR
STATUTORY, OR ANY OTHER WARRANTY
OBLIGATION ON THE PART OF TACO.
TACO WILL NOT BE LIABLE FOR ANY SPE-
CIAL, INCIDENTAL, INDIRECT OR CONSE-
QUENTIAL DAMAGES RESULTING FROM THE
USE OF ITS PRODUCTS OR ANY INCIDENTAL
COSTS OF REMOVING OR REPLACING
DEFECTIVE PRODUCTS.
This warranty gives the purchaser specific
rights, and the purchaser may have other rights
which vary from state to state. Some states do
not allow limitations on how long an implied war-
ranty lasts or on the exclusion of incidental or
consequential damages, so these limitations or
exclusions may not apply to you.
COMFORT MADE EASY®
TACO, INC., 1160 Cranston Street, Cranston, RI 02920 Telephone: (401) 942-8000 FAX: (401) 942-2360.
TACO (Canada), Ltd., 8450 Lawson Road, Unit #3, Milton, Ontario L9T 0J8. Telephone: 905/564-9422. FAX: 905/564-9436.
Visit our web site at: http://www.taco-hvac.com
Printed in USA
Copyright 2012
TACO, Inc.