257 2 Zoeller 10 0682 Product Instructions User Manual
537450 2 Zoeller A-Pak Alarm Systems Installation Instructions 537450_2_Zoeller A-PAK Alarm Systems Installation Instructions
537450 2 Zoeller A-Pak Alarm Systems Installation Instructions 537450_2_Zoeller A-PaK Alarm Systems Installation Instructions
537451 2 Zoeller A-Pak Alarm Systems Installation Instructions 537451_2_Zoeller A-PAK Alarm Systems Installation Instructions
537453 2 Zoeller A-Pak Alarm Systems Installation Instructions 537453_2_Zoeller A-PAK Alarm Systems Installation Instructions
537454 2 Zoeller A-Pak Alarm Systems Installation Instructions 537454_2_Zoeller A-PAK Alarm Systems Installation Instructions
User Manual: Pump 257 2 Zoeller 10-0682 Product Instructions
Open the PDF directly: View PDF
.
Page Count: 4

© Copyright 2012 Zoeller Co. All rights reserved.
FOR YOUR PROTECTION ALWAYS DISCONNECT FROM POWER SOURCE BEFORE HANDLING. The “A-Pak” Alarm
system has a double insulated plastic enclosure for your protection and is supplied with a 2-prong plug.
SPECIFICATIONS
This alarm system monitors liquid levels in lift pump chambers, sump pump basins, holding tanks, sewage, agricultural
and other non-potable water applications. It features a red warning light, green “power on” light, alarm test switch and
horn silence switch. “A-Pak” primary voltage is 120 VAC, 60 Hz, 2.4 watts max (alarm condition) (circuit is not supervised).
Secondary voltage is 9 VDC (circuit is not supervised). Battery backup power is 9 VDC. NOTE: 9V battery is not included
and must be purchased separately.
NOTE: The alarm panel plugs into a standard household 120 VAC socket. DO NOT plug “A-Pak” Alarm System into the
same circuit as the pump. The “A-Pak” Alarm System should be connected to a circuit separate from the pump circuit.
Push test button to check alarm panel for operation.
ALARM PANEL INSTALLATION
1) Before installing alarm panel, remove battery cover on side of alarm panel and install a 9V battery. (not included)
2) Mount the alarm panel indoors with screws provided. NOTE: The mounting screw is to be located over a wall stud or
used with a wall anchor sized for a #8 x 1.25 self tapping screw.
3) Hang the panel by the keyhole in the back of the alarm enclosure and install the second screw between the tabs
located on bottom of the enclosure.
4) Using the provided cable clamp, secure the power cord to the outlet as shown (see Fig. A). Use existing receptacle
faceplate screw and supplied washer.
SECTION: 6.10.100
FM0483
0112
Supersedes
1111/2
PN 1012302 Rev. F
MODEL TAAB
Product information presented
here reects conditions at time
of publication. Consult factory
regarding discrepancies or
inconsistencies.
MAIL TO: P.O. BOX 16347 • Louisville, KY 40256-0347
SHIP TO: 3649 Cane Run Road • Louisville, KY 40211-1961
(502) 778-2731 • 1 (800) 928-PUMP • FAX (502) 774-3624
visit our web site:
www.zoeller.com
®
Your Peace of Mind is Our Top Priority
®
NOTICE TO INSTALLER: Instructions must remain with installation.
Figure A
SK2148
“A-PAK” ALARM SYSTEM INSTALLATION INSTRUCTIONS
CONTROL SWITCH INSTALLATION
MECHANICAL FLOAT SWITCH
(10-1494, 10-2614)
1) Place cord into clamp and secure to discharge pipe as shown in clamp detail (see
Fig. B). NOTE: Do not install the cord under the hose clamp.
2) Tighten the hose clamp with a screwdriver. NOTE: Do not over tighten; over tightening
may cause damage to the plastic clamp.
3) Make sure the oat cable is not allowed to touch the excess hose clamp band during
operation.
4) The oat switch must be suspended seven inches below desired activation level. (see Fig. D)
5) Allow system to cycle to ensure proper operation.
FACEPLATE SCREW
WASHER
CABLE CLASP
3.5 INCH
TETHER LENGTH
FOR DOUBLE
FLOAT
3.5 INCH
MINIMUM
TETHER LENGTH
FOR PUMP
SWITCH
SK1301D
Figure B
CLAMP DETAIL
(Tether Length Non-Adjustable)
LIFT PUMP
Suspend control switch above pump turn on level. If a pump failure causes
high-level condition, the A-Pak Alarm System will activate (see Fig. C).
Figure C
SEWAGE HOLDING TANK
Suspend control switch into tank seven inches below desired
alarm level. A-Pak Alarm System will activate if oat ascends to
alarm level (see Fig. D).
SK1301b
Figure D
TEST
SILENCE
ALARM
POWER ON
ZOELLER
ALARM
ZOELLER
PUMP "ON"
PUMP "OFF"
FIBERGLASS
OR POLYETHYLENE
BASIN
"ON" LEVEL
VARIABLE LEVEL
CONTROL SWITCH
LEVEL
LEVEL
4" OF GRAVEL
ALARM
ZOELLER
TO POWER SUPPLY
TO POWER SUPPLY
UNICHECK
"DO NOT" PLUG "A-PAK ALARM SYSTEM
INTO THE SAME CIRCUIT AS THE PUMP
NOTE:
SK2376

© Copyright 2012 Zoeller Co. All rights reserved.
WARNING:
ELECTRICAL SHOCK
HAZARD
FAILURE TO DISCONNECT ALL
POWER BEFORE SERVICING
COULD RESULT IN INJURY OR DEATH.
LR54245
LISTED
288X
LOUISVILLE, KY
R
L
U
R
Figure G
SK2375
Connect the two conductors from the control switch to either of the terminations on the bottom of the alarm panel (see Fig. G).
The control switch operates on low voltage and is isolated from the 120 VAC power line to reduce shock hazards.
TEST
Check and test your installation by lifting the oat manually (see Fig. D or F). The alarm panel should indicate an alarm
condition. The Zoeller Company cannot be responsible for damages caused by faulty or negligent installation of this device.
We respectfully suggest you engage the services of a qualied licensed electrician or service person. Push TEST button
once per week to verify proper operation.
NOTE: Alarm systems 10-2613 and 10-2615 are not intended to be used in sewage holding tank systems.
VERTICAL REED FLOAT SWITCH
(10-2613, 10-2615)
DO NOT install switch in direct line of incoming liquid.
1) Place the clamp into the switch housing as shown. (see Fig. E).
2) Locate clamp at desired activation level and secure the clamp to the discharge pipe as shown (see Fig. E).
NOTE: DO NOT install cord under hose clamp.
3) Tighten the hose clamp using a screwdriver. Over tightening may result in damage to the switch housing.
4) Check installation. Allow system to cycle to insure proper operation.
NOTE: When installing the control switch, a cable strain relief must be used to secure the control switch cord.
SK1301F SK1301G
Figure E Figure F
CONTROL SWITCH INSTALLATION
CONTROL SWITCH WIRING

© Copyright 2012 Zoeller Co. All rights reserved.
MODELS 10-2614 AND 10-2615 “A-PAK” ALARM SYSTEMS WITH AUXILLIARY CONTACTS
WIRING INSTRUCTIONS
ELECTRICAL SHOCK HAZARD - Disconnect
all power sources before servicing. Failure to do so could result in
serious injury or death.
1) Remove the three screws from the back of the enclosure as shown in
Fig. H.
2) Remove the back of the enclosure. Note the position of the power cord
in the enclosure. The cord will need to be located in the same manner
when the enclosure back is replaced.
3) Determine the location where the auxiliary contact wires will enter the
housing. See Fig. I for recommended location. Before drilling the hole,
loosen the circuit board mounting screw and remove the circuit board.
See Fig. J.
4) At the selected location, drill a hole in the enclosure suitable for the
strain relief that will be used (strain relief not included).
5) Install strain relief and reinstall the circuit board. Connect wires to the
terminal block shown in Fig. J.
6) Markings on the circuit board show positions for Common (C), Normally
Open (NO), and Normally Closed (NC).
7) Position the power cord into place as it was prior to removing the
enclosure back as shown in Fig. J.
8) Reinstall the enclosure back and three screws.
Do not over torque screws. Screw bosses may
become stripped.
9) Note that while testing the installed product, the auxiliary alarm wired to
the auxiliary contacts should activate in an alarm condition. The auxiliary
alarm should also remain in alarm condition when the silence button is
pushed.
Auxiliary Contacts Specications
Voltage: 120 VAC
Current: 5 amps max. N/O
3 amps max. N/C
NOTE: This unit includes auxiliary contact option. Due to increased
power consumption, if an alarm condition occurs while on battery
backup power, this option will reduce the life of the battery.
SK2775
Figure H Figure IFigure J
All electrical systems must be installed by a qualied licensed electrician according to the
National Electrical Code and all other applicable codes.

© Copyright 2012 Zoeller Co. All rights reserved.
ZOELLER
ALARM
ZOELLER
PUMP "ON"
PUMP "OFF"
FIBERGLASS
OR POLYETHYLENE
BASIN
"ON" LEVEL
VARIABLE LEVEL
CONTROL SWITCH
LEVEL
LEVEL
4" OF GRAVEL
ALARM
TRANSFORMER
ZOELLER
DISCONNECTS
NOT SHOWN TO POWER
SUPPLY
UNICHECK
SK367
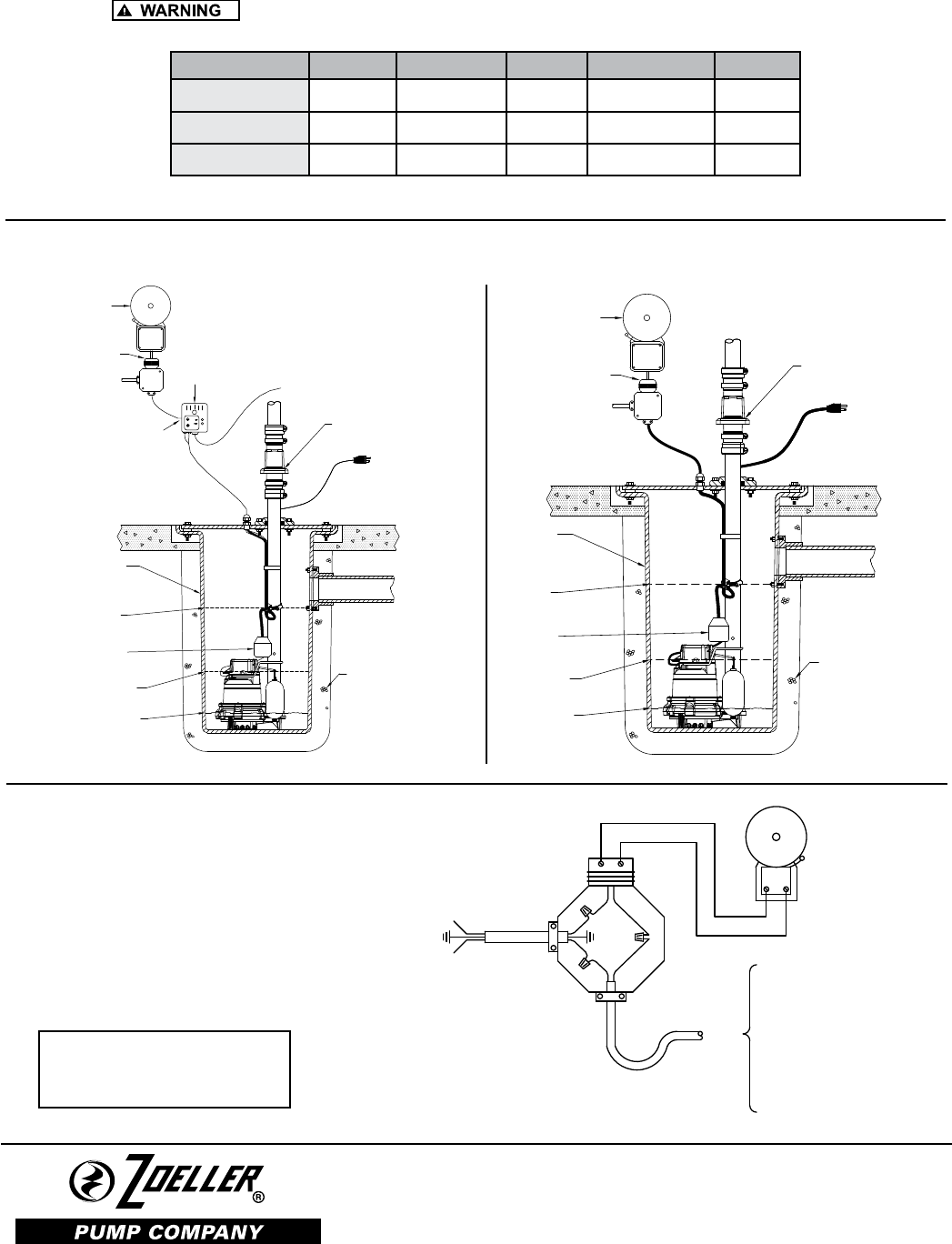
TYPICAL SIMPLEX SYSTEMS WITH BELL ALARM SYSTEM
WIRING DIAGRAM
(10-0015)
(10-0016)
(10-0028)
DISCONNECT
NOT SHOWN
NOTE: ALARM SYSTEM
SHOULD BE ON A SEPARATE
CIRCUIT FROM PUMPS.
SK313
TRANSFORMER
115 TO 8V
OR
230 TO 8V
L1
L2
POWER
UTILITY
BOX
ALARM BELL
8V
TO
CONTROL SWITCH
SEE FM0419 FOR MOUNTING
INSTRUCTIONS.
-OR-
MECHANICAL ALTERNATOR
(10-0075) WITH ALARM
SUPPLY
ZOELLER VARIABLE LEVEL
CONTACTS.
BELL ALARM SYSTEMS
TYPICAL INSTALLATION AND WIRING INSTRUCTIONS
NOTE: Utility box and cordage sold separately. Bell Alarms 10-0015 and 10-0016 are designed to be used with Alarm Packs 10-2614 and 10-2615.
Model Voltage dB @ 10’ Bell Transformer Float
10-0015 115V 74
oo
10-0016 230V 74
oo
10-0028 115V 78
o o o
MAIL TO: P.O. BOX 16347 • Louisville, KY 40256-0347
SHIP TO: 3649 Cane Run Road • Louisville, KY 40211-1961
(502) 778-2731 • 1 (800) 928-PUMP • FAX (502) 774-3624
Your Peace of Mind is Our Top Priority
®
®visit our web site:
www.zoeller.com
All electrical systems must be installed by a qualied licensed electrician according to the
National Electrical Code and all other applicable codes.
TEST
SILENCE
ALARM
POWER ON
ZOELLER
ALARM
ZOELLER
PUMP "ON"
PUMP "OFF"
FIBERGLASS
OR POLYETHYLENE
BASIN
"ON" LEVEL
VARIABLE LEVEL
CONTROL SWITCH
LEVEL
LEVEL
4" OF GRAVEL
BELL ALARM
TRANSFORMER
ZOELLER
DISCONNECTS
NOT SHOWN
TO POWER
SUPPLY
UNICHECK
ALARM PANEL TO POWER SUPPLY
"DO NOT" PLUG "A-PAK ALARM SYSTEM
INTO THE SAME CIRCUIT AS THE PUMP
AUX. CONTACTS
SK2911