535221 1 Grundfos 40 120 Submittal CAPS User Manual
User Manual: Pump 535221 1 Grundfos 40-120 Submittal
Open the PDF directly: View PDF
.
Page Count: 6

Submittal Data
PROJECT:
REPRESENTATIVE:
ENGINEER:
CONTRACTOR:
UNIT TAG:
TYPE OF SERVICE:
SUBMITTED BY:
APPROVED BY:
ORDER NO.:
QUANTITY:
DATE:
DATE:
DATE:
Product photo could vary from the actual product
MAGNA 40-120 F
Circulator pumps, electronically controlled
Conditions of Service
Flow:
Head:
Efficiency:
Liquid: Water
Temperature: 68 °F
NPSH required:
Viscosity:
Specific Gravity: 1.000
Pump Data
Maximum operating pressure: 174 psi
Liquid temperature range: 59 .. 203 °F
Maximum ambient temperature: 104 °F
Approvals: CCSAUS
Flange standard: GF 15/26 & GF 40/43
Pipe connection: 1.5"
Product number: 96734489
Motor Data
P1 max: 25 .. 450 W
Rated voltage: 230 V
Main frequency: 60 Hz
Enclosure class: X4D
Insulation class: H
H
[ft]
0
5
10
15
20
25
30
35
40
Q [US gpm]0 10 20 30 40 50 60 70 80 90
eta
[%]
0
20
40
60
80
100
MAGNA 40-120 F, 60Hz
100 %
90 %
80 %
70 %
60 %
50 %
40 %
28 %
Pumped liquid = Water
Liquid temperature = 68 °F
Density = 62.29 lb/ft³
P1
[W]
0
100
200
300
1/6

Submittal Data
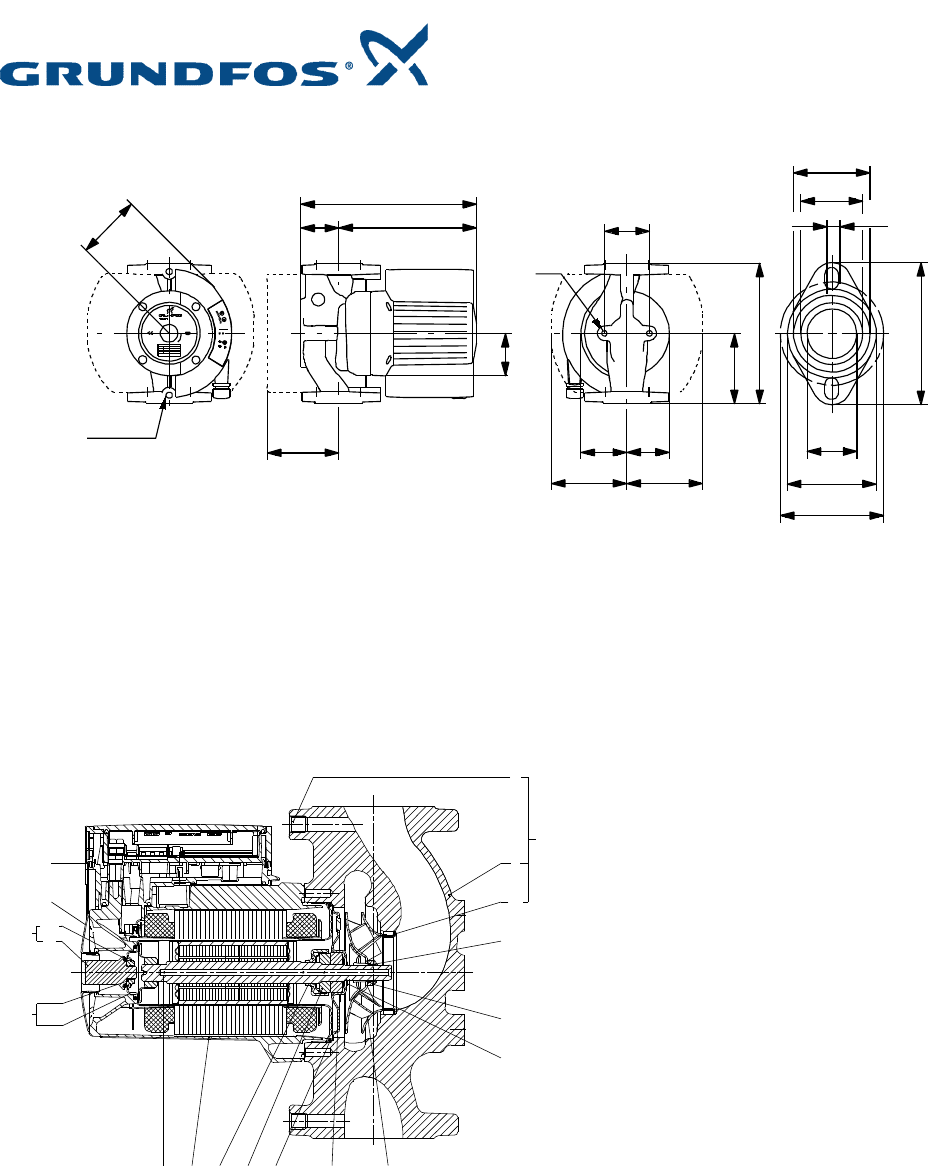
4 3/4"
3 3/4*
4 1/4"
8 1/2"
3 1/8"
3 1/16"
2 11/16" 9 1/2"
12 3/16"
1 9/16"
2 15/16"
3 1/8" - 3 7/16"
3 3/4"
1/2"
1 15/16"
2 3/8"
M12
NPT 1/4
5 1/2" 4 5/16"
2 15/16"
4 1/2"
172
4576
163
55 153 72a 59 49
49b
48
61
6
100
17
17a
148
50
159
18 Materials:
Pump housing: Cast iron
EN-GJL250
AISI A48 CL35
ASTM EN-GJL250
Impeller: Stainless steel
DIN W.-Nr. 1.4301
AISI 304
2/6

Printed from Grundfos CAPS [2013.05.046]
96734489 MAGNA 40-120 F 60 Hz
H
[ft]
0
5
10
15
20
25
30
35
40
Q [US gpm]0 10 20 30 40 50 60 70 80 90
eta
[%]
0
20
40
60
80
100
MAGNA 40-120 F, 60Hz
100 %
90 %
80 %
70 %
60 %
50 %
40 %
28 %
Pumped liquid = Water
Liquid temperature = 68 °F
Density = 62.29 lb/ft³
P1
[W]
0
50
100
150
200
250
300
350
400
450
3/6

Printed from Grundfos CAPS [2013.05.046]
H
[ft]
0
5
10
15
20
25
30
35
40
Q [US gpm]0 10 20 30 40 50 60 70 80
eta
[%]
0
20
40
60
80
100
MAGNA 40-120 F, 60Hz
100 %
90 %
80 %
70 %
60 %
50 %
40 %
28 %
Pumped liquid = Water
Liquid temperature = 68 °F
Density = 62.29 lb/ft³
P1
[W]
0
100
200
300
4 3/4"
3 3/4*
4 1/4"
8 1/2"
3 1/8"
3 1/16"
2 11/16" 9 1/2"
12 3/16"
1 9/16"
2 15/16"
3 1/8" - 3 7/16"
3 3/4"
1/2"
1 15/16"
2 3/8"
M12
NPT 1/4
5 1/2" 4 5/16"
2 15/16"
4 1/2"
S
T
O
P
78
NC NO C
21 3
NL
Start/stopSignal output
Mains operation
Description Value
Product name: MAGNA 40-120 F
Product Number: 96734489
EAN number: 5700838071573
Technical:
Head max: 39.4 ft
TF class: 110
Approvals on nameplate: CCSAUS
Model: F
Materials:
Pump housing: Cast iron
EN-GJL250
AISI A48 CL35
ASTM EN-GJL250
Impeller: Stainless steel
DIN W.-Nr. 1.4301
AISI 304
Installation:
Range of ambient temperature: 32 .. 104 °F
Maximum operating pressure: 174 psi
Flange standard: GF 15/26 & GF 40/43
Pipe connection: 1.5"
Pressure stage: 175 PSI
Port-to-port length: 8 1/2 in
Liquid:
Pumped liquid: Water
Liquid temperature range: 59 .. 203 °F
Liquid temp: 68 °F
Density: 62.29 lb/ft³
Electrical data:
Power input - P1: 25 .. 450 W
Maximum current consumption: 0.17 .. 2 A
Main frequency: 60 Hz
Rated voltage: 1 x 230 V
Enclosure class (IEC 34-5): X4D
Insulation class (IEC 85): H
Controls:
Pos term box: 15
Others:
Net weight: 75 lb
Gross weight: 38.6 lb
Shipping volume: 2.83 ft³
Energy label: A
4/6

Printed from Grundfos CAPS [2013.05.046]
Note! All units are in [mm] unless others are stated.
Disclaimer: This simplified dimensional drawing does not show all details.
96734489 MAGNA 40-120 F 60 Hz
4 3/4"
3 3/4*
4 1/4"
8 1/2"
3 1/8"
3 1/16"
2 11/16" 9 1/2"
12 3/16"
1 9/16"
2 15/16"
3 1/8" - 3 7/16"
3 3/4"
1/2"
1 15/16"
2 3/8"
M12
NPT 1/4
5 1/2" 4 5/16"
2 15/16"
4 1/2"
5/6

Printed from Grundfos CAPS [2013.05.046]
All units are [mm] unless otherwise presented.
96734489 MAGNA 40-120 F 60 Hz
S
T
O
P
78
NC NO C
21 3
NL
Start/stop
Signal output
Mains operation
6/6