535997 1 Grundfos Service Parts Catalog User Manual
User Manual: Pump 535997 1 Grundfos Service Parts Catalog
Open the PDF directly: View PDF
.
Page Count: 80

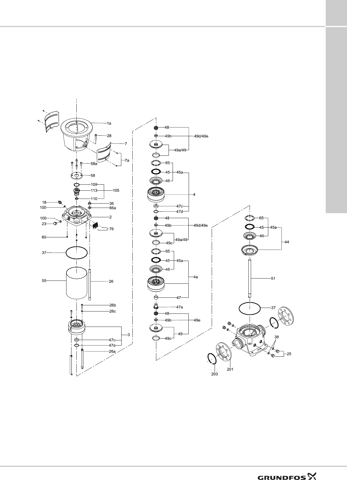
CR, CRI, CRN 1, 3 CR
104
Service Kit Catalogue 2016
13 50/60 Hz
13. CR
CR, CRI, CRN 1, 3
50/60 Hz
Coupling guard
Content
Plug
Content
O-ring
Content
Shaft seal
Content
* Silicone-free cartridge
Wear parts
Description Kit No
MG 71 - 80 96505130
MG 90 - 132 96505131
NEMA, F 182/213 TC 96505132
Pos. Description Quantity
7 Coupling guard 2
7a Screw 4
Description Kit No
EPDM/FKM 96505133
EPDM/FKM, NEMA 96511103
Pos. Description Quantity
18 Air vent screw 1
23a Pipe plug 1
23b Pipe plug 1
25 Drain plug with bypass valve 1
38 O-ring 16.3 x 2.4 EPDM 1
FKM 1
100 O-ring 16.3 x 2.4 EPDM 2
FKM 2
Description Kit No
EPDM 96455090
FKM 96455091
FXM 96463944
Pos. Description Quantity
37 O-ring 137.5 x 3.3 2
38 O-ring 16.3 x 2.4 1
100 O-ring 16.3 x 2.4 2
109 O-ring 22 x 2.75 1
Description Kit No
HQQE 96455086
HQQV 96455087
HQQK 96533326
HQQF 96533327
HQBE 96455088
HQBV 96455089
HQBK 96491375
HUBE 96455082
HUBV 96455083
HUBK 96533322
HUBF 96533323
HUUE 96455084
HUUV 96455085
HUUV* 91043611
HUUK 96533324
HUUF 96533325
Pos. Description Quantity
105 Shaft seal 1
Pos.
Bearings Kit No
Silicon carbide 96455095 96455092 96455093 96455094
Bronze 96455102 96455104 96455105 96455106
Carbon graphite 96460140 96455110 96455111 96455112
Description/stages -9 -19 -27 -36
4a Chamber with bearing 1 2 3 4
39 Gasket 2 2 2 2
45 Neck ring 8 17 24 32
47a Bearing ring, rotating 1 2 3 4
64a Spacing pipe 1 2 3 4
64c Clamp splined 1 1 1 1
65 Neck ring retainer 8 17 24 32
66 Lock washer 1 1 1 1
67 Lock nut 1 1 1 1

CR, CRI, CRN 1, 3 CR
105
13
50/60 Hz Service Kit Catalogue 2016
CR, CRI, CRN 1, 3
TM02 0210 4100

CR, CRI, CRN 1, 3 CR
106
Service Kit Catalogue 2016
13 50/60 Hz
Chamber stack complete (silicon carbide bearing)
Coupling complete
Content
Pump type CR/CRI 1 CRN 1 CR/CRI 3 CRN 3
Number of
stages Kit No Kit No Kit No Kit No
296453485 96453507 96453529 96453552
396453486 96453508 96453530 96453553
496453487 96453509 96453531 96453554
596453488 96453510 96453532 96453555
696453489 96453511 96453533 96453556
796453490 96453512 96453534 96453557
896453491 96453513 96453535 96453558
996453492 96453514 96453536 96453559
10 96453493 96453515 96453537 96453560
11 96453494 96453516 96453538 96453561
12 96453495 96453517 96453539 96453562
13 96453496 96453518 96453540 96453563
15 96453497 96453519 96453541 96453564
17 96453498 96453520 96453542 96453565
19 96453499 96453521 96453543 96453566
21 96453500 96453522 96453544 96453567
23 96453501 96453523 96453545 96453568
25 96453502 96453524 96453546 96453569
27 96453503 96453525 96453547 96453570
29 - - 96453548 96453571
30 96453504 96453526 - -
31 - - 96453549 96453572
33 96453505 96453527 96453550 96453573
36 96453506 96453528 96453551 96453574
Motor/pump shaft diameter [mm] Kit No
14/12 415060
19/12 415061
24/12 415062
28/12 415063
38/12 415065
15.8/12, NEMA 415314
28.5/12, NEMA 415315
Pos. Description Quantity
9Screw 4
10 Pin 1
10a Coupling half 2

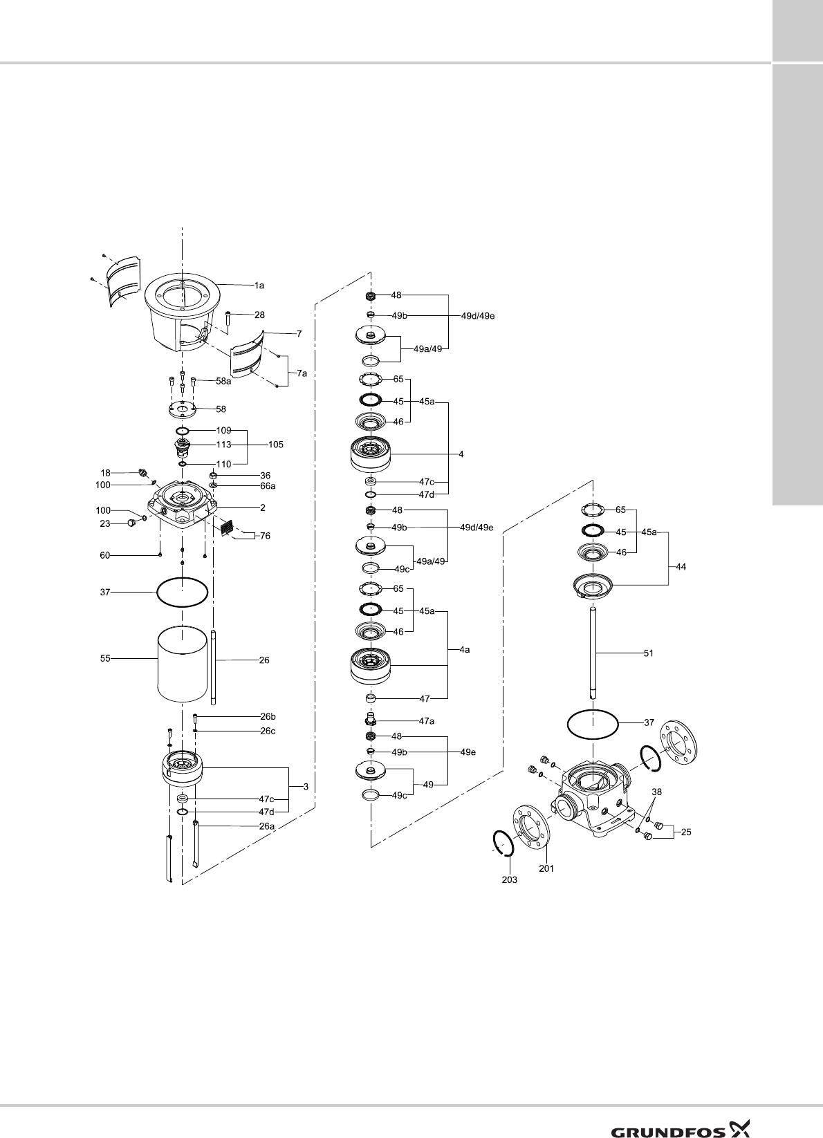
CR, CRI, CRN 1, 3 CR
107
13
50/60 Hz Service Kit Catalogue 2016
CR, CRI, CRN 1, 3
TM02 0210 4100

CR 2 CR
108
Service Kit Catalogue 2016
13 50/60 Hz, Models C, D
CR 2
50/60 Hz, Models C, D
Chamber stack complete
Coupling complete
Content
Impeller
Shaft seal
Wear parts
Consists of items: 4, 4a, 5a, 47a, 49, 50a, 51, 61, 64, 64a, 64c, 66, 67 Kit No Kit No
Ceramic bearings Bronze bearingsNumber of stages
2405102 405321
3405103 405322
4405104 405323
5405105 405324
6405106 405325
7405107 405326
8405115 405343
9405108 405327
10 405116 405344
11 405109 405328
12 405117 405345
13 405110 405329
15 405111 405330
18 405112 405331
22 405113 405332
26 405114 405333
Description Kit No
14/12 415060
19/12 415060
24/12 415062
28/12 415063
38/12 415065
15.8/12 415314
28.5/12, NEMA 415315
Pos. Description Quantity
8 Coupling half 2
9Screw 4
10 Pin 1
Pos. Kit No 405083
Description
49 Impeller 2
64 Spacing pipe for impeller 2
Pos. Kit No 985167 405146 96588264 405096 405097 985727 985186 985720 985721 405348 405347
Description AUUE/V AUUE/V AUUE BUBE BUBV RUUE/V CVBV AUUK AUBK BQQE BQQV
37 Sleeve gasket 2 2 2 2 2 2 2 2 2
37 Vulcanised sleeve
gasket (NBR) - 2 - -- - -----
37 Vulcanised sleeve
gasket (EPDM) - - 2 -- - -----
105 Shaft seal 1 1 1 1 1 1 1 1 1 1 1
Pos.
Kit No 405098 405099 405100 96588266 405319 405320
Number of stages 2-9 11-18 22-26 2-9 11-18 22-26
Description Ceramic bearings Bronze bearings
4aBearing chamber 123123
37Sleeve gasket 222222
38Drain plug gasket 111111
39 Flange gasket 222222
45 Neck ring 8 14 23 8 14 23
47aBearing ring 123123
61Spacer for shaft seal111111
65 Neck ring retainer 8 14 23 8 14 23
64cSpacer 111111
66Spring washer 111111
67Lock nut 111111
68 O-ring (1 EPDM and 1 FKM) 111111
100 O-ring (1 EPDM and 1 FKM) 111111

CR 2 CR
109
13
50/60 Hz, Models C, D Service Kit Catalogue 2016
CR 2
TM00 2559 4097

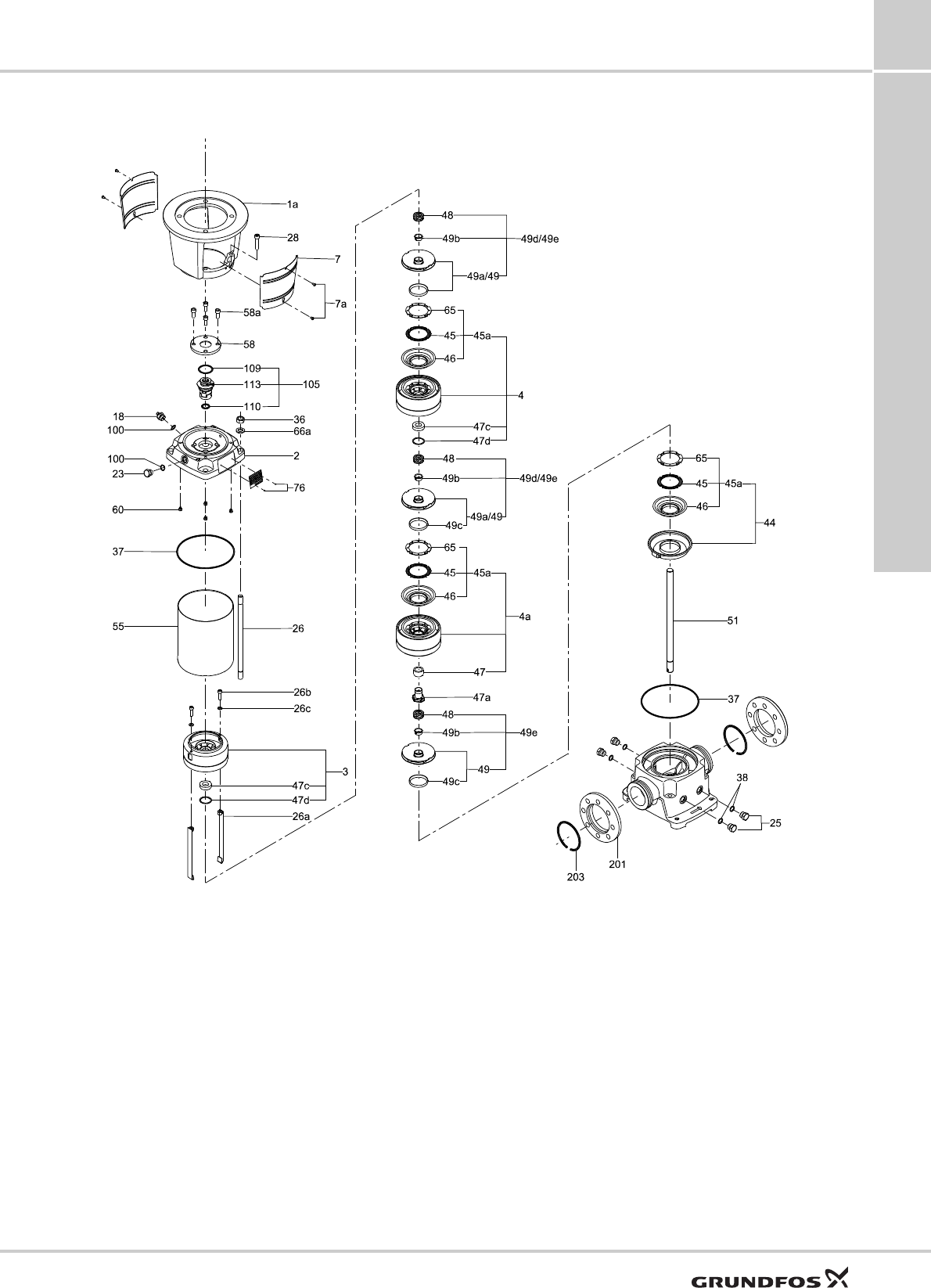
CR 4 CR
110
Service Kit Catalogue 2016
13 50/60 Hz, Models C, D
CR 4
50/60 Hz, Models C, D
Chamber stack complete
Coupling complete
Content
Impeller
Shaft seal
Wear parts
EPDM and FKM
Consists of items: 4, 4a, 5a, 47a, 49, 50a, 51, 61, 64, 64a, 64c, 66, 66b, 67 Kit No Kit No
Ceramic bearings Bronze bearingsNumber of stages
1415254 415333
2415255 415334
3415256 415335
4415257 415336
5415258 415337
6415259 415338
7415260 415339
8415261 415340
10 415262 415341
12 415263 415342
14 415264 415343
16 415265 415344
19 415266 415345
22 415267 415346
Motor/pump shaft diameter [mm] Kit No
14/12 415060
19/12 415061
24/12 415062
28/12 415063
38/12 415065
15.8/12, NEMA 415314
28.5/12, NEMA 415315
Pos. Description Quantity
8 Coupling half 2
9Screw 4
10 Pin 1
Pos. Kit No 415232
Description
49 Impeller 2
64 Spacing pipe for impeller 2
Pos. Kit No 985167 405146 985769 405096 405097 985727 985186 985720 985721 405348 405347
Description AUUE/V AUUE/V AUUE BUBE BUBV RUUE/V CVBV AUUK AUBK BQQE BQQV
37Sleeve gasket 2- -22222222
37 Vulcanised sleeve gasket
(NBR) -2---------
37 Vulcanised sleeve gasket
(EPDM) --2--------
105Shaft seal 11111111111
Pos.
Kit No 415286 415287 415349 415288 415350 415351 415352 415353
Number of stages 1-6 7-12 14-16 19-22 1-6 7-12 14-16 19-22
Description Ceramic bearings Bronze bearings
4aBearing chamber 12341234
37Sleeve gasket 22222222
38Drain plug gasket 11111111
39 Flange gasket 22222222
45 Neck ring 5 10 13 18 5 10 13 18
47aBearing ring 12341234
61Spacer for shaft seal 11111111
64cSpacer 11111111
65 Neck ring retainer 5 10 13 18 5 10 13 18
66Spring washer 11111111
67Lock nut 11111111
68 O-ring11111111
100 O-ring11111111

CR 4 CR
111
13
50/60 Hz, Models C, D Service Kit Catalogue 2016
CR 4
TM00 2570 4097

CR, CRI, CRN 5 CR
112
Service Kit Catalogue 2016
13 50/60 Hz
CR, CRI, CRN 5
50/60 Hz
Coupling complete
Content
O-ring
Shaft seal
* Silicone-free cartridge
Content
Wear parts
Motor/pump shaft diameter [mm] Kit No
14/12 415060
19/12 415061
24/12 415062
28/12 415063
38/12 415065
15.8/12 (NEMA) 415314
28.5/12 (NEMA) 415315
34.9/12 (NEMA) 96478700
Pos. Description Quantity
105 Shaft seal 1
Pos. Kit No 96455090 96455091
Description EPDM FKM
37 O-ring 137.5 x 3.3 2 2
38 O-ring 16.3 x 2.4 1 1
100 O-ring 16.3 x 2.4 2 2
109 O-ring 22 x 2.75 1 1
Description Kit No
HQQE 96455086
HQQV 96455087
HQQK 96533326
HQQF 96533327
HQBE 96455088
HQBV 96455089
HQBK 96491375
HUBE 96455082
HUBV 96455083
HUBK 96533322
HUBF 96533323
HUUE 96455084
HUUV 96455085
HUUV* 91043611
HUUK 96533324
HUUF 96533325
Pos. Description Quantity
105 Shaft seal 1
Pos.
Bearings Kit No
Silicon carbide 96455096 96455097 96455098 96455099 96455101 96455100
Bronze 96455103 96460106 96455107 96455108 96460107 96455109
Carbon graphite 96460141 96460142 96455113 96455114 96460143 96455115
Description/stages -7 -12 -16 -22 .26 -36
4a Chamber with bearing 123456
39Gasket 222222
45Neck ring 6 1013182130
47aBearing ring, rotating 123456
64aSpacing pipe 123456
64cClamp splined 111111
65 Neck ring retainer 6 10 13 18 21 30
66Lock washer 111111
67Lock nut 111111

CR, CRI, CRN 5 CR
113
13
50/60 Hz Service Kit Catalogue 2016
CR5
CRI / CRN5
TM02 0210 4100TM02 0216 4100
26
105
28
36a
2
45
65
4a
5a
65
45
4
65
45
64a
49
64
4
65
45
49
64
49
69
66
49
47a
64d
64c
67
50a
51
80
10a
89
10
36
66a
76a
76
18
7
7a
23
7
7a
100
60
28
2
37
100
77
55
6
37
25
37
6
38
38
25391235

CR, CRI, CRN 5 CR
114
Service Kit Catalogue 2016
13 50/60 Hz
Chamber stack complete
Coupling guard
Content
Plug
Content
Pos. Pump type CR/CRI 5 CRN 5
SiC/SiC bearings Kit No Kit No
80
296453575 96453598
396453576 96453599
496453577 96453600
596453578 96453601
696453579 96453602
796453580 96453603
896453581 96453604
996453582 96453605
10 96453583 96453606
11 96453584 96453607
12 96453585 96453608
13 96453586 96453609
14 96453587 96453610
15 96453588 96453611
16 96453589 96453612
18 96453590 96453613
20 96453591 96453614
22 96453592 96453615
24 96453593 96453616
26 96453594 96453617
29 96453595 96453618
32 96453596 96453619
36 96453597 96453620
Description Kit No
MG 71 - 80 96505130
MG 90 - 132 96505131
NEMA, F 182/213 TC 96505132
Pos. Description Quantity
7 Coupling guard 2
7a Screw 4
Description Kit No
EPDM/FKM0 96505133
EPDM/FKM/NEMA 96511103
Pos. Description Quantity
18 Air vent screw 1
23a Pipe plug 1
23b Pipe plug 1
25 Drain plug with bypass valve 1
38 O-ring 16.3 x 2.4 EPDM 1
FKM 1
100 O-ring 16.3 x 2.4 EPDM 2
FKM 2

CR, CRI, CRN 5 CR
115
13
50/60 Hz Service Kit Catalogue 2016
CR5
CRI / CRN5
TM02 0210 4100TM02 0216 4100
26
105
28
36a
2
45
65
4a
5a
65
45
4
65
45
64a
49
64
4
65
45
49
64
49
69
66
49
47a
64d
64c
67
50a
51
80
10a
89
10
36
66a
76a
76
18
7
7a
23
7
7a
100
60
28
2
37
100
77
55
6
37
25
37
6
38
38
25391235

CR 8 CR
116
Service Kit Catalogue 2016
13 50/60 Hz, Models A, B
CR 8
50/60 Hz, Models A, B
Chamber stack complete Coupling complete
Content
Shaft seal
Wear parts
EPDM and FKM
Consists of items: 3, 3a, 4, 4a, 44, 47a,
49, 51, 61, 64, 64a, 64c, 64d, 66, 67, 69
Kit No Kit No
Ceramic
bearings
Bronze
bearingsNumber of stages
1425049 425267
2425050 425268
3425051 425269
4425052 425270
5425053 425271
6425054 425272
8425055 425273
10 425056 425274
12 425057 425275
14 425058 425276
16 425059 425277
18 425060 425278
20 425061 425279
Motor/pump shaft diameter [mm] Kit No
14/16 339114
19/16 339119
24/16 339124
28/16 339128
38/16 339138
42/16 339142
15.9/16, NEMA 425260
28.6/16, NEMA 425261
34.9/16, NEMA 425262
41.3/16, NEMA 425263
Pos. Description Quantity
8 Coupling half 2
9Screw 4
10 Pin 1
Pos. Kit No 985204 425085 985874 425062 425063 985838 985829 985828 985834 425763 425762
Description AUUE/V AUUE/V AUUE BUBE BUBV RUUE/V RUUK AUUK AUAK BQQE BQQV
37Sleeve gasket 2- -22222222
37Vulcanised sleeve gasket222222-----
105Shaft seal 11111111111
Pos.
Kit No 425066 425067 425068 425300 425301 425302
Number of stages 1-6 8-12 14-20 1-6 8-12 14-20
Description Ceramic bearings Bronze bearings
4aBearing chamber 123123
37Sleeve gasket 222222
38 Drain plug gasket 111111
39 Flange gasket 222222
45 Neck ring 5 10 17 5 10 17
47aBearing ring 123123
57 O-ring for drain plug 111111
61Spacer for shaft seal111111
62Stop ring 111111
64cSpacer 111111
65 Neck ring retainer 5 10 17 5 10 17
66Spring washer 111111
67Lock nut 111111
100O-ring 111111

CR 8 CR
117
13
50/60 Hz, Models A, B Service Kit Catalogue 2016
CR 8
TM00 2340 3296

CR, CRI, CRN 10 CR
118
Service Kit Catalogue 2016
13 50/60 Hz
CR, CRI, CRN 10
50/60 Hz
Chamber stack complete (silicon carbide bearing)
Coupling guard
Content
Shaft seal
Content
Wear parts
Pos. Pump type CR CRI CRN
Number of stages Kit No Kit No Kit No
80
196508403 96491694 96491720
296508404 96491695 96491721
396508405 96491696 96491722
496508406 96491697 96491723
596508407 96491698 96491724
696508408 96491699 96491725
796508409 96491700 96491726
896508410 96491701 96491727
996508411 96491702 96491728
10 96508412 96491703 96491729
12 96508413 96491704 96491730
14 96508414 96491705 96491731
16 96508415 96491706 96491732
17 96529403 96529404 96529405
18 96508416 96491707 96491733
20 96508417 96491708 96491734
22 96508418 96491709 96491735
Description Kit No
MG 71 - 80 96509611
MG 90 - 100, 56C 96509612
MG 132, 182TC - 215TC 96509613
MG 132, 182TC - 215TC 96509614
Pos. Description Quantity
7 Coupling guard 2
7a Screw 4
Description Kit No
HQQE 96511844
HQQV 96511845
HQQK 96511846
HQQF 96511847
HQBE 96511848
HQBV 96511849
HUBE 96511836
HUBV 96511837
HUBK 96511838
HUBF 96511839
HUUE 96511840
HUUV 96511841
HUUK 96511842
HUUF 96511843
Pos. Description Quantity
105 Shaft seal 1
Adjusting fork 1
Pos.
Bearings Kit No
Silicon carbide 96511889 96511922 96511925
Bronze 96511920 96511923 96511926
Carbon graphite 96511921 96511924 96511927
Description/stages -8 -14 -22
4a Chamber with bearing 1 2 3
26b Screw5 2 2 2
26c Washer 2 2 2
45 Neck ring 7 12 19
47a Bearing ring, rotating 1 2 3
61 Seal driver 1 1 1
62 Stop ring 1 1 1
64a Spacing pipe 1 2 3
64c Spacer lower 1 1 1
64d Spacing pipe 1 2 3
65 Neck ring retainer 7 12 19
66 Lock washer 1 1 1
67 Lock nut 1 1 1

CR, CRI, CRN 10 CR
119
13
50/60 Hz Service Kit Catalogue 2016
CR/N
CR
TM02 6495 1003
113
105
1
28a
36a
7
7a 76a
55
100
7a
7
10
9
810a
28
28
2
201
203
56
37
6
25
38a
38 38
38a
25
6
56
37
56
6
25
38a
38
37
66a
36
76
18
100
26
23
77
60
37
37
2
10
9
810a
51
62
4a
65
45
64a
49
3
69
61
64d
44b
26c
26b
47a
44a
65
45
49
64c
66
67
64
45
65
4
80
26a
49
TM02 6496 1003
36a
10
9
810a
113
105
7a
776a
23
10
9
810a
28
28
1
28a
2
66a
36
76
18
100
26
100
60
37
7
7a
6
25
38a
38
3737
38
38a
25
6
39
12
35
55
2
4a
65
45
64a
49
3
69
61
64d
44b
26c
26b
47a
44a
65
45
49
64c
66
67
64
45
65
4
80
26a
49
51
62

CR, CRI, CRN 10 CR
120
Service Kit Catalogue 2016
13 50/60 Hz
Coupling complete
Content
Plug
O-ring
Content
Motor/pump shaft diameter [mm] Kit No
14/16 96511315
19/16 96511317
24/16 96511319
28/16 96511350
38/16 96511351
15.9/16, NEMA 96511353
28.6/16, NEMA 96511354
34.9/16, NEMA 96511355
41.3/16, NEMA 96511356
Pos. Description Quantity
8
9Screw 4
10 Pin 1
10a Coupling half 2
Pos. Description CR CRI, CRN CR
NEMA
CRI, CRN
NEMA
Kit No 96511311 96511312 96511313 96511314
18 Air vent screw 1 1 1 1
23 Pipe plug 1 1 1 1
23a Pipe plug 1/4" - - 1 1
25 Drain plug 1 1 1 1
38 O-ring 16.3x2.4
EPDM + FKM 1 + 1 1 + 1 1 + 1 1 + 1
38a O-ring 5.3x2.4
EPDM + FKM 1 + 1 1 + 1 1 + 1 1 + 1
100 O-ring 16.3x2.
EPDM + FKM 2 + 2 2 + 2 2 + 2 2 + 2
Description Kit No
EPDM 96509609
FKM 96509610
Pos. Description Quantity
37 O-ring 170.7 x 3.3 2
38 O-ring 16.3 x 2.4 1
38a O-ring 5.3 x 2.4 1
39
Gasket, oval flange, CR 10 2
O-ring, oval flange, CR 15, 20 2
Gasket, FGJ flange, CR 10 2
Gasket, FGJ flange, CR 15, 20 2
60 Rubber spring 4
100 O-ring 2

CR, CRI, CRN 10 CR
121
13
50/60 Hz Service Kit Catalogue 2016
CR/N
CR
TM02 6495 1003
113
105
1
28a
36a
7
7a 76a
55
100
7a
7
10
9
810a
28
28
2
201
203
56
37
6
25
38a
38 38
38a
25
6
56
37
56
6
25
38a
38
37
66a
36
76
18
100
26
23
77
60
37
37
2
10
9
810a
51
62
4a
65
45
64a
49
3
69
61
64d
44b
26c
26b
47a
44a
65
45
49
64c
66
67
64
45
65
4
80
26a
49
TM02 6496 1003
36a
10
9
810a
113
105
7a
776a
23
10
9
810a
28
28
1
28a
2
66a
36
76
18
100
26
100
60
37
7
7a
6
25
38a
38
3737
38
38a
25
6
39
12
35
55
2
4a
65
45
64a
49
3
69
61
64d
44b
26c
26b
47a
44a
65
45
49
64c
66
67
64
45
65
4
80
26a
49
51
62

CR, CRI, CRN 15 CR
122
Service Kit Catalogue 2016
13 50/60 Hz
CR, CRI, CRN 15
50/60 Hz
Coupling guard
Content
Plug
Shaft seal
Content
Wear parts
Description Kit No
MG 71 - 80 96509611
MG 90 - 100, 56C 96509612
MG 132, 182TC - 215TC 96509613
MG 132, 182TC - 215TC 96509614
Pos. Description Quantity
7 Coupling guard 2
7a Screw 4
Pos. Description CR CRI, CRN CR
NEMA
CRI, CRN
NEMA
Kit No 96511311 96511312 96511313 96511314
18 Air vent screw 1 1 1 1
23 Pipe plug 1 1 1 1
23a Pipe plug - - 1 1
25 Drain plug 1 1 1 1
38 O-ring
16.3 x 2.4,
EPDM + FKM 1 + 1 1 + 1 1 + 1 1 + 1
38a O-ring
5.3 x 2.4,
EPDM + FKM 1 + 1 1 + 1 1 + 1 1 + 1
100 O-ring
6.3 x 2.4,
EPDM + FKM 2 + 2 2 + 2 2 + 2 2 + 2
Description Kit No
HQQE 96511844
HQQV 96511845
HQQK 96511846
HQQF 96511847
HQBE 96511848
HQBV 96511849
HUBE 96511836
HUBV 96511837
HUBK 96511838
HUBF 96511839
HUUE 96511840
HUUV 96511841
HUUK 96511842
HUUF 96511843
Pos. Description Quantity
105 Shaft seal 1
Adjusting fork 1
Pos.
Bearings Kit No
Silicon carbide 96511824 96511827 96511830
Bronze 96511825 96511828 96511831
Carbon graphite 96511826 96511829 96511832
Description/stages -6 -10 -17
4a Chamber with bearing 1 2 3
26b Screw 2 2 2
26c Washer 2 2 2
45 Neck ring 5 8 14
47a Bearing ring, rotating 1 2 3
49c Impeller wear ring 6 10 17
61 Seal driver 1 1 1
62 Stop ring 1 1 1
64a Spacing pipe 17.0 mm 1 2 3
64b Spacing pipe 5.0 mm 1 1 1
64c Spacer lower 1 1 1
64d Spacing pipe 12.6 mm 1 2 3
65 Neck ring retainer 5 8 14
66 Lock washer 1 1 1
67 Lock nut 1 1 1

CR, CRI, CRN 15 CR
123
13
50/60 Hz Service Kit Catalogue 2016
CRI/N
CR
TM02 6498 1003
113
105
1
28a
36a
45
65
4a
4
65
45
64
3
69
61
64a
64d
44b
26c
26b
47a
44a
65
45
64b
64c
66
67
64
45
65
4
80
26a
49c 49
49
49c
49c 49
49
49c
7
7a 76a
55
100
7a
7
10
9
810a
28
28
2
201
203
56
37
6
25
38a
38 38
38a
25
6
56
37
56
6
25
38a
38
37
66a
36
76
18
100
26
23
77
60
37
37
2
10
9
810a
2
28
36a
28a
1
10
9
810a
51
62
TM02 6497 1003
36a
10
9
810a
36a
28a
1
10
9
810a
28
113
105
7a
7
51
62
76a
23
10
9
810a
28
28
1
28a
2
66a
36
76
18
100
26
100
60
37
7
7a
45
65
4a
4
65
45
64
3
69
61
64a
64d
44b
26c
26b
47a
44a
65
45
64b
64c
66
67
64
45
65
4
80
26a
49c 49
49
49c
49c 49
49
49c
6
25
38a
38
3737
38
38a
25
6
39
12
35
55
22

CR, CRI, CRN 15 CR
124
Service Kit Catalogue 2016
13 50/60 Hz
Chamber stack complete (silicon carbide bearing)
Coupling complete
Content
O-ring
Content
Pos. Pump type CR CRI CRN
Number of stages Kit No Kit No Kit No
80
196508453 96491736 96491749
296508454 96491737 96491760
396508455 96491738 96491761
496508456 96491739 96491762
596508457 96491740 96491763
696508458 96491741 96491764
796508459 96491742 96491765
896508490 96491743 96491766
996508491 96491744 96491767
10 96508492 96491745 96491768
12 96508493 96491746 96491769
14 96508494 96491747 96491770
17 96508495 96491748 96491771
Motor/pump shaft diameter [mm] Kit No
14/16 96511315
19/16 96511317
24/16 96511319
28/16 96511350
38/16 96511351
42/16 96511352
15.9/16, NEMA 96511353
28.6/16, NEMA 96511354
34.9/16, NEMA 96511355
41.3/16, NEMA 96511356
Pos. Description Quantity
8
9Screw 4
10 Pin 1
10a Coupling half 2
Description Kit No
EPDM 96509609
FKM 96509610
FFKM 96533374
Pos. Description EPDM
37 O-ring 2
38 O-ring 1
38a O-ring 1
39
Gasket, oval flange, CR 10 2
O-ring 90 x 3, oval flange, CR 15, 20 2
Gasket, FGJ flange, CR 10 2
60 Rubber spring 4
100 O-ring 2

CR, CRI, CRN 15 CR
125
13
50/60 Hz Service Kit Catalogue 2016
CRI/N
CR
TM02 6498 1003
113
105
1
28a
36a
45
65
4a
4
65
45
64
3
69
61
64a
64d
44b
26c
26b
47a
44a
65
45
64b
64c
66
67
64
45
65
4
80
26a
49c 49
49
49c
49c 49
49
49c
7
7a 76a
55
100
7a
7
10
9
810a
28
28
2
201
203
56
37
6
25
38a
38 38
38a
25
6
56
37
56
6
25
38a
38
37
66a
36
76
18
100
26
23
77
60
37
37
2
10
9
810a
2
28
36a
28a
1
10
9
810a
51
62
TM02 6497 1003
36a
10
9
810a
36a
28a
1
10
9
810a
28
113
105
7a
7
51
62
76a
23
10
9
810a
28
28
1
28a
2
66a
36
76
18
100
26
100
60
37
7
7a
45
65
4a
4
65
45
64
3
69
61
64a
64d
44b
26c
26b
47a
44a
65
45
64b
64c
66
67
64
45
65
4
80
26a
49c 49
49
49c
49c 49
49
49c
6
25
38a
38
3737
38
38a
25
6
39
12
35
55
22

CR 16 CR
126
Service Kit Catalogue 2016
13 50/60 Hz, Models A, B
CR 16
50/60 Hz, Models A, B
Chamber stack complete
Coupling complete
Content
Shaft seal
Wear parts
EPDM and FKM
Consists of items: 3a, 4, 4a, 44, 47a,
49, 51, 61, 64, 64a, 64c, 64d, 66, 69
Kit No Kit No
Ceramic
bearings
Bronze
bearingsNumber of stages
2335065 335190
3335066 335191
4335067 335192
5335068 335193
6335069 335194
7335070 335195
8335071 335196
10 335072 335197
12 335073 335198
14 335074 335199
16 335075 335200
Motor/pump shaft diameter [mm] Kit No
24/16 339124
28/16 339128
38/16 339138
42/16 339142
28.6/16 425261
34.9/16, NEMA 425262
41.3/16, NEMA 425263
Pos. Description Quantity
Coupling half 2
9Screw 4
10 Pin 1
Pos. Description AUUE/V AUUE/V AUUE BUBE BUBV RUUE/V RUUK AUUK AUAK BQQE BQQV
Kit No 985204 425085 985874 425062 425063 985838 985829 985828 985834 425763 425762
37 Sleeve gasket 2 - - 2 2 2 2 2 2 2 2
37 Vulcanised sleeve
gaskets (NBR) - 2 --- - -----
37 Vulcanised sleeve
gaskets (EPDM) - -2-- - -----
105 Shaft seal 1 1 1 1 1 1 1 1 1 1 1
Pos.
Number of stages 2-6 7-10 12-16 2-6 7-10 12-16
Description Ceramic bearings Bronze bearings
Kit No 335078 335079 335080 335300 335301 335302
4aBearing chamber 123123
37Sleeve gasket 222222
38 Drain plug gasket 111111
39 Flange gasket 222222
45 Neck ring 5 8 13 5 8 13
47aBearing ring 123123
49c Wear ring 6 10 16 6 10 16
57 O-ring for drain plug 111111
61Spacer for shaft seal 111111
62Stop ring 111111
64cSpacer 111111
65 Neck ring retainer 5 8 13 5 8 13
66Spring washer 111111
67Lock nut 111111
100 O-ring 111111

CR 16 CR
127
13
50/60 Hz, Models A, B Service Kit Catalogue 2016
CR 16
TM00 2360 3596

CR, CRI, CRN 20 CR
128
Service Kit Catalogue 2016
13 50/60 Hz
CR, CRI, CRN 20
50/60 Hz
Coupling guard
Content
Plug
Shaft seal
Content
Wear parts
Description Kit No
MG 71 - 80 96509611
MG 90 - 100, 56C 96509612
MG 132, 182TC - 215TC 96509613
MG 132, 182TC - 215TC 96509614
Pos. Description Quantity
7 Coupling guard 2
7a Screw 4
Pos. Description CR CRI, CRN CR
NEMA
CRI, CRN
NEMA
Kit No 96511311 96511312 96511313 96511314
18 Air vent screw 1 1 1 1
23 Pipe plug 1 1 1 1
23a Pipe plug 1/4” - - 1 1
25 Drain plug 1 1 1 1
38 O-ring
EPDM + FKM 1 + 1 1 + 1 1 + 1 1 + 1
38a O-ring
EPDM + FKM 1 + 1 1 + 1 1 + 1 1 + 1
100 O-ring
EPDM + FKM 2 + 2 2 + 2 2 + 2 2 + 2
Description Kit No
HQQE 96511844
HQQV 96511845
HQQK 96511846
HQQF 96511847
HQBE 96511848
HQBV 96511849
HUBE 96511836
HUBV 96511837
HUBK 96511838
HUBF 96511839
HUUE 96511840
HUUV 96511841
HUUK 96511842
HUUF 96511843
Pos. Description Quantity
105 Shaft seal 1
Adjusting fork 1
Pos.
Bearings Kit No
Silicon carbide 96511824 96511827 96511830
Bronze 96511825 96511828 96511831
Carbon graphite 96511826 96511829 96511832
Description/stages -6 -10 -17
4a Chamber with bearing 1 2 3
26b Screw 2 2 2
26c Washer 2 2 2
45 Neck ring 5 8 14
47a Bearing ring rotating 1 2 3
49c Impeller wear ring 6 10 17
61 Seal driver 1 1 1
62 Stop ring 1 1 1
64a Spacing pipe 1 2 3
64b Spacing pipe 1 1 1
64c Spacer lower 1 1 1
64d Spacing pipe 1 2 3
65 Neck ring retainer 5 8 14
66 Lock washer 1 1 1
67 Lock nut 1 1 1

CR, CRI, CRN 20 CR
129
13
50/60 Hz Service Kit Catalogue 2016
CRI/N
CR
TM02 6498 1003
113
105
1
28a
36a
45
65
4a
4
65
45
64
3
69
61
64a
64d
44b
26c
26b
47a
44a
65
45
64b
64c
66
67
64
45
65
4
80
26a
49c 49
49
49c
49c 49
49
49c
7
7a 76a
55
100
7a
7
10
9
810a
28
28
2
201
203
56
37
6
25
38a
38 38
38a
25
6
56
37
56
6
25
38a
38
37
66a
36
76
18
100
26
23
77
60
37
37
2
10
9
810a
2
28
36a
28a
1
10
9
810a
51
62
TM02 6497 1003
36a
10
9
810a
36a
28a
1
10
9
810a
28
113
105
7a
7
51
62
76a
23
10
9
810a
28
28
1
28a
2
66a
36
76
18
100
26
100
60
37
7
7a
45
65
4a
4
65
45
64
3
69
61
64a
64d
44b
26c
26b
47a
44a
65
45
64b
64c
66
67
64
45
65
4
80
26a
49c 49
49
49c
49c 49
49
49c
6
25
38a
38
3737
38
38a
25
6
39
12
35
55
22

CR, CRI, CRN 20 CR
130
Service Kit Catalogue 2016
13 50/60 Hz
Chamber stack complete (silicon carbide bearing)
Coupling complete
Seal kit
Pos. Pump type CR CRI CRN
Number of stages Kit No Kit No Kit No
80
196508541 96491772 96491784
296508542 96491773 96491785
396508543 96491774 96491786
496508544 96491775 96491787
596508545 96491776 96491788
696508546 96491777 96491789
796508547 96491778 96491790
896508548 96491779 96491791
10 96508550 96491780 96491792
12 96508551 96491781 96491793
14 96508552 96491782 96491794
17 96508553 96491783 96491795
Pos.
Kit No 96511315 96511317 96511319 96511350 96511351
Motor/pump shaft diameter [mm] 14/16 19/16 24/16 28/16 3816
Description
8
9Screw 44444
10Pin 11111
10a Coupling half 22222
Pos.
Kit No 96511352 96511353 96511354 96511355 96511356
Motor/pump shaft diameter [mm] 42/16 15.9/16 28.6/16 34.9/16 41.3/16
Description NEMA NEMA NEMA NEMA
8
9Screw 4444
10Pin 11111
10a Coupling half 22222
Pos. Description EPDM FKM
Kit No 96509609 96509610
37 O-ring 2 2
38 O-ring 1 1
38a O-ring 1 1
39
Gasket, oval flange, CR 10 2 2
O-ring 90 x 3, oval flange, CR 15/20 2 2
Gasket, FGJ flange, CR 10 2 2
Gasket, FGJ flange, CR 15/20 2 2
60 Rubber spring 4 4
100 O-ring 2 2

CR, CRI, CRN 20 CR
131
13
50/60 Hz Service Kit Catalogue 2016
CRI/N
CR
TM02 6498 1003
113
105
1
28a
36a
45
65
4a
4
65
45
64
3
69
61
64a
64d
44b
26c
26b
47a
44a
65
45
64b
64c
66
67
64
45
65
4
80
26a
49c 49
49
49c
49c 49
49
49c
7
7a 76a
55
100
7a
7
10
9
810a
28
28
2
201
203
56
37
6
25
38a
38 38
38a
25
6
56
37
56
6
25
38a
38
37
66a
36
76
18
100
26
23
77
60
37
37
2
10
9
810a
2
28
36a
28a
1
10
9
810a
51
62
TM02 6497 1003
36a
10
9
810a
36a
28a
1
10
9
810a
28
113
105
7a
7
51
62
76a
23
10
9
810a
28
28
1
28a
2
66a
36
76
18
100
26
100
60
37
7
7a
45
65
4a
4
65
45
64
3
69
61
64a
64d
44b
26c
26b
47a
44a
65
45
64b
64c
66
67
64
45
65
4
80
26a
49c 49
49
49c
49c 49
49
49c
6
25
38a
38
3737
38
38a
25
6
39
12
35
55
22

CR 30 CR
132
Service Kit Catalogue 2016
13 50/60 Hz, Model A
CR 30
50/60 Hz, Model A
Shaft seal and wear parts
EPDM and FKM.
Conversion shaft seal kit prior to serial number 7447.
Pos.
Kit No 345015 985426 985436 985439
AUUE/V AUUE/V Seal carrier
Description
29 Screw -22
37 Sleeve gasket 2 - 2 -
38 Drain plug gasket 1 - 1 -
45 Neck ring - - - -
46 Top intermediate bearing - - - -
47 Bearing - - - -
48 Split cone nut - - - -
49b Split cone - - - -
49c Ring for impeller - - - -
57 O-ring for drain plug 1-1-
58 Seal carrier - - 1 1
58a Screw 4 - 4 4
59 Disc for O-ring - - 1 1
61 Spacer ring - - 1 -
102 O-ring 111-
103 Upper seal ring 1 1 1 -
104 Lower seal ring 1 1 1 -
105 Shaft seal - - - -
106 Spring cup 1 1 1 -
107 O-ring 111-
108 Spring 1 - 1 -
109 O-ring 111-
111 Upper seal driver 1 - 1 -
112 Lower seal driver 1 - 1 -
113 Screw 2 - 2 -

CR 30 CR
133
13
50/60 Hz, Model A Service Kit Catalogue 2016
CR 30, Model A
TM00 2218 4398

CR 30 CR
134
Service Kit Catalogue 2016
13 50/60 Hz, Model B
50/60 Hz, Model B
Chamber stack complete
Coupling complete
Shaft seal
EPDM and FKM.
FFKM.
Wear parts
EPDM and FKM.
Consists of items: 3, 4, 4a, 44, 47a,
49, 51, 61, 64, 64a, 64b, 64c, 66, 67, 69
Kit No Kit No
Ceramic
bearings
Bronze
bearingsNumber of stages
1345144 345244
2345145 345245
3345146 345246
4345147 345247
5345148 345248
8/6 345149 345249
8/7 345150 345250
8345151 345251
11/9 345152 345252
11/10 345153 345253
11 345154 345254
13/12 345155 345255
13 345156 345256
16/14 345157 345257
16/15 345158 345258
16 345159 345259
Pos.
NEMA NEMA NEMA NEMA
Kit No 345106 345107 345108 345109 345110 345231 485140 345232 485160
Motor/pump shaft diameter [mm] 24/22 28/22 38/22 42/22 48/22 28.6/22 34.9/22 41.3/22 41.3/22
Description / stages 1 2-3 4-5 6-10
Coupling half 222222222
9Screw 444444444
10Pin 111111111
Pos. Kit No 345122 345180 345181 345237 985910
Description AUUE/V BBUE BBUV RUUE/V AUUK
37 Sleeve gasket 2 2 2 - -
37 FFKM sleeve gasket - - - - 2
105 Shaft seal 1 1 1 1 1
109 O-ring 11111
Pos.
Kit No 345199 345200 345201 345202 345203 345211 345212 345213 345214 345215
Number of stages 1-5 6-8 9-11 12-13 14-16 1-5 6-8 9-11 12-13 14-16
Description Ceramic bearings Bronze bearings
4a Bearing chamber 1 2 2 2 2 1 2 2 2 2
37 Sleeve gasket 2 2 2 2 2 2 2 2 2 2
38 Drain plug gasket 1111111111
39 Flange gasket 1 1 1 1 1 1 1 1 1 1
45 Neck ring 5 8 11 13 16 5 8 11 13 16
47a Bearing ring 1 2 2 2 2 1 2 2 2 2
49c Ring for impeller 5 8 11 13 16 5 8 11 13 16
57 O-ring for drain plug 1111111111
62Stop ring 1111111111
64c Spacer 1 1 1 1 1 1 1 1 1 1
66 Spring washer 1 1 1 1 1 1 1 1 1 1
67 Lock nut 1 1 1 1 1 1 1 1 1 1
100 O-ring 1111111111
Same wear parts, but without pos.
4a, bearing chamber, and pos. 47a,
bearing ring.
345194 345195 345196 345197 345198 -----

CR 30 CR
135
13
50/60 Hz, Model B Service Kit Catalogue 2016
CR 30, Model B
TM00 2216 3293

CRN 30 CR
136
Service Kit Catalogue 2016
13 50/60 Hz, Model A
CRN 30
50/60 Hz, Model A
Chamber stack complete
Shaft seal
EPDM and FKM.
FFKM.
Wear parts
EPDM and FKM.
Consists of items: 3, 4, 4a, 44, 47a, 49, 51, 61,
64, 64a, 64b, 64c, 66, 67, 69
Kit No
Ceramic
bearingsNumber of stages
1345160
2345161
3345162
4345163
5345164
8/6 345165
8/7 345166
8345167
11/9 345168
11/10 345169
11 345170
13/12 345171
13 345172
16/14 345173
16/15 345174
16 345175
Pos. Kit No 345111 345210 345182 345208 345183 345209 345237 985910
Description AUUE/V AUUE/V BBUE BBUE BBUV BBUV RUUE/V AUUK
37 Vulcanised sleeve gasket - 2 - 2 - 2 - -
37 FFKM sleeve gasket - - - - - - - 2
78 Rubber bush 1 1 1 1 1 1 1 -
100 O-ring1111111-
105 Shaft seal 1 1 1 1 1 1 1 1
109 O-ring11111111
Pos.
Kit No 345189 345190 345192 345193
Number of stages 1-5 6-8 12-13 14-16
Description Ceramic bearings
4a Bearing chamber 1 2 2 2
37 Sleeve gasket 2 2 2 2
38 Drain plug gasket 1111
39 Flange gasket 1 1 1 1
45 Neck ring 5 8 13 16
47a Bearing ring 1 2 2 2
49c Ring for impeller 5 8 13 16
57 O-ring for drain plug 1111
62 Stop ring 1 1 1 1
64c Spacer 1 1 1 1
66 Spring washer 1 1 1 1
67 Lock nut 1 1 1 1
Same wear parts, but without
pos. 4a and 47a. 345184 345185 345187 345188

CRN 30 CR
137
13
50/60 Hz, Model A Service Kit Catalogue 2016
CRN 30, Model A
TM00 2228 3293

CR, CRN 32 CR
138
Service Kit Catalogue 2016
13 50/60 Hz
CR, CRN 32
50/60 Hz
Bearing
Bottom bearing
O-ring
Content
Shaft seal
Content
Wear parts
Pos.
Kit No 96416574 96416576
Description 3-7 8-14
47a Bearing 1 2
- Adjusting fork 1 1
Pos. Kit No 96416580
Description 1-14
6g Bearing ring (stationary) 1
31 Hexagon socket head screw 1
32 Washer 1
47b Bearing ring (rotating) 1
66 Washer 1
66b Lock washer 1
67 Hexagon socket head screw 1
D + E Puller complete 1
Description Kit No
EPDM 96416597
FKM 96416598
Pos. Description Quantity
37 O-ring 2
38 O-ring 4
60 Spring (rubber) 4
100 O-ring 2
109 O-ring 1
110 O-ring 1
- Adjusting fork (shaft seal) 1
Description Kit No
HQQE 96525458
HQQV 96525490
HQQK 96533369
HQQF 96533412
HQBE 96525457
HQBV 96525459
HUBK 96533365
HUBF 96533366
HUUE 96436727
HUUV 96436728
HUUK 96533367
HUUF 96533368
Pos. Description Quantity
105 Shaft seal 1
Pos. Kit No 96416728 96416729 96416730 96416731
Description 1-2 3-7 8-11 12-14
45 Neck ring 2 7 11 14
47 Bearing (carbon-filled PTFE) - 1 2 2
47 Bearing (bronze) - 1 2 2
47c Sleeve 2 6 9 11
47d Lock ring 2 7 11 14
49c Wear ring 2 7 11 14
65 Seal carrier 2 7 11 14
- Adjusting fork 1 1 1 1

CR, CRN 32 CR
139
13
50/60 Hz Service Kit Catalogue 2016
CR, CRN 32
TM02 2299 4101
37
36a
47c
47d
47a
98
26
1a
28
7a
7
7a
58a
58
2
23
37
55
7a
36
66a
100
32a
45
4a
47
45a
65
49a/49
48
49b
49c
26a
3
47d
47c
51
26b
26c
47b
66
51
67
6g
38
6
25
201203
44
49
66b
28a
32a
10a
76
100
60
18
2a
49d/49e
49e
32
31
38
25
6b
7
49d/49e
49c
49b
48
49a/49
65
45a
45
4
49c
49b
48
65
45a
45
105
109
110
9b
9a

CR, CRN 32 CR
140
Service Kit Catalogue 2016
13 50/60 Hz
Coupling complete
Coupling complete NEMA
Content
Coupling guard
Chamber stack complete
Content
Plug
Pos.
Kit No 96416589 96416590 96416591 96416592 96416593 96416594 96475477 96475478
Motor/pump shaft diameter [mm] 24/22 28/22 38/22 42/22 48/22 55/22 42/22 48/22
Description
For shafts with key
and keyway
10aCoupling half 22222222
9 Hexagon socket head screw 44444444
9a Hexagon socket head screw ------11
9bWasher ------11
Adjusting fork 11111111
Motor/pump shaft diameter Kit No
28.6/22 96417000
34.9/22 96417001
41.2/22 96417004
47.6/22 96417020
Pos. Description Quantity
10a Coupling half 2
9 Hexagon socket head screw 4
- Adjusting fork 1
Pos. Kit No 96505134 96505135
Description MG 90 - MG 132 MG 160 - MG 225
7 Coupling guard 2 2
7a Screw 4 4
Pumptype CRN 32 CR 32
32-1-1 96416290 96416273
32-1 96416291 96416274
32-2-2 96416918 96416905
32-2-1 96416292 96416275
32-2 96416293 96416276
32-3-2 96416919 96416906
32-3 96416294 96416277
32-4-2 96416920 96416907
32-4 96416295 96416278
32-5-2 96416921 96416908
32-5 96416296 96416279
32-6-2 96416922 96416909
32-6 96416297 96416280
32-7-2 96416923 96416910
32-7 96416298 96416281
32-8-2 96416924 96416911
32-8 96416299 96416282
32-9-2 96416925 96416912
32-9 96416300 96416283
32-10-2 96416926 96416913
32-10 96416301 96416284
32-11-2 96416927 96416914
32-11 96416302 96416285
32-12-2 96416928 96416915
32-12 96416303 96416286
32-13-2 96416929 96416916
32-13 96416304 96416287
32-14-2 96416930 96416917
32-14 96416305 96416288
Pos. Description Quantity
Rotating unit 1
Pos. Kit No 96505136
Description EPDM/FKM
18 Air vent screw 1
23 Pipe plug 1
25 Pipe plug 4
38 O-ring 16.3 x 2.4 4
100 O-ring 16.3 x 2.4 2

CR, CRN 32 CR
141
13
50/60 Hz Service Kit Catalogue 2016
CR, CRN 32
TM02 2299 4101
37
36a
47c
47d
47a
98
26
1a
28
7a
7
7a
58a
58
2
23
37
55
7a
36
66a
100
32a
45
4a
47
45a
65
49a/49
48
49b
49c
26a
3
47d
47c
51
26b
26c
47b
66
51
67
6g
38
6
25
201203
44
49
66b
28a
32a
10a
76
100
60
18
2a
49d/49e
49e
32
31
38
25
6b
7
49d/49e
49c
49b
48
49a/49
65
45a
45
4
49c
49b
48
65
45a
45
105
109
110
9b
9a

CR, CRN 32, model B CR
142
Service Kit Catalogue 2016
13 50/60 Hz
CR, CRN 32, model B
Chamber with bearing
Content
Impeller
Content
Impeller reduced
Content
Inlet part
Content
Upper chamber with bearing
Content
Spare chamber
Content
Spare upper chamber
Content
Wear parts
Content
Type Kit No
CR CRN
SIC/SIC 98497462 98633738
Graflon/HM 98497463 98633739
Bronze/HM 98497464 98633751
Pos. Description Quantity
4a Chamber cpl. 1
47a Rotating bearing 1
Name Kit No
CR CRN
32 98497465 98633780
Pos. Description Quantity
49 Impeller 1
48 Nut 1
48 Nut with slot 1
49b Split cone 1
Name Kit No
CR CRN
32 98633832 98633836
Pos. Description Quantity
49 Impeller 1
48 Nut 1
48 Nut with slot 1
49b Split cone 1
Type Kit No
CR CRN
-98633883 98633886
Pos. Description Quantity
44 Inlet part cpl. 1
Type Kit No
CR CRN
SIC/SIC 98633752 98633758
Graflon/HM 98633754 98633759
Bronze/HM 98633756 98633777
Pos. Description Quantity
3 Upper chamber with bearing 1
47a Rotating bearing 1
Type Kit No
CR CRN
Graflon 98497466 98633840
Teflon 98497467 98633862
Bronze 98497468 98497468
Pos. Description Quantity
4 chamber with bush 1
Type Kit No
CR CRN
Graflon 98633863 98633870
Teflon 98633867 98633882
Bronze 98633868 98633868
Pos. Description Quantity
3 Upper chamber with bush 1
Type Kit No
graflon
1-2 98497130
3-7 98497451
8-11 98497452
12-14 98497453
teflon
1-2 98497454
3-7 98497455
8-11 98497456
12-14 98497457
bronze
1-2 98497458
3-7 98497459
8-11 98497460
12-14 98497461
Pos. Description Stages Quantity
45 Seal ring
1-2 2
3-7 7
8-11 11
12-14 14
47c Bush (Graflon)
1-2 1
3-7 5
8-11 8
12-14 11
47d Lock ring
1-2 2
3-7 7
8-11 11
12-14 14
49c Wear ring
1-2 2
3-7 7
8-11 11
12-14 14
65 Top for neck ring N
1-2 2
3-7 7
8-11 11
12-14 14
Adjusting fork
1-2
1
3-7
8-11
12-14

CR, CRN 32, model B CR
143
13
50/60 Hz Service Kit Catalogue 2016
CR, CRN 32, model B
TM06 0570 0514

CR, CRN 32, model B CR
144
Service Kit Catalogue 2016
13 50/60 Hz
Coupling complete
Coupling complete NEMA
Content
O-ring
Content
Shaft seal
Content
Pos.
Kit No 96416589 96416590 96416591 96416592 96416593 96416594 96475477 96475478
Motor/pump shaft diameter [mm] 24/22 28/22 38/22 42/22 48/22 55/22 42/22 48/22
Description
For shafts with key
and keyway
10aCoupling half 22222222
9 Hexagon socket head screw 44444444
9a Hexagon socket head screw ------11
9bWasher ------11
Adjusting fork 11111111
Motor/pump shaft diameter Kit No
28.6/22 96417000
34.9/22 96417001
41.2/22 96417004
47.6/22 96417020
Pos. Description Quantity
10a Coupling half 2
9 Hexagon socket head screw 4
- Adjusting fork 1
Description Kit No
EPDM 96416597
FKM 96416598
Pos. Description Quantity
37 O-ring 2
38 O-ring 4
60 Spring (rubber) 4
100 O-ring 2
109 O-ring 1
110 O-ring 1
- Adjusting fork (shaft seal) 1
Description Kit No
HQQE 96525458
HQQV 96525490
HQQK 96533369
HQQF 96533412
HQBE 96525457
HQBV 96525459
HUBK 96533365
HUBF 96533366
HUUE 96436727
HUUV 96436728
HUUK 96533367
HUUF 96533368
Pos. Description Quantity
105 Shaft seal 1

CR, CRN 32, model B CR
145
13
50/60 Hz Service Kit Catalogue 2016
CR, CRN 32, model B
TM06 0570 0514

CR, CRN 32, model B CR
146
Service Kit Catalogue 2016
13 50/60 Hz
Chamber stack complete
Content
Coupling guard
Plug
Pumptype CRN 32 CR 32
32-1-1 96416290 96416273
32-1 96416291 96416274
32-2-2 96416918 96416905
32-2-1 96416292 96416275
32-2 96416293 96416276
32-3-2 96416919 96416906
32-3 96416294 96416277
32-4-2 96416920 96416907
32-4 96416295 96416278
32-5-2 96416921 96416908
32-5 96416296 96416279
32-6-2 96416922 96416909
32-6 96416297 96416280
32-7-2 96416923 96416910
32-7 96416298 96416281
32-8-2 96416924 96416911
32-8 96416299 96416282
32-9-2 96416925 96416912
32-9 96416300 96416283
32-10-2 96416926 96416913
32-10 96416301 96416284
32-11-2 96416927 96416914
32-11 96416302 96416285
32-12-2 96416928 96416915
32-12 96416303 96416286
32-13-2 96416929 96416916
32-13 96416304 96416287
32-14-2 96416930 96416917
32-14 96416305 96416288
Pos. Description Quantity
Rotating unit 1
Pos. Kit No 96505134 96505135
Description MG 90 - MG 132 MG 160 - MG 225
7 Coupling guard 2 2
7a Screw 4 4
Pos. Kit No 96505136
Description EPDM/FKM
18 Air vent screw 1
23 Pipe plug 1
25 Pipe plug 4
38 O-ring 16.3 x 2.4 4
100 O-ring 16.3 x 2.4 2

CR, CRN 32, model B CR
147
13
50/60 Hz Service Kit Catalogue 2016
CR, CRN 32, model B
TM06 0570 0514

CR, CRN 45 CR
148
Service Kit Catalogue 2016
13 50/60 Hz
CR, CRN 45
50/60 Hz
Bearing
Bottom bearing
O-ring
Content
Shaft seal
Content
Wear parts
Pos.
Kit No 96416577 96416578
Number of stages 3-7 8-13
Description
47a Bearing 1 2
Adjusting fork 1 1
Pos. Kit No 96416580
Description 1-14
6g Bearing ring (stationary) 1
31 Hexagon socket head screw 1
32 Washer 1
47b Bearing ring (rotating) 1
66 Washer 1
66b Lock washer 1
67 Hexagon socket head screw 1
D+E Puller complete 1
Description Kit No
EPDM 96416599
FKM 96416600
FFKM 97800437
Pos. Description Quantity
37 O-ring 2
38 O-ring 4
60 Spring (rubber) 4
100 O-ring 2
109 O-ring 1
110 O-ring 1
Adjusting fork (shaft seal) 1
Description Kit No
HQQE 96525458
HQQV 96525490
HQQK 96533369
HQQF 96533412
HQBE 96525457
HQBV 96525459
HUBK 96533365
HUBF 96533366
HUUE 96436727
HUUV 96436728
HUUK 96533367
HUUF 96533368
Pos. Description Quantity
105 Shaft seal 1
Pos. Kit No 96416732 96416733 96416734 96472046
Description 1-2 3-7 8-10 11-13
45 Neck ring 2 7 10 13
47 Bearing (carbon-filled PTFE) 1 2 2
47 Bearing (bronze) 1 2 2
47c Sleeve 2 6 8 11
47d Lock ring 2 7 10 13
49c Wear ring 2 7 10 13
65 Seal carrier 2 7 10 13
Adjusting fork 1 1 1 1

CR, CRN 45 CR
149
13
50/60 Hz Service Kit Catalogue 2016
CR, CRN 45
TM02 2299 4001
37
36a
47c
47d
47a
98
26
1a
28
7a
7
7a
58a
58
2
23
37
55
7a
36
66a
100
32a
45
4a
47
45a
65
49a/49
48
49b
49c
26a
3
47d
47c
51
26b
26c
47b
66
51
67
6g
38
6
25
201203
44
49
66b
28a
32a
10a
76
100
60
18
2a
49d/49e
49e
32
31
38
25
6b
7
49d/49e
49c
49b
48
49a/49
65
45a
45
4
49c
49b
48
65
45a
45
105
109
110
9b
9a

CR, CRN 45 CR
150
Service Kit Catalogue 2016
13 50/60 Hz
Chamber stack complete
Content
Coupling complete
Coupling complete, NEMA
Content
Coupling guard
Plug
Pumptype CRN 45 CR 45
45-1-1 96416239 96416222
45-1 96416240 96416223
45-2-2 96416241 96416224
45-2-1 96416242 96416225
45-2 96416243 96416226
45-3-2 96416244 96416227
45-3-1 96416939 96416932
45-3 96416245 96416228
45-4-2 96416246 96416229
45-4-1 96416940 96416933
45-4 96416247 96416230
45-5-2 96416941 96416934
45-5-1 96416248 96416231
45-5 96416249 96416232
45-6-2 96416250 96416233
45-6 96416251 96416234
45-7-2 96416942 96416935
45-7-1 96613063 96613069
45-7 96416252 96416235
45-8-1 97910307 97910305
45-8-2 96416943 96416936
45-8 96416253 96416236
45-9-2 96416254 96416237
45-9 96416944 96416937
45-10-2 96416945 96416938
45-10 96416255 96416238
Pos. Description Quantity
Rotating assembly 1
Pos.
Kit No 96416590 96416591 96416592 96416593 96416594 96475477 96475478
Motor/pump shaft diameter [mm] 28/22 38/22 42/22 48/22 55/22 42/22 48/22
Description
For shafts with key and
keyway
10a Coupling half 2 2 2 2 2 2 2
9 Hexagon socket head screw 4 4 4 4 4 4 4
9a Hexagon socket head screw - - - - - 1 1
9b Washer - - - - - 1 1
Adjusting fork 1111111
Motor/pump shaft diameter Kit No
34.9/22 96417001
41.2/22 96417004
47.6/22 96417020
Pos. Description Quantity
10a Coupling half 2
9 Hexagon socket head screw 4
Adjusting fork 1
Pos. Kit No 96505134 96505135
Description MG 90 - MG 132 MG 160 - MG 225
7 Coupling guard 2 2
7a Screw 4 4
Pos. Kit No 96505136
Description EPDM/FKM
18 Air vent screw 1
23 Pipe plug 1
25 Pipe plug 4
38 O-ring 16.3 x 2.4 4
100 O-ring 16.3 x 2.4 2

CR, CRN 45 CR
151
13
50/60 Hz Service Kit Catalogue 2016
CR, CRN 45
TM02 2299 4001
37
36a
47c
47d
47a
98
26
1a
28
7a
7
7a
58a
58
2
23
37
55
7a
36
66a
100
32a
45
4a
47
45a
65
49a/49
48
49b
49c
26a
3
47d
47c
51
26b
26c
47b
66
51
67
6g
38
6
25
201203
44
49
66b
28a
32a
10a
76
100
60
18
2a
49d/49e
49e
32
31
38
25
6b
7
49d/49e
49c
49b
48
49a/49
65
45a
45
4
49c
49b
48
65
45a
45
105
109
110
9b
9a

CR, CRN 45, model B CR
152
Service Kit Catalogue 2016
13 50/60 Hz
CR, CRN 45, model B
Chamber with bearing
Impellerr
Content
Impeller reduced
Content
Inlet part
Content
Upper chamber with bearing
Content
Spare chamber
Content
Spare upper chamber
Content
Wear parts
Content
Type Kit No
CR CRN
SIC/SIC 98497485 98633888
Graflon/HM 98497486 98633889
Bronze/HM 98497487 98633981
Pos. Description Quantity
4a Chamber cpl. 1
47a Rotating bearing 1
Name Kit No
CR CRN
49 98497488 98634001
Pos. Description Quantity
49 Impeller 1
48 Nut 1
48 Nut with slot 1
49b Split cone 1
Name Kit No
CR CRN
49a 98634014 98634018
Pos. Description Quantity
49a Impeller 1
48 Nut 1
48 Nut with slot 1
49b Split cone 1
Type Kit No
CR CRN
-98634054 98634055
Pos. Description Quantity
44 Inlet part cpl. 1
Type Kit No
CR CRN
SIC/SIC 98633982 98633988
HY49/HM 98633986 98633989
Bronze/HM 98633987 98633990
Pos. Description Quantity
3 Upper chamber cpl. 1
47a Bearing cpl. 1
Type Kit No
CR CRN
Graflon 98497489 98634020
Teflon 98497490 98634032
Bronze 98497491 98497491
Pos. Description Quantity
4 Chamber with bush 1
Type Kit No
CR CRN
Graflon 98634042 98634048
Teflon 98634043 98634051
Bronze 98634046 98634046
Pos. Description Quantity
3 Upper chamber with bush 1
Type Kit No
Graflon
1-2 98497473
3-7 98497474
8-10 98497475
11-13 98497476
Teflon
1-2 98497477
3-7 98497478
8-10 98497479
11-13 98497480
Bronze
1-2 98497481
3-7 98497482
8-10 98497483
11-13 98497484
Pos. Description Stages Quantity
45 Seal ring
1-2 2
3-7 7
8-10 10
11-13 13
47c Bush
1-2 1
3-7 5
8-10 7
11-13 10
47d Lock ring
1-2 2
3-7 7
8-10 10
11-13 13
49c Wear ring
1-2 2
3-7 7
8-10 10
11-13 13
65 Top for neck ring N
1-2 2
3-7 7
8-10 10
11-13 13
- Adjusting fork
1-2
1
3-7
8-10
11-13

CR, CRN 45, model B CR
153
13
50/60 Hz Service Kit Catalogue 2016
CR, CRN 45, model B
TM06 0570 0514

CR, CRN 45, model B CR
154
Service Kit Catalogue 2016
13 50/60 Hz
Coupling complete
Coupling complete, NEMA
Content
O-ring
Content
Shaft seal
Content
Pos.
Kit No 96416590 96416591 96416592 96416593 96416594 96475477 96475478
Motor/pump shaft diameter [mm] 28/22 38/22 42/22 48/22 55/22 42/22 48/22
Description
For shafts with key
and keyway
10a Coupling half 2 2 2 2 2 2 2
9 Hexagon socket head screw 4 4 4 4 4 4 4
9a Hexagon socket head screw - - - - - 1 1
9b Washer - - - - - 1 1
Adjusting fork 1111111
Motor/pump shaft diameter Kit No
34.9/22 96417001
41.2/22 96417004
47.6/22 96417020
Pos. Description Quantity
10a Coupling half 2
9 Hexagon socket head screw 4
Adjusting fork 1
Description Kit No
EPDM 96416599
FKM 96416600
FFKM 97800437
Pos. Description Quantity
37 O-ring 2
38 O-ring 4
60 Spring (rubber) 4
100 O-ring 2
109 O-ring 1
110 O-ring 1
Adjusting fork (shaft seal) 1
Description Kit No
HQQE 96525458
HQQV 96525490
HQQK 96533369
HQQF 96533412
HQBE 96525457
HQBV 96525459
HUBK 96533365
HUBF 96533366
HUUE 96436727
HUUV 96436728
HUUK 96533367
HUUF 96533368
Pos. Description Quantity
105 Shaft seal 1

CR, CRN 45, model B CR
155
13
50/60 Hz Service Kit Catalogue 2016
CR, CRN 45, model B
TM06 0570 0514

CR, CRN 45, model B CR
156
Service Kit Catalogue 2016
13 50/60 Hz
Chamber stack complete
Content
Coupling guard
Plug
Pumptype CRN 45 CR 45
45-1-1 96416239 96416222
45-1 96416240 96416223
45-2-2 96416241 96416224
45-2-1 96416242 96416225
45-2 96416243 96416226
45-3-2 96416244 96416227
45-3-1 96416939 96416932
45-3 96416245 96416228
45-4-2 96416246 96416229
45-4-1 96416940 96416933
45-4 96416247 96416230
45-5-2 96416941 96416934
45-5-1 96416248 96416231
45-5 96416249 96416232
45-6-2 96416250 96416233
45-6 96416251 96416234
45-7-2 96416942 96416935
45-7-1 96613063 96613069
45-7 96416252 96416235
45-8-1 97910307 97910305
45-8-2 96416943 96416936
45-8 96416253 96416236
45-9-2 96416254 96416237
45-9 96416944 96416937
45-10-2 96416945 96416938
45-10 96416255 96416238
Pos. Description Quantity
Rotating assembly 1
Pos. Kit No 96505134 96505135
Description MG 90 - MG 132 MG 160 - MG 225
7 Coupling guard 2 2
7a Screw 4 4
Pos. Kit No 96505136
Description EPDM/FKM
18 Air vent screw 1
23 Pipe plug 1
25 Pipe plug 4
38 O-ring 16.3 x 2.4 4
100 O-ring 16.3 x 2.4 2

CR, CRN 45, model B CR
157
13
50/60 Hz Service Kit Catalogue 2016
CR, CRN 45, model B
TM06 0570 0514

CRN 60 CR
158
Service Kit Catalogue 2016
13 50/60 Hz, Model A
CRN 60
50/60 Hz, Model A
Chamber stack complete
Shaft seal
EPDM and FKM.
FFKM.
Consists of items: 3a, 4, 4a, 44, 47a, 49,
51, 61, 64, 64a, 64b, 64c, 66, 67, 69
Kit No
Ceramic bearings
Number of stages
2365094
3365095
4365096
5365097
6365098
7365099
8365100
Pos. Kit No 345111 345210 345182 345208 345183 345209 345237 985910
Description AUUE/V AUUE/V BBUE BBUE BBUV BBUV RUUE/V AUUK
37 Vulcanised sleeve gasket - 2 - 2 - 2 - -
37 FFKM sleeve gasket - - - - - - - 2
78 Rubber bush 1 1 1 1 1 1 1 -
100 O-ring 1111111-
105 Shaft seal 1 1 1 1 1 1 1 1
109 O-ring 11111111

CRN 60 CR
159
13
50/60 Hz, Model A Service Kit Catalogue 2016
CRN 60
TM00 2245 3293

CR 60 CR
160
Service Kit Catalogue 2016
13 50/60 Hz, Model A
CR 60
50/60 Hz, Model A
Wear parts
EPDM and FKM.
Pos. Kit No 345015
Description AUUE/V
37 Sleeve gasket 2
38 Drain plug gasket 1
57 O-ring for drain plug 1
58a Screw 4
61 Spacer ring 1
102 O-ring 1
103 Upper seal ring 1
104 Lower seal ring 1
106 Spring cup 1
107 O-ring 1
108 Spring 1
109 O-ring 1
111 Upper seal driver 1
112 Lower seal driver 1
113 Screw 2

CR 60 CR
161
13
50/60 Hz, Model A Service Kit Catalogue 2016
CR 60, Model A
TM00 2238 3293

CR 60 CR
162
Service Kit Catalogue 2016
13 50/60 Hz, Model B
50/60 Hz, Model B
Chamber stack complete
Shaft seal
EPDM and FKM.
FFKM.
Wear parts
EPDM and FKM.
Consists of items: 3, 4, 4a, 44, 47a, 49, 51, 61, 64, 64a, 64b, 64c, 66,
67, 69
Kit No Kit No
Ceramic bearings Bronze bearings
Number of stages
2365087 365121
3365088 365122
4365089 365123
5365090 365124
6365091 365125
7365092 365126
8365093 365127
Pos. Kit No 345122 345180 345181 345237 985910
Description AUUE/V BBUE BBUV RUUE/V AUUK
37 Sleeve gasket 2 2 2 - -
37 FFKM sleeve gasket - - - - 2
105 Shaft seal 1 1 1 1 1
109 O-ring 11111
Kit No 365101 365102 365103 365104 365115 365116
Number of stages 2-6 7-8 2-6 7-8 2-6 7-8
Pos. Description Ceramic bearings Bronze bearings
4a Bearing chamber 1212
37 Sleeve gasket 2 2 2 2 2 2
38 Drain plug gasket 111111
39 Flange gasket 1 1 1 1 1 1
45Neck ring 686868
47a Bearing ring 1 2 1 2 1 2
57 O-ring for drain plug 111111
62 Stop ring 1 1 1 1 1 1
64c Spacer 1 1 1 1 1 1
66 Spring washer 1 1 1 1 1 1
67 Lock nut 1 1 1 1 1 1
100 O-ring111111

CR 60 CR
163
13
50/60 Hz, Model B Service Kit Catalogue 2016
CR 60, Model B
TM00 2237 3293

CR, CRN 64 CR
164
Service Kit Catalogue 2016
13 50/60 Hz
CR, CRN 64
50/60 Hz
Bearing
Bottom bearing
Coupling guard
O-ring
Content
Shaft seal
Content
Wear parts
Pos.
Kit No 96416573
Number of stages 3-8
Description
47a Bearing 1
- Adjusting fork 1
Pos. Kit No 96416580
Description 1-14
6g Bearing ring (stationary) 1
31 Hexagon socket head screw 1
32 Washer 1
47b Bearing ring (rotating) 1
66 Washer 1
66b Lock washer 1
67 Hexagon socket head screw 1
D + E Puller complete 1
- Adjusting fork 1
Pos. Kit No 96505134 96505135
Description MG 90 - MG 132 MG 160 - MG 225
7 Coupling guard 2 2
7a Screw 4 4
Description Kit No
EPDM 96416599
FKM 96416600
FFKM 97800437
Pos. Description Quantity
37 O-ring 2
38 O-ring 4
60 Spring (rubber) 4
100 O-ring 2
109 O-ring 1
110 O-ring 1
- Adjusting fork (shaft seal) 1
Description Kit No
HQQE 96525458
HQQV 96525490
HQQK 96533369
HQQF 96533412
HQBE 96525457
HQBV 96525459
HUBK 96533365
HUBF 96533366
HUUE 96436727
HUUV 96436728
HUUK 96533367
HUUF 96533368
Pos. Description Quantity
105 Shaft seal 1
Pos. Kit No 96416735 96416736
Description 1-2 3-8
45 Neck ring 2 8
47 Bearing (carbon-filled PTFE) - 2
47 Bearing (bronze) - 2
47c Sleeve 2 7
47d Lock ring 2 8
49c Wear ring 2 8
65 Seal carrier 2 8
Adjusting fork 1 1

CR, CRN 64 CR
165
13
50/60 Hz Service Kit Catalogue 2016
CR, CRN 64
TM02 2299 4001
37
36a
47c
47d
47a
98
26
1a
28
7a
7
7a
58a
58
2
23
37
55
7a
36
66a
100
32a
45
4a
47
45a
65
49a/49
48
49b
49c
26a
3
47d
47c
51
26b
26c
47b
66
51
67
6g
38
6
25
201203
44
49
66b
28a
32a
10a
76
100
60
18
2a
49d/49e
49e
32
31
38
25
6b
7
49d/49e
49c
49b
48
49a/49
65
45a
45
4
49c
49b
48
65
45a
45
105
109
110
9b
9a

CR, CRN 64 CR
166
Service Kit Catalogue 2016
13 50/60 Hz
Chamber stack complete
Content
Coupling complete
Coupling complete NEMA
Content
Plug
Pumptype CRN 64 CR 64
64-1-1 96416326 96416307
64-1 96416327 96416308
64-2-2 96416328 96416309
64-2-1 96416329 96416310
64-2 96416330 96416311
64-3-2 96416331 96416312
64-3-1 96416332 96416313
64-3 96416333 96416314
64-4-2 96416334 96416315
64-4-1 96416335 96416316
64-4 96416336 96416317
64-5-2 96416337 96416318
64-5-1 96416338 96416319
64-5 96416339 96416320
64-6-2 96416340 96416321
64-6-1 96416341 96416322
64-6 96416342 96416323
64-7-2 96416343 96416324
64-7-1 96416344 96416325
Pos. Description Quantity
Rotating assembly 1
Pos.
Kit No 96416590 96416591 96416592 96416593 96416594 96475477 96475478
Motor/pump shaft diameter [mm] 28/22 38/22 42/22 48/22 55/22 42/22 48/22
Description For shafts with key and
keyway
10aCoupling half 2222222
9 Hexagon socket head screw 4444444
9a Hexagon socket head screw -----11
9bWasher -----11
Adjusting fork 1111111
Motor/pump shaft diameter Kit No
34.9/22 96417001
41.2/22 96417004
47.6/22 96417020
Pos. Description Quantity
10a Coupling half 2
9 Hexagon socket head screw 4
Adjusting fork 1
Pos. Kit No 96505136
Description EPDM/FKM
18 Air vent screw 1
23 Pipe plug 1
25 Pipe plug 4
38 O-ring 16.3 x 2.4 4
100 O-ring 16.3 x 2.4 2

CR, CRN 64 CR
167
13
50/60 Hz Service Kit Catalogue 2016
CR, CRN 64
TM02 2299 4001
37
36a
47c
47d
47a
98
26
1a
28
7a
7
7a
58a
58
2
23
37
55
7a
36
66a
100
32a
45
4a
47
45a
65
49a/49
48
49b
49c
26a
3
47d
47c
51
26b
26c
47b
66
51
67
6g
38
6
25
201203
44
49
66b
28a
32a
10a
76
100
60
18
2a
49d/49e
49e
32
31
38
25
6b
7
49d/49e
49c
49b
48
49a/49
65
45a
45
4
49c
49b
48
65
45a
45
105
109
110
9b
9a

CR, CRN 64, model B CR
168
Service Kit Catalogue 2016
13 50/60 Hz
CR, CRN 64, model B
O-ring
Content
Plug
Spare chamber
Content
Spare upper chamber
Content
Shaft seal
Content
Wear parts
Content
Upper chamber with bearing
Content
Description Kit No
EPDM 96416599
FKM 96416600
FFKM 97800437
Pos. Description Quantity
37 O-ring 2
38 O-ring 4
60 Spring (rubber) 4
100 O-ring 2
109 O-ring 1
110 O-ring 1
- Adjusting fork (shaft seal) 1
Pos. Kit No 96505136
Description EPDM/FKM
18 Air vent screw 1
23 Pipe plug 1
25 Pipe plug 4
38 O-ring 16.3 x 2.4 4
100 O-ring 16.3 x 2.4 2
Type Kit No
CR CRN
Graflon 98497504 98634095
Teflon 98497505 98634142
Bronze 98497506 98497506
Pos. Description Quantity
4 chamber with bush 1
Type Kit No
CR CRN
Graflon 98634144 98634150
Teflon 98634146 98634151
Bronze 98634148 98634148
Pos. Description Quantity
3 Upper chamber with bush 1
Description Kit No
HQQE 96525458
HQQV 96525490
HQQK 96533369
HQQF 96533412
HQBE 96525457
HQBV 96525459
HUBK 96533365
HUBF 96533366
HUUE 96436727
HUUV 96436728
HUUK 96533367
HUUF 96533368
Pos. Description Quantity
105 Shaft seal 1
Type Kit No
Graflon 1-2 98497494
3-8 98497495
Teflon 1-2 98497496
3-8 98497497
Bronze 1-2 98497498
3-8 98497499
Pos. Description Stages Quantity
45 Seal ring 1-2 2
3-8 8
47c Bush 1-2 1
3-8 6
47d Lock ring 1-2 2
3-8 8
49c Wear ring 1-2 2
3-8 8
65 Top for neck ring N 1-2 2
3-8 8
- Adjusting fork 1-2 1
3-8
Type Kit No
CR CRN
SIC/SIC 98634071 98634076
HY49/HM 98634072 98634077
Bronze/HM 98634074 98634078
Pos. Description Quantity
3 Upper chamber cpl. 1
47a Bearing cpl. 1

CR, CRN 64, model B CR
169
13
50/60 Hz Service Kit Catalogue 2016
CR, CRN 64, model B
TM06 0570 0514

CR, CRN 64, model B CR
170
Service Kit Catalogue 2016
13 50/60 Hz
Chamber stack complete Content
Chamber with bearing
Content
Coupling complete
Coupling complete NEMA
Content
Coupling guard
Impeller
Content
Impeller reduced
Content
Inlet part
Content
Pumptype CRN 64 CR 64
64-1-1 96416326 96416307
64-1 96416327 96416308
64-2-2 96416328 96416309
64-2-1 96416329 96416310
64-2 96416330 96416311
64-3-2 96416331 96416312
64-3-1 96416332 96416313
64-3 96416333 96416314
64-4-2 96416334 96416315
64-4-1 96416335 96416316
64-4 96416336 96416317
64-5-2 96416337 96416318
64-5-1 96416338 96416319
64-5 96416339 96416320
64-6-2 96416340 96416321
64-6-1 96416341 96416322
64-6 96416342 96416323
64-7-2 96416343 96416324
64-7-1 96416344 96416325
Pos. Description Quantity
Rotating assembly 1
Type Kit No
CR CRN
SIC/SIC 98497500 98634056
Graflon/HM 98497501 98634058
Bronze/HM 98497502 98634059
Pos. Description Quantity
4a Chamber cpl. 1
47a Rotating bearing 1
Pos.
Kit No 96416590 96416591 96416592 96416593 96416594 96475477 96475478
Motor/pump shaft diameter [mm] 28/22 38/22 42/22 48/22 55/22 42/22 48/22
Description For shafts with key and
keyway
10aCoupling half 2222222
9 Hexagon socket head screw 4 444444
9a Hexagon socket head screw - - - - - 1 1
9b Washer - - - - - 1 1
Adjusting fork 1111111
Motor/pump shaft diameter Kit No
34.9/22 96417001
41.2/22 96417004
47.6/22 96417020
Pos. Description Quantity
10a Coupling half 2
9 Hexagon socket head screw 4
Adjusting fork 1
Pos. Kit No 96505134 96505135
Description MG 90 - MG 132 MG 160 - MG 225
7 Coupling guard 2 2
7a Screw 4 4
Name Kit No
CR CRN
98497503 98634079
Pos. Description Quantity
49 Impeller 1
48 Nut 1
48 Nut with slot 1
49b Split cone 1
Name Kit No
CR CRN
98634080 98634093
Pos. Description Quantity
49 Impeller 1
48 Nut 1
48 Nut with slot 1
49b Split cone 1
Type Kit No
CR CRN
-98634152 98634153
Pos. Description Quantity
44 Inlet part cpl. 1

CR, CRN 64, model B CR
171
13
50/60 Hz Service Kit Catalogue 2016
CR, CRN 64, model B
TM06 0570 0514

CR, CRN 90 CR
172
Service Kit Catalogue 2016
13 50/60 Hz
CR, CRN 90
50/60 Hz
Bearing
Coupling guard
Impeller 1. stage
Content
O-ring
Content
Shaft seal
Content
Wear parts
Pos.
Kit No 96416579
Number of stages 3-6
Description
47a Bearing 1
- Adjusting fork 1
Pos. Kit No 96505134 96505135
Description MG 90 - MG 132 MG 160 - MG 225
7 Coupling guard 2 2
7a Screw 4 4
Type Standard Reduced
Standard 98593752 98593755
Teflon 98593759 98593761
Electro pol. 98593764 98593769
Pos. Description Quantity
49 Impeller 1
Suction interconnector 1
Nut for hub with spring 1
Description Kit No
EPDM 96416601
FKM 96416602
Pos. Description Quantity
37 O-ring 2
38 O-ring 4
60 Spring (rubber) 4
100 O-ring 2
109 O-ring 1
110 O-ring 1
- Adjusting fork (shaft seal) 1
Description Kit No
HQQE 96525458
HQQV 96525490
HQQK 96533369
HQQF 96533412
HQBE 96525457
HQBV 96525459
HUBK 96533365
HUBF 96533366
HUUE 96436727
HUUV 96436728
HUUK 96533367
HUUF 96533368
Pos. Description Quantity
105 Shaft seal 1
Pos. Kit No 96416737 96416738
Description / number of stages 1-2 3-6
45 Neck ring 2 6
47 Bearing (carbon-filled PTFE) - 1
47 Bearing bronze - 1
47c Sleeve 2 5
47d Lock ring 2 6
49c Wear ring 2 6
65 Seal carrier 2 6
Adjusting fork 1 1

CR, CRN 90 CR
173
13
50/60 Hz Service Kit Catalogue 2016
CR, CRN 90
TM02 2299 4001
37
36a
47c
47d
47a
98
26
1a
28
7a
7
7a
58a
58
2
23
37
55
7a
36
66a
100
32a
45
4a
47
45a
65
49a/49
48
49b
49c
26a
3
47d
47c
51
26b
26c
47b
66
51
67
6g
38
6
25
201203
44
49
66b
28a
32a
10a
76
100
60
18
2a
49d/49e
49e
32
31
38
25
6b
7
49d/49e
49c
49b
48
49a/49
65
45a
45
4
49c
49b
48
65
45a
45
105
109
110
9b
9a

CR, CRN 90 CR
174
Service Kit Catalogue 2016
13 50/60 Hz
Chamber stack complete
Content
Coupling complete
Coupling complete NEMA
Content
Plug
Pumptype CRN 90 CR 90
90-1 96458125 96416257
90-1-1 96458124 96416256
90-2 96458128 96416260
90-2-1 96458127 96416259
90-2-2 96458126 96416258
90-3 96458131 96416263
90-3-1 96458130 96416262
90-3-2 96458129 96416261
90-4 96458134 96416266
90-4-1 96458133 96416265
90-4-2 96458132 96416264
90-5 96458136 96416269
90-5-1 96493483 96416268
90-5-2 96458135 96416267
90-6 96458138 96416272
90-6-1 96465601 96416271
90-6-2 96458137 96416270
Pos. Description Quantity
80 Rotating assembly 1
Pos.
Kit No 96416591 96416592 96416593 96416594 96475477 96475478
Motor/pump shaft diameter [mm] 38/22 42/22 48/22 55/22 42/22 48/22
Description
For shafts with key and
keyway
10a Coupling half 2 2 2 2 2 2
9 Hexagon socket head screw 4 4 4 4 4 4
9a Hexagon socket head screw - - - - 1 1
9b Washer - - - - 1 1
Adjusting fork 1 1 1 1 1 1
Motor/pump shaft diameter Kit No
41.2/22 96417004
47.6/22 96417020
Pos. Description Quantity
10a Coupling half 2
9 Hexagon socket head screw 4
Adjusting fork 1
Pos. Kit No 96505136
Description EPDM/FKM
18 Air vent screw 1
23 Pipe plug 1
25 Pipe plug 4
38 O-ring 16.3 x 2.4 4
100 O-ring 16.3 x 2.4 2

CR, CRN 90 CR
175
13
50/60 Hz Service Kit Catalogue 2016
CR, CRN 90
TM02 2299 4001
37
36a
47c
47d
47a
98
26
1a
28
7a
7
7a
58a
58
2
23
37
55
7a
36
66a
100
32a
45
4a
47
45a
65
49a/49
48
49b
49c
26a
3
47d
47c
51
26b
26c
47b
66
51
67
6g
38
6
25
201203
44
49
66b
28a
32a
10a
76
100
60
18
2a
49d/49e
49e
32
31
38
25
6b
7
49d/49e
49c
49b
48
49a/49
65
45a
45
4
49c
49b
48
65
45a
45
105
109
110
9b
9a

CR, CRN 90, model B CR
176
Service Kit Catalogue 2016
13 50/60 Hz
CR, CRN 90, model B
Chamber stack complete
Content
Chamber with bearing
Content
Coupling complete
Coupling complete NEMA
Content
Coupling guard
Impeller
Content
Impeller reduced
Content
Impeller 1. stage
Content
Pumptype CRN 90 CR 90
90-1 96458125 96416257
90-1-1 96458124 96416256
90-2 96458128 96416260
90-2-1 96458127 96416259
90-2-2 96458126 96416258
90-3 96458131 96416263
90-3-1 96458130 96416262
90-3-2 96458129 96416261
90-4 96458134 96416266
90-4-1 96458133 96416265
90-4-2 96458132 96416264
90-5 96458136 96416269
90-5-1 96493483 96416268
90-5-2 96458135 96416267
90-6 96458138 96416272
90-6-1 96465601 96416271
90-6-2 96458137 96416270
Description Quantity
Rotating assembly 1
Type Kit No
CR CRN
SIC/SIC 98497515 98634157
Graflon/HM 98497516 98634158
Bronze/HM 98497517 98634159
Pos. Description Quantity
4a Chamber cpl. 1
47a Rotating bearing 1
Pos.
Kit No 96416591 96416592 96416593 96416594 96475477 96475478
Motor/pump shaft diameter [mm] 38/22 42/22 48/22 55/22 42/22 48/22
Description
For shafts with key and
keyway
10a Coupling half 2 2 2 2 2 2
9 Hexagon socket head screw 4 4 4 4 4 4
9a Hexagon socket head screw - - - - 1 1
9b Washer - - - - 1 1
Adjusting fork 1 1 1 1 1 1
Motor/pump shaft diameter Kit No
41.2/22 96417004
47.6/22 96417020
Pos. Description Quantity
10a Coupling half 2
9 Hexagon socket head screw 4
Adjusting fork 1
Pos. Kit No 96505134 96505135
Description MG 90 - MG 132 MG 160 - MG 225
7 Coupling guard 2 2
7a Screw 4 4
Kit No
CR CRN
98497518 98635108
Pos. Description Quantity
49 Impeller 1
48 Nut 1
48 Nut with slot 1
49b Split cone 1
Kit No
CR CRN
98635110 98635123
Pos. Description Quantity
49 Impeller 1
48 Nut 1
48 Nut with slot 1
49b Split cone 1
Type Standard Reduced
Standard 98593752 98593755
Teflon 98593759 98593761
Electro pol. 98593764 98593769
Pos. Description Quantity
49 Impeller 1
44 Suction interconnector 1
48 Nut for hub with spring 1

CR, CRN 90, model B CR
177
13
50/60 Hz Service Kit Catalogue 2016
CR, CRN 90, model B
TM06 0570 0514

CR, CRN 90, model B CR
178
Service Kit Catalogue 2016
13 50/60 Hz
O-ring
Content
Plug
Shaft seal
Content
Spare chamber
Content
Spare upper chamber
Content
Wear parts
Content
Upper chamber with bearing
Content
Description Kit No
EPDM 96416601
FKM 96416602
Pos. Description Quantity
37 O-ring 2
38 O-ring 4
60 Spring (rubber) 4
100 O-ring 2
109 O-ring 1
110 O-ring 1
- Adjusting fork (shaft seal) 1
Pos. Kit No 96505136
Description EPDM/FKM
18 Air vent screw 1
23 Pipe plug 1
25 Pipe plug 4
38 O-ring 16.3 x 2.4 4
100 O-ring 16.3 x 2.4 2
Description Kit No
HQQE 96525458
HQQV 96525490
HQQK 96533369
HQQF 96533412
HQBE 96525457
HQBV 96525459
HUBK 96533365
HUBF 96533366
HUUE 96436727
HUUV 96436728
HUUK 96533367
HUUF 96533368
Pos. Description Quantity
105 Shaft seal 1
Type Kit No
CR CRN
Graflon 98497519 98635126
Teflon 98497520 98635129
Bronze 98497521 98497521
Pos. Description Quantity
4 chamber with bush 1
Type Kit No
CR CRN
Graflon 98635130 98635152
Teflon 98635142 98635157
Bronze 98635145 98635145
Pos. Description Quantity
3 Upper chamber with bush 1
Type Kit No
Graflon 1-2 98497509
3-6 98497510
Teflon 1-2 98497511
3-6 98497512
Bronze 1-2 98497513
3-6 98497514
Pos. Description Stages Quantity
45 Seal ring 1-2 2
3-6 6
47c Bush 1-2 1
3-6 4
47d Lock ring 1-2 2
3-6 6
49c Wear ring 1-2 1
3-6 5
- Wear ring, N 1-2 1
3-6 1
65 Top for neck ring N 1-2 2
3-6 6
- Adjusting fork 1-2 1
3-6
Type Kit No
CR CRN
SIC/SIC 98634160 98635099
HY49/HM 98635091 98635100
Bronze/HM 98635095 98635104
Pos. Description Quantity
3 Upper chamber cpl. 1
47a Bearing cpl. 1

CR, CRN 90, model B CR
179
13
50/60 Hz Service Kit Catalogue 2016
CR, CRN 90, model B
TM06 0570 0514

CR, CRN 120, 150 CR
180
Service Kit Catalogue 2016
13 50/60 Hz
CR, CRN 120, 150
50/60 Hz
Bearing
Coupling guard
O-ring
Shaft seal
22 mm
Content
22 mm, de-oiled
Content
32 mm
Content
32 mm, de-oiled
Content
Wear parts
Pos. Description / number of stages 1-7
Kit No 96752215
47b Bearing ring, rotating 1
Adjusting fork 2
47e Washer 2
Pos. Description MG 160 - MMG 280S / 254 TC - 405 TSC
Kit No 96505135
7 Coupling guard 2
7a Screw 4
Pos. Description EPDM FKM
Kit No 95059804 95059805
37 O-ring 2 2
38 O-ring 4 4
60 Spring (PTFE) 4 4
100 O-ring 2 2
109 O-ring 22 mm shaft seal 1 1
32 mm shaft seal 1 1
110 O-ring 22 mm shaft seal 1 1
32 mm shaft seal 1 1
Adjusting fork 22 1 1
Adjusting fork 32 1 1
Description Kit No
HQQE 96525458
HQQV 96525490
HQQK 96533369
HQQF 96533412
HQBE 96525457
HQBV 96525459
HUBK 96533365
HUBF 96533366
HUUE 96436727
HUUV 96436728
HUUK 96533367
HUUF 96533368
Pos. Description Quantity
105 Shaft seal 1
Description Kit No
HUUE 96502869
HQQE 96502910
HUUK 96502911
HQQK 96502912
HUUV 96124905
HQQV 96124906
Pos. Description Quantity
105 Shaft seal 1
Description Kit No
HBQE 95059800
HBQV 95059801
HQQE 95059802
HQQV 95059803
Pos. Description Quantity
105 Shaft seal 1
Description Kit No
HQQE 95059876
HQQV 95059877
Pos. Description Quantity
105 Shaft seal 1
Pos.
CR, CRN 120 CR, CRN 150
Description / number of stages 1 2-4 5-7 1 2-3 4-6
Kit No 95059806 95059807 95059808 95059809 95059810 95059811
7a Screw 3 12 21 3 9 18
45 Seal ring (PTFE) - 3 6 - 2 5
45b Seal ring (PTFE) 1 1 1 1 1 1
47b Bearing ring, rotating 1 1 1 1 1 1
47c Support bearing (HY49) - 3 6 - 2 5
47d Lock ring - 6 12 - 4 10
47e Washer 2 2 2 2 2 2
65 Seal retainer - 3 6 - 2 5
65a Seal retainer 1 1 1 1 1 1
72 Wear ring 1 4 7 1 3 6
- Adjusting fork 1 2 2 1 2 2

CR, CRN 120, 150 CR
181
13
50/60 Hz Service Kit Catalogue 2016
CR, CRN 120, 150
TM03 6001 1009

CR, CRN 120, 150 CR
182
Service Kit Catalogue 2016
13 50/60 Hz
Chamber stack complete
Chamber complete with bearing, pos. 47
Coupling
Plug Sensor
Shaft parts
Pump type 120-1-1 120-1 120-2-2 120-2-1 120-2 120-3-2 120-3-1 120-3 120-3 120-4-2 120-4-2 120-4-1
< 55 kW < 55 kW < 55 kW < 55 kW < 55 kW < 55 kW < 55 kW < 55 kW ≥ 55 kW < 55 kW ≥ 55 kW < 55 kW
CR 120 96925133 95059816 95059817 95059818 95059819 96925134 95059820 95059821 95059868 96798242 95059822 95059823
CRN 120 96925135 95059829 95059830 95059831 95059832 96925136 95059833 95059834 95059871 96798247 95059835 95059836
Chamber stack111111111111
Pump type 120-4-1 120-4 120-4 120-5-2 120-5-2 120-5-1 120-5-1 120-6-1 120-6-1 120-7 120-7
≥ 55 kW < 55 kW ≥ 55 kW < 55 kW ≥ 55 kW < 55 kW ≥ 55 kW < 55 kW ≥ 55 kW < 55 kW ≥ 55 kW
CR 120 95059869 96798243 95059824 96798244 95059870 95059825 95059826 96798245 95059827 96798246 95059828
CRN 120 95059872 96798248 95059837 96798249 95059873 95059838 95059839 96798250 95059840 96798251 95059841
Chamber stack11111111111
Pump type 150-1-1 150-1 150-2-2 150-2-1 150-2 150-3-1 150-3-1 150-3-2 150-3-2 150-3
< 55 kW < 55 kW < 55 kW < 55 kW < 55 kW < 55 kW ≥ 55 kW < 55 kW ≥ 55 kW < 55 kW
CR 150 95059842 95059843 95059844 95059845 95059846 96925137 96925138 95059847 95059848 95059849
CRN 150 95059855 95059856 95059857 95059858 95059859 96925139 96925140 95059860 95059861 95059862
Chamber stack1111111111
Pump type 150-3 150-4-2 150-4-2 150-4-1 150-4-1 150-5-2 150-5-2 150-6 150-6
≥ 55 kW < 55 kW ≥ 55 kW < 55 kW ≥ 55 kW < 55 kW ≥ 55 kW < 55 kW ≥ 55 kW
CR 150 95059850 96798252 95059874 95059851 95059852 96798253 95059853 96798254 95059854
CRN 150 95059863 96798255 95059875 95059864 95059865 96798256 95059866 96798257 95059867
Chamber stack111111111
Pos.
Pump type 120 150 120 150
For number of stages 1 1 2-7 2-6
CR 96751986 96751988 96751982 96751984
CRN 96751987 96751989 96751983 96751985
4a Chamber with SIC bearing, pos. 47 - - 1 1
- Top chamber with SIC bearing, pos. 47 1 1 - -
Pos.
Motor frame size MG 160 MMG 180 MMG 200/225 MMG 250M MMG 280S
Motor/pump shaft diameter [mm] 42/22 48/22 55/22 60/32 65/32
Description IEC IEC IEC IEC IEC
Kit No 96416592 96416593 96416594 95059812 95059813
10a Coupling half 2 2 2 2 2
9 Hexagon socket head screw 4 4 4 4 4
Adjusting fork 1 1 1 1 1
Pos.
Motor frame size 254/256 TC &
284/286 TSC
324/326 TSC &
364/365 TSC 364/365 TSC 405 TSC
Motor/pump shaft diameter [mm] 41.2/22 47.55/22 47.55/32 53.9/32
Description NEMA NEMA NEMA NEMA
Kit No 96417004 96417020 95059814 95059815
10a Coupling half 2 2 2 2
9 Hexagon socket head screw 4 4 4 4
Adjusting fork 1 1 1 1
Pos. Kit No 96505136
Description EPDM/FKM
18 Air vent screw 1
23 Pipe plug 1
25 Pipe plug 4
38 O-ring 16.3 x 2.4 4
100 O-ring 16.3 x 2.4 2
Description Kit No
0-4 bar 96428014
0-6 bar 96428015
0-10 bar 96428016
0-16 bar 96428017
0-25 bar 96428018
Pos.
Pump type 120
Pos.
Pump type 120/150
For number of stages 7
CR 97683114 PN 98533480
47b Bearing 1 47e Washer 2
47e Washer 2 64b Washer 1
51 Shaft 1 64c Spacer lower 1
64b Washer 1 66b Washer 1
64 Spacing bush 1 67 Nut 1
64c Spacer lower 1
66b Washer 1
67 Nut 1

CR, CRN 120, 150 CR
183
13
50/60 Hz Service Kit Catalogue 2016
CR, CRN 120, 150
TM03 6001 1009