Marcus 539271 1 Suntec Solenoid Valve Service Manual
539500 1 Suntec Solenoid Valve Service Manual 539500_1_Suntec Solenoid Valve Service Manual
539505 1 Suntec Solenoid Valve Service Manual 539505_1_Suntec Solenoid Valve Service Manual
539502 1 Suntec Solenoid Valve Service Manual 539502_1_Suntec Solenoid Valve Service Manual
539501 1 Suntec Solenoid Valve Service Manual 539501_1_Suntec Solenoid Valve Service Manual
539504 1 Suntec Solenoid Valve Service Manual 539504_1_Suntec Solenoid Valve Service Manual
: Pump 539271 1 Suntec Solenoid Valve Service Manual 539271_1_Suntec Solenoid Valve Service Manual pdf
Open the PDF directly: View PDF .
Page Count: 81

PREFACE
This manual was assembled with the service person and technician in
mind. Our objective was to give procedures and guidelines for efficient
and successful fuel pump installation and service. Many technical
manuals contain the necessary information; finding it is the problem.
This manual is divided into four major sections:
Sales-- What models to use and how they are identified
Installation--How to install the model selected
Piping-- Good practice piping installations and how to cope with
non-recommended piping found in previous installations.
Service-- How to test and service new and existing installations.
We have addressed situations found in the field which are not good
practice, but since they have been in use, we must contend with them.
If you have problems which you cannot answer, please contact Suntec’s
field service department at 800-367-7116. We, at Suntec, appreciate
your support and look forward to many more years of working with you.

TABLE OF CONTENTS
SALES
FUEL UNITS
Model A Single-Stage ...................................................................... I-1
Model B Two-Stage .......................................................................... I-3
Model B Two-Stage, Two-Step ......................................................... I-5
Model B Special Pressures .............................................................. I-5
Model J Single-Stage ....................................................................... I-6
Model H Two-Stage .......................................................................... I-8
VALVES
Models R and C Solenoid .............................................................. I-10
INSTALLATION
FUEL UNITS
Model A Single-Stage ..................................................................... II-1
Model B Two-Stage ......................................................................... II-1
Model A Single-Stage, Two-Step ..................................................... II-7
Model B Two-Stage, Two-Step ........................................................ II-7
Model B Special Pressures ............................................................. II-7
Model J Single-Stage .................................................................... II-12
Model H Two-Stage ....................................................................... II-12
OTHER PUMPS
Model A Waste Oil ......................................................................... II-20
Model J Waste Oil ......................................................................... II-20
Boost Pumps and Central Systems .............................................. II-23
PIPING
Single-Pipe ..................................................................................... III-1
Gravity Feed ............................................................................... III-2
Lift Feed ...................................................................................... III-3
Two-Pipe ........................................................................................ III-3
Gravity Feed ............................................................................... III-5
Lift Feed ...................................................................................... III-6

LINE SIZING
Single-Pipe ........................................... See Specific Model Installation
Two-Pipe ........................................................................................ III-7
Adding Additional Units .................................................................. III-8
Priority Controls ............................................................................. III-9
Multiple Units with Manifold Piping
Gravity Feed ............................................................................. III-10
Lift Feed .................................................................................... III-11
Check Valves ................................................................................ III-12
Thermal Expansion ...................................................................... III-12
SERVICE
Routine or Annual Checkout .......................................................... IV-1
Trouble Call .................................................................................... IV-1
System Troubleshooting Sequence ................................................ IV-2
Troubleshooting Guide for Fuel Pump ............................................ IV-4
Testing Fuel Units and Systems ..................................................... IV-7
Vacuum Test-Fuel Units .............................................................. IV-7
Vacuum Test-System .................................................................. IV-9
Pressure Test ............................................................................ IV-10
Operating and Cutoff Test ......................................................... IV-11
Strainers and Field Service .......................................................... IV-12
Filters and Filteration .................................................................... IV-15
Solenoid Valves and Field Service ............................................... IV-17
Warranty Policy ............................................................................ IV-19

SUNTEC
PERFORMANCE-PROVEN FUEL UNITS
AND VALVES
. . . for residential and commercial applications
SUNTEC, THE INDUSTRY LEADERS •
BUILT ON OUR COMMITMENT
Knowing the industry’s needs and responding to them with the right
products and services is one of the responsibilities of leadership. Over
the years, Suntec has been committed to being involved, asking
questions, listening and providing answers. Today, as the industry leaders,
our involvement is as strong as ever. We still work hard to earn your
trust in us as the experts in our field. You shouldn’t have to settle for
less.
MODEL A-7000 •
SINGLE-STAGE FUEL UNITS
•Single-pipe installations to 6" hg.
vacuum
•Two-pipe installations to 12" hg.
vacuum
•Lift or gravity feed applications
with 10 psi maximum inlet/return
pressure
•Choice of 1725, 2850, 3450 rpm
•Suitable for no. 2, no. 1 fuel oil, or
kerosene
•Mounting in any position
•Factory-set at 100 psi
•Adjustable range 100-150 psi at
3450 rpm, 100-135 psi at 1725
rpm. Models available to 200 and
300 psi.
I-1

I-2
SPECIFICATIONS*/ORDERING INFORMATION
Model
Number RPM Rotation
1
Nozzle
Port
Location1
Strainer &
Nozzle Rating
at 100 psi
Special
Features
A1VA-7112 1725 R.H. R.H. 3 gph --
A1VB-7113 1725 R.H. L.H. 3 gph --
A1VC-7114 1725 L.H. L.H. 3 gph --
A1VD-7741 1725 LH. R.H. 3 gph 3-bolt mtg. hub
A1YA-7912 1725 R.H. R.H. 7 gph --
A2VA-7142 2850 R.H. R.H. 2.25 gph --
A2VA-7116 3450 R.H. R.H. 3 gph --
A2VB-7117 3450 R.H. L.H. 3 gph --
A2VC-7118 3450 L.H. L.H. 3 gph --
A2VA-7416 3450 R.H. R.H. 3 gph Solenoid
dumping fuel unit
A2YA-7916 3450 R.H. R.H. 7 gph 3 gph at 200 psi
A2YA-7430 3450 R.H. R.H. 7 gph Solenoid
dumping fuel unit
A2VD-7519 3450 L.H. R.H. 3 gph Solenoid
dumping fuel unit
32mm hub
A2RA-7736 3450/1725 R.H. R.H. 2.5/2.5** gph Waste oil
application
A2RA-7737 3450/1725 R.H. R.H. 2.5/2.5** gph 10-20 psi waste
oil application
A1RA-7738 1725 R.H. R.H. 2.5 Waste oil
application
*Also apply to “-6” model numbers (shown on fuel unit).
For example: “7916-6,” etc. 1Viewed from shaft end.
**Use gage port for rated flow @ 1725 rpm, no cut off.
Note: All ports shown in diagram are reversed for left-hand nozzle fuel units.

I-3
Typical Model Number Nomenclature
(Model A & Model B):*
*The model number appears on the fuel unit label.
MODEL B-8000 •
TWO-STAGE FUEL UNITS
•Two- pipe installations up to 17"
hg. vacuum
•Lift or gravity feed applications
with 10 psi maximum inlet/re-
turn pressure
•Capacities to 7 gph, except
boost pumps
•Factory-set at 100 psi
•Pressure adjustable from 100
to 150 psi at 3450 rpm, 100 to
135 psi at 1725 rpm. Models
available to 200 and 300 psi
•Choice of 1725, 2850, 3450
rpm
•Suitable for no. 2, no. 1 fuel oil,
or kerosene
•Mounting in any position except
upside down.

I-4
SPECIFICATIONS*/ORDERING INFORMATION
Model
Number RPM Rotation
1
Nozzle
Port
Location1
Strainer &
Nozzle Rating
at 100 psi
Special
Features
B1VA-8212 1725 R.H. R.H. 3 gph --
B2VA-8216 3450 R.H. R.H. 3 gph --
B2YA-8916 3450 R.H. R.H. 7 gph 3 gph at 200 psi
B2VA-8416 3450 R.H. R.H. 3 gph Solenoid
dumping fuel unit
B2VA-8241 3450 R.H. R.H. -- Boost pump, 20
gph at 10-20 psi
B2VA-8242 2850 R.H. R.H. 2.25 gph --
*Also apply to “-8” model numbers (shown on fuel unit).
For example: “8212-6,” etc.
1Viewed from shaft end.

I-5
MODEL B-8200 •
TWO-STAGE HIGH CAPACITY
HIGH PRESSURE (NOT PICTURED) AND
MODEL B-8800 •
TWO-STEP TWO-STAGE
•Two-pipe installations up to 17"
hg. vacuum
•Lift or gravity feed applications
with 10 psi maximum inlet/return
pressure
•Adjustable manual or automatic
high/low firing
•High efficiency burner applica-
tions
•Capacities to 23 gph
•Pressure adjustable (100 to 200
psi low fire, 200-300 psi high fire)
•For no. 2 fuel oil. For other fuels,
consult factory
•Two-bolt flange mounting in any
position except upside down.
SPECIFICATIONS*/ORDERING INFORMATION

I-6
SPECIFICATIONS*/ORDERING INFORMATION
Model
Number RPM Rotation
1
Nozzle
Port
Location1
Strainer &
Nozzle Rating
at 300 psi
High-Capacity Units
B2VA-8243 3450 R.H. R.H. 3 gph2
B2TA-8245 3450 R.H. R.H. 16 gph
B2TA-8248 3450 R.H. R.H. 8 gph3
High-Capacity Units
B2TA-8850 3450 R.H. R.H. 10 gph
B2TA-8851 3450 R.H. R.H. 16 gph
B2GA-8852 3450 R.H. R.H. 23 gph
*Also apply to “-8” model numbers (shown on fuel unit).
For example: “8850-8,” etc.
1Viewed from shaft end. 2At 130 psi. 3At 150 psi.
MODEL J •
SINGLE-STAGE FUEL UNITS
•Single-pipe gravity feed
installations
•Two-pipe lift installations to 12"
hg. vacuum
•Lift or gravity feed applications
with 10 psi maximum inlet/return
pressure
•Capacities to 60 gph
•Six pressure options, 10 to 300
psi*
•For no. 4 and lighter fuel oils
(gasoline and JP fuels, special)
•Hub and flange mounting in any
position.

I-7
SPECIFICATIONS*/ORDERING INFORMATION
Model
Number
1
Piston
Type
Maximum Firing Rate* (gph)
1725 rpm 3450 rpm
100 psi 300 psi
2
100 psi 300 psi
3
JJ2 Std. -- -- 3 --
JA2 Std. -- -- 7 --
JB2 Std. -- -- 10 --
J2 Std. 3 -- 16 --
J3 Std. 7 -- 20 --
G8--24 10
N9--26 14
J4 Std. 11 -- 30 17
N13 --3323
J5 Std. 17 -- 40 28
N19 546 32
J6 Std. 24 7 55 40
N26106045
*Special Pressure Spring Choices:
A = 20-40 psi C = 150-300 psi E = 10-20 psi
B = 75-200 psi D = 40-80 psi
1Do not adjust J2 and 3450 rpm - only models (JA, JB, JJ) to higher than 100 psi.
2Requires C spring (100-300 psi range).
3Requires C spring and hardened gear.

Typical Model Number Nomenclature
(Model J & Model H):*
*The model number appears on the top of the fuel unit.
MODEL H •
TWO-STAGE FUEL UNITS
•Two-pipe high lift installations to
17" hg. vacuum
•Capacities to 83 gph
•Lift or gravity feed applications
with 10 psi maximum inlet/return
pressure
•Six pressure options, 10 to 300
psi*
•For no. 4 and lighter fuel oils
(gasoline and JP fuels, special)
•Three hub and flange mounting
options: Model H may be
mounted with the valve horizon-
tal at either the top or bottom.
Valve may be mounted vertical
provided the adjusting screw is
at the top of CW rotation--left
nozzle and CCW rotation--right
nozzle models, or adjusting
screw at bottom on CW rotation-
-right nozzle and CCW rotation--
left nozzle models.
I-8

HA2 Std. -- -- 7 --
H2 Std. 3 -- 16 --
H3 Std. 7 -- 20 --
G8--24 10
N9--26 14
H4 Std. 11 -- 30 17
N13 --3323
H5 Std. 17 -- 40 28
N19 546 32
H6 Std. 24 7 55 40
N26106045
H7 Std. 40 17 -- --
N4220-- --
H8 Std. 80 47 -- --
N8355-- --
I-9
SPECIFICATIONS*/ORDERING INFORMATION
Model
Number
1
Piston
Type
Maximum Firing Rate* (gph)
1725 rpm 3450 rpm
100 psi 300 psi
2
100 psi 300 psi
3
*Special Pressure Spring Choices:
A = 20-40 psi C = 150-300 psi E = 10-20 psi
B = 75-200 psi D = 40-80 psi
1Do not adjust H2 and 3450 rpm - only models (HA, HB, HH) to higher than
110 psi.
2Requires C spring (100-300 psi range).
3Requires C spring and hardened gear.

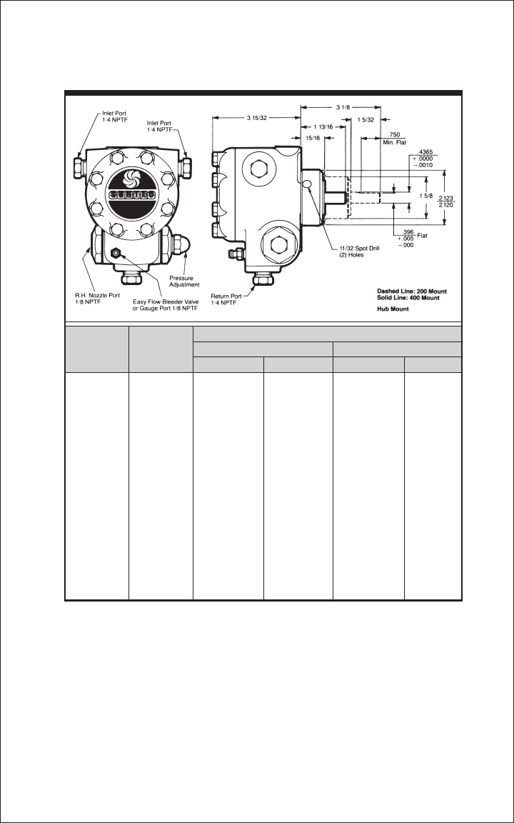
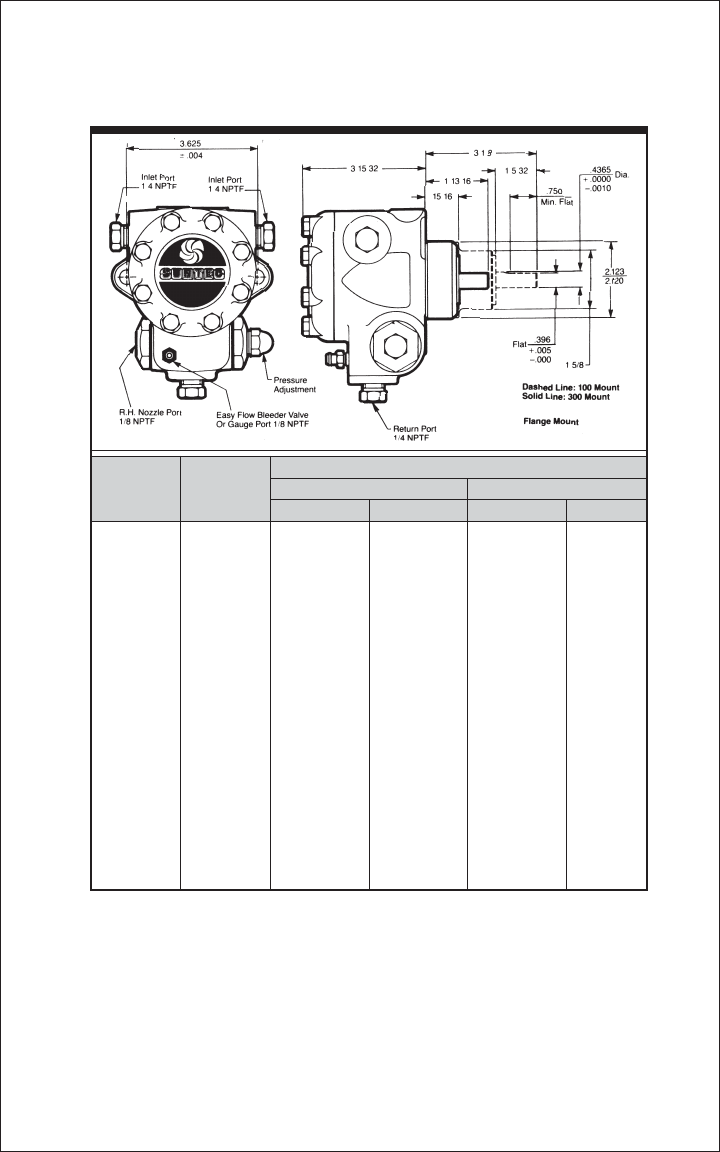
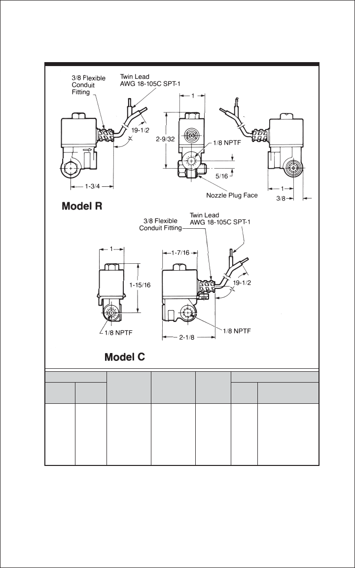
MODEL R & C •
SHUT-OFF VALVES
•For instantaneous, redundant
cutoff of fuel supply
•Provides back-up protection
•Closes when current to solenoid
coil is interrupted
•Blocks oil flow to nozzle
•Delay or non-delay opening
•Two model choices: Model R
mounts to fuel unit; Model C
mounts to burner or other
remote locations
•Easy installation
•Use with any fuel unit rated up
to 16 gph
•Suitable for no. 2, no. 1 fuel oil or
kerosene
•Mount in any position.
I-10

Valve Model No.
R642N C642N Non-Delay 115 300 psi Black Orange/White
R641D C461D Delay 115 150 psi Grey Orange/White
R753N C753N Non-Delay 220 300 psi Black Red/White
R261N C261N Non-Delay 24 300 psi Green Blue/Brown/
Yellow & Green
I-11
SPECIFICATIONS/ORDERING INFORMATION
Pump
Mount
Burner
Mount
Opening
Response
Voltage
(50/60 Hz.)
Maximum
Operating
Pressure
Color Code
Coil Lead Wires

Typical Model Number Nomenclature
(Model R & Model C):*
*The model number appears on the valve label.
I-12

FOR A-7000 SINGLE-STAGE AND B-8000
TWO-STAGE FUEL UNITS
MODELS A1 & B1
FOR 1725 RPM, BLACK LABEL
MODELS A2 & B2
FOR 3450 RPM, WHITE LABEL
GENERAL INFORMATION •
ALL SYSTEMS
IMPORTANT INFORMATION Long or oversized inlet lines may require
the pump to operate dry during initial bleeding period. In such cases,
the priming may be assisted by injecting fuel oil into the pump gearset.
Under lift conditions, oil lines and fittings must be air tight. To assure
this, “pipe dope” may be applied to both the used and unused inlet and
both return fittings. DO NOT USE TEFLON TAPE!! DO NOT USE COM-
PRESSION FITTINGS!!
MOUNTING POSITION Model “A” Single-Stage Fuel Unit may be
mounted in any position. Model “B” Two-Stage Fuel Unit may be mounted
in any position except upside down (1 /8" ports pointed down).
II-1
READ OPERATING
PRESSURE
]
PRESSURE GAGE
PORT 1/8”
]
]
REGULATE
PRESSURE
]
INLET 1/4”
]
EASY FLOW
AIR BLEED VALVE
(DO NOT USE TO
CHECK PRESSURE
SEE BELOW)
]
RETURN 1/4”
]
1/16” BY-PASS PLUG
INSERT FOR 2-PIPE SYSTEM
(USE 5/32” ALLEN WRENCH)
]
INLET 1/4”
]
NOZZLE
PORT 1/8”
]
FIGURE 1

VACUUM CHECK A vacuum gage may be installed in either of the 1/4"
inlet ports or in the 1/8" return port (on single-pipe installations),
whichever is most convenient. The Model “A” pump should be used where
the vacuum does not exceed 6" hg. single-pipe and 12" hg. two-pipe.
The Model “B” should be used where vacuum does not exceed 17" hg.
Remember, running vacuum is the total of all pressure drops (P) in
the system from tank to inlet of pump.
PRESSURE CHECK If a pressure check is made, use GAGE PORT
OR NOZZLE PORT. DO NOT USE EASY FLOW BLEED VALVE PORT
FOR THE 7000 SERIES. The easy flow bleed valve port contains
pressure higher than operating pressure. Setting pump pressure with
gage in the easy flow bleed valve port results in WRONG operating
pressure. The 7400 is an exception (see Figure 2).
CUTOFF PRESSURE Average cutoff pressure for A and B fuel units is
80 psig. To check cutoff pressure, install pressure gage in nozzle port.
Run burner for short period of time. Shut burner off. Gage shows cutoff
pressure.
II-2
READ OPERATING
PRESSURE
]
REGULATE
PRESSURE
]
INLET 1/4”
]
EASY FLOW
AIR BLEED VALVE
(PRESSURE GAGE
PORT)
]
RETURN 1/4”
]
1/16” BY-PASS PLUG
INSERT FOR 2-PIPE SYSTEM
(USE 5/32” ALLEN WRENCH)
INLET 1/4”
]
NOZZLE
PORT 1/8”
]
MODEL B TWO-STAGE FUEL
UNIT HAS SAME PORTING
ARRANGEMENT AS MODEL A
]
FOR ELECTRICAL
CONNECTIONS, SEE
SOLENOID WIRING
FIGURE 2

CAUTION
Pressurized or gravity feed installations must not exceed 10 P.S.I. on
inlet line or return line at the pump. A pressure greater than 10 P.S.I.
may cause damage to the shaft seal.
SOLENOID WIRING
DISCONNECT POWER SUPPLY BEFORE WIRING TO PREVENT
ELECTRICAL SHOCK OR EQUIPMENT DAMAGE. Lead wires on these
devices are long enough to reach the junction box on most burner
installations. Wire solenoid in parallel with burner motor (see Figure 3).
All electrical work should be done according to local and national codes.
(Solenoid 115V, 0.1A, 60 Hz.)
II-3
FIGURE 3
ONE-PIPE SYSTEM
DO NOT INSTALL BY-PASS PLUG! Connect inlet line to pump inlet.
Start burner. Arrange primary burner control for continuous operation
during purging. Open easy flow bleed valve 1 turn CCW. Bleed unit until
all air bubbles disappear -- HURRIED BLEEDING WILL IMPAIR
EFFICIENT OPERATION OF UNIT. Tighten easy flow bleed valve
securely (Figure 4). For additional information, see Single-Pipe
Installation Section, page III-1 of this manual.
The SUNTEC MODEL “A” - 70 FUEL UNIT may be installed ONE-PIPE
with gravity feed or lift.
The maximum allowable lift is 8 feet (see Figure 4).
IMPORTANT: One-pipe installations must be absolutely airtight or leaks
or loss of prime may result. Bleed line and fuel unit completely. Bleed
for 15 seconds after last air is seen from easy flow to be certain
lines are air free.
L=Line Length in Feet H=Head in Feet Q=Firing Rate in GPH
3/8" Line L = 6-.75H 1/2" Line L = 6-.75H
.0086 Q .00218 Q
If tank is above pump, change - to +. Fittings, valves, and filters will
reduce total length allowed.

II-4
TWO-PIPE SYSTEM
REMOVE 1/16" BY-PASS PLUG FROM PLASTIC BAG ATTACHED
TO UNIT. Remove 1/4" plug from return port. Insert by-pass plug (see
Figure 1 or 2). Attach return and inlet lines. Start burner -- air bleeding is
automatic. Opening easy flow air bleed valve will allow a faster bleed, if
desired. Return line must terminate 3-4" above supply line inlet (see
Figure 5). Failure to do this may introduce air into the system and could
result in loss of prime. For additional information, see Two Pipe Installation
Section, page III-3 of this manual.
Always terminate return line as shown in Figure 5. Line lengths
include both vertical and horizontal lengths.
FIGURE 4
FIGURE 5

0’ 86’ 100’ 84’ 71’ 100’ 100’
1’ 80’ 100’ 78’ 66’ 100’ 100’
2’ 75’ 100’ 73’ 62’ 100’ 100’
3’ 70’ 100’ 68’ 57’ 100’ 100’
4’ 64’ 100’ 63’ 53’ 100’ 100’
5’ 59’ 100’ 57’ 48’ 100’ 100’
6’ 54’ 100’ 52’ 44’ 100’ 100’
7’ 49’ 100’ 47’ 39’ 100’ 100’
8’ 43’ 100’ 42’ 35’ 100’ 100’
9’ 37’ 100’ 36’ 31’ 100’ 100’
10’ 32’ 100’ 31’ 27’ 100’ 100’
11’ 26’ 100’ 26’ 22’ 100’ 87’
12’ 21’ 85’ 21’ 18’ 83’ 70’
13’ -- 63’ -- -- 62’ 52’
14’ -- 42’ -- -- 41’ 35’
Lift “H”
Figure 5
1725 RPM 3450 RPM
3/8” OD 1/2” OD 3/8” OD 1/2” OD
Tubing Tubing Tubing Tubing
3 GPH 3 GPH 3 GPH 7 GPH 3 GPH 7 GPH
A. SINGLE-STAGE •
TWO-PIPE MAXIMUM
LINE LENGTH (H + R)
0’ 100’ 91’ 100’ 100’ 93’ 80’ 100’ 100’
2’ 100’ 83’ 100’ 100’ 85’ 73’ 100’ 100’
4’ 89’ 75’ 100’ 100’ 77’ 66’ 100’ 100’
6’ 80’ 67’ 100’ 100’ 69’ 59’ 100’ 100’
8’ 70’ 59’ 100’ 100’ 60’ 52’ 100’ 100’
10’ 61’ 51’ 100’ 100’ 52’ 45’ 100’ 100’
12’ 51’ 43’ 100’ 100’ 44’ 38’ 100’ 100’
14’ 41’ 35’ 100’ 100’ 36’ 31’ 100’ 100’
16’ 32’ 27’ 100’ 100’ 27’ 24’ 100’ 93’
18’ 22’ -- 88’ 74’ -- -- 76’ 65’
Lift “H”
Figure 5
1725 RPM 3450 RPM
3/8” OD 1/2” OD 3/8” OD 1/2” OD
Tubing Tubing Tubing Tubing
3 GPH 7 GPH 3 GPH 7 GPH 3 GPH 7 GPH 3 GPH 7 GPH
B. TWO-STAGE •
TWO-PIPE MAXIMUM
LINE LENGTH (H + R)
II-5

II-6
Model
A.
Max. Nozzle
Capacity (GPH)
At 100 PSI
RPM
A1V-7100 3 1725
A2V-7100 3 3450
A2V-7400 3 3450
A1Y-7900 7 1725
A2Y-7900 7 3450
Model
B.
Max. Nozzle
Capacity (GPH)
At 100 PSI
RPM
B1V-8200 3 1725
B2V-8200 3 3450
B1Y-89007 1725
B2Y-89007 3450
Strainer
Type
V3
Y7
T16
G23
UL Strainer Rating (GPH)*
#2 Fuel Oil
Strainer Type
ARH/RH
BRH/LH
CLH/LH
DLH/RH
*Maximum firing rate not to exceed maximum nozzle capacity or strainer
rating, whichever is less. A greater firing rate requires a suitable external
strainer.
ALL INSTALLATIONS SHOULD BE MADE IN ACCORDANCE WITH
LOCAL AND NATIONAL CODES.
PUMP USAGE IDENTIFICATION

MODEL A SINGLE-STAGE TWO STEP
MODEL B TWO-STAGE, TWO-STEP
FUEL UNITS AND
MODEL B TWO-STAGE, HIGH-PRESSURE
FUEL UNITS
GENERAL INFORMATION •
ALL SYSTEMS
IMPORTANT INFORMATION Long or oversized inlet lines may require
the pump to operate dry during initial bleeding period. In such cases,
the priming may be assisted by injecting fuel oil into the pump gearset.
Under lift conditions, oil lines and fittings must be air tight. To assure
this, “pipe dope” may be applied to both the used and unused inlet and
both return fittings. DO NOT USE TEFLON TAPE!! DO NOT USE
COMPRESSION FITTINGS!!
MOUNTING POSITION Model “A” Single-Stage Fuel Unit may be
mounted in any position. Model “B” Two-Stage Fuel Unit may be mounted
in any position except upside down (1/8" ports pointed down).
II-7
READ OPERATING
PRESSURE
]
PRESSURE GAGE
PORT 1/8”
]
]
REGULATE
PRESSURE
]
INLET 1/4”
]
EASY FLOW
AIR BLEED VALVE
(DO NOT READ
OPERATING
PRESSURE)
]
RETURN 1/4”
]
1/16” BY-PASS PLUG
INSERT FOR 2-PIPE SYSTEM
(USE 5/32” ALLEN WRENCH)
]
INLET 1/4”
]
NOZZLE
PORT 1/8”
]
RETURN 1/8”
]
FIGURE 1

II-8
REGULATOR SETTING
(W/SOLENOID DE-ENERGIZED)
(LOW PRESSURE)
]
INLET 1/4”
]
EASY FLOW
AIR BLEED VALVE
(READ OPERATING
PRESSURE)
RETURN 1/4”
]
1/16” BY-PASS PLUG
INSERT FOR 2-PIPE SYSTEM
(USE 5/32” ALLEN WRENCH)
]
INLET 1/4”
]
NOZZLE
PORT 1/8”
]
]
FIGURE 2
]
PRESSURE GAGE
PORT 1/8”
REGULATOR SETTING
(W/SOLENOID ENERGIZED)
(HIGH PRESSURE)
]
VACUUM CHECK A vacuum gage may be installed in either of the 1/4"
inlet ports or in the 1/8" return port (on single-pipe installations),
whichever is most convenient. The Model “A” pump should be used where
the vacuum does not exceed 6" hg. single-pipe and 12" hg. two-pipe.
The Model “B” should be used where vacuum does not exceed 17" hg.
Running vacuum is the total of all pressure drops (P) from the tank to
the inlet of the pump.
CAUTION
Pressurized or gravity feed installations must not exceed 10 P.S.I. on inlet
line or return line at the pump. A pressure greater than 10 P.S.I. may cause
damage to the shaft seal.
TWO-STEP PUMPS •
FIGURE 2
MODEL SHOWN IS RIGHT-HAND ROTATION; ALL PORTS ARE
REVERSED FOR LEFT-HAND ROTATION.
SOLENOID WIRING Refer to burner manufacturer’s manual for instructions.

II-9
FIGURE 3
REGULATOR SETTING Install pressure gage in gage port (remove after
adjustment); proper nozzle in nozzle line.
•Low Fire -- With solenoid de-energized, adjust low-fire regulator to
desired pressure. (Range 100 to 200 PSI)
•High Fire -- With solenoid energized, adjust high-fire regulator to
desired pressure. (Range 200 to 300 PSI)
NOTE: EXTERNAL CUTOFF VALVE IS REOUIRED.
ONE-PIPE SYSTEM •
FIGURE 3
DO NOT INSTALL BY-PASS PLUG! Connect inlet line to pump inlet.
Start burner. Arrange primary burner control for continuous operation
during purging. Open easy flow bleed valve 1 turn CCW. Bleed unit until
all air bubbles disappear -- HURRIED BLEEDING WILL IMPAIR
EFFICIENT OPERATION OF UNIT. Tighten easy flow bleed valve
securely. For additional information, see Single-Pipe Installation Section,
page III-1 of this manual.
ONE-PIPE SYSTEM •
MODEL A
The SUNTEC MODEL “A”-70 FUEL UNIT may be installed ONE-PIPE
with gravity feed or lift.
The maximum allowable lift is 8 ft. -- see Figure 3.
IMPORTANT: One-pipe installations must be absolutely airtight or leaks
or loss of prime may result. Bleed line and fuel unit completely. Bleed
for 15 seconds after last air is seen from easy-flow to be certain
lines are air free.

II-10
L=Line Length in Feet H=Head in Feet Q=Firing Rate in GPH
3/8" Line L = 6-.75H 1/2" Line L = 6-.75H
.0086 Q .00218 Q
If tank is above pump, change - to +. Fittings, valves, and filters will
reduce total length allowed.
TWO-PIPE SYSTEM •
FIGURE 4
REMOVE 1/16" BY-PASS PLUG FROM PLASTIC BAG ATTACHED
TO UNIT. Remove 1/4" plug from return port. Insert by-pass plug (see
Figure 1 or 2), tighten plug. Attach return and inlet lines. Start burner --
air bleeding is automatic. Opening easy flow air bleed valve will allow a
faster bleed if desired. Return line must terminate 3-4" above supply
line inlet (see Figure 4). Failure to do this may introduce air into the
system and could result in loss of prime.
For additional information, see Two-Pipe Installation Section, page III-3
of this manual.
TWO-PIPE SYSTEM •
MODEL A AND B
FIGURE 4
Always terminate return line as shown in Figure 4. Line lengths
include both vertical and horizontal lengths.
ALL INSTALLATIONS SHOULD BE MADE IN ACCORDANCE WITH
LOCAL AND NATIONAL CODES.

3450 RPM
3/8” OD 1/2” OD 5/8” OD
Tubing Tubing Tubing
10 GPH 16 GPH 10 GPH 16 GPH 23 GPH 23 GPH
0’ 70’ 60’ 100’ 100’ 100’ 100’
2’ 64’ 55’ 100’ 100’ 100’ 100’
4’ 58’ 50’ 100’ 100’ 100’ 100’
6’ 52’ 44’ 100’ 100’ 100’ 100’
8’ 45’ 39’ 100’ 100’ 100’ 100’
10’ 39’ 34’ 100’ 100’ 100’ 100’
12’ 33’ 28’ 100’ 100’ 94’ 100’
14’ 27’ 23’ 100’ 91’ 76’ 100’
16’ 21’ 18’ 81’ 70’ 59’ 100’
18’ -- -- 57’ 49’ 41’ 100’
Lift “H”
Figure 4
MODEL B TWO-STAGE TWO-STEP AND TWO-STAGE
HIGH-PRESSURE •
TWO-PIPE MAXIMUM
LINE LENGTH (H + R)
3450 RPM
3/8” OD 1/2” OD 5/8” OD
Tubing Tubing Tubing
10 GPH 16 GPH 10 GPH 16 GPH 23 GPH 23 GPH
0’ 33’ 29’ 100’ 100’ 72’ 100’
1’ 31’ 27’ 100’ 100’ 66’ 100’
2’ 28’ 25’ 100’ 98’ 59’ 100’
3’ 25’ 23’ 100’ 89’ 53’ 100’
4’ 23’ 20’ 92’ 80’ 46’ 100’
5’ 21’ 18’ 82’ 72’ 40’ 100’
6’ 18’ 16’ 72’ 63’ 34’ 100’
7’ 16’ 14’ 62’ 55’ 27’ 88’
8’ 13’ 12’ 52’ 46’ 20’ 72’
9’ 11’ 9’ 43’ 37’ 14’ 56’
10’ -- -- 33’ 29’ 8’ 39’
Lift “H”
Figure 4
MODEL A SINGLE-STAGE TWO-STAGE •
TWO-PIPE
MAXIMUM LINE LENGTH (H + R)
II-11
*Maximum firing rate not to exceed maximum nozzle capacity or strainer
rating, whichever is less. A greater firing rate requires a suitable external
strainer.

II-12
SUNTEC ROTA-ROLL® FUEL UNITS
MODEL J SINGLE-STAGE AND
MODEL H TWO-STAGE
INLET PORTS 1/4”
(USE EITHER PORT)
REGULATE
PRESSURE
NEW EASY FLOW
AIR BLEED VALVE
AND GAGE PORT
NOZZLE
PORT1/8”
BY-PASS PLUG
(INSERT FOR
TWO-PIPE
SYSTEM)
]
]
]
]
]
]
RETURN
PORT 1/4”
]
GENERAL INFORMATION •
ALL SYSTEMS
1. Oil lines should not be smaller than 1/2" O.D. copper tubing. See line
sizing charts in this section or check line sizing on page III-7 of this
manual.
2. Oil lines must be airtight. Check all connections and fittings. Do not use
teflon tape. Do not use compression fittings.
3. During initial start-up or on a dry system, prime the pump with clean
lubricating oil or motor oil.
4. Return line pressure must never exceed 10 PSI. Higher pressures can
damage the seal or cause leaks.
5. Mounting Position -- J pumps can be mounted in any position. H
pumps can be mounted with the piston chamber (regulating valve)
horizontal at either the top or bottom.

II-13
FIGURE 1
ONE-PIPE SYSTEM
Do not install by-pass plug! Connect inlet line to pump inlet. Start burner.
Open easy flow bleed valve one turn CCW. Bleed unit until all air bubbles
disappear. Tighten easy flow bleed valve. Figures 1 and 2 show typical
one-pipe installations. J and H pumps are not recommended for lifts (H)
above two feet or 2 inches mercury inlet vacuum with the exception of
the J2XXF pump.
For additional information, see Single-Pipe Installation Section, page
III-1 of this manual. Figures 1 and 2 are typical one-pipe systems.
FIGURE 2

II-14
L=Line Length in Feet H=Head in Feet Q=Firing Rate in GPH
3/8" Line L = 2-.75H 1/2" Line L = 2-.75H
.0086 Q .00218 Q
If tank is above pump, change - to +. Fittings, valves, and filters will
reduce total length allowed.
TWO-PIPE SYSTEM
Install by-pass plug inside the return port of the pump, using an allen
wrench and making sure it is tight. (See illustration at the beginning of
this section.) On a connected two-pipe, the fuel pump is selfpriming.
Model J can be used two-pipe to 12-inch mercury vacuum; Model H can
be used to 17-inch mercury vacuum. For additional information, see
Two-Pipe Section, page III-3 of this manual. Figures 3 and 4 are
illustrations of typical two-pipe installations.
FIGURE 3
Maximum recommended horizontal run for suction or return. For
conditions longer than the charts, please contact factory. Although there
is a chart for 3/8" copper lines, it is recommended that you not use less
than 1/2" copper tubing. On all installations, running vacuum and return
line pressure should be checked before leaving any installation.
INSIDE OR OUTSIDE TANK FUEL UNIT ABOVE BOTTOM OF TANK

3/8’ O.D. Tubing (1725 RPM)
J
2
J
3
J
4
J
5
J
6
H
2
H
3
H
4
H
5
H
6
II-15
0’ 78’ 78’ 63’ 48’ 37’ 100’ 90’ 75’ 65’ 55’
2’ 68’ 68’ 55’ 42’ 32’ 100’ 83’ 70’ 60’ 51’
4’ 58’ 58’ 47’ 36’ 28’ 92’ 76’ 64’ 55’ 47’
6’ 49’ 49’ 39’ 30’ 23’ 84’ 70’ 58’ 50’ 42’
8’ 39’ 39’ 32’ 24’ 18’ 76’ 63’ 53’ 45’ 38’
10’ 29’ 29’ 24’ 18’ 14’ 68’ 56’ 47’ 40’ 34’
12’ 19’ 19’ 16’ -- -- 60’ 49’ 41’ 36’ 30’
14’ -- -- -- -- -- 52’ 43’ 36’ 31’ 26’
16’ -- -- -- -- -- 43’ 36’ 30’ 26’ 22’
18’ -- -- -- -- -- 35’ 29’ 24’ 21’ --
Lift “H”
Figure 3
LIFT CONDITION •
MAXIMUM
LINE LENGTH (H + R)
FIGURE 3
(Figure 3 continued on next page)
1/2” O.D. Tubing (1725 RPM)
J
2
J
3
J
4
J
5
J
6
H
2
H
3
H
4
H
5
H
6
H
7
H
8
Lift “H”
Figure 3
LIFT CONDITION •
MAXIMUM
LINE LENGTH (H + R)
0’ 100’ 100’ 100’ 100’ 100’ 100’ 100’ 100’ 100’ 100’ 100’ 94’
2’ 100’ 100’ 100’ 100’ 100’ 100’ 100’ 100’ 100’ 100’ 100’ 87’
4’ 100’ 100’ 100’ 100’ 100’ 100’ 100’ 100’ 100’ 100’ 100’ 80’
6’ 100’ 100’ 100’ 100’ 91’ 100’ 100’ 100’ 100’ 100’ 100’ 73’
8’ 100’ 100’ 100’ 95’ 73’ 100’ 100’ 100’ 100’ 100’ 93’ 66’
10’ 100’ 100’ 94’ 71’ 55’ 100’ 100’ 100’ 100’ 100’ 83’ 59’
12’ 77’ 77’ 62’ 48’ 36’ 100’ 100’ 100’ 100’ 100’ 73’ 52’
14’ 39’ 39’ 31’ 24’ 18’ 100’ 100’ 100’ 100’ 100’ 63’ 45’
16’ -- -- -- -- -- 100’ 100’ 100’ 100’ 87’ 53’ 38’
18’ -- -- -- -- -- 100’ 100’ 97’ 83’ 70’ 43’ 31’

II-16
1/2” O.D. Tubing (1725 RPM)
JJ
2
JA
2
JB
2
J
2
J
3
J
4
J
5
J
6
0’ 100’ 100’ 100’ 100’ 100’ 100’ 92’ 71’
2’ 100’ 100’ 100’ 100’ 100’ 100’ 80’ 62’
4’ 100’ 100’ 100’ 100’ 100’ 89’ 69’ 53’
6’ 91’ 91’ 91’ 91’ 91’ 75’ 57’ 44’
8’ 73’ 73’ 73’ 73’ 73’ 60’ 46’ 35’
10’ 55’ 55’ 55’ 55’ 55’ 45’ 34’ 27’
12’ 36’ 36’ 36’ 36’ 36’ 30’ 23’ 18’
14’ 18’ 18’ 18’ 18’ 18’ -- -- --
Lift “H”
Figure 3
LIFT CONDITION •
MAXIMUM
LINE LENGTH (H + R)
FIGURE 3
(Figure 3 continued on next page)
1/2” O.D. Tubing (3450 RPM)
HH
2
HA
2
HB
2
H
2
H
3
H
4
H
5
H
6
0’ 100’ 100’ 100’ 100’ 100’ 100’ 98’ 84’
2’ 100’ 100’ 100’ 100’ 100’ 100’ 90’ 77’
4’ 100’ 100’ 100’ 100’ 100’ 93’ 81’ 69’
6’ 100’ 100’ 100’ 100’ 94’ 83’ 72’ 62’
8’ 100’ 100’ 100’ 96’ 83’ 73’ 64’ 54’
10’ 100’ 97’ 90’ 83’ 72’ 63’ 55’ 47’
12’ 89’ 82’ 76’ 70’ 60’ 53’ 46’ 40’
14’ 72’ 67’ 62’ 57’ 49’ 43’ 38’ 32’
16’ 56’ 51’ 48’ 44’ 38’ 33’ 29’ 25’
18’ 39’ 36’ 33’ 30’ 26’ 23’ 20’ --
Lift “H”
Figure 3
LIFT CONDITION •
MAXIMUM
LINE LENGTH (H + R)

II-17
5/8” O.D. Tubing (3450 RPM)
JJ
2
JA
2
JB
2
J
2
J
3
J
4
J
5
J
6
0’ 100’ 100’ 100’ 100’ 100’ 100’ 100’ 100’
2’ 100’ 100’ 100’ 100’ 100’ 100’ 100’ 100’
4’ 100’ 100’ 100’ 100’ 100’ 100’ 100’ 100’
6’ 100’ 100’ 100’ 100’ 100’ 100’ 100’ 100’
8’ 100’ 100’ 100’ 100’ 100’ 100’ 100’ 98’
10’ 100’ 100’ 100’ 100’ 100’ 100’ 96’ 74’
12’ 100’ 100’ 100’ 100’ 100’ 83’ 64’ 49’
14’ 51’ 51’ 51’ 51’ 51’ 41’ 32’ 25’
Lift “H”
Figure 3
LIFT CONDITION •
MAXIMUM
LINE LENGTH (H + R)
FIGURE 3
5/8” O.D. Tubing (3450 RPM)
HH
2
HA
2
HB
2
H
2
H
3
H
4
H
5
H
6
0’ 100’ 100’ 100’ 100’ 100’ 100’ 100’ 100’
2’ 100’ 100’ 100’ 100’ 100’ 100’ 100’ 100’
4’ 100’ 100’ 100’ 100’ 100’ 100’ 100’ 100’
6’ 100’ 100’ 100’ 100’ 100’ 100’ 100’ 100’
8’ 100’ 100’ 100’ 100’ 100’ 100’ 100’ 100’
10’ 100’ 100’ 100’ 100’ 100’ 100’ 100’ 100’
12’ 100’ 100’ 100’ 100’ 100’ 100’ 100’ 100’
14’ 100’ 100’ 100’ 100’ 100’ 100’ 100’ 89’
16’ 100’ 100’ 100’ 100’ 100’ 92’ 80’ 69’
18’ 100’ 100’ 92’ 85’ 73’ 64’ 56’ 48’
Lift “H”
Figure 3
LIFT CONDITION •
MAXIMUM
LINE LENGTH (H + R)

0’ 31’ 31’ 31’ 31’ 31’ 25’ 19’ 15’ 25’ 25’ 25’ 25’ 25’ 23’ 20’ 17’
1’ 33’ 33’ 33’ 33’ 33’ 27’ 21’ 16’ 26’ 26’ 26’ 26’ 26’ 25’ 22’ 18’
2’ 35’ 35’ 35’ 35’ 35’ 29’ 23’ 17’ 27’ 28’ 28’ 28’ 29’ 26’ 23’ 19’
II-18
FIGURE 4
3/8” O.D. Tubing (1725 RPM)
J
2
J
3
J
4
J
5
J
6
H
2
H
3
H
4
H
5
H
6
H
7
H
8
Distance
“H” Fig. 4
GRAVITY FEED •
MAXIMUM LINE LENGTH (H + R)
0’ 64’ 64’ 53’ 41’ 31’ 75’ 75’ 70’ 60’ 51’ 30’ 20’
1’ 69’ 69’ 57’ 45’ 34’ 78’ 78’ 72’ 62’ 52’ 31’ 21’
2’ 74’ 74’ 61’ 48’ 36’ 80’ 80’ 75’ 64’ 54’ 32’ 22’
Distance
“H” Fig. 4
3/8” O.D. Tubing (3450 RPM)
JJ
2
JA
2
JB
2
J
2
J
3
J
4
J
5
J
6
HH
2
HA
2
HB
2
H
2
H
3
H
4
H
5
H
6
Distance
“H” Fig. 4
1/2” O.D. Tubing (3450 RPM)
JJ
2
JA
2
JB
2
J
2
J
3
J
4
J
5
J
6
HH
2
HA
2
HB
2
H
2
H
3
H
4
H
5
H
6
0’
100’100’
100’ 100’ 100’ 99’ 77’ 59’ 100’ 100’ 100’ 100’ 100’ 94’ 81’ 69’
1’
100’100’
100’ 100’ 100’ 100’ 83’ 63’ 100’ 100’ 100’ 100’ 100’ 99’ 85’ 72’
2’
100’100’
100’ 100’ 100’ 100’ 89’ 68’ 100’ 100’ 100’ 100’ 100’ 100’ 89’ 76’
INSIDE OR OUTSIDE TANK FUEL UNIT BELOW BOTTOM OF TANK

HA2B 0 7 100
HA2P 0 7 100
HH2B 0 3 100
H2B 3 16 100
H2P 3 16 100
H3B-B 0 14 200
H3B 7 20 100
H3B-C 0 7 300
H3P 7 20 100
H3P-B 0 14 200
H3P N-C
014300
H4P-C 0 16 300
H4P 10 30 100
H4P N-C
15 20 300
H5P 16 40 100
H6B-C 7 40 300
H6P 20 55 100
H6P-C 7 40 300
H6P N-C 10 45 300
H7P-B 30 80 200
H7P 40 N/A 100
H8P 80 N/A 100
H8P N-C 55 N/A 300
II-19
Strainer
Type
PUMP USAGE IDENTIFICATION •
EXAMPLE
UL Strainer Rating (GPH)*
#2 Fuel Oil
B7
PUnlimited
Model
JA2B 0 7 100
JB2B 0 10 100
JJ2B 0 3 100
J2B 3 16 100
J2BF 3 16 100
J3B 7 20 100
J3B-B 0 14 200
J3P-B 0 14 200
J4P 10 30 100
J5B 16 40 100
J5P 16 40 100
J6B-B 15 50 200
J6B 20 55 100
J6B-C 7 40 300
J6K 20 55 100
J PUMP
Max. Nozzle Capacity
(GPH) at Rated
Pressure
1725 3450
RPM RPM
Rated
Pressure
(PSI)
Model
H PUMP
Max. Nozzle Capacity
(GPH) at Rated
Pressure
1725 3450
RPM RPM
Rated
Pressure
(PSI)
*Maximum firing rate not to exceed maximum nozzle capacity or strainer
rating, whichever is less. A greater firing rate requires a suitable external
strainer.

II-20
WASTE OIL PUMPS
Waste oil pumps are designed to supply oil up to 1500 centistokes to
remote tanks or heaters.
Line sizing listed below is calculated for multi-weight oils such as 10W-
30W maintained at 32O F minimum, and straight-weight oils such as 40W,
50W, 90W and heavier gear lubes maintained at 50O F minimum.
Pump
Model No.
J3NBN-A132B 1725 20-40 psi 18 Max. 20 In. Hg. 1/6 HP 1/4 HP
A2RA-7736 1725 30 psi** 2.5 GPH * 1/8 HP 1/8 HP
3450 0-100 psi 2.5 GPH * 1/7 HP 1/7 HP
A2RA-7737 1725 10-20 psi 2.5 GPH * 1/8 HP 1/8 HP
3450 10-20 psi 2.5 GPH * 1/7 HP 1/7 HP
A1RA-7738 1725 100-150 psi 2.5 GPH * 1/8 HP 1/8 HP
RPM Delivery
Pressure
Flow
GPH
Maximum
Operating
Vacuum
Horsepower
<1000CST >1000CST
*20 In. Hg. for fuels more viscous than #2 fuel oil; 10 In. Hg. for #2 fuel oil
and lighter.
**Use alternate nozzle port.
INLET OR SUPPLY LINES
Pump Model
Number
J3NBN-A132B 3/4 in. 20 ft.
J3NBN-A132B 1 in. 60 ft.
A2RA-7736 (7737, 7738) 1/2 in. 20 ft.
A2RA-7736 (7737, 7738) 3/4 in. 90 ft.
Inlet Line
Size I.D.
Inlet Line
(L) Maximum
Waste oil pumps are designed for one-pipe or single-line installation.
Do not install the by-pass plug. Do not use teflon tape. Use J.I.C. flare or
pipe fittings only. Do not exceed 10 psi (manufacturer) or 3 psi (NFPA)
when supplying to inlet of pumps. It can cause seal damage.
FILTERS
Waste oil pumps have an internal secondary 30 x 30 mesh strainer. An
external primary 50 x 50 mesh strainer is required. This is supplied by
the burner/furnace manufacturer. For transfer systems, this must be
supplied by installer/user.

II-21
FIGURE 1 TYPICAL TANK INSTALLATION
TYPICAL TANK INSTALLATIONS
FIGURE 2 TYPICAL TANK INSTALLATION
Floating pickups are manditory for all waste oil systems. They must be a
comparable line size with the rest of the inlet line.
If ambient temperatures to oil supply lines are lower than recommended,
strip heaters should be installed.

]
INLET 1/4”
DISCHARGE
PORT 1/8”
ALTERNATE NOZZLE PORT
PRESSURE GAGE PORT 1/8”
]
]
INLET 1/4”
]
EASY FLOW
BLEED VALVE
]
II-22
FIGURE 3
PUMP CONNECTIONS
FIGURE 4
Install a vacuum gage in the inlet line close to the pump or in an unused
inlet port. During operation, vacuum must not exceed the operating
vacuum previously listed in this section.
PRIMING PROCEDURE
It is advisable on initial start-up to prefill the pump with clean, room
temperature oil through the inlet port. Start pump and open bleed valve.
Bleed pump for several minutes or until air-free oil is observed flowing
from bleed port.
SUNTEC MODELS A2RA-7736, A2RA-7737, A1RA-7738

Item
Complete Boost BB-1020M B2VA-8241-5 R.H. 20
Pump Assembly: BH-1030M H3BA-E100B R.H. 30
(Including Motor) BH-1070M H6BA-E100B R.H. 70
Boost Pump BB-1020R B2VA-8241-5 R.H. 20
Assembly Less BH-1030R H3BA-E100B R.H. 30
Motor BH-1070R H6BA-E100B R.H. 70
Pressure Switch P/N 128117 40VA &
150 psi
Max.
Adapter for 48N Motor P/N 134462
BOOST PUMPS
LIFT PUMPS
TRANSFER PUMPS
CENTRAL SYSTEMS
It is easier to push fuel oil to a given location than to pull it to the same
location. This is easily understood when you consider the forces available.
Fuel oil starts to separate or boil at vacuum levels as low as 10 in. hg.
This is equivalent to a pressure differential of 4.9 psi. If you push the oil,
you have pressure differentials of up to 300 psi available with no
separation or boiling of the oil. Simplified, this means that having the
pump lift oil, you are limited to about 15 feet of vertical lift. With a pressure
of only 100 psi, the oil can be pushed or pumped up more than 200 feet.
IMPORTANT POINTS TO REMEMBER:
1 . A boost pump is a fuel oil pump subject to the same restrictions as
any other fuel pump.
2. Install a boost pump as close to the supply of fuel oil as economically
and physically possible.
3. All burner pumps being supplied by a boost pump should be installed
single-pipe, even if they are two-stage pumps.
MODELS AND SELECTIONS
BOOST PUMP
Includes
Pump
Model
Pump
Rotation
(from
shaft
end)
Delivery --
GPH @
RPM
II-23

II-24
Boost pump assemblies are supplied with or without drive motors. The
pump has an internal valve regulator (standard 10-20 psi range). The
valve regulates pressure and provides a check against loss of head
during shut downs. This eliminates the need for an external check valve.
Standard assemblies are capable of pushing oil to 35 feet vertical height.
For higher applications, a simple spring change can meet your specific
requirements.
To select the correct boost pump, find the total firing rate of all the burners
being supplied and select a GPH rating higher.
Example 1:
We have four burners with the following nozzle capacities or
firing rates:
1 = .8 GPH
2 = .75 GPH
3 = 1.35 GPH
4 = 2.25 GPH
Total = 5.15 GPH required
Select a BB1020M which will supply 20 GPH.
Remember: The firing rates are determined by the nozzle size and
pressure of the burner pump.
Example 2:
We have five burners with the following firing rates:
1 = 1. 5 GPH Nozzle @ 150 psi = 1. 8 GPH
2 = 3. 0 GPH Nozzle @ 300 psi = 5. 2 GPH
3 = 12. 0 GPH Nozzle @ 100 psi = 12. 0 GPH
4 = 5. 0 GPH Nozzle @ 125 psi = 5. 6 GPH
5 = 1. 25 GPH Nozzle @ 100 psi = 1. 25 GPH
Total = 25. 85 GPH
Select a BH1030 which will supply 30 GPH.
Remember:
1. The boost pump is installed two-pipe with a by-pass plug installed
and a return line.
2. The burner pumps are installed single-pipe, no by-pass plug installed
and no return line. If a pump is installed two-pipe, its return line will
demand its gearset capacity. If you had the smallest pump made,
this would be 20 GPH. Installed single-pipe, the pump only demands
its firing rate which is determined by the size of the nozzle in the
burner.

II-25
Example:
INSTALLATION INSTRUCTIONS
Note: Install in accordance with the National Board of Fire Underwriters’
requirements, local codes, and ordinances where applicable.
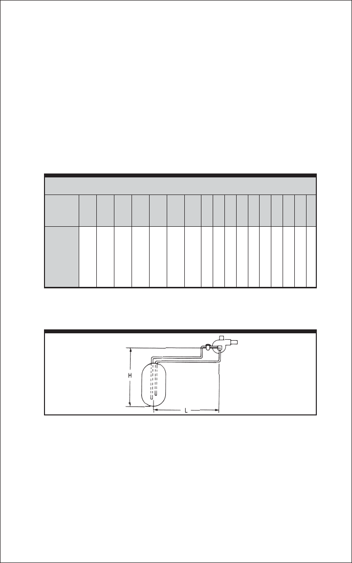
INLET OR SUCTION SIDE OF BOOST PUMP:
Figure 1 illustrates the installation of the inlet or suction side of the boost
pump and its return line. Boost pumps should be installed two-pipe for
air removal and self-priming. (Two-pipe requires installation of the by-
pass plug for proper operation.) In Figure 1, “H” is the vertical lift from
the bottom of the tank to the center line of the boost pump. “R” is the
horizontal run or distance in feet from the tank to the boost pump.
Table 1 gives limits not to exceed in the installation of the inlet line to the
boost pump.
PRESSURE OR SUPPLY SIDE:
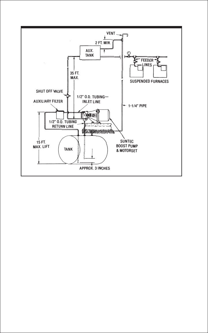
There are two common systems used: the loop system and the
pressurized system. Use of an auxiliary tank is a form of the loop system.
There are other piping configurations which are not recommended, but
are in use, and will be discussed.
LOOP SYSTEM:
Figure 2 illustrates a single-loop system. It offers the advantage of only
needing to keep the manifold full of oil supplied at a rate greater than
the total firing rate of all the burners being supplied by the system. Table

II-26
2 lists the maximum horizontal runs not to be exceeded. These are
calculated for standard boost pumps with the 10-20 psi spring. For higher
boosts or longer runs, call the factory and get prompt help to install your
system.
FOR A TROUBLE-FREE LOOP SYSTEM, USE THE FOLLOWING
GUIDELINES:
1. The manifold is to be above all the pumps being supplied.
2. The manifold should be level at worst case. A slight rise in the system
will aid in air-purging.
3. A 2-ft. riser or kick at the end of the run will insure the manifold fills.
4. A large return line is necessary to prevent siphoning of the manifold
and/or overflowing of the vent.
5. Pumps on burners supplied by the boost pump should be connected
or installed single-pipe. No by-pass plug and no return lines on the
burners.
FIGURE 1 LOW PRESSURE SIDE INSTALLATION
TABLE 1 MAXIMUM INLET LINE LENGTH
Line Size 1/2” O.D. Tubing 5/8” O.D. Tubing 1/2” Pipe
Lift 0-7’ 10’ 15’ 0-7’ 10’ 15’ 0-7’ 10’ 15’
B100’ 100’ 100’
H3 64’ 49’ 24’ 100’ 100’ 65’ 100’ 100’ 100’
H6 44’ 34’ 17’ 100’ 95’ 48’ 100’ 90’ 65’
Pump
Model

II-27
FIGURE 2 LOOP SYSTEM INSTALLATION
Boost Pump 1/2” Tube 1/2” Pipe 3/4” Pipe
B300’ 500’ 2500’
H3 175’ 300’ 1800’
H6 50’ 100’ 600’
*For longer runs, contact the factory.
6. Maximum pressure at the inlet port to any of the burner pumps is 10
psi by design. However, N.F.P.A. states that maximum allowed is 3
psi. Use the lowest number per applicable codes. If the pressure is
going to be higher than permissible, a pressure reducing and/or a
vacuum valve must be installed to reduce inlet pressure to the pump.
TABLE 2 MAXIMUM HORIZONTAL LINE LENGTH*
(10-20 PSI SPRING, FACTORY PRESET AT 10 PSI)

II-28
FIGURE 3 AUXILIARY TANK INSTALLATION
AUXILIARY TANK
Figure 3 illustrates a typical auxiliary tank installation. It is a form of the
loop system, and subject to the same installation requirements. In
addition, local ordinances governing auxiliary tanks should be complied
with.
The auxiliary tank doesn’t need to be more than a few gallons in capacity.
Its advantages are:
1. Allows loop to be completed in close proximity to the main supply
tank.
2. Eliminates line surges and race conditions.
PRESSURIZED SYSTEM
Figure 4 illustrates a pressurized system. Although it is the least common
installation, it can be used where space and distance limitations preclude
using a loop system.
WHEN INSTALLING THIS SYSTEM:
1. The pressure in the manifold must not exceed 10 psi when the boost
pump is running and no burners are firing.

II-29
FIGURE 4 PRESSURIZED SYSTEM INSTALLATION
2. The pressure in the manifold must not exceed 10 psi nor less than
zero when the boost pump is running and all burners are firing.
3. The burner pumps must have vacuum valves on their inlets.
4. The maximum horizontal run of the manifold line must be matched
with selections from Table 2.
Other configurations which are not recommended:
PSEUDO TWO-PIPE

II-30
PRESSURIZED LOOP
The intent is to gain the advantages of a two-pipe operation, while not
causing the boost pump to supply burner pump gearset demand. Actually,
the pump already does this internally without the external plumbing.
This system includes unnecessary piping and fittings which are possible
sources of problems.
The intent is to have a full loop without vent and large manifold return.
Problems are:
1. Requires boost pump pressure to be set higher than recommended
to prevent oscillations between pump valve and manifold valve.
2. Possible plugging of manifold valve, putting too high pressure in
manifold.
WIRING INSTRUCTIONS
Wiring the system depends upon the operation desired: constant or
intermittent.
A. CONSTANT OPERATION
A voltage switch between the power source and the boost pump motor
is used for simple ON/OFF operation. Figure 5 illustrates this circuit.
B. INTERMITTENT OPERATION
A pressure switch (Suntec part number 128117) is connected in the
gage port of each heater’s fuel unit. Figure 6 shows the switch’s
installation in the circuit.
Operation is simple. Pressure developed by the oil burner fuel unit closes
the low-voltage switch connected to the fuel unit. This causes the switch
relay to energize the boost pump, which starts and stops automatically
with the oil burner, For initial start-up, the switch relay may be held in
manually, or a manual ON/OFF switch may be connected across the
low-voltage wire leading from the switch relay to the pressure switch.
With the manual switch in the ON position, the boost pump runs
continuously.
START UP
1. Start boost pump manually.
2. Set boost pump pressure in manifold to 10 psi or less at closest
burner to the boost pump.

II-31
FIGURE 6 WIRING FOR INTERMITTENT OPERATION
FIGURE 5 WIRING FOR CONSTANT OPERATION
3. Pressurized system -- bleed manifold of all air.
4. All systems -- bleed pumps starting with one closest to boost pump
and proceeding to furthest away.
5. System should be ready for normal service.
SERVICE
1. Check periodically for water accumulation.
2. Change filter (external) as needed.
3. Check pump strainer.
4. Periodically check for manifold pressure.

II-32
TROUBLE SHOOTING
PROBLEM SOLUTION
Boost Pump
doesn’t run
Boost Pump
runs, but
doesn’t
supply oil
Boost Pump
supplies oil
but burners
do not fire
Burner pump
seals leaking
Check electrical connections and supply; check for
discharge and return line blockages.
Measure inlet vacuum. If too high, check inlet line,
filter and valves
Check to see that by-pass plug is properly installed.
Check to see that inlet line has no air leaks.
Check capacity of boost pump to see that it exceeds
total burner requirements.
Check to see that pressure rating of boost pump
isn’t exceeded by head requirements.
In loop system, check to see if oil is passing through
the stand pipe or riser.
Check inlet line pressure to burner pumps

PIPING
Correct piping is critical to long-term operation of any fuel oil system.
Improper line sizing will not only cause present and future service
problems, but can also cause premature failure of the components
supplied by it.
SINGLE-PIPE OR ONE-LINE SYSTEM
FIGURE 1
FIGURE 2
III-1

III-2
DO NOT
•Install by-pass plug. (Will damage seal.)
•Use compression fittings. (Will eventually leak.)
•Use teflon tape. (Will void warranty.)
•Use check valves. (Especially on gravity feed systems.) See Thermal
Expansion, page III- 12.
•Exceed 10 psi (manufacturer) or 3 psi (NFPA) inlet line pressure.
•Exceed 6" hg. running vacuum (for Suntec “A” and “B” fuel units) or
2" hg. running vacuum (for Suntec “J” and “H” fuel units).
•Use 37o JIC flare fittings.
•Use a non-hardening thread sealing compound.
•Prefill (prime) the pump on long runs to reduce dry running time.
•Check all unused pump fittings for tightness.
•Bleed system. Open bleed port approximately one turn. Bleed for 15
seconds after clear oil begins flowing out of port. Close bleeder valve
tightly
•See page IV-1 if pump fails to prime or deliver.
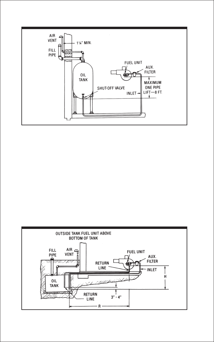
TANK ABOVE THE PUMP OR GRAVITY FEED
DO
FIGURE 3
NOTES FOR FIGURE 3
1. H =vertical distance from top of tank to centerline of pump.
2. “H” must not exceed 27 feet to be within manufacturer’s 10 psi inlet
pressure limit, or 8 feet to be within NFPA’s 3 psi inlet pressure limit.
3. See page II-3 for line sizing.

FIGURE 4
TANK BELOW THE PUMP OR LIFT FEED
NOTES FOR FIGURE 4
1. H = vertical distance from bottom of tank to centerline of pump.
2. “H” must not exceed 8 feet for Suntec Model A and Model B fuel
units or 2 feet for Suntec Model J and Model H fuel units.
3. See page II-3 for line sizing.
Even though pumps are capable of higher vacuums, good practice
dictates that initial installation of Model A and B pumps and J and H
pumps with an “F” piston do not exceed 6 inches of mercury vacuum on
initial installation when installed single-pipe. J and H pumps without an
“F” piston should not exceed 2 inches of mercury vacuum on initial
installation when installed single-pipe.
TWO-PIPE OR TWO-LINE SYSTEM
•Use compression fittings. (Will eventually leak.)
•Use tefIon tape. (Will void warranty.)
•Exceed 10 psi (manufacturer) or 3 psi (NFPA) inlet and return line
pressures.
•Use check valves in gravity feed systems.
•Connect inlet or suction line to the fuel unit inlet port.
•Install the by-pass plug as shown. Failure to do so will cause improper
fuel unit operation.
DO NOT
DO
III-3

FIGURE 5
READ OPERATING
PRESSURE
]
PRESSURE GAGE
PORT 1/8”
]
]
REGULATE
PRESSURE
]
EASY FLOW
AIR BLEED VALVE
(DO NOT READ
OPERATING PRESSURE)
]
RETURN 1/4”
]
1/16” BY-PASS PLUG
INSERT FOR 2-PIPE SYSTEM
(USE 5/32” ALLEN WRENCH
]
OPTIONAL
INLET 1/4”
]
NOZZLE
PORT 1/8”
]
RETURN 1/8”
]
RETURN LINE
]
FIGURE 6
INLET PORTS 1/4”
(USE EITHER
PORT)
]
]
REGULATE
PRESSURE
]
BY-PASS PLUG
INSERT FOR TWO-PIPE
SYSTEM
]
RETURN
PORT 1/4”
]
RETURN LINE
]
NOZZLE
PORT 1/8”
]
NEW EASY FLOW
AIR BLEED VALVE
AND GAGE PORT
]
III-4

FIGURE 7
NOTE
III-5
•Connect the return line to the fuel unit return port.
•Use 37o JIC flare fittings.
•Use a non-hardening thread sealing compound.
•Prefill (prime) the pump on long runs to reduce dry running time.
•Start fuel unit without bleeding (a properly-instalIed two-line system
is self-priming).
•See page IV-1 if pump fails to prime or deliver.
A two-pipe or two-line system has three lines connected to the fuel pump.
They are the inlet or suction line, return line and nozzle line.
TANK ABOVE THE PUMP OR GRAVITY FEED
NOTES FOR FIGURE 7
1. H = vertical distance from top of tank to centerline of pump.
2. “H” must not exceed 27 feet to be within manufacturer’s 10 psi inlet
pressure limit, or 8 feet to be within NFPA’s 3 psi inlet pressure limit.
3. See page III-7 for line sizing.
4. IMPORTANT -- Single-pipe installation is recommended for gravity
feed systems. It produces lower inlet line flow and longer filter life.
For example: an “A-70” fuel unit firing 1 gph single-pipe has 1 gph
flowing through the filter; an “A-70” pump firing 1 gph two-pipe has
19 gph flowing through the filter.

III-6
FIGURE 8
TANK BELOW THE PUMP OR LIFT FEED
NOTES FOR FIGURE 8
1. H = vertical distance from bottom of tank to the centerline of the pump.
2. “H” must not exceed 12 feet for single-stage fuel units, or 18 feet for
two-stage fuel units.
3. IMPORTANT -- “H” distance allowed is reduced by the number of fittings,
filters and valves installed in the line. If the fuel lines extend higher than
the centerline of the fuel unit, they should not exceed 24 feet above the
bottom of the tank or the fuel unit will not prime (boost pump would be
required). See page II-23.
4. System running vacuum should not exceed 12 in. hg. for single-stage
fuel units or 17 in. hg. for two-stage fuel units.
5. IMPORTANT -- Vacuum requirements are not limited by fuel unit
capability. Fuel oil will boil or de-gas at vacuums as low as 10 in. hg.
These bubbles can get into the nozzle line and cause a smoky or
unstable flame. Suntec two-stage pumps are designed to prevent this
with vacuums up to 17 in. hg.
6. See page III-7 for line sizing.

FIGURE 9
LINE SIZING •
TWO-PIPE SYSTEMS
NEW INSTALLATIONS FOR NEW LINES
NOTE: The formulas in this section are set up to keep new installations
within practical design limits for fuel pumps. Viscosity used for calculations
is 57 saybolt secs. universal = 8.04 centipoise = 9.6 centistokes.
Calculated lengths do not include valves, filters and an unusual number
of 90o elbows.
Installations should avoid putting fuel oil where it is exposed to
temperature extremes. The pour point limit for #1 and #2 fuel oils not
seasonally-adjusted is 0o F and 20o F, respectively
LENGTH OF RUN (L)
The length of piping from tank to fuel unit is calculated using the following
formulae which are based on flow properties for a given tubing size.
GEARSET/INLET LINE FLOW •
GALLONS PER HOUR
Suntec
Model
No.
A
7***
3 GPH
A
7***
7 GPH
B
82**
3 GPH
B
89**
7 GPH
B
8850
B
8851
B
8852
J2
J3 J4 J5 J6 H2
H3 H4 H5 H6 H7 H8
Flow at
1725 rpm
Flow at
3450 rpm
16 -- 18 -- -- -- -- 18 22 29 38 26 31 36 42 69 98
17 20 21 25 28 33 39 38 46 60 78 61 69 79 93 -- --
L = Horizontal run in feet from tank to fuel unit.
H = Vertical distance in feet from bottom of tank to centerline of pump.
Q = Gearset (or line) flow in gallons per hour (gph).
V = Vacuum in inches of mercury (in. hg.).
EXISTING INSTALLATIONS
The following formula can be used to determine what the vacuum should
be on various line lengths of different size line tubing. The resulting figures
III-7

III-8
Tube Size
O.D. (inches)
(.035” wall)
3/8 L = 12-(.75H) L = 17-(.75H) L =12+(.75H) L = 17+(.75H)
.0086Q .0086Q .0086Q .0086Q
1/2 L = 12-(.75H) L = 17-(.75H) L = 12+(.75H) L = 17+(.75H)
.00218Q .00218Q .00218Q .00218Q
5/8 L = 12-(.75H) L = 17-(.75H) L =12+(.75H) L = 17+(.75H)
.000785Q .000785Q .000785Q .000785Q
Tank Below Pump Tank Above Pump
Single-Stage Two-Stage Single-Stage Two-Stage
Tube Size
O.D. (inches)
(.035” wall)
3/8 V = L (.0086Q) + .75H V = L (.0086Q) - .75H
1/2 V = L (.00218Q) + .75H V = L (.00218Q) - .75H
5/8 V = L (.000785Q) + .75H V = L (.000785Q) - .75H
Vacuum*
Tank Below Pump Tank Above Pump
may be used to determine if the configuration of an existing installation
could cause system performance problems.
*Does not include valves, filters, etc., in the line.
NOTES
1. Kinks or sharp bends in lines will increase vacuum.
2. Return line pressure should not exceed 10 psi (manufacturer) or 3 psi
(NFPA).
3. The installation instructions supplied with each Suntec fuel unit shows
line lengths based on calculations from the above formula.
4. If the system configuration causes operation outside the recommended
limits, consider the following options:
a. Reconfigure the system.
b. Install a boost pump system.
c. Contact the Suntec Factory Service Department.
ADD-ONS AND MULTIPLE UNITS
When adding or installing new fuel units to an existing system, good practice
is to have separate lines for each system. If running separate lines is difficult,
impractical and/or impossible, it may be necessary to tie a new system
into an old one.
Before tying into an existing system, consider:
1. What the running vacuum of the present system is. (See Vacuum
Testing, page IV-9.)
2. What the extra distance will be to the new fuel unit.

III-9
If a new identical fuel unit will be installed side-by-side with the existing
unit, its addition will at least double the vacuum with both units running.
Line Sizing.
Lines should be sized to have a small enough inside
diameter to allow complete purging of air during priming or bleeding,
and large enough to not cause excessive pressure drop or line losses
which would cause the pump to operate with too high a vacuum.
Priority Controls.
Relays which give operating preference to a specific
unit, can be used to assure that only one fuel unit is operating at a time.
For example, priority is usually given to a hot water heater rather than a
furnace or boiler.
INSTALLING PRIORITY CONTROLS
Two options exist:
1. Less than ideal: Priority controls controlled by low voltage from the
thermostat. Disadvantage: If the primary unit locks out on “safety,”
the secondary system cannot automatically operate.
2. Preferred: Use a power relay to establish priority based on line voltage
demand. Advantage: Allows the line voltage to be available to the
secondary unit if a fault occurs in the primary unit. (Should be installed
by a qualified electrician.)

III-10
SERVICING NON-RECOMMENDED
EXISTING INSTALLATIONS
Occasionally, you will find existing installations which do not conform to
good practice or proper installation. The correct procedure is to replace
these piping configurations with correct piping. However, in the real world,
this is sometimes impractical or financially impossible. The following
information will help you identify and work with these types when you
encounter them in the field.
MULTIPLE UNITS WITH UNDERSIZE OR OVERSIZE
INLET MANIFOLDS •
SINGLE-PIPE (TANK ABOVE OR
BELOW FUEL UNITS)
FIGURE 10
Line Sizing.
The manifold or supply line must be sized to accommodate
the total firing rate of all units connected to the manifold (A + B + C + D
as shown above). See Installation Section for specific model, for single-
line calculation formula.
Priming.
Bleed or prime units beginning with the unit closest to the tank
and working outward. Since priming this type of system would require
extended operation of the fuel units with dry gear sets, the fuel unit
should be filled with oil before beginning.
Recommendation.
This type of system should be supplemented with a
boost pump system to provide the proper oil supply to the fuel units.
See Boost Pumps or Transfer Pumps, page II-23.

III-11
FIGURE 11
TWO-PIPE •
(TANK ABOVE OR BELOW FUEL UNITS)
Line Sizing.
The manifolds or supply lines must be sized to accommodate
the total gear set capacity (not firing rate) of all units connected to the
manifold (A + B + C + D, as shown above). See Line Sizing, page III-7,
for fuel unit gear set capacities. If lines are undersized, they must be
replaced, or use priority controls.
Return line manifold piping and input manifold piping must be the same
size.
Priming.
Return line must terminate below the surface of the oil in the
tank to maintain prime.
Start or prime units beginning with the unit closest to the tank and working
outward. Since priming this type of system would require extended
operation of the fuel units with dry gear sets, the fuel unit should be
filled with oil before starting.
DRAWBACKS
a. Problems with one unit affects all units.
b. Line sizes are a compromise.
c. Troubleshooting is more complicated.
d. Making and keeping system air-free is time-consuming.
RECOMMENDATIONS
a. Install individual lines to multiple units, or
b. Incorporate a boost pump system to supply adequate fuel to the
multiple units. See Boost Pumps or Transfer Pumps, page II-23.

III-12
CHECK VALVES, OTHER VALVES AND
THERMAL EXPANSION
Check Valves.
A properly-installed fuel oil heating system does not require
check valves for proper operation.
However, check valves are often used to compensate for deficiencies in
oil line piping. For example:
a. Not having the return line submerged in the oil in the tank.
b. Having vacuum leaks in the line due to using compression fittings,
bad flare fittings, porous fittings, loose fittings or leaky lines.
Disadvantages:
Check valves increase the amount of vacuum the fuel unit must overcome
to supply oil to the system and reduce the distance supply lines can be
run.
When installed near the fuel unit, check valves cause turbulence and
stripping of air from the oil, resulting in dirty and/or noisy combustion.
Do not use check valves in gravity feed (tank above pump) single-pipe
systems, or in a system supplied by a boost or transfer pump. Thermal
expansion can cause serious problems.
Thermal Expansion.
Thermal expansion is a phenomenon in which a
fluid increases in volume when heated.
When fuel oil is heated from 40o F to 70o F, it will increase in volume by
1-1/2%. Since oil will only compress at a rate of 1/10%, thermal expansion
will greatly increase the oil pressure in a closed system.
In a typical single-pipe system, an air pocket within the pump serves as
a cushion against changes in pressure. In a gravity feed-or boost pump-
supplied system, the air cushion is eventually absorbed, creating a
hydraulically “hard” or closed system which is unable to absorb pressure
increases.
EFFECTS OF THERMAL EXPANSION:
a. Leaks at pipe joints and fittings.
b. Broken pressure gages.
c. Leaks at filters.
d. Leaks at fuel unit seals.
CONDITIONS WHERE THERMAL EXPANSION CAN CAUSE
PROBLEMS:
a. In single-pipe, dual-fuel systems (during alternate fuel operation).
b. Where ambient temperature around the supply line is higher than
the fuel temperature (ceilings of industrial /commercial buildings,
boiler rooms, mobile home enclosed furnace vestibules).

PREVENTION OF THERMAL EXPANSION PROBLEMS:
a. Install relief valves in problem areas (see Figure 14).
b. Do not use check valves.
c. Install an accumulator in the line.
FIGURE 12 CLOSED OIL SYSTEMS
FIGURE 13 CLOSED OIL SYSTEM, DUAL-FUEL BURNER
1. A closed system will occur between the check valve and the pressure
control valve during burner off-cycle.
2. A closed system will occur between the pressure control valve and
the burner pump since the regulating valve in the pump is also a
positive shut-off valve.
3. Since the regulating piston in the pump is also a positive shut-off
valve, a closed system will occur during burner off-cycle even without
the vacuum safety valve installed.
FIGURE 14 BY-PASSING RELIEF VALVE INSTALLATION
III-13
1. A closed circuit will occur between the manual valve and the burner
if the valve is closed during alternate fuel operation.

III-14
NOTE: All installations should be in compliance with local and national
codes. Typical installation diagrams contained in this Technical Service
Manual are for reference only.

IV-1
SERVICE
Service on fuel units should not be attempted without the aid of good
vacuum and pressure gages. Many system problems can be detected
with the aid of these gages.
Service falls into two categories: routine and trouble.
ROUTINE •
ANNUAL OR OTHER CHECK OUT
Check line filter and pump strainer for amount of contaminate. If close to
needing service, replace to prevent a call-back in near future. If using
inlet into the side of the pump, it isn’t necessary to remove cover to
check the strainer. Remove inlet line and view strainer through inlet
opening. If it’s clean there, it will be clean the rest of the way around.
If strainer is plugged, remove cover and clean strainer with a brush and
clean fuel. Replace cover gasket before reinstalling.
System running vacuum should be checked as part of routine.
Running vacuum should not exceed:
36 inches mercury for single-stage one-pipe.
312 inches mercury for single-stage two-pipe.
317 inches mercury for two-stage two-pipe.
3Check and adjust system pressure, if necessary.
3Check CO2 or O2 and system draft.
3Check for smoke and adjust to a trace. Zero smoke is unclear as to
where you are in adjustment.
3Check for leaks at fittings and filters. Correct any leaks that are found.
TROUBLE CALL
In response to a trouble call, approach the problem in a logical and
systematic sequence. Jumping to a conclusion can sometimes
temporarily fix the problem, but not uncover the root cause of the problem.
An example is if there is water in the fuel, which causes the pump to fail
and you replace the pump only. You will eventually be called back to
replace the new pump.
In addition to the mechanical tools required, you also must have gages
(pressure and vacuum) and suitable combustion analyzers.

IV-2
LARGER PAGE THAN THESE

LARGER PAGE THAN THESE
IV-3

IV-4
FUEL PUMP •
TROUBLESHOOTING GUIDE
CAUSE REMEDY
NO OIL FLOW AT NOZZLE
Oil level below intake line in
supply tank .................................... Fill tank with oil.
Clogged strainer or filter ................ Remove and clean strainer.
Replace filter element.
Clogged nozzle ............................. Replace nozzle.
Air leak in intake line ..................... Tighten all fittings in intake line.
Tighten unused intake port plug.
Check filter cover and gasket.
Restricted intake line
(high vacuum reading) .................. Replace any kinked tubing and
check any valves in intake line.
Check form 440100 for line sizes.
A two-pipe system that
becomes airbound ........................ Check for and insert by-pass plug.
Make sure return line is below oil
level in tank.
A single-pipe system that
becomes airbound ........................ Loosen gage port plug or easyflow
valve and bleed oil for 15 seconds
after foam is gone in bleed hose.
Check intake line fittings for tightness.
Check all pump plugs for tightness.
Slipping or broken coupling ........... Tighten or replace coupling.
Rotation of motor and fuel
unit is not the same as
indicated by arrow on pad at
top of unit ...................................... Install fuel unit with correct rotation.
See form no. 440100.
Frozen pump shaft ........................ Return unit to approved service
station or Suntec factory for repair.
Check for water and dirt in tank.

IV-5
FUEL PUMP •
TROUBLESHOOTING GUIDE
CAUSE REMEDY
OIL LEAK
Loose plugs or fittings ................... Dope with good quality thread
sealer. Retighten.
Leak at pressure adj. screw
or nozzle plug ................................ Washer may be damaged.
Replace the washer or o-ring.
Blown seal
(single-pipe system) ...................... Check to see if by-pass plug has
been left in unit. Replace fuel unit.
Blown seal
(two-pipe system) .......................... Check for kinked tubing or other
obstructions in return line.
Replace fuel unit.
Seal leaking .................................. Replace fuel unit.
Cover ............................................. Tighten cover screws or replace
damaged gasket.
NOISY OPERATION
Bad coupling alignment ................. Loosen fuel unit mounting screws
slightly and shift fuel unit in different
positions until noise is eliminated.
Retighten mounting screws.
Air in inlet line ................................ Check all connections. Use only
good flare fittings.
Tank hum on two-pipe system
and inside tank .............................. Install return line hum eliminator
in return line.
PULSATING PRESSURE
Partially clogged strainer
or filter ........................................... Remove and clean strainer.
Replace filter element.
Air leak in intake line ..................... Tighten all fittings.

IV-6
FUEL PUMP •
TROUBLESHOOTING GUIDE
CAUSE REMEDY
PULSATING PRESSURE (cont’d.)
Air leaking around cover ............... Be sure strainer cover screws are
tightened securely. Check for
damaged cover gasket.
LOW OIL PRESSURE
Defective gage .............................. Check gage against master gage
or other gage.
Nozzle capacity is greater
than fuel unit capacity ................... Replace fuel unit with unit of
correct capacity. See form no.
2100 for GPH, psi and R.P.M.
IMPROPER NOZZLE CUT-OFF
To determine the cause of improper cut-off, insert a pressure gage in
the nozzle port of the fuel unit. After a minute of operation, shut burner
down. If the pressure drops from normal operating pressure and
stabilizes, the fuel unit is operating properly and air is the cause of
improper cut-off. If, however, the pressure drops to 0 psi, fuel unit should
be replaced.
NOTE: The A-70 pump circuitry is designed to give a high cut-off of
superb quality. Never use the amount of pressure drop as an indication
of the quality or speed of cut-off.
Filter leaks ..................................... Check face of cover and gasket
for damage.
Strainer cover loose ...................... Tighten four screws on cover.
Air pocket between cut-off
valve and nozzle ........................... Run burner, stopping and starting
unit, until smoke and after-fire
disappears.
Air leak in intake line ..................... Tighten intake fittings. Tighten
unused intake port and return plug.
Partially clogged
nozzle strainer ............................... Clean strainer or change nozzle.
Leak at nozzle adaptor .................. Change nozzle and adaptor.

FIELD TESTING FUEL UNITS
INTRODUCTION
Fuel units are sized to an application based on their pressure, vacuum
and flow ratings.
With today’s high efficiency furnaces and boilers, it is extremely important
to check these parameters when the initial installation is made and also
during later service calls to assure that high efficiency operation is being
maintained.
It is also important to check fuel unit pressure and vacuum levels during
trouble calls to help differentiate pump problems from system problems.
VACUUM TEST •
FOR FUEL UNITS AND INLET LINES
IV-7
FIGURE 1 VACUUM GAGE LOCATION FOR SINGLE-PIPE SYSTEM
FUEL UNIT -- SINGLE-PIPE SYSTEM

IV-8
FIGURE 2 VACUUM GAGE LOCATION FOR TWO-PIPE SYSTEM
Step 1. Remove inlet line from fuel unit and install vacuum gage in the
inlet port (see Figure 1). If unit has been running dry, pour oil
into pump prior to testing.
Step 2. Turn burner ON and open bleed.
Step 3. When vacuum reaches 15 in. hg.*, close bleed port.
Step 4. Turn burner OFF. Pump should hold vacuum level for five
minutes*.
*NOTE: If fuel unit cannot attain 15 in. hg. or hold that vacuum level for
five minutes, it should be repaired or replaced.
Step 1. Remove inlet line from fuel unit and install vacuum gage in the
inlet port (see Figure 2).
Step 2. Remove return line.
FUEL UNIT -- TWO-PIPE SYSTEM

IV-9
FIGURE 3 VACUUM GAGE LOCATION FOR SYSTEM TEST
Step 3. Turn burner ON.
Step 4. When vacuum reaches 15 in. hg.*, plug return port and turn
burner OFF.
Step 5. Pump should hold vacuum level for five minutes*.
*NOTE: If fuel unit cannot attain 15 in. hg. or hold that vacuum level for
five minutes, it should be repaired or replaced.
VACUUM TEST •
FOR SYSTEM
Step 1. Install vacuum gage in the optional inlet port or tee into the
supply line at the fuel unit. (If the optional inlet is used for the
supply line, install the gage in the cover inlet. See Figure 3.)
Step 2. Turn burner ON and bleed the fuel unit (if one-pipe system).
Step 3. Close bleed valve and read gage. Readings should be as
follows:

SINGLE-STAGE TWO-STAGE
Model A Model J Model B Model H
Single-Pipe System 6 in. hg. 2 in. hg. 6 in. hg. 2 in. hg.
Two-Pipe System 12 in. hg. 12 in. hg. 17 in. hg. 17 in. hg.
IV-10
Step 4. If the gage reading exceeds the level indicated for the fuel
unit being used, check the piping and the system layout (refer
to Suntec installation bulletins for details).
Step 5. If the lift and run is not excessive for the fuel unit model,
the problem could be caused by:
a. the number and type of bends in the piping (includes kinks
and flattening),
b. the number and types of fittings in the piping,
c. the number, type and condition of filters and strainers,
d. the number and type of valves in the system, and/or
e. the level of contaminate build-up on the inside walls of the
system piping.
Step 6. If the vacuum level is NOT excessive, and there is air in the
oil, there is usually a leak in the piping.
To check:
a. Close the tank valve,
b. Pull a vacuum on the system by the fuel unit,
c. Shut the burner OFF System should hold the vacuum level
for five minutes. If system is two-pipe, the return line will have
to be closed off at shutdown.
PRESSURE TEST •
FOR FUEL UNITS AND SYSTEMS
SYSTEM PRESSURE WITH SYSTEM OPERATING
Step 1. If fuel unit is on a positive head system, shut tank valve OFF
before installing gage.
Step 2. Install gage in gage port.
Step 3. Turn burner ON if pump is on single-pipe lift system, bleed
pump at the bleed valve.
Step 4. Observe gage (disregard needle “jiggling”).
Step 5. If reading is high or low, readjust pressure adjustment screw.
NOTE: On Model J or Model H fuel units, there may be some
leakage with the acorn nut removed. This will stop when the
nut is replaced.
Step 6. Turn burner OFF. The pressure should fall to zero or to the
amount of head on the fuel unit.

IV-11
FIGURE 4
PRESSURE GAGE LOCATIONS FOR OPERATING PRESSURE TEST
FUEL UNIT OPERATING AND CUT-OFF PRESSURE
Step 1. Install gage into nozzle port.
Step 2. Turn burner ON and observe gage.
Step 3. Adjust pressure, if necessary.
Step 4. Turn burner OFF and observe gage. Pressure should drop to
80% or higher.
Step 5. If pressure drops below 80% or continues to decay, the fuel
unit has faulty cut-off and should be repaired or replaced.
NOTE: A and B model pumps could theoretically have a cut-off
pressure of less than 80%. The important operation is that it drops to
some value and stops.

IV-12
STRAINERS -- FIELD SERVICE
Fuel unit strainers are intended as a back-up to, not a replacement for,
proper system filtering.
Clogged strainers restrict oil flow into the gear set, cause fuel units to
operate at higher vacuum and eventually fail. To diagnose a clogged
strainer before it causes fuel unit failure, it must be removed and visually
inspected. If a strainer looks clogged, it usually is, and should be cleaned
or replaced.
IMPORTANT NOTE: Current regulations on the use of asbestos in
gasket materials require that new non-asbestos gaskets be installed
any time a fuel unit cover is removed. Make this a common practice
to avoid expensive call-backs for that purpose.
STRAINER IDENTIFICATION
MODEL J AND MODEL H FUEL UNITS
Strainer models are designated by the first character following the gear
size designation in the fuel unit model number as indicated below:
Examples:
J3PBN-C200H-4 “P” Strainer
JA2BA-100 “B” Strainer
Strainer Model Nozzle Capacity Rating
Designation
ANo strainer (used in certain lube pumps)
B7 gph (metal frame)
C4.5 gph (obsolete, use B or N)
N7 gph (plastic frame)
PUnlimited (do not use in Models J7, J8, H7, H8)
KUnlimited (requires spacer between pump body and cover)
MODEL A AND MODEL B FUEL UNITS
Strainer models are designated by the first character following the gear
size designation in the fuel unit model number, as indicated below:
Examples:
A2VA-7116-4 “V” Strainer
B2TA-8851-5 “T” Strainer

IV-13
Strainer Model Designation Nozzle Capacity Rating
V3 gph
Y7 gph
T16 gph
G23 gph
IMPORTANT-DO NOT use a strainer which is too long for the cover
(indicated by a 1/8" or more cover gap when spring is fully
compressed). Forcing would crush the strainer body and allow
contaminants to get into the pumping mechanism.
STRAINERS AS A DIAGNOSTIC INDICATOR
What you see in a strainer can be an indicator of what conditions may
exist within the system:
a. Clogged strainer. Primary filter has failed or is missing.
b. Sludge on strainer. Water in the tank, allowing biological growth.
c. Rust flakes on strainer. Rusted tank or components.
Field replacement of 3 gph- and 7 gph-rated strainers -- Figure 1.
(All models and revisions of Model A70 and Model B80 fuel units.)
To simplify field replacement and improve overall strainer efficiency, only
two strainer models are offered for replacement in standard Model A
and Model B fuel units. As shown, a spring is required in some instances
to compensate for the difference in strainer height and cover depth (see
Figure 1).
Model Strainer
Capacity
Model Data Cover Strainer Spring
Series Designation (GPH) Revision* Code Depth Part No. Part No.
AV 3All All 1.133” 3715732 Not Req.
AY 7--Y82 & Earlier 1.345” 3715732 3773231 / 3754732
AY 7--D82 & Later 1.620” 3715744 Not Req.
BV & Y 3 & 7 -2, -3, -4 All 1.345” 3715732 3773231 / 3754732
BV & Y 3 & 7 -5 All 1.620” 3715744 Not Req.
BT 16 All All 1.620” 3715742 Not Req.
BG 23 All All 1.620” 3715746 Not Req.
*Model Revision = last number of model number EXAMPLE: B2VA-8216-5
FIGURE 1 STRAINER REPLACEMENT

IV-14
Installation of strainer part no. 3715732 in medium-height covers*
FIGURE 2 STRAINER INSTALLATION
Step 1. Set spring (part no. 3773231 or 3754732) in cover with large
coils up.
Step 2. Set strainer (part no. 3715732) on large coil.
Step 3. Install new gasket.
Step 4. Slide cover over gearset.

IV-15
FILTERS AND FILTRATION
Filters are necessary in all fuel systems to capture contaminants which
might develop and create operational problems. They are the first line of
defense, while the strainers within a fuel unit serve as a secondary or
back-up filter.
Contaminants come in many varieties:
a. Abrasive. Accelerate wear on moving parts.
b. Blocking. Clog filters, strainers and oil passages.
c. Corrosive. Chemically attack metal elements.
d. Biological. Cause all of the above.
Relative contaminant size:
a. Smallest particle visible to the human eye = 40 microns.
b. Bacteria = 2 microns.
c. 1 micron = .000039 inch.
d. 100-mesh screen opening = .0059 inch = 149 microns.
Contamination notes:
a. If filters require changing more than once a year, the filter is too
small or the fuel system is too dirty.
b. If the fuel system is dirty, it should be pumped out, treated and refilled
with clean oil.
c. If moisture is present, it can rust the fuel system and parts, and
provide a breeding ground for bacteria.
d. If the fuel tank is treated with a bacticide, use only the recommended
amount. Too heavy a concentration can cause the fuel unit to become
inoperative.
e. When replacing filter elements, care should be taken to not introduce
the contaminant downstream to the fuel unit.
f. If a filter element has collapsed, the fuel unit and lines must be flushed
prior to resuming burner operation.
g. If filter has a screen in it, make sure it is non-corroding material.
Some are, and some are not.
Field notes:
a. Some filter elements will cause outgassing of fuel oil at low flows
and relatively low vacuums (1-2 in. hg.). This usually appears as a
loss of prime on one-pipe installations. A field-cure for this is to shut
off the tank valve while priming the pump and put as much vacuum
as possible on filter. Open the tank valve and resume normal priming.
b. When changing filters, take care not to introduce contaminate from
dirty element into down-stream piping and fuel pump.

IV-16
c. High vacuums across a filter element that appears to be clean can
be caused by greasy bridging-type contaminant.

IV-17
SOLENOID VALVES -- SERVICE
INSTALLATION
Model R valves mount directly into the nozzle port of the fuel unit.
Model C valves mount to the burner chassis or otherwise remote from
the fuel unit.
OPERATIONAL CHECK
Step 1. Remove nozzle line at the burner assembly end and place into
container (to catch oil).
Step 2. Start burner and watch for oil to run from the open line. If YES,
go to Step 9. If NO, go to Step 3.
Step 3. Turn burner OFF.
Step 4. Check for power to the coil. If YES, go to Step 5. If NO, repair
electrical supply and recheck.
Step 5. Remove nut which holds the coil into the valve assembly.
Step 6. Remove coil from valve and slide it over an insulated handle
screwdriver.
IMPORTANT: to apply power to the coil without a screwdriver
(or other magnetic material) in the center hole will cause the
coil to overheat, swell and fail.
CAUTION: Even though the coil is f ully- insulated, care should
be exercised to avoid touching the coil when energized, except
with insulated tools.
Step 7. Apply power to the coil. You should feel vibrations and/or
magnetic pull on the screwdriver. If YES, go to Step 8. If NO,
replace coil and go to Step 2.
Step 8. Replace tube assembly or complete valve assembly.
Step 9. Remove power from coil and start burner Check to see if oil is
passing through the valve. If YES, replace tube assembly or
valve assembly and go to Step 1. If NO, valve is performing
satisfactorily.

IV-18
VALVE ASSEMBLY PARTS
Part Order Number
Item No. Description “R” Valve “C” Valve
1Coil nut 3753818 3753818
2Coil for
R642N 3713642 --
R641D 3713809 --
R753 3713790 --
C642N -- 3713642
C641D -- 3713809
C753 -- 3713790
3Base plate screw (2) 3773421 3773421
4Base plate 3753762 3753864
5Tube assembly 3713766 3713766
6“O” ring 3773461 3773461
7Valve Body 3723810 3723815
8Gasket (2) 2779261 --
9Nozzle Screw 3753835 --
10 Electrical connector -- 3753865
11 Electrical connector -- --
12 Electrical connector -- --

IV-19
WARRANTY AND RETURNED GOODS POLICY
WARRANTY
SUNTEC HEATING PRODUCTS MANUFACTURED BY
SUNTEC INDUSTRIES INCORPORATED
Suntec Heating Products are warranted to be free from defects in material
and workmanship for the warranty period hereinafter defined when
properly installed, maintained and operated under normal use. SUNTEC
DISCLAIMS ANY LIABILITY FOR THE FAILURE OF PERFORMANCE
OR MALFUNCTION OF THESE PRODUCTS RESULTING DIRECTLY
OR INDIRECTLY FROM THE PRESENCE OF WATER, RUST, TEFLON
TAPE OR CONTAMINATES IN THE SYSTEM. Components not
manufactured by Suntec are warranted only to the extent of and by the
original warranty.
Effective with fuel units manufactured March 1, 1987 and later, the
warranty period is:
A. 3 years for residential units rated at 7 gph or less,
B. 2 years for units rated over 7 gph,
C. 1 year for waste oil units, and
D. 1 year for solenoid valves and coils.
The warranty is limited to repair or replacement at Suntec’s option, either
at its factory or a Suntec Approved Service Station, transportation
charges prepaid, of products which shall be determined by Suntec or its
Approved Service Station upon examination to be defective. In the event
in-warranty products forwarded to a Service Station are tested and found
not defective, the Service Station is authorized to apply a nominal testing
charge.
Service Stations will replace defective products at their option with a
new or rebuilt unit.
Suntec shall not be liable for damages for any breach of warranty in any
amount exceeding the purchase price of the product found to be defective.
In no event shall Suntec be liable for incidental or consequential damages.
No agent, dealer, or other person is authorized to give any warranty on
behalf of Suntec with respect to any Suntec product. THE FOREGOING
WARRANTY IS EXCLUSIVE AND IN LIEU OF ANY OTHER
WARRANTIES, WHETHER EXPRESSED OR IMPLIED, INCLUDING
ANY WARRANTY OR MERCHANTABILITY OR FITNESS FOR ANY
PARTICULAR PURPOSE.
PRODUCT DATE CODING
PRIOR TO JANUARY, 1991: THE MONTH INDICATED BY A CODE
LETTER. THE YEAR IS INDICATED BY THE LAST TWO DIGITS IN A
THREE-DIGIT CODE OR THE TWO MIDDLE DIGITS IN A FOUR- DIGIT

IV-20
CODE. EXAMPLES OF CODES: THREE-DIGIT--H85, FOUR-DIGIT--
C852. REFER TO THE CHART BELOW TO DETERMINE IF PRODUCT
IS IN-WARRANTY. THIS SYSTEM WILL APPLY TO ALL PRODUCTS.
AFTER JANUARY, 1991: THE MONTH IS INDICATED BY THE FIRST
NUMBER IN A THREE-NUMBER CODE AND THE FIRST TWO
NUMBERS IN A FOUR-NUMBER CODE.
THE YEAR IS INDICATED BY THE LAST TWO NUMBERS IN A THREE-
OR FOUR-NUMBER CODE.
ALL UNITS DATED AFTER MANUFACTURE.
REPAIRED PRODUCTS RETURNED FROM THE FIELD WILL BE
STAMPED IN A SIMILAR MANNER AS ABOVE. THEREFORE,
REPAIRED PRODUCTS WILL HAVE AT LEAST TWO DATE CODES
STAMPED ON THEM. THE LATEST DATE WILL PREVAIL IN ALL
CASES.
RETURNED GOODS
Product should be returned to Suntec prepaid, unless prior written
approval has been received from Suntec. In-warranty product will be
repaired and returned at no additional cost. If the product is out of
warranty, the customer will be notified of the cost to repair it and given
the option of having it repaired or having the unrepaired product returned
collect.
Suntec DOES NOT issue credit for product being returned for repair,
whether the product is or is not in-warranty.
When an unusual situation arises and product must be returned to
Suntec, written approval must first be received from Suntec. Upon
inspection of the returned product, Suntec will determine if the product
is suitable for resale. If it is, the customer will be assessed a 35%
restocking charge and the balance credited to the customer’s account
less any consequential charges incurred.