540190 1 Centripro S10015 Simplex Control Panel Brochure
540190 2 Centripro Ses S10015 Simplex Control Panel Technical Brochure 540190_2_Centripro SES S10015 Simplex Control Panel Technical Brochure 540190_2_Centripro SES S10015 Simplex Control Panel Technical Brochure pdf pumpproducts
540191 2 Centripro Ses S10015 Simplex Control Panel Technical Brochure 540191_2_Centripro SES S10015 Simplex Control Panel Technical Brochure 540191_2_Centripro SES S10015 Simplex Control Panel Technical Brochure pdf pumpproducts
540191 1 Centripro S10015 Simplex Control Panel Brochure 540191_1_Centripro S10015 Simplex Control Panel Brochure 540191_1_Centripro S10015 Simplex Control Panel Brochure pdf pumpproducts
: Pump 540190 1 Centripro S10015 Simplex Control Panel Brochure 540190_1_Centripro S10015 Simplex Control Panel Brochure pdf
Open the PDF directly: View PDF
.
Page Count: 4

FEATURES
Rugged NEMA 4X construction withstands even the most severe
weather con ditions and prevents corrosion.
Hinged door with lockable stainless steel latch for safe operation
indoors and out.
High level alarm circuit with external, on/off, alarm horn silence
switch.
Alarm test switch insures proper operation of the alarm circuit
without the need to actuate the alarm float.
Inside mounted pump run light.
Top mounted high intensity red light provides 360° visibility.
Corrosion proof alarm horn.
Color coded wiring, screw type terminals, ensure ease of field
servicing.
Field wiring diagram, panel schematic and installation instructions
included.
Entire unit is UL and CUL listed
Non-modifiable
S10015 1Ø
CONTROL PANELS
SIMPLEX / WEATHERPROOF CONTROLLER WITH ALARM
TECHNICAL BROCHURE
BCP0 R6

PAGE 2
Wastewater
CentriPro
APPLICATIONS
Simplex liquid level controller, automatically maintains
pump operation, includes high level alarm warning for
a variety of sump, effluent, sewage and water transfer
applications.
Order No. Maximum Float Switches
Running Amps
S10015 20 None - Order Separately (3 required)
S10015WF 20 ➀ Inc. (3) N.O. Narrow Angle Mech. Control Switches
➀ Includes weights. Replacement switch is order No. A2N33.
SPECIFICATIONS
• Accepts single or dual power feed.
• Hand-off-automatic (H-O-A) pump selection switch.
• Magnetic contactor.
• Numbered terminal strip-screw type.
• NEMA 4X, 30 watt, red alarm light.
• NEMA 4X, fiberglass enclosure with gasketed,
hinged door and stainless steel hardware.
• NEMA 4X, alarm horn – 95db.
Single Phase
• 115 or 230 volt, 60 Hz.
NOTE: WHEN USING SEPARATE 115 VAC CONTROL POWER SUPPLY, REMOVE
JUMPER (J1) FROM TERMINALS (L1) AND (LL1). CONNECT 15 AMP MAX.
THE NEUTRAL OF THE SUPPLY TO (N).
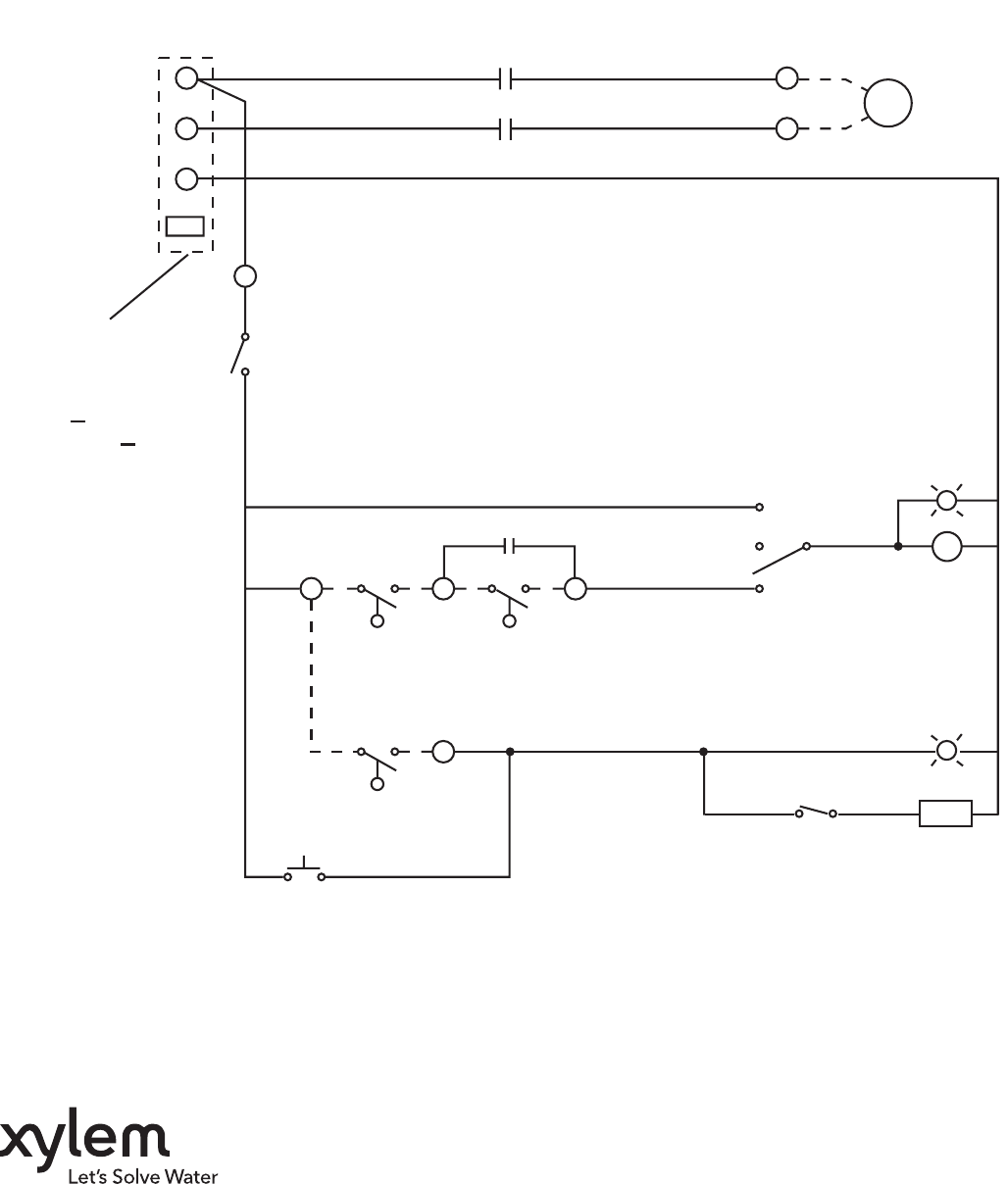
PROTECTED 115 VAC SUPPLY TO TERMINALS (LL1) AND (N). WITH
T2T1
PUMP
N
ALARM
FLOAT
ON FLOAT
4321
J1
LL1L2L1
* FOR 115 VAC OPERATION, USE TERMINALS
L1 AND N, JUMP TERMINALS L2 AND N.
115/230 VAC *
SINGLE PHASE
60 HZ
OFF FLOAT
TERMINAL STRIP WIRING

PAGE 3
Wastewater
CentriPro
COMPONENTS
1. NEMA 4X FRP enclosure
2. Alarm light (RB63)
3. Alarm horn (RB50)
4. Horn on-off selector switch
5. H-O-A selector switch
6. Pump run light
7. Alarm test switch
8. Motor contactor
9. Wiring terminal strip
5, 6, 7
8
9
1
2
3
4
F
B
C
D
E
A
Single Phase
A B C D E F
6 11.5 13.5 11.75 5.63 9.25
ENCLOSURE DIMENSIONS (in inches)

L1
L2
N
GND
115/230 VAC (FOR 115 VAC, USE TERMINALS L1 AND N, JUMP L2 AND N).
SINGLE PHASE, 60 Hz
S1
J1
NOTE: WHEN USING SEPARATE 115 VAC CONTROL POWER SUPPLY, REMOVE
JUMPER (J1) FROM TERMINALS (L1) AND LL1). CONNECT 15 AMP MAX.
PROTECTED 115 VAC SUPPLY TO TERMINALS (LL1) AND (N) WITH
THE NEUTRAL OF THE SUPPLY TO (N).
LL1
CONTROL
ON-OFF
123
OFF FLOAT ON FLOAT
ALARM FLOAT
4
TEST
S1-AUX
RUN
AUTO
OFF
HAND
S1
HIGH LEVEL
HORN *
ON - OFF
HORN
A 230 VOLT SYSTEM
REQUIRES A 4 WIRE
POWER SUPPLY LINE
L1, L2, N AND GND.
WITHOUT A NEUTRAL
THE CONTROL CIRCUIT
WILL NOT WORK.
T1
T2
PUMP
*NOTE: THE HORN ON/OFF SELECTOR SWITCH MUST BE PLACED
BACK INTO THE (ON) POSITION AFTER THE ALARM
CONDITION HAS BEEN CORRECTED IN ORDER TO
MAINTAIN THE AUDIO ALARM ANNUNCIATION
Xylem, Inc.
2881 East Bayard Street Ext., Suite A
Seneca Falls, NY 13148
Phone: (866) 325-4210
Fax: (888) 322-5877
www.xyleminc.com/brands/centripro
CentriPro is a trademark of Xylem Inc. or one of its subsidiaries.
© 2012 Xylem, Inc. BCP0 R6 April 2012