540209 1 Centri Pro A6 Simplex Wastewater Control Panels Technical Brochure
540206 1 Centripro A6 Simplex Wastewater Control Panels Technical Brochure 540206_1_CentriPro A6 Simplex Wastewater Control Panels Technical Brochure
540208 1 Centripro A6 Simplex Wastewater Control Panels Technical Brochure 540208_1_CentriPro A6 Simplex Wastewater Control Panels Technical Brochure
540212 1 Centripro A6 Simplex Wastewater Control Panels Technical Brochure 540212_1_CentriPro A6 Simplex Wastewater Control Panels Technical Brochure
540207 1 Centripro A6 Simplex Wastewater Control Panels Technical Brochure 540207_1_CentriPro A6 Simplex Wastewater Control Panels Technical Brochure 540207_1_CentriPro A6 Simplex Wastewater Control Panels Technical Brochure pdf pumpproducts
540210 1 Centripro A6 Simplex Wastewater Control Panels Technical Brochure 540210_1_CentriPro A6 Simplex Wastewater Control Panels Technical Brochure 540210_1_CentriPro A6 Simplex Wastewater Control Panels Technical Brochure pdf pumpproducts
: Pump 540209 1 Centripro A6 Simplex Wastewater Control Panels Technical Brochure 540209_1_CentriPro A6 Simplex Wastewater Control Panels Technical Brochure pdf
Open the PDF directly: View PDF
.
Page Count: 4

ORDER FEATURES
NEMA 1, indoor, steel enclosure.
Provides fully automatic operation for two pumps.
Solid state pump alternator circuit with oat status lights
for ease of installation or troubleshooting.
Alternator selector switch allows a choice of automatic
alternation or operation of only pump 1 or pump 2.
Typically used if one pump is down for maintenance.
Pump circuit breakers (2) and control circuit breaker.
Lag pump-start delay built-in.
High level alarm circuit includes through-door mounted
silence switch for manual silence of alarm bell.
NEMA 1, alarm horn (88 db @ 10').
Red alarm indicator light.
Auxiliary alarm contacts provided for remote alarm
connection.
Two through-door mounted pump run lights.
Numbered terminal strip – screw type.
Entire unit is UL and CUL listed.
A6 DUPLEX WASTEWATER
CUSTOM CONTROL PANELS
PROVIDES FULLY AUTOMATIC OPERATION FOR TWO PUMPS. ALTERNATES PUMP STARTING
TO DISTRIBUTE OPERATING TIME. PROVIDES EXTRA PUMPING CAPACITY IN TIMES OF HIGH
INFLOW BY ENERGIZING BOTH PUMPS.
TECHNICAL BROCHURE
BCPA6 R9

NOTE: Please order oat switches separately.
Enclosure Options – if options are required please order the panel as A6- – – – – SPL followed by the desired
options listed in numeric order on your purchase order. If more than three options are needed, please complete
and fax us a Panel Quote Request Form along with the engineer’s (end user’s) written specications to insure
correct panel is ordered. Fax requests to customer service at (888) 322-5877.
Overload protection must be provided by the pump.
SINGLE PHASE, 60 HZ
Single Phase Panels Include:
• Magnetic contactors (2)
• Two pump circuit breakers
THREE PHASE, 60 HZ
Three Phase Panels Include:
• NEMA Rated Starter with solid-state, Class 5, 10,
20, 30, adjustable overloads. The solid-state,
adjustable overload also provides protection
against phase-loss or single-phasing, and phase
on balance.
SPECIFICATIONS – 1Ø AND 3Ø
• Accepts single or dual power feed.
• Two hand-off-automatic (H-O-A) pump switches.
• On-off control circuit switch.
• Two oversized magnetic contactors.
• Numbered terminal strip-screw type.
• NEMA 1, steel enclosure.
• NEMA 1, alarm horn – 88 db. at 10'.
• Auxiliary alarm contacts.
• Alternator selector switch.
• Lag pump-start delay.
Model No. Horsepower Amps Volts
A6-2012 1⁄3 – 2 up to 20 208/230
A6-3012N①3Panels do not contain
capacitors or overloads
20-27 208/230
A6-5012N①5 27-36 208/230
① Use these panels only with pumps that have built-in capacitors
and overloads.
Model No. Amp Draw Volts
A622510 3-12 200/230
A642510 3-12 460/575
A620918 5.5-22 200/230
A640918 5.5-22 460/575
A621327 10-40 200/230
PAGE 2
Wastewater
CentriPro

ADDITIONAL ACCESSORIES
ALARM CIRCUITS
POWER EQUIPMENT
DOOR MODIFICATION
OPTIONAL ENCLOSURES
Rating Construction Order No.
Duplex
Enclosures
NEMA 3R Steel, Hinged Door 6110
NEMA 4 Steel, Hinged Door 6120
NEMA 4X Fiberglass, Hinged Door 6130
NEMA 12 Steel, Hinged Door 6140
NOTE: Enclosures listed above are dead-front type, all switches and
indicator lights would be mounted inside of panel.
NOTE: These dead-front enclosures do not include an alarm device.
Please choose the appropriate visual or audible alarm to
complete the system from order numbers 6400 through 6480.
Order No.
1. Through door mounted H-O-A switch and run
lights. (Provides access without opening enclosure,
standard on NEMA 1 panels.)
A. NEMA 3 / 3R / 4 / 4X / 12 6200
2. Inner door (hinged) on dead-front panel. (Provides
access to switches without hazard of entering
actual panel.) 6240
3. Locking hasp. (Adder for NEMA 1 enclosures,
standard on all others.) 6250
Order No.
1. High or low-level alarm circuit. 6300 H
6300 L
2. Guaranteed pump submergence circuit with low
level alarm. (Overrides manual and automatic
operation of pumps)
6320
3. Extra set of dry contacts. (Used for signal of
remote alarm device.)
Call
Factory
4. Seal failure circuit with (2) two indicator lights.
(Monitors moisture sensor on dual seal pumps.)
A. Circuit built in A6 panel
6350
B. Circuit in separate NEMA 3R enclosure. (Used
in conjunction with existing panel.) A4-4
5. Low voltage, phase loss and reversal circuit.
(Three phase only, stops pumps and closes non-
powered contacts.)
6360
6. Battery powered alarm circuit (Sealed gel-cel
battery and charger, will operate: Bell – 12 hrs.,
ashing red light – 1 hr., strobe – 12 hrs.)
Call
Factory
7. Seal fail and high temp. control and status circuit
for 1GA, 2GA; 15GDS/GXS or 20GDS/GXS; GV
Plus and Impact Pumps.
6805
Order No.
1. Main circuit breaker (Installed before pump and pilot.)
Single phase, 115/230 V
6600
Three phase, 208/230 V
6610
Three phase, 460/575 V
6620
2. Through door operating mechanism for above
circuit breaker (Provides external interlock on door to
prevent electrical hazard, rated NEMA 3/3R/4.)
Single phase
6630
Three phase
6640
Can be added to simplex or duplex controllers.
ALARM DEVICES
Order No.
4" bell (88 db @ 10 Ft.) NEMA 1 6400
4" bell (90 db @ 10 Ft.) NEMA 3R/4/4X/12 6420
Horn (101 db @ 10 Ft.) NEMA 3R/4/4X/12 6450
Flashing red light Lexan NEMA 1/3R/4/4X/12 6480
8. Remote alarm panel (includes: 4" bell silencer
switch, and indicator light; rated NEMA 3/3R).
A. Alarm requiring separate power 115 V power
supply. (Signaled by dry contacts in main
panel. Requires 6340.)
6500
B. Alarm to be powered by main panel. (Signaled
by powered contacts in main panel. Requires
6330.)
6510
Remote alarm light in separate NEMA1 enclosure
(requires 115 V supply). 6515
Provides alarm circuit in duplex panel. Choose
alarm device to complete the system.
Order No.
1. Condensation heater – 115 V 6710
2. Elapsed time meter (2) two. (Mounted inside
cabinet indicates number of pump starts.) 6740
3. Cycle counter (2) two. (Mounted inside cabinet
indicates number of pump starts.) 6750
4. Intrinsically safe controls. (One required for each
oat.) 6760
5. Test push buttons (2) two. (Overrides oat
switches to simulate operation of level controls.)
A. NEMA 1
6770
B. NEMA 3/3R/4 6780
6. Lightning arrestor
Single phase 6781
Three phase 6782
7. Convenience outlet (115 V GFI) with circuit
breaker protection, mounted internally, choose
according to power supply (phase).
Single phase panels
6783
Three phase panels
15 amp includes 1.5 KVA transformer 6785
PAGE 3
Wastewater
CentriPro

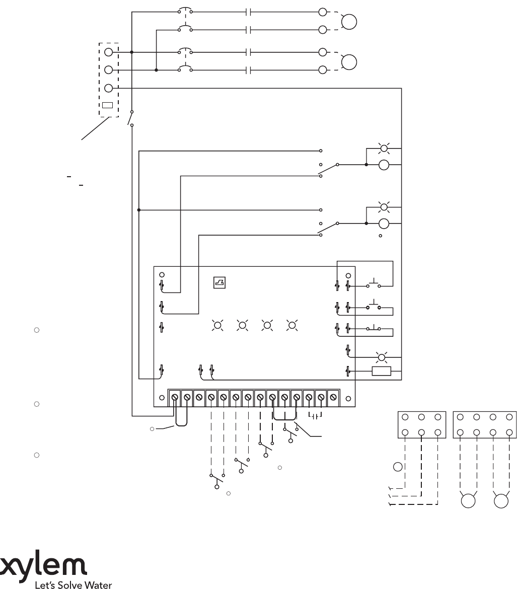
L1
L2
N
GND
25 A
25 A
S1
S2
1T
1
2
2T
1
2
PUMP NO. 2
PUMP NO. 1
WHITE
CONTROL
ON-OFF
BLACK
BLACK
YELLOW
ORANGE
HAND
OFF
AUTO
BLUE S2
RUN
HAND
OFF
AUTO
PURPLE S1
RUN
RED
TEST
RED
YEL
YELLOW
BRW
BROWN
TEST
MUTE
RESET
SILENCE
RESET
HORN
FLASH
PINK
WHITE
RED
FLASHING
SONALERT
OFF LEAD LAG ALARM
R1
R2
C
L1 N
BLACK
HL1 N1234567891011
J1
OFF FLOAT
LEAD FLOAT
LAG FLOAT
(OPTIONAL)
ALARM FLOAT
J2
DRY CONTACTS
FACTORY WIRED FOR (3) FLOAT
OPERATION. FOR (4) FLOAT
OPERATION, REMOVE JUMPER (J2)
FROM TERMNALS (6) AND (8).
INSTALL LAG FLOAT ON
TERMINALS (5) AND (6).
FOR SEPARATE 120 VAC
CONTROL POWER SUPPLY,
REMOVE JUMPER (J1) FROM
TERMINALS (H) AND (L1).
CONNECT 15 AMP MAX.
PROTECTED 120 VAC SUPPLY
TO TERMINALS (L1) AND (N).
WITH THE NEUTRAL OF THE
SUPPLY TO (N).
FOR USE WITH WIDE ANGLE
FLOAT SWITCH (ONE FLOAT FOR
BOTH ON AND OFF OPERATION).
JUMP TERMINALS (3) AND (4),
INSTALL WIDE ANGLE FLOAT TO
TERMINALS (1) AND (2).
FOR 120 VOLT OPERATION
USE TERMINALS (L1) AND (N)
JUMP TERMINALS (N) AND (L2)
230 VAC
SINGLE PHASE
60 H
A 230 VOLT SYSTEM
REQUIRES A 4 WIRE
POWER SUPPLY LINE
L1, L2, N AND GND.
WITHOUT A NEUTRAL
THE CONTROL CIRCUIT
WILL NOT WORK.
PUMP 1
ALT
PUMP 2
1
2
3
1
2
3
1212
1T 2T
L1 L2 N
120/230 VAC ➁
SINGLE PHASE
60 Hz
PUMP
NO. 1
PUMP
NO. 2
J1
R1
R2
C
L1
OFF LEAD LAG ALARM
TEST
MUTE
RESET
FLASHING
SONALERT
N
HL1N 123456 7891011
J2
DRY CONTACTS
OFF FLOAT
LEAD FLOAT
LAG FLOAT
(OPTIONAL)③
ALARM FLOAT
Power and Pump
Wiring Terminals
WIRING SCHEMATIC WITHOUT OPTIONS
Xylem Inc.
2881 East Bayard Street Ext., Suite A
Seneca Falls, NY 13148
Phone: (866) 325-4210
Fax: (888) 322-5877
www.centripro.com
CentriPro is a trademark of Xylem Inc. or one of its subsidiaries.
© 2015 Xylem Inc. BCPA6 R9 January 2015