540237 1 Centri Pro Simplex & Duplex Single Phase Panels Technical Brochure
540225 1 Centripro Simplex & Duplex Single Phase Panels Technical Brochure 540225_1_CentriPro Simplex & Duplex Single Phase Panels Technical Brochure
540226 1 Centripro Simplex & Duplex Single Phase Panels Technical Brochure 540226_1_CentriPro Simplex & Duplex Single Phase Panels Technical Brochure
540231 1 Centripro Simplex & Duplex Single Phase Panels Technical Brochure 540231_1_CentriPro Simplex & Duplex Single Phase Panels Technical Brochure
540233 1 Centripro Simplex & Duplex Single Phase Panels Technical Brochure 540233_1_CentriPro Simplex & Duplex Single Phase Panels Technical Brochure
540234 1 Centripro Simplex & Duplex Single Phase Panels Technical Brochure 540234_1_CentriPro Simplex & Duplex Single Phase Panels Technical Brochure
: Pump 540237 1 Centripro Simplex & Duplex Single Phase Panels Technical Brochure 540237_1_CentriPro Simplex & Duplex Single Phase Panels Technical Brochure pdf
Open the PDF directly: View PDF
.
Page Count: 4

STANDARD PANEL FEATURES
NEMA 4X Fiberglass Enclosure
Pump Circuit Breaker(s)
Control Circuit Breaker
Motor Contactor(s)
H-O-A Switch(es) (Hand-Off-Automatic switch)
Pump Run Light(s) through Door
External Motor Components
High Level Alarm Circuit with Dry Contacts
Flashing Red Alarm Light for High Level
Alarm Horn, 101 db @ 10 feet
Alternator selector switch allows a choice of automatic alternation
or operation of only pump 1 or pump 2 on duplex panels.
Typically used if one pump is down for maintenance.
All controls are UL and CUL Listed
SIMPLEX AND DUPLEX
SINGLE PHASE PANELS
FOR SINGLE PHASE PUMPS REQUIRING EXTERNAL MOTOR COMPONENTS
TECHNICAL BROCHURE
BCP5 R9

PAGE 2
Wastewater
CentriPro
SINGLE PHASE GRINDER PANEL ORDER NUMBERS
Simplex Duplex Pump Seal Fail Circuit Pumps
Panel Panel
HP Voltage In Pump In Panel
S1GD2 D1GD2 2 230 No No 1GD51G1AA➁ N/A
S1GD2 D1GD2 2 208 No No 1GD51G8AA➁ N/A
S1GD2H➀ D1GD2J➀ 2 230 Yes Yes 1GD51G1AAS➁ 12GDS1G31A1A➁
S1GD2H➀ D1GD2J➀ 2 208 Yes Yes 1GD51G8AAS➁ 12GDS1G21A1A➁
S1FGC2➀ ➂ D1FGC2➀ ➂ 2 230 Yes Yes 1GA71G1HD 15GDS2G31H2D
1GA71G1LD 15GDS2G31L2D
S1FGC3➀ ➂ D1FGC3➀ ➂ 3 230 Yes Yes 1GA81H1GD 15GDS2H31G3D
2GA81H1KD 20GDS2H31K3D
S1FGC5➀ ➂ D1FGC5➀ ➂ 5 230 Yes Yes 2GA31J1FD 20GDS2J31F1D
2GA31J1JD 20GDS2J31J1D
* Used on pumps built after December 2005. Call for price on components before that date.
IMPACT CONTROLS FOR MODEL MV, MK, GV PLUS
Style Horsepower Seal Fail Included Voltage Part Number
3.8 208 S138208
230 S138230
4.0 208 S140208
230 S140230
Simplex 5.5 Minicas 208 S155208
230 S155230
7.5 208 S175208
230 S175230
9.5 208 S195208
230 S195230
3.8 208 D138208
230 D138230
4.0 208 D140208
230 D140230
Duplex 5.5 Minicas 208 D155208
230 D155230
7.5 208 D175208
230 D175230
9.5 208 D195208
230 D195230
C = Condensation heater, 115 volt (70 watt) prevents
condensation inside the panel
D = Single phase lightning arrestor
F = Simplex (1) elapsed time meter, shows run time in
hours
G = Duplex (2) elapsed time meters, show run time in
hours
H = Simplex seal fail circuit for (1) pump
J = Duplex seal fail circuits for (2) pumps
PANEL OPTIONS
Add option characters as order number suffixes in alphabetic order.
K = Simplex cycle counter for (1) pump, records On/
Off cycles
L = Duplex cycle counters for (2) pumps, record On/
Off cycles for each pump
M = Simplex high temperature sensor circuit with
pump shutdown
N = Duplex high temperature sensor circuits with
pump shutdown

PAGE 3
Wastewater
CentriPro
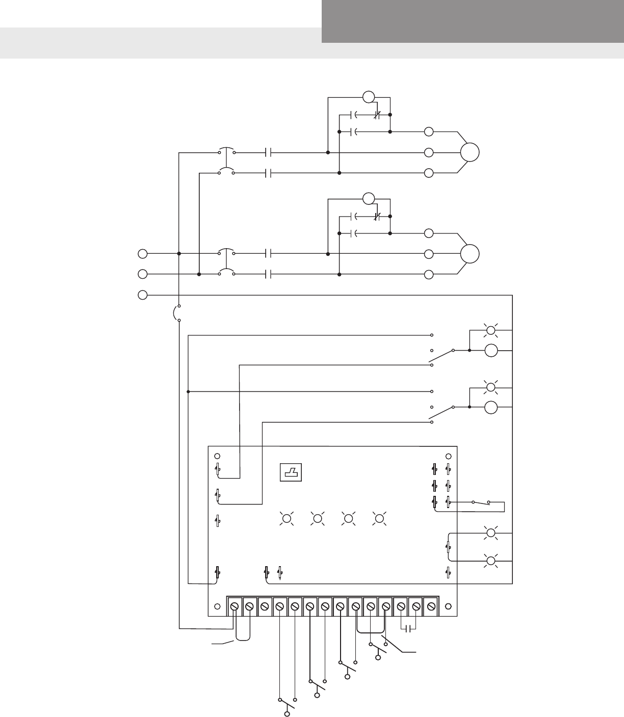
L1
L2
N
20 A S1 1
R
PUMP
2 HP
WHITE
10 A
HAND
OFF
AUTO
S2
RUN
HAND
OFF
AUTO
S1
TEST
MUTE
RESET RESET
HIGH LEVEL
FLASH
FLASHING
SONALERT
OFF LEAD LAG ALARM
R1
R2
C
L1 N
J1
HL1 N1 2345678910 11
OFF FLOAT
LEAD FLOAT
LAG FLOAT
(OPTIONAL)
ALARM FLOAT
J2
DRY CONTACTS
FACTORY WIRED FOR (3) FLOAT
OPERATION. FOR (4) FLOAT OPERATION,
REMOVE JUMPER (J2) FROM TERMNALS
(6) AND (8). INSTALL LAG FLOAT ON
TERMINALS (5) AND (6).
FOR SEPARATE 120 VAC
CONTROL POWER SUPPLY,
REMOVE JUMPER (J1) FROM
TERMINALS (H) AND (L1).
CONNECT 15 AMP MAX.
PROTECTED 120 VAC SUPPLY
TO TERMINALS (L1) AND (N).
WITH THE NEUTRAL OF THE
SUPPLY TO (N).
FOR USE WITH WIDE ANGLE FLOAT SWITCH (ONE FLOAT FOR BOTH ON AND OFF OPERATION).
JUMP TERMINALS (3) AND (4), INSTALL WIDE ANGLE FLOAT TO TERMINALS (1) AND (2).
230 VAC
SINGLE PHASE
60 Hz
PUMP 1
ALT
PUMP 2
20 A S2
B
T
PUMP
2 HP
W
BLACK
RED
START RELAY
START
RUN
2
R
WHITE
B
T
W
BLACK
RED
START RELAY
START
RUN
RUN
Sample

Xylem, Inc.
2881 East Bayard Street Ext., Suite A
Seneca Falls, NY 13148
Phone: (866) 325-4210
Fax: (888) 322-5877
www.xyleminc.com/brands/centripro
CentriPro is a trademark of Xylem Inc. or one of its subsidiaries.
© 2012 Xylem, Inc. BCP5 R9 April 2012
1) The tissue in plants that brings water upward from the roots;
2) a leading global water technology company.
We’re 12,500 people unified in a common purpose: creating innovative solutions
to meet our world’s water needs. Developing new technologies that will improve
the way water is used, conserved, and re-used in the future is central to our work.
We move, treat, analyze, and return water to the environment, and we help people
use water efficiently, in their homes, buildings, factories and farms. In more than
150 countries, we have strong, long-standing relationships with customers who
know us for our powerful combination of leading product brands and applications
expertise, backed by a legacy of innovation.
For more information on how Xylem can help you, go to www.xyleminc.com
Xylem