548451 3 Red Lion Stainless Steel Shallow Well Jet Pump Installation Instructions
548450 3 Red Lion Stainless Steel Shallow Well Jet Pump Installation Instructions 548450_3_Red Lion Stainless Steel Shallow Well Jet Pump Installation Instructions 548450_3_Red Lion Stainless Steel Shallow Well Jet Pump Installation Instructions pdf pumpproducts
: Pump 548451 3 Red Lion Stainless Steel Shallow Well Jet Pump Installation Instructions 548451_3_Red Lion Stainless Steel Shallow Well Jet Pump Installation Instructions pdf
Open the PDF directly: View PDF
.
Page Count: 12

Power supply (line)
Source d’alimentation
Suministro de energía
Ground
Mise à la terre
Conexión a tierra
Pressure switch
Manostat
Interruptor de presión
Motor (load)
Moteur (charge)
Motor (carga)
L1 L2
FIGURE 2 • FIGURE 2 • FIGURA 2
ELECTRICAL CONNECTIONS • CONNEXIONS ÉLECTRIQUES •
CONEXIONES ELÉCTRICAS
ENGLISH
EN
This instruction sheet provides you with the information required to
safely own and operate your product. Retain these instructions for future
reference.
The product you have purchased is of the highest quality workmanship
and material, and has been engineered to give you long and reliable
service. This product has been carefully tested, inspected, and packaged
to ensure safe delivery and operation. Please examine your item(s)
carefully to ensure that no damage occurred during shipment. If damage
has occurred, please contact the place of purchase. They will assist you
in replacement or repair, if required.
READ THESE INSTRUCTIONS CAREFULLY BEFORE ATTEMPTING
TO INSTALL, OPERATE, OR SERVICE YOUR PRODUCT. KNOW
THE PRODUCT’S APPLICATION, LIMITATIONS, AND POTENTIAL
HAZARDS. PROTECT YOURSELF AND OTHERS BY OBSERVING
ALL SAFETY INFORMATION. FAILURE TO COMPLY WITH THESE
INSTRUCTIONS COULD RESULT IN PERSONAL INJURY AND/OR
PROPERTY DAMAGE!
SAFETY GUIDELINES
WARNING
WARNING: All wiring, electrical connections, and system grounding
must comply with the National Electrical Code (NEC) and with any local
codes and ordinances. Employ a licensed electrician.
WARNING - RISK OF ELECTRICAL SHOCK
Have an electrician provide electrical power to motor. A ground fault
circuit interrupter (GFCI) protected circuit is recommended for use with
any electrical device operating near water.
For recommended cable size see Table 1.
WARNING: This equipment must not be used by children or persons
with reduced physical, sensory or mental abilities, or lacking in
experience and expertise, unless supervised or instructed. Children
may not use the equipment, nor may they play with the unit or in the
immediate vicinity.
WARNING: If the power cord is damaged, it must only be replaced by
qualified personnel.
Motor must be grounded and terminal cover in place to reduce
electrical shock hazard.
Keep motor operating area as dry as possible.
Always disconnect power before servicing.
Not investigated for use in swimming pool areas.
VOLTAGE SETTING INSTRUCTIONS
To change the pump voltage from the factory setting of 230 volts,
a qualified electrician should:
1. Disconnect power supply to pump
2. Remove the cover from the motor terminal box
3. Slide the voltage switch from 230 V to 115 V, as shown in Figure 1
4. Reassemble the terminal box cover.
APPLICATION
The shallow well jet pump is ideal for the supply of fresh water to rural
homes, farms, and cabins. This pump is suitable for installations where
the vertical distance from the pump to the water level does not exceed
25 ft (7.6 m), including drawdown (less at high altitudes).
In offset installations, friction losses in the suction pipe must be taken
into consideration. (Refer to Table 2, Friction Loss).
INSTALLATION
WARNING
Pump Location: Install the pump in a clean, dry, ventilated location that
provides adequate room for servicing and protection from freezing
temperatures. It should be bolted to a good foundation (preferably
concrete) and provided with adequate drainage. Locating the pump as
close as possible to the water source will reduce the friction in the
suction pipe and ensure maximum capacities.
Suction Pipe: Use only new, clean 1-1/4" pipe or hose. If the pump is
installed any appreciable distance away from the source of water, the
suction pipe should be increased to 1-1/2". Horizontal lengths of pipe
must gradually slope upwards from the source of water to the pump to
avoid air pockets in the line. Thread compound should be used on all
pipe joints and connections should be thoroughly tightened. Install a
foot valve and check its operation because a leak will prevent proper
operation of the system. Make sure the foot valve is located so that it
will be submerged at all times. If a sandpoint or driven well is used,
install a check valve next to the pump suction instead of the foot valve
(Figure 6). All installations must have a foot valve or a check valve
in the suction pipe.
Pump to Tank Fittings: The discharge pipe from the pump to the tank
should be as short and direct as possible and should be the same size
as that of the pump discharge tapping. A check valve should never be
installed between the pump and the tank.
Service Line: Connect the service line as shown in Figures 4 - 7. The size
of the service line required is governed entirely by the amount of water
needed and the length of the pipe. The pipe selected should be large
enough so that the friction loss (determined from Table 2, Friction Loss)
will never exceed 20 ft (6m) head.
WARNING - ELECTRICAL PRECAUTIONS
All wiring, electrical connections, and system grounding must comply
with the National Electrical Code (NEC) and with any local codes and
ordinances. Employ a licensed electrician.
WARNING - RISK OF ELECTRICAL SHOCK
Wiring: Employ an electrician to do the wiring and connect the
electrical service to the pump.
The pressure switch is wired to the motor at the factory and the
voltage for which the motor is wired is indicated by a sticker where
applicable. Make sure the motor is wired for the same voltage as the
power supply. Refer to the motor nameplate or inside terminal cover for
voltage changing instructions. The power lines should be connected
to the pressure switch terminals marked L1 and L2 (Figure 2). It is
STAINLESS STEEL
SHALLOW WELL JET PUMP
RJS-75SS
1
MOTOR
MOTEUR
MOTOR
MAXIMUM WIRE LENGTH • LONGUEUR
MAXIMALE DES FILS • LONGITUD MÁXIMA DEL CABLE
25 (ft/pi) 50 (ft/pi) 100 (ft/pi) 150 (ft/pi) 200 (ft/pi)
HP •
CV VOLTS WIRE GAUGE • CALIBRE DES FILS • CALIBRE
DEL ALAMBRE (AWG)
3/4 115 14 14 10 8 8
TABLE 1 • TABLEAU 1 • TABLA 1
230
115
MOVE TO
FIGURE 1 • FIGURE 1 • FIGURA 1
VOLTAGE SWITCH • COMMUTATEUR DE TENSION • INTERRUPTOR
DE VOLTAJE

recommended that a separate circuit be led from the distribution panel
to the pump unit. A ground fault circuit interrupter (GFCI) protected
circuit should be used for all electrical devices operating near water.
Install a proper fused disconnect switch in the line and make certain
the wiring is adequately sized and well insulated. Undersized wire
between the motor and the power source will adversely limit the
starting and load carrying abilities of the motor. Minimum wire sizes
for motor branch circuits are recommended in Table 1. For added
safety, ground the pump and motor to the well casing (if metal) or the
ground in the distribution panel.
Pressure Gauge: A pressure gauge is not supplied with the pump. It
should be installed into the 1/8" NPT hole on the front of the casing on
the same side of the pressure switch.
Air Volume Control: If no perma-pressure tank is used in the pressure
system, an air volume control must be used to maintain an air cushion
in the pressure tank. Refer to the pressure tank owner’s manual for
instructions.
Pressure Relief Valve: A high pressure safety relief valve is
recommended at some point in the water system. Ensure its location is
near the discharge of the pump, in an area with adequate drainage. Be
sure to direct the valve so that any water flow could not spray toward
any electrical devices.
OPERATION
WARNING
WARNING: DO NOT RUN THE PUMP BEFORE PRIMING IT. THE
SEAL AND IMPELLER COULD BE PERMANENTLY DAMAGED.
PRIMING
NOTE: You will need enough water to fill the suction line(s) and casing.
Priming time (5 to 15 minutes) depends on distance from water source
to pump.
USING AN IN-LINE CHECK VALVE:
Open discharge valve on service line and nearby tap to monitor
water flow.
1. Pour clean water through priming plug opening at top of casing
until water starts flowing out the vent plug hole.
2. Install enclosed vent plug and tighten loosely with a wrench.
3. Continue filling pump until water flows out of the priming hole.
4. Install enclosed priming plug and hand-tighten.
5. Start pump. If a tap is visible, you may see a short discharge of
water lasting 5 to 10 seconds.
6. Run the pump for two minutes and then shut it off. Remove the vent
plug and priming plug.
7. You have completed the first priming cycle, consisting of steps 2 to
7. Repeat this process from 2 to 6 times, depending on the length
of your suction line (approximately one priming cycle for every 5
feet of suction line). Stop when the pump begins to pump water
continuously.
8. Once the pump begins pumping water continuously, firmly tighten
the vent plug and priming plug with a wrench.
9. If the pump does not draw water within 8 tries, shut it off and check
for suction leaks.
USING A FOOT VALVE:
1. Open discharge valve on service line and nearby tap to monitor
water flow.
2. Pour clean water through priming plug opening at top of casing
until the suction line is full and water starts flowing out of the vent
plug hole. You will need approximately 1 liter of water for every 3
feet of suction line.
3. Follow steps 3 through 6 above. If within 2 minutes water is not
being pumped continuously, stop the pump. Remove vent plug
and priming plug. Repeat steps 2 through 6 above. If this does not
work, stop the pump and check the suction line for leaks.
4. Once the pump begins pumping water continuously, firmly tighten
the vent plug and priming plug with a wrench.
DRAINING: Drain the pump and tank if either will be subjected to
freezing temperatures:
1. Shut off the power to the pump at the main electrical panel.
2. Open a tap in the water system to release the pressure.
3. Remove the drain and priming plugs from the pump.
4. Remove the pressure tank drain plug (if so equipped). Allow ample
time for the system to drain before re-installing the plugs.
MAINTENANCE
WARNING
WARNING - RISK OF ELECTRICAL SHOCK. Before servicing motor-
operated equipment, shut off the power at the main electrical panel and
disconnect the power supply from motor and accessories. Use safe
working practices during servicing of equipment.
LUBRICATION: The pump requires no lubrication.
REPLACING MECHANICAL SEAL (Figure 3):
CAUTION: Only duly qualified persons should perform maintenance on
electrical and/or mechanical devices.
Disassembly:
1. Shut off the power to the pump at the main service panel and
disconnect the power supply from motor.
2. Open a tap in the water system to release the pressure.
3. Remove the drain and fill plugs to allow the pump to drain.
4. Remove the bolts (1) and remove casing (2).
5. Remove fan shroud fasteners from the motor and remove the fan
shroud (3). CAUTION: Care must be taken not to damage the motor
fan or shroud.
6. Remove the impeller (4) by firmly holding on to the motor fan (5)
and turn the impeller in a clockwise direction.
7. Slip rotating seal (9) off the shaft.
8. Remove motor tie bolts and remove motor (6) from adapter (7)
by slightly tapping end of motor shaft with a mallet.
9. Remove the adapter plate and the O-ring.
Reassembly:
1. Clean all parts thoroughly before assembling.
CAUTION: Do not use petroleum-based cleaners or lubricants.
CAUTION: Care must be taken not to contaminate the ceramic
seal face.
2. Lightly lubricate (soapy water) the rubber cap on the ceramic seal
(8) and push it into the adapter (7) using thumbs only. Make sure the
smooth surface of the ceramic seat faces outward.
CAUTION: Do not use petroleum-based cleaners or lubricants.
CAUTION: Care must be taken not to contaminate the ceramic
seal face.
NOTE: If the pump will remain out of service for longer than one
week, the seal components must be installed dry (no lubrication).
3. Reassemble the motor (6) to the adapter. Align the tabs of the
adapter plate with the slot at the bottom of the motor housing.
4. Lubricate the rubber components of the rotating seal (9) (soapy
water) and slip it on to the shaft with the ‘carbon’ ring towards the
ceramic seat. CAUTION: Care must be taken not to contaminate the
carbon seal face.
5. Replace the impeller (4) and the shroud with fasteners. Lubricate
and replace the O-ring.
2
FIGURE 3 • FIGURE 3 • FIGURA 3

6. Replace the casing (2) making sure that O-ring is not damaged and
is in place.
7. Replace drain and fill plugs.
8. Reconnect power.
9. Prime the pump. Refer to Operation section.
TROUBLESHOOTING
WARNING
Motor will not start:
1. No power to pressure switch due to blown fuses, open switches, or
loose connections.
2. Pump pressure switch not closed.
Pump fails to deliver water:
1. Pump not completely primed.
2. Suction lift is too great.
3. Foot valve is not submerged, is buried in mud, or is plugged.
Pump loses prime:
1. Air leaks in suction line.
2. Well draws down too far.
3. Faulty foot valve.
Pump delivers water but not at rated capacity:
1. Leaks in suction or discharge line.
2. Foot valve, suction line, impeller, or nozzle are partially plugged.
3. Suction lift is greater than recommended.
4. Improper impeller rotation or low speed.
5. Venturi or diffuser is plugged.
6. Motor is wired for improper voltage.
7. Motor does not come off starting windings (improper motor switch
adjustment).
Pump starts and stops too often:
1. Faulty air volume control.
2. Air leak in tank above the water level.
3. Incorrect setting on pressure switch.
4) Tank is waterlogged or incorrectly charged.
FRANÇAIS
FR
Cette feuille d’instructions vous fournit les informations nécessaires
pour entretenir et faire fonctionner votre produit. Conserver ces
directives afin de pouvoir les consulter plus tard.
Le produit que vous avez acheté a été soigneusement fabriqué avec des
matériaux de la plus haute qualité et a été conçu pour durer longtemps
et offrir un service fiable. Les produits sont soigneusement testés,
inspectés et emballés afin d’en assurer la sécurité de fonctionnement
et une livraison en bonne condition. Vérifier attentivement le produit
afin de vous assurer qu’il n’a pas été endommagé pendant le transport.
S’il est endommagé, veuillez contacter l’entreprise qui vous l’a vendu.
Si une réparation ou un remplacement est requis, elle vous prêtera
assistance.
LIRE ATTENTIVEMENT CES DIRECTIVES AVANT DE PROCÉDER
À L’INSTALLATION, À L’UTILISATION OU À L’ENTRETIEN DU
PRODUIT. SE FAMILIARISER AVEC LES APPLICATIONS, LES
LIMITES ET LES RISQUES POTENTIELS DU PRODUIT. ASSURER
SA PROPRE PROTECTION ET CELLE DES AUTRES EN SUIVANT
TOUTES LES RÈGLES DE SÉCURITÉ. LE NON-RESPECT DE CES
DIRECTIVES PEUT ENTRAÎNER DES BLESSURES ET/OU DES
DOMMAGES MATÉRIELS!
CONSIGNES DE SÉCURITÉ
WARNING
AVERTISSEMENT
AVERTISSEMENT
AVERTISSEMENT : Lors de l’installation, suivre tous les codes locaux
en matière d’électricité et de sécurité, ainsi que les règlements du Code
national de l’électricité (NEC) et les normes OSHA (Occupational Safety
and Health Act)
AVERTISSEMENT- RISQUE DE CHOC ÉLECTRIQUE
Faire appel à un électricien pour l'alimentation électrique du moteur.
L'usage d'un circuit protégé par un interrupteur de masse défectueuse
(IMD) est recommandé avec tout appareil électrique fonctionnant dans
l'eau ou à proximité de celle-ci.
AVERTISSEMENT: Cet équipement ne doit pas être utilisé par des
enfants ou des personnes ayant des capacités physiques, sensorielles
ou mentales réduites, ou qui manquent d’expérience ou d’expertise, à
moins d’être supervisés ou dirigés. Des enfants ne doivent pas utiliser
l’équipement ou jouer avec celui-ci ou dans son entourage immédiat.
AVERTISSEMENT: Si le cordon d’alimentation est endommagé, il doit
être remplacé uniquement par une personne compétente.
Le Tableau 1 indique les câbles recommandés.
Le moteur doit être mis à la terre et le couvercle des bornes correctement
installé afin de réduire les risques d’électrocution.
Garder la zone de travail aussi sèche que possible.
Toujours couper l’alimentation avant de procéder à l’entretien.
Cette pompe n’est pas conçue pour etre utilisée dans une piscine. le
verrouiller en position ouverte et l’étiqueter pour éviter une alimentation
inattendue.
DIRECTIVES POUR RÉGLER LA TENSION
D’ALIMENTATION
Pour modifier la tension d’alimentation de la pompe par rapport à la
tension réglée en usine à 230V, un électricien qualifié devrait:
1. Couper l’alimentation électrique de la pompe
2. Retirer le couvercle de boîtier de connexions du moteur
3. Faire glisser le commutateur de tension de 230V à 115V, comme
illustré à la figure 1
4. Remonter le couvercle de boîtier de connexions.
APPLICATIONS
La pompe à jet pour puits peu profond est idéale pour l’alimentation en
eau douce des maisons en milieu rural, des fermes et des chalets. Cette
pompe est adéquate pour les installations où la distance verticale de
la pompe à l’eau ne dépasse pas 7,6 m (25 pi), incluant la hauteur de
rabattement (moins en haute altitude).
Pour les installations déportées, la perte résultant de la friction dans le
tuyau d’aspiration doit entrer en ligne de compte. (Consulter le tableau
2, Perte résultant de la friction.)
INSTALLATION
WARNING
AVERTISSEMENT
AVERTISSEMENT
Emplacement de la pompe : Installer la pompe dans un endroit propre,
sec et bien ventilé qui offre suffisamment d’espace pour l’entretien et qui
est à l’abri des températures inférieures au point de congélation. Elle doit
être boulonnée à une fondation appropriée (de préférence en béton) et
offrir un drainage adéquat. Installer la pompe aussi près que possible de
la source d’eau afin de réduire la friction dans le tuyau d’aspiration et
d’augmenter la pression de l’eau.
Conduite d'aspiration : Utiliser uniquement des conduites ou des
tuyaux neufs et propres de 32 mm (1-1/4 po) de diamètre. Si la pompe
est installée à une certaine distance de la source d’eau, le diamètre du
tuyau d’aspiration doit être augmenté à 38 mm (1-1/2 po). Les sections
horizontales du tuyau doivent avoir une pente descendante à partir de
la source d’eau vers la pompe afin d’éviter la formation de poches d’air
dans la conduite. De la graisse pour filetage doit être utilisée sur les
joints et les connexions du tuyau et ces derniers doivent être serrés à
fond. Installer un clapet de pied et vérifier son bon fonctionnement
car une fuite nuirait au bon fonctionnement du système. S’assurer
que le clapet de pied est placé de manière à être submergé en tout
temps. Si une pointe filtrante ou un puits instantané est utilisé, installer
un clapet anti-retour à côté de l’orifice d’aspiration de la pompe plutôt
qu’un clapet de pied (figure 5). Toutes les installations doivent être
munies d’un clapet de pied ou d’un clapet anti-retour dans le tuyau
d’aspiration.
Raccords entre la pompe et le réservoir : Le tuyau de sortie de
la pompe vers le réservoir doit être aussi court et aussi direct que
possible et avoir le même diamètre que celui de l’orifice de sortie de la
pompe. Ne jamais installer un clapet de non-retour entre la pompe et
le réservoir.
Conduite de service : Brancher la conduite de service comme il est
illustré aux figures 4 à 7. Le diamètre de la conduite de service doit
être établi selon de débit d’eau et la longueur du tuyau. Le diamètre
du tuyau doit être suffisamment grand pour que la perte résultant de
3

la friction (déterminée au tableau 2, Perte résultant de la friction) ne
dépasse jamais 6 m (20 pi) de chute.
MISE EN GARDE – PRÉCAUTIONS EN MATIÈRE D’ÉLECTRICITÉ
Tous les câblages, les connexions électriques et la mise à la terre du
système doivent être conformes au Code national de l’électricité (NEC),
ainsi qu’à tous les codes et règlements locaux. Toujours engager un
électricien professionnel.
MISE EN GARDE – RISQUE DE DÉCHARGE ÉLECTRIQUE
Câblage : Engager un électricien pour effectuer le câblage et le
branchement électrique à la pompe.
Le manostat est branché au moteur à l’usine et la tension du moteur est
indiquée par l’autocollant apposé à l’arrière du moteur. S’assurer que
le moteur est câblé pour la même tension que celle de l’alimentation.
Consulter la plaque signalétique du moteur ou l’intérieur du couvre-
bornes pour obtenir les instructions de changer la tension. Les câbles
d’alimentation doivent être branchés aux bornes du manostat marquées
L1 et L2 (figure 2). Il est recommandé d’utiliser un circuit séparé pour
alimenter le panneau de distribution à la pompe. Un circuit protégé par
un disjoncteur de fuite à la terre doit être utilisé pour tous les appareils
électriques utilisés près de l’eau. Installer un sectionneur avec fusible
approprié et s’assurer que le câblage est de la taille adéquate et bien
isolé. Des câbles sous-dimensionnés entre le moteur et la source
d’alimentation limiteront le démarrage et la capacité du moteur.
Les calibres minimaux de câblage pour le circuit de branchement du
moteur sont indiqués au tableau 1. Pour plus de sécurité, mettre la
pompe et le moteur à la terre au tubage de puits (s’il est en métal) ou
au panneau de distribution.
Manomètre : Le manomètre n’est pas fourni de la pompe. Il doit être
installé dans le trou de 1/8 po NPT, placé sure la surfacede devant du
corps de la pomp, de du même côté où est placé le manostat.
Commande de volume d’air : Si le réservoir utilisé dans le système de
pression n’est pas à pression permanente, une commande de volume
d’air doit être utilisée pour maintenir un coussin d’air dans le réservoir
de pression. Consulter le manuel de l’utilisateur du réservoir de pression
pour obtenir des instructions.
Soupape de décharge : Une soupape de décharge à haute pression
est recommandée dans le système d’alimentation en eau. L’installer
près de l’évacuation de la pompe, dans un endroit offrant un drainage
adéquat. S’assurer d’orienter la soupape de manière à ce que l’eau
évacuée ne puisse pas éclabousser de dispositifs électriques.
UTILISATION
WARNING
AVERTISSEMENT
AVERTISSEMENT
MISE EN GARDE : NE PAS FAIRE FONCTIONNER LA POMPE
AVANT DE L’AMORCER. LE JOINT D’ÉTANCHÉITÉ ET LE ROTOR
POURRAIENT ÊTRE IRRÉMÉDIABLEMENT ENDOMMAGÉS.
AMORÇAGE
REMARQUE : Il doit y avoir assez d’eau pour remplir la ou les conduites
d’aspiration et le boîtier. Le temps d’amorçage (5 à 15 minutes) dépend
de la longueur du conduit entre la source d’alimentation et la pompe.
INSTALLATION AVEC UN CLAPET ANTI-RETOUR EN LIGNE :
1. Ouvrir le clapet de purge de la conduite de service et un robinet à
proximité afin d’évaluer l’écoulement de l’eau.
2. Verser de l’eau propre dans l’ouverture du bouchon d’amorçage
situé sur le dessus du boîtier jusqu’à ce que l’eau déborde du trou du
bouchon à évents.
3. Installer le bouchon à évents fourni et le serrer légèrement avec une
clé.
4. Continuer à remplir la pompe jusqu’à ce que l’eau s’écoule du trou
d’amorçage.
5. Installer le bouchon d’amorçage fourni et le serrer à la main.
6. Démarrer la pompe. Si le robinet est à proximité, on peut voir une
petite évacuation d’eau durant 5 à 10 secondes.
7. Faire fonctionner la pompe pendant deux minutes puis l’arrêter.
Déposer le bouchon à évents et le bouchon d’amorçage.
8. Le premier cycle d’amorçage, des étapes 2 à 7, est maintenant terminé.
Refaire cette procédure entre 2 à 6 fois selon la longueur de la conduite
d’aspiration (soit environ un cycle d’amorçage pour chaque 1,5 m (5
pi) de conduite d’aspiration). Arrêter lorsque la pompe commence à
pomper l’eau en continu.
9. Lorsque la pompe commence à pomper l’eau en continu, serrer
fermement le bouchon à évents et le bouchon d’amorçage avec une
clé.
10. Si la pompe ne pompe pas d’eau après huit essais, couper le
courant et vérifier s’il y a des fuites d’aspiration.
INSTALLATION AVEC UN CLAPET DE PIED :
1. Ouvrir le clapet de purge de la conduite de service et un robinet à
proximité afin d’évaluer l’écoulement de l’eau.
2. Verser de l’eau propre dans l’ouverture du bouchon d’amorçage
situé sur le dessus du boîtier jusqu’à ce que la conduite d’aspiration
soit pleine et que l’eau déborde du trou du bouchon à évents.
Il faudra environ 1 litre d’eau par 0,91 mètre (3 pi) de conduite
d’aspiration.
3. Suivre les étapes 3 à 6 ci-dessus. Si l’eau n’est pas pompée en
continu après deux minutes, arrêter la pompe. Déposer le bouchon
à évents et le bouchon d’amorçage. Refaire les étapes 2 à 6 ci-
dessus. Si la pompe ne fonctionne pas, couper l’alimentation et
vérifier si la conduite d’aspiration présente des fuites.
4. Lorsque la pompe commence à pomper l’eau en continu, serrer
fermement le bouchon à évents et le bouchon d’amorçage avec une
clé.
DRAINAGE : Drainer la pompe et le réservoir s’ils sont exposés à des
températures inférieures au point de congélation :
1. Couper l’alimentation de la pompe au niveau de la boîte principale
d’alimentation électrique.
2. Ouvrir un robinet du système d’alimentation en eau pour purger
toute pression.
3. Enlever le bouchon du drain et le bouchon d’amorçage de la
pompe.
4. Enlever le bouchon de vidange du réservoir de pression (le cas
échéant). Laisser au système le temps de se vider avant de
réinstaller les bouchons.
ENTRETIEN
WARNING
AVERTISSEMENT
AVERTISSEMENT
MISE EN GARDE – RISQUE DE DÉCHARGE ÉLECTRIQUE. Avant
d’effectuer l’entretien d’un équipement muni d’un moteur, couper
l’alimentation au niveau de la boîte d’alimentation électrique principale
et débrancher la connexion électrique de la pompe et des accessoires.
Utiliser des méthodes de travail sécuritaires lors de l’entretien de
l’équipement.
Lubrification : La pompe ne requiert aucune lubrification.
Replacement du joint mécanique (figure 3) :
MISE EN GARDE : L’entretien des appareils électriques et/ou
mécaniques doit toujours être effectué par une personne dûment
qualifiée.
Démontage :
1. Coupez l’alimentation électrique à la pompe au niveau du
panneau de service principal et débranchez le moteur de la source
d’alimentation.
2. Ouvrez un robinet du système d’alimentation en eau pour libérer la
pression.
3. Retirez les bouchons de vidange et de remplissage pour permettre
la vidange de la pompe.
4. Retirez les boulons (1) et retirez ensuite le corps de la
pompe (2).
5. Retirer les fixations du capot de ventilateur à l’arrière du moteur et
enlever le capot du ventilateur (3). MISE EN GARDE: Veiller àne pas
endommager le moteur du ventilateur ou le capot.
6. Retirer la turbine (4) en tenant fermement sur le moteur du
ventilateur (5) et tourner la turbine dans le sens horaire.
7. Enlevez le joint rotatif (9) de l’arbre.
8. Retirez les boulons de liaison du moteur et retirez le moteur (6) de
l’adaptateur (7) en tapant légèrement sur l’extrémité de l’arbre de
moteur avec un maillet.
9. Retirer l’entretoise et le joint torique.
Remontage :
1. Nettoyez bien toutes les pièces avant de les assembler.
4

MISE EN GARDE : Ne pas utiliser des nettoyants à base de pétrole
ou des lubrifiants.
MISE EN GARDE : Faire attention pour ne pas contaminer la surface
du joint en céramique.
2. Lubrifiez légèrement (avec de l’eau savonneuse) le chapeau
en caoutchouc du joint en céramique (8) et poussez-le dans
l’adaptateur (7) en vous servant uniquement de vos pouces.
Assurez-vous que la surface lisse du siège en céramique est dirigée
vers l’extérieur.
MISE EN GARDE : Ne pas utiliser des nettoyants à base de pétrole
ou des lubrifiants.
MISE EN GARDE : Faire attention pour ne pas contaminer la surface
du joint en céramique.
REMARQUE : Si la pompe ne sera pas utilisée avant une semaine
ou plus, les composants du joint doivent être insérés à sec (sans
lubrification).
3. Remonter le moteur (6) sur l’entretoise. Aligner les languettes de
l’entretoise avec la fente au bas du châssis du moteur.
4. Lubrifier les composants en caoutchouc du joint rotatif (9) (eau
savonneuse), puis le glisser sur l’arbre avec l’anneau en carbone
vers le siège en céramique. MISE EN GARDE : Faire attention der
ne pas contaminer la surface du joint en carbone.
5. Remettre la turbine (4) en place ainsi que le capot avec les fixations.
Lubrifier et remplacer le joint torique.
6. Posez le corps de la pompe (2) en vous assurant que le joint torique
n’est pas endommagé et qu’il est bien en place.
7. Posez les bouchons de vidange et de remplissage.
8. Branchez la pompe à la source d’alimentation.
9. Amorcer la pompe. Se référer à la section Opération.
DÉPANNAGE
WARNING
AVERTISSEMENT
AVERTISSEMENT
Le moteur ne démarre pas :
1. Le manostat n’est pas alimenté à cause d’un fusible grillé, d’un
interrupteur ouvert ou d’une connexion desserrée.
2. Le manostat de la pompe n’est pas fermé.
La pompe ne donne pas d’eau :
1. La pompe n’est pas complètement amorcée.
2. Hauteur d’aspiration trop élevée.
3. Le clapet de pied n’est pas submergé, il est enfoncé dans la vase ou
obstrué.
La pompe perd son amorce :
1. La conduite d’aspiration présente une fuite d’air.
2. Le puits est trop profond.
3. Le clapet de pied est défectueux.
Le débit d’eau de la pompe est inférieur à sa capacité nominale :
1. La conduite d’aspiration ou d’évacuation présente une fuite d’air.
2. Le clapet de pied, la conduite d’aspiration, le rotor et/ou le bec sont
partiellement obstrués.
3. La hauteur d’aspiration est trop élevée.
4. La rotation du rotor est inadéquate ou trop lente.
5. Le venturi ou le diffuseur est obstrué.
6. Le moteur est câblé à la mauvaise tension.
7. Le moteur ne se désengage pas de l’enroulement de démarrage
(mauvais réglage de l’interrupteur du moteur).
La pompe démarre, mais s’arrête trop souvent :
1. La commande de volume d’air est défectueuse.
2. Le réservoir a une fuite d’air au-dessus du niveau de l’eau.
3. Le manostat est incorrectement réglé.
4) Le réservoir est noyé ou incorrectement chargé.
ESPAÑOL
ES
Esta hoja de instrucciones le proporciona la información requerida para
tener y operar de forma segura su producto. Guarde las instrucciones
para referencia futura.
El producto que ha adquirido se fabrica utilizando mano de obra y
materiales de la más alta calidad y ha sido diseñado para prestarle
un servicio duradero y confiable. Los productos son cuidadosamente
probados, inspeccionados y empacados para garantizarle una entrega
y operación seguras. Examine su unidad cuidadosamente para
asegurarse de que no haya ocurrido ningún daño durante el transporte.
Si se ha presentado algún daño, comuníquese con el lugar de compra.
Deberán darle asistencia para obtener la reparación o reemplazo, si se
requiere.
LEA ESTAS INSTRUCCIONES CUIDADOSAMENTE ANTES DE
INTENTAR INSTALAR, HACER FUNCIONAR O PRESTAR SERVICIO
TÉCNICO A SU PRODUCTO. CONOZCA CUÁLES SON LAS
APLICACIONES, LIMITACIONES Y PELIGROS POTENCIALES DE
LA UNIDAD. PROTEJA A TERCEROS Y PROTÉJASE A USTED
MISMO SIGUIENDO TODA LA INFORMACIÓN DE SEGURIDAD.
¡LA FALTA DE CUMPLIMIENTO DE ESTAS INSTRUCCIONES
PUEDE PRODUCIR LESIONES PERSONALES Y/O DAÑOS A LA
PROPIEDAD!
NORMAS DE SEGURIDAD
ADVERTENCIA
Durante la instalación, siga todas las normas eléctricas y de seguridad,
así como también las normas del Código eléctrico nacional (NEC, por
sus siglas en inglés) y la Ley de seguridad y salud ocupacional (OSHA,
por sus siglas en inglés) de los Estados Unidos.
AVISO - RIESGO DE DESCARGA ELÉCTRICA
Haga que un electricista le conecte la electricidad al motor.
Se recomienda se use un circuito protegido con interruptor por falla
a tierra (GFI) con cualqu ier dispositivo que se opere cerca del agua.
ADVERTENCIA: Este aparato no se destina para utilizarse por
personas (incluyendo niños) cuyas capacidades físicas, sensoriales o
mentales sean diferentes o estén reducidas, o carezcan de experiencia
o conocimiento, a menos que dichas personas reciban una supervisión
o capacitación para el funcionamiento del aparato por una persona
responsable de su seguridad. Los niños deben supervisarse para
asegurar que ellos no empleen los aparatos como juguete.
ADVERTENCIA: Si el cordón de alimentación es dañado, éste debe ser
reemplazado únicamente por personal calificado o el fabricante.
Vea en la Tabla 1 el tamaño de cable recomendado.
El motor debe estar conectado a tierra y la tapa del terminal debe estar
en su sitio para reducir el riesgo de una descarga eléctrica. Mantenga
el área de operación del motor tan seca como sea posible.Desconecte
siempre la electricidad antes de darle servicio. No se ha investigado su
uso en el área de albercas o piscinas.
INSTUCCIONES DE ADJUSTE DE VOLTAJE:
Para cambier el voltaje de la bomba de la configuracíon de fábrica de
230 voltios, un electricista calificado debería:
1. Desconecte la corriente a la bomba
2. Retire la tapa de la caja de terminales del motor
3. Deslice el interruptor de voltaje de 230 a 115 v, como se muestra
en la Figura 1
4. Vuelva a ensamblar la tapa caja de bornes.
APLICACIÓN
La bomba de chorro para pozo poco profundo es ideal para suministrar
agua fresca a hogares rurales, granjas y cabañas. Esta bomba es
adecuada para las instalaciones donde la distancia vertical desde la
bomba hasta el nivel del agua no es mayor de 25 pies (7.6 m), incluido
el descenso de nivel (menos a altitudes mayores).
En las instalaciones inclinadas, se deben tomar en cuenta las pérdidas
por fricción en la tubería de succión. (Consulte la tabla 2, Pérdidas por
fricción.)
INSTALACIÓN
ADVERTENCIA
Ubicación de la bomba: Instale la bomba en un lugar limpio, seco y
ventilado que proporcione suficiente espacio para hacer reparaciones
y para protegerla de las temperaturas de congelación. Se debe instalar
con pernos en una buena base (preferiblemente de cemento) y proveer
el drenaje adecuado. Ubicar la bomba tan cerca como sea posible a la
fuente de agua reducirá la fricción en la tubería de succión y garantizará
la obtención de sus capacidades máximas.
Tubería de succión: Sólo se debe usar tubería o manguera de 1-1/4 de
5

6
pulgada (32 mm), nueva y limpia. Si la bomba se instala a una distancia
considerable de la fuente de agua, la tubería de succión se debe
incrementar a 1-1/2 de pulgada (38 mm). Las longitudes horizontales de
tubería se deben inclinar gradualmente hacia arriba desde la fuente de
agua hacia la bomba para evitar bolsas de aire en la línea. Se debe usar
compuesto para roscas en todas las juntas de tubería y las conexiones
se deben apretar firmemente. Instale una válvula de aspiración y
revise su funcionamiento ya que una fuga impedirá el funcionamiento
adecuado del sistema. Asegúrese de que la válvula de aspiración esté
ubicada de tal forma que quede sumergida en todo momento. Si se usa
un pozo de “punta de arena” o “punta dirigida”, instale una válvula de
retención al lado de la succión de la bomba en lugar de la válvula de
aspiración (figura 5). Todas las instalaciones deben tener una válvula de
aspiración o una válvula de retención en la tubería de succión.
Acoples de la bomba al tanque: La tubería de descarga de la bomba
al tanque debe ser tan corta y directa como sea posible y debe ser
del mismo tamaño que la de la conexión roscada de la descarga de la
bomba. Nunca se debe instalar una válvula de retención entre la bomba
y el tanque.
Línea de servicio: Conecte la línea de servicio como se muestra en las
figuras 4 a 7. El tamaño de la línea de servicio depende completamente
de la cantidad de agua que se necesita y de la longitud de la tubería. La
tubería seleccionada debe ser lo suficientemente grande para que las
pérdidas por fricción (determinadas a partir de la tabla 2, Pérdidas por
fricción), nunca excedan un cabezal de 20 pies (6 m).
ADVERTENCIA: PRECAUCIONES ELÉCTRICAS
Todo el cableado, las conexiones eléctricas y la conexión a tierra del
sistema deben cumplir con el Código eléctrico nacional (NEC, por sus
siglas en inglés) y con todos los códigos y normas locales. Busque un
electricista certificado.
ADVERTENCIA: PELIGRO DE CHOQUE ELÉCTRICO
Cableado: Busque un electricista para hacer el cableado y conectar el
servicio eléctrico a la bomba.
El interruptor de presión se cablea al motor en la fábrica y el voltaje
para el cual está cableado el motor se indica por medio de una etiqueta
adhesiva en la parte trasera del motor. Asegúrese de que el motor esté
cableado para el mismo voltaje que tiene el suministro de energía.
Consulte las instrucciones para el cambio de voltaje en la placa de
identificación del motor o dentro de la tapa de terminales. Las líneas de
energía se deben conectar a los terminales del interruptor de presión
marcados L1 y L2 (figura 2). Se recomienda instalar un circuito aparte
desde el panel de distribución a la unidad de la bomba. Se debe usar
un circuito protegido por interruptor de circuito para fallas conectado
a tierra (GFCI, por sus siglas en inglés) para todos los dispositivos
eléctricos que funcionan cerca de agua. Instale un interruptor de
desconexión con fusible adecuado en la línea y asegúrese de que
el cableado esté correctamente dimensionado y bien aislado. Un
cable subdimensionado entre el motor y la fuente de energía limitará
negativamente las capacidades de arranque y de carga del motor.
En la tabla 1 se recomiendan los tamaños mínimos de cable para los
circuitos derivados del motor. Para mayor seguridad, haga la conexión
a tierra de la bomba y el motor en la funda del pozo (si es metálica) o
en la conexión a tierra del panel de distribución.
Calibrador de presión: Un metro de presión no es proporcionado por la
bomba. Debe instalarse en el orificio de 1/8" con rosca NPT delante del
casco donde el interruptor de presión es.
Control de volumen de aire: Si en el sistema de presión no se usa un
tanque “perma-pressure”, se debe usar un control de volumen de aire
para mantener una cámara de aire en el tanque a presión. Consulte las
instrucciones en el manual de propietario del tanque a presión.
Válvula de alivio de presión: Se recomienda usar una válvula de alivio
de alta presión en algún unto del sistema de agua. Asegúrese de que
su ubicación sea cerca de la descarga de la bomba, en un área con
drenaje adecuado. Asegúrese de dirigir la válvula de tal forma que
ningún flujo de agua pueda rociar hacia ningún dispositivo eléctrico.
FUNCIONAMIENTO
ADVERTENCIA
ADVERTENCIA: NO HAGA FUNCIONAR LA BOMBA ANTES DE
CEBARLA. EL SELLO Y EL IMPULSOR SE PUEDEN DAÑAR DE
FORMA PERMANENTE.
CEBADO
NOTA: Se necesitará suficiente agua para llenar la o las líneas de
succión y la funda. El tiempo de cebado (5 a 15 minutos) depende de
la distancia de la fuente de agua a la bomba.
CUANDO SE USE UNA VÁLVULA DE RETENCIÓN EN LÍNEA:
1. Abra la válvula de descarga de la línea de servicio y el grifo cercano
para monitorear el flujo de agua.
2. Vierta agua limpia a través de la abertura del tapón de cebado en la
parte superior de la funda hasta que el agua empiece a fluir por el
orificio del tapón de ventilación.
3. Instale el tapón de ventilación incluido y apriete holgadamente con
una llave.
4. Continúe llenando la bomba hasta que el agua fluya por el orificio
de cebado.
5. Instale el tapón de cebado incluido y apriete a mano.
6. Arranque la bomba. Si hay un grifo visible, podrá ver una corta
descarga de agua de 5 - 10 segundos de duración.
7. Haga funcionar la bomba durante dos minutos y luego apáguela.
Retire el tapón de ventilación y el tapón de cebado.
8. Usted ha completado el primer ciclo de cebado, consistente en los
pasos 2 a 7. Repita este proceso de 2 a 6 veces, dependiendo de
la longitud de su línea de succión [aproximadamente un ciclo de
cebado por cada 5 pies (1.5 m) de línea de succión]. Deténgase
cuando la bomba empiece a bombear agua continuamente.
9. Una vez que la bomba empiece a bombear agua continuamente, apriete
firmemente el tapón de ventilación y el tapón de cebado con una llave.
10. Si la bomba no extrae agua dentro de los siguientes 8 intentos,
apáguela y revise si hay fugas en la succión.
CUANDO SE USA UNA VÁLVULA DE ASPIRACIÓN:
1. Abra la válvula de descarga de la línea de servicio y el grifo cercano
para monitorear el flujo de agua.
2. Vierta agua limpia a través de la abertura del tapón de cebado en la
parte superior de la funda hasta que la línea de succión esté llena
y el agua empiece a fluir por el orificio del tapón de ventilación.
Necesitará aproximadamente 1 litro por cada 3 pies (0.91 m) de
línea de succión.
3. Siga los pasos 3 a 6 anteriores. Si el agua no se está bombeando
continuamente dentro de los siguientes dos minutos, detenga la
bomba. Retire el tapón de ventilación y el tapón de cebado. Repita
los pasos 2 a 6 anteriores. Si esto no funciona, detenga la bomba y
revise si hay fugas en la línea de succión.
4. Una vez que la bomba empiece a bombear agua continuamente,
apriete firmemente el tapón de ventilación y el tapón de cebado con
una llave.
DRENAJE: Drene la bomba y el tanque si cualquiera de los dos estará
sometido a temperaturas de congelamiento.
1. Corte la energía a la bomba en el panel eléctrico principal.
2. Abra un grifo del sistema de agua para aliviar la presión.
3. Retire los tapones de drenaje y de cebado de la bomba.
4. Retire el tapón de drenaje del tanque a presión (si lo tuviera).
Espere un tiempo suficiente para que el sistema drene antes de
volver a instalar los tapones.
MANTENIMIENTO
ADVERTENCIA
ADVERTENCIA – PELIGRO DE CHOQUE ELÉCTRICO. Antes de
realizar tareas de servicio técnico al equipo motorizado, corte la energía
del panel eléctrico principal y desconecte el suministro de energía del
motor y los accesorios. Use prácticas de trabajo seguras durante las
reparaciones del equipo.
LUBRICACIÓN: La bomba no requiere lubricación.
REEMPLAZO DEL SELLO MECÁNICO (figura 3):
CUIDADO: Sólo las personas debidamente calificadas deben realizar
mantenimiento a los dispositivos eléctricos y/o mecánicos.
Desensamblaje:
1. Corte la electricidad la bomba en el panel principal de servicio y

7
LPM
Taille nominale de la conduite • Tamaño nominal de
la tubería
20mm 25mm 32mm 40mm 50mm
15 1.1m 0.4m 0.1m 0.1m --
20 1.7m 0.5m 0.1m 0.1m --
25 2.4m 0.7m 0.2m 0.1m --
30 3.2m 1.0m 0.3m 0.1m --
35 4.1m 1.3m 0.3m 0.2m --
40 5.1m 1.6m 0.4m 0.2m --
45 6.2m 1.9m 0.5m 0.2m 0.1m
50 7.4m 2.3m 0.6m 0.3m 0.1m
55 8.7m 2.7m 0.7m 0.3m 0.1m
60 11.6m 3.6m 0.9m 0.4m 0.1m
65 14.8m 4.6m 1.2m 0.6m 0.2m
70 18.4m 5.7m 1.5m 0.7m 0.2m
75 22.4m 6.9m 1.8m 0.9m 0.3m
Chute de pression (en mètres) pour chaque 30,48 m (100 pi) de conduite
en plastique causée par la friction. Doubler pour conduite galvanisée.
Pérdida de cabezal (en metros) por cada 100 pies (30.48 m) de tubería
plástica debido a la fricción. Para tubería galvanizada, duplique la cifra.
GPM
(U.S.)
Nominal pipe size
3/4"1"1-1/4"1-1/2"2"
4 3.8' 1.2' 0.3' 0.1' --
5 5.7' 1.8' 0.5' 0.2' --
6 8.0' 2.5' 0.7' 0.3' --
7 10.6' 3.3' 0.9' 0.4' --
8 13.5' 4.2' 1.1' 0.5' --
9 16.8' 5.2' 1.4' 0.7' --
10 20.4' 6.3' 1.7' 0.8' 0.2'
11 24.4' 7.6' 2.0' 1.0' 0.3'
12 28.6' 8.9' 2.3' 1.1' 0.3'
14 38.0' 11.8' 3.1' 1.5' 0.4'
16 48.6' 15.1' 4.0' 1.9' 0.6'
18 60.5' 18.7' 4.9' 2.3' 0.7'
20 73.5' 22.8' 6.0' 2.8' 0.8'
Loss of head (in feet) for every 100 feet of plastic pipe due to friction.
Double the figure for galvanized pipe.
TABLE 2 • TABLEAU 2 • TABLA 2
FRICTION LOSS • PERTE PAR FRICTION • PÉRDIDAS POR FRICCIÓN
desconecte el suministro eléctrico al motor.
2. Abra un grifo en el sistema de agua para reducir la presión.
3. Retire los tapones de drenaje y de carga para que la bomba se drene.
4. Saque los pernos (1) y desmonte el casco de la bomba (2).
5. Retire los sujetadores de la cubierta del ventilador de la parte trasera
del motor u retire la cubierta de ventilador (3). PRECAUCIÓN: Tenga
cuidado de no dañar el ventilador del motor o la cubierta.
6. Retire la turbina (4) sujetando firmemente el ventilador del motor (5)
y girando la turbina en sentido de las manecillas del reloj.
7. Deslice sello rotativo (9) fuera del eje.
8. Saque los pernos de fijación del motor (6) y desmóntelo del
adaptador (7) golpeando levemente el extremo del eje del motor
con un mazo.
9. Retire la placa del adaptador y la junta tórica.
Ensamblaje:
1. Limpie todas las piezas minuciosamente antes de volver a
ensamblarlas.
PRECAUCIÓN: No utilice limpiadores a base de petróleo o
lubricantes.
PRECAUCIÓN: Tenga cuidado de no contaminar la cara de cierre
de cerámica.
2. Lubrique ligeramente (con agua jabonosa) la tapa de caucho en el
asiento de cerámica (8) e introdúzcalo en el adaptador (7) usando
sólo los dedos pulgares. Asegúrese que la superficie lisa del
asiento de cerámica quede hacia afuera.
PRECAUCIÓN: No utilice limpiadores a base de petróleo o
lubricantes.
PRECAUCIÓN: Tenga cuidado de no contaminar la cara de cierre
de cerámica.
NOTA: Si la bomba va a estar fuera de servicio por más de una
semana, instale los componentes del sello secos (sin lubricación).
3. Vuelva a ensamblar el motor (6) con el adaptador. Alinee las lengüetas
de la placa del adaptador con la ranura en la parte inferior de la carcasa
del motor.
4. Lubrique los componentes de goma del cierre rotatorio (9) (con
agua jabonosa) y deslícelo sobre el eje con el anillo de ‘carbono’
hacia el asiento de cerámica. PRECAUCIÓN: Tenga cuidado d e
no contaminar la cara de cierre de carbono.
5. Reemplace la turbina (4) y la cubierta con sujetadores. Lubrique y
sustituya la junta tórica.
6. Reinstale el casco de la bomba (2) asegurándose que el anillo “O”
de la junta no esté dañado y que quede en su lugar.
7. Reinstale los tapones de drenaje y de carga.
8. Reconecte la electricidad.
9. Cargue la bomba. Consulte la sección de Operación.
DETECCIÓN Y SOLUCIÓN DE PROBLEMAS
ADVERTENCIA
El motor no enciende:
1. No hay energía hacia el interruptor de presión debido a que los
fusibles están quemados, los interruptores están abiertos o las
conexiones están flojas.
2. El interruptor de presión de la bomba no está cerrado.
La bomba no suministra agua:
1. La bomba no está cebada completamente.
2. La altura de aspiración es demasiado grande.
3. La válvula de aspiración no está sumergida, está enterrada en el
lodo o está obstruida.
La bomba pierde el cebado:
1. Hay fugas de aire en la línea de succión.
2. El nivel del pozo baja demasiado.
3. Válvula de aspiración defectuosa.
La bomba suministra agua pero no a la capacidad estipulada:
1. Hay fugas en la línea de succión o de descarga.
2. La válvula de aspiración, la línea de succión, el impulsor o la
boquilla están parcialmente obstruidos.
3. La altura de aspiración es mayor que la recomendada.
4. Giro incorrecto del impulsor o velocidad baja.
5. El tubo venturi o el difusor están obstruidos.
6. El motor está cableado para el voltaje incorrecto.
7. El motor no se desconecta de las bobinas de arranque (ajuste
incorrecto del interruptor del motor).
La bomba arranca y se detiene con mucha frecuencia:
1. Control de volumen de aire defectuoso.
2. Hay fuga de aire en el tanque por encima del nivel de agua.
3. Ajuste incorrecto del interruptor de presión.
4. El tanque está inundado con agua o está cargado
incorrectamente.

8
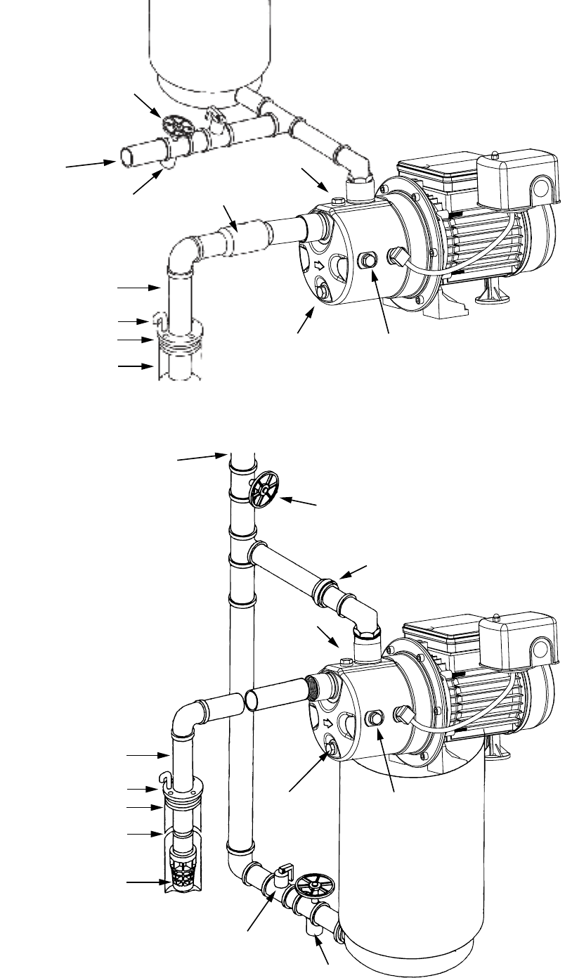
FIGURE 5 • FIGURE 5 • FIGURA 5
SHALLOW WELL - INLINE TANK (WITH FOOT VALVE) • PUITS PEU PROFOND, RÉSERVOIR EN LIGNE (AVEC CLAPET DE PIED) •
POZO POCO PROFUNDO, TANQUE EN LÍNEA (CON VÁLVULA DE ASPIRACIÓN)
FIGURE 4 • FIGURE 4 • FIGURA 4
SHALLOW WELL (WITH FOOT VALVE) • PUITS PEU PROFOND (AVEC CLAPET DE PIED) •
POZO POCO PROFUNDO (CON VÁLVULA DE ASPIRACIÓN)
Pressure gauge port (1/8" NPT)
Orice de manomètre (1/8 po NPT)
Oricio de manómetro (1/8 pulg con rosca NPT)
Well/Puits/Pozo
Well seal/Joint de puits/Sello para pozo
Vent pipe/Tuyau d’évent/Tubería de ventilación
Suction pipe/Conduite d’aspiration/Tubería de succión
Foot valve/Clapet de pied/Válvula de pie
Relief valve
Soulagement soupape
Válvula de alivio
Service line
Conduite de service
Línea de servicio
Drain
Drain
Drenaje
Tank
Réservoir
Tanque
Priming plug
Bouchon d’amorçage
Tapón de cebado
Drain plug
Bouchon de vidange
Tapón de drenaje
Drain plug
Bouchon de vidange
Tapón de drenaje
Relief valve
Soulagement soupape
Válvula de alivio
Service line
Conduite de service
Línea de servicio
Tank
Réservoir
Tanque
Priming plug
Bouchon d’amorçage
Tapón de cebado
Well/Puits/Pozo
Well seal/Joint de puits/Sello para pozo
Vent pipe/Tuyau d’évent/Tubería de ventilación
Suction pipe/Conduite d’aspiration/Tubería de succión
Foot valve/Clapet de pied/Válvula de pie
Pressure gauge port (1/8" NPT)
Orice de manomètre (1/8 po NPT)
Oricio de manómetro (1/8 pulg con rosca NPT)

9
Drain plug
Bouchon de vidange
Tapón de drenaje
Well/Puits/Pozo
Well seal/Joint de puits/Sello para pozo
Vent pipe/Tuyau d’évent/Tubería de ventilación
Suction pipe/Conduite d’aspiration/Tubería de succión
Relief valve
Soulagement soupape
Válvula de alivio
Service line
Conduite de service
Línea de servicio
Drain
Drain
Drenaje
Tank
Réservoir
Tanque
Priming plug
Bouchon d’amorçage
Tapón de cebado
Inline check valve
Soupape de retenue
Válvula de chequeo en línea
Pressure gauge port (1/8" NPT)
Orice de manomètre (1/8 po NPT)
Oricio de manómetro (1/8 pulg con rosca NPT)
FIGURE 6 • FIGURE 6 • FIGURA 6
SHALLOW WELL (WITH INLINE CHECK VALVE) • PUITS PEU PROFOND (AVEC CLAPET ANTI-RETOUR EN LIGNE) • POZO POCO PROFUNDO (CON
VÁLVULA DE RETENCIÓN EN LÍNEA)
Drain plug
Bouchon de vidange
Tapón de drenaje
Well/Puits/Pozo
Well seal/Joint de puits/Sello para pozo
Vent pipe/Tuyau d’évent/Tubería de ventilación
Suction pipe/Conduite d’aspiration/Tubería de succión
Foot valve/Clapet de pied/Válvula de pie
Relief valve
Soulagement soupape
Válvula de alivio
Service line
Conduite de service
Línea de servicio
Drain
Drain
Drenaje
Tank
Réservoir
Tanque
Priming plug
Bouchon d’amorçage
Tapón de cebado
Shuto valve
Soupape d'arrêt
Válvula de apagado
Union coupling (2 required)
Raccord union (il en faut 2)
Acoplamiento de empalme (se necesitan 2)
Pressure gauge port (1/8" NPT)
Orice de manomètre (1/8 po NPT)
Oricio de manómetro (1/8 pulg con rosca NPT)
FIGURE 7 • FIGURE 7 • FIGURA 7
SHALLOW WELL - TANK-MOUNTED SYSTEM (WITH FOOT VALVE) • PUITS PEU PROFOND, SYSTÈME DE RÉSERVOIR MONTÉ (AVEC CLAPET DE PIED) •
POZO POCO PROFUNDO, SISTEMA MONTADO EN TANQUE (CON VÁLVULA DE ASPIRACIÓN)

10
LIMITED WARRANTY
For warranty consideration, the Red Lion® brand (hereafter “the Brand”)
warrants that the products specified in this warranty are free from defects
in material or workmanship of the Brand. During the time periods and
subject to the terms and conditions hereinafter set forth, the Brand will
repair or replace to the original user or consumer any portion of this
product which proves defective due to materials or workmanship of the
Brand. At all times the Brand shall have and possess the sole right and
option to determine whether to repair or replace defective equipment,
parts, or components. The Brand has the option to inspect any product
returned under warranty to confirm that the warranty applies before
repair or replacement under warranty is approved. This warranty sets
forth the Brand’s sole obligation and purchaser’s exclusive remedy for
defective product. Return defective product to the place of purchase for
warranty consideration.
WARRANTY PERIOD - PRODUCTS: 24 months from date of purchase
by the user. (No warranty on brushes, impeller or cam on models
with brush-type motors and/or flex-vane impellers.) In the absence of
suitable proof of the purchase date, the effective period of this warranty
will begin on the product’s date of manufacture.
LABOR, ETC. COSTS: The Brand shall IN NO EVENT be responsible
or liable for the cost of field labor or other charges incurred by any
customer in removing and/or affixing any product, part or component
thereof.
PRODUCT IMPROVEMENTS: The Brand reserves the right to change
or improve its products or any portions thereof without being obligated
to provide such a change or improvement for units sold and/or shipped
prior to such change or improvement.
GENERAL TERMS AND CONDITIONS: This warranty shall not apply to
damage due to acts of God, normal wear and tear, normal maintenance
services and the parts used in connection with such service, lightning
or conditions beyond the control of the Brand, nor shall it apply to
products which, in the sole judgment of the Brand, have been subject
to negligence, abuse, accident, misapplication, tampering, alteration;
nor due to improper installation, operation, maintenance or storage; nor
to excess of recommended maximums as set forth in the instructions.
Warranty will be VOID if any of the following conditions are found:
1. Product is used for purposes other than for what it was designed
and manufactured
2. Product which is not installed in accordance with applicable codes,
ordinances and good trade practices
3. Product connected to voltage other than indicated on nameplate
4. Pump used to circulate anything other than fresh water at
approximately room temperature
5. Pump allowed to operate dry (fluid supply cut off)
6. Sealed motor housing opened or product dismantled by customer
7. Cord cut off to a length less than three feet
DISCLAIMER: Any oral statements about the product made by the
seller, the Brand, the representatives or any other parties, do not
constitute warranties, shall not be relied upon by the user, and are not
part of the contract for sale. Seller’s and the Brand’s only obligation,
and buyer’s only remedy, shall be the replacement and/or repair by
the Brand of the product as described above. NEITHER SELLER
NOR THE BRAND SHALL BE LIABLE FOR ANY INJURY, LOSS OR
DAMAGE, DIRECT, INCIDENTAL OR CONSEQUENTIAL (INCLUDING,
BUT NOT LIMITED TO, INCIDENTAL OR CONSEQUENTIAL DAMAGES
FOR LOST PROFITS, LOST SALES, INJURY TO PERSON OR
PROPERTY, OR ANY OTHER INCIDENTAL OR CONSEQUENTIAL
LOSS), ARISING OUT OF THE USE OR THE INABILITY TO USE
THE PRODUCT, AND THE USER AGREES THAT NO OTHER
REMEDY SHALL BE AVAILABLE TO IT. Before using, the user shall
determine the suitability of the product for his intended use, and user
assumes all risk and liability whatsoever in connection therewith.
3
456
7
8
910
11
13
12
14
3
2
1
Item
Article
Artículo
Description
Description
Descripción
Contents
Contenus
Contenidos
305589006 Pressure Switch Kit • Trousse d’interrupteur de pression
• Kit del interruptor de presión 1, 13, 14
305589005 Shaft Seal Kit • Trousse de Joint d’arbre • Kit de sello del eje 7
305589004 Impeller Kit • Trousse de turbine • Kit de impulsor 6
305589003 Overhaul Kit • Trousse de révision • Kit de revisión general 5, 6, 7
305589002 Hardware Kit • Trousse de quincaillerie
• Kit de tornillería 2, 3, 8
305589001 Case Seal Plate • Trousse de boîtier/plaque de joint d’étanchéité
• Kit de estuche/placa de sellado 4, 9
REPLACEMENT PARTS • PIÈCES DE RECHANGE • PIEZAS DE RECAMBIO
11
THE WARRANTY AND REMEDY DESCRIBED IN THIS LIMITED
WARRANTY IS AN EXCLUSIVE WARRANTY AND REMEDY AND IS
IN LIEU OF ANY OTHER WARRANTY OR REMEDY, EXPRESSED
OR IMPLIED, WHICH OTHER WARRANTIES AND REMEDIES
ARE HEREBY EXPRESSLY EXCLUDED, INCLUDING BUT NOT
LIMITED TO ANY IMPLIED WARRANTY OF MERCHANTABILITY OR
FITNESS FOR A PARTICULAR PURPOSE, TO THE EXTENT EITHER
APPLIES TO A PRODUCT SHALL BE LIMITED IN DURATION TO
THE PERIODS OF THE EXPRESSED WARRANTIES GIVEN ABOVE.
Some states and countries do not allow the exclusion or limitations
on how long an implied warranty lasts or the exclusion or limitation
of incidental or consequential damages, so the above exclusion or
limitations may not apply to you. This warranty gives you specific legal
rights, and you may also have other rights which vary from state to state
and country to country.
GARANTIE LIMITÉE
Lors des requêtes en garantie, la marque de Red Lion® (ci-après appelé
« la Marque ») garantit les produits spécifiés dans cette garantie contre
tout défaut de matériaux et de main-d’œuvre. Pendant les périodes
couvertes par la garantie et selon les conditions indiquées dans la
présente, la Marque réparera ou remplacera toute partie de ce produit
présentant une défaillance liée aux matériaux ou à la main-d’œuvre,
et ce uniquement auprès du premier utilisateur ou acheteur. En tout
temps, la Marque conserve le droit et l’option de déterminer si un
équipement, des pièces ou des composants défectueux doivent être
réparés ou remplacés. La Marque peut inspecter tout produit sous
garantie qui lui est retourné afin de confirmer que la garantie s’applique,
avant d’approuver la réparation ou le remplacement. Cette garantie
stipule l’unique obligation de la Marque et le recours exclusif de
l’acheteur pour un produit défectueux. Retourner le produit défectueux
au détaillant pour les requêtes en garantie.
PÉRIODE DE GARANTIE – PRODUITS : 24 mois à partir de la date
d’achat par l’utilisateur. (Aucune garantie n’est offerte pour les balais,
le rotor ou la came sur les modèles avec moteur à balais et/ou rotor
flexible à palettes.) En l’absence d’une preuve adéquate de la date
d’achat, la période d’application commencera à partir de la date de
fabrication.
COÛTS DE MAIN-D’ŒUVRE, ETC. : EN AUCUN CAS la Marque ne
pourra être tenue responsable du coût de la main-d’œuvre ou d’autres
frais encourus par un client lors de la dépose et/ou de la réparation d’un
produit, d’une partie ou d’un composant.
AMÉLIORATIONS DU PRODUIT : La Marque se réserve le droit de
modifier ou d’améliorer ses produits, ou une quelconque de leur partie,
sans obligation de fournir une telle modification ou amélioration aux
appareils déjà vendus et/ou expédiés avant que de telles modifications
ou améliorations n’aient été apportées.
CONDITIONS ET MODALITÉS GÉNÉRALES : Cette garantie ne
couvre pas les dommages causés par une catastrophe naturelle,
l’usure normale, la foudre ou des conditions hors du contrôle de la
Marque; et elle ne couvre pas non plus les services d’entretien normaux
et aux pièces usées associés à un tel service, ni les produits qui, selon
le jugement exclusif de la Marque, ont été exposés à la négligence,
l’abus, un accident, une application inappropriée, une altération,
une modification; ni aux dommages causés par une installation, une
utilisation, un entretien ou un entreposage inadéquat; ni à une utilisation
au-delà des maximums recommandés, comme il est indiqué dans les
instructions.
La garantie est NULLE si l’une des conditions suivantes s’applique:
1. Le produit est utilisé pour des applications autres que celles pour
lesquelles il a été conçu et fabriqué.
2. Le produit n’est pas installé dans le respect des codes et règlements
applicables et selon les bonnes pratiques acceptées dans l’industrie.
3. Le produit a été branché à une tension autre que celle indiquée sur
la plaque signalétique.
4. La pompe a été utilisée avec des liquides autres que de l’eau douce
approximativement à la température ambiante.
5. La pompe a fonctionné à sec (alimentation en liquide coupée).
6. Le carter moteur scellé a été ouvert ou le produit a été démonté par
le client.
7. Le cordon a été coupé à une longueur inférieure à 0,9 m (3 pieds).
AVIS DE NON-RESPONSABILITÉ : Toute déclaration verbale portant
sur le produit, faite par le vendeur, la Marque, les représentants ou toute
autre partie ne constitue pas une garantie et ne peut être considérée par
l’utilisateur comme faisant partie du contrat de vente. La seule obligation
du vendeur ou de la Marque et le seul recours de l’acheteur est le
remplacement et/ou la réparation du produit par la Marque, comme il est
décrit ci-dessus. LE VENDEUR OU LA MARQUE NE PEUT ÊTRE TENU
RESPONSABLE POUR TOUTE BLESSURE, PERTE OU DOMMAGE
DIRECT, INDIRECT OU CONSÉCUTIF (INCLUANT MAIS SANS S’Y
LIMITER LES DOMMAGES INDIRECTS OU CONSÉCUTIFS LIÉS À
UNE PERTE DE PROFITS, UNE PERTE DE VENTES, DES BLESSURES
OU DES DOMMAGES MATÉRIELS, OU TOUT AUTRE INCIDENT OU
PERTE CONSÉCUTIVE), RÉSULTANT DE L’UTILISATION OU DE
L’IMPOSSIBILITÉ D’UTILISER LE PRODUIT; DE PLUS, L’UTILISATEUR
ACCEPTE QU’AUCUN AUTRE RECOURS N’EST DISPONIBLE. Avant
de commencer à utiliser le produit, l’utilisateur doit déterminer si ce
produit est adapté à l’usage prévu; et l’utilisateur assume tous les
risques et toutes les responsabilités qui sont liés à cette utilisation. LA
GARANTIE ET LES MESURES CORRECTIVES DÉCRITES DANS LA
PRÉSENTE GARANTIE LIMITÉE CONSTITUENT UNE GARANTIE
ET DES MESURES CORRECTIVES EXCLUSIVES EN LIEU ET
PLACE DE TOUTE AUTRE GARANTIE ET MESURE CORRECTIVE,
EXPRESSE OU IMPLICITE; ET TOUTE AUTRE GARANTIE ET
MESURE CORRECTIVE EST EXPRESSÉMENT EXCLUE, INCLUANT,
MAIS SANS S’Y LIMITER, TOUTE GARANTIE IMPLICITE DE QUALITÉ
MARCHANDE OU D’ADAPTATION À UN USAGE PARTICULIER.
Certaines juridictions et certains pays interdisent les exclusions ou
les limitations de durée d’une garantie implicite ou l’exclusion ou
la limitation des dommages indirects ou consécutifs; les limitations
ou exclusions ci-dessus pourraient donc ne pas s’appliquer à votre
cas. Cette garantie vous donne des droits légaux spécifiques et vous
pourriez également jouir d’autres droits qui varient selon la juridiction
ou le pays.
GARANTÍA LIMITADA
Para consideraciones de la garantía, la marca de RedLion® (denominada
de ahora en adelante “la Marca”), garantiza que los productos
especificados en esta garantía están libres de defectos en los
materiales y en la mano de obra de la Marca. Durante el período, y
sujeto a los términos estipulados en este documento, la Marca reparará
o reemplazará al cliente o usuario original cualquier parte del producto
que presente defectos materiales o de fabricación atribuibles a la
Marca. En todo momento, la Marca tendrá y poseerá el único derecho
y opción de determinar si repara o reemplaza el equipo, piezas o
componentes defectuosos. La Marca tiene la opción de inspeccionar
cualquier producto devuelto bajo los términos de la garantía para
confirmar que esté cubierto por la garantía antes aprobar la reparación
o reemplazo según la garantía. Esta garantía constituye la única
obligación de la Marca y es el único recurso que tiene el cliente si el
producto tiene defectos. Devuelva el producto defectuoso al sitio de
compra para que sea considerado bajo la garantía.
DURACIÓN DE LA GARANTÍA – PRODUCTOS: 24 meses a partir
de la fecha de compra por el cliente. (Los cepillos, el impulsor o la
leva en los modelos con motor de cepillo y/o los impulsores de aletas
flexibles no están cubiertos por la garantía.) En caso de que no exista
un comprobante adecuado de la fecha de compra, el período efectivo
de esta garantía comenzará a partir de la fecha de fabricación del
producto.
MANO DE OBRA Y OTROS COSTOS: La Marca DE NINGUNA
MANERA será responsable por el costo de la mano de obra en el
campo u otros cargos en que incurra cualquier cliente al retirar y/o
instalar algún producto, pieza o componente.
MEJORAS AL PRODUCTO: La Marca se reserva el derecho de
cambiar o mejorar sus productos, o cualquier parte de los mismos, sin
que por ello tenga la obligación de realizar dicho cambio o mejora en
las unidades vendidas y/o despachadas con anterioridad.
TÉRMINOS Y CONDICIONES GENERALES: Esta garantía no tiene
efecto si los daños se deben a fuerza mayor, desgaste por uso normal,
servicios de mantenimiento normal y la piezas utilizadas para dicho
servicio, rayos o condiciones que estén fuera del alcance de la Marca,
como tampoco tendrá vigencia en aquellos productos que, a criterio
exclusivo de la Marca, hayan sido sujetos a negligencia, maltrato,

998106 - 08/2015 Rev. 003
For technical assistance, parts, or repair,
please contact .....................................1.888.956.0000
Pour l’aide technique, des parties ou la réparation,
entrez s’il vous plaît en contact .......................1.888.956.0000
Para la ayuda técnica, partes o la reparación,
por favor póngase en contacto .......................1.888.956.0000
www.RedLionProducts.com
accidente, mal uso, manipulación indebida, alteración o instalación,
funcionamiento, mantenimiento o almacenamiento indebidos, o si se
sobrepasan los valores máximos recomendados, estipulados en estas
instrucciones.
Esta garantía quedará ANULADA si se hallan cualesquiera de las
siguientes condiciones:
1. El producto se utiliza para propósitos distintos a aquellos para los
cuales fue diseñado y fabricado
2. El producto no fue instalado de conformidad con las normas,
reglamentos y prácticas comerciales aceptadas
3. El producto se conecta a un voltaje distinto al que se indica en la
placa de identificación
4. La bomba se utilizó con fluidos distintos al agua dulce a temperatura
ambiente aproximadamente
5. La bomba funcionó sin líquido (se cortó el suministro de líquido)
6. El cliente abrió el alojamiento sellado del motor o desarmó el
producto
7. El cable se cortó a un largo menor que 0,9 m (3 pies)
EXENCIÓN DE RESPONSABILIDAD: Toda afirmación verbal
con respecto al producto, por parte del vendedor, la Marca, los
representantes o cualquier otra parte, no constituye garantía alguna,
no debe ser considerada como tal por el usuario y no forma parte
del contrato de venta. La única obligación del vendedor y la Marca,
y el único recurso del comprador, será el reemplazo y/o reparación
que hará la Marca del producto, tal como se describió anteriormente.
NI EL VENDEDOR NI LA MARCA SERÁN RESPONSABLES POR
CUALQUIER LESIÓN, PÉRDIDA O DAÑO DIRECTO, INCIDENTAL
O INDIRECTO (LO QUE INCLUYE, SIN LIMITACIÓN, DAÑOS
INCIDENTALES O INDIRECTOS POR PÉRDIDA DE GANANCIAS, DE
VENTAS, LESIONES PERSONALES O MATERIALES, O CUALQUIER
OTRO DAÑO INCIDENTAL O INDIRECTO) QUE RESULTARA DEL USO
O INCAPACIDAD DE USAR EL PRODUCTO, Y EL USUARIO ACUERDA
QUE NO HAY NINGÚN OTRO RECURSO. Antes de usarlo, el usuario
deberá determinar la idoneidad del producto para el uso propuesto y
asumirá todos los riesgos y toda la responsabilidad que ello implique.
LA GARANTÍA Y RECURSO DESCRITOS EN ESTA GARANTÍA
LIMITADA REPRESENTAN UNA GARANTÍA Y RECURSO
EXCLUSIVOS Y SE OFRECEN EN LUGAR DE CUALQUIER OTRA
GARANTÍA O RECURSO, EXPLÍCITO O IMPLÍCITO. POR EL
PRESENTE, SE EXCLUYEN EXPLÍCITAMENTE OTRAS GARANTÍAS
Y RECURSOS, INCLUSO, PERO SIN LIMITARSE A CUALQUIER
GARANTÍA IMPLÍCITA DE COMERCIALIZACIÓN O IDONEIDAD
PARA UN PROPÓSITO ESPECÍFICO. EN LA MEDIDA EN QUE
CORRESPONDA A UN PRODUCTO, LA GARANTÍA ESTARÁ
LIMITADA EN DURACIÓN A LOS PERÍODOS DE LAS GARANTÍAS
EXPRESAS DESCRITAS ANTERIORMENTE. Algunos estados y
países no permiten la exclusión o las limitaciones sobre la duración de
las garantías implícitas ni la exclusión o limitación de responsabilidades
por daños incidentales o indirectos, por lo que puede que las
exclusiones o limitaciones anteriores no correspondan en su caso
particular. Esta garantía le otorga a usted derechos legales específicos
y es posible que usted también tenga otros derechos que varían según
el estado o país.
EXCLUSIVO PARA MÉXICO
El usuario puede hacer válida la garantía directamente con el
representante donde fue adquirido el producto. Para compras en
México, puede contactar al importador Motores Franklin S.A. de C.V.
En cualquier caso, deberá presentar el producto acompañado de la
factura de compra o la presente póliza de garantía.
EXCLUSIVO PARA MÉXICO
Para poder acceder a componentes, consumibles y accesorios, el
usuario puede acudir directamente con el representante donde fue
adquirido el producto. Para compras en México, puede contactar al
importador Motores Franklin S.A. de C.V.
Av. Churubusco 1600 B16
Monterrey, NL
CP 64560 MÉXICO
Tel. 81 8000 1000