63874 1 Generac QT08046GNAX Brochure
63864 1 Generac Qt08046Anax Brochure 63864_1_Generac QT08046ANAX Brochure
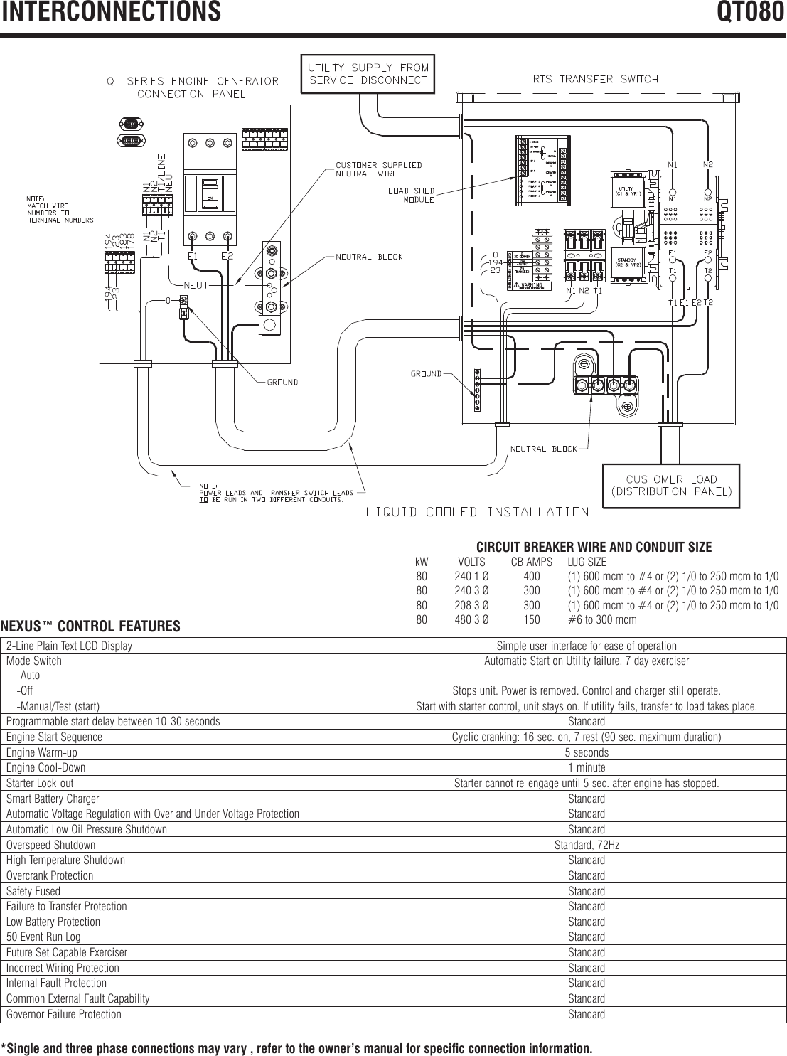
: Pump 63874 1 Generac Qt08046Gnax Brochure 63874_1_Generac QT08046GNAX Brochure pdf
Open the PDF directly: View PDF
.
Page Count: 5





: Pump 63874 1 Generac Qt08046Gnax Brochure 63874_1_Generac QT08046GNAX Brochure pdf
Open the PDF directly: View PDF
.
Page Count: 5




