6847 2 Generac 5875 Install Manual
13368 2 Generac 5872 Install Manual 13368_2_Generac 5872 Install Manual 13368_2_Generac 5872 Install Manual pdf pumpproducts
13400 2 Generac 5871 Install Manual 13400_2_Generac 5871 Install Manual 13400_2_Generac 5871 Install Manual pdf pumpproducts
13362 2 Generac 6052 Install Manual 13362_2_Generac 6052 Install Manual 13362_2_Generac 6052 Install Manual pdf pumpproducts
13399 2 Generac 6051 Install Manual 13399_2_Generac 6051 Install Manual 13399_2_Generac 6051 Install Manual pdf pumpproducts
13365 2 Generac 5873 Install Manual 13365_2_Generac 5873 Install Manual 13365_2_Generac 5873 Install Manual pdf pumpproducts
: Pump 6847 2 Generac 5875 Install Manual 6847_2_Generac 5875 Install Manual pdf
Open the PDF directly: View PDF
.
Page Count: 100
- INSTALLATION GUIDELINES
- TABLE OF CONTENTS
- INTRODUCTION
- SAFETY RULES
- General Information
- APPENDIX A – EZ SWITCH INSTALLATION &OPERATIONAL TESTING
- APPENDIX B – RTSX AND RTSD TRANSFER SWITCH INSTALLATION & OPERATIONAL TESTING
- APPENDIX C – DIGITAL LOAD MANAGEMENT (DLM)
- APPENDIX D – DIGITAL LOAD MANAGEMENT (DLM) MODULES
- APPENDIX E - SETTING THE AUTOMATIC EXERCISE FUNCTION
- Electrical Data
- Part No. 0H8538 Revision G (03/24/11) Printed in U.S.A.
- GUÍAS DE INSTALACIÓN
- INDICE
- INTRODUCCIÓN
- REGLAS DE SEGURIDAD
- Información General
- APÉNDICE A - INSTALACIÓN DEL INTERRUPTOREZ Y PRUEBAS DE OPERACIÓN
- APÉNDICE B - INTERRUPTOR DE TRANSFERENCIARTSX Y RTSD PRUEBA DE INSTALACIÓNY OPERACIÓN
- APÉNDICE C - ADMINISTRACIÓN DE CARGA DIGITAL (DIGITAL LOAD MANAGMENT DLM)
- APÉNDICE D - MÓDULOS DE ADMINISTRACIÓNDE CARGA DIGITAL (DIGITAL LOAD MANAGMENT DLM)
- APÉNDICE E - FIJANDO LA FUNCIÓN DE EJERCICIO AUTOMÁTICO
- Parte No. 0H8538 Revisión G (24/03/11) Impreso en los EE.UU.
- CONSIGNES D’INSTALLATION
- TABLE DES MATIÈRES
- INTRODUCTION
- RÈGLES DE SÉCURITÉ
- Informations générales
- ANNEXE A - INSTALLATION ET TEST OPÉRATIONNEL DU COMMUTATEUR EZ
- ANNEXE B - INSTALLATION ET TEST OPÉRATIONNEL DU COMMUTATEUR DE TRANSFERT RTSX ET RTSD
- ANNEXE C – GESTION NUMÉRIQUE DE LA CHARGE (DLM)
- ANNEXE D - MODULES DE GESTION NUMÉRIQUE DE LA CHARGE (DLM)
- ANNEXE E - DÉFINITION DE LA FONCTION DE PROGRAMME DE TEST AUTOMATIQUE
- Référence 0H8538 Révision G (24/03/11) Imprimé aux États-Unis

INSTALLATION
GUIDELINES
Air-cooled Generators
www.generac.com or 1-888-GENERAC

TABLE OF CONTENTS
Introduction .........................................................Inside Front Cover
Read this Manual Thoroughly ..............................................IFC
Contents ................................................................................1
Operation and Maintenance ....................................................1
How to Obtain Service ............................................................1
Safety Rules ...................................................................................1
Standards Index .....................................................................2
Unpacking/Inspection .....................................................................3
NEC Requirement ...........................................................................3
Before You Begin ............................................................................3
Site Preparation and Generator Placement ......................................4
Coverting to LP Vapor ....................................................................5
Installing & Connecting Gas Lines ..................................................6
External Electrical Connections .......................................................7
Generator Activation .......................................................................8
Activation Chart .....................................................................9
Generator Connections - EZ Switch ................................................8
Appendix A - EZ Switch Installation & Operational Testing ..............11
Battery Installation................................................................13
Operational Testing ...............................................................13
Appendix B - RTSX and RTSD Transfer Switch
Installation & Operational Testing ...............................................15
Selected Circuit Coverage .....................................................16
Whole-house Circuit Coverage .............................................16
Electrical Connections ..........................................................17
Operational Testing ...............................................................17
Appendix C - Digital Load Managment (DLM) ...............................20
Appendix D - Digital Load Managment (DLM) Modules .................20
Connecting Load Shed Module (LSM) Connections ...............20
Functional Tests and Adjustments .........................................22
Appendix E - Setting the Automatic Exercise Function ...................22
Electrical Data ..............................................................................23
GUÍAS DE INSTALACIÓN ..............................39
CONSIGNES D’INSTALLATION ......................63
INTRODUCTION
Thank you for purchasing this compact, high performance, air-cooled,
engine-driven generator. It is designed to automatically supply electrical
power to operate critical loads during a utility power failure.
This unit is factory installed in an all-weather, metal enclosure that is
intended exclusively for outdoor installation. This generator will operate
using either vapor withdrawn liquid propane (LP) or natural gas (NG).
NOTE:
This generator is suitable for supplying typical resi-
dential loads such as Induction Motors (sump pumps,
refrigerators, air conditioners, furnaces, etc.), Electronic
Components (computer, monitor, TV, etc.), Lighting Loads
and Microwaves.
READ THIS MANUAL THOROUGHLY
If any portion of this manual is not understood, contact the nearest Dealer
for starting, operating and servicing procedures.
Throughout this publication, and on tags and decals affixed to the
generator, DANGER, WARNING, CAUTION and NOTE blocks are used to
alert personnel to special instructions about a particular operation that
may be hazardous if performed incorrectly or carelessly. Observe them
carefully. Their definitions are as follows:
INDICATES A HAZARDOUS SITUATION OR ACTION WHICH, IF
NOT AVOIDED, WILL RESULT IN DEATH OR SERIOUS INJURY.
Indicates a hazardous situation or action which, if not
avoided, could result in death or serious injury.
Indicates a hazardous situation or action which, if not
avoided, could result in minor or moderate injury.
NOTE:
Notes contain additional information important to a proce-
dure and will be found within the regular text body of this
manual.
These safety warnings cannot eliminate the hazards that they indicate.
Common sense and strict compliance with the special instructions while
performing the action or service are essential to preventing accidents.
Four commonly used safety symbols accompany the DANGER,
WARNING and CAUTION blocks. The type of information each indicates
is as follows:
This symbol points out important safety information that,
if not followed, could endanger personal safety and/or
property of others.
This symbol points out potential explosion hazard.
This symbol points out potential fire hazard.
Table of Contents

1
This symbol points out potential electrical shock hazard.
The operator is responsible for proper and safe use of the
equipment. The manufacturer strongly recommends that the
operator read this Owner’s Manual and thoroughly understand all
instructions before using this equipment. The manufacturer also
strongly recommends instructing other users to properly start and
operate the unit. This prepares them if they need to operate the
equipment in an emergency.
CONTENTS
This manual contains pertinent owner’s information for these
models:
• 7 kW NG, 8 kW LP, single-cylinder GH-410 Engine
• 9 kW NG, 10 kW LP, V-twin GT-530 Engine
• 13 kW NG, 13 kW LP, V-twin GT-990 Engine
• 13 kW NG, 14 kW LP, V-twin GT-990 Engine
• 16 kW NG, 16 kW LP, V-twin GT-990 Engine
• 16 kW NG, 17 kW LP, V-twin GT-990 Engine
• 18 kW NG, 20 kW LP, V-twin GT-999 Engine
OPERATION AND MAINTENANCE
It is the operator’s responsibility to perform all safety checks, to
make sure that all maintenance for safe operation is performed
promptly, and to have the equipment checked periodically by a
Dealer. Normal maintenance service and replacement of parts
are the responsibility of the owner/operator and, as such, are not
considered defects in materials or workmanship within the terms
of the warranty. Individual operating habits and usage contribute to
the need for maintenance service.
Proper maintenance and care of the generator ensures a minimum
number of problems and keep operating expenses at a minimum.
See a Dealer for service aids and accessories.
HOW TO OBTAIN SERVICE
When the generator requires servicing or repairs, contact a Dealer
for assistance. Service technicians are factory-trained and are
capable of handling all service needs. For assistance locating a
dealer, call 1-888-436-3722.
When contacting a Dealer about parts and service, always supply
the complete model number and serial number of the unit as given
on its data decal, which is located on the generator. See section
“The Generator” for decal location.
Model No.__________________ Serial No. ______________
SAFETY RULES
Save These Instructions – The manufacturer
suggests that these rules for safe operation be
copied and posted near the unit’s installation
site. Safety should be stressed to all operators
and potential operators of this equipment.
Study these SAFETY RULES carefully before installing, operating
or servicing this equipment. Become familiar with this Owner’s
Manual and with the unit. The generator can operate safely,
efficiently and reliably only if it is properly installed, operated and
maintained. Many accidents are caused by failing to follow simple
and fundamental rules or precautions.
The manufacturer cannot anticipate every possible circumstance
that might involve a hazard. The warnings in this manual, and on
tags and decals affixed to the unit are, therefore, not all-inclusive.
If using a procedure, work method or operating technique the
manufacturer does not specifically recommend, ensure that it is
safe for others. Also make sure the procedure, work method or
operating technique utilized does not render the generator unsafe.
Despite the safe design of this generator,
operating this equipment imprudently, neglect-
ing its maintenance or being careless can
cause
possible injury or death. Permit only responsi-
ble and capable persons to install, operate and
maintain this equipment.
Potentially lethal voltages are generated by
these machines. Ensure all steps are taken to
render the machine safe before attempting to
work on the generator.
Parts of the generator are rotating and/or hot
during operation. Exercise care near running
generators.
Installation must always comply with applicable
codes, standards, laws and regulations.
A running generator gives off carbon monoxide,
and odorless, colorless poison gas. Breathing
in carbon monoxide can cause headaches,
fatigue, diziness, nausea, vomitting, confusion,
fainting, siezures or death.
CALIFORNIA PROPOSITION 65 WARNING
Engine exhaust and some of its constituents are known
to the State of California to cause cancer, birth defects
and other reproductive harm.
CALIFORNIA PROPOSITION 65 WARNING
This product contains or emits chemicals known to the
State of California to cause cancer, birth defects and
other reproductive harm.
Safety Rules

2
GENERAL HAZARDS
• For safety reasons, the manufacturer recommends that this equipment be
installed, serviced and repaired by a Service Dealer or other competent,
qualified electrician or installation technician who is familiar with applicable
codes, standards and regulations. The operator also must comply with all
such codes, standards and regulations.
• The engine exhaust fumes contain carbon monoxide, which can be
DEADLY. This dangerous gas, if breathed in sufficient concentrations,
can cause unconsciousness or even death. Do NOT alter or add to the
exhaust system or do anything that might render the system unsafe or
in noncompliance with applicable codes and standards.
• Install a battery operated carbon monoxide alarm indoors, according to
manufacturer’s instructions/recommendations.
• Adequate, unobstructed flow of cooling and ventilating air is critical to
correct generator operation. Do not alter the installation or permit even
partial blockage of ventilation provisions, as this can seriously affect
safe operation of the generator. The generator MUST be installed and
operated outdoors only.
• Keep hands, feet, clothing, etc., away from drive belts, fans, and other
moving or hot parts. Never remove any drive belt or fan guard while
the unit is operating.
• When working on this equipment, remain alert at all times. Never work
on the equipment when physically or mentally fatigued.
• Inspect the generator regularly, and contact the nearest Dealer for
parts needing repair or replacement.
• Before performing any maintenance on the generator, disconnect its
battery cables to prevent accidental start up. Disconnect the cable
from the battery post indicated by a NEGATIVE, NEG or (–) first, then
remove the POSITIVE, POS or (+) cable. When reconnecting the
cables, connect the POSITIVE cable first, the NEGATIVE cable last.
• Never use the generator or any of its parts as a step. Stepping on the
unit can stress and break parts, and may result in dangerous operating
conditions from leaking exhaust gases, fuel leakage, oil leakage, etc.
ELECTRICAL HAZARDS
• All generators covered by this manual produce dangerous electrical
voltages and can cause fatal electrical shock. Utility power delivers
extremely high and dangerous voltages to the transfer switch as does
the standby generator when it is in operation. Avoid contact with bare
wires, terminals, connections, etc., while the unit is running. Ensure
all appropriate covers, guards and barriers are in place, secured and/
or locked before operating the generator. If work must be done around
an operating unit, stand on an insulated, dry surface to reduce shock
hazard.
• Do not handle any kind of electrical device while standing in water,
while barefoot, or while hands or feet are wet. DANGEROUS
ELECTRICAL SHOCK MAY RESULT.
• The National Electrical Code (NEC) requires the frame and external
electrically conductive parts of the generator to be connected to an
approved earth ground. Local electrical codes also may require proper
grounding of the generator electrical system.
• After installing this home standby electrical system, the generator may
crank and start at any time without warning. When this occurs, load
circuits are transferred to the STANDBY (generator) power source. To
prevent possible injury if such a start and transfer occur, always set
the generator’s AUTO/OFF/MANUAL switch to its OFF position before
working on equipment and remove the 15A fuse from the generator
control panel.
• In case of accident caused by electric shock, immediately shut down
the source of electrical power. If this is not possible, attempt to free
the victim from the live conductor. AVOID DIRECT CONTACT WITH THE
VICTIM. Use a nonconducting implement, such as a dry rope or board,
to free the victim from the live conductor. If the victim is unconscious,
apply first aid and get immediate medical help.
• Never wear jewelry when working on this equipment. Jewelry can
conduct electricity resulting in electric shock, or may get caught in
moving components causing injury.
FIRE HAZARDS
• For fire safety, the generator must be installed and maintained
properly. Installation must always comply with applicable codes,
standards, laws and regulations. Adhere strictly to local, state
and national electrical and building codes. Comply with regulations
the Occupational Safety and Health Administration (OSHA) has
established. Also, ensure that the generator is installed in accordance
with the manufacturer’s instructions and recommendations. Following
proper installation, do nothing that might alter a safe installation and
render the unit in noncompliance with the aforementioned codes,
standards, laws and regulations.
• Keep a fire extinguisher near the generator at all times. Extinguishers
rated “ABC” by the National Fire Protection Association are appropriate
for use on the standby electric system. Keep the extinguisher properly
charged and be familiar with its use. Consult the local fire department
with any questions pertaining to fire extinguishers.
EXPLOSION HAZARDS
• Do not smoke around the generator. Wipe up any fuel or oil spills
immediately. Ensure that no combustible materials are left in the
generator compartment, or on or near the generator, as FIRE or
EXPLOSION may result. Keep the area surrounding the generator clean
and free from debris.
• Gaseous fluids such as natural gas and liquid propane (LP) gas are
extremely EXPLOSIVE. Install the fuel supply system according to
applicable fuel-gas codes. Before placing the home standby electric
system into service, fuel system lines must be properly purged and
leak tested according to applicable code. After installation, inspect the
fuel system periodically for leaks. No leakage is permitted.
STANDARDS INDEX
In the absence of pertinent standards, codes, regulations and laws, the
published information listed below may be used as installation guide for
this equipment.
1. NFPA No. 37, STATIONARY COMBUSTION ENGINES AND GAS
TURBINES, available from the National Fire Protection Association,
470 Atlantic Avenue, Boston, MA 02210.
2. NFPA No. 76A, ESSENTIAL ELECTRICAL SYSTEMS FOR HEALTH
CARE FACILITIES, available same as Item 1.
3. NFPA No. 54, NATIONAL FUEL GAS CODE, available same as Item 1.
4. NFPA No. 58, AMERICAN NATIONAL STANDARD FOR STORAGE
AND HANDLING OF LIQUEFIED PETROLEUM GAS, available same as
Item 1.
5. NFPA No. 70, NFPA HANDBOOK OF NATIONAL ELECTRIC CODE,
available same as Item 1.
6. Article X, NATIONAL BUILDING CODE, available from the American
Insurance Association, 85 John Street, New York, N.Y. 10038.
Safety Rules

3
7. AGRICULTURAL WIRING HANDBOOK, available from the Food and
Energy Council, 909 University Avenue, Columbia, MO 65201.
8. ASAE EP-3634, INSTALLATION AND MAINTENANCE OF FARM
STANDBY ELECTRICAL SYSTEMS, available from the American
Society of Agricultural Engineers, 2950 Niles Road, St. Joseph, MI
49085.
9. NFPA No. 30, FLAMMABLE AND COMBUSTIBLE LIQUIDS CODE,
available same as Item 1.
Only qualified electricians or contractors should
attempt such installations, which must comply
strictly with applicable codes, standards and
regulations.
UNPACKING/INSPECTION
After unpacking, carefully inspect the contents for damage.
• This standby generator set is ready for installation with a factory
supplied and pre-mounted base pad and has a weather protective
enclosure that is intended for outdoor installation only.
• This UL listed standby generator set may be packaged with an
automatic transfer switch with built in load center. The combination
transfer switch and load center is pre-wired with a two foot and 30
foot conduit. Circuit breakers for emergency circuit connections are
included (if equipped).
• This UL listed, 2-pole switch is rated at 100 or 200 AC amperes at
250 volts maximum. The 100 Amp transfer switch is for indoor use
only. The 200 Amp transfer switch is for indoor/outdoor use (if
equipped).
If this generator is used to power electrical load
circuits normally powered by a utility power
source, it is required by code to install a transfer
switch. The transfer switch must effectively isolate
the electrical system from the utility distribution
system when the generator is operating (NEC 700,
701 & 702). Failure to isolate an electrical system
by such means will result in damage to the gen-
erator and also may result in injury or death to
utility power workers due to backfeed of electrical
energy.
If any loss or damage is noted at time of delivery, have the person(s)
making the delivery note all damage on the freight bill or affix their
signature under the consignor’s memo of loss or damage.
If a loss or damage is noted after delivery, separate the damaged
materials and contact the carrier for claim procedures.
“Concealed damage” is understood to mean damage to the contents of a
package that is not in evidence at the time of delivery, but is discovered
later.
To properly open the roof, press down on the center top lip and release
the latch. If pressure is not applied from the top, the roof may appear
stuck. Always verify that the side lock is unlocked before attempting to lift
the roof.
NEC REQUIREMENTS
Local code enforcement may require that AFCI’s be incorporated
into the transfer switch distribution panel. The Transfer Switch
provided with this generator has a distribution panel that will
accept AFCI’s.
Siemens Part No. Q115AF - 15A or Q120AF - 20A can be
obtained from a local electrical wholesaler and will simply replace
any of the single pole circuit breakers supplied in the Transfer
Switch distribution panel.
BEFORE YOU BEGIN
Contact the local inspector or City Hall to be aware of all federal,
state and local codes that could impact the installation. Secure all
required permits before starting the job.
Carefully read and follow all of the procedures and safety
precautions detailed in the installation guide. If any portion of the
installation manual, technical manual or other factory-supplied
documents is not completely understood, contact a dealer for
assistance.
Fully comply with all relevant NEC, NFPA and OSHA standards
as well as all federal, state and local building and electric codes.
As with any generator, this unit must be installed in accordance
with current NFPA 37 and NFPA 70 standards as well as any other
federal, state, and local codes for minimum distances from other
structures.
General Information

4
SITE PREPARATION AND GENERATOR
PLACEMENT
1. Locate the mounting area as close as possible to the transfer
switch and fuel supply.
Leave adequate room around the area for service access
(check local code), and place high enough to keep rising
water from reaching the generator.
Choose an open space that will provide adequate and
unobstructed airflow (see the “Location” section in the
Owner’s Manual).
2. Place the unit so air vents won’t become clogged with leaves,
grass, snow or debris. Make sure exhaust fumes will not enter
the building through eaves, windows, ventilation fans or other
air intakes.
Dig a rectangular area approximately five inches deep and
about six inches longer and wider than the footprint of the
generator. Cover with polyurethane film and fill with pea gravel
or crushed stone. Compact and level the stone. A concrete
pad can be poured if desired.
3. Inspect the generator for shipping damage and if necessary,
file a claim with the shipper.
Remove the bands holding the generator to the wooden pallet.
4. Make sure the lifting equipment to be used has sufficient
capacity to safely handle the weight of the generator.
Use nylon lifting straps and connect them to the lifting eyes
on each corner of the base frame to avoid damaging the
enclosure.
5. Set the generator onto the pad so that the gravel bed extends
several inches beyond the generator on all sides.
Make sure the generator is level within ½ inch.
6. Connect an approved ground strap to the grounding lug on the
base frame and to an approved earth ground or grounding rod
as specified by local regulations.
General Information

5
7. Check the engine oil and, if necessary, add enough of the
recommended oil to bring the level up to the FULL mark on
the dipstick. Be careful not to overfill the crankcase.
CONVERTING TO LP VAPOR
1. The generator was configured for natural gas operation at the
factory. Switching over to LP Vapor is a simple procedure.
On models with a single cylinder engine, begin by
disconnecting and removing the battery if installed.
2. Take the plastic T-handle fuel selector in the poly bag supplied
with the generator and locate the selector tab on the air box
cover. Insert the pin end into the hole in the selector tab
and pull outward to overcome spring pressure. Then twist
clockwise 90 degrees and allow the selector to return in once
aligned with the LP position.
3. On 10 kW units, open the roof, loosen the forward clamp
on the air inlet hose, and slide the hose away from the hose
fitting.
4. Slide the fuel selector pin on the carburetor out towards the
back of the enclosure.
5. Replace the inlet hose and tighten the clamp securely.
6. On all other models, simply remove the air cleaner cover and
slide the fuel selector pin outward from the natural gas to the
LP position.
General Information

6
INSTALLING & CONNECTING GAS LINES
1. Both natural gas and LP Vapor are highly volatile substances,
so strict adherence to all safety procedures, codes, standards
and regulations is essential.
Gas line connections should be made by a certified plumber
familiar with local codes. Always use AGA-approved gas pipe
and a quality pipe sealant or joint compound.
Verify the capacity of the natural gas meter or the LP tank in
regards to providing sufficient fuel for both the generator and
other operating appliances.
2. Most applications will require an external manual shutoff valve
on the fuel line.
3. Where the gas line is to enter the generator, install a T-fitting
to allow for gas pressure monitoring. On one opening of the
fitting install a ¼” NPT nipple and threaded plug. In some
cases a sediment trap may also be installed.
4. When connecting the gas line to the generator, use the
provided section of UL Listed or AGA-approved flexible fuel
line in accordance with local regulations. The purpose of the
flexible fuel line is to ensure that vibration from the generator
does not cause a gas leak at one of the connection points, so
it’s important that the line be installed with as few bends as
possible.
5. Never bend the flexible fuel line to avoid using an elbow.
Bending the flexible line decreases its ability to absorb
vibrations and defeats its purpose as well as constricts the
actual fuel flow.
General Information

7
6. After checking for leaks, check the gas pressure at the
REGULATOR to make sure there’s enough gas pressure for
generator operation. See Owner’s Manual for fuel pressure
specifications. If not within these limits, contact your local gas
supplier.
7. When finished checking the gas pressure, close the manual
shutoff valve.
EXTERNAL ELECTRICAL CONNECTIONS
1. Drill a 1 ¾ inch hole and feed the conduit through the hole.
2. Remove the knockout in the back of the connection box, feed
the wires through the back of the box and secure the conduit
with the lock nut.
Seal the hole with silicone caulk. Don’t forget to caulk the hole
inside the house as well.
3. Mount the connection box so that it completely covers the hole in
the wall. Caulk around the sides and top of the box to ensure a good
seal.
Connect all wires to the lugs in the connection box (black to black,
red to red and white to white). Attach the green ground wire to
the ground screw and connect the two small plugs to their mating
receptacle ends.
General Information

8
4. Replace the protective cover plate and retaining screw, and
lock the connection box.
5. For 10-20 kW models, locate the metal hasp that is packaged
in the owner’s manual bag. Insert the hasp in the slot located
on the left side of the external circuit breaker box. Be sure that
the clip of the hasp is facing toward the front of the generator.
If desired, lock the external box.
GENERATOR ACTIVATION
When battery power is applied to the generator during the
installation process, the controller will light up. However, the
generator still needs to be activated before it will automatically run
in the event of a power outage.
Activating the generator is a simple one time process that is
guided by the controller screen prompts. Once the product is
activated, the controller screen will not prompt you again, even if
you disconnect the generator battery.
After obtaining your activation code, please complete the following
steps at the generator’s control panel in the Activation Chart
(shown on the following page).
GENERATOR CONNECTIONS – EZ SWITCH
1. If the generator comes with an external connection box and
5’ seal-tite whip pre-wired and connected to the generator, no
additional connections are necessary at the generator. Skip
the following section and proceed with Appendix A, EZ Switch
Installation & Operational Testing.
2. If the EZ Switch was purchased separately from the generator,
the 5’ seal-tite whip will need to be connected to the
generator. To complete the wiring, run the ¾” conduit for the
power leads and control wires from the external connection
box to the generator.
3. Remove the two screws securing the connection area cover,
and remove the cover.
4. Feed the wires through the back of the generator and secure
the conduit with the lock nut.
5. Run the power leads through the strain relief provided.
6. The circuit breaker is attached to the exterior access panel.
General Information

9
ACTIVATION CHART
CHOOSE LANGUAGE TROUBLESHOOTING
Display Reads: Use ARROW keys to scroll to desired
language. Press ENTER to select.
If the wrong language is chosen, it can be
changed later using the “edit” menu.
Display Reads: Press ENTER to begin the activation process. If ESCAPE is pressed instead of ENTER,
your generator will only run in manual mode
(for test purposes) and NOT ACTIVATED will
be displayed. You will need to remove the
generator control panel fuse AND disconnect
the T1, N1 and N2 connector in the external
connection box (if equipped); or disconnect
utility input (main breaker) to the transfer
switch for 3-5 seconds and reconnect, then
begin with Step 1.
Display Reads: If you do not have your activation code,
go to www.activategen.com or call
1-888-9ACTIVATE (922-8482).
If you already have your activation code, wait
3-5 seconds for the next display.
ENTER ACTIVATION CODE (Passcode) TROUBLESHOOTING
Display Reads: Use ARROW keys to scroll and find the first
number of your Activation Code.
Press ENTER to select.
Repeat this step until all digits have been
entered.
Use ESCAPE to correct previous digits.
Display Reads: Activation is complete when all digits are
entered above and your screen shows this
display.
Follow the controller prompts to continue
setting the time function. Refer to your
Owner’s Manual with questions.
What happens if “Wrong Passcode Try
Again” appears?
Reenter the activation code. If a second
attempt is unsuccessful, check the number
against the code given on activategen.com. If
it is correct and the generator will not accept
it, contact 1-888-9ACTIVATE (922-8482).
“SELECT HOUR (0-23)”
“- +”6
Escape Enter
Serial 123456789
Passcode XXXXX +/-
Escape Enter
To Activate go to
www.activategen.com
Escape Enter
Activate me (ENT) or
ESC to run in manual
Escape Enter
Language
- English +
Escape Enter
General Information

10
7. Remove the plastic plugs inside the main breaker access area
to allow connection of the power leads to the circuit breaker.
8. Now connect the red and black power leads to the circuit
breaker. Since this is a single-phase application, it doesn’t
matter which wire is connected to which lug.
9. Connect the green equipment ground wire to the ground bus
bar and torque to 35 inch lbs. The torque values are:
• 10-14 AWG = 35 in/lbs
• 8 AWG = 40 in/lbs
• 4-6 AWG = 45 in/lbs
T1
N2
N1
209 210 0194 23
NEUT
GND
10. Connect the white neutral wire to the neutral bus bar and
torque to 35 inch lbs. The torque values are:
• 10-14 AWG = 35 in/lbs
• 8 AWG = 40 in/lbs
• 4-6 AWG = 45 in/lbs
11. Connect the control wires to the correct terminals. The
terminals are clearly marked N1 and N2 for utility sensing; 23
and 194 for transfer relay control; and T1 and 0 for battery
charge. On pre-wired switches, the 0 (zero) wire will not be
present/required.
NOTE:
In order to maintain separation of circuits, the
DC control wires must be separated from the AC
control wires. A piece of fiberglass sleeving has
been provided in the manual kit to achieve this.
Slide the sleeving over the AC wires OR the DC
wires, but not both, from the wire landing area
to the outside of the generator. Use the cable tie
locations to hold the sleeving in place.
12. An improperly connected control wire can damage the
generator control board.
Neutral
Ground
Cable Tie Location
General Information

11
APPENDIX A – EZ SWITCH INSTALLATION &
OPERATIONAL TESTING
1. Before beginning any installation, make sure power is shut
OFF to the main distribution panel and carefully read the
Owner’s Manual that came with the transfer switch.
The distributed load center switch must be mounted close
enough to the main distribution panel to accommodate the
two-foot, pre-wired conduit. Make sure no water or corrosive
substances can drip onto the transfer switch enclosure.
2. Always inspect the switch for shipping damage. Never mount
a transfer switch that shows any evidence of damage.
3. Protect against impact and mount the switch vertically to
a rigid support structure. Make sure the switch is level and
plumb.
The transfer switch is an open transition switch. Open
transition switches prevent electrical feedback between the
generator and the utility by only allowing load circuits to be
connected to one power supply at a time.
4. Each wire in the pre-wired transfer switch is color-coded to
easily match circuits in the main panel to their new breakers
in the transfer switch.
5. When three-conductor wiring is used, two 120 volt circuits
will often share the same neutral wire. To avoid overloading
the neutral, either move BOTH of the circuits that share the
neutral or don’t move either of them.
6. When moving two circuits with a shared neutral, they should
be connected to adjacent positions (one above the other) in
the transfer switch. That will assure that the two hot wires
are on separate phases and will maintain their relationship to
neutral.
Appendix A

12
7. Choose a circuit to be backed up and remove the power lead
from the breaker.
8. Using UL Listed wire nuts, reconnect the power lead to a
matching breaker in the transfer switch.
9. Make sure each circuit moved is protected by the same
size breaker in the transfer switch. 15 Amp circuits must be
connected to 15 Amp breakers and 20 Amp circuits to 20
Amp breakers.
10. Connect the provided large neutral to the neutral bar in the
distribution panel.
11. Install a 2-pole breaker in the distribution panel to protect
the transfer switch. The required amp rating of the breaker
depends on which transfer switch is used. Pre-wired load
center switches the breaker cannot exceed 70 Amps. This
breaker must be compatible with the existing electrical
distribution panel.
Install the breaker in two adjacent empty slots (one above the
other) in the main panel.
12. When all priority circuits have been moved to the transfer
switch, close the main breaker to restore utility power and
make sure utility voltage at the transfer switch is correct.
Refer to NFPA 70-E for the safety equipment required when
working inside a live transfer switch.
Appendix A

13
BATTERY INSTALLATION
1. Before purchasing a battery for the generator, refer to
the generator Owner’s Manual for a list of recommended
batteries. Follow all of the procedures and safety precautions
in the Owner’s Manual when installing the battery.
2. Follow all of the procedures and safety precautions in the
generator Owner’s Manual when installing the battery.
Verify the switch is in the off position. When preparing for
operational testing, DO NOT connect the battery until transfer
switch connections are complete.
OPERATIONAL TESTING
1. Switch the generator’s main circuit breaker OFF and put the
mode switch in the OFF position.
2. Make sure utility power is OFF and place all of the priority
circuit breakers in the transfer switch in the OFF position.
3. Locate the transfer handle, insert the metal end into the slot
in the main contactor assembly and pull the handle DOWN to
move the main contacts to the standby power, or generator
position.
NEVER OPERATE THE TRANSFER SWITCH
MANUALLY WHEN LOADS ARE CONNECTED.
4. Put the generator’s mode switch in MANUAL to start the engine.
Allow the engine to warm up, then switch the generator’s
main breaker to the ON position. The generator is now
supplying electricity to the transfer switch but is not carrying
any load.
5. Be sure that voltage and frequency from the generator is
correct. If line-to-line voltage is not approximately 240
volts, refer to the Owner’s Manual for the proper adjustment
procedures. On all models, if line-to-neutral voltage is not 120
volts, check the neutral connection between the generator and
transfer switch.
Appendix A

14
6. When finished checking the voltage, switch the generator’s
main circuit breaker OFF and put the mode switch in the OFF
position to shut down the generator.
7. Make sure the 2-pole circuit breaker installed in the main
distribution panel is in the OFF position.
8. Use the transfer handle to move the main contacts in the
transfer switch to the UP (utility position). Switch the 2-pole
breaker ON in the distribution panel.
9. Now switch the generator’s main breaker ON, and put the
mode switch in AUTO.
10. Shut OFF utility power and make sure the generator starts
automatically.
11. If everything worked properly, switch the main breaker to ON
and make sure that power is automatically transferred back to
the utility.
12. After the engine has completed its cool down cycle and shut
down, shut OFF utility power again.
When the generator is supplying power to the transfer switch,
move the breakers in the switch to the ON position, one at a
time, until the generator has accepted the entire priority load.
13. With the generator carrying the entire priority load, recheck
gas pressure to verify that it is at the same level it was before
the generator was started.
NOTE:
Even if the generator is running smoothly at
this point, a drop in gas pressure indicates that
the supply is barely adequate to supply the
generator’s needs. Changes in the generator load,
or additional gas demand by other appliances
may affect the generator’s performance. Verify
gas pressure and pipe sizing.
Unhook the
manometer and reinstall the port plug.
Appendix A

15
14. Switch the main breaker ON to restore utility power.
The generator will continue to run to allow the engine to cool
down before shutting itself off.
Shut off utility power again. The generator should start and the
entire priority load should transfer to the generator.
Close the main breaker to restore utility power and allow the
engine to cool down and shut itself off.
15. Operational tests are now complete. Refer to – Setting the
Automatic Exercise Function to complete the installation.
APPENDIX B – RTSX AND RTSD TRANSFER
SWITCH INSTALLATION & OPERATIONAL
TESTING
1. Before beginning any installation, make sure power is shut
OFF to the main distribution panel and carefully read the
Owner’s Manual that came with the transfer switch.
To simplify the installation process, the transfer switch
should be mounted as close to the main distribution panel as
possible. Make sure no water or corrosive substances can
drip onto the transfer switch enclosure.
2. Always inspect the switch for shipping damage. Never mount
a transfer switch that shows any evidence of damage.
3. Protect against impact and mount the switch vertically to a rigid
support structure. Make sure the switch is level and plumb.
Check local codes before wiring the transfer switch. Some
jurisdictions require that wiring inside the switch be done by a
licensed electrician.
4. All wiring must be the correct size and type, and must
conform to all codes, standards and regulations. Refer to the
transfer switch Owner’s Manual and the National Electrical
Code for additional information.
Appendix B

16
5. As with any product, design changes can occur over time, so
always refer to the schematics in the transfer switch Owner’s
Manual for the required connections and safety precautions.
6. The transfer switch being used is an open transition switch.
Open transition switches prevent electrical feedback between
the generator and the utility by only allowing load circuits to
be connected to one power supply at a time.
SELECTED CIRCUIT COVERAGE
1. The generator powers only designated circuits that are grouped
together and wired into a separate priority distribution panel.
The transfer switch is installed between the main distribution
panel and the priority panel.
The amperage rating of the transfer switch must be equal to
or greater than the highest amperage rating of the utility and
generator breakers feeding the switch.
WHOLE-HOUSE CIRCUIT COVERAGE
1. The generator will be backing up all electrical loads within the
panel, so the amperage rating of the transfer switch must be
equal to or greater than the amperage rating of the normal
utility service.
Unless a service rated transfer switch is used, a main service
disconnect must be located before the transfer switch. The
transfer switch must be installed between the utility service
entrance and the building distribution panel.
2. A service rated transfer switch is installed between the
service and the main distribution panel. The service rated
switch becomes the main service so no service disconnect is
needed. The existing main distribution panel becomes a sub-
panel.
Appendix B

17
3. The grounding that is normally in the main panel must be
accomplished in the service rated switch and must be
disconnected in the existing distribution panel. Refer to the
National Electrical Code (NEC) for complete information on
grounding and bonding.
ELECTRICAL CONNECTIONS
1. Connect the power leads from both the generator and the
utility to the appropriate lugs in the transfer switch. The lugs
are clearly marked in the switch.
N = Normal Utility Supply
E = Generator Connection Panel
T = Load Distribution Panel
2. Neutral wires from both the utility and the generator are
connected to the same neutral lug in the switch.
3.
Connect the control wires from the generator to the designated
locations. Wires 0, 23 and 194 connect to the terminal strip; N1,
N2, and T1 connect directly to the fuse holders.
4. Complete the transfer switch wiring by connecting the
equipment ground wires from both the utility and the
generator to the ground lug.
5. Being careful to support the lugs, torque the lugs in the
transfer switch to the specifications shown on the transfer
switch. Decal located on the inside of the switch door.
OPERATIONAL TESTING
1. If installing the RTSD switch, the service was changed so make
sure the terminations are good before re-energizing the utility.
Appendix B

18
2 Switch the main utility breaker OFF. Refer to NFPA 70-E for the
safety equipment required when working inside a live transfer
switch.
3. Energize the utility and check line-to-line and line-to-neutral
voltage at terminals N1 and N2 on the transfer contactor. If
line-to-line voltage is not approximately 240 volts, de-energize
utility power and check the terminations between the utility
and N1 and N2.
If line-to-neutral voltage is not approximately 120 volts, de-
energize utility power and check the neutral terminations.
Repeat the same voltage checks on terminals T1 and T2 to
make sure current is flowing properly through the contactor.
4. Switch the generator’s main circuit breaker OFF and put the
mode switch in the OFF position.
5. Make sure utility power is OFF and place all of the individual
circuit
breakers in the main distribution panel in the OFF position.
6. Locate the transfer handle, insert the metal end into the slot in
the main contactor assembly. Pull the handle DOWN to move
the main contacts to the standby power (generator) position.
NEVER OPERATE THE TRANSFER SWITCH MANUALLY WHEN
LOADS ARE CONNECTED.
7. Put the generator’s mode switch in MANUAL to start the engine.
Allow the engine to warm up, then switch the generator’s main
breaker to the ON position. The generator is now supplying
electricity to the transfer switch but is not carrying any load.
8. Check to be sure that voltage and frequency from the
generator is correct. If line-to-
line voltage is not approximately
240 volts, refer to the generator
Owner’s Manual for the
proper adjustment procedures. If line-to-neutral voltage is
not approximately 120 volts, check the neutral connection
between the generator and transfer switch.
Appendix B

19
9. Switch the generator’s main circuit breaker OFF and put the
mode switch in the OFF position to shut down the generator.
10. With utility power still OFF, use the transfer handle to move the
main contacts to the UP (utility) position.
11. Close the main breaker to turn utility power ON.
12. Switch the generator’s main breaker to the ON position and
put the mode switch in AUTO.
13. Shut OFF utility power and make sure the generator starts
automatically after the line interrupt delay.
14. Switch the utility breaker to ON and make sure that power is
automatically transferred back to the utility.
15. Shut OFF utility power again to automatically start the
generator. When power has transferred to the generator, close
each of the breakers in the distribution panel one at a time
until the generator has accepted the entire load.
16. With the generator carrying the entire load, recheck gas
pressure to verify that it’s at the same level it was before the
generator was started.
Appendix B

20
NOTE:
Even if the generator is running smoothly at
this point, a drop in gas pressure indicates that
the supply is barely adequate to supply the
generator’s needs. Changes in the generator load,
or additional gas demand by other appliances
may affect the generator’s performance. Verify
gas pressure and pipe sizing. Unhook the
manometer and reinstall the port plug.
17. Switch the utility breaker ON to restore utility power to the
home.
18. The generator will continue to run to allow the engine to cool
down, then shut itself off.
19. Shut OFF utility power again. The generator should start and
the entire priority load should transfer to the generator.
20. Close the main breaker to restore utility power and allow the
engine to cool down and shut itself off.
Operational tests are now complete. Refer to Appendix E
– Setting the Automatic Exercise Function to complete the
installation.
APPENDIX C – DIGITAL LOAD MANAGEMENT
(DLM)
1. To control an Air Conditioner, connect the Y terminal of the
thermostat to one of the A/C 1 terminals. Connect the other
A/C 1 terminal to the Y terminal on the air conditioner.
Use 18 – 26 AWG copper wire. Refer to the Owner’s Manual
for specific torque/connection requirements.
2. To control a second air conditioner repeat the above using
terminals marked A/C 2.
65
NOTE:
For specific AC control wire information, please refer to the
HVAC systems Owner’s/Operation Manual.
APPENDIX D – DIGITAL LOAD MANAGEMENT
(DLM) MODULES
The load controller can operate up to four separate DLM’s, each
one connected the same way as below.
• The NEMA 3R Enclosure of the DLM module can be installed
indoors or outdoors. If mounting outdoors the enclosure MUST
be orientated with the drain hole at the bottom.
• The DLM module is fitted with conduit knockout locations.
These knockout locations are the only locations that conduit
should be attached to the enclosure. A grounding stud is
provided inside the enclosure in order to ground the conduit.
CONNECTING LOAD SHED MODULE (LSM) CONNECTIONS
The LSM can control an air conditioner (24 Vac) directly or
a separate contactor (120 Vac) which can control any load
connected to it (see Figure).
Appendix C

21
Sequence of Operation
The 4 green status LEDs will indicate when a load priority level is
enabled.
• All loads are enabled when the transfer signal is off. (ATS in
Utility position).
• If the transfer signal is pulled low (Active)
• All loads are enabled until an overload is detected
• When an overload is detected all loads are disabled
• After 5 minutes priority 1 loads are enabled.
• After another 30 seconds priority 2 loads are enabled
• After another 30 seconds priority 3 loads are enabled
• After another 30 seconds priority 4 loads are enabled
If an overload is detected within 30 seconds of a level being
enabled, all loads are disabled again and the sequence repeats.
However, the level that caused the overload and all levels higher
will not be enabled again for 30 minutes.
Control of Air Conditioner Load
1. Route the thermostat cable (from the furnace/thermostat to
the outdoor air conditioner unit) to the transfer switch.
2. Connect the wire to the terminal strip terminals (Air 1) on
the LSM as shown in Figure 2.2. These are normally closed
contacts which open upon load shed conditions. Route
thermostat wire away from High voltage wires.
3. If required, connect the second air conditioner to the terminal
strip terminals (Air 2).
Contact Ratings
Air 1 & 2 24 VAC, 5.0 Amps Max
NOTE:
These instructions are for a typical air conditioner
installation. Control of heat pump and 2-stage air
conditioners will require special connections.
Control of a Separate Contactor
A separate contactor relay module can be purchased from the
manufacturer. If a different relay is used it must have a 120 Vac
coil voltage. The LSM supplies fused (5A) 120 Vac to energize the
coils of the relay contactors (contactor 1, 2, 3 or 4).
1. Mount the contactor module and connect the load to the main
contacts.
2. Connect the contactor coil to the desired LSM (contactor 1, 2,
3 or 4) terminals on the terminal strip.
3. Connect additional load shedding contactors in a similar
fashion.
0 Ground
194 +12V
23 Transfer
T1
NEUTRAL
AIR 1
AIR 2
CONTACTOR
1
CONTACTOR
2
CONTACTOR
3
CONTACTOR
4
Priority 1
Priority 2
Priority 3
Priority 4
0 Ground
194 +12V
23 Transfer
T1
NEUTRAL
AIR 1
AIR 2
CONTACTOR
1
CONTACTOR
2
CONTACTOR
3
CONTACTOR
4
Priority 1
Priority 2
Priority 3
Priority 4
Contactor #1 Load #1
Supply
Coil wires
Contactor #2 Load #2
Supply
Contactor #4 Load #4
Supply
Contactor #3 Load #3
Supply
Load Shed Module Connections
Appendix D

22
NOTE:
It will be necessary to determine the order of “shed-
ding” the connected loads and connect the loads to
the LSM in that order. One is the highest priority and
four is the lowest priority.
Perform functional tests in the exact order pre-
sented in this manual, or damage to the switch
could be done.
IMPORTANT: Before proceeding with functional tests, read and
make sure you understand all instructions and information in this
section. Also read the information and instructions of labels and
decals affixed to the switch. Note any options or accessories that
might be installed and review their operation.
NOTE:
This test can be performed with the utility or genera-
tor connected to the loads. However if the generator
is supplying the loads and is overloaded the control-
ler may have already turned off certain loads.
Depress the “ TEST “ button on the load controller. This function
will disconnect all loads controlled by the controller. The load
controller will then reconnect each load in a timed and staggered
manner as described in the Transfer Switch Owner’s Manual.
FUNCTIONAL TESTS AND ADJUSTMENTS
Following transfer switch installation and interconnection,
inspect the entire installation carefully. A competent, qualified
electrician should inspect it. The installation should comply
strictly with all applicable codes, standards, and regulations.
When absolutely certain the installation is proper and correct,
complete a functional test of the system.
CONNECTIONS 0G9651B
GENERATOR SOURCE
CUSTOMER LOAD
T1
E1
T2
E2
0D9618-TO
(C2 & VR2)
STANDBY
UTILITY
(C1 & VR1)
48850-T
0C4449A-T
TO REMOVE BONDING
NEUTRAL AND ENCLOSURE
NEUTRAL BONDED
DISCONNECT BUSBAR BETWEEN
600 Volt, 5 amp.
type and rating
Replace with UL
listed fuse of same
0D3587
0G4220
0G9651A
CONNECTIONS
SOURCE
UTILITY
N1 N2
(UPPER)
(LOWER)
0 GROUND
15B +12V
23 TRANSFER
AIR 1
AIR 2
PRIORITY 1
PRIORITY 2
PRIORITY 3
PRIORITY 4
T1
NEUTRAL
CONTACTOR
1
CONTACTOR
2
CONTACTOR
3
CONTACTOR
4
WARNING
CUSTOMER CONNECTION
NOTE WIRE ORIENTATION
0G8137
DC COMMON
+12VDC
TRANSFER
3
2
1
23
15B
3
2
01
DLM
MODULE
Hot Water
Heater
APPENDIX E - SETTING THE AUTOMATIC
EXERCISE FUNCTION
2. The display will enter an Installation Assistant mode when battery
power is first connected. The assistant will prompt to first enter
the current date and time, followed by the exercise day and time.
If the battery is ever disconnected and reconnected, or fuse
removed and replaced, the Installation Assistant will be displayed
again, but only the current date and time will need to be entered.
3. If the exercise time or day ever needs to be changed, press
the escape key to access the main menu.
4. Press the left or right arrow key until ‘Edit’ is flashing and press
enter.
5. Press the right or left arrow key until the exercise time is
displayed and press enter.
6. Using the arrow and enter keys first set the exercise hour in
24 hour format, followed by the minute, and finally the day.
7. Once set, the generator will exercise each week at the same
time. Be sure to show the owners how to set the exercise
function for the day and time they want the unit to exercise.
8. If the generator is equipped with the low speed exercise feature,
it was enabled at the factory and no adjustment is needed.
Every installation has its own unique set of circumstances
and requirements. This booklet provides guidelines for basic
installations only and is not intended to cover all applications.
If there are any questions or concerns after carefully reading all
documentation received with the equipment, contact the nearest
dealer for assistance.
Appendix E

23
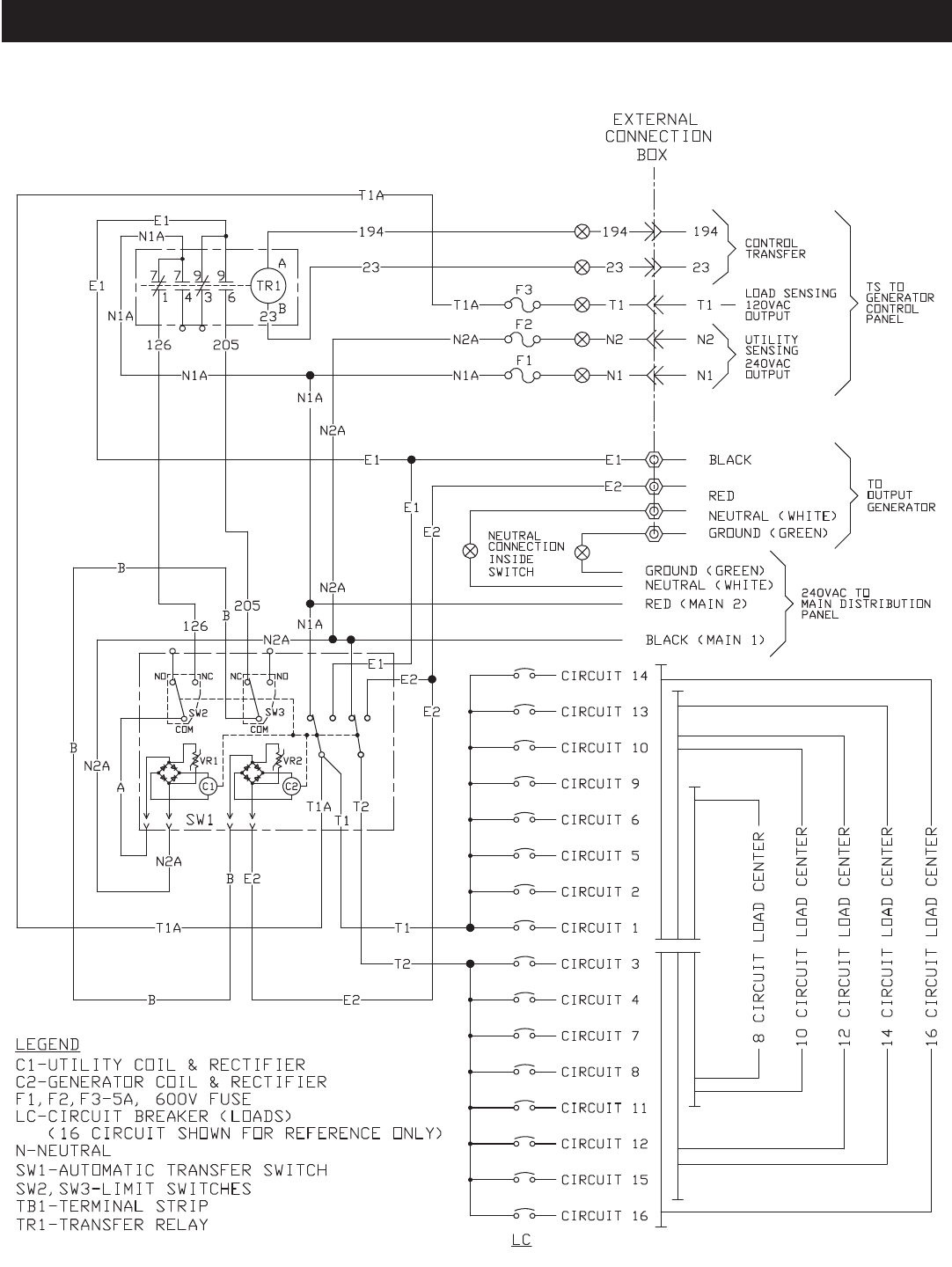
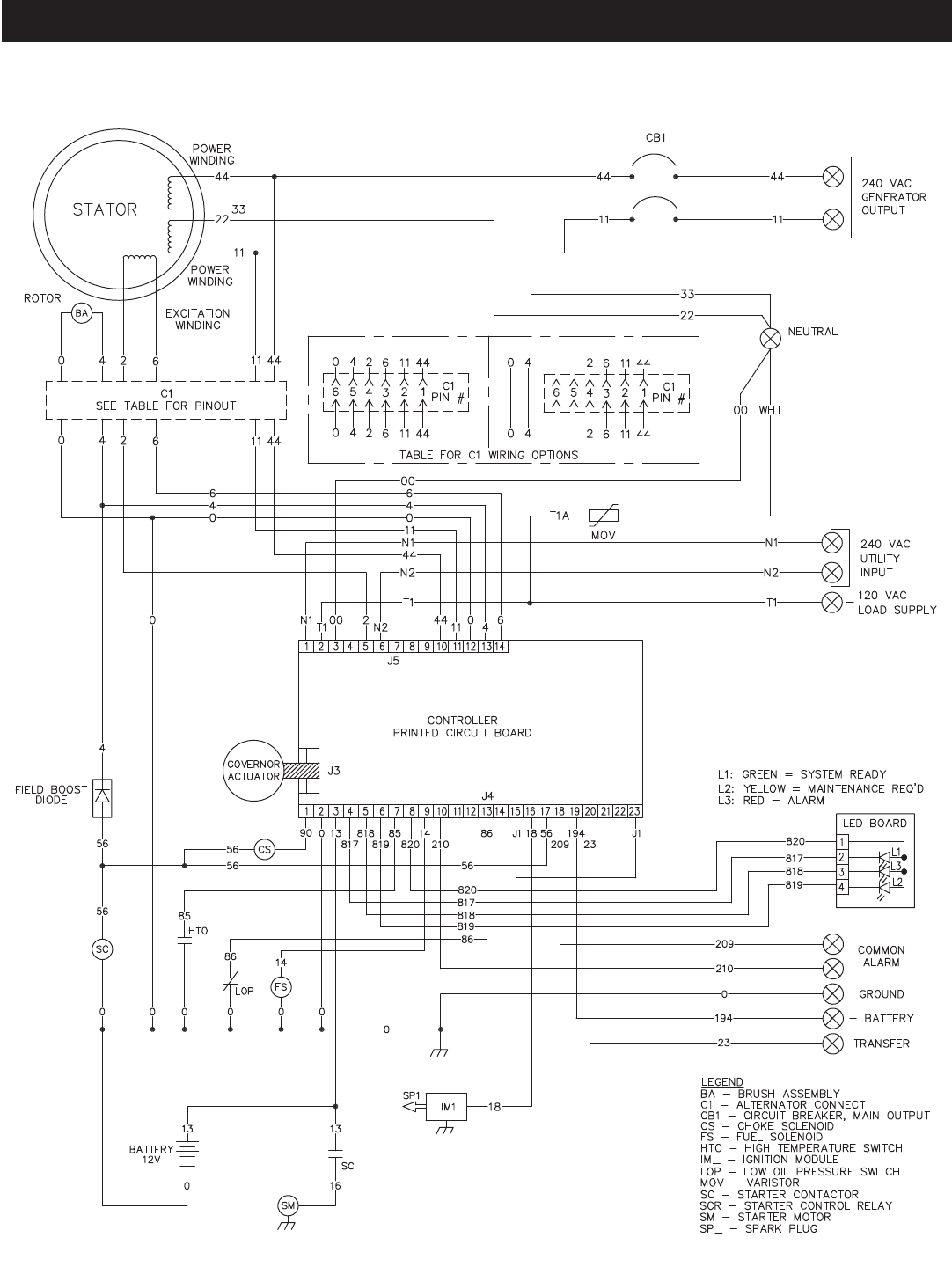
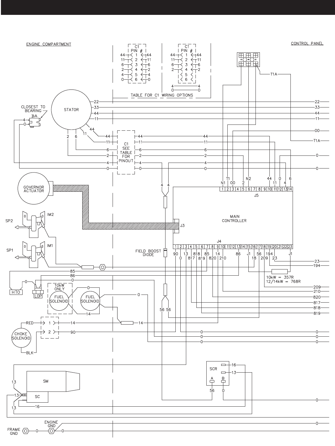
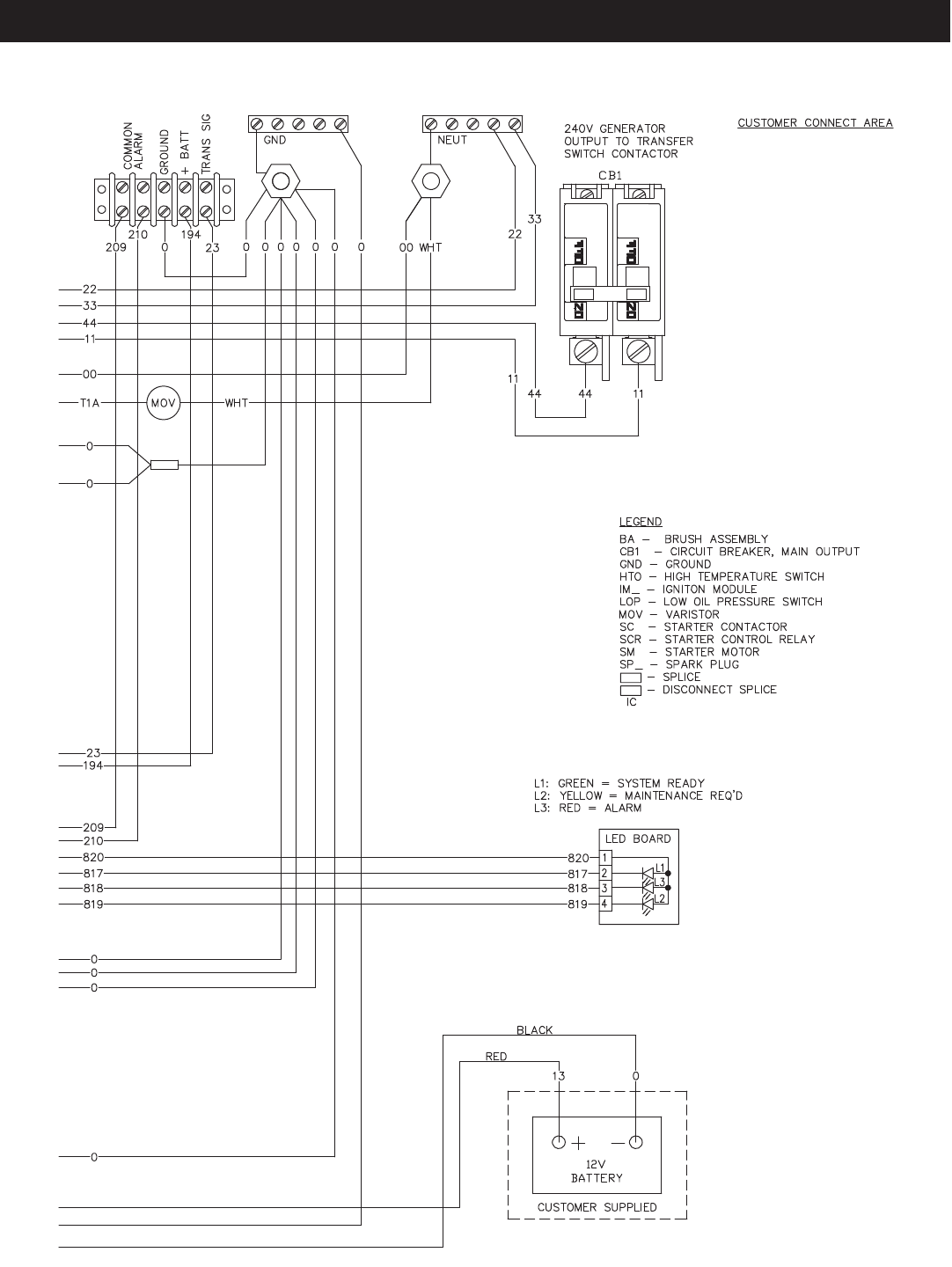
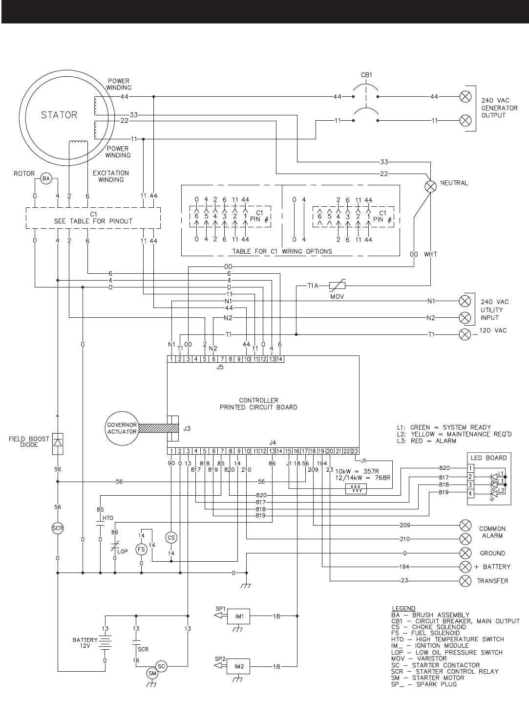
Electrical Schematic - Drawing No. 0H6386-B Electrical Data

24
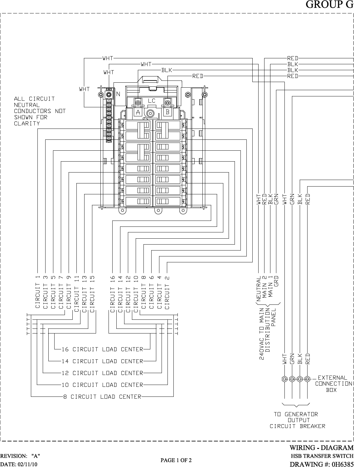
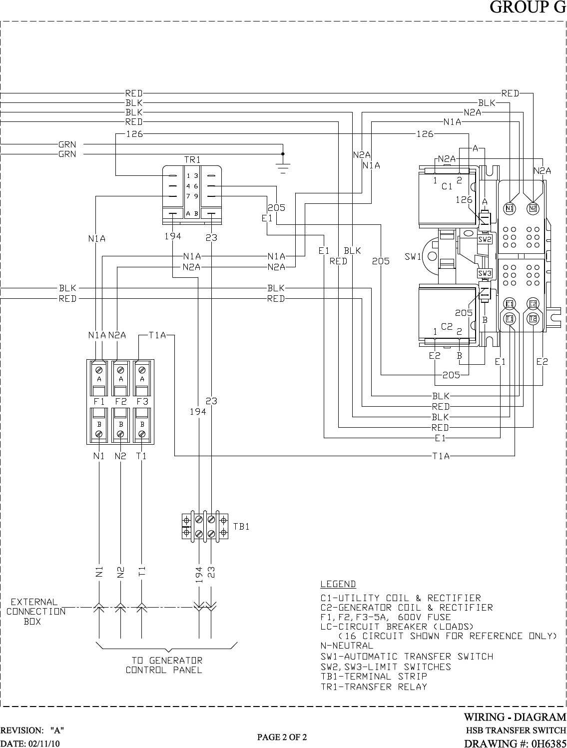
Electrical Data Wiring Diagram/Schematic - Drawing No. 0H6385-A

25
Wiring Diagram/Schematic - Drawing No. 0H6385-A Electrical Data

26
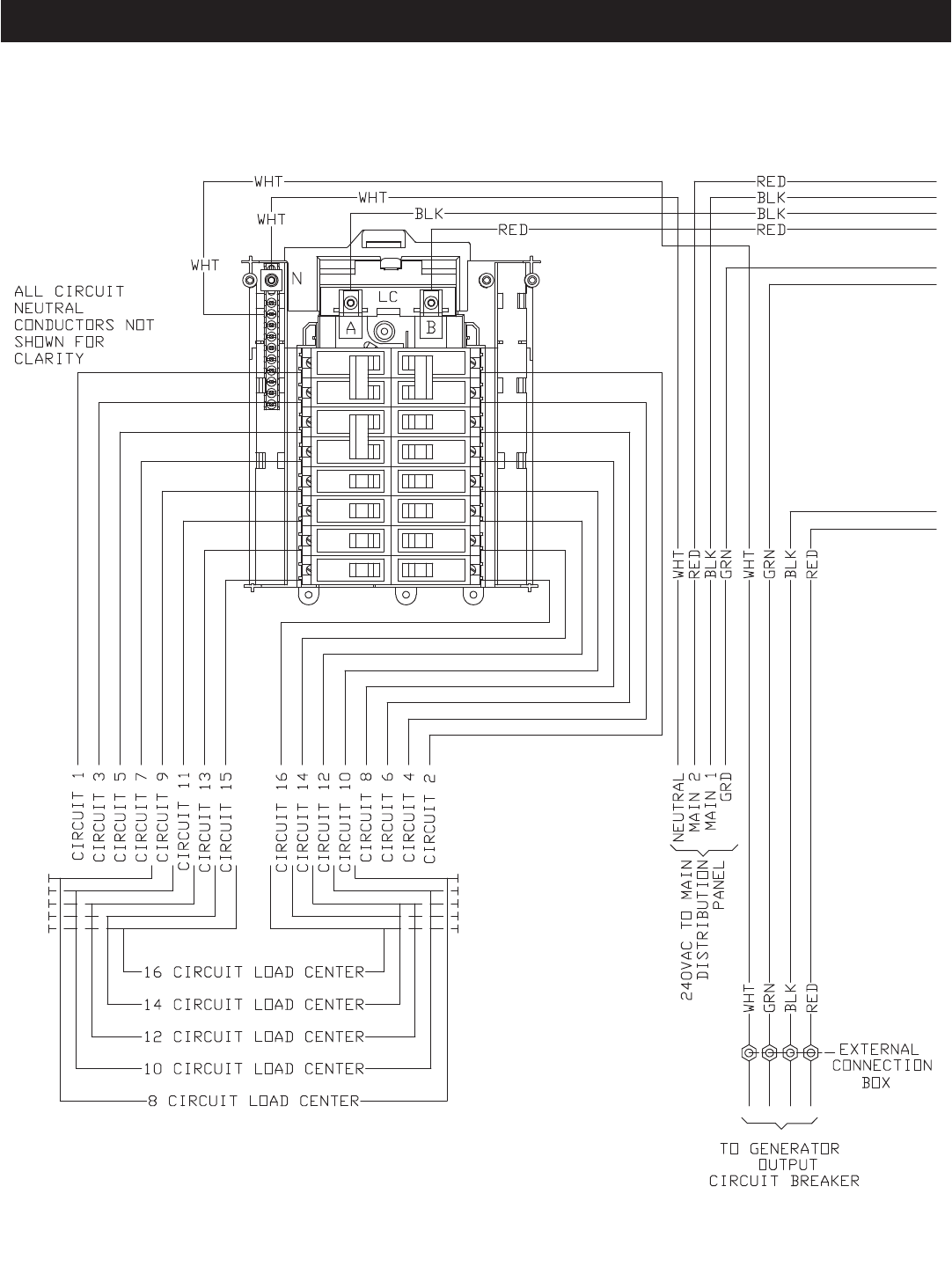
Electrical Data Wiring Diagram/Schematic - 8kW - Drawing No. 0H6912-B

27
Wiring Diagram/Schematic - 8kW - Drawing No. 0H6912-B Electrical Data

28
Electrical Data Wiring Diagram/Schematic - 8kW - Drawing No. 0H6912-B

29
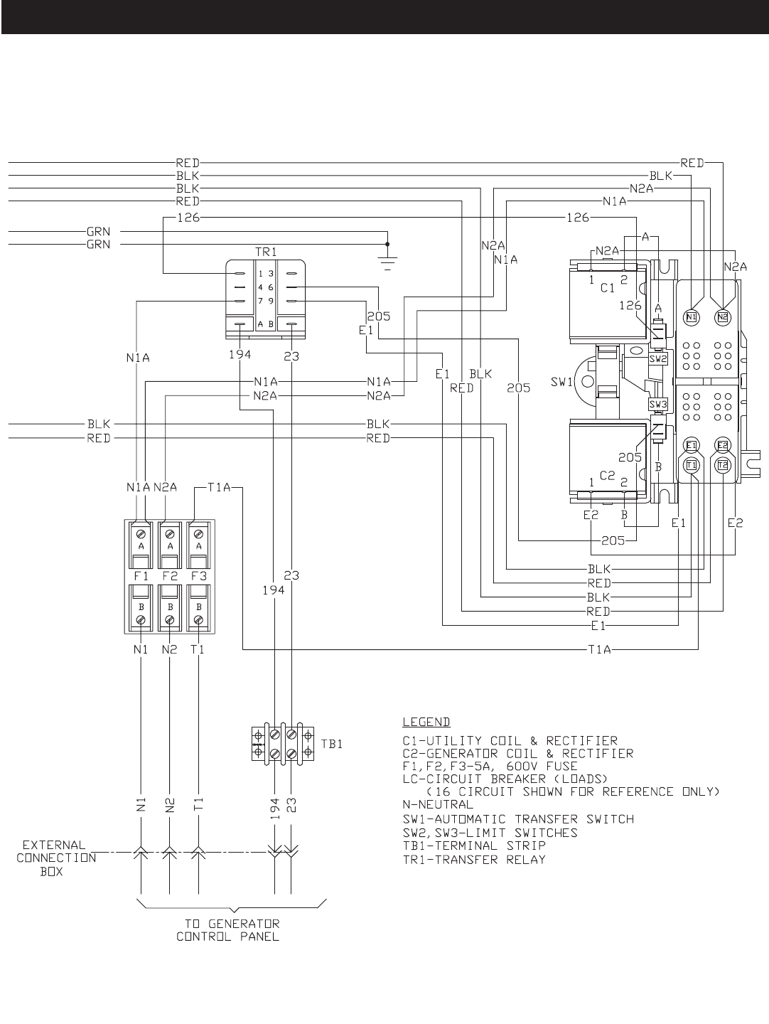
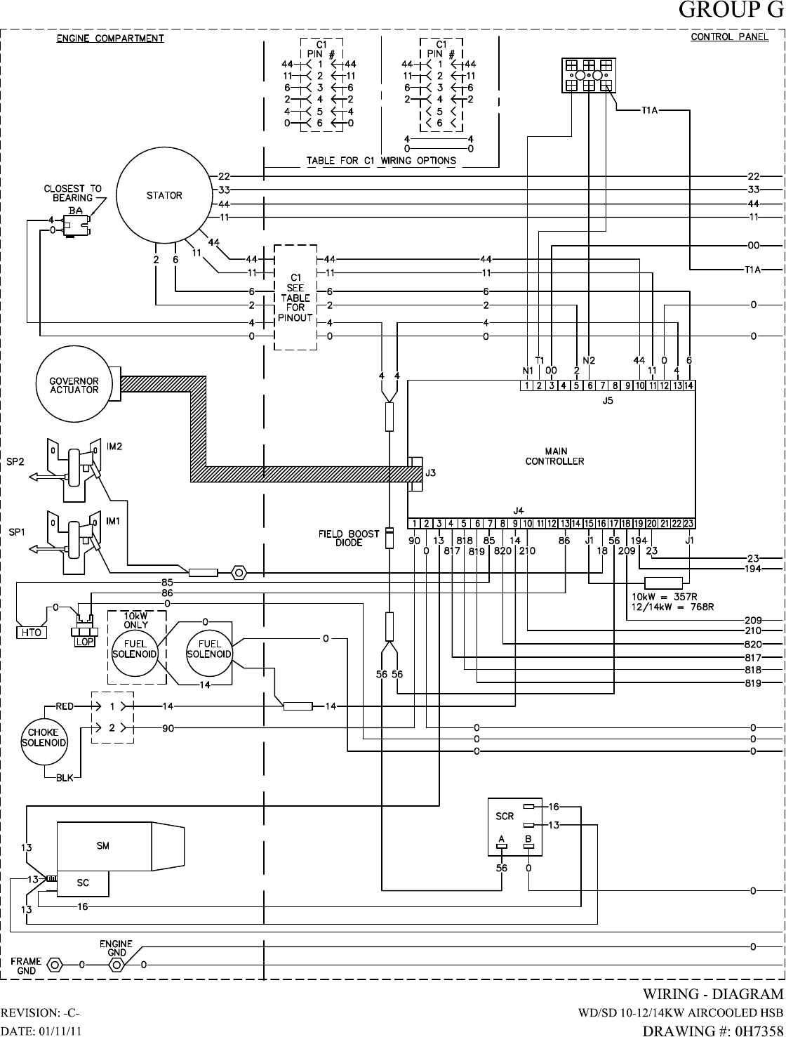
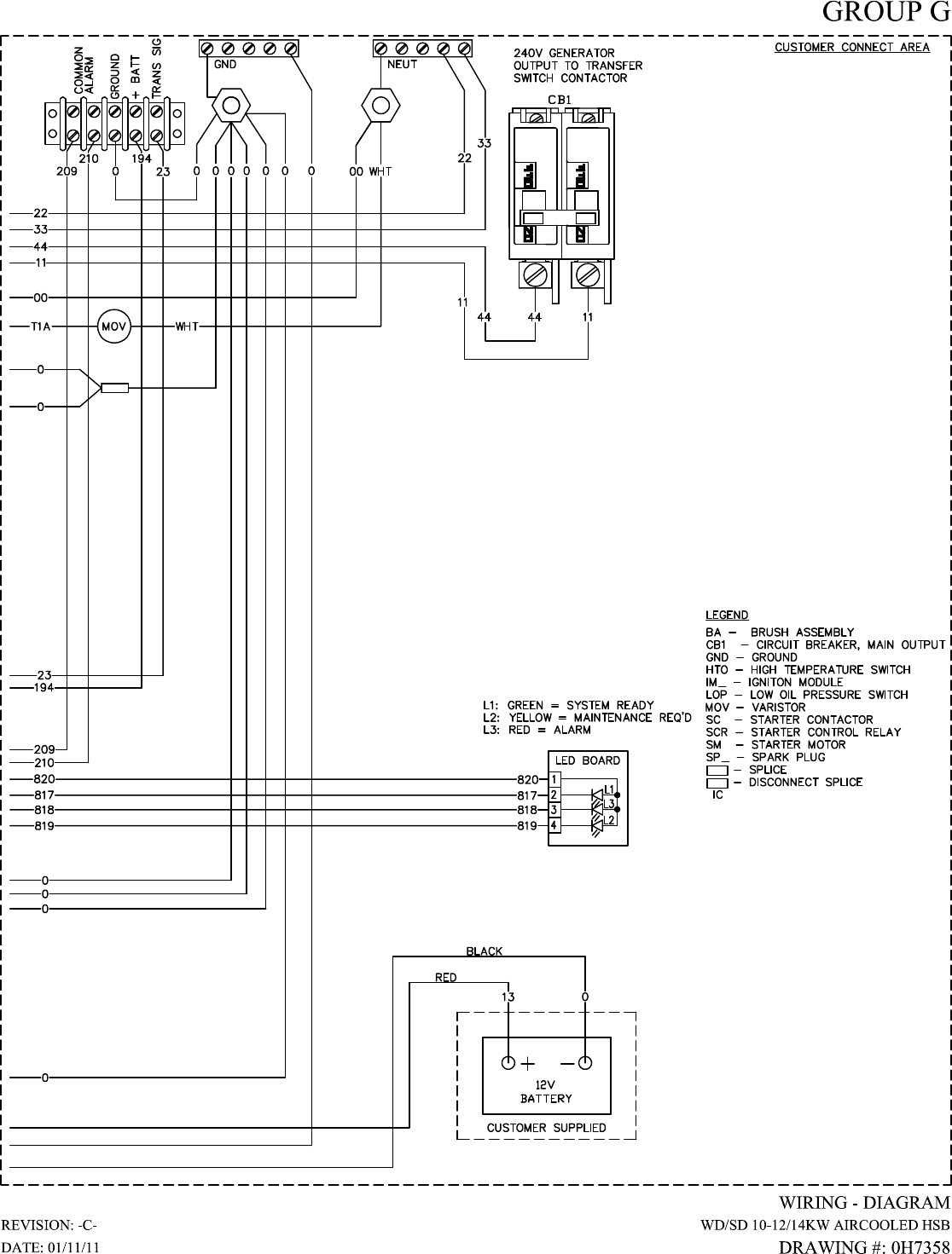
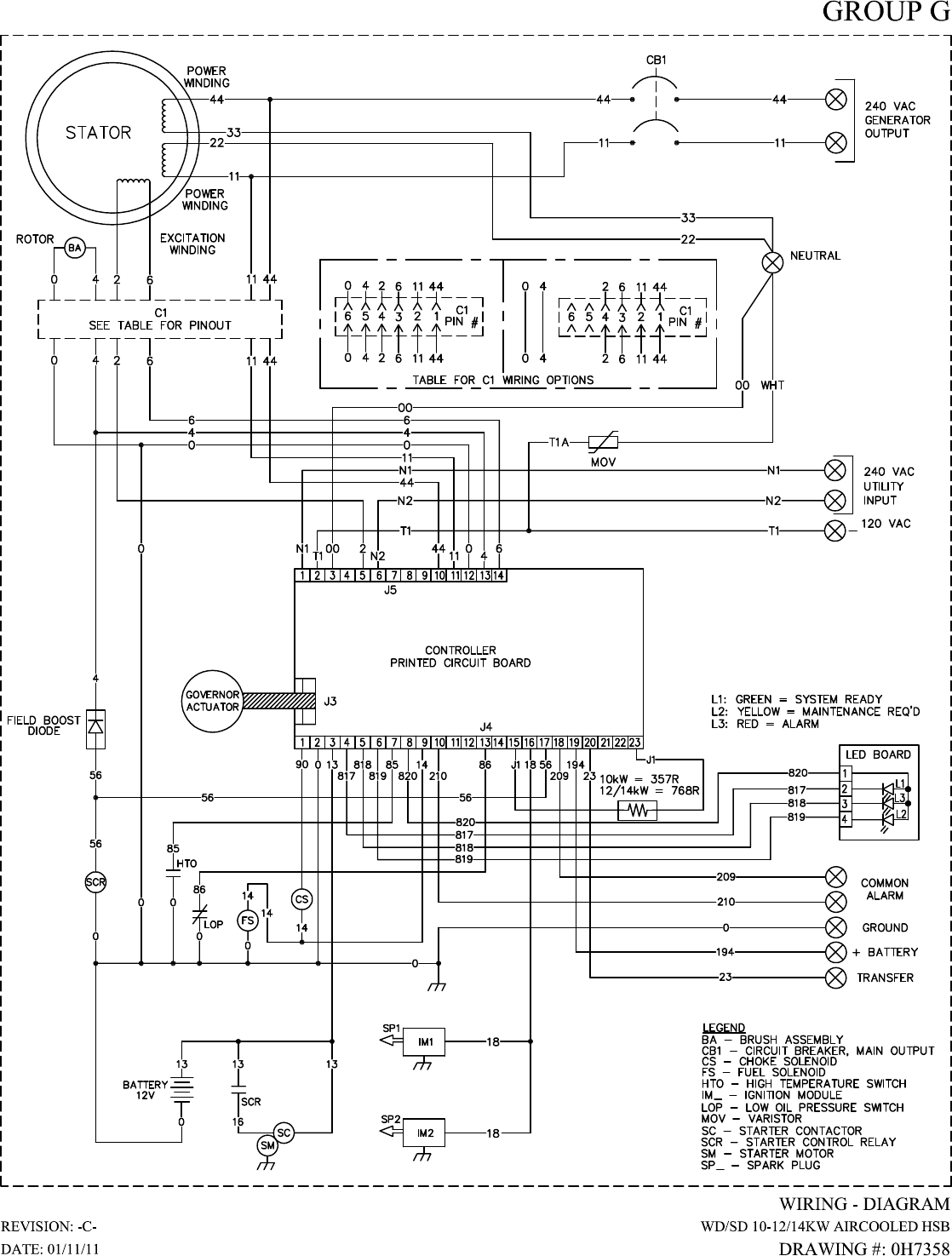
Wiring Diagram/Schematic - 10-14kW - Drawing No. 0H7358-C Electrical Data

30
Electrical Data Wiring Diagram/Schematic - 10-14kW - Drawing No. 0H7358-C

31
Wiring Diagram/Schematic - 10-14kW - Drawing No. 0H7358-C Electrical Data

32
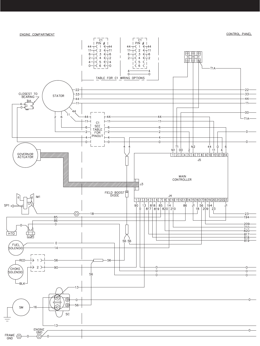
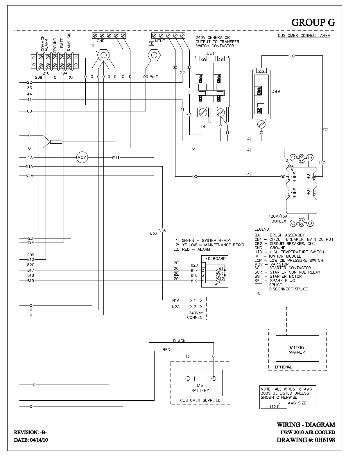
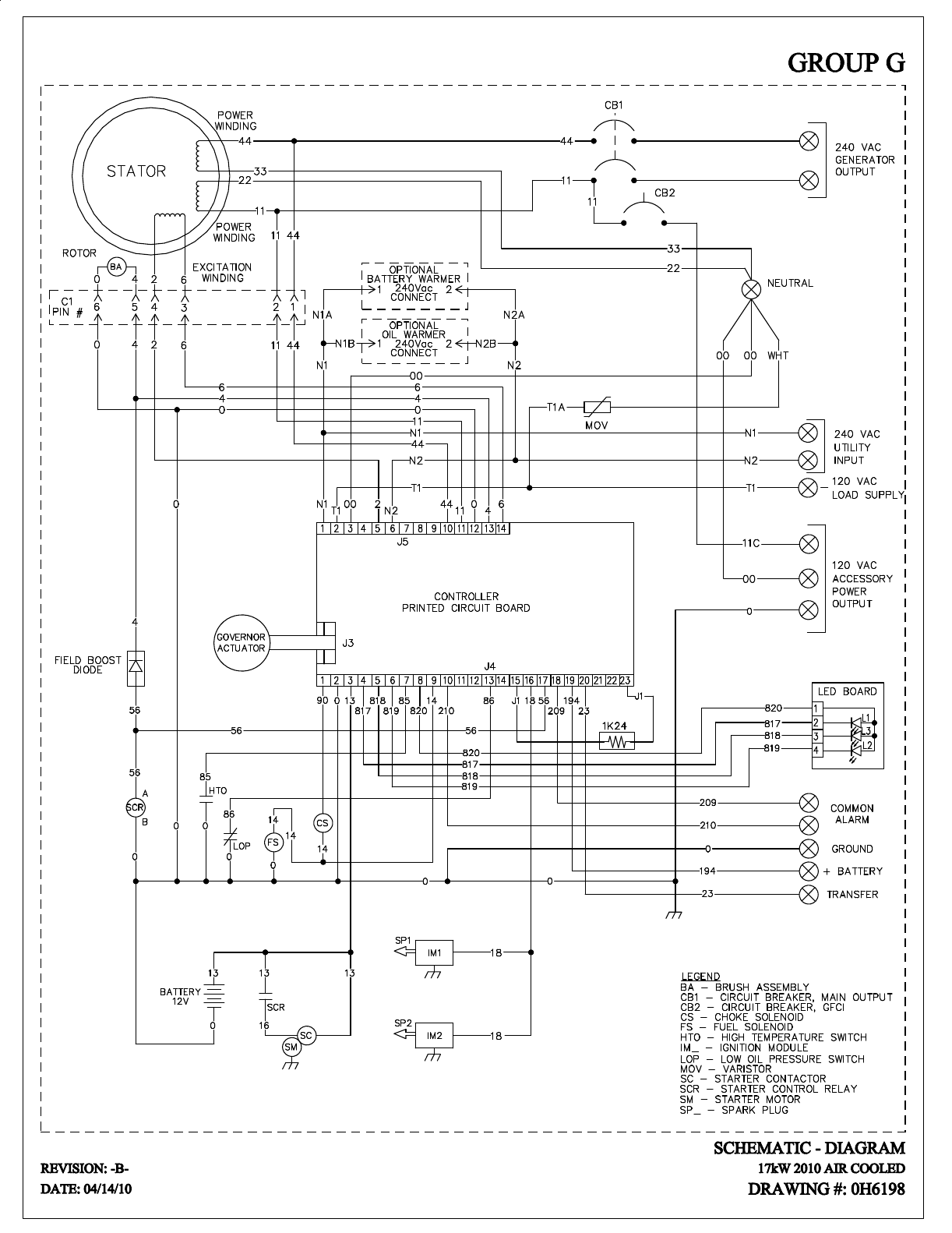
Electrical Data Wiring Diagram/Schematic - 17kW - Drawing No. 0H6198-D

33
Wiring Diagram/Schematic - 17kW - Drawing No. 0H6198-D Electrical Data

34
Electrical Data Wiring Diagram/Schematic - 17kW - Drawing No. 0H6198-D

35
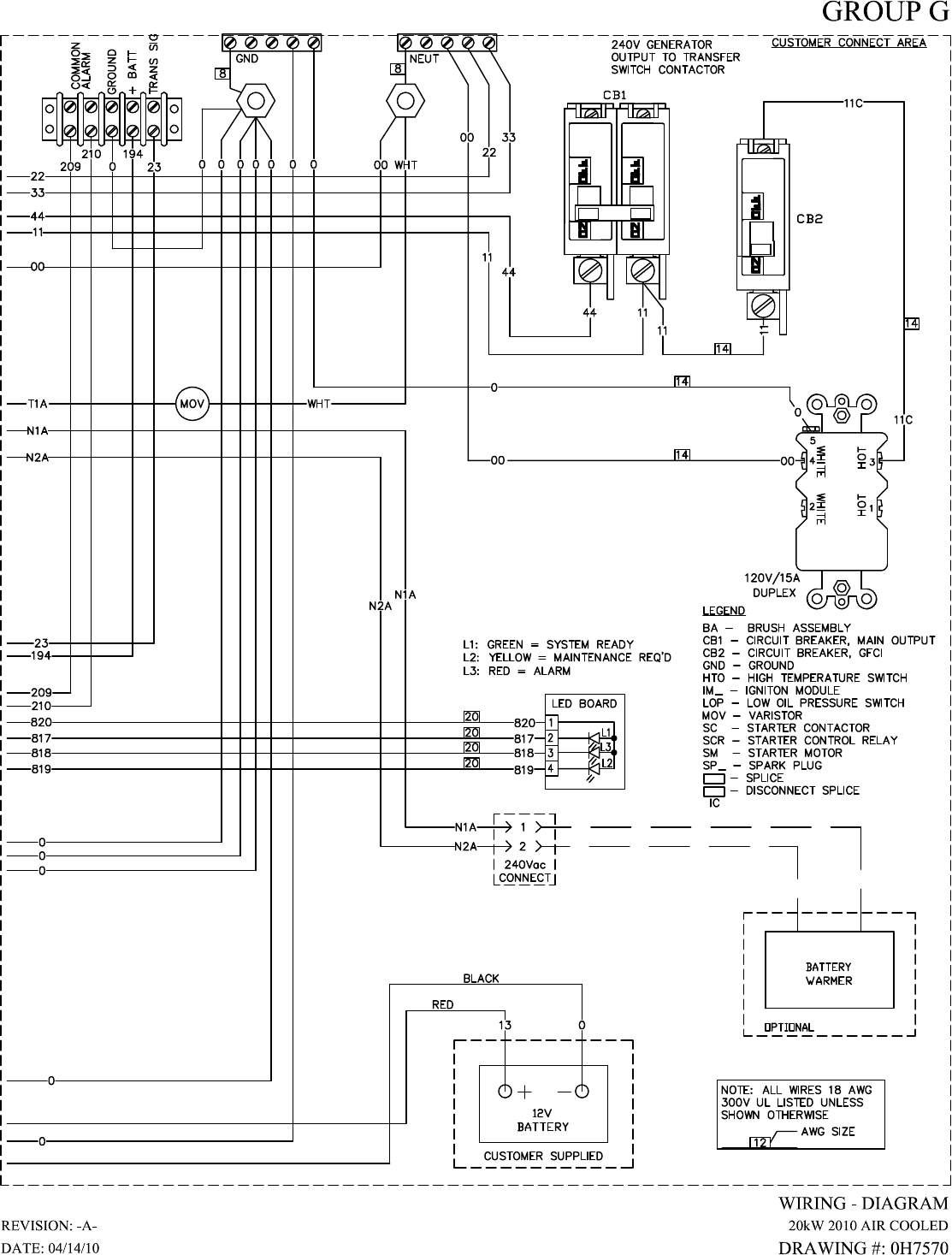
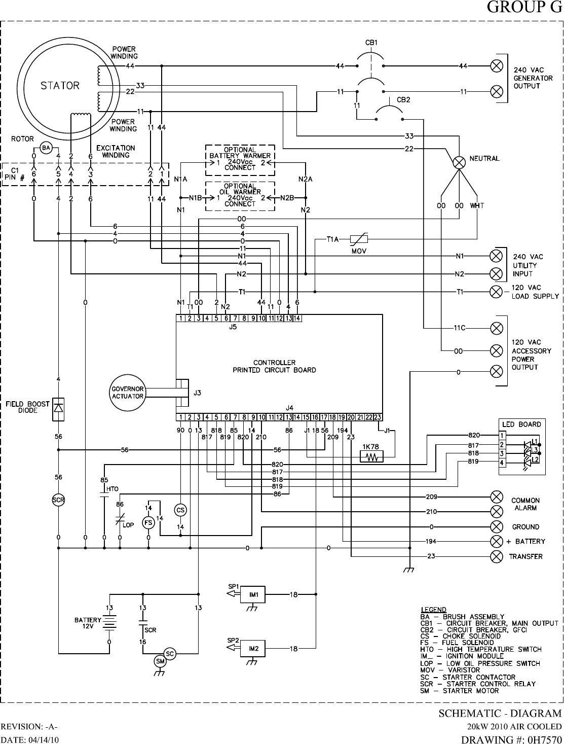
Wiring Diagram/Schematic - 20kW - Drawing No. 0H7570-B Electrical Data

36
Electrical Data Wiring Diagram/Schematic - 20kW - Drawing No. 0H7570-B

37
Wiring Diagram/Schematic - 20kW - Drawing No. 0H7570-B Electrical Data
Part No. 0H8538 Revision G (03/24/11) Printed in U.S.A.

39
GUÍAS DE
INSTALACIÓN
Generadores enfriados por aire
www.generac.com o 1-888-GENERAC

40
INDICE
Introducción .................................................................................40
Lea este manual completamente ..........................................40
Contenido ............................................................................41
Operación y mantenimiento ..................................................41
Cómo obtener servicio .........................................................41
Reglas de seguridad .....................................................................41
Índice de estándares ............................................................43
Desempaque/inspección ..............................................................43
Requerimiento de NEC .................................................................43
Antes de empezar ........................................................................43
Preparación del sitio y ubicación del generador .............................44
Conversión a Gas licuado de petróleo ...........................................45
Instalación y conexión de líneas de gas ........................................46
Conexiones eléctricas externas .....................................................47
Activación del generador ..............................................................48
Cartilla de activación ............................................................49
Conexiones del generador - Interruptor EZ ....................................48
Apéndice A - Instalación del interruptor EZ y pruebas
de operación .............................................................................50
Instalación de la batería ........................................................52
Pruebas de operación ..........................................................52
Apéndice B - Interruptor de transferencia RTSX y RTSD
Prueba de instalación y operación .............................................54
Cobertura de circuito seleccionado.......................................55
Cobertura de circuito de casa completa ................................56
Conexiones eléctricas ..........................................................56
Pruebas de operación ..........................................................57
Apéndice C - Administración de carga digital (Digital Load
Managment DLM) .....................................................................59
Apéndice D - Módulos de administración de carga digital
(Digital Load Managment DLM) .................................................60
Conexión del módulo de corte de alimentación (lsm) ......................60
Pruebas de funcionamiento y ajustes ..............................................61
Apéndice E - Fijando la función de ejercicio automático ................61
INTRODUCCIÓN
Gracias por comprar este generador compacto impulsado por motor,
refrigerado por aire, de alto rendimiento. Está diseñado para proveer
energía eléctrica en forma automática para operar cargas críticas durante
una falla de la electricidad comercial.
Esta unidad está instalada de fábrica en una caja metalica para todo
clima prevista exclusivamente para su instalación en exteriores. Este
generador operará usando ya sea propano líquido en vapor (LP) o gas
natural (GN).
NOTA:
Este generador es adecuado para suministrar cargas
residenciales típicas como motores de inducción (bombas,
refrigeradores, aires acondicionados, chimeneas, etc),
componentes electrónicos (computadoras, monitores, tele-
visores, etc.), cargas de iluminación y microondas.
LEA ESTE MANUAL COMPLETAMENTE
Si alguna parte de este manual no se entiende bien, póngase en contacto
con el concesionario más cercano para conocer los procedimientos de
arranque, operación y servicio.
A lo largo de esta publicación, y en lo que respecta a las etiquetas
y calcomanías fijadas en el generador, los bloques de PELIGRO,
ADVERTENCIA, CUIDADO Y NOTA se usan para alertar al personal sobre
instrucciones especiales sobre una operación en particular que puede ser
peligrosa si se ejecuta en forma incorrecta o sin cuidado. Obsérvelas con
cuidado. Sus definiciones son como sigue:
PELIGRO
INDICA UNA SITUACIÓN PELIGROSA O ACCIÓN QUE, SI NO SE EVITA,
TRAERÁ COMO RESULTADO LA MUERTE O UN DAÑO SERIO.
ADVERTENCIA
Indica una situación peligrosa o acción que, si no se evita, podría
traer como resultado la muerte o un daño serio.
CUIDADO
Indica una situación peligrosa o acción que, si no se evita, puede
traer como resultado un daño menor o mo-derado.
NOTA:
Las notas contienen información adicional importante para
un procedimiento y se les encontrará dentro del cuerpo de
este manual.
Estas advertencias de seguridad no pueden eliminar los peligros que
indican. El sentido común y un estricto cumplimiento de las instrucciones
especiales cuando se realiza la acción o servicio son esenciales para
evitar accidentes.
Cuatro símbolos de seguridad usados comúnmente acompañan los
bloques de PELIGRO, ADVERTENCIA y CUIDADO. El tipo de información
que cada uno indica es como sigue:
Este símbolo señala importante información de seguridad que,
si no se sigue, puede poner en peligro la seguridad personal
y/o las propiedades de otros.
Este símbolo indica un peligro potencial de explosión.
Indice

41
Este símbolo indica un peligro potencial de incendio.
Este símbolo indica un peligro potencial de choque eléctrico.
El operador es responsable del uso apropiado y seguro de este equipo.
El fabricante recomienda encarecidamente que el operador lea este
Manual de Propietario y entienda completamente todas las instrucciones
antes de usar este equipo. El fabricante asimismo recomienda con igual
firmeza el instruir a otros usuarios para arrancar y operar apropiadamente
la unidad. Esto los prepara si necesitan operar el equipo en alguna
emergencia.
CONTENIDO
Este manual contiene información pertinente al propietario de estos
modelos:
• 7 kW NG, 8 kW LP, motor de un cilindro GH-410
• 9 kW NG, 10 kW LP, motor V-twin GH-530
• 13 kW NG, 13 kW LP, motor V-twin GH-990
• 13 kW NG, 14 kW LP, motor V-twin GH-990
• 16 kW NG, 16 kW LP, motor V-twin GH-990
• 16 kW NG, 17 kW LP, motor V-twin GH-990
• 18 kW NG, 20 kW LP, motor V-twin GH-999
OPERACIÓN Y MANTENIMIENTO
Es responsabilidad del operador el realizar todos los chequeos de
seguridad, asegurarse de que se haya realizado adecuadamente
todo el mantenimiento para una segura operación, y hacer revisar
periódicamente el equipo por un concesionario. El normal mantenimiento
y reemplazo de piezas son de responsabilidad del propietario/operador y,
como tal, no se considera defectos de material ni mano de obra dentro
de los términos de la garantía. Los hábitos individuales de operación y
uso contribuyen a la necesidad de servicio de mantenimiento.
Un mantenimiento apropiado y el cuidado del generrador aseguran un
número mínimo de problemas y mantienen los gastos operativos al
mínimo. Consulte a su concesionario para que lo ayude en el servicio y
con los accesorios.
CÓMO OBTENER SERVICIO
Cuando el generador requiere servicio o repuestos, busque ayuda con
el concesionario. Los técnicos de servicio están capacitados en fábrica
y son capaces de manejar todas las necesidades de servicio. De ayuda
para localizar un distribuidor: 888-436-3722.
Al ponerse en contacto con un concesionario respecto a repuestos y
servicio, siempre proporcione el número de modelo y de serie de la unidad
tal como está en la calcomanía de datos, ubicada en el generador. Vea la
ubicación de la calcomanía en la sección de “El Generador”.
Modelo No. _________________ Serie No. ______________
REGLAS DE SEGURIDAD
ADVERTENCIA
Guarde estas instrucciones – El fabricante sugiere
que estas reglas para la operación segura se copien
y publiquen cerca del sitio de instalación de la uni-
dad. Debe insistirse en la seguridad para todos los
operadores y potenciales operadores de este equipo.
Estudie estas REGLAS DE SEGURIDAD con cuidado antes de instalar,
operar o dar servicio a este equipo. Familiarícese con este Manual del
propietario y con la unidad. El generador puede operar en forma segura,
eficiente y confiable sólo si se le instala, se le opera y mantiene en forma
apropiada. Muchos accidentes son causados por no seguir reglas o
precauciones simples y fundamentales.
El fabricante no puede anticipar todas las posibles circunstancias
que puedan involucrar peligros. Las advertencias en este manual y
en las etiquetas y calcomanías fijadas en la unidad son, por tanto, no
completamente inclusivas. Si se usa un procedimiento, método de trabajo
o técnica de operación que el fabricante no recomienda específicamente,
asegúrese de que sea seguro para los demás. Asimismo asegúrese que
el procedimiento, método de trabajo o técnica de operación utilizada no
vuelva inseguro al generador.
PELIGRO
A despecho del muy seguro diseño de este genera-
dor, el operar este equipo en forma imprudente, con
deficiente mantenimiento o en forma descuidada,
puede causar posibles daños o la muerte. Permita
sólo que personas responsables y capaces instalen,
operen y den mantenimiento a este equipo.
Estas máquinas generan voltajes potencialmente
letales. Asegúrese de que se haya tomado todos los
pasos para hacer la máquina segura antes de inten-
tar trabajar en el generador.
Partes del generador están girando y/o calientes
durante la operación. Tenga mucho cuidado en las
cercanías de los generadores en funcionamiento.
La instalación debe siempre cumplir con los códi-
gos, estándares, leyes y regulaciones aplicables.
Un generador en funcionamiento expele monóxido
de carbono, un gas venenoso sin color ni aroma. La
inhalación de monóxido de carbono puede causar
dolor de cabeza, fatiga, mareos náuseas, vómitos,
ataques o muerte.
ADVERTENCIA PROPOSICIÓN 65 DE CALIFORNIA
El Estado de California sabe que el escape del motor y algunos
de sus componentes causan cáncer, defectos de
nacimiento y otros daños reproductivos.
ADVERTENCIA PROPOSICIÓN 65 DE CALIFORNIA
Este producto contiene o emite químicos que el Estado
de California sabe que causan cáncer, defectos de
nacimiento u otros daños reproductivos.
Instrucciones de seguridad importantes

42
PELIGROS GENERALES
• Por razones de seguridad, el fabricante recomienda que a este equipo se
le dé servicio, sea instalado y reparado por un concesionario de servicio
u otro electricista calificado o un técnico de instalación competente que
esté familiarizado con los códigos, estándares y regulaciones aplicables. El
operador también debe cumplir estos códigos, estándares y regulaciones.
• Los humos del escape del motor contienen monóxido de carbono,
que puede ser MORTAL. Este gas peligroso, si se aspira en
concentraciones suficientes, puede hacerle perder la conciencia y
causarle la muerte. NO altere ni agregue nada al sistema de escape ni
haga nada que pueda volver inseguro al sistema o que no cumpla con
los códigos y estándares aplicables.
• Instale una alarma de monóxido de carbono operada con baterías en
los interiores, de acuerdo a las recomendaciones e instrucciones del
fabricante.
• El flujo adecuado y sin obstrucciones de aire para ventilación y
refrigeración es crítico para la correcta operación del generador. No
altere la instalación ni permita que haya siquiera un bloqueo parcial
de la provisión de ventilación, ya que esto puede afectar seriamente la
operación segura del generador. El generador DEBE ser instalado y
operado sólo en exteriores.
• Mantenga las manos, pies, ropa, etc, lejos de las correas de tracción,
ventiladores y otras partes móviles o calientes. Nunca retire correa
de tracción alguna o protección de ventilador mientras la unida esté
operando.
• Al trabajar con este equipo, manténgase alerta en todo momento.
Nunca trabaje en el equipo cuando esté física o mentalmente fatigado.
• Inspeccione el generador con regularidad, y póngase en contacto
con el concesionario más cercano si necesita repararlo o conseguir
repuestos.
• Antes de realizar cualquier mantenimiento al generador, desconecte los
cables de su batería para evitar un arranque accidental. Desconecte
primero el cable del borne de la batería indicado como NEGATIVO,
NEG; o (-) y luego retire el cable POSITIVO, POS o (+). Al reconectar
los cables, conecte el cable POSITIVO primero, luego el cable
NEGATIVO al final.
• Nunca use el generador ni alguna de sus partes como escalón.
Pararse sobre la unidad puede tensar y romper partes, y puede traer
como resultado condiciones peligrosas de operación como escape de
gases, combustible o aceite.
PELIGROS ELÉCTRICOS
• Todos los generadores cubiertos por este manual producen voltajes
eléctricos peligrosos y pueden causar descargas eléctricas fatales.
El servicio eléctrico doméstico entrega voltajes altos y peligrosos
al interruptor de transferencia como lo hace el generador cuando
está en operación. Evite el contacto con cables pelados, terminales
conexiones, etc. mientras la unidad está funcionando. Asegúrese
que todas las cubiertas, protecciones y barreras apropiadas se
encuentren en su lugar y/o bloqueadas antes de operar el generador.
Si es necesario trabajar alrededor de una unidad en operación, párese
sobre una superficie seca y aislada para reducir el peligro de choque
eléctrico.
• No manipule ningun tipo de dispositivo eléctrico mientras esté de pie
sobre agua, con los pies descalzos o con las manos o pies húmedos.
PUEDE HABER UNA DESCARGA ELÉCTRICA COMO RESULTADO.
• El Código Eléctrico Nacional (NEC) requiere que el marco y las partes
externas que son conductores eléctricos estén conectadas a una conexión
a tierra aprobada. Los códigos eléctricos locales pueden asimismo
requerir una apropiada conexión a tierra del sistema eléctrico del
generador.
• Luego de instalar este sistema de respaldo eléctrico doméstico, el
generador puede arrancar en cualquier momento sin advertencia.
Cuando esto ocurra, los circuitos de carga son transferidos a la fuente
de energía de RESPALDO (generador). Para evitar daños posibles
si ocurren tales arranques y transferencias, siempre coloque el
interruptor de AUTO/OFF/MANUAL del generador en su posición OFF
antes de trabajar en el equipo y retire los fusibles de 15A del panel de
control del generador.
• En caso de un accidente causado por descarga eléctrica, apague
inmediatamente la fuente de energía eléctrica. Si esto no es posible,
intente liberar a la víctima del conductor vivo. EVITE EL CONTACTO
DIRECTO CON LA VÍCTIMA. Une un implemento no conductivo, como
una soga seca o una tabla, para liberar a la víctima del conductor vivo.
Si la víctima está inconsciente, aplique los primeros auxilios y consiga
ayuda médica inmediatamente.
• Nunca use joyas al trabajar con este equipo. Las joyas pueden
conducir electricidad y traer como resultado una descarga eléctrica, o
puede quedar atrapada en los componentes móviles.
PELIGRO DE INCENDIO
• Para mayor seguridad contra incendios, el generador debe instalarse
y mantenerse en forma apropiada. La instalación debe siempre
cumplir con los códigos, estándares, leyes y regulaciones
aplicables. Adhiérase esctríctamente a los códigos nacionales,
estatales y locales de electricidad y construcción. Cumpla con las
regulaciones que la Administración de salud y seguridad ocupacional
(OSHA) ha establecido. Asimismo asegúrese de que el generador
sea instalado de acuerdo con las instrucciones y recomendaciones
del fabricante. Luego de una instalación apropiada, no haga nada que
pueda alterar una segura instalación ni hacer que la unidad no cumpla
con los mencionados códigos, estándares, leyes y regulaciones.
• Tenga un extinguidor cerca al generador en todo momento. Los
extinguidores marcados “ABC” por la Asociación nacional de
protección contra incendios son los apropiados para usarse en
los sistemas eléctricos de emergencia. Mantenga el extinguidor
apropiadamente cargado y familiarícese con su uso. Consulte su
departamento local de bomberos cualquier duda respecto a los
extinguidores.
PELIGRO DE EXPLOSIÓN
• No fume alrededor del generador. Limpie cualquier derrame de
combustible o aceite inmediatamente. Asegúrese de que no haya
dejado materiales combustible en el compartimiento del generador,
en o cerca del generador, ya que pueden causar INCENDIOS y/o
EXPLOSIONES. Mantenga el área circundante del generador limpia y
libre de desperdicios.
• Los fluidos gaseosos como el gas natural y el gas propano líquido
(GLP) son extremadamente explosivos. Instale el sistema de
abastecimiento de combustible de acuerdo a los códigos aplicables
para combustible y gas. Antes de colocar el sistema de respaldo
eléctrico de respaldo en servicio, las líneas del sistema de combustible
deben purgarse apropiadamente y buscar fugas de acuerdo al
código aplicable. Luego de la instalación, inspeccione el sistema de
combustible periodicamente en busca de fugas. No se permiten fugas.
Instrucciones de seguridad importantes

43
ÍNDICE DE ESTÁNDARES
En ausencia de los estándares, códigos, regulaciones o leyes pertinentes,
la información publicada listada abajo puede usarse como guía para la
instalación de este equipo.
1. NFPA No. 37, STATIONARY COMBUSTION ENGINES AND GAS
TURBINES, disponible en la National Fire Protection Association, 470
Atlantic Avenue, Boston, MA 02210.
2. NFPA No. 76A, ESSENTIAL ELECTRICAL SYSTEMS FOR HEALTH
CARE FACILITIES, disponible igual que el Item 1.
3. NFPA No. 54, NATIONAL FUEL GAS CODE, disponible igual que el
Item 1.
4. NFPA No. 58, AMERICAN NATIONAL STANDARD FOR STORAGE
AND HANDLING OF LIQUEFIED PETROLEUM GAS, disponible igual
que el Item 1.
5. NFPA No. 70, NFPA HANDBOOK OF NATIONAL ELECTRIC CODE,
disponible igual que el Item 1.
6. Artículo X, NATIONAL BUILDING CODE, disponible en la American
Insurance Association, 85 John Street, New York, N.Y. 10038.
7. AGRICULTURAL WIRING HANDBOOK, disponible en la Food and
Energy Council, 909 University Avenue, Columbia, MO 65201.
8. ASAE EP-3634, INSTALLATION AND MAINTENANCE OF FARM
STANDBY ELECTRICAL SYSTEMS, disponible en la American Society
of Agricultural Engineers, 2950 Niles Road, St. Joseph, MI 49085.
9. NFPA No. 30, FLAMMABLE AND COMBUSTIBLE LIQUIDS CODE,
disponible igual que el Item 1.
PELIGRO
Solo electricistas o contratistas calificados deberán
intentar estas instalaciones, que deben cumplir
estrictamente con los códigos estándares y regula-
ciones aplicables.
DESEMPAQUE/INSPECCIÓN
Luego del desempaque, inspeccione cuidadosamente si hay daños
en el contenido.
• Este generador de respaldo está listo para su instalación con una
almohadilla base pre montada y proporcionada de fábrica y tiene una
caja protectora contra el clima que está diseñada para la instalación en
exteriores solamente.
• Este generador de respaldo listado por la UL puede empacarse con
un interruptor de transferencia automática con un centro de cargas
incorporado. La combinación de interruptor de transferencia y centro
de cargas está pre-cableada con un conductor de dos pies y 30
pies. Los interruptores de circuido para conexiones de circuito de
emergencia están incluidos (si está equipado con ellos).
• Este interruptor de dos polos listado en la UL nominalmente es de
100 o 200 amperios AC a un máximo de 250 voltios. El interuptor de
transferencia de 100 Amp es para uso en interiores únicamente. El
interruptor de transferencia de 200 Amp es para uso en exteriores/
interiores (si está equipado con él).
ADVERTENCIA
Si este generador se usa para energizar circuitos
de carga eléctrica normalmente energizados por
una fuente de energía de servicio público, el código
requiere que se instale un interruptor de transfer-
encia. El interruptor de transferencia debe aislar
efectivamente el sistema eléctrico del sistema de
distribución de energía pública cuando el generador
está operando (NEC 700, 701 & 702). El no aislar un
sistema eléctrico de esa manera traerá como resul-
tado daños al generador y también puede causar
daños o la muerte a los trabajadores del servicio
público eléctrico debido a una realimentación de la
energía eléctrica.
Si se nota alguna pérdida o daños el momento de la entrega, haga que la
persona que entrega la carga tome nota de todos los daños en la guía de
embarque o coloque su firma debajo del memo del consignatario sobre
pérdida o daños.
Si se nota una pérdida o daño luego de la entrega, separe los
materiales dañados y póngase en contacto con el transportista para los
procedimientos de reclamo.
“Daño oculto” se entiende como el daño al contenido de un paquete que
no se evidencia al momento de la entrega, pero se descubre luego.
Para abrir apropiadamente el techo, presione sobre el labio superior
central y libere el pestillo. Si la presión no se aplica desde arriba, el
techo puede parecer atascado. Siempre verifique que el cierre lateral esté
abierto antes de intentar levantar el techo.
REQUERIMIENTOS DE NEC
El cumplimiento del código local puede requerir que AFCI sean
incorporados en el panel de distribución del interruptor de transferencia.
El interruptor de transferencia proporcionado con este generador tiene un
panel de distribución que aceptará los AFCI.
Las partes de Siemens Nº Q115AF - 15A o Q120AF - 20A se pueden
obtener de un proveedor mayorista eléctrico local y reemplazarán
simplemente cualquiera de los interruptores de circuito de un polo
suministrados en el panel de distribución del interruptor de
transferencia.
ANTES DE EMPEZAR
Contacte al inspector local o a las autoridades para estar consciente de
todos los códigos federales, estatales y locales que pudieran impactar a
la instalación. Asegure todos los permisos requeridos antes de empezar
el trabajo.
Lea cuidadosamente y siga todos los procedimientos y precauciones
de seguridad detallados en la guía de instalación. Si cualquier parte
del manual de instalación, el manual técnico u otros documentos
proporcionados por la fábrica no se entiende completamente, contacte al
concesionario.
Cumpla completamente con todos los estándares relevantes de NEC,
NFPA y OSHA así como todos los códigos eléctricos y de construcción
locales, federales y estatales. Así como cualquier generador, esta unidad
debe instalarse de acuerdo con los estándares actuales NFPA 37 y NFPA
70 así como cualquier otro código federal, estatal y local sobre distancias
mínimas desde otras estructuras.
Información General

44
PREPARACIÓN DEL SITIO Y UBICACIÓN DEL
GENERADOR
1. Ubique el area de montaje lo más cerca posible al interuptor de
transferencia y fuente de combustible.
Deje adecuado espacio alrededor del área para acceso de servicio
(revise el código local), y colóquelo lo suficientemente alto para
evitar que el agua alcance al generador.
Elija un espacio abierto que proporcionará un flujo de aire adecuado
y sin obstrucciones (ver la sección de “Ubicación” en el manual del
propietario).
2. Coloque la unidad para que los respiraderos no se atoren con hojas,
césped, nieve o residuos. Asegúrese de que los humos del escape
no ingresen al recinto a través de aleros, ventanas, ventiladores u
otros ingresos de aire.
Cave un área rectangular de aproximadamente cinco pulgadas de
profundidad y seis pulgadas más largo y ancho que la huella del
generador. Cubra con una película de poliuretano y llene con gravilla
o piedra chancada. Compacte y nivele la piedra. Se puede vertir una
capa de concreto si se desea.
3. Inspeccione si el generador tiene daños por el embarque y si es
necesario, presente un reclamo con el transportador.
Retire las bandas que sostienen el generador a la paleta de madera.
4. Asegúrese de que el equipo de elevación a usarse tenga la suficiente
capacidad para manejar en forma segura el peso del generador.
Use cuerdas de elevación de nylon y conéctelas a los ojales de
elevación en cada esquina del marco de la base para evitar daños en
la caja.
5. Coloque el generador en la almohadilla para que la cama de gravilla
se extienda algunas pulgadas más allá del generador en todos los
lados.
Asegúrese de que el generador esté nivelado dentro de la 1/2
pulgada.
6. Conecte una correa de tierra aprobada a la oreja de tierra en el
marco de base y a una tierra aprobada o varilla de tierra como lo
especifican las regulaciones locales.
Información General

45
7. Revise el aceite de motor y si es necesario, agregue lo suficiente
del aceite recomendado para llevar el nivel a la marca de FULL en la
varilla. Tenga cuidado de no sobrecargar el cárter.
CONVERSIÓN A GAS LICUADO DE PETRÓLEO
1. El generador fue configurado para operación con gas natural en la
fábrica. El cambio a GLP es un procedimiento simple.
En los modelos con un motor de cilindro único, empiece
desconectando y retirando la batería si está instalada.
2. Tome el manubrio en T de plástico del selector de combustible en la
bolsa suministrada con el generador y ubique la pestaña selectora
en la cubierta de la caja de aire. Inserte el extremo del pasador en
el agujero de la pestaña selectora y tire hacia afuera para vencer la
presión del resorte. Luego gire en sentido horario 90º y deje regresar
al selector una vez que esté alineado con la posición de LP.
Palanca de
selección de
combustible -
posición para
gas natural
3. En las unidades de 10 kW, abra el techo, suelte la abrazadera
delantera de la manguera de entrada y deslíce la manguera lejos del
accesorio de la manguera.
Palanca de
selección de
combustible -
Posición para
propano líquido
4. Deslice el pasador del selector de combustible sobre el carburador
afuera hacia la parte de atrás de la caja.
5. Reemplace la maguera de entrada y ajuste la abrazadera en forma
segura.
Palanca de selección de combustible -
Posición “fuera” para gas propano líquido
6. En todos los otros modelos, simplemente retire la cubierta del
limpiador de aire y deslice el pasador del selector de combustible
hacia afuera desde la posición de gas natural a la de LP.
Información General

46
INSTALACIÓN Y CONEXIÓN DE LÍNEAS DE GAS
1. El gas natural y el vapor de LP son substancias áltamente volátiles,
de modo que es escencial la estricta adhesión a todos los
procedimientos de seguridad, estándares y regulaciones.
Las conexiones de línea de gas deberán ser efectuadas por un
plomero certificado familiarizado con los códigos locales. Use
siempre una tubería de gas aprobada por la AGA y un sellador o
compuesto para justas de tubería de calidad.
Verique la capacidad del medidor de gas natural o el tanque de LP
respecto a proporciona el combustible suficiente para el generador y
otros dispositivos operativos.
2. La mayoría de aplicaciones requerirán una válvula de cierre manual
externa en la línea de combustible.
3. En el lugar en que la línea de gas ingresa al generador, instale
un accesorio en T para el monitoreo de la presión de gas. En
una abertura del accesorio instale un chupón NPT de ¼” y una
tapa roscada. En algunos casos se puede instalar una trampa de
sedimentos.
4. Al conectar la línea de gas al generador, use la sección
proporcionada de línea de combustible flexible aprobada por la
AGA y listada en la UL de acuerdo con las regulaciones locales.
El propósito de la línea flexible de combustible es asegurar que la
vibración del generador no cause una fuga de gas en uno de los
puntos de conexión, de modo que es importante que la línea se
instale con la menor cantidad posible de dobleces.
5. Nunca doble la línea flexible de combustible para evitar usar un codo.
El doblar una línea flexible disminuye su capacidad de absorber
vibraciones y frustra su propósito así como constriñe su flujo real de
combustible.
Información General

47
6. Después de comprobar que no haya fugas, revise la presión del
gas en el regulador para asegurarse de que no hay presión de gas
suficiente para la operación del generador. Consulte el manual
del propietario para conocer las especificaciones de presión de
combustible. Si no es dentro de estos límites, en contacto con su
proveedor de gas local.
7. Al finalizar la revisión de la presión de gas, cierre la válvula manual
de cierre.
CONEXIONES ELÉCTRICAS EXTERNAS
1. Taladre un agujero de 1 ¾ de pulgada y alimente el conductor a través
del agujero.
2. Retire la tapa rebatible detrás de la caja de conexiones, alimente los
cables a través de la parte de atrás de la caja y asegure al conducto
con la tuerca de cierre.
Selle el agujero con masilla de silicona. No olvide enmasillar el
agujero dentro de la caja también.
3. Monte la caja de conexiones de modo que cubra completamente el agujero
en la pared. Masille alrededor de los lados y encima de la caja para asegurar
un buen sello.
Conecte todos los cables a las orejas en la caja de conexión (negro con
negro, rojo con rojo y blanco con blanco). Una el cable de tierra verde al
tornillo de tierra y conecte los dos pequeños conectores a sus respectivos
receptáculos.
Información General

48
4. Vuelva a colocar la placa cubierta protectora y tornillo de retención,
y cierre la caja de conexiones.
5. Para modelos de 10-20 kW, ubique el pestillo de metal que se
empaca en la bolsa del manual del propietario. Inserte el pestillo
en la ranura ubicada a la izquierda de la caja de interruptores del
circuito externo. Asegúrese de que el pasador del pestillo mire hacie
el frente del generador. Si se desea, cierre la caja externa.
ACTIVACIÓN DEL GENERADOR
Cuando se aplica la energía de la batería al generador durante el proceso
de instalación, el controlador se iluminará. Sin embargo, el generador aún
necesita activarse antes de que funcione automáticamente en el caso de
un apagón eléctrico.
La activación del generador es un proceso simple de un solo paso que
es guiado por los requerimientos de la pantalla del controlador. Una vez
que el producto está activado, la pantalla del controlador no lo pedirá
nuevamente, aún si se desconecta la batería del generador.
Luego de obtener su código de activación, por favor complete los
siguientes pasos en el panel de control del generador en la cartilla de
activación. (mostrada en la siguiente página).
CONEXIONES DEL GENERADOR -
INTERRUPTOR EZ
1. Si el generador viene con una caja de conexión externa y látigo de
sellado fuerte de 5’ precableado y conectado al generador, no se
necesita conexiones adicionales en el generador. Sáltese la sección
siguiente y proceda con el apéndice A, Instalación del interruptor EZ
y pruebas de operación.
2. Si el interruptor EZ fue adquirido en forma separada del generador,
se necesitará un látigo de sellado duro de 5’ para conectarse al
generador. Para completar el cableado corra un conducto de ¾” para
las puntas de energía y cables de control desde la caja de conexión
eléctrica al generador.
3. Retire los dos tornillos que aseguran la cubierta del área de
conexión, y retire la cubierta.
4. Pase los cables a través de la parte de atrás del generador y asegure
el conducto con una tuerca de cierre.
5. Pase las puntas de energía a traves del liberador de tensión
proporcionado.
6. El interruptor de circuito está adjunto al panel de acceso exterior.
Información General

49
CARTILLA DE ACTIVACIÓN
ELEGIR IDIOMA DETECCIÓN DE FALLAS
La pantalla dice: Use las teclas de FLECHA para llegar al idioma
deseado. Presione ENTER para seleccionar.
Si se elige el idioma incorrecto, se le puede
cambiar posteriormente usando el menú de
“edición”.
La pantalla dice: Presione ENTER para empezar el proceso de
activación.
Si se presiona ESCAPE en lugar de ENTER, su
generador sólo funcionará en modo manual
(para propósitos de prueba) y se mostrará NO
ACTIVADO. Tendrá que quitar el fusible del panel
de control del generador y desconecte el T1, N1
y N2 conector en la caja de conexión externa
(si está instalado), o desconectar la entrada de
servicios públicos (interruptor principal) para el
interruptor de transferencia de 5.3 segundos y
vuelva a conectar, a continuación, comience por
el paso 1.
La pantalla dice: Si no tiene su código de activación, vaya a www.
activategen.com o llame al 1-888-9ACTIVATE
(922-8482).
Si ya tiene su código de activación, espere de 3 a
5 segundos la siguiente pantalla.
INGRESAR CÓDIGO DE ACTIVACIÓN (contraseña) DETECCIÓN DE FALLAS
La pantalla dice: Use las teclas de FLECHA para navegar y
encontrar el primer número de su código de
activación.
Presione ENTER para seleccionar.
Repita este paso hasta que todos los dígitos
hayan sido ingresados.
Use ESCAPE para corregir los dígitos anteriores.
La pantalla dice: La activación está completa cuando todos los
dígitos se hayan ingresado arriba y su pantala
muestra esto.
Siga los pedidos del controlador para seguir
configurando la función de tiempo. Consulte su
manual del propietario si tiene preguntas.
¿Qué sucede si aparece “contraseña errada,
intente nuevamente”?
Reingrese el código de activación. Si un segundo
intento es infructuoso, revise el número contra
el código entregado en activategen.com. Si es
correcto y el generador no lo acepta, póngase en
contacto con el 1-888-9ACTIVATE (922-8482).
“SELEC HORA (0-23)”
“- +”6
Escape Intro
Serie 123456789
Contraseña XXXXX +/-
Escape Intro
Para activar vaya a
www.activategen.com
Escape Intro
Activar me (INT) o
ESC p/func en manual
Escape Intro
Idioma
- Español +
Escape Intro
Información General

50
7. Retire los conectores plásticos dentro del área de acceso al
interruptor principal para permitir la conexión de las puntas de
energía al interruptor de circuito.
8. Ahora conecte las puntas de energía roja y negra al interruptor de
circuito. En vista de que esta es una aplicación monofásica, no
importa qué cable se conecta a qué oreja.
9. Conecte el cable de tierra verde del equipamiento con la barra del
bus de tierra y dé torque de hasta 35 libras-pulg. Los valores de
torque son:
• 10-14 AWG = 35 in/lbs
• 8 AWG = 40 in/lbs
• 4-6 AWG = 114.30 cm/lbs
T1
N2
N1
209 210 0194 23
Neutral
NEUTROTIERRA
Tierra
NEUT
TIERRA
Ubicación de amarre
de cable
10. Conect el cable neutro blanco a la barra de bus netural con torque de
35 pulg-lb. Los valores de torque son:
• 10-14 AWG = 35 in/lbs
• 8 AWG = 40 in/lbs
• 4-6 AWG = 114.30 cm/lbs
11. Conecte los cables de control a los terminales correctos. Los
terminales están marcados claramente N1 y N2 para sensado de
servicios públicos; 23 y 194 para control del relé de transferencia;
y T1 y 0 para carga de la batería. En interruptores pre-cableados, el
cable 0 (cero) no estará presente/no será requerido.
NOTA:
Con el fin de mantener la separación de circuitos, los
cables de control DC deben estar separados de los
cables de control AC. Un pedazo de manga de fibra de
vidrio se ha proporcionado en el kit manual para lograr
esto. Deslice la manga sobre los cables de AC o los
cables DC, pero no ambos, desde el área de descanso
del cable al exterior del generador. Use las ubicaciones
de amarre de cable para sostener la manguera en su
lugar.
12. Un cable de control conectado en forma inapropiada puede dañao el
tablero de control del generador.
APÉNDICE A - INSTALACIÓN DEL INTERRUP-
TOR EZ Y PRUEBAS DE OPERACIÓN
1. Antes de emprezar cualquier instalación, asegúrese que la energía
esté apagada al panel de distribución principal y lea cuidadosamente
el manual del propietario que vino con el interruptor de transferencia.
El interruptor del centro de cargas distribuídas debe ser montado
cerca del panel de distibución principal para acomodar el conducto
precableado de dos pies. Asegúrese de que no gotee agua ni
sustancias corrosivas en la caja del interruptor de transferencia.
Apéndice A

51
2. Siempre inspeccione el interruptor si tiene daños por el embarque.
Nunca monte un interruptor de transferencia que muestre alguna
evidencia de daño.
3. Protéjalo contra impactos y monte el interruptor verticalmente a una
estructura de soporte rígida. Asegúrese de que el interruptor esté
nivelado y a plomo.
El interruptor de transferencia es un interruptor de transición abierta.
Los interruptores de transición abierta evitan la realimentación
eléctrica entre el generador y el servicio público permitiendo sólo
que los circuitos de carga se conecten a una fuente de energía a la
vez.
4. Cada cable en el interruptor de transferencia pre cableado está
codificado en color para emparejarse fácilmente en el panel principal
con sus nuevos interruptores en el interruptor de transferencia.
MUEVA ambos circuitos
o no mueva ninguno
5. Cuando se usa cable de tres conductores, dos circuitos de 120
voltios frecuentemente compartirán el mismo cable neutral.
Para evitar sobrecargar el neutral, mueva AMBOS circuitos que
comparten el neutral o no mueva ninguno de ellos.
6. Al mover dos circuitos con un neutral compartido, deberán estar
conectados a posiciones adyacentes (una sobre la otra) en el
interruptor de transferencia. Eso asegurará que los dos cables
calientes estén en fases separadas y mantendrán su relación con el
neutral.
7. Elija un circuito a ser respaldado y retire la punta de energía del
interruptor.
8. Usando tuercas de cable listadas UL, reconecte la punta de energía
al interruptor apareado en el interruptor de transferencia.
9. Asegúrese de que cada circuito movido esté protegido por el
interruptor del mismo tamaño en el interruptor de transferencia.
Circuitos de 15 amp deben conectarse a interruptores de 15
ampreios y circuitos de 20 amps a interruptores de 20 amperios.
Apéndice A

52
10. Conecte el neutral grande provisto a la barra neutral en el panel de
distribución.
11. Instale un interruptor de 2 polos en el panel de distribución para
proteger al interruptor de transferencia. El amperaje nominal
requerido del interruptor depende del interruptor de transferencia que
se use. El centro de carga procableado conmuta el interruptor y no
puede exceder los 70 amperios. Este interruptor debe ser compatible
con el panel de distribución eléctrica existente.
Instale el interruptor en dos ranuras vacías adyacentes (una encima
de la otra) en el panel principal.
Consulte con NFPA 70E
12. Cuando todos los circuitos de prioridad hayan sido movidos al
interruptor de transferencia, cierre el interruptor principal para
restaurar la energía pública y asegúrese de que el voltaje público en
el interruptor de transferencia sea el correcto. Consulte al NFPA 70-E
por el equipo de seguridad requerido al trabajar dentro del interruptor
de transferencia vivo.
INSTALACIÓN DE LA BATERÍA
1. Antes de comprar una batería para el generador, consulte en el
manual del propietario una lista de baterías recomendadas. Siga
todos los procedimientos y precauciones de seguridad en el manual
del propietario al instalar la batería.
2. Siga todos los procedimientos y precauciones de seguridad en el
manual del propietario del generador al instalar la batería. Verifique
que el interruptor esté en la posición de apagado. Al preparar la
prueba de operación, NO conecte la batería hasta que las conexiones
del interruptor de transferencia estén completas.
PRUEBAS DE OPERACIÓN
1. Apague el interruptor de circuito principal del generador y ponga el
interruptor de modo en la posición OFF (apagado).
Apéndice A

53
2. Asegúrese que la energía pública esté apagada y coloque todos
los interruptores de circuito de prioridad en el interruptor de
transferencia en la posición OFF (apagado).
3. Ubique el manubrio de transferencia, inserte el extremo de metal en
la ranura en la unidad conectora principal y tire el manubrio hacia
ABAJO para mover los contactos principales a la posición de energía
de respaldo o generador.
NUNCA OPERE EL INTERRUPTOR DE TRANSFERENCIA
MANUALMENTE CUANDO LAS CARGAS ESTÉN CONECTADAS.
4. Coloque el interruptor de modo del generador en MANUAL para arrancar
el motor.
Deje que el motor caliente, luego conmute el interruptor
principal del generador a la posición ON (encendido). El generador
está ahora suministrando electricidad al interruptor de transferencia
pero no está llevando ninguna carga.
5. Asegúrese de que el voltaje y la frecuencia del generador sea
correcta. Si el voltaje de línea a línea no es aproximadamente 240
voltios, consulte los procedimientos apropiados de ajuste en el
manual del propietario. En todos los modelos, si el voltaje de línea
a neutro no es 120 voltios, revise las conexiones de neutro entre el
generador y el interruptor de transferencia.
6. Al terminar de revisar el voltaje, conmute el interruptor de circuito
principal del generador a OFF y coloque el interruptor de modo en la
posición OFF para apagar el generador.
7. Asegúrese de que el interruptor de circuito de 2 polos instalado en el
panel de distribución principal esté en la posición OFF.
8. Use el manubrio de transferencia para mover los contactos
principales en el interruptor de transferencia a la posición ARRIBA
(servicio público). Conmute el interruptor de 2 polos a ON en el
panel de distribución.
9. Ahora conmute el interruptor principal del generador a ON, y ponga
el interruptor de modo en AUTO.
10. Apague la energía pública y asegúrese que el generador arranque
automáticamente.
Apéndice A

54
11. Si todo trabaja en forma apropiada, conmute el interruptor principal
a ON y asegúrese que la energía se transfiera automáticamente de
regreso al servicio público.
12. Luego de que el motor ha completado su ciclo de enfriamiento y se
ha apagado, apague la energía pública nuevamente.
Cuando el generador esté suministrando energía al interruptor de
transferencia, mueva los interruptores en el interruptor a la posición
ON, uno a la vez, hasta que el generador haya aceptado la carga de
prioridad entera.
13. Con el generador llevando la carga de prioridad entera, revise la
presión del gas para verificar que está al mismo nivel que estaba
antes de que arranque el generador.
NOTA:
Aún si el generador está funcionando sin problemas en
este punto, una caída en la presión del gas indica que
el suministro es apenas adecuado para suministrar las
necesidades del generador. Cambios en la carga del
generador, o una demanda adicional de gas por otros
aparatos pueden afectar el rendimiento del generador.
Verifique la presión del gas y el tamaño de la tubería.
Desenganche el manómetro y reinstale la tapa del puerto.
14. Encienda el interruptor principal para restaurar la energía pública.
El generador continuará funcionando para permitir que el motor se
enfríe antes de apagarse solo.
Apague la energía pública nuevamente. El generador deberá arrancar y
la carga de prioridad entera deberá transferirse al generador.
Cierre el interruptor principal para restaurar la energía pública y deje
que el motor enfríe y se apague.
15. Las pruebas de operación están ahora completas. Consulte -
Configurando la función de ejercicio automático para completar la
instalación.
APÉNDICE B - INTERRUPTOR DE TRANS-
FERENCIA RTSX Y RTSD PRUEBA DE INSTA-
LACIÓN Y OPERACIÓN
1. Antes de emprezar cualquier instalación, asegúrese que la energía
esté apagada al panel de distribución principal y lea cuidadosamente
el manual del propietario que vino con el interruptor de transferencia.
Para simplificar el proceso de instalación, el interruptor de
transferencia deberá montarse lo más cerca posible del panel de
distribución principal. Asegúrese de que no gotee agua ni sustancias
corrosivas en la caja del interruptor de transferencia.
Apéndice B

55
2. Siempre inspeccione el interruptor si tiene daños por el embarque.
Nunca monte un interruptor de transferencia que muestre alguna
evidencia de daño.
3. Protéjalo contra impactos y monte el interruptor verticalmente a una
estructura de soporte rígida. Asegúrese de que el interruptor esté
nivelado y a plomo.
Revise los códigos locales antes de cablear el interruptor de
transferencia. Algunas jurisdicciones requieren que el cableado
dentro del interruptor sea hecho por un electricista licenciado.
Revise los códigos locales
4. Todo el cableado debe ser del tipo y tamaño correctos, y debe
cumplir todos los códigos, estándares y regulaciones. Consulte el
manual del propietario del interruptor de transferencia y el código
eléctrico nacional para mayor información.
5. Como con cualquier producto, pueden ocurrir cambios en el diseño
en el tiempo, de modo que consulte siempre los gráficos en el
manual del propietario del interruptor de transferencia para las
conexiones requeridas y precauciones de seguridad.
Interruptor de transición abierta
• Evita la realimentación eléctrica
• Circuitos de carga aislados a fuente
de energía única
6. El interruptor de transferencia en uso es un interruptor de
transición abierta. Los interruptores de transición abierta evitan
la realimentación eléctrica entre el generador y el servicio público
permitiendo sólo que los circuitos de carga se conecten a una fuente
de energía a la vez.
COBERTURA DE CIRCUITO SELECCIONADO
Aislamiento de circuito de respaldo
Panel
principal
Panel de
emergencia
1. El generador alimenta sólo circuitos designados que están agrupados
y cableados en un panel de distribución de prioridad separado. El
interruptor de transferencia está instalado entre el panel de distribución
principal y el panel de prioridad.
El amperaje nominal del interruptor de transferencia debe ser igual
o mayor que el más alto amperaje nominal del servicio público y los
interruptores del generador que alimentan el interruptor.
Apéndice B

56
COBERTURA DE CIRCUITO DE CASA COMPLETA
Aislamiento total
Panel
principal
Desconexión
del servicio
1. El generador estará respaldando todas las cargas eléctricas dentro
del panel, de modo que el amperaje nominal del interruptor de
transferencia debe ser igual o mayor que el amperaje nominal del
servicio público normal.
A menos que se use un interruptor de transferencia nominal para
servicio, se debe ubicar una desconexión de servicio principal
antes del interruptor de transferencia. El interruptor de transferencia
debe ser instalado entre la entrada del servicio público y el panel de
distribución del edificio.
Aislamiento total
Panel
principal
2. Un interruptor de transferencia nominal de servicio es instalado entre
el servicio y el panel de distribución principal. El interruptor nominal
de servicio se vuelve el principal servicio de modo que no se
necesita desconexión del servicio. El panel de distribución principal
existente se convierte en un sub-panel.
3. La tierra que está normalmente en el panel principal debe
conseguirse en el interruptor nominal de servicio y debe estar
desconectada en el panel de distribución existente. Consulte el
Código Eléctrico Nacional (NEC) para una información completa
sobre conexión a tierra y ajustes.
CONEXIONES ELÉCTRICAS
1. Conecte las puntas de energía desde el generador y el servicio
público a las lengüetas apropiadas en el interruptor de transferencia.
Las lengüetas están claramente marcadas en el interruptor.
N = Suministro público normal
E = Panel de conexión del generador
T = Panel de distribución de carga
2. Cables neutrales desde el servicio público y el generador están
conectados a la misma lengüeta neutral en el interruptor.
3. Conecte los cables de control del generador a las ubicaciones
designadas. Los cables 0, 23 y 194 se conectan a la franja terminal;
N1, N2, y T1 se conectan directamente a los soportes de fusibles.
Apéndice B

57
4. Complete el cableado al interruptor de transferencia conectando los
cables de tierra del equipo del servicio público y el generador a la
lengüeta de tierra.
5. Teniendo cuidado de sostener las lengüetas, aplique torque a las
lengüetas en el interruptor de transferencia a las especificaciones
en el interruptor de transferencia. Calcomanía ubicada dentro de la
puerta del interruptor.
PRUEBAS DE OPERACIÓN
1. Si se instala el interruptor RTSD, el servicio fue cambiado, así que
asegúrese de que las terminaciones estén bien antes de volver a
energizar el servicio público.
2. Apague el interruptor principal del servicio público. Consulte al NFPA
70-E por el equipo de seguridad requerido al trabajar dentro del
interruptor de transferencia vivo.
3. Energice el servicio público y revise el voltaje línea a línea y línea
a neutro en los terminales N1 y N2 del contactor de transferencia.
Si el voltaje de línea a línea no es aproximadamente de 240 voltios,
desenergice la energía pública y revise las terminaciones entre el
servicio público y N1 y N2.
Si el voltaje de línea a neutro no es aproximadamente 120 voltios,
desenergice la energía pública y revise las terminaciones neutrales.
Repita la misma revisión de voltajes en los terminales T1 y T2 para
asegurarse que la corriente fluya en forma apropiada a través del
contactor.
4. Apague el interruptor de circuito principal del generador y ponga el
interruptor de modo en la posición OFF (apagado).
5. Asegúrese que la energía pública esté apagada y coloque todos los
interruptores de
circuito
individual en el panel principal de distribución
en la posición OFF (apagado).
6. Ubique el manubrio de transferencia, inserte el extremo de metal en
la ranura en la unidad de contactor principal. Tire el manubrio ABAJO
para mover los contactos principales a la posición de energía de
respaldo (generador).
NUNCA OPERE EL INTERRUPTOR DE TRANSFERENCIA
MANUALMENTE CUANDO LAS CARGAS ESTÉN CONECTADAS.
7. Coloque el interruptor de modo del generador en MANUAL para arrancar el
motor.
Deje que el motor caliente, luego conmute el interruptor principal del
generador a la posición ON (encendido). El generador está ahora
suministrando electricidad al interruptor de transferencia pero no está
llevando ninguna carga.
Apéndice B

58
8. Asegúrese de que el voltaje y la frecuencia del generador sea
correcta. Si el voltaje de línea a
línea no es aproximadamente
240 voltios, consulte los procedimientos
apropiados de ajuste
en el manual del propietario. Si el voltaje de línea a neutro no es
aproximadamente 120 voltios, revise las conexiones de neutro entre
el generador y el interruptor de transferencia.
9. Apague el interruptor de circuito principal del generador y ponga el
interruptor de modo en la posición OFF (apagado) para apagar el
generador.
10. Con el servicio público aun apagado, use el manubrio de
transferencia para mover los contactos principales a la posición
ARRIBA (servicio público).
11. Cierre el interruptor principal para encender la energía pública.
12. Conmute el interruptor principal del generador a la posición ON y
coloque el interruptor de modo en AUTO.
13. Apague la energía pública y asegúrese de que el generador arranca
automáticamente luego del retardo del interruptor de línea.
14. Conmute el interruptor de energía pública a ON y asegúrese de
que la energía se transfiera automáticamente de regreso al servicio
público.
15. Apague la energía pública nuevamente para arrancar
automáticamente el generador. Cuando la energía se haya transferido
al generador, cierre cada uno de los interruptores en el panel de
distribución uno a la vez hasta que el generador haya aceptado la
carga entera.
Apéndice B

59
16. Con el generador llevando la carga entera, revise la presión del
gas para verificar que está al mismo nivel que estaba antes de que
arranque el generador.
NOTA:
Aún si el generador está funcionando sin problemas en
este punto, una caída en la presión del gas indica que
el suministro es apenas adecuado para suministrar las
necesidades del generador. Cambios en la carga del
generador, o una demanda adicional de gas por otros
aparatos pueden afectar el rendimiento del generador.
Verifique la presión del gas y el tamaño de la tubería.
Desenganche el manómetro y reinstale la tapa del
puerto.
17. Encienda el interruptor de servicio público para restaurar la energía
pública al hogar.
18. El generador continuará funcionando para permitir que el motor se
enfríe, luego se apaga solo.
19. Apague la energía pública nuevamente. El generador deberá arrancar
y la carga de prioridad entera deberá transferirse al generador.
20. Cierre el interruptor principal para restaurar la energía pública y deje
que el motor enfríe y se apague.
Las pruebas de operación están ahora completas. Consulte el
apéndice E - Configurando la función de ejercicio automático para
completar la instalación.
APÉNDICE C - ADMINISTRACIÓN DE CARGA
DIGITAL (DIGITAL LOAD MANAGMENT DLM)
1. Para controlar un acondicionador de aire, conecte el terminal Y del
termostato a uno de los terminales A/C 1. Conecte el otro terminal
A/C 1 al terminal Y del aire acondicionado.
Use cable de cobre 18 – 26 AWG. Consulte el manual del propietario
para los requerimientos específicos de torque y conexión.
2. Para controlar un segundo aire acondicionado haga lo mismo
usando los terminales marcados A/C 2.
65
NOTA:
Para información específica del cable de control AC, por favor
consulte el manual de operación o de propietario de los sistemas de
aire acondicionado.
Apéndice C

60
APÉNDICE D - MÓDULOS DE ADMINIS-
TRACIÓN DE CARGA DIGITAL (DIGITAL LOAD
MANAGMENT DLM)
El controlador de carga puede operar hasta cuatro DLMs separados, cada
uno conectado de la misma forma que abajo.
• La caja NEMA 3R del módulo DLM se puede instalar en interiores o
exteriores. Si la caja se monta en exteriores se DEBE orientar con el
agujero de drenaje en la parte de abajo.
• El módulo DLM está acondicionado con ubicaciones del dispositivo
de eliminación del conducto. Estas ubicaciones del dispositivo de
eliminación son las únicas ubicaciones en las que el conducto deberá
estar unida a la caja. Un taco de tierra se proporciona dentro de la caja
con el fin de conectar a tierra al conducto.
CONEXIÓN DEL MÓDULO DE CORTE DE ALIMENTACIÓN
(LSM)
El LSM puede controlar un aire acondicionado (24 VAC) directamente o
un contactor separado (120 VAC) que puede controlar cualquier carga
conectada a él (ver figura).
Secuencia de operación
Los 4 LEDs verdes de estatus indicarán cuando un nivel de prioridad de
carga esté habilitado.
• Todas las cargas están habilitadas cuando la señal de transferencia
está apagada. (ATS en posición de servicio público).
• Si la señal de transferencia está abajo (activa)
• Todas las cargas están habilitadas hasta que se detecte una sobre-
carga
• Cuando se detecta una sobrecarga todas las cargas se deshabilitan
• Luego de 5 minutos, las cargas de prioridad 1 se habilitan.
• Luego de otros 30 segundos, las cargas de prioridad 2 se habilitan.
• Luego de otros 30 segundos, las cargas de prioridad 3 se habilitan.
• Luego de otros 30 segundos, las cargas de prioridad 4 se habilitan.
Si se detecta una sobrecarga dentro de los 30 segundos de habilitar
un nivel, todas las cargas se deshabilitan otra vez y la secuencia se
repite. Sin embargo, el nivel que causó la sobrecarga y todos los niveles
mayores no serán habilitados nuevamente por 30 minutos.
Control de carga de aire acondicionado
1. Enrute el cable del termostato (des de la chimenea/termostato a la
unidad de aire acondicionado exterior) al interruptor de transferencia.
2. Conecte el cable a los terminales de la tira terminal (Air 1) en el LSM
como se muestra en la Figura 2.2. Estos son contactos normalmente
cerrados que se abren en condiciones de corte de alimentación.
Enrute el cable del termostato lejos de los cables de alto voltaje.
0 Ground
194 +12V
23 Transfer
T1
NEUTRAL
AIR 1
AIR 2
CONTACTOR
1
CONTACTOR
2
CONTACTOR
3
CONTACTOR
4
Priority 1
Priority 2
Priority 3
Priority 4
0 Tierra
194 +12V
23 Transfer
T1
NEUTRAL
AIRE 1
AIRE 2
CONTACTOR
1
CONTACTOR
2
CONTACTOR
3
CONTACTOR
4
Prioridad 1
Prioridad 2
Prioridad 3
Prioridad 4
Contactor #1 Carga #1
Fuente
Cables de bobina
Contactor #2 Carga #2
Fuente
Contactor #4 Carga #4
Fuente
Contactor #3 Carga #3
Fuente
Conexiones del módulo de cambio de carga
Apéndice D

61
3. Si se requiere, conecte el segundo aire acondicionado a los
terminales de la tira terminal (Air 2).
Nominales del contacto
Air 1 y 2 24 VAC, 5.0 Amps Max
NOTA:
Estas instrucciones son para una instalación típica de aire
acondicionado. El control de la bomba de calor y los aires
acondicionados de 2 etapas requerirá conexiones espe-
ciales.
Control de un conector separado
Un módulo de relé contactor separado se puede adquirir del fabricante.
Si se usa un relé diferente debe tener un voltaje de bobina de 120 VAC. El
LSM suministra 120 VAC con fusibles de 5A para energizar las bobinas
de los contactores del relé (contactor 1, 2, 3 o 4).
1. Monte el módulo contactor y conecte la carga a los contactos
principales.
2. Conecte la bobina del contactor a los terminales dell LSM deseado
(contactor 1, 2, 3 o 4) en la tira terminal.
3. Conecte los contactores de corte de alimentación adicionales en
forma similar.
NOTA:
Será necesario determinar el orden del “corte” de las car-
gas conectadas y conectar las cargas al LSM en ese orden.
Uno es la más alta prioridad y cuatro es la prioridad más
baja.
CUIDADO
Realice pruebas funcionales en el orden exacto
presentado en este manual, o se hará daño al inter-
ruptor.
IMPORTANTE: Antes de proceder con las pruebas funcionales, lea y
asegúrese de que todas las instrucciones e información en esta sección
hayan sido entendidas. Asimismo, lea la información e instrucciones de
las etiquetas y calcomanías fijadas al interruptor. Notar cualquier opción
o accesorios que puedan estar instalados y revise su operación.
NOTA:
Esta prueba se puede realizar con el servicio público o el
generador conectado a las cargas. Sin embargo, si el gen-
erador está abasteciendo a las cargas y hay sobrecarga, el
controlador puede haber apagado ya ciertas cargas.
Presione el botón de “TEST” (prueba) en el controlador de carga. Esta
función desconectará todas las cargas controladas por el controlador.
El controlador de carga luego reconectará cada carga en forma pausada
como se describe en el manual del propietario del interruptor de
transferencia.
PRUEBAS DE FUNCIONAMIENTO Y AJUSTES
Luego de la instalación e interconexión del interruptor de
transferencia, inspeccione la instalación completa con cuidado. Un
electricista competente y calificado deberá hacer la inspección. La
instalación debe cumplir estrictamente todos los códigos, estándares
y regulaciones aplicables. Cuando esté completamente seguro de
que la instalación es la apropiada y correcta complete una prueba
funcional del sistema.
CONNECTIONS 0G9651B
GENERATOR SOURCE
CUSTOMER LOAD
T1
E1
T2
E2
0D9618-TO
(C2 & VR2)
STANDBY
UTILITY
(C1 & VR1)
48850-T
0C4449A-T
TO REMOVE BONDING
NEUTRAL AND ENCLOSURE
NEUTRAL BONDED
DISCONNECT BUSBAR BETWEEN
600 Volt, 5 amp.
type and rating
Replace with UL
listed fuse of same
0D3587
0G4220
0G9651A
CONNECTIONS
SOURCE
UTILITY
N1 N2
(UPPER)
(LOWER)
0 GROUND
15B +12V
23 TRANSFER
AIR 1
AIR 2
PRIORITY 1
PRIORITY 2
PRIORITY 3
PRIORITY 4
T1
NEUTRAL
CONTACTOR
1
CONTACTOR
2
CONTACTOR
3
CONTACTOR
4
WARNING
CUSTOMER CONNECTION
NOTE WIRE ORIENTATION
0G8137
DC COMMON
+12VDC
TRANSFER
3
2
1
23
15B
3
2
01
MÓDULO
DLM
Calentador de
agua
APÉNDICE E - FIJANDO LA FUNCIÓN DE EJER-
CICIO AUTOMÁTICO
2. La pantalla entrará en un modo de asistente de instalación cuando
se conecte la batería por primera vez. El asistente le pedirá ingresar
primero la fecha y hora actual, y luego el día y hora del ejercicio.
Si la batería se desconecta y reconecta alguna vez, o se reemplaza el
fusible, el asistente de instalación se mostrará otra vez, pero sólo se
deberá ingresar la fecha y hora actual.
3. Si es necesario cambiar la hora o día del ejercicio, presione la tecla
de escape para acceder al menú principal.
4. Presione la flecha izquierda o derecha hasta que destelle “Edit” y
presione enter.
5. Presione la flecha izquierda o derecha hasta que se muestre la hora
del ejercicio y presione enter.
6. Usando la flecha y la tecla enter, fije primero la hora del ejercicio en
formato de 24 horas, seguido por el minuto, y finalmente el día.
7. Una vez fijada, el generador se ejercitará cada semana a la misma
hora. Asegúrese de mostrar a los propietarios cómo fijar la función
de ejercicio para el día y hora en que lo requieran.
8. Si el generador está equipado con la característica de ejercicio de
baja velocidad,
este fue habilitado de fábrica y no se necesita ajuste
alguno.
Cada instalación tiene sus propias circunstancias y requerimientos.
Este folleto proporciona guías para instalaciones básicas solamente
y no tiene la intención de cubrir todas las aplicaciones. Si persisten
dudas luego de leer cuidadosamente toda
la documentación recibida
con el equipo, contacte al concesionario más cercano y pida ayuda.
Apéndice E
Parte No. 0H8538 Revisión G (24/03/11) Impreso en los EE.UU.

63
CONSIGNES
D’INSTALLATION
Générateurs refroidis à l’air
www.generac.com ou 1-888-GENERAC

64
TABLE DES MATIÈRES
Introduction .................................................................................64
Lire attentivement ce manuel ................................................64
Contenu ...............................................................................65
Fonctionnement et maintenance ...........................................65
Comment obtenir l’entretien ..................................................65
Règles de sécurité ........................................................................65
Index des normes.................................................................67
Déballage/ inspection ...................................................................67
Exigences NEC .............................................................................67
Avant de commencer ...................................................................67
Préparation du site et mise en place du générateur ........................68
Transformation en vapeur de PL ...................................................69
Installation et raccordement des canalisations de gaz ...................70
Branchements électriques externes...............................................71
Activation du générateur ...............................................................72
Tableau d’activation ..............................................................73
Branchements du générateur - Commutateur EZ ...........................72
Annexe A - Installation et test opérationnel du commutateur EZ .....74
Installation de la batterie .......................................................76
Test opérationnel ..................................................................76
Annexe B - Installation et test opérationnel du commutateur
de transfert RTSX et RTSD ........................................................78
Couverture du circuit sélectionné..........................................79
Couverture du circuit multipièce ...........................................79
Branchements électriques ....................................................80
Test opérationnel ..................................................................80
Annexe C - Gestion numérique de la charge (DLM) .......................83
Annexe D - Modules de gestion numérique de la charge (DLM) .....83
Branchement des connexions du module
de délestage (LSM) ..............................................................83
Annexe E - Définition de la fonction de programme de test
automatique ..............................................................................85
INTRODUCTION
Nous vous remercions d’avoir acheté ce générateur entraîné par moteur
compact, à haute performance, refroidi à l’air. Il est conçu pour fournir
l’alimentation électrique afin de faire fonctionner les charges critiques
pendant une coupure de courant.
Cette unité est installée en usine dans une enveloppe en métal imperméable
qui est exclusivement conçue pour une installation à l’extérieur. Ce
générateur fonctionnera à l’aide de propane liquide (PL) ou de gaz naturel
(GN) retiré vapeur.
REMARQUE :
Ce générateur est approprié pour l’alimentation des charges
résidentiels habituelles telles que les moteurs à induction
(pompes de vidange, réfrigérateurs, climatiseurs, fours, etc.),
les composants électriques (ordinateur, écran, télévision, TV,
etc.), les charges d’éclairage et les micro-ondes.
LIRE ATTENTIVEMENT CE MANUEL
En cas d’incompréhension d’une partie de ce manuel, contacter le
dépositaire le plus proche pour connaître les procédures de démarrage,
de fonctionnement et d’entretien.
Dans tout ce manuel, et sur les étiquettes et sur les autocollants apposés
sur le générateur, les blocs DANGER, AVERTISSEMENT, ATTENTION et
REMARQUE servent à alerter le personnel d’instructions spéciales au
sujet d’une opération spécifique qui peut s’avérer dangereuse si elle
n’est pas effectuée correctement ou avec précaution. Les respecter
attentivement. Leurs définitions sont les suivantes :
INDIQUE UNE SITUATION OU UNE ACTION DANGEREUSE QUI, SI
ELLE N’EST PAS ÉVITÉE, ENTRAÎNERA LA MORT OU DES BLESSURES
GRAVES.
AVERTISSEMENT!
Indique une situation ou une action dangereuse qui, si elle n’est pas
évitée, pourrait entraîner la mort ou des blessures graves.
ATTENTION!
Indique une situation ou une action dangereuse qui, si elle n’est pas
évitée, entraînera des blessures légères ou modérées.
REMARQUE :
Les remarques contiennent des informations
supplémentaires importantes relatives à une procédure et
se trouvent dans le corps de texte régulier de ce manuel.
Ces avertissements de sécurité ne peuvent pas éliminer les dangers qu’ils
signalent. Le sens commun et le respect strict des instructions spéciales
lors de l’action ou l’entretien sont essentiels pour éviter les accidents.
Quatre symboles de sécurité couramment utilisés accompagnent les
blocs DANGER, AVERTISSEMENT et ATTENTION. Chacun indique le type
d’informations suivant :
Ce symbole indique des informations importantes relatives à la
sécurité qui, si elles ne sont pas suivies, pourraient mettre en
danger la sécurité personnelle et/ou les biens des autres.
Ce symbole indique un risque potentiel d’explosion.
Table des matières

65
Ce symbole indique un risque potentiel d’incendie.
Ce symbole indique un risque potentiel d’électrocution.
L’opérateur est responsable de l’utilisation correcte et sûre de l’équipement.
Le fabricant recommande fortement que l’opérateur lise ce Manuel
d’entretien et comprenne parfaitement toutes les instructions avant
d’utiliser cet équipement. Le fabricant recommande aussi fortement
d’apprendre à d’autres utilisateurs comment correctement démarrer et
faire fonctionner l’unité. Cela les prépare au cas où ils auraient besoin de
faire fonctionner l’équipement pour une urgence.
CONTENU
Ce manuel contient des informations pertinentes du propriétaire pour ces
modèles :
• Moteur GH-410 à un cylindre, 7 kW de GN, 8 kW de PL
• Moteur GT-530 à deux cylindres, 9 kW de GN, 10 kW de PL
• Moteur GT-990 à deux cylindres, 13 kW de GN, 13 kW de PL
• Moteur GT-990 à deux cylindres, 13 kW de GN, 14 kW de PL
• Moteur GT-990 à deux cylindres, 16 kW de GN, 16 kW de PL
• Moteur GT-990 à deux cylindres, 16 kW de GN, 17 kW de PL
• Moteur GT-999 à deux cylindres, 18 kW de GN, 20 kW de PL
FONCTIONNEMENT ET MAINTENANCE
L’opérateur a la responsabilité d’effectuer tous les contrôles de sécurité,
afin de s’assurer que toute la maintenance pour le fonctionnement sûr
est effectuée rapidement et que l’équipement est contrôlé régulièrement
par un dépositaire. Le service de maintenance normal et le remplacement
des pièces sont la responsabilité du propriétaire/ de l’opérateur et, en
tant que tels, ne sont pas considérés comme des défauts matériels ou de
fabrication selon les conditions de la garantie. Les habitudes et usages
de fonctionnement individuels contribuent à la nécessité du service de
maintenance.
La bonne maintenance et le bon entretien du générateur assurent un
nombre minimal de problèmes et des dépenses d’exploitation minimales.
Consulter un dépositaire pour obtenir des aides et des accessoires
d’entretien.
COMMENT OBTENIR L’ENTRETIEN
Si un entretien ou des réparations sont nécessaires sur l’équipement,
contacter un dépositaire pour obtenir de l’aide. Les techniciens d’entretien
sont formés en usine et sont capables de gérer tous les besoins en
entretien. Pour faciliter la localisation un concessionnaire: 888-436-3722.
Lorsque vous contactez un dépositaire au sujet des pièces et de
l’entretien, il faut toujours fournir les numéros de modèle et de série
complets de l’unité qui sont indiqués sur son étiquette d’identification,
qui est située sur le générateur. Voir la section « Le générateur » pour
connaître l’emplacement de l’étiquette.
N° de modèle _____________ N° de série _____________
RÈGLES DE SÉCURITÉ
AVERTISSEMENT!
Conserver ces consignes – Le fabricant recom-
mande que ces règles relatives au fonctionnement
sûr soient copiées et affichées à proximité du site
d’installation de l’unité. Tous les opérateurs et opéra-
teurs potentiels de cet équipement doivent prendre
conscience de la question de la sécurité.
Lire attentivement ces RÈGLES DE SÉCURITÉ avant l’installation, le
fonctionnement ou l’entretien de cet équipement. Se familiariser avec
ce Manuel d’entretien et l’unité. Le générateur peut fonctionner en
toute sécurité, de façon efficace et de façon fiable uniquement s’il est
correctement installé, utilisé et entretenu. De nombreux accidents sont
dus au non-respect de règles ou précautions simples et essentielles.
Le fabricant ne peut pas anticiper toutes les situations possibles qui
peuvent impliquer un danger. Les avertissements de ce manuel et figurant
sur les étiquettes et les autocollants apposés sur l’unité ne sont, toutefois,
pas exhaustifs. Si vous suivez une procédure, une méthode de travail
ou une technique de fonctionnement que le fabricant ne recommande
pas en particulier, assurez-vous qu’elle est sans danger pour les autres.
S’assurer que la procédure, la méthode de travail ou la technique de
fonctionnement choisie ne rende pas le générateur dangereux.
Malgré la conception sûre de ce générateur, faire
fonctionner ce générateur de façon imprudente,
négliger sa maintenance ou ne pas prendre de
précaution peut entraîner des blessures corporelles
ou la mort. Seulement autoriser les personnes
responsables et compétentes pour installer, faire
fonctionner et effectuer la maintenance de cet
équipement.
Ces machines génèrent des tensions potentiellement
mortelles. S’assurer que toutes les étapes sont
suivies pour rendre la machine sûre avant de
commencer à travailler sur le générateur.
Les pièces du générateur tournent et/ou sont
chaudes pendant le fonctionnement. Soyez prudent
si vous êtes à proximité des générateurs en fonction-
nement.
L’installation doit toujours respecter les codes,
normes, lois et réglementations applicables.
Un générateur en marche émet du monoxyde de
carbone et du gaz toxique inodore et invisible.
Respirer du monoxyde de carbone peut causer
des céphalées, de la fatigue, des vertiges, des
vomissements, une confusion, une attaque, des
nausées, des évanouissements ou la mort.
AVERTISSEMENT PROPOSITION 65 CALIFORNIE
L'échappement du moteur et certains de ses constituants sont
susceptibles selon l'État de Californie d'entraîner des cancers,
des malformations congénitales ou pouvant être nocifs pour le
système reproductif.
AVERTISSEMENT PROPOSITION 65 CALIFORNIE
Ce produit contient ou émet des produits chimiques susceptibles
selon l'État de Californie d'entraîner des cancers, des malformations
congénitales ou autres maladies pouvant être nocives pour le
système reproductif.
Règles de sécurité

66
DANGERS GÉNÉRAUX
• Pour des raisons de sécurité, le fabricant recommande que cet
équipement soit installé, entretenu et réparé par un dépositaire d’entretien
ou autre électricien ou technicien d’installation compétent et qualifié qui
connaît tous les codes, normes et réglementations applicables. L’opérateur
doit respecter tous ces codes, normes et réglementations applicables.
• Les fumées d’échappement du moteur contiennent du monoxyde
de carbone, qui peut s’avérer MORTEL. Ce gaz dangereux, s’il est
respiré en concentrations suffisantes, peut entraîner une perte de
conscience ou même la mort. Ne pas modifier ou ajouter le système
d’échappement ou effectuer toute opération qui rendrait le système
dangereux ou non conforme aux codes et normes applicables.
• Installer un détecteur d’oxyde de carbone à alimentation par batterie à
l’intérieur, conformément aux instructions et aux recommandations du
fabricant.
• Un débit approprié, non obstrué d’air de refroidissement et de
ventilation est important pour corriger le fonctionnement du
générateur. Ne pas modifier l’installation ou ne pas laisser même
un blocage partiel de l’alimentation de ventilation, étant donné que
cela peut sérieusement affecter le fonctionnement sûr du générateur.
Le générateur DOIT être installé et fonctionner à l’extérieur
uniquement.
• Tenir les mains, les pieds, les vêtements, etc., à distance des
courroies de transmission, des ventilateurs et d’autres pièces mobiles
ou chaudes. Ne jamais retirer toute courroie de transmission ou tout
protège-ventilateur pendant que l’unité fonctionne.
• Lors du travail sur cet équipement, conserver l’alerte à tout moment.
Ne jamais travailler sur l’équipement en cas de fatigue physique ou
mentale.
• Inspecter régulièrement le générateur et contacter le dépositaire le
plus proche pour les pièces qui nécessitent une réparation ou un
remplacement.
• Avant d’effectuer toute maintenance sur le générateur, débrancher ses
câbles de batterie afin d’empêcher un démarrage accidentel. Débrancher
le câble de la borne de la batterie signalée par l’inscription NEGATIVE
(Négatif), NEG ou (–) en premier, puis retirer le câble de la borne
POSITIVE (Positif), POS ou (+). Lors du rebranchement des câbles,
branchez le câble POSITIVE (Positif) en premier et le câble NEGATIVE
(Négatif) en dernier.
• Ne jamais utiliser le générateur ou n’importe laquelle de ses pièces
comme marche. Monter sur l’unité peut écraser et casser les pièces,
et peut entraîner des conditions de fonctionnement dangereuses suite
à une fuite de gaz d’échappement, une fuite de carburant, une fuite
d’huile, etc.
DANGERS ÉLECTRIQUES
• Tous les générateurs traités par ce manuel produisent des tensions
électriques dangereuses et peuvent entraîner une électrocution
mortelle. Le réseau électrique délivre des tensions extrêmement
élevées et dangereuses au commutateur de transfert comme le
générateur de secours pendant son fonctionnement. Éviter le contact
avec les fils nus, les bornes, les branchements, etc., pendant le
fonctionnement de l’unité. S’assurer que tous les couvercles, les
dispositifs de protection et les barrières sont en place, sécurisés et/
ou verrouillés avant de faire fonctionner le générateur. Si un travail
doit être effectué autour d’une unité en fonctionnement, rester sur une
surface isolée et sèche pour réduire le risque de danger électrique.
• Ne jamais manipuler tout type de dispositif électrique qui est dans
l’eau, alors que vous êtes pieds nus ou que vos mains ou vos pieds
sont mouillés. CELA ENTRAÎNERA UN RISQUE D’ÉLECTROCUTION.
• Le National Electric Code (NEC) (Code électrique national) exige
que le bâti et que les pièces externes électriquement conductrices
du générateur soient correctement reliés à une terre approuvée. Les
codes électriques locaux peuvent également exiger la bonne mise à la
terre du système électrique du générateur.
• Après avoir installé ce système électrique de secours à usage
domestique, le générateur peut tourner et démarrer à tout moment
sans avertissement. Lorsque cela se produit, les circuits de
charge sont transférés vers la source d’alimentation de SECOURS
(générateur). Afin d’éviter des blessures éventuelles si de tels
démarrage et transfert se produisent, toujours régler l’interrupteur
AUTO/OFF/MANUAL (Auto/arrêt/manuel) sur la position OFF (Arrêt)
avant de travailler sur l’équipement et retirer le fusible de 15 A du
panneau de commande du générateur.
• En cas d’accident causé par électrocution, couper immédiatement la
source d’alimentation électrique. Si cela est impossible, essayer de
libérer la victime du conducteur sous tension. ÉVITER TOUT CONTACT
DIRECT AVEC LA VICTIME. Utiliser un objet non conducteur, comme
une corde ou une planche sèche, pour libérer la victime du conducteur
sous tension. Si la victime est inconsciente, assurer les premiers
secours et demander une aide médicale immédiate.
• Ne jamais porter de bijoux lors du travail sur cet équipement. Les
bijoux peuvent être conducteurs et entraîner une électrocution ou
peuvent s’accrocher sur les composants mobiles, entraînant des
blessures.
RISQUES D’INCENDIE
• Pour la sécurité contre les incendies, le générateur doit être
correctement installé et entretenu. L’installation doit toujours
respecter les codes, normes, lois et réglementations applicables.
Strictement respecter les codes de construction et électriques locaux,
d’État et nationaux. Conformément aux réglementations, l’Occupational
Safety and Health Administration (OSHA) (Gestion de la sécurité et la
santé au travail) a été établi. S’assurer également que le générateur
est installé conformément aux instructions et aux recommandations
du fabricant. Après une bonne installation, ne rien faire qui pourrait
altérer une installation sûre et rendre l’unité non conforme aux codes,
normes, lois et réglementations susmentionnés.
• Garder un extincteur à proximité du générateur à tout moment. Les
extincteurs portant la mention « ABC » par la National Fire Protection
Association (Association nationale pour la protection contre les
incendies) sont adaptés à une utilisation sur le système électrique de
secours. Garder l’extincteur correctement chargé et se familiariser
avec son utilisation. Consulter les pompiers locaux en cas de
questions relatives aux extincteurs.
RISQUES D’EXPLOSION
• Ne pas fumer à proximité du générateur. Nettoyer immédiatement toute
éclaboussure de carburant ou d’huile. S’assurer qu’aucune matière
combustible ne reste dans, sur ou à proximité du générateur, étant
donné que cela peut entraîner un INCENDIE ou une EXPLOSION. Garder
l’espace environnant du générateur propre et sans débris.
• Les fluides gazeux tels que le gaz naturel et le propane liquide (PL)
sont extrêmement EXPLOSIFS. Installer le système d’alimentation en
carburant conformément aux codes en matière de carburant et de
gaz. Avant de mettre en service le système électrique de secours à
usage domestique, il faut purger les tuyaux du système de carburant et
tester les fuites conformément au code applicable. Après l’installation,
inspecter le système de carburant régulièrement afin de s’assurer qu’il
n’y a pas de fuite. Aucune fuite n’est autorisée.
Règles de sécurité

67
INDEX DES NORMES
En l’absence de normes, codes, réglementations et lois applicables,
les informations publiées indiquées ci-dessous peuvent servir de guide
d’installation de cet équipement.
1. NFPA n° 37, STATIONARY COMBUSTION ENGINES AND GAS
TURBINES (Moteurs à combustion et turbines à gaz stationnaires),
disponible auprès de la National Fire Protection Association
(Association nationale pour la protection contre les incendies), 470
Atlantic Avenue, Boston, MA 02210.
2. NFPA n° 76A, ESSENTIAL ELECTRICAL SYSTEMS FOR HEALTH
CARE FACILITIES (Systèmes électriques principaux destinés
aux établissements de soins de santé), disponible comme
précédemment.
3. NFPA n° 54, NATIONAL FUEL GAS CODE (Code national sur le gaz
combustible), disponible comme précédemment.
4. NFPA n° 58, AMERICAN NATIONAL STANDARD FOR STORAGE AND
HANDLING OF LIQUEFIED PETROLEUM GAS (Norme américaine en
matière de stockage et de manipulation des gaz de pétrole liquéfiés),
disponible comme précédemment.
5. NFPA n° 70, NFPA HANDBOOK OF NATIONAL ELECTRIC CODE
(Manuel NFPA du code électrique national), disponible comme
précédemment.
6. Article X, NATIONAL BUILDING CODE (Code de construction
national), disponible auprès de l’American Insurance Association,
85 John Street, New York, N.Y. 10038.
7. AGRICULTURAL WIRING HANDBOOK (Manuel de câblage agricole),
disponible auprès du Food and Energy Council, 909 University
Avenue, Columbia, MO 65201.
8. ASAE EP-3634, INSTALLATION AND MAINTENANCE OF FARM
STANDBY ELECTRICAL SYSTEMS (Installation et maintenance des
systèmes électriques de secours pour les fermes), disponible auprès
de l’American Society of Agricultural Engineers, 2950 Niles Road, St.
Joseph, MI 49085.
9. NFPA n° 30, FLAMMABLE AND COMBUSTIBLE LIQUIDS CODE (Code
relatif aux liquides inflammables et combustibles), disponible comme
précédemment.
Seuls des électriciens ou des prestataires qualifiés
doivent travailler sur ces installations, qui doivent
être strictement conformes aux codes, normes et
réglementations applicables.
DÉBALLAGE/ INSPECTION
Après le déballage, inspecter attentivement le contenu afin de s’assurer
qu’il n’y a pas de dommage.
• Ce générateur de secours est prêt à être installé avec une plaque de
pose fournie et pré-montée en usine et est équipé d’une enveloppe
imperméable destinée à une installation à l’extérieur uniquement.
• Ce générateur de secours certifié UL peut être accompagné d’un
commutateur de transfert automatique avec centre de distribution
intégré. L’association du commutateur de transfert et du centre de
distribution est précâblée avec un conduit de câbles de deux pieds et
de 30 pieds. Des disjoncteurs pour les branchements du circuit de
secours sont inclus (le cas échéant).
• Cet interrupteur bipolaire certifié UL est conçu pour 100 ou
200 ampères CA à 250 volts maximum. Le commutateur de transfert
de 100 A est destiné à une utilisation à l’intérieur uniquement.
Le commutateur de transfert de 200 A est destiné à une utilisation à
l’intérieur/ l’extérieur (le cas échéant).
AVERTISSEMENT!
Si ce générateur est utilisé pour alimenter des circuits
de charge électriques, normalement alimentés par
une source d’alimentation publique, le code exige
d’installer un commutateur de transfert. Le commutateur
de transfert doit isoler de manière efficace le système
électrique du système de distribution publique lorsque
le générateur fonctionne (NEC 700, 701 et 702). Le fait
de ne pas isoler un système électrique par ces moyens
endommagera le générateur et peut également causer
des blessures ou la mort pour les électriciens due(s) à
la réalimentation de l’énergie électrique.
En cas de perte ou de dommage observé(e) lors de la livraison, faire
noter à la (aux) personne(s) effectuant la livraison tout dommage sur
la facture de transport ou les faire signer le document de perte ou de
dommage du consignateur.
Si une perte ou un dommage est observé(e) après la livraison, mettre les
matériaux endommagés à part et contacter le transporteur pour entamer
des procédures de réclamation.
L’expression « avarie non apparente » est comprise comme désignant un
dommage au contenu d’un colis qui n’est pas visible lors de la livraison
mais est découvert plus tard.
Afin d’ouvrir correctement le toit, appuyer sur la lèvre supérieure centrale
et relâcher le loquet. Si la pression n’est pas appliquée du dessus, le toit
peut sembler bloqué. Toujours vérifier si le loquet latéral est déverrouillé
avant d’essayer de soulever le toit.
EXIGENCES NEC
L’application du code local peut exiger que l’AFCI soit intégré dans le
panneau de distribution du commutateur de transfert. Le commutateur de
transfert fourni avec ce générateur dispose d’un panneau de distribution
qui acceptera l’AFCI.
Le Siemens référence Q115AF - 15 A ou Q120AF - 20 A peut être
obtenu après d’un grossiste local de matériel électrique et remplacera
simplement l’un des disjoncteurs unipolaires se trouvant dans le panneau
de distribution du commutateur de transfert.
AVANT DE COMMENCER
Contacter l’inspecteur local ou la mairie pour connaître tous les codes
fédéraux, d’État et locaux qui pourraient concerner l’installation. Obtenir
toutes les autorisations nécessaires avant de commencer le travail.
Lire et suivre attentivement toutes les procédures et précautions de
sécurité détaillées dans le guide d’installation. Si toute partie du manuel
d’installation, du manuel technique ou d’autres documents fournis par
l’usine n’est pas entièrement comprise, contacter un dépositaire pour
obtenir de l’aide.
Se conformer entièrement à toutes les normes NEC, NFPA et OSHA
applicables ainsi qu’à tous les codes de construction et électriques
fédéraux, d’État et locaux. Comme avec tout générateur, il faut installer
cette unité conformément aux normes NFPA 37 et NFPA 70 actuelles ainsi
qu’à tout autre code fédéral, d’État et local pour les distances minimales
avec les autres structures.
Informations générales

68
PRÉPARATION DU SITE ET MISE EN PLACE DU
GÉNÉRATEUR
1. Localiser le site de montage aussi près que possible du
commutateur de transfert et de l’alimentation en carburant.
Laisser assez d’espace autour du site pour l’accès d’entretien
(consulter le code local) et le placer à une hauteur suffisante pour
que l’eau puisse atteindre le générateur.
Choisir un espace ouvert qui fournira un débit d’air adéquat et libre
(voir la section « Emplacement » dans le manuel d’entretien).
2. Placer l’unité de manière à ce que les grilles d’aération ne soient
pas obstruées par des feuilles, de l’herbe, de la neige ou des débris.
S’assurer que les fumées d’échappement n’entreront pas dans le
bâtiment par les avant-toits, les fenêtres, les ventilateurs soufflants
ou autres admissions d’air.
Creuser un trou rectangulaire d’environ cinq pouces de profondeur
et d’environ six pouces plus longs et plus larges que l’empreinte du
générateur. Couvrir avec un film de polyuréthanne et remplir avec des
gravillons ou des cailloux. Compacter et niveler les cailloux. Si vous
le souhaitez, il est possible de couler un massif en béton.
3. Inspecter le générateur afin de s’assurer qu’il n’y a pas eu
de dommage pendant le transport et, si nécessaire, faire une
réclamation auprès du transporteur.
Retirer les bandes qui maintiennent le générateur sur la palette en bois.
4. S’assurer que l’équipement de levage utilisé a une capacité
suffisante pour gérer de manière sécurisée le poids du générateur.
Utiliser les erses de levage en nylon et les raccorder aux œillets de
levage sur chaque coin du bâti de base afin d’éviter d’endommager
l’enveloppe.
5. Placer le générateur sur le massif de manière à ce que le lit de
gravier s’étende de plusieurs pouces au-delà du générateur de tous
les côtés.
S’assurer que le générateur est à niveau à plus ou moins 0,5 pouce.
6. Brancher un conducteur de terre approuvé à une languette de masse
sur le bâti de base et à une prise de terre ou une tige à la terre
approuvée comme stipulé par les réglementations locales.
7. Vérifier l’huile de moteur et, si nécessaire, ajouter assez d’huile
recommandée afin de mettre à niveau à la marque FULL (Plein) sur
la jauge d’huile. Faire attention de ne pas trop remplir le carter.
Informations générales

69
TRANSFORMATION EN VAPEUR DE PL
1. Le générateur a été configuré pour le fonctionnement au gaz naturel
à l’usine. Passer à la vapeur PL est une procédure simple.
Sur les modèles équipés d’un moteur à un cylindre, commencer par
débrancher et retirer la batterie (si elle est installée).
2. Prendre le sélecteur de carburant par la poignée en T en plastique dans
l’enveloppe en polyéthylène fournie avec le générateur et localiser
la languette du sélecteur sur le couvercle de boîte à vent. Insérer
l’extrémité de la goupille dans le trou dans la languette du sélecteur
et tirer vers l’extérieur pour surmonter la pression du ressort. Puis,
tourner dans le sens des aiguilles d’une montre de 90 degrés et laisser
le sélecteur revenir une fois aligné sur la position de PL.
3. Sur les unités de 10 kW, ouvrir le toit, desserrer le collier avant situé
sur le tuyau d’admission d’air et faire glisser le tuyau du raccord de
tuyau flexible.
4. Faire glisser la goupille du sélecteur de carburant sur le carburateur
vers l’arrière de l’enveloppe.
5. Remplacer le tuyau d’admission et serrer le collier fermement.
6. Sur tous les autres modèles, retirer simplement le couvercle du
filtre à air et faire glisser la goupille du sélecteur de carburant vers
l’extérieur de la position de gaz naturel à la position de PL.
Informations générales

70
INSTALLATION ET RACCORDEMENT DES
CANALISATIONS DE GAZ
1. Le gaz naturel et la vapeur de PL sont des substances fortement
volatiles, par conséquent, le fait de se conformer strictement à toutes
les procédures, codes, normes et réglementations de sécurité est
essentiel.
Les raccordements des canalisations de gaz doivent être effectués
par un plombier certifié qui connaît les codes locaux. Toujours
utiliser un tuyau de gaz, un colmatant de tuyau ou une pâte à joint de
qualité approuvé AGA.
Vérifier la capacité du compteur à gaz naturel ou le réservoir de PL
afin de s’assurer qu’il fournit assez de carburant pour le générateur
et d’autres appareils en fonctionnement.
2. La plupart des applications nécessiteront une soupape d’arrêt
manuelle externe sur le tuyau de carburant.
3. Afin d’entrer la canalisation de gaz dans le générateur, installer un
raccord en T afin de pouvoir surveiller la pression de gaz. Sur l’une
des ouvertures du raccord, installer un mamelon NPT de 0,25 po.
et un bouchon fileté. Dans certains cas, il est également possible
d’installer un bassin de décantation.
4. Lors du raccordement de la canalisation de gaz au générateur,
utiliser la partie fournie du tuyau flexible de carburant certifié UL ou
approuvé AGA conformément aux réglementations locales. Le tuyau
flexible de carburant sert à s’assurer que les vibrations provenant
du générateur ne causent pas de fuite de gaz au niveau de l’un des
points de raccordement, il est donc important que le tuyau soit
installé avec peu de coudes si possible.
5. Ne jamais plier le tuyau flexible de carburant afin d’éviter d’utiliser un
coude. Le fait de plier le tuyau flexible réduit sa capacité à absorber
les vibrations, contrarie son objectif et comprime le débit actuel.
Informations générales

71
6. Après la détection des fuites, vérifier la pression de gaz au niveau du
régulateur afin de s’assurer qu’il ya une pression assez de gaz pour
le fonctionnement du générateur. Voir le manuel du propriétaire pour
connaître les spécifications de pression de carburant. Si ce n’est pas
dans ces limites, contactez votre fournisseur de gaz local.
7. Après avoir vérifié la pression de gaz, fermer la soupape d’arrêt
manuelle.
BRANCHEMENTS ÉLECTRIQUES EXTERNES
1. Percer un trou de 1,75 pouce et alimenter le conduit à travers le trou.
2. Retirer la débouchure de l’arrière de la boîte de jonction, alimenter les fils
à travers l’arrière de la boîte et fixer le conduit à l’aide d’un contre-écrou.
Sceller le trou avec de la pâte de silicone.
Ne pas oublier de calfeutrer le trou à l’intérieur de la boîte également.
3. Monter la boîte de jonction afin qu’elle recouvre complètement le trou
dans le mur. Calfeutrer autour des côtés et du haut de la boîte afin
d’assurer une bonne étanchéité.
Brancher tous les fils aux cosses dans la boîte de jonction (noir avec
noir, rouge avec rouge et blanc avec blanc). Fixer le conducteur de terre
vert à la mise à la terre, visser et brancher les deux petites fiches à leurs
prises homologues.
4. Remplacer le couvre-joint de protection et la vis de fixation, et
verrouiller la boîte de jonction.
5. Pour les modèles 10-20 kW, localiser le fermoir en métal qui est
emballé dans le sac du manuel d’entretien. Insérer le fermoir dans
la fente située sur le côté gauche de la boîte externe du disjoncteur.
S’assurer que le clip du fermoir fait face à l’avant du générateur. Si
on le souhaite, verrouiller la boîte externe.
Informations générales

72
ACTIVATION DU GÉNÉRATEUR
Lorsque la puissance de la batterie est appliquée au générateur au
cours du processus d’installation, le contrôleur s’allume. Toutefois, le
générateur doit encore être activé avant de démarrer automatiquement en
cas de panne de courant.
L’activation du générateur est un simple processus en un geste guidé
par les invites de l’écran du contrôleur. Une fois que le produit est activé,
l’écran du contrôleur ne vous invite pas à nouveau, même si vous
débranchez la batterie du générateur.
Après avoir obtenu votre code d’activation, veuillez suivre les étapes
suivantes sur le panneau de contrôle du générateur, dans le tableau
d’activation (affiché à la page suivante).
BRANCHEMENTS DU GÉNÉRATEUR -
COMMUTATEUR EZ
1. Si le générateur est équipé d’une boîte de jonction externe et d’une
lanière étanche de 5 pieds précâblée et connectée au générateur,
aucun branchement supplémentaire n’est nécessaire sur le
générateur. Sauter la section suivante et passer à l’Annexe A,
Installation et test opérationnel du commutateur EZ.
2. Si le commutateur EZ a été acheté séparément du générateur, la
lanière étanche de 5 pieds devra être connectée au générateur Afin
d’effectuer le câblage, raccorder le conduit de 0,75 pouces des
fils d’alimentation et des fils de commande de la boîte de jonction
externe au générateur.
3. Retirer les deux vis fixant le couvercle de la zone de branchement et
retirer le couvercle.
4. Alimenter les fils à travers l’arrière du générateur et fixer le conduit à
l’aide du contre-écrou.
5. Raccorder les fils d’alimentation à travers le protecteur de cordon fourni.
6. Le disjoncteur est fixé au panneau d’accès extérieur.
7. Retirer les fiches en plastique à l’intérieur de la zone d’accès
du disjoncteur principal pour permettre le branchement des fils
d’alimentation au disjoncteur.
8. Brancher maintenant les fils d’alimentation rouge et noir au
disjoncteur. Étant donné qu’il s’agit d’une application monophasée,
cela n’a pas d’importance quel fil est branché à quelle cosse.
Informations générales

73
TABLEAU D'ACTIVATION
SÉLECTIONNER LANGUE DÉPANNAGE
L'écran indique : Utilisez TOUCHES de direction pour défiler jusqu'à
la langue désirée. Appuyez sur ENTRÉE pour
sélectionner.
Si la mauvaise langue est choisie, elle peut être
changée plus tard dans le menu « Édition ».
L'écran indique : Appuyez sur ENTRÉE pour commencer le
processus d'activation.
Si vous appuyez sur ÉCHAP ou lieu d'ENTRÉE,
votre générateur ne fonctionnera qu''en mode
manuel (à des fins de test) et NON ACTIVÉ
s'affiche. Vous aurez besoin de retirer le fusible
du panneau de contrôle du générateur et
débranchez le connecteur T1, N1 et N2 dans
la boîte de connexion externe (le cas échéant);
ou déconnecter d’entrée de ligne (disjoncteur
principal) au commutateur de transfert pour les
3-5 secondes et reconnectez, puis commencer
par l’étape 1.
L'écran indique : Si vous ne disposez de code d'activation,
allez sur www.activategen.com ou appelez le
1-888-9ACTIVATE (922-8482).
Si vous avez déjà votre code d'activation, attendez
3 à 5 secondes pour l'affichage suivant.
ENTRER CODE D'ACTIVATION (code d'accès) DÉPANNAGE
L'écran indique : Utilisez les TOUCHES de direction pour trouver le
premier chiffre de votre code d'activation.
Appuyez sur ENTRÉE pour sélectionner.
Répétez cette étape jusqu'à ce que tous les
chiffres soient entrés.
Utilisez la touche ÉCHAP pour corriger les chiffres
précédents.
L'écran indique : L'activation est terminée lorsque tous les chiffres
sont inscrits en dessus et que votre écran affiche
ceci.
Suivez les invites du contrôleur pour poursuivre
avec le réglage de la fonction de temps.
Pour toute question, consultez votre manuel
d'utilisation.
Qu'advient-il si « Wrong Passcode Try Again »
(code d'accès erroné, essayez à nouveau)
s'affiche ?
Ressaisir votre code d'activation. Si une seconde
tentative échoue, vérifiez le numéro de code fourni
sur activategen.com. S'il est correct et que le
générateur le rejette, contactez 1-888-9ACTIVATE
(922-8482).
« SÉLECTIONNER L’HEURE (0-23) »
« - + »6
Échap Entrée
Série 123456789
Code d’accès XXXXX +/-
Échap Entrée
Pour Activer, allez sur
www.activategen.com
Échap Entrée
Activer (en appuyant sur
Entrée) ou appuyer sur Échap
pour utiliser le mode manuel
Échap Entrée
Langue
- Anglais +
Échap Entrée
Informations générales

74
9. Brancher le conducteur de terre vert de l’équipement à la barre
omnibus de mise à la terre et le couple à 35 pouces-livres. Les
valeurs du couple sont les suivantes :
• 10-14 AWG = 35 pouces-livres
• 8 AWG = 40 pouces-livres
• 4-6 AWG = 45 pouces-livres
T1
N2
N1
209 210 0194 23
NEUT
GND
10. Brancher le fil neutre blanc à la barre omnibus neutre et serrer
au couple de 35 pouces-livres. Les valeurs du couple sont les
suivantes :
• 10-14 AWG = 35 pouces-livres
• 8 AWG = 40 pouces-livres
• 4-6 AWG = 45 pouces-livres
11. Brancher les fils de commande aux bonnes bornes. Les bornes sont
clairement marquées N1 et N2 pour la détection du réseau public ;
23 et 194 pour le contrôle de relais de transfert ; et T1 et 0 pour la
charge de batterie. Sur les commutateurs précâblés, le fil 0 (zéro) ne
sera pas présent / nécessaire.
REMARQUE :
Afin de maintenir la séparation des circuits, les fils
de commande CC doivent être séparés des fils de
commande AC. Pour ce faire, une gaine en fibre de
verre a été fournie dans le kit manuel. Faire glisser
la gaine sur les fils CA OU les fils CC, mais pas sur
les deux, de la zone d’arrivée des fils à l’extérieur du
générateur. Utiliser les emplacements des colliers des
fils pour maintenir la gaine en place.
12. Un fil de commande mal branché peut endommager le tableau de
contrôle du générateur.
ANNEXE A - INSTALLATION ET TEST
OPÉRATIONNEL DU COMMUTATEUR EZ
1. Avant de commencer l’installation, s’assurer que l’appareil est hors
tension sur le panneau de distribution principal et lire attentivement le
Manuel d’entretien fourni avec le commutateur de transfert.
Le commutateur du centre de distribution doit être monté assez
près du panneau de distribution principal pour accueillir le conduit
précâblé de deux pieds. S’assurer que ni l’eau ni des substances
corrosives ne coulent sur le boîtier du commutateur de transfert.
2. Toujours inspecter le commutateur pour s’assurer qu’il n’a pas
subi de dommages pendant le transport. Ne jamais monter un
commutateur de transfert qui montre des signes de dommage.
3. Protéger le commutateur contre les impacts et le monter
verticalement sur une structure de support rigide. S’assurer que le
commutateur est à niveau et d’aplomb.
Le commutateur de transfert est un commutateur à coupure. Le
commutateur à coupure empêche la rétroaction divergente électrique
entre le générateur et le réseau public en permettant seulement aux
circuits de charge d’être connectés à une seule alimentation à la fois.
Annexe A

75
4. Chaque fil du commutateur de transfert précâblé est codé par
couleur pour une correspondance facile entre les circuits du panneau
principal et les disjoncteurs correspondants du commutateur de
transfert.
5. Lorsqu’un câblage à trois conducteurs est utilisé, deux circuits de
120 volts partageront souvent le même fil neutre. Pour éviter une
surcharge du fil neutre, déplacer soit LES DEUX circuits qui partagent
le fil neutre ou ne déplacer aucun des deux.
6. Lors du déplacement de deux circuits partageant un fil neutre,
ceux-ci doivent être connectés sur des positions adjacentes (l’un
au-dessus de l’autre) au commutateur de transfert. Cela garantira
que les deux fils chargés sont sur des phases séparées et assurera
le maintien de leur relation neutre.
7. Choisir un circuit qui disposera d’un dispositif de secours et retirer le
fil d’alimentation du disjoncteur.
8. À l’aide de coinceurs à câble homologués UL, reconnecter le fil
d’alimentation à un disjoncteur correspondant du commutateur de
transfert.
9. S’assurer que chaque circuit déplacé est protégé par un disjoncteur
de même taille sur le commutateur de transfert. Les circuits de 15 A
doivent être connectés à des disjoncteurs de 15 A et les circuits de
20 A à des disjoncteurs de 20 A.
10. Connecter le long fil neutre fourni à la barre neutre du panneau de
distribution.
11. Installer un disjoncteur bipolaire sur le panneau de distribution pour
protéger le commutateur de transfert. L’intensité nominale requise
Annexe A

76
pour le disjoncteur dépend du type de commutateur de transfert
utilisé. Pour les commutateurs précâblés du centre de distribution,
le disjoncteur ne peut dépasser 70 A. Ce disjoncteur doit être
compatible avec le panneau de distribution électrique existant.
Installer le disjoncteur sur deux fentes vides adjacentes (l’une au-
dessus de l’autre) du panneau principal.
12. Lorsque tous les circuits prioritaires ont été déplacés sur le commutateur
de transfert, refermer le disjoncteur principal pour rétablir l’alimentation
du réseau public et s’assurer que la tension du réseau public est
correcte au niveau du commutateur de transfert. Se reporter à la
norme NFPA 70-E pour connaître l’équipement de sécurité nécessaire
lors d’un travail à l’intérieur d’un commutateur de transfert.
INSTALLATION DE LA BATTERIE
1. Avant d’acheter une batterie pour le générateur, se reporter au
Manuel d’entretien du générateur pour consulter une liste des
batteries recommandées. Suivre toutes les procédures et précautions
de sécurité du Manuel d’entretien lors de l’installation de la batterie.
2. Suivre toutes les procédures et précautions de sécurité du Manuel
d’entretien du générateur lors de l’installation de la batterie. Vérifier que
l’interrupteur se trouve sur la position OFF (Arrêt). Lors de la préparation
du test opérationnel, NE PAS connecter la batterie avant que les
branchements du commutateur de transfert n’aient été effectués.
TEST OPÉRATIONNEL
1. Placer le disjoncteur principal du générateur et le sélecteur de mode
sur la position OFF (Arrêt).
2. S’assurer que l’alimentation du réseau public est désactivée et placer
tous les disjoncteurs prioritaires du commutateur de transfert sur la
position OFF (Arrêt).
3. Localiser la poignée de transfert, insérer l’extrémité en métal dans la
fente du contacteur principal et tirer la poignée VERS LE BAS pour
déplacer les principaux contacts vers la position de l’alimentation de
secours ou la position du générateur.
NE JAMAIS UTILISER LE COMMUTATEUR DE TRANSFERT
MANUELLEMENT LORSQUE DES CHARGES SONT CONNECTÉES.
4. Mettre le sélecteur de mode du générateur sur la position MANUAL
(Manuel) pour démarrer le moteur.
Laisser chauffer le moteur, puis
placer le disjoncteur principal du générateur sur la position ON
(Marche). Le générateur alimente maintenant le commutateur de
transfert mais ne porte pas de charge.
Annexe A

77
5. S’assurer que la tension et la fréquence du générateur sont
correctes. Si la tension phase à phase n’est pas d’environ 240 volts,
se reporter au Manuel d’entretien pour consulter les procédures de
réglage appropriées. Sur tous les modèles, si la tension phase à
phase n’est pas de 120 volts, vérifier le branchement du fil neutre
entre le générateur et le commutateur de transfert.
6. Une fois la vérification de la tension terminée, placer le disjoncteur
principal du générateur et le sélecteur de mode sur la position OFF
(Arrêt) pour éteindre le générateur.
7. S’assurer que le disjoncteur bipolaire installé sur le panneau de
distribution principale est placé sur la position OFF (Arrêt).
8. Utiliser la poignée de transfert pour déplacer les contacts principaux
du commutateur de transfert vers la position UP (réseau public).
Placer le disjoncteur bipolaire du panneau de distribution sur la
position ON (Marche).
9. À présent, placer le disjoncteur principal du générateur sur la position
ON (Marche) et le sélecteur de mode sur la position AUTO.
10. Mettre le réseau public hors tension et s’assurer que le générateur
démarre automatiquement.
11. Si tout fonctionne correctement, placer le disjoncteur principal
sur la position ON (Marche) et s’assurer que l’alimentation est
automatiquement transférée vers le réseau public.
12. Une fois que le moteur a réalisé son cycle de refroidissement et qu’il
s’est arrêté, remettre le réseau public hors tension.
Lorsque le générateur alimente le commutateur de transfert, déplacer
les disjoncteurs du commutateur sur la position ON (Marche), un par
un, jusqu’à ce que le générateur accepte la charge prioritaire complète.
13. Le générateur portant la charge prioritaire complète, recontrôler la
pression du gaz pour vérifier qu’elle se trouve au niveau auquel elle
se situait avant le démarrage du générateur.
Annexe A

78
REMARQUE :
Même si le générateur fonctionne correctement à ce
stade, une baisse de la pression du gaz indique que
l’alimentation convient à peine pour répondre aux
besoins du générateur. Des modifications de la charge
du générateur ou une demande de gaz supplémentaire
par d’autres appareils peut affecter les performances
du générateur. Vérifier la pression du gaz et la
dimension des tuyaux.
Décrocher le manomètre et
réinstaller la prise mâle.
14. Placer le disjoncteur principal sur la position ON (Marche) pour
rétablir l’alimentation du réseau public.
Le générateur continuera de fonctionner pour permettre au moteur de
se refroidir avant de s’arrêter automatiquement.
Remettre l’alimentation du réseau public hors tension. Le générateur
doit démarrer et la charge prioritaire complète doit être transférée vers le
générateur.
Fermer le disjoncteur pour rétablir l’alimentation du réseau public et
laisser le moteur se refroidir et s’arrêter automatiquement.
15. Les tests opérationnels sont désormais terminés. Se reporter
à l’Annexe E - Définition de la fonction de programme de test
automatique.
ANNEXE B - INSTALLATION ET TEST
OPÉRATIONNEL DU COMMUTATEUR DE
TRANSFERT RTSX ET RTSD
1. Avant de commencer l’installation, s’assurer que l’appareil est hors
tension sur le panneau de distribution principal et lire attentivement le
Manuel d’entretien fourni avec le commutateur de transfert.
Pour simplifier le processus d’installation, le commutateur de
transfert doit être installé aussi près que possible du panneau de
distribution principal. S’assurer que ni l’eau ni des substances
corrosives ne coulent sur le boîtier du commutateur de transfert.
2. Toujours inspecter le commutateur pour s’assurer qu’il n’a pas
subi de dommages pendant le transport. Ne jamais monter un
commutateur de transfert qui montre des signes de dommage.
3. Protéger le commutateur contre les impacts et le monter verticalement
sur une structure de support rigide. S’assurer que le commutateur est
à niveau et d’aplomb.
Vérifier les codes locaux avant de brancher
le commutateur de transfert. Certaines juridictions exigent que
le câblage situé à l’intérieur du commutateur soit réalisé par un
électricien agréé.
4. Tout le câblage doit être de la bonne taille et du type correct,
et doit être conforme à tous les codes, toutes les normes et
réglementations. Se reporter au Manuel d’entretien du commutateur
de transfert et au National Electrical Code (Code électrique national)
pour obtenir des informations supplémentaires.
Annexe B

79
5. Comme dans tout produit, des modifications de la conception
peuvent survenir au fil du temps. Se reporter toujours aux schémas
du Manuel d’entretien du commutateur de transfert pour connaître
les branchements nécessaires et les précautions de sécurité.
6. Le commutateur de transfert utilisé est un commutateur à coupure.
Le commutateur à coupure empêche la rétroaction divergente
électrique entre le générateur et le réseau public en permettant
seulement aux circuits de charge d’être connectés à une seule
alimentation à la fois.
COUVERTURE DU CIRCUIT SÉLECTIONNÉ
1. Le générateur alimente uniquement les circuits désignés qui sont
réunis et câblés sur un panneau de distribution prioritaire séparé. Le
commutateur de transfert est installé entre le panneau de distribution
principal et le panneau prioritaire.
L’intensité nominale du commutateur de transfert doit être égale ou
supérieure à l’intensité nominale la plus élevée du réseau public et
des disjoncteurs du générateur alimentant le commutateur.
COUVERTURE DU CIRCUIT MULTIPIÈCE
1. Le générateur soutiendra toutes les charges électriques du panneau. Par
conséquent, l’intensité nominale du commutateur de transfert doit être
égale ou supérieure à l’intensité nominale normale du réseau public.
Un sectionneur du réseau public doit être placé avant le commutateur
de transfert, sauf si un commutateur de transfert de la même
intensité que le réseau public est utilisé. Le commutateur de transfert
doit être installé entre le branchement du réseau public et le panneau
de distribution du bâtiment.
2. Un commutateur de transfert de la même intensité que le réseau
public est installé entre le réseau public et le panneau de distribution
principal. Ce commutateur de transfert devient le réseau public,
ainsi, aucun sectionneur n’est nécessaire. Le panneau de distribution
principal existant devient un panneau secondaire.
Annexe B

80
3. La mise à la terre qui est normalement située sur le panneau
principal sera réalisée sur le commutateur de la même intensité que
le réseau public et doit être déconnectée du panneau de distribution
existant. Se reporter au National Electrical Code (NEC) pour obtenir
des informations complètes sur la mise à la terre et la connexion.
BRANCHEMENTS ÉLECTRIQUES
1. Brancher les fils d’alimentation du générateur et du réseau public aux
cosses appropriées du commutateur de transfert. Les cosses sont
clairement marquées sur le commutateur.
N = alimentation du réseau public normale
E = panneau de connexion du générateur
T = panneau de distribution
2. Les fils neutres du réseau public et du générateur sont connectés
à la même cosse neutre du commutateur.
3. Brancher les fils de commande du générateur aux emplacements
désignés. Les fils 0, 23 et 194 se branchent au bornier ; N1, N2 et T1 se
branchent directement aux porte-fusibles.
4. Terminer le câblage du commutateur de transfert en branchant
les fils de mise à la terre de l’équipement du réseau public et du
générateur à la cosse de mise à la terre.
5. En veillant à soutenir les cosses, serrer les cosses du commutateur
de transfert aux couples indiqués sur le commutateur de transfert.
L’étiquette est située à l’intérieur de la porte du commutateur.
TEST OPÉRATIONNEL
1. Si le commutateur RTSD va être installé, le réseau public a été modifié.
Il faut donc s’assurer que les raccordements sont corrects avant de
remettre sous tension le réseau public.
Annexe B

81
2 Placer le disjoncteur principal sur la position OFF (Arrêt). Se reporter
à la norme NFPA 70-E pour connaître l’équipement de sécurité
nécessaire lors d’un travail à l’intérieur d’un commutateur de transfert.
3. Mettre sous tension le réseau public et vérifier la tension phase à phase
et la tension de phase nominale au niveau des bornes N1 et N2 du
contacteur de transfert. Si la tension phase à phase n’est pas d’environ
240 volts, mettre hors tension l’alimentation du réseau public et vérifier
les raccordements entre le réseau public et les bornes N1 et N2.
Si la tension de phase nominale n’est pas d’environ 120 volts,
mettre hors tension l’alimentation du réseau public et vérifier les
raccordements neutres.
Réaliser les mêmes vérifications de la tension au niveau des bornes T1
et T2 pour s’assurer que le courant circule correctement à travers le
contacteur.
4. Placer le disjoncteur principal du générateur et le sélecteur de mode
sur la position OFF (Arrêt).
5. S’assurer que l’alimentation du réseau public est hors tension et
placer tous les
disjoncteurs
individuels du panneau de distribution sur
la position OFF (Arrêt).
6. Localiser la poignée de transfert, insérer l’extrémité en métal dans
la fente du contacteur principal. Tirer la poignée VERS LE BAS pour
déplacer les principaux contacts vers la position de l’alimentation de
secours (générateur).
NE JAMAIS UTILISER LE COMMUTATEUR DE TRANSFERT
MANUELLEMENT LORSQUE DES CHARGES SONT CONNECTÉES.
7. Mettre le sélecteur de mode du générateur sur la position MANUAL
(Manuel) pour démarrer le moteur.
Laisser chauffer le moteur, puis
placer le disjoncteur principal du générateur sur la position ON
(Marche). Le générateur alimente maintenant le commutateur de
transfert mais ne porte pas de charge.
8. S’assurer que la tension et la fréquence du générateur sont
correctes. Si la tension phase à
phase n’est pas d’environ 240 volts,
se reporter au Manuel d’entretien du générateur
pour consulter les
procédures de réglage appropriées. Si la tension phase à phase n’est
pas d’environ 120 volts, vérifier le branchement du fil neutre entre le
générateur et le commutateur de transfert.
9. Placer le disjoncteur principal du générateur et le sélecteur de mode
sur la position OFF (Arrêt) pour éteindre le générateur.
Annexe B

82
10. L’alimentation du réseau public toujours hors tension, utiliser la
poignée de transfert pour déplacer les principaux contacts vers la
position UP (réseau public).
11. Fermer le disjoncteur principal pour mettre sous tension
l’alimentation du réseau public.
12. Placer le disjoncteur principal du générateur sur la position ON
(Marche) et le sélecteur de mode sur la position AUTO.
13. Mettre le réseau public hors tension et s’assurer que le générateur
démarre automatiquement après le délai d’interruption de ligne.
14. Placer le disjoncteur du réseau public sur la position ON (Marche) et
s’assurer que l’alimentation est automatiquement transférée vers le
réseau public.
15. Remettre l’alimentation du réseau public hors tension pour démarrer
automatiquement le générateur. Lorsque l’alimentation s’est transférée
vers le générateur, fermer chaque disjoncteur du panneau de distribution,
un par un, jusqu’à ce que le générateur accepte la charge complète.
16. Le générateur portant la charge complète, recontrôler la pression
du gaz pour vérifier qu’elle se trouve au niveau auquel elle se situait
avant le démarrage du générateur.
REMARQUE :
Même si le générateur fonctionne correctement à ce
stade, une baisse de la pression du gaz indique que
l’alimentation convient à peine pour répondre aux
besoins du générateur. Des modifications de la charge
du générateur ou une demande de gaz supplémentaire
par d’autres appareils peut affecter les performances
du générateur. Vérifier la pression du gaz et la
dimension des tuyaux. Décrocher le manomètre et
réinstaller la prise mâle.
Annexe B

83
17. Placer le disjoncteur du réseau public sur la position ON (Marche)
pour rétablir l’alimentation du réseau public.
18. Le générateur continuera de fonctionner pour permettre au moteur de
se refroidir, puis s’arrêtera automatiquement.
19. Remettre l’alimentation du réseau public hors tension. Le générateur
doit démarrer et la charge prioritaire complète doit être transférée
vers le générateur.
20. Fermer le disjoncteur pour rétablir l’alimentation du réseau public et
laisser le moteur se refroidir et s’arrêter automatiquement.
Les tests opérationnels sont désormais terminés. Se reporter
à l’Annexe E – Définition de la fonction de programme de test
automatique.
ANNEXE C – GESTION NUMÉRIQUE DE LA
CHARGE (DLM)
1. Pour contrôler un climatiseur, connecter la borne Y du thermostat à
l’une des bornes A/C 1. Connecter l’autre borne A/C 1 à la borne Y
du climatiseur.
Utiliser un fil en cuivre de 18 – 26 AWG. Se reporter au Manuel
d’entretien pour connaître les exigences de couple/connexion.
2. Pour contrôler un deuxième climatiseur, répétez les opérations
ci-dessus en utilisant les bornes marquées A/C 2.
65
REMARQUE :
Pour des informations sur les fils de commande CA, se reporter
au Manuel d’entretien/d’utilisation des systèmes de chauffage, de
ventilation et de climatisation.
ANNEXE D - MODULES DE GESTION
NUMÉRIQUE DE LA CHARGE (DLM)
Le contrôleur de charge peut exercer jusqu’à quatre DLM séparées,
chacune étant connectée de la manière indiquée ci-dessous.
• L’enveloppe NEMA 3R du module DLM peut être installée à l’intérieur
ou à l’extérieur. Si l’enveloppe est installée à l’extérieur, l’orifice de
vidange DOIT être orienté vers le bas.
• Le module DLM est équipé d’emplacements d’évacuation de conduit. Ces
emplacements d’évacuation sont les seuls emplacements de l’enveloppe
auxquels le conduit doit être fixé. Un plot de mise à la terre est fourni à
l’intérieur de l’enveloppe afin de connecter le conduit à la terre.
BRANCHEMENT DES CONNEXIONS DU MODULE DE
DÉLESTAGE (LSM)
Le LSM peut contrôler un climatiseur (24 Vca) directement ou un
contacteur séparé (120 Vca) qui permet de contrôler toutes les charges
connectées (voir figure).
Séquence de fonctionnement
Les 4 voyants de statut verts indiquent que le niveau de priorité de charge
est activé.
• Toutes les charges sont activées lorsque le signal de transfert est
éteint. (ATS en position Utility).
Si le signal de transfert est abaissé (Actif).
• Toutes les charges sont activées jusqu’à détection d’une surcharge
• Quand une surcharge est détectée, toutes les charges sont
désactivées
• Après 5 minutes, les charges de priorité 1 sont activées.
• Après 30 secondes de plus, les charges de priorité 2 sont activées
• Après 30 secondes de plus, les charges de priorité 3 sont activées
• Après 30 secondes de plus, les charges de priorité 4 sont activées
Annexe C

84
Si une surcharge est détectée dans les 30 secondes d’un niveau
activé, toutes les charges sont désactivées à nouveau et la séquence
recommence. Toutefois, le niveau qui a causé la surcharge et tous les
niveaux supérieurs ne seront pas activés à nouveau pendant 30 minutes.
Contrôle de la charge de climatisation
1. Faire passer le câble du thermostat (à partir du four /thermostat à
l’unité de conditionnement de l’air extérieur) vers le commutateur de
transfert.
2. Relier le fil aux bandes de borne du bornier (Air 1) sur le LSM
comme le montre la Figure 2.2. Ce sont des contacts normalement
fermés qui s’ouvrent sur des conditions de délestage. Faire passer le
fil du thermostat loin des câbles de haute tension.
3. Si nécessaire, brancher le deuxième climatiseur aux bandes de borne
du bornier (Air 2).
Valeurs nominales de contact
Air 1 et 2 24 VCA, 5 A max.
REMARQUE :
Ces instructions sont pour une installation de climatiseur
classique. Le contrôle de la pompe à chaleur et des clima-
tiseurs biphasés nécessitera des raccordements spéciaux.
Contrôle d’un contacteur séparé
Un module de relais de contacteur séparé est disponible chez le fabricant.
Si un relais différent est utilisé, il doit avoir une bobine de tension de
120 Vca. Le LSM fournit une énergie avec fusible (5 A) de 120 Vca pour
alimenter les bobines de contacteurs relais (contacteur 1, 2, 3 ou 4).
1. Monter le module de contact et brancher la charge aux contacts
principaux.
2. Connecter la bobine du contacteur aux bornes LSM désirées
(contacteur 1, 2, 3 ou 4) sur le bornier.
3. Connecter chaque contacteur de délestage supplémentaire de la
même façon.
REMARQUE :
Il sera nécessaire de déterminer l’ordre de « délestage »
des charges connectées et de connecter les équipements
au LSM dans cet ordre. 1 est la plus haute priorité et quatre
est la plus faible priorité.
ATTENTION!
Effectuer les tests fonctionnels dans l’ordre exact présenté
dans ce manuel, sinon des dommages pourraient survenir au
commutateur.
0 Ground
194 +12V
23 Transfer
T1
NEUTRAL
AIR 1
AIR 2
CONTACTEUR
1
CONTACTEUR
2
CONTACTEUR
3
CONTACTEUR
4
Priority 1
Priority 2
Priority 3
Priority 4
0 Terre
194 +12V
23 Transfert
T1
NEUTRE
AIR 1
AIR 2
CONTACTEUR
1
CONTACTEUR
2
CONTACTEUR
3
CONTACTEUR
4
Priorité 1
Priorité 2
Priorité 3
Priorité 4
Contacteur
n° 1
Charge
n° 1
Alimentation
Fils de bobine
Contacteur
n° 2
Charge
n° 2
Alimentation
Contacteur
n° 4
Charge
n° 4
Alimentation
Contacteur
n° 3
Charge
n° 3
Alimentation
Connexions du module de délestage
Annexe D

85
IMPORTANT : Avant d’effectuer les tests fonctionnels, lire et s’assurer
que toutes les consignes et informations de cette section sont comprises.
Lire également les informations et consignes figurant sur les étiquettes
apposées sur le commutateur. Noter toutes les options ou accessoires
qui pourraient être installés, et revoir leur fonctionnement.
REMARQUE :
Ce test peut être effectué avec le réseau public ou
le générateur connecté aux charges. Cependant, si le
générateur fournit les charges et est surchargé, il se peut
que le contrôleur ait déjà interrompu certaines charges.
Appuyer sur le bouton TEST du contrôleur de charge. Cette fonction
déconnectera toutes les charges contrôlées par le contrôleur. Le
contrôleur de charge reconnectera ensuite chaque charge d’une manière
programmée et décalée telle que décrite dans le Manuel d’entretien du
commutateur de transfert.
TESTS FONCTIONNELS ET RÉGLAGES
Après l’installation et l’interconnexion du commutateur de transfert,
inspecter attentivement toute l’installation. Un électricien compétent
et qualifié doit l’inspecter. L’installation doit être strictement conforme
à tous les codes, normes et réglementations applicables. Lorsque
l’on est absolument sûr que l’installation est appropriée et correcte,
effectuer un test fonctionnel du système.
CONNECTIONS 0G9651B
GENERATOR SOURCE
CUSTOMER LOAD
T1
E1
T2
E2
0D9618-TO
(C2 & VR2)
STANDBY
UTILITY
(C1 & VR1)
48850-T
0C4449A-T
TO REMOVE BONDING
NEUTRAL AND ENCLOSURE
NEUTRAL BONDED
DISCONNECT BUSBAR BETWEEN
600 Volt, 5 amp.
type and rating
Replace with UL
listed fuse of same
0D3587
0G4220
0G9651A
CONNECTIONS
SOURCE
UTILITY
N1 N2
(UPPER)
(LOWER)
0 GROUND
15B +12V
23 TRANSFER
AIR 1
AIR 2
PRIORITY 1
PRIORITY 2
PRIORITY 3
PRIORITY 4
T1
NEUTRAL
CONTACTOR
1
CONTACTOR
2
CONTACTOR
3
CONTACTOR
4
WARNING
CUSTOMER CONNECTION
NOTE WIRE ORIENTATION
0G8137
DC COMMON
+12VDC
TRANSFER
3
2
1
23
15B
3
2
01
DLM
MODULE
Hot Water
Heater
ANNEXE E - DÉFINITION DE LA FONCTION DE
PROGRAMME DE TEST AUTOMATIQUE
2. L’écran passera en mode d’assistant d’installation lorsque l’alimentation de
la batterie est branchée en premier. L’assistant demandera d’abord d’entrer
la date et l’heure actuelles, suivi du jour et de l’heure de programme de
test. Si la batterie a déjà été débranchée et rebranchée, ou si le fusible a
été retiré et remplacé, l’assistant d’installation s’affichera à nouveau, mais
il faudra uniquement entrer la date et l’heure actuelles.
3. S’il faut modifier l’heure ou le jour de programme de test, appuyer
sur la touche Échap pour accéder au menu principal.
4. Appuyer sur la touche de direction gauche ou droite jusqu’à ce que
« Edit » (Modifier) clignote, et appuyer sur Entrée.
5. Appuyer sur la touche de direction gauche ou droite jusqu’à ce que
la durée du programme de test s’affiche, et appuyer sur Entrée.
6. À l’aide des touches de direction et Entrée, définir l’heure du
programme de test en format de 24 heures, suivie des minutes, et
enfin du jour.
7. Une fois défini, le générateur effectuera le programme de test chaque
semaine au même moment. S’assurer de montrer aux propriétaires
comment définir la fonction de programme de test pour le jour et l’heure
auxquels ils souhaitent que l’unité subisse le programme de test.
8. Si le générateur est équipé d’une fonction de programme de test à basse
vitesse,
elle a été activée à l’usine et ne nécessite aucun réglage.
Chaque installation dispose de son propre ensemble de circonstances
et d’exigences. Ce manuel donne des consignes pour les installations
de base uniquement et n’est pas censé traiter toutes les applications. Si
vous avez des questions ou inquiétudes après voir lu attentivement toute
la
documentation reçue avec l’équipement, contacter le dépositaire le plus
proche pour obtenir de l’aide.
Annexe E
Référence 0H8538 Révision G (24/03/11) Imprimé aux États-Unis















