85274 1 Briggs & Stratton 30207 Manual
: Pump 85274 1 Briggs & Stratton 30207 Manual 85274_1_Briggs & Stratton 30207 Manual pdf
Open the PDF directly: View PDF
.
Page Count: 92

Operator’s Manual
BRIGGS & STRATTON POWER PRODUCTS GROUP, LLC
MILWAUKEE, WISCONSIN, U.S.A.
Manual No. 200079GS Revision D
This generator is rated and certified to be compliant with CSA (Canadian
Standards Association) standard C22.2 No. 100-04 (motors and generators).
Not for
Reproduction

2BRIGGSandSTRATTON.COM
Thank you for purchasing this quality-built Briggs & Stratton® generator. We are pleased that you’ve placed your confidence
in the Briggs & Stratton brand. When operated and maintained according to the instructions in this manual, your Briggs &
Stratton generator will provide many years of dependable service.
This manual contains safety information to make you aware of the hazards and risks associated with generator products and
how to avoid them. This generator is designed and intended only for supplying electrical power for operating compatible
electrical lighting, appliances, tools and motor loads, and is not intended for any other purpose. It is important that you read
and understand these instructions thoroughly before attempting to start or operate this equipment. Save these original
instructions for future reference.
This generator requires final assembly before use. Refer to the Assembly section of this manual for instructions on final
assembly procedures. Follow the instructions completely.
Where to Find Us
You never have to look far to find Briggs & Stratton support and service for your generator. Consult your Yellow Pages. There
are over 30,000 Briggs & Stratton authorized service dealers worldwide who provide quality service. You can also contact
Briggs & Stratton Customer Service by phone at (800) 743-4115, or on the Internet at BRIGGSandSTRATTON.COM.
Generator
Model Number
Revision
Serial Number
Engine
Model Number
Type Number
Code Number
Date Purchased
Copyright © 2011. Briggs & Stratton Power Products Group, LLC
Milwaukee, WI, USA. All rights reserved.
BRIGGS & STRATTON POWER PRODUCTS is a registered
trademark of Briggs & Stratton Corporation
Milwaukee, WI, USA
Not for
Reproduction

3
Table of Contents
Operator Safety . . . . . . . . . . . . . . . . . . . . . . . . . . . . . . . . . 4
Equipment Description. . . . . . . . . . . . . . . . . . . . . . . . . . . . . . . . . . . . . . . . . 4
Important Safety Information. . . . . . . . . . . . . . . . . . . . . . . . . . . . . . . . . . . . 4
Assembly . . . . . . . . . . . . . . . . . . . . . . . . . . . . . . . . . . . . . 7
Unpack Generator . . . . . . . . . . . . . . . . . . . . . . . . . . . . . . . . . . . . . . . . . . . . 7
Shipment Contents . . . . . . . . . . . . . . . . . . . . . . . . . . . . . . . . . . . . . . . . . . . 7
Install Wheel Kit. . . . . . . . . . . . . . . . . . . . . . . . . . . . . . . . . . . . . . . . . . . . . . 7
Add Engine Oil . . . . . . . . . . . . . . . . . . . . . . . . . . . . . . . . . . . . . . . . . . . . . . . 9
Add Fuel. . . . . . . . . . . . . . . . . . . . . . . . . . . . . . . . . . . . . . . . . . . . . . . . . . . . 9
System Ground . . . . . . . . . . . . . . . . . . . . . . . . . . . . . . . . . . . . . . . . . . . . . 10
Connecting to a Building’s Electrical System. . . . . . . . . . . . . . . . . . . . . . . 10
Generator Location . . . . . . . . . . . . . . . . . . . . . . . . . . . . . . . . . . . . . . . . . . 10
Features and Controls . . . . . . . . . . . . . . . . . . . . . . . . . . . . 11
Cord Sets and Receptacles . . . . . . . . . . . . . . . . . . . . . . . . . . . . . . . . . . . . 13
Battery Charger . . . . . . . . . . . . . . . . . . . . . . . . . . . . . . . . . . . . . . . . . . . . . 14
Operation . . . . . . . . . . . . . . . . . . . . . . . . . . . . . . . . . . . . 15
Starting the Engine . . . . . . . . . . . . . . . . . . . . . . . . . . . . . . . . . . . . . . . . . . 15
Connecting Electrical Loads. . . . . . . . . . . . . . . . . . . . . . . . . . . . . . . . . . . . 16
Stopping the Engine. . . . . . . . . . . . . . . . . . . . . . . . . . . . . . . . . . . . . . . . . . 16
Operating Automatic Idle Control. . . . . . . . . . . . . . . . . . . . . . . . . . . . . . . . 16
Oil Pressure Shutdown . . . . . . . . . . . . . . . . . . . . . . . . . . . . . . . . . . . . . . . 16
Charging a Battery . . . . . . . . . . . . . . . . . . . . . . . . . . . . . . . . . . . . . . . . . . . 17
Cold Weather Operation. . . . . . . . . . . . . . . . . . . . . . . . . . . . . . . . . . . . . . . 17
Don’t Overload Generator . . . . . . . . . . . . . . . . . . . . . . . . . . . . . . . . . . . . . 19
Maintenance . . . . . . . . . . . . . . . . . . . . . . . . . . . . . . . . . . 20
Maintenance Schedule. . . . . . . . . . . . . . . . . . . . . . . . . . . . . . . . . . . . . . . . 20
Generator Maintenance . . . . . . . . . . . . . . . . . . . . . . . . . . . . . . . . . . . . . . . 20
Battery Maintenance . . . . . . . . . . . . . . . . . . . . . . . . . . . . . . . . . . . . . . . . . 20
Fuel Valve Maintenance . . . . . . . . . . . . . . . . . . . . . . . . . . . . . . . . . . . . . . . 21
Engine Maintenance. . . . . . . . . . . . . . . . . . . . . . . . . . . . . . . . . . . . . . . . . . 21
Storage . . . . . . . . . . . . . . . . . . . . . . . . . . . . . . . . . . . . . . . . . . . . . . . . . . . 24
Troubleshooting . . . . . . . . . . . . . . . . . . . . . . . . . . . . . . . . 25
Schematic . . . . . . . . . . . . . . . . . . . . . . . . . . . . . . . . . . . . . . . . . . . . . . . . . 26
Wiring Diagram . . . . . . . . . . . . . . . . . . . . . . . . . . . . . . . . . . . . . . . . . . . . . 27
Warranties. . . . . . . . . . . . . . . . . . . . . . . . . . . . . . . . . . . . 28
Emissions Control System Warranty . . . . . . . . . . . . . . . . . . . . . . . . . . . . . 28
Generator Owner Warranty . . . . . . . . . . . . . . . . . . . . . . . . . . . . . . . . . . . . 30
Specifications . . . . . . . . . . . . . . . . . . . . . . . . . . . . . . . . . 32
Product Specifications. . . . . . . . . . . . . . . . . . . . . . . . . . . . . . . . . . . . . . . . 32
Common Service Parts . . . . . . . . . . . . . . . . . . . . . . . . . . . . . . . . . . . . . . . 32
Not for
Reproduction

4BRIGGSandSTRATTON.COM
Operator Safety
Equipment Description
Read this manual carefully and become familiar
with your generator. Know its applications, its
limitations and any hazards involved.
The generator is an engine–driven, revolving field, alternating
current (AC) generator. It was designed to supply electrical
power for operating compatible electrical lighting,
appliances, tools and motor loads. The generator’s revolving
field is driven at about 3,600 rpm by a single-cylinder
engine.
NOTICE Exceeding generators wattage/amperage capacity
could damage generator and/or electrical devices connected
to it.
• DO NOT exceed the generator’s wattage/amperage capacity. See
Don’t Overload Generator in the Operation section.
Every effort has been made to ensure that the information in
this manual is both accurate and current. However, the
manufacturer reserves the right to change, alter or otherwise
improve the generator and this documentation at any time
without prior notice.
The Emission Control System for this generator is warranted
for standards set by the Environmental Protection Agency
and the California Air Resources Board.
Important Safety Information
The manufacturer cannot possibly anticipate every possible
circumstance that might involve a hazard. The warnings in
this manual, and the tags and decals affixed to the unit are,
therefore, not all-inclusive. If you use a procedure, work
method or operating technique that the manufacturer does
not specifically recommend, you must satisfy yourself that it
is safe for you and others. You must also make sure that the
procedure, work method or operating technique that you
choose does not render the generator unsafe.
Safety Symbols and Meanings
The safety alert symbol indicates a potential personal
injury hazard. A signal word (DANGER, WARNING, or
CAUTION) is used with the alert symbol to designate a
degree or level of hazard seriousness. A safety symbol may
be used to represent the type of hazard. The signal word
NOTICE is used to address practices not related to personal
injury.
DANGER indicates a hazard which, if not avoided, will
result in death or serious injury.
WARNING indicates a hazard which, if not avoided,
could result in death or serious injury.
CAUTION indicates a hazard which, if not avoided, could
result in minor or moderate injury.
NOTICE address practices not related to personal injury.
Fire Explosion
Toxic Fumes
Hot Surface
Moving Parts
Electrical Shock
Kickback
Flying Objects
Operator’s Manual
Explosive Pressure Chemical Burn
Not for
Reproduction

5
WARNING Running engine gives off carbon
monoxide, an odorless, colorless, poison gas.
Breathing carbon monoxide could result in death,
serious injury, headache, fatigue, dizziness,
vomiting, confusion, seizures, nausea or fainting.
• Operate this product ONLY outdoors.
• Install a battery operated carbon monoxide alarm near the
bedrooms.
• Keep exhaust gas from entering a confined area through
windows, doors, ventilation intakes, or other openings.
• DO NOT operate this product inside any building, carport,
porch, mobile equipment, marine applications, or enclosure,
even if windows and doors are open.
WARNING The engine exhaust from this product
contains chemicals known to the State of California to
cause cancer, birth defects, or other reproductive harm.
WARNING Certain components in this product and
related accessories contain chemicals known to the State
of California to cause cancer, birth defects or other
reproductive harm. Wash hands after handling.
WARNING
• This generator does not meet U. S. Coast Guard Regulation
33CFR-183 and should not be used on marine applications.
• Failure to use the appropriate U. S. Coast Guard approved
generator could result in death or serious injury and/or property
damage.
WARNING Fuel and its vapors are extremely
flammable and explosive which could
cause burns, fire or explosion resulting
in death, serious injury and/or property
damage.
WHEN ADDING OR DRAINING FUEL
• Turn generator engine OFF and let it cool at least 2 minutes
before removing fuel cap. Loosen cap slowly to relieve pressure
in tank.
• Fill or drain fuel tank outdoors.
• DO NOT overfill tank. Allow space for fuel expansion.
• If fuel spills, wait until it evaporates before starting engine.
• Keep fuel away from sparks, open flames, pilot lights, heat, and
other ignition sources.
• Check fuel lines, tank, cap and fittings frequently for cracks or
leaks. Replace if necessary.
• DO NOT light a cigarette or smoke.
WHEN STARTING EQUIPMENT
• Ensure spark plug, muffler, fuel cap, and air cleaner are in
place.
• DO NOT crank engine with spark plug removed.
WHEN OPERATING EQUIPMENT
• DO NOT operate this product inside any building, carport,
porch, mobile equipment, marine applications, or enclosure.
• DO NOT tip engine or equipment at angle which causes fuel to
spill.
• DO NOT stop engine by moving choke control to “Choke”
position ().
WHEN TRANSPORTING, MOVING OR REPAIRING EQUIPMENT
• Transport/move/repair with fuel tank EMPTY or with fuel shutoff
valve OFF.
• DO NOT tip engine or equipment at angle which causes fuel to
spill.
• Disconnect spark plug wire.
WHEN STORING FUEL OR EQUIPMENT WITH FUEL IN TANK
• Store away from furnaces, stoves, water heaters, clothes
dryers, or other appliances that have pilot light or other ignition
source because they could ignite fuel vapors.
WARNING Starter cord kickback (rapid retraction) will
pull hand and arm toward engine faster than you
can let go which could cause broken bones,
fractures, bruises, or sprains resulting in
serious injury.
• When starting engine, pull cord slowly until resistance is felt
and then pull rapidly to avoid kickback.
• NEVER start or stop engine with electrical devices plugged in
and turned on.
WARNING Storage batteries give off explosive
hydrogen gas during recharging.
Hydrogen gas stays near battery for a
long time after battery has been
charged. Slightest spark could ignite hydrogen causing
explosion resulting in death, serious injury and/or
property damage.
Battery electrolyte fluid contains acid and is extremely
caustic. Contact with battery fluid could cause chemical
burns resulting in serious injury and/or property damage.
• DO NOT allow any open flame, spark, heat, or lit cigarette
during and for several minutes after charging a battery.
• Wear protective goggles, rubber apron, and rubber gloves.
• DO NOT continue to charge a battery that becomes hot or is
fully charged.
• DO NOT leave battery unattended.
Not for
Reproduction

6BRIGGSandSTRATTON.COM
NOTICE Exceeding generators wattage/amperage capacity
could damage generator and/or electrical devices connected
to it.
• DO NOT exceed the generator’s wattage/amperage capacity. See
Don’t Overload Generator in the Operation section.
• Start generator and let engine stabilize before connecting
electrical loads.
• Connect electrical loads in OFF position, then turn ON for
operation.
• Turn electrical loads OFF and disconnect from generator before
stopping generator.
NOTICE Improper treatment of generator could damage it
and shorten its life.
• Use generator only for intended uses.
• If you have questions about intended use, ask dealer or contact
local service center.
• Operate generator only on level surfaces.
• DO NOT expose generator to excessive moisture, dust, dirt, or
corrosive vapors.
• DO NOT insert any objects through cooling slots.
• If connected devices overheat, turn them off and disconnect them
from generator.
• Shut off generator if:
-electrical output is lost;
-equipment sparks, smokes, or emits flames;
-unit vibrates excessively.
WARNING Generator voltage could cause electrical
shock or burn resulting in death or serious
injury.
• Use approved transfer equipment to prevent backfeed by
isolating generator from electric utility workers.
• When using generator for backup power, notify utility company.
• Use a ground fault circuit interrupter (GFCI) in any damp or
highly conductive area, such as metal decking or steel work.
• DO NOT touch bare wires or receptacles.
• DO NOT use generator with electrical cords which are worn,
frayed, bare or otherwise damaged.
• DO NOT operate generator in the rain or wet weather.
• DO NOT handle generator or electrical cords while standing in
water, while barefoot, or while hands or feet are wet.
• DO NOT allow unqualified persons or children to operate or
service generator.
WARNING Exhaust heat/gases could ignite
combustibles, structures or damage fuel
tank causing a fire, resulting in death,
serious injury and/or property damage.
Contact with muffler area could cause burns resulting in
serious injury.
• DO NOT touch hot parts and AVOID hot exhaust gases.
• Allow equipment to cool before touching.
• Keep at least 5 feet (1.5 m) of clearance on all sides of
generator including overhead.
• It is a violation of California Public Resource Code, Section
4442, to use or operate the engine on any forest-covered,
brush-covered, or grass-covered land unless the exhaust
system is equipped with a spark arrester, as defined in Section
4442, maintained in effective working order. Other states or
federal jurisdictions may have similar laws.
Contact the original equipment manufacturer, retailer, or dealer
to obtain a spark arrester designed for the exhaust system
installed on this engine.
• Replacement parts must be the same and installed in the same
position as the original parts.
WARNING Unintentional sparking could cause fire or
electric shock resulting in death or
serious injury.
WHEN ADJUSTING OR MAKING REPAIRS TO YOUR GENERATOR
• Disconnect the spark plug wire from the spark plug and place
the wire where it cannot contact spark plug.
WHEN TESTING FOR ENGINE SPARK
• Use approved spark plug tester.
• DO NOT check for spark with spark plug removed.
WARNING Starter and other rotating parts could
entangle hands, hair, clothing, or accessories
resulting in serious injury.
• NEVER operate generator without protective housing or covers.
• DO NOT wear loose clothing, jewelry or anything that could be
caught in the starter or other rotating parts.
• Tie up long hair and remove jewelry.
CAUTION Excessively high operating speeds could
result in minor injury and/or generator damage.
Excessively low speeds impose a heavy load.
• DO NOT tamper with governor spring, links or other parts to
increase engine speed. Generator supplies correct rated
frequency and voltage when running at governed speed.
• DO NOT modify generator in any way.
Not for
Reproduction

7
Assembly
Your generator requires some assembly and is ready for use
after it has been properly serviced with the recommended oil
and fuel.
If you have any problems with the assembly of your generator,
please call the generator helpline at (800) 743-4115. If calling
for assistance, please have the model, revision, and serial
number from the identification label available. See Controls
and Features for identification label location.
Unpack Generator
1. Set the carton on a rigid, flat surface.
2. Remove everything from carton except generator.
3. Open carton completely by cutting each corner from
top to bottom.
4. Leave generator on carton to install wheel kit.
Shipment Contents
The generator is supplied with:
• Engine oil
• Operator’s manual
• Battery float charger
• Battery charge cables
• Wheel kit
• 120/240 Volt, 30 Amp locking plug
• 120 Volt, 30 Amp locking plug
• 120 Volt, 20 Amp locking plug
• Storage cover
Install Wheel Kit
NOTICE Wheel kit is not intended for over-the-road use.
You will need the following tools to install these
components:
• Socket wrench with a 9/16” or 14 mm socket
• Pliers
• Safety glasses
Install the wheel kit as follows:
1. Tip generator so that engine end is down.
2. Slide axle (A) through both mounting brackets.
3. Slide a wheel (B) over axle.
NOTICE Be sure to install both wheels with the air inflation
valve on the outboard side.
4. Place a washer (C) on axle and then place an e-ring (D)
in axle groove.
5. Install e-ring with pliers, squeezing from top of e-ring
to bottom of axle.
6. Repeat steps 3 through 5 to secure second wheel.
A
D
C
B
E
F
G
CAUTION E-rings could cause eye injury.
E-rings could spring back and become airborne
when installing or removing, resulting in
moderate injury.
• Always wear eye protection when installing/removing e-rings.
Not for
Reproduction

8BRIGGSandSTRATTON.COM
7. Tip generator so that engine side is up.
8. Using a 9/16” or 14 mm socket wrench, remove one
existing hex nut (E) and lock washer (F) from engine
vibration mounts.
9. Slide support leg (G) onto engine vibration mount stud
and attach with the lock washer and hex nut. DO NOT
fully tighten.
10. Repeat steps 8 and 9 for second existing hex nut and
lock washer on engine vibration mounts.
11. Using a 9/16” or 14 mm socket wrench, tighten both
hex nuts and lock washers.
12. Repeat steps 8 through 11 for second support leg on
other side.
13. Return generator to normal operating position (resting
on wheels and support leg).
14. Check each fastener to ensure it is secure and the tires
are inflated between 15-40 PSI.
Attach Negative Battery Cable
Your unit is equipped with electric start capability but can be
started manually. If you choose not to use the electric start
feature, you do not need to connect the negative battery
cable.
The sealed battery on the generator pre–installed except for
the negative (black) battery cable.
To install:
1. Cut off tie wrap securing loose end of negative (black)
cable.
2. Using an 8 mm or 5/16” socket wrench, remove
screw (A), lock washer (B) and flat washer (C) on
negative battery terminal.
3. Slide lock washer, flat washer and negative battery
cable (D) over screw as shown.
4. Reattach screw to negative battery terminal and tighten.
5. Verify that connections to battery and generator are
tight and secure.
NOTICE If your battery is discharged, charge prior to use
following the instructions in the section Battery Charger.
A
D
CB
WARNING Battery posts, terminals and related
accessories contain lead and lead compounds - chemicals
known to the State of California to cause cancer and
reproductive harm. Wash hands after handling.
Not for
Reproduction

Add Engine Oil
1. Place generator on a flat, level surface.
2. Clean area around oil fill cap and remove oil fill cap.
3. Using oil funnel (optional), slowly pour contents of
both provided oil bottles into oil fill opening to the
“Full” mark on dipstick.
NOTICE Improper treatment of generator could damage it
and shorten its life.
• DO NOT attempt to crank or start the engine before it has been
properly serviced with the recommended oil. This could result in
an engine failure.
4. Replace and tighten both the oil fill cap and dipstick.
Add Fuel
Fuel must meet these requirements:
• Clean, fresh, unleaded gasoline.
• A minimum of 87 octane/87 AKI (91 RON). For high
altitude use, see HIgh Altitude.
• Gasoline with up to 10% ethanol (gasohol) or up to
15% MTBE (methyl tertiary butyl ether) is acceptable.
NOTICE Avoid generator damage.
Failure to follow Operator’s Manual for fuel
recommendations voids warranty.
• DO NOT use unapproved gasoline such as E85.
• DO NOT mix oil in gasoline.
• DO NOT modify engine to run on alternate fuels.
To protect the fuel system from gum formation, mix in a fuel
stabilizer when adding fuel. See Storage. All fuel is not the
same. If you experience starting or performance problems
after using fuel, switch to a different fuel provider or change
brands. This engine is certified to operate on gasoline. The
emission control system for this engine is EM (Engine
Modifications).
1. Clean area around fuel fill cap, remove cap.
2. Slowly add unleaded gasoline (A) to fuel tank (B). Be
careful not to fill above the baffle (C). This allows
adequate space for fuel expansion as shown.
3. Install fuel cap and let any spilled fuel evaporate before
starting engine.
High Altitude
At altitudes over 5,000 feet (1524 meters), a minimum
85 octane / 85 AKI (89 RON) gasoline is acceptable. To
remain emissions compliant, high altitude adjustment is
required. Operation without this adjustment will cause
decreased performance, increased fuel consumption, and
increased emissions. See an authorized dealer for high
altitude adjustment information. Operation of the engine at
altitudes below 2,500 feet (762 meters) with the high altitude
kit is not recommended.
FUEL
TANK
CB
A
9
WARNING Fuel and its vapors are extremely flammable
and explosive which could cause burns,
fire or explosion resulting in death,
serious injury and/or property damage.
WHEN ADDING FUEL
• Turn generator engine OFF and let it cool at least 2 minutes
before removing fuel cap. Loosen cap slowly to relieve pressure
in tank.
• Fill fuel tank outdoors.
• DO NOT overfill tank. Allow space for fuel expansion.
• If fuel spills, wait until it evaporates before starting engine.
• Keep fuel away from sparks, open flames, pilot lights, heat, and
other ignition sources.
• Check fuel lines, tank, cap and fittings frequently for cracks or
leaks. Replace if necessary.
• DO NOT light a cigarette or smoke.
Not for
Reproduction

10 BRIGGSandSTRATTON.COM
System Ground
The generator has a system ground that connects the
generator frame components to the ground terminals on the
AC output receptacles. The system ground is connected to
the AC neutral wire (the neutral is bonded to the generator
frame).
Special Requirements
There may be Federal or State Occupational Safety and
Health Administration (OSHA) regulations, local codes, or
ordinances that apply to the intended use of the generator.
Please consult a qualified electrician, electrical inspector, or
the local agency having jurisdiction:
• In some areas, generators are required to be registered
with local utility companies.
• If the generator is used at a construction site, there
may be additional regulations which must be observed.
Connecting to a Building’s Electrical System
Connections for standby power to a building’s electrical
system must be made by a qualified electrician. The
connection must isolate the generator power from utility
power or other alternative power sources and must comply
with all applicable laws and electrical codes.
Generator Location
Clearances and Air Movement
Place generator outdoors in an area that will not accumulate
deadly exhaust gas. DO NOT place generator where exhaust
gas (A) could accumulate and enter inside or be drawn into
a potentially occupied building. Ensure exhaust gas is kept
away from any windows, doors, ventilation intakes, or other
openings that can allow exhaust gas to collect in a confined
area. Prevailing winds and air currents should be taken into
consideration when positioning generator.
A
WARNING Exhaust heat/gases could ignite
combustibles, structures or damage fuel tank
causing a fire, resulting in death, serious injury
and/or property damage.
• Keep at least 5 ft. (1.5 m) clearance on all sides of generator
including overhead.
WARNING Generator voltage could cause electrical
shock or burn resulting in death or serious
injury.
• Use approved transfer equipment to prevent backfeed by
isolating generator from electric utility workers.
• When using generator for backup power, notify utility company.
• Use a ground fault circuit interrupter (GFCI) in any damp or
highly conductive area, such as metal decking or steel work.
• DO NOT touch bare wires or receptacles.
• DO NOT use generator with electrical cords which are worn,
frayed, bare or otherwise damaged.
• DO NOT operate generator in the rain or wet weather.
• DO NOT handle generator or electrical cords while standing in
water, while barefoot, or while hands or feet are wet.
• DO NOT allow unqualified persons or children to operate or
service generator.
Not for
Reproduction

11
Features and Controls
Read this Operator’s Manual and safety rules before operating your generator.
Compare the illustrations with your generator, to familiarize yourself with the locations of various controls and
adjustments. Save this manual for future reference.
A - Battery Float Charger Jack — Use battery float charger
jack to keep the starting battery charged and ready for
use.
B - Start Switch — Push to start the engine.
C - Air Cleaner — Protects engine by filtering dust and
debris out of intake air.
D - Choke Control — Used when starting a cold engine.
E - Recoil Starter — Used to start the engine manually.
F - Oil Drain Plug — Drain engine oil here.
G - Engine Identification — Provides model, type and code
of engine. Please have these readily available if calling for
assistance.
H - Oil Fill Cap — Fill engine with oil here.
J - Oil Dipstick — Check engine oil here.
K - Fuel Valve — Used to turn fuel supply on and off to
engine.
L - Fuel Tank — Capacity of seven (7) U.S. gallons (26.5 l).
A
B
D
EH
J
L
K
G
C
F
Not for
Reproduction

12 BRIGGSandSTRATTON.COM
A - Idle Control Switch — Use this switch to turn the idle
control feature on and off.
B - Run/Stop Switch — Set this switch to "Run" before
starting. Set switch to "Stop" to switch off engine.
C - 30 Amp, 2 Pole Circuit Breaker — The 120/240 Volt AC,
30A locking receptacle and the 120 Volt AC, 30A locking
receptacle is provided with a 2 pole circuit breaker to
protect the generator against electrical overload.
D - Main Circuit Breaker — The 120/240 Volt AC, 50A
receptacle is provided with a 2 pole circuit breaker to
protect the generator against electrical overload. This
circuit breaker also controls all AC receptacles.
E - 120/240 Volt AC, 50 Amp Receptacle — May be used to
supply electrical power for the operation of 120 and/or
240 Volt AC, 50 Amp, single phase, 60 Hz electrical
loads.
F - 120/240 Volt AC, 30 Amp Locking Receptacle — May
be used to supply electrical power for the operation of
120 and/or 240 Volt AC, 30 Amp, single phase, 60 Hz
electrical, lighting, appliance, tool and motor loads.
G - 120 Volt AC, 30 Amp Locking Receptacle — May be
used to supply electrical power for the operation of
120 Volt AC, 30 Amp, single phase, 60 Hz electrical
lighting, appliance, tool and motor loads.
H - 120 Volt AC, 20 Amp Locking Receptacle — May be
used to supply electrical power for the operation of
120 Volt AC, 20 Amp, single phase, 60 Hz electrical
lighting, appliance, tool and motor loads.
J - 120 Volt AC, 20 Amp, Duplex Receptacle — May be
used to supply electrical power for the operation of
120 Volt AC, 20 Amp, single phase, 60 Hz electrical,
lighting, appliance, tool and motor loads.
K - Identification Label — Provides model and serial
number of generator. Please have these readily available
if calling for assistance.
L - Grounding Fastener — Consult your local agency having
jurisdiction for grounding requirements in your area.
M - Spark Arrester Muffler — Exhaust muffler lowers engine
noise and is equipped with a spark arrester screen.
N - Oil Filter — Filters engine oil to prolong engine life.
P - Circuit Breakers (AC) — The 120 Volt AC, 20A duplex
receptacle and the 120 Volt AC, 20A locking receptacle is
provided with "push to reset" circuit breakers to protect
the generator against electrical overload.
R - 12 Volt DC Receptacle — Use this receptacle with
battery charge cables to charge a 12 Volt battery. This
receptacle is protected by a 10 Amp auto reset circuit
breaker.
A
B
C
D
E
F
G
H
J
M
L
R
P
K
N
Not for
Reproduction

Cord Sets and Receptacles
Use only high quality, well-insulated, grounded extension
cords with the generator’s receptacles. Inspect extension
cords before each use.
Check the ratings of all extension cords before you use
them. Extension cord sets used should be rated for 125
Volts AC loads 20 Amps or greater. Check operator’s
manuals of devices to be powered for the manufacturer’s
recommendations.
Keep extension cords as short as possible to minimize
voltage drop.
120/240 Volt AC, 50 Amp Receptacle
Use a NEMA 14–50 plug with this receptacle. Connect a
4-wire cord set rated for 250 Volt AC loads at 50 Amps to
the plug.
This receptacle powers 120/240 Volt AC, 60 Hz, single phase
loads requiring up to 10,000 watts of power (10.0 kW) at
41.6 Amps for 240 Volts or two independent 120 Volt loads.
The outlet is protected by a 2 pole circuit breaker.
NOTICE Receptacles may be marked with rating value
greater than generator output capacity.
• NEVER attempt to power a device requiring more amperage than
generator or receptacle can supply.
• DO NOT overload the generator. See Don’t Overload Generator.
120/240 Volt AC, 30 Amp, Locking Receptacle
Use a NEMA L14-30 plug with this receptacle. Connect a
4-wire cord set rated for 250 Volt AC loads at 30 Amps (or
greater). You can use the same 4-wire cord if you plan to run
a 120 Volt load.
This receptacle powers 120/240 Volt AC, 60 Hz, single phase
loads requiring up to 7,200 watts of power (7.2 kW) at
30 Amps for 240 Volts or two independent 120 Volt loads at
30 Amps each. The outlet is protected by a 2 pole circuit
breaker.
120 Volt AC, 30 Amp Locking Receptacle
Use a NEMA L5–30 plug with this receptacle. Connect a
3–wire cord set rated for 125 Volt AC loads at 30 Amps to
the plug.
Use this receptacle to operate 120 Volt AC, 60 Hz, single
phase loads requiring up to 3,600 watts (3.6 kW) of power at
30 Amps. The outlet is protected by a 2 pole circuit breaker.
WARNING Damaged or overloaded electrical cords
could overheat, arc, and burn resulting in death,
serious injury, and/or property damage.
• ONLY use cords rated for your loads.
• Follow all safeties on electrical cords.
• Inspect cord sets before each use.
13
4-Wire Cord Set
240V
120V 120V
NEMA L14-30
W (Neutral)
X (Hot)
Y (Hot)
Ground (Green)
120 Volts
AC
120 Volts
AC
X (Hot)
Y (Hot)
240 Volts AC
Frame Ground
NEMA 14-50 W (Neutral)
3-Wire Cord Set
Neutral
120V
Hot
Ground (Green)
NEMA L5-30
Not for
Reproduction

14 BRIGGSandSTRATTON.COM
120 Volt, 20 Amp Locking Type Receptacle
Use a NEMA L5–20 plug with this receptacle. Connect a
3–wire cord set rated for 125 Volt AC loads at 20 Amps to
the plug.
Use this receptacle to operate 120 Volt AC, 60 Hz, single
phase loads requiring up to 2,400 watts (2.4 kW) of power at
20 Amps. The outlet is protected by a push–to–reset circuit
breaker.
120 Volt AC, 20 Amp, Duplex Receptacles
The duplex receptacle is protected against overload by a
push–to–reset circuit breaker.
Use each receptacle to operate 120 Volt AC, single-phase,
60 Hz electrical loads requiring up to 2,400 watts (2.4 kW) at
20 Amps of current. Use cord sets that are rated for 125 Volt
AC loads at 20 Amps (or greater).
12 Volt DC, 10 Amp Receptacle
This receptacle allows you to recharge a 12 Volt automotive
or utility style storage battery with the battery charge cables
provided.
This receptacle can not recharge 6 Volt batteries and can not
be used to crank an engine having a discharged battery. See
the section Charging a Battery before attempting to recharge
a battery.
Battery Charger
Use battery float charger jack to keep the starting battery
charged and ready for use. Battery charging should be done in a
dry location, such as inside a garage.
1. Plug charger into unit’s “Battery Float Charger” jack,
which is located next to the start switch. Plug battery
charger into a 120 Volt AC wall receptacle.
2. Unplug charger from unit and wall outlet when generator
is being started and while it is in operation.
3. Keep this charger plugged in when generator is not in
use to prolong battery life. The charger has a built in
float equalizer and will not overcharge the battery, even
when plugged in for an extended period of time.
NOTICE See Battery Maintenance for additional information.
3-Wire Cord Set
Neutral
120V
Hot
Ground (Green)
NEMA L5-20
Not for
Reproduction

Operation
Starting the Engine
NOTICE Always unplug the battery float charger before
starting the generator.
Disconnect all electrical loads from the generator. Use the
following start instructions:
1. Make sure unit is on a level surface.
NOTICE Failure to start and operate the unit on a level
surface will cause the unit not to start or shut down during
operation.
2. Turn the fuel valve (A) to the “On” position.
3. Make sure idle control switch is in “Off” position.
4. Set run/stop switch to “Run” position.
5. Pull choke control out to close choke.
6A. For electric starting, push and hold the start switch in
“Start” position until generator starts. To prolong the
life of starter components, DO NOT hold start switch in
“Start” position for more than 15 seconds, and pause
for at least 1 minute between starting attempts.
• If engine starts, proceed to step 8.
• If engine fails to start, proceed to step 7.
NOTICE If battery is discharged, use manual starting
instructions.
6B. For manual starting, grasp recoil handle and pull
slowly until slight resistance is felt. Then pull rapidly
one time only to start engine.
• If engine starts, proceed to step 8.
• If engine fails to start, proceed to step 7.
7. Push in the choke handle half way, and pull recoil
handle twice or push and hold the start switch in the
“Start” position as described in step 6A.
• If engine fails to start, repeat steps 5 thru 6.
8. Open the choke gradually as the engine warms up by
pushing in on the choke handle.
NOTICE If engine floods, place push choke handle all the
way in and crank until engine starts.
NOTICE If engine starts after 3 pulls but fails to run, or if
unit shuts down during operation, make sure unit is on a
level surface and check for proper oil level in crankcase. This
unit may be equipped with a low oil protection device. If so,
oil must be at proper level for engine to start.
A
15
WARNING Starter cord kickback (rapid retraction) will
pull hand and arm toward engine faster than you
can let go which could cause broken bones,
fractures, bruises, or sprains resulting in
serious injury.
• When starting engine, pull cord slowly until resistance is felt
and then pull rapidly to avoid kickback.
• NEVER start or stop engine with electrical devices plugged in
and turned on.
Not for
Reproduction

16 BRIGGSandSTRATTON.COM
Connecting Electrical Loads
1. Let engine stabilize and warm up for a few minutes
after starting.
2. Plug in and turn on the desired 120 and/or 240 Volt
AC, single phase, 60 Hz electrical loads.
NOTICE
• DO NOT connect 240 Volt loads to the 120 Volt duplex
receptacles.
• DO NOT connect 3-phase loads to the generator.
• DO NOT connect 50 Hz loads to the generator.
• DO NOT OVERLOAD THE GENERATOR. See Don’t
Overload Generator.
NOTICE Exceeding generators wattage/amperage capacity
could damage generator and/or electrical devices connected
to it.
• DO NOT exceed the generator’s wattage/amperage capacity. See
Don’t Overload Generator in the Operation section.
• Start generator and let engine stabilize before connecting
electrical loads.
• Connect electrical loads in OFF position, then turn ON for
operation.
• Turn electrical loads OFF and disconnect from generator before
stopping generator.
Stopping the Engine
1. Turn OFF and unplug all electrical loads from generator
panel receptacles. NEVER start or stop engine with
electrical devices plugged in and turned ON.
2. Move idle control switch to “Off” position.
3. Let engine run at no-load for several minutes to
stabilize internal temperatures of engine and generator.
4. Push run/stop switch to “Stop” position.
5. Move fuel valve to “Off” position.
Operating Automatic Idle Control
This feature is designed to greatly improve fuel economy.
When this switch is turned ON, the engine will only run at
its normal high governed engine speed when electrical loads
are connected. When electrical loads are removed, the
engine will run at a reduced speed.
With the switch off, the engine will run at the normal high
engine speed. Always have the switch off when starting and
stopping the engine.
Oil Pressure Shutdown
If engine oil pressure drops below a preset level, an oil
switch will stop the engine. Check oil level with dipstick.
If oil level is between ADD and FULL mark on dipstick:
1. DO NOT try to restart the engine.
2. Contact an Authorized Briggs & Stratton Service Dealer.
3. DO NOT operate engine until oil pressure is corrected.
If oil level is below ADD mark on dipstick:
1. Add oil to bring level to FULL mark.
2. Restart engine and if the engine stops again a low oil
pressure condition may still exist. DO NOT try to restart
the engine.
3. Contact an Authorized Briggs & Stratton Service Dealer.
4. DO NOT operate engine until oil pressure is corrected.
WARNING Exhaust heat/gases could ignite
combustibles, structures or damage fuel
tank causing a fire, resulting in death,
serious injury and/or property damage.
Contact with muffler area could cause burns resulting in
serious injury.
• DO NOT touch hot parts and AVOID hot exhaust gases.
• Allow equipment to cool before touching.
• Keep at least 5 feet (1.5 m) of clearance on all sides of
generator including overhead.
• It is a violation of California Public Resource Code, Section
4442, to use or operate the engine on any forest-covered,
brush-covered, or grass-covered land unless the exhaust
system is equipped with a spark arrester, as defined in Section
4442, maintained in effective working order. Other states or
federal jurisdictions may have similar laws.
Contact the original equipment manufacturer, retailer, or dealer
to obtain a spark arrester designed for the exhaust system
installed on this engine.
• Replacement parts must be the same and installed in the same
position as the original parts.
WARNING Fuel and its vapors are extremely flammable
and explosive which could cause burns,
fire or explosion resulting in death,
serious injury and/or property damage.
• DO NOT stop engine by moving choke control to choke ()
position.
Not for
Reproduction

Charging a Battery
Your generator has the capability of recharging a discharged
12 Volt automotive or utility style storage battery.
• DO NOT use the unit to charge any 6 Volt batteries.
• DO NOT use the unit to crank an engine having a
discharged battery.
To recharge 12 Volt batteries, proceed as follows:
1. Check fluid level in all battery cells. If necessary, add
ONLY distilled water to cover separators in battery
cells. DO NOT use tap water.
2. If battery is equipped with vent caps, make sure they
are installed and are tight.
3. If necessary, clean battery terminals.
4. Connect battery charge cable connector plug to panel
receptacle identified by the words “12V 10A D.C.”
5. Connect battery charge cable clamp with red handle to
the positive (+) battery terminal.
6. Connect battery charge cable clamp with black handle
to the negative (–) battery terminal.
7. Start engine. Let engine run while battery recharges.
8. When battery has charged, shut down engine
NOTICE Use an automotive hydrometer to test battery state
of charge and condition. Follow the hydrometer
manufacturer’s instructions carefully. Generally, a battery is
considered to be at 100% state of charge when specific
gravity of its fluid (as measured by hydrometer) is 1.260 or
higher.
Cold Weather Operation
Under certain weather conditions (temperatures below 40°F
[4°C] combined with high humidity), your generator may
experience icing of the carburetor and/or the crankcase
breather system. To reduce this problem, you need to
perform the following:
1. Make sure generator has clean, fresh fuel.
2. Open fuel valve (turn valve to open position).
3. Use SAE 5W-30 oil.
4. Check oil level daily or after every eight (8) hours of
operation.
5. Maintain generator following Maintenance Schedule in
Maintenance section.
6. Shelter unit from elements.
17
WARNING Storage batteries give off explosive
hydrogen gas during recharging.
Hydrogen gas stays near battery for a
long time after battery has been
charged. Slightest spark could ignite hydrogen causing
explosion resulting in death, serious injury and/or
property damage.
Battery electrolyte fluid contains acid and is extremely
caustic. Contact with battery fluid could cause chemical
burns resulting in serious injury and/or property damage.
• DO NOT allow any open flame, spark, heat, or lit cigarette
during and for several minutes after charging a battery.
• Wear protective goggles, rubber apron, and rubber gloves.
• DO NOT continue to charge a battery that becomes hot or is
fully charged.
• DO NOT leave battery unattended.
WARNING Battery posts, terminals and related
accessories contain lead and lead compounds - chemicals
known to the State of California to cause cancer and
reproductive harm. Wash hands after handling.
Not for
Reproduction

18 BRIGGSandSTRATTON.COM
Creating a Temporary Cold Weather Shelter
1. For temporary shelter, the original shipping carton can
be used.
2. Cut off top carton flaps and one long side of carton to
expose muffler side of unit. If required, tape up other
sides of carton to fit over generator as shown.
NOTICE If required, remove wheel kit to fit carton over
generator as shown.
3. Cut appropriate slots to access receptacles of unit.
4. Face exposed end away from wind and elements.
5. Locate generator as described in the section Generator
Location. Keep exhaust gas from entering a confined
area through windows, doors, ventilation intakes or
other openings.
6. Start generator as described in the section Starting the
Engine, then place carton over generator. Keep at least
5 ft. (1.5 m) clearance on all sides of generator
including overhead with shelter in place.
7. Remove shelter when temperatures are above 40°F
[4°C].
8. Turn engine OFF and let cool two (2) minutes before
refueling. Let any spilled fuel evaporate before starting
engine.
Building a Cold Weather Shelter
1. Using non combustible material with a fire rating of at
least one hour, build a shelter that will enclose three
sides and the top of the generator. Make sure muffler
side of generator is exposed.
NOTICE Contact your local building material supplier for
non combustible materials with a fire rating of at least one
hour.
NOTICE Be sure shelter can easily be repositioned for
change in wind direction.
2. DO NOT enclose generator any more than shown.
Shelter should hold enough heat created by the
generator to prevent icing problem.
NOTICE If a wheel kit is installed on the generator, enlarge
shelter accordingly.
3. Follow steps 3 through 8 as described previously in
Creating a Temporary Cold Weather Shelter.
Wind
WARNING Exhaust heat/gases could ignite
combustibles, structures or damage fuel
tank causing a fire, resulting in death,
serious injury and/or property damage.
Contact with muffler area could cause burns resulting in
serious injury.
• DO NOT touch hot parts and AVOID hot exhaust gases.
• Allow equipment to cool before touching.
• Keep at least 5 feet (1.5 m) of clearance on all sides of
generator including overhead.
• Remove shelter when temperatures are above 40°F [4°C].
WARNING Running engine gives off carbon
monoxide, an odorless, colorless, poison gas.
Breathing carbon monoxide could result in death,
serious injury, headache, fatigue, dizziness,
vomiting, confusion, seizures, nausea or fainting.
• Operate this product ONLY outdoors.
• Install a battery operated carbon monoxide alarm near the
bedrooms.
• Keep exhaust gas from entering a confined area through
windows, doors, ventilation intakes, or other openings.
• DO NOT operate this product inside any building, carport,
porch, mobile equipment, marine applications, or enclosure,
even if windows and doors are open.
Not for
Reproduction

19
Don’t Overload Generator
Capacity
You must make sure your generator can supply enough
rated (running) and surge (starting) watts for the items you
will power at the same time. Follow these simple steps:
1. Select the items you will power at the same time.
2. Total the rated (running) watts of these items. This is
the amount of power your generator must produce to
keep your items running. See the table on the right.
3. Estimate how many surge (starting) watts you will need.
Surge wattage is the short burst of power needed to
start electric motor-driven tools or appliances such as a
circular saw or refrigerator. Because not all motors start
at the same time, total surge watts can be estimated by
adding only the item(s) with the highest additional surge
watts to the total rated watts from step 2.
Example:
Total Rated (Running) Watts = 3075
Highest Additional Surge Watts = 1800
Total Generator Output Required = 4875
Power Management
To prolong the life of your generator and attached devices, it
is important to take care when adding electrical loads to your
generator. There should be nothing connected to the
generator outlets before starting its engine. The correct and
safe way to manage generator power is to sequentially add
loads as follows:
1. With nothing connected to the generator, start the
engine as described in this manual.
2. Plug in and turn on the first load, preferably the largest
load you have.
3. Permit the generator output to stabilize (engine runs
smoothly and attached device operates properly).
4. Plug in and turn on the next load.
5. Again, permit the generator to stabilize.
6. Repeat steps 4 and 5 for each additional load.
NEVER add more loads than the generator capacity. Take
special care to consider surge loads in generator capacity, as
described above.
* Wattages listed are approximate only. Check tool or
appliance for actual wattage.
Tool or Appliance Watts (Starting) Watts
Window Air
Conditioner
1200 1800
Refrigerator 800 1600
Deep Freezer 500 500
Television 500 —
Light (75 Watts) 75 —
3075 Total
Running Watts
1800 Highest
Surge Watts
Tool or Appliance
Rated*
(Running)
Watts
Additional
Surge (Starting)
Watts
Essentials
Light Bulb - 75 watt 75 -
Deep Freezer 500 500
Sump Pump 800 1200
Refrigerator/Freezer - 18 Cu. Ft. 800 1600
Water Well Pump - 1/3 HP 1000 2000
Heating/Cooling
Window AC - 10,000 BTU 1200 1800
Window Fan 300 600
Furnace Fan Blower - 1/2 HP 800 1300
Kitchen
Microwave Oven - 1000 Watt 1000 -
Coffee Maker 1500 -
Electric Stove - Single Element 1500 -
Hot Plate 2500 -
Family Room
DVD/CD Player 100 -
VCR 100 -
Stereo Receiver 450 -
Color Television - 27” 500 -
Personal Computer w/17” monitor 800 -
Other
Security System 180 -
AM/FM Clock Radio 300 -
Garage Door Opener - 1/2 HP 480 520
Electric Water Heater - 40 Gallon 4000 -
DIY/Job Site
Quartz Halogen Work Light 1000 -
Airless Sprayer - 1/3 HP 600 1200
Reciprocating Saw 960 960
Electric Drill - 1/2 HP 1000 1000
Circular Saw - 7 1/4” 1500 1500
Miter Saw - 10” 1800 1800
Table Planer - 6” 1800 1800
Table Saw/Radial Arm Saw - 10” 2000 2000
Air Compressor - 1-1/2 HP 2500 2500
Not for
Reproduction

20 BRIGGSandSTRATTON.COM
Maintenance
Maintenance Schedule
Follow the hourly or calendar intervals, whichever occurs
first. More frequent service is required when operating in
adverse conditions noted below.
1Service more often under dirty or dusty conditions.
2Change oil every 50 hours or every season, whichever occurs first, if operating
under heavy load or high ambient temperature.
General Recommendations
Regular maintenance will improve the performance and
extend the life of the generator. See any authorized dealer for
service.
The generator’s warranty does not cover items that have
been subjected to operator abuse or negligence. To receive
full value from the warranty, the operator must maintain the
generator as instructed in this manual.
Some adjustments will need to be made periodically to
properly maintain your generator.
All service and adjustments should be made at least once
each season. Follow the requirements in the Maintenance
Schedule chart above.
NOTICE Once a year you should clean or replace the spark
plug and replace the air filter. New spark plugs and clean air
filter assure proper fuel-air mixture and help your engine run
better and last longer.
Emissions Control
Maintenance, replacement, or repair of the emissions
control devices and systems may be performed by any
non-road engine repair establishment or individual.
However, to obtain ”no charge” emissions control service,
the work must be performed by a factory authorized dealer.
See the Emissions Warranty.
Generator Maintenance
Generator maintenance consists of keeping the unit clean
and dry. Operate and store the unit in a clean dry
environment where it will not be exposed to excessive dust,
dirt, moisture, or any corrosive vapors. Cooling air slots in
the generator must not become clogged with snow, leaves,
or any other foreign material.
NOTICE DO NOT use water or other liquids to clean
generator. Liquids can enter engine fuel system, causing
poor performance and/or failure to occur. In addition, if
liquid enters generator through cooling air slots, some of the
liquid will be retained in voids and cracks of the rotor and
stator winding insulation. Liquid and dirt buildup on the
generator internal windings will eventually decrease the
insulation resistance of these windings.
Cleaning
Daily or before use, look around and underneath the
generator for signs of oil or fuel leaks. Clean accumulated
debris from inside and outside the generator. Keep the
linkage, spring and other engine controls clean. Keep the area
around and behind the muffler free from any combustible
debris. Inspect cooling air slots and openings on generator.
These openings must be kept clean and unobstructed.
Engine parts should be kept clean to reduce the risk of
overheating and ignition of accumulated debris:
• Use a damp cloth to wipe exterior surfaces clean.
NOTICE Improper treatment of generator could damage it
and shorten its life.
• DO NOT expose generator to excessive moisture, dust, dirt, or
corrosive vapors.
• DO NOT insert any objects through cooling slots.
• Use a soft bristle brush to loosen caked on dirt or oil.
• Use a vacuum cleaner to pick up loose dirt and debris.
Battery Maintenance
Other than float charging, described elsewhere, no
maintenance is required for the starting battery. Keep the
battery and terminals clean and dry.
NOTICE Battery charging should be performed in a dry
location, such as inside a garage.
First 8 Hours
• Change engine oil
Every 8 Hours or Daily
• Clean debris
• Check engine oil level
Every 25 Hours or Yearly
• Service engine air cleaner pre-filter1
Every 50 Hours or Yearly
• Inspect muffler and spark arrester
Every 100 Hours or Yearly
• Change engine oil and filter2
• Service air cleaner paper filter1
• Service fuel filter
• Service spark plugs
• Clean cooling system1
Every 250 Hours or Yearly
• Check valve clearance
WARNING Battery posts, terminals and related
accessories contain lead and lead compounds - chemicals
known to the State of California to cause cancer and
reproductive harm. Wash hands after handling.
Not for
Reproduction

21
Fuel Valve Maintenance
The fuel valve is equipped with a fuel sediment cup, screen,
retaining ring and o-ring that need to be cleaned every
100 hours or once a year (whichever occurs first).
1. Move fuel valve to “Off” position.
2. Remove sediment cup (A) from fuel valve. Remove
o-ring (B), retaining ring (C) and screen (D) from fuel
valve.
3. Wash sediment cup, o-ring, retaining ring, and screen
in a nonflammable solvent. Dry them thoroughly.
4. Place screen, retaining ring, and o-ring into fuel valve.
Install sediment cup and tighten securely.
5. Move fuel valve to “On” position, and check for leaks.
Replace o-ring if there is any leakage.
Engine Maintenance
Oil
Oil Recommendations
We recommend the use of Briggs & Stratton Warranty
Certified oils for best performance. Other high-quality
detergent oils are acceptable if classified for service SF, SG,
SH, SJ or higher. DO NOT use special additives.
Outdoor temperatures determine the proper oil viscosity for
the engine. Use the chart to select the best viscosity for the
outdoor temperature range expected.
* Below 40°F (4°C) the use of SAE 30 will result in hard starting.
** Above 80°F (27°C) the use of 10W30 may cause increased oil
consumption. Check oil level more frequently.
NOTICE Synthetic oil meeting ILSAC GF-2, API
certification mark and API service symbol with
“SJ/CF ENERGY CONSERVING” or higher, is an
acceptable oil at all temperatures. Use of synthetic
oil does not alter required oil change intervals.
Checking Oil Level
Oil level should be checked prior to each use or at least
every 8 hours of operation. Keep oil level maintained.
1. Make sure generator is on a level surface.
2. Clean area around oil dipstick, remove oil dipstick and
wipe dipstick with clean cloth. Insert dipstick firmly,
then remove and check oil level.
3. Verify oil is at “Full” mark on dipstick. Insert dipstick
firmly before starting engine.
Adding Engine Oil
1. Make sure generator is on a level surface.
2. Check oil level as described in Checking Oil Level.
3. If needed, remove oil fill cap and slowly pour oil into oil
fill opening to the “Full” mark on dipstick. DO NOT
overfill.
NOTICE Overfilling with oil could cause the engine to not
start, or hard starting.
• DO NOT overfill.
• If over the FULL mark on dipstick, drain oil to reduce oil level to
FULL mark on dipstick.
4. Replace and tighten both the oil fill cap and dipstick.
A
B
C
D
WARNING Unintentional sparking could cause fire or
electric shock resulting in death or
serious injury.
WHEN ADJUSTING OR MAKING REPAIRS TO YOUR GENERATOR
• Disconnect the spark plug wire from the spark plug and place
the wire where it cannot contact spark plug.
WHEN TESTING FOR ENGINE SPARK
• Use approved spark plug tester.
• DO NOT check for spark with spark plug removed.
Not for
Reproduction

Changing Engine Oil and Filter
If you are using your generator under heavy load, or in
extremely hot weather, change the oil every 50 hours.
KEEP OUT OF REACH OF CHILDREN. DON’T
POLLUTE. CONSERVE RESOURCES. RETURN
USED OIL TO COLLECTION CENTERS.
Change the oil while the engine is still warm from
running, as follows:
1. Make sure unit is on a level surface.
2. Disconnect the spark plug wires from the spark plug
and place the wire where it cannot contact spark plugs.
3. Clean area around oil drain plug. The oil drain plug is
located at base of engine.
4. Remove oil drain plug and oil fill cap and drain oil
completely into a suitable container.
5. Reinstall oil drain plug and tighten securely.
6. Place a suitable container beneath oil filter and turn
filter counterclockwise to remove.
7. Lightly coat gasket of a new filter with fresh engine oil.
Turn new filter clockwise until gasket contacts filter
adapter, then tighten an additional 3/4 turn.
8. Remove oil dipstick.
9. Slowly pour 32 oz. (1 liter) of recommended oil into oil
fill opening.
10. Start and run engine for 30 seconds. Shut engine off
and wait 30 seconds for oil to settle.
11. Add more oil to “Full” mark on dipstick. Wipe dipstick
clean each time oil level is checked. DO NOT overfill.
NOTICE Engine holds approximately 48 oz. (1.4 liters) when
changing oil and filter.
12. Reinstall oil fill cap and oil dipstick. Tighten oil fill cap
securely.
13. Wipe up any spilled oil.
14. Reconnect spark plug wires to spark plugs.
Service Air Cleaner
Your engine will not run properly and may be damaged if
you run it with a dirty air cleaner. Clean or replace more
often if operating under dusty or dirty conditions.
To service the air cleaner, follow these steps:
1. Unhook latches (A) on both sides of cover (B) and
remove cover.
2. Remove knob (C) and plate (D). Carefully remove air
cleaner assembly to prevent debris from entering
carburetor.
3. Slide foam pre-cleaner (F) off cartridge (E) and wash
pre-cleaner in liquid detergent and water.
4. Squeeze the pre-cleaner dry with a clean cloth. DO NOT
TWIST.
5. Tap cartridge gently on a solid surface to loosen and
remove trapped particles.
6. Reassemble clean (or new) pre-cleaner on clean (or
new) cartridge.
7. Install clean (or new) air cleaner assembly inside cover.
Dispose of old filter properly.
8. Reinstall knob and plate.
9. Replace cover and reattach latches to cover.
Service Spark Plugs
Changing the spark plugs will help your engine to start easier
and run better.
1. Clean area around spark plugs.
2. Remove and inspect spark plugs.
3. Replace spark plugs if electrodes are pitted, burned or
porcelain is cracked. Use the recommended
replacement spark plugs. See Specifications.
4. Check electrode gap with wire feeler gauge and reset
spark plug gap to recommended gap if necessary (see
Specifications).
5. Install spark plugs and tighten firmly.
22 BRIGGSandSTRATTON.COM
AC
BD
F
E
CAUTION Avoid prolonged or repeated skin contact
with used motor oil.
• Used motor oil has been shown to cause skin cancer in certain
laboratory animals.
• Thoroughly wash exposed areas with soap and water.
Not for
Reproduction

23
Inspect Muffler and Spark Arrester
Inspect the muffler for cracks, corrosion, or other damage.
Remove the spark arrester, if equipped, and inspect for
damage or carbon blockage. If replacement parts are
required, make sure to use only original equipment
replacement parts.
Clean and inspect the spark arrester as follows:
1. Remove four screws that attach the spark arrester
screen.
2. Inspect screen and replace if torn, perforated or
otherwise damaged. DO NOT USE a defective screen. If
screen is not damaged, clean it with commercial
solvent.
3. Reattach the screen with four screws.
Clean Cooling System
Over time debris may accumulate in cylinder cooling fins and
cannot be observed without partial engine disassembly. For
this reason, we recommend you have an authorized service
dealer clean the cooling system per recommended intervals
(see Maintenance Schedule in the Maintenance section).
Equally important is to keep top of engine free from debris.
Also see Cleaning.
Check Valve Clearance
Regular valve clearance check and adjustment will improve
performance and extend engine life. This procedure cannot
be done without partial engine disassembly and the use of
special tools. For this reason we recommend that you have
an authorized Service Dealer check and adjust valve
clearance at recommended intervals (see Maintenance
Schedule in the Maintenance section).
Carburetor Adjustment
The carburetor on this engine is low emission. It is equipped
with a non-adjustable idle mixture valve. Top speed has been
set at the factory. If adjustment is required, see an
authorized service dealer.
CAUTION Excessively high operating speeds could
result in minor injury and/or generator damage.
Excessively low speeds impose a heavy load.
• DO NOT tamper with governor spring, links or other parts to
increase engine speed. Generator supplies correct rated
frequency and voltage when running at governed speed.
• DO NOT modify generator in any way.
WARNING Exhaust heat/gases could ignite
combustibles, structures or damage fuel
tank causing a fire, resulting in death,
serious injury and/or property damage.
Contact with muffler area could cause burns resulting in
serious injury.
• DO NOT touch hot parts and AVOID hot exhaust gases.
• Allow equipment to cool before touching.
• Keep at least 5 feet (152 cm) of clearance on all sides of
generator including overhead.
• It is a violation of California Public Resource Code, Section
4442, to use or operate the engine on any forest-covered,
brush-covered, or grass-covered land unless the exhaust
system is equipped with a spark arrester, as defined in Section
4442, maintained in effective working order. Other states or
federal jurisdictions may have similar laws.
Contact the original equipment manufacturer, retailer, or dealer
to obtain a spark arrester designed for the exhaust system
installed on this engine.
• Replacement parts must be the same and installed in the same
position as the original parts.
Not for
Reproduction

24 BRIGGSandSTRATTON.COM
Storage
The generator should be started at least once every seven
days and allowed to run at least 30 minutes. If this cannot be
done and you must store the unit for more than 30 days, use
the following guidelines to prepare it for storage.
Generator Storage
• Clean the generator as outlined in Cleaning in the
Maintenance section.
• Check that cooling air slots and openings on generator
are open and unobstructed.
Long Term Storage Instructions
Fuel can become stale when stored over 30 days. Stale fuel
causes acid and gum deposits to form in the fuel system or
on essential carburetor parts. To keep fuel fresh, use Briggs
& Stratton FRESH START® fuel stabilizer, available as a
liquid additive or a drip concentrate cartridge.
There is no need to drain gasoline from the engine if a fuel
stabilizer is added according to instructions. Run the engine
for 2 minutes to circulate the stabilizer throughout the fuel
system. The engine and fuel can then be stored up to
24 months.
If gasoline in the engine has not been treated with a fuel
stabilizer, it must be drained into an approved container. Run
the engine until it stops from lack of fuel. The use of a fuel
stabilizer in the storage container is recommended to
maintain freshness.
Change Oil
While engine is still warm, drain oil from crankcase. Refill
with recommended grade. See Changing Engine Oil in
Maintenance.
Other Storage Tips
1. DO NOT store fuel from one season to another unless it
has been treated as described in Protect Fuel System.
2. Replace fuel can if it starts to rust. Contaminated fuel
will cause engine problems.
3. If possible, store unit indoors and cover it to give
protection from dust and dirt.
4. Cover unit with a suitable protective cover that does not
retain moisture.
5. Store generator in clean, dry area.
WARNING Fuel and its vapors are extremely flammable
and explosive which could cause burns,
fire or explosion resulting in death,
serious injury and/or property damage.
WHEN STORING FUEL OR EQUIPMENT WITH FUEL IN TANK
• Store away from furnaces, stoves, water heaters, clothes dryers
or other appliances that have pilot light or other ignition source
because they could ignite fuel vapors.
WHEN DRAINING FUEL
• Turn generator engine OFF and let it cool at least 2 minutes
before removing fuel cap. Loosen cap slowly to relieve pressure
in tank.
• Drain fuel tank outdoors.
• Keep fuel away from sparks, open flames, pilot lights, heat, and
other ignition sources.
• Check fuel lines, tank, cap and fittings frequently for cracks or
leaks. Replace if necessary.
• DO NOT light a cigarette or smoke.
WARNING Storage covers could cause a fire
resulting in death, serious injury and/or property
damage.
• DO NOT place a storage cover over a hot generator.
• Let equipment cool for a sufficient time before placing the cover
on the equipment.
Not for
Reproduction

25
Troubleshooting
Problem Cause Correction
Engine is running, but no AC
output is available.
1. One of the circuit breakers is open.
2. Fault in generator.
3. Poor connection or defective cord set.
4. Connected device is bad.
1. Reset circuit breaker.
2. Contact authorized service facility.
3. Check and repair.
4. Connect another device that is in good
condition.
Engine runs good at no-load
but "bogs down" when loads
are connected.
1. Short circuit in a connected load.
2. Engine speed is too slow.
3. Generator is overloaded.
4. Shorted generator circuit.
5. Clogged or dirty fuel filter.
1. Disconnect shorted electrical load.
2. Contact authorized service facility.
3. See Don't Overload Generator.
4. Contact authorized service facility.
5. Clean or replace fuel filter.
Engine will not start; starts and
runs rough or shuts down when
running.
1. Run/Stop switch set to "Stop".
2. Fuel valve is in "Off" position.
3. Failed battery.
4. Low oil level.
5. Dirty air cleaner.
6. Clogged or dirty fuel filter.
7. Out of fuel.
8. Stale fuel.
9. Spark plug wire not connected to spark
plug.
10. Bad spark plug.
11. Water in fuel.
12. Flooded.
13. Excessively rich fuel mixture.
14. Intake valve stuck open or closed.
15. Engine has lost compression.
1. Set switch to "Run".
2. Turn fuel valve to "On" position.
3. Replace battery.
4. Fill crankcase to proper level or place
generator on level surface.
5. Clean or replace air cleaner.
6. Clean or replace fuel filter.
7. Fill fuel tank.
8. Drain fuel tank and carburetor; fill with
fresh fuel.
9. Connect wire to spark plug.
10. Replace spark plug.
11. Drain fuel tank and carburetor; fill with
fresh fuel.
12. Wait 5 minutes and re-crank engine.
13. Contact authorized service facility.
14. Contact authorized service facility.
15. Contact authorized service facility.
Engine lacks power.
1. Load is too high.
2. Dirty air filter.
3. Clogged or dirty fuel filter.
1. See Don't Overload Generator.
2. Replace air filter.
3. Clean or replace fuel filter.
Engine "hunts" or falters. 1. Carburetor is running too rich or too lean.
2. Clogged or dirty fuel filter.
1. Contact authorized service facility.
2. Clean or replace fuel filter.
Not for
Reproduction

26 BRIGGSandSTRATTON.COM
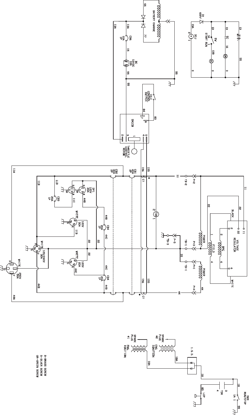
Not for
Reproduction

27
Not for
Reproduction
28 BRIGGSandSTRATTON.COM
Warranties
California, U.S. EPA, and Briggs & Stratton
Corporation Emissions Control Warranty
Statement
Your Warranty Rights And Obligations
The California Air Resources Board, U.S. EPA, and Briggs &
Stratton (B&S) are pleased to explain the emissions control
system warranty on your Model Year 2011-2012
engine/equipment. In California, new small off-road engines
and large spark ignited engines less than or equal to 1.0 liter
must be designed, built, and equipped to meet the State’s
stringent anti-smog standards. B&S must warrant the
emissions control system on your engine/equipment for the
periods of time listed below provided there has been no abuse,
neglect, or improper maintenance of your engine or equipment.
Your emissions control system may include parts such as
the carburetor or fuel injection system, fuel tank, ignition
system, and catalytic converter. Also included may be hoses,
belts, connectors, sensors, and other emissions-related
assemblies. Where a warrantable condition exists, B&S will
repair your engine/equipment at no cost to you including
diagnosis, parts, and labor.
Manufacturer’s Warranty Coverage:
Small off-road engines and large spark ignited engines less
than or equal to 1.0 liter are warranted for two years. If any
emissions-related part on your engine/equipment is
defective, the part will be repaired or replaced by B&S.
Owner’s Warranty Responsibilities:
• As the engine/equipment owner, you are responsible
for the performance of the required maintenance listed
in your owner’s manual. B&S recommends that you
retain all receipts covering maintenance on your
engine/equipment, but B&S cannot deny warranty
solely for the lack of receipts or your failure to ensure
the performance of all scheduled maintenance.
• As the engine/equipment owner, you should however
be aware that B&S may deny you warranty coverage if
your engine/equipment or a part has failed due to
abuse, neglect, improper maintenance, or unapproved
modifications.
• You are responsible for presenting your
engine/equipment to a B&S distribution center,
servicing dealer, or other equivalent entity, as
applicable, as soon as a problem exists. The warranty
repairs should be completed in a reasonable amount of
time, not to exceed 30 days. If you have any questions
regarding your warranty rights and responsibilities, you
should contact B&S at (414) 259-5262.
Briggs & Stratton Emissions Control Warranty Provisions
The following are specific provisions relative to your
Emissions Control Warranty Coverage. It is in addition to the
B&S engine warranty for non-regulated engines found in the
Operator’s Manual.
1. Warranted Emissions Parts
Coverage under this warranty extends only to the parts
listed below (the emissions control systems parts) to
the extent these parts were present on the engine
purchased.
a. Fuel Metering System
• Cold start enrichment system (soft choke)
• Carburetor and internal parts
• Fuel pump
• Fuel line, fuel line fittings, clamps
• Fuel tank, cap and tether
• Carbon canister
b. Air Induction System
• Air cleaner
• Intake manifold
• Purge and vent line
c. Ignition System
• Spark plug(s)
• Magneto ignition system
d. Catalyst System
• Catalytic converter
• Exhaust manifold
• Air injection system or pulse valve
e. Miscellaneous Items Used in Above Systems
• Vacuum, temperature, position, time sensitive
valves and switches
• Connectors and assemblies
2. Length of Coverage
For a period of two years from date of original
purchase, B&S warrants to the original purchaser and
each subsequent purchaser that the engine is designed,
built, and equipped so as to conform with all applicable
regulations adopted by the Air Resources Board; that it
is free from defects in material and workmanship that
could cause the failure of a warranted part; and that it
is identical in all material respects to the engine
described in the manufacturer’s application for
certification. The warranty period begins on the date the
engine is originally purchased.
Not for
Reproduction
29
The warranty on emissions-related parts is as follows:
• Any warranted part that is not scheduled for
replacement as required maintenance in the owner’s
manual supplied, is warranted for the warranty period
stated above. If any such part fails during the period of
warranty coverage, the part will be repaired or replaced
by B&S at no charge to the owner. Any such part
repaired or replaced under the warranty will be
warranted for the remaining warranty period.
• Any warranted part that is scheduled only for regular
inspection in the owner’s manual supplied, is warranted
for the warranty period stated above. Any such part
repaired or replaced under warranty will be warranted
for the remaining warranty period.
• Any warranted part that is scheduled for replacement as
required maintenance in the owner’s manual supplied, is
warranted for the period of time prior to the first
scheduled replacement point for that part. If the part fails
prior to the first scheduled replacement, the part will be
repaired or replaced by B&S at no charge to the owner.
Any such part repaired or replaced under warranty will
be warranted for the remainder of the period prior to the
first scheduled replacement point for the part.
• Add on or modified parts that are not exempted by the
Air Resources Board may not be used. The use of any
non exempted add on or modified parts by the owner
will be grounds for disallowing a warranty claim. The
manufacturer will not be liable to warrant failures of
warranted parts caused by the use of a non exempted
add on or modified part.
3. Consequential Coverage
Coverage shall extend to the failure of any engine
components caused by the failure of any warranted
emissions parts.
4. Claims and Coverage Exclusions
Warranty claims shall be filed according to the
provisions of the B&S engine warranty policy. Warranty
coverage does not apply to failures of emissions parts
that are not original equipment B&S parts or to parts
that fail due to abuse, neglect, or improper maintenance
as set forth in the B&S engine warranty policy. B&S is
not liable for warranty coverage of failures of emissions
parts caused by the use of add-on or modified parts.
Look For Relevant Emissions Durability Period and Air
Index Information On Your Small Off-Road Engine
Emissions Label
Engines that are certified to meet the California Air
Resources Board (CARB) small off-road Emissions Standard
must display information regarding the Emissions Durability
Period and the Air Index. Briggs & Stratton makes this
information available to the consumer on our emissions
labels. The engine emissions label will indicate certification
information.
The Emissions Durability Period describes the number of
hours of actual running time for which the engine is certified
to be emissions compliant, assuming proper maintenance in
accordance with the Operating & Maintenance Instructions.
The following categories are used:
Moderate:
Engine is certified to be emissions compliant for 125 hours
of actual engine running time.
Intermediate:
Engine is certified to be emissions compliant for 250 hours
of actual engine running time.
Extended:
Engine is certified to be emissions compliant for 500 hours
of actual engine running time.
For example, a typical walk-behind lawn mower is used 20 to
25 hours per year. Therefore, the Emissions Durability
Period of an engine with an intermediate rating would
equate to 10 to 12 years. Briggs & Stratton engines are
certified to meet the United States Environmental Protection
Agency (USEPA) Phase 2 emissions standards. For Phase 2
certified engines, the Emissions Compliance Period referred
to on the Emissions Compliance label indicates the number
of operating hours for which the engine has been shown to
meet Federal emissions requirements.
For engines less than 225 cc displacement.
Category C = 125 hours
Category B = 250 hours
Category A = 500 hours
For engines of 225 cc or more displacement.
Category C = 250 hours
Category B = 500 hours
Category A = 1000 hours
Not for
Reproduction

30 BRIGGSandSTRATTON.COM
BRIGGS & STRATTON POWER PRODUCTS GROUP, LLC PORTABLE GENERATOR OWNER WARRANTY POLICY
LIMITED WARRANTY
Briggs & Stratton Power Products Group, LLC will repair or replace, free of charge, any part(s) of the portable generator that is defective in material or
workmanship or both. Transportation charges on product submitted for repair or replacement under this warranty must be borne by purchaser. This
warranty is effective for the time periods and subject to the conditions stated below. For warranty service, find the nearest Authorized Service Dealer in
our dealer locator map at BRIGGSandSTRATTON.COM.
THERE IS NO OTHER EXPRESS WARRANTY. IMPLIED WARRANTIES, INCLUDING THOSE OF MERCHANTABILITY AND FITNESS FOR A PARTICULAR
PURPOSE, ARE LIMITED TO ONE YEAR FROM PURCHASE, OR TO THE EXTENT PERMITTED BY LAW. ANY AND ALL IMPLIED WARRANTIES ARE
EXCLUDED. LIABILITY FOR INCIDENTAL OR CONSEQUENTIAL DAMAGES ARE EXCLUDED TO THE EXTENT EXCLUSION IS PERMITTED BY LAW. Some
states or countries do not allow limitations on how long an implied warranty lasts, and some states or countries do not allow the exclusion or limitation
of incidental or consequential damages, so the above limitation and exclusion may not apply to you. This warranty gives you specific legal rights and
you may also have other rights which vary from state to state or country to country.
2 years*
1 year
Consumer Use
Commercial Use
The warranty period begins on the date of purchase by the first retail end user, and continues for the period of time stated above. “Consumer Use" means
personal residential household use by a retail consumer. “Commercial Use" means all other uses, including use for commercial, income producing or rental
purposes. Once equipment has experienced commercial use, it shall thereafter be considered as commercial use for purposes of this warranty.
NO WARRANTY REGISTRATION IS NECESSARY TO OBTAIN WARRANTY ON BRIGGS & STRATTON PRODUCTS. SAVE YOUR PROOF OF PURCHASE
RECEIPT. IF YOU DO NOT PROVIDE PROOF OF THE INITIAL PURCHASE DATE AT THE TIME WARRANTY SERVICE IS REQUESTED, THE MANUFACTURING
DATE OF THE PRODUCT WILL BE USED TO DETERMINE THE WARRANTY PERIOD.
ABOUT YOUR WARRANTY
We welcome warranty repair and apologize to you for being inconvenienced. Any Authorized Service Dealer may perform warranty repairs. Most warranty
repairs are handled routinely, but sometimes requests for warranty service may not be appropriate. For example, warranty service would not apply if
equipment damage occurred because of misuse, lack of routine maintenance, shipping, handling, warehousing or improper installation. Similarly, the
warranty is void if the manufacturing date or the serial number on the portable generator has been removed or the equipment has been altered or modified.
During the warranty period, the Authorized Service Dealer, at its option, will repair or replace any part that, upon examination, is found to be defective under
normal use and service. This warranty will not cover the following repairs and equipment:
•Normal Wear: Outdoor Power Equipment, like all mechanical devices, needs periodic parts and service to perform well. This warranty does not cover
repair when normal use has exhausted the life of a part or the equipment.
•Installation and Maintenance: This warranty does not apply to equipment or parts that have been subjected to improper or unauthorized installation or
alteration and modification, misuse, negligence, accident, overloading, overspeeding, improper maintenance, repair or storage so as, in our judgment,
to adversely affect its performance and reliability. This warranty also does not cover normal maintenance such as air filters, adjustments, fuel system
cleaning and obstruction (due to chemical, dirt, carbon, lime, and so forth).
•Other Exclusions: This warranty excludes wear items such as o-rings, filters, etc., or malfunctions resulting from accidents, abuse, modifications,
alterations, or improper servicing or freezing or chemical deterioration. Accessory parts such as starting batteries, generator adapter cord sets and
storage covers are excluded from the product warranty. This warranty excludes used, reconditioned, and demonstration equipment, equipment used
for prime power in place of utility power, equipment used in life support applications, and failures due to acts of God and other force majeure events
beyond the manufacturers control. 198189E, Rev. C, 11/2/2009
BRIGGS & STRATTON POWER PRODUCTS GROUP, LLC
MILWAUKEE, WI, USA
Effective November 1, 2009; replaces all undated Warranties and all Warranties dated before November 1, 2009.
*Second year parts only
WARRANTY PERIOD
Not for
Reproduction
31
Not for
Reproduction

32 BRIGGSandSTRATTON.COM
Portable Generator
Product Specifications
Starting Wattage . . . . . . . . . . . . . . . . . . . . . . .12,500 Watts
Wattage* . . . . . . . . . . . . . . . . . . . . . . . . . . . . .10,000 Watts
AC Voltage . . . . . . . . . . . . . . . . . . . . . . . . . . .120/240 Volts
at 240 Volts . . . . . . . . . . . . . . . . . . . . . . . . . . .41.6 Amps
at 120 Volts . . . . . . . . . . . . . . . . . . . . . . . . . . .83.3 Amps
Frequency . . . . . . . . . . . . . . . . . . . . . . . .60 Hz at 3600 rpm
Phase . . . . . . . . . . . . . . . . . . . . . . . . . . . . . . . .Single Phase
Displacement . . . . . . . . . . . . . . . . . . .34.75 cu. in. (570 cc)
Spark Plug Gap . . . . . . . . . . . . . . . . . . .0.030 in. (0.76 mm)
Fuel Capacity . . . . . . . . . . . . . . .7 U.S. Gallons (26.5 Liters)
Oil Capacity (with filter) . . . . . . . . . . .48 Ounces (1.4 Liters)
Common Service Parts
Air Cleaner w/Pre-Cleaner . . . . . . . . . . . . . . . . . . . . . . .5050
Air Cleaner . . . . . . . . . . . . . . . . . . . . . . . . . . . . . . . .394018
Pre-Cleaner . . . . . . . . . . . . . . . . . . . . . . . . . . . . . . . .272490
Oil Filter . . . . . . . . . . . . . . . . . . . . . . . . . . . .492932 or 5049
Extended Life Oil Filter . . . . . . . . . . . . . . . . .696854 or 5076
Resistor Spark Plug . . . . . . . . . . . . . . . . . . . . . . . . .491055
Engine Oil Bottle . . . . . . . . . . . . . . . . . . .100005 or 100028
Synthetic Oil Bottle . . . . . . . . . . . . . . . . . . . . . . . . . .100074
Fuel Stabilizer . . . . . . . . . . . . . . . . . . . . . . .100002 or 5041
Spark Arrester . . . . . . . . . . . . . . . . . . . . . . . . . . . . . .392390
(800) 743-4115
Briggs & Stratton Power Products Group, LLC
P.O. Box 702
Milwaukee, Wisconsin, 53201-0702 U.S.A.
Power Ratings: The gross power rating for individual gas engine models is labeled in accordance with SAE (Society of Automotive Engineers)
code J1940 (Small Engine Power & Torque Rating Procedure), and rating performance has been obtained and corrected in accordance with
SAE J1995 (Revision 2002-05). Torque values are derived at 3060 RPM; horsepower values are derived at 3600 RPM. Net power values are
taken with exhaust and air cleaner installed whereas gross power values are collected without these attachments. Actual gross engine power
will be higher than net engine power and is affected by, among other things, ambient operating conditions and engine-to-engine variability.
Given the wide array of products on which engines are placed, the gas engine may not develop the rated gross power when used in a given
piece of power equipment. This difference is due to a variety of factors including, but not limited to, the variety of engine components (air
cleaner, exhaust, charging, cooling, carburetor, fuel pump, etc.), application limitations, ambient operating conditions (temperature, humidity,
altitude), and engine-to-engine variability. Due to manufacturing and capacity limitations, Briggs & Stratton may substitute an engine of higher
rated power for this Series engine.
* This generator is rated and certified to be compliant with CSA (Canadian Standards Association) standard C22.2 No. 100-04 (motors and
generators).
Not for
Reproduction

Manual del Operario
BRIGGS & STRATTON POWER PRODUCTS GROUP, LLC
MILWAUKEE, WISCONSIN, U.S.A.
Este generador está clasificado y certificado conforme a la norma C22.2 No. 100-04
(motores y generadores) de la CSA (Canadian Standards Association
[Asociación canadiense de normalización]).
Not for
Reproduction

2BRIGGSandSTRATTON.COM
Muchas gracias por comprar este generador Briggs & Stratton de gran calidad. Nos alegra que haya depositado su confianza
en la marca Briggs & Stratton. Siempre que sea utilizado de acuerdo con las instrucciones de este manual, su generador
Briggs & Stratton le proporcionará muchos años de buen funcionamiento.
Este manual contiene información sobre seguridad para hacerle consciente de los riesgos asociados a los generadores y
mostrarle cómo evitarlos. Este generador se ha diseñado exclusivamente para suministrar energía eléctrica a cargas
compatibles de iluminación, electrodomésticos, herramientas y motores. No debe utilizarse para ningún otro fin. Es
importante leer detenidamente y comprender estas instrucciones antes de poner en marcha o utilizar el equipo. Conserve
estas instrucciones originales para futuras consultas.
Este generador requiere montaje final antes de ser usado. Consulte la sección Montaje de este manual, donde encontrará
instrucciones para el montaje final. Siga las instrucciones al pie de la letra.
Dónde encontrarnos
Usted no tendrá que ir muy lejos para encontrar el servicio técnico de Briggs & Stratton para su generador. Consulte las
Páginas Amarillas. Hay más de 30.000 proveedores de Briggs & Stratton autorizados en todo el mundo, proporcionando un
servicio de calidad. También puede ponerse en contacto con Atención al Cliente de Briggs & Stratton llamando al
(800) 743-4115 o por Internet en BRIGGSandSTRATTON.COM.
Generador
Número de Modelo
Revisión
Número de Serie
Motor
Número de Modelo
Número de Tipo
Número de Código
Fecha de compra
Copyright © 2011. Briggs & Stratton Power Products Group, LLC
Milwaukee, WI, USA. Reservados todos los derechos.
BRIGGS & STRATTON POWER PRODUCTS es una marca
registradas de Briggs & Stratton Corporation
Milwaukee, WI, USA
Not for
Reproduction

3
Tabla de Contenido
Seguridad de operario . . . . . . . . . . . . . . . . . . . . . . . . . . . . 4
Descripción del equipo . . . . . . . . . . . . . . . . . . . . . . . . . . . . . . . . . . . . . . . . 4
Información importante de seguridad . . . . . . . . . . . . . . . . . . . . . . . . . . . . . 4
Montaje . . . . . . . . . . . . . . . . . . . . . . . . . . . . . . . . . . . . . . 7
Desembalaje del generador . . . . . . . . . . . . . . . . . . . . . . . . . . . . . . . . . . . . . 7
Contenido de la caja. . . . . . . . . . . . . . . . . . . . . . . . . . . . . . . . . . . . . . . . . . . 7
Instale el juego de ruedas . . . . . . . . . . . . . . . . . . . . . . . . . . . . . . . . . . . . . . 7
Conecte el cable negativo de la batería . . . . . . . . . . . . . . . . . . . . . . . . . . . . 8
Agregar aceite al motor . . . . . . . . . . . . . . . . . . . . . . . . . . . . . . . . . . . . . . . . 9
Agregue combustible. . . . . . . . . . . . . . . . . . . . . . . . . . . . . . . . . . . . . . . . . . 9
Tierra del sistema . . . . . . . . . . . . . . . . . . . . . . . . . . . . . . . . . . . . . . . . . . . 10
Conexión al sistema eléctrico de un edificio . . . . . . . . . . . . . . . . . . . . . . . 10
Ubicación del generador . . . . . . . . . . . . . . . . . . . . . . . . . . . . . . . . . . . . . . 10
Controles y características. . . . . . . . . . . . . . . . . . . . . . . . . 11
Juegos de cordones y enchufes conectores . . . . . . . . . . . . . . . . . . . . . . . 13
Cargador de batería . . . . . . . . . . . . . . . . . . . . . . . . . . . . . . . . . . . . . . . . . . 14
Operando . . . . . . . . . . . . . . . . . . . . . . . . . . . . . . . . . . . . 15
Encienda el motor . . . . . . . . . . . . . . . . . . . . . . . . . . . . . . . . . . . . . . . . . . . 15
Conexión de cargas eléctricas . . . . . . . . . . . . . . . . . . . . . . . . . . . . . . . . . . 16
Parada del motor . . . . . . . . . . . . . . . . . . . . . . . . . . . . . . . . . . . . . . . . . . . . 16
Funcionamiento del control automático de marcha en vacío. . . . . . . . . . . 16
Parada por falta de presión de aceite. . . . . . . . . . . . . . . . . . . . . . . . . . . . . 16
Carga de la bateria. . . . . . . . . . . . . . . . . . . . . . . . . . . . . . . . . . . . . . . . . . . 17
Operación durante un clima frío . . . . . . . . . . . . . . . . . . . . . . . . . . . . . . . . 17
No sobrecargar el generador . . . . . . . . . . . . . . . . . . . . . . . . . . . . . . . . . . . 19
Mantenimiento. . . . . . . . . . . . . . . . . . . . . . . . . . . . . . . . . 20
Plan de mantenimiento . . . . . . . . . . . . . . . . . . . . . . . . . . . . . . . . . . . . . . . 20
Mantenimiento del generador . . . . . . . . . . . . . . . . . . . . . . . . . . . . . . . . . . 20
Mantenimiento de la batería. . . . . . . . . . . . . . . . . . . . . . . . . . . . . . . . . . . . 21
Mantenimiento de la válvula de combustible. . . . . . . . . . . . . . . . . . . . . . . 21
Mantenimiento del motor. . . . . . . . . . . . . . . . . . . . . . . . . . . . . . . . . . . . . . 21
Almacenamiento . . . . . . . . . . . . . . . . . . . . . . . . . . . . . . . . . . . . . . . . . . . . 25
Resolución de problemas . . . . . . . . . . . . . . . . . . . . . . . . . 26
Garantías . . . . . . . . . . . . . . . . . . . . . . . . . . . . . . . . . . . . 27
Garantía del sistema de control de emisiones . . . . . . . . . . . . . . . . . . . . . . 27
Garantía para el propietario de una generador. . . . . . . . . . . . . . . . . . . . . . 29
Especificaciones. . . . . . . . . . . . . . . . . . . . . . . . . . . . . . . . 30
Especificaciones del producto . . . . . . . . . . . . . . . . . . . . . . . . . . . . . . . . . . 30
Servicio común despide. . . . . . . . . . . . . . . . . . . . . . . . . . . . . . . . . . . . . . . 30
Not for
Reproduction

Seguridad de operario
Descripción del equipo
Lea atentamente este manual y familiarícese con
el generador. Conozca sus aplicaciones,
limitaciones y riesgos.
Este generador funciona en base a un motor de campo
eléctrico giratorio y de corriente alterna (CA). Fue diseñado
con la finalidad de proveer energía eléctrica para lámparas
eléctricas, aparatos, herramientas y cargas de motor
compatibles. El campo giratorio del generador se mueve a
unas 3.600 rpm con un motor de un uno cilindro.
AVISO Si se supera la capacidad de los generadores en
vatios/amperios, se podría dañar el generador y/o los
dispositivos eléctricos conectados a él.
• NO exceda la capacidad en vatios/amperios del generador.
Consulte No sobrecargar el generador.
Se ha realizado el máximo esfuerzo para reunir en este
documento la información más precisa y actualizada. No
obstante, nos reservamos el derecho de modificar, alterar o
mejorar de cualquier otra forma el generador en cualquier
momento y sin previo aviso.
El Sistema de Control de Emisiones para este generador está
garantizado para juegos estándares por la Agencia de
Protección Ambiental y el Consejo de recursos de aire de
California.
Información importante de seguridad
El fabricante no puede anticipar todas las posibles
circunstancias que podrían conllevar peligro. Por lo tanto, las
advertencias de este manual, así como las etiquetas y placas
de la unidad, no incluyen todo. Si usa un procedimiento,
método de trabajo o técnica operativa que no esté
específicamente recomendada por el fabricante, debe
asegurarse de que no entraña peligro para usted ni para
otras personas. También debe asegurarse de que el
procedimiento, método de trabajo o técnica operativa elegida
no hace que el generador deje de ser seguro.
Símbolos sobre la seguridad y significados
El símbolo de alerta de seguridad indica un posible
riesgo para su integridad física. Se utiliza una palabra de
señalización (PELIGRO, ADVERTENCIA o PRECAUCIÓN)
junto con el símbolo de alerta para designar un grado o
nivel de gravedad de riesgo. Se puede utilizar un símbolo de
seguridad para representar el tipo de riesgo. La palabra de
señalización AVISO se utiliza para hacer referencia a una
práctica no relacionada con una lesión física.
PELIGRO indica un riesgo que, de no evitarse, provocará
la muerte o lesiones de gravedad.
ADVERTENCIA indica un riesgo que, de no evitarse,
podría provocar la muerte o lesiones de gravedad.
PRECAUCIÓN indica un riesgo que, de no evitarse,
podría provocar lesiones leves o moderadas.
AVISO hace referencia a una práctica no relacionada con una
lesión física.
4BRIGGSandSTRATTON.COM
Fuego Explosión
Gases Tóxicos
Superficie Caliente
Partes en Movimiento
Descarga Eléctrica
Contragolpe
Objetos Voladores
Manual del Operario
Presión Explosiva Quemaduras Química
ADVERTENCIA El escape del motor de este producto
contiene elementos químicos reconocidos en el Estado de
California por producir cáncer, defectos de nacimiento u
otros daños de tipo reproductivo.
ADVERTENCIA Determinados componentes en este
producto y los accesorios relacionados contienen
sustancias químicas declaradas cancerígenas, causantes
de malformaciones y otros defectos congénitos por el
Estado de California. Lávese las manos después de
manipular estos elementos.
Not for
Reproduction

5
ADVERTENCIA Al motor funcionar, se produce
monóxido de carbono, un gas inodoro y
venenoso.
La inhalación de monóxido de carbono puede
provocar lesiones graves, dolor de cabeza, fatiga, mareos,
vómitos, confusión, convulsiones, náuseas, desmayos o
incluso la muerte.
• Utilice este producto SÓLO a la intemperie.
• Instale una alarma de monóxido de carbono con batería cerca
de los dormitorios.
• Asegúrese de que los gases de escape no puedan entrar por
ventanas, puertas, tomas de aire de ventilación u otras
aberturas en un espacio cerrado en el que puedan acumularse.
• NO utilice este producto en el interior de un edificio, cochera,
porche, equipo móvil, taller de aplicaciones navales o recinto,
aunque haya ventanas y puertas abiertas.
ADVERTENCIA
• Este generador no cumple la norma 33CFR-183 del cuerpo de
guardacostas de EE.UU. y no debe utilizarse en aplicaciones
marinas.
• El uso de un generador no homologado por cuerpo de
guardacostas de EE.UU. puede provocar lesiones y daños
materiales.
ADVERTENCIA El combustible y sus vapores son
extremadamente inflamables y
explosivos, lo que podría provocar
quemaduras, incendios o explosiones;
así como daños materiales, lesiones graves o incluso la
muerte.
CUANDO ANADA COMBUSTIBLE O VACÍE EL DEPÓSITO
• DETENGA el motor del generador y déjelo enfriar durante al
menos 2 minutos antes de quitar el tapón de combustible.
Afloje la tapa lentamente para dejar que la presión salga del
tanque.
• Llene o vacíe el depósito de combustible a la intemperie.
• NO llene demasiado el tanque. Permita al menos espacio para
la expansión del combustible.
• Si se ha derramado combustible, espere a que se evapore antes
de arrancar el motor.
• Mantenga la combustible alejada de chispas, llamas abiertas,
pilotos, calor y otras fuentes de ignición.
• Compruebe frecuentemente que las líneas de combustible, el
tanque, el tapón y los accesorios no estén rotos o tengan fugas.
Cámbielos si es necesario.
• NO encienda un cigarrillo o fume.
CUANDO PONGA EN FUNCIONAMIENTO EL EQUIPO
• Compruebe que la bujía, el silenciador, el tapón del depósito de
combustible y el filtro de aire están instalados.
• NO arranque el motor sin la bujía instalada.
CUANDO OPERE EL EQUIPO
• NO utilice este producto en el interior de un edificio, cochera,
porche, equipo móvil, taller de aplicaciones navales o recinto.
• NO incline el motor o el equipo, de tal manera que la
combustible se pueda derramar.
• NO coloque el estrangulador en la posición estrangulamiento
()para parar el motor.
CUANDO TRANSPORTE, MOVER O REPARE EL EQUIPO
• Transporte, mover o repare el equipo con el tanque de
combustible vacío, o con la válvula para apagar el combustible,
apagada (posición OFF).
• NO incline el motor o el equipo, de tal manera que la
combustible se pueda derramar.
• Desconecte el cable de la bujía.
CUANDO ALMACENE O GUARDE EL EQUIPO CON COMBUSTIBLE
EN EL TANQUE
• Almacene alejado de calderas, estufas, calentadores de agua,
secadoras de ropa u otros aparatos electrodomésticos que
posean pilotos u otras fuentes de ignición, porque ellos pueden
encender los vapores de la combustible.
ADVERTENCIA El retroceso (repliegue rápido) del cable
del arrancador impedirá que el usuario suelte el
cable a tiempo y tirará de su mano y brazo hacia el
motor, lo que podría provocar fracturas,
contusiones o esguinces; así como lesiones graves.
• Cuando arranque el motor, tire lentamente del cable hasta
sentir una resistencia y, a continuación, tire rápidamente de él
para evitar su retroceso.
• NUNCA arranque o pare el motor cuando haya aparatos
eléctricos conectados y en funcionamiento.
ADVERTENCIA La más leve chispa podría provocar
que el hidrógeno empiece a arder y
producir una explosión que cause daños
materiales, lesiones graves y/o la muerte.
El líquido electrolito de la batería contiene ácido que es
extremadamente cáustico. El contacto con el líquido de la
batería podría producir quemaduras por sustancias
químicas, provocando daños materiales y/o lesiones graves.
• NO permita ninguna llama abierta, chispa, calor, o encienda un
cigarrillo durante y por varios minutos después de haber
recargado la batería.
• Lleve puestos las gafas protectoras, delantal y guantes de goma.
• NO continúe cargando la batería si se calienta o si está
totalmente cargada.
• NO abandone la batería.
Not for
Reproduction

AVISO Si se supera la capacidad de los generadores en
vatios/amperios, se podría dañar el generador y/o los
dispositivos eléctricos conectados a él.
• NO exceda la capacidad en vatios/amperios del generador.
Consulte No sobrecargar el generador en la sección Operando.
• Encienda su generador y deje que el motor se estabilice antes de
conectar las cargas eléctricas.
• Conecte las cargas eléctricas en la posición de apagado (OFF),
luego encienda (ON) para su operación.
• Apague (OFF) las cargas eléctricas y desconéctelas del generador
antes de parar el generador.
AVISO Un tratamiento inadecuado de la generador podría
dañarla y acortar su vida útil.
• Use el generador solamente con la finalidad para el cual fue
diseñado.
• En caso de dudas sobre su uso, diríjase al distribuidor.
• Opere el generador solamente en superficies niveladas.
• NO exponga al generador a una humedad excesiva, polvo,
suciedad o vapores corrosivos.
• NO inserte cualquier objeto a través de las ranuras de
enfriamiento.
• Si los aparatos conectados se sobre calientan, apáguelos y
desconéctelos del generador.
• Apague el generador si:
-Se pierde la salida eléctrica;
-El equipo produce chispas, humo o emite llamas;
-La unidad vibra de una manera excesiva.
ADVERTENCIA Los gases y el calor de escape
podrían inflamar los materiales
combustibles y las estructuras o dañar
el depósito de combustible y provocar
incendios, así como daños materiales, lesiones graves o
incluso la muerte.
El contacto con la zona del silenciador podría producir
quemaduras y lesiones graves.
• NO toque las superficies calientes y EVITE los gases del escape
a alta temperatura.
• Permita que el equipo se enfríe antes de tocarlo.
• Deje un espacio mínimo de 1.5 m (5 pies) alrededor del
generador, incluida la parte superior.
• Utilizar el motor en un terreno boscoso, con maleza o cubierto de
hierba constituye una infracción al Código de recursos públicos
de California, a menos que el sistema de escape esté equipado
con una pantalla apagachispas, de acuerdo a la definición de la
Sección 4442, que se mantenga en buenas condiciones de
funcionamiento. En otros estados o jurisdicciones federales
puede haber leyes similares en vigor.
Póngase en contacto con el fabricante, el vendedor o el distribuidor
del equipo original para obtener una pantalla apagachispas
diseñada para el sistema de escape instalado en este motor.
• Las piezas de recambio deben ser las mismas que las piezas
originales y estar instaladas en la misma posición.
PRECAUCIÓN Las velocidades de funcionamiento
excesivamente altas podrían provocar lesiones leves y/o
daños al generador.
Las velocidades excesivamente bajas incrementan la
carga de trabajo.
• NO intente alterar el resorte, las conexiones y otras partes del
regulador para incrementar la velocidad del motor. El generador
suministra la frecuencia y el voltaje nominales correctos cuando
funciona a una velocidad controlada.
• NO modifique al generador en ninguna forma.
ADVERTENCIA El arrancador y otras piezas rotativas
podrían enredarse en las manos, el pelo, la ropa
u otros accesorios, y provocar lesiones graves.
• NUNCA utilice la generador sin sus carcasas o tapas de
protección.
• NO utilice ropa suelta, joyas ni objetos que podrían quedar
atrapados en el arrancador o en otras piezas rotativas.
• Ate para arriba el pelo largo y quite la joyería.
6BRIGGSandSTRATTON.COM
ADVERTENCIA El voltaje del generador podría
provocar descargas eléctricas o quemaduras,
que pueden producir lesiones graves o la
muerte.
• Utilice equipos de transferencia aprobados para evitar la
retroalimentación al aislar el generador de las personas que
trabajan con el suministro eléctrico.
• Si utiliza el generador como sistema de reserva, notifíquelo a la
compañía eléctrica.
• Use un interruptor para la falla del circuito de tierra (GFCI) en
cualquier área bastante húmeda o que sea altamente
conductiva, tales como terrazas de metal o trabajo hecho con
acero.
• NO toque los alambres pelados o receptáculos.
• NO use un generador con cables eléctricos que estén
malgastados, rotos, pelados o dañados de cualquier forma.
• NO opere el generador bajo la lluvia.
• NO maneje el generador o cables eléctricos mientras esté
parado en agua, descalzo o cuando las manos y los pies estén
mojados.
• NO permita que personas descalificadas o niños operen o
sirvan al generador.
ADVERTENCIA Las chispas involuntarias podrían
provocar incendios o electrocución que
pueden provocar lesiones graves o la
muerte.
CUANDO AJUSTE O HAGA REPARACIONES A SU MÁQUINA
GENERADOR
• Siempre desconecte el alambre de la bujía y colóquelo donde
no pueda entrar en contacto con la bujía.
CUANDO PRUEBE LA BUJÍA DEL MOTOR
• Utilice un comprobador de bujías homologado.
• NO comprueba la chispa sin la bujía instalada.
Not for
Reproduction

7
Montaje
Su generador requiere de ciertos procedimientos de montaje
y solo estará listo para ser utilizado después de haberle
suministrado servicio con el combustible y aceite
recomendados.
Si usted tiene problemas con el montaje de su generador,
por favor llame a la línea de ayuda para generadores al
(800) 743-4115. Si llamar para la ayuda, tiene por favor el
modelo, la revisión y el número de serie de etiqueta de
identificación disponible. Consulte la ubicación en la sección
Controles y características.
Desembalaje del generador
1. Coloque la caja de cartón en una superficie rígida y
plana.
2. Abra completamente la caja de cartón cortando cada
una de sus esquinas de arriba abajo.
3. Saque todo el contenido de la caja de cartón, a
excepción del generador.
4. Mantenga el generador sobre el cartón para instalar el
juego de ruedas.
Contenido de la caja
El generador se entrega con:
• Aceite del motor
• Manual del operario
• Cargador de flotación de la batería
• Cables de carga de la batería
• Juego de ruedas
• Toma blocante de 120/240 V, 30 A
• Toma blocante de 120 V, 30 A
• Toma blocante de 120 V, 20 A
• Funda para almacenamiento
Instale el juego de ruedas
AVISO Este juego de ruedas no ha sido diseñado para ser
usado en la carretera.
Necesitará las siguientes herramientas para instalar estos
componentes:
• Llave de cubo de 9/16” or 14 mm
• Alicates
• Gafas de seguridad
Instale el juego de ruedas conforme a las instrucciones
siguientes:
1. Dé la vuelta al generador de forma que el extremo del
motor quede abajo.
2. Introduzca el eje (A) a través de los dos soportes de
montaje.
3. Monte una rueda (B) en el eje.
AVISO Asegúrese de instalar ambas ruedas con la válvula
de aire hacia el lado de afuera.
4. Introduzca una arandela (C) por el eje y coloque una
anilla en “e” (D) en la ranura del eje.
5. Para ello, apriete con unos alicates desde la parte
superior de la anilla en “e” hacia la parte inferior del eje.
6. Repita los pasos 3 al 5 para asegurar la segunda rueda.
A
D
C
B
E
F
G
ADVERTENCIA Las anillas en “e” podría provocar
lesiones oculares.
Las anillas en “e” podrían salir disparadas
durante el montaje o el desmontaje, lo que
puede tener como resultado lesiones moderadas.
• Utilice siempre protección ocular para montar o desmontar
anillas en “e”.
Not for
Reproduction

7. Dé la vuelta al generador de forma que el lado del
motor quede arriba.
8. Utilice una llave de cubo de 9/16" ó 14 mm para quitar
una tuerca hexagonal y arandela de retención de la
bancada antivibraciones del motor.
9. Inserte la pata de apoyo en el pasador de la bancada
antivibraciones del motor y fíjela con la arandela de
retención y la tuerca hexagonal. NO apriete hasta el
tope.
10. Repita los pasos 8 y 9 para la segunda tuerca
hexagonal y arandela de retención de la bancada
antivibraciones del motor.
11. Utilice una llave de cubo de 9/16" ó 14 mm para apretar
las tuercas hexagonales y arandelas de retención.
12. Repita los pasos 8 a 11 para montar la segunda pata de
apoyo en el lado opuesto.
13. Vuelva a colocar el generador en la posición normal de
funcionamiento (apoyado en las ruedas y la pata de
apoyo).
14. Verifique que todas las piezas estén apretadas y las
llantas estén infladas con aire entre 15-40 PSI.
Conecte el cable negativo de la batería
El arranque del generador se puede realizar manualmente. Si
decide no utilizar la función de arranque eléctrico de este
generador, no será necesario instalar la batería.
La batería sellada en el generador esta completamente
cargada y ha sido pre-instalada, excepto por el cable
negativo (negro) de batería.
Para instalar:
1. Corte el cablecito que está aguantando el cable negro,
para poderlo usar.
2. Utilice una llave de cubo de 8 mm ou 5/16” para quitar
el tornillo (A), arandela de cerradura (B) y arandelas de
plano (C) en el terminal negativo de la batería.
3. Deslice la arandela de cerradura, arandelas de plano y
el cable negativo de la batería (D) sobre el tornillo,
como se muestra.
4. Reconecte la tornillo en el terminal negativo y apriétela.
5. Asegúrese que las conexiones a la batería y al
generador están apretadas y aseguradas.
AVISO Si la batería está descargada, cárguela antes del uso
conforme a las instrucciones de la sección Cargador de
batería.
8BRIGGSandSTRATTON.COM
A
D
CB
ADVERTENCIA Las patillas de las baterías, los
terminales y los accesorios relacionados contienen plomo
y compuestos de plomo - sustancias químicas declaradas
cancerígenas y causantes de malformaciones congénitas
por el Estado de California. Lávese las manos después de
manipular estos elementos.
Not for
Reproduction

Agregar aceite al motor
1. Coloque la generador en una superficie plana y nivelada.
2. Limpie la zona de alrededor del orificio de llenado de
aceite y quite el tapón.
3. Con la ayuda de un embudo (opcional), vierta
lentamente el contenido de las dos botellas de aceite
por el orificio de llenado hasta la marca "Full" de la
varilla de medición.
AVISO El tratamiento inadecuado del generador podría
dañarlo y acortar su vida productiva.
• NO procure acodar ni empezar el motor antes ha sido atendido a
apropiadamente con el aceite recomendado. Esto podría tener
como resultado una avería del motor.
4. Coloque y apriete el tapón de llenado de aceite y la
varilla de nivel.
Agregue combustible
El combustible debe reunir los siguientes requisitos:
• Gasolina sin plomo limpia y nueva.
• Un mínimo de 87 octanos/87 AKI (91 RON). Para uso a
gran altitud, consulte Gran altitud.
• El motor admite gasolina con hasta un 10% de etanol
(gasohol) o hasta un 15% de MTBE (éter metil
terbutílico).
AVISO Evite el daño del generador.
El fracaso para seguir Manual de Operario para el
combustible reccomendations garantía de vacíos.
• NO utilice gasolina no autorizada; por ejemplo, E85.
• NO mezcle aceite con gasolina.
• NO modifique el motor para hacerlo funcionar con otros
combustibles.
Para evitar la formación de carbonilla en el circuito de
combustible, siempre que añada combustible, mézclelo con
un estabilizador. Consulte Almacenamiento. No todos los
combustibles son iguales. Si detecta problemas de arranque
o de rendimiento después de utilizar un combustible, pruebe
a cambiar de proveedor o de marca. Este motor está
certificado para funcionar con gasolina. Su sistema de
control de emisiones es EM (Modificaciones del motor).
1. Limpie el área alrededor de la tapa de llenado del
combustible, retire la tapa.
2. Añada lentamente gasolina sin plomo (A) al depósito de
combustible (B). Tenga cuidado para no llenar encima
del deflector (C). Esto permite el espacio adecuado para
la expansión del combustible.
3. Instale la tapa del tanque de combustible y la espera
para algún combustible rociado para evaporar.
Gran altitud
En altitudes superiores a 1.524 metros (5.000 pies), se
deberá utilizar gasolina con un mínimo de 85 octanos /
85 AKI (89 RON). Para seguir cumpliendo la normativa sobre
emisiones, es necesario ajustar la unidad para su uso a gran
altitud. De no realizarse este ajuste, el rendimiento se
reducirá y el consumo de combustible y las emisiones
aumentarán. Para obtener más información sobre el ajuste
para gran altitud, consulte con un distribuidor cualificado de
Briggs & Stratton. No se recomienda utilizar el motor a
altitudes inferiores a 762 metros (2.500 pies) con el juego de
gran altitud.
FUEL
TANK
CB
A
9
ADVERTENCIA El combustible y sus vapores son
extremadamente inflamables y
explosivos, lo que podría provocar
quemaduras, incendios o explosiones; así
como daños materiales, lesiones graves o incluso la muerte.
CUANDO ANADA COMBUSTIBLE
• DETENGA el motor del generador y déjelo enfriar durante al
menos 2 minutos antes de quitar el tapón de combustible. Afloje
la tapa lentamente para dejar que la presión salga del tanque.
• Llene el depósito de combustible a la intemperie.
• NO llene demasiado el tanque. Permita al menos espacio para
la expansión del combustible.
• Si se ha derramado combustible, espere a que se evapore antes
de arrancar el motor.
• Mantenga la combustible alejada de chispas, llamas abiertas,
pilotos, calor y otras fuentes de ignición.
• Compruebe frecuentemente que las líneas de combustible, el
tanque, el tapón y los accesorios no estén rotos o tengan fugas.
Cámbielos si es necesario.
• NO encienda un cigarrillo o fume.
Not for
Reproduction

10 BRIGGSandSTRATTON.COM
Tierra del sistema
El generador dispone de una conexión a tierra del sistema
que conecta los componentes del bastidor a los terminales
de tierra de los enchufes hembra de salida de CA. La tierra
del sistema está conectada al cable de CA neutro que, a su
vez, está conectado al bastidor del generador (el neutro está
conectado al bastidor del generador).
Requisitos especiales
Es posible que haya normas u ordenanzas locales y
nacionales en materia de seguridad e higiene en el trabajo
aplicables al uso del generador. Consulte con un electricista
cualificado, un inspector eléctrico o el organismo
competente.
• En algunas zonas, es obligatorio registrar los
generadores en las compañías eléctricas locales.
• Si el generador se utiliza en una obra, puede ser
necesario cumplir normas y requisitos adicionales.
Conexión al sistema eléctrico de un edificio
Las conexiones a efectos de alimentación de reserva al
sistema eléctrico de un edificio deben ser realizadas por un
electricista cualificado. La conexión debe aislar la
alimentación del generador de la alimentación de la red
pública, o de otra fuente de energía alternativa, y debe
cumplir todas las leyes y normas eléctricas vigentes.
Ubicación del generador
Espacio libre alrededor del generador
Coloque la generador a la intemperie en una zona en donde
no se acumulen gases de escape mortales. NO instale el
generador en lugares en los que los gases de escape (A) se
puedan acumular o entrar en un edificio que pueda estar
ocupado. Asegúrese de que los gases de escape no puedan
entrar por ventanas, puertas, tomas de aire de ventilación u
otras aberturas en un espacio cerrado en el que puedan
acumularse. Tenga en cuenta los vientos y las corriente de
aire preponderantes cuando elija la ubicación del generador.
A
ADVERTENCIA Los gases y el calor de escape
podrían inflamar los materiales combustibles y
las estructuras o dañar el depósito de
combustible y provocar incendios, así como
daños materiales, lesiones graves o incluso la muerte.
• Deje un espacio mínimo de 1.5 m (5 pies) alrededor del
generador, incluida la parte superior.
ADVERTENCIA El voltaje del generador podría
provocar descargas eléctricas o quemaduras,
que pueden producir lesiones graves o la
muerte.
• Utilice equipos de transferencia aprobados para evitar la
retroalimentación al aislar el generador de las personas que
trabajan con el suministro eléctrico.
• Si utiliza el generador como sistema de reserva, notifíquelo a la
compañía eléctrica.
• Use un interruptor para la falla del circuito de tierra (GFCI) en
cualquier área bastante húmeda o que sea altamente
conductiva, tales como terrazas de metal o trabajo hecho con
acero.
• NO toque los alambres pelados o receptáculos.
• NO use un generador con cables eléctricos que estén
malgastados, rotos, pelados o dañados de cualquier forma.
• NO opere el generador bajo la lluvia.
• NO maneje el generador o cables eléctricos mientras esté
parado en agua, descalzo o cuando las manos y los pies estén
mojados.
• NO permita que personas descalificadas o niños operen o
sirvan al generador.
Not for
Reproduction

11
Controles y características
Lea este Manual del Operario y reglas de seguridad antes de poner en marcha su generador.
Compare las ilustraciones con su generador, para familiarizarse con la ubicación de los diversos controles y ajustes. Guarde este
manual para futuras consultas.
A - Cargador de Flotación de la Batería — Utilice el
enchufe hembra del cargador de flotación de la batería
para mantener la batería de arranque cargada y
preparada para el uso.
B - Interruptor de Arranque — Se pulsa para arrancar el
motor.
C - Depurador de Aire — Filtra el aire de entrada a medida
que penetra en el motor.
D - Control del Estrangulador — Usada cuando se está
dando arranque a un motor frío.
E - Culatazo el Principio — Usó para comenzar motor
manualmente.
F - Tapón de vaciado de aceite — Permite vaciar el aceite
del motor.
G - Identificación del Motor — Indica el modelo, tipo y
código del motor. Tenga por favor estos prontamente
disponible cuándo llamar para la ayuda.
H - Tapón de Llenado de Aceite — Se utiliza para llenar el
motor de aceite.
J - Varilla de Nivel de Aceite — Se utiliza para comprobar
el nivel de aceite del motor.
K - Válvula de Combustible — Permite abrir y cerrar la
alimentación de combustible al motor.
L - Tanque del Combustible — El tanque tiene una
capacidad de 7 galones americanos (26,5 l) de gasolina
sin contenido de plomo.
A
B
D
EH
J
L
K
G
C
F
Not for
Reproduction

12 BRIGGSandSTRATTON.COM
A - Interruptor de control de ralentí — Utilice este interruptor para
activar y desactivar la función de control de ralentí.
B - Interruptor “Run/Stop” (funcionamiento/parada) — Deberá
estar en la posición “Run” (Funcionamiento) para darle
arranque al motor. Colóquelo en la posición “Stop” (Parada)
para detener un motor en funcionamiento.
C - Disyuntor bipolar de 30 A — Las tomas blocantes de 120/240
V CA y 30 A y de 120 V CA de 30 A disponen de un disyuntor
bipolar que protege el generador contra sobrecargas eléctricas.
D - Disyuntor principal — La toma blocante de 240 V CA y 50 A
dispone de un disyuntor bipolar que protege el generador
contra sobrecargas eléctricas. Este disyuntor también controla
todas las AC tomas.
E - Tomacorrientes de 120/240 Voltios, 50 Amperios - Puede ser
utilizado para suministrar alimentación eléctrica para el
funcionamiento de cargas del elétrica de 120 y/o 240 Voltios AC
a 50 Amperios, monofásica de 60 Hz.
F - Tomacorriente con Dispositivo de Seguridad de
120/240 Voltios, 30 Amp — Puede ser utilizado para
suministrar alimentación eléctrica para el funcionamiento de
cargas del motor, herramientas, aparatos especiales e
iluminación eléctrica de 120 y/o 240 Voltios AC a 30 Amperios,
monofásica de 60 Hz.
G - Tomacorriente con Dispositivo de Seguridad de 120 Voltios,
30 Amp — Puede ser utilizado para suministrar alimentación
eléctrica para el funcionamiento de cargas del motor,
herramientas, aparatos especiales e iluminación eléctrica de
120 Voltios AC a 30 Amperios, monofásica de 60 Hz.
H - Tomacorriente con Dispositivo de Seguridad de 120 Voltios,
20 Amp — Puede ser utilizado para suministrar alimentación
eléctrica para el funcionamiento de cargas del motor,
herramientas, aparatos especiales e iluminación eléctrica de
120 Voltios AC a 20 Amperios, monofásica de 60 Hz.
J - Tomacorriente Dobles de 120 Voltios AC, 20 Amp — Pueden
ser utilizados para suministrar alimentación eléctrica para el
funcionamiento de cargas del motor, herramientas, aparatos
especiales e iluminación eléctrica de 120 Voltios AC a
20 Amperios, monofásica de 60 Hz.
K - Etiqueta de Identificación — Proporciona el modelo, revisión y
el número de serie de generador. Tenga por favor estos
prontamente disponible cuándo llamar para la ayuda.
L - Conector de Tierra — Consulte con el organismo responsable
de la normativa vigente de conexión a tierra.
M - Filtro de aceite — Filtra el aceite del motor para prolongar la
vida útil del motor.
N - Silenciador Apagachispas - El silenciador disminuye el ruido
del motor y está equipado con una pantalla apagachispas.
P - Disyuntores (CA) — La toma doble de 120 V CA y 20 A y la
toma blocante de 120 V CA y 20 A disponen de disyuntores de
rearme por presión que protegen el generador contra
sobrecargas eléctricas.
R - Tomacorrientes de 12 Voltios DC - Este tomacorriente le
permite recargar baterías tipo servicio o automotriz de
12 Voltios o batería de almacenamiento tipo servicio utilizando
los cables para cargar baterías. Esta toma está protegida por un
disyuntor de rearme automático de 10 A.
A
B
C
D
E
F
G
H
J
M
L
R
P
K
N
Not for
Reproduction

Juegos de cordones y enchufes conectores
Utilice únicamente cables prolongadores de alta calidad, bien
aislados y conectados a tierra con las tomas del generador.
Examine los cables prolongadores antes de cada uso.
Examine los valores nominales de los cables prolongadores
antes de utilizarlos. Los juegos de cables prolongadores
utilizados deben tener valores nominales para cargas de CA
de 20 A o mayores para 125 V. Consulte los manuales del
operario de dispositivos a los que se les suministra energía,
para conocer las recomendaciones del fabricante.
Utilice cables prolongadores de la menor longitud posible para
reducir al mínimo la caída de tensión.
120/240 Voltios AC, 50 A receptáculo
Use un tapón NEMA 14-50 con este receptáculo. Conecte un
juego de cable de 4 alambres, clasificado como 250 Voltios
AC a 50 Amperios (o mayor).
Este receptáculo le provee poder a cargas de 120/240 Voltios
AC, de 60 Hz, fase sencilla, que requieren hasta
10,000 vatios de energía a 41.6 Amperios, para 240 Voltios
o dos independientes 120 voltio cargas. El enchufe está
protegido por un disyuntor basculante.
AVISO Las tomas eléctricas pueden marcar un valor
nominal mayor que la capacidad de salida del generador.
• NUNCA intente conectar un dispositivo que requiera más amperaje
del que el generador o la toma eléctrica pueden suministrar.
• NO sobrecargar el generador. Véase No sobrecargar el generador.
Dispositivo de seguridad de 120/240 V, 30 A
Use un tapón NEMA L14-30 con este receptáculo. Conecte
un juego de cable de 4 alambres, clasificado como
250 Voltios AC a 30 Amps (o mayor). Usted puede usar el
mismo cable de 4-alambres si planea trabajar con una carga
de 120 Voltios.
Este receptáculo le provee poder a cargas de 120/240 Voltios
AC, de 60 Hz, fase sencilla, que requieren hasta 3,600 vatios
de energía a 30 Amperios, para 120 Voltios; 7,200 vatios de
energía (7.2 kW) a 30 Amperios para 240 Voltios. El enchufe
está protegido por un disyuntor basculante.
Tomacorrientes de 120 V CA y 30 A
Use un enchufe tipo NEMA L5-30 con este tomacorriente.
Conecte un juego de cordones de 3 alambres con una
capacidad de 125 Voltios AC a 30 Amperios al enchufe.
Utilice este tomacorriente para operar cargas eléctricas de
120 Voltios AC, monofásicas de 60 Hz que requieran hasta
3,600 vatios (3.6 kW) a 30 Amperios de corriente. El enchufe
está protegido por un disyuntor basculante.
ADVERTENCIA Los cables eléctricos dañados o
sobrecargados podrían sobrecalentarse y
producir arcos y quemaduras, lo que provocaría
daños materiales, lesiones graves o incluso la
muerte.
• Utilice exclusivamente cables regulados para las cargas aplicadas.
• Respete todas las medidas de seguridad de los cables eléctricos.
• Examine los juegos de cables antes de cada uso.
Juego de Cable de 4 Alambres
240V
120V 120V W (Neutro)
X (Cargado)
Y (Cargado)
NEMA L14-30 Tierra (Verde)
13
120 Voltios
AC
120 Voltios
AC
X (Cargado)
Y (Cargado)
240 Voltios AC
Tierra del
bastidor
NEMA 14-50 W (Neutro)
Juego de Cable de 3 Alambres
Neutro
120V
Cargado
Tierra (Verde)
NEMA L5-30
Not for
Reproduction

14 BRIGGSandSTRATTON.COM
Tomacorrientes de 120 V CA y 20 A
Use un enchufe tipo NEMA L5-20 con este tomacorriente.
Conecte un juego de cordones de 3 alambres con una
capacidad de 125 Voltios AC a 20 Amperios al enchufe.
Utilice este tomacorriente para operar cargas eléctricas de
120 Voltios AC, monofásicas de 60 Hz que requieran hasta
2,400 vatios (2.4 kW) a 20 Amperios de corriente. La toma
está protegida por un cortacircuito de 20 Amperios con
dispositivo de reposición.
Tomas eléctricas dobles de 120 V CA y 20 A
Cada receptáculo está protegido en contra de sobrecargas
por un corto-circuitos de, del tipo "empuje para
reposicionar".
Use cada receptáculo para operar 120 Voltios AC, de fase
sencilla, de cargas de 60Hz que requieren hasta 2,400 vatios
(2.4 kW) a corrientes de 20 Amps. Use los juegos de cables
que son calificados para cargas de 125 Voltios AC, a
20 Amps (o mayores).
Tomacorrientes de 12 V DC
Este tomacorriente le permite recargar una batería de
almacenamiento tipo servicio o automotriz de 12 Voltios
utilizando los cables suministrados para cargar baterías.
Esta toma no puede recargar baterías de 6 voltios ni
utilizarse para arrancar un motor cuya batería esté
descargada. Vea las seccione Carga de la Batería antes de
intentar recargar la batería.
Cargador de batería
Utilice el enchufe hembra del cargador de flotación (carga
lenta y continua) de la batería para mantener la batería de
arranque cargada y preparada para el uso. La carga de la
batería se debe realizar en un lugar seco, como el interior de
un garaje.
1. Conecte el cargador al enchufe hembra "Battery Float
Charger" (Cargador de flotación de la batería) de la
unidad, que se encuentra en el interruptor de arranque.
Enchufe el cargador de la batería a una toma de pared
de 120 V CA.
2. Desconecte el cargador de la unidad y del enchufe de la
pared durante el arranque del generador y mientras
esté funcionando.
3. Mantenga el cargador enchufado cuando el generador no
se esté utilizando, para prolongar la vida de la batería. El
cargador incorpora un ecualizador de flotación que
impide la sobrecarga de la batería, incluso aunque esté
enchufado durante un largo periodo de tiempo.
AVISO Para obtener más información al respecto, consulte
Mantenimiento de la Batería.
Juego de Cable de 3 Alambres
Neutro
120V
Cargado
Tierra (Verde)
NEMA L5-20
Not for
Reproduction

Operando
Encienda el motor
AVISO Desenchufe siempre el cargador de flotación de la
batería antes de arrancar el generador.
Desconecte todas las cargas eléctricas del generador. Use
las siguientes instrucciones para encender:
1. Asegúrese de que la unidad está en una superficie
plana.
AVISO Si la unidad no se arranca y utiliza en una superficie
plana, se pueden producir problemas de arranque y de
parada durante el funcionamiento.
2. Gire la válvula del combustible (A) a la posición "On".
3. Verifique si el interruptor de control secundario se
encuentra “Off” (Apagado).
4. Sitúe el conmutador de funcionamiento/parada en la
posición “Run” (Funcionamiento).
5. Tire hacia fuera del tirador del estrangulador para cerrar
el estrangulador.
6A. Para el arrancado eléctrico, pulse el interruptor de
arranque y manténgalo en la posición de “Start” (arranque)
hasta que arranque el generador. Para prolongar la vida de
los componentes del sistema de arranque, NO mantenga el
interruptor de arranque en la posición de “Start” (arranque)
durante más de 15 segundos y realice pausas de al menos
1 minuto entre intentos.
• Si el motor arranca, continúe con el paso 8.
• Si el motor no arranca, proceda con el paso 7.
AVISO Si la batería se descarga, siga las instrucciones
manuales de arrancado.
6B. Para el arranque manual, hale la manija de retroceso,
en forma suave hasta que sienta resistencia, Luego
para arrancar el motor hacer tracción en forma rápida
una sola vez.
• Si el motor arranca, continúe con el paso 8.
• Si el motor no arranca, proceda con el paso 7.
7. Presione el tirador del estrangulador hasta la posición
intermedia y tire dos veces del tirador de retroceso o
pulse y mantenga el interruptor en la posición “Start”
(Arranque) como se indica en el paso 6A.
• Si el motor no arranca, repita los pasos desde
5 hasta 6.
8. Abra el estrangulador poco a poco, presionando su
tirador a medida que el motor se calienta.
AVISO Si el motor se ahoga, presione el tirador del
estrangulador hasta que quede totalmente dentro e intente
arrancar el motor hasta conseguirlo.
AVISO Si el motor arranca después de tirar tres veces del
arrancador pero no sigue funcionando, o si la unidad se para
en funcionamiento, asegúrese de que la unidad está en una
superficie plana y compruebe que el nivel de aceite del cigüeñal
es correcto. La unidad puede equiparse con un dispositivo de
protección de bajo nivel de aceite. En caso afirmativo, el nivel
del aceite debe ser adecuado para que el motor arranque.
A
15
ADVERTENCIA El retroceso (repliegue rápido) del cable
del arrancador impedirá que el usuario suelte el
cable a tiempo y tirará de su mano y brazo hacia el
motor, lo que podría provocar fracturas,
contusiones o esguinces; así como lesiones graves.
• Cuando arranque el motor, tire lentamente del cable hasta
sentir una resistencia y, a continuación, tire rápidamente de él
para evitar su retroceso.
• NUNCA arranque o pare el motor cuando haya aparatos
eléctricos conectados y en funcionamiento.
Not for
Reproduction

16 BRIGGSandSTRATTON.COM
Conexión de cargas eléctricas
1. Deje que el motor se estabilice y se caliente por dos
minutos después del arranque.
2. Enchúfelo y encienda la carga eléctrica deseada
(120 y/o 240 V CA, monofásico, 60 Hz.)
AVISO
• NO conectar cargas de 240 V en las tomas eléctricas
dobles.
• NO conectar cargas trifásicas al generador.
• NO conectar cargas de 50 Hz al generador.
• NO SOBRECARGAR EL GENERADOR. Véase No
sobrecargar el generador.
AVISO El sobrepasar la capacidad del amperaje y vataje
del generador, puede dañar al generador y los aparatos
eléctricos conectados al mismo.
• Vea No sobrecargue generador.
• Encienda su generador y deje que el motor se estabilice antes de
conectar las cargas eléctricas.
• Conecte las cargas eléctricas en la posición de apagado (OFF),
luego encienda (ON) para su operación.
• Apague (OFF) las cargas eléctricas y desconéctelas del generador
antes de parar el generador.
Parada del motor
1. Desconecte todas las cargas eléctricas de los
tomacorrientes del panel del generador. NUNCA de
arranque o detenga el motor con todos los dispositivos
eléctricos conectados y encendidos.
2. Sitúe el interruptor de control de ralentí en la posición
"Off" (Apagado).
3. Deje que el motor funcione sin cargas por algunos
minutos para estabilizar las temperaturas internas del
motor y el generador.
4. Coloque el interruptor run/stop (funcionamiento/parada)
en la posición de parada "Stop".
5. Gire la válvula de combustible hasta la posición "Off".
Funcionamiento del control automático de
marcha en vacío
Este interruptor ha sido diseñado para mejorar el consumo
de combustible. Cuando éste interruptor sea "Activado", el
motor funcionará únicamente en su alta velocidad de mando
normal una vez sea conectada una carga eléctrica. Cuando la
carga eléctrica es retirada, el motor funcionará a una
velocidad menor.
Si el interruptor está "Desactivado", el motor funcionará en
alta velocidad normal. Siempre tenga el interruptor en la
posición off (apagado) cuando arranque y detenga el motor.
Parada por falta de presión de aceite
Si la presión del aceite del motor cae por debajo de un nivel
predeterminado, un presostato de aceite detendrá el motor.
Compruebe el nivel de aceite con la varilla.
Si el nivel de aceite está entre las marcas ADD (Añadir) y
FULL (Lleno) de la varilla:
• NO intente volver a arrancar el motor.
• Póngase en contacto con un distribuidor autorizado de
servicio Briggs & Stratton.
• NO utilice el motor hasta que la presión de aceite sea
correcta.
Si el nivel de aceite está por debajo de la marca ADD
(Añadir) de la varilla:
• Añada aceite hasta llegar a la marca FULL (Lleno).
• Ponga de nuevo en marcha el motor. Si vuelve a
pararse, puede que siga existiendo un problema de baja
presión de aceite. NO intente volver a arrancar el motor.
• Póngase en contacto con un distribuidor autorizado de
servicio Briggs & Stratton.
• NO utilice el motor hasta que la presión de aceite sea
correcta.
ADVERTENCIA Los gases y el calor de escape podrían
inflamar los materiales combustibles y
las estructuras o dañar el depósito de
combustible y provocar incendios, así
como daños materiales, lesiones graves o incluso la muerte.
El contacto con la zona del silenciador podría producir
quemaduras y lesiones graves.
• NO toque las superficies calientes y EVITE los gases del escape
a alta temperatura.
• Permita que el equipo se enfríe antes de tocarlo.
• Deje un espacio mínimo de 1.5 m (5 pies) alrededor del
generador, incluida la parte superior.
• Utilizar el motor en un terreno boscoso, con maleza o cubierto de
hierba constituye una infracción al Código de recursos públicos
de California, a menos que el sistema de escape esté equipado
con una pantalla apagachispas, de acuerdo a la definición de la
Sección 4442, que se mantenga en buenas condiciones de
funcionamiento. En otros estados o jurisdicciones federales
puede haber leyes similares en vigor.
Póngase en contacto con el fabricante, el vendedor o el distribuidor
del equipo original para obtener una pantalla apagachispas
diseñada para el sistema de escape instalado en este motor.
• Las piezas de recambio deben ser las mismas que las piezas
originales y estar instaladas en la misma posición.
ADVERTENCIA El combustible y sus vapores son
extremadamente inflamables y
explosivos, lo que podría provocar
quemaduras, incendios o explosiones;
así como daños materiales, lesiones graves o incluso la
muerte.
• NO coloque el estrangulador en la posición estrangulamiento
() para parar el motor.
Not for
Reproduction

17
Carga de la bateria
Su generador tiene la capacidad de recargar baterías
descargadas de acumuladores tipo servicio o automotriz de
12 Voltios.
• NO utilice la unidad para cargar baterías de 6 Voltios.
• NO use la unidad para mover motores que tengan la
batería descargada.
Para recargar baterías de 12 Voltios, lleve a cabo los
siguientes procedimientos:
1. Revise el nivel del líquido en todas las celdas de la
batería. Si es necesario, añada agua destilada
UNICAMENTE hasta cubrir los separadores de las
celdas de la batería. NO use agua de grifo.
2. Si la batería está equipada con tapas de desfogue,
asegúrese de que están instaladas y apretadas.
3. Limpie los terminales de la batería si es necesario.
4. Conecte el enchufe conector del cable de carga de la
batería al tomacorrientes del panel identificado con las
palabras "12V 10A D.C." output.
5. Conecte el sujetador del cable de carga de la batería
que tiene la manija roja al terminal positivo (+) de la
batería.
6. Conecte el sujetador del cable de carga de la batería
que tiene la manija negra al terminal negativo (-) de la
batería.
7. Arranque el motor. Deje que el motor funcione mientras
la batería se recarga.
8. Apague el motor cuando la batería se haya cargado.
AVISO Use un hidrómetro para automóviles para probar el
estado de carga y condición de la batería. Siga
cuidadosamente las instrucciones del fabricante del
hidrómetro. Por lo general, se considera que una batería está
en un estado de carga del 100% cuando la gravedad
específica de su líquido (medido por el hidrómetro) es de
1.260 o mayor.
Operación durante un clima frío
En ciertas condiciones climáticas (temperaturas inferiores a
4º C [40º F] combinadas con un alto nivel de humedad), su
generador puede experimentar formación de hielo en el
carburador o el sistema de ventilación del cárter. Para
reducir este problema, es necesario realizar lo siguiente:
1. Asegúrese de que el generador tenga combustible
nuevo y limpio.
2. Abra la válvula de combustible (gire la válvula a la
posición de abierto).
3. Utilice aceite 5W-30 SAE.
4. Verifique el nivel de aceite diariamente o después de
cada ocho (8) horas de funcionamiento.
5. Mantenga el generador que sigue el Plan de
mantenimiento.
6. Proteja la unidad de la intemperie.
TOMACORRIENTE DE
12 VOLTIOS DC
+ POSITIVO - NEGATIVO
ADVERTENCIA La más leve chispa podría provocar
que el hidrógeno empiece a arder y
producir una explosión que cause daños
materiales, lesiones graves y/o la muerte.
El líquido electrolito de la batería contiene ácido que es
extremadamente cáustico. El contacto con el líquido de la
batería podría producir quemaduras por sustancias
químicas, provocando daños materiales y/o lesiones graves.
• NO permita ninguna llama abierta, chispa, calor, o encienda un
cigarrillo durante y por varios minutos después de haber
recargado la batería.
• Lleve puestos las gafas protectoras, delantal y guantes de goma.
• NO continúe cargando la batería si se calienta o si está
totalmente cargada.
• NO abandone la batería.
ADVERTENCIA Las patillas de las baterías, los
terminales y los accesorios relacionados contienen plomo
y compuestos de plomo - sustancias químicas declaradas
cancerígenas y causantes de malformaciones congénitas
por el Estado de California. Lávese las manos después de
manipular estos elementos.
Not for
Reproduction

18 BRIGGSandSTRATTON.COM
Creación de una estructura de protección provisional para
climas fríos
1. Para estructura de protección provisional, utilice la caja
de cartón de embalaje original.
2. Corte las tapas superiores y uno de los laterales largos
de la caja de cartón para dejar al descubierto el lado del
silenciador de la unidad. Si es necesario, sujete con
cinta adhesiva los otros laterales de la caja de forma
que queden sobre el generador, como se muestra.
AVISO Si es necesario, quite el juego de ruedas para que el
cartón cubra el generador, como se muestra.
3. Haga los recortes necesarios para poder acceder a las
tomas de la unidad.
4. Coloque el lado expuesto protegido del viento y demás
agentes atmosféricos.
5. Ubique el generador como se describe en la sección
Ubicación del generador. Evite que los gases de escape
entren en un espacio cerrado a través de las ventanas,
puertas, tomas de aire de ventilación u otras aberturas.
6. Arranque el generador como se describe en la sección
Arranque del motor y cúbralo con la caja de cartón.
Deje un espacio mínimo de 1.5 cm (5 pies) alrededor
del generador, incluida la parte superior de la
estructura de protección.
7. Retire la protección cuando las temperaturas sean
superiores a 4 ºC (40 ºF).
8. Pare el motor y déjelo enfriar durante dos (2) minutos
antes de repostar combustible. La espera para algún
combustible rociado para evaporar.
Construcción de una estructura de protección para climas
fríos
1. Construya una estructura de protección capaz de
contener tres laterales y la parte superior del
generador. Utilice para ello materiales no combustibles
con una resistencia al fuego de al menos una hora.
Asegúrese de que el lateral del silenciador del
generador quede al descubierto.
AVISO Póngase en contacto con su proveedor de
materiales de construcción para conseguir materiales no
combustibles con una resistencia al fuego de al menos una
hora.
AVISO Asegúrese de que la estructura de protección se
pueda mover fácilmente para adaptarla a la dirección del
viento.
2. NO encierre el generador más de lo que se muestra en
la figura. La estructura de protección debe mantener
una cantidad suficiente del calor disipado por el
generador para evitar problemas de congelación.
AVISO Si se ha montado un juego de ruedas en el
generador, amplíe la estructura de protección.
3. Siga los pasos del 3 al 8 descritos en la sección
Creación de una estructura de protección provisional
para climas fríos.
Viento
ADVERTENCIA Al motor funcionar, se produce
monóxido de carbono, un gas inodoro y
venenoso.
La inhalación de monóxido de carbono puede
provocar lesiones graves, dolor de cabeza, fatiga, mareos,
vómitos, confusión, convulsiones, náuseas, desmayos o
incluso la muerte.
• Utilice este producto SÓLO a la intemperie.
• Instale una alarma de monóxido de carbono con batería cerca
de los dormitorios.
• Asegúrese de que los gases de escape no puedan entrar por
ventanas, puertas, tomas de aire de ventilación u otras
aberturas en un espacio cerrado en el que puedan acumularse.
• NO utilice este producto en el interior de un edificio, cochera,
porche, equipo móvil, taller de aplicaciones navales o recinto,
aunque haya ventanas y puertas abiertas.
ADVERTENCIA Los gases y el calor de escape
podrían inflamar los materiales
combustibles y las estructuras o dañar
el depósito de combustible y provocar
incendios, así como daños materiales, lesiones graves o
incluso la muerte.
El contacto con la zona del silenciador podría producir
quemaduras y lesiones graves.
• NO toque las superficies calientes y EVITE los gases del escape
a alta temperatura.
• Permita que el equipo se enfríe antes de tocarlo.
• Deje un espacio mínimo de 1.5 m (5 pies) alrededor del
generador, incluida la parte superior.
• Retire la protección cuando las temperaturas sean superiores a
4 ºC (40 ºF).
Not for
Reproduction

19
No sobrecargar el generador
Capacidad
Debe asegurarse de que su generador puede proveer los
suficientes vatios de potencia continua (vatiaje nominal) y
vatios de salida para los elementos que desee alimentar al
mismo tiempo. Siga estos sencillos pasos:
1. Seleccione los elementos que quiere alimentar al
mismo tiempo.
2. Sume la potencia nominal de esos elementos. Esa es la
cantidad de energía que su generador debe producir
para mantener sus elementos en funcionamiento.
Consulte la tabla de la derecha.
3. Calcule cuántos vatios de salida necesitará. La potencia
de salida se refiere al corto arranque de energía que se
necesita para arrancar herramientas o dispositivos a
motor, como una radial o un refrigerador. Como no
todos los motores arrancan al mismo tiempo, el total de
vatios de salida puede calcularse añadiendo sólo el
elemento con la potencia de salida más alta al total de
vatios de potencia continua que obtuvimos en el paso 2.
Ejemplo:
Vatios de potencia continua totales = 3075
Potencia de salida adicional más alta = 1800
Salida total del generador requerida = 4875
Control de la energía
Para prolongar la vida de su generador y los aparatos que
conecte a él, es muy importante tener cuidado cuando se le
añaden cargas eléctricas. No deber haber nada conectado a
las tomas del generador antes de encender el motor. El
modo seguro y correcto de gestionar la energía del
generador es añadir las cargas secuencialmente, como se
indica a continuación:
1. Sin tener nada conectado al generador, encienda el
motor tal como se describe en este manual.
2. Conecte y encienda la primera carga, preferiblemente la
mayor que usted tenga.
3. Permita que la salida del generador se estabilice (el
motor funciona suavemente y el aparato funciona
adecuadamente).
4. Conecte y encienda la próxima carga.
5. De nuevo, permita que el generador se estabilice.
6. Repita los pasos 4 y 5 para cada carga adicional que
usted tenga.
NUNCA añada cargas que sobrepasen la capacidad del
generador. Tenga especial cuidado en contar con las cargas
adicionales en la capacidad del generador, como se describe
arriba.
*La potencia que aparece en la lista es aproximada.
Compruebe la herramienta o aparato eléctrico para obtener
la potencia real.
Herramienta o aparato Vatios de potencia*
continua
Vatios de potencia
de salida adicional
Básicos
Bombilla de 75 vatios 75 -
Congelador industrial 500 500
Bomba para sumideros 800 1200
Refrigerador / Congelador – 18 pies
cúbicos 800 1600
Bomba de agua – 1/3 HP 1000 2000
Calefacción / Aire Acondicionado
Aire acondicionado de ventana – 10.000
BTU 1200 1800
Ventilador de ventana 300 600
Ventilador de caldera – 1/2 HP 800 1300
Cocina
Horno microondas – 1000 vatios 1000 -
Cafetera 1500 -
Estufa eléctrica – Elemento simple 1500 -
Plancha de cocina 2500 -
Habitación familiar
Reproductor de DVD/CD 100 -
VCR 100 -
Receptor estéreo 450 -
Televisión en color – 27" 500 -
Ordenador personal con monitor de 17" 800 -
Otros
Sistema de seguridad 180 -
Radio-reloj AM/FM 300 -
Dispositivo de apertura de garage – 1/2
HP 480 520
Calentador de agua eléctrico – 150 litros
aprox. (40 galones) 4000 -
Taller
Luz halógena de cuarzo para trabajar 1000 -
Rociador sin aire – 1/3 HP 600 1200
Sierra sable 960 960
Taladro eléctrico – 1/2 HP 1000 1000
Sierra Radial – 10" 1500 1500
Sierra inglete – 10" 1800 1800
Cepilladora de mesa – 6" 1800 1800
Sierra de mesa / Sierra de brazo radial –
10" 2000 2000
Compresor de aire – 1-1/2 HP 2500 2500
Herramienta o Aparato Eléctrico Vatios Calificados (cuando
esté funcionando) Vatios Adicionales de
Carga (al encender)
Aire Acondicionado de Ventana 1200 1800
Refrigerador 800 1600
Congelador industrial 500 500
Televisión 500 -
Luz (75 Vatios) 75 -
Total = 3075 Vatios para
funcionar 1800 (Vatios de Carga
más alto)
Not for
Reproduction

20 BRIGGSandSTRATTON.COM
Mantenimiento
Plan de mantenimiento
Siga los intervalos de horas o de calendario, los que sucedan
antes. Si opera en condiciones adversas (señaladas más
abajo) es necesario un mantenimiento más frecuente.
1Remplazar más a menudo bajo condiciones de suciedad o polvo.
2Cambie el aceite cada 50 horas o con el cambio de estación, lo que suceda
antes, si la carga de trabajo o la temperatura ambiente es elevada.
Recomendaciones generales
El mantenimiento periódico mejorará el rendimiento y
prolongará la vida útil del generador. Acuda a un distribuidor
autorizado para reparar la unidad.
La garantía del generador no cubre los elementos que hayan
sido sujetos al abuso o negligencia del operador. Para recibir
el valor completo de la garantía, el operador deberá
mantener el generador de la forma descrita en este manual.
Se deberán llevar a cabo algunos ajustes periódicamente
para mantener correctamente su generador.
Todos los ajustes de la sección Servicio y Ajustes de este
manual deberán ser hechos por lo menos una vez en cada
estación. Cumpla con los requisitos de la tabla Plan de
mantenimiento descrita anteriormente.
AVISO Una vez al año deberá limpiar o reemplazar la bujía y
reemplazar el filtro de aire. Una bujía nueva y un filtro de aire
limpio garantizan una mezcla de combustible-aire adecuada y
ayuda a que su motor funcione mejor y tenga una vida útil
más prolongada.
Control de emisiones
Cualquier establecimiento o individuo especializado en la
reparación de motores que no sean de automoción puede
encargarse del mantenimiento, la sustitución y la
reparación de los dispositivos y sistemas de control de
emisiones.No obstante, para realizar la revisión gratuita de
control de emisiones, deberá acudir a un distribuidor
autorizado por el fabricante. Véase Garantía de emisiones.
Mantenimiento del generador
El mantenimiento del generador consiste en conservar la
unidad limpia y seca. Opere y almacene la unidad en un
ambiente limpio y seco donde no será expuesta al polvo,
suciedad, humedad o vapores corrosivos. Las ranuras del
aire de enfriamiento del generador no deben estar tapadas
con nieve, hojas, o cualquier otro material extraños.
Revise frecuentemente la limpieza del generador y límpielo
cuando esté con polvo, sucio, con aceite, humedad, o
cuando otras substancias extrañas sean visibles en su
superficie exterior.
AVISO NO utilice agua u otros líquidos para limpiar el
generador. Los líquidos pueden penetrar en el circuito de
combustible del motor y provocar pérdidas de rendimiento o
fallos. Asimismo, si penetran líquidos en el generador a
través de las ranuras del aire de refrigeración, parte del
líquido puede permanecer en los huecos y rendijas del
aislamiento del devanado del rotor y del estator. El líquido y
la acumulación de suciedad en los devanados internos del
generador pueden reducir la resistencia del aislamiento.
Limpieza
Limpie a diario, o antes de cada uso, los residuos
acumulados en el generador. Mantenga limpias las
conexiones, los muelles y los mandos. Limpie todo resto de
combustible de la zona que rodea al silenciador y de detrás
del mismo. Inspeccione las ranuras para aire de enfriamiento
y la apertura del generador. Estas aperturas deberán
mantenerse limpias y despejadas.
Mantenga limpios los componentes del generador para
reducir el riesgo de sobrecalentamiento e ignición de los
residuos acumulados.
• Utilice un trapo húmedo para limpiar las superficies
exteriores.
AVISO Un tratamiento inadecuado de la generador podría
dañarla y acortar su vida útil.
• NO exponga al generador a una humedad excesiva, polvo,
suciedad o vapores corrosivos.
• NO inserte cualquier objeto a través de las ranuras de enfriamiento.
• Puede usar un cepillo de cerdas suaves para retirar la
suciedad endurecida, aceite, etc.
• Puede usar una máquina aspiradora para eliminar
suciedad y residuos sueltos.
Primeras Cinco (5) Horas
• Cambie el aceite del motor
Cada 8 horas o diario
• Limpie los residuos
• Compruebe el nivel de aceite
Cada 25 horas o una vez al año
• Mantenimiento del prefiltro del filtro de aire1
Cada 50 horas o una vez al año
• Inspeccione el silenciador y la pantalla apagachispas
Cada 100 horas o una vez al año
• Cambie el aceite del motor y del filtro2
• Mantenimiento del filtro de papel del filtro de aire1
• Servicio a la válvula de combustible
• Servicio a la bujía
• Limpie el sistema de refrigeración1
Cada 250 horas o una vez al año
• Compruebe la holgura de la válvula
Not for
Reproduction

Mantenimiento de la batería
La batería inicial no requiere ningún mantenimiento a
excepción de la carga de flotación, que se describe en otro
apartado. Mantenga la batería y los terminales limpios y secos.
AVISO La carga de la batería se debe realizar en un lugar
seco, como el interior de un garaje.
Mantenimiento de la válvula de combustible
La válvula de combustible está equipada con un recipiente
para sedimentos, un filtro, un anillo de retención y una junta
tórica que deben limpiarse cada 100 horas de
funcionamiento o una vez al año, lo que suceda antes, de ese
momento en adelante.
1. Sitúe la válvula de combustible en la posición "Off".
2. Extraiga el recipiente para sedimentos (A) de la válvula
de combustible. Retire la junta tórica (B), el anillo de
retención (C) y el filtro de la válvula (D).
3. Lave el recipiente para sedimentos, la junta tórica, el
anillo de retención y el filtro con disolvente no
inflamable. Séquelos perfectamente.
4. Sitúe el filtro, el anillo de retención y la junta tórica en
la válvula de combustible. Instale el recipiente para
sedimentos y apriételo firmemente.
5. Sitúe la válvula de combustible en la posición "On" y
compruebe si hay fugas. En caso afirmativo, sustituya
la junta tórica.
Mantenimiento del motor
Aceite
Recomendaciones sobre el aceite
Para obtener el mejor rendimiento, recomendamos utilizar
aceites certificados con garantía Briggs & Stratton. También
se pueden utilizar otros aceites detergentes de alta calidad
con clasificación de servicio SF, SG, SH, SJ o superior. NO
utilice aditivos especiales.
Las temperaturas exteriores determinan la viscosidad
adecuada del aceite para el motor. Utilice el cuadro para
seleccionar la mejor viscosidad para el intervalo de
temperatura exterior previsto.
* Por debajo de 4 °C (40 °F), el uso de aceite SAE 30 provocará
dificultades de arranque.
** Por encima de 27 °C (80 °F) el uso de aceite 10W30 puede
aumentar el consumo de aceite. Compruebe el nivel de aceite
con mayor frecuencia.
AVISO Todo aceite sintético que cumpla las
especificaciones ILSAC GF-2, con marca de
certificación API y con símbolo de servicio API (se
muestra a la izquierda) con “SJ/CF ENERGY
CONSERVING” o superior es un aceite aceptable a
todas las temperaturas. El uso de aceite sintético no
altera los intervalos de cambio de aceite indicados.
ADVERTENCIA Las patillas de las baterías, los
terminales y los accesorios relacionados contienen plomo
y compuestos de plomo - sustancias químicas declaradas
cancerígenas y causantes de malformaciones congénitas
por el Estado de California. Lávese las manos después de
manipular estos elementos.
21
A
B
C
D
ADVERTENCIA Las chispas involuntarias podrían
provocar incendios o electrocución que
pueden provocar lesiones graves o la
muerte.
CUANDO AJUSTE O HAGA REPARACIONES A SU MÁQUINA
GENERADOR
• Siempre desconecte el alambre de la bujía y colóquelo donde
no pueda entrar en contacto con la bujía.
CUANDO PRUEBE LA BUJÍA DEL MOTOR
• Utilice un comprobador de bujías homologado.
• NO comprueba la chispa sin la bujía instalada.
Not for
Reproduction

Comprobación del nivel de aceite
Compruebe el nivel de aceite antes de cada uso o cada 8 horas
de funcionamiento, como mínimo. Rellene si es necesario.
1. Coloque el generador sobre una superficie nivelada.
2. Limpie la zona de alrededor de la varilla de nivel de
aceite, saque la varilla y límpiela con un paño limpio.
Inserte la varilla firmemente, vuelva a sacarla y
compruebe el nivel de aceite.
3. Compruebe que el aceite llega hasta la marca “Full”
(Lleno) de la varilla. Inserte firmemente la varilla antes
de poner en marcha el motor.
Adición de aceite del motor
1. Coloque el generador sobre una superficie nivelada.
2. Compruebe el nivel de aceite tal como se indica en la
sección Comprobación del nivel de aceite.
3. Si es necesario, quite el tapón de llenado de aceite y
vierta aceite lentamente por la abertura de llenado hasta
alcanzar la marca “Full” (Lleno) de la varilla. NO añada
aceite en exceso.
AVISO El llenado de aceite en exceso puede impedir el
arranque del motor o provocar dificultades de arranque.
• NO llene en exceso.
• Si el nivel de aceite está por encima de la marca FULL (LLENO) de
la varilla, vacíe aceite para reducir el nivel hasta la marca FULL
(LLENO) de la varilla.
4. Coloque y apriete el tapón de llenado de aceite y la
varilla de nivel.
Cambio de aceite del motor y filtro
Si está utilizando su generador bajo condiciones de extrema
suciedad o polvo, o en un clima demasiado caliente, haga el
cambio de aceite cada 50 horas.
MANTENER FUERA DEL ALCANCE DE LOS
NIÑOS. NO CONTAMINE. CONSERVE LOS
RECURSOS. DEPOSITE EL ACEITE USADO EN UN
PUNTO DE RECOGIDA.
Cambie el aceite cuando el motor siga estando caliente
después de haber funcionado:
1. Asegúrese de que la unidad esté en una superficie plana.
2. Desconecte el cable de la bujías de esta y colóquelo
donde no pueda entrar en contacto con la bujías.
3. Limpie la zona de alrededor del tapón de vaciado de aceite,
situado en la base del motor.
4. Quite los tapones de vaciado y de llenado de aceite y
vacíe todo el aceite en un recipiente adecuado.
5. Coloque el tapón de vaciado y apriételo bien.
6. Coloque un recipiente adecuado debajo del filtro de
aceite y gire el filtro hacia la izquierda para extraerlo.
7. Lubrique ligeramente con aceite de motor sin usar la
junta de un filtro nuevo. Gire el filtro nuevo hacia la
derecha hasta que la junta entre en contacto con el
adaptador del filtro y gire 3/4 de vuelta más.
8. Quite la varilla de nivel de aceite.
9. Vierta lentamente 1 litro (32 onzas) del aceite
recomendado por el orificio de llenado.
10. Arranque el motor y déjelo funcionar durante
30 segundos. Pare el motor y espere 30 segundos para
que el aceite se asiente.
11. Añada aceite hasta llegar a la marca “Full” (Lleno) de la
varilla de nivel de aceite. Limpie la varilla siempre que
compruebe el nivel de aceite. NO añada aceite en exceso.
AVISO El motor contiene aproximadamente 1,4 litros
(48 onzas) de aceite cuando se cambia el aceite y el filtro.
12. Vuelva a colocar el tapón de llenado de aceite y la varilla
de nivel. Apriete bien el tapón de llenado de aceite.
13. Limpie los residuos de aceite.
14. Conecte de nuevo alambre de bujías al bujías.
Servicio del depurador de aire
Si se utiliza con un filtro de aire sucio, el motor no
funcionará correctamente y puede sufrir daños. Límpielo o
reemplácelo más a menudo si la unidad funciona bajo
condiciones de suciedad o polvo excesivo.
Para dar servicio al filtro de aire, siga los pasos que se
detallan a continuación:
1. Quite los pestillos (A) situados a ambos lados de la
tapa (B) y quite la tapa.
22 BRIGGSandSTRATTON.COM
AC
BD
F
E
PRECAUCIÓN Evite el contacto prolongado o repetido
de piel con aceite usado de motor.
• El aceite usado del motor ha sido mostrado al cancer de la piel
de la causa en ciertos animales del laboratorio.
• Completamente lavado expuso áreas con el jabón y el agua.
Not for
Reproduction

23
2. Retire el pomo (C) y la placa (D). Quite con cuidado el
conjunto del filtro de aire para evitar la entrada de
residuos en el carburador.
3. Extraiga el prefiltro de espuma (F) del cartucho (E) y
límpielo con detergente líquido y agua.
4. Apriete el prefiltro con un trapo limpio para secarlo. NO
LO RETUERZA.
5. Golpee suavemente el cartucho contra una superficie
firme para soltar y eliminar las partículas que hayan
quedado retenidas.
6. Vuelva a montar el prefiltro limpio (o nuevo) en el
cartucho limpio (o nuevo).
7. Instale un conjunto de filtro de aire limpio (o nuevo) en
el interior de la tapa. Deseche el filtro viejo con arreglo
a la normativa vigente.
8. Vuelva a colocar el pomo y la placa.
9. Coloque de nuevo la tapa y cierre los pestillos.
Servicio del bujías
Cambie la bujías ayudará a su motor a arrancar más
fácilmente y funcionar mejor.
1. Limpie la zona de alrededor de la bujías.
2. Retire e inspeccione la bujías.
3. Cambie la bujías si los electrodos están picados o
quemados o si la porcelana está agrietada. Utilice la bujías
de repuesto recomendada. Consulte Especificaciones.
4. Compruebe la separación del electrodo con un calibrador
de alambre y ajuste el espacio de la bujía a la medida
recomendada si fuera necesario (véase Especificaciones).
5. Instale la bujías y apriete firmemente.
Inspeccione el silenciador y la pantalla apagachispas
Inspeccione que el silenciador no presente fisuras, corrosión
u otros daños. Desmonte la pantalla apagachispas, si cuenta
con una, y verifique que no presente daños ni obstrucción
por carbón. En caso de que se necesiten piezas de recambio,
asegúrese de usar solamente piezas de recambio originales
para el equipo.
Limpie e inspeccione el apagachispas de la siguiente
manera:
1. Retire los cuatro tornillos que están sujetando la
pantalla del apagachispas.
2. Inspeccione la pantalla y reemplácela si está rota,
perforada o en general dañada. NO use pantallas
defectuosas. Si la pantalla no está dañada, límpiela con
un disolvente comercial.
3. Vuelva a instalar la pantalla usando los cuatro tornillos.
ADVERTENCIA Los gases y el calor de escape
podrían inflamar los materiales
combustibles y las estructuras o dañar
el depósito de combustible y provocar
incendios, así como daños materiales, lesiones graves o
incluso la muerte.
El contacto con la zona del silenciador podría producir
quemaduras y lesiones graves.
• NO toque las superficies calientes y EVITE los gases del escape
a alta temperatura.
• Permita que el equipo se enfríe antes de tocarlo.
• Deje un espacio mínimo de 1.5 m (5 pies) alrededor del
generador, incluida la parte superior.
• Utilizar el motor en un terreno boscoso, con maleza o cubierto de
hierba constituye una infracción al Código de recursos públicos
de California, a menos que el sistema de escape esté equipado
con una pantalla apagachispas, de acuerdo a la definición de la
Sección 4442, que se mantenga en buenas condiciones de
funcionamiento. En otros estados o jurisdicciones federales
puede haber leyes similares en vigor.
Póngase en contacto con el fabricante, el vendedor o el distribuidor
del equipo original para obtener una pantalla apagachispas
diseñada para el sistema de escape instalado en este motor.
• Las piezas de recambio deben ser las mismas que las piezas
originales y estar instaladas en la misma posición.
Not for
Reproduction

24 BRIGGSandSTRATTON.COM
Sistema de refrigeración de aire
Con el tiempo, se pueden acumular residuos en las aletas de
refrigeración del cilindro y pasar inadvertidos mientras no se
desmonte parcialmente el motor. Recomendamos que
encargue la limpieza del sistema de refrigeración a un
distribuidor autorizado siguiendo los intervalos
recomendados (consulte la sección Plan de Mantenimiento
en la sección Mantenimiento). Es igualmente importante que
no se acumulen residuos en la parte superior del motor ni en
la pantalla giratoria. Consulte la sección Limpieza.
Comprobación de holgura de la válvula
Si comprueba y ajusta la holgura de la válvula regularmente,
el funcionamiento del motor mejorará y tendrá una mayor
vida útil. Este procedimiento no puede llevarse a cabo sin
desmontar parcialmente el motor y sin usar herramientas
especiales. Por esta razón, le recomendamos que un
distribuidor autorizado compruebe y ajuste la holgura de la
válvula siguiendo los intervalos recomendados (consulte la
sección Plan de Mantenimiento en la sección Mantenimiento.
Ajuste del carburador
El carburador de este motor es de baja emisión. Está
equipado con una válvula de mezcla de ralentí no ajustable y,
en algunos casos, con ralentí regulado. Los niveles de ralentí
regulado y velocidad máxima se ajustan en la fábrica. Si es
necesario modificarlos, acuda a un distribuidor de servicio.
PRECAUCIÓN Las velocidades de funcionamiento
excesivamente altas podrían provocar lesiones leves y/o
daños al generador.
Las velocidades excesivamente bajas incrementan la
carga de trabajo.
• NO intente alterar el resorte, las conexiones y otras partes del
regulador para incrementar la velocidad del motor. El generador
suministra la frecuencia y el voltaje nominales correctos cuando
funciona a una velocidad controlada.
• NO modifique al generador en ninguna forma.
Not for
Reproduction

25
Almacenamiento
El generador deberá ser encendido al menos una vez cada
siete días y deberá dejarlo funcionar al menos durante
30 minutos. Si no puede hacer esto y debe almacenar la
unidad por más de 30 días, siga las siguientes instrucciones
para preparar su unidad para almacenamiento.
Generador
1. Limpie el generador como está descrito en Limpieza en
la sección Mantenimiento.
2. Revise que las ranuras para el aire de enfriamiento y las
aperturas del generador se encuentren abiertas y
despejadas.
Almacenamiento para periodos prolongados
El combustible puede estar pasado 30 días después de su
almacenamiento. El combustible pasado provoca la
formación de residuos ácidos y de carbonilla en el circuito
de combustible y en los componentes básicos del
carburador. Para mantener el combustible en buen estado,
utilice el estabilizador de combustible FRESH START® de
Briggs & Stratton en cualquiera de sus variantes: líquido o
cartucho concentrado con goteo.
Si se añade un estabilizador de combustible conforme a las
instrucciones, no será necesario vaciar el motor de
combustible. Haga funcionar el motor durante dos minutos
para que el estabilizador circule por todo el circuito de
combustible. El motor y el combustible se pueden almacenar
hasta 24 meses.
Si no se ha añadido un estabilizador de combustible a la
gasolina, deberá vaciar completamente el motor utilizando
un contenedor homologado. Deje funcionar el motor hasta
que se agote el combustible. Se recomienda utilizar un
estabilizador de combustible en el contenedor de
almacenamiento para mantener la gasolina en buen estado.
Cambio de aceite
Con el motor todavía caliente, drene el aceite de la caja del
cigüeñal. Vuelva a llenarlo con el grado de aceite
recomendado.
Otras sugerencias para el almacenamiento
1. NO guarde combustible de una temporada a otra a
menos que lo haya tratado como se indica en la
sección Almacenamiento Para Periodos Prolongados.
2. Cambie el contenedor de combustible si este empieza a
oxidarse. El combustible contaminado provocará
problemas en el motor.
3. Si es posible, guarde la unidad en un espacio interior y
protéjala del polvo y la suciedad.
4. Cubra la unidad con una funda adecuada que no
retenga la humedad.
5. Almacene el generador en una zona limpia y seca.
ADVERTENCIA Las fundas para almacenamiento
podrían provocar incendios y producir daños
materiales, lesiones graves o incluso la muerte.
• NO coloque una cubierta encima de un generador caliente.
• Deje que la unidad se enfríe lo suficientemente antes de que le
coloque la cubierta.
ADVERTENCIA El combustible y sus vapores son
extremadamente inflamables y
explosivos, lo que podría provocar
quemaduras, incendios o explosiones;
así como daños materiales, lesiones graves o incluso la
muerte.
CUANDO ALMACENE O GUARDE EL EQUIPO CON COMBUSTIBLE
EN EL TANQUE
• Almacene alejado de calderas, estufas, calentadores de agua,
secadoras de ropa u otros aparatos electrodomésticos que
posean pilotos u otras fuentes de ignición, porque ellos pueden
encender los vapores de la combustible.
CUANDO VACÍE EL DEPÓSITO
• DETENGA el motor del generador y déjelo enfriar durante al
menos 2 minutos antes de quitar el tapón de combustible.
Afloje la tapa lentamente para dejar que la presión salga del
tanque.
• Vacíe el depósito de combustible a la intemperie.
• Mantenga la combustible alejada de chispas, llamas abiertas,
pilotos, calor y otras fuentes de ignición.
• Compruebe frecuentemente que las líneas de combustible, el
tanque, el tapón y los accesorios no estén rotos o tengan fugas.
Cámbielos si es necesario.
• NO encienda un cigarrillo o fume.
Not for
Reproduction

26 BRIGGSandSTRATTON.COM
Resolución de problemas
Problemo Causa Accion
El motor está funcionando pero no
existe salida de AC disponsible.
1. El interruptor automático de circuito está
abierto.
2. Conexión mal o defectuosa del juego de
cables.
3. El dispositivo conectado está dañado.
4. Avería en el generador.
1. Reposicione el interruptor.
2. Revise y repare.
3. Conecte otro dispositivo que esté buenas
condiciones.
4. Contacte el distribuidor de servicio
autorizado.
El motor funciona bien sin carga
pero "funciona mal" cuando se le
contectan cargas.
1. Corto circuito en una de las cargas
conectadas.
2. El generador está sobrecarga.
3. Velocidad del motor es muy lenta.
4. Circuito del generador en corto.
5. Filtro de combustible obstruido o sucio.
1. Desconecte la carga eléctrica en corto.
2. Vea "No Sobrerecarque Generador".
3. Contacte el distribuidor de servicio autorizado.
4. Contacte el distribuidor de servicio autorizado.
5. Limpie o cambie el filtro de combustible.
El motor no se enciende; se
enciende y funciona mal o se
apaga en pleno funcionamiento.
1. Válvula del combustible en posición "Off".
2. Interruptor run/stop poscioando en "Stop".
3. La batería defectuosa.
4. Nivel de aceite insuficiente.
5. Depurador de aire sucio.
6. Filtro de combustible obstruido o sucio.
7. Sin combustible.
8. Combustible vieja.
9. El cable de la bujía no está en malas la
bujía.
10. Bujía defectuosa.
11. Agua en la combustible.
12. Sobrecebado.
13. Mezcla de combustible excesivamente rica.
14. La válvula de entrada está atascada está
cerrada.
15. El motor ha perdido compresión.
1. Gire la válvula del combustible a la posición
"On".
2. Coloque del interruptor run/stop en "Run".
3. Reemplace batería.
4. Llene el cárter hasta el nivel correcto o sitúe
el generador en una superficie plana.
5. Limpie o reemplace el depurador de aire.
6. Limpie o cambie el filtro de combustible.
7. Llénelo con combustible fresco.
8. Drene el tanque de gasolina; llénelo con
combustible fresco.
9. Conecte el cable a la bujía.
10. Reemplace la bujía.
11. Drene el tanque de gasolina; llénelo con
combustible fresco.
12. Abra por completo el cebador y haga girar el
motor.
13. Contacte el distribuidor de servicio autorizado.
14. Contacte el distribuidor de servicio autorizado.
15. Contacte el distribuidor de servicio autorizado.
Al motor le hace falta potencia.
1. La carga es muy alta.
2. Filtro de aire sucio.
3. Filtro de combustible obstruido o sucio.
1. Vea "No Sobrerecarque Generador".
2. Reemplace el filtro de aire.
3. Limpie o cambie el filtro de combustible.
El motor "no funciona
continuamente" o se detiene.
1. Carburador con mezcla de aire-combustible
muy rica o muy pobre.
2. Filtro de combustible obstruido o sucio.
1. Contacte el distribuidor de servicio
autorizado.
2. Limpie o cambie el filtro de combustible.
Not for
Reproduction

27
Garantías
Garantía de control de emisiones de California,
U.S. EPA y Briggs & Stratton Corporation
Derechos y obligaciones de la garantía
California Air Resources Board, U.S. EPA y Briggs & Stratton
(B&S) le explican a continuación la garantía del sistema de
control de emisiones de su motor/equipo modelo 2011-2012.
En California, los nuevos motores pequeños para máquinas
de servicio y los motores grandes con ignición por bujías no
superiores a 1,0 litro deben estar diseñados, fabricados y
equipados conforme a los exigentes estándares de lucha
contra la contaminación del Estado. B&S garantiza el sistema
de control de emisiones de su motor/equipo durante los
períodos que se indican a continuación, siempre que no haya
habido uso indebido, negligencia o mantenimiento indebido
del motor o equipo para máquinas de servicio.
Su sistema de control de emisiones puede incluir
componentes como el carburador o el sistema de inyección de
combustible, el tanque de combustible, el sistema de arranque
y el convertidor catalítico. También puede incluir mangueras,
correas, conectores, detectores y otros conjuntos
relacionados con las emisiones. Si se cumplen las condiciones
de la garantía, B&S reparará el motor/equipo sin coste alguno,
incluido el diagnóstico, los componentes y la mano de obra.
Cobertura de la garantía del fabricante:
Los motores pequeños para máquinas de servicio y los
motores grandes con ignición por bujías no superiores a
1,0 litro tienen una garantía de dos años. Si algún
componente del motor/equipo relacionado con las emisiones
estuviera defectuoso, B&S lo reparará o sustituirá.
Responsabilidades de la garantía del propietario:
• Como propietario del motor/equipo, usted es
responsable de llevar a cabo todas las operaciones de
mantenimiento que se enumeran en el manual del
propietario. B&S recomienda conservar todas las
facturas relativas al mantenimiento del motor/equipo,
pero B&S no puede denegar la garantía basándose
únicamente en la falta de facturas o en la imposibilidad
por parte del propietario de asegurar la correcta
realización de todas las operaciones de mantenimiento.
• Como propietario del motor/equipo, debe ser consciente
de que B&S puede denegar la cobertura de la garantía si
el motor/equipo o uno de sus componentes falla debido
a un uso indebido o negligente, un mantenimiento
inadecuado o modificaciones no autorizadas.
• Usted es responsable de presentar su motor/equipo a
un centro de distribución de B&S, distribuidor
autorizado de servicio u otra entidad equivalente, según
corresponda, en el momento en que surja un problema.
Las reparaciones cubiertas por la garantía se llevarán a
cabo en un plazo razonable, no superior a 30 días en
ningún caso. En caso de preguntas sobre los derechos
y responsabilidades relativos a la garantía, póngase en
contacto con B&S llamando al (414) 259-5262.
Disposiciones de la garantía contra defectos del sistema
de control de emisiones de Briggs & Stratton
A continuación se detallan las disposiciones concretas
relativas a la Cobertura de la garantía contra defectos del
sistema de control de emisiones. Se añaden a la garantía de
motores de B&S para motores no regulados, que figura en el
Manual del Operario.
1. Piezas garantizadas
La presente garantía cubre únicamente las piezas que
se enumeran a continuación (piezas del sistema de
control de emisiones) siempre que tales piezas
estuvieran presentes en el motor adquirido.
a. Sistema de regulación de combustible
• Sistema de enriquecimiento para arranque en frío
(estrangulador electrónico)
• Carburador y piezas internas
• Bomba de combustible
• Conducto de combustible, acoplamientos del
conducto de combustible, abrazaderas
• Depósito de combustible, tapón y cadena
• Bote de carbono
b. Sistema de inducción de aire
• Filtro de aire
• Colector de admisión
• Línea de purga y ventilación
c. Sistema de encendido
• Bujía(s)
• Sistema de encendido magnético
d. Sistema catalizador
• Convertidor catalítico
• Colector de escape
• Sistema de inyección de aire o válvula de impulso
e. Elementos diversos utilizados en los sistemas
anteriores
• Válvulas y conmutadores de aspiración,
temperatura, posición y temporizados
• Conectores y unidades
2. Duración de la cobertura
Durante un período de dos años desde la fecha de
compra original, B&S garantiza al propietario original y
a todo propietario posterior que el motor está diseñado,
fabricado y equipado conforme a la normativa vigente
adoptada por el Air Resources Board; que no tiene
defectos de materiales ni de mano de obra que
provoquen el fallo de un componente cubierto; y que es
idéntico en todos los aspectos materiales al motor
descrito en la aplicación de certificación del fabricante.
El período de garantía comienza en la fecha de
adquisición original del motor.
Not for
Reproduction
28 BRIGGSandSTRATTON.COM
La garantía de los componentes relacionados con las
emisiones es la siguiente:
• Los fallos de todo componente cubierto por la garantía
que no se deba sustituir como parte del plan de
mantenimiento obligatorio detallado en el manual del
propietario entregado quedarán cubiertos por la
garantía durante el período de la garantía especificado
anteriormente. Si alguno de estos componentes falla
durante el período de cobertura de la garantía, deberá
ser reparado o sustituido por B&S sin cargo alguno
para el propietario. Los componentes que se reparen o
sustituyan en virtud de la garantía estarán cubiertos por
la garantía durante el período de garantía restante.
• Los fallos de todo componente cubierto por la garantía
que sólo se deba inspeccionar periódicamente según el
manual del propietario entregado quedarán cubiertos
por la garantía durante el período de la garantía
especificado anteriormente. Los componentes que se
reparen o sustituyan en virtud de la garantía estarán
cubiertos por la garantía durante el período de garantía
restante.
• Los fallos de todo componente cubierto por la garantía
que se deba sustituir como parte del plan de
mantenimiento obligatorio detallado en el manual del
propietario entregado quedarán cubiertos por la
garantía hasta el momento en que se indique que es
necesario hacer la primera sustitución. Si el
componente falla antes de la fecha de la primera
sustitución, será reparado o sustituido por B&S sin
cargo alguno para el propietario. Los componentes que
se reparen o sustituyan en virtud de la garantía estarán
cubiertos por la garantía durante el período de garantía
hasta llegar a la fecha de la primera sustitución.
• No se podrán utilizar componentes complementarios o
modificados no exentos por el Air Resources Board. El
uso de componentes complementarios o modificados
no exentos por parte del propietario dará lugar a la
anulación de la garantía. El fabricante no será
responsable de los fallos de componentes cubiertos por
la garantía que se deban al uso de un componente
complementario o modificado no exento.
3. Cobertura de daños derivados
La cobertura se ampliará a los fallos de cualquier
componente del motor derivados del fallo de cualquier
componente relacionado con el sistema de emisiones
cubierto por la garantía.
4. Solicitudes y exclusiones de cobertura
Las solicitudes de garantía se cumplimentarán con
arreglo a las disposiciones de la política de garantía de
motores B&S. La cobertura no aplica a los fallos de
componentes relacionados con el sistema de emisiones
cubiertos por la garantía que no sean originales de B&S
ni a los fallos debidos a uso indebido, negligencia o
mantenimiento inadecuado, conforme a las
disposiciones de la política de garantía de motores
B&S. B&S no será responsable de la cobertura de la
garantía de fallos de componentes relacionados con el
sistema de emisiones cubiertos por la garantía
provocados por el uso de componentes
complementarios o modificados.
Consulte la información sobre el período de durabilidad de
las emisiones y el índice de aire en la etiqueta de
emisiones del motor pequeño para máquinas de servicio
Los motores con certificación de cumplimiento de la
normativa sobre emisiones de motores pequeños para
máquinas de servicio del California Air Resources Board
(CARB) deben mostrar información sobre el período de
durabilidad de las emisiones y el índice de aire. Briggs &
Stratton ofrece esta información al consumidor mediante
etiquetas de emisiones. La etiqueta de emisiones del motor
contiene la información de certificación.
El Período de Durabilidad de las Emisiones indica el
número de horas durante las cuales el motor puede
funcionar cumpliendo las normas sobre emisiones, siempre
que se realicen las operaciones de mantenimiento que se
detallan en las instrucciones de uso y mantenimiento. Se
utilizan las siguientes categorías:
Moderado: El motor está certificado para cumplir la
normativa sobre emisiones durante 125 horas de
funcionamiento real.
Intermedio: El motor está certificado para cumplir la
normativa sobre emisiones durante 250 horas de
funcionamiento real.
Prolongado: El motor está certificado para cumplir la
normativa sobre emisiones durante 500 horas de
funcionamiento real.
Por ejemplo, un cortacésped con operario a pie se suele
utilizar entre 20 y 25 horas al año. Por tanto, el Período de
Durabilidad de las Emisiones de un motor con clasificación
intermedia equivaldría a 10-12 años.
Los motores Briggs & Stratton cuentan con la certificación
de cumplimiento de la fase 2 de las normativas sobre
emisiones de la United States Environmental Protection
Agency (USEPA, Agencia estadounidense de protección del
medioambiente). En el caso de los motores con certificación
de fase 2, el período de cumplimiento de la normativa sobre
emisiones que figura en la etiqueta de cumplimiento de
emisiones indica el número de horas de funcionamiento
durante las cuales el motor ha demostrado cumplir los
requisitos federales sobre emisiones.
Para motores de menos de 225 cc:
Categoría C = 125 horas
Categoría B = 250 horas
Categoría A = 500 horas.
Para motores de 225 cc o más:
Categoría C = 250 horas
Categoría B = 500 horas
Categoría A = 1000 horas.
Not for
Reproduction

29
Esperamos que disfrute de nuestra garantía y le pedimos disculpas por las molestias causadas. Cualquier distribuidor de servicio autorizado puede llevar a
cabo reparaciones en garantía. La mayoría de las reparaciones en garantía se gestionan normalmente, pero algunas veces la solicitud de servicio en garantía
puede no ser procedente. Por ejemplo, la garantía no será válida si el equipo presenta daños debidos al mal uso, la falta de mantenimiento, el transporte, la
manipulación, el almacenamiento o la instalación inadecuados. De manera similar, la garantía quedará anulada si se ha borrado la fecha de fabricación o el
número de serie del generador portátil, o si el equipo ha sido alterado o modificado. Durante el período de garantía, el distribuidor de servicio autorizado
podrá reparar o sustituir, a su libre elección, cualquier pieza que, previa inspección, sea defectuosa en condiciones normales de uso y servicio. Esta garantía
no cubre las reparaciones y equipos que se detallan a continuación:
•Desgaste normal: Al igual que cualquier otro aparato mecánico, los equipos de uso en exteriores necesitan piezas y mantenimiento periódicos para
funcionar correctamente. Esta garantía no cubre las reparaciones cuando el uso normal haya agotado la vida útil de una pieza concreta del equipo.
•Instalación y mantenimiento: Esta garantía no cubre los equipos ni las piezas cuya instalación sea incorrecta o no haya sido autorizada, ni aquellos
que hayan sido objeto de cualquier tipo de alteración, mal uso, negligencia, accidente, sobrecarga, exceso de velocidad o mantenimiento, reparación o
almacenamiento inadecuados que, a nuestro juicio, haya afectado negativamente a su funcionamiento y su fiabilidad. La garantía tampoco cubre el
mantenimiento normal, como los filtres de aire, los ajustes y la limpieza o la obstrucción del sistema de combustión (debido a materias químicas,
suciedad, carbón, cal, y así sucesivamente).
•Otras exclusiones: También quedan excluidos de esta garantía el desgaste de los artículos tales como juntas tóricas, filtros, etc., o los daños
derivados de accidentes, uso indebido, modificaciones, alteraciones, servicio inadecuado, congelación o deterioro químico. Los accesorios tales como
empezar baterías, juego de cables del adaptador del generador y cubiertas para almacenamiento quedan excluidos de la garantía del producto. También
se excluyen los equipos usados o reacondicionados y los destinados a demostraciones; los equipos utilizados como fuente principal de energía en
lugar de un servicio público y los equipos sanitarios destinados al mantenimiento de las constantes vitales. Esta garantía excluye los fallos debidos a
hechos fortuitos y a otros acontecimientos de fuerza mayor que escapan al control del fabricante. 198189S, Rev. C, 11/2/2009
BRIGGS & STRATTON POWER PRODUCTS GROUP, LLC
MILWAUKEE, WI, EE.UU
* Segundo año despide sólo
POLÍTICA DE GARANTÍA PARA EL PROPIETARIO DE GENERADOR PORTÁTIL
BRIGGS & STRATTON POWER PRODUCTS GROUP, LLC
GARANTÍA LIMITADA
Briggs & Stratton Power Products Group, LLC reparará o sustituirá sin cargo alguno cualquier componente del generador portátil que presente defectos
de materiales y/o mano de obra. Los gastos de transporte de las producto enviadas para reparar o sustituir conforme a los términos de esta garantía
correrán a cargo del comprador. El periodo de vigencia y las condiciones de esta garantía son los que se estipulan a continuación. Para obtener servicio
en garantía, localice el distribuidor de servicio autorizado más próximo en nuestro mapa de distribuidores, en www.BRIGGSandSTRATTON.COM.
NO EXISTE NINGUNA OTRA GARANTÍA EXPLÍCITA. LAS GARANTÍAS IMPLÍCITAS, INCLUIDAS LAS DE COMERCIABILIDAD O IDONEIDAD PARA UN
FIN CONCRETO, SE LIMITAN A UN AÑO DESDE LA FECHA DE COMPRA O AL LÍMITE DE TIEMPO PERMITIDO POR LA LEY. QUEDAN EXCLUIDAS
TODAS LAS GARANTÍAS IMPLÍCITAS QUEDA EXCLUIDA LA RESPONSABILIDAD POR DAÑOS SECUNDARIOS Y DERIVADOS HASTA EL LÍMITE
PERMITIDO POR LA LEY. Algunos países o estados no permiten limitar la duración de una garantía implícita ni excluir o limitar los daños secundarios y
derivados. Por tanto, es posible que las limitaciones y exclusiones mencionadas no sean aplicables en su caso. Esta garantía le otorga determinados
derechos legales y es posible que tenga otros derechos que pueden variar de un país o estado a otro.
El período de garantía comienza en la fecha de compra del primer usuario final y se prolonga durante el tiempo especificado. "Uso del consumidor" significa
uso doméstico personal por parte de un consumidor final. "Uso comercial" significa cualquier otro uso, incluidos los usos con fines comerciales, de
generación de ingresos o alquiler. Una vez que el equipo se haya usado con fines comerciales, se considerará como equipo de uso comercial a efectos de
esta garantía.
NO ES NECESARIO REGISTRAR LA GARANTÍA PARA OBTENER SERVICIO DE BRIGGS & STRATTON PRODUCTS. GUARDE SU RECIBO DE COMPRA. SI NO
APORTA LA PRUEBA DE LA FECHA DE COMPRA INICIAL, SE UTILIZARÁ LA FECHA DE FABRICACIÓN DEL PRODUCTO PARA DETERMINAR EL PERÍODO
DE GARANTÍA.
ACERCA DE LA EQUIPO GARANTÍA
Fecha de entrada en vigor: 1 de noviembre de 2009; sustituye a todas las garantías sin fecha y a las de fecha anterior al 1 de noviembre de 2009.
2 años
1 año
Uso del consumidor
Uso comercial
PERÍODO DE GARANTÍA
Not for
Reproduction

30 BRIGGSandSTRATTON.COM
Generador Portátil
Especificaciones del producto
Vataje que Empieza . . . . . . . . . . . . . . . . . . . . .12,500 Vatios
Vataje* . . . . . . . . . . . . . . . . . . . . . . . . . . . . . .10,000 Vatios
Corriente valorada de Carga de C.A.:
a 240 Voltios . . . . . . . . . . . . . . . . . . . . . . .41.6 Amperios
a 120 Voltios . . . . . . . . . . . . . . . . . . . . . . .83.3 Amperios
Frecuencia Nominal . . . . . . . . . . . . . . . . .60 Hz at 3600 rpm
Fase . . . . . . . . . . . . . . . . . . . . . . . . . . . . . . . . . .Monofásica
Desplazamiento . . . . . . . . . . . . . . . . . .50 cc (34.75 cu. in.)
Bujía Separación . . . . . . . . . . . . . . . . . .0.76 mm (0.030 in.)
Capacidad de Gasolina .26.5 Litros (7 galones americanos)
Capacidad de Aceite (con filtro) . . . . .1.4 Litros (48 Onzas)
Servicio común despide
Depurador de aire w/prefiltro . . . . . . . . . . . . . . . . . . . .5050
Depurador de aire . . . . . . . . . . . . . . . . . . . . . . . . . . .394018
Prefiltro . . . . . . . . . . . . . . . . . . . . . . . . . . . . . . . . . . .272490
Filtro de aceite . . . . . . . . . . . . . . . . . . . . . . .492932 or 5049
Filtro de aceite vida prolongada . . . . . . . . . .696854 or 5076
Bujía de reóstato . . . . . . . . . . . . . . . . . . . . . . . . . . . .491055
Botella de aceite de motor . . . . . . . . . . . .100005 or 100028
Botella de aceite sintético . . . . . . . . . . . . . . . . . . . . .100074
Estabilizador de combustible . . . . . . . . . . . .100002 or 5041
Apagachispas . . . . . . . . . . . . . . . . . . . . . . . . . . . . . .392390
(800) 743-4115
Briggs & Stratton Power Products Group, LLC
P.O. Box 702
Milwaukee, Wisconsin, 53201-0702 U.S.A.
Potencia nominal: El valor de potencia bruta nominal de cada modelo de motor de gasolina está indicado en una etiqueta conforme al
código J1940 (Procedimiento de valoración de potencia y par de pequeños motores) de la Society of Automotive Engineers (Sociedad de
ingenieros de automoción, SAE). Los valores nominales se han obtenido y corregido conforme al código SAE J1995 (Revisión 2002-05). Los
valores de par se obtienen a 3060 rpm; y los valores de potencia se obtienen a 3600 rpm. Los valores de potencia neta se obtienen con el
escape y filtro de aire instalados, mientras que los valores de potencia bruta se obtienen sin estos elementos. La potencia bruta real del
motor es superior que la potencia neta del motor y depende, entre otros factores, de las condiciones ambientales de uso y de las variaciones
entre distintos motores del mismo modelo. Dada la amplia variedad de productos que utilizan nuestros motores, es posible que el motor de
gasolina no desarrolle la potencia bruta nominal en determinados equipos. Esta diferencia se debe, entre otros, a los siguientes factores:
variedad de componentes del motor (filtro de aire, escape, carga, refrigeración, carburador, bomba de combustible, etc.), limitaciones de la
aplicación, condiciones ambientales de uso (temperatura, humedad, altitud) y variaciones entre distintos motores de un mismo modelo.
Debido a limitaciones de fabricación y capacidad, Briggs & Stratton puede sustituir un motor de una potencia nominal mayor por un motor
de esta serie.
* Este generador está clasificado y certificado conforme a la norma C22.2 No. 100-04 (motores y generadores) de la CSA (Canadian
Standards Association [Asociación canadiense de normalización]).
Not for
Reproduction

Manuel d’utilisation
BRIGGS & STRATTON POWER PRODUCTS GROUP, LLC
MILWAUKEE, WISCONSIN, U.S.A.
Les caractéristiques nominales et la certification de cette génératrice sont
conformes à la norme C22.2 No. 100-04 (moteurs et génératrices) de l’ACNOR
(Association canadienne de normalisation).
Not for
Reproduction

2BRIGGSandSTRATTON.COM
Merci d’avoir acheté cette génératrice de qualité Briggs & Stratton. Nous sommes heureux que vous fassiez confiance à la
marque Briggs & Stratton. Si vous respectez les instructions d’utilisation et d’entretien de ce manuel, vous pourrez vous fiez à
votre génératrice Briggs & Stratton durant de nombreuses années.
Ce manuel contient des renseignements sur la sécurité pour vous informer des dangers et des risques associés aux
génératrices et à la façon de les éviter. Cette génératrice a été conçue pour être utilisée seulement pour alimenter les circuits
d'éclairage compatibles, les électroménagers, les outils et les moteurs et pour aucune autre utilisation. Il est important de bien
lire et comprendre entièrement ces directives avant de tenter de démarrer et d'utiliser cet équipement. Conservez ces
instructions d'origine pour référence future.
Cette génératrice exige un assemblage final avant utilisation. Consultez la section Assemblage de ce manuel pour les
directives sur les procédures d’assemblage finales. Suivez ces instructions à la lettre.
Où nous trouver
Vous n’aurez jamais à chercher bien loin pour trouver un centre de support et service Briggs & Stratton pour votre génératrice.
Consultez les Pages Jaunes. Il y a plus de 30 000 distributeurs de service après-vente agréés Briggs & Stratton dans le monde
qui offrent un service de qualité. Vous pouvez aussi téléphoner au Service à la clientèle de Briggs & Stratton au
(800) 743-4115 ou communiquer avec eux par Internet à l’adresse BRIGGSandSTRATTON.COM.
Génératrice
Numéro de modèle
Révision
Numéro de série
Moteur
Numéro de modèle
Numéro de type
Numéro de code
Date d’achat
Droits d’auteur © 2011. Briggs & Stratton Power Products Group, LLC
Milwaukee, WI, USA. Tous droits réservés.
BRIGGS & STRATTON POWER PRODUCTS sont des marques
déposées de Briggs & Stratton Corporation
Milwaukee, WI, USA
Not for
Reproduction

3
Table des Matières
Sécurité de l’opérateur . . . . . . . . . . . . . . . . . . . . . . . . . . . . 4
Description de l équipement . . . . . . . . . . . . . . . . . . . . . . . . . . . . . . . . . . . . 4
Règles de sécurité . . . . . . . . . . . . . . . . . . . . . . . . . . . . . . . . . . . . . . . . . . . . 4
Assemblage. . . . . . . . . . . . . . . . . . . . . . . . . . . . . . . . . . . . 7
Déballez la génératrice. . . . . . . . . . . . . . . . . . . . . . . . . . . . . . . . . . . . . . . . . 7
Contenu de l’expédition . . . . . . . . . . . . . . . . . . . . . . . . . . . . . . . . . . . . . . . . 7
Installe la roue la trousse. . . . . . . . . . . . . . . . . . . . . . . . . . . . . . . . . . . . . . . 7
Raccordez le câble de retour de la batterie . . . . . . . . . . . . . . . . . . . . . . . . . 8
Ajoutez de l'huile à moteur . . . . . . . . . . . . . . . . . . . . . . . . . . . . . . . . . . . . . 9
Ajoutez de l'essence . . . . . . . . . . . . . . . . . . . . . . . . . . . . . . . . . . . . . . . . . . 9
Mise à la terre du système. . . . . . . . . . . . . . . . . . . . . . . . . . . . . . . . . . . . . 10
Branchement au système électrique d'un édifice. . . . . . . . . . . . . . . . . . . . 10
Emplacement de la génératrice . . . . . . . . . . . . . . . . . . . . . . . . . . . . . . . . . 10
Fonctions et commandes. . . . . . . . . . . . . . . . . . . . . . . . . . 11
Cordons et prises. . . . . . . . . . . . . . . . . . . . . . . . . . . . . . . . . . . . . . . . . . . . 13
Chargeur de batterie . . . . . . . . . . . . . . . . . . . . . . . . . . . . . . . . . . . . . . . . . 14
Opération . . . . . . . . . . . . . . . . . . . . . . . . . . . . . . . . . . . . 15
Démarrage du moteur . . . . . . . . . . . . . . . . . . . . . . . . . . . . . . . . . . . . . . . . 15
Branchement des charges électriques . . . . . . . . . . . . . . . . . . . . . . . . . . . . 16
Arrêt du moteur . . . . . . . . . . . . . . . . . . . . . . . . . . . . . . . . . . . . . . . . . . . . . 16
Fonctionnement du contrôle automatique du ralenti . . . . . . . . . . . . . . . . . 16
Arrêt du moteur en cas de bas niveau d’huile . . . . . . . . . . . . . . . . . . . . . . 16
Recharge d’une batterie. . . . . . . . . . . . . . . . . . . . . . . . . . . . . . . . . . . . . . . 17
Fonctionnement par temps froid . . . . . . . . . . . . . . . . . . . . . . . . . . . . . . . . 17
Ne pas surchargez générateur . . . . . . . . . . . . . . . . . . . . . . . . . . . . . . . . . . 19
Entretien . . . . . . . . . . . . . . . . . . . . . . . . . . . . . . . . . . . . . 20
Calendrier d'entretien. . . . . . . . . . . . . . . . . . . . . . . . . . . . . . . . . . . . . . . . . 20
Entretien de génératrice. . . . . . . . . . . . . . . . . . . . . . . . . . . . . . . . . . . . . . . 20
Entretien de la batterie. . . . . . . . . . . . . . . . . . . . . . . . . . . . . . . . . . . . . . . . 21
Entretien de la vanne de combustible . . . . . . . . . . . . . . . . . . . . . . . . . . . . 21
Entretien du moteur. . . . . . . . . . . . . . . . . . . . . . . . . . . . . . . . . . . . . . . . . . 21
Entreposage. . . . . . . . . . . . . . . . . . . . . . . . . . . . . . . . . . . . . . . . . . . . . . . . 25
Dépannage . . . . . . . . . . . . . . . . . . . . . . . . . . . . . . . . . . . 26
Garanties . . . . . . . . . . . . . . . . . . . . . . . . . . . . . . . . . . . . 27
Garantie du dispositif antipollution . . . . . . . . . . . . . . . . . . . . . . . . . . . . . . 27
Garantie du propriétaire d’un génératrice . . . . . . . . . . . . . . . . . . . . . . . . . 29
Caractéristiques . . . . . . . . . . . . . . . . . . . . . . . . . . . . . . . . 30
Caractéristiques du produit . . . . . . . . . . . . . . . . . . . . . . . . . . . . . . . . . . . . 30
Pièces d’entretien courant . . . . . . . . . . . . . . . . . . . . . . . . . . . . . . . . . . . . . 30
Not for
Reproduction

4BRIGGSandSTRATTON.COM
Sécurité de l’opérateur
Description de l équipement
Lisez avec soin ce manuel et familiarisez-vous avec
votre générateur. Connaissez ses applications, ses
limitations et les dangers qu'il implique.
Ce générateur est un générateur entraîné par un moteur à
champ magnétique rotatif produisant du courant alternatif
(c.a.). Il a été conçu pour fournir du courant électrique pour
faire marcher des charges compatibles d'éclairage, d'appareils
ménagers, d'outil et de moteur. Le champ tournant du
générateur est entraîné à 3,600 T/M par un moteur.
AVIS Dépasser la capacité en watts/ampères de la
génératrice peut endommager la génératrice et/ou les
appareils électriques qui y sont branchés.
• NE dépassez PAS la capacité en watts/ampères de la génératrice.
Voir la rubrique Ne surchargez pas votre génératrice dans la
section Opération.
Tout a été mis en oeuvre pour que les informations contenues
dans ce manuel soient exactes et à jour. Cependant, nous se
réserve le droit de changer, d'altérer ou d'améliorer le produit
à n'importe quel moment sans avis préalable.
Le Système de contrôle de l'émission du générateur est
garanti pour des normes établies par L'Agence de protection
de l'environnement et le California Air Resources Board.
Renseignements importants de sécurité
Le fabriquant ne peut anticiper toutes les circonstances
potentielles pouvant comporter un danger. Par conséquent,
les avertissements contenus dans le présent manuel, ainsi
que les plaques et les décalques apposés sur l’unité
n’englobent pas toutes les possibilités. Si vous utilisez une
procédure, une méthode de travail ou une technique
d’opération non spécifiquement recommandée par le
fabricant, vous devez vous assurer qu’elle ne compromet pas
votre sécurité ni celle des autres. Vous devez également
vous assurer que la procédure, la méthode de travail ou la
technique d’opération que vous choisissez ne rende pas la
génératrice dangereuse.
Symboles de sécurité et leur signification
Le symbole d’alerte de sécurité indique un risque
potentiel de blessure personnelle. Un mot signal (DANGER,
ATTENTION ou AVERTISSEMENT) est utilisé avec un
symbole d'alerte pour vous indiquer le degré ou le niveau du
risque. Un symbole de sécurité peut être utilisé pour
représenter le type de risque. Le mot signal AVIS est utilisé
pour traiter les pratiques qui ne sont pas reliées aux
blessures personnelles.
Le mot signal DANGER indique un danger qui, s’il n’est
pas évité, causera la mort ou des blessures graves.
Le mot signal AVERTISSEMENT indique un risque qui,
s’il n’est pas évité, pourrait causer la mort ou des blessures
graves.
Le mot signal ATTENTION indique un risque qui, s’il n’est
pas évité, pourrait causer des blessures mineures ou
modérées.
Le mot AVIS est utilisé pour les pratiques qui ne sont pas
reliées aux blessures personnelles.
Feu Explosion
Emanations toxiques
Surface chaude
Parties en mouvement
Choc électrique
Effet de recul
Objets volant
Manuel d'utilisation
Brûlures Chimiques
Pression Explosive
AVERTISSEMENT L’échappement du moteur de ce
produit contient des produits chimiques que l’État de
Californie considère comme causant le cancer, des
déformations à la naissance ou d’autres dangers
concernant la reproduction.
AVERTISSEMENT Certains composants de ce produit
ainsi que les accessoires reliés contiennent des produits
chimiques reconnus par l’État de la Californie comme
causant des cancers, des malformations congénitales, ou
d’autres problèmes de reproduction. Nettoyez-vous les
mains après la manipulation.
Not for
Reproduction

5
AVERTISSEMENT Le moteur, lorsqu'il fonctionne,
produit du monoxyde de carbone, un gaz
toxique inodore et incolore.
L’inhalation du monoxyde de carbone peut
entraîner la mort, des blessures graves, des maux de tête,
de la fatigue, des étourdissements, le vomissement, de la
confusion, des crises épileptiques, des nausées et
l’évanouissement.
• Faites fonctionner cet appareil UNIQUEMENT à l’extérieur.
• Installez un avertisseur de monoxyde de carbone à piles près
des chambres à coucher.
• Évitez que les gaz d'échappement entrent dans un espace
restreint, par une fenêtre, une porte, une prise d'aération ou
toute autre ouverture.
• NE faites PAS fonctionner ce produit à l'intérieur d'un bâtiment,
d’un abri de voiture, d’un porche, de l’équipement mobile, lors
d’applications marines ou dans un lieu clos, même si les
fenêtres et les portes sont ouvertes.
AVERTISSEMENT Un effet de recul (rétroaction rapide)
de la corde du démarreur tirera votre main et
votre bras vers le moteur plus rapidement que
vous ne pouvez relâcher la corde; ce qui pourrait
causer des fractures, des ecchymoses ou des entorses
risquant d’entraîner des blessures graves.
• Lors du démarrage du moteur, tirez lentement sur la corde
jusqu'à ce que vous sentiez une résistance et tirez alors
rapidement afin d'éviter un effet de recul.
• NE démarrez JAMAIS ni n'arrêtez jamais le moteur alors que
des appareils électriques y sont branchés et en fonction.
AVERTISSEMENT L’essence et ses vapeurs sont
extrêmement inflammables et
explosives qui pourraient causer des
brûlures, un incendie ou une explosion
risquant d’entraîner la mort, des blessures graves et/ou
des dommages matériels.
LORS DE L'AJOUT OU DE LA VIDANGE DU CARBURANT
• Éteignez le moteur de la génératrice et laissez-le refroidir
pendant au moins 2 minutes avant de retirer le bouchon à
essence. Desserrez lentement le capuchon pour laisser la
pression s'échapper du réservoir.
• Remplissez ou vidangez le réservoir d'essence à l'extérieur.
• NE remplissez PAS trop le réservoir. Laissez l'expansion de
l'essence.
• Attend le carburant renversé pour s'évaporer avant de démarrer
le moteur.
• Éloignez l'essence des étincelles, des flammes, des veilleuses,
de la chaleur et de toute autre source d'inflammation.
• Vérifiez si les conduits d'essence, le réservoir, le bouchon et les
raccords comportent des fissures ou des fuites. Remplacez au
besoin.
• N'ALLUMEZ PAS de cigarette ou ne fumez pas à proximité de
l'appareil.
LORS DU DÉMARRAGE DE L'ÉQUIPEMENT
• Assurez-vous que la bougie d'allumage, le silencieux, le
bouchon à essence et le filtre à air sont en place.
• NE démarrez PAS le moteur lorsque la bougie d'allumage est
enlevée.
LORSQUE L'ÉQUIPEMENT FONCTIONNE
• NE faites PAS fonctionner ce produit à l'intérieur d'un bâtiment,
d’un abri de voiture, d’un porche, de l’équipement mobile, lors
d’applications marines ou dans un lieu clos.
• NE penchez PAS le moteur ou l'équipement, vous risqueriez de
renverser de l'essence.
• N’arrêtez PAS le moteur en plaçant le levier d’étrangleur à la
position « Choke ».
LORS DU TRANSPORT, DU DÉPLACEMENT OU DE LA
RÉPARATION DE L’ÉQUIPEMENT
• Le réservoir d'essence doit être VIDE ou le robinet d'arrêt de
carburant doit être à la position fermée (OFF) pendant le
transport, du déplacement ou la réparation.
• NE penchez PAS le moteur ou l'équipement, vous risqueriez de
renverser de l'essence.
• Débranchez le câble de bougie.
LORSQUE VOUS ENTREPOSEZ L'ESSENCE OU UN ÉQUIPEMENT
AVEC UN RÉSERVOIR À ESSENCE
• Entreposez-le loin des appareils de chauffage, des fours, des
chauffe-eau, des sécheuses ou de tout autre appareil
électroménager disposant d'une veilleuse ou de toute autre source
d'inflammation risquant d'enflammer les vapeurs d'essence.
AVERTISSEMENT
• Cette génératrice ne satisfait pas aux normes U. S. Coast Guard
Regulation 33CFR-183 et ne doit pas être utilisée pour des
applications marines.
• L'omission d'utiliser une génératrice appropriée et approuvée
par U. S. Coast Guard pourrait entraîner des blessures
corporelles ou des dommages matériels.
AVERTISSEMENT Le démarreur et d’autres pièces
rotatives peuvent happer des mains, des
cheveux, des vêtements ou des accessoires et
entraîner des blessures graves.
• N'utilisez JAMAIS un génératrice sans bâti ou couvercles
protecteurs.
• NE portez PAS de vêtements amples, de bijoux ou autres
accessoires qui peuvent se prendre dans le démarreur ou
d’autres pièces rotatives.
• Embouteiller des cheveux longs et enlève la bijouterie.
Not for
Reproduction

AVIS Dépasser la capacité en watts/ampères de la
génératrice peut endommager la génératrice et/ou les
appareils électriques qui y sont branchés.
• NE dépassez PAS la capacité en watts/ampères de la génératrice.
Voir la rubrique Ne surchargez pas votre génératrice dans la
section Opération.
• Démarrez le génératrice et laissez le moteur se stabiliser avant de
brancher les charges électriques.
• Branchez les charges électriques en position ARRÊT, puis,
remettez en position MARCHE.
• Éteignez les charges électriques et débranchez-les du génératrice
avant de l'arrêter.
AVIS Le traitement inadéquat du génératrice peut
l’endommager et réduire sa durée de vie utile.
• Ne vous servez du génératrice que pour les utilisations prévues.
• Si vous avez des questions à propos de l'utilisation prévue de cet
appareil, consultez votre détaillant ou communiquez avec Briggs
& Stratton.
• Ne faites fonctionner le génératrice que sur des surfaces horizontales.
• N'exposez PAS le génératrice à une humidité excessive, à de la
poussière, à de la saleté ou à des vapeurs corrosives.
• N'insérez aucun objet dans les fentes de refroidissement.
• Si les appareils branchés sont en surchauffe, éteignez-les et
débranchez-les du génératrice.
• Arrêtez le génératrice si :
-la puissance électrique est inexistante;
-l'équipement produit des étincelles, de la fumée ou des flammes;
-l'unité vibre excessivement.
ATTENTION Des vitesses de fonctionnement
excessivement élevées peuvent causer des blessures
mineures et/ou endommager la génératrice.
Des vitesses excessivement lentes produisent une charge
importante.
• NE modifiez PAS le ressort-régulateur, la tringlerie ou d’autres
pièces pour augmenter la vitesse du moteur. La génératrice
fournit une fréquence et une tension appropriée lorsque la
vitesse du moteur est régulée.
• NE modifiez PAS le génératrice d'aucune façon.
AVERTISSEMENT La plus petite étincelle peut enflammer
l’hydrogène et causer une explosion
risquant d’entraîner la mort, des blessures
graves et des dommages matériels.
Le fluide électrolyte de la batterie contient un acide et est
extrêmement corrosif. Le contact avec le liquide de la batterie
peut causer des brûlures chimiques risquant d’entraîner des
blessures graves et des dommages matériels.
• Ne laissez aucune flamme, étincelle, source de chaleur ou
cigarette allumée pendant ou plusieurs minutes suivant la
charge de l'accumulateur.
• Portez des lunettes de protection, un tablier et des gants en
caoutchouc.
• NE poursuivez PAS la charge d’une batterie qui devient chaude
ou qui est complètement chargée.
• NE laissez PAS la batterie sans surveillance.
6BRIGGSandSTRATTON.COM
AVERTISSEMENT Une étincelle involontaire peut
causer un incendie et un choc
électrique et entraîner la mort et des
blessures graves.
LORSQUE VOUS RÉGLEZ OU RÉPAREZ VOTRE GÉNÉRATRICE
• Débranchez toujours le câble de bougie et placez-le de façon à
ce qu'il ne soit pas en contact avec la bougie.
LORS DE TESTS D'ALLUMAGE DU MOTEUR
• Utilisez un vérificateur de bougies d'allumage approuvé.
• NE vérifiez PAS l'allumage lorsque la bougie d'allumage est enlevée.
AVERTISSEMENT La chaleur et les gaz
d’échappement peuvent enflammer des
matériaux combustibles et les
structures ainsi que causer des
dommages au réservoir d’essence et provoquer un
incendie risquant d’entraîner la mort, des blessures
graves et/ou des dommages matériels.
Tout contact avec la zone du silencieux peut causer des
brûlures risquant d’entraîner des blessures graves.
• NE touchez PAS aux pièces chaudes et ÉVITEZ le contact avec
les gaz d’échappement.
• Laissez l'équipement refroidir avant de le toucher.
• Laissez un dégagement d’au moins 1,5 m (5 pi) tout autour de
la génératrice, y compris au-dessus.
• L’utilisation ou le fonctionnement d’un moteur sur un terrain
boisé, couvert de broussailles ou gazonné constitue une violation
dans l’État de la Californie, en vertu de la section 4442 du
California Public Resources Code, à moins qu’il ne soit doté d’un
pare-étincelles tel que défini dans la section 4442 et maintenu en
bon état de fonctionnement. Il se peut que d’autres États ou
d’autres compétences fédérales aient des lois semblables.
Communiquez avec le fabricant, le détaillant ou le concessionnaire
original de l’appareil afin d’obtenir un pare-étincelles conçu pour le
système d’échappement installé sur ce moteur.
• Les pièces de rechange doivent être identiques aux pièces
d’origine et être installées à la même position.
AVERTISSEMENT La tension de la génératrice peut
causer un choc électrique ou des brûlures
risquant d’entraîner la mort et des blessures
graves.
• Utilisez l'équipement de transfert approuvé pour empêcher la
rétroaction en isolant la génératrice des employés du service de
distribution électrique.
• Veuillez aviser votre fournisseur d'alimentation en électricité lorsque
vous utilisez votre génératrice comme alimentation de secours.
• Utilisez un disjoncteur différentiel lorsque vous utilisez l'appareil
dans des endroits humides ou extrêmement conductibles,
comme les terrasses en métal ou les ouvrages métalliques.
• NE TOUCHEZ PAS les fils dénudés ou les boîtiers.
• N'UTILISEZ PAS le génératrice avec des cordons électriques usés,
effilochés ou dénudés, ou abîmés de quelque sorte que ce soit.
• N’utilisez PAS la génératrice sous la pluie ou lors de
températures pluvieuses.
• NE MANIPULEZ PAS le génératrice ou les cordons
d'alimentation lorsque vous êtes debout dans l'eau, pieds nus
ou avec les mains ou les pieds humides.
• NE LAISSEZ PAS des personnes non qualifiées ou des enfants
se servir ou réparer le génératrice.
Not for
Reproduction

7
Assemblage
Votre génératrice doit être assemblée et vous pourrez
l’utiliser après l’avoir correctement remplie d’huile et
d’essence recommandées.
Si vous avez n'importe quels problèmes avec l'assemblée de
votre générateur, s'il vous plaît appeler le helpline de
générateur à (800) 743-4115. Si vous téléphonez pour
obtenir de l'aide, veuillez avoir disponibles les
renseignements du étiquettes d'identification: numéro de
modèle, de révision et de série. Consultez la section
Commandes et fonctions de la génératrice pour connaître
l’emplacement de l’étiquettes d'identification.
Déballez la génératrice
1. Placez la boîte de carton sur une surface plane rigide.
2. Enlevez tous les composants de la boite d’expédition à
l’exception de la génératrice.
3. Ouvrez la boîte d’expédition en coupant tous les coins
du haut vers le bas.
4. Laissez la génératrice dans la boîte d’expédition afin
d’installer les roues.
Contenu de l’expédition
La génératrice est livrée avec les éléments suivants:
• Huile à moteur
• Manuel d’utilisation
• Chargeur à tampon
• Câbles de charge de batterie
• Ensemble de roues
• Prise de verrouillage de 120/240 volts, 30 ampères
• Prise de verrouillage de 120 volts, 30 ampères
• Prise de verrouillage de 120 volts, 20 ampères
• Couvercle d’entreposage
Installe la roue la trousse
AVIS Les roues n'ont pas été conçues pour le transport de
la génératrice sur la route.
Pour installer ces composants, vous aurez besoin des outils
suivants:
• Clé à douilles avec douille 9/16” ou 14 mm
• Pinces
• Lunettes de sécurité
Installez les roues comme suit:
1. Basculez la génératrice de sorte que l’extrémité du
moteur soit vers le bas.
2. Faites glisser l’essieu (A) dans les deux supports de
fixation.
3. Faites glisser une roue (B) sur l’essieu.
AVIS Assurez-vous de poser les deux roues avec la valve à
pneu pointant vers l’extérieur.
4. Insérez une rondelle (C) sur l’essieu et posez l’anneau
en E (D) sur la rainure de l’essieu.
5. Installez l’anneau en E avec des pinces, en serrant à
partir de la partie supérieure de l’anneau en E vers la
partie inférieure de l’essieu.
6. Répétez les étapes 3 à 5 pour la pose de la deuxième
roue.
A
D
C
B
E
F
G
ATTENTION Les anneaux en E peuvent provoquer des
blessures aux yeux.
Les anneaux en E peuvent ressortir et s’envoler
lors de l’installation ou du retrait.
• Portez toujours une protection des yeux adéquate lors de
l’installation ou du retrait d’anneaux en E.
Not for
Reproduction

8BRIGGSandSTRATTON.COM
7. Basculez la génératrice de sorte que la partie latérale du
moteur soit vers le haut.
8. À l’aide d’une clé à douilles avec douille de 9/16” ou
14 mm, enlevez l’écrou hexagonal et la rondelle d’arrêt
des montants antivibratiles du moteur.
9. Faites glisser la tige portante sur le goujon du montant
antivibratile et fixez-la avec la rondelle d’arrêt et l’écrou
hexagonal. NE PAS serrer complètement.
10. Recommencez les étapes 8 et 9 pour le deuxième écrou
hexagonal et la deuxième rondelle d’arrêt sur les
montants antivibratiles du moteur.
11. À l’aide d’une clé à douilles avec douille de 9/16” ou
14 mm, serrez les écrous hexagonaux et les rondelles
d’arrêt.
12. Recommencez les étapes 8 à 11 pour la deuxième tige
portante de l’autre côté.
13. Replacez la génératrice à sa positon normale (sur les
roues et la tige portante).
14. Assurez-vous que chaque fixation est solide et que la
pression des pneus se situe entre 15 et 40 lb/po2.
Raccordez le câble de retour de la batterie
Même si votre génératrice est munie d'un démarreur
électrique, elle peut aussi être démarrée manuellement. Si
vous décidez de ne pas utiliser le démarreur électrique, il
n’est pas nécessaire de brancher le câble de retour de la
batterie.
La batterie scellée sur le générateur est complètement
chargée et pré-installée, à l'exception du câble (noir) de la
batterie.
Installation:
1. Coupez la ceinture de câble pour libérer l'extrémité de
retour (noire) du câble.
2. À l’aide d’une clé à douille avec douille de 8 mm o
5/16”, dévissez la vis (A), ôtez la rondelle d’arrêt (B) et
la rondelle plate (C) de la borne négative de la batterie.
3. Branchez le rondelle frein, la rondelle plate et la câble
de retour (noir) de la batterie (D) par-dessus la vis.
4. Rattachez la vis au terminal négative de pile et serrez.
5. Vérifiez que les branchements de la batterie et du
générateur sont appropriés et sécuritaires.
AVIS Si la batterie est déchargée, veuillez la charger avant
l’utilisation en suivant les instructions de la section Chargeur
de batterie.
A
D
CB
AVERTISSEMENT Les bornes, les cosses ainsi que
tous les accessoires reliés à la batterie contiennent du
plomb et des composés de plomb - produits chimiques
reconnus par l’État de la Californie comme causant des
cancers et d’autres problèmes de reproduction. Nettoyez-
vous les mains après la manipulation.
Not for
Reproduction

Ajoutez de l'huile à moteur
1. Mettre le génératrice sur une surface à niveau.
2. Nettoyez la surface autour de l’orifice de remplissage
d’huile et enlevez le bouchon de remplissage d’huile.
3. À l’aide d’un entonnoir pour huile (optionnel), versez
lentement le contenu des deux bouteilles d’huile
fournies dans l’orifice de remplissage jusqu’au repère
maximum (“Full”) sur la jauge d’huile.
AVIS Le traitement inadéquat du génératrice peut
l’endommager et réduire sa durée de vie utile.
• NE tentez JAMAIS de démarrer le moteur sans d’abord vérifier s'il
a été entretenu de façon appropriée avec l’huile recommandée.
Cela risquerait d'entraîner un bris de moteur.
4. Replacez et serrez le bouchon de remplissage d'huile et
la jauge d’huile.
Ajoutez de l'essence
L’essence satisfait les exigences suivantes:
• Essence sans plomb fraîche et propre.
• Un indice d’octane minimum de 87/87 AKI (91 IOR).
Utilisation à des altitudes élevées, consultez la section
Altitude élevée.
• Une essence avec jusqu’à 10 % d’éthanol (gazohol) ou
jusqu’à 15 % d’éther méthyltertiobutylique est
acceptable.
AVIS Évitez d’endommager le génératrice.
Le manquement à suivre les recommandations relatives à
l’huile du manuel d’utilisation annule la garantie.
• NE PAS utiliser d’essence non approuvée telle que E85.
• NE PAS mélanger l’huile avec l’essence.
• NE PAS modifier le moteur afin qu’il fonctionne avec d’autres
types d’essence.
Au moment d’ajouter de l’essence, la mélanger avec un
stabilisateur d’essence afin de protéger le circuit
d’alimentation contre la formation de dépôts de gomme. Voir
Entreposage. Les essences ne sont pas toutes pareilles. Si
vous éprouvez des problèmes de démarrage ou de
performance après avoir utilisé une essence, changez de
fournisseur d’essence ou de marque d’essence. Le
fonctionnement du moteur avec de l’essence est certifié. Ce
dispositif antipollution pour ce moteur est de type EM
(Modifications de moteur).
1. Nettoyez la partie autour du bouchon du réservoir
d'essence, enlevez le bouchon.
2. Ajoutez doucement dans le réservoir (B) du carburant (A)
ordinaire sans plomb. Faites attention de ne pas
dépasser le déflecteur (C). Vous laissez ainsi de la place
pour l'expansion de l'essence.
3. Installez le bouchon à essence et attend le carburant
renversé pour s'évaporer.
Altitude élevée
À des altitudes élevées (plus de 1 524 m / 5 000 pi), il est
acceptable d’utiliser des essences présentant un indice
minimum de 85 octane / 85 AKI (89 IOR). Un réglage pour
les altitudes élevées est requis pour respecter les normes
relatives aux émissions. Une utilisation sans ce réglage
entraîne une diminution de la performance, une
augmentation de la consommation d’essence et des
émissions. Consultez un détaillant Briggs & Stratton autorisé
au sujet de renseignements relatifs au réglage pour les
altitudes élevées. L’utilisation à des altitudes inférieures à
762 mètres (2 500 pieds) avec la trousse pour les altitudes
élevées n’est pas recommandée.
FUEL
TANK
CB
A
9
AVERTISSEMENT L’essence et ses vapeurs sont
extrêmement inflammables et
explosives qui pourraient causer des
brûlures, un incendie ou une explosion
risquant d’entraîner la mort, des blessures graves et/ou
des dommages matériels.
LORS DE L'AJOUT DU CARBURANT
• Éteignez le moteur de la génératrice et laissez-le refroidir
pendant au moins 2 minutes avant de retirer le bouchon à
essence. Desserrez lentement le capuchon pour laisser la
pression s'échapper du réservoir.
• Remplissez le réservoir d'essence à l'extérieur.
• NE remplissez PAS trop le réservoir. Laissez l'expansion de
l'essence.
• Attend le carburant renversé pour s'évaporer avant de démarrer
le moteur.
• Éloignez l'essence des étincelles, des flammes, des veilleuses,
de la chaleur et de toute autre source d'inflammation.
• Vérifiez si les conduits d'essence, le réservoir, le bouchon et les
raccords comportent des fissures ou des fuites. Remplacez au
besoin.
• N'ALLUMEZ PAS de cigarette ou ne fumez pas à proximité de
l'appareil.
Not for
Reproduction

Mise à la terre du système
La génératrice possède une mise à la terre du système qui
raccorde les éléments du cadre de la génératrice aux bornes
de mise à la terre des prises de sortie C.A. La mise à la terre
du système est raccordée au fil neutre C.A. (le neutre est
raccordé au cadre de la génératrice).
Exigences spéciales
Il se peut que la réglementation d'une agence fédérale ou
provinciale de santé et de sécurité du travail, des codes de
sécurité nationaux ou provinciaux ou des ordonnances
régissent l'utilisation prévue de la génératrice. Veuillez
consulter un électricien qualifié, un inspecteur en électricité
ou l'agence compétente de votre région.
• Dans certains territoires, il faut enregistrer la
génératrice auprès du fournisseur de l'alimentation de
service.
• Des règlements additionnels régissent peut-être
l'utilisation de la génératrice sur les chantiers de
construction.
Branchement au système électrique d'un édifice
Seuls les électriciens qualifiés sont habilités à brancher la
génératrice au système électrique d'un édifice pour en faire
une source d'alimentation de réserve. Il faut que
l’alimentation de la génératrice soit isolée de l’alimentation
de service ou d'autres sources d'alimentation et que le
branchement soit conforme à toute la législation applicable
et à tous les codes de l’électricité.
Emplacement de la génératrice
Dégagement de la génératrice
Placez la génératrice dans un endroit bien ventilé qui permet
l'élimination des gaz d'échappement mortels. N'installez PAS
la génératrice dans un endroit où les gaz d'échappement (A)
pourraient s'accumuler et pénétrer ou être aspirés dans un
édifice qui pourrait être occupé. Assurez-vous que les gaz
d'échappement ne puissent entrer par une fenêtre, une porte,
une prise d'aération ou une autre ouverture qui pourrait leur
permettre de s'accumuler dans un espace restreint. Tenez
aussi compte des vents dominants et des courants d'air au
moment de choisir l'endroit où vous installerez la
génératrice.
10 BRIGGSandSTRATTON.COM
A
AVERTISSEMENT La tension de la génératrice peut
causer un choc électrique ou des brûlures
risquant d’entraîner la mort et des blessures
graves.
• Utilisez l'équipement de transfert approuvé pour empêcher la
rétroaction en isolant la génératrice des employés du service de
distribution électrique.
• Veuillez aviser votre fournisseur d'alimentation en électricité
lorsque vous utilisez votre génératrice comme alimentation de
secours.
• Utilisez un disjoncteur différentiel lorsque vous utilisez l'appareil
dans des endroits humides ou extrêmement conductibles,
comme les terrasses en métal ou les ouvrages métalliques.
• NE TOUCHEZ PAS les fils dénudés ou les boîtiers.
• N'UTILISEZ PAS le génératrice avec des cordons électriques usés,
effilochés ou dénudés, ou abîmés de quelque sorte que ce soit.
• N’utilisez PAS la génératrice sous la pluie ou lors de
températures pluvieuses.
• NE MANIPULEZ PAS le génératrice ou les cordons
d'alimentation lorsque vous êtes debout dans l'eau, pieds nus
ou avec les mains ou les pieds humides.
• NE LAISSEZ PAS des personnes non qualifiées ou des enfants
se servir ou réparer le génératrice.
AVERTISSEMENT La chaleur et les gaz
d’échappement peuvent enflammer des
matériaux combustibles et les structures ainsi
que causer des dommages au réservoir
d’essence et provoquer un incendie risquant d’entraîner la
mort, des blessures graves et/ou des dommages matériels.
• Laissez un dégagement d’au moins 1,5 m (5 pi) tout autour de
la génératrice, y compris au-dessus.
Not for
Reproduction

11
Fonctions et commandes
Lire ce manuel de l'utilisateur et les régles de sécurité avant de faire marcher votre génératrice.
Comparez les illustrations avec votre génératrice pour vous familiariser avec l'emplacement des diverses commandes
et réglages. Gardez ce manuel pour le consulter plus tard.
A - Chargeur à tampon de batterie — Utilisez la prise du
chargeur à tampon de la batterie pour conserver la
charge de la batterie de démarrage et pour qu’elle soit
prête à être utilisée.
B - Interrupteur de démarrage — Pousser pour démarrer le
moteur.
C - Filtre à air — Utilise un élément de filtre du type sec et
un pré-filtre en mousse pour limiter le montant de saleté
et de poussières entrant dans le moteur.
D - Levier d’étrangleur — Utilisé lorsque vous faites un
démarrage à froid du moteur.
E - Démarrage à recul — Utilisé pour démarrer le moteur
manuellement.
F - Bouchon de vidange d’huile — Vidangez l’huile du
moteur ici.
G - Identification du moteur — Fournit le numéro du
modèle, le type et le code du moteur. S'il vous plaît avoir
ces facilement disponible si appeler l'assistance.
H - Bouchon de remplissage d’huile — Remplir l’huile à
moteur ici.
J - Jauge d’huile — Vérifier le niveau d’huile ici.
K - Robinet de carburant — Utilisé pour alimenter le
moteur en essence ou pour couper l'alimentation en
essence du moteur.
L - Réservoir de carburant — Capacité de 7 gallons Etats-
Unis (26.5 l).
A
B
D
EH
J
L
K
G
C
F
Not for
Reproduction

12 BRIGGSandSTRATTON.COM
A
B
C
D
E
F
G
H
J
M
L
P
N
K
A - Interrupteur de la commande de ralenti — Utilisez cet
interrupteur pour mettre en marche ou en arrêt la
commande de ralenti.
B - Interrupteur “Run/Stop” (Marche/Arrêt) — Réglez cet
interrupteur sur “Run” avant de démarrer le moteur. Réglez
l’interrupteur sur “Stop” pour arrêter le moteur.
C - Disjoncteur bipolaire de 30 A — La prise verrouillable de
120/240 volts c.a., 30 A et la prise verrouillable de 120 volts
c.a., 30 A sont munies d’un disjoncteur bipolaire pour
protéger la génératrice contre les surcharges.
D - Disjoncteur principal — La prise verrouillable de 240 volts
c.a., 50 A, est munie d’un disjoncteur bipolaire pour
protéger la génératrice contre les surcharges. Le disjoncteur
commande également toutes les c.a. prises.
E - Prise de 120/240 Volts c.a., 50 Ampères – Peut être
utilisée pour fournir du courant électrique pour faire marcher
des systèmes d’éclairage, des appareils, des outils ou des
moteurs nécessitant 240 Volts c.a., 50 Ampères,
monophasés, 60 Hertz.
F - Prise de 120/240 Volts c.a., 30 Ampères – Peut être
utilisée pour fournir du courant électrique pour faire marcher
des systèmes d’éclairage, des appareils, des outils ou des
moteurs nécessitant 120 Volts et/ou 240 Volts c.a., 30
Ampères, monophasés, 60 Hertz.
G - Prises de 120 Volts c.a., 30 Ampères – Peut être utilisée
pour fournir du courant électrique pour faire marcher des
systèmes d’éclairage, des appareils, des outils ou des
moteurs nécessitant 120 Volts c.a., 30 Ampères,
monophasés, 60 Hertz.
H - Prises de 120 Volts c.a., 20 Ampères – Peut être utilisée
pour fournir du courant électrique pour faire marcher des
systèmes d’éclairage, des appareils, des outils ou des
moteurs nécessitant 120 Volts c.a., 20 Ampères,
monophasés, 60 Hertz.
J - Prises de courant double de 120 Volts c.a., 20 Ampères -
peuvent être utilisées pour fournir l'alimentation électrique
de l'éclairage, des électroménagers, des outils ou des
moteurs de 120 Volts, 20 Ampères, monophasés, 60 Hz.
K - Étiquettes d'identification - Fournit le modèle, la révision
et le numéro de série de générateur. S'il vous plaît avoir ces
facilement disponible si appeler l'assistance.
L - Fixation de mise à la masse — Consultez l’agence
compétente de votre région au sujet des exigences de mise à
la masse.
M - Filtre à l’huile — Filtre l’huile du moteur afin d’en
prolonger la durée de vie utile.
N - Pot d’échappement avec arrêteur d’étincelles – Le pot
d’échappement diminue le bruit du moteur est équipé d’un
écran arrêteur d’étincelles.
P - Disjoncteur (C.A.) – La prise double de 120 volts c.a., 20 A
et la prise verrouillable de 120 volts c.a., 20 A, est munie
d’un disjoncteur de type « pousser pour réarmer » pour
protéger la génératrice contre les surtensions.
R - Prise de 12 Volts 10 Ampères c.c. – Cette prise vous
permet de recharger une batterie automobile de 12 Volts.
Cette prise est protégée par un disjoncteur à
réenclenchement automatique de 10 ampères.
Not for
Reproduction

Cordons et prises
N’utilisez que des rallonges de haute qualité mises à la terre
et bien isolées dans les prises de la génératrice. Inspectez
les rallonges avant chaque utilisation.
Vérifiez le calibre de chacune des rallonges avant de les
utiliser. Les rallonges utilisées doivent pouvoir supporter des
charges C.A. à 20 ampères (ou plus) pour 125 Volts.
Consultez les manuels d’utilisation des appareils à alimenter
pour obtenir les recommandations du fabricant.
Utilisez des rallonges les plus courtes que possible pour
minimiser les chutes de tension.
Prise de 120/240 Volts c.a., 50 Ampères
Utilisez une prise mâle NEMA 14-50 avec cette prise femelle.
Reliez une rallonge à quatre câbles de 250 Volts c.a. à
50 Ampères à la prise ou davantage à cette prise.
Cette prise donne du courant à des charges de 120/240 Volts
c.a., 60 Hertz, monophasées, nécessitant jusqu’à
10,000 watts de puissance (10,0 kW) à 41,6 Ampères pour
240 Volts ou deux indépendant 120 Volt chargements. La
prise est protégée par un disjoncteur bipolaire avec
interrupteur à bascule.
AVIS Il se peut que la capacité nominale des prises soit
supérieure à la puissance nominale de la génératrice.
• NE tentez JAMAIS d'alimenter un appareil dont l'intensité nominale
est supérieure à la capacité de la génératrice ou des prises.
• NE surchargez PAS la génératrice. Voir la section Ne Surchargez
Pas Génératrice.
Prise à verrouillage de 120/240 Volts c.a., 30 Ampères
Utilisez une prise mâle du NEMA L14-30 avec cette prise
femelle. Reliez une rallonge à quatre câble de 250 Volts c.a.
à 30 Ampères ou davantage. Vous pouvez utilisez la même
rallonge à quatre câbles si vous avez l’intention de ne faire
marcher qu’une charge de 120 Volts.
Cette prise donne du courant à des charges de 120/240 Volts
c.a., 60 Hertz, monophasées, nécessitant jusqu’à 3,600 watts
de puissance (3,6 kW) à 30 Ampères pour 120 Volts;
7,200 watts de puissance (7,2 kW) à 30 Ampères pour
240 Volts. La prise est protégée par un disjoncteur bipolaire
avec interrupteur à bascule.
Prise à verrouillage de 120 Volts c.a., 30 Ampères
Utilisez une prise mâle NEMA L5-30 avec cette prise femelle.
Reliez une rallonge à trois câbles de 125 Volts c.a. à
30 Ampères à la prise ou davantage à cette prise.
13
Rallonge a 4 fils
240V
120V 120V W (Neutre)
X (Positif)
Y (Positif)
NEMA L14-30 Masse (Vert)
120 Volts
c.a.
120 Volts
c.a.
X (Positif)
Y (Positif)
240 Volts c.a.
Mise à la terre
sur le cadre
NEMA 14-50 W (Neutre)
Rallonge a trois cables
Neutre
120V
Chaud
Terre (Vert)
NEMA L5-30
AVERTISSEMENT Les cordons électriques
endommagés ou surchargés peuvent causer
une surchauffe, un arc électrique et des brûlures
risquant d’entraîner la mort, des blessures
graves et/ou des dommages matériels.
• Utiliser seulement les cordons ayant des valeurs nominales
appropriées à vos charges.
• Veuillez suivre toutes les consignes de sécurité relatives aux
cordons électriques.
• Inspectez l’ensemble de cordons d’alimentation avant chaque
utilisation.
Not for
Reproduction

14 BRIGGSandSTRATTON.COM
Utilisez cette prise pour faire marcher des charges de
120 Volts c.a., 60 Hertz, monophasées, nécessitant jusqu’à
3,600 watts (3,6 kW) de puissance à 30 Ampères. La prise
est protégée par un disjoncteur bipolaire avec interrupteur à
bascule.
Prise à verrouillage de 120 Volts c.a., 20 Ampères
Utilisez une prise mâle NEMA L5-20 avec cette prise femelle.
Reliez une rallonge à trois câbles de 125 Volts c.a. à
20 Ampères à la prise ou davantage à cette prise.
Utilisez cette prise pour faire marcher des charges de
120 Volts c.a., 60 Hertz, monophasées, nécessitant jusqu’à
2,400 watts (2,4 kW) de puissance à 20 Ampères. La prise
est protégée par un disjoncteur de 20 Ampères du type
"pousser pour reconfigurer".
120 Volts c.a., 20 Ampères prise de courant double
Chaque prise de courant est protégée contre la surcharge par
un disjoncteur que l'on pousse pour ré-enclencher de
20 ampères.
Utilisez chaque prise de courant pour faire fonctionner les
charges électriques de 120 volts c.a., monophasées, 60 Hz
nécessitant jusqu'à 2,400 watts (2,4 KW) à 20 ampères.
Prise de 10 Ampères, 12 Volts c.c.
Cette prise vous permet de recharger une batterie de
remisage de 12 Volts du type pour automobile ou tous
usages avec les câbles de recharge de batterie fournis.
Elle ne peut toutefois pas recharger des batteries de 6 volts
ni être utilisée pour démarrer un moteur dont la batterie est
déchargée. Voir Recharge d'une Batterie avant d'essayer de
recharger une batterie.
Chargeur de batterie
Utilisez une prise de chargeur de flotteur pour que la batterie
de démarrage reste chargée et prête à l'utilisation. Le
chargement de la batterie doit être effectué dans un endroit
sec, à l'intérieur d'un garage par exemple.
1. Branchez le chargeur à la prise “Chargeur de flotteur de
la batterie”, située sur l'interrupteur de démarrage.
Branchez le chargeur de la batterie dans une prise de
courant murale de 120 volts c.a..
2. Débranchez le chargeur de l'appareil et de la prise de
courant lorsque vous démarrez le générateur et
lorsqu'il est en marche.
3. Laissez le chargeur branché lorsque le générateur n'est
pas utilisé; vous prolongerez ainsi la durée de vie de la
batterie. Le chargeur est équipé d'un stabilisateur et ne
surchargera pas la batterie, même lorsque vous le
laissez branché pendant une longue période.
AVIS Voir la section Entretien de la batterie pour de plus
amples renseignements.
Rallonge a trois cables
Neutre
120V
Chaud
Terre (Vert)
NEMA L5-20
Not for
Reproduction

15
Opération
Démarrage du moteur
AVIS Débranchez toujours le chargeur de flotteur de la
batterie avant de démarrer le générateur.
Déconnectez toutes les charges électriques du générateur.
Suivez ces étapes d'instructions de démarrage dans l'ordre
numérique:
1. Assurez-vous que la génératrice se trouve sur une
surface de niveau.
AVIS Si la génératrice n'est pas sur une surface de niveau,
elle pourrait ne pas démarrer ou encore s'arrêter
spontanément.
2. Tournez la valve d'essence (A) sur la position “On”
(Marche).
3. Veillez à ce que le commutateur de régulateur de
vitesse soit en position "Off” (Arrêt).
4. Placez l’interrupteur de marche/arrêt à la position
marche (“Run”).
5. Tirez le levier d’étrangleur de manière à fermer
l’étrangleur.
6A. Pour un démarrage électrique, appuyez et maintenez
l’interrupteur de démarrage à la position “Start” jusqu’à
ce que la génératrice démarre. Afin de prolonger la
durée de vie utile des pièces du démarreur, NE
maintenez PAS l’interrupteur de démarrage à la position
“Start” plus de 15 secondes et attendez au moins
1 minute entre chaque essai.
• Si le moteur démarre, passez à l’étape 8.
• Si le moteur ne démarre pas, passez à l’étape 7.
AVIS Si la batterie est déchargée, suivez les instructions de
démarrage manuel.
6B. Pour un démarrage manuel, prenez la poignée du
lanceur et tirez-la jusqu’à ce que vous sentiez une
légère résistance. Tirez alors rapidement, une fois
seulement, pour démarrer le moteur.
• Si le moteur démarre, passez à l’étape 8.
• Si le moteur ne démarre pas, passez à l’étape 7.
7. Enfoncez à moitié la poignée de l’étrangleur et tirez sur
la poignée du lanceur deux fois ou poussez et
maintenez le commutateur de démarrage à la position
“Start” tel que décrit à l’étape 6A.
• Si le moteur ne démarre pas, effectuez de nouveau
les étapes de 5 à 6.
8. Ouvrez graduellement l’étrangleur à mesure que le
moteur se réchauffe en appuyant sur la poignée de
l’étrangleur.
AVIS Si le moteur se noie, poussez sur la poignée
d’étrangleur jusqu’à ce qu’elle soit complètement rentrée et
faites tourner le moteur jusqu’à ce qu’il démarre.
AVIS Si le moteur démarre après 3 essais, mais qu’il ne
fonctionne pas, ou qu'il s'arrête, assurez-vous que la
génératrice se trouve sur une surface de niveau et vérifiez si
le carter du moteur contient suffisamment d'huile. Il se peut
que cette génératrice soit munie d’un système de protection
en cas de bas niveau d’huile. Si c’est le cas, le niveau d’huile
doit toujours être au niveau approprié pour permettre le
démarrage du moteur.
AAVERTISSEMENT Un effet de recul (rétroaction rapide)
de la corde du démarreur tirera votre main et
votre bras vers le moteur plus rapidement que
vous ne pouvez relâcher la corde; ce qui pourrait
causer des fractures, des ecchymoses ou des entorses
risquant d’entraîner des blessures graves.
• Lors du démarrage du moteur, tirez lentement sur la corde
jusqu'à ce que vous sentiez une résistance et tirez alors
rapidement afin d'éviter un effet de recul.
• NE démarrez JAMAIS ni n'arrêtez jamais le moteur alors que
des appareils électriques y sont branchés et en fonction.
Not for
Reproduction

16 BRIGGSandSTRATTON.COM
Branchement des charges électriques
• Laissez le moteur se stabiliser et chauffer pendant
quelques minutes avant de démarrer.
• Brancher et mettre en marche les charges électriques
de 120 et/ou 240 Volts CA, monophasées de 60 Hertz
désirées.
AVIS
• NE PAS brancher des charges de 240 Volts à des prises
de 120 Volts.
• NE PAS brancher des charges triphasées au
génératrice.
• NE PAS brancher des charges de 50 Hertz au
génératrice.
• NE PAS SURCHARGER GÉNÉRATRICE. Voir la section
NE PAS Surcharger Génératrice.
AVIS Dépasser la capacité de puissance ou d'ampérage du
génératrice risque d'endommager ce dernier et/ou les
autres appareils électriques qui y sont branchés.
• Voir la section NE PAS Surcharger Génératrice.
• Démarrez le génératrice et laissez le moteur se stabiliser avant de
brancher les charges électriques.
• Branchez les charges électriques en position ARRÊT, puis,
remettez en position MARCHE.
• Éteignez les charges électriques et débranchez-les du génératrice
avant de l'arrêter.
Arrêt du moteur
1. Débrancher toutes les charges électriques des prises
du génératrice. NE JAMAIS mettre en route ou arrêter
le moteur alors que les appareils électriques sont
branchés et en MARCHE.
2. Réglez la commande de ralenti en position "Off" (Arrêt).
3. Laissez le moteur tourner à vide pendant deux minutes
pour stabiliser les températures internes du moteur et
du génératrice.
4. Déplacez l’interrupteur Run/Stop à la position “Stop”.
5. Réglez la vanne de combustible à la position "Off" (Arrêt).
Fonctionnement du contrôle automatique du
ralenti
Cet interrupteur a pour but d'améliorer grandement
l'économie en carburant. Lorsque cet interrupteur est en
MARCHE (ON), le moteur ne marchera à sa vitesse élevée
normale réglée d'avance que lorsqu'une charge électrique est
branchée. Lorsque la charge électrique est enlevée, le moteur
tournera à une vitesse réduite.
Avec cet interrupteur sur "Off" [Arrêt], le moteur tournera
tout le temps à la vitesse normale élevée. Il faut toujours
mettre l'interrupteur sur "Off" [Arrêt] lorsque vous
démarrez ou arrêtez le moteur.
Arrêt du moteur en cas de bas niveau d’huile
Si le niveau d’huile est entre les repères ajouter (« ADD »)
et maximum (« FULL ») sur la jauge d’huile:
1. N’essayez PAS de redémarrer le moteur.
2. Contactez un distributeur de service de Briggs &
Stratton agréé.
3. N’utilisez PAS le moteur tant que la pression d’huile
n’aura pas été rectifiée.
Si le niveau d’huile est sous le repère ajouter (« ADD »)
sur la jauge d’huile :
1. Ajoutez de l’huile pour ramener le niveau jusqu’au
repère maximum (« FULL »).
2. Redémarrez le moteur et s’il s’arrête à nouveau, la
pression d’huile est peut-être encore trop faible.
N’essayez PAS de redémarrer le moteur.
3. Contactez un distributeur de service de Briggs &
Stratton agréé.
4. N’utilisez PAS le moteur tant que la pression d’huile
n’aura pas été rectifiée.
AVERTISSEMENT La chaleur et les gaz
d’échappement peuvent enflammer des
matériaux combustibles et les
structures ainsi que causer des
dommages au réservoir d’essence et provoquer un
incendie risquant d’entraîner la mort, des blessures
graves et/ou des dommages matériels.
Tout contact avec la zone du silencieux peut causer des
brûlures risquant d’entraîner des blessures graves.
• NE touchez PAS aux pièces chaudes et ÉVITEZ le contact avec
les gaz d’échappement.
• Laissez l'équipement refroidir avant de le toucher.
• Laissez un dégagement d’au moins 1,5 m (5 pi) tout autour de
la génératrice, y compris au-dessus.
• L’utilisation ou le fonctionnement d’un moteur sur un terrain
boisé, couvert de broussailles ou gazonné constitue une violation
dans l’État de la Californie, en vertu de la section 4442 du
California Public Resources Code, à moins qu’il ne soit doté d’un
pare-étincelles tel que défini dans la section 4442 et maintenu en
bon état de fonctionnement. Il se peut que d’autres États ou
d’autres compétences fédérales aient des lois semblables.
Communiquez avec le fabricant, le détaillant ou le concessionnaire
original de l’appareil afin d’obtenir un pare-étincelles conçu pour le
système d’échappement installé sur ce moteur.
• Les pièces de rechange doivent être identiques aux pièces
d’origine et être installées à la même position.
AVERTISSEMENT L’essence et ses vapeurs sont
extrêmement inflammables et
explosives qui pourraient causer des
brûlures, un incendie ou une explosion
risquant d’entraîner la mort, des blessures graves et/ou
des dommages matériels.
• N’arrêtez PAS le moteur en plaçant le levier d’étrangleur à la
position étrangleur ().
Not for
Reproduction

17
Recharge d’une batterie
Votre générateur a la capacité de recharger une batterie
automobile 12 Volts déchargée ou une batterie de remisage.
• NE PAS utiliser l’appareil pour recharger des batteries
de 6 Volts.
• NE PAS utiliser l’appareil pour mettre en route un
moteur dont la batterie est déchargée.
Pour recharger une batterie de 12 Volts, procédez comme
suit:
1. Vérifiez le niveau du fluide dans toutes les cellules de la
batterie. S’il le faut, ajouter de l’eau distillée et
SEULEMENT de l’eau distillée pour couvrir les
séparateurs dans les cellules de la batterie. NE PAS
utiliser d’eau du robinet.
2. Si la batterie est équipée de bouchons d’évent,
s’assurer qu’ils sont bien en place et serrés.
3. Si nécessaire, nettoyer les bornes de la batterie.
4. Brancher la prise de connection du câble de recharge
de la batterie à la prise du tableau du générateur
portant les mots “12V 10A D.C.”.
5. Brancher la pince du câble de recharge de la batterie
ayant la poignée rouge à la borne (+) positive
(POSITIVE ou POS) de la batterie.
6. Brancher la pince du câble de recharge de la batterie
ayant la poignée noire à la borne négative (-)
(NEGATIVE ou NEG) de la batterie.
7. Mettre en route le moteur. Laisser le moteur tourner
pendant la recharge de la batterie.
8. Lorsque la batterie a été rechargée, arrêtez le moteur.
AVIS Utilisez un hydromètre pour automobile pour tester la
charge et les conditions de la batteries. Suivre avec soin les
instructions du fabricant de l’hydromètre. Généralement on
considère qu’une batterie est chargée à 100% lorsque la
gravité spécifique de son fluide (mesurée par l’hydromètre)
est de 1,260 ou davantage.
Fonctionnement par temps froid
Sous certaines conditions climatiques (température sous
4 °C [40 °F] avec humidité élevée) du givre pourrait
s'accumuler dans le carburateur ou le système de reniflard
du carter de votre génératrice. Pour réduire ce problème, il
faut prendre les mesures suivantes:
1. Assurez-vous que la génératrice ait du combustible
propre et frais.
2. Ouvrez la valve à essence (tournez la valve à la position
ouverte).
3. Utilisez de l'huile SAE 5W-30.
4. Vérifiez quotidiennement le niveau de l'huile ou après
chaque période de huit (8) heures de fonctionnement.
5. Entretenez la génératrice conformément aux
instructions du Calendrier d'entretien.
6. Protégez l'unité contre les intempéries.
fil noir
AVERTISSEMENT La plus petite étincelle peut enflammer
l’hydrogène et causer une explosion
risquant d’entraîner la mort, des blessures
graves et des dommages matériels.
Le fluide électrolyte de la batterie contient un acide et est
extrêmement corrosif. Le contact avec le liquide de la batterie
peut causer des brûlures chimiques risquant d’entraîner des
blessures graves et des dommages matériels.
• Ne laissez aucune flamme, étincelle, source de chaleur ou
cigarette allumée pendant ou plusieurs minutes suivant la
charge de l'accumulateur.
• Portez des lunettes de protection, un tablier et des gants en
caoutchouc.
• NE poursuivez PAS la charge d’une batterie qui devient chaude
ou qui est complètement chargée.
• NE laissez PAS la batterie sans surveillance.
AVERTISSEMENT Les bornes, les cosses ainsi que
tous les accessoires reliés à la batterie contiennent du
plomb et des composés de plomb - produits chimiques
reconnus par l’État de la Californie comme causant des
cancers et d’autres problèmes de reproduction. Nettoyez-
vous les mains après la manipulation.
Not for
Reproduction

Création d’un abri temporaire pour les temps froids
1. Pour abri temporaire, utilisez l’emballage original en
carton.
2. Découpez les rabats supérieurs et un des côtés longs
du carton pour exposer le côté de l’unité où se trouve le
silencieux. Au besoin, utilisez du ruban sur les autres
côtés du carton pour l’adapter à la génératrice tel que
montré.
AVIS Au besoin, retirez les roues pour que le carton
s’adapte à la génératrice, tel que montré.
3. Découpez des orifices appropriés pour avoir accès aux
prises de l’unité.
4. Placez le côté exposé à l’abri du vent et des éléments.
5. Placez la génératrice tel que décrit dans la section
Emplacement de la génératrice. Assurez-vous que les
gaz d'échappement ne puissent entrer dans un espace
restreint par une fenêtre, une porte, une prise
d'aération ou une autre ouverture.
6. Démarrez la génératrice tel que décrit dans la section
Démarrage du moteur, puis placez le carton sur la
génératrice. Laissez un dégagement d’au moins 1,5 m
(5 pi) tout autour de la génératrice, y compris au-
dessus, lorsque l’abri en place.
7. Retirez l’abri lorsque la température s’élève à plus de
4 °C [40 °F].
8. Arrêtez le moteur et laissez-le refroidir pendant deux (2)
minutes avant de remplir le réservoir. Essuyez tout
déversement d’essence.
Création d’un abri pour les temps froids
1. À l’aide de matériaux incombustibles ayant une cote de
résistance au feu d’au moins une heure, fabriquez une
structure qui entourera trois côtés et le dessus de la
génératrice. Assurez-vous que le côté du silencieux de
la génératrice soit exposé.
AVIS Communiquez avec votre marchand local de
matériaux de construction au sujet des matériaux
incombustibles ayant une cote de résistance au feu d’au
moins une heure.
AVIS Assurez-vous que l’abri puisse être repositionné en
fonction de la direction du vent.
2. N’enveloppez PAS la génératrice plus que ce qu’indique
l’illustration. L’abri devrait contenir suffisamment de
chaleur produite par la génératrice pour éviter les
problèmes de givrage.
AVIS Lorsque des roues sont installées sur la génératrice,
augmentez la dimension de l’abri en conséquence.
3. Suivez les étapes 3 à 8 tel que décrit précédemment
dans la section Création d’un abri temporaire pour les
temps froids.
Vent
18 BRIGGSandSTRATTON.COM
AVERTISSEMENT Le moteur, lorsqu'il fonctionne,
produit du monoxyde de carbone, un gaz
toxique inodore et incolore.
L’inhalation du monoxyde de carbone peut
entraîner la mort, des blessures graves, des maux de tête,
de la fatigue, des étourdissements, le vomissement, de la
confusion, des crises épileptiques, des nausées et
l’évanouissement.
• Faites fonctionner cet appareil UNIQUEMENT à l’extérieur.
• Installez un avertisseur de monoxyde de carbone à piles près
des chambres à coucher.
• Évitez que les gaz d'échappement entrent dans un espace
restreint, par une fenêtre, une porte, une prise d'aération ou
toute autre ouverture.
• NE faites PAS fonctionner ce produit à l'intérieur d'un bâtiment,
d’un abri de voiture, d’un porche, de l’équipement mobile, lors
d’applications marines ou dans un lieu clos, même si les
fenêtres et les portes sont ouvertes.
AVERTISSEMENT La chaleur et les gaz
d’échappement peuvent enflammer des
matériaux combustibles et les
structures ainsi que causer des
dommages au réservoir d’essence et provoquer un
incendie risquant d’entraîner la mort, des blessures
graves et/ou des dommages matériels.
Tout contact avec la zone du silencieux peut causer des
brûlures risquant d’entraîner des blessures graves.
• NE touchez PAS aux pièces chaudes et ÉVITEZ le contact avec
les gaz d’échappement.
• Laissez l'équipement refroidir avant de le toucher.
• Laissez un dégagement d’au moins 1,5 m (5 pi) tout autour de
la génératrice, y compris au-dessus.
• Retirez l’abri lorsque la température s’élève à plus de 4 °C [40 °F].
Not for
Reproduction

19
Ne pas surchargez générateur
Capacité
Vous devez vous assurer que votre générateur puisse fournir
suffisamment de puissance nominale (appareil en marche) et
de surtension (au démarrage) pour les appareils que vous
voulez alimenter en même temps. Suivez ces étapes simples:
1. Sélectionnez les appareils que vous voulez alimenter
simultanément.
2. Additionnez la puissance nominale (en marche) de ces
appareils. Vous obtiendrez le montant de puissance que
votre générateur doit produire pour faire fonctionner
ces appareils. Voir le tableau à droite.
3. Évaluez le nombre de watts de surtension dont vous
aurez besoin (au démarrage). La puissance de
surtension est la brève explosion de puissance
nécessaire pour démarrer les outils à moteur électrique
ou les appareils électroménagers comme une scie
circulaire ou un réfrigérateur. Parce que tous les
moteurs ne démarrent pas au même moment, vous
pouvez évaluer la puissance de surtension totale en
additionnant seulement le ou les article(s) pour
le(s)quel(s) la puissance de surtension supplémentaire
est la plus importante, à la puissance nominale
indiquée à l'étape 2.
Exemple:
Puissance nominale (appareil en marche) = 3,275
Watts de surtension supplémentaire = 2,350
Puissance totale du générateur supplémentaire = 5,625
Gestion de la consommation
Afin de prolonger la durée de vie de votre générateur et des
accessoires, il est important de faire attention lorsque vous
ajoutez des charges électriques à votre générateur. Aucun
appareil ne doit être branché aux prises du générateur avant
de démarrer le moteur. La manière correcte et sans aucun
risque de gérer la consommation du générateur est d'ajouter
séquentiellement des charges comme indiqué ci-dessous:
1. Démarrez le moteur comme l'indique ce manuel, sans
aucun appareil branché au générateur.
2. Branchez et mettez en marche la première charge, la
plus importante de préférence.
3. Laissez la puissance de sortie du générateur se
stabiliser (le moteur tourne régulièrement et les
dispositifs branchés fonctionnent correctement).
4. Branchez et mettez la charge suivante en marche.
5. De nouveau, laissez le générateur se stabiliser.
6. Répétez les étapes 4 et 5 pour chaque charge
supplémentaire.
N'AJOUTEZ JAMAIS de charges supérieures à la puissance
du générateur. Vérifiez particulièrement les charges de
surtension de la capacité du générateur, comme il est
indiqué ci-dessus.
*La puissance indiquée ci-dessus est approximative. Vérifiez
les outils ou les appareils électroménagers pour connaître
leur puissance en watts.
Outil ou appareil
Puissance de
fonctionnement
(nominale)
Puissance de
démarrage (crête)
supplémentaire
Pompe de puits 1200 2100
Réfrigérateur 700 2200
Ventilateur de fournaise 800 2350
Téléviseur 500 —
Ampoule électrique (75 watts)
75 —
Puissance de
fonctionnement
totale de 3 275 watts
Puissance de
démarrage la plus
élevée de 2 350 watts
GUIDE DE RÉFÉRENCE DE PUISSANCE
Outil ou appareil
Puissance (de
fonctionnement)
nominale*
Puissance de
crête (de
démarrage)
supplémentaire
Essentiels
Ampoule électrique - 75 watts 75 —
Ventilateur de fournaise -1/2 HP 800 2350
Pompe de puisard -1/3 HP 800 1300
Réfrigérateur/congélateur 700 2200
Pompe de puits -1/2 HP 1000 2100
Chauffage/refroidissement
Climatiseur de fenêtre -10 000 BTU 1200 3600
Humidificateur – 49,21 l (13 gal) 175 —
Climatiseur central - 24,000 BTU 3800 11400
Cuisine
Four à micro-ondes - 1 000 watts 1000 —
Cafetière 1000 —
Cuisinière électrique - 8” élément 2100 —
Grille-pain 850 —
Salle familiale
Lecteur DVD/CD 100 —
Magnétoscope 100 —
Récepteur stéréo 450 —
Téléviseur en couleurs - 27 po 500 —
Ordinateur personnel muni d’un
écran de 17 po 800 —
Autre
Système de sécurité 500 —
Radio-réveil AM/FM 100 —
Ouvre-porte de garage - 1/2 HP 875 2350
Chauffe-eau électrique
4700 11700
Site de travail/bricolage
Lampe de travail à quartz-halogène 1000 —
Pistolet sans air - 1/3 HP 600 1200
Scie alternative 960 —
Perceuse électrique - 1/2 HP 600 900
Scie circulaire - 7 1/4 po 1400 2300
Scie à onglet - 10 po 1800 1800
Raboteuse - 6 po 1800 1800
Scie d’établi/radiale - 10 po 2000 2000
Compresseur d’air -1 HP 1600 4500
Not for
Reproduction

20 BRIGGSandSTRATTON.COM
Entretien
Calendrier d'entretien
Respectez le calendrier d'entretien selon le nombre d'heures
de fonctionnement ou le temps écoulé, le premier des deux
prévalant. Lorsque l'appareil est utilisé dans les conditions
adverses décrites ci-dessous, il faut en faire l'entretien plus
fréquemment.
1Remplacez les pièces plus fréquemment si vous utilisez l'appareil dans un
milieu sale ou poussiéreux.
2Changez l’huile à toutes les 50 heures ou à toutes les saisons, le premier des
deux prévalant, si la génératrice fonctionne avec des charges importantes ou à
des températures ambiantes élevées.
Recommandations générales
Un entretien régulier améliorera la performance et prolongera
la durée de vie de la génératrice. Consultez un détaillant
autorisé pour l’entretien.
La garantie de la génératrice ne couvre pas les éléments
soumis à l'abus ou à la négligence de l'opérateur. Pour qu'elle
soit entièrement valide, l'opérateur doit entretenir la génératrice
conformément aux instructions contenues dans ce manuel.
Certains ajustements devront être faits périodiquement pour
assurer un entretien adéquat de la génératrice.
Il faut effectuer toutes les opérations d'entretien et les
réglages au moins une fois par saison. Suivez les
instructions du "Calendrier d'entretien" ci-dessus
AVIS Une fois par année, vous devez nettoyer ou remplacer
la bougie d'allumage et remplacer le filtre à air. Une nouvelle
bougie d'allumage et un filtre à air propre permettent
d'assurer que le mélange essence-air est adéquat en plus de
contribuer au meilleur fonctionnement de votre moteur et
d'augmenter sa durée de vie.
Dispositif antipollution
L'entretien, le remplacement ou la réparation des
dispositifs et systèmes antipollution peuvent être effectués
par un établissement de réparation de moteurs hors route
ou par une personne qualifiée. Pour obtenir un entretien
« sans frais » du dispositif antipollution, le travail doit être
effectué par un détaillant autorisé par le fabricant. Voir la
garantie du dispositif antipollution.
Entretien de génératrice
L’entretien de la génératrice consiste à garder l’unité propre
et sèche. Faites fonctionner et entreposez l’unité dans un
environnement propre et sec où elle ne sera pas exposée à la
poussière, saletés, humidité excessive ni à des vapeurs
corrosives. Les fentes de refroidissement du moteur de la
génératrice ne doivent pas être obstruées par de la saleté,
des feuilles ou d’autres corps étrangers.
AVIS N’utilisez PAS d’eau ou d’autres liquides pour nettoyer
la génératrice. Les liquides peuvent s’introduire dans le
système d’alimentation en essence et causer une
performance médiocre et/ou des pannes. De plus, si des
liquides entrent dans la génératrice par les fentes de
refroidissement, une partie des liquides peut être retenue
dans les parties vides et les fissures du rotor et les couches
isolantes d’enroulements du stator. L’accumulation de
liquide et de poussière dans les enroulements internes de la
génératrice diminuera éventuellement la résistance des
couches isolantes des enroulements.
Nettoyage de génératrice
Nettoyez les débris accumulés sur la génératrice à tous les
jours ou avant de l’utiliser. Gardez toujours la tringlerie, le
ressort et les commandes propres. Gardez la zone autour et
derrière le silencieux libre de débris combustibles. Inspectez
les fentes de refroidissement et les orifices de la génératrice.
Ces ouvertures doivent demeurer propres et non obstruées.
Les parties du génératrice doivent être gardées propres afin
de réduire le risque de surchauffe et d'inflammation des
débris accumulés.
• Utilisez un linge humide pour nettoyer les surfaces
extérieures.
AVIS Le traitement inadéquat du génératrice pourrait
l’endommager et réduire sa durée de vie utile.
• N'EXPOSEZ PAS le génératrice à une humidité excessive, à de la
poussière, à de la saleté ou à des vapeurs corrosives.
• N'INSÉREZ aucun objet dans les fentes de refroidissement.
• Utilisez une brosse à soies douces pour détacher les
accumulations de saletés ou d'huile.
• Utilisez un aspirateur pour ramasser les saletés et débris.
Huit (8) premières heures
• Changer l’huile du moteur
Aux 8 heures ou Quotidien
• Nettoyez les débris
• Vérifier le niveau d’huile
Aux 25 heures ou 1 fois l’an
• Faire l’entretien du préfiltre à air1
Aux 50 heures ou 1 fois l’an
• Inspectez le silencieux et l’écran pare-étincelles
Aux 100 heures ou 1 fois l’an
• Changer l’huile du moteur et de filtre2
• Faire l’entretien du filtre à air en papier1
• Vanne de combustible de service
• Faire l’entretien des bougie d’allumage
• Nettoyez le système de refroidissement1
Aux 250 heures ou 1 fois l’an
• Vérifier le jeu des soupapes
Not for
Reproduction

Entretien de la batterie
La batterie ne nécessite aucun entretien autre que le
chargement à flotteur, décrit dans le présent manuel. Gardez
la batterie et les bornes propres et sèches.
AVIS Le chargement de la batterie doit être effectué dans
un endroit sec, à l'intérieur d'un garage par exemple.
Entretien de la vanne de combustible
La vanne de combustible comprend une cuvette de
sédimentation de combustible, une crépine, un anneau de
retenue et un joint torique qu'il faut nettoyer à tous les
100 heures d'utilisation ou une fois par an, le premier des
deux prévalant.
1. Réglez la vanne de combustible à la position "Off” (Arrêt).
2. Retirez la cuvette de sédimentation (A) de la vanne de
combustible. Retirez le joint torique (B), l'anneau de
retenue (C) et la crépine (D) de la vanne de combustible.
3. Lavez la cuvette de sédimentation, le joint torique,
l'anneau de retenue et la crépine dans un solvant
ininflammable. Séchez-les complètement.
4. Posez la crépine, l'anneau de retenue et le joint torique
sur la vanne de combustible. Installez la cuvette de
sédimentation et serrez-la solidement.
5. Réglez la vanne de combustible à la position "On"
(Marche), et vérifiez s'il y a une fuite de combustible. Si
c'est le cas, remplacez le joint torique.
Entretien du moteur
Huile
Recommandations relatives à l’huile
Nous recommandons l’utilisation des huiles certifiées par
garantie Briggs & Stratton pour obtenir une meilleure
performance. Les autres huiles détergentes de haute qualité
sont acceptables si elles ont les cotes pour service SF, SG,
SH, SJ ou plus. N’utilisez pas d’additifs spéciaux.
Les températures extérieures déterminent la viscosité de
l’huile requise pour le moteur. Utilisez le tableau pour choisir
la meilleure viscosité pour la gamme de températures
extérieures attendues.
* Sous 40ºF (4ºC), l’utilisation d’une huile SAE 30 entraîne un
démarrage difficile.
** Au-dessus de 80ºF (27ºC), l’utilisation d’une huile 10W30 peut
entraîner une consommation d’huile plus élevée. Vérifiez
fréquemment le niveau d’huile.
AVIS L’huile synthétique respectant la marque
d’homologation ILSAC GF-2, API et portant le
symbole d’entretien API (montré à la gauche) avec la
mention « SJ/CF (économie d’énergie) » ou plus, est
une huile acceptable pour toutes les températures.
L’utilisation d’huile synthétique ne modifie pas les
intervalles de changement d’huile.
AVERTISSEMENT Les bornes, les cosses ainsi que
tous les accessoires reliés à la batterie contiennent du
plomb et des composés de plomb - produits chimiques
reconnus par l’État de la Californie comme causant des
cancers et d’autres problèmes de reproduction. Nettoyez-
vous les mains après la manipulation.
21
A
B
C
D
AVERTISSEMENT Une étincelle involontaire peut
causer un incendie et un choc
électrique et entraîner la mort et des
blessures graves.
LORSQUE VOUS RÉGLEZ OU RÉPAREZ VOTRE GÉNÉRATRICE
• Débranchez toujours le câble de bougie et placez-le de façon à
ce qu'il ne soit pas en contact avec la bougie.
LORS DE TESTS D'ALLUMAGE DU MOTEUR
• Utilisez un vérificateur de bougies d'allumage approuvé.
• NE vérifiez PAS l'allumage lorsque la bougie d'allumage est
enlevée.
Not for
Reproduction

22 BRIGGSandSTRATTON.COM
Vérification du niveau d'huile
Il est nécessaire de vérifier le niveau d'huile avant chaque
utilisation ou après chaque période de 8 heures d'utilisation.
Gardez un niveau d'huile constant.
1. Assurez-vous que génératrice se trouve sur une surface
de niveau.
2. Nettoyez la surface autour de la jauge d’huile, retirez la
jauge d’huile et nettoyez-la avec un chiffon propre.
Insérez fermement la jauge, puis retirez-la et vérifiez le
niveau d’huile.
3. Vérifiez si l’huile atteint le repère maximum (“Full”) de
la jauge d’huile. Insérez fermement la jauge d’huile
avant de démarrer le moteur.
Ajout d’huile
1. Assurez-vous que génératrice se trouve sur une surface
de niveau.
2. Vérifiez le niveau d’huile de la manière décrite dans la
rubrique Vérification du niveau d’huile.
3. Au besoin, retirez le bouchon de remplissage d’huile et
versez lentement de l’huile dans l’orifice de remplissage
jusqu’au repère maximum (“Full”) sur la jauge d’huile.
NE remplissez PAS trop le carter d'huile.
AVIS Un excès d’huile pourrait empêcher le moteur de
démarrer ou rendre le démarrage difficile.
• NE remplissez PAS trop le carter d'huile.
• Si l’huile dépasse le repère maximum (“Full”) sur la jauge d’huile,
vidangez l’huile pour abaisser le niveau jusqu’au repère maximum
de la jauge.
4. Replacez et serrez le bouchon de remplissage d'huile et
la jauge d’huile.
Changement d’huile à moteur et de filtre
Si vous utilisez votre génératrice dans un endroit très sale ou
poussiéreux ou par temps très chaud, changez l'huile plus
fréquemment.
GARDEZ HOS DE PORTÉE DES ENFANTS. NE
POLLUEZ PAS. CONSERVEZ LE SURPLUS.
RAPPORTEZ L'HUILE USAGÉE AUX CENTRES DE
RECYCLAGE.
Changez l'huile alors que le moteur est encore chaud, de
la façon suivante:
1. Assurez-vous que l’appareil se trouve sur une surface
de niveau.
2. Débranchez le fil de la bougies d'allumage et gardez-le
éloigné de la bougies d'allumage.
3. Nettoyez la surface autour du bouchon de vidange
d’huile. Le bouchon de vidange d’huile se trouve au bas
du moteur.
4. Dévissez le bouchon de vidange d’huile et le bouchon
de remplissage, puis vidangez complètement l’huile
dans un contenant approprié.
5. Réinstallez le bouchon de vidange d’huile et serrez-le
solidement.
6. Placez un contenant adéquat sous le filtre à huile et faites
tourner le filtre dans le sens anti-horaire pour le retirer.
7. Enduisez légèrement le joint d’étanchéité du nouveau
filtre avec de l’huile à moteur neuve. Tournez le
nouveau filtre dans le sens horaire jusqu’à ce que le
joint d’étanchéité s’appuie sur l’adaptateur du filtre,
puis serrez encore de 3/4 de tour.
8. Retirez la jauge d’huile.
9. Versez lentement 1 litre (32 on) d’huile recommandée
dans l’orifice de remplissage.
10. Démarrez et faites fonctionner le moteur pendant
30 secondes. Éteignez le moteur et attendez
30 secondes pour laisser couler l'huile.
11. Ajoutez de l’huile jusqu’au repère maximum (“Full”) de
la jauge d’huile. Essuyez la jauge d’huile chaque fois que
vous vérifiez le niveau d’huile. NE remplissez PAS trop.
AVIS Le moteur contient environ 1,4 litres (48 oz) lorsque
vous changez l’huile et le filtre.
12. Remettez le bouchon de remplissage d'huile et la jauge
d’huile. Serrez bien le couvercle de l’orifice de
remplissage d’huile.
13. Essuyez tout déversement d’huile.
14. Rebranchez le fil de la bougies d'allumage à la bougies
d'allumage.
ATTENTION Évitez tout contact cutané prolongé ou
répété avec l'huile moteur usagée.
• Il a été démontré que l'huile moteur usagée risque de provoquer
un cancer de la peau chez certains animaux de laboratoire.
• Rincez consciencieusement les zones exposées avec de l'eau et
du savon.
Not for
Reproduction

23
Entretien du filtre à air
Votre moteur ne fonctionnera pas adéquatement et pourrait
s'endommager si vous le faites fonctionner avec un filtre à
air sale. Si vous utilisez la génératrice dans des endroits très
sales ou poussiéreux, nettoyez-le ou remplacez-le plus
souvent.
Pour faire l'entretien du filtre à air, procédez comme suit:
1. Décrochez les verrous (A) des deux côtés du
couvercle (B) et retirez-le.
2. Retirez le bouton (C) et la plaque (D). Enlevez
l’ensemble filtre à air avec soin de manière à éviter la
chute de débris dans le carburateur.
3. Faites glisser le préfiltre en mousse (F) hors de la
cartouche (E) et nettoyez-le dans un mélange de
détergent liquide et d’eau.
4. Asséchez le préfiltre en le comprimant dans un linge
propre. NE PAS LE TORDRE.
5. Tapotez doucement la cartouche sur une surface solide
pour déloger et retirer les particules coincées.
6. Réassemblez le préfiltre propre (ou neuf) dans la
cartouche propre (ou neuve).
7. Installez l’ensemble filtre à air propre (ou neuf) dans le
couvercle. Jetez de manière adéquate l’ancien filtre.
8. Remettez le bouton et la plaque.
9. Remettez le couvercle en place et fixez les verrous sur
le couvercle.
Entretien de la bougies d'allumage
Changez la bougie d'allumage le moteur démarrera plus
facilement et fonctionnera mieux.
1. Nettoyez la surface autour de la bougies d'allumage.
2. Enlevez la bougies d'allumage et examinez-la.
3. Vérifiez l’écartement des électrodes à l’aide d’une jauge
d’épaisseur et ajustez l’écartement des électrode selon
les spécifications recommandées au besoin (voir
Spécifications).
4. Vérifiez l’écartement des électrodes à l’aide d’une jauge
d’épaisseur et ajustez l’écartement des électrode selon
les spécifications recommandées au besoin (voir
Spécifications).
5. Installez la bougies d'allumage et serrez-la solidement.
Inspectez le silencieux et l’écran pare-étincelles
Inspectez s’il y a fissures, corrosion ou outre dommage du
silencieux. Retirez l’écran pare-étincelles, si inclus, et
inspectez s’il y a dommage ou obstruction de calamine. S’il y
a besoin des pièces de rechange, assurez-vous d’installer
seulement pièces de rechange originelles pour l'équipement.
AC
BD
F
E
AVERTISSEMENT La chaleur et les gaz
d’échappement peuvent enflammer des
matériaux combustibles et les
structures ainsi que causer des
dommages au réservoir d’essence et provoquer un
incendie risquant d’entraîner la mort, des blessures
graves et/ou des dommages matériels.
Tout contact avec la zone du silencieux peut causer des
brûlures risquant d’entraîner des blessures graves.
• NE touchez PAS aux pièces chaudes et ÉVITEZ le contact avec
les gaz d’échappement.
• Laissez l'équipement refroidir avant de le toucher.
• Laissez un dégagement d’au moins 1,5 m (5 pi) tout autour de
la génératrice, y compris au-dessus.
• L’utilisation ou le fonctionnement d’un moteur sur un terrain
boisé, couvert de broussailles ou gazonné constitue une violation
dans l’État de la Californie, en vertu de la section 4442 du
California Public Resources Code, à moins qu’il ne soit doté d’un
pare-étincelles tel que défini dans la section 4442 et maintenu en
bon état de fonctionnement. Il se peut que d’autres États ou
d’autres compétences fédérales aient des lois semblables.
Communiquez avec le fabricant, le détaillant ou le concessionnaire
original de l’appareil afin d’obtenir un pare-étincelles conçu pour le
système d’échappement installé sur ce moteur.
• Les pièces de rechange doivent être identiques aux pièces
d’origine et être installées à la même position.
Not for
Reproduction

Nettoyez et inspectez le pare-étincelles comme suit:
1. Dévissez les quatre vis qui retiennent l’écran pare-
étincelle.
2. Inspectez l’écran et remplacez-le s’il est déchiré,
perforé ou endommagé. N'UTILISEZ PAS un écran
défectueux. Si l’écran n’est pas endommagé, nettoyez-
le avec un solvant commercial recommandé.
3. Remettez l’écran en place et fixez-le avec quatre vis.
Nettoyer le système de refroidissement
Avec le temps, les débris peuvent s’accumuler dans les
ailettes de refroidissement du cylindre et ne peuvent être
repérés que par un désassemblage partiel du moteur. Nous
vous recommandons donc de demander à un distributeur de
service autorisé de nettoyer le système de refroidissement
aux intervalles recommandés (consultez la section Calendrier
d'entretien). Il est aussi important de garder le moteur libre
de débris. Consultez la section Nettoyage de la génératrice.
Vérifier le jeu des soupapes
La vérification et le réglage réguliers du jeu des soupapes
améliore la performance et prolonge la durée de vie du
moteur. Cette procédure ne peut être effectuée sans un
désassemblage partiel du moteur et le recours à des outils
spéciaux. Nous vous recommandons donc de demander à un
distributeur de service autorisé de vérifier et de régler le jeu
des soupapes aux intervalles recommandés. (consultez la
section Calendrier d'entretien).
Réglage du carburateur
Le carburateur de ce moteur ne produit que de faibles
émissions. Il est muni d’une soupape de mélange de ralenti
non réglable et d’un ralenti régulé, le cas échéant. Le ralenti
régulé et la vitesse maximale ont été réglés en usine.
Lorsqu’un réglage est requis, communiquez avec un
distributeur de service autorisé.
24 BRIGGSandSTRATTON.COM
ATTENTION Des vitesses de fonctionnement
excessivement élevées peuvent causer des blessures
mineures et/ou endommager la génératrice.
Des vitesses excessivement lentes produisent une charge
importante.
• NE modifiez PAS le ressort-régulateur, la tringlerie ou d’autres
pièces pour augmenter la vitesse du moteur. La génératrice
fournit une fréquence et une tension appropriée lorsque la
vitesse du moteur est régulée.
• NE modifiez PAS le génératrice d'aucune façon.
Not for
Reproduction

25
Entreposage
Le générateur doit être mise en route au moins une fois tous
les sept jours et doit marcher pendant au moins 30 minutes.
Si vous ne pouvez pas faire cela et que vous devez remiser le
générateur pour plus de 30 jours, utiliser les informations ci-
après comme guide pour préparer votre appareil au remisage.
Entreposage de la génératrice
• Nettoyez la génératrice tel qu’indiqué à la rubrique
Nettoyage de la section Entretien.
• Assurez-vous que les fentes d’air de refroidissement et
les ouvertures sur la génératrice sont ouvertes et non
obstruées.
Directives d’entreposage à long terme
Le carburant peut être éventé après un entreposage de plus
de 30 jours. Un carburant éventé cause la formation de
dépôts acides et de gomme dans le système d’alimentation
ou sur les pièces essentielles du carburateur. Pour garder
l’essence propre, utilisez le stabilisateur d’essence FRESH
START® de Briggs & Stratton, disponible sous forme
d’additif liquide ou cartouche de liquide concentré.
Il est inutile de vidanger le carburant du moteur si vous ajoutez
un stabilisateur d’essence conformément aux directives. Faites
tourner le moteur pendant 2 minutes pour faire circuler le
stabilisateur dans le système de carburant. Vous pouvez
ensuite entreposer le moteur et l’essence durant une période
maximale de 24 mois.
Si le carburant du moteur n’a pas été traité avec un
stabilisateur d’essence, vous devez le vidanger dans un
contenant approuvé. Faites tourner le moteur jusqu’à ce qu’il
s’arrête par manque d’essence. Il est recommandé d’utiliser
du stabilisateur d’essence dans le contenant d’entreposage
pour en conserver la fraîcheur.
Changement de l'huile
Alors que le moteur est encore chaud, vidangez l'huile du
carter. Remplissez le carter à nouveau avec de l'huile de la
qualité recommandée. Consultez la section Changement
d'huile.
Autres idées de remisage
1. N’entreposez PAS d’essence d’une saison à l’autre à
moins qu’elle ne soit traitée tel que décrit dans
Directives d’entreposage à long terme.
2. Remplacez le contenant à essence s’il commence à
rouiller. Un carburant contaminé peut causer des
problèmes de moteur.
3. Si possible, entreposez l’appareil à l’intérieur et
couvrez-le pour le protéger contre la poussière et les
saletés.
4. Couvrez l’appareil à l’aide d’une housse de protection
adéquate qui ne retient pas l’humidité.
5. Entreposez la génératrice dans un endroit propre et sec.
AVERTISSEMENT Les couvercles de rangement
peuvent causer un incendie risquant d’entraîner
la mort, des blessures graves et des dommages
matériels.
• NE placez JAMAIS une couverture de rangement sur un
génératrice.
• Laissez l’appareil refroidir suffisamment avant de placer la
couverture de rangement dessus.
AVERTISSEMENT L’essence et ses vapeurs sont
extrêmement inflammables et
explosives qui pourraient causer des
brûlures, un incendie ou une explosion
risquant d’entraîner la mort, des blessures graves et/ou
des dommages matériels.
LORSQUE VOUS ENTREPOSEZ L'ESSENCE OU UN ÉQUIPEMENT
AVEC UN RÉSERVOIR À ESSENCE
• Entreposez loin des fournaises, poêle, chauffe-eau, sécheuses ou
autres électroménagers munis d’une veilleuse ou d’une source
d’allumage car ils peuvent allumer les vapeurs d’essence.
LORS DE L'VIDANGE DU CARBURANT
• Éteignez le moteur de la génératrice et laissez-le refroidir
pendant au moins 2 minutes avant de retirer le bouchon à
essence. Desserrez lentement le capuchon pour laisser la
pression s'échapper du réservoir.
• Vidangez le réservoir d'essence à l'extérieur.
• Éloignez l'essence des étincelles, des flammes, des veilleuses,
de la chaleur et de toute autre source d'inflammation.
• Vérifiez si les conduits d'essence, le réservoir, le bouchon et les
raccords comportent des fissures ou des fuites. Remplacez au
besoin.
• N'ALLUMEZ PAS de cigarette ou ne fumez pas à proximité de
l'appareil.
Not for
Reproduction

26 BRIGGSandSTRATTON.COM
Dépannage
PROBLÈMES CAUSE SOLUTION
Le moteur marche, mais il ne se
produit pas de courant c.a. dans
les prises.
1. Disjoncteur est ouvert.
2. Problème dans le générateur.
3. Pauvre connexion ou rallonge
défectueuse.
4. L'appareil qui est branché est
défectueux.
1. Réenclencher le disjoncteur.
2. Contacter négociant de service autorisé.
3. Vérifier et réparer.
4. Brancher un autre appareil qui ne soit pas
défectueux.
Le moteur marche bien sans
charge mais cale quand les
charges sont branchées.
1. Court-circuit dans une charge branchée.
2. Vitesse trop lente du moteur.
3. Le générateur est surchargé.
4. Court-circuit dans le générateur.
5. Filtre à essence encrassé ou sale.
1. Débrancher la charge en court-circuit.
2. Contacter négociant de service autorisé.
3. Voir Ne Pas Surcharger Générateur.
4. Contacter négociant de service autorisé.
5. Nettoyez ou remplacez le filtre à essence.
Le moteur ne veut pas démarrer;
démarre et marche mal ou
s'arrête pendant la marche.
1. Déplacez l’interrupteur Run/Stop à la
position “Stop”.
2. La soupape d'essence est à la position
“Off”.
3. Batterie défectueuse.
4. Bas niveau d'huile.
5. Filtre à air encrassé.
6. Filtre à essence encrassé ou sale.
7. Panne d'essence.
8. Essence éventée.
9. Fil de bougie non branché à la bougie.
10. Bougie défectueuse.
11. Eau présente dans l'essence.
12. Moteur noyé.
13. Mélange d'essence trop riche.
14. Soupape d'admission bloquée en
position ouverte ou fermée.
15. Perte de compression du moteur.
1. Réglez l’interrupteur sur “Run”.
2. Placez la soupape à essence à la position “On”.
3. Remplacez la batterie.
4. Remplissez le carter au niveau requis ou placez
la génératrice sur une surface de niveau.
5. Nettoyez ou remplacez le filtre à air.
6. Nettoyez ou remplacez le filtre à essence.
7. Faites le plein du réservoir.
8. Vidangez le réservoir; faites le plein avec de
l'essence nouvelle.
9. Branchez le fil à la bougie.
10. Remplacez la bougie.
11. Vidangez le réservoir; faites le plein avec de
l'essence nouvelle.
12. Attendez 5 minutes et redémarrez le moteur.
13. Contacter négociant de service autorisé.
14. Contacter négociant de service autorisé.
15. Contacter négociant de service autorisé.
Le moteur manque de puissance.
1. La charge est trop grande.
2. Filtre à air encrassé.
3. Filtre à essence encrassé ou sale.
1. Voir Ne Pas Surcharger Générateur.
2. Remplacez le filtre à air.
3. Nettoyez ou remplacez le filtre à essence.
Le moteur a des “à-coups” ou des
hésitations.
1. Le mélange est trop riche ou trop pauvre
dans le carburateur.
2. Filtre à essence encrassé ou sale.
1. Contacter négociant de service autorisé.
2. Nettoyez ou remplacez le filtre à essence.
Not for
Reproduction

27
Garanties
Énoncé de garantie du dispositif antipollution
pour la Californie, l’U.S. EPA et Briggs &
Stratton Corporation
Vos droits et obligations relatifs à la garantie
Le California Air Resources Board (CARB), l’U.S. EPA et Briggs
& Stratton (B&S) sont heureux de vous expliquer la garantie
couvrant le dispositif antipollution de votre moteur/appareil de
modèle 2011-2012. En Californie, les nouveaux petits moteurs
hors route et les gros moteurs à bougie de 1,0 litre ou moins
doivent être conçus, construits et équipés de façon à respecter
les normes anti-smog rigoureuses de l’état. B&S doit garantir
le dispositif antipollution de votre moteur ou de votre
équipement pour les périodes indiquées ci-dessous, à
condition qu’il n’y ait pas eu d’abus, de négligence, de mauvais
entretien sur le moteur ou équipement.
Votre dispositif antipollution peut comprendre des pièces
comme le carburateur ou le système d’injection de
combustible, le réservoir d’essence, le système d’allumage et
le convertisseur catalytique. Il peut aussi y avoir des tuyaux,
des courroies, des connecteurs, des capteurs et d’autres
dispositifs reliés aux émissions. Dans le cas d’un défaut
couvert par la garantie, B&S réparera votre moteur ou votre
équipement sans frais, et ce, incluant le diagnostic, les
pièces et la main-d’ouvre.
Couverture de garantie du fabricant :
Les petits moteurs hors route et les gros moteurs à bougie
de 1,0 litre ou moins sont garantis pour une période de deux
ans. Si une pièce reliée au dispositif antipollution de votre
moteur ou de votre équipement est défectueuse, B&S la
réparera ou la remplacera.
Responsabilités du propriétaire relativement à la garantie :
• En tant que propriétaire de moteur/appareil, vous êtes
responsable de l’exécution de l’entretien requis indiqué
dans votre manuel d’utilisation. B&S recommande de
conserver tous les reçus reliés à l’entretien de votre
moteur ou de votre équipement; toutefois, B&S ne peut
refuser d’honorer la garantie uniquement parce que
vous êtes dans l’impossibilité de produire les reçus ou
que vous n’avez pas effectué toutes les étapes de
l’entretien prévu.
• Néanmoins, vous devez savoir, en tant que propriétaire du
moteur ou de l’équipement, que B&S peut renier la
garantie si votre moteur ou votre équipement ou, encore,
une pièce font défaut en raison d’abus, de négligence,
d’entretien inadéquat ou de modifications non approuvées.
• Dès qu’un problème survient, vous avez la
responsabilité de faire examiner votre moteur ou votre
équipement dans un centre de distribution B&S, un
centre de service ou une autre entité équivalente, selon
le cas. Les réparations couvertes par la garantie doivent
être effectuées dans un délai raisonnable, n’excédant
pas 30 jours. Si vous avez des questions au sujet de
vos droits et responsabilités reliés à la garantie, veuillez
communiquer avec B&S au (414) 259-5262.
Dispositions de la garantie contre les défauts du dispositif
antipollution de Briggs & Stratton
Les dispositions qui suivent sont spécifiques à la couverture
de garantie contre les défauts du dispositif antipollution. Elle
est un ajout à la garantie sur les moteurs de B&S pour les
moteurs non régulés, figurant dans le manuel d'utilisation.
1. Pièces garanties
La couverture de cette garantie n'englobe que les
pièces énumérées ci-dessous (pièces du dispositif
antipollution) dans la mesure où ces pièces étaient
présentes sur le moteur au moment de l'achat.
a. Système de contrôle d'alimentation en carburant
• Dispositif d'enrichissement pour démarrage à
froid (étrangleur à glissement)
• Carburateur et pièces internes
• Pompe à carburant
• Conduit d'essence, raccords de conduit
d'essence, brides de serrage
• Réservoir d'essence, bouchon et attache
• Absorbeur de vapeurs d’essence
b. Circuit d'entrée d'air
• Filtre à air
• Collecteur d'admission
• Ligne de purge et d’évacuation
c. Système d'allumage
• Bougie(s) d'allumage
• Système d'allumage à magnéto
d. Système de catalyseur
• Catalytic converter
• Collecteur d'échappement
• Système d'injection d'air ou soupape d'impulsion
e. Éléments divers utilisés dans les systèmes
précédemment mentionnés
• Soupapes et interrupteurs de dépression, de
température, de position, à délai critique
• Connecteurs et dispositifs
2. Durée de la couverture
Pour une période de deux ans à compter de la date
d’achat originale, B&S garantit à l’acheteur initial et à
tous les acheteurs subséquents que le moteur a été
conçu, construit et équipé de façon à respecter toutes
les normes en vigueur adoptées par l’Air Resources
Board; qu’il est libre de tout défaut de matériel et de
main-d’ouvre qui pourrait entraîner la défectuosité
d’une pièce garantie; et, qu’il est identique d’un point de
vue matériel au moteur décrit dans la demande
d’homologation du fabricant. La période de garantie
débute à la date d’achat du moteur par le premier
acheteur.
Not for
Reproduction
28 BRIGGSandSTRATTON.COM
La garantie des pièces reliées au dispositif antipollution est la
suivante :
• Toute pièce garantie dont le remplacement ne fait pas
partie de l’entretien requis dans le manuel d’utilisation
doit être garantie pour la période de garantie indiquée
ci-dessus. Si une telle pièce s’avère défectueuse au
cours de la période de la couverture de garantie, B&S
devra la réparer ou la remplacer sans frais pour le
propriétaire. Toute pièce réparée ou remplacée en vertu
de la garantie sera garantie pour la durée restante de la
période de garantie.
• Toute pièce garantie qui fait partie de l’entretien
uniquement pour une inspection régulière dans le
manuel d’utilisation est garantie pour la période de
garantie indiquée ci-dessus. Toute pièce réparée ou
remplacée en vertu de la garantie sera garantie pour la
durée restante de la période de garantie.
• Toute pièce garantie dont le remplacement fait partie de
l’entretien requis dans le manuel d’utilisation est
garantie pour la période de temps avant le premier
point de remplacement prévu pour cette pièce. Si une
telle pièce s’avère défectueuse avant son remplacement
prévu, B&S devra la réparer ou la remplacer sans frais
pour le propriétaire. Toute pièce réparée ou remplacée
en vertu de la garantie sera garantie pour la durée
restante de la période avant le premier point de
remplacement prévu pour la pièce.
• Les pièces ajoutées ou modifiées ne faisant pas partie
d’une exemption par l’Air Resources Board ne doivent
pas être utilisées. L’utilisation de pièces ajoutées ou
modifiées par le propriétaire qui ne font pas partie
d’une exemption pourrait entraîner le refus d’une
réclamation au titre de la garantie. Le fabricant n’a pas
la responsabilité de garantir les défectuosités des
pièces garanties causées par l’utilisation de pièces
ajoutées ou modifiées qui ne font pas partie d’une
exemption.
3. Couverture indirecte
La couverture englobe toute défectuosité de l’un des
composants du moteur causée à la suite d’une
défectuosité d’une des pièces reliées au dispositif
antipollution garanties.
4. Réclamations et exclusions de couverture
Les réclamations au titre de la garantie doivent être
présentées conformément aux dispositions de la
politique de garantie du moteur de B&S. La couverture
de garantie n’englobe pas les défectuosités des pièces
reliées au dispositif antipollution qui ne sont pas des
pièces originales de B&S ni les défectuosités de pièces
reliées à un abus, de la négligence ou un entretien
inapproprié tel que détaillé dans la politique de garantie
du moteur de B&S. B&S n’est pas responsable de
couvrir les défectuosités des pièces reliées au dispositif
antipollution causées par l’utilisation de pièces ajoutées
ou modifiées.
Consultez l’étiquette d’émissions de votre petit moteur
hors route au sujet de la période de durabilité des
émissions et l’indice de pollution atmosphérique
Les renseignements concernant la période de durabilité des
émissions et l’indice de pollution atmosphérique doivent être
fournis avec les moteurs qui répondent aux normes
d’émissions de petits moteurs hors routes de la California Air
Resources Board (CARB). Briggs & Stratton doit fournir ces
renseignements aux consommateurs sur des étiquettes
d’émissions. L’étiquette des émissions du moteur fournit des
renseignements sur la certification.
La période de durabilité des émissions décrit le nombre
d’heures pendant lesquelles le moteur peut fonctionner en
respectant les normes relatives aux émissions, en supposant
que l’entretien est effectué conformément aux directives de
fonctionnement et d’entretien. Les catégories utilisées sont
les suivantes :
Modéré : Le moteur peut fonctionner pendant 125 heures
tout en respectant la norme relative aux émissions.
Intermédiaire : Le moteur peut fonctionner pendant 250
heures tout en respectant la norme relative aux émissions.
Prolongé : Le moteur peut fonctionner pendant 500 heures
tout en respectant la norme relative aux émissions.
Par exemple, l’utilisation d’une tondeuse poussée est
d’environ 20 à 25 heures par année. Par conséquent, la
période de durabilité des émissions d’un moteur de
catégorie intermédiaire équivaut à une période de 10 à 12
années.
Les moteurs Briggs & Stratton respectent les normes
relatives aux émissions de phase 2 de l’USEPA (United
States Environmental Protection Agency). Dans le cas des
moteurs homologués phase 2, la période de conformité des
émissions indiquée sur l’étiquette de conformité des
émissions indique le nombre d’heures de fonctionnement
pendant lesquelles le moteur a démontré qu’il respectait les
exigences fédérales en matière d’émissions.
Pour les moteurs de cylindrée inférieure à 225 cc:
Catégorie C = 125 heures
Catégorie B = 250 heures
Catégorie A = 500 heures.
Pour les moteurs de cylindrée égale ou supérieure à 225 cc:
Catégorie C = 250 heures
Catégorie B = 500 heures
Catégorie A = 1000 heures.
Not for
Reproduction

29
Nous acceptons de faire effectuer les réparations couvertes par la garantie et tenons à nous excuser pour tout inconvénient subi. Tout agent d'un service
après-vente agréé peut exécuter les réparations couvertes par la garantie. La plupart des réparations couvertes par la garantie sont traitées automatiquement;
cependant, il arrive parfois que les demandes de service en vertu de la garantie soient non fondées. Par exemple, la garantie ne couvre pas les dommages
causés à l'équipement par une utilisation abusive, par un manque d'entretien périodique, durant l'expédition, la manutention ou l'entreposage, ou en raison
d'une installation inadéquate. De même, la garantie sera annulée si la date de fabrication ou le numéro de série apposé à l'génératrice portative a été enlevé
ou si l'équipement a été changé ou modifié. Durant la période de garantie, le distributeur de service après-vente agréé réparera ou remplacera, à son gré,
toute pièce qui, après examen, est trouvée défectueuse à la suite d'une utilisation et d'un entretien normaux. La présente garantie ne couvre pas les
réparations et les équipements suivants:
•Usure normale: Comme tout autre dispositif mécanique, les groupes électrogènes d'extérieur nécessitent l'entretien périodiques de certaines pièces
pour fonctionner adéquatement. La présente garantie ne couvre pas les frais de réparation des pièces ou des équipements dont la durée de vie utile a
été dépassée à la suite d'une utilisation normale.
•Installation et entretien: La présente garantie ne couvre pas les équipements ou les pièces qui ont fait l'objet d'une installation ou de modifications et
de changements inadéquats ou non autorisés, d'une mauvaise utilisation, de négligence, d'un accident, d'une surcharge, d'emballement, d'entretien
inadéquat, de réparation ou d'entreposage qui, selon nous, auraient nui à la performance et à la fiabilité du produit. De plus, la garantie ne couvre pas
l'entretien normal tel que les filtres à air, le réglage, le nettoyage du circuit d'alimentation et son obstruction (causée par l'accumulation de produits
chimiques, de saletés, de calamine, de calcaire, et ainsi de suite).
•Exclusions supplémentaires: La présente garantie exclut les pièces qui s'usent telles que les les joints toriques, les filtres, etc., ou tout mauvais
fonctionnement résultant d'un accident, d'une utilisation abusive, de modifications, de changements ou d'un entretien inadéquat du système, du gel ou
d'une détérioration chimique. La garantie du produit ne couvre pas les pièces accessoires telles que les commencer piles, les série de corde
d'adaptateur de générateur et les couverture d'emmagasinage. Est aussi exclu tout équipement usé, remis à neuf ou de démonstration, tout
équipement utilisé pour l'alimentation principale en remplacement de l'alimentation de service et tout équipement utilisé pour l'alimentation d'appareils
de maintien des fonctions vitales. Cette garantie exclut toute défaillance due à une catastrophe naturelle ou à toute autre force majeure hors du contrôle
du fabricant. 198189F, Rev. C, 11/2/2009
BRIGGS & STRATTON POWER PRODUCTS GROUP, LLC
MILWAUKEE, WI, USA
*deuxième an sépare seulement
GARANTIE DU PROPRIÉTAIRE D'UN GÉNÉRATRICE PORTATIVE BRIGGS & STRATTON POWER PRODUCTS GROUP, LLC
GARANTIE LIMITÉE
Briggs & Stratton Power Products Group, LLC réparera ou remplacera, sans frais, toutes pièces d'génératrice portative défectueuses comportant un vice
de matériau ou un défaut de fabrication ou les deux. En vertu de la présente garantie, les frais de transport des produit soumises pour réparation ou
remplacement sont à la charge de l'acheteur. La présente garantie sera en vigueur durant les périodes stipulées ci-dessous et est assujettie aux
conditions stipulées ci-dessous. Pour obtenir des services en vertu de la garantie, veuillez consulter notre Outil de recherche d'un Service après-vente
agréé au http://www.BRIGGSandSTRATTON.COM afin de trouver un distributeur de service après-vente agréé dans votre région.
IL N'EXISTE AUCUNE AUTRE GARANTIE EXPRESSE. LES GARANTIES IMPLICITES, INCLUANT CELLES DE QUALITÉ MARCHANDE ET D'ADAPTATION À
UN USAGE PARTICULIER, SONT LIMITÉES À UNE PÉRIODE D'UN AN À PARTIR DE LA DATE D'ACHAT OU JUSQU'À LA LIMITE PERMISE PAR LA LOI,
TOUTE GARANTIE IMPLICITE EST EXCLUE. LA RESPONSABILITÉ POUR DOMMAGES ACCESSOIRES OU INDIRECTS EST EXCLUE DANS LA MESURE
OÙ UNE TELLE EXCLUSION EST PERMISE PAR LA LOI. Certains États/provinces ou pays n'autorisent aucune restriction sur la durée d'une garantie
implicite, et certains États/provinces ou pays n'autorisent pas l'exclusion ou la limitation des dommages consécutifs ou indirects. Par conséquent, les
restrictions et exclusions décrites ci-dessus pourraient ne pas s'appliquer dans votre cas. La présente garantie vous accorde certains droits légaux
spécifiques et vous pourriez également en avoir d'autres, qui peuvent varier d'un État ou d'une province à l'autre et d'un pays à l'autre.
La période de garantie débute à la date d'achat par le premier utilisateur final, et se prolonge pour la durée stipulée ci-dessus. "Usage par un consommateur"
signifie utilisation domestique personnelle dans une résidence, par l'acheteur au détail. "Usage à des fins commerciales" signifie toute autre utilisation, y
compris à des fins commerciales, générant de revenus ou de location. Aux fins de la présente garantie, dès qu'un équipement a été utilisé commercialement
une fois, il est par la suite considéré comme étant d'usage à des fins commerciales.
POUR EXERCER LA GARANTIE SUR TOUT PRODUIT FABRIQUÉ PAR BRIGGS & STRATTON, IL N'EST PAS NÉCESSAIRE DE L'ENREGISTRER. CONSERVEZ
LE REÇU COMME PREUVE D'ACHAT. SI, LORS D'UNE RÉCLAMATION DE GARANTIE, VOUS NE POUVEZ PROUVER LA DATE INITIALE DE L'ACHAT, NOUS
UTILISERONS LA DATE DE FABRICATION DU PRODUIT COMME DATE DE RÉFÉRENCE POUR DÉTERMINER LA PÉRIODE DE GARANTIE.
À PROPOS DE LA ÉQUPEMENT GARANTIE
À partir du 1 er novembre 2009; la présente garantie remplace toute garantie non datée et toute garantie dont la date est antérieure au 1 er novembre 2009.
2 ans*
1 an
Usage par un consommateur
Usage à des fins commerciales
PÉRIODE DE GARANTIE
Not for
Reproduction

30 BRIGGSandSTRATTON.COM
Génératrice Portatif
Caractéristiques du produit
Puissance en watts commençant . . . . . . . . . .12,500 Watts
Puissance en watts* . . . . . . . . . . . . . . . . . . . .10,000 Watts
Courant nominal
à 240 Volts CA . . . . . . . . . . . . . . . . . . . . . .41.6 Ampères
à 120 Volts CA . . . . . . . . . . . . . . . . . . . . . .83.3 Ampères
Fréquence c.a. . . . . . . . . . . . . . . . . . . . . .60 Hz at 3600 rpm
Phase . . . . . . . . . . . . . . . . . . . . . . . . . . . . . . . . .Monophasé
Cylindrée . . . . . . . . . . . . . . . . . . . . . . . .50 cc (34.75 cu. in.)
Écartement des électrodes . . . . . . . . . .0.76 mm (0.030 in.)
Volume du réservoir . . . . . . . . . .26.5 Litres (7 gallons US)
Capacité du carter d’huile (avec filtre) .1.4 Litres (48 Onces)
Pièces d’entretien courant
Filtre à air avec préfiltre . . . . . . . . . . . . . . . . . . . . . . . . .5050
Filtre à air . . . . . . . . . . . . . . . . . . . . . . . . . . . . . . . . . .394018
Préfiltre . . . . . . . . . . . . . . . . . . . . . . . . . . . . . . . . . . . .272490
Filtre à huile . . . . . . . . . . . . . . . . . . . . . . . . .492932 or 5049
Filtre à huile à durée prolongée . . . . . . . . . .696854 or 5076
Bougie antiparasite . . . . . . . . . . . . . . . . . . . . . . . . . . .491055
Bouteille d’huile à moteur . . . . . . . . . . . . .100005 or 100028
Bouteille d’huile synthétique . . . . . . . . . . . . . . . . . . . .100074
Stabilisateur d’essence . . . . . . . . . . . . . . . . .100002 or 5041
Pare-étincelles . . . . . . . . . . . . . . . . . . . . . . . . . . . . . .392390
(800) 743-4115
Puissance nominale: La puissance nominale brute des modèles avec moteur à essence est indiquée sur une étiquette, conformément au
code J1940 (Small Engine Power & Torque Rating Procedure) de la SAE (Society of Automotive Engineers), et la performance nominale a été
obtenue et corrigée conformément au code J1995 (révision 05-2002) de la SAE. Les valeurs de couple ont été mesurées à 3 060 tr/min; les
valeurs de puissance ont été mesurées à 3 600 tr/min. Les valeurs nettes de puissances sont prises alors que l'échappement et le filtre à air
sont installés alors que les valeurs brutes de puissance sont mesurées sans ces accessoires. La puissance brute réelle du moteur sera
supérieure à la puissance nette du moteur et sera affectée, entre autres, par les conditions de fonctionnement ambiantes ainsi que par les
différences entre moteurs. Étant donné la vaste gamme de produits sur lesquels les moteurs sont installés, le moteur à essence peut ne pas
développer la puissance nominale brute lorsqu’il est utilisé pour entraîner une pièce d’appareil donnée. Cette différence est causée par
différents facteurs dont, entre autres, la variété des composants du moteur (filtre à air, échappement, chargement, refroidissement,
carburateur, pompe à essence, etc.), les limites de l’appareil, les conditions de fonctionnement ambiante (température, humidité, altitude) et
les différences entre les moteurs. En raison des limites de fabrication et de capacité, Briggs & Stratton peut substituer un moteur de plus
grande puissance pour un moteur de cette série.
* Les caractéristiques nominales et la certification de cette génératrice sont conformes à la norme C22.2 No. 100-04 (moteurs et
génératrices) de l’ACNOR (Association canadienne de normalisation).
Briggs & Stratton Power Products Group, LLC
P.O. Box 702
Milwaukee, Wisconsin, 53201-0702 U.S.A.
Not for
Reproduction