Pvi Industries Pv500 2 Users Manual 2_13PD
PV500-2 to the manual 30994535-1962-48bf-a0a9-a95b4b27a964
2015-02-06
: Pvi-Industries Pvi-Industries-Pv500-2-Users-Manual-521327 pvi-industries-pv500-2-users-manual-521327 pvi-industries pdf
Open the PDF directly: View PDF
.
Page Count: 7

PV500-2 06/10 1 Section 2
PVI ATMOSPHERIC GAS WATER HEATERS
TYPICAL CONSTRUCTION
MANUFACTURED AFTER JANUARY 1, 1994
Figure 2-1
1. Vent stack * 7. Control switch(es) and fuse(s)
2. Draft diverter (hood) 8. Gas valve
3. Flue damper (on some models) 9. Pilot line
4. Temperature limiting device 10. Drip leg *
(set at 200°F) 11. Gas supply line *
5. Upper operating thermostat 12. Handhole cleanout
(set at 130°F)
6. Operating thermostat
(set at 120°F) (* Not furnished by PVI)
CAUTION: TEMPERATURES HIGHER THAN 125°F INCREASE THE RISK OF SCALD INJURY!
IMPORTANT: Clearances to unprotected combustible material must be 8" minimum at top, sides and rear, and 24" in front.
Clearances for servicing and inspection must be 18" minimum at sides and rear and 24" minimum in front.

PV500-2 06/10 2 Section 2
ELECTRICAL
1. Wiring to the unit should conform to the National
Electrical Code or the code legally authorized in your
locality. A fused disconnect switch should be used for
the water heater control. 120V, 1ph, 60 Hz service
wiring is brought to the terminal block in the lower part
of the enclosure on the water heater. See Figures 2-
2, 2-3 and 2-4.
FOR YOUR SAFETY
USE ONLY COPPER WIRE OF PROPER SIZING
FOR INCOMING SERVICE. DAMAGE RESULTING
FROM USE OF ALUMINUM WIRING WILL BE
EXCLUDED FROM COVERAGE UNDER THE
WARRANTY OF THIS UNIT.
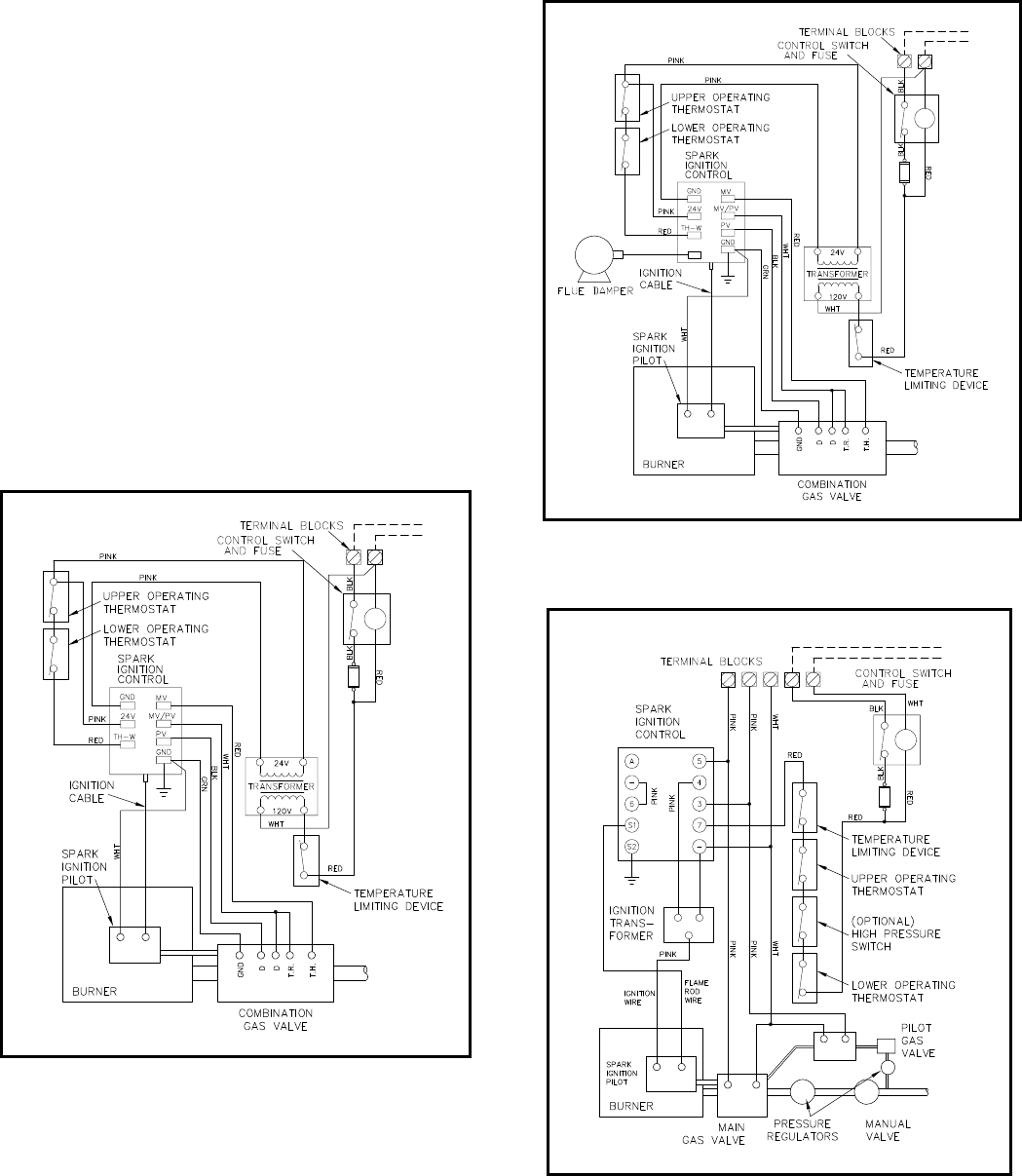
Typical 24 Volt Control System
Figure 2-2
Typical 24 Volt Control System
with Damper
Figure 2-3
Typical 120 Volt Control System
Figure 2-4

PV500-2 06/10 3 Section 2
START-UP PROCEDURES AND OPERATION
1. Some PVI atmospheric gas-fired water heaters are
designed to operate with a flue damper that is
shipped with the water heater for installation in the
field. If your water heater was shipped with a flue
damper, it must be attached to the flue collector and
interconnected to the ignition control module before
proceeding with start-up.
Flue Damper Installation
a. Set the flue damper over the flue collector opening
and align the damper drive housing to the front of
the heater.
b. Secure the flue damper to the flue collector at three
locations using the fasteners provided.
c. Remove the damper drive housing cover, feed the
damper interconnect cable through the access hole
and attach the female connector to the four-pin
receptacle. Secure the access hole cover, check to
make sure the test switch is in the "NORMAL"
position, and reattach the damper driver housing
cover.
CAUTION: BE SURE THERE IS NO FOREIGN MATTER
IN THE DAMPER HOUSING BEFORE ATTACHING
THE DRAFT DIVERTER.
Draft Diverter Installation
The draft diverter (provided) is designed to mount on top
of the flue damper. Set the draft diverter on top of the flue
damper and secure in three locations using the fasteners
provided.
Venting
Type B galvanized vent pipe, of the same diameter as the
draft diverter outlet, must be installed to route combustion
products either to existing overhead breeching or to an
appropriate outside location.
1. The control manufacturer's installation and service
manual and start-up procedures for the control
system on your water heater are shipped with the
unit. Study the information carefully and follow the
manufacturer's recommendations.
2. Fill the water heater tank with water. Open the relief
valve or a nearby hot water faucet to allow air in the
tank to escape. Be sure all connections into the tank
are tight as leaks at tank fittings will damage the
insulation.
3. Remove the control box cover to access the control
thermostats and other electrical devices needed to
operate the water heater. The thermostats are labeled
as to their function. The temperature limiting device is
set at 200°F. The thermostats are factory set at
130°F. (the upper operating thermostat) and 120°F
(the operating thermostat). Adjustment may be made
by turning the thermostat dial to the desired
temperature.
CAUTION: BE SURE TO REATTACH THE
CONTROL BOX COVER TO HELP PREVENT
UNAUTHORIZED ACCESS TO CONTROLS.
CAUTION: DO NOT OVERTIGHTEN
COMPRESSION FITTINGS ON THERMOSTAT
BULBS AS CALIBRATION WILL BE CHANGED.
CAUTION: TEMPERATURES HIGHER THAN 125°F
INCREASE THE RISK OF SCALD INJURY!
Gas Train Safety Inspection
CAUTION: ALL VENTED GAS CONTROLS MUST
BE VENTED TO THE OUTSIDE USING TUBING
SIZED IN ACCORDANCE WITH THE
FOLLOWING TABLE:
V
ENT LINE SIZING
Fuel Line Size,
Nominal Pipe Size,
Inches
V
ent Line Size,
Nominal Pipe Size,
Inches
Up to 1 1/2 3/4
21
2 1/2 1 1/4
31 1/4
42
52
62 1/2
83

PV500-2 06/10 4 Section 2
START-UP PROCEDURES AND OPERATION (con't)
CAUTION: CONDUCT THE FOLLOWING GAS TRAIN
LEAKAGE TESTS BEFORE START-UP, AT
ANNUAL INTERVALS AND PRIOR TO
INVESTIGATING THE CAUSE OF ANY REPORTED
OCCURENCES OF DELAYED IGNITION.
1. Using an appropriate bubble detection solution,
thoroughly coat all gas train pipe connections. If any
bubbles are detected, the leaking connection must be
tightened and tested to assure stoppage of the leak.
2. Attach a manometer. to measure gas pressure, at the
manual gas shutoff valve located just upstream of the
gas train. Adjust gas train inlet pressure to the
specified value (e.g. 14"W.C.), and tightly close the
gas train outlet manual shutoff valve.
3. Reattach the manometer to the gas train outlet
manual shutoff valve and record the measured gas
pressure in inches of water column (in W.C.).
Measure gas pressure again after 15 minutes. If gas
pressure has increased 00.5"W.C. or more, the gas
leak must be isolated to one or more of the operating
gas valves, for example a solenoid actuated gas
shutoff valve. After any leaking valve is replaced, the
reassembled gas train must be leak tested again
before start-up is attempted. (NOTE: All gas valves
removed because of suspected leakage must be
returned to PVI Customer Service for disposition.)
Spark Ignition Systems
These systems use 120 VAC power from an external
source and are equipped with transformers to reduce the
voltage to 24 volts to actuate the gas valve.
At start-up or during operation when the thermostat calls
for heat, the spark ignition system performs the following
basic steps:
1. Opens the flue damper.
2. Activates a high voltage transformer to supply a
sparking action to the pilot.
3. Opens the pilot gas valve. The pilot gas ignites from
the sparking.
4. A sensor located in the pilot flame signals the control
module to open the main burner gas valve. The pilot
flame ignites the main burner gas. An adequate pilot
flame must be present before the main burner gas
valve can open.
5. When the water temperature reaches the operating
thermostat setting, the control circuit opens which
closes both the pilot and main burner gas valves
terminating burner operation.
6. The flue damper is closed.
NOTE: The spark ignition system provides additional
safety functions to close the pilot valve if the pilot
flame is not established and to close the main burner
valve if the pilot flame is extinguished while the
burner is in operation.
WATER HEATER START-UP
NOTE: The following test equipment is required:
a. Vent temperature gauge
b. Manometer for checking gas pressure
c. Draft gauge for checking draft in vent
d. CO (carbon monoxide) tester
e. CO2(carbon dioxide) or O2 (oxygen) tester
f. Drill and ¼" drill bit for ¼" hole drilled in vent
approximately 12" above draft hood outlet
NOTE: Emergency shutoff can be made by turning off
the fuel inlet shutoff valve.
CAUTION: DO NOT START BURNER WITH
COMBUSTION CHAMBER FULL OF GAS OR WITH
VERY HOT COMBUSTION CHAMBER.
The following steps must be performed to assure
that the water heater is operating safely and
efficiently.
1. Read the enclosed control manufacturer's instruction
sheet for start-up procedure. Allowing the pilot to
ignite with the main burner gas valve turned to "off"
position is required at initial start-up. The pilot flame
can be visually checked for size and position. Check
inlet gas pressure. It must not exceed 14"W.C. Press
the control circuit switch on the front panel to "on"
position. The control system will open the pilot valve
allowing the pilot to ignite. Observe pilot flame. If
satisfactory, open the main burner valve and main
burner should ignite.
Pilot and main burner flames can be observed during
adjustment and under operating conditions by using
the stainless steel hand-held inspection mirror that is
enclosed in the information packet that was shipped
with this water heater.
If the spark ignition fails to ignite the pilot flame, refer
to the control manufacturer's manual supplied with
the unit.
2. Check gas pressure at the gas valve with a
manometer. (See Figure 2-5.) Most gas valves have
pressure taps for this purpose. Adjust gas pressure to
the value shown on rating plate of the water heater.
3. Drill ¼" diameter hole in vent about 12" above draft
diverter. Insert draft gauge in drilled ¼" hole. Draft in
vent should be -.02" -.06" W.C.

PV500-2 06/10 5 Section 2
4. After 20 to 30 minutes of operation or when water in
the tank is above 120°F, insert CO (carbon monoxide)
tester in flue damper opening under the draft diverter
(125 gallon models) or in the flue collector opening
(250 gallon models). CO reading must be less than
.02% (or 200 ppm).
5. Insert CO2 (carbon dioxide) tester in the flue damper
opening under the draft diverter (125 gallon models)
or in the flue collector opening (250 gallon models)
and take reading. CO2 should be 6 to 8%.
NOTE: Monitoring CO and CO2 readings in vent after the
draft diverter will give erroneous readings. These
measurements must be taken as flue gases exit the
heater flue collector under the draft diverter as
dilution with ambient air from the draft diverter occurs
in the vent.
6. Insert temperature gauge in ¼" hole and read vent
temperature. Temperature should be at least 300°F
but less than the room temperature plus 400°F when
the water temperature is approximately 130°F.
7. Connect micro-amp meter as shown in Figure 2-6 and
check micro-amps. A minimum of two micro-amps is
required for proper operation.
8. Record the following information for future use:
A. Inlet gas pressure ________________"W.C.
B. Gas pressure, manifold (step 2) _____ "W.C.
C. Vent draft (step 3) ________________"W.C.
(should be minimum of 1 in. W.C.)
D. CO reading (step 4) ______% (less than .02%)
E. CO2 reading (step 5) __________% (6-8%)
F. Vent gas temperature (step 6)
Gross__________________F.
Less Ambient____________°F.
Net____________________°F.
G. Micro-amps reading (step 7)______________.
COMBINATION GAS VALVE
Figure 2-5
MICRO-AMP METER HOOK-UP
Figure 2-6

PV500-2 06/10 6 Section 2
MAINTENANCE AND SAFETY INSPECTIONS
To Minimize Scale Accumulation in Tank
1. A preventative maintenance program should be
established to assure a long, trouble-free life of the
water heater.
2. The tank should be flushed at two or three month
intervals depending on water conditions in your
location. To flush, turn off the electrical disconnect
switch to prevent the burner from operating. Open the
drain valve and allow water to flow through the tank
until it runs clear. Close the drain valve and turn the
electrical switch back on. Draining two or three
gallons from the bottom of the tank on a weekly basis
will also help prevent an accumulation of sediment.
Water impurities can consist of fine particles of soil or
sand which will settle out and form a layer of
sediment on the bottom of the tank.
A scale of lime will normally form in the tank during
operation and will accumulate on the bottom of the
tank. Lime is formed from the natural chemicals in the
water which precipitate out during the heating cycles.
Some water supplies contain more of these elements
than others, and the scale buildup will occur more
rapidly. Other factors affecting the scale buildup are
the amount of hot water used and the water
temperature. As more hot water is used, the more
fresh water containing the scale-forming elements is
brought into the tank. As the temperature of the water
increases, the rate of scale deposition will be
increased.
Sediment and scale accumulations in the tank will
greatly reduce the water heating ability of the heater
by reducing effectiveness of heat transfer surfaces.
When heating energy from the burner cannot be
effectively transferred to the water in the tank, the
metal can overheat causing it to lose structural
strength.
3. Should a firetube leak for any reason, consult the
factory for instructions. Inspect bottom tubesheet on a
regular basis to determine if insulation may have
pulled away from the tubesheet. Repair or replace as
required.
NOTE: Condensate coming from the tubes on a cold start
is normal and does not indicate a leaking tube.
4. The tank may have a handhole for inspection and
cleaning use. The handhole cover should be
periodically removed and the tank inspected for scale
buildup. If scale is present, it can be loosened with a
high-pressure stream of water. The smaller pieces
can be flushed through the drain and the larger
pieces removed by hand through the handhole. The
frequency of inspections should be determined by the
rate of scale buildup. We recommend 30-60 day
intervals.
Periodic Inspection of Operational Components
Periodic inspections and check-out of the burner
ignition system, control system and gas valve
operation should be made and recorded for future
reference.
1. Pilot assemblies should be checked by a qualified
serviceman using control manufacturer's instructions.
Wiring connections on the ignition high voltage wire
and flame sensor wire must be tight. Clearance
between these wires and metal parts of the water
heater or burner must be maintained to avoid possible
shorting out. Positions of the electrode, flame sensor
and pilot flames are very important and have been set
by the manufacturer. If they are loose or if ceramic
insulators are cracked or broken, replace the pilot
assembly. To replace, remove pilot bracket from
bottom of burner, disconnect the pilot gas line and
replace pilot assembly on pilot bracket. Replace in
reverse order. Do not bend or distort pilot bracket as
this determines pilot flame position relative to burner
orifices. (See Figure 2-7). Inspect individual burner
jets for evidence of overheating. Replace burner jets
as necessary.
2. Examine the venting system at least quarterly for
proper connections, alignment and the presence of
corrosion. Any corroded vent section should be
immediately replaced to prevent CO leakage. Re-
check vent temperature (step 6, page 5) and correct if
necessary.
CAUTION: THE RELIEF VALVE IS A PRIMARY
SAFETY DEVICE.
3. The temperature and pressure relief valve should be
removed and inspected at regular intervals to
determine its condition for safe operation. The
openings inside the valve may become restricted by a
buildup of scale and become inoperative. If the valve
does not open and close properly when tested, it
must be replaced with a like kind or one meeting the
requirements stated on the rating tag located on the
relief valve.
4. Spark ignition system operation should be checked as
follows:
Flame failure – Close downstream gas train shutoff
valve and determine safety shutdown timing.
Flame signal – Determine flame signal strength in
accordance with step 7 on page 5.

PV500-2 06/10 7 Section 2
MAINTENANCE AND SAFETY INSPECTIONS (con't)
Taking the Water Heater Out of Service
Extended shutdown of the appliance and restarting
instructions are as follows:
a. Turn off all power and fuel supplies.
b. Drain and flush tank as previously discussed.
c. Tag power switch(es) indicating that fuel is off
and tank is empty.
d. To restart, refill tank with water and turn fuel
and power switch(es) on. Reset all controls
and conduct start-up of the appliance as
discussed on preceding pages.
PILOT LOCATION & REMOVAL
SPARK IGNITION SYSTEMS
Figure 2-7