Quectel Wireless Solutions 201605M35 GSM/GPRS Module User Manual
Quectel Wireless Solutions Company Limited GSM/GPRS Module
User manual

M35 User Manual
GSM/GPRS Module Series
Rev. M35_User_Manual_V3.1
Date: 2014-11-26
www.quectel.com

GSM/GPRS Module Series
M35 User Manual
M35_User_Manual Confidential / Released 1 / 85
Our aim is to provide customers with timely and comprehensive service. For any
assistance, please contact our company headquarters:
Quectel Wireless Solutions Co., Ltd.
Office 501, Building 13, No.99, Tianzhou Road, Shanghai, China, 200233
Tel: +86 21 5108 6236
Mail: info@quectel.com
Or our local office, for more information, please visit:
http://www.quectel.com/support/salesupport.aspx
For technical support, to report documentation errors, please visit:
http://www.quectel.com/support/techsupport.aspx
GENERAL NOTES
QUECTEL OFFERS THIS INFORMATION AS A SERVICE TO ITS CUSTOMERS. THE INFORMATION
PROVIDED IS BASED UPON CUSTOMERS’ REQUIREMENTS. QUECTEL MAKES EVERY EFFORT
TO ENSURE THE QUALITY OF THE INFORMATION IT MAKES AVAILABLE. QUECTEL DOES NOT
MAKE ANY WARRANTY AS TO THE INFORMATION CONTAINED HEREIN, AND DOES NOT ACCEPT
ANY LIABILITY FOR ANY INJURY, LOSS OR DAMAGE OF ANY KIND INCURRED BY USE OF OR
RELIANCE UPON THE INFORMATION. ALL INFORMATION SUPPLIED HEREIN IS SUBJECT TO
CHANGE WITHOUT PRIOR NOTICE.
COPYRIGHT
THIS INFORMATION CONTAINED HERE IS PROPRIETARY TECHNICAL INFORMATION OF
QUECTEL CO., LTD. TRANSMITTABLE, REPRODUCTION, DISSEMINATION AND EDITING OF THIS
DOCUMENT AS WELL AS UTILIZATION OF THIS CONTENTS ARE FORBIDDEN WITHOUT
PERMISSION. OFFENDERS WILL BE HELD LIABLE FOR PAYMENT OF DAMAGES. ALL RIGHTS ARE
RESERVED IN THE EVENT OF A PATENT GRANT OR REGISTRATION OF A UTILITY MODEL OR
DESIGN.
Copyright © Quectel Wireless Solutions Co., Ltd. 2015. All rights reserved.

GSM/GPRS Module Series
M35 User Manual
M35_User_Manual Confidential / Released 2 / 85
About the Document
History
Revision
Date
Author
Description
1.0
2011-12-29
Luka WU
Initial
1.1
2012-05-18
Luka WU
1. Added current consumption in GPRS
communication mode.
2. Modified AT command AT+QAUDCH in Chapter
3.10.
3. Modified the Footprint of recommendation.
4. Updated module package type.
1.2
2012-09-19
Luka WU
1. Updated module functional diagram.
2. Updated Voltage ripple during transmitting.
3. Modified level match reference circuits for 5V
peripheral system.
4. Updated SIM card reference circuit.
5. Added module current consumption.
1.3
2013-09-03
Winter CHEN
1. Updated information on module’s packaging.
2. Used the new technical document template.
1.4
2013-11-04
Felix YIN
Optimized the parameters of VBAT ripple in Table 24.
3.0
2014-07-25
Winter CHEN
1. Added information for SIM2 interface, DTR and
DCD pin.
2. Added information for Multi UART.
3. Modified module’s current consumption.
4. Modified module’s pin definition.
5. Modified DC characteristics of module pin.
3.1
2014-11-26
Winter CHEN
1. Added information for PCM interface.
2. Updated Figure 5: Reference Circuit for Power
Supply.
3. Modified over-voltage or under-voltage
automatic shutdown in Section 3.4.2
4. Modified RTC backup in Section 3.6

GSM/GPRS Module Series
M35 User Manual
M35_User_Manual Confidential / Released 3 / 85
5. Modified UART application in Section 3.7.3
6. Modified SIM card interface in Section 3.10
7. Added antenna requirement in Section 4.5

GSM/GPRS Module Series
M35 User Manual
M35_User_Manual Confidential / Released 4 / 85
Contents
About the Document ................................................................................................................................... 2
Contents ....................................................................................................................................................... 4
Table Index ................................................................................................................................................... 7
Figure Index ................................................................................................................................................. 8
1 Introduction ........................................................................................................................................ 10
1.1. Safety Information ................................................................................................................. 11
2 Product Concept ................................................................................................................................ 12
2.1. General Description ............................................................................................................... 12
2.2. Directives and Standards ...................................................................................................... 12
2.2.1. FCC Radiation Exposure Statement .............................................................................. 12
2.3. Key Features ......................................................................................................................... 13
2.4. Functional Diagram ............................................................................................................... 15
2.5. Evaluation Board ................................................................................................................... 16
3 Application Interface ......................................................................................................................... 17
3.1. Pin of Module ......................................................................................................................... 18
3.1.1. Pin Assignment .............................................................................................................. 18
3.1.2. Pin Description ............................................................................................................... 19
3.2. Operating Modes ................................................................................................................... 23
3.3. Power Supply ........................................................................................................................ 25
3.3.1. Power Features of Module ............................................................................................. 25
3.3.2. Decrease Supply Voltage Drop ...................................................................................... 25
3.3.3. Reference Design for Power Supply .............................................................................. 26
3.3.4. Monitor Power Supply .................................................................................................... 27
3.4. Power On and Down Scenarios ............................................................................................ 27
3.4.1. Power On ....................................................................................................................... 27
3.4.2. Power Down ................................................................................................................... 29
3.4.2.1. Power Down Module Using the PWRKEY Pin .................................................. 29
3.4.2.2. Power Down Module Using AT Command ........................................................ 30
3.4.2.3. Over-voltage or Under-voltage Automatic Shutdown ........................................ 30
3.4.2.4. Emergency Shutdown Using EMERG_OFF Pin ............................................... 31
3.4.3. Restart ............................................................................................................................ 32
3.5. Power Saving ........................................................................................................................ 33
3.5.1. Minimum Functionality Mode ......................................................................................... 33
3.5.2. SLEEP Mode .................................................................................................................. 34
3.5.3. Wake Up Module from SLEEP Mode ............................................................................. 34
3.5.4. Summary of State Transition .......................................................................................... 35
3.6. RTC Backup .......................................................................................................................... 35
3.7. Serial Interfaces ..................................................................................................................... 37

GSM/GPRS Module Series
M35 User Manual
M35_User_Manual Confidential / Released 5 / 85
3.7.1. UART Port ...................................................................................................................... 39
3.7.1.1. The Features of UART Port ............................................................................... 39
3.7.1.2. The Connection of UART .................................................................................. 40
3.7.1.3. Firmware Upgrade ............................................................................................. 42
3.7.2. Debug Port ..................................................................................................................... 42
3.7.3. UART Application ........................................................................................................... 43
3.8. Audio Interfaces ..................................................................................................................... 44
3.8.1. Decrease TDD Noise and Other Noise .......................................................................... 46
3.8.2. Microphone Interfaces Design ....................................................................................... 46
3.8.3. Receiver Interface Design .............................................................................................. 47
3.8.4. Earphone Interface Design ............................................................................................ 47
3.8.5. Loud Speaker Interface Design ..................................................................................... 48
3.8.6. Audio Characteristics ..................................................................................................... 48
3.9. PCM Interface ........................................................................................................................ 49
3.9.1. Configuration .................................................................................................................. 50
3.9.2. Timing ............................................................................................................................. 50
3.9.3. Reference Design .......................................................................................................... 52
3.9.4. AT Command ................................................................................................................. 52
3.10. SIM Card Interfaces .............................................................................................................. 53
3.10.1. SIM Card Application ...................................................................................................... 53
3.11. Behaviors of The RI ............................................................................................................... 57
3.12. Network Status Indication ...................................................................................................... 58
3.13. Operating Status Indication ................................................................................................... 59
4 Antenna Interface ............................................................................................................................... 61
4.1. RF Reference Design ............................................................................................................ 61
4.2. RF Output Power ................................................................................................................... 62
4.3. RF Receiving Sensitivity ........................................................................................................ 62
4.4. Operating Frequencies .......................................................................................................... 63
4.5. Antenna Requirement ........................................................................................................... 63
4.6. RF Cable Soldering ............................................................................................................... 64
5 Electrical, Reliability and Radio Characteristics ............................................................................ 65
5.1. Absolute Maximum Ratings................................................................................................... 65
5.2. Operating Temperature ......................................................................................................... 65
5.3. Power Supply Ratings ........................................................................................................... 66
5.4. Current Consumption ............................................................................................................ 67
5.5. Electro-static Discharge ........................................................................................................ 68
6 Mechanical Dimensions .................................................................................................................... 70
6.1. Mechanical Dimensions of Module ....................................................................................... 70
6.2. Recommended Footprint ....................................................................................................... 72
6.3. Top View of the Module ......................................................................................................... 73
6.4. Bottom View of the Module ................................................................................................... 73
7 Storage and Manufacturing .............................................................................................................. 74

GSM/GPRS Module Series
M35 User Manual
M35_User_Manual Confidential / Released 6 / 85
7.1. Storage .................................................................................................................................. 74
7.2. Soldering ............................................................................................................................... 74
7.3. Packaging .............................................................................................................................. 75
7.3.1. Tape and Reel Packaging .............................................................................................. 75
8 Appendix A Reference ....................................................................................................................... 78
9 Appendix B GPRS Coding Scheme ................................................................................................. 83
10 Appendix C GPRS Multi-slot Class .................................................................................................. 85

GSM/GPRS Module Series
M35 User Manual
M35_User_Manual Confidential / Released 7 / 85
Table Index
TABLE 1: MODULE KEY FEATURES ............................................................................................................... 13
TABLE 2: CODING SCHEMES AND MAXIMUM NET DATA RATES OVER AIR INTERFACE ........................ 15
TABLE 3: PIN DESCRIPTION ........................................................................................................................... 19
TABLE 4: MULTIPLEXED FUNCTIONS ............................................................................................................ 23
TABLE 5: OVERVIEW OF OPERATING MODES ............................................................................................. 23
TABLE 6: SUMMARY OF STATE TRANSITION ............................................................................................... 35
TABLE 7: LOGIC LEVELS OF THE UART INTERFACES ................................................................................ 38
TABLE 8: PIN DEFINITION OF THE UART INTERFACES .............................................................................. 38
TABLE 9: PIN DEFINITION OF AUDIO INTERFACE ....................................................................................... 44
TABLE 10: AOUT2 OUTPUT CHARACTERISTICS .......................................................................................... 45
TABLE 11: TYPICAL ELECTRET MICROPHONE CHARACTERISTICS ......................................................... 48
TABLE 12: TYPICAL SPEAKER CHARACTERISTICS .................................................................................... 48
TABLE 13: PIN DEFINITION OF PCM INTERFACE ......................................................................................... 49
TABLE 14: CONFIGURATION ........................................................................................................................... 50
TABLE 15: QPCMON COMMAND DESCRIPTION .......................................................................................... 53
TABLE 16: QPCMVOL COMMAND DESCRIPTION ......................................................................................... 53
TABLE 17: PIN DEFINITION OF THE SIM INTERFACES ................................................................................ 54
TABLE 18: BEHAVIORS OF THE RI ................................................................................................................. 57
TABLE 19: WORKING STATE OF THE NETLIGHT .......................................................................................... 58
TABLE 20: PIN DEFINITION OF THE STATUS ................................................................................................ 59
TABLE 21: PIN DEFINITION OF THE RF_ANT ................................................................................................ 61
TABLE 22: THE MODULE CONDUCTED RF OUTPUT POWER .................................................................... 62
TABLE 23: THE MODULE CONDUCTED RF RECEIVING SENSITIVITY ....................................................... 62
TABLE 24: THE MODULE OPERATING FREQUENCIES ................................................................................ 63
TABLE 25: ANTENNA CABLE REQUIREMENTS ............................................................................................. 63
TABLE 26: ANTENNA REQUIREMENTS .......................................................................................................... 63
TABLE 27: ABSOLUTE MAXIMUM RATINGS .................................................................................................. 65
TABLE 28: OPERATING TEMPERATURE ........................................................................................................ 65
TABLE 29: THE MODULE POWER SUPPLY RATINGS .................................................................................. 66
TABLE 30: THE MODULE CURRENT CONSUMPTION .................................................................................. 67
TABLE 31: THE ESD ENDURANCE (TEMPERATURE: 25ºC, HUMIDITY: 45%) ............................................ 69
TABLE 32: REEL PACKING .............................................................................................................................. 77
TABLE 33: RELATED DOCUMENTS ................................................................................................................ 78
TABLE 34: TERMS AND ABBREVIATIONS ...................................................................................................... 79
TABLE 35: DESCRIPTION OF DIFFERENT CODING SCHEMES .................................................................. 83
TABLE 36: GPRS MULTI-SLOT CLASSES ...................................................................................................... 85

GSM/GPRS Module Series
M35 User Manual
M35_User_Manual Confidential / Released 8 / 85
Figure Index
FIGURE 1: MODULE FUNCTIONAL DIAGRAM ............................................................................................... 16
FIGURE 2: PIN ASSIGNMENT ......................................................................................................................... 18
FIGURE 3: VOLTAGE RIPPLE DURING TRANSMITTING .............................................................................. 25
FIGURE 4: REFERENCE CIRCUIT FOR THE VBAT INPUT ........................................................................... 26
FIGURE 5: REFERENCE CIRCUIT FOR POWER SUPPLY ............................................................................ 26
FIGURE 6: TURN ON THE MODULE WITH AN OPEN-COLLECTOR DRIVER .............................................. 27
FIGURE 7: TURN ON THE MODULE WITH A BUTTON .................................................................................. 28
FIGURE 8: TURN-ON TIMING .......................................................................................................................... 28
FIGURE 9: TURN-OFF TIMING ........................................................................................................................ 29
FIGURE 10: AN OPEN-COLLECTOR DRIVER FOR EMERG_OFF ................................................................ 31
FIGURE 11: REFERENCE CIRCUIT FOR EMERG_OFF BY USING BUTTON .............................................. 32
FIGURE 12: TIMING OF RESTARTING SYSTEM ............................................................................................ 32
FIGURE 13: TIMING OF RESTARTING SYSTEM AFTER EMERGENCY SHUTDOWN ................................ 33
FIGURE 14: VRTC IS SUPPLIED BY A NON-CHARGEABLE BATTERY ........................................................ 36
FIGURE 15: VRTC IS SUPPLIED BY A RECHARGEABLE BATTERY ............................................................ 36
FIGURE 16: VRTC IS SUPPLIED BY A CAPACITOR ...................................................................................... 36
FIGURE 17: REFERENCE DESIGN FOR FULL-FUNCTION UART ................................................................ 40
FIGURE 18: REFERENCE DESIGN FOR UART PORT ................................................................................... 41
FIGURE 19: REFERENCE DESIGN FOR UART PORT WITH HARDWARE FLOW CONTROL .................... 41
FIGURE 20: REFERENCE DESIGN FOR FIRMWARE UPGRADE ................................................................. 42
FIGURE 21: REFERENCE DESIGN FOR DEBUG PORT ............................................................................... 43
FIGURE 22: LEVEL MATCH DESIGN FOR 3.3V SYSTEM .............................................................................. 43
FIGURE 23: SKETCH MAP FOR RS-232 INTERFACE MATCH ...................................................................... 44
FIGURE 24: REFERENCE DESIGN FOR AIN1&AIN2 ..................................................................................... 46
FIGURE 25: REFERENCE INTERFACE DESIGN OF AOUT1 ......................................................................... 47
FIGURE 26: EARPHONE INTERFACE DESIGN .............................................................................................. 47
FIGURE 27: LOUD SPEAKER INTERFACE DESIGN ...................................................................................... 48
FIGURE 28: LONG SYNCHRONIZATION & SIGN EXTENSION DIAGRAM ................................................... 51
FIGURE 29: LONG SYNCHRONIZATION & ZERO PADDING DIAGRAM....................................................... 51
FIGURE 30: SHORT SYNCHRONIZATION & SIGN EXTENSION DIAGRAM ................................................. 51
FIGURE 31: SHORT SYNCHRONIZATION & ZERO PADDING DIAGRAM .................................................... 52
FIGURE 32: REFERENCE DESIGN FOR PCM ............................................................................................... 52
FIGURE 33: REFERENCE CIRCUIT FOR SIM1 INTERFACE WITH 8-PIN SIM CARD HOLDER ................. 55
FIGURE 34: REFERENCE CIRCUIT FOR SIM1 INTERFACE WITH THE 6-PIN SIM CARD HOLDER ......... 55
FIGURE 35: REFERENCE CIRCUIT FOR SIM2 INTERFACE WITH THE 6-PIN SIM CARD HOLDER ......... 56
FIGURE 36: RI BEHAVIOR OF VOICE CALLING AS A RECEIVER ................................................................ 57
FIGURE 37: RI BEHAVIOR AS A CALLER ....................................................................................................... 58
FIGURE 38: RI BEHAVIOR OF URC OR SMS RECEIVED ............................................................................. 58
FIGURE 39: REFERENCE DESIGN FOR NETLIGHT ..................................................................................... 59
FIGURE 40: REFERENCE DESIGN FOR STATUS .......................................................................................... 60
FIGURE 41: REFERENCE DESIGN FOR RF .................................................................................................. 61

GSM/GPRS Module Series
M35 User Manual
M35_User_Manual Confidential / Released 9 / 85
FIGURE 42: RF SOLDERING SAMPLE ........................................................................................................... 64
FIGURE 43: M35 MODULE TOP AND SIDE DIMENSIONS (UNIT: MM) ......................................................... 70
FIGURE 44: M35 MODULE BOTTOM DIMENSIONS (UNIT: MM) ................................................................... 71
FIGURE 45: RECOMMENDED FOOTPRINT (UNIT: MM) ................................................................................ 72
FIGURE 46: TOP VIEW OF THE MODULE ...................................................................................................... 73
FIGURE 47: BOTTOM VIEW OF THE MODULE .............................................................................................. 73
FIGURE 48: RAMP-SOAK-SPIKE REFLOW PROFILE .................................................................................... 75
FIGURE 49: TAPE AND REEL SPECIFICATION .............................................................................................. 76
FIGURE 50: DIMENSIONS OF REEL ............................................................................................................... 77
FIGURE 51: RADIO BLOCK STRUCTURE OF CS-1, CS-2 AND CS-3 ........................................................... 83
FIGURE 52: RADIO BLOCK STRUCTURE OF CS-4 ....................................................................................... 84

GSM/GPRS Module Series
M35 User Manual
M35_User_Manual Confidential / Released 10 / 85
1 Introduction
This document defines the M35 module and describes its hardware interface which are connected with
your application and the air interface.
This document can help you quickly understand module interface specifications, electrical and
mechanical details. Associated with application notes and user guide, you can use M35 module to design
and set up mobile applications easily.

GSM/GPRS Module Series
M35 User Manual
M35_User_Manual Confidential / Released 11 / 85
1.1. Safety Information
The following safety precautions must be observed during all phases of the operation, such as usage,
service or repair of any cellular terminal or mobile incorporating M35 module. Manufacturers of the
cellular terminal should send the following safety information to users and operating personnel and to
incorporate these guidelines into all manuals supplied with the product. If not so, Quectel does not take on
any liability for your failure to comply with these precautions.
Full attention must be given to driving at all times in order to reduce the risk of an
accident. Using a mobie while driving (even with a handsfree kit) cause distraction
and can lead to an accident. You must comply with laws and regulations restrcting
the use of wireless devices while driving.
Switch off the cellular terminal or mobile before boarding an aircraft. Make sure it
switched off. The operation of wireless appliances in an aircraft is forbidden to
prevent interference with communication systems. Consult the airline staff about
the use of wireless devices on boarding the aircraft. If your device offers a Flight
Mode which must be enabled prior to boarding an aircraft.
Switch off your wireless device when in hospitals or clinics or other health care
facilities. These requests are desinged to prevent possible interference with
sentitive medical equipment.
Cellular terminals or mobiles operate over radio frequency signal and cellular
network and cannot be guaranteed to connect in all conditions, for example no
mobile fee or an invalid SIM card. While you are in this condition and need
emergent help, please remember using emergency call. In order to make or
receive call, the cellular terminal or mobile must be switched on and in a service
area with adequate cellular signal strength.
Your cellular terminal or mobile contains a transmitter and receiver. When it is ON ,
it receives and transmits radio frequency energy. RF interference can occur if it is
used close to TV set, radio, computer or other electric equipment.
In locations with potencially explosive atmospheres, obey all posted signs to turn
off wireless devices such as your phone or other cellular terminals. Areas with
potencially exposive atmospheres including fuelling areas, below decks on boats,
fuel or chemical transfer or storage facilities, areas where the air contains
chemicals or particles such as grain, dust or metal powders.

GSM/GPRS Module Series
M35 User Manual
M35_User_Manual Confidential / Released 12 / 85
2 Product Concept
2.1. General Description
M35 is a Quad-band GSM/GPRS engine that works at frequencies of GSM850MHz, EGSM900,
DCS1800 and PCS1900MHz. The M35 features GPRS multi-slot class 12 and supports the GPRS coding
schemes CS-1, CS-2, CS-3 and CS-4. For more details about GPRS multi-slot classes and coding
schemes, please refer to the Appendix B & C.
With a tiny profile of 19.9mm × 23.6mm × 2.65mm, the module can meet almost all the requirements for
M2M applications, including Vehicles and Personal Tracking, Security System, Wireless POS, Industrial
PDA, Smart Metering, and Remote Maintenance & Control, etc.
M35 is an SMD type module with LCC package, which can be easily embedded into applications. It
provides abundant hardware interfaces like Audio and UART Interface.
Designed with power saving technique, the current consumption of M35 is as low as 1.3 mA in SLEEP
mode when DRX is 5.
M35 is integrated with Internet service protocols, such as TCP/UDP, FTP and PPP. Extended AT
commands have been developed for you to use these Internet service protocols easily.
The module fully complies with the RoHS directive of the European Union.
2.2. Directives and Standards
The M35 module is designed to comply with the FCC statements. FCC ID: XMR201512M35
The Host system using M35, should have label indicated FCC ID: XMR201512M35.
2.2.1. FCC Radiation Exposure Statement
This equipment complies with FCC radiation exposure limits set forth for an uncontrolled environment.
This equipment should be installed and operated with minimum distance 20cm between the radiator and
your body as well as kept minimum 20cm from radio antenna depending on the Mobile status of this

GSM/GPRS Module Series
M35 User Manual
M35_User_Manual Confidential / Released 13 / 85
module usage. This module should NOT be installed and operating simultaneously with other radio.
The manual of the host system, which uses M35 must include RF exposure warning statement to advice
user should keep minimum 20cm from the radio antenna of M35 module depending on the Mobile status.
Note: If a portable device (such as PDA) uses M35 module, the device needs to do permissive change
and SAR testing.
The following list of antenna is indicating the maximum permissible antenna gain.
Part
Number
Frequency
Range (MHz)
Peak
Gain
(XZ-V)
Average Gain
(XZ-V)
VSWR
Impedance
3R007A
GSM850:
TX 824-849MHz
RX 869-894MHz
PCS1900:
TX 1850-1910MHz
RX 1930-1990MHz
1 dBi typ.
1 dBi typ.
3 max
50Ω
Antenna gain including cable loss must not exceed 4.95 dBi of GSM 850 and 2.5 dBi of PCS 1900 for th
e purpose of satisfying the requirements of 2.1043 and 2.1091. The antenna(s) used for this
transmitter must be installed to provide a separation distance of at least 20cm from all persons and
must not be co-located or operated in conjunction with any antenna or transmitter not described
under this FCC ID. The final product operating with this transmitter must include operating
instructions and antenna installation instructions, for end-users and installers to satisfy RF exposure
compliance requirements. Compliance of this device in all final product configurations is the
responsibility of the Grantee. Installation of this device into specific final products may require the
submission of a Class II permissive change application containing data pertinent to RF Exposure,
spurious emissions, ERP/EIRP, and host/module authentication, or new application if appropriate.
Installation of this device into specific final products may require the submission of a Class II
permissive change application containing data pertinent to RF Exposure, spurious emissions,
ERP/EIRP, and host/module authentication, or new application if appropriate.
2.3. Key Features
The following table describes the detailed features of M35 module.
Table 1: Module Key Features
Feature
Implementation

GSM/GPRS Module Series
M35 User Manual
M35_User_Manual Confidential / Released 14 / 85
Power Supply
Single supply voltage: 3.3V ~ 4.6V
Typical supply voltage: 4V
Power Saving
Typical power consumption in SLEEP mode: 1.3 mA @DRX=5
1.2 mA @DRX=9
Frequency Bands
Quad-band: GSM850, EGSM900, DCS1800, PCS1900
The module can search these frequency bands automatically
The frequency bands can be set by AT command
Compliant to GSM Phase 2/2+
GSM Class
Small MS
Transmitting Power
Class 4 (2W) at GSM850 and EGSM900
Class 1 (1W) at DCS1800 and PCS1900
GPRS Connectivity
GPRS multi-slot class 10 (default)
GPRS multi-slot class 1~10 (configurable)
GPRS mobile station class B
DATA GPRS
GPRS data downlink transfer: max. 85.6kbps
GPRS data uplink transfer: max. 85.6kbps
Coding scheme: CS-1, CS-2, CS-3 and CS-4
Support the protocols PAP (Password Authentication Protocol)
usually used for PPP connections
Internet service protocols :
TCP/UDP/FTP/PPP/HTTP/NTP/MMS/SMTP/PING
Support Packet Broadcast Control Channel (PBCCH)
Support Unstructured Supplementary Service Data (USSD)
Temperature Range
Normal operation: -35°C ~ +80°C
Restricted operation: -40°C ~ -35°C and +80°C ~ +85°C 1)
Storage temperature: -45°C ~ +90°C
SMS
Text and PDU mode
SMS storage: SIM card
SIM Interfaces
Support SIM card: 1.8V, 3V
Audio Features
Speech codec modes:
Half Rate (ETS 06.20)
Full Rate (ETS 06.10)
Enhanced Full Rate (ETS 06.50/06.60/06.80)
Adaptive Multi-Rate (AMR)
Echo Suppression
Noise Reduction
Embedded one amplifier of class AB with maximum driving power up
to 870mW
UART Interfaces
UART Port:
Seven lines on UART port interface
Used for AT command, GPRS data
Multiplexing function

GSM/GPRS Module Series
M35 User Manual
M35_User_Manual Confidential / Released 15 / 85
1) When the module works within this temperature range, the deviations from the GSM specification may
occur. For example, the frequency error or the phase error will be increased.
Table 2: Coding Schemes and Maximum Net Data Rates over Air Interface
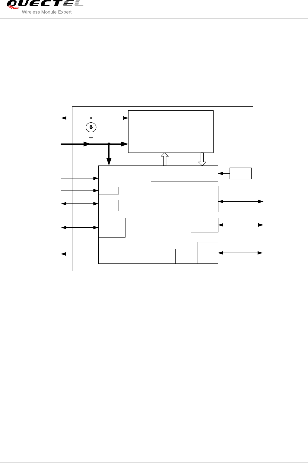
2.4. Functional Diagram
The following figure shows a block diagram of M35 and illustrates the major functional parts.
Radio frequency part
Power management
The Peripheral interface
—Power supply
Support autobauding from 4800bps to 115200bps
Debug Port:
Two lines on debug port interface DBG_TXD and DBG_RXD
Debug Port can used for firmware debugging
Phonebook Management
Support phonebook types: SM, ME, FD, ON, MT
SIM Application Toolkit
Support SAT class 3, GSM 11.14 Release 99
Real Time Clock
Supported
Physical Characteristics
Size: 19.9±0.15 × 23.6±0.15 × 2.65±0.2mm
Weight: Approx. 2.5g
Firmware Upgrade
Firmware upgrade via UART Port
Antenna Interface
Connected to antenna pad with 50 Ohm impedance control
Coding Scheme
1 Timeslot
2 Timeslot
4 Timeslot
CS-1
9.05kbps
18.1kbps
36.2kbps
CS-2
13.4kbps
26.8kbps
53.6kbps
CS-3
15.6kbps
31.2kbps
62.4kbps
CS-4
21.4kbps
42.8kbps
85.6kbps
NOTE

GSM/GPRS Module Series
M35 User Manual
M35_User_Manual Confidential / Released 16 / 85
—Turn-on/off interface
—UART interfaces
—RTC interface
—Audio interfaces
—PCM interface
—SIM interfaces
—RF interface
BB&RF
RF PAM
26MHzRF Transceiver
RTC
GPIO&
PWM
Serial
Interface
SIM
Interface
RF_ANT
VBAT
PWRKEY
EMERG_OFF
VRTC
Status&
Netlight
UART
SIM
Interfaces
Reset
ESD
PMU
MEMORY Audio Audio
PCM
Interface PCM
Figure 1: Module Functional Diagram
2.5. Evaluation Board
In order to help you to develop applications with M35, Quectel supplies an evaluation board (EVB),
RS-232 to USB cable, power adapter, earphone, antenna and other peripherals to control or test the
module. For details, please refer to the document [4].

GSM/GPRS Module Series
M35 User Manual
M35_User_Manual Confidential / Released 17 / 85
3 Application Interface
The module adopts LCC package and has 42 pins. The following chapters provide detailed descriptions
about these pins below:
Power supply
Power on/down
RTC
Serial interfaces
Audio interfaces
PCM interface
SIM interfaces
RI
NETLIGHT
STATUS

GSM/GPRS Module Series
M35 User Manual
M35_User_Manual Confidential / Released 18 / 85
3.1. Pin of Module
3.1.1. Pin Assignment
VBAT RF
Other
GND UART Audio
Power
SIM
SIM_GND
31
SIM1_CLK
30
SIM1_DATA
29
SIM1_RST
28
SIM1_VDD
27
PCM_OUT
41
PCM_IN
42
SIM2_VDD
18
SIM2_CLK
17
SIM2_DATA
16 19
VDD_EXT
PWRKEY 10
EMERG_OFF 11
STATUS/ PCM_SYNC
12
NETLIGHT
13
Top view
37
GND
39
RF_ANT
34
VBAT
1
AGND
32
VRTC
38
GND
40
GND
36
GND
35
GND
33
VBAT
25 DCD/SIM2_RST
24 RTS
23 CTS
22 TXD
21 RXD
26 RI/PCM_CLK
2
MIC2P
3
MIC2N
4
MIC1P
5
MIC1N
6
SPK1N
7
SPK1P
8
LOUDSPKN
9
LOUDSPKP
14
DBG_RXD
15
DBG_TXD
20
DTR/SIM1_PRESENCE
PCM
Figure 2: Pin Assignment

GSM/GPRS Module Series
M35 User Manual
M35_User_Manual Confidential / Released 19 / 85
3.1.2. Pin Description
Table 3: Pin Description
Power Supply
PIN NAME
PIN NO.
I/O
DESCRIPTION
DC
CHARACTERISTICS
COMMENT
VBAT
33, 34
I
Main power supply of
module:
VBAT=3.3V~4.6V
Vmax=4.6V
Vmin=3.3V
Vnorm=4.0V
Make sure that
supply sufficient
current in a
transmitting burst
typically rises to
1.6A.
VRTC
32
I/O
Power supply for RTC
when VBAT is not supplied
for the system.
Charging for backup
battery or golden capacitor
when the VBAT is applied.
VImax=3.3V
VImin=1.5V
VInorm=2.8V
VOmax=3V
VOmin=2V
VOnorm=2.8V
Iout(max)=2mA
Iin≈10uA
If unused, keep
this pin open.
VDD_
EXT
19
O
Supply 2.8V voltage for
external circuit.
Vmax=2.9V
Vmin=2.7V
Vnorm=2.8V
Imax=20mA
1. If unused, keep
this pin open.
2. Recommend to
add a 2.2~4.7uF
bypass capacitor,
when using this
pin for power
supply.
GND
35,36,3
7,38, 40
Ground
Turn on/off
PIN NAME
PIN NO.
I/O
DESCRIPTION
DC
CHARACTERISTICS
COMMENT
PWRKEY
10
I
Power on/off key.
PWRKEY should be pulled
down for a moment to turn
on or turn off the system.
VILmax=
0.1×VBAT
VIHmin=
0.6×VBAT
VImax=3.1V
Emergency Shutdown

GSM/GPRS Module Series
M35 User Manual
M35_User_Manual Confidential / Released 20 / 85
PIN NAME
PIN NO.
I/O
DESCRIPTION
DC
CHARACTERISTICS
COMMENT
EMERG_
OFF
11
I
Emergency off. Pulled
down for at least 40ms,
which will turn off the
module in case of
emergency. Use it only
when shutdown via
PWRKEY or AT command
cannot be achieved.
VILmax=0.45V
VIHmin=1.35V
Vopenmax=1.8V
Open
drain/collector
driver required in
cellular device
application.
If unused, keep
this pin open.
Module Indicator
PIN NAME
PIN NO.
I/O
DESCRIPTION
DC
CHARACTERISTICS
COMMENT
STATUS
12
O
Indicate module’s
operating status. Output
high level when module
turns on, while output low
level when module turns
off.
VOHmin=
0.85×VDD_EXT
VOLmax=
0.15×VDD_EXT
If unused, keep
these pins open.
Audio Interfaces
PIN NAME
PIN NO.
I/O
DESCRIPTION
DC
CHARACTERISTICS
COMMENT
MIC1P
MIC1N
4,5
I
Channel 1 positive and
negative voice input
Refer to Section 3.8
If unused, keep
these pins open.
MIC2P
MIC2N
2,3
I
Channel 2 positive and
negative voice input
SPK1P
SPK1N
7,6
O
Channel 1 positive and
negative voice output
1. If unused, keep
these pins open.
2. Support both
voice and ringtone
output.
AGND
1
Analog ground. Separate
ground connection for
external audio circuits.
If unused, keep
this pin open.
LOUD
SPKN
LOUD
SPKP
8,9
O
Channel 3 positive and
negative voice output
1. If unused, keep
these pins open.
2. Integrate a
Class- AB
amplifier internally.
3. Support both
voice and ringtone
output.

GSM/GPRS Module Series
M35 User Manual
M35_User_Manual Confidential / Released 21 / 85
Network Status Indicator
PIN NAME
PIN NO.
I/O
DESCRIPTION
DC
CHARACTERISTICS
COMMENT
NETLIGHT
13
O
Network status
indication
VOHmin=
0.85×VDD_EXT
VOLmax=
0.15×VDD_EXT
If unused, keep
this pin open.
UART Port
PIN NAME
PIN NO.
I/O
DESCRIPTION
DC
CHARACTERISTICS
COMMENT
DTR
20
I
Data terminal ready
VILmin=0V
VILmax=
0.25×VDD_EXT
VIHmin=
0.75×VDD_EXT
VIHmax=
VDD_EXT+0.2
VOHmin=
0.85×VDD_EXT
VOLmax=
0.15×VDD_EXT
If only use TXD,
RXD and GND to
communicate,
recommended
connecting RTS to
GND via 0R
resistor and
keeping other pins
open.
RXD
21
I
Receive data
TXD
22
O
Transmit data
RTS
24
I
Request to send
CTS
23
O
Clear to send
RI
26
O
Ring indication
DCD
25
O
Data carrier detection
Debug Port
PIN NAME
PIN NO.
I/O
DESCRIPTION
DC
CHARACTERISTICS
COMMENT
DBG_
TXD
15
O
Transmit data
Same as above
If unused, keep
these pins open.
DBG_
RXD
14
I
Receive data
SIM Interfaces
PIN NAME
PIN NO
I/O
DESCRIPTION
DC
CHARACTERISTICS
COMMENT
SIM1_
VDD
27
O
Power supply for SIM1
card
The voltage can be
selected by software
automatically. Either
1.8V or 3V.
All signals of SIM
interfaces should
be protected
against ESD with
a TVS diode array.
Maximum trace
length is 200mm
from the module
SIM1_
CLK
30
O
SIM1 clock
VOLmax=
0.15×SIM1_VDD
VOHmin=
0.85×SIM1_VDD

GSM/GPRS Module Series
M35 User Manual
M35_User_Manual Confidential / Released 22 / 85
SIM1_
DATA
29
I/O
SIM1 data
VOLmax=
0.15×SIM1_VDD
VOHmin=
0.85×SIM1_VDD
pad to SIM card
holder.
SIM1_
RST
28
O
SIM1 reset
VOLmax=
0.15×SIM1_VDD
VOHmin=
0.85×SIM1_VDD
SIM1_
PRESENCE
20
I
SIM1 card detection.
VILmin=0V
VILmax=
0.25×VDD_EXT
VIHmin=
0.75×VDD_EXT
VIHmax=
VDD_EXT+0.2
SIM_
GND
31
SIM ground
SIM2_
VDD
18
O
Power supply for SIM2
card
The voltage can be
selected by software
automatically. Either
1.8V or 3V.
SIM2_
CLK
17
O
SIM2 clock
VOLmax=
0.15×SIM2_VDD
VOHmin=
0.85×SIM2_VDD
SIM2_
DATA
16
I/O
SIM2 data
VOLmax=
0.15×SIM2_VDD
VOHmin=
0.85×SIM2_VDD
SIM2_
RST
25
O
SIM2 reset
VOLmax=
0.15×SIM2_VDD
VOHmin=
0.85×SIM2_VDD
RF Interface
PIN NAME
PIN NO.
I/O
DESCRIPTION
DC
CHARACTERISTICS
COMMENT
RF_ANT
39
I/O
RF antenna pad
Impedance of 50Ω
PCM Interface
PIN NAME
PIN NO.
I/O
DESCRIPTION
DC
CHARACTERISTICS
COMMENT

GSM/GPRS Module Series
M35 User Manual
M35_User_Manual Confidential / Released 23 / 85
Table 4: Multiplexed Functions
1) The alternate function can be configured through AT command. For details, please refer to the section
3.9 and section 3.10.
3.2. Operating Modes
The table below briefly summarizes the various operating modes in the following chapters.
Table 5: Overview of Operating Modes
PCM_
SYNC
12
O
PCM sync signal
VILmin=-0.3V
VILmax=
0.25×VDD_EXT
VIHmin=
0.75×VDD_EXT
VIHmax=
VDD_EXT+0.2
VOHmin=
0.85×VDD_EXT
VOLmax=
0.15×VDD_EXT
The default
function is
STATUS after
startup.
PCM_
CLK
26
O
PCM clock signal
The default
function is RI after
startup.
PCM_
OUT
41
O
PCM serial data output
If unused, keep
these pins open.
PCM_IN
42
I
PCM serial data input
PIN NAME
PIN NO.
Function After Reset
Alternate Function1)
STATUS/PCM_SYNC
12
STATUS
PCM_SYNC
DTR/SIM1_PRESENCE
20
DTR
SIM1_PRESENCE
DCD/SIM2_RST
25
DCD
SIM2_RST
RI/PCM_CLK
26
RI
PCM_CLK
Mode
Function
Normal Operation
GSM/GPRS
Sleep
After enabling sleep mode by ―AT+QSCLK=1‖, the module
will automatically go into Sleep Mode if DTR is set to high
level and there is no interrupt (such as GPIO interrupt or
data on UART port). In this case, the current consumption
of module will be reduced to the minimal level. During
NOTE

GSM/GPRS Module Series
M35 User Manual
M35_User_Manual Confidential / Released 24 / 85
1) Use the EMERG_OFF pin only when failing to turn off the module by the command ―AT+QPOWD=1‖
and the PWRKEY pin. For more details, please refer to the Section 3.4.2.4.
Sleep Mode, the module can still receive paging message
and SMS from the system normally.
GSM IDLE
Software is active. The module has registered to the GSM
network, and the module is ready to send and receive
GSM data.
GSM TALK
GSM connection is ongoing. In this mode, the power
consumption is decided by the configuration of Power
Control Level (PCL), dynamic DTX control and the working
RF band.
GPRS IDLE
The module is not registered to GPRS network. The
module is not reachable through GPRS channel.
GPRS
STANDBY
The module is registered to GPRS network, but no GPRS
PDP context is active. The SGSN knows the Routing Area
where the module is located at.
GPRS READY
The PDP context is active, but no data transfer is ongoing.
The module is ready to receive or send GPRS data. The
SGSN knows the cell where the module is located at.
GPRS DATA
There is GPRS data in transfer. In this mode, power
consumption is decided by the PCL, working RF band and
GPRS multi-slot configuration.
POWER DOWN
Normal shutdown by sending the ―AT+QPOWD=1‖ command, using the
PWRKEY or the EMERG_OFF1) pin. The power management ASIC
disconnects the power supply from the base band part of the module, and
only the power supply for the RTC is remained. Software is not active. The
UART interfaces are not accessible. Operating voltage (connected to VBAT)
remains applied.
Minimum Functionality
Mode (without
Removing Power
Supply)
―AT+CFUN‖ command can set the module to a minimum functionality mode
without removing the power supply. In this case, the RF part of the module
will not work or the SIM card will not be accessible, or both RF part and SIM
card will be disabled, but the UART port is still accessible. The power
consumption in this case is very low.
NOTE

GSM/GPRS Module Series
M35 User Manual
M35_User_Manual Confidential / Released 25 / 85
3.3. Power Supply
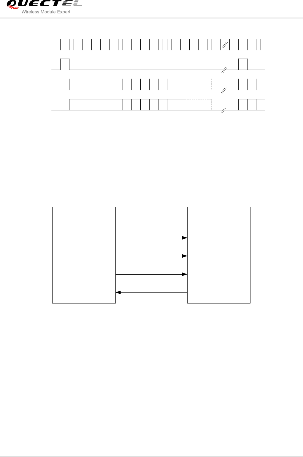
3.3.1. Power Features of Module
The power supply is one of the key issues in designing GSM terminals. Because of the 577us radio burst
in GSM every 4.615ms, power supply must be able to deliver high current peaks in a burst period. During
these peaks, drops on the supply voltage must not exceed minimum working voltage of module.
For M35 module, the max current consumption could reach to 1.6A during a transmit burst. It will cause a
large voltage drop on the VBAT. In order to ensure stable operation of the module, it is recommended that
the max voltage drop during the transmit burst does not exceed 400mV.
Vdrop
4.615ms
577us
IBAT
VBAT
Burst:1.6A
Figure 3: Voltage Ripple during Transmitting
3.3.2. Decrease Supply Voltage Drop
The power supply range of the module is 3.3V to 4.6V. Make sure that the input voltage will never drop
below 3.3V even in a transmitting burst. If the power voltage drops below 3.3V, the module could turn off
automatically. For better power performance, it is recommended to place a 100uF tantalum capacitor with
low ESR (ESR=0.7Ω) and ceramic capacitor 100nF, 33pF and 10pF near the VBAT pin. The reference
circuit is illustrated in Figure 4.
The VBAT route should be wide enough to ensure that there is not too much voltage drop during transmit
burst. The width of trace should be no less than 2mm and the principle of the VBAT route is the longer
route, the wider trace.

GSM/GPRS Module Series
M35 User Manual
M35_User_Manual Confidential / Released 26 / 85
VBAT
C2C1
+C3 C4
GND
100uF 100nF 10pF
0603
33pF
0603
Figure 4: Reference Circuit for the VBAT Input
3.3.3. Reference Design for Power Supply
The power design for the module is very important, since the performance of power supply for the module
largely depends on the power source. The power supply is capable of providing the sufficient current up to
2A at least. If the voltage drop between the input and output is not too high, it is suggested to use a LDO
as module’s power supply. If there is a big voltage difference between the input source and the desired
output (VBAT), a switcher power converter is recommended to be used as a power supply.
Figure 5 shows a reference design for +5V input power source. The designed output for the power supply
is 4.0V and the maximum load current is 3A. In addition, in order to get a stable output voltage, a zener
diode is placed close to the pins of VBAT. As to the zener diode, it is suggested to use a zener diode of
which reverse zener voltage is 5.1V and dissipation power is more than 1 Watt.
DC_IN
C1 C2
MIC29302WU U1
IN OUT
EN
GND
ADJ
2 4
1
3
5
VBAT
100nF
C3
470uF
C4
100nF
R2
D1
124K
56K
R3
470uF 5.1V
R4
470R
MCU_POWER_ON/OFF
47K
4.7K
R5
R6
R1
51K
Figure 5: Reference Circuit for Power Supply

GSM/GPRS Module Series
M35 User Manual
M35_User_Manual Confidential / Released 27 / 85
It is suggested to control the module’s main power supply (VBAT) via LDO enable pin to restart the
module when the module has become abnormal. Power switch circuit like P-channel MOSFET switch
circuit can also be used to control VBAT.
3.3.4. Monitor Power Supply
The command ―AT+CBC‖ can be used to monitor the supply voltage of the module. The unit of the
displayed voltage is mV.
For details, please refer to the document [1].
3.4. Power On and Down Scenarios
3.4.1. Power On
The module can be turned on by driving the pin PWRKEY to a low level voltage. An open collector driver
circuit is suggested to control the PWRKEY. A simple reference circuit is illustrated as below.
Turn on pulse
PWRKEY
4.7K
47K
Figure 6: Turn On the Module with an Open-collector Driver
1. M35 module is set to autobauding mode (AT+IPR=0) by default. In the autobauding mode, URC
―RDY‖ is not reported to the host controller after module is powered on. When the module is powered
on after a delay of 4 or 5 seconds, it can receive AT command. Host controller should first send an
―AT‖ or ―at‖ string in order that the module can detect baud rate of host controller, it should continue to
send the next ‖AT‖ string until receiving ―OK‖ string from the module. Then enter ―AT+IPR=x;&W‖ to
set a fixed baud rate for the module and save the configuration to flash memory of the module. After
NOTE
NOTE

GSM/GPRS Module Series
M35 User Manual
M35_User_Manual Confidential / Released 28 / 85
these configurations, the URC ―RDY‖ would be received from the UART Port of the module every time
when the module is powered on. For more details, refer to the section ―AT+IPR‖ in document [1].
2. AT command response indicates module is turned on successfully, or else the module fails to be
turned on.
The other way to control the PWRKEY is through a button directly. A TVS component is indispensable to
be placed nearby the button for ESD protection. For the best performance, the TVS component must be
placed nearby the button. When pressing the key, electrostatic strike may generate from finger. A
reference circuit is shown in the following figure.
PWRKEY
S1
Close to
S1
TVS
Figure 7: Turn On the Module with a Button
The turn-on timing is illustrated as the following figure.
VDD_EXT
(OUTPUT)
VIL<0.1*VBAT
VIH > 0.6*VBAT
VBAT
PWRKEY
(INPUT)
EMERG_OFF
(INPUT)
54ms
STATUS
(OUTPUT)
800ms
>1s
OFF BOOTING
MODULE
STATUS RUNNING
T1
Figure 8: Turn-on Timing

GSM/GPRS Module Series
M35 User Manual
M35_User_Manual Confidential / Released 29 / 85
1. Make sure that VBAT is stable before pulling down PWRKEY pin. The time of T1 is recommended as
100ms.
2. EMERG_OFF should be floated when it is unused.
3. For more details about the application of STATUS pin, please refer to the Chapter 3.13.
3.4.2. Power Down
The following procedures can be used to turn off the module:
Normal power down procedure: Turn off module using the PWRKEY pin.
Normal power down procedure: Turn off module using command ―AT+QPOWD=1‖.
Over-voltage or under-voltage automatic shutdown: Take effect when over-voltage or under-voltage
is detected.
Emergent power down procedure: Turn off module using the EMERG_OFF pin.
3.4.2.1. Power Down Module Using the PWRKEY Pin
It is a safe way to turn off the module by driving the PWRKEY to a low level voltage for a certain time. The
power down scenario is illustrated in Figure 9.
VBAT
PWRKEY
(INPUT)
STATUS
(OUTPUT)
EMERG_OFF
(INPUT)
Logout net about 2s to 12s
0.7s<Pulldown<1s
Figure 9: Turn-off Timing
The power down procedure causes the module to log off from the network and allows the firmware to
save important data before completely disconnecting the power supply.
NOTE

GSM/GPRS Module Series
M35 User Manual
M35_User_Manual Confidential / Released 30 / 85
Before the completion of the power down procedure, the module sends out the result code shown below:
NORMAL POWER DOWN
1. This result code does not appear when autobauding is active and DTE and DCE are not correctly
synchronized after start-up. The module is recommended to set a fixed baud rate.
2. As logout network time is related to the local mobile network, it is recommended to delay about 12
seconds before disconnecting the power supply or restarting the module.
3. For more details about the application of STATUS pin, please refer to the Chapter 3.13.
After that moment, no further AT commands can be executed. Then the module enters the power down
mode, only the RTC is still active.
3.4.2.2. Power Down Module Using AT Command
It is also a safe way to turn off the module via AT command ―AT+QPOWD=1‖. This command will let the
module to log off from the network and allow the firmware to save important data before completely
disconnecting the power supply.
Before the completion of the power down procedure, the module sends the result code as shown below:
NORMAL POWER DOWN
After that moment, no further AT commands can be executed. And then the module enters the power
down mode, only the RTC is still active.
Please refer to the document [1] for details about the AT command ―AT+QPOWD‖.
3.4.2.3. Over-voltage or Under-voltage Automatic Shutdown
The module will constantly monitor the voltage applied on the VBAT, if the voltage is ≤3.5V, the following
URC will be presented:
UNDER_VOLTAGE WARNING
If the voltage is ≥4.5V, the following URC will be presented:
OVER_VOLTAGE WARNING
NOTE

GSM/GPRS Module Series
M35 User Manual
M35_User_Manual Confidential / Released 31 / 85
The normal input voltage range is from 3.3V to 4.6V. If the voltage is >4.6V or <3.3V, the module would
automatically shut down itself.
If the voltage is <3.3V, the following URC will be presented:
UNDER_VOLTAGE POWER DOWN
If the voltage is >4.6V, the following URC will be presented:
OVER_VOLTAGE POWER DOWN
After that moment, no further AT commands can be executed. The module logs off from network and
enters power down mode, and only RTC is still active.
1. These result codes do not appear when autobauding is active and DTE and DCE are not correctly
synchronized after start-up. The module is recommended to set to a fixed baud rate.
2. Over-voltage warning and shutdown function is disabled by default.
3.4.2.4. Emergency Shutdown Using EMERG_OFF Pin
The module can be shut down by driving the pin EMERG_OFF to a low level voltage over 40ms and then
releasing it. The EMERG_OFF line can be driven by an open-drain/collector driver or a button. The circuit
is illustrated as the following figures.
Emergency
shutdown pulse
EMERG_OFF
4.7K
47K
Figure 10: An Open-collector Driver for EMERG_OFF
NOTE

GSM/GPRS Module Series
M35 User Manual
M35_User_Manual Confidential / Released 32 / 85
S2
EMERG_OFF
TVS2
Close to S2
Figure 11: Reference Circuit for EMERG_OFF by Using Button
Be cautious to use the pin EMERG_OFF. It should only be used under emergent situation. For instance, if
the module is unresponsive or abnormal, the pin EMERG_OFF could be used to shut down the system.
Although turning off the module by EMERG_OFF is fully tested and nothing wrong detected, this
operation is still a big risk as it could cause destroying of the code or data area of the flash memory in the
module. Therefore, it is recommended that PWRKEY or AT command should always be the preferential
way to turn off the system.
3.4.3. Restart
The module can be restarted by driving the PWRKEY to a low level voltage for a certain time, which is
similar to the way of turning on module. In order to make the internal LDOs discharge completely after
turning off the module, it is recommended to delay about 500ms before restarting the module. The restart
timing is illustrated as the following figure.
PWRKEY
(INPUT)
STATUS
(OUTPUT)
Delay >500ms
Turn off Restart
Pull down the PWRKEY
to turn on the module
Figure 12: Timing of Restarting System

GSM/GPRS Module Series
M35 User Manual
M35_User_Manual Confidential / Released 33 / 85
The module can also be restarted by the PWRKEY after emergency shutdown.
EMERG_OFF
(INPUT)
STATUS
(OUTPUT)
Delay >500ms
Pulldown >40ms
PWRKEY
(INPUT)
Figure 13: Timing of Restarting System after Emergency Shutdown
For more details about the application of STATUS pin, please refer to the Chapter 3.13.
3.5. Power Saving
Based on system requirements, there are several actions to drive the module to enter low current
consumption status. For example, ―AT+CFUN‖ can be used to set module into minimum functionality
mode and DTR hardware interface signal can be used to lead system to SLEEP mode.
3.5.1. Minimum Functionality Mode
Minimum functionality mode reduces the functionality of the module to a minimum level. The consumption
of the current can be minimized when the slow clocking mode is activated at the same time. The mode is
set with the ―AT+CFUN‖ command which provides the choice of the functionality levels <fun>=0, 1, 4.
0: minimum functionality.
1: full functionality (default).
4: disable both transmitting and receiving of RF part.
NOTE

GSM/GPRS Module Series
M35 User Manual
M35_User_Manual Confidential / Released 34 / 85
If the module is set to minimum functionality by ―AT+CFUN=0‖, the RF function and SIM card function
would be disabled. In this case, the UART port is still accessible, but all AT commands related with RF
function or SIM card function will be not available.
If the module has been set by the command with ―AT+CFUN=4‖, the RF function will be disabled, but the
UART port is still active. In this case, all AT commands related with RF function will be not available.
After the module is set by ―AT+CFUN=0‖ or ―AT+CFUN=4‖, it can return to full functionality by
―AT+CFUN=1‖.
For detailed information about ―AT+CFUN‖, please refer to the document [1].
3.5.2. SLEEP Mode
The SLEEP mode is disabled by default. You can enable it by ―AT+QSCLK=1‖. On the other hand, the
default setting is ―AT+QSCLK=0‖ and in this mode, the module cannot enter SLEEP mode.
When the module is set by the command with ―AT+QSCLK=1‖, you can control the module to enter or exit
from the SLEEP mode through pin DTR. When DTR is set to high level, and there is no on-air or hardware
interrupt such as GPIO interrupt or data on UART port, the module will enter SLEEP mode automatically.
In this mode, the module can still receive voice, SMS or GPRS paging from network, but the UART port
does not work.
3.5.3. Wake Up Module from SLEEP Mode
When the module is in the SLEEP mode, the following methods can wake up the module.
If the DTR Pin is set low, it would wake up the module from the SLEEP mode. The UART port will be
active within 20ms after DTR is changed to low level.
Receiving a voice or data call from network will wake up the module.
Receiving an SMS from network will wake up the module.
DTR pin should be held at low level during communication between the module and DTE.
NOTE

GSM/GPRS Module Series
M35 User Manual
M35_User_Manual Confidential / Released 35 / 85
3.5.4. Summary of State Transition
Table 6: Summary of State Transition
3.6. RTC Backup
The RTC (Real Time Clock) function is supported. The RTC is designed to work with an internal power
supply.
There are three kinds of designs for RTC backup power:
Use VBAT as the RTC power source.
When the module is turned off and the main power supply (VBAT) is remained, the real time clock is still
active as the RTC core is supplied by VBAT. In this case, the VRTC pin can be kept floating.
Use VRTC as the RTC power source.
If the main power supply (VBAT) is removed after the module is turned off, a backup supply such as a
coin-cell battery (rechargeable or non-chargeable) or a super-cap can be used to supply the VRTC pin to
keep the real time clock active.
Use VBAT and VRTC as the RTC power source.
As only powering the VRTC pin to keep the RTC will lead an error about 5 minutes a day, it is
recommended to power VBAT and VRTC pin at the same time when RTC function is needed. The
recommended supply for RTC core circuits are shown as below.
Current Mode
Next Mode
Power Down
Normal Mode
Sleep Mode
Power Down
Use PWRKEY
Normal Mode
AT+QPOWD, use PWRKEY
pin, or use EMERG_OFF pin
Use AT command
―AT+QSCLK=1‖ and pull
DTR up
SLEEP Mode
Use PWRKEY pin, or use
EMERG_OFF pin
Pull DTR down or
incoming voice call or
SMS or data call

GSM/GPRS Module Series
M35 User Manual
M35_User_Manual Confidential / Released 36 / 85
Non-chargeable
Backup Battery
Module
RTC
Core
VBAT
Power Supply
LDO/DCDC LDO
VRTC 1.5K
Figure 14: VRTC Is Supplied by a Non-chargeable Battery
Rechargeable
Backup Battery
Module
RTC
Core
VBAT
Power Supply
LDO/DCDC LDO
VRTC 1.5K
Figure 15: VRTC Is Supplied by a Rechargeable Battery
Module
RTC
Core
VBAT
Power Supply
LDO/DCDC LDO
VRTC 1.5K
Large Capacitance
Capacitor
Figure 16: VRTC Is Supplied by a Capacitor

GSM/GPRS Module Series
M35 User Manual
M35_User_Manual Confidential / Released 37 / 85
For the choice of a rechargeable or non-chargeable coin-cell battery, please visit http://www.sii.co.jp/en/.
If the module is only powered by VRTC , the real time will have an error about 5 minutes a day. If you want
to keep an accurate real time, please use VBAT to supply the RTC core.
3.7. Serial Interfaces
The module provides two serial ports: UART Port and Debug Port. The module is designed as a DCE
(Data Communication Equipment), following the traditional DCE-DTE (Data Terminal Equipment)
connection. Autobauding function supports baud rate from 4800bps to 115200bps.
The UART Port:
TXD: Send data to RXD of DTE.
RXD: Receive data from TXD of DTE.
RTS: Request to send.
CTS: Clear to send.
DTR: DTE is ready and inform DCE (this pin can wake up the module).
RI: Ring indicator (when the call, SMS, data of the module are coming, the module will output signal
to inform DTE).
DCD: Data carrier detection (the validity of this pin demonstrates the communication link is set up).
Hardware flow control is disabled by default. When hardware flow control is required, RTS and CTS
should be connected to the host. AT command ―AT+IFC=2,2‖ is used to enable hardware flow control. AT
command ―AT+IFC=0,0‖ is used to disable the hardware flow control. For more details, please refer to the
document [1].
The Debug Port:
DBG_TXD: Send data to the COM port of computer.
DBG_RXD: Receive data from the COM port of computer.
NOTE
NOTE

GSM/GPRS Module Series
M35 User Manual
M35_User_Manual Confidential / Released 38 / 85
The logic levels are described in the following table.
Table 7: Logic Levels of the UART Interfaces
Table 8: Pin Definition of the UART Interfaces
1. 1) DTR pin can be used as SIM1_PRESENCE pin via ―AT+QSIMDET‖ command.
2. 2) When using the SIM2 interface, DCD pin can be used as SIM2_RST pin. For more details, please
refer to the document [6].
3. 3) When using the PCM interface, RI pin can be used as PCM_CLK.
Parameter
Min.
Max.
Unit
VIL
0
0.25×VDD_EXT
V
VIH
0.75×VDD_EXT
VDD_EXT +0.2
V
VOL
0
0.15×VDD_EXT
V
VOH
0.85×VDD_EXT
VDD_EXT
V
Interfaces
Pin No.
Pin Name
Description
Alternate Function
Debug Port
14
DBG_RXD
Receive data
15
DBG_TXD
Transmit data
UART Port
20
1)DTR
Data terminal ready
SIM1_PRESENCE
21
RXD
Receive data
22
TXD
Transmit data
23
CTS
Clear to send
24
RTS
Request to send
25
2)DCD
Data carrier detection
SIM2_RST
26
3)RI
Ring indication
PCM_CLK
NOTE

GSM/GPRS Module Series
M35 User Manual
M35_User_Manual Confidential / Released 39 / 85
3.7.1. UART Port
3.7.1.1. The Features of UART Port
Seven lines on UART interface.
Contain data lines TXD and RXD, hardware flow control lines RTS and CTS, other control lines DTR,
DCD and RI.
Used for AT command, GPRS data, etc. Multiplexing function is supported on the UART Port. So far
only the basic mode of multiplexing is available.
Support the communication baud rates as the following:
300, 600, 1200, 2400, 4800, 9600, 14400, 19200, 28800, 38400, 57600 and 115200.
The default setting is autobauding mode. Support the following baud rates for Autobauding function:
4800, 9600, 19200, 38400, 57600 and 115200.
The module disables hardware flow control by default. AT command ―AT+IFC=2,2‖ is used to enable
hardware flow control.
After setting a fixed baud rate or autobauding, please send ―AT‖ string at that rate. The UART port is
ready when it responds ―OK‖.
Autobauding allows the module to detect the baud rate by receiving the string ―AT‖ or ―at‖ from the host or
PC automatically, which gives module flexibility without considering which baud rate is used by the host
controller. Autobauding is enabled by default. To take advantage of the autobauding mode, special
attention should be paid according to the following requirements:
1. Synchronization between DTE and DCE:
When DCE (the module) powers on with the autobauding enabled, it is recommended to wait 4 to 5
seconds before sending the first AT character. After receiving the ―OK‖ response, DTE and DCE are
correctly synchronized.
If the host controller needs URC in the mode of autobauding, it must be synchronized firstly. Otherwise
the URC will be discarded.
2. Restrictions on autobauding operation:
The UART port has to be operated at 8 data bits, no parity and 1 stop bit (factory setting).
Only the strings ―AT‖ or ―at‖ can be detected (neither ―At‖ nor ―aT‖).
The Unsolicited Result Codes like ―RDY‖, ―+CFUN: 1‖ and ―+CPIN: READY‖ will not be indicated
when the module is turned on with autobauding enabled and not be synchronized.
Any other Unsolicited Result Codes will be sent at the previous baud rate before the module detects
the new baud rate by receiving the first ―AT‖ or ―at‖ string. The DTE may receive unknown characters
after switching to new baud rate.
It is not recommended to switch to autobauding from a fixed baud rate.

GSM/GPRS Module Series
M35 User Manual
M35_User_Manual Confidential / Released 40 / 85
If autobauding is active it is not recommended to switch to multiplex mode.
To assure reliable communication and avoid any problems caused by undetermined baud rate between
DCE and DTE, it is strongly recommended to configure a fixed baud rate and save it instead of using
autobauding after start-up. For more details, please refer to the Section ―AT+IPR‖ in document [1].
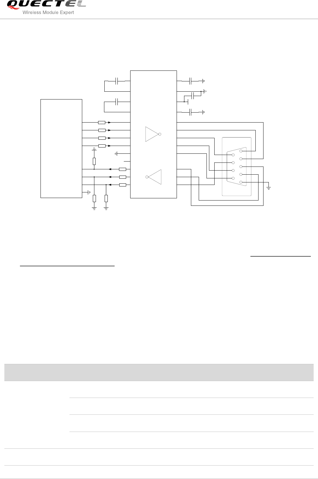
3.7.1.2. The Connection of UART
The connection between module and host using UART Port is very flexible. Three connection styles are
illustrated as below.
Reference design for Full-Function UART connection is shown as below when it is applied in
modulation-demodulation.
TXD
RXD
RTS
CTS
DTR
DCD
RI
TXD
RXD
RTS
CTS
DTR
DCD
RING
Module (DCE)
Serial portUART port
GND GND
PC (DTE)
Figure 17: Reference Design for Full-Function UART
NOTE

GSM/GPRS Module Series
M35 User Manual
M35_User_Manual Confidential / Released 41 / 85
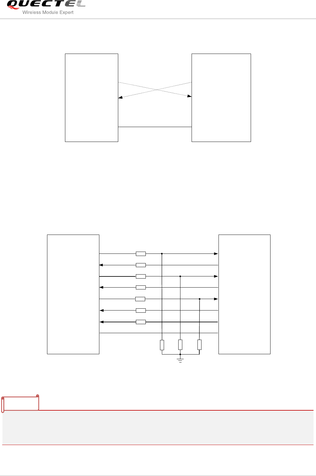
Three-line connection is shown as below.
TXD
RXD
GND
UART port
RTS 0R
TXD
RXD
GND
Module (DCE) Host (DTE)
Controller
Figure 18: Reference Design for UART Port
UART Port with hardware flow control is shown as below. This connection will enhance the reliability of
the mass data communication.
RTS
CTS
RTS
CTS
GND
RXD
TXD TXD
RXD
GND
Module (DCE) Host (DTE)
Controller
Figure 19: Reference Design for UART Port with Hardware Flow Control

GSM/GPRS Module Series
M35 User Manual
M35_User_Manual Confidential / Released 42 / 85
3.7.1.3. Firmware Upgrade
The TXD, RXD can be used to upgrade firmware. The PWRKEY pin must be pulled down before firmware
upgrade. The reference circuit is shown as below:
IO Connector
TXD
RXD
GND
PWRKEY
Module (DCE)
UART port
TXD
RXD
GND
PWRKEY
Figure 20: Reference Design for Firmware Upgrade
The firmware of module might need to be upgraded due to certain reasons. It is recommended to reserve
these pins in the host board for firmware upgrade.
3.7.2. Debug Port
As to Debug Port, there are two working modes, Standard Mode and Advanced Mode, which can be
switched through using AT command‖ AT+QEAUART‖. For more details, please refer to the document
[7].
In Standard Mode, it can be used to execute software debug and it can also connect to a peripheral
device. Furthermore, its default baud rate is 115200bps.
In Advanced Mode, it can only be used to execute software debug, capture the system’s log with Cather
Log tool and output the log. In this mode, its baud rate is 460800bps.
NOTE

GSM/GPRS Module Series
M35 User Manual
M35_User_Manual Confidential / Released 43 / 85
The reference design for Debug Port is shown as below.
Peripheral
TXD
RXD
GND
Module
DBG_TXD
DBG_RXD
GND
Figure 21: Reference Design for Debug Port
3.7.3. UART Application
The reference design of 3.3V level match is shown as below. If the host is a 3V system, please change
the 5.6K resistor to 10K.
Peripheral
/TXD
/RXD
1K
TXD
RXD
RTS
CTS
DTR
RI
/RTS
/CTS
GPIO
EINT
GPIO DCD
Module
1K
1K
Voltage level:3.3V
5.6K
5.6K
5.6K
1K
1K
1K
1K
GND GND
Figure 22: Level Match Design for 3.3V System
It is highly recommended to add the resistor divider circuit on the UART signal lines when the host’s level
is 3V or 3.3V. For the higher voltage level system, a level shifter IC could be used between the host and
the module. For more details about UART circuit design, please refer to document [8].
NOTE

GSM/GPRS Module Series
M35 User Manual
M35_User_Manual Confidential / Released 44 / 85
The following circuit shows a reference design for the communication between module and PC. Since the
electrical level of module is 2.8V, so a RS-232 level shifter must be used. Note that you should assure the
IO voltage of level shifter which connects to module is 2.8V.
TXD
RXD
RTS
CTS
DTR
RI
DCD
Module
GND
C1+
C1-
C2+
C2-
V+
VCC
GND
V-
3.3V
T1IN
T2IN
T3IN
T4IN
R1IN
R2IN
R3IN
R1OUT
R2OUT
R3OUT
T1OUT
T2OUT
T5OUT
T3OUT
T4OUT
T5IN
GND
GND
/R1OUT
1
2
3
4
5
6
7
8
9
GND
To PC Serial Port
GND
1K
1K
1K
1K
1K
5.6K5.6K
1K
1K
5.6K
RS-232 Level Shifter
Figure 23: Sketch Map for RS-232 Interface Match
Please visit vendor web site to select the suitable RS-232 level shifter IC, such as: http://www.exar.com/
and http://www.maximintegrated.com.
3.8. Audio Interfaces
The module provides two analogy input channels and two analogy output channels.
Table 9: Pin Definition of Audio Interface
Interfaces
Name
Pin NO.
Description
AIN1/AOUT1
MIC1P
4
Channel 1 Microphone positive input
MIC1N
5
Channel 1 Microphone negative input
SPK1P
7
Channel 1 Audio positive output
SPK1N
6
Channel 1 Audio negative output
AIN2/AOUT2
AGND
1
Form a pseudo-differential pair with SPK2P

GSM/GPRS Module Series
M35 User Manual
M35_User_Manual Confidential / Released 45 / 85
AIN1 and AIN2 can be used for input of microphone and line. An electret microphone is usually used.
AIN1 and AIN2 are both differential input channels.
AOUT1 is used for output of the receiver. This channel is typically used for a receiver built into a handset.
AOUT1 channel is a differential channel. If it is used as a speaker, an amplifier should be employed.
AOUT2 is used for loudspeaker output as it embedded an amplifier of class AB whose maximum drive
power is 870mW. AOUT2 is a differential channel.
AOUT2 also can be used for output of earphone, which can be used as a single-ended channel.
LOUDSPKP and AGND can establish a pseudo differential mode.
All of these two audio channels support voice and ringtone output, and so on, and can be switched by
―AT+QAUDCH‖ command. For more details, please refer to the document [1].
Use AT command ―AT+QAUDCH‖ to select audio channel:
0--AIN1/AOUT1, the default value is 0.
1--AIN2/AOUT2, this channel is always used for earphone.
2--AIN2/AOUT2, this channel is always used for loudspeaker.
For each channel, you can use AT+QMIC to adjust the input gain level of microphone. You can also use
―AT+CLVL‖ to adjust the output gain level of receiver and speaker. ―AT+QSIDET‖ is used to set the
side-tone gain level. For more details, please refer to the document [1].
Table 10: AOUT2 Output Characteristics
MIC2P
2
Channel 2 Microphone positive input
MIC2N
3
Channel 2 Microphone negative input
LOUDSPKP
9
Channel 2 Audio positive output
LOUDSPKN
8
Channel 2 Audio negative output
Item
Condition
Min.
Type
Max.
Unit
RMS Power
8ohm load
VBAT=4.2v
THD+N=1%
870
mW
8ohm load
VBAT=3.3v
THD+N=1%
530
mW

GSM/GPRS Module Series
M35 User Manual
M35_User_Manual Confidential / Released 46 / 85
3.8.1. Decrease TDD Noise and Other Noise
The 33pF capacitor is applied for filtering out 900MHz RF interference when the module is transmitting at
EGSM900MHz. Without placing this capacitor, TDD noise could be heard. Moreover, the 10pF capacitor
here is for filtering out 1800MHz RF interference. However, the resonant frequency point of a capacitor
largely depends on the material and production technique. Therefore, you would have to discuss with its
capacitor vendor to choose the most suitable capacitor for filtering out GSM850MHz, EGSM900MHz,
DCS1800MHz and PCS1900MHz separately.
The severity degree of the RF interference in the voice channel during GSM transmitting period largely
depends on the application design. In some cases, EGSM900 TDD noise is more severe; while in other
cases, DCS1800 TDD noise is more obvious. Therefore, you can have a choice based on test results.
Sometimes, even no RF filtering capacitor is required.
The capacitor which is used for filtering out RF noise should be close to audio interface. Audio alignment
should be as short as possible.
In order to decrease radio or other signal interference, the position of RF antenna should be kept away
from audio interface and audio alignment. Power alignment and audio alignment should not be parallel,
and power alignment should be far away from audio alignment.
The differential audio traces have to be placed according to the differential signal layout rule.
3.8.2. Microphone Interfaces Design
AIN1 and AIN2 channels come with internal bias supply for external electret microphone. A reference
circuit is shown in the following figure.
MICP
Differential
layout
Module 10pF 33pF
33pF
33pF
GND
GND
Electret
Microphone
GND
GND
10pF
10pF
GND
GND
ESD
ESD
Close to Module
MICN
GND
GND
Close to
Microphone
0603
0603
0603
0603
0603
0603
33pF
0603
33pF
0603
33pF
0603
10pF
0603
10pF
0603
10pF
0603
Figure 24: Reference Design for AIN1&AIN2

GSM/GPRS Module Series
M35 User Manual
M35_User_Manual Confidential / Released 47 / 85
3.8.3. Receiver Interface Design
SPK1P
SPK1N
Differential layout
Module
10pF
0603
Close to speaker
GND
ESD
33pF
0603
33pF
0603
GND
10pF
0603 ESD
10pF
0603
33pF
0603
Figure 25: Reference Interface Design of AOUT1
3.8.4. Earphone Interface Design
1
2
4
3
Amphenol
9001-8905-050
MIC2P
22uF
68R
33pF
GND GND
AGND
Close to Socket
AGND
33pF
10pF
GND GND
GND
GND
AGND
Module
4.7uF
LOUDSPKP
Close to Module
GND
GND
33pF
33pF
Differential
layout
33pF
MIC2N
0R
0603
0603
0603 0603
0603
0603
0603
10pF ESD
ESD
10pF
10pF
10pF
0603
0603
0603
Figure 26: Earphone Interface Design

GSM/GPRS Module Series
M35 User Manual
M35_User_Manual Confidential / Released 48 / 85
3.8.5. Loud Speaker Interface Design
LOUDSPKN
0R
0R
LOUDSPKP
8 ohm
Module
GND GND
GND
Close to Speaker
10pF 33pF
33pF
10pF
10pF 33pF
GND GND
GND
Differential
layout
0603
0603
0603
0603
0603
0603 ESD
ESD
Figure 27: Loud Speaker Interface Design
3.8.6. Audio Characteristics
Table 11: Typical Electret Microphone Characteristics
Table 12: Typical Speaker Characteristics
Parameter
Min.
Typ.
Max.
Unit
Working Voltage
1.2
1.5
2.0
V
Working Current
200
500
uA
External Microphone Load Resistance
2.2
k Ohm
Parameter
Min.
Typ.
Max.
Unit
AOUT1
Output
Single-ended
Load resistance
32
Ohm
Ref level
0
2.4
Vpp
Differential
Load resistance
32
Ohm

GSM/GPRS Module Series
M35 User Manual
M35_User_Manual Confidential / Released 49 / 85
3.9. PCM Interface
Pulse-code modulation (PCM) is a converter that changes the consecutive analog audio signal to discrete
digital signal. The whole procedure of Pulse-code modulation contains sampling, quantizing and
encoding.
M35 supports PCM interface. It is used for digital audio transmission between the module and the device.
This interface is composed of PCM_CLK, PCM_SYNC, PCM_IN and PCM_OUT signal lines.
The module disables PCM interface by default. AT command ―AT+QPCMON‖ is used to configure PCM
interface.
Table 13: Pin Definition of PCM Interface
1) When using the PCM interface, STATUS pin can be used as PCM_SYNC pin, RI pin can be used as
PCM_CLK pin.
Ref level
0
4.8
Vpp
AOUT2
Output
Differential
Load resistance
8
Load Resistance
Reference level
0
2×VBAT
Vpp
Single-ended
Load resistance
8
Load Resistance
Reference level
0
VBAT
Vpp
Pin NO.
Pin Name
Description
1)Alternate Function
12
PCM_SYNC
PCM frame synchronization output
STATUS
26
PCM_CLK
PCM clock output
RI
41
PCM_OUT
PCM data output
42
PCM_IN
PCM data input
NOTE

GSM/GPRS Module Series
M35 User Manual
M35_User_Manual Confidential / Released 50 / 85
3.9.1. Configuration
M35 module supports 13-bit line code PCM format. The sample rate is 8 KHz, and the clock source is 256
KHz, and the module can only act as master mode. The PCM interface supports both long and short
synchronization simultaneously. Furthermore, it only supports MSB first. For detailed information, please
refer to the table below.
Table 14: Configuration
3.9.2. Timing
The sample rate of the PCM interface is 8 KHz and the clock source is 256 KHz, so every frame contains
32 bits data, since M35 supports 16 bits line code PCM format, the left 16 bits are invalid. The following
diagram shows the timing of different combinations. The synchronization length in long synchronization
format can be programmed by firmware from one bit to eight bits. In the Sign extension mode, the high
three bits of 16 bits are sign extension, and in the Zero padding mode, the low three bits of 16 bits are
zero padding.
Under zero padding mode, you can configure the PCM input and output volume by executing
―AT+QPCMVOL‖ command. For more details, please refer to Chapter 3.9.4.
PCM
Line Interface Format
Linear
Data Length
Linear: 13 bits
Sample Rate
8KHz
PCM Clock/Synchronization Source
PCM master mode: clock and synchronization is
generated by module
PCM Synchronization Rate
8KHz
PCM Clock Rate
PCM master mode: 256 KHz (line)
PCM Synchronization Format
Long/short synchronization
PCM Data Ordering
MSB first
Zero Padding
Yes
Sign Extension
Yes

GSM/GPRS Module Series
M35 User Manual
M35_User_Manual Confidential / Released 51 / 85
12 11 10 9 8 7 6 5 4 3 2 1 0
12 11 10 9 8 7 6 5 4 3 2 1 0
PCM_CLK
PCM_SYNC
PCM_OUT
PCM_IN
MSB
MSB
Sign
extension
Sign
extension
Figure 28: Long Synchronization & Sign Extension Diagram
12 11 10 9 8 7 6 5 4 3 2 1 0
12 11 10 9 8 7 6 5 4 3 2 1 0
PCM_CLK
PCM_SYNC
PCM_OUT
PCM_IN
MSB
MSB
Zero padding
Zero padding
Figure 29: Long Synchronization & Zero Padding Diagram
PCM_CLK
PCM_SYNC
PCM_OUT
PCM_IN
12 11 10 9 8 7 6 5 4 3 2 1 0
12 11 10 9 8 7 6 5 4 3 2 1 0
MSB
MSB
Sign extension
Sign extension
Figure 30: Short Synchronization & Sign Extension Diagram

GSM/GPRS Module Series
M35 User Manual
M35_User_Manual Confidential / Released 52 / 85
PCM_CLK
PCM_SYNC
PCM_OUT
PCM_IN
12 11 10 9 8 7 6 5 4 3 2 1 0
12 11 10 9 8 7 6 5 4 3 2 1 0
MSB
MSB
Zero padding
Zero padding
Figure 31: Short Synchronization & Zero Padding Diagram
3.9.3. Reference Design
M35 can only work as a master, providing synchronization and clock source. The reference design is
shown as below.
PCM_SYNC
PCM_CLK
PCM_OUT
PCM_IN
PCM_SYNC
PCM_CLK
PCM_IN
PCM_OUT
Module
(Master)
Peripheral
(Slave)
Figure 32: Reference Design for PCM
3.9.4. AT Command
There are two AT commands about the configuration of PCM, listed as below.
―AT+QPCMON‖ can configure operating mode of PCM.
AT+QPCMON=mode, Sync_Type, Sync_Length, SignExtension, MSBFirst.

GSM/GPRS Module Series
M35 User Manual
M35_User_Manual Confidential / Released 53 / 85
Table 15: QPCMON Command Description
―AT+QPCMVOL‖ can configure the volume of input and output.
AT+QPCMVOL=vol_pcm_in, vol_pcm_out
Table 16: QPCMVOL Command Description
3.10. SIM Card Interfaces
The module contains two smart interfaces to allow module access to the two SIM cards. These two SIM
interfaces share the same ground and only SIM1 interface has card inserted detection. Only one SIM card
can work at a time. For more details, please refer to the document [6].
3.10.1. SIM Card Application
The SIM interfaces supports the functionality of the GSM Phase 1 specification and also supports the
functionality of the new GSM Phase 2+ specification for FAST 64 kbps SIM card, which is intended for
use with a SIM application Tool-kit.
Parameter
Scope
Description
Mode
0~2
0: Close PCM
1: Open PCM
2: Open PCM when audio talk is set up
Sync_Type
0~1
0: Short synchronization
1: Long synchronization
Sync_Length
1~8
Programmed from one bit to eight bit
SignExtension
0~1
0: Zero padding
1: Sign extension
MSBFirst
0~1
0: MSB first
1: Not support
Parameter
Scope
Description
vol_pcm_in
0~32767
Set the input volume
vol_pcm_out
0~32767
Set the output volume
The voice may be distorted when this value exceeds 16384.

GSM/GPRS Module Series
M35 User Manual
M35_User_Manual Confidential / Released 54 / 85
The SIM interfaces are powered by an internal regulator in the module. Both 1.8V and 3.0V SIM Cards
are supported.
Table 17: Pin Definition of the SIM Interfaces
1) If several interfaces share the same I/O pin, to avoid conflict between these alternate functions, only one
peripheral should be enabled at a time.
Pin NO.
Name
Description
1)Alternate
Function
27
SIM1_VDD
Supply power for SIM1 card. Automatic detection of
SIM1 card voltage. 3.0V±5% and 1.8V±5%.
Maximum supply current is around 10mA.
30
SIM1_CLK
SIM1 card clock.
29
SIM1_DATA
SIM1 card data I/O.
28
SIM1_RST
SIM1 card reset.
20
SIM1_PRESENCE
SIM1 card detection.
DTR
31
SIM_GND
SIM card ground.
18
SIM2_VDD
Supply power for SIM2 card. Automatic detection of
SIM2 card voltage. 3.0V±5% and 1.8V±5%.
Maximum supply current is around 10mA.
17
SIM2_CLK
SIM2 card clock.
16
SIM2_DATA
SIM2 card data I/O.
25
SIM2_RST
SIM2 card reset.
DCD
NOTE

GSM/GPRS Module Series
M35 User Manual
M35_User_Manual Confidential / Released 55 / 85
The following figure is the reference design for SIM1 interface.
VDD_EXT
Module
SIM1_VDD
SIM_GND
SIM1_RST
SIM1_CLK
SIM1_DATA
SIM1_PRESENCE
22R
22R
22R
10K
100nF SIM_Holder
GND
GND
TVS
33pF33pF 33pF33pF
VCC
RST
CLK IO
VPP
GND
GND
Figure 33: Reference Circuit for SIM1 Interface with 8-pin SIM Card Holder
If SIM1 card detection function is not used, keep SIM1_PRESENCE pin open. The reference circuit for a
6-pin SIM card socket is illustrated as the following figure.
Module
SIM1_VDD
SIM_GND
SIM1_RST
SIM1_CLK
SIM1_DATA
SIM1_PRESENCE
22R
22R
22R
100nF SIM_Holder
GND
TVS
33pF33pF 33pF
VCC
RST
CLK IO
VPP
GND
GND
33pF
Figure 34: Reference Circuit for SIM1 Interface with the 6-pin SIM Card Holder

GSM/GPRS Module Series
M35 User Manual
M35_User_Manual Confidential / Released 56 / 85
The following figure is the reference design for SIM2 interface with the 6-pin SIM card holder.
Module
SIM2_VDD
SIM_GND
SIM2_RST
SIM2_CLK
SIM2_DATA 22R
22R
22R
100nF SIM_Holder
GND
TVS
33pF33pF 33pF
VCC
RST
CLK IO
VPP
GND
GND
33pF
Figure 35: Reference Circuit for SIM2 Interface with the 6-pin SIM Card Holder
For more information of SIM card holder, you can visit http://www.amphenol.com and
http://www.molex.com.
In order to enhance the reliability and availability of the SIM card in application. Please follow the below
criteria in the SIM circuit design.
Keep layout of SIM card as close as possible to the module. Assure the possibility of the length of the
trace is less than 200mm.
Keep SIM card signal away from RF and VBAT alignment.
Assure the ground between module and SIM cassette short and wide. Keep the width of ground no
less than 0.5mm to maintain the same electric potential. The decouple capacitor of SIM_VDD is less
than 1uF and must be near to SIM cassette.
To avoid cross talk between SIM_DATA and SIM_CLK. Keep them away with each other and shield
them with surrounded ground
In order to offer good ESD protection, it is recommended to add a TVS diode array. For more
information of TVS diode, you can visit http://www.onsemi.com/. The most important rule is to place
your ESD protection device close to the SIM card socket and make sure the net being protected will
go through the ESD device first and then lead to module. The 22Ω resistors should be connected in
series between the module and the SIM card so as to suppress the EMI spurious transmission and
enhance the ESD protection. Please to be noted that the SIM peripheral circuit should be close to the
SIM card socket.
Place the RF bypass capacitors (33pF) close to the SIM card on all signals line for improving EMI.

GSM/GPRS Module Series
M35 User Manual
M35_User_Manual Confidential / Released 57 / 85
3.11. Behaviors of The RI
When using PCM interface, RI pin can be used as PCM_CLK.
Table 18: Behaviors of the RI
If URC of SMS is disabled, the RI will not change.
If the module is used as a caller, the RI would maintain high except the URC or SMS is received. On the
other hand, when it is used as a receiver, the timing of the RI is shown as below.
RI
Idle Ring
Off-hook by“ATA”
On-hook by “ATH”
HIGH
LOW
Figure 36: RI Behavior of Voice Calling as a Receiver
State
RI Response
Standby
HIGH
Voice Calling
Change to LOW, then:
1. Change to HIGH when call is established.
2. Use ATH to hang up the call, RI changes to HIGH.
3. Calling part hangs up, RI changes to HIGH first, and changes to LOW for
120ms indicating ―NO CARRIER‖ as an URC, then changes to HIGH again.
4. Change to HIGH when SMS is received.
SMS
When a new SMS comes, the RI changes to LOW and holds low level for about
120ms, then changes to HIGH.
URC
Certain URCs can trigger 120ms low level on RI. For more details, please refer to
the document [1].
NOTE

GSM/GPRS Module Series
M35 User Manual
M35_User_Manual Confidential / Released 58 / 85
RI
Idle Calling On-hook
Talking
HIGH
LOW
Idle
Figure 37: RI Behavior as a Caller
RI
Idle or
Talking
URC or
SMS received
HIGH
LOW
120ms
Figure 38: RI Behavior of URC or SMS Received
3.12. Network Status Indication
The NETLIGHT signal can be used to drive a network status indicator LED. The working state of this pin
is listed in the following table.
Table 19: Working State of the NETLIGHT
State
Module Function
Off
The module is not running.
64ms On/800ms Off
The module is not synchronized with network.
64ms On/2000ms Off
The module is synchronized with network.
64ms On/600ms Off
The GPRS data transmission after dialing the PPP connection.

GSM/GPRS Module Series
M35 User Manual
M35_User_Manual Confidential / Released 59 / 85
A reference circuit is shown as below.
Module
NETLIGHT 4.7K
47K
300R
VBAT
Figure 39: Reference Design for NETLIGHT
3.13. Operating Status Indication
The STATUS pin will output a high level after the module being turned on. but it is not recommended
connecting this pin to a MCU’s GPIO to judge whether the module is turn-on or not. The following LED
indicator circuit for STATUS pin can be used to indicate the state after the module has been turned on.
Table 20: Pin Definition of the STATUS
1) When using PCM interface, STATUS pin can be used as PCM_SYNC.
Name
Pin
Description
1)Alternate Function
STATUS
12
Indicate module operating status
PCM_SYNC
NOTE

GSM/GPRS Module Series
M35 User Manual
M35_User_Manual Confidential / Released 60 / 85
Module
STATUS 4.7K
47K
300R
VBAT
Figure 40: Reference Design for STATUS

GSM/GPRS Module Series
M35 User Manual
M35_User_Manual Confidential / Released 61 / 85
4 Antenna Interface
The Pin 39 is the RF antenna pad. The RF interface has an impedance of 50Ω.
Table 21: Pin Definition of the RF_ANT
4.1. RF Reference Design
The reference design for RF is shown as below.
Module
RF_ANT
0R
NM NM
Figure 41: Reference Design for RF
M35 provides an RF antenna pad for antenna connection. The RF trace in host PCB connected to the
module RF antenna pad should be coplanar waveguide line or microstrip line, whose characteristic
impedance should be close to 50Ω. M35 comes with grounding pads which are next to the antenna pad in
Name
Pin
Description
GND
37
Ground
GND
38
Ground
RF_ANT
39
RF antenna pad
GND
40
Ground

GSM/GPRS Module Series
M35 User Manual
M35_User_Manual Confidential / Released 62 / 85
order to give a better grounding. Besides, a π-type match circuit is suggested to be used to adjust the RF
performance.
4.2. RF Output Power
Table 22: The Module Conducted RF Output Power
In GPRS 4 slots TX mode, the max output power is reduced by 2.5dB. This design conforms to the GSM
specification as described in section 13.16 of 3GPP TS 51.010-1.
4.3. RF Receiving Sensitivity
Table 23: The Module Conducted RF Receiving Sensitivity
Frequency
Max.
Min.
GSM850
33dBm±2dB
5dBm±5dB
EGSM900
33dBm±2dB
5dBm±5dB
DCS1800
30dBm±2dB
0dBm±5dB
PCS1900
30dBm±2dB
0dBm±5dB
Frequency
Receive Sensitivity
GSM850
< -109dBm
EGSM900
< -109dBm
DCS1800
< -109dBm
PCS1900
< -109dBm
NOTE

GSM/GPRS Module Series
M35 User Manual
M35_User_Manual Confidential / Released 63 / 85
4.4. Operating Frequencies
Table 24: The Module Operating Frequencies
4.5. Antenna Requirement
The following table shows the requirement on GSM antenna.
Table 25: Antenna Cable Requirements
Type
Requirements
GSM850/EGSM900
Cable insertion loss <1dB
DCS1800/PCS1900
Cable insertion loss <1.5dB
Table 26: Antenna Requirements
Type
Requirements
Frequency Range
GSM850/EGSM900/DCS1800/PCS1900MHz.
VSWR
≤ 2
Gain (dBi)
1
Max Input Power (W)
50
Input Impedance (Ω)
50
Polarization Type
Vertical
Frequency
Receive
Transmit
ARFCH
GSM850
869~894MHz
824~849MHz
128~251
EGSM900
925~960MHz
880~915MHz
0~124, 975~1023
DCS1800
1805~1880MHz
1710~1785MHz
512~885
PCS1900
1930~1990MHz
1850~1910MHz
512~810

GSM/GPRS Module Series
M35 User Manual
M35_User_Manual Confidential / Released 64 / 85
4.6. RF Cable Soldering
Soldering the RF cable to RF pad of module correctly will reduce the loss on the path of RF, please refer
to the following example of RF soldering.
Figure 42: RF Soldering Sample

GSM/GPRS Module Series
M35 User Manual
M35_User_Manual Confidential / Released 65 / 85
5 Electrical, Reliability and Radio
Characteristics
5.1. Absolute Maximum Ratings
Absolute maximum ratings for power supply and voltage on digital and analog pins of module are listed in
the following table:
Table 27: Absolute Maximum Ratings
5.2. Operating Temperature
The operating temperature is listed in the following table:
Table 28: Operating Temperature
Parameter
Min.
Max.
Unit
VBAT
-0.3
+4.73
V
Peak Current of Power Supply
0
2
A
RMS Current of Power Supply (during one TDMA- frame)
0
0.7
A
Voltage at Digital Pins
-0.3
3.08
V
Voltage at Analog Pins
-0.3
3.08
V
Voltage at Digital/analog Pins in Power Down Mode
-0.25
0.25
V
Parameter
Min.
Typ.
Max.
Unit
Normal Temperature
-35
+25
+80
℃

GSM/GPRS Module Series
M35 User Manual
M35_User_Manual Confidential / Released 66 / 85
1) When the module works within this temperature range, the deviation from the GSM specification may
occur. For example, the frequency error or the phase error will be increased.
5.3. Power Supply Ratings
Table 29: The Module Power Supply Ratings
Restricted Operation1)
-40 ~ -35
+80 ~ +85
℃
Storage Temperature
-45
+90
℃
Parameter
Description
Conditions
Min.
Typ.
Max.
Unit
VBAT
Supply voltage
Voltage must stay within the
min/max values, including
voltage drop, ripple, and
spikes.
3.3
4.0
4.6
V
Voltage drop
during
transmitting
burst
Maximum power control level
on GSM850 and EGSM900.
400
mV
IVBAT
Average supply
current
Power down mode
SLEEP mode @DRX=5
150
1.3
uA
mA
Minimum functionality mode
AT+CFUN=0
IDLE mode
SLEEP mode
AT+CFUN=4
IDLE mode
SLEEP mode
13
0.98
13
1.0
mA
mA
mA
mA
TALK mode
GSM850/EGSM9001)
DCS1800/PCS19002)
223/219
153/151
mA
mA
DATA mode, GPRS (3Rx,2Tx)
GSM850/EGSM9001)
DCS1800/PCS19002)
363/393
268/257
mA
mA
DATA mode, GPRS(2 Rx,3Tx)
GSM850/EGSM9001)
DCS1800/PCS19002)
506/546
366/349
mA
mA
NOTE

GSM/GPRS Module Series
M35 User Manual
M35_User_Manual Confidential / Released 67 / 85
1. 1) Power control level PCL 5.
2. 2) Power control level PCL 0.
3. Under the EGSM900 spectrum,the power of 1Rx and 4Tx has been reduced.
5.4. Current Consumption
The values of current consumption are shown as below.
Table 30: The Module Current Consumption
DATA mode, GPRS (4Rx,1Tx)
GSM850/EGSM9001)
DCS1800/PCS19002)
217/234
172/170
mA
mA
DATA mode, GPRS (1Rx,4Tx)
GSM850/EGSM9001)
DCS1800/PCS19002)
458/485
462/439
mA
mA
Peak supply
current (during
transmission
slot)
Maximum power control level
on GSM850 and EGSM900.
1.6
2
A
Condition
Current Consumption
Voice Call
GSM850
@power level #5 <300mA, Typical 223mA
@power level #12, Typical 83mA
@power level #19, Typical 62mA
EGSM900
@power level #5 <300mA, Typical 219mA
@power level #12, Typical 83mA
@power level #19, Typical 63mA
DCS1800
@power level #0 <250mA, Typical 153mA
@power level #7, Typical 73mA
@power level #15, Typical 60mA
PCS1900
@power level #0 <250mA, Typical 151mA
@power level #7, Typical 76mA
@power level #15, Typical 61mA
GPRS Data
NOTE

GSM/GPRS Module Series
M35 User Manual
M35_User_Manual Confidential / Released 68 / 85
GPRS Class 10 is the default setting. The module can be configured from GPRS Class 1 to Class 10.
Setting to lower GPRS class would make it easier to design the power supply for the module.
5.5. Electro-static Discharge
Although the GSM engine is generally protected against Electro-static Discharge (ESD), ESD protection
precautions should still be emphasized. Proper ESD handling and packaging procedures must be applied
throughout the processing, handling and operation of any applications using the module.
The measured ESD values of module are shown as the following table:
DATA Mode, GPRS ( 3 Rx, 2Tx ) CLASS 10
GSM850
@power level #5 <550mA, Typical 363mA
@power level #12, Typical 131mA
@power level #19, Typical 91mA
EGSM900
@power level #5 <550mA, Typical 393mA
@power level #12, Typical 132mA
@power level #19, Typical 92mA
DCS1800
@power level #0 <450mA, Typical 268mA
@power level #7, Typical 112mA
@power level #15, Typical 88mA
PCS1900
@power level #0 <450mA, Typical 257mA
@power level #7, Typical 119mA
@power level #15, Typical 89mA
DATA Mode, GPRS ( 4 Rx,1Tx ) CLASS 10
GSM850
@power level #5 <350mA, Typical 216mA
@power level #12, Typical 103mA
@power level #19, Typical 83mA
EGSM900
@power level #5 <350mA, Typical 233mA
@power level #12, Typical 104mA
@power level #19, Typical 84mA
DCS1800
@power level #0 <300mA, Typical 171mA
@power level #7, Typical 96mA
@power level #15, Typical 82mA
PCS1900
@power level #0 <300mA, Typical 169mA
@power level #7, Typical 98mA
@power level #15, Typical 83mA
NOTE

GSM/GPRS Module Series
M35 User Manual
M35_User_Manual Confidential / Released 69 / 85
Table 31: The ESD Endurance (Temperature: 25ºC , Humidity: 45%)
Tested Point
Contact Discharge
Air Discharge
VBAT,GND
±5KV
±10KV
RF_ANT
±5KV
±10KV
TXD, RXD
±2KV
±4KV
Others
±0.5KV
±1KV

GSM/GPRS Module Series
M35 User Manual
M35_User_Manual Confidential / Released 70 / 85
6 Mechanical Dimensions
This chapter describes the mechanical dimensions of the module.
6.1. Mechanical Dimensions of Module
Figure 43: M35 Module Top and Side Dimensions (Unit: mm)

GSM/GPRS Module Series
M35 User Manual
M35_User_Manual Confidential / Released 71 / 85
1
Figure 44: M35 Module Bottom Dimensions (Unit: mm)

GSM/GPRS Module Series
M35 User Manual
M35_User_Manual Confidential / Released 72 / 85
6.2. Recommended Footprint
frame line
B
B
A
A
frame line
Silksreen Silksreen
Figure 45: Recommended Footprint (Unit: mm)
The module should keep about 3mm away from other components in the host PCB.
NOTE

GSM/GPRS Module Series
M35 User Manual
M35_User_Manual Confidential / Released 73 / 85
6.3. Top View of the Module
Figure 46: Top View of the Module
6.4. Bottom View of the Module
Figure 47: Bottom View of the Module

GSM/GPRS Module Series
M35 User Manual
M35_User_Manual Confidential / Released 74 / 85
7 Storage and Manufacturing
7.1. Storage
M35 module is distributed in a vacuum-sealed bag. The restriction for storage is shown as below.
Shelf life in the vacuum-sealed bag: 12 months at environments of <40ºC temperature and <90%RH.
After the vacuum-sealed bag is opened, devices that need to be mounted directly must be:
Mounted within 72 hours at the factory environment of ≤30ºC temperature and <60% RH.
Stored at <10% RH.
Devices require baking before mounting, if any circumstance below occurs.
When the ambient temperature is 23ºC ±5 ºC , humidity indication card shows the humidity is >10%
before opening the vacuum-sealed bag.
If ambient temperature is <30ºC and the humidity is <60%, the devices have not been mounted
during 72hours.
Stored at >10% RH.
If baking is required, devices should be baked for 48 hours at 125ºC ±5 ºC .
As plastic container cannot be subjected to high temperature, devices must be removed prior to high
temperature (125ºC ) bake. If shorter bake times are desired, refer to the IPC/JEDECJ-STD-033 for bake
procedure.
7.2. Soldering
NOTE

GSM/GPRS Module Series
M35 User Manual
M35_User_Manual Confidential / Released 75 / 85
The squeegee should push the paste on the surface of the stencil that makes the paste fill the stencil
openings and penetrate to the PCB. The force on the squeegee should be adjusted so as to produce a
clean stencil surface on a single pass. To ensure the module soldering quality, the thickness of stencil at
the hole of the module pads should be 0.2 mm for M35. For more details, please refer to document [5].
It is suggested that peak reflow temperature is from 235ºC to 245ºC (for SnAg3.0Cu0.5 alloy). Absolute
max reflow temperature is 260ºC. To avoid damage to the module when it was repeatedly heated, it is
suggested that the module should be mounted after the first panel has been reflowed. The following
picture is the actual diagram which we have operated.
Time(s)
50 100 150 200 250 300
50
100
150
200
250
160℃
200℃
217
0
70s~120s
40s~60s
Between 1~3℃/S
Preheat Heating Cooling
℃
s
Liquids
Temperature
Figure 48: Ramp-Soak-Spike Reflow Profile
7.3. Packaging
The modules are stored inside a vacuum-sealed bag which is ESD protected. It should not be opened
until the devices are ready to be soldered onto the application.
7.3.1. Tape and Reel Packaging
The reel is 330mm in diameter and each reel contains 250 modules.

GSM/GPRS Module Series
M35 User Manual
M35_User_Manual Confidential / Released 76 / 85
Figure 49: Tape and Reel Specification

GSM/GPRS Module Series
M35 User Manual
M35_User_Manual Confidential / Released 77 / 85
PS
6
DETAIL:A
DETAIL:A
Figure 50: Dimensions of Reel
Table 32: Reel Packing
Model Name
MOQ for MP
Minimum Package: 250pcs
Minimum Package×4=1000pcs
M35
250pcs
Size: 370 × 350 × 56mm3
N.W: 0.63kg
G.W: 1.47kg
Size: 380 × 250 × 365mm3
N.W: 2.5kg
G.W: 6.4kg

GSM/GPRS Module Series
M35 User Manual
M35_User_Manual Confidential / Released 78 / 85
8 Appendix A Reference
Table 33: Related Documents
SN
Document Name
Remark
[1]
Quectel_M35_AT_Commands_Manual
AT commands manual
[2]
ITU-T Draft new recommendation V.25ter
Serial asynchronous automatic dialing and
control
[3]
GSM_UART_Application_Note
UART port application note
[4]
GSM_EVB_User_Guide
GSM EVB user guide
[5]
Module_Secondary_SMT_User_Guide
Module secondary SMT user guide
[6]
M35_Dual_SIM_Application_Notes_V3.0
M35 Dual SIM Application Notes
[7]
GSM_Multi_UART_Application_Note
M35 Multi UART Application Notes
[8]
Quectel_GSM_Module_Digital_IO_Application_Note
GSM module digital IO application note
[9]
GSM 07.07
Digital cellular telecommunications (Phase
2+); AT command set for GSM Mobile
Equipment (ME)
[10]
GSM 07.10
Support GSM 07.10 multiplexing protocol
[11]
GSM 07.05
Digital cellular telecommunications (Phase
2+); Use of Data Terminal Equipment –
Data Circuit terminating Equipment (DTE –
DCE) interface for Short Message Service
(SMS) and Cell Broadcast Service (CBS)
[12]
GSM 11.14
Digital cellular telecommunications (Phase
2+); Specification of the SIM Application
Toolkit for the Subscriber Identity module –
Mobile Equipment (SIM – ME) interface
[13]
GSM 11.11
Digital cellular telecommunications (Phase
2+); Specification of the Subscriber Identity
module – Mobile Equipment (SIM – ME)
interface

GSM/GPRS Module Series
M35 User Manual
M35_User_Manual Confidential / Released 79 / 85
Table 34: Terms and Abbreviations
[14]
GSM 03.38
Digital cellular telecommunications (Phase
2+); Alphabets and language-specific
information
[15]
GSM 11.10
Digital cellular telecommunications (Phase
2); Mobile Station (MS) conformance
specification; Part 1: Conformance
specification
Abbreviation
Description
ADC
Analog-to-Digital Converter
AMR
Adaptive Multi-Rate
ARP
Antenna Reference Point
ASIC
Application Specific Integrated Circuit
BER
Bit Error Rate
BOM
Bill of Material
BTS
Base Transceiver Station
CHAP
Challenge Handshake Authentication Protocol
CS
Coding Scheme
CSD
Circuit Switched Data
CTS
Clear To Send
DAC
Digital-to-Analog Converter
DRX
Discontinuous Reception
DSP
Digital Signal Processor
DCE
Data Communications Equipment (typically module)
DTE
Data Terminal Equipment (typically computer, external controller)
DTR
Data Terminal Ready
DTX
Discontinuous Transmission

GSM/GPRS Module Series
M35 User Manual
M35_User_Manual Confidential / Released 80 / 85
EFR
Enhanced Full Rate
EGSM
Enhanced GSM
EMC
Electromagnetic Compatibility
ESD
Electrostatic Discharge
ETS
European Telecommunication Standard
FCC
Federal Communications Commission (U.S.)
FDMA
Frequency Division Multiple Access
FR
Full Rate
GMSK
Gaussian Minimum Shift Keying
GPRS
General Packet Radio Service
GSM
Global System for Mobile Communications
G.W
Gross Weight
HR
Half Rate
I/O
Input/Output
IC
Integrated Circuit
IMEI
International Mobile Equipment Identity
Imax
Maximum Load Current
Inorm
Normal Current
kbps
Kilo Bits Per Second
LED
Light Emitting Diode
Li-Ion
Lithium-Ion
MO
Mobile Originated
MOQ
Minimum Order Quantity
MP
Manufacture Product
MS
Mobile Station (GSM engine)

GSM/GPRS Module Series
M35 User Manual
M35_User_Manual Confidential / Released 81 / 85
MT
Mobile Terminated
N.W
Net Weight
PAP
Password Authentication Protocol
PBCCH
Packet Switched Broadcast Control Channel
PCB
Printed Circuit Board
PDU
Protocol Data Unit
PPP
Point-to-Point Protocol
RF
Radio Frequency
RMS
Root Mean Square (value)
RTC
Real Time Clock
RX
Receive Direction
SIM
Subscriber Identification Module
SMS
Short Message Service
TDMA
Time Division Multiple Access
TE
Terminal Equipment
TX
Transmitting Direction
UART
Universal Asynchronous Receiver & Transmitter
URC
Unsolicited Result Code
USSD
Unstructured Supplementary Service Data
VSWR
Voltage Standing Wave Ratio
Vmax
Maximum Voltage Value
Vnorm
Normal Voltage Value
Vmin
Minimum Voltage Value
VIHmax
Maximum Input High Level Voltage Value
VIHmin
Minimum Input High Level Voltage Value

GSM/GPRS Module Series
M35 User Manual
M35_User_Manual Confidential / Released 82 / 85
VILmax
Maximum Input Low Level Voltage Value
VILmin
Minimum Input Low Level Voltage Value
VImax
Absolute Maximum Input Voltage Value
VImin
Absolute Minimum Input Voltage Value
VOHmax
Maximum Output High Level Voltage Value
VOHmin
Minimum Output High Level Voltage Value
VOLmax
Maximum Output Low Level Voltage Value
VOLmin
Minimum Output Low Level Voltage Value
Phonebook Abbreviations
LD
SIM Last Dialing phonebook (list of numbers most recently dialed)
MC
Mobile Equipment list of unanswered MT Calls (missed calls)
ON
SIM (or ME) Own Numbers (MSISDNs) list
RC
Mobile Equipment list of Received Calls
SM
SIM phonebook

GSM/GPRS Module Series
M35 User Manual
M35_User_Manual Confidential / Released 83 / 85
9 Appendix B GPRS Coding Sche
me
Four coding schemes are used in GPRS protocol. The differences between them are shown in the
following table.
Table 35: Description of Different Coding Schemes
Radio block structure of CS-1, CS-2 and CS-3 is shown as the figure below.
Figure 51: Radio Block Structure of CS-1, CS-2 and CS-3
Scheme
Code
Rate
USF
Pre-coded
USF
Radio Block
excl.USF and
BCS
BCS
Tail
Coded
Bits
Punctured
Bits
Data
Rate
Kb/s
CS-1
1/2
3
3
181
40
4
456
0
9.05
CS-2
2/3
3
6
268
16
4
588
132
13.4
CS-3
3/4
3
6
312
16
4
676
220
15.6
CS-4
1
3
12
428
16
-
456
-
21.4
Rate 1/2 convolutional coding
Puncturing
456 bits
USF
BCS
Radio Block

GSM/GPRS Module Series
M35 User Manual
M35_User_Manual Confidential / Released 84 / 85
Radio block structure of CS-4 is shown as the following figure.
Figure 52: Radio Block Structure of CS-4
Block
Code
No coding
456 bits
USF
BCS
Radio Block

GSM/GPRS Module Series
M35 User Manual
M35_User_Manual Confidential / Released 85 / 85
10 Appendix C GPRS Multi-slot Class
Twenty-nine classes of GPRS multi-slot modes are defined for MS in GPRS specification. Multi-slot
classes are product dependant, and determine the maximum achievable data rates in both the uplink and
downlink directions. Written as 3+1 or 2+2, the first number indicates the amount of downlink timeslots,
while the second number indicates the amount of uplink timeslots. The active slots determine the total
number of slots the GPRS device can use simultaneously for both uplink and downlink communications.
The description of different multi-slot classes is shown in the following table.
Table 36: GPRS Multi-slot Classes
Multislot Class
Downlink Slots
Uplink Slots
Active Slots
1
1
1
2
2
2
1
3
3
2
2
3
4
3
1
4
5
2
2
4
6
3
2
4
8
4
1
5
9
3
2
5
10
4
2
5