Quectel Wireless Solutions 201705BG96NA Quectel BG96-NA User Manual
Quectel Wireless Solutions Company Limited Quectel BG96-NA Users Manual
Users Manual

LTE Module Series
BG96-NA Hardware Design
BG96-NA_Hardware_Design Confidential / Released 1 / 64
Our aim is to provide customers with timely and comprehensive service. For any
assistance, please contact our company headquarters:
Quectel Wireless Solutions Co., Ltd.
Office 501, Building 13, No.99, Tianzhou Road, Shanghai, China, 200233
Tel: +86 21 5108 6236
Email: info@quectel.com
Or our local office. For more information, please visit:
http://www.quectel.com/support/salesupport.aspx
For technical support, or to report documentation errors, please visit:
http://www.quectel.com/support/techsupport.aspx
Or Email to: Support@quectel.com
GENERAL NOTES
QUECTEL OFFERS THE INFORMATION AS A SERVICE TO ITS CUSTOMERS. THE INFORMATION
PROVIDED IS BASED UPON CUSTOMERS’ REQUIREMENTS. QUECTEL MAKES EVERY EFFORT
TO ENSURE THE QUALITY OF THE INFORMATION IT MAKES AVAILABLE. QUECTEL DOES NOT
MAKE ANY WARRANTY AS TO THE INFORMATION CONTAINED HEREIN, AND DOES NOT ACCEPT
ANY LIABILITY FOR ANY INJURY, LOSS OR DAMAGE OF ANY KIND INCURRED BY USE OF OR
RELIANCE UPON THE INFORMATION. ALL INFORMATION SUPPLIED HEREIN IS SUBJECT TO
CHANGE WITHOUT PRIOR NOTICE.
COPYRIGHT
THE INFORMATION CONTAINED HERE IS PROPRIETARY TECHNICAL INFORMATION OF
QUECTEL CO., LTD. TRANSMITTING, REPRODUCTION, DISSEMINATION AND EDITING OF THIS
DOCUMENT AS WELL AS UTILIZATION OF THE CONTENT ARE FORBIDDEN WITHOUT
PERMISSION. OFFENDERS WILL BE HELD LIABLE FOR PAYMENT OF DAMAGES. ALL RIGHTS
ARE RESERVED IN THE EVENT OF A PATENT GRANT OR REGISTRATION OF A UTILITY MODEL
OR DESIGN.
Copyright © Quectel Wireless Solutions Co., Ltd. 2017. All rights reserved.

LTE Module Series
BG96-NA Hardware Design
BG96-NA_Hardware_Design Confidential / Released 2 / 64
About the Document
History
Revision
Date
Author
Description
1.0
2017-04-28
Allen WANG/
Daryl DU
Initial

LTE Module Series
BG96-NA Hardware Design
BG96-NA_Hardware_Design Confidential / Released 3 / 64
Contents
About the Document ................................................................................................................................... 2
Contents ....................................................................................................................................................... 3
Table Index ................................................................................................................................................... 5
Figure Index ................................................................................................................................................. 6
1 Introduction .......................................................................................................................................... 7
1.1. Safety Information...................................................................................................................... 8
2 Product Concept .................................................................................................................................. 9
2.1. General Description ................................................................................................................... 9
2.2. Directives and Standards .......................................................................................................... 9
2.2.1. FCC Statement ................................................................................................................ 9
2.3. Key Features ........................................................................................................................... 11
2.4. Functional Diagram ................................................................................................................. 13
2.5. Evaluation Board ..................................................................................................................... 14
3 Application Interfaces ....................................................................................................................... 15
3.1. General Description ................................................................................................................. 15
3.2. Pin Assignment ........................................................................................................................ 16
3.3. Pin Description ......................................................................................................................... 17
3.4. Operating Modes ..................................................................................................................... 22
3.5. Power Saving ........................................................................................................................... 23
3.5.1. Sleep Mode .................................................................................................................... 23
3.5.1.1. UART Application ................................................................................................. 23
3.5.1.2. USB Application with USB Remote Wakeup Function ........................................ 24
3.5.1.3. USB Application with USB Suspend/Resume and RI Function .......................... 24
3.5.1.4. USB Application without USB Suspend Function ................................................ 25
3.5.2. Airplane Mode ................................................................................................................ 26
3.6. Power Supply ........................................................................................................................... 26
3.6.1. Power Supply Pins ......................................................................................................... 26
3.6.2. Decrease Voltage Drop .................................................................................................. 27
3.6.3. Monitor the Power Supply .............................................................................................. 28
3.7. Turn on and off Scenarios ....................................................................................................... 28
3.7.1. Turn on Module Using the PWRKEY ............................................................................. 28
3.7.2. Turn off Module .............................................................................................................. 30
3.7.2.1. Turn off Module Using the PWRKEY Pin ............................................................. 30
3.7.2.2. Turn off Module Using AT Command ................................................................... 30
3.8. Reset the Module..................................................................................................................... 30
3.9. (U)SIM Card Interfaces ............................................................................................................ 32
3.10. USB Interface .......................................................................................................................... 34
3.11. UART Interfaces ...................................................................................................................... 36

LTE Module Series
BG96-NA Hardware Design
BG96-NA_Hardware_Design Confidential / Released 4 / 64
3.12. I2C Interfaces .......................................................................................................................... 38
3.13. Network Status Indication ........................................................................................................ 39
3.14. STATUS ................................................................................................................................... 40
3.15. Behavior of the RI .................................................................................................................... 40
3.16. USB_BOOT Interface .............................................................................................................. 41
4 GNSS Receiver ................................................................................................................................... 42
4.1. General Description ................................................................................................................. 42
4.2. GNSS Performance ................................................................................................................. 42
4.3. Layout Guidelines .................................................................................................................... 43
5 Antenna Interfaces ............................................................................................................................. 44
5.1. Main Antenna Interface ........................................................................................................... 44
5.1.1. Pin Definition .................................................................................................................. 44
5.1.2. Operating Frequency ..................................................................................................... 44
5.1.3. Reference Design of RF Antenna Interface ................................................................... 44
5.1.4. Reference Design of RF Layout..................................................................................... 45
5.2. GNSS Antenna Interface ......................................................................................................... 47
5.3. Antenna Installation ................................................................................................................. 48
5.3.1. Antenna Requirements .................................................................................................. 48
5.3.2. Recommended RF Connector for Antenna Installation ................................................. 49
6 Electrical, Reliability and Radio Characteristics ............................................................................ 51
6.1. Absolute Maximum Ratings ..................................................................................................... 51
6.2. Power Supply Ratings ............................................................................................................. 51
6.3. Operating Temperature ............................................................................................................ 52
6.4. Current Consumption .............................................................................................................. 52
6.5. RF Output Power ..................................................................................................................... 53
6.6. RF Receiving Sensitivity .......................................................................................................... 53
6.7. Electrostatic Discharge ............................................................................................................ 53
7 Mechanical Dimensions .................................................................................................................... 54
7.1. Mechanical Dimensions of the Module.................................................................................... 54
7.2. Recommended Footprint ......................................................................................................... 56
7.3. Design Effect Drawings of the Module .................................................................................... 57
8 Storage, Manufacturing and Packaging .......................................................................................... 58
8.1. Storage .................................................................................................................................... 58
8.2. Manufacturing and Welding ..................................................................................................... 59
8.3. Packaging ................................................................................................................................ 59
9 Appendix A References ..................................................................................................................... 60
10 Appendix B GPRS Coding Schemes ............................................................................................... 64
11 Appendix C GPRS Multi-slot Classes .............................................................................................. 65
12 Appendix D EDGE Modulation and Coding Schemes ................................................................... 66

LTE Module Series
BG96-NA Hardware Design
BG96-NA_Hardware_Design Confidential / Released 5 / 64
Table Index
TABLE 1: FREQUENCY BANDS OF BG96-NA MODULE .................................................................................. 9
TABLE 2: KEY FEATURES OF BG96-NA .......................................................................................................... 11
TABLE 3: I/O PARAMETERS DEFINITION ....................................................................................................... 17
TABLE 4: PIN DESCRIPTION ........................................................................................................................... 17
TABLE 5: OVERVIEW OF OPERATING MODES ............................................................................................. 22
TABLE 6: VBAT AND GND PINS ....................................................................................................................... 27
TABLE 7: PWRKEY PIN DESCRIPTION .......................................................................................................... 28
TABLE 8: RESET_N PIN DESCRIPTION ......................................................................................................... 31
TABLE 9: PIN DEFINITION OF THE (U)SIM CARD INTERFACES ................................................................. 32
TABLE 10: PIN DESCRIPTION OF USB INTERFACE ..................................................................................... 34
TABLE 11: PIN DEFINITION OF UART1 INTERFACE ..................................................................................... 36
TABLE 12: PIN DEFINITION OF UART2 INTERFACE ..................................................................................... 36
TABLE 13: LOGIC LEVELS OF DIGITAL I/O .................................................................................................... 37
TABLE 14: PIN DEFINITION OF I2C INTERFACES ......................................................................................... 38
TABLE 15: PIN DEFINITION OF NETWORK STATUS INDICATOR ................................................................ 39
TABLE 16: WORKING STATE OF THE NETWORK STATUS INDICATOR ...................................................... 39
TABLE 17: PIN DEFINITION OF STATUS ........................................................................................................ 40
TABLE 18: DEFAULT BEHAVIOR OF RI ........................................................................................................... 41
TABLE 19: PIN DEFINITION OF USB_BOOT INTERFACE ............................................................................. 41
TABLE 20: GNSS PERFORMANCE ................................................................................................................. 42
TABLE 21: PIN DEFINITION OF THE RF ANTENNA INTERFACE .................................................................. 44
TABLE 22: MODULE OPERATING FREQUENCIES ........................................................................................ 44
TABLE 23: PIN DEFINITION OF GNSS ANTENNA INTERFACE ..................................................................... 47
TABLE 24: GNSS FREQUENCY ....................................................................................................................... 47
TABLE 25: MAIN ANTENNA REQUIREMENTS ............................................................................................... 48
TABLE 26: ABSOLUTE MAXIMUM RATINGS .................................................................................................. 51
TABLE 27: POWER SUPPLY RATINGS ........................................................................................................... 51
TABLE 28: OPERATING TEMPERATURE ........................................................................................................ 52
TABLE 29: CONDUCTED RF OUTPUT POWER ............................................................................................. 53
TABLE 30: BG96-NA CONDUCTED RF RECEIVING SENSITIVITY ............................................................... 53
TABLE 31: RELATED DOCUMENTS ............................................................................................................... 60
TABLE 32: TERMS AND ABBREVIATIONS ...................................................................................................... 60
TABLE 33: DESCRIPTION OF DIFFERENT CODING SCHEMES .................................................................. 64
TABLE 34: GPRS MULTI-SLOT CLASSES ...................................................................................................... 65
TABLE 35: EDGE MODULATION AND CODING SCHEMES ........................................................................... 66

LTE Module Series
BG96-NA Hardware Design
BG96-NA_Hardware_Design Confidential / Released 6 / 64
Figure Index
FIGURE 1: FUNCTIONAL DIAGRAM ............................................................................................................... 13
FIGURE 2: PIN ASSIGNMENT (TOP VIEW)..................................................................................................... 16
FIGURE 3: SLEEP MODE APPLICATION VIA UART ....................................................................................... 23
FIGURE 4: SLEEP MODE APPLICATION WITH USB REMOTE WAKEUP .................................................... 24
FIGURE 5: SLEEP MODE APPLICATION WITH RI ......................................................................................... 25
FIGURE 6: SLEEP MODE APPLICATION WITHOUT SUSPEND FUNCTION ................................................ 25
FIGURE 7: STAR STRUCTURE OF THE POWER SUPPLY............................................................................ 27
FIGURE 8: TURN ON THE MODULE USING DRIVING CIRCUIT ................................................................... 28
FIGURE 9: TURN ON THE MODULE USING KEYSTROKE ........................................................................... 29
FIGURE 10: TIMING OF TURNING ON MODULE ........................................................................................... 29
FIGURE 11: TIMING OF TURNING OFF MODULE .......................................................................................... 30
FIGURE 12: REFERENCE CIRCUIT OF RESET_N BY USING DRIVING CIRCUIT ...................................... 31
FIGURE 13: REFERENCE CIRCUIT OF RESET_N BY USING BUTTON ...................................................... 31
FIGURE 14: TIMING OF RESETTING MODULE ............................................................................................. 32
FIGURE 15: REFERENCE CIRCUIT OF (U)SIM CARD INTERFACE WITH AN 8-PIN (U)SIM CARD
CONNECTOR ............................................................................................................................................ 33
FIGURE 16: REFERENCE CIRCUIT OF (U)SIM CARD INTERFACE WITH A 6-PIN (U)SIM CARD
CONNECTOR ............................................................................................................................................ 34
FIGURE 17: REFERENCE CIRCUIT OF USB APPLICATION ......................................................................... 35
FIGURE 18: REFERENCE CIRCUIT WITH TRANSLATOR CHIP ................................................................... 37
FIGURE 19: REFERENCE CIRCUIT WITH TRANSISTOR CIRCUIT .............................................................. 38
FIGURE 20: REFERENCE CIRCUIT OF THE NETWORK INDICATOR .......................................................... 39
FIGURE 21: REFERENCE CIRCUIT OF THE STATUS ................................................................................... 40
FIGURE 22: REFERENCE CIRCUIT OF USB_BOOT INTERFACE ................................................................ 41
FIGURE 23: REFERENCE CIRCUIT OF RF ANTENNA INTERFACE ............................................................. 45
FIGURE 24: MICROSTRIP LINE DESIGN ON A 2-LAYER PCB ...................................................................... 45
FIGURE 25: COPLANAR WAVEGUIDE LINE DESIGN ON A 2-LAYER PCB .................................................. 46
FIGURE 26: COPLANAR WAVEGUIDE LINE DESIGN ON A 4-LAYER PCB (LAYER 3 AS REFERENCE
GROUND) .................................................................................................................................................. 46
FIGURE 27: COPLANAR WAVEGUIDE LINE DESIGN ON A 4-LAYER PCB (LAYER 4 AS REFERENCE
GROUND) .................................................................................................................................................. 46
FIGURE 28: REFERENCE CIRCUIT OF GNSS ANTENNA INTERFACE ........................................................ 48
FIGURE 29: DIMENSIONS OF THE UF.L-R-SMT CONNECTOR (UNIT: MM) ................................................ 49
FIGURE 30: MECHANICALS OF UF.L-LP CONNECTORS ............................................................................. 49
FIGURE 31: SPACE FACTOR OF MATED CONNECTOR (UNIT: MM) ........................................................... 50
FIGURE 32: MODULE TOP AND SIDE DIMENSIONS ..................................................................................... 54
FIGURE 33: MODULE BOTTOM DIMENSIONS (BOTTOM VIEW) ................................................................. 55
FIGURE 34: RECOMMENDED FOOTPRINT (TOP VIEW) .............................................................................. 56
FIGURE 35: TOP VIEW OF THE MODULE ...................................................................................................... 57
FIGURE 36: BOTTOM VIEW OF THE MODULE .............................................................................................. 57
FIGURE 37: REFLOW SOLDERING THERMAL PROFILE .............................................................................. 59

LTE Module Series
BG96-NA Hardware Design
BG96-NA_Hardware_Design Confidential / Released 7 / 64
1 Introduction
This document defines the BG96-NA module and describes its air interface and hardware interface which
are connected with your application.
This document can help you quickly understand module interface specifications, electrical and
mechanical details, etc. Associated with application note and user guide, you can use BG96-NA module
to design and set up mobile applications easily.

LTE Module Series
BG96-NA Hardware Design
BG96-NA_Hardware_Design Confidential / Released 8 / 64
1.1. Safety Information
The following safety precautions must be observed during all phases of the operation, such as usage,
service or repair of any cellular terminal or mobile incorporating BG96-NA module. Manufacturers of the
cellular terminal should send the following safety information to users and operating personnel, and
incorporate these guidelines into all manuals supplied with the product. If not so, Quectel assumes no
liability for the customer’s failure to comply with these precautions.
Full attention must be given to driving at all times in order to reduce the risk of an
accident. Using a mobile while driving (even with a handsfree kit) causes
distraction and can lead to an accident. You must comply with laws and regulations
restricting the use of wireless devices while driving.
Switch off the cellular terminal or mobile before boarding an aircraft. Make sure it is
switched off. The operation of wireless appliances in an aircraft is forbidden, so as
to prevent interference with communication systems. Consult the airline staff about
the use of wireless devices on boarding the aircraft, if your device offers an
Airplane Mode which must be enabled prior to boarding an aircraft.
Switch off your wireless device when in hospitals,clinics or other health care
facilities. These requests are desinged to prevent possible interference with
sensitive medical equipment.
Cellular terminals or mobiles operatingover radio frequency signal and cellular
network cannot be guaranteed to connect in all conditions, for example no mobile
fee or with an invalid (U)SIM card. While you are in this condition and need
emergent help, please remember using emergency call. In order to make or
receive a call, the cellular terminal or mobile must be switched on and in a service
area with adequate cellular signal strength.
Your cellular terminal or mobile contains a transmitter and receiver. When it is ON,
it receives and transmits radio frequency energy. RF interference can occur if it is
used close to TV set, radio, computer or other electric equipment.
In locations with potentially explosive atmospheres, obey all posted signs to turn
off wireless devices such as your phone or other cellular terminals. Areas with
potentially explosive atmospheres include fuelling areas, below decks on boats,
fuel or chemical transfer or storage facilities, areas where the air contains
chemicals or particles such as grain, dust or metal powders, etc.

LTE Module Series
BG96-NA Hardware Design
BG96-NA_Hardware_Design Confidential / Released 9 / 64
2 Product Concept
2.1. General Description
BG96-NA module is an embedded IoT (LTE Cat M1) wireless communication module without receive
diversity. It supports Half-duplex LTE-FDD wireless communication, which provides data connectivity on
LTE-FDD networks. The following table shows the frequency bands of BG96-NA module.
Table 1: Frequency Bands of BG96-NA Module
With a compact profile of 22.5mm × 26.5mm × 2.3mm, BG96-NA can meet almost all requirements for
M2M applications such as automotive, metering, tracking system, security, router, wireless POS, mobile
computing device, PDA phone, tablet PC, etc.
BG96-NA is an SMD type module which can be embedded into application through its 102 LGA pads.
BG96-NA supports internet service protocols like TCP, UDP and PPP. Extended AT commands have
been developed for customers to use these internet service protocols easily.
2.2. Directives and Standards
The BG96-NA module is designed to comply with the FCC statements. FCC ID: XMR201705BG96NA
The Host system using BG96-NA should have label “contains FCC ID: XMR201705BG96NA
2.2.1. FCC Statement
According to the definition of mobile and fixed device is described in Part 2.1091(b), this device is a
mobile device.
Module
LTE Bands
GSM
Rx-diversity
GNSS (Optional)
BG96-NA
FDD: B4/B13
Not Supported
Not Supported
GPS,
GLONASS,
BeiDou/Compass,
Galileo, QZSS

LTE Module Series
BG96-NA Hardware Design
BG96-NA_Hardware_Design Confidential / Released 10 / 64
And the following conditions must be met:
1. This Modular Approval is limited to OEM installation for mobile and fixed applications only.
The antenna installation and operating configurations of this transmitter, including any applicable
source-based time- averaging duty factor, antenna gain and cable loss must satisfy MPE categorical
Exclusion Requirements of 2.1091.
2. The EUT is a mobile device; maintain at least a 20 cm separation between the EUT and the user’s
body and must not transmit simultaneously with any other antenna or transmitter.
3. A label with the following statements must be attached to the host end product: This device contains
FCC ID: XMR201705BG96NA.
4. To comply with FCC regulations limiting both maximum RF output power and human exposure to RF
radiation, maximum antenna gain (including cable loss) must not exceed:
❒LTE band 4 <4dBi
❒LTE band 13 <4dBi
5. This module must not transmit simultaneously with any other antenna or transmitter
6. The host end product must include a user manual that clearly defines operating requirements and
conditions that must be observed to ensure compliance with current FCC RF exposure guidelines.
For portable devices, in addition to the conditions 3 through 6 described above, a separate approval is
required to satisfy the SAR requirements of FCC Part 2.1093.
If the device is used for other equipment that separate approval is required for all other operating
configurations, including portable configurations with respect to 2.1093 and different antenna
configurations.
For this device, OEM integrators must be provided with labeling instructions of finished products. Please
refer to KDB784748 D01 v07, section 8. Page 6/7 last two paragraphs:
A certified modular has the option to use a permanently affixed label, or an electronic label. For a
permanently affixed label, the module must be label led withan FCC ID - Section 2.926 (see 2.2
Certification (labelling requirements) above). The OEM manual must provide clear instructions explaining
to the OEM the labelling requirements, options and OEM user manual instructions that are required (see
next paragraph).
For a host using a certified modular with a standard fixed label, if (1) the module’s FCC ID is not visible
when installed in the host, or (2) if the host is marketed so that end users do not have straight forward
commonly used methods for access to remove the module so that the FCC ID of the module is visible;
then an additional permanent label referring to the enclosed module: “Contains Transmitter Module FCC
ID:XMR201705BG96NA” or “Contains FCC ID: XMR201705BG96NA” must be used. The host OEM user
manual must also contain clear instructions on how end users can find and/or access the module and the
FCC ID.
The final host / module combination may also need to be evaluated against the FCC Part 15B criteria for

LTE Module Series
BG96-NA Hardware Design
BG96-NA_Hardware_Design Confidential / Released 11 / 64
unintentional radiators in order to be properly authorized for operation as a Part 15 digital device.
The user’s manual or instruction manual for an intentional or unintentional radiator shall caution the user
that changes or modifications not expressly approved by the party responsible for compliance could void
the user's authority to operate the equipment. In cases where the manual is provided only in a form other
than paper, such as on a computer disk or over the Internet, the information required by this section may
be included in the manual in that alternative form, provided the user can reasonably be expected to have
the capability to access information in that form.
This device complies with part 15 of the FCC Rules. Operation is subject to the following two conditions:
(1) This device may not cause harmful interference, and (2) this device must accept any interference
received, including interference that may cause undesired operation.
Changes or modifications not expressly approved by the manufacturer could void the user’s authority to
operate the equipment.
To ensure compliance with all non-transmitter functions the host manufacturer is responsible for ensuring
compliance with the module(s) installed and fully operational. For example, if a host was previously
authorized as an unintentional radiator under the Declaration of Conformity procedure without a
transmitter certified module and a module is added, the host manufacturer is responsible for ensuring that
the after the module is installed and operational the host continues to be compliant with the Part 15B
unintentional radiator requirements.
2.3. Key Features
The following table describes the detailed features of BG96-NA module.
Table 2: Key Features of BG96-NA
Features
Details
Power Supply
Supply voltage: 3.3V~4.3V
Typical supply voltage: 3.8V
Transmitting Power
Class 3 (23dBm±2.7dB) for LTE-FDD bands
LTE Features
Support up to LTE Cat M1
Support 1.08MHz RF bandwidth
Support SISO in DL direction
Cat M1: Max. 375kbps (DL)/375kbps (UL)
Internet Protocol
Features*
Support TCP/UDP/PPP protocols
Support PAP (Password Authentication Protocol) and CHAP (Challenge
Handshake Authentication Protocol) protocols which are usually used for
PPP connections
SMS*
Text and PDU mode
Point to point MO and MT

LTE Module Series
BG96-NA Hardware Design
BG96-NA_Hardware_Design Confidential / Released 12 / 64
SMS cell broadcast
SMS storage: ME by default
(U)SIM Interface
Support (U)SIM card: 1.8V, 3.0V
USB Interface
Compliant with USB 2.0 specification (slave only); the data transfer rate
can reach up to 480Mbps
Used for AT command communication, data transmission, GNSS NMEA
output, software debugging and firmware upgrade
Support USB drivers for Windows XP, Windows Vista, Windows 7,
Windows 8/8.1, Window 10, Linux 2.6 or later, Android
4.0/4.2/4.4/5.0/5.1/6.0
UART Interface
UART1:
Used for AT command communication and data transmission
Baud rate reach up to 3000000bps; 115200bps by default
Support RTS and CTS hardware flow control
UART2:
Used for module debugging and log output
115200bps baud rate
AT Commands
3GPP TS 27.007 and 3GPP TS 27.005 AT commands, as well as
Quectel enhanced AT commands
Network Indication
One NETLIGHT pin for network connectivity status indication
Antenna Interfaces
Including main antenna (ANT_MAIN) and GNSS antenna (ANT_GNSS)
interfaces
Physical Characteristics
Size: 22.5mm × 26.5mm × 2.3mm
Weight: 3.1g
Temperature Range
Operation temperature range: -35°C ~ +75°C1)
Extended temperature range: -40°C ~ +85°C2)
Firmware Upgrade
USB interface and DFOTA*
RoHS
All hardware components are fully compliant with EU RoHS directive
1. 1) Within operation temperature range, the module is 3GPP compliant.
2. 2) Within extended temperature range, the module remains the ability to establish and maintain SMS,
data transmission, etc. There is no unrecoverable malfunction. Only one or more parameters like Pout
might reduce in their value and exceed the specified tolerances. When the temperature returns to the
normal operating temperature levels, the module will meet 3GPP compliant again.
3. “*” means under development.
NOTES

LTE Module Series
BG96-NA Hardware Design
BG96-NA_Hardware_Design Confidential / Released 13 / 64
2.4. Functional Diagram
The following figure shows a block diagram of BG96-NA and illustrates the major functional parts.
Power management
Baseband
DDR+NAND flash
Radio frequency
Peripheral interfaces
Baseband
PMIC
Transceiver NAND
DDR2
SDRAM
PA
Switch Filter
ANT_MAIN ANT_GNSS
VBAT_BB
VBAT_RF
PWRKEY
VDD_EXT USB USIM UARTI2C
RESET_N
19.2M
XO
STATUS
GPIOs
Control
IQ Control
LNA
Tx
PRx GNSS
Figure 1: Functional Diagram
“*” means under development.
NOTE

LTE Module Series
BG96-NA Hardware Design
BG96-NA_Hardware_Design Confidential / Released 14 / 64
2.5. Evaluation Board
In order to help customers develop applications conveniently with BG96-NA, Quectel supplies the
evaluation board (EVB), USB data cable, earphone, antenna and other peripherals to control or test the
module.

LTE Module Series
BG96-NA Hardware Design
BG96-NA_Hardware_Design Confidential / Released 15 / 64
3 Application Interfaces
3.1. General Description
BG96-NA is equipped with 62-pin 1.1mm pitch SMT pads plus 40-pin ground pads and reserved pads
that can be connected to customers’ cellular application platform. The subsequent chapters will provide
detailed description of interfaces listed below:
Power supply
(U)SIM card interfaces
USB interface
UART interfaces
Network status indication
USB_BOOT interface

LTE Module Series
BG96-NA Hardware Design
BG96-NA_Hardware_Design Confidential / Released 16 / 64
3.2. Pin Assignment
The following figure shows the pin assignment of the BG96-NA module.
PSM_IND
RESERVED
RESERVED
RESERVED
RESERVED
RESERVED
RESERVED
PWRKEY1)
RESERVED
RESET_N
RESERVED
1
2
3
4
5
6
7
11
12
13
14
15
16
17
50
51
52
53
54
55
58
59
60
61
62
USB_DM
RESERVED
STATUS
NETLIGHT
DBG_RXD
DBG_TXD
ADC0
RESERVED
RESERVED
RESERVED
RESERVED
VDD_EXT
DTR
GND
USIM_CLK
USIM_DATA
USIM_RST
USIM_VDD
RI
DCD
CTS
TXD
RXD
VBAT_BB
VBAT_BB
USIM_GND
GND
RESERVED
31
30
29
28
27
26
23
22
21
20
19
10
9
USB_DP
USB_VBUS
ADC1
GND
RESERVED
RESERVED
RTS
I2C_SCL
I2C_SDA
8
49
48
47
46
45
44
43
40
41
42
39
38
37
36
35
34
33
32
24
57
56
GND
GND
ANT_MAIN
GND
GND
VBAT_RF
VBAT_RF
GND
GND
ANT_GNSS
RESERVED
GND
USIM_PRESENCE
63
64
65
66
67
68
83
84
85
86
87
88
98
97
96
95
94
93
78
77
76
75
74
73
91 92
89 90
71 72
69 70
80 79
82 81
100 99
102 101
POWER USB UART USIM OTHERS
GND RESERVED
I2S ANT
25
RESERVED
RESERVED
USB_BOOT
18
Figure 2: Pin Assignment (Top View)
1. Keep all RESERVED pins and unused pins unconnected.
2. GND pads should be connected to ground in the design.
3. 1) PWRKEY output voltage is 0.8V because of the diode drop in the Qualcomm chipset.
4. “*” means under development.
NOTES

LTE Module Series
BG96-NA Hardware Design
BG96-NA_Hardware_Design Confidential / Released 17 / 64
3.3. Pin Description
The following tables show the pin definition and description of BG96-NA.
Table 3: I/O Parameters Definition
Type
Description
IO
Bidirectional
DI
Digital input
DO
Digital output
PI
Power input
PO
Power output
AI
Analog input
AO
Analog output
OD
Open drain
Table 4: Pin Description
Power Supply
Pin Name
Pin No.
I/O
Description
DC
Characteristics
Comment
VBAT_BB
32, 33
PI
Power supply
for module
baseband part.
Vmax=4.3V
Vmin=3.3V
Vnorm=3.8V
VBAT_RF
52, 53
PI
Power supply
for module RF
part.
Vmax=4.3V
Vmin=3.3V
Vnorm=3.8V
VDD_EXT
29
PO
Provide 1.8V for
external circuit.
Vnorm=1.8V
IOmax=50mA
Power supply for external
GPIO’s pull up circuits.
GND
3, 31, 48,
50, 54, 55,
58, 59, 61,
62, 67~74,
79~82,
89~91,
100~102
Ground

LTE Module Series
BG96-NA Hardware Design
BG96-NA_Hardware_Design Confidential / Released 18 / 64
Turn on/off
Pin Name
Pin No.
I/O
Description
DC
Characteristics
Comment
PWRKEY
15
DI
Turn on/off the
module
VIHmax=2.1V
VIHmin=1.3V
VILmax=0.5V
The output voltage is
0.8V because of the
diode drop in the
Qualcomm chipset.
RESET_N
17
DI
Reset the
module
VIHmax=2.1V
VIHmin=1.3V
VILmax=0.5V
If unused, keep this pin
open.
Status Indication
Pin Name
Pin No.
I/O
Description
DC
Characteristics
Comment
STATUS
20
OD
Indicate the
module’s
operating
status.
VOHmin=1.35V
VOLmax=0.45V
1.8V power domain.
If unused, keep this pin
open.
NETLIGHT
21
DO
Indicate the
module’s
network activity
status.
VOHmin=1.35V
VOLmax=0.45V
1.8V power domain.
If unused, keep it open.
USB Interface
Pin Name
Pin No.
I/O
Description
DC
Characteristics
Comment
USB_VBUS
8
PI
USB detection
Vmax=5.25V
Vmin=3.0V
Vnorm=5.0V
USB_DP
9
IO
USB differential
data bus (+)
Compliant with
USB 2.0 standard
specification.
Require differential
impedance of 90 ohm.
USB_DM
10
IO
USB differential
data bus (-)
Compliant with
USB 2.0 standard
specification.
Require differential
impedance of 90 ohm.
(U)SIM Interface
Pin Name
Pin No.
I/O
Description
DC
Characteristics
Comment
USIM_GND
47
Specified
ground for
(U)SIM card

LTE Module Series
BG96-NA Hardware Design
BG96-NA_Hardware_Design Confidential / Released 19 / 64
USIM_VDD
43
PO
Power supply
for (U)SIM card
For 1.8V (U)SIM:
Vmax=1.9V
Vmin=1.7V
For 3.0V (U)SIM:
Vmax=3.05V
Vmin=2.7V
IOmax=50mA
Either 1.8V or 3.0V is
supported by the module
automatically.
USIM_DATA
45
IO
Data signal of
(U)SIM card
For 1.8V (U)SIM:
VILmax=0.6V
VIHmin=1.2V
VOLmax=0.45V
VOHmin=1.35V
For 3.0V (U)SIM:
VILmax=1.0V
VIHmin=1.95V
VOLmax=0.45V
VOHmin=2.55V
USIM_CLK
46
DO
Clock signal of
(U)SIM card
For 1.8V (U)SIM:
VOLmax=0.45V
VOHmin=1.35V
For 3.0V (U)SIM:
VOLmax=0.45V
VOHmin=2.55V
USIM_RST
44
DO
Reset signal of
(U)SIM card
For 1.8V (U)SIM:
VOLmax=0.45V
VOHmin=1.35V
For 3.0V (U)SIM:
VOLmax=0.45V
VOHmin=2.55V
USIM_
PRESENCE
42
DI
(U)SIM card
insertion
detection
VILmin=-0.3V
VILmax=0.6V
VIHmin=1.2V
VIHmax=2.0V
1.8V power domain.
If unused, keep it open.
UART1 Interface
Pin Name
Pin No.
I/O
Description
DC
Characteristics
Comment
RI
39
DO
Ring indicator
VOLmax=0.45V
VOHmin=1.35V
1.8V power domain.
If unused, keep it open.

LTE Module Series
BG96-NA Hardware Design
BG96-NA_Hardware_Design Confidential / Released 20 / 64
DCD
38
DO
Data carrier
detection
VOLmax=0.45V
VOHmin=1.35V
1.8V power domain.
If unused, keep it open.
RTS
37
DI
Request to
send
VILmin=-0.3V
VILmax=0.6V
VIHmin=1.2V
VIHmax=2.0V
1.8V power domain.
If unused, keep it open.
CTS
36
DO
Clear to send
VOLmax=0.45V
VOHmin=1.35V
1.8V power domain.
If unused, keep it open.
TXD
35
DO
Transmit data
VOLmax=0.45V
VOHmin=1.35V
1.8V power domain.
If unused, keep it open.
RXD
34
DI
Receive data
VILmin=-0.3V
VILmax=0.6V
VIHmin=1.2V
VIHmax=2.0V
1.8V power domain.
If unused, keep it open.
DTR
30
DI
Data terminal
ready, sleep
mode control.
VILmin=-0.3V
VILmax=0.6V
VIHmin=1.2V
VIHmax=2.0V
1.8V power domain.
Pull-up by default. Low
level wakes up the
module.
If unused, keep it open.
UART2 Interface
Pin Name
Pin No.
I/O
Description
DC
Characteristics
Comment
DBG_TXD
23
DO
Transmit data
VOLmax=0.45V
VOHmin=1.35V
1.8V power domain.
If unused, keep it open.
DBG_RXD
22
DI
Receive data
VILmin=-0.3V
VILmax=0.6V
VIHmin=1.2V
VIHmax=2.0V
1.8V power domain.
If unused, keep it open.
I2C Interface
Pin Name
Pin No.
I/O
Description
DC
Characteristics
Comment
I2C_SCL
40
OD
I2C serial clock.
Used for
external codec.
External pull-up resistor is
required.
1.8V only. If unused, keep
it open.
I2C_SDA
41
OD
I2C serial data.
Used for
external codec.
External pull-up resistor is
required.
1.8V only. If unused, keep
it open.
RF Interface

LTE Module Series
BG96-NA Hardware Design
BG96-NA_Hardware_Design Confidential / Released 21 / 64
Pin Name
Pin No.
I/O
Description
DC
Characteristics
Comment
ANT_MAIN
60
IO
Main antenna
interface
50Ω impedance
ANT_GNSS
49
AI
GNSS antenna
interface
50Ω impedance
If unused, keep it open.
Other Pins
Pin Name
Pin No.
I/O
Description
DC
Characteristics
Comment
PSM_IND*
1
DO
Power saving
mode indicator
VILmin=-0.3V
VILmax=0.6V
VIHmin=1.2V
VIHmax=2.0V
1.8V power domain.
If unused, keep it open.
USB_BOOT
75
DI
Force the
module to boot
from USB port.
VILmin=-0.3V
VILmax=0.6V
VIHmin=1.2V
VIHmax=2.0V
1.8V power domain.
If unused, keep it open.
ADC Interface
Pin Name
Pin No.
I/O
Description
DC
Characteristics
Comment
ADC1
2
AI
General
purpose analog
to digital
converter
Voltage range:
0.3V to VBAT_BB
If unused, keep it open.
ADC0
24
AI
General
purpose analog
to digital
converter
Voltage range:
0.3V to VBAT_BB
If unused, keep it open.
RESERVED Pins
Pin Name
Pin No.
I/O
Description
DC
Characteristics
Comment
RESERVED
4~7,11~14,
16,18,19,
25~28, 51,
56, 57,
63~66,
76~78,
83~88,
92~99
Reserved
Keep these pins
unconnected.

LTE Module Series
BG96-NA Hardware Design
BG96-NA_Hardware_Design Confidential / Released 22 / 64
1. Keep all RESERVED pins and unused pins unconnected.
2. “*” means under development.
3.4. Operating Modes
The table below briefly summarizes the various operating modes referred in the following chapters.
Table 5: Overview of Operating Modes
Mode
Details
Normal
Operation
Idle
Software is active. The module has registered on network, and it is
ready to send and receive data.
Data
Network connection is ongoing. In this mode, the power consumption is
decided by network setting and data transfer rate.
Minimum
Functionality
Mode
AT+CFUN command can set the module to a minimum functionality mode without
removing the power supply. In this case, both RF function and (U)SIM card will be invalid.
Airplane
Mode
AT+CFUN command or W_DISABLE# pin can set the module to airplane mode. In this
case, RF function will be invalid.
Sleep Mode
In this mode, the current consumption of the module will be reduced to the minimal level.
During this mode, the module can still receive paging message, SMS and TCP/UDP data
from the network normally.
PSM*
A UE may adopt the PSM (Power Saving Mode) for reducing its power consumption.
PSM is similar to power-off, but the UE remains registered on the network and there is no
need to re-attach or re-establish PDN connections. When the module is successfully
entered into the PSM, PSM_IND* outputs a low level.
Power Down
Mode
In this mode, the power management unit shuts down the power supply. Software is not
active. The serial interface is not accessible. Operating voltage (connected to VBAT_RF
and VBAT_BB) remains applied.
1. In PSM or sleep mode, it is recommended to use UART interface for module connection. USB
connection is NOT recommended as it will cause increase in power consumption.
2. “*” means under development.
NOTES
NOTES

LTE Module Series
BG96-NA Hardware Design
BG96-NA_Hardware_Design Confidential / Released 23 / 64
3.5. Power Saving
3.5.1. Sleep Mode
BG96-NA is able to reduce its current consumption to a minimum value during the sleep mode. The
following section describes power saving procedure of BG96-NA module.
3.5.1.1. UART Application
If the host communicates with module via UART interface, the following preconditions can let the module
enter into sleep mode.
Execute AT+QSCLK=1 command to enable sleep mode.
Drive DTR to high level.
The following figure shows the connection between the module and the host.
RXD
TXD
RI
DTR
AP_READY
TXD
RXD
EINT
GPIO
GPIO
Module Host
GND GND
Figure 3: Sleep Mode Application via UART
Driving the host DTR to low level will wake up the module.
When BG96-NA has URC to report, RI signal will wake up the host. Refer to Chapter 3.15 for details
about RI behavior.
AP_READY* will detect the sleep state of the host (can be configured to high level or low level
detection). Please refer to AT+QCFG=“apready” command for details.

LTE Module Series
BG96-NA Hardware Design
BG96-NA_Hardware_Design Confidential / Released 24 / 64
3.5.1.2. USB Application with USB Remote Wakeup Function
If the host supports USB suspend/resume and remote wakeup functions, the following three preconditions
must be met to let the module enter into sleep mode.
Execute AT+QSCLK=1 command to enable the sleep mode.
Ensure the DTR is held in high level or keep it open.
The host’s USB bus, which is connected with the module’s USB interface, enters into suspended
state.
The following figure shows the connection between the module and the host.
USB_VBUS
USB_DP
USB_DM
AP_READY
VDD
USB_DP
USB_DM
GPIO
Module Host
GND GND
Figure 4: Sleep Mode Application with USB Remote Wakeup
Sending data to BG96-NA through USB will wake up the module.
When BG96-NA has URC to report, the module will send remote wake-up signals via USB bus so as
to wake up the host.
3.5.1.3. USB Application with USB Suspend/Resume and RI Function
If the host supports USB suspend/resume, but does not support remote wake-up function, the RI signal is
needed to wake up the host. There are three preconditions to let the module enter into the sleep mode.
Execute AT+QSCLK=1 command to enable sleep mode.
Ensure the DTR is held in high level or keep it open.
The host’s USB bus, which is connected with the module’s USB interface, enters into suspended
state.

LTE Module Series
BG96-NA Hardware Design
BG96-NA_Hardware_Design Confidential / Released 25 / 64
The following figure shows the connection between the module and the host.
USB_VBUS
USB_DP
USB_DM
AP_READY
VDD
USB_DP
USB_DM
GPIO
Module Host
GND GND
RI EINT
Figure 5: Sleep Mode Application with RI
Sending data to BG96-NA through USB will wake up the module.
When BG96-NA has URC to report, RI signal will wake up the host.
3.5.1.4. USB Application without USB Suspend Function
If the host does not support USB suspend function, you should disconnect USB_VBUS with additional
control circuit to let the module enter into sleep mode.
Execute AT+QSCLK=1 command to enable the sleep mode.
Ensure the DTR is held in high level or keep it open.
Disconnect USB_VBUS.
The following figure shows the connection between the module and the host.
USB_VBUS
USB_DP
USB_DM
AP_READY
VDD
USB_DP
USB_DM
GPIO
Module Host
RI EINT
Power
Switch
GPIO
GND GND
Figure 6: Sleep Mode Application without Suspend Function

LTE Module Series
BG96-NA Hardware Design
BG96-NA_Hardware_Design Confidential / Released 26 / 64
Switching on the power switch to supply power to USB_VBUS will wake up the module.
1. Please pay attention to the level match shown in dotted line between the module and the host. Refer
to document [1] for more details about BG96-NA power management application.
2. “*” means under development.
3.5.2. Airplane Mode
When the module enters into airplane mode, the RF function does not work, and all AT commands
correlative with RF function will be inaccessible. This mode can be set via the following ways.
Hardware:
W_DISABLE# is pulled up by default. Driving it to low level will let the module enter into airplane mode.
Software:
AT+CFUN command provides choice of the functionality level.
AT+CFUN=0: Minimum functionality mode. Both (U)SIM and RF functions are disabled.
AT+CFUN=1: Full functionality mode (by default).
AT+CFUN=4: Airplane mode. RF function is disabled.
1. The W_DISABLE# control function is disabled in firmware by default. It can be enabled by
AT+QCFG=“airplanecontrol” command. The command is still under development.
2. The execution of AT+CFUN command will not affect GNSS function.
3.6. Power Supply
3.6.1. Power Supply Pins
BG96-NA provides four VBAT pins for connection with an external power supply. There are two separate
voltage domains for VBAT.
Two VBAT_RF pins for module RF part.
Two VBAT_BB pins for module baseband part.
The following table shows the details of VBAT pins and ground pins.
NOTE
NOTES

LTE Module Series
BG96-NA Hardware Design
BG96-NA_Hardware_Design Confidential / Released 27 / 64
Table 6: VBAT and GND Pins
Pin Name
Pin No.
Description
Min.
Typ.
Max.
Unit
VBAT_RF
52, 53
Power supply for module RF
part.
3.3
3.8
4.3
V
VBAT_BB
32, 33
Power supply for module
baseband part.
3.3
3.8
4.3
V
GND
3, 31, 48, 50,
54, 55, 58, 59,
61, 62, 67~74,
79~82, 89~91,
100~102
Ground
-
-
-
-
3.6.2. Decrease Voltage Drop
The power supply range of the module is from 3.3V to 4.3V. Please make sure that the input voltage will
never drop below 3.3V.
To decrease voltage drop, a bypass capacitor of about 100µF with low ESR should be used, and a
multi-layer ceramic chip (MLCC) capacitor array should also be used to provide the low ESR. The main
power supply from an external application has to be a single voltage source and can be expanded to two
sub paths with star structure. The width of VBAT_BB trace should be no less than 1mm, and the width of
VBAT_RF trace should be no less than 2mm. In principle, the longer the VBAT trace is, the wider it will be.
Three ceramic capacitors (100nF, 33pF, 10pF) are recommended to be applied to the VBAT pins. These
capacitors should be placed close to the VBAT pins. In addition, in order to get a stable power source, it is
suggested that you should use a zener diode of which reverse zener voltage is 5.1V and dissipation
power is more than 0.5W. The following figure shows the star structure of the power supply.
Module
VBAT_RF
VBAT_BB
VBAT
C1
100uF
C6
100nF
C7
33pF
C8
10pF
+
+
C2
100nF
C5
100uF
C3
33pF
C4
10pF
D1
5.1V
Figure 7: Star Structure of the Power Supply

LTE Module Series
BG96-NA Hardware Design
BG96-NA_Hardware_Design Confidential / Released 28 / 64
3.6.3. Monitor the Power Supply
AT+CBC command can be used to monitor the VBAT_BB voltage value. For more details, please refer to
document [2].
3.7. Turn on and off Scenarios
3.7.1. Turn on Module Using the PWRKEY
The following table shows the pin definition of PWRKEY.
Table 7: PWRKEY Pin Description
Pin Name
Pin No.
Description
DC Characteristics
Comment
PWRKEY
15
Turn on/off the module
VIHmax=2.1V
VIHmin=1.3V
VILmax=0.5V
The output voltage is
0.8V because of the
diode drop in the
Qualcomm chipset.
When BG96-NA is in power down mode, it can be turned on to normal mode by driving the PWRKEY pin
to a low level for at least 100ms. It is recommended to use an open drain/collector driver to control the
PWRKEY. After STATUS pin outputting a high level, PWRKEY pin can be released. A simple reference
circuit is illustrated in the following figure.
Turn on pulse
PWRKEY
4.7K
47K
≥100ms
Figure 8: Turn on the Module Using Driving Circuit
The other way to control the PWRKEY is using a button directly. When pressing the key, electrostatic
strike may generate from finger. Therefore, a TVS component is indispensable to be placed nearby the
button for ESD protection. A reference circuit is shown in the following figure.

LTE Module Series
BG96-NA Hardware Design
BG96-NA_Hardware_Design Confidential / Released 29 / 64
PWRKEY
S1
Close to S1
TVS
Figure 9: Turn on the Module Using Keystroke
The turn on scenario is illustrated in the following figure.
VIL≤0.5V
VIH≥1.3V
VBAT
PWRKEY
≥100ms
RESET_N
STATUS
(OD)
Inactive Active
UART
NOTE
Inactive Active
USB
TBD
TBD
TBD
Figure 10: Timing of Turning on Module
Make sure that VBAT is stable before pulling down PWRKEY pin. The time between them is no less than
30ms.
NOTE

LTE Module Series
BG96-NA Hardware Design
BG96-NA_Hardware_Design Confidential / Released 30 / 64
3.7.2. Turn off Module
The following procedures can be used to turn off the module:
Normal power down procedure: Turn off the module using the PWRKEY pin.
Normal power down procedure: Turn off the module using AT+QPOWD command.
3.7.2.1. Turn off Module Using the PWRKEY Pin
Driving the PWRKEY pin to a low level voltage (the specific time is TBD), the module will execute
power-down procedure after the PWRKEY is released. The power-down scenario is illustrated in the
following figure.
VBAT
PWRKEY
TBDTBD
RUNNING Power-down procedure OFF
Module
Status
STATUS
Figure 11: Timing of Turning off Module
3.7.2.2. Turn off Module Using AT Command
It is also a safe way to use AT+QPOWD command to turn off the module, which is similar to turning off the
module via PWRKEY pin.
Please refer to document [2] for details about AT+QPOWD command.
3.8. Reset the Module
The RESET_N pin can be used to reset the module. The module can be reset by driving RESET_N to a
low level voltage for time between Treset_min and Treset_max.

LTE Module Series
BG96-NA Hardware Design
BG96-NA_Hardware_Design Confidential / Released 31 / 64
Table 8: RESET_N Pin Description
Pin Name
Pin No.
Description
DC Characteristics
Comment
RESET_N
17
Reset the module
VIHmax=2.1V
VIHmin=1.3V
VILmax=0.5V
The recommended circuit is similar to the PWRKEY control circuit. An open drain/collector driver or button
can be used to control the RESET_N.
Reset pulse
RESET_N
4.7K
47K
TBD
Figure 12: Reference Circuit of RESET_N by Using Driving Circuit
RESET_N
S2
Close to S2
TVS
Figure 13: Reference Circuit of RESET_N by Using Button

LTE Module Series
BG96-NA Hardware Design
BG96-NA_Hardware_Design Confidential / Released 32 / 64
The reset scenario is illustrated in the following figure.
VBAT
≥150ms
Resetting
Module
Status Running
RESET_N
Restart
≤460ms
VIL≤0.5V VIH≥1.3V
Figure 14: Timing of Resetting Module
1. Use RESET_N only when turning off the module by AT+QPOWD command and PWRKEY pin failed.
2. Ensure that there is no large capacitance on PWRKEY and RESET_N pins.
3.9. (U)SIM Card Interfaces
The (U)SIM card interface circuitry meets ETSI and IMT-2000 SIM interface requirements. Both 1.8V and
3.0V (U)SIM cards are supported.
Table 9: Pin Definition of the (U)SIM Card Interfaces
Pin Name
Pin No.
I/O
Description
Comment
USIM_VDD
43
PO
Power supply for (U)SIM card
Either 1.8V or 3.0V is supported
by the module automatically.
USIM_DATA
45
IO
Data signal of (U)SIM card
USIM_CLK
46
DO
Clock signal of (U)SIM card
USIM_RST
44
DO
Reset signal of (U)SIM card
USIM_
PRESENCE
42
DI
(U)SIM card insertion detection
USIM_GND
47
Specified ground for (U)SIM
card
NOTES

LTE Module Series
BG96-NA Hardware Design
BG96-NA_Hardware_Design Confidential / Released 33 / 64
BG96-NA supports (U)SIM card hot-plug via the USIM_PRESENCE pins. The function supports low level
and high level detections and is disabled by default. Please refer to document [2] about AT+QSIMDET
command for details.
The following figure shows a reference design for (U)SIM card interface with an 8-pin (U)SIM card
connector.
Module
USIM_VDD
USIM_GND
USIM_RST
USIM_CLK
USIM_DATA
USIM_PRESENCE
22R
22R
22R
VDD_EXT
51K
100nF (U)SIM Card Connector
GND
GND
33pF 33pF 33pF
VCC
RST
CLK IO
VPP
GND
GND
USIM_VDD
15K
Figure 15: Reference Circuit of (U)SIM Card Interface with an 8-Pin (U)SIM Card Connector
If (U)SIM card detection function is not needed, please keep USIM_PRESENCE unconnected. A
reference circuit for (U)SIM card interface with a 6-pin (U)SIM card connector is illustrated in the following
figure.
Module
USIM_VDD
USIM_GND
USIM_RST
USIM_CLK
USIM_DATA 22R
22R
22R
100nF (U)SIM Card Connector
GND
33pF 33pF 33pF
VCC
RST
CLK IO
VPP
GND
GND
15K
USIM_VDD

LTE Module Series
BG96-NA Hardware Design
BG96-NA_Hardware_Design Confidential / Released 34 / 64
Figure 16: Reference Circuit of (U)SIM Card Interface with a 6-Pin (U)SIM Card Connector
In order to enhance the reliability and availability of the (U)SIM card in applications, please follow the
criteria below in (U)SIM circuit design:
Keep layout of (U)SIM card as close to the module as possible. Keep the trace length as less than
200mm as possible.
Keep (U)SIM card signals away from RF and VBAT traces.
Assure the ground between the module and the (U)SIM card connector short and wide. Keep the
trace width of ground and USIM_VDD no less than 0.5mm to maintain the same electric potential.
To avoid cross-talk between USIM_DATA and USIM_CLK, keep them away from each other and
shield them with surrounded ground.
In order to offer good ESD protection, it is recommended to add a TVS diode array which parasitic
capacitance should be not more than 50pF. The 22 ohm resistors should be added in series between
the module and the (U)SIM card so as to suppress EMI spurious transmission and enhance ESD
protection. The 33pF capacitors are used for filtering interference of GSM900. Please note that the
(U)SIM peripheral circuit should be close to the (U)SIM card connector.
The pull-up resistor on USIM_DATA line can improve anti-jamming capability when long layout trace
and sensitive occasion are applied, and should be placed close to the (U)SIM card connector.
3.10. USB Interface
BG96-NA contains one integrated Universal Serial Bus (USB) transceiver which complies with the USB
2.0 specification and supports high-speed (480Mbps) and full-speed (12Mbps) modes. The USB interface
is used for AT command communication, data transmission, software debugging and firmware upgrade.
The following table shows the pin definition of USB interface.
Table 10: Pin Description of USB Interface
Pin Name
Pin No.
I/O
Description
Comment
USB_VBUS
8
PI
Used for detecting the USB connection.
Typical 5.0V
USB_DP
9
IO
USB differential data bus (+)
Require differential
impedance of 90Ω.
USB_DM
10
IO
USB differential data bus (-)
Require differential
impedance of 90Ω.
GND
3
Ground
More details about the USB 2.0 specifications, please visit http://www.usb.org/home.
The USB interface is recommended to be reserved for firmware upgrade in your design. The following

LTE Module Series
BG96-NA Hardware Design
BG96-NA_Hardware_Design Confidential / Released 35 / 64
figure shows a reference circuit of USB interface.
USB_DP
USB_DM
GND
USB_DP
USB_DM
GND
R1
R2
Close to Module
R3
R4
Test Points
ESD Array
NM_0R
NM_0R
0R
0R
Minimize these stubs
Module MCU
USB_VBUS
VDD
Figure 17: Reference Circuit of USB Application
In order to meet ensure the integrity of USB data line signal, components R1, R2, R3 and R4 must be
placed close to the module, and also these resistors should be placed close to each other. The extra
stubs of trace must be as short as possible.
In order to ensure the USB interface design corresponding with the USB 2.0 specification, please comply
with the following principles.
It is important to route the USB signal traces as differential pairs with total grounding. The impedance
of USB differential trace is 90 ohm.
Do not route signal traces under crystals, oscillators, magnetic devices and RF signal traces. It is
important to route the USB differential traces in inner-layer with ground shielding on not only upper
and lower layers but also right and left sides.
Pay attention to the influence of junction capacitance of ESD protection components on USB data
lines. Typically, the capacitance value should be less than 2pF.
Keep the ESD protection components to the USB connector as close as possible.
BG96-NA module can only be used as a slave device.
NOTE

LTE Module Series
BG96-NA Hardware Design
BG96-NA_Hardware_Design Confidential / Released 36 / 64
3.11. UART Interfaces
The module provides two UART interfaces: the UART1 interface and UART2 interface. The following are
their features.
The UART1 interface supports 9600, 19200, 38400, 57600, 115200, 230400, 460800, 921600 and
3000000bps baud rates, and the default is 115200bps. This interface is used for data transmission
and AT command communication.
The UART2 interface supports 115200bps baud rate. It is used for module debugging and log output.
The following tables show the pin definition of the main and debug UART interfaces.
Table 11: Pin Definition of UART1 Interface
Pin Name
Pin No.
I/O
Description
Comment
DTR
30
DI
Sleep mode control
1.8V power domain
RXD
34
DI
Receive data
1.8V power domain
TXD
35
DO
Transmit data
1.8V power domain
CTS
36
DO
Clear to send
1.8V power domain
RTS
37
DI
Request to send
1.8V power domain
DCD
38
DO
Data carrier detection
1.8V power domain
RI
39
DO
Ring indicator
1.8V power domain
Table 12: Pin Definition of UART2 Interface
Pin Name
Pin No.
I/O
Description
Comment
DBG_TXD
23
DO
Transmit data
1.8V power domain
DBG_RXD
22
DI
Receive data
1.8V power domain

LTE Module Series
BG96-NA Hardware Design
BG96-NA_Hardware_Design Confidential / Released 37 / 64
The logic levels are described in the following table.
Table 13: Logic Levels of Digital I/O
Parameter
Min.
Max.
Unit
VIL
-0.3
0.6
V
VIH
1.2
2.0
V
VOL
0
0.45
V
VOH
1.35
1.8
V
The module provides 1.8V UART interface. A level translator should be used if your application is
equipped with a 3.3V UART interface. A level translator TXS0108EPWR provided by Texas Instrument is
recommended. The following figure shows a reference design.
VCCA VCCB
OE
A1
A2
A3
A4
A5
A6
A7
A8
GND
B1
B2
B3
B4
B5
B6
B7
B8
VDD_EXT
RI
DCD
RTS
RXD
DTR
CTS
TXD
51K 51K
0.1uF 0.1uF
RI_MCU
DCD_MCU
RTS_MCU
RXD_MCU
DTR_MCU
CTS_MCU
TXD_MCU
VDD_MCU
Translator
Figure 18: Reference Circuit with Translator Chip
Please visit http://www.ti.com for more information.
Another example with transistor translation circuit is shown as below. The circuit design of dotted line
section can refer to the circuit design of solid line section, in terms of both module input and output circuit
designs, but please pay attention to the direction of connection.

LTE Module Series
BG96-NA Hardware Design
BG96-NA_Hardware_Design Confidential / Released 38 / 64
MCU/ARM
TXD
RXD
VDD_EXT
10K
VCC_MCU 4.7K
10K
VDD_EXT
TXD
RXD
RTS
CTS
DTR
RI
RTS
CTS
GND
GPIO DCD
Module
GPIO
EINT
VDD_EXT
4.7K
GND
1nF
1nF
Figure 19: Reference Circuit with Transistor Circuit
Transistor circuit solution is not suitable for applications with high baud rates exceeding 460Kbps.
3.12. I2C Interfaces
BG96-NA provides one I2C interface.
The following table shows the pin definition of I2C interfaces which can be applied on audio codec design.
Table 14: Pin Definition of I2C Interfaces
Pin Name
Pin No.
I/O
Description
Comment
I2C_SCL
40
OD
I2C serial clock
Require external pull-up to 1.8V
I2C_SDA
41
OD
I2C serial data
Require external pull-up to 1.8V
NOTE

LTE Module Series
BG96-NA Hardware Design
BG96-NA_Hardware_Design Confidential / Released 39 / 64
3.13. Network Status Indication
BG96-NA provides one network indication pin: NETLIGHT. The pin is used to drive a network status
indication LED.
The following tables describe the pin definition and logic level changes of NETLIGHT in different network
status.
Table 15: Pin Definition of Network Status Indicator
Pin Name
Pin No.
I/O
Description
Comment
NETLIGHT
21
DO
Indicate the module’s network activity
status.
1.8V power domain
Table 16: Working State of the Network Status Indicator
Pin Name
Logic Level Changes
Network Status
NETLIGHT
Flicker slowly (200ms High/1800ms Low)
Network searching
Flicker slowly (1800ms High/200ms Low)
Idle
Flicker quickly (125ms High/125ms Low)
Data transfer is ongoing
A reference circuit is shown in the following figure.
4.7K
47K
VBAT
2.2K
Module
NETLIGHT
Figure 20: Reference Circuit of the Network Indicator

LTE Module Series
BG96-NA Hardware Design
BG96-NA_Hardware_Design Confidential / Released 40 / 64
3.14. STATUS
The STATUS pin is an open drain output for indicating the module’s operation status. It can be connected
to a GPIO of DTE with a pulled up resistor, or an LED indication circuit as below. When the module is
turned on normally, the STATUS will present a low state. Otherwise, the STATUS will present
high-impedance state.
Table 17: Pin Definition of STATUS
Pin Name
Pin No.
I/O
Description
Comment
STATUS
20
OD
Indicate the module’s operation status
1.8V power domain
The following figure shows different circuit designs of STATUS, and you can choose either one according
to your application demands.
VDD_MCU
10K
Module
STATUS MCU_GPIO
Module
STATUS
VBAT
2.2K
Figure 21: Reference Circuit of the STATUS
3.15. Behavior of the RI
AT+QCFG=“risignaltype”,“physical” command can be used to configure RI behavior.
No matter on which port URC is presented, URC will trigger the behavior of RI pin.
URC can be output from UART port, USB AT port and USB modem port by AT+QURCCFG command.
The default port is USB AT port.
NOTE

LTE Module Series
BG96-NA Hardware Design
BG96-NA_Hardware_Design Confidential / Released 41 / 64
The default behaviors of RI are shown as below.
Table 18: Default Behavior of RI
State
Response
Idle
RI keeps at high level.
URC
RI outputs 120ms low pulse when new URC returns.
The RI behavior can be changed by AT+QCFG=“urc/ri/ring” command. Please refer to document [2]
for details.
3.16. USB_BOOT Interface
BG96-NA provides a USB_BOOT pin. During development or factory production, USB_BOOT pin can
force the module to boot from USB port for firmware upgrade.
Table 19: Pin Definition of USB_BOOT Interface
Pin Name
Pin No.
I/O
Description
Comment
USB_BOOT
75
DI
Force the module to boot from USB
port
1.8V power domain.
Active high.
If unused, keep it open.
The following figure shows a reference circuit of USB_BOOT interface.
Module
USB_BOOT
VDD_EXT
10K
Test point
TVS Close to test point
Figure 22: Reference Circuit of USB_BOOT Interface

LTE Module Series
BG96-NA Hardware Design
BG96-NA_Hardware_Design Confidential / Released 42 / 64
4 GNSS Receiver
4.1. General Description
BG96-NA includes a fully integrated global navigation satellite system solution that supports Gen8C-Lite
of Qualcomm (GPS, GLONASS, BeiDou/Compass, Galileo and QZSS).
BG96-NA supports standard NMEA-0183 protocol, and outputs NMEA sentences at 1Hz data update rate
via USB interface by default.
By default, BG96-NA GNSS engine is switched off. It has to be switched on via AT command. For more
details about GNSS engine technology and configurations, please refer to document [3].
4.2. GNSS Performance
The following table shows the GNSS performance of BG96-NA.
Table 20: GNSS Performance
Parameter
Description
Conditions
Typ.
Unit
Sensitivity
(GNSS)
Cold start
Autonomous
TBD
dBm
Reacquisition
Autonomous
TBD
dBm
Tracking
Autonomous
TBD
dBm
TTFF
(GNSS)
Cold start
@open sky
Autonomous
TBD
s
XTRA enabled
TBD
s
Warm start
@open sky
Autonomous
TBD
s
XTRA enabled
TBD
s
Hot start
Autonomous
TBD
s

LTE Module Series
BG96-NA Hardware Design
BG96-NA_Hardware_Design Confidential / Released 43 / 64
@open sky
XTRA* enabled
TBD
s
Accuracy
(GNSS)
CEP-50
Autonomous
@open sky
TBD
m
1. Tracking sensitivity: the lowest GNSS signal value at the antenna port on which the module can keep
on positioning for 3 minutes.
2. Reacquisition sensitivity: the lowest GNSS signal value at the antenna port on which the module can
fix position again within 3 minutes after loss of lock.
3. Cold start sensitivity: the lowest GNSS signal value at the antenna port on which the module fixes
position within 3 minutes after executing cold start command.
4. “*” means under development.
4.3. Layout Guidelines
The following layout guidelines should be taken into account in your design.
Maximize the distance between GNSS antenna and main antenna.
Digital circuits such as (U)SIM card, USB interface, camera module, display connector and SD card
should be kept away from the antennas.
Use ground vias around the GNSS trace and sensitive analog signal traces to provide coplanar
isolation and protection.
Keep 50 ohm characteristic impedance for the ANT_GNSS trace.
Please refer to Chapter 5 for GNSS antenna reference design and antenna installation information.
NOTES

LTE Module Series
BG96-NA Hardware Design
BG96-NA_Hardware_Design Confidential / Released 44 / 64
5 Antenna Interfaces
BG96-NA antenna interfaces include a main antenna interface and a GNSS antenna interface. The
antenna interfaces have an impedance of 50 ohm.
5.1. Main Antenna Interface
5.1.1. Pin Definition
The pin definition of main antenna interface is shown below.
Table 21: Pin Definition of the RF Antenna Interface
Pin Name
Pin No.
I/O
Description
Comment
ANT_MAIN
60
IO
Main antenna interface
50 ohm impedance
5.1.2. Operating Frequency
Table 22: Module Operating Frequencies
3GPP Band
Transmit
Receive
Unit
B4
1710~1755
2110~2155
MHz
B13
777~787
746~757
MHz
5.1.3. Reference Design of RF Antenna Interface
A reference design of ANT_MAIN antenna pad is shown as below. It should reserve a π-type matching
circuit for better RF performance. The capacitors are not mounted by default.

LTE Module Series
BG96-NA Hardware Design
BG96-NA_Hardware_Design Confidential / Released 45 / 64
ANT_MAIN
R1 0R
C1
Module
Main
antenna
NM
C2
NM
Figure 23: Reference Circuit of RF Antenna Interface
Place the π-type matching components (R1, C1, C2) as close to the antenna as possible.
5.1.4. Reference Design of RF Layout
For user’s PCB, the characteristic impedance of all RF traces should be controlled as 50 ohm. The
impedance of the RF traces is usually determined by the trace width (W), the materials’ dielectric constant,
the distance between signal layer and reference ground (H), and the clearance between RF trace and
ground (S). Microstrip line or coplanar waveguide line is typically used in RF layout for characteristic
impedance control. The following are reference designs of microstrip line or coplanar waveguide line with
different PCB structures.
Figure 24: Microstrip Line Design on a 2-layer PCB
NOTE

LTE Module Series
BG96-NA Hardware Design
BG96-NA_Hardware_Design Confidential / Released 46 / 64
Figure 25: Coplanar Waveguide Line Design on a 2-layer PCB
Figure 26: Coplanar Waveguide Line Design on a 4-layer PCB (Layer 3 as Reference Ground)
Figure 27: Coplanar Waveguide Line Design on a 4-layer PCB (Layer 4 as Reference Ground)

LTE Module Series
BG96-NA Hardware Design
BG96-NA_Hardware_Design Confidential / Released 47 / 64
In order to ensure RF performance and reliability, the following principles should be complied with in RF
layout design:
Use impedance simulation tool to control the characteristic impedance of RF traces as 50 ohm.
The GND pins adjacent to RF pins should not be hot welded, and should be fully connected to
ground.
The distance between the RF pins and the RF connector should be as short as possible, and all the
right angle traces should be changed to curved ones.
There should be clearance area under the signal pin of the antenna connector or solder joint.
The reference ground of RF traces should be complete. Meanwhile, adding some ground vias around
RF traces and the reference ground could help to improve RF performance. The distance between
the ground vias and RF traces should be no less than two times the width of RF signal traces (2*W).
For more details about RF layout, please refer to document [4].
5.2. GNSS Antenna Interface
The following tables show the pin definition and frequency specification of GNSS antenna interface.
Table 23: Pin Definition of GNSS Antenna Interface
Pin Name
Pin No.
I/O
Description
Comment
ANT_GNSS
49
AI
GNSS antenna interface
50 ohm impedance
Table 24: GNSS Frequency
Type
Frequency
Unit
GPS/Galileo/QZSS
1575.42±1.023
MHz
GLONASS
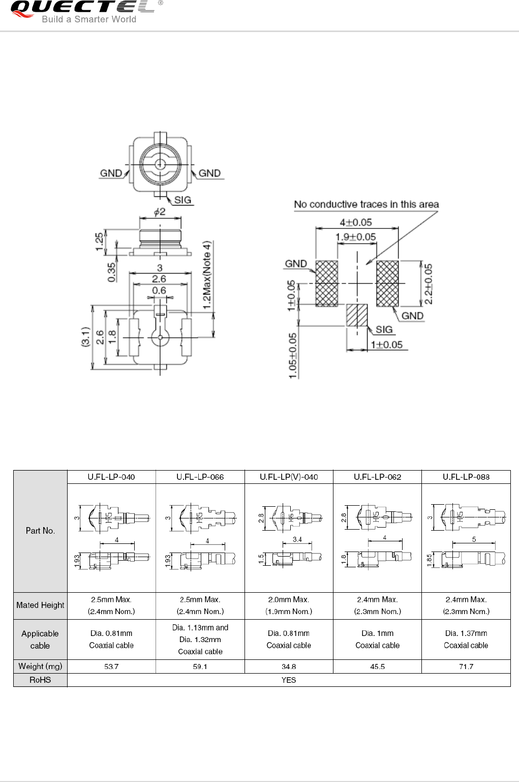
1597.5~1605.8
MHz
BeiDou
1561.098±2.046
MHz

LTE Module Series
BG96-NA Hardware Design
BG96-NA_Hardware_Design Confidential / Released 48 / 64
A reference design of GNSS antenna interface is shown as below.
GNSS
Antenna
Module
ANT_GNSS
100pF
NMNM
Figure 28: Reference Circuit of GNSS Antenna Interface
1. An external LDO can be selected to supply power according to the active antenna requirement.
2. If the module is designed with a passive antenna, then the VDD circuit is not needed.
5.3. Antenna Installation
5.3.1. Antenna Requirements
The following table shows the requirements on main antenna.
Table 25: Main Antenna Requirements
Type
Requirements
LTE
VSWR: ≤ 2
Gain (dBi): 1
Max Input Power (W): 50
Input Impedance (ohm): 50
Polarization Type: Vertical
Cable Insertion Loss: <1.5dB (LTE B1/B2/B3/B4)
NOTES

LTE Module Series
BG96-NA Hardware Design
BG96-NA_Hardware_Design Confidential / Released 49 / 64
5.3.2. Recommended RF Connector for Antenna Installation
If RF connector is used for antenna connection, it is recommended to use the UF.L-R-SMT connector
provided by HIROSE.
Figure 29: Dimensions of the UF.L-R-SMT Connector (Unit: mm)
U.FL-LP serial connectors listed in the following figure can be used to match the UF.L-R-SMT.
Figure 30: Mechanicals of UF.L-LP Connectors

LTE Module Series
BG96-NA Hardware Design
BG96-NA_Hardware_Design Confidential / Released 51 / 64
6 Electrical, Reliability and Radio
Characteristics
6.1. Absolute Maximum Ratings
Absolute maximum ratings for power supply and voltage on digital and analog pins of the module are
listed in the following table.
Table 26: Absolute Maximum Ratings
Parameter
Min.
Max.
Unit
VBAT_RF/VBAT_BB
-0.3
4.7
V
USB_VBUS
-0.3
5.5
V
Peak Current of VBAT_BB
0
TBD
A
Peak Current of VBAT_RF
0
TBD
A
Voltage at Digital Pins
-0.3
2.3
V
6.2. Power Supply Ratings
Table 27: Power Supply Ratings
Parameter
Description
Conditions
Min.
Typ.
Max.
Unit
VBAT
VBAT_BB and
VBAT_RF
Voltage must stay within the
min/max values, including
voltage drop, ripple and
spikes.
3.3
3.8
4.3
V

LTE Module Series
BG96-NA Hardware Design
BG96-NA_Hardware_Design Confidential / Released 52 / 64
Parameter
Description
Conditions
Min.
Typ.
Max.
Unit
IVBAT
Peak supply current
(during transmission
slot)
TBD
TBD
A
USB_VBUS
USB detection
3.0
5.0
5.25
V
6.3. Operating Temperature
The operating temperature is listed in the following table.
Table 28: Operating Temperature
Parameter
Min.
Typ.
Max.
Unit
Operation Temperature Range1)
-35
+25
+75
ºC
Extended Temperature Range2)
-40
+85
ºC
1. 1) Within operation temperature range, the module is 3GPP compliant.
2. 2) Within extended temperature range, the module remains the ability to establish and maintain SMS,
data transmission, etc. There is no unrecoverable malfunction. Only one or more parameters like Pout
might reduce in their value and exceed the specified tolerances. When the temperature returns to the
normal operating temperature levels, the module will meet 3GPP compliant again.
6.4. Current Consumption
The information will be added in the future version of this document.
NOTES

LTE Module Series
BG96-NA Hardware Design
BG96-NA_Hardware_Design Confidential / Released 53 / 64
6.5. RF Output Power
The following table shows the RF output power of BG96-NA module.
Table 29: Conducted RF Output Power
Frequency
Max.
Min.
LTE-FDD B2/B4B12/B13
23dBm±2.7dB
TBD
6.6. RF Receiving Sensitivity
The following table shows the conducted RF receiving sensitivity of BG96-NA module.
Table 30: BG96-NA Conducted RF Receiving Sensitivity
Frequency
Primary
Diversity
SISO
3GPP
LTE-FDD B2
TBD
Not Supported
TBD
-100.3dBm
LTE-FDD B4
TBD
Not Supported
TBD
-102.3dBm
LTE-FDD B12
TBD
Not Supported
TBD
-99.3dBm
LTE-FDD B13
TBD
Not Supported
TBD
-93.3dBm
6.7. Electrostatic Discharge
The information will be added in the future version of this document.

LTE Module Series
BG96-NA Hardware Design
BG96-NA_Hardware_Design Confidential / Released 54 / 64
7 Mechanical Dimensions
This chapter describes the mechanical dimensions of the module. All dimensions are measured in mm.
7.1. Mechanical Dimensions of the Module
22.50±0.1
26.50±0.1
2.3±0.2
Figure 32: Module Top and Side Dimensions

LTE Module Series
BG96-NA Hardware Design
BG96-NA_Hardware_Design Confidential / Released 55 / 64
22.50
26.50
0.92
0.92
1.50
1.10
7.45 7.15
1.95 0.55 1.10 1.66
5.10
1.00
8.50
0.85
1.70
0.85
1.00
1.00
1.70
1.70
0.55
1.50
1.15
1.90
1.10
1.65
0.50 0.70
40x1.0
40x1.0
62x0.7
62x1.15
Figure 33: Module Bottom Dimensions (Bottom View)

LTE Module Series
BG96-NA Hardware Design
BG96-NA_Hardware_Design Confidential / Released 56 / 64
7.2. Recommended Footprint
62x2.35
1.00
62x0.7
0.85
9.959.95
7.15
7.45
11.80
11.80
9.70
9.60
1.95
0.55
7.65
5.95
7.65
5.95
4.25
4.25
5.95
5.95
0.20
1.90
4.25 4.25
0.85
0.85
2.55
2.55
2.55
2.55
0.85
40x1.00 40x1.00
1.10
29.00
Figure 34: Recommended Footprint (Top View)
For easy maintenance of the module, please keep about 3mm between the module and other
components in the host PCB.
NOTE

LTE Module Series
BG96-NA Hardware Design
BG96-NA_Hardware_Design Confidential / Released 57 / 64
7.3. Design Effect Drawings of the Module
Figure 35: Top View of the Module
Figure 36: Bottom View of the Module
These are design effect drawings of BG96-NA module. For more accurate pictures, please refer to the
module that you get from Quectel.
NOTE

LTE Module Series
BG96-NA Hardware Design
BG96-NA_Hardware_Design Confidential / Released 58 / 64
8 Storage, Manufacturing and
Packaging
8.1. Storage
BG96-NA is stored in a vacuum-sealed bag. The storage restrictions are shown as below.
1. Shelf life in the vacuum-sealed bag: 12 months at <40ºC/90%RH.
2. After the vacuum-sealed bag is opened, devices that will be subjected to reflow soldering or other
high temperature processes must be:
Mounted within 72 hours at the factory environment of ≤30ºC/60%RH.
Stored at <10%RH.
3. Devices require baking before mounting, if any circumstance below occurs.
When the ambient temperature is 23ºC±5ºC and the humidity indication card shows the humidity
is >10% before opening the vacuum-sealed bag.
Device mounting cannot be finished within 72 hours at factory conditions of ≤30ºC/60%
4. If baking is required, devices may be baked for 48 hours at 125ºC±5ºC.
As the plastic package cannot be subjected to high temperature, it should be removed from devices
before high temperature (125ºC ) baking. If shorter baking time is desired, please refer to
IPC/JEDECJ-STD-033 for baking procedure.
NOTE

LTE Module Series
BG96-NA Hardware Design
BG96-NA_Hardware_Design Confidential / Released 59 / 64
8.2. Manufacturing and Welding
Push the squeegee to apply the solder paste on the surface of stencil, thus making the paste fill the
stencil openings and then penetrate to the PCB. The force on the squeegee should be adjusted properly
so as to produce a clean stencil surface on a single pass. To ensure the module soldering quality, the
thickness of stencil for the module is recommended to be 0.18mm. For more details, please refer to
document [5].
It is suggested that the peak reflow temperature is 235~245ºC (for SnAg3.0Cu0.5 alloy). The absolute
max reflow temperature is 260ºC. To avoid damage to the module caused by repeated heating, it is
suggested that the module should be mounted after reflow soldering for the other side of PCB has been
completed. Recommended reflow soldering thermal profile is shown below.
Time
50 100 150 200 250 300
50
100
150
200
250
160ºC
200ºC
217
0
70s~120s
40s~60s
Between 1~3ºC/s
Preheat Heating Cooling
ºC
s
Liquids Temperature
Temperature
Figure 37: Reflow Soldering Thermal Profile
8.3. Packaging
The information will be added in the future version of this document.

LTE Module Series
BG96-NA Hardware Design
BG96-NA_Hardware_Design Confidential / Released 60 / 64
9 Appendix A References
Table 31: Related Documents
SN
Document Name
Remark
[1]
Quectel_BG96_Power_Management_Application_Note
BG96 Power Management Application
Note
[2]
Quectel_BG96_AT_Commands_Manual
BG96 AT Commands Manual
[3]
Quectel_BG96_GNSS_AT_Commands_Manual
BG96 GNSS AT Commands Manual
[4]
Quectel_RF_Layout_Application_Note
RF Layout Application Note
[5]
Quectel_Module_Secondary_SMT_User_Guide
Module Secondary SMT User Guide
Table 32: Terms and Abbreviations
Abbreviation
Description
AMR
Adaptive Multi-rate
bps
Bits Per Second
CHAP
Challenge Handshake Authentication Protocol
CS
Coding Scheme
CSD
Circuit Switched Data
CTS
Clear To Send
DC-HSPA+
Dual-carrier High Speed Packet Access
DFOTA
Delta Firmware Upgrade Over The Air
DL
Downlink
DTR
Data Terminal Ready

LTE Module Series
BG96-NA Hardware Design
BG96-NA_Hardware_Design Confidential / Released 61 / 64
DTX
Discontinuous Transmission
EFR
Enhanced Full Rate
ESD
Electrostatic Discharge
FDD
Frequency Division Duplex
FR
Full Rate
GMSK
Gaussian Minimum Shift Keying
GSM
Global System for Mobile Communications
HR
Half Rate
HSPA
High Speed Packet Access
HSDPA
High Speed Downlink Packet Access
HSUPA
High Speed Uplink Packet Access
I/O
Input/Output
Inorm
Normal Current
LED
Light Emitting Diode
LNA
Low Noise Amplifier
LTE
Long Term Evolution
MIMO
Multiple Input Multiple Output
MO
Mobile Originated
MS
Mobile Station (GSM engine)
MT
Mobile Terminated
PAP
Password Authentication Protocol
PCB
Printed Circuit Board
PDU
Protocol Data Unit
PPP
Point-to-Point Protocol
QAM
Quadrature Amplitude Modulation

LTE Module Series
BG96-NA Hardware Design
BG96-NA_Hardware_Design Confidential / Released 62 / 64
QPSK
Quadrature Phase Shift Keying
RF
Radio Frequency
RHCP
Right Hand Circularly Polarized
Rx
Receive
SISO
Single Input Single Output
SMS
Short Message Service
TDD
Time Division Duplexing
TX
Transmitting Direction
UL
Uplink
UMTS
Universal Mobile Telecommunications System
URC
Unsolicited Result Code
(U)SIM
(Universal) Subscriber Identity Module
Vmax
Maximum Voltage Value
Vnorm
Normal Voltage Value
Vmin
Minimum Voltage Value
VIHmax
Maximum Input High Level Voltage Value
VIHmin
Minimum Input High Level Voltage Value
VILmax
Maximum Input Low Level Voltage Value
VILmin
Minimum Input Low Level Voltage Value
VImax
Absolute Maximum Input Voltage Value
VImin
Absolute Minimum Input Voltage Value
VOHmax
Maximum Output High Level Voltage Value
VOHmin
Minimum Output High Level Voltage Value
VOLmax
Maximum Output Low Level Voltage Value
VOLmin
Minimum Output Low Level Voltage Value

LTE Module Series
BG96-NA Hardware Design
BG96-NA_Hardware_Design Confidential / Released 63 / 64
VSWR
Voltage Standing Wave Ratio
WCDMA
Wideband Code Division Multiple Access

LTE Module Series
BG96-NA Hardware Design
BG96-NA_Hardware_Design Confidential / Released 64 / 64
10 Appendix B GPRS Coding Schemes
Table 33: Description of Different Coding Schemes
Scheme
CS-1
CS-2
CS-3
CS-4
Code Rate
1/2
2/3
3/4
1
USF
3
3
3
3
Pre-coded USF
3
6
6
12
Radio Block excl.USF and BCS
181
268
312
428
BCS
40
16
16
16
Tail
4
4
4
-
Coded Bits
456
588
676
456
Punctured Bits
0
132
220
-
Data Rate Kb/s
9.05
13.4
15.6
21.4

LTE Module Series
BG96-NA Hardware Design
BG96-NA_Hardware_Design Confidential / Released 65 / 64
11 Appendix C GPRS Multi-slot Classes
Twenty-nine classes of GPRS multi-slot modes are defined for MS in GPRS specification. Multi-slot
classes are product dependent, and determine the maximum achievable data rates in both the uplink and
downlink directions. Written as 3+1 or 2+2, the first number indicates the amount of downlink timeslots,
while the second number indicates the amount of uplink timeslots. The active slots determine the total
number of slots the GPRS device can use simultaneously for both uplink and downlink communications.
The description of different multi-slot classes is shown in the following table.
Table 34: GPRS Multi-slot Classes
Multislot Class
Downlink Slots
Uplink Slots
Active Slots
1
1
1
2
2
2
1
3
3
2
2
3
4
3
1
4
5
2
2
4
6
3
2
4
7
3
3
4
8
4
1
5
9
3
2
5
10
4
2
5
11
4
3
5
12
4
4
5

LTE Module Sires
BG96-NA Hardware Design
BG96-NA_Hardware_Design Confidential / Released 66 / 64
12 Appendix D EDGE Modulation and
Coding Schemes
Table 35: EDGE Modulation and Coding Schemes
Coding
Schemes
Modulation
Coding Family
1 Timeslot
2 Timeslot
4 Timeslot
CS-1:
GMSK
/
9.05kbps
18.1kbps
36.2kbps
CS-2:
GMSK
/
13.4kbps
26.8kbps
53.6kbps
CS-3:
GMSK
/
15.6kbps
31.2kbps
62.4kbps
CS-4:
GMSK
/
21.4kbps
42.8kbps
85.6kbps
MCS-1
GMSK
C
8.80kbps
17.60kbps
35.20kbps
MCS-2
GMSK
B
11.2kbps
22.4kbps
44.8kbps
MCS-3
GMSK
A
14.8kbps
29.6kbps
59.2kbps
MCS-4
GMSK
C
17.6kbps
35.2kbps
70.4kbps
MCS-5
8-PSK
B
22.4kbps
44.8kbps
89.6kbps
MCS-6
8-PSK
A
29.6kbps
59.2kbps
118.4kbps
MCS-7
8-PSK
B
44.8kbps
89.6kbps
179.2kbps
MCS-8
8-PSK
A
54.4kbps
108.8kbps
217.6kbps
MCS-9
8-PSK
A
59.2kbps
118.4kbps
236.8kbps

