RELM Communications RPU416A UHF FM Transceiver User Manual Service Manual
RELM Communications Inc UHF FM Transceiver Service Manual
Contents
- 1. Users Manual
 - 2. Service Manual
 - 3. New Alignment Manual
 - 4. Revised Manual
 
Service Manual
1
CONTENTS
General
2
Mode Combination
3
RPU416A Circuit Description
4
RPU416A Software Description
10
RPU416A Parts List
1
6
RPU416A Adjust Description
26
Disassembly for Repair
30
Exploded View
31
Packing
2
32
RPU416A PC Board View
33
RPU416A Block Diagram
37
RPU416A Level Diagram
39
RPU416A Schematic Diagram
41
Main Technical Specifications
49
3
General
This manual is intended for use by experienced technicians familiar with similar types of commercial
grade communications equipment. It contains main required service information and data for the
equipment.
The following precautions are recommended for personal safety:
!  DO NOT transmit until all RF connectors are verified secure and any open connectors are
properly terminated.
!  SHUT OFF and DO NOT operate this equipment near electrical blasting caps or in an explosive
atmosphere.
!  This equipment should be maintained by qualified technicians only.

4
Mode Combination
1. Mode
User mode: Turn on the power to enter.
PC mode"Set and adjust with PC software or programmer.
2. Parts description:
(1) Antenna
(2)  Channel (frequency) selector knob
Turn the knob to choose channel from 1~16(channel 16 may be set by distributor as scan channel).
(3) LED light
Lights red while transmitting, green while receiving a signal. Flashes red when the battery voltage is
low while transmitting.
(4)  Power switch/Volume control
Turn the knob clockwise to switch the transceiver ON, anti-clockwise to turn off the power till there is
a “click” sound, rotate to adjust the volume level.
(5) Speaker
(6) Microphone
(7)  PTT switch (push to talk)
Press the button while transmitting, and release it while receiving.
(8) Monitor key
Press it to shut off squelch, noise could be heard, release to connect squelch.
(9) Speaker/microphone jack
(10) Belt clip
(11) Battery (TB-82)
RPU416A Circuit Description
1. Frequency configuration
The receiver utilizes double conversion. The first IF is 38.85MHz and the second IF is 450kHz. The first
local oscillator signal is supplied from the PLL circuit.
The PLL circuit in the transmitter generates the necessary frequencies. Fig.1 shows the frequencies.
RPU416A frequency range:  450MHz—470MHz

5
B
CC
B
ANT
ANTSW RF
MCF
38.85MHz
CF 
450KHz
SYSTEM AF  SP
X3 
multiply
IF
TCXO 12.8MHz
MIC
AMP
MICPLL
VCO
RX
TX
TX
AMP
PA
AMP
AMP AMP
Fig.1 Frequency configuration
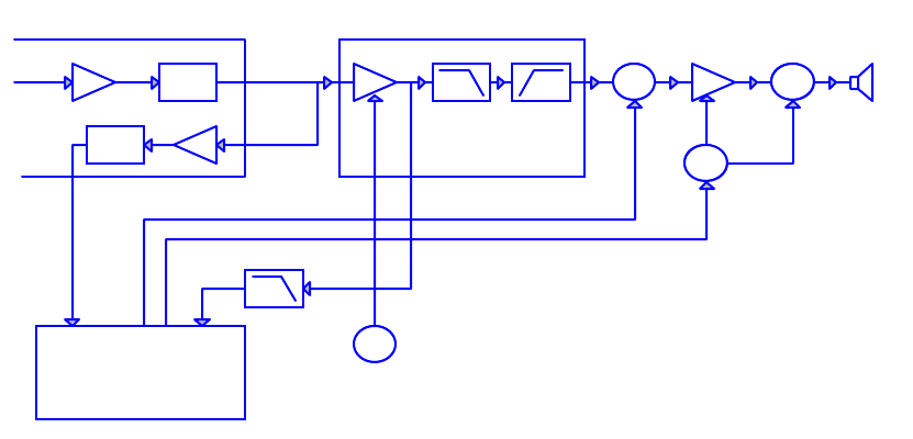
2. Receiver
The receiver is double conversion superheterodyne.
1) Front-end RF amplifier
An incoming signal from the antenna is applied to a Preamplifier (Q203) after passing through a
transmit/receive switch circuit (K102 and D103 are off) and a 3-pole LC filter. After the signal is amplified
(Q203), the signal is filtered by a band pass filter (a3-pole LC filter) to eliminate unwanted signals before it
is passed to the first mixer. The voltages of these diodes are controlled by to track the MPU. (See Fig. 2-b)
B
CC
B
ANT
D102
D103 BPF Q203
RF AMP
L208-L211 BPF
L214.L203.L204 MCF
XF200 IF AMP
Q201
MIXER
Q202
CF200
IF.MIX
IC200
AF AMP
LPF.HPF
IC300
AF PA  AMP
IC302
SP
WIDE/NARROW SW
Q303
X3
multiply
Q1
TCXO
1st Local OSC
(PLL)
TUNE
APC
IC403
MCU
Fig. 2 Receiver section configuration
2) First mixer
The signal from the RF amplifier is heterodyned with the first local oscillator signal from the PLL
frequency synthesizer circuit at the first mixer (Q202) to create a 38.85 MHz first intermediate frequency
(1st IF) signal. The first IF signal is then fed through two monolithic crystal filters (MCFs: XF200) to further
remove spurious signals.
3) IF amplifier
The first IF signal is amplified by Q201, and then enters IC 200 (FM processing IC). The signal is
heterodyned again with a second local oscillator signal within IC200 to create a 450kHz second IF

6
RPU416A Circuit Description
signal. The second IF signal is then fed through a 450kHz ceramic filter (CF200) to further eliminate
unwanted signals before it is amplified and FM detected in IC200.
4) AF amplifier
The recovered AF signal obtained from IC200 is amplified by IC300 (1/4), filtered by the IC300 low-pass
filter (2/4) and IC300 high-pass filter (3/4) and  (4/4), and de-emphasized by R303 and C306. The AF
signal is then passed through a WIDE/NARROW switch (Q303). The processed AF signal passes through
an AF volume control and is amplified to a sufficient level to drive a loud speaker by an AF power amplifier
(IC302).
5) Squelch
Part of the AF signal from the IC enters the FM IC again, and the noise component is amplified and
rectified by a filter and an amplifier to produce a DC voltage corresponding to the noise level.
The DC signal from the FM IC goes to the analog port of the microprocessor (IC403). IC403 determines
whether to output sounds from the speaker, IC403 sends a high signal to the MUTE and AFCO lines and
turns IC302 on through Q302, Q304, Q305, Q306 and Q307. (See Fig.3)
FM  IF  IC200
IF AMP DET
DET HPF
AMP
IC 300
AF AMP LPF HPF Q302
SW IC302
AF/PF AMP Q307
SW
SP
Q304.Q305.Q306
SW
Q303
W/N SW
IC301
LPF
562676
BUSY
MUTE
AFCO
TI
IC403
MPU
Fig. 3.  AF Amplifier and squelch
6) Receiving signaling
QT/DQT
300 Hz and higher audio frequencies of the output signal from IF IC are cut by a low-pass filter (IC301).
The resulting signal enters the microprocessor (IC403). IC403 determines whether the QT or DQT
matches the preset value, and controls the MUTE and AFCO and the speaker output sounds according to
the squelch results.
3. PLL frequency synthesizer
The PLL circuit generates the first local oscillator signal for reception and the RF signal for transmission.
1) PLL
The frequency step of the PLL circuit is 5 or 6.25kHz. A 12.8MHz reference oscillator signal is divided at
IC1 by a fixed counter to produce the 5 or 6.25kHz reference frequency. The voltage controlled oscillator
(VCO) output signal is buffer amplified by Q6, then divided in IC1 by a dual-module
RPU416A Circuit Description
programmable counter. The divided signal is compared in phase with the 5 or 6.25kHz reference signal in
the phase comparator in IC1. The output signal from the phase comparator is filtered through a low-pass
filter and passed to the VCO to control the oscillator frequency. (See Fig. 4 of Next Page)

7
B
C
DD
C
B
PLL DATA
PLL  IC  IC1
I/N 5KHz/6.25KHz
PHASE
COMPARATOR
REF OSC
12.8MHz
I/M 5KHz/6.25KHz
CHARGE
LPF
D2.4 Q4
TX VCO
D1.3 Q3
RX VCO
Q6
BUFF AMP
Q5.7
T/R SW
Q2
RF AMP
PUMP
Fig. 4.  PLL circuit
2) VCO
The operating frequency is generated by Q4 in transmit mode and Q3 in receive mode. The oscillator
frequency is controlled by applying the VCO control voltage, obtained from the phase comparator, to the
varactor diodes  (D2 and D4 in transmit mode and D1 and D3 in receive mode) . The T/R pin is set high in
receive mode causing Q5 and Q7 to turn Q4 off, and turn Q3 on. The T/R pin is set low in transmit mode.
The outputs from Q3 and Q4 are amplified by Q6 and sent to the buffer amplifiers.
3) UNLOCK DETECTOR
If a pulse signal appears at the LD pin of IC1, an unlock condition occurs, and the DC voltage obtained
from D7, R6, and C1 causes the voltage applied to the UL pin of the microprocessor to go low. When the
microprocessor detects this condition, the transmitter is disabled, ignoring the push-to-talk switch input
signal. (See Fig. 5)
IC1
LD
PLL IC
D7
5C
R6
C1
IC403
UL
MPU
Fig. 5. Unlock detector circuit
4. Transmitter
1) Transmit audio
The modulation signal from the microphone is amplified by IC500 (1/2), passes through a preemphasis
circuit, and amplified by the other IC500 (1/2) to perform IDC operation. The signal then passes through a
low-pass filter (splatter filter) (Q501 and Q502) and cuts 3kHz and higher frequencies.

8
RPU416A Circuit Description
The resulting signal goes to the VCO through the VCO modulation terminal for direct FM modulation. (See
Fig. 6)
2) QT/DQT encoder
A necessary signal for QT/DQT encoding is generated by IC403 and FM-modulated to the PLL
reference signal. Since the reference OSC does not modulate the loop characteristic frequency or higher,
modulation is performed at the VCO side by adjusting the balance. (See Fig. 6)
MIC
IC500(1/2)
MIC
AMP PREEMPHASIS IC500(1/2)
IDC
Q501.502
LPF
(SPLATTER  FILTER)
VR501
MAX
DEV D5.Q4
VCO
VR500
BALANCE
X1.IC1
REFERENCE
OSC
QT/DQT
IC403
TO
MUTE
Q503
SW
Fig. 6.  Transmit audio QT/DQT
3) RF amplifier
The transmit signal obtained from the VCO buffer amplifier Q100, is amplified by Q101 and
Q102. This amplified signal is passed to the power amplifier, Q105 and Q107, which consists of a 2-stage
FET amplifier and is capable of producing up to 4W of RF power (See Fig. 7-b)
D
C
B
A
Title
Number RevisionSize
AMP
Q101.102
5T
DRIVE  AMP
Q105
FINAL  AMP
Q107
ANT  SW
D101 LPF
ANT
ANT  SW
D102.103
RX
Q106
SW
Q109
SW
5T
IC100
APC
DET
Q103.Q104
B  SW
B
APC
5T
TH102
SW
Q110
5T
Q108
SW
Fig. 7 APC system
4) ANT switch and LPF
The RF amplifier output signal is passed through a low-pass filter network and a transmit/receive
9
RPU416A Circuit Description
switching circuit before it is passed to the antenna terminal. The transmit/receive switching circuit is
comprised of D101, D102 and D103. D102 and D103 turned on  (conductive ) in transmit mode and off
(isolated) in receive mode.
5) APC
The automatic power control (APC) circuit stabilizes the transmitter output power at a predetermined
level by sensing the drain current of the final amplifier Field Effect Transistor (FET). The voltage obtained
from the above drain current with a reference voltage which is set using the microprocessor. An APC
voltage proportional to the difference between the sensed voltage and the reference voltage appears at
the output of IC100 (1/2). This output voltage controls the gate of the FET power amplifier, which keeps
the transmitter output power can be varied by the microprocessor which in turn changes the reference
voltage and hence , the output power.
6) Terminal protection circuit
When the thermistor (TH102) reaches about 80", the protection circuit turns on Q110 to protect
transmitting final amplifier (Q107).
5. Power supply
A 5V reference power supply [5M] for the control circuit is derived from an internal battery. This
reference is used to provide a 5V supply in transmit mode [5T] ,a 5V supply in receive mode  [5R] , and a
5V, supply common in both modes [5C] based on the control signal sent
from the microprocessor.
6. Control system
The IC403 CPU operates at 7.37MHZ. This oscillator has a circuit that shifts the frequency according to
the EEPROM data.
10
RPU416A Software Specifications
.Specifications:
1. Use mechanical knob to choose from 16 channels.
Frequency range: UHF: 450~470MHz
2. Monitor
3. Auto power saving
4. Audio alarm
5. Auto squelch control (0~9 level)
6. Timing
7. Channel space 25kHz/12.5kHz(Wide/Narrow)
8. CTCSS & DQT encode
9. CTCSS & DQT decode
10.Two Tone Signal decode
11.Two Tone Signal encode
12.Busy channel lock
13.Clock frequency deviation
14.Scan
15.PC mode
16.PC modifying mode
17.Wire clone
18.Manual modifying mode
.Description:
1.  User mode: general radio mode
2. PC mode:
Make settings through external programmer or PC program software:
(1)   Receive frequency & Transmit frequency
(2)   Receive signaling & Transmit signaling
(3)   Lock busy channel
(4)   Clock frequency deviation
(5)  Timing
(6)   Squelch level selectivity
(7)   Power saving
(8)   Audio Alarm
(9)   Channel space 25kHz/12.5kHz(Wide/Narrow)
(10)  Monitor mode
(11)  Scan mode
(12)  Reset scan mode
(13)  Scan priority
3.  PC modify mode:
Make settings through external programmer or PC program software:
RPU416A Software Specifications
(1) Frequency stability
(2) RF power
(3)  Low power alarm
(4)  Squelch (level 9&3)
(5)  CTCSS deviation (Wide/Narrow).
(6)  DQT deviation (Wide/Narrow).
(7) Receive sensitivity(low"medium"high)
4. Wire Clone:
Press MONI to turn on the power , enter wire clone mode 2 seconds later, press PTT,
Begin cloning while red lights, finish while light goes out.
5. Mode setting:
(1) Short cut the SELF on PCB, and turn on the power till “BEEP”.
(2) Set channel selector knob to corresponding place according to the model(1-16)
11
(3) Press [MONI],then press [PTT], to set the channel, channel data and initial data.
(4) Turn off the power, disconnect SELF on PCB to end mode settings.
(5) Remarks:
The old data(frequency, CTCSS/DQT, channel function) will be deleted once set the new
mode by pressing MONI AND PTT , part of the function also would be changed. Therefore, do
not set this operation unless change the EEPROM, etc.

13
RPU416A Software Specifications
(6) TC- 368(2) channel frequency diagram (after setting):
1CH 2CH(Central) 3CH(L) 4CH(H)
No Model Frequency(MHz) Initial
(MHz) IF(MHz) Tx(MHz) Rx(MHz) Tx(MHz) Rx(MHz) Tx(MHz) Rx(MHz) Tx(MHz) Rx(MHz)
1 136.000~149.995 140.000 +38.85 143.100 143.100 143.000 143.100 136.000 136.100 149.975 149.900
2 150.000~173.995 150.000 +38.85 162.100 162.100 162.000 162.100 150.000 150.100 173.975 173.900
3 400.000~419.995 410.000 -38.85 410.100 410.100 410.000 410.100 400.000 400.100 419.975 419.900
4 RPU416A 450.000~469.995 450.000 -38.85 460.100 460.100 460.000 460.100 450.000 450.100 469.975 469.900
5 350.000~369.995 360.000 -38.85 360.100 360.100 360.000 360.100 350.000 350.100 369.975 369.900
6 370.000~389.995 380.000 -38.85 380.100 380.100 380.000 380.100 370.000 370.100 389.975 389.900
7 220.000~239.995 230.000 -38.85 230.100 230.100 230.000 230.100 220.000 220.100 239.975 239.900
8 240.000~259.995 250.000 -38.85 250.100 250.100 250.000 250.100 240.000 240.100 259.975 259.900
9 406.000~429.995 410.000 -38.85 418.100 418.100 418.000 418.100 406.000 406.100 429.975 429.900
10 144.000~147.995 145.000 +38.85 146.100 146.100 146.000 146.100 144.000 144.100 147.975 147.900
11 336.000~367.995 350.000 -38.85 352.100 352.100 352.000 352.100 336.000 336.100 367.975 367.900
12 268.000~395.995 380.000 -38.85 382.100 382.100 382.000 382.100 268.000 268.100 395.975 395.900
13 430.000~439.995 430.000 -38.85 435.100 435.100 435.000 435.100 430.000 430.100 439.975 439.900
14 438.000~449.995 440.000 -38.85 444.100 444.100 444.000 444.100 438.000 438.100 449.975 449.900
15 465.000~494.995 480.000 -38.85 480.100 480.100 480.000 480.100 465.000 465.100 494.975 494.900
16 490.000~519.995 500.000 -38.85 505.100 505.100 505.000 505.100 490.000 490.100 519.975 519.900
Initialization data of channel are in the above diagram CH1-CH4, the modify frequency is reset to initial data. Frequency of CH5~CH14 are the same with CH1.
The signaling of CH5 and CH10 is 67.0Hz; the signaling of CH6 and CH11 is 151.4Hz; the signaling of CH7, CH12 is 250.3Hz; the signaling of CH8 and CH13 is
423(DQT); the signaling of CH9 and CH14 is -423(DQT). CH1~CH9 are Wide, CH10~CH14 are Narrow.
 RPU416A

14
RPU416A Software Specifications
6. Manual Adjust Mode:
Press PTT and MONI simultaneously to turn on the power"enter manual Adjust mode out 3
seconds later. Choose the settings by turning the channel selector knob 1-12CH, use PTT
(upward) or MONI (downward) to adjust (Notice: MIC shouldn’t be connected with external cable
while modifying),1~12CH are defined as follows:
(1)   Frequency stability
(2)   RF power
(3)   Low power alarm
(4)   Receiver sensitivity (center frequency adjust)
(5)   Receiver sensitivity (low frequency adjust)
(6)   Receiver sensitivity (high frequency adjust)
(7)   Squelch (level 9)
(8)   Squelch (level 3)
(9)   CTCSS deviation (Wide)
(10)  CTCSS deviation (Narrow)
(11)  DQT deviation (Wide)
(12)  DQT deviation (Narrow)
13~16CH are used for adjusting transmitter and receiver. Press PTT to transmit; Press MONI
to choose: Wide/Narrow, one Beep sound is Narrow, two Beep sound  is Wide. 13~16CH are
defined as follows:
(13)  center frequency (discrepancy of transmission and receive frequency is 0.1MHz).
(14)  Lowest frequency (discrepancy of transmission and receive frequency is 0.1MHz).
(15) Highest frequency (discrepancy of transmission and receive frequency is   -0.075MHz).
(16)  center frequency: sends 250.3Hz CTCSS signals (discrepancy of transmission   and receive
frequency is 0.1MHz).
Note:
To enter and shut off manual adjust mode by short cut the SELF. Turn on the power, and enter
settings mode, the manual function is automatically on. Press [PTT] to disable manual modify. Once
this function is disabled, this mode is not accessible, kindly suggest disable this mode after adjust.
.  CPU:
CPU control M38034M4
Pin No. Port
name I/O Function
1 TI I Input QT/DQT signal
2 BUSY I Input busy signal
3 BATT I Detect battery voltage
4NCINC
5 TO O Output QT/DQT
6 BEEP O Beep output
7NCINC
8 ENC0 I Input encode
9 ENC1 I Input encode
10 ENC2 I Input encode
11 ENC3 I Input encode
12 NC I NC
13 PTT I [PTT] input ,connect RXD
14 TXD O RS-232C output
RPU416A Software Specifications
15 RXD I RS-232C input
x16 MONI I [MONI] input
17 SELF I Program                 L: set up mode
18 CNVSS I Connect VSS
19 RST I Reset
20 INT0 I Power detection
21 NC I NC
22 XIN I Oscillator(7.3728MHz)

15
23 XOUT O Oscillator
24 VSS I Grounding
25 SHIFT O Clock frequency deviation     H: unlock
26 PABC O MOS  FET power            H: unlock
27 WNRC O Audio referential sensitivity    L: narrow
28 WNTC O Max deviation                H: narrow
29 NC I NC
30 SDA I/O EEPROM data cable
31 SCL O EEPROM clock cable
32 UL I Lock circuit detector       L: unlock
33 DT O Common data output
34 CK O Common clock output
35 LE O PLL IC                   H: lock up
36 5MC O Power  control except CPU and EEPROM       L: unlock
37 AFCO O AF amplifier              H: unlock
38 RX O TX/RX VCO              H: receive
39 GLED O Green light control        H: light
40 RLED O Red light control          H: light
41 SAVE O Power saving control      H: power saving OFF
42 MUTE O Squelch control           H: mic squelch   L:AF squelch
43 5RC O Receiver power control    L: unlock
44 5TC O Transmitter power control  H: unlock
45 NC I NC
46 NC I NC
47 NC I NC
48 NC I NC
49 NC I NC
50 NC I NC
51 NC I NC
52 NC I NC
53 NC I NC
54 NC I NC
55 VCCN O Frequency output
56 APC O TX:auto frequency output   RX:BPF tune output
57 VCC I CPU input power 5V
58 VREF I Connect with VCC
59 AVSS I Connect with VSS
60 NC I NC
61 NC I NC
62 NC I NC
63 NC I NC
64 TIBI I QT/DQT exterior circuit central point input

16
RPU416A Adjust Description
Use programmer or PC software to program RPU416A, or by manual program, refer to”RPU416A
software description ” for the manual program and mode settings.
. Instrument:
1. Synthesized test instrument    1 set
2. Scanner                     1 set
3. 3A/10V power                1 set
4. Digital Voltmeter              1 set
5. 3A DC Ammeter              1 set
. Adjust:
1. Initialization"
It is necessary to initialize the transceiver because there is useless data in EEPROM. Short cut the
SELF on PCB, turn on the power till there comes the sound ”BEEP”, place the channel selector
knob, press [MONI],  then press [PTT], to begin initializing the channel and other data. Please refer
to the outcome of initialization at”RPU416A software description”.
2.Adjustment:
The adjustment of RPU416A, some are conducted in normal mode, some are in manual program
mode. Turn on the power and enter the normal mode., at the same time, press the  PTT and MONI
to turn on the transceiver"enter the manual program mode 3seconds later.(refer to”RPU416A
software description” manual program mode).
VCO SECTION:
measurement Adjustment
ITEM CONDITION Test equip  terminal part Method
Specifications/
Remarks
1.Setting 1.power 7.5V
1.CH: TX HIGH 3.7V±0.1V
2.Transmit
VCO lock
voltage 2.CH: TX LOW check RPU416A >1V
1.CH: RX HIGH 3.7V±0.1V
3.Receive
VCO lock
voltage 2.CH: RX LOW
Digital
Volt meter CV TC1
check RPU416A>1V
Note:
If unlock VCO, check adjustment is enabled in manual mode.(signal could be transmitted regardless of the
lock of VCO in manual mode).

17
RPU416A Adjust Description
Adjust the receiver section: (enter manual mode)
Measurement Adjustment
Item Condition Test equip Terminal parts Method Specifications
/Remarks
1:CH:RX center
turn to channel 4 in
manual mode
TC202
TC203
Adjust the undee to the top,
the bandwidth is about
10MHz, the sign of central
frequency is in the middle of
the undee
2. CH: RX LOW
turn to channel 5 in
manual mode
PTT(up)
MONI
(down)
Adjust the undee to the top to
receive
Low frequency , the sign is on
the left of the top of the undee
4.Band-
pass
filter
3.CH:RX HIGH
turn to channel 6 in
manual mode
Spectrum
analyzer ANT . TP2
PTT(up)
MONI
(down)
Adjust the undee to the top to
receive
High frequency , the sign is on
the right of the top of the
undee
1. CH:RX center
Turn to channel 13 in
manual mode
Dev : Wide
2. CH: RX center
Turn to channel 14 in
manual mode
Dev : Wide
5.Sensitivity
(Wide)
3. CH: RX center
Turn to channel 15 in
manual mode
Dev : Wide
Synthetical
test
SSG output :
-118dBm
MOD:1kHz
DEV:±3kHz
FILER:  0.3-
3.4kHz
ANT
SP check SINAD: 12dB
or higher
1. CH: RX center
Turn to channel 13 in
manual mode
Dev : narrow
2. CH: RX center
Turn to channel 14 in
manual mode
Dev : narrow
6.Sensitivity
(Narrow)
3. CH: RX center
Turn to channel 15 in
manual mode
dev : narrow
Synthetical
test
SSG output :
-116dBm
MOD:1kHz
DEV:±1.5kH
z  FILER:
0.3-3.4kHz
ANT
SP check SINAD: 12dB
or higher
1.CH: RX center
Turn to channel 7 in
manual mode
Synthetical
test      SSG
output :       -
117dBm
Level 9
Adjust to close the squelch. The squelch
must be closed
7.Squelch
2.CH:RX center
Turn to channel 8 in
manual mode
Synthetical
test      SSG
output :       -
125dBm
ANT
SP
PTT(up)
MONI
(down) Level 3
Adjust to close the squelch. The squelch
must be closed

18
RPU416A Adjust Description
Adjust the transmitter section:
Measurement Adjustment
Item Condition Test equip Terminal Parts Method
Specifications
/Remarks
8.Transmit
frequency
CH: TX center
Turn to channel 1 in
manual mode
Synthetical
test ANT PTT(up)M
ONI(down) Adjust it to center frequency Error<150Hz
1.CH:TX center
Turn to channel 2 in
manual mode
PTT(up)M
ONI(down)
Adjust it to:
 3.7<Po<4.7W
I<1.6A
2.CH: TX LOW
Turn to channel 3
Press PTT
Adjust it to:
3.7<Po<4.7 W
I<1.6A
9.Power
3.CH:TX HIGH
Turn to channel 4
Press PTT
Synthetical
test
Ammeter ANT
Adjust it to:
3.7<Po<4.7W
I<1.6A
1.CH: TX center,
turn to channel 1
3
in manual mode,
dev: wide
Press PTT
VR501 Adjust it to:4.2kHz±100Hz Wide
10.MAX
DEV 2.CH: TX center,
turn to channel 1
3
in manual mode,
dev: narrow
Press PTT
Synthetical
test      LPF:
15kHz
AF:1kHz
120mV
ANT
MIC
Check:1.8kHz-2.2kHz Narrow
1.CH: TX center,
turn to channel 1
3
in manual mode,
dev: wide
Press PTT
VR501 Check:2.2kHz-3.6kHz Wide
11.MIC
SENS 2.CH: TX center,
turn to channel 1
3
in manual mode,
dev: narrow
Press PTT
Synthetical
test
FILER:
0.3-3.4kHz
AF:1kHz
12mV
ANT
MIC
Check:1.1kHz-1.8kHz Narrow
1.CH: TX center,
turn to channel 9 in
manual mode
67.0Hz
CTCSS
12.DQT/QT 2.CH: TX center,
turn to channel 1
6
in manual mode,
press PTT
Synthetical
test      LPF:
300Hz ANT VR500
Adjust VR500,the test value of
on condition 1 & condition 2 is
consistent,  the difference
value<20Hz 250.3Hz
CTCSS
13.QT DEV 1.CH: TX center,
turn to channel 9 in
manual mode
Synthetical
test
LPF:300Hz ANT PTT"up"M
ONI"down
"
Adjust it to:0.75kHz±50Hz Wide

19
RPU416A Adjust Description
2.CH: TX center,
turn to channel 1
0
in manual mode Adjust it to:0.35kHz±50Hz Narrow
1.CH: TX center,
turn to channel 11
in manual mode Adjust it to:0.75kHz±50Hz Wide
14.DQT DEV
2.CH:TX center,
turn to channel 1
2
in manual mode
Synthetical
test
LPF:300H ANT PTT"up"M
ONI"down
"
Adjust it to:0.35kHz±50Hz Narrow
15.Low
Battery level
Turn to channel 
3
in manual mode,
A
djust the batter
y
to 5.8V
Digital
voltmeter "PTT"up"M
ONI"down
"
Adjust so that the LED flashes "
Note:
In manual mode , channel selector 1-12, MIC can’t connect line, after adjust complete, short SELF, enter
mode settingpress PTT, disable manual adjust.

20
Disassembly for Repair
Separating the case assembly from the chassis
1.  Remove the two knobs # and three round nuts $.
2.  Remove the two screws %.
3.  Expand the right and left sides of the bottom of the case assembly"lift the chassis, and remove it from the case
assembly.
4.  Taking care not to cut the speaker lead, open the chassis and case assembly.
Removing the lever
Raise the lever on the lower case, insert a small flat screwdriver into the space between the case and lever , open the
case carefully and lift the lever off .
Note: Do not force to separate the case from the lever.

21
Exploded View
Packing

22

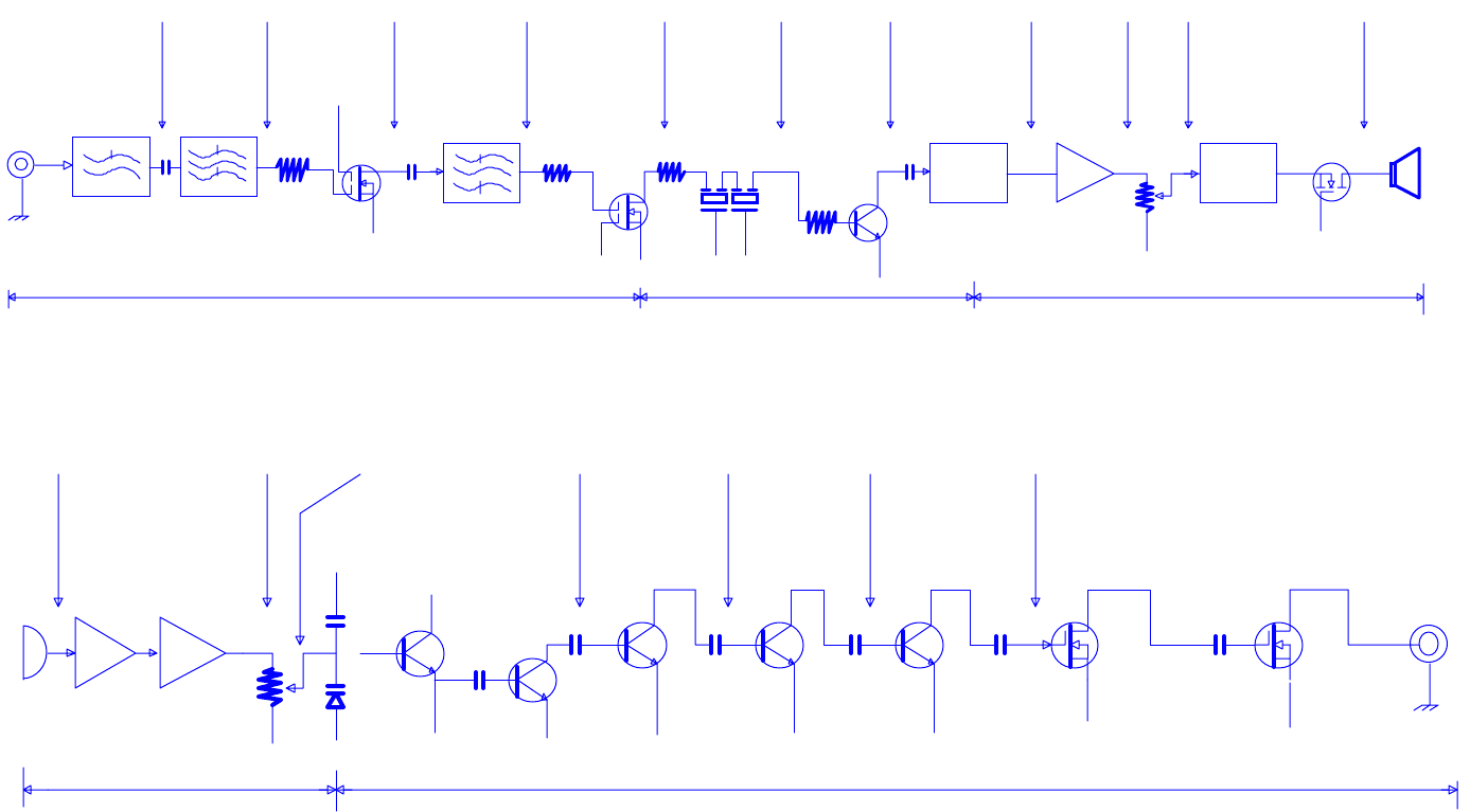
RPU416A Level Diagram
Rx Section
SG output level for obtaining 12Db/SINAD when injected to each point                    Modulate the AF level with a frequency of 1kHz and deviation of 1.5kHz
through a 470pF coupling capacitor.                                                  (Narrow), 3kHz(Wide) . Then take the signal form the signal generator
Measure the 1st Local level on a RF VTVM.                                            when the AF output has been adjusted to 0.63Vrms with the AF vol.
Tx Section
Measure the audio frequency on an AFVTVM and radio frequency on a RF VTVM at high impedance . Set the MIC input to obtain a modulation factor of 60%
with the transmit frequency at center and a modulation frequency of 1kHz .
ANT L112
C145
R224
5R
L20 3, L21 4
1st Local
0.1Vrms
IC200
C212
Q201
R210
SP
Q307
IC302
VR
IC300
-116.5dBm -113dBm -98dBm -103dBm -104dBm -106.5dBm -103dBm 1018mVrms 175mVrms 23.5mVrms 0.63Vrms
L20 8
RF cente r IF 38.85MHz AF 1kHz
Q202
R211
R217
XF200
Q203
VR501
IC500
MIC Q4
Q6
Q100 Q101 Q102
AF VTVM RF VTVM 
Q107
Q105
C114C108C106
C100
C40
D5
ANT
4W
16mVrms 430mVrms 310mVrms 0.15Vrms 0.44Vrms 0.8Vrms 0.62Vrms

24
Main Technical Specifications
Frequency range 450 MHz ~470 MHz
Channel 16
Channel space 25kHz / 12.5kHz
Antenna impedance 50
Transmitter
impedance 2K&
Input voltage 7.2V DC
Frequency stability ±2.5×10-6
Transmitter
Frequency stability ±2.5×10-6
Output power 4.0±0.5W
Operating sensitivity 12±3mV
Audio distortion 5%
Modulation limiting 5kHz / 2.5kHz
Bandwidth 16 kHz/8kHz
Modulate specialty  '3dB
Spurious RF 7.5(W
Adjacent power -65 d B / -55dB
Receiver
Reference sensitivity Precede 0.28(V / 0.35(V
Squelch turnon
sensitivity 0.4(V
Audio frequency 500mW
Audio deviation 7%
Operating bandwidth "±7 kHz"/"±3.5 kHz"
Audio response +2dB   -8dB
Channel restrain -8 d B
Obstruct 85d B
Selectivity 65 d B / 60dB
Spurious response 60 d B
Intermodulation 60 d B