RF Digital 71 R71 Transceiver Module User Manual Simblee RFD77101
RF Digital Corporation R71 Transceiver Module Simblee RFD77101
User Manual

1
RFD77101 PRELIMINARY DATASHEET v0.2
© 2015 RF Digital Corporation PATENTS PENDING 09.09.2015
www.simblee.com
Simblee
™
Simblee™ RFD77101
IoT for connecting Everyone and Everything
Simblee™ BLE Module RFD77101
PRELIMINARY DATASHEET
Features
BLE Stack built-in
Fully encapsulated and hermetically sealed
Long range
Simblee™ interference immunity
3ms latency
10us accuracy (jitter)
Physical range adjustable from a few inches to hundreds of feet
Build iPhone and Android apps without Xcode or the Android SDK
Built in AES encryption engine
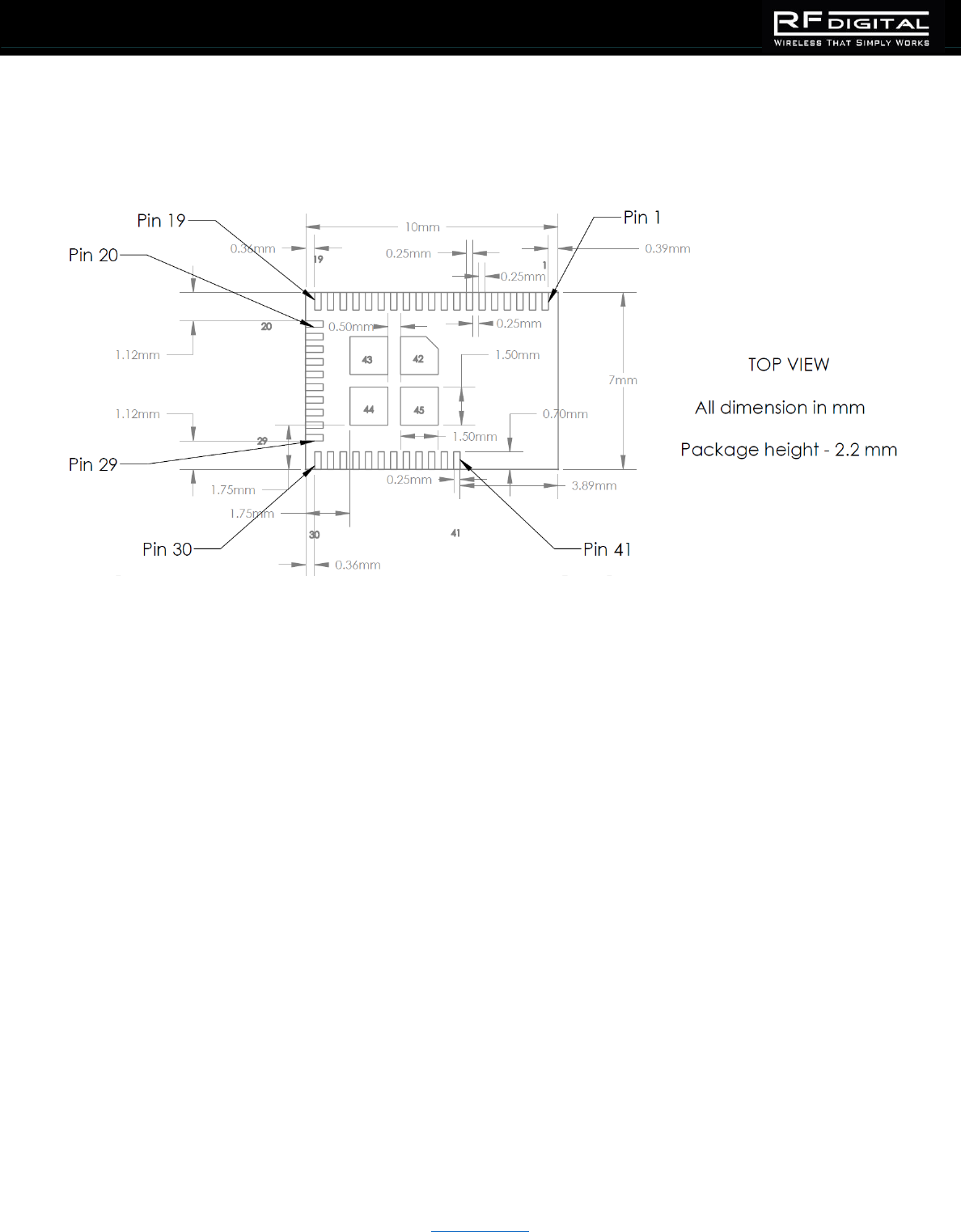
7mm x 10mm x 2.2mm
29 GPIOs (flexible pin configuration)
<4uA ULP with clock running (run for years on a coin cell)
600nA ULP Sleep mode
8mA TX @ 0dBm, 12mA TX @ +4dBm
10mA RX
-93dBm receiver sensitivity
-55dBm to +4dBm TX power
ARM Cortex M0 processor
Flash code space available for user application (no need for external
controller)
6x ADC inputs, 4x PWM outputs, 2x SPI master/slave, 2x I2C, 1 x UART
Temperature sensor
Battery/Supply voltage monitoring
Onchip UART bootloader
OTA programming (optional)
Operating Voltage: 1.8 – 3.6V
Integrated 16 MHz crystal and 32KHz precision crystal
Integrated antenna
Integrated shield
FCC, IC, CE, TELEC compliance pending
Easy to pick and place
Patents Pending
Only 7mm x 10mm

2
RFD77101 PRELIMINARY DATASHEET v0.2
© 2015 RF Digital Corporation PATENTS PENDING 09.09.2015
www.simblee.com
Simblee
™
1. Overview of the Simblee™ RFD77101
1.1 Introduction
The Simblee RFD77101 is a high performance, professional grade BLE radio transceiver with a built-in ARM Cortex
M0 microcontroller that can be programmed using the simple-to-use Arduino IDE using Simblee extensions.
Simblee is IoT for connecting Everyone and Everything (IoT4EE).
It incorporates Mobile, BLE, Mesh, Cloud and other forms of wireless connectivity.
Simblee is high-quality, cutting-edge and performance focused.
Using the Simblee mobile browser on a phone or tablet, anyone can interact with Simblee enabled devices instantly
without needing to download additional apps for each device.
In just hours you can create functional IoT applications using the Simblee development environment.
Developers can start developing mobile apps without having to first learn Xcode or Android SDKs.
1.2 Basic Operation
Simblee is programmed using the Arduino IDE. Code is loaded using the onchip UART bootloader or via OTA (over
the air) programming.

4
RFD77101 PRELIMINARY DATASHEET v0.2
© 2015 RF Digital Corporation PATENTS PENDING 09.09.2015
www.simblee.com
Simblee
™
2.2 Pin Descriptions
Name
Pin
Type
Signal
Comments
1
GND
P
Supply ground
2
GND
P
Supply ground
3
DNC
X
DO NOT CONNECT
4
GND
P
Supply ground
5
DNC
X
DO NOT CONNECT
6
GND
P
Supply ground
7
VDD
P
1.8 – 3.6V Supply
8
RST/SWDIO
I/O
Reset / SWDIO
9
FACT/SWDCLK
I
Factory / SWDCLK
10
DNC
X
DO NOT CONNECT
11
P0.19
I/O
GPIO 19
12
P0.17
I/O
GPIO 17
13
P0.18
I/O
GPIO 18
14
P0.16
I/O
GPIO 16
15
P0.15
I/O
GPIO 15
16
P0.12
I/O
GPIO 12
17
P0.11
I/O
GPIO 11
18
P0.09
I/O
GPIO 9
19
GND
P
Supply ground
20
P0.08
I/O
GPIO 8
21
P0.05
I/O
GPIO 5 / ANALOG 6
22
P0.03
I/O
GPIO 3 / ANALOG 4
23
P0.01
I/O
GPIO 1 / ANALOG 2
24
P0.02
I/O
GPIO 2 / ANALOG 3
25
P0.00
I/O
GPIO 0 / AREF 0
26
P0.07
I/O
GPIO 7
27
P0.10
I/O
GPIO 10
28
P0.13
I/O
GPIO 13
29
P0.14
I/O
GPIO 14
30
GND
P
Supply ground
31
P0.06
I/O
GPIO 6 / AREF 1 / ANALOG 7
32
P0.04
I/O
GPIO 4 / ANALOG 5
33
P0.20
I/O
GPIO 20
34
P0.23
I/O
GPIO 23
35
P0.24
I/O
GPIO 24
36
P0.21
I/O
GPIO 21
37
P0.22
I/O
GPIO 22
38
P0.25
I/O
GPIO 25
39
P0.28
I/O
GPIO 28
40
P0.29
I/O
GPIO 29
41
P0.30
I/O
GPIO 30
42
GND
P
Supply ground
43
GND
P
Supply ground
44
GND
P
Supply ground
45
GND
P
Supply ground
I Input only O Output only, push-pull I/O Input/output
X DO NOT CONNECT P Ground or power

5
RFD77101 PRELIMINARY DATASHEET v0.2
© 2015 RF Digital Corporation PATENTS PENDING 09.09.2015
www.simblee.com
Simblee
™
3. Block Diagram
Antenna
Bluetooth
Low
Energy
Stack
Simblee
COMM
Stack
ARM Cortex M0
DC/DC
Converter
128K User
Application
Flash
24K User
Application
Ram
2.4GHz
Radio
16MHz
Crystal
RFD77101
ULP 32kHz
Precision
Crystal

7
RFD77101 PRELIMINARY DATASHEET v0.2
© 2015 RF Digital Corporation PATENTS PENDING 09.09.2015
www.simblee.com
Simblee
™
5. Modes of Use
Bluetooth Low Energy bi-directional communication with smart phone or tablet
Simblee COMM ad-hoc bi-directional communication between any number of devices
Simblee
Module
Phone /
Tablet
Simblee
Module
Simblee
Module
Simblee
Module
Simblee
Module
Phone /
Tablet
Optional

8
RFD77101 PRELIMINARY DATASHEET v0.2
© 2015 RF Digital Corporation PATENTS PENDING 09.09.2015
www.simblee.com
Simblee
™
6. Specifications
6.1 Absolute Maximum Specifications
VDD
0 to +3.7 V
Max continuous pin current, any control or drive pin
±5 mA
CAUTION: Maximum ratings are the extreme limits the chip can be exposed to without causing permanent damage.
Exposure to absolute maximum ratings for prolonged periods of time may affect the reliability of the chip.
6.2 Recommended Operating Conditions
VDD
+1.8 to 3.6 V
Operating temperature
–40°C to +85°C
Power supply rise time (0V to VDD)
100ms maximum
6.3 Radio Specifications
Parameter
Description
Min
Typ
Max
Units
Notes
FOP
Operating Frequency
2400
2481
MHz
1 MHz channel spacing
BPSFSK
On-Air data rate
250
2000
kbps
TXpower
TX Power
-55
+4
dBm
TXIDC+4dBm
TX Current at +4dBm w/ DC/DC
12
mA
TXI+4dBm
TX Current at +4dBm w/o DC/DC
16
mA
RXIDC
RX Current w/ DC/DC
10
mA
RXI
RX Current w/o DC/DC
13
mA
RXS250
Receiver sensitivity at 250kbps
-96
dBm
RXS1000
Receiver sensitivity at 1000kbps
-90
dBm
RXS2000
Receiver sensitivity at 2000kbps
-85
dBm
RXSBLE
Receiver sensitivity at BLE
-93
dBm

9
RFD77101 PRELIMINARY DATASHEET v0.2
© 2015 RF Digital Corporation PATENTS PENDING 09.09.2015
www.simblee.com
Simblee
™
6.4 Simblee COM Specifications
Parameter
Description
Min
Typ
Max
Units
Notes
RFT1
End-to-end latency high speed
3
ms
RFT2
End-to-end latency long range
12
ms
RFJ
Jitter / Accuracy
10
us
6.5 GPIO Specifications
Parameter
Description
Min
Typ
Max
Units
Notes
VIH
Input high voltage
0.7VDD
VDD
V
VIL
Input low voltage
VSS
0.3VDD
V
GPIOIHD
GPIO high drive sink/source
5
mA
3 pins max
GPIOISD
GPIO standard drive sink/source
0.5
mA
RPU
Internal pull-up resistance
11
13
16
kΩ
RPD
Internal pull-down resistance
11
13
16
kΩ
6.6 ADC Specifications
Parameter
Description
Min
Typ
Max
Units
Notes
ADCenob
ADC bits
10
bit
ADCose
Offset error
-2
+2
%
ADCge
Gain error
-2
+2
%
ADCref
Internal Band Gap reference
error
-1.5
+1.5
%
1.2V Band Gap voltage
ADCrev_ext
External reference voltage
0.83
1.2
1.3
V
ADCt10
Conversion time for 1 sample
68
us
10bit sample
6.7 I2C, SPI and UART Specifications
Parameter
Description
Min
Typ
Max
Units
Notes
I2Crate
I2C bit rate
100
400
kbps
SPIrate
SPI master bit rate
0.125
4
Mbps
SPISrate
SPI slave bit rate
0.125
2
Mbps
UARTrate
UART bit rate
1.2
1000
kbps

13
RFD77101 PRELIMINARY DATASHEET v0.2
© 2015 RF Digital Corporation PATENTS PENDING 09.09.2015
www.simblee.com
Simblee
™
8. Miscellaneous
8.1 Ordering information
Part Number
Description
RFD77101
Simblee Radio Module
8.2 Assembly information
MSL Rating
Peak Body Temperature
Specifications
TBD
260oC
IPC/JEDEC J-STD-020
8.3 Associated Documents
For additional information, visit www.simblee.com
8.4 Certifications
Certification
Date
Status
IC
Pending
In Process
FCC
Pending
In Process
CE. ETSI
Pending
In Process
MIC, TELEC
Pending
In Process
Industry Canada Information
This device complies with Industry Canada licence-exempt RSS standard(s). Operation is subject
to the following two conditions: (1) this device may not cause interference, and (2) this device
must accept any interference, including interference that may cause undesired operation of the
device.
Le présent appareil est conforme aux CNR d'Industrie Canada applicables aux appareils radio
exempts de licence. L'exploitation est autorisée aux deux conditions suivantes : (1) l'appareil ne
doit pas produire de brouillage, et (2) l'utilisateur de l'appareil doit accepter tout brouillage
radioélectrique subi, même si le brouillage est susceptible d'en compromettre le fonctionnement.

14
RFD77101 PRELIMINARY DATASHEET v0.2
© 2015 RF Digital Corporation PATENTS PENDING 09.09.2015
www.simblee.com
Simblee
™
IC LABEL Relating to Model Number R71 (RFD Part Number: RFD77101) The unit should have a permanently
attached label in a conspicuous location with the following statement:
Contains IC:6992A-71
NOTES: 1. Industry Canada does not specify the size of the label or the lettering thereon. The only requirement is
that the text be legible.
Relating to Model Number R71 (RFD Part Number: RFD77101)
INSTRUCTION TO THE USER (if device DOES NOT contain a digital device) The user is cautioned that changes or
modifications not expressly approved by the party responsible for compliance could void the user’s authority to operate this
equipment.
INSTRUCTION TO THE USER (if device contains a digital device) This equipment has been tested and found to comply
with the limits for a class B digital device, pursuant to part 15 of the FCC Rules. These limits are designed to provide
reasonable protection against harmful interference in a residential installation. This equipment generates, uses and can
radiate radio frequency energy and if not installed and used in accordance with the instructions, may cause harmful
interference to radio communications. However, there is no guarantee that interference will not occur in a particular
installation. If this equipment does cause harmful interference to radio or television reception, which can be determined by
turning the equipment off and on, the user is encouraged to try to correct the interference by one or more of the following
measures: * Reorient or relocate the receiving antenna. * Increase the separation between the equipment and receiver. *
Connect the equipment into an outlet on a circuit different from that to which the receiver is connected. * Consult the dealer
or an experienced radio/TV technician for help. In order to maintain compliance with FCC regulations, shielded cables must
be used with this equipment. Operation with non-approved equipment or unshielded cables is likely to result in interference
to radio and TV reception. The user is cautioned that changes and modifications made to the equipment without the
approval of manufacturer could void the user's authority to operate this equipment.
FCC LABEL Relating to Model Number R71 (RFD Part Number: RFD77101)
The unit should have a permanently attached label in a conspicuous location with the following statement:
Contains FCC ID: UYI71
(1) This device may not cause harmful interference and
(2) This device must accept any interference received, including interference that may cause undesired
operation.
NOTES: 1. The FCC does not specify the size of the label or the lettering thereon. The only requirement is that the text be
legible. 2. If the entire label can not be placed on the unit due to space constraint, only FCC ID may be displayed on the
unit. In such cases, the compliance statement will have to be included in the "user’s manual". NOTE: Device must be
smaller than a man’s palm. ** If the unit also interfaces with phone line, it requires additional information on the label - refer
to part 68 information **
Important: To comply with FCC RF exposure requirements, this device and its
antenna(s) must not be co-located or operating in conjunction with any other
antenna or transmitter.
8.5 Revision History
Revision No.
Date
Notes
0.2
09.09.2015
Compliance info
0.11
07.22.2015
Grammatical correction
0.1
03.27.2015
Initial release

15
RFD77101 PRELIMINARY DATASHEET v0.2
© 2015 RF Digital Corporation PATENTS PENDING 09.09.2015
www.simblee.com
Simblee
™
RF Digital Corporation
1601 Pacific Coast Hwy
Suite 290
Hermosa Beach, CA 90254
USA
Tel: (949) 610-0008
Fax: (949) 610-0009
www.rfdigital.com
support@rfdigital.com
© 2015 RF Digital Corporation. All rights reserved.
Important Notice
RF Digital reserves the right to make corrections, modifications, and/or improvements to the product and/or its specifications at any time without notice. RF Digital assumes no liability for the user’s
product and/or applications. RF Digital products are not authorized for use in safety-critical applications, including but not limited to life-support applications. RF Digital assumes no liability for parts
or their application beyond replacement or refunding the original purchase price. All trademarks and trade names belong to their respective owners. Information provided in this document is for
reference only. The user must conduct testing and prototyping on their own for their own application. This document only provides an example of a possible use for the parts shown in this design
and requires actual testing to confirm its accuracy or validity or proper application. There is NO suggestion that the devices shown in this document should be used for the implied application. There
is no guarantee or warranty of suitability for any specific application. The information disclosed in this document is AS-IS. By using any information contained in this document you are assuming all
risks and liability associated therewith. RF Digital reserves the right to make corrections, modifications, changes and/or improvements to specifications or details at any time without notice or
obligation. RF Digital assumes no liability for the user’s product and/or applications. RF Digital products are not authorized for use in safety-critical applications, including but not limited to
lifesupport applications. RF Digital assumes no liability for parts or their application beyond replacement or refunding the original purchase price paid to RF Digital.
Limited Product Warranty
RF Digital warrants that RF Devices manufactured by RF Digital are free from defects in material and workmanship, for Ninety (90) Days from date of delivery. RF Devices covered by this warranty
and returned to RF Digital within the Ninety Day Warranty Period will be eligible for replacement, repair, or credit, limited to the amount RF Digital was paid for the RF Device. To obtain a remedy
under this Warranty, the following conditions must be met: (1) Customer must notify RF Digital in writing promptly on discovery of the deficiency with reasonable detail within the Warranty Period;
(2) Customer must return the RF Devices to RF Digital promptly upon receipt of an RMA from RF Digital, at Customer’s risk and expense; and (3) RF Digital confirms the claimed deficiency is
present. If all of these conditions are met, RF Digital, at its sole option, will either replace or repair the RF Device or credit Customer’s account for the amount the Customer paid to RF Digital for the
RF Device.




