RF Solutions LAMDA9 Lora type long range transmitting module User Manual
RF Solutions Ltd. Lora type long range transmitting module Users Manual
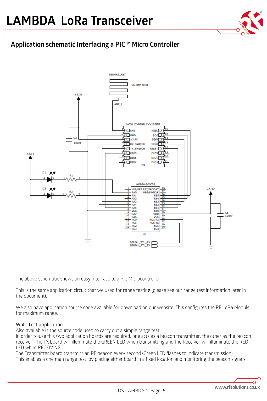
Users Manual

•
•
•
•
•
•
•
•
•
•
•
•
•
•
•
•
•
•
•
•
•
•
•
•
•
•
•
•
•
•

19.95 +/- 0.5mm
26.95 +/- 0.5mm
1.78
1.00
2.0
17.45
1.78
2.5
PCB Layout
R 0.45
1.95
2.5
2.54
2.54
GND
N/C
RX_SWITCH
Vcc SDO
SDI
nSEL
RESET
SCLK
1
2
3
4
5
16
15
14
13
12
TX_SWITCH
DIO2
DIO1
6
7
8
11
10
9
DIO5
DIO3
DIO4
DIO0
1.00
1.93mm
3.55
16.29mm
0.6mm
19.95 +/- 0.5mm
26.95 +/- 0.5mm
1.78
1.95
2.5
2.54
2.88





•


FCC / CE Certification
Lambda has the benefit of being an FCC part15 certified RF Module.
This enables the Lambda module to be incorporated within a finished product and utilise the Lambda mod-
ule FCC certification for the finished product with the following conditions.
1. The antenna to be used is either FLEXI-SMA-915 or FLEXI-SMA90-915
2. The finished product will display a label which is directly visible as follows:
Contains FCC ID: P9OLAMDA9
Please note that although The radio characteristics are covered by the Lambda modular FCC ID of the
grant, it is still the responsibility of the manufacturer to perform final checks on the product, such as
ensuring the radiated transmitted power is within limits, and to assess the worst case spurious emis-
sion is within the FCC requirements of CFR47 Part 15.
Plea
FCC / CE Certification
This device complies with Part 15 of the FCC Rules. Operation is subject to the following two conditions:
(1) This device may not cause harmful interference.
(2) This device must accept any interference received, including interference that may cause unde-
sired operation.
CAUTION: Changes or modifications not expressly approved by the party responsible for compliance could
void the user's authority to operate the equipment.
NOTE: This equipment has been tested and found to comply with the limits for a Class B digital device,
pursuant to Part 15 of the FCC Rules. These limits are designed to provide reasonable protection against
harmful interference in a residential installation. This equipment generates uses and can radiate radio fre-
quency energy and, if not installed and used in accordance with the instructions, may cause harmful in-
terference to radio communications. However, there is no guarantee that interference will not occur in a
particular installation. If this equipment does cause harmful interference to radio or television reception,
which can be determined by turning the equipment off and on, the user is encouraged to try to correct
the interference by one or more of the following measures:
- Reorient or relocate the receiving antenna.
- Increase the separation between the equipment and receiver.
- Connect the equipment into an outlet on a circuit different from that to which the receiver is
connected.
- Consult the dealer or an experienced radio/TV technician for help.
FCC Radiation Exposure Statement:
This equipment complies with FCC radiation exposure limits set forth for an uncontrolled environment.
This equipment should be installed and operated with minimum distance 20cm between the radiator &
your body.

OEM INTEGRATION INSTRUCTIONS:
This device is intended only for OEM integrators under the following conditions:
The module must be installed in the host equipment such that 20 cm is maintained between the antenna
and users, and the transmitter module may not be co-located with any other transmitter or antenna. The
module shall be only used with the antenna that has been originally tested and certified with this module.
External antennas are not supported. As long as these 3 conditions above are met, further transmitter
test will not be required.
However, the OEM integrator is still responsible for testing their end-product for any additional compli-
ance requirements required with this module installed (for example, digital device emissions, PC peripheral
requirements, etc.). The end-product may need Verification testing, Declaration of Conformity testing, a
Permissive Class II Change or new Certification. Please involve a FCC certification specialist in order to
determine what will be exactly applicable for the end-product.
Validity of using the module certification:
In the event that these conditions cannot be met (for example certain laptop configurations or co-location
with another transmitter), then the FCC authorization for this module in combination with the host equip-
ment is no longer considered valid and the FCC ID of the module cannot be used on the final product. In
these circumstances, the OEM integrator will be responsible for re-evaluating the end product (including
the transmitter) and obtaining a separate FCC authorization. In such cases, please involve a FCC certifi-
cation specialist in order to determine if a Permissive Class II Change or new Certification is required.
Upgrade Firmware:
No software is provided for firmware upgrade will not be capable to affect any RF parameters as certified
for the FCC for this module, in order to prevent compliance issues.
End product labeling:
This transmitter module is authorized only for use in device where the antenna may be installed such that
20 cm may be maintained between the antenna and users. The final end product must be labeled in a visi-
ble area with the following: “Contains FCC ID: P9OLAMDA9”.
Information that must be placed in the end user manual:
The OEM integrator has to be aware not to provide information to the end user regarding how to install
or remove this RF module in the user's manual of the end product which integrates this module. The end
user manual shall include all required regulatory information/warning as show in this manual.

