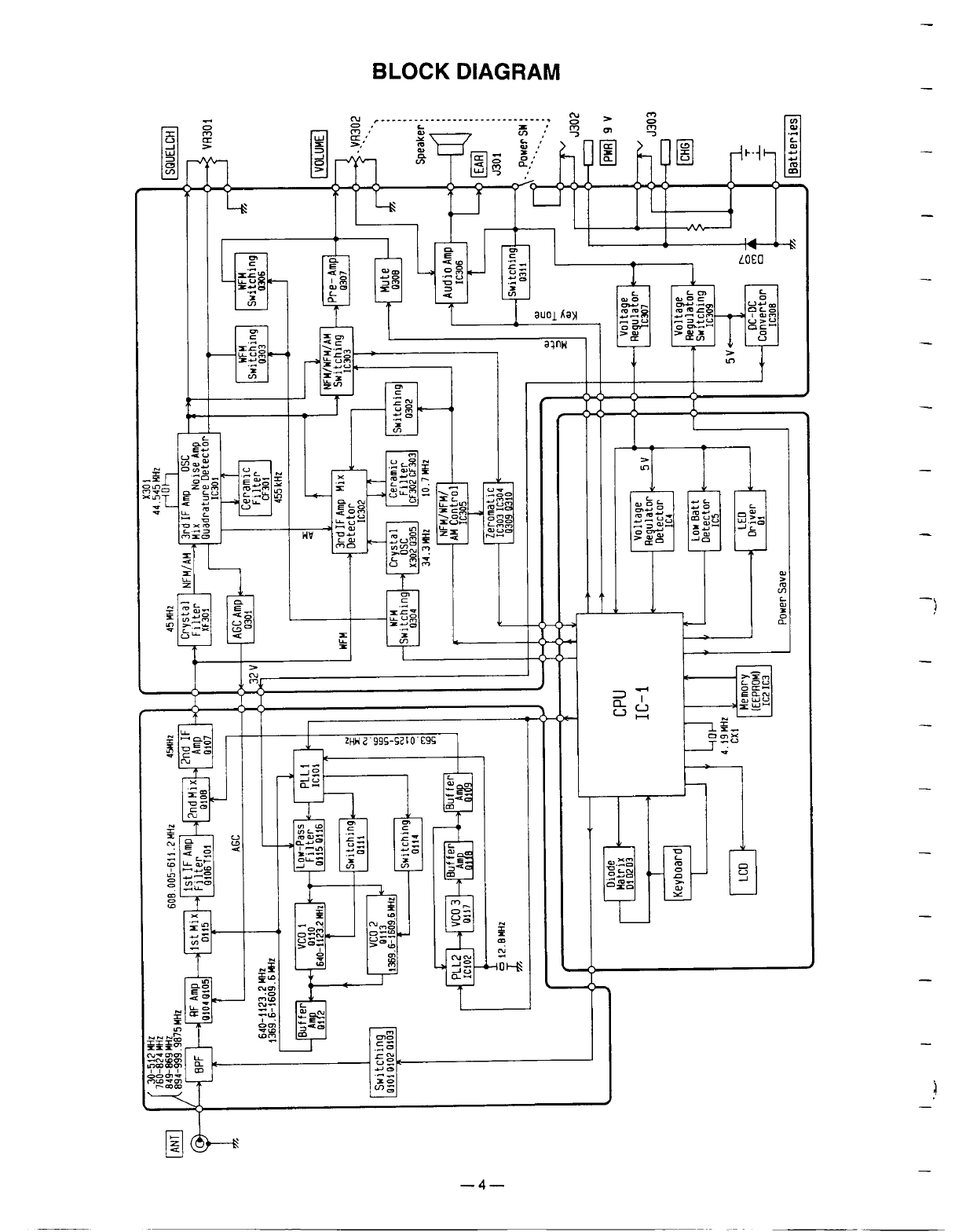
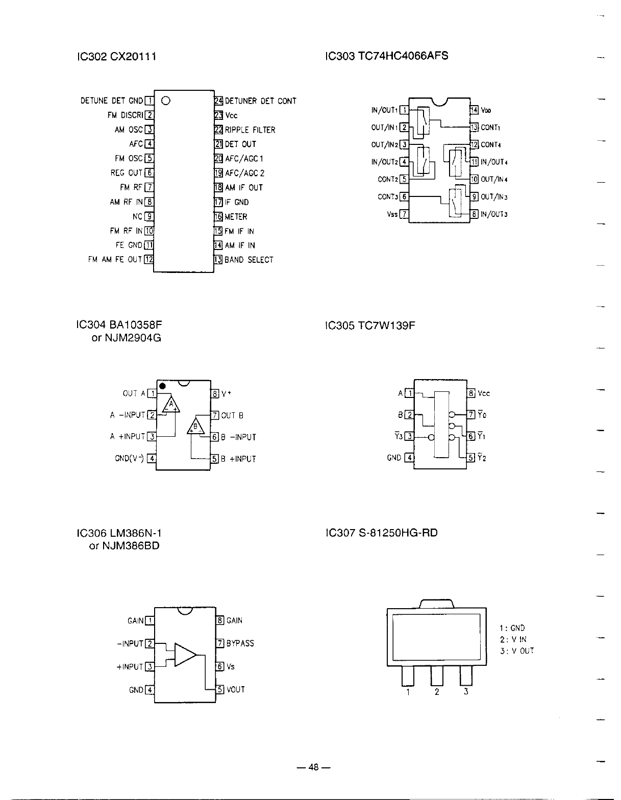
Radio Shack Scanner Pro 60 Users Manual
Pro-60 to the manual faa75054-0379-4f8f-980f-eb6c5283d7fe
2015-01-21
: Radio-Shack Radio-Shack-Scanner-Pro-60-Users-Manual-352562 radio-shack-scanner-pro-60-users-manual-352562 radio-shack pdf
Open the PDF directly: View PDF 
.
Page Count: 55






















































