Raypak HD101 6000.59 New RP2100 User Manual To The Dd4e96e0 A89d 4d10 83ef A62088aad806
User Manual: Raypak HD101 to the manual
Open the PDF directly: View PDF
.
Page Count: 48

INSTALLATION & OPERATING
INSTRUCTIONS
CATALOG NO. 1000.52B Effective: 11-19-09 Replaces: 09-25-09 P/N 241356 Rev. 3
WARNING: If these instructions are not followed exactly, a fire or explosion may
result causing property damage, personal injury or death.
FOR YOUR SAFETY: Do not store or use gasoline or other flammable vapors and
liquids or other combustible materials in the vicinity of this or any other appliance. To
do so may result in an explosion or fire.
WHAT TO DO IF YOU SMELL GAS:
• Do not try to light any appliance.
• Do not touch any electrical switch; do not use any phone in your building.
• Immediately call your gas supplier from a neighbor's phone. Follow the gas
supplier's instructions.
• If you cannot reach your gas supplier, call the fire department.
Installation and service must be performed by a qualified installer, service agency or
the gas supplier.
This manual should be maintained in legible condition and kept adjacent to the heater or in another safe place for
future reference.
Models HD101–HD401
Types H & WH
®
L
W

2
Rev. 3 reflects the following:
Changes to: Updated Table E on page 14, Table G on page 18, Troubleshooting flowchart on page 35, Table
O on page 38.
Additions: Commonwealth of Massachusetts information on page 45
Deletions: None

WARNINGS 4
Pay Attention to These Terms 4
BEFORE INSTALLATION 5
Product Receipt 5
Model Identification 5
Ratings and Certifications 5
Installations at Elevation 5
Component Locations 6
General Information 7
GENERAL SAFETY 8
Time/Temperature Relationships in Scalds 8
INSTALLATION 9
Installation Codes 9
Equipment Base 9
Clearances 9
Combustion and Ventilation Air 11
Conventional Combustion
Air Supply 11
Water Piping 12
Hydronic Heating 14
Domestic Hot Water Piping 16
Gas Supply 17
Electrical Power Connections 19
Venting 21
Outdoor Installation 31
CONTROLS 32
Ignition Control Module 32
Modulating Temperature Control
(Optional) 32
High Limit (Manual Reset) 32
High Limit — Auto Reset (Optional) 32
Flow Switch 33
High and Low Gas Pressure Switches
(Optional) 33
Low Water Cut Off (Optional) 33
WIRING DIAGRAM—MODELS
HD101–HD401 34
HD TROUBLESHOOTING 35
PRE-START-UP 36
Filling System-Heating Heaters 36
Domestic Hot Water Heaters 36
Inspect Venting System 36
Pre-Start-Up Check 36
INITIAL START-UP 36
Tools Needed 36
Preparation for Start-Up 36
Start-Up 38
Main Burner Adjustment 38
Gas Valve Adjustment 38
Gas Type Conversion on Valve 39
Safety Inspection 39
Follow-Up 39
POST START-UP CHECK 40
Air Filter Inspection/Removal 40
Heat Exchanger Removal 41
MAINTENANCE 42
Suggested Minimum Maintenance
Schedule 42
APPENDIX 43
Inside Combustion Air Contamination 43
Important Instructions for the
Commonwealth of Massachusetts 45
CONTENTS
3

DANGER: Indicates the presence of immediate hazards which will cause severe
personal injury, death or substantial property damage if ignored.
WARNING: Indicates the presence of hazards or unsafe practices which could cause
severe personal injury, death or substantial property damage if ignored.
CAUTION: Indicates the presence of hazards or unsafe practices which could cause
minor personal injury or product or property damage if ignored.
NOTE: Indicates special instructions on installation, operation, or maintenance which
are important but not related to personal injury hazards.
DANGER: Make sure the gas on which the heater
will operate is the same type as that specified on the
heater rating plate.
WARNING: Should overheating occur or the gas
supply valve fail to shut, do not turn off or disconnect
the electrical supply to the heater. Instead, shut off
the gas supply at a location external to the heater.
WARNING: Do not use this heater if any part has
been under water. Immediately call a qualified
service technician to inspect the heater and to
replace any part of the control system and any gas
control which has been under water.
WARNING: To minimize the possibility of improper
operation, serious personal injury, fire, or damage to
the heater:
• Always keep the area around the heater free of
combustible materials, gasoline, and other
flammable liquids and vapors.
• Heater should never be covered or have any
blockage to the flow of fresh air to the heater.
WARNING - CALIFORNIA PROPOSITION
65: This product contains chemicals known to the
State of California to cause cancer, birth defects or
other reproductive harm.
WARNING: Risk of electrical shock. More than one
disconnect switch may be required to deenergize the
equipment before servicing.
CAUTION: Operation of this heater in low-
temperature systems requires special piping.
Harmful internal condensation will occur if the inlet
water temperature does not exceed 105°F. Warranty
claims will be denied when condensation occurs.
CAUTION: If this heater is to be installed above
radiation level, it must be provided with a low water
cut-off device at the time of heater installation.
CAUTION: If this heater is to be installed in a
negative or positive pressure equipment room, there
are special installation requirements. Consult factory
for details.
WARNINGS — Pay Attention to These Terms
4
CAUTION: This heater requires forced water
circulation when the burner is operating. See
minimum and maximum flow rates. Severe damage
will occur if the heater is operated without proper
water flow circulation.
WARNING: This unit contains refractory ceramic
fiber (RCF) insulation in the combustion chamber.
RCF, as manufactured, does not contain respirable
crystalline silica. However, following sustained
exposure to very high temperatures (>2192F), the
RCF can transform into crystalline silica
(cristabolite). The International Agency for Research
on Cancer (IARC) has classified the inhalation of
crystalline silica (cristabolite) as carcinogenic to
humans.
When removing the burners or heat exchangers,
take precautions to avoid creating airborne dust and
avoid inhaling airborne fibers. When cleaning spills,
use wet sweeping or High Efficiency Particulate Air
(HEPA) filtered vacuum to minimize airborne dust.
Use feasible engineering controls such as local
exhaust ventilation or dust collecting systems to
minimize airborne dust. Wear appropriate personal
protective equipment including gloves, safety
glasses with side shields, and appropriate NIOSH
certified respiratory protection, to avoid inhalation of
airborne dust and airborne fiber particles.

BEFORE INSTALLATION
Raypak strongly recommends that this manual be re-
viewed thoroughly before installing your Hi Delta
heater. Please review the General Safety information
before installing the heater. Factory warranty does not
apply to heaters that have been improperly installed or
operated (refer to the warranty at the back of this man-
ual). Installation and service must be performed by a
qualified installer, service agency or the gas supplier.
If, after reviewing this manual, you still have questions
which this manual does not answer, please contact
your local Raypak representative or visit our website at
www.raypak.com.
Thank you for purchasing a Raypak product. We hope
you will be satisfied with the high quality and durability
of our equipment.
Product Receipt
On receipt of your heater it is suggested that you visu-
ally check for external damage to the shipping crate. If
the crate is damaged, make a note to that effect on the
Bill of Lading when signing for the shipment. Next,
remove the heater from the shipping packaging.
Report any damage to the carrier immediately.
On occasion, items are shipped loose. Be sure that
you receive the correct number of packages as indi-
cated on the Bill of Lading.
Claims for shortages and damages must be filed with
the carrier by consignee. Permission to return goods
must be received from the factory prior to shipping.
Goods returned to the factory without an authorized
Returned Goods Receipt number will not be accepted.
All returned goods are subject to a restocking charge.
When ordering parts, you must specify the model and
serial number of the heater. When ordering under war-
ranty conditions, you must also specify the date of
installation.
Purchased parts are subject to replacement only
under the manufacturer’s warranty. Debits for defec-
tive replacement parts will not be accepted. Parts will
be replaced in kind only per Raypak’s standard war-
ranties.
Model Identification
The model identification number and heater serial
number are found on the heater data plate located on
the right side jacket of the heater. The model number
will have the form H3-HD101 or similar depending on
the heater size and configuration. The first character of
the model number identifies application (H = Hydronic
Heating System, WH = Hot Water Supply System).
The second character identifies the firing mode (3 -
two stage firing, 4 - On/Off firing ). The next three
places identify the size of the heater.
Ratings and Certifications
Standards:
• Gas-Fired Low Pressure Steam and Hot Water
Heaters, ANSI Z21-13 • CSA 4.9 - latest edition
• Industrial and Commercial Gas-Fired Package
Heaters, CAN 3.1 - latest edition
• Gas Water Heaters, ANSI Z21.10.3 • CSA 4.3 - lat-
est edition
All Raypak heaters are National Board Approved, and
design-certified and tested by the Canadian Standards
Association (CSA) for the U.S. and Canada. Each
heater is constructed in accordance with Section IV of
the American Society of Mechanical Engineers
(ASME) Heater Pressure Vessel Code and bears the
ASME stamp. The heater also complies with the latest
edition of ASHRAE 90.1 Standard.
Installations at Elevation
Rated inputs are suitable for up to 2000 feet elevation
without de-rate. Consult the Factory for installations at
any altitude in excess of 2000 feet.
WARNING: Altering any Raypak pressure vessel
by installing replacement heat exchangers, tube
bundle headers, or any ASME parts not
manufactured and/or approved by Raypak will
instantly void the ASME and CSA ratings of the
vessel and any Raypak warranty on the vessel.
Altering the ASME or CSA ratings of the vessel also
violates national, state, and local approval codes.
5
WARNING: Pump motors should NOT be
supported by any type of stand or support from
above due to possible misalignment of pump and
motor which may occur.

Fig. 1: Component Locations — Angle View
Fig. 2: Component Locations — Left Side
Fig. 3: Component Locations — Front (Panels removed for clarity)
6
Component Locations

General Information
Table A: Basic Data
Model
No. Quantity of Burners Vent Size (in.)
Flue Intake
HD101 2 4
4
HD151 3 4
HD201 4 5
HD251 5 5
HD301 6 5
HD401 8 6
7
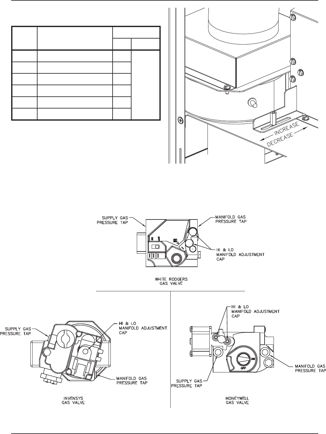
Fig. 5: Gas Valves
Fig. 4: Air Shutter Adjustment

GENERAL SAFETY
To meet commercial hot water use needs, the high
limit safety control on this water heater will shut off the
main gas valve before the outlet temperature reaches
210°F. However, water temperatures over 125°F can
cause instant severe burns or death from scalds.
When supplying general purpose hot water, the rec-
ommended initial setting for the temperature control is
125°F.
Safety and energy conservation are factors to be con-
sidered when setting the water temperature on the
thermostat. The most energy-efficient operation will
result when the temperature setting is the lowest that
satisfies the needs of the application.
Water temperature over 125°F can cause instant
severe burns or death from scalds. Children, disabled
and elderly are at highest risk of being scalded.
• Feel water before bathing or showering.
• Temperature limiting valves are available.
Maximum water temperatures occur just after the
heater’s burner has shut off. To determine the water
temperature being delivered, turn on a hot water
faucet and place a thermometer in the hot water
stream and read the thermometer.
NOTE: When this water heater is supplying general
purpose hot water for use by individuals, a
thermostatically controlled mixing valve for reducing
point of use water temperature is recommended to
reduce the risk of scald injury. Contact a licensed
plumber or the local plumbing authority for further
information.
Water temperature over 125°F can
cause instant severe burns or death
from scalds.
Children, disabled, and elderly are
at highest risk of beingscalded.
See instruction manual before set-
ting temperature at water heater.
Feel water before bathing or show-
ering.
Temperature limiting valves are
available, see manual.
Time/Temperature
Relationships in Scalds
The following chart details the relationship of water
temperature and time with regard to scald injury and
may be used as a guide in determining the safest
water temperature for your applications.
Water
Temp.
Time to Produce Serious
Burn
120°F More than 5 minutes
125°F 1-1/2 to 2 minutes
130°F About 30 seconds
135°F About 10 seconds
140°F Less than 5 seconds
145°F Less than 3 seconds
150°F About 1-1/2 seconds
155°F About 1 second
Table courtesy of The Shriners Burn Institute
Table B: Time to Produce Serious Burn
8

INSTALLATION
INSTALLATION
Installation Codes
Installations must follow these codes:
· Local, state, provincial, and national codes, laws,
regulations and ordinances.
· National Fuel Gas Code, ANSI Z223.1- latest edi-
tion (NFGC).
· National Electrical Code, ANSI/NFPA 70 - latest
edition (NEC).
· Standard for Controls and Safety Devices for
Automatically Fired Heaters, ANSI/ASME CSD-1,
when required (CSD-1).
· For Canada only: CAN/CGA B149 Installation
Code (B149) and C.S.A. C22. 1 C.E.C. Part 1
(C22. 1).
The temperature of the water in the heater can be reg-
ulated by using the optional temperature control. To
comply with safety regulations, the optional tempera-
ture control will be set at the lowest setting when
shipped from the factory.
To adjust the water temperature, insert a small straight
screwdriver into the adjustment screw on the front of
temperature control and turn the wheel to the desired
setting (See Fig. 6).
CAUTION: Hotter water increases the risk of scald-
ing! There is a hot water scald potential if the
thermostat is set too high.
Fig. 6: Temperature Control
Equipment Base
The heater should be mounted on a level, structurally
sound surface. The heater is approved for installation
on a combustible surface but must NEVER be
installed on carpeting. Gas-fueled equipment installed
in enclosed parking garages must be located at least
18 in. above the floor.
CAUTION: The heater should be located in an area
where water leakage will not result in damage to the
area adjacent to the appliance or to the structure.
When such locations cannot be avoided, it is
recommended that a suitable catch pan, adequately
drained, be installed under the appliance. The pan
must not restrict air flow.
9
In addition, the heater shall be installed such that the
gas ignition system components are protected from
water (dripping, spraying, rain, etc.) during appliance
operation or service (circulator replacement, control
replacement, etc.).
WARNING: This product must be installed by a
licensed plumber or gas fitter when installed within
the Commonweatlh of Massachusetts.
Clearances
Indoor/Closet Installations
Table C: Clearances — Indoor/Closet Installations
*DO NOT install on carpeting.
**When water connections are on other side.
Heater Side Minimum Installed
Service Clearance
Front 24”
Rear 2”
Floor* 0”
Top 24”
Left** 12”
Right** 6”
Water Side 24”

Fig. 7: Minimum Installed Service Clearances — Indoor/Closet Installations
The heater must be installed in a manner that will
enable the heater to be serviced without removing any
structure around the heater.
Outdoor Installations
These heaters are design-certified for outdoor installa-
tion. Heaters must not be installed under an overhang
unless clearances are in accordance with local instal-
lation codes and the requirements of the gas supplier.
Three sides must be open in the area under the over- Table D: Clearances — Outdoor Installations
Fig. 8: Minimum Installed Service Clearance — Outdoor Installations
hang. Roof water drainage must be diverted away
from heaters installed under overhangs.
10
Heater Side Minimum Installed
Service Clearance
Front 24”
Rear 12”
Top Unobstructed
Other Side 36”
Water Side 36”
CAUTION: Service clearances less than the
minimums may require removal of the heater to
service either the heat exchanger or the burners.

area per 20,000 BTUH (111 mm2per kW) of total
input rating of all equipment in the room when the
opening is communicating directly with the out-
doors or through vertical duct(s). The total
cross-sectional area shall be at least 1 in.2of free
area per 10,000 BTUH (222 mm2per kW) of total
input rating of all equipment in the room when the
opening is communicating with the outdoors
through horizontal duct(s).
3. In cold climates, and to mitigate potential freeze-
up, Raypak highly recommends the installation of
a motorized sealed damper to prevent the circula-
tion of cold air through the heater during
non-operating hours.
Conventional Combustion Air
Supply
U.S. Installations
All Air from Inside the Building
The confined space shall be provided with TWO per-
manent openings communicating directly with an
additional room(s) of sufficient volume so that the com-
bined volume of all spaces meets the criteria for an
unconfined space. The total input of all gas utilization
equipment installed in the combined space shall be
considered in making this determination. Each open-
ing shall have a minimum free area of 1 in.2per 1,000
BTUH (22 cm² per kW) of the total input rating of all
gas utilization equipment in the confined space, but
not less than 100 in.² (645 cm²). One opening shall
commence within 6-3/4 in. of the top, and one opening
shall commence within 6-3/4 in. of the bottom, of the
enclosure. The minimum dimension of air openings
shall be not less than 3 in. (8 cm) in any direction.
All Air from Outdoors
The confined space shall communicate with the out-
doors in accordance with methods 1 or 2 below. The
minimum dimension of air openings shall not be less
than 3 in. (8 cm) in any direction. Where ducts are
used, they shall be of the same cross-sectional area
as the free area of the openings to which they connect.
1. Two permanent openings, one commencing
within 12 in. (30 cm) of the top, and one commenc-
ing within 12 in. (30 cm) of the bottom, of the
enclosure shall be provided. The openings shall
communicate directly, or by ducts, with the out-
doors or spaces (crawl or attic) that freely
communicate with the outdoors.
Combustion and Ventilation Air
Combustion Air Filter
This heater is supplied with an integral combustion air
filter. This filter will reduce the amount of particulates
passed through the combustion system and heat
exchanger but will not protect against chemical inside
air contamination (See Appendix). The filter must be
checked periodically to verify that adequate combus-
tion air is being supplied to the heater. See the
Maintenance section of this manual for information on
checking the filter and establishing service intervals.
Indoor Units
The heater must be supplied with sufficient quantities
of non-contaminated air to support proper combustion
and equipment ventilation. Combustion air can be sup-
plied via conventional means where combustion air is
drawn from the area immediately surrounding the
heater, or via direct vent, where combustion air is
drawn directly from outside. All installations must com-
ply with the requirements of the NFGC (U.S.) and
B149 (Canada), and all local codes.
Direct Combustion Air
If outside air is drawn through the intake pipe directly
to the unit for combustion:
1. Install combustion air direct vent in accordance
with the venting section of this manual.
2. Provide adequate ventilation of the space occu-
pied by the heater(s) by an opening(s) for
ventilation air at the highest practical point com-
municating with the outdoors. The total
cross-sectional area shall be at least 1 in.2of free
CAUTION: Combustion air must not be
contaminated by corrosive chemical fumes which
can damage the heater and void the warranty. (See
the Appendix.)
These clearances are required when the outdoor
vent cap is used. If installing the heater outdoors
with a vent stack, the indoor clearances may be
utilized.
The combustion air intake hood MUST be used for
outdoor installations. The hood is shipped loose and
installed on the side of the heater over the filter box at
the job site.
11

WARNING: Do not use one permanent opening
method if the equipment room is under negative
pressure conditions or the equipment is common
vented with other gas-fired appliances.
1. Ventilation of the space occupied by the heater
shall be provided by an opening(s) for ventilation
air at the highest practical point communicating
with outdoors. The total cross-sectional area of
such an opening(s) shall be at least 10% of the
area required in (2) and (3), but in no case shall
the cross-sectional area be less than 10 in.2(6500
mm2.).
2. For heaters using a barometric damper in the vent
system, and when air supply is provided by natu-
CAUTION: All combustion air must be drawn from
the air outside of the building; the mechanical
equipment room must communicate directly with the
outdoors.
Installations in Canada
Water Piping
General
The heater should be located so that any water leaks
will not cause damage to the adjacent area or struc-
tures.
ral air flow from the outdoors for natural draft, par-
tial fan assisted, fan-assisted or power
draft-assisted burners, there shall be a permanent
air supply opening(s) having a cross section area
of not less than 1 in.2per 7000 BTUH (310 mm2
per kW) up to and including 1 million BTUH, plus
1 in.2per 14000 BTUH (155 mm2per kW) in
excess of 1 million BTUH. This opening(s) shall be
either located at or ducted to a point not more than
18 in. (450 mm) nor less than 6 in. (150 mm)
above the floor level. The duct can also "Goose
Neck" through the roof. The duct is preferred
straight down 18” from floor, but do not place near
piping. This air supply opening requirement shall
be in addition to the air opening for ventilation air
required in (1).
3. For heaters not using a barometric damper in the
vent system, and when air supply is provided by
natural air flow from outdoors for a power burner
and there is no draft regulator, drafthood or similar
flue gas dilution device installed in the same
space, in addition to the opening for ventilation air
required in (1), there shall be a permanent air sup-
ply opening(s) having a total cross-sectional area
of not less than 1 in.2for each 30,000 BTUH (70
mm2per kW) of total rated input of the burner(s),
and the location of the opening(s) shall not inter-
fere with the intended purpose of the opening(s)
for ventilation air referred to (1). This opening(s)
can be ducted to a point not more than 18 in. (450
mm) nor less than 6 in. (150 mm) above the floor
level. The duct can also "Goose Neck" through the
roof. The duct is preferred to be straight down 18”
from floor, but do not place near piping.
4. Refer to the latest version of the B149 for addition-
al information.
CAUTION: This heater requires forced water
circulation when the burner is operating. See Table E
and Table F for minimum and maximum flow rates
and water pump selection. The pump must be
interlocked with the heater to prevent heater
operation without water circulation.
a. Where directly communicating with the out-
doors or where communicating to the
outdoors through vertical ducts, each opening
shall have a minimum free area of 1 in.2per
4000 BTUH (5.5 cm2per kW) of total input rat-
ing of all equipment in the enclosure.
b. Where communicating with the outdoors
through horizontal ducts, each opening shall
have a minimum free area of 1 in.2per 2000
BTUH (11 cm2per kW) of total input rating of
all equipment in the enclosure.
2. One permanent opening, commencing within 12
in. (30 cm) of the top of the enclosure, shall be
permitted where the equipment has clearances of
at least 1 in. (2.5 cm) from the sides and back and
6 in. (16 cm) from the front of the appliance. The
opening shall directly communicate with the out-
doors or shall communicate through a vertical or
horizontal duct to the outdoors or spaces (crawl or
attic) that freely communicate with the outdoors,
and shall have a minimum free area of:
a. 1 in.2per 3000 BTUH (7 cm2per kW) of the
total input rating of all equipment located in the
enclosure, and
b. Not less than the sum of the areas of all vent
connectors in the confined space.
12

13
WARNING: Pressure relief valve discharge piping
must be piped near the floor and close to a drain to
eliminate the potential of severe burns. Do not pipe
to any area where freezing could occur. Refer to
local codes.
Reversing Water Connections
Follow these instructions to change the water connec-
tions from the left-hand side (standard) to the
right-hand side.
1. Disconnect all electrical power from the heater (if
applicable).
2. Label all electrical connections and conduit lines.
This may include the flow switch, low water cut-off
probe and/or pump.
3. Disconnect or isolate the main gas pipe from the
heater (if applicable).
4. Remove both in/out and return header access
panels by removing all sheet metal screws.
5. Remove all plumbing fittings to the header. This
will include both inlet and outlet water pipe unions
and the pressure relief valve and drain piping.
6. Remove limits, control bulbs and/or sensors.
7. Remove the six flange nuts and the in/out header
from the left-hand side.
8. Remove the six flange nuts and the return header
from the right-hand side.
9. Remove the header stud bolts from each tube
sheet.
10. Reverse the headers and stud bolts to the new
location.
11. Install NEW red beveled O-rings flush against both
tube sheets with the bevel facing outward.
12. Push the header firmly against the O-rings. Install
and tighten the flange nuts onto the stud bolts until
finger tight.
13. Slowly tighten the flange nuts, starting from the
center nut (number 1) in Fig. 9 and working
sequentially around the header as indicated.
Torque all nuts to 25 ft/lb. DO NOT OVER-TIGHT-
EN.
14. Re-route the capillary(s), wiring, etc., to the new
location, adding thermal paste and shim to the
capillary well.
Fig. 9: Torque Sequence
Relief Valve Piping

14
Low Temperature System
Heater requires minimum inlet temperature of 105°F.
Consult the following sections for piping details.
Temperature & Pressure Gauge
The temperature and pressure gauge is shipped loose
for field installation.
Hydronic Heating
Pump Selection
In order to ensure proper performance of your boiler
system, you must install a properly sized pump.
Raypak recommends using a 20°F ∆T as design ∆T.
(∆T is the temperature difference between the inlet
and outlet water when the heater is firing at full rate).
If a ∆T other than 20°F is necessary, see Table E for
flow rate requirements.
Pressure Drop in Feet of Head
Feedwater Regulator
Raypak recommends that a feedwater regulator be
installed and set at 12 psi minimum pressure at the
highest point of system. Install a check valve or back
flow device upstream of the regulator, with a manual
shut off valve as required by local codes.
Model
No.
Input
MBTUH
Output
MBTUH
10°F ∆T 20°F ∆T 30°F ∆T Min. Flow Max. Flow
gpm ∆P (ft) gpm ∆P (ft) gpm ∆P (ft) gpm ∆P (ft) ∆T gpm ∆P (ft) ∆T
HD101 100 85 17 1.3 13 0.7 14 44 8.8 4
HD151 150 128 26 3.0 13 0.7 13 0.7 20 44 8.8 6
HD201 199 169 34 5.3 17 1.3 13 3.4 27 44 8.9 8
HD251 250 213 44 9.2 21 2.1 14 1.0 13 0.7 34 44 9.2 10
HD301 299 254 25 3.1 17 1.4 13 0.8 40 44 9.4 12
HD401 399 335 34 5.6 22 2.5 17 1.4 40 44 9.8 15
Table E: Heater Rates of Flow and Pressure Drops
*Flow switch will not activate at less than 12 gpm.
NOTE: Basis for minimum flow — 13 gpm or 40°F ∆T maximum flow — gpm, except for header.
Hydrostatic Test
Unlike many other types of heaters, Raypak heaters
do not require hydrostatic testing prior to being placed
in operation. The heat exchanger has already been
factory-tested and is rated for 160 PSI maximum oper-
ating pressure. However, Raypak does recommend
hydrostatically testing the piping connections to the
heater and the rest of the system prior to operation.
This is particularly true for hydronic systems using
expensive glycol-based antifreeze. Raypak recom-
mends conducting the hydrostatic test before
connecting gas piping or electrical supply.
Leaks must be repaired at once to prevent damage to
the heater. NEVER use petroleum-based stop-leak
compounds.
1. Connect fill water supply. Fill heater with water (be
sure bleed valve is open). When water flows from
bleed valve, shut off water. Close bleed valve.
Carefully fill the rest of the system, being sure to
eliminate any entrapped air by using high point
vents. Close feed valve. Test at standard operating
pressure for at least 24 hours.
2. Make sure constant gauge pressure has been
maintained throughout test.
3. Check for leaks. Repair if found.

15
Fig. 10: Single Boiler — Low Temperature Application (Heat Pump) Primary/Secondary Piping
Fig. 11: Dual Boiler—Primary/Secondary Piping
*Maximum 4 times the pipe diameter or 12”, whichever is less.
*Maximum 4 times the pipe diameter or 12”, whichever is less.

16
Table F: Domestic Water Heater Flow Rate Requirements
∆T = Temperature rise, °F.
∆P = Pressure drop through heat exchanger, ft.
SHL = System head loss, ft. (System head loss is based on the heater and tank placed no more than 5 feet apart and 50 feet equivalent length
of tubing and fittings.)
gpm = Gallons per minute, flow rate.
MTS = Minimum tubing size.
*Must utilize optional cupro-nickel tubes.
**With Hard Water (16-25 grains per gallon), the operating control must be set no higher than 130°F for scale free operation. For operating tem-
peratures above 130°F, a water softener must be utilized.
Model
No.
Input
MBTUH
Output
MBTUH
Soft (0–4 grains per gallon) Medium (5–15 grains per gallon) Hard* (16–25** grains per gallon)
∆T gpm ∆P MTS SHL ∆T gpm ∆P MTS SHL ∆T gpm ∆P MTS SHL
HD101 100 85 9 20 1.8 1-1/2 3.8 7 26 3.0 1-1/2 6.3 4 45 9.2 1-1/2 18.0
HD151 150 128 13 20 1.8 1-1/2 3.8 10 26 3.1 1-1/2 6.3 6 45 9.2 1-1/2 18.1
HD201 199 169 17 20 1.9 1-1/2 3.9 13 26 3.2 1-1/2 6.4 8 45 9.4 1-1/2 18.2
HD251 250 213 21 20 1.9 1-1/2 3.9 16 26 3.2 1-1/2 6.5 9 45 9.6 1-1/2 18.5
HD301 299 254 25 20 1.9 1-1/2 3.9 20 26 3.2 1-1/2 6.5 11 45 9.8 1-1/2 18.7
HD401 399 339 34 20 2.0 1-1/2 4.0 26 26 3.3 1-1/2 6.6 15 45 10.3 1-1/2 19.1
Piping—Heating Boilers
All high points should be vented. Purge valves and a
bypass valve should be installed. A boiler installed
above radiation level must be provided with a low
water cut-off device. The boiler, when used in connec-
tion with a refrigeration system, must be installed so
the chilled medium is piped in parallel with the boiler
with appropriate valves to prevent the chilled medium
from entering the boiler.
The boiler piping system of a hot water heating boiler
connected to heating coils located in air handling units
where they may be exposed to circulating refrigerated
air, must be equipped with flow control valves or other
automatic means to prevent gravity circulation of the
boiler water during the cooling cycle. It is highly recom-
mended that the piping be insulated.
Air-Separation/Expansion Tank
All boilers should be equipped with a properly sized
expansion tank and air separator fitting as shown in
the piping diagrams (Fig. 10–12).
Three-Way Valves
Valves designed to blend water temperatures or
reduce water circulation through the boiler should not
be used. Raypak boilers are high recovery low mass
boilers not subject to thermal shock. Raypak offers a
full line of electric sequencers that produce direct reset
of boiler water temperature. Refer to the Controls
Section in our Complete Catalog.
Domestic Hot Water Piping
When designing the water piping system for domestic
water applications, water hardness should be consid-
ered. Table F indicates the suggested flow rates for
soft, medium and hard water. Hardness is specified as
grains per gallon.

17
Gas Supply Connection
CAUTION: The heater and its manual shutoff valve
must be disconnected from the gas supply during
any pressure testing of the gas supply system at test
pressures in excess of 1/2 psi (3.45 kPa). The heater
must be isolated from the gas supply piping system
by closing the manual shutoff valve during any
pressure testing of the gas supply piping system at
test pressures equal to or less than 1/2 psi. Relieve
test pressure in the gas supply line before
reconnecting the heater and its manual shut off valve
to the gas supply line. FAILURE TO FOLLOW THIS
PROCEDURE MAY DAMAGE THE GAS VALVES.
Over pressurized gas valves are not covered by
warranty. The heater and its gas connections shall
be leak tested before placing the appliance in
operation. Use soapy water for leak test: DO NOT
use open flame.
Gas Supply
Gas piping must have a sediment trap ahead of the
heater gas controls, and a manual shut-off valve locat-
ed outside the heater jacket. A pounds to inches
regulator must be installed to reduce the natural gas
supply pressure to under 10.5 in. WC (13.0 in. WC for
propane gas). The regulator should be placed a mini-
mum distance of 10 times the pipe diameter upstream
of the heater gas controls. All gas piping must be test-
ed after installation in accordance with local codes.
The heater and its gas connection must be leak-tested
before placing it in operation.
DANGER: Make sure the gas on which the heater
will operate is the same type as specified on the
heater’s rating plate.
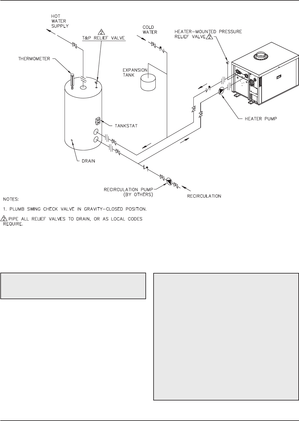
Fig. 12: Single Heater — Domestic Hot Water with One Storage Tank

18
Fig. 13: Sediment Trap Orientation
Gas Supply Pressure
A minimum of 4 in. WC and a maximum of 10.5 in. WC
upstream gas pressure is required under load and no
load conditions for natural gas. A minimum of 11 in.
WC and a maximum of 13 in. WC is required for
propane gas. The gas pressure regulator supplied on
the heater is for low pressure service. If upstream
pressure exceeds 14 in. WC, an intermediate gas
pressure regulator, of the lockup type, must be
installed.
When connecting additional gas utilization equipment
to the gas piping system, the existing piping must be
checked to determine if it has adequate capacity.
CAUTION: Do not use Teflon tape on gas line pipe
thread. A pipe compound rated for use with gas
systems is recommended. Apply sparingly only on
male pipe ends.
CAUTION: Support gas supply piping with
hangers, not by the heater or its accessories. Ensure
the gas piping is protected from physical damage
and freezing where required.
Gas Pressure Regulator
The gas valve pressure regulator(s) on the heater are
nominally preset at 3 in. WC for natural gas, and 10.0
in. WC for propane gas manifold pressure. The pres-
sure at the gas valve outlet tap, measured with a
manometer, while in operation should be as indicated
in Table G. If an adjustment is needed, turn the adjust-
ment screw clockwise to increase pressure or
counter-clockwise to decrease pressure.
Electrical Power Connections
Installations must follow these codes:
· National Electrical Code and any other national,
state, provincial or local codes or regulations hav-
ing jurisdiction
· Safety wiring must be N.E.C. Class 1
· Heater must be electrically grounded as required
by N.E.C.
· In Canada, C22.1
The heater is wired for 120 VAC, less than 12 AMPS.
The voltage is indicated on the tie-in leads. Consult the
wiring diagram shipped with the heater in the instruc-
tion packet. The remote tank control stat, thermostat,
or electronic heater control as applicable, may be con-
nected to stage selector terminal (See wiring diagram).
24 Volts are supplied to this connection through the
heater transformer. DO NOT attach line voltage to
the stage connections. Before starting the heater
check to ensure proper voltage to the heater and
pump.
Firing
Stage Gas Valve
Gas Type
Natural
+/- 0.1"WC
LP/Propane
+/- 0.1"WC
Hi-Fire
Invensys 3.3" WC
Honeywell or
White-Rodgers 3.1" WC 9.6" WC
Lo-Fire
Invensys 1.2" WC
Honeywell or
White-Rodgers 1.4" WC 3.6" WC
Table G: Pressure at Gas Valve Outlet Tap
WARNING: Connecting line voltage to the stage
connection terminal block will cause damage to the
unit that is not covered by warranty.

19
Install a separate disconnect means for each load.
Use appropriate-sized wire as defined by NEC, CSA
and/or local code. All primary wiring should be 125% of
minimum rating.
It is strongly recommended that all individually-pow-
ered control modules and the heater should be
supplied from the same power source.
Surge Protection
Microprocessor-based and solid state controls are vul-
nerable to damage from voltage and amperage
fluctuations in the power supply. All sensitive control
components should be protected by a suitable com-
mercial-grade surge protection device.
If any of the original wire as supplied with the heater
must be replaced, it must be replaced with 105°C wire
or its equivalent.
Check the Power Source
Making the Electrical Connections
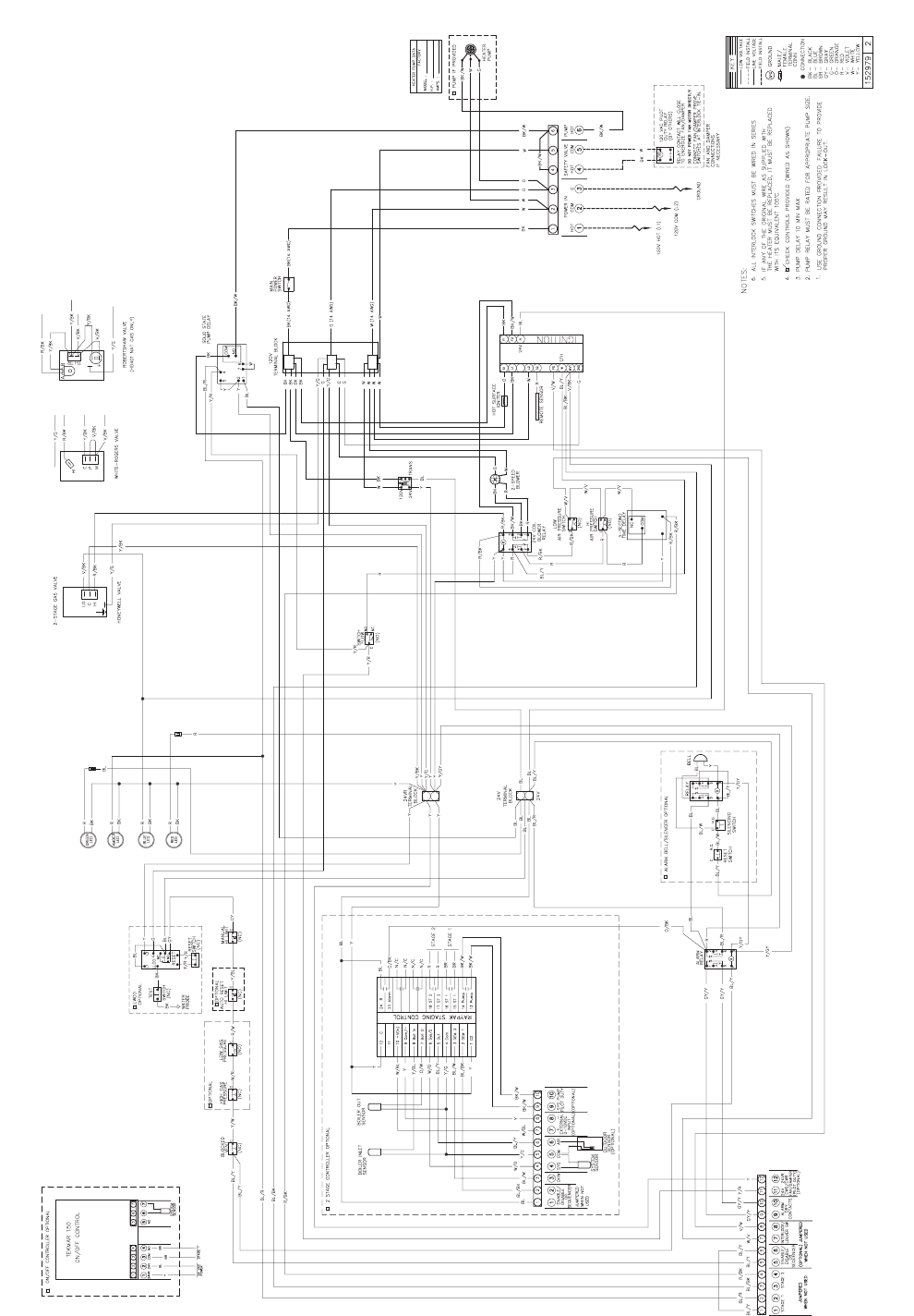
Refer to Fig. 14 and the Wiring Diagram.
1. Verify circuit breaker is properly sized by referring
to heater rating plate. A dedicated circuit breaker
should be provided.
2. Turn off all power to the heater. Verify that power
has been turned off by testing with a volt-ohm
meter prior to working with any electrical connec-
tions or components.
3. Observe proper wire colors while making electrical
connections. Many electronic controls are polarity
sensitive. Components damaged by improper
electrical installation are not covered by warranty.
4. Provide an external surge suppressor capable of
maintaining system integrity.
Fig. 14: Check Power Source
WARNING: Using a volt-ohm meter (VOM), check
the following voltages at the terminal block inside the
unit. Make sure proper polarity is followed and house
ground is proven.
Model
No.
Input 3/4” 1”1-1/4” 1-1/2”
(KBTUH) N P N P N P N P
HD101 100 105 385 340
HD151 150 50 180 160 530 600
HD201 199 30 95 95 355 360
HD251 250 20 50 60 230 240
HD301 299 15 35 45 170 170 550 360
HD401 399 5 20 25 80 100 365 210
Table H: Maximum Equivalent Pipe Length
Natural gas – 1,000 BTUH per ft3, .60 specific gravity at 0.5 in. WC pressure drop
Propane gas – 2,500 BTUH per ft3, 1.50 specific gravity at 0.5 in. WC pressure drop
AC = 108 Volts AC Minimum, 132 Volts AC MAX
AB = 108 Volts AC Minimum, 132 Volts AC MAX
BC = < 1 Volt AC

20
SINGLE
STAGE
TANKSTAT
STAGE 1
CONNECTION
ATTACH STAGE 1 CONNECTIONS
ON HEATER TO THE SINGLE STAGE
TANKSTAT AS SHOWN IN THE DIAGRAM ABOVE.
Fig. 16: Single Stage Tankstat
Electrical Connections — Domestic
Hot Water
Installer action is required to electrically enable your Hi
Delta heater to operate after making the power con-
nections. You must use Terminal Block connections 1
through 4 for the temperature controller, as shown in
Fig. 15. This will be done based on the controller
option selected with your heater order.
For operation with a Temp-Tracker controller, refer to
the Temp-Tracker Installation and Operating
Instructions, Raypak Catalog number 5000.66 (P/N
241177).
CAUTION: Label all wires prior to disconnection
when servicing controls. Wiring errors can cause
improper and dangerous operation. Verify proper
operation after servicing.
DANGER—SHOCK HAZARD: Make sure
electrical power to the heater is disconnected to
avoid potential serious injury or damage to
components.
NOTE: Minimum 18 AWG, 105°C, stranded wire
must be used for all low voltage (less than 30 volts)
external connections to the unit. Solid conductors
should not be used because they can cause
excessive tension on contact points. Install conduit
as appropriate. All high voltage wires must be the
same size (105°C, stranded wire) as the ones on the
unit or larger.
JUMPERED
WHEN NOT USED
(OPTIONAL)JUMPERED
WHEN NOT USED
POWER IN SAFETY VALVE PUMP
USE COPPER
CONDUCTORS ONLY
HOT COM G HOT
COM
HOT
STAGE 1 STAGE 2 ENABLE /
DISABLE OR
SEQUENCER
INTERLOCK /
LOUVER SW
ALARM
DRY
CONTACTS
24V 24VR
CWS / CWR
FAN / DAMPER
(PILOT DUTY)
(OPTIONAL)
P/N 901935 REV 1
123456
123456
7891011 12
Consult the wiring diagram shipped with the heater in
the instruction packet. The Stage 1 connections are for
the remote tank control through the heaters 24 volt
transformer. DO NOT attach line voltage to the
Stage 1 connection. Before starting heater, check to
ensure proper voltage to heater and pump.
Fig. 15: Terminal Block Connections
5. Provide overload protection and a disconnect
means for equipment serviceability as required by
local and state code.
6. Install heater controls, thermostats, or building
management systems in accordance with the
applicable manufacturer’s instructions.
7. Conduit should not be used as the ground. There
must be a solidly wired ground.
NOTE: A grounding electrode conductor shall be
used to connect the equipment grounding
conductors, the equipment enclosures, and the
grounded service conductor to the grounding
electrode.

Category II. A heater which operates with a non-posi-
tive vent static pressure and with a vent gas
temperature that may cause excessive condensate
production in the vent.
Category III. A heater which operates with a positive
vent pressure and with a vent gas temperature that
avoids excessive condensate production in the vent.
Category IV. A heater which operates with a positive
vent pressure and with a vent gas temperature that
may cause excessive condensate production in the
vent.
See Table I for appliance category requirements for
the Hi Delta.
Determination of Appliance
Category for Venting Purposes and
Venting Arrangements
21
2-STAGE
TANKSTAT
STAGE 1
CONNECTION
STAGE 2 CONNECTION OR
STAGE 1 CONNECTION
OF HEATER 2
ATTACH STAGE 1 CONNECTIONS ON HEATER
TO STAGE 1 CONNECTION ON TANKSTAT.
ATTACH STAGE 2 CONNECTIONS OR
STAGE 1 CONNECTION OF HEATER 2
TO STAGE 2 CONNECTION ON TANKSTAT
AS SHOWN IN THE DIAGRAM.
Fig. 17: 2-Stage Tankstat
Heater must be electrically grounded in accordance
with NEC and C22.1(in Canada).
NOTES:
1. Field installed ground to inside of junction box.
2. If any of the original wire as supplied with the
heater must be replaced, it must be replaced with
105°C wire or its equivalent.
Venting
General
Definition of Appliance Categories
Heaters are divided into four categories based on the
pressure produced in the exhaust and the likelihood of
condensate production in the vent.
Category I. A heater which operates with a non-posi-
tive vent static pressure and with a vent gas
temperature that avoids excessive condensate pro-
duction in the vent.
CAUTION: Proper installation of flue venting is
critical for the safe and efficient operation of the
heater.
NOTE: For additional information on appliance
categorization, see appropriate ANSI Z21 Standard
and the NFGC (U.S.), or B149 (Canada), or
applicable provisions of local building codes.
WARNING: Contact the manufacturer of the vent
material if there is any question about the appliance
categorization and suitability of a vent material for
application on a Category III or IV vent system.
Using improper venting materials can result in
personal injury, death or property damage.

22
Table I: Venting Category Requirements
Combustion Air
Supply
Exhaust
Configuration Venting Category Certified
Appliance Material
Combustion Air
Inlet Material
From Inside
Building (Non-Direct
Venting)
Vertical Natural
Draft Venting I
Type B or any
Category I Venting
System*
Horizontal
Thru-wall
Venting
III Stainless Steel
(Gas Tight)
From Outside
Building (Direct
Venting)
Vertical Venting I
Type B or any
Category I Venting
System* Galvanized Steel
PVC
ABS
CPVC
Horizontal
Thru-wall
Venting
III Stainless Steel
(Gas Tight)
*As defined in the latest edition of the NFGC, or in Canada, the B149.
Barometric Damper
A barometric damper may be required when vent
heights exceed 25 feet or when the draft is greater
than -0.08 in. WC. In these installations, a barometric
damper (single acting) is required.
The damper should be installed NO CLOSER than 18
in. from the discharge of the unit and no closer than 18
in. from a combustible ceiling. The damper can be
installed in horizontal or vertical runs of vent pipe as
necessary. Installation in a bull-head tee is acceptable
as shown in the NFGC.
The weights on the damper should be adjusted per the
damper manufacturer’s instructions for proper opera-
tion, to maintain –0.01 to –0.08 in. WC, 12 in. from the
heater outlet, at all firing conditions.
Support of Vent Stack
The weight of the vent stack or chimney must not rest
on the heater vent connection. Support must be pro-
vided in compliance with applicable codes. The vent
should also be supported to maintain proper clear-
ances from combustible materials.
Use insulated vent pipe spacers where the vent pass-
es through combustible roofs and walls.
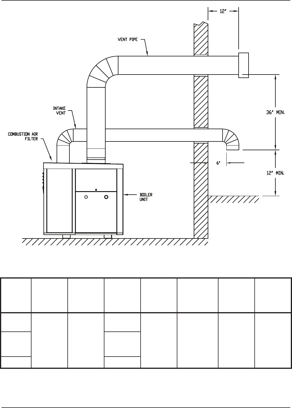
Vent Terminal Location
1. Condensate can freeze on the vent cap. Frozen
condensate on the vent cap can result in a blocked
flue condition.
2. Give special attention to the location of the vent
termination to avoid possibility of property damage
or personal injury.
3. Gases may form a white vapor plume in winter.
The plume could obstruct a window view if the ter-
mination is installed in close proximity to windows.
4. Prevailing winds, in combination with below freez-
ing temperatures, can cause freezing of
condensate and water/ice build-up on buildings,
plants or roofs.
5. The bottom of the vent terminal and the air intake
shall be located at least 12 in. above grade, includ-
ing normal snow line.
6. Un-insulated single-wall metal vent pipe shall not
be used outdoors on cold climates for venting gas
utilization equipment.
7. Through-the-wall vents for Category II and IV
appliances and non-categorized condensing appli-
NOTE: During winter months check the vent cap
and make sure no blockage occurs from build up of
snow.

23
U.S. Installations1Canadian Installations2
AClearance above grade, veranda, porch,
deck, or balcony 1ft (30 cm) 1 ft (30 cm)
BClearance to window or door that may be
opened
4ft (1.2m) below or to side
of opening; 1 foot (30 cm)
above opening
3ft (91 cm)
C Clearance to permanently closed window **
D
Vertical clearance to ventilated soffit located
above the terminal within a horizontal dis-
tance of 2 ft (61cm) from the centerline of the
terminal
5ft (1.5m) *
EClearance to unventilated soffit **
FClearance to outside corner **
GClearance to inside corner 6ft (1.83m) *
HClearance to each side of center line ex-
tended above meter/regulator assembly *
3ft (91 cm) within a height
15ft above the me-
ter/regulator assembly
IClearance to service regulator vent outlet *6ft (1.83m)
J
Clearance to non-mechanical air supply inlet
to building or the combustion air inlet to any
other appliance
4ft (1.2m) below or to side
of opening; 1 ft (30 cm)
above opening
3ft (91 cm)
KClearance to mechanical air supply inlet 3ft (91 cm) above if within
10 ft (3m) horizontally 6ft (1.83m)
LClearance above paved sidewalk or paved
driveway located on public property 7ft (2.13m) 7ft (2.13m) t
MClearance under veranda, porch, deck or
balcony *12 in. (30 cm) TT
1Inaccordance with the current ANSIZ223.1/NFPA54National Fuel Gas Code
2Inaccordance with the current CAN/CGA-B149 Installation Codes
tVent terminal shall not terminate directly above sidewalk or paved driveway located between 2 single family dwellings that serves
both dwellings
TT Permitted only if veranda, porch, deck, or balcony is fully open on a minimumof two sides beneath the floor and top of terminal and
underside of veranda, porch, deck or balcony is greater than 1 ft(30cm)
*Clearances in accordance with local installation codes and the requirements of the gas supplier
Fig. 18: Minimum Clearances from Vent/Air Inlet Terminations – Indoor and Outdoor Installations
Table J: Vent/Air Inlet Termination Clearances

24
ances shall not terminate over public walkways or
over an area where condensate or vapor could
create a nuisance or hazard or could be detrimen-
tal to the operation of regulators, relief valves, or
other equipment. Where local experience indi-
cates that condensate is a problem with Category
I and III appliances, this provision shall also apply.
8. Locate and guard vent termination to prevent acci-
dental contact by people or pets.
9. DO NOT terminate vent in window well, stairwell,
alcove, courtyard or other recessed area.
10. DO NOT terminate above any door, window, or
gravity air intake. Condensate can freeze, causing
ice formations.
11. Locate or guard vent to prevent condensate from
damaging exterior finishes. Use a rust resistant
sheet metal backing plate against brick or mason-
ry surfaces.
12. DO NOT extend exposed vent pipe outside of
building. Condensate could freeze and block vent
pipe.
US Installations
Refer to latest edition of the National Fuel Gas Code.
Vent termination requirements are as follows:
a) Vent must terminate at least four (4) feet below,
four (4) feet horizontally, or one (1) foot above any
door, window or gravity air inlet to the building.
b) The vent must not be less than seven (7) feet
above grade when located adjacent to public walk-
ways.
c) Terminate vent at least three (3) feet above any
forced air inlet located within ten (10) feet.
d) Vent must terminate at least four (4) feet horizon-
tally, and in no case above or below unless four (4)
feet horizontal distance is maintained, from elec-
tric meters, gas meters, regulators, and relief
equipment.
e) Terminate vent at least six (6) feet away from adja-
cent walls.
f) DO NOT terminate vent closer than five (5) feet
below roof overhang.
g) The vent terminal of a direct vent appliance with
an input over 50,000 BTUH per hour shall require
a 12-inch vent terminal clearance.
h) Terminate vent at least one (1) foot above grade,
including normal snow line.
i) Multiple direct vent installations require a four (4)
foot clearance between vent caps.
Installations in Canada
Refer to latest edition of CAN/CGA-B149.
A vent shall not terminate:
a) Directly above a paved sidewalk or driveway
which is located between two single family
dwellings and serves both dwellings.
b) Less than 7 ft. (2.1m) above a paved sidewalk or
paved driveway located on public property.
c) Within 6 ft. (1.8m) of a mechanical air supply inlet
to any building.
d) Above a meter/regulator assembly within 3 ft.
(914mm) horizontally of the vertical center-line of
the regulator.
e) Within 6 ft. (1.8m) of any gas service regulator
vent outlet.
f) Less than 1 ft. (305mm) above grade level.
g) Within the 3 ft. (914mm) of a window or door which
can be opened in any building, any non-mechani-
cal air supply inlet to any building or the
combustion air inlet of any other appliance.
h) Underneath a verandah, porch or deck, unless
(i) the verandah, porch or deck is fully open on a
minimum of two sides beneath the floor, and
(ii) the distance between the top of the vent termi-
nation and the underside of the verandah,
porch or deck is greater than 1 ft. (30 cm).

25
Venting Installation Tips
Support piping:
· horizontal runs- at least every five (5) feet.
·vertical runs - use braces:
· under or near elbows
Follow items listed below to avoid personal injury or
property damage.
· Cut nonmetallic intake pipe with fine-toothed hack-
saw.
· Do not use nonmetallic intake pipe or fittings that
are cracked or damaged.
· Do not use nonmetallic intake fittings if they are
cut or altered.
· Do not drill holes, or use screws or rivets, in non-
metallic intake pipe or fittings.
To make metallic vent joints:
· Do not install seams of vent pipe on bottom of
runs.
· 100% Seal all joints and seams with high temper-
ature silicone sealant.
Venting Configurations
For heaters connected to gas vents or chimneys, vent
installations shall be in accordance with the section
on, Venting of Equipment, of the latest edition of
NFGC, or in Canada, B149 Installation Code for Gas
Burning Appliances and Equipment, or applicable pro-
visions of local building codes.
WARNING: Examine the venting system at least
once a year. Check all joints and vent pipe
connections for tightness, corrosion or deterioration.
NOTE: The words "Flue Exhaust", "Flue" and
"Exhaust Vent" are used interchangeably.
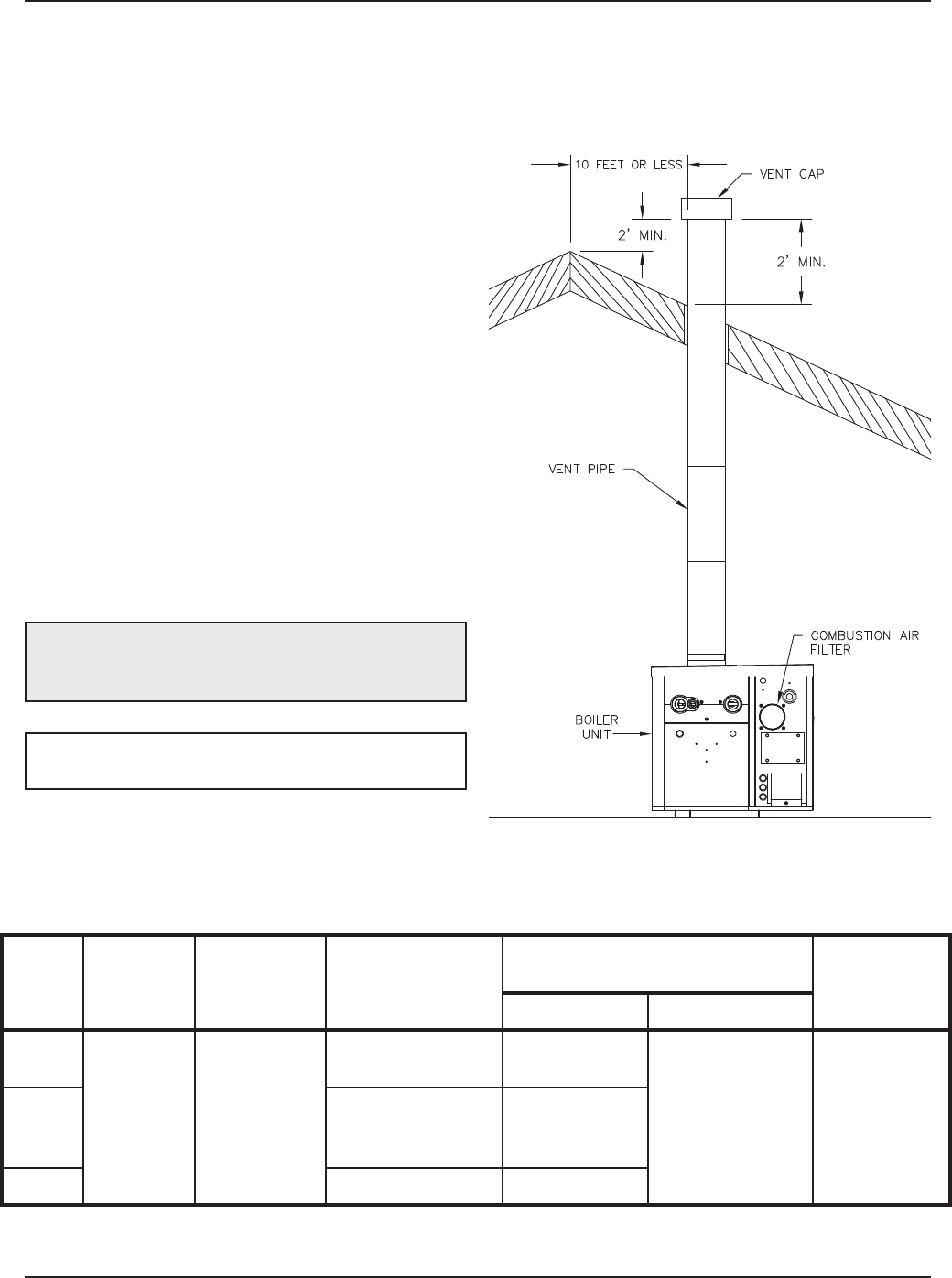
Fig. 19: Natural Draft Vertical Venting (Category I)
Model
No.
Appliance
Category
Certified
Venting
Material
Minimum
Recommended
Vent Size (inches)
Min./Max. Venting Length without
Barometric Damper (feet)** Air Inlet Max.
Length (feet)
Min. Max.
HD101
HD151
IType B or
Equivalent
4 6
25 100
HD201
HD251
HD301
5
(HD201) 6
(HD251) 6
(HD301) 11
HD401 6 8
**Vent lengths are based on a lateral length of 2 feet. Refer to the latest edition of the NFGC for further details. (ANSI Z223.1)
Table K: Natural Draft Vertical Venting

26
Natural Draft Vertical Venting
System Installation
Natural draft venting uses the natural buoyancy of the
heated flue products to create a thermal driving head
that expels the exhaust gases from the flue. The neg-
ative draft must be within the range of –0.01 in. to
–0.08 in. WC as measured 12 in. from the appliance
flue outlet to ensure proper operation. Vent material
must be listed by a nationally recognized test agency.
The maximum and minimum venting length for
Category I appliance shall be determined per the lat-
est edition of the NFGC (U.S.) or B149 Installation
Code (Canada).
The diameter of vent flue pipe should be sized accord-
ing to Part 11 of the latest edition of the NFGC (U.S.)
and part 7 and appendix B of the B149 Installation
Code (Canada). The minimum flue pipe diameter for
conventional negative draft venting using double-wall
B type vent is 4” for HD101 and HD151, 5” for HD201,
HD251 and HD301, and 6” for HD401.
The connection from the appliance vent to the stack
must be as direct as possible and shall be the same
diameter as, or larger than the vent outlet. The hori-
zontal breaching of a vent must have an upward slope
of not less than 1/4 inch per linear foot from the heater
to the vent terminal. The horizontal portions of the vent
shall also be supported for the design and weight of
the material employed to maintain clearances and to
prevent physical damage or separation of joints.
Natural Draft Vertical Vent
Termination
The vent terminal should be vertical and should termi-
nate outside the building at least two (2) feet above the
highest point of the roof that is within 10 feet. The vent
cap should have a minimum clearance of four (4) feet
horizontally from and in no case above or below
(unless a four (4) foot horizontal distance is main-
tained) electric meters, gas meters, regulators and
relief equipment. The distance of the vent terminal
from adjacent public walkways, adjacent buildings,
open windows and building openings must be consis-
tent with the NFGC, or in Canada, the B149
Installation Code for Gas Burning Appliances and
Equipment. Gas vents supported only by flashing and
extended above the roof more than five feet should be
securely guyed or braced to withstand snow and wind
loads.
Natural Draft Vertical Venting with
Common Venting System, Category I
Appliance Only
Manifolds that connect more than one heater to a com-
mon chimney must be sized to handle the combined
load. Consult available guides for proper sizing of the
manifold and the chimney. At no time should the area
of the vent be less than the area of the largest heater
exhaust outlet.
Common venting systems may be too large when an
existing unit is removed. At the time of removal of an
existing appliance, the following steps must be fol-
lowed with each appliance remaining connected to the
common venting system placed in operation, while the
other appliances remaining connected to the common
venting system are not in operation.
a) Seal any unused opening in the common venting
system.
b) Visually inspect the venting system for proper size
and horizontal pitch and determine there is no
blockage or restriction, leakage, corrosion or other
unsafe condition.
c) Insofar as is practical, close all building doors and
windows and all doors between the space in which
the appliances remaining connected to the com-
mon venting system are located and other spaces
of the building. Turn on clothes dryers and any
appliance not connected to the common vent sys-
tem. Turn on any exhaust fans, such as range
hoods and bathroom exhausts, so they will oper-
ate at maximum speed. Do not operate summer
exhaust fan. Close fireplace dampers.
d) Place in operation the appliances being inspected.
Follow the manufacturers instructions for lighting
NOTE: Vent Adapter will have to be used to connect
B vent to the unit.
CAUTION: Listed vent cap terminal must be used
and sized adequately to evacuate the flue products
from the heaters.
WARNING: Vent connectors serving appliances
vented by natural draft shall not be connected into
any portion of mechanical draft systems operating
under a positive pressure.
CAUTION: Vent connectors for natural draft
venting systems must be type “B” vent or better.

27
each appliance. Adjust thermostat so appliance
will operate continuously.
e) Check the pressure at a pressure tap located 12
in. above the bottom joint of the first vertical vent
pipe. Pressure should be anywhere between -.01
to -.08 in. WC.
f) After it has been determined that each appliance
remaining connected to the common venting sys-
tem properly vents when tested as outlined above,
return doors, windows, exhaust fans, fireplace
dampers and other gas burning appliances to their
previous conditions of use.
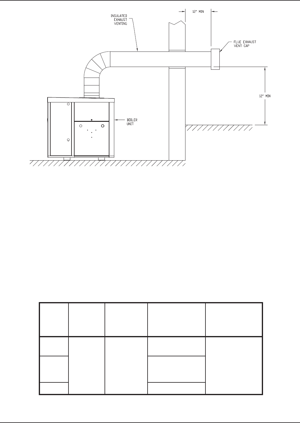
Fig. 20: Horizontal Thru-Wall Venting (Category III)
g) Any improper operation of the common venting
system should be corrected so that the installation
conforms with the latest edition of the NFGC (US)
and the B149 Installation Code (Canada). When
re-sizing any portion of the common venting sys-
tem, the common venting system should be
re-sized to approach the minimum size as deter-
mined using the appropriate tables in Appendix G
in the NFGC (US) and Appendix B of the B149
Installation Code (Canada).
Model
No.
Appliance
Category
Certified
Venting
Material
Vent Size
(inches)
Max. Venting
Length (feet)
HD101
HD151
III
Stainless
Steel
(Gas Tight)
4
100
HD201
HD251
HD301
5
HD401 6
Table L: Horizontal Thru-Wall Venting (Category III)

28
Horizontal Thru-wall Venting
System (Category III) Installation
These installations utilize the heater-mounted blower
to vent the combustion products to the outdoors.
Combustion air is taken from the space and the vent is
installed horizontally through the wall to the outdoors.
Adequate combustion and ventilation air must be sup-
plied in accordance with the NFGC or, in Canada, the
B149 Installation Code.
The total length of the horizontal thru-wall exhaust
vent system should not exceed one hundred (100) feet
in length. If horizontal run exceeds 100 feet, an appro-
priately sized extractor must be used. Each elbow
used is equal to ten (10) feet of straight pipe. This will
allow installation in one of the four following combina-
tions.
· 100’ of straight flue pipe.
· 90' of straight flue pipe and one elbow.
· 80' of straight flue pipe and two elbows.
· 70' of straight pipe and three elbows.
· 60' of straight pipe and four elbows.
The vent cap is not considered in the overall length of
the venting system. The vent must be installed to pre-
vent the flue gas leakage. Care must be taken during
assembly to ensure that all joints are sealed properly
and are airtight.
The horizontal portions of the vent shall also be sup-
ported for the design and weight of the material
employed to maintain clearances and to prevent phys-
ical damage or separation of joints.
The vent must be installed to prevent the potential
accumulation of condensate in the vent pipes. It is rec-
ommended that:
a) The vent be installed with a slight downward slope
of not more than 1/4" per foot of horizontal run to
the vent terminal.
b) The vent be insulated through the length of the
horizontal run.
For appliances installed in extreme cold climate, it is
recommended that:
a) The vent be installed with a slight upward slope of
not more than 1/4" per foot of horizontal run to the
vent terminal. In this case, an approved conden-
sate trap must be installed per applicable codes.
Horizontal Thru-wall Direct Vent
Termination
The flue exhaust direct vent cap MUST be mounted on
the exterior of the building. The direct vent cap cannot
be installed in a well or below grade. The direct vent
cap must be installed at least one (1) foot above
ground level and above normal snow levels.
Multiple direct vent caps MUST NOT be installed with
one combustion air inlet directly above a direct vent
cap. This vertical spacing would allow the flue prod-
ucts from the direct vent cap to be pulled into the
combustion air intake installed above. This type of
installation can cause non warrantable problems with
components and poor operation of the unit due to the
recirculation of flue products. Multiple direct vent caps
should be installed in the same horizontal plane with a
three (3) foot clearance from the side of one vent cap
to the side of the adjacent vent cap(s).
Combustion air supplied from outdoors must be free of
particulate and chemical contaminants. To avoid a
blocked flue condition, keep the vent cap clear of
snow, ice, leaves, debris, etc.
The flue exhaust direct vent cap must be furnished
by the heater manufacturer in accordance with its
listing. Use only the special gas vent pipes listed for
use with Category III gas burning heaters, such as the
stainless steel vent by Heat Fab Inc (800-772-0739),
Protech Systems, Inc. (800-766-3473) or Z-Flex (800-
654-5600). Pipe joints must be positively sealed.
Follow the vent manufacturers installation instructions
carefully.
WARNING: No substitutions of flue pipe or vent
cap material are allowed. Such substitutions would
jeopardize the safety and health of inhabitants.
b) The vent be insulated through the length of the
horizontal run.

29
Fig. 21: Direct Vent Horizontal Thru-Wall Venting (Category III)
Model
No.
Appliance
Category
Certified
Venting
Material
Vent Size
(inches)
Max.
Venting
Length
(feet)
Combustion
Air Intake
Pipe
Material
Air Inlet
Size
(inches)
Max. Air
Intake
Length
(feet)
HD101
HD151
III
Stainless
Steel
(Gas Tight)
4
100,
4 Elbows
Max.
Galvanized
Steel
PVC
ABS
CPVC
4 100
HD201
HD251
HD301
5
HD401 6
Table M: Horizontal Thru-Wall Venting

30
Model
No.
Appliance
Category
Certified
Venting
Material
Vent
Size
(inches)
Min./Max. Vertical
Venting Height (feet)
Combustion
Air Intake
Pipe
Material
Air Inlet
Size
(inches)
Max. Air
Intake
Length
(feet)
Min. Max.
HD101
HD151
IType B
Equivalent
4 6
25*
Galvanized
Steel
PVC
ABS
CPVC
4 100
HD201
HD251
HD301
5
(HD201) 6
(HD251) 6
(HD301) 11
HD401 6 8
Table N: Vertical Venting
Fig. 22: Direct Vent—Vertical Venting (Category I)
*Over 25 feet, use single acting barometric damper. Consult the factory for additional information.

31
Vertical Direct Vent System
Installation
These installations utilize the heater mounted blower
to draw combustion air from outdoors and uses the
natural buoyancy of the heated flue products to create
a thermal driving head that expels the exhaust gases
from the flue. The negative draft must be within the
range of -0.01 to -0.08 in. WC as measured 12 in. from
the appliance outlet to ensure proper operation. The
vent material must be in accordance with the above
instructions for vent materials. Vent material must be
listed by a nationally recognized test agency.
The maximum and minimum venting length for
Category I appliance shall be determined per the lat-
est edition of the NFGC (U.S.) and B149 Installation
Code (Canada).
The connection from the appliance exhaust vent to the
stack must be as direct as possible and should be the
same as or larger than the vent outlet. The vent must
be installed to prevent accumulation of condensate
and, where necessary, have means provided for
drainage of condensate. The horizontal breaching of a
vent must have an upward slope of not less than 1/4
inch per linear foot from the heater to the vent termi-
nal. The horizontal portions of the vent shall also be
supported for the design and weight of the material
employed to maintain clearances and to prevent phys-
ical damage or separation of joints.
Vertical Direct Vent Termination
The exhaust vent terminal should be vertical and
should terminate outside the building at least two (2)
feet above the highest point of the roof within 10 feet.
The vent cap should have a minimum clearance of
four (4) feet horizontally from and in no case above or
below (unless a four (4) foot horizontal distance is
maintained) electric meters, gas meters, regulators
and relief equipment. The distance of the vent terminal
from adjacent public walkways, adjacent buildings,
open windows and building openings must be consis-
tent with the NFGC, or in Canada, the B149
Installation Code. Gas vents supported only by flash-
ing and extended above the roof more than five feet
should be securely guyed or braced to withstand snow
and wind loads.
The vertical direct vent cap is designed for roof top
mounting only. The air inlet opening MUST be installed
one (1) foot above the roof line or above normal snow
levels that might obstruct combustion air flow. This
dimension is critical to the correct operation of the
heater and venting system and reduces the chance of
blockage from snow. The vent cap must have a mini-
mum 3 foot clearance from the air inlet opening.
Outdoor Installation
Outdoor models are self-venting when installed with
the factory-supplied vent assembly and air intake
cover and require no additional vent piping. This spe-
cial vent assembly is provided with the heater in
accordance with CSA requirements. It must be
installed directly on the heater. See the Venting sec-
tion for correct clearances.
Care must be taken when locating the outdoor unit
because the flue gases discharged from the vent
assembly can condense as they leave the assembly.
Improper location can result in damage to adjacent
structures or building finish. For maximum efficiency
and safety, the following precautions must be
observed:
a) Outdoor models must be installed outdoors and
must use the outdoor vent assembly and air intake
cover supplied by the manufacturer.
b) Periodically check venting system. The heater’s
venting areas must never be obstructed in any
way and minimum clearances must be observed
to prevent restriction of combustion and ventilation
air. Keep area clear and free of combustible and
flammable materials.
c) Do not locate adjacent to any window, door walk-
way, or gravity air intake. The vent must be located
a minimum of four (4) feet horizontally, or four (4)
feet below, or one (1) foot above such areas.
d) Install above grade level and above normal snow
levels.
e) Vent must be at least 3 feet above any forced air
inlet located within 10 feet.
f) Adjacent brick or masonry surfaces must be pro-
tected with a rust-resistant sheet metal plate.
g) Multiple Outdoor Vent installations require a four
(4) feet clearance between vent assemblies.
The vent assembly must be furnished by the
heater manufacturer in accordance with its listing.
NOTE: Condensate can freeze on the vent
assembly. Frozen condensate on the vent assembly
can result in a blocked flue condition.

Modulating Temperature
Control (Optional)
This heater can be equipped with a Raypak modulat-
ing temperature control. For operation with this control,
refer to the Temp-Tracker Installation and Operating
Instructions, Raypak Catalog number 5000.66 (P/N
241177).
High Limit (Manual Reset)
The heater is equipped with a manual reset high limit
temperature device. If the optional adjustable limit is
used, push the reset button and adjust the setting to
30°F or 40°F above desired operating temperature.
High Limit — Auto Reset
(Optional)
This heater may be equipped with an optional adjust-
able auto reset high limit temperature device.
32
CONTROLS
Ignition Control Module
The interrupted proved ignition device conserves ener-
gy. When additional heat is needed, the combustion air
blower starts to purge all air from the combustion
chamber for about 15 seconds. On proof of air flow,
the air proving switch closes and the igniter is ener-
gized, eliminating the fuel costs of maintaining a
constant pilot.
To ensure safe operation, the gas valve cannot open
until the igniter is verified as capable of igniting the
gas. The ignition module is an electronic device which
closes the main gas valve within 8/10 of a second
whenever the flame is interrupted. The main burner is
automatically lit when the device is powered and pre-
purged. The unit performs its own safety check.
WARNING: Installation, adjustment and service of
heater controls including timing of various operating
functions must be performed by a qualified installer,
service agency or the gas supplier. Failure to do so
may result in control damage, heater malfunction,
property damage, personal injury, or death.
WARNING: Turn off the power to the heater before
installation, adjustment or service of the heater
controls. Failure to do so may result in heater
malfunction, property damage, personal injury, or
death.
CAUTION: This appliance has provisions to be
connected to more than one (1) supply source. To
reduce the risk of electric shock, disconnect all such
connections before servicing.
CAUTION: Risk of electric shock. More than one
(1) disconnect switch may be required to de-
energize the equipment before servicing.
Fig. 23: Ignition Module
Fig. 25: Manual Reset High Limit
Fig. 24: Modulating Temperature Control

33
Low Water Cut Off (Optional)
The low water cut off automatically shuts down the
burner whenever water level drops below the level of
the sensing probe. A 5-second time delay prevents
premature lockout due to temporary conditions such
as power fluctuations or air pockets.
Fig. 27: Flow Switch
Fig. 29: Low Water Cut Off
Flow Switch
Dual-purpose control shuts off heater in case of pump
failure or low water flow. Mounted and wired in series
with the main gas valve.
NOTE: Flow switch will not operate if flow is less
than 12 gpm.
High and Low Gas Pressure
Switches (Optional)
The low gas pressure switch (optional) connection
mounts upstream of the gas valve to ensure that suffi-
Fig. 26: High Limit — Auto Reset (Optional)
cient gas pressure is present for proper regulator per-
formance. The low gas pressure switch automatically
shuts down the heater if gas supply drops below the
recommended setting of 4.0 in. WC for natural gas,
and 9.0 in. WC for propane gas.
The high gas pressure switch (optional) connection
mounts down-stream of the gas valve. If the gas pres-
sure regulator fails, the high gas pressure switch
automatically shuts down the burner. The high gas
pressure switch automatically shuts down the heater if
gas manifold pressure rises above the recommended
setting of 4.0 in. WC for natural gas, and 10.5 in. WC
for propane gas.
Fig. 28: Gas Pressure Switch
The optional adjustable auto reset high limit is located
behind the front panel (see Fig. 3). Adjust the setting
to approx. 20°F (10°C) above desired outlet tempera-
ture.

34
WIRING DIAGRAM—MODELS HD101–HD401

35
YES
Ste
p
9
HD101-HD401 Troubleshooting
YES
YES
NO
NO
YES YES
NO
YES
YES
NO
YES
YES
NO
NO YES
NO
Ste
p
10
YES
NO
YES
YES
NONO
YES
NO
Yes
NO YES
YES
NO
Step 1
Step 2
Step 3
Step 4
Step 5
Step 6
Step 7
Step 8
Is there a Call For Heat?
Is Disable connection intact?
Does the Pump come on?
Is 24VAC at the NO side of
the air pressure switch?
Is blower pressure setting
correct? Should beabout 0.5”
W.C. (low speed)
Does i
g
niter
p
rove?
Call our Technical Service Department
1-800-947-2975 Outside California
1-800-627-2975 Inside California
Replace low air pressure switch.
Correct the blower
shutter setting.
NO Check the switch, transformer
and/or line voltage
YES
Is temperature controller
installed?
Reattach.
NO
YES
Check and correct power
connections at main terminal
block, circuit breaker panel or
pump relay.
NO
NO
NO
Is 24VAC at PS on ignition module?
Is connecting plug secure?
NO
NO
Is the flame sensor signal to the ignition
module
g
reater than 1 Micro Am
p(µ
A
)
DC?
The unit is okay
YES
Replace HSI
NO Adjust manifold gas
pressure.
Correct wiring.
Is Amp draw during heat-
up for HSI greater than
3.1 Amps?
YES
Is there 120VAC at the pump or
pump relay contacts?
Does the unit run longer
than 10 seconds?
Is manifold gas
pressure correct?
Install.
NO
Check and correct power
connections at main terminal
block, ignition module, circuit
breaker
p
anel or blower rela
y
.
Is there120 VAC at the blower,
between the red & white leads?
NO NO
Correct inlet gas supply pressure
Does the main power switch provide
power to the green power LED?
Check safeties, I.E. Flow switch, high
limit, vent switch, thermostat, etc.
NO
Does the combustion air
blower come on?
Is the air filter or
air intake blocked?
Remove blockage
and/or replace filter
Replace gas valve
Does the air pressure
reach 0.9” W.C.?
Replace high air pressure switch
Does the unit run at least
5seconds?
Re
p
lace blowe
r
Remove blockage
and/or replace filter
Is the air filter or air
intake blocked?
Is inlet gas supply pressure
correct?
Is the polarity of incoming
power supply correct?
Correct su
pp
l
y
wirin
g
Re
p
lace Senso
r
Is sensor
p
robe
g
rounded?
Is air switch bouncing?

36
PRE-START-UP
Filling System-Heating Heaters
Fill system with water. Purge all air from the system
using purge valve sequence. After system is purged of
air, lower system pressure. Open valves for normal
system operation, fill system through feed pressure.
Manually open air vent on the compression tank until
water appears, then close vent.
Domestic Hot Water Heaters
Purge all air from system before lighting heater. This
can be normally be accomplished by opening a down-
stream valve.
Inspect Venting System:
1. Check all vent pipe connections and flue pipe
material.
2. Ensure vent terminations are installed per code
and are clear of all debris or blockage.
Pre-Start-Up Check
1. Verify heater is filled with water.
2. Check system piping for leaks. If found, repair
immediately.
3. Vent air from system. Air in system can interfere
with water circulation.
4. Purge air from gas line up to heater.
INITIAL START-UP
Tools Needed
• One 8–0–8, 16” scale manometer
• Two 6–0–6, 12” scale manometers
• 7/16” open end wrench
• 1/2” open end wrench
• Screwdriver (Standard & Phillips)
• 3/8” open end wrench
• Multi-meter
• 3/16” Allen wrench
• 3/32” Allen wrench (Honeywell or White-Rodgers
gas valve)
• 5/32” Allen wrench (Invensys gas valve)
• #10 Torx driver w/center hole (Invensys gas valve)
Preparation for Start-Up
Check Power Supply
With volt meter at incoming power check voltage
between:
Hot - Common (~120 VAC)
Hot - Ground (~120 VAC)
Common - Ground (< 1 VAC)
Attach Manometers to Measure
Pressures
• Attach 16" scale manometer to the main gas shut-
off valve supply pressure tapping.
• Attach one 12" scale manometer to the manifold
gas pressure tapping. (See gas valve detail on
page 7.)
• Attach one 12" scale manometer to the tee near
the blower housing.
NOTE: Digital manometers are not recommended.
WARNING: If Common - Ground is > 1 VAC,
STOP: Contact electrician to correct ground failure.
Failure to do this may burn out 120V-24V
transformer, or may cause other safety control
damage or failure.
Fig. 30: Check Power Source
WARNING: Do not turn on gas at this time.

37

38
Check the Gas Supply Pressure
1. Slowly turn on main gas shut-off valve.
2. Read the gas supply pressure from the manome-
ter; minimum supply pressure is 4 in. WC,
recommended supply is 7 in. WC for natural gas
(minimum 11.0 in. WC for LP gas).
3. If pressure is > 14 in. WC, turn off the valve.
4. Check if the service regulator is installed and/or
adjust the service regulator.
Start-Up
Blower Adjustment
1. A nylon tee fitting is connected with hoses in-line
with the air pressure switches. Disconnect the
plugged side and connect a manometer.
2. Close the gas valve.
3. Turn power on.
4. During startup or Lo-Fire, the air pressure should
read 0.5±0.05 in. WC. During Hi-Fire, the reading
should be between 0.9 in. WC and 1.0 in. WC. If
these are not the obvserved manometer readings,
adjust the air shutter on the blower to attain the
correct values. (See Fig. 4, air shutter adjustment,
on page 7).
5. Turn power off.
6. Reinstall rubber plug on tee.
Main Burner Adjustment
1. Turn off unit.
2. Open manual firing valve.
3. Turn on the unit, wait 15 seconds, and the igniter
should glow. There’s a sight glass to check igniter
at both ends of the heater. Gas valve should be
open after 45 seconds.
4. If burner does not light on first trial. It will retry, up
to 3 times.
5. Main burner ignition – check manifold gas pres-
sure at gas valve manifold pressure tap. (See
Table O).
6. If the pressure reading differs by more than the tol-
erance given, adjust the gas valve accordingly.
See gas valve adjustment section below for
instructions.
Gas Valve Adjustment
Honeywell Gas Valve
1. While the heater is running, remove plastic cap
located behind ON/OFF knob.
2. Locate the HI or LO screw to adjust.
3. Using a small flat screwdriver, turn clockwise to
increase and counterclockwise to decrease mani-
fold pressure. See nominal gas valve manifold
settings in Table O above.
4. Replace plastic cap when pressure is set.
White Rodgers Gas Valve
1. While the heater is running, locate the HI or LO
cap located adjacent to ON/OFF switch.
2. Remove the appropriate cap.
3. Using a flat screwdriver, turn clockwise to increase
and counterclockwise to decrease manifold pres-
sure. See nominal gas valve manifold settings
above.
4. Replace cap(s) when pressure is set.
Invensys (Model HD401 Natural
Only)
1. Turn heater off.
2. Locate and remove the Torx tamper resistant
screw. (Shown in Fig. 31)
Table O: Gas Valve Pressures
Firing
Stage Gas Valve
Gas Type
Natural
+/- 0.1"WC
LP/Propane
+/- 0.1"WC
Hi-Fire
Invensys 3.3" WC
Honeywell or
White-Rodgers 3.1" WC 9.6" WC
Lo-Fire
Invensys 1.2" WC
Honeywell or
White-Rodgers 1.4" WC 3.6" WC

39
3. Carefully remove 2-stage solenoid.
4. Skip to Step 9 for LO-fire adjustment only.
5. Locate and remove Lo-fire adjustment cap.
6. Carefully remove the spring & weight.
7. Using an allen wrench, turn clockwise to increase
and counterclockwise to decrease the HI-fire man-
ifold pressure. Heater will not run while adjusting
HI-fire pressure.
8. Carefully place the spring & weight back in before
replacing LO-fire adjustment cap.
9. For LO-fire adjustment, tighten the cap to increase
the pressure, loosen to decrease.
10. When correct settings are set, replace the sole-
noid and tamper screw in place.
Gas Type Conversion on Valve
1. Turn off gas supply at the appliance service level.
2. Remove the pressure regulator cover assembly.
3. Remove the existing stem/spring assembly.
4. Insert the replacement stem/spring assembly.
5. Replace the pressure regulator cover assembly
and tighten screws.
6. Mount conversion labels on the gas valve.
Safety Inspection
• Replace main gas manifold adjustment screw cap.
• Check all thermostats and high limit settings.
• During the following safety checks leave manome-
ters hooked up, check and record.
• If other gas fired equipment are in the room and on
same gas main check all pressures on the Hi Delta
SS with all other equipment running.
• Check thermostats for ON/OFF operation.
• Check High limits for ON/OFF operation.
• While in operation, check flow switch operation.
• Check the low gas pressure switches (For proper
adjustment, if available, use the attached
manometers to set pressure. The scales on the
switch are approximate only); Low gas pressure
switch (optional) must be set at 3.5 in. WC for nat-
ural gas and 10.5 in. WC for LP gas.
• High gas pressure switch (optional) at 1 in. WC
above manifold pressure.
• Insert ignition control lockout tests as safety
check.
Fig. 31: Gas Valve Adjustment (Invensys Valve)
Fig. 32: Gas Type Conversion on Honeywell Valve
WARNING: Burner orifices must be changed when
changing gas type.
NOTE: Model HD401 requires replacement of
valve.

40
Follow-Up
•Safety checks must be recorded as performed.
• Turn unit on.
After main burner ignition:
• Check Manometer(s) for proper reading(s).
• Cycle unit several times and recheck readings.
• Re-analyze with unit running record or print
results.
• Remove all Manometers and replace hose,
replace all gas pressure caps.
• Check for gas leaks one more time.
POST START-UP CHECK
Check off steps as completed:
1. Heater and heat distribution units or storage tank
filled with water?
2. Automatic air vent, if used, open two full turns dur-
ing venting procedure?
3. Air purged from system?
4. Air purged from gas piping? Piping checked for
leaks?
5. Followed start-up procedure for proper start-up?
6. Is burner flame visible?
7. Test safety controls: If heater is equipped with a
low water cut-off or additional safety controls, test
for operation as outlined by manufacturer. Burner
should be operating and should go off when con-
trols are tested. When safety devices are restored,
burners should reignite after pre-purge time delay.
8. Test limit control: While burner is operating, move
indicator on high limit control below actual heater
water temperature. Burner should go off while
blower and circulator continue to operate. Raise
setting on limit control above heater water temper-
ature and burner should reignite after pre-purge
time delay. NOTE: This test doesn’t apply to fixed
setting high limits.
9. Test ignition system safety device:
· Turn on manual gas valve. Turn power on.
· Set thermostat to call for heat.
·When the unit is in operation. Disconnect
combustion air blower pressure switch, burner
should go off immediately.
· Wait 5 minutes.
·Reconnect combustion air pressure switch,
burner should reignite after pre-purge time
delay.
10. To restart system, follow lighting instructions in the
Operation section.
11. High limit control set to design temperature
requirements of system? For multiple zones: flow
adjusted as required in each zone?
12. Heater cycled with thermostat? Raise to highest
setting and verify heater goes through normal
start-up cycle. Reduce to lowest setting and verify
heater goes off.
13. Observed several operating cycles for proper
operation?
14. Set room thermostat or tankstat to desired temper-
ature?
15. Reviewed all instructions shipped with this heater
with owner or maintenance person, returned to
envelope and given to owner?
Air Filter Inspection/Removal
1. Turn power off.
2. Locate the Air Filter panel below the air intake
duct.
Fig. 33: Locate the Air Filter Panel

41
3. Remove the (4) screws holding the panel in place.
4. Pull the air filter out for inspection. Replace if nec-
essary.
5. When replacing, note the direction of the air flow
defined on the side of the filter. The arrow should
be pointing downward.
6. Replace the panel and screws before operating.
Fig. 34: Remove the Screws and Panel
Fig. 35: Inspect the Air Filter
Heat Exchanger Removal
Refer to Fig. 36 for the following procedure.
1. Before beginning, make sure the heater is cool to
the touch. Shut water, gas and electricity off, close
valves and relieve pressure, then remove the relief
valve. Remove side inspection panels.
2. Remove screw behind inspection panels holding
the jacket top down.
3. Remove the front panel. Remove two additional
screws holding the jacket top to the top support.
4. Disconnect vent pipe from the flue exhaust and set
aside.
5. Remove jacket top, then disconnect vent switch
hose.
6. Remove two rows of screws holding the flue col-
lector to the combustion chamber. Remove two
additional screws located on the front combustion
panel. Cut any silicone holding the flue collector
and heat exchanger in place.
7. Carefully lift and remove the flue collector.
8. Lift heat exchanger straight up being careful not to
damage the refractory.
9. Reverse the above procedure to re-install. Make
sure sufficient high temperature silicone sealant
(RTV) is placed along the vertical sides of the tube
sheet and flue collector.

heater operating efficiency. Maintenance as outlined
below may be performed by the owner.
Yearly (Beginning of each heating
season):
1. Annual service call by qualified service agency.
42
MAINTENANCE
Suggested Minimum
Maintenance Schedule:
Regular service by a qualified service agency and
maintenance must be performed to ensure maximum
JACKET TOP
REMOVAL
FLUE COLLECTOR
REMOVAL
ACCESS
PANEL
REMOVAL
ACCESS
PANEL
REMOVAL
Fig. 36: Heat Exchanger Removal

43
2. Visually check top of vent for soot. Call service
person to clean. Some sediment at bottom of vent
is normal.
3. Visually inspect venting system for proper func-
tion, deterioration or leakage.
4. Check that heater area is free from combustible
materials, gasoline, and other flammable vapors
and liquids.
5. Check for and remove any obstruction to the flow
of combustion or ventilation air to heater.
6. Follow pre-start-up check in the Initial Start-up
section.
7. Visually inspect burner flame. Should see light
blue flame. Visually inspect hot surface igniter for
damage, cracking or debris build-up.
8. Check operation of safety devices. Refer to manu-
facturer’s instructions.
9. Follow oil-lubricating instructions on circulator (if
required). Over-oiling will damage circulator.
Water-lubricated circulators do not need oiling.
10. To avoid potential of severe burn, DO NOT REST
HANDS ON OR GRASP PIPES. Use a light touch
- return piping will heat up quickly.
11. Check blower and blower motor. Clean and oil as
necessary.
12. Check for piping leaks around circulators, relief
valves and other fittings. Repair, if found. DO NOT
use petroleum based stop leak.
13. Check air filter and replace if necessary.
Daily:
1. Check that heater area is free from combustible
materials, gasoline, and other flammable vapors
and liquids.
2. Check for and remove any obstruction to the flow
of combustion or ventilation air to heater.
Monthly:
1. Check for piping leaks around circulators, mixing
valves, relief valves, and other fittings. If found,
repair at once. DO NOT use petroleum-based stop
leak compounds.
2. Visually inspect burner flame.
3. Visually inspect venting system for proper func-
tion, deterioration or leakage.
4. Check air vents for leakage.
Quarterly:
1. Check relief valve. Refer to manufacturer’s
instructions on valve.
2. Test low water cut-off, if used. Refer to manufac-
turer’s instructions.
3. Check the air filter; replace if necessary.
APPENDIX
Inside Combustion Air
Contamination:
All heaters experience some condensation during
start-up. The condensate from flue gas is slightly
acidic. In most cases the pH level is not harmful to
vents or drains. When combustion air is contaminated
by vapors from products in areas listed below, the
acidic levels in the condensate increase. Higher acidic
levels attack many materials, including stainless steel
commonly used in high efficiency systems.
The heater can use special corrosion-resistant non-
metallic intake vent material. You may, however,
choose to use outside combustion air for one or more
of these reasons:
• installation is in an area containing contaminants
listed below which will induce acidic condensation.
• you want to reduce infiltration into your building
through openings around windows and doors.
• you are using AL29-4C stainless steel vent pipe,
which is more corrosion-resistant than standard
metallic vent pipe. In extremely contaminated
areas, this may also experience deterioration.
Products causing contaminated combustion air:
• spray cans containing chloro/fluorocarbons
• permanent wave solutions
• chlorinated waxes/cleaners
• chlorine-based swimming pool chemicals
• calcium chloride used for thawing
• sodium chloride used for water softening
• refrigerant leaks
• paint or varnish removers

44
• hydrochloric acid/muriatic acid
• cements and glues
• antistatic fabric softeners used in clothes dryers
• chloride-type bleaches, detergents, and cleaning
solvents found in household laundry rooms
• adhesives used to fasten building products
• ... and other similar products.
Areas causing contaminated combustion air:
• dry cleaning/laundry areas and establishments
• metal fabrication plants
• beauty shops
• refrigeration repair shops
• photo processing plants
• auto body shops
• plastic manufacturing plants
• furniture refinishing areas and establishments
• new building construction
• remodeling areas.
Check for areas and products as listed above before
installing heater. If found:
• remove products permanently, OR
• provide outdoor combustion air.

45
(b) EXEMPTIONS: The following equipment is exempt from
248 CMR 5.08(2)(a)1 through 4:
1. The equipment listed in Chapter 10 entitled "Equipment
Not Required To Be Vented" in the most current edition of
NFPA 54 as adopted by the Board; and
2. Product Approved side wall horizontally vented gas fueled
equipment installed in a room or structure separate from the
dwelling, building or structure used in whole or in part for res-
idential purposes.
(c) MANUFACTURER REQUIREMENTS - GAS EQUIP-
MENT VENTING SYSTEM PROVIDED. When the
manufacturer of Product Approved side wall horizontally
vented gas equipment provides a venting system design or
venting system components with the equipment, the instruc-
tions provided by the manufacturer for installation of the
equipment and the venting system shall include:
1. Detailed instructions for the installation of the venting sys-
tem design or the venting system components; and
2. A complete parts list for the venting system design or vent-
ing system.
(d) MANUFACTURER REQUIREMENTS - GAS EQUIP-
MENT VENTING SYSTEM NOT PROVIDED. When the
manufacturer of a Product Approved side wall horizontally
vented gas fueled equipment does not provide the parts for
venting the flue gases, but identifies "special venting sys-
tems", the following requirements shall be satisfied by the
manufacturer:
1. The referenced "special venting system" instructions shall
be included with the appliance or equipment installation
instructions; and
2. The "special venting systems" shall be Product Approved
by the Board, and the instructions for that system shall
include a parts list and detailed installation instructions.
(e) A copy of all installation instructions for all Product
Approved side wall horizontally vented gas fueled equip-
ment, all venting instructions, all parts lists for venting
instructions, and/or all venting design instructions shall
remain with the appliance or equipment at the completion of
the installation.
GAS PRESSURE SUPERVISION
The Commonwealth of Massachusetts requires listed high
and low gas pressure switches (manual reset) for any model
with a maximum firing input greater than 1,000,000 Btu/Hr in
accordance with 248 CMR 7.04(11)(d).
A gas pressure regulator (field supplied) is required in the
gas train ahead of the heater, for heaters having input rates
greater than 1,000,000 Btu/Hr, in accordance with 248 CMR
7.04 Figure 3B requirements.
The Commonwealth of Massachusetts requires compliance
with regulation 248 CMR 4.00 and 5.00 for installation of
through – the – wall vented gas appliances as follows:
(a) For all side wall horizontally vented gas fueled equipment
installed in every dwelling, building or structure used in
whole or in part for residential purposes, including those
owned or operated by the Commonwealth and where the
side wall exhaust vent termination is less than seven (7) feet
above finished grade in the area of the venting, including but
not limited to decks and porches, the following requirements
shall be satisfied:
1. INSTALLATION OF CARBON MONOXIDE DETECTORS.
At the time of installation of the side wall horizontal vented
gas fueled equipment, the installing plumber or gasfitter shall
observe that a hard wired carbon monoxide detector with an
alarm and battery back-up is installed on the floor level
where the gas equipment is to be installed. In addition, the
installing plumber or gasfitter shall observe that a battery
operated or hard wired carbon monoxide detector with an
alarm is installed on each additional level of the dwelling,
building or structure served by the side wall horizontal vent-
ed gas fueled equipment. It shall be the responsibility of the
property owner to secure the services of qualified licensed
professionals for the installation of hard wired carbon
monoxide detectors
a. In the event that the side wall horizontally vented gas
fueled equipment is installed in a crawl space or an attic, the
hard wired carbon monoxide detector with alarm and battery
back-up may be installed on the next adjacent floor level.
b. In the event that the requirements of this subdivision can
not be met at the time of completion of installation, the owner
shall have a period of thirty (30) days to comply with the
above requirements; provided, however, that during said
thirty (30) day period, a battery operated carbon monoxide
detector with an alarm shall be installed.
2. APPROVED CARBON MONOXIDE DETECTORS. Each
carbon monoxide detector as required in accordance with
the above provisions shall comply with NFPA 720 and be
ANSI/UL 2034 listed and IAS certified.
3. SIGNAGE. A metal or plastic identification plate shall be
permanently mounted to the exterior of the building at a min-
imum height of eight (8) feet above grade directly in line with
the exhaust vent terminal for the horizontally vented gas
fueled heating appliance or equipment. The sign shall read,
in print size no less than one-half (1/2) inch in size, "GAS
VENT DIRECTLY BELOW. KEEP CLEAR OF ALL
OBSTRUCTIONS".
4. INSPECTION. The state or local gas inspector of the side
wall horizontally vented gas fueled equipment shall not
approve the installation unless, upon inspection, the inspec-
tor observes carbon monoxide detectors and signage
installed in accordance with the provisions of 248 CMR
5.08(2)(a)1 through 4.
Important Instructions for the Commonwealth of Massachusetts

46
NOTES:
_____________________________________________________________________________________________
_____________________________________________________________________________________________
_____________________________________________________________________________________________
_____________________________________________________________________________________________
_____________________________________________________________________________________________
_____________________________________________________________________________________________
_____________________________________________________________________________________________
_____________________________________________________________________________________________
_____________________________________________________________________________________________
_____________________________________________________________________________________________
_____________________________________________________________________________________________
_____________________________________________________________________________________________
_____________________________________________________________________________________________
_____________________________________________________________________________________________
_____________________________________________________________________________________________
_____________________________________________________________________________________________
_____________________________________________________________________________________________
_____________________________________________________________________________________________
_____________________________________________________________________________________________
_____________________________________________________________________________________________
_____________________________________________________________________________________________
_____________________________________________________________________________________________
_____________________________________________________________________________________________
_____________________________________________________________________________________________
_____________________________________________________________________________________________
47

www.raypak.com
Raypak, Inc., 2151 Eastman Avenue, Oxnard, CA 93030 (805) 278-5300 Fax (805) 278-5468
Litho in U.S.A.