Raypak Versa 155C Users Manual 6000.50 (Versa 155).p65
155C to the manual 50fc79a0-7d9d-402d-ad6f-9568d1980481
2015-02-02
: Raypak Raypak-Versa-155C-Users-Manual-443608 raypak-versa-155c-users-manual-443608 raypak pdf
Open the PDF directly: View PDF
.
Page Count: 35

Part No. 240472
CATALOG NO. 6000.50-N
Effective: 03-01-01
Replaces: 05-15-00
®
OPERATING AND
INSTALLATION
INSTRUCTIONS
Models
155C
VERSA
SWIMMING POOL
and
SPA HEATER
This manual should be maintained in legible condition and kept adjacent to the
heater or kept in a safe place for future reference.
WARNING: If the information in these instructions are not followed exactly, a fire or
explosion may result causing property damage, personal injury or death.
—WHAT TO DO IF YOU SMELL GAS
• Do not try to light any appliance.
• Do not touch any electrical switch; do not use any phone in your building.
• Immediately call your gas supplier from a neighbor's phone. Follow the gas
supplier's instructions.
• If you cannot reach your gas supplier, call the fire department.
—Installation and service must be performed by a qualified installer, service agency or
the gas supplier.
—Do not store or use gasoline or other flammable vapors and liquids in the vicinity of
this or any other appliance.

2
3 PART ONE - Owner's Operating Instructions
3 SECTION 1 / START-UP PROCEDURES
3 Before Start-Up
4 Lighting Instructions & Shut-Off Procedures
(Manually Lighted Pilot MV)
5 Operating Instructions & Shut-Off Procedures
(Automatically Lighted Pilots IID)
6 After Start-Up
6 SECTION 2 / CAUTION
7 SECTION 3 / MAINTENANCE & CARE PROCEDURES
7 Pool & Spa Water Chemistry
8 Cold Weather Operation
8 Winterizing The Pool And Spa Heater
9 PART TWO - INSTALLATION/SERVICE
INSTRUCTIONS
9 SECTION 1 / RECEIVING EQUIPMENT
9 SECTION 2 / GENERAL SPECIFICATIONS
9 SECTION 3 / INSTALLATION INSTRUCTIONS
7 Code Requirements
9 Base Installation
10 Clearances
12 Combustion Air
12 Venting Connections
14 Gas Supply Connections
15 Plumbing For Water Connections
17 Electrical Wiring
21 SECTION 4 / SERVICING INSTRUCTIONS
21 General Location Of Controls
21 Control Adjustments / Replacements
22 Pressure Switch
22 High Limit Removal
22 Flame Roll-Out Safety Switch
23 Pilot Safety (MV Units)
23 Pilot Safety (IID Units)
23 Gas Valve Removal
23 Main Burner & Orifice Removal
23 Pilot Removal & Cleaning
24 Heat Exchanger Removal
24 Control Immersion Well Replacement
24 Tube Cleaning Procedure (Typical)
25 Tube Replacement Procedure
25 Desooting Procedure
25 Combustion Chamber Removal
26 SECTION 5 / TROUBLESHOOTING GUIDE
26 Mechanical
28 Electrical IID Units
30 SECTION 6 / REPLACEMENT PARTS
CONTENTS

3
PART ONE - OWNER'S OPERATING INSTRUCTIONS
FOR YOUR SAFETY - READ BEFORE OPERATING
WARNING: IF YOU DO NOT FOLLOW THESE
INSTRUCTIONS EXACTLY, A FIRE OR
EXPLOSION MAY RESULT, CAUSING
PROPERTY DAMAGE, PERSONAL INJURY OR
LOSS OF LIFE.
SECTION 1 / START-UP PROCEDURES
BEFORE START-UP
BURNERS
Clean main burners and air louvers of dust, lint and
debris. Keep heater area clear and free from com-
bustibles, flammable liquids and chemicals. Do not
obstruct the flow of combustion and ventilating air.
Fig. # 8111.0
WATER
Water must be flowing through the heater during
operation. Insure that system is filled with water and
have pump operating.

4
TO TURN OFF GAS TO APPLIANCE
LIGHTING INSTRUCTIONS AND SHUT-OFF PROCEDURES
MANUALLY LIGHTED PILOTS
MILLIVOLT SYSTEM
A. This appliance has a pilot that must be lighted
by hand. When lighting the pilot, follow these
instructions exactly.
B. BEFORE LIGHTING smell all around the
appliance area for gas. Be sure to smell next to
the floor because some gas is heavier than air
and will settle on the floor.
WHAT TO DO IF YOU SMELL GAS:
*Do not try to light any appliance.
*Do not touch any electric switch; do not use any
phone in your building.
*Immediately call your gas supplier from a
neighbor's phone. Follow the gas suppliers' in-
structions.
Robertshaw Pilot Honeywell Pilot
GAS CONTROL KNOBS SHOWN IN "OFF"
POSITION.
Honeywell Gas Valve
Millivolt
Robertshaw Gas Valve
Millivolt
LIGHTING INSTRUCTIONS
CAUTION: Propane gas is heavier than air and will settle on the ground. Since propane can accumulate
in confined areas, extra care should be exercised when lighting propane heaters.
Fig. #8045.1 Fig. #8083.0
Fig. #8081.0 Fig. #8079.0
*If you cannot reach your gas supplier, call the
fire department.
C. Use only your hand to push in or turn the gas
control knob. Never use tools. If the knob will not
push in or turn by hand, do not try to repair it.
Call qualified service technician. Force or
attempted repair may result in a fire or explosion.
D. Do not use this appliance if any part has been
under water. Immediately call a qualified service
technician to inspect the appliance and to re-
place any part of the control system and any gas
control which has been underwater.
1. STOP! Read the safety information above.
2. Set the thermostat on the lowest setting.
3. Turn On/Off switch to the "Off" position.
4. Remove heater door panel.
5. Push in gas control knob slightly and turn
clockwise to "Off".
NOTE: Knob cannot be turned from "Pilot" to "Off"
unless knob is pushed in slightly. Do not
force.
6. Wait 5 minutes to clear out any gas. If you
then smell gas, STOP! Follow "B" in the
safety information above. If you don't smell
gas, go to the next step .
7. Locate pilot mounted on the right side panel
of the burner drawer. For burner drawer
location, see location of control section,
page 22.
8. Turn knob on gas control counter-clockwise
to "Pilot".
9. Push in control knob all the way and hold it
in. Immediately place flame to end of pilot
tube to light pilot. Continue to hold control
knob in for about 1 minute after the pilot is
lighted, release knob and it will pop back up.
Pilot should remain lighted. If it goes out,
repeat steps 5 through 9.
*If knob does not pop up when released,
stop and immediately call your service
technician or gas supplier.
*If the pilot does not stay lit after several
tries, turn the gas control knob to "Off" and
call your service technician or gas supplier.
10. Stand to the side of the heater and turn the
gas control knob counter-clockwise
to "On".
11. Replace heater door panel.
12. Turn On/Off switch to the "On" position.
13. Set thermostat to the desired setting.
1. Set the thermostat to the lowest setting.
2. Turn On/Off switch to the "Off" position.
3. Remove heater door panel.
4. Push the gas control knob slightly and turn
clockwise to "Off". Do not force.
5. Replace heater door panel.

OPERATING INSTRUCTIONS AND SHUT-OFF PROCEDURES
AUTOMATICALLY LIGHTED PILOTS
ELECTRONIC IGNITION SYSTEMS
A. This appliance is equipped with an ignition
device which automatically lights the pilot. Do
not try to light the pilot by hand.
B. BEFORE OPERATING, smell all around the appli-
ance area for gas. Be sure to smell next to the floor
because some gas is heavier than air and will
settle on the floor.
WHAT TO DO IF YOU SMELL GAS:
*Do not try to light any appliance.
*Do not touch any electric switch; do not use
any phone in your building.
*Immediately call your gas supplier from a
neighbor's phone. Follow the gas supplier's
instructions.
*If you cannot reach your gas supplier, call the
fire department.
C. Use only your hand to push in or turn the gas
control knob. Never use tools. If the knob will
not push in or turn by hand, don't try to repair it;
call a qualified service technician. Force or
attempted repair may result in fire or explosion.
D. Do not use this appliance if any part has been
underwater. Immediately call a qualified service
technician to inspect the appliance and to
replace any part of the control system and any
gas control which has been underwater.
OPERATING INSTRUCTIONS
1. STOP! Read the safety information above.
2. Set the thermostat to the lowest setting.
3. Turn off all electric power to the appliance.
4. This appliance is equipped with an ignition
device which automatically lights the pilot.
Do not try to light the pilot by hand.
5. Remove heater door panel.
6. For Honeywell valve: Push in gas control
knob slightly and turn clockwise to
"Off". Knob cannot be turned to "Off" unless it
is pushed in slightly. Do not force.
For Robertshaw valve: Push in and move
gas control lever counter-clockwise
to "OFF" position.
7. Wait 5 minutes to clear out any gas. If you
then smell gas, STOP! Follow "B" in the
safety information previously stated. If you
don't smell gas, go to the next step.
8. Turn gas control knob counter-clockwise
to "On" (Honeywell).
Move gas control lever clockwise
to "ON" position (Robertshaw).
9. Replace heater door panel.
10. Turn on all electrical power to appliance.
11. Set thermostat to desired setting.
12. If the appliance will not operate, follow the in-
structions "To Turn Off Gas To Appliance"
and call your service technician or gas
supplier.
TO TURN OFF GAS TO APPLIANCE
Robertshaw
Gas Valve
IID
5
CAUTION: Propane gas is heavier than air and will settle on the ground. Since propane can accumulate
in confined areas, extra care should be exercised when lighting propane heaters.
Fig. # 8082.0
1. Set the thermostat at the lowest setting.
2. Turn off all the electric power to the appli-
ance if service is to be performed.
3. Remove heater door panel.
4. For Honeywell valve: Push in gas control
knob slightly and turn clockwise to
"Off".
For Robertshaw valve: Push in and move
gas control lever counter-clockwise
to "OFF" postion.
5. Replace heater door panel.
GAS CONTROL
LEVER SHOWN
IN "OFF" POSI-
TION
GAS INLET
GAS CONTROL KNOBS
SHOWN IN "ON" POSITION
Honeywell
Gas Valve
IID

6
SECTION 2 / CAUTION
Elevated water temperature can be hazardous, and the
U.S. Consumer Product Safety Commission recom-
mends the following guidelines:
1. Spa or hot tub water temperatures should
never exceed 104°F (40°C). A temperature
of 100°F(38°C) is considered safe for a
healthy adult. Special caution is suggested
for young children.
2. Drinking of alcoholic beverages before or
during spa or hot tub use can cause drowsi-
ness which could lead to unconsciousness
and subsequently result in drowning.
3. Pregnant Women Beware! Soaking in water
over 102° F (39°C) can cause fetal damage
during the first three months of pregnancy,
(resulting in the birth of a brain damaged or
deformed child). Pregnant women should
stick to the 100°F (38°C) maximum rule.
4. Before entering the spa or hot tub, users
should check the water temperature with an
accurate thermometer; spa or hot tub,
thermostats may err in regulating water
temperatures by as much as 4°F (2.2°C).
5. Persons with a medical history of heart
disease, circulatory problems, diabetes, or
blood pressure problems should obtain a
physician's advice before using pools or hot
tubs.
6. Persons taking medications which induce
drowsiness, such as tranquilizers, antihista-
mines, or anticoagulants, should not use
spas or hot tubs.
Pressure
Switch
Location
Fig. # 8110.1
AFTER START-UP
Feel the inlet and outlet pipes. Outlet pipe should be
only slightly warmer than the inlet. It should not be hot.
WARNING: Should overheating occur or the gas
supply fail to shut off, turn off the manual gas
control valve to the appliance.
VISUAL INSPECTION
With the heater on, remove the door and make a
visual check of the pilot and burner. The flame should
be blue with a well-defined pattern.
MAIN BURNER FLAME
Fig. # 8964
PILOT BURNER FLAME
A yellow or "floating" flame indicates restricted air
openings or incorrect orifice size. Should this occur,
shut the heater off and contact your installer or gas
supplier.
WATER PRESSURE SWITCH
A water pressure switch is provided in the heater to
shut off the burners in the event that water supply to the
heater is interrupted. It is very important to verify that
the switch electrically opens and shuts off the gas valve
when water flow to the heater is interrupted. Other-
wise, rapid and severe damage will likely occur to the
heater. (The water pressure switch should be checked
and adjusted for proper operation by a qualified service
person at the time of installation and periodically
checked thereafter. Refer to pressure switch servicing
instruction in Section 4 of this manual).
WARNING: Operation of the heater without water
circulation will cause rapid and severe damage to the
heater.

7
SECTION 3 / MAINTENANCE AND CARE PROCEDURES
4. Your pump strainer basket may be full. If so
remove debris.
5. Your filter may be dirty. If so, backwash or
clean filter. (To tell if your filter is dirty, the
gauge pressure will be higher than usual).
6. The pump may have lost it's prime. It may
be running dry, check the pressure gauge
on the filter. If there is no pressure; then
you are not moving water (or your gauge is
broken). Try to get the pump to run at it's
normal flow rate.
POOL & SPA WATER CHEMISTRY
Chemical imbalance can cause severe damage to
your heater and associated equipment. Maintain your
water pH between 7.4 and 7.8 and total alkalinity
between 100 and 150 p.p.m. If the mineral content and
dissolved solids in the water become too high, scale
forms inside the heat exchanger tubes, reducing
heater efficiency and also damaging the heater. If the
pH drops below 7.2, the heater will be severely dam-
aged. This will result in corrosion of the heat ex-
changer. Heat exchanger damage resulting from
chemical imbalance is not covered by the warranty.
AUTOMATIC CHLORINATORS AND CHEMICAL
FEEDERS
All chemicals must be introduced and completely
diluted into the pool or spa water before being circu-
lated through the heater. Do not place chlorine tablets
or bromine sticks in the skimmer. High chemical
concentrations will result when the pump is not running
(i.e. overnight).
Chlorinators must feed downstream of the heater
and have an anti-siphoning device to prevent chemical
back-up into the heater when the pump is shut off.
NOTE: High chemical concentrates from feeders and
chlorinators that are out of adjustment will cause very
rapid corrosion to the heat exchanger in the heaters.
Such damage is not covered under the warranty.
To be followed one month after start-up and then
semi-annually.
1. Inspect top of heater and draft hood for soot,
(a sticky black substance around finned
tubes and "V" baffles), and open flue gas
passageways.
CAUTION: Soot may be combustible. Wet sooted
surfaces completely prior to cleaning. Do not use steel
wire brush.
2. Clean main burners and pilot burner of dust
and lint.
3. Inspect and operate all controls, gas valve
and pressure relief valve.
4. Make a visual check of the burner and pilot
flame. Flame pattern on the main burner and
pilot is indicated in the previous illustration.
Yellow flame means restriction of the air
openings. Lifting or blowing flame indicates
high gas pressure. Low flame means low
gas pressure. Should this occur, shut the
heater off and contact your gas supplier or
qualified service agency.
5. On indoor heaters, clean room intake open-
ings to assure adequate flow of combustion
and ventilation air.
CAUTION: Combustion air must not be contaminated
by corrosive chemical fumes which can damage the
heater and void the warranty.
6. Keep area around heater clear and free from
combustible materials, gasoline and other
flammable and corrosive vapors and liquids.
BASIC TIPS IF HEATER WILL NOT FIRE:
1. If you have no electrical power; it may be
your "circuit breakers" have tripped. Try
re-setting them.
2. If you have electrical power but the heater
will not fire
check the following:
3. The time clock must be moved to the "ON"
position.

COLD WEATHER OPERATION
MODERATE CLIMATE: Heater operation can con-
tinue during short term cold spells. When temperatures
are below freezing flow, (continuous pump operation)
must be maintained.
CAUTION: Do not use the heater to maintain water
temperatures just above freezing or for freeze protec-
tion. When heaters are used during freezing weather,
care must be taken to avoid freeze ups. Continuous
pump operation is a must. Additional protection may be
required. The heater is not warranted against freeze
ups.
COLD CLIMATE: Prolonged operation with water
temperatures below 50°F is not recommended. When
starting the heater with pool temperatures below 50°F,
operate the heater continuously until higher tempera-
tures are reached. Operating the heater for prolonged
periods with pool water below 50° can seriously dam-
age the heater, and is not covered by the warranty. For
cold climate areas please follow the winterizing proce-
dures listed .
WINTERIZING THE POOL & SPA HEATER
When heaters installed outdoors in freezing climate
areas are to be shut down for the winter, observe the
following step-by-step procedure:
1. Turn off gas valve, manual gas valve, and electri-
cal supply to the heater.
2. Open drain cock located on the inlet/outlet header,
(under water pipes). Tilt heater to completely
drain all the water from the heat exchanger.
PRESSURE SWITCH
COMPRESSION FITTING
RETURN HEADER
Fig. # 8955
3. Disconnect compression fittings from the pressure
switch and return header that connects to the 1/4"
copper tube and allow the tube to drain.
8

9
PART 2 - INSTALLATION / SERVICE INSTRUCTIONS
SECTION 1 / RECEIVING EQUIPMENT
On receipt of your equipment it is suggested that
you visually check for external damage to the carton. If
the carton is damaged, a note should be made on the Bill
of Lading when signing for equipment. Remove the
heater from the carton and if it is damaged, report the
damage to the carrier immediately.
On occasion, we ship some items loose. Be sure
that you receive the number of packages indicated on
the Bill of Lading.
When ordering parts, you must specify model and
serial number of the heater. When ordering under
warranty conditions, you must also specify date of
installation.
Raypak recommends that this manual be reviewed
thoroughly before installing your Raypak pool/spa
heater. If there are any questions that this manual does
not answer, please contact the factory or your local
Raypak Representative.
SECTION 2 / GENERAL
SPECIFICATIONS
These heaters are design certified and tested under
the requirements of ANSI Z21.56/CSA 4.7 American
National Standard/CSA Standard for gas fired pool
heaters.
The heater is interchangeable and can be used either
indoor or outdoors. The appropriate top designated for
that type of use is required. If desired, the top can be
changed at a later date to change from outdoor to indoor
or vice versa. Millivolt heaters contain a self-generating
electrical system operating between .25 and .75 volts.
AMBIENT TEMPERATURE RATING OF
HEATER COMPONENTS
Millivolt Heater with Honeywell Gas Valve
+32°F to +175°F
Millivolt Heater with Robertshaw Gas Valve
0°F to +175°F
Electronic Ignition Heater *
-32°F to + 175°F
* Requires 120V or 240V Power Supply
Rated inputs suitable for up to 2000 feet eleva-
tion. For elevations above 2000 feet, reduce input 4% for
each 1000 feet above sea level, as high elevation reduces
combustion performance.
SECTION 3 / INSTALLATION
INSTRUCTIONS
IMPORTANT NOTICE
These instructions are intended for the use of
qualified personnel only, specifically trained and expe-
rienced in the installation of this type of heating equip-
ment and related system components. Installation and
service personnel may be required by some states to be
licensed. If your state is such, be sure your contractor
bears the appropriate license. Persons not qualified
shall not attempt to fix this equipment nor attempt
repairs according to these instructions.
WARNING: Improper installation, adjustment, altera-
tion, service or maintenance may damage the equip-
ment, create a hazard resulting in asphyxiation, explo-
sion or fire, and will void the warranty.
CODE REQUIREMENTS
NOTE: The heater should not be located in an area
where possible water leakage will result in damage to
the area adjacent to the appliance or to the structure.
When such locations cannot be avoided, it is recom-
mended that a suitable drain pan, adequately drained,
be installed under the appliance. The pan must not
restrict combustion air flow.
Installation must be in accordance with local codes,
or, in the absence of local codes, with the latest edition
of the National Fuel Gas Code, ANSI Z223.1, and the
National Electrical Code, ANSI/NFPA 70.
BASE INSTALLATION
Heater must be mounted on a level base, such as
cement slab, cement blocks or another non-combus-
tible surface. An optional non-combustible base is avail-
able for all models. An alternate method for providing
a base for combustible floors is illustrated. Heaters may
not be installed on carpeting.
ALTERNATE METHOD FOR PROVIDING A
NON-COMBUSTIBLE BASE
12"
Minimu
m
12"
M
inimum
4"
Minimum
HEATER
Sheet Metal
24 Gauge
Fig. # 8148.1
Hollow concrete cinder block,
align holes and leave ends open.

10
CLEARANCES
WARNING: The heater shall not be located in an area where water sprinklers, or other devices, may cause water
to spray through the cabinet louvers and into the heater. This could cause heavy internal rusting or damage some
electrical components, and this would void the warranty.
ALL HEATERS
For clearances from combustible surfaces, see the following chart.
CLEARANCES FROM COMBUSTIBLE CONSTRUCTION
INDOOR INSTALLATION OUTDOOR INSTALLATION
Top*(Drafthood) - 42" Right Side - 6" Top *(Stackless Top or Outdoor Stack) - Unobstructed
Vent - 6" Left Side - 12" Back - 12"
Back-12" Front - Alcove Sides - 6"
*Clearance from Top of Vent Terminal.
For servicing, provide at least 24" in front of the heater for burner tray removal, and at least 18" on the back of the
heater to inspect and delime the heat exchanger.
OUTDOOR HEATERS
These heaters are design certified for outdoor installation, when equipped with the approved tops designated
for outdoor use.
WARNING: Do not install within 3 feet of a Heat Pump or an outdoor condensing unit. Strong air intake from
this equipment can disturb the combustion process and cause damage or personal injury.
Fig# 8116
HEATER WITH OUTDOOR
STACKLESS TOP

11
Heaters must not be installed under an overhang of less than three (3) feet from the top of heater. Three (3)
sides must be open in the area under the overhang. Roof water drainage must be diverted away from the heaters
installed under overhangs with the use of gutters:
The point from where the flue products exit the heater must be a minimum of four (4) feet below, four (4) feet
horizontally from or one (1) foot above any door, window or gravity inlet to a building. The top surface of the heater
shall be at least three (3) feet above any forced air inlet, or intake ducts located within ten (10) feet horizontally.
HIGH WIND CONDITIONS (OUTDOOR UNITS ONLY)
In areas where high winds are frequent, it may be necessary to locate the heater a minimum of 3' from high
vertical walls, or install a wind break so the heater is not in direct wind current.
In areas of daily high winds, it may be necessary to replace the outdoor stackless top with a stack adapter in
combination with a wind resistant/weather proof outdoor stack. See illustration below.
Fig. # 8245.1
The outdoor stack serves the same function as the
low profile stackless top and should be installed in
accordance with the same clearance requirements.
Fig. # 9304
4 foot
Minimum
4 foot
Minimum
1 foot
Minimum
4 foot
Minimum
3 foot
Minimum
10 foot
Minimum
Forced Air Inlet

INDOOR
DRAFT HOOD
INDOOR HEATERS
The design is also certified for indoor installation when equipped with the approved draft hood. Locate heater
as close as practical to a chimney or gas vent. Heater must always be vented to the outside. See Vent Piping Section
for venting details. Minimum allowable space is shown on the nameplate.
12
COMBUSTION AIR (INDOOR UNITS ONLY)
AIR FOR COMBUSTION AND VENTILATION (Indoor Units Only)
The heater must have both combustion and ventilation air. Minimum requirements for net free air supply
openings, one 12 inches from ceiling for ventilation and one 12 inches from the floor for combustion air as outlined
in Z 223.1 - 1988 and any local codes that may have jurisdiction.
CAUTION: Combustion air must not be contaminated by corrosive chemical fumes which can damage the heater
and void the warranty.
a. All Air From Inside the Building:
Each opening shall have a minimum of 151 net free square inches.
b. All Air From Outdoors:
When air is supplied directly from outside of building, each opening shall have a minimum of 38 net free square
inches.
VENTING CONNECTIONS
VENT TERMINAL (Outdoor) STACKLESS TOP
STEP 1 : Remove the front (4) screws which fasten
jacket top to heater.
STEP 2 : Line up top vent opening over heater vent
opening.
STEP 3 : Lower outdoor top onto unit lining up slots
in outdoor top with screw holes in jacket
top.
STEP 4 : Reinstall (6) screws to secure jacket top
and outdoor top to unit.
Fig. # 9305
Top Vent Opening
Fig. # 9306

DRAFT HOOD
MOUNTING
SCREWS (8)
VENT TERMINAL (Outdoor) OUTDOOR STACK
STEP 1 Line up (8) holes in jacket top with (8)
holes in adapter assembly.
STEP 2 Lower entire outdoor stack assembly
on to jacket top.
STEP 3 Secure with fasteners provided.
VENT TERMINAL (Indoor)
Locate and assemble as shown. Secure with
screws supplied in envelope inside carton.
Fig. #9307
Fig. # 9308
VENT PIPING
WARNING: Indoor boilers require a drafthood that
must be connected to a vent pipe and properly vented
to the outside. Failure to follow this procedure can
cause fire or fatal carbon monoxide poisoning.
Vent piping the same size or larger than the draft
hood outlet is recommended, however, when the total vent
height is at least ten (10) feet (draft hood relief opening
to vent terminal), the vent pipe size may be reduced as
specified in Chapter 10 of the latest edition National Fuel
Gas Code, ANSI Z 223.1. As much as possible avoid long
horizontal runs of vent pipe and too many elbows. If
installation requires horizontal non-vertical runs, the vent
pipe must have a minimum of 1/4 inch per foot rise and
should be supported at not less than five foot intervals.
Plumbers tape, criss-crossed, will serve to space both
horizontal and vertical piping. Gas vents supported only
by the flashing and extending above the roof more than
five feet should be securely guyed or braced to withstand
snow and wind loads. We recommend use of insulated
vent pipe spacer through the roofs and walls.
For protection against rain or blockage by snow, the
vent pipe must terminate with a vent cap which com-
plies with the local codes or, in the absence of such
codes, latest edition of the National Fuel Gas Code, ANSI
Z223.1.
The discharge opening must be a minimum of two
feet vertically from the roof surface and at least two feet
higher than any part of the building within ten feet. Vent
stack shall be at least five feet in vertical height above
the drafthood outlet. The vent cap location shall have
a minimum clearance of 4 feet horizontally from, and in
no case above or below, unless a four foot horizontal
distance is maintained, from electric meters, gas me-
ters regulators and relief equipment.
The weight of the vent stack or chimney must not
rest on boiler draft hood. Support must be provided in
compliance with applicable codes. The boiler top and
draft hood must be readily removeable for maintenance
and inspection. Vent pipe should be adequately sup-
ported to maintain proper clearances from combustible
construction.
Type "B" double wall or equivalent vent pipe is
recommended. However single wall metal vent pipe
may be used as specified in the latest edition of the
National Flue Gas Code ANSI Z 223.1.
13
5' MIN
2' MIN
10' OR LESS
2' MIN
VENT CAP
VENT PIPE
DRAFT HOOD
HEATER
Fig. # 8119.0

GAS SUPPLY CONNECTIONS
Gas piping must have a sediment trap ahead of the
heater gas controls, and a manual shut-off valve lo-
cated outside the heater jacket. All gas piping should
be tested after installation in accordance with local
codes.
Gas Inlet
Gas Valve
Heater Jacket
Union
Sediment Trap
CAUTION: The heater and its manual shut off valve
must be disconnected from the gas supply during any
pressure testing of that system at test pressures in
excess of 1/2 psig (3.45 KPA). Dissipate test pressure
in the gas supply line before reconnecting the heater
and its manual shut off valve to gas supply line.
FAILURE TO FOLLOW THIS PROCEDURE MAY
DAMAGE THE GAS VALVE. OVER PRESSURED
GAS VALVES ARE NOT COVERED BY WARRANTY.
The heater and its gas connections shall be leak tested
before placing the appliance in operation. Use soapy
water for leak test. Do NOT use open flame.
NOTE: Do not use teflon tape on gas line pipe thread.
A flexible sealant is recommended.
A minimum of 7" W.C. and a maximum of 14" W.C.
upstream pressure under load, and no load conditions
must be provided for natural gas or a minimum of 12"
W.C. and a maximum of 14" for propane gas.
GAS PRESSURE REGULATOR
The gas pressure regulator is present and sealed
at 4"W.C. for natural gas, and 11"W.C. for propane
gas. Between the gas valve and the burners is a 1/8"
pipe plug. The pressure at this point , taken with a
manometer, should be about 3.7"W.C. natural gas
and 10.5"W.C. propane gas. If an adjustment is
needed, remove seal and turn adjustment screw
clockwise
to increase pressure or counter-clockwise
to decrease pressure.
Gas Pressure Test
at Gas Valve
Gas Pressure Test at Heater
Gas Valve
Manual Shut
Off Valve
Gas Pressure
Test Upstream
Manometer
ROBERTSHAW VALVE
W. C. adjustment
HONEYWELL VALVE W. C. adjustment
PIPE SIZING FOR GAS CONNECTIONS
MAXIMUM EQUIVALENT PIPE LENGTH
Natural Gas 1000BTU/FT3 .60 Specific Gravity
@ 0.5" WC Pressure Drop
Propane Gas 2500BTU/FT3 1.53 Specific Gravity
@ 0.5" WC Pressure Drop
MODEL
155B
1/2" 3/4" 1"
N P N P N P
15 35 60 145 200 500
Manual Shut-Off
Valve
Fig. # 8090.0
Fig. # 8149.0
Fig. # 8081.0
14

FLOW RATES
MIN GPM 20
MAX GPM 115*
*When flow rates exceed 115 GPM an external auxil-
iary bypass valve is required. See external auxiliary
bypass valve section for details.
COMPANION FLANGE CONNECTIONS
DO NOT use petroleum base assembly fluids
(such as Petroleum Jelly or lubricating oil). If assembly
lubrication is required use a silicone base such as
Amoral etc.
The inlet/outlet single header flanges are designed
for four type of water connections. There are two sets
of flange gaskets supplied with your header; one set
installed, between flanges and in/out header, and the
other set shipped loose in the unit. Use the appropriate
gasket design, for all your heater connections.
GASKET DESIGN #1: (Factory installed) Accepts
1-1/2" copper tube or 1-1/4" galvanized pipe as a slip
connections.
GASKET DESIGN #2: (Loose In a bag) Accepts 2"
copper tube as a slip connection. The flange is
threaded for 2" screw in pipe connections. Also used
with the 2" CPVC adapters.
#1 #2
Fig. # 8095.1 Fig. # 8097.1
INLET/OUTLET HEADER
FLANGE GASKET
HEADER FLANGE
Fig. # 8093.1
15
PLUMBING FOR WATER CONNECTIONS
LOCATION
The VERSA heater requires water flow and posi-
tive pressure to fire and operate properly. It must
therefore be installed downstream of the discharge
side of the filter pump. A typical installation is plumbed
as follows:
1. The inlet side of the filter is plumbed directly
to the discharge side of the filter pump;
2. The outlet side of the filter is then plumbed
to the inlet of the heater; and
3. The outlet of the heater is plumbed to the
return line to the pool or spa. The pump,
filter and heater are thus plumbed in series.
Plumbing from the heater back to the pool must not
have any valves or restriction that could prevent flow
when the pump is operating. To do so will void the
warranty
Heater must be located so that any water leaks will
not damage the structure of adjacent area. High
temperature 2" plastic pipe (CPVC) may be threaded
directly into the header flanges. This is not the same as
the Schedule 80 PVC pipe which is also colored gray.
PVC may be used immediately after the CPVC adapt-
ers
2" CPVC Adapters
PVC Pipe
INLET OUTLET HEADER
CAUTION: NEVER install PVC directly into header
flanges. Use the 2" CPVC adapter supplied loose with
the heater.
Fig. # 8192.1
S80
S80
DAN MAINES
S8093.1

To Pool From Pool
Fig. # 8150.0
AUXILIARY BYPASS VALVE ADJUSTMENT
To set bypass: With clean filter, adjustment is made
by feeling the inlet and outlet pipes at the heater. Outlet
pipes should be slightly warmer than inlet and comfort-
able to the touch. If pipe is hot, close bypass; if cold,
open bypass.
PRESSURE RELIEF VALVE INSTALLATION
To conform to local building codes, it may be
necessary to install a pressure relief valve. A 3/4"
pressure relief valve having a capacity equal to BTU/HR
output of the heater to be installed is recommended for
this appliance.
A 3/4" NPT connection is provided in the inlet/outlet
header for installation of a pressure relief valve. The
valve shall be installed in a vertical position.
PRESSURE RELIEF
VALVE
PRV DISCHARGE
CONNECTION
INLET/OUTLET HEADER Fig. # 8095.0
From Heater To Heater
Auxiliary Bypass Valve (do not use gate valve)
UNITHERM GOVERNOR OPERATION
The patented Unitherm Governor is a thermostatic
mixing valve specifically designed to maintain constant
heater internal temperature between 105°-115°F de-
spite continually changing flow rates from the filter and
changing pool temperatures. This narrow range is
needed to prevent damaging condensation on the burn-
ers which will occur if the heater runs for any length of
time below 100°F. It is also needed to inhibit scale
formation in the tubes by maintaining temperatures
well below accelerated scaling temperatures.
INTERNAL AUTOMATIC BY-PASS VALVE
In addition to the Unitherm Governor, a built-in
automatic by-pass valve is provided in the in/out
header. While the Unitherm Governor responds to the
changes in water temperature in the heater, the internal
by-pass valve automatically responds to changes in
water pressure in the piping system. Proper amount of
water flow is maintained through the heater under
varying pressures dictated by the conditions of the
pump and filter.
EXTERNAL AUXILIARY BYPASS VALVE
(where required)
An auxiliary bypass valve should be used when flow
rates exceed 115 GPM (usually a high performance
pump size larger than 2 HP will exceed this flow rate).
This valve is required to complement the function of the
automatic bypass valve, particularly when starting the
heater in winter or early spring when the spa or pool
temperature is down below 50°F. It also serves to
eliminate needless pressure drop through the heater
and accompanying reduction in the flow rate to the spa
jets, etcetera.
Fig, # 8078.0
16

NOTE: To avoid water damage or scalding due to valve
operation, drain pipe must be connected to valve outlet
and run to a safe place of discharge. Drain pipe must
be the same size as the valve discharge connection
throughout its entire length and must pitch downward
from the valve. No shut-off valve shall be installed
between the relief valve and the drain line. Valve lever
should be tripped at least once a year to ensure that
waterways are clear.
ELECTRICAL WIRING
NOTE: If it is necessary to replace any of the original
wiring, it must be replaced with 105°C wire or its
equivalent, except all black wire must be replaced with
150°C wire or its equivalent.
CAUTION: Label all wires prior to disconnection when
servicing controls. Wiring errors can cause improper
and dangerous operation. Verify proper operation after
servicing.
DANGER - SHOCK HAZARD - Make sure electrical
power to the heater is disconnected to avoid potential
serious injury or damage to components.
MILLIVOLT SYSTEM
The Millivolt System Residential Heater is equip-
ped with a self-generating electrical system in which
the electric current is provided by means of a pilot
generator. No external electrical connections are re-
quired.
ELECTRONIC INTERMITTENT IGNITION
DEVICE SYSTEM (IID)
NOTE: When the electrical hookup to the heater
requires both 24V and 115V or 240V, each input
voltage must be isolated in separate conduit.
The Electronic Intermittent Ignition Device automati-
cally lights the pilot and main burners upon a call for
heat. The heater is supplied with a dual voltage trans-
former for 120V or 240V input power hookup. Heaters
are factory wired for 240V power supply.
Fig. # 8929.1
17
NOTE: IID PROPANE UNITS ONLY: Heater is
equipped with an electronic ignition device with a 100%
safety lockout feature. If the heater fails to start or
lockout, reset the ignition device by interrupting the
power to the heater for 60 seconds.
CAUTION: If service replacement of the electronic
ignition device is required, replace only with a 100%
safety lockout device with 90 second trial for pilot
ignition.
HONEYWELL
INTERMITTENT
IGNITION
DEVICE

WIRING DIAGRAM KEY
18
Fig. # 8096.0
For 120 V input power to the unit, connect the black wire
to the “L1” or hot leg of the power supply. Connect the
white wire to the “L2” or neutral leg of the power supply.
Attach the wire nut to the red wire. There should be no
connection to the red wire for 120V operation.
Fig. #9240
For 240 V input power to the unit, connect the black wire
to the “L1” or hot leg of the power supply. Connect the red
wire to the “L2” or second hot leg of the power supply.
Attach the wire nut to the white wire. There should be no
connection to the white wire for 240V operation.
Fig. # 9241
Heater must be electrically grounded and bonded in
accordance with local codes, or, in the absence of local
codes, with the latest edition of the National Electrical code,
ANSI/NFPA 70.
NOTE: Input power to the heater (120/240V) should be
supplied from the load (Pump) side of time clock or switch.
Connecting heater to continuous power source will allow
"Fail" indications (service and pressure switch) when pump
is not operating.

19
WIRING DIAGRAM MILLIVOLT UNITS
Fig. #2182e

20
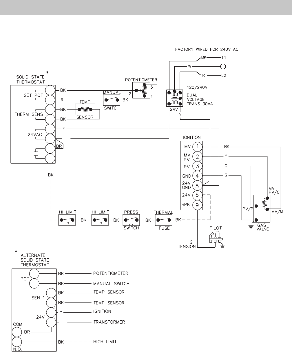
WIRING DIAGRAM 152148 Model 155 IID
BL
BL
BL

VIEW OF HEATER FROM FRONT VIEW OF HEATER FROM BACK
SECTION 4 / SERVICING INSTRUCTIONS
GENERAL LOCATION OF CONTROLS
21
CONTROL PANEL REMOVAL
1. Remove lower door.
2. Remove (2) screws from bottom flange of
control panel.
3. Slide down control panel to clear jacket top
panel.
4. Rotate control panel down until panel stops. Do
not force.
NOTE: Caution must be taken not to damage
controlsor wiring.
Control Panel
Mounting Screws (2)
Jacket Top Panel
CONTROLS / ADJUSTMENTS / REPLACEMENTS
TEMPERATURE CONTROLS
The pool or spa water temperature is controlled by
the pool heater thermostat on the upper front panel of
the heater. The control center contains an On/Off
toggle switch and a thermostat. The switch functions
as a means for turning the heater on or off.
The thermostat is fitted with a means of limiting the
upper temperature limit below the maximum level. The
knob stop adjustment ring illustrated below is adjust-
able by loosening the set screw, rotating the knobstop
ring to the desired location and retightening the set
screw.
Fig. # 8267.0
Fig. # 8110.1
Set ScrewKnobstop Ring
Typical
Comfortable
Spa
Temperature
Range
Typical Comfortable
Pool Temperature
Range
Fig. # 8104.0
SOLID STATE
THERMOSTAT
CONTROL
IGNITION CONTROL
PRESSURE SWITCH
GAS VALVE
PILOT
THERMAL FUSE
HIGH LIMITS
UNITHERM
GOVERNOR
DRAIN VALVE

Fig. # 8069.1
PRESSURE SWITCH ADJUSTMENT RANGE
Fig. # 8152.0
NOTE: If heater is installed outside of the limits shown,
a flow switch must be used in place of the pressure
switch when mounted and wired adjacent to the heater.
Pool or Spa
Heat Exchanger Height
22
PRESSURE SWITCH
The pressure switch, or heater actuator, insures
that the heater operates only when the filter pump is in
operation. It is factory set at 1.75 PSI for deck level
installations. When the heater is located below the
level of the spa or pool, it may be necessary to reset the
pressure switch to compensate for the no-flow static
head. If it is necessary to reset the pressure switch, we
recommend the following procedure:
PRESSURE SWITCH ADJUSTMENT:
1. With pump and heater on, turn adjustment
knob (clockwise) until a click is heard from
the gas valve.
2. Turn adjustment knob (counter clockwise)
1/4" turn.
3. Turn pump off and on several times. Heater
should shut off immediately. If it does not,
repeat steps above until proper adjustment
is made.
Adjustment Knob
Heat Exchanger Height
5' Max.
5' Max.
TWO SPEED PUMPS
In some cases, the flow on the low-speed is insuf-
ficient to operate the heater. This is apparent when the
pressure switch cannot be further adjusted or if the
heater makes banging noises. In these cases, the
pump must be run at high speed when heating the
water.
CAUTION: Do not operate the heater without the
functionof a properly adjusted pressure switch.
HIGH LIMITS
The heater is equipped with two automatic high
limits. Set to operate at 135°F and 140°F.
NOTE: An erratic high limit is often characteristic of an
internal heat exchanger problem, i.e. scale buildup,
and U.G. operation. Refer to troubleshooting section.
Fig. # 8153.0
HIGH LIMIT REMOVAL
1. Shut off main electrical power switch to
heater.
2. Remove inspection panels.
3. Drain heater.
4. Remove defective high limit and replace with
a new high limit.
5. Reverse above procedure to re-install.
FLAME ROLL-OUT SAFETY SWITCH
The heater is equipped with a thermal cutoff device
to prevent flame roll-out in the event the heat ex-
changer becomes blocked. This is a "Single-use" type
fusible link or thermal fuse, that must be replaced when
disabled by an over temperature condition, caused by
excessive restriction in the heat exchanger flue pas-
sage.
Fig. #9177

PILOT SAFETY (Millivolt System)
The heaters equipped with the standing pilot
(millivolt system), have pilot generators which act as a
safety device to shut off the flow of gas to the main
burners and the pilot burner in case the pilot flame is
extinguished. The pilot burner must be manually re-
lighted to place the heater in operation again. Refer to
the lighting instructions provided on the heater label.
PILOT SAFETY (IID Units) ELECTRIC IGNITION
The heater employs a pilot safety which closes the
main gas valve within 8/10ths of a second whenever the
pilot flame is interrupted. Pilot flame is automatically lit
when the device is powered. Unit performs its own
safety check and opens the main valve only after the
pilot is proven to be lit.
BURNER DRAWER REMOVAL
1. Shut off main electrical power switch to heater.
2. Shut off gas upstream of heater.
3. Remove front door.
4. Disconnect gas line from gas valve.
5. Remove (2) screws that mount burner tray to unit,
and (2) screws that secure gas valve to jacket.
6. Disconnect wires that terminate at gas valve.
7. Slide out burner tray.
8. Reverse above procedure to reinstall.
GAS VALVE REMOVAL
1. Shut off gas supply to the heater. Remove gas
piping to gas valve inlet.
2. Disconnect wires, pilot tubing and bleed line, if
required.
3. Turn vertical gas pipe from manifold slightly and
unscrew gas valve.
4. Reverse above procedure to re-install.
MAIN BURNER AND ORIFICE REMOVAL
1. Remove burner drawer. See burner drawer
removal procedure.
2. Remove screws and burner hold down bracket.
NOTE: If the heat exchanger is sooted badly, the
burner hold down bracket and spacer can become
distorted from direct flame impingement and this usu-
ally necessitates replacement of these parts.
23
Burner Hold Down Bracket
Burners
HONEWELL PILOT ROBERTSHAW PILOT
Air
Opening
Pilot
Orifice Orifice
Pilot
Fig. # 8057.0
Fig. # 8045.1 Fig. # 8102.0
3. Lift burners from slotted spacers and slide from
orifices. Clean with a wire brush.
4. Orifices usually do not need to be replaced. To
clean, run either copper wire or wood toothpick
through orifice. Do not enlarge hole. To remove
orifice, use a socket wrench and remove from
manifold. DO NOT overtighten when reinstalling.
PILOT REMOVAL AND CLEANING
1. Disconnect pilot tubing, and wires from gas valve.
2. Remove pilot assembly from burner tray.
3. Remove pilot from bracket.
4. Remove pilot orifice and air opening (Honeywell
MV unit only), and clean with wire or small brush.
CAUTION! Do not enlarge hole in pilot orifice.
5. Reverse above procedure to reinstall.

24
HEAT EXCHANGER REMOVAL
1. Shut water, gas and electricity off, close valves
and relieve pressure, remove relief valve. Re-
move side inspection panels.
2. Remove top holding screws.
3. Remove draft diverter, lift and remove top and flue
collector on stack-type models. Remove inspec-
tion panels.
4. Loosen bolts and disconnect flange nuts on inlet/
outlet header, loosen union(s) at gas pipe and slide
boiler away from piping until studs clear the
header.
5. Remove combustion chamber clips at the four
corners of the heat exchanger.
6. Lift heat exchanger straight up using caution not to
damage refractory.
7. Reverse above procedure to reinstall.
CONTROL IMMERSION WELL REPLACEMENT
1. Shut water off to heater and drain heat exchanger.
2. Remove jacket top panel.
3. Remove old control well with bushing and sleeve,
with 7/8" wrench or socket.
4. Slip "O" ring gasket over control well and install in
header.
"O" RING GASKET
WELL ASSEMBLY
Fig. # 8101.0
UNITHERM GOVERNOR (U.G.) REPLACEMENT
1. Shut water, gas and electricity off, close valves and
relieve pressure.
2. Drain heat exchanger.
3. Remove retainer plug located under outlet pipe
connection.
4. Remove spring and replace old U.G. with a new
U.G.
5. Reverse above procedure to re-install.
Fig. # 8128.0
GASKET
U.G.
RETAINER PLUG
SPRING
FIig. # 8071.0
To test the operation of the Unitherm Governor,
place in hot water (over 110 °F) and watch for move-
ment against spring. If there is no movement, replace
unit.
TUBE CLEANING PROCEDURE (Typical)
Establish a regular inspection schedule, frequency
depending on local water condition and severity of
service. Do not let the tubes clog up solidly. Clean out
deposits over 1/16" in thickness.
The heater must be cleaned from the rear as
shown. It is preferable, however, to remove the heat
exchanger and the in/out header for better visibility
through the tubes and to be sure the ground-up lime
dust does not get into the system.
Note that you do not remove the top panel or the
heat exchanger, generally.
After reaming, mount the wire brush in place of the
auger and clean out debris remaining in the tubes.
Another method is to remove the heat exchanger,
ream tubes and immerse heat exchanger in non-
inhibited de-scale solvent.

DESOOTING PROCEDURE
CAUTION: SOOT IS COMBUSTIBLE. EXERCISE
EXTREME CARE.
Soot can clog areas between fins and cause even-
tual tube failure. Any sign of soot at the base of the
burners or around the outer jacket indicates a need for
cleaning.
1. Remove top and flue collector from cabinet.
2. Remove "V" baffles from heat exchanger.
3. Remove burner drawer. (See burner tray
removal).
4. Take garden hose and wash heat exchanger,
making sure soot is removed from between fins.
(Avoid excessive water against refractory).
5. Reassemble-When heater is fired, some steam
will form from wet refractory. This is normal.
NOTE: In extreme cases it may be necessary to re-
move the heat exchanger completely for cleaning. The
simplest method is steam cleaning at the local car
wash. DO NOT WIREBRUSH.
COMBUSTION CHAMBER REMOVAL
To remove combustion chamber, you must first
have removed the heat exchanger. Unbolt metal com-
bustion chamber retainer from top and remove com-
bustion chamber panels individually.
TUBE REPLACEMENT PROCEDURE
On Raypak units, tube replacement may be ef-
fected without rolling, as a temporary means of repair,
providing there are two or more tubes rolled in to act as
stays on the left or right sides. The "O" rings should
provide a seal up to 125 PSI working pressure. Use 3/
8" heavy duty reversible drill motor or larger to power
the tube roller. If a reversible drill is not available, after
rolling the tube in, remove the drill motor and wrench
out the roller. A tube roller is available from the factory.
Shut gas and power off to the unit, close the system
off and drain the heater. Remove the draft diverter.
Remove the access panel and jacket top. Lift the flue
collector off. Remove "V" baffles over tube(s) to be
replaced. If no pipe unions have been provided, use the
header as a union, remove the flange nuts off the inlet-
outlet header, break gas connection and slide heater
away from piping to allow room to work. Pull wedge
clips out of control wells and remove sensing bulbs. Lift
heat exchanger straight up and out.
Inspect header gaskets at this time. Unless sev-
ered, they are reusable. The tube may be cut out with
a hacksaw or hammer and chiseled adjacent to both
tube sheets, leaving studs in the tube sheets. Then
proceed to collapse studs in the tube sheets with a
chisel or screwdriver. Use caution not to cut into the
tube sheet. Replacement tubes will have the fins
stripped off longer on one end. The long end is inserted
into the opening of the tube sheet first; then the short
end is fitted through the opposite tube sheet. If the tube
ends become dented or bent, straighten at least (4)
inches back from the tube end by means of a tapered
punch.
Insert tube roller into tube opening up to stop
against tube, then push center rod in until roller is tight.
Be careful to keep replacement tube squared up 1/8"
outside each tube sheet. A loose tube will sometimes
pull toward the roller. Attach drill motor to tube roller,
holding it straight and level. Proceed to expand tube
until the tool begins to grab. At this point, 1/2" to 1"
should be exposed on the tool shank. Reverse drill
motor or wrench out by hand. Care should be exercised
to avoid applying excessive torque during rolling op-
eration and to avoid thinning out any part of the tube
wall excessively over .015". Use same procedure at
the opposite end of the tube.
Apply line pressure test, and re-roll, if necessary,
before reassembly of the heater.
REFRACTORY PANELS TOP VIEW
Fig. # 8155.0
Auger with Carbide TipExtension Pieces (5)
RAYPAK TUBE CLEANING KIT
Wire Brush
Fig. # 8154.0
25

SECTION 5 / TROUBLE SHOOTING GUIDE
These instructions are primarily intended for the use of qualified personnel specifically trained and experienced in the installation
of this type of heating equipment and related system components. Installation and service personnel may be required by some
states to be licensed. Persons not qualified shall not attempt to install this equipment nor attempt repairs according to these
instructions.
MECHANICAL (FOR QUALIFIED SERVICE PERSONNEL ONLY)
PROBLEM CAUSE SOLUTION
Harmonics, or whining noise. U.G. Inoperative.......................... Check movement by putting in hot water (110°F
or higher). If no movement, replace.
*Debris or restriction in system........ Locate the restriction and remove. Flush system
and clean.
*Debris in gas line......................... Remove debris or blow out gas line.
Low flow.................................... Scale forming in heat exchanger - clean heat
exchanger and check pool pH and total alkalinity.
Heater going on and off Dirty filter.................................. Backwash filter.
continously. Low water level in pool.................. Raise water level.
External bypass setting out of
adjustment................................ Adjust bypass
*Pressure switch out of
adjustment................................ Adjust pressure switch
Liming or scale forming on Pool water................................. Recommended pH should be between 7.4 and 7.8
heat exchanger. Total alkalinity 100-150 PPM maximum. Hardness
150-400 PPM maximum.
Sooting High flow rates........................... Reduce by adding manual bypass valve and
adjust by putting thermometer in header (1/4"
NPT) drain opening. Set bypass so thermometer
reads between 105° and 110°F.
U.G. Inoperative......................... Check movement by putting in hot water (110°F
or higher). If no movement, replace.
*Air starvation.............................. Refer to installation instructions.
*Improper venting......................... Follow recommended installation instructions.
*Insects or debris clogging
burner intake ports...................... Clean burners.
Pilot outage. Low gas pressure........................ Adjust gas pressure.
Restricted pilot........................... Clean pilot.
Weak pilot generator.................... Replace pilot.
Yellow lazy flame Low gas pressure........................ Adjust gas pressure.
*Insects or debris clogging
burner intake ports...................... Clean burners.
Outer jacket very hot *Broken refractory caused by
(paint blistered) shipping damage or improper
combustion................................ Replace refractory panels.
Excessive sooting of heat
exchanger................................. Determine cause of sooting & correct.
Takes long time to heat Calculate temperature in /hr......... Heat rise (°/hr.)= Htr. Output
pool or spa. Pool gallonage x 8.33
or refer to heater sizing chart.
This does not take into account heat loss due
to weather.
Filter not running long enough........ Reset time clock.
Dirty filter................................... Clean filter.
Gas line or meter undersized......... Refer to installation instructions.
Liming Bypassing too much water............ Inspect bypass for movement, if no movement,
replace.
U.G. not functioning...................... Replace if no movement when heated.
(* Usually occurs on initial start-up.)
IMPORTANT NOTICE
26

If pilot burner remains lit.
Jump across pressure
switch terminals
If main burner does not
fire, remove jumper
Check for adequate water
flow from filter
Replace pressure switch
Jump across thermostat
If main burner fires,
remove jumper
If main burner does
NOT fire...
Jump across each high
limit and remove jumper
Replace thermostat
Replace high limit that
caused heater to fire
Jump across both "TH"
wires on gas valves
Check gas supply, gas
line size, gas pressure.
Also check for insects
or debris in pilot output.
If pilot burner
does not light
Light pilot
CAUTION: For qualified service personnel only.
1. Filter must be on with adequate water flow through heater.
2. Gas valve must be "ON" position. Thermostat set higher
than pool water temperature.
3. Jumpers are for temporary check only. If left in place,
they could cause the heater to burn up.
If pilot burner goes out
when main burner lights
or when gas valve knob
is released
If burner does not remain
lit, attach millivolt meter
and read pilot output.
If below 500mV, check
gas pressure. Also check
for insects or debris in
the pilot burner
If main burner fires,
remove jumper
Replace
gas
valve
If main burner does not
fire, remove jumper
Remove both "TH"
wires from gas valve.
Relight pilot
If pilot burner stays on
Problem is a wire or
component short to
cabinet or low gas
pressure
If above 500mV,
replace gas valve
Clean filter
If main burner fires,
remove jumper
27
Leaking at well. Overacid.................................. Replace well and maintain water chemistry
properly.
Leaking at heat exchanger. Overacid.................................. Replace heat exchanger and maintain
chemistry properly.
Gasket brittle and leaking - Heater running after pump
(overheated). Shuts off................................... See pressure switch adjustment.
Refractory damage..................... Replace refractory.
Sooted heater............................ Determine cause of sooting and correct.
ELECTRICAL ( MILLIVOLT)
RAYPAK POOL OR SPA HEATER ELECTRICAL
CHECK WITH MV GAS VALVE
If output is still low,
replace pilot generator.

ELECTRICAL (ELECTRONIC IGNITION IID)
28
WARNING
HIGH VOLTAGE
For qualified Technicians ONLY
NOTE: Some heaters may be equipped with
an ignition module that shuts off pilot gas if
pilot fails to light. To reset, interrupt power to
heater.
Intermittent Pilot System
TROUBLESHOOTING HONEYWELL S8600
NOTE:Before troubleshooting, familiarize yourself with the start-up and checkout
procedure.
Check line voltage power, low voltage transformer, limit controller, thermostat
(controller) and wiring.
Pull ignition lead and check spark at module.
Spark Okay?
YES
• Check ignition cable, ground wiring, ceramic insulator and gap, and correct.
• Check boot of the ignition cable for signs of melting or buckling. Take protective
action to shield cable and boot from excessive temperatures.
• Check that all manual gas valves are open, supply tubing and pressures are good,
and pilot burner orifice is not blocked.
• Check electrical connections between module and pilot operator on gas control.
• Check for 24 Vac across PV-MV/PV terminals on module. If voltage is okay,
replace gas control; if not, replace module.
NOTE:If S8600H goes into lockout, reset system. Lockout is used on L.P.G. models.
• Check continuity of ignition cable and ground wire.
• Clean flame rod.
• Check electrical connections between flame rod and module.
• Check for cracked ceramic flame rod insulator.
• Check that pilot flame covers flame rod and is steady and blue.
• Adjust pilot flame.
• If problem persists, replace module.
• Check for 24 Vac across MV-MV/PV terminals. If no voltage, replace module.
• Check electrical connections between module and gas control. If okay, replace
gas valve or gas control operator, i.e. pilot gas valve, flow switch etc.
NOTE: IF S8600H goes into lockout, reset system.
• Check continuity of ignition cable and ground wire.
NOTE: If ground is poor or erratic, shutdowns may occur occasionally even though
operation is normal at the time of checkout.
• Check that pilot flame covers flame rod and is steady and blue.
• If checks are okay, replace module.
• Check for proper thermostat (controller) operation.
• Remove MV lead at module; if valve closes, recheck temperature controller and
wiring; if not, replace gas valve.
START
TURN GAS SUPPLY OFF.
TURN THERMOSTAT
(CONTROLLER) TO CALL
FOR HEAT
POWER TO MODULE
(24 V NOMINAL)
YES
SPARK ACROSS
IGNITER/SENSOR GAP
YES
TURN GAS SUPPLY ON
PILOT BURNER LIGHTS?
YES
SPARK STOPS WHEN
PILOT IS LIT?
YES
MAIN BURNER LIGHTS?
YES
SYSTEM RUNS UNTIL
CALL FOR HEAT ENDS?
YES
CALL FOR HEAT ENDS
SYSTEM SHUTS OFF?
YES
TROUBLESHOOTING
ENDS
NO
NO
NO
NO
NO
NO
NO
Repeat procedure until troublefree operation is obtained.

ELECTRICAL (SOLID STATE THERMOSTAT IID)
If the pool/spa/hot tub water is too cold, troubleshoot the system as follows:
Check voltage at 24 V terminals.
VOLTAGE BETWEEN 21.5-28.5 V.
Set control to max. temperature. After 2-3
cycles, check water temperature.
TEMPERATURE BELOW 105°F
Disconnect sensor leads from circuit board.
Measure sensor resistance with ohmmeter.
RESISTANCE 1-14k OHMS.
Check water temperature; estimate expected sensor
resistance from chart below.
MEASURED AND ESTIMATED RESISTANCE
MATCH WITHIN 20 PERCENT.
Disconnect potentiometer leads from circuit board.
Measure resistance with ohmmeter. If resistance is:
0-100 ohms at minimum setting;
9k to 11k at maximum setting,
replace circuit board.
Above 11k ohms but less than
15 k ohms, , replace potentiometer.
bove 15k ohms, fix loose or broken wires;
replace potentiometer if necessary.
Reconnect all leads and check out system.
If the pool/spa/hot tub water is too hot, troubleshoot the system as follows:
SENSOR RESISTANCE AT VARIOUS TEMPERATURES
Temperature
(deg. F) 61 68 70 77 86 88 95 104 106
Resistance (k ohms) 14.92 12.49 11.88 10.00 8.06 7.69 6.53 5.33 5.10
VOLTAGE OUTSIDE RANGE 21.5-28.5 V.
Check transformer, 120 V supply, correct as
necessary
TEMPERATURE 105-106° F.
Control ok.
RESISTANCE O OHMS (SHORT CIRCUIT)
Check system for shorted wires or open circuits.
Replace sensor if necessary.
MEASURED AND ESTIMATED RESISTANCE
DON'T MATCH.
Replace sensor. Reconnect all leads and check
out system.
Check voltage at 24 V terminals.
VOLTAGE BETWEEN 21.5-28.5 V.
Set control to max. temperature. After 2-3
cycles, check water temperature.
TEMPERATURE ABOVE 108°F
Disconnect sensor leads from circuit board.
Measure sensor resistance with ohmmeter.
RESISTANCE 1-14k OHMS.
Check water temperature; estimate expected
sensor resistance from chart below.
MEASURED AND ESTIMATED RESISTANCE
MATCH WITHIN 20 PERCENT.
Disconnect potentiometer leads from circuit board.
Measure resistance with ohmmeter. If resistance
is:
0-100 ohms at minimum setting:
9k to 11k at maximum setting,
replace circuit board.
Above 11k ohms, replace
potentiometer.
0 ohms (short circuit), replace
potentiometer.
Reconnect all leads and check out system.
VOLTAGE OUTSIDE RANGE 21.5-28.5 V.
Check transformer, 120 V supply, correct as
necessary.
TEMPERATURE 105-106° F.
Control ok.
RESISTANCE ABOVE 15k OHMS (OPEN
CIRCUIT) OR SHORT CIRCUIT.
Fix loose or broken wires. Replace sensor if
necessary.
MEASURED AND ESTIMATED RESISTANCE
DON'T MATCH.
Replace sensor. Reconnect all leads and check
out system.
29

30
SECTION 6/REPLACEMENT PARTS LIST
NOTE: To supply the correct part it is important that
you state the model number, serial number and type
of gas when applicable.
Any part returned for replacement under standard
company warranties must be properly tagged with
RAYPAK return parts tag, completely filled in with the
heater serial number, model number, etc., and shipped
to the Company freight prepaid.
If determined defective by the Company and within
warranty, the part will be returned in kind or equal
substitution, freight collect. Credit will not be issued.
RAYPAK, INC.
31111 Agoura Road
Westlake Village, CA 91361-4699

31

32

33

LIMITED WARRANTY
RAYPAK RESIDENTIAL SWIMMING POOL AND SPA HEATERS
GENERAL
Raypak, Inc. warrants that the cabinet, burner tray (minus controls) and refractory will be free from defects in materials and
workmanship under normal use and service for a period of FIVE YEARS FROM THE DATE OF ORIGINAL PURCHASE FOR
A SINGLE FAMILY RESIDENCE (ONE YEAR IF OTHER THAN FOR SINGLE FAMILY RESIDENCE USE). All other parts
of this product are warranted by Raypak to be free from defects in materials and workmanship under normal use and service
for a period of TWO YEARS FROM THE DATE OF ORIGINAL PURCHASE FOR A SINGLE FAMILY RESIDENCE (ONE
YEAR IF OTHER THAN FOR SINGLE FAMILY RESIDENCE USE). In accordance with the terms of this warranty, we will
furnish a Raypak replacement for any defective part or repair the part at our option. The replacement or repair will be warranted
for only the unexpired portion of the original warranty. Labor costs for removal or reinstallation of parts are not covered by this
warranty, nor are shipping charges to or from Raypak's designated repair center. This warranty does not cover rusting or
corrosion on cabinet or burners that does not affect heater's operation.
WARRANTY CONDITIONS
This warranty applies only to the heater at its original place of installation. This warranty will be void if the heater is installed
in violation of applicable local codes and ordinances or if the rating plate or serial number is altered or removed.
WARRANTY EXCLUSION
This warranty does not cover defects or malfunctions resulting from:
1. Failure to properly install, operate or maintain the heater in accordance with our printed instructions;
2. Abuse, alteration, accident, fire, flood, freeze and the like:
3. Misuse or neglect, including but not limited to, freeze-ups, operating the heater with the cabinet door off, having
flow restrictions or obstructions between the heater outlet and the pool/spa, or not maintaining a proper chemical
balance (PH level must be between 7.4 and 7.8 and total alkalinity between 100 and 150 PPM. Total dissolved
solids (TDS) must be no greater than 3000 PPM);
4. Use of non-factory authorized accessories or other components in conjunction with the heater.
HOW TO MAKE A CLAIM
Immediately notify the dealer from whom the heater was purchased, supplying model and serial numbers of the unit, date of
purchase, and a description of the problem. The dealer should then promptly contact Raypak about the warranty claim, and
for the location of Raypak's nearest designated repair center. (If the dealer for any reason is not available, call or write Raypak
directly at the address shown below, Attention: Warranty Service). After such notification has been given and Raypak has
advised the location of its designated repair center (which may be the dealer), bring or ship, transportation prepaid, the
defective part for replacement or repair to the designated repair center. However, Raypak reserves the right at all times to
inspect the claimed defect and verify warranty coverage at its factory.
MISCELLANEOUS
No one is authorized to make any other warranties on our behalf, ANY IMPLIED WARRANTIES, INCLUDING MERCHANT-
ABILITY OR FITNESS FOR A PARTICULAR PURPOSE, SHALL NOT EXTEND BEYOND THE APPLICABLE WARRANTY
PERIODS SPECIFIED ABOVE. RAYPAK'S SOLE LIABILITY WITH RESPECT TO ANY DEFECT SHALL BE AS SET FORTH
IN THIS WARRANTY AND ANY CLAIMS FOR INCIDENTAL OR CONSEQUENTIAL DAMAGES (INCLUDING DAMAGE
FROM WATER LEAKAGE) ARE EXCLUDED. Some states do not allow limitations on how long an implied warranty lasts,
or for the exclusion of incidental or consequential damages, so the above limitation or exclusion may not apply to you.
We suggest you immediately complete the information below and retain this Warranty Certificate in the event warranty service
is needed. Reasonable proof of the effective date of the warranty must be presented; otherwise, the effective date will be based
upon the date of manufacture plus THIRTY (30) Days.
This Warranty gives you specific legal rights, and you may also have other rights which vary from state to state.
________________________________________________ ________________________________________________
Name of Owner Name of Dealer
________________________________________________ ________________________________________________
Address Address
________________________________________________ ________________________________________________
Model No. Serial No.
Date of Purchase___________________________________________________________________________________
RAYPAK, INC., 2151 Eastman Avenue, Oxnard, CA 93030 (805) 278-5300 FAX (800) 872-9725 Litho in U.S.A.

Raypak, Inc., 2151 Eastman Avenue, Oxnard, CA 93030 (805) 278-1500 FAX (800) 872-9725
Raypak Canada LTD, 2805 Slough Street, Mississauga, Ontario, Canada L4T 1G2 (905) 677-7999 FAX (905) 677-8036
Raypak Australia Pty. Ltd, 7 Geddes St., Mulgrave, Victoria, Australia 3170 (6139) 560 4944 FAX (6139) 560 4974
Litho in U.S.A.
www.raypak.com