Redring 350S Users Manual 555 2137 01B
350S to the manual d63b6adc-3f56-4d19-a5bb-b0d1072047d8
2015-02-06
: Redring Redring-350S-Users-Manual-522361 redring-350s-users-manual-522361 redring pdf
Open the PDF directly: View PDF
.
Page Count: 12

IMPORTANT:
This booklet should be left with the user after
installation and demonstration
REDRING ACTIVE 350S
SMART TECHNOLOGY
ELECTRIC SHOWER
Installation and User Guide

2
INTRODUCTION
If you experience any difficulty with the installation or operation of your new
shower, then please refer to the “What to do if things go wrong” section in this
manual before contacting us.
Section Page
Introduction _ _ _ _ _ _ _ _ _ _ _ _ _ _ _ _ _ _ _ _ _ _ _ _ _ _ _ _ _ _ _ _ _ _ _ _ _ _ _ _ _ 2
Important Safety Information _ _ _ _ _ _ _ _ _ _ _ _ _ _ _ _ _ _ _ _ _ _ _ _ _ _ _ _ _ _ _ _ 2
How to use your Active 350S Shower (Detailed) _ _ _ _ _ _ _ _ _ _ _ _ _ _ _ _ _ _ _ _ _ _ _ 3
How your Active 350S Shower Works _ _ _ _ _ _ _ _ _ _ _ _ _ _ _ _ _ _ _ _ _ _ _ _ _ _ _ _ 4
How to maintain your Active 350S Shower _ _ _ _ _ _ _ _ _ _ _ _ _ _ _ _ _ _ _ _ _ _ _ _ _ _ 5
What to do if things go wrong (1) Self Help _ _ _ _ _ _ _ _ _ _ _ _ _ _ _ _ _ _ _ _ _ _ _ _ _ 5
What to do if things go wrong (2) Professional Service _ _ _ _ _ _ _ _ _ _ _ _ _ _ _ _ _ _ _ _ 6
Redring After Sales Service _ _ _ _ _ _ _ _ _ _ _ _ _ _ _ _ _ _ _ _ _ _ _ _ _ _ _ _ _ _ _ _ _ _ 6
How to install your Active 350S Shower _ _ _ _ _ _ _ _ _ _ _ _ _ _ _ _ _ _ _ _ _ _ _ _ _ _ _ 7
Additional Accessories and Spare Parts _ _ _ _ _ _ _ _ _ _ _ _ _ _ _ _ _ _ _ _ _ _ _ _ _ _ _ _ 10
Guarantee and Contact Details _ _ _ _ _ _ _ _ _ _ _ _ _ _ _ _ _ _ _ _ _ _ _ _ _ _ _ _ _ _ _ _ 11
How to use your Active 350S Shower (Summary) _ _ _ _ _ _ _ _ _ _ _ _ _ _ _ _ _ _ _ _ _ _ _ 12
Thank you for purchasing a quality Redring Active 350S Electric Shower manufactured in England.
To enjoy your new shower at its best, please take time to read this manual thoroughly, and having
done so, keep it handy for future reference.
The Redring Active 350S is an electric shower incorporating our “Smart Technology” and a unique
dual control combining on/off, power select and flow/temperature control.
Your shower is designed to stabilise temperature
changes caused by water pressure fluctuations.
These can result from toilets being flushed or taps being turned on and off.
When this happens your showering temperature will be held within a controlled band, provided that
the minimum pressure required by the shower is maintained (see “Effect of Other Water Devices”).
1. Your shower has been designed for convenience, economy and safety of use, provided that it is
installed, used and maintained in good working order and in accordance with our instructions and
recommendations.
2. All wiring and installation must be supervised by a suitably qualified person.
3. THIS APPLIANCE MUST BE EARTHED.
4. The installation must be in accordance with the current edition of BS.7671 (the “IEE Wiring
Regulations”) and “Part P” of the “Building Regulations” in force at the time of installation.
Installations outside the United Kingdom must also conform to any local regulations in effect.
This appliance is intended to be permanently connected to the fixed electrical wiring of the mains
supply with its own dedicated supply.
5. This appliance must NOT be fitted where it may be subjected to freezing conditions
6. DO NOT switch the appliance on if you suspect it of being frozen.
Wait until you are sure it has thawed out.
7. DO NOT fit any sort of tap or control on the appliance outlet. The appliance is designed to have
an open outlet and should only be used with “Redring” recommended fittings.
8. Take care to avoid restricting the outlet of the pressure relief device. If water leaks from the
pressure relief device, maintenance will be required before the appliance can be safely used.
9. Isolate the mains electrical and water supply before removing the front cover of the appliance.
CONTENTS
IMPORTANT SAFETY INFORMATION

3
IF WATER IS TOO COLD
Turn inner knob “B” clockwise in the
direction of the “red arrows” to “1 o’clock”
and continue turning clockwise until you get
the water temperature of your liking.
Wait 20 seconds after each adjustment for
the water temperature to stabilise.
If after turning fully clockwise water is still too
cold, set shower pattern on shower handset
to outer or inner pattern only.
IF WATER IS TOO HOT
Turn inner knob “B” anti-clockwise in the
direction of the “blue arrows” to “11 o’clock”
and continue turning anti-clockwise until you
get the water temperature of your l
iking.
Wait 20 seconds after each adjustment for
the water temperature to stabilise.
If after turning fully anti-clockwise, water is still
too hot, adjust outer knob “A” to “ (medium)”
setting and re-adjust as above.
Water flow will be reduced on this setting.
1. Ensure the electricity and water are turned on to the unit.
2. Your shower has 3 power settings selected by turning outer
knob “A”.
The most popular is “ (high)”.
There are also options for a “ (medium)”
or “ (cold)” shower (see notes 8 and 9).
For this example turn outer knob “A” to “ (high) ”
and set inner knob “B” to “12 o’clock”.
3. The water will flow and the neon light will glow brightly.
4. Allow about 20 seconds for the temperature of the water to
stabilise.
5. Once a temperature setting to your liking has been achieved, inner knob “B” will rarely need
adjusting. You must however take into account required adjustments for variations of incoming
mains water temperature between summer and winter (see “Effect of Seasonal Incoming Water
Temperature Changes”).
6. When you have finished showering, turn outer knob “A” anti-clockwise to the “ (stop)” position.
Water will continue to flow for approximately 7 seconds before switching off.
This reduces the temperature of the water in the tank for the next user.
Switch off the electricity at the ceiling switch or local isolator.
7. The “ (medium)” setting of outer knob “A” reduces the power used by the shower giving a cooler
shower or the option of reduced water flow. This option is mainly used for summer usage and if this
is used then inner knob “B” must be re-adjusted.
8. The “ (cold)” setting of outer knob “A” will supply water without any heating, and the neon light
will go out.
9. Your shower is designed to stabilise temperature changes caused by water pressure fluctuations
(see “Effect of Other Water Devices on Incoming Water Supply”).
10. Note that inner knob “B” IS NOT A TAP and does not turn the water off.
WARNING: DO NOT SWITCH THE SHOWER ON IF YOU SUSPECT IT OF BEING FROZEN.
WAIT UNTIL YOU ARE SURE IT HAS THAWED OUT.
WARNING: DO NOT OPERATE THE SHOWER IF WATER LEAKS FROM THE PRESSURE RELIEF
VALVE. MAINTENANCE IS REQUIRED BEFORE THE SHOWER CAN BE SAFELY
USED.
WARNING: CONSIDERATION SHOULD BE GIVEN TO SUPERVISING THE YOUNG, ELDERLY
AND THE INFIRM WHILST THEY USE THIS SHOWER.
HOW TO USE YOUR ACTIVE 350S SHOWER (DETAILED)

4
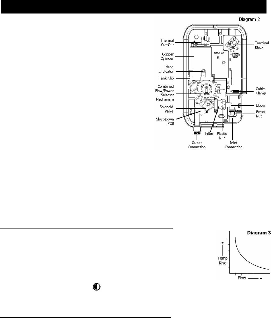
1. Water is heated instantaneously as it flows over the
heating elements in the copper cylinder (diagram 2).
2. The heaters are only switched on when sufficient
water is flowing.
This is done automatically with a switch which works
on water pressure and is indicated by the neon light
illuminating depending on the power selected by
outer knob “A”.
3. The water is turned on and off by the solenoid valve
built into the shower.
This is switched on when outer knob “A” is clicked
clockwise.
4. The flow of water is automatically held at the level
set by the user even though the supply pressure
may vary (see “Effect of Other Water Devices on
Incoming Water Supply”).
5. If the water supply falls below a set limit, the pressure switch will operate and switch off the
power to the elements. This is indicated by the neon light going out (see “Effect of Other Water
Devices on Incoming Water Supply”).
6. As a further safeguard, a thermal cut-out switches the power off if the water temperature
climbs above the set limit. This cut-out, which gives an audible click, may also operate due to
residual heat when the shower is switched off.
It will reset itself if water is run through the shower for 10 to 20 seconds.
7. The pressure relief device is to safeguard against abnormal pressure conditions.
Effect of Seasonal Incoming Water Temperature Changes
The required water temperature is achieved by adjusting the rate of water flow.
Diagram 3 shows the principle involved in relating temperature rise to flow rate.
The higher the water rate the lower the temperature and vice versa.
The temperature of the water supplied from the mains can vary considerably
th
roughout the year from 5 to 20°C.
This means that in the winter, flow rate will be less than in the summer to
achieve the same outlet tempera
ture.
In some summer conditions, the “ (medium)” power setting may give adequate hot water.
In some winter conditions, it may be necessary to select the inner or outer spray pattern only of
your shower handset. This will ensure correct operation of the shower with a slightly lower flow rate.
Effect of Other Water Devices on Incoming Water Supply
Your shower is designed to stabilise temperature changes caused by water pressure
fluctuations. These can result from toilets being flushed or taps being turned on and off.
When this happens your showering temperature will be held within a controlled band, provided that
the minimum pressure required by the shower is maintained.
Your shower requires a minimum operating pressure of 69kPa (0.7 bar, 10 psi).
At pressures above 69kPa (0.7 bar, 10 psi) it will minimise temperature fluctuations as detailed
above. If the water pressure falls below 69kPa (0.7 bar, 10 psi) it is likely that the pressure switch
will turn off the power to the heating eleme
nts, resulting in a cold shower.
This will be indicated by the neon light going out.
HOW YOUR ACTIVE 350S SHOWER WORKS

5
HOW TO MAINTAIN YOUR ACTIVE 350S SHOWER
It is recommended that the shower unit and hose etc. be cleaned using a soft cloth and that the use
of abrasive or solvent cleaning fluid be avoided.
We recommend that before any cleaning, the isolating switch be turned off, thus avoiding
accidentally switching on the shower.
WARNING: IN ORDER TO MAINTAIN THE PERFORMANCE OF YOUR SHOWER,
YOU MUST CLEAN THE SHOWER HANDSET REGULARLY
All water contains particles of lime, which build up in the shower handset and unit reducing the
performance.
It is therefore important to clean the shower handset by simply rubbing the rubber nozzles.
NOTE: After use it is normal for some water to drip from the shower handset for a few moments.
This inhibits scale build-up over prolonged use.
SELF HELP
If the shower is unsatisfactory, make the following checks bef
ore calling out the contractor.
Any one of these adjustments could restore the performance.
The shower cycles
from HOT to COLD The shower temperature is set too hot causing the thermal cut-out (safety
device) to operate.
Turn inner knob “B” anti-clockwise in the direction of the “blue arrows” to
increase water flow.
Slowly increase the water temperature by turning inner knob “B” clockwise in
the direction of the “red arrows” until a comfortable showering temperature has
been reached.
You MUST WAIT approximately 20 seconds for each adjustment to affect the
water temperature.
“ (medium)” setting may need to be selected.
Water too HOT Increase water flow by adjusting inner knob “B” anti-clockwise (direction of the
“blue arrows”).
“ (medium)” setting may need to be selected.
Increase pressure to water supply e.g. fully open service valve or stop cock.
Check hose is not kinked restricting the water flow.
Clean shower handset.
Water too COLD Check power is on by neon being illuminated.
Decrease water flow by adjusting inner knob “B” clockwise (direction of the “red
arrows”). “ (high)” setting may need to be selected.
Select inner or outer only handset spray pattern.
Spray pattern poor Clean the shower handset.
Water takes longer
to heat up Thermal cut-out has operated after previous use
(automatically resets when unit cools down)
“ (high)” setting may need to be selected.
Water goes cold
while using
shower
Check neon light is on.
Check water pressure has not fallen so far as to let pressure switch cut out,
e.g. Another tap drawing water off.
Raise position of shower handset.
Water continues to
flow when
“ (stop)” selected
This is normal.
The shower includes a shutdown feature that means the water will continue to
flow for up to 7 seconds after “ (stop)” has been selected.
Broken parts Please contact our spares department on 08709 000420 (UK only).
Fitting instructions are provided with most spares
WHAT TO DO IF THINGS GO WRONG (1)

6
WHAT TO DO IF THINGS GO WRONG (2)
PROFESSIONAL SERVICE
If the previous “Self Help” checks fail to restore the performance, you should seek professional help.
The person who installed the shower is probably the best one to repair it and is certainly the person
to contact if you have had a problem in the guarantee period.
The following additional checklist is provided for the benefit of the qualified service person.
WARNING: SWITCH OFF THE ELECTRICITY AT THE LOCAL ISOLATOR
BEFORE REMOVING THE COVER TO MAKE CHECKS
Water too HOT Water flow restricted by blockage in filter of solenoid valve.
Switch off water, loosen inlet connection to solenoid, remove filter in solenoid
with long nosed pliers and flush clean.
Water too COLD Check circuit through thermal cut-out.
Check circuit through microswitches on the pressure switch.
Check each element circuit.
Check tightness of electrical connections.
No control over
water flow Check Drive Gite is correctly engaged into Control Knob (see diagram.9)
Undo headworks of stabiliser valve.
Check stabiliser is in place and remove any debris in valve.
Water leaks from
burst pressure
relief valve
Check for cause of high pressure and remove it.
Blockage on outlet e.g. blocked shower handset.
Replace the pressure relief disc (not covered by guarantee).
Water does not
flow when outer
knob “A” is
turned.
Check circuit through solenoid coil. If defective then replace.
Check circuit through microswitches. If defective then replace.
Check circuit through shutdown PCB. If defective then replace.
Power supply not reaching shower.
We offer a technical advisory service on the telephone to
contractors and other customers with problems in the field.
RING 08709 000430 (UK ONLY)
RING YOUR LOCAL DEALER (Export Variants)
Some spare parts (see later section) can be supplied
against Credit or Debit cards.
RING 08709 000420 (UK ONLY)
Remember to quote the exact type of shower, as written on the
front of the shower and on this leaflet.
The model and serial number are located on the bottom face of the
shower.
Make a note of those numbers here, and be sure to quote them if
you call for advice.
Model Number: 53-67_ _ _ _ _ _ _ _ _ _ _ _ _ _
Serial Number: _ _ _ _ _ _ _ _ _ _ _ _ _ _ _ _ _
REDRING AFTER SALES SERVICE

7
WARNING: ALL WIRING AND INSTALLATION MUST BE
SUPERVISED BY A SUITABLY QUALIFIED PERSON.
WARNING: DO NOT INSTALL THIS SHOWER WHERE IT MAY BE
SUBJECTED TO FREEZING CONDITIONS
We recommend that the installation is done in the following sequence.
a. Fixing the shower to the wall b. Plumbing c. Electrical connections
a. FIXING THE SHOWER TO THE WALL
1. Position the riser rail at the height recommended in diagram 5 and
mark its position (also see separate accessories fitting instructions).
2. Position the heater so that the top of the unit is horizontal and level
with, or a maximum of 0.6 metres (2ft) below the top of the
riser rail. Choose a flat piece of wall to avoid the possibility of
distorting the backplate thus making the front cover a poor fit.
3. Adjust the position to get the most convenient arrangement taking
the following into account.
• The possible need to use the handset over the sink for hair washing etc.
• The heater must not be mounted in the direct spray from the handset.
• The handset must not be able to come into contact with used water in the cubicle, bath or
basin. If it can, even after the hose has been retained by the soap dish (see separate
accessories fitting instructions sheet) then a vacuum breaker must be fitted.
4. Fix the riser rail with screws provided (see separate instructions supplied with accessories).
5. Decide the position of the electrical cable into the unit. If top or bottom entry is chosen
(according to diagram 4), cut away the walls in the backplate as shown in diagram 6.
6. Decide the position of entry of the cold water pipe into the unit.
If top, cut away the backplate.
If rear, please read the section on plumbing.
If bottom, remove the front cover (complete with knobs) and cut away the detachable corner
section as shown.
HOW TO INSTALL YOUR ACTIVE 350S SHOWER

8
7. If you have not yet done so, remove the front cover assembly by undoing the retaining screws at
the top and bottom of the unit and lifting the cover off.
Your shower is provided with 2 fixing positions in the backplate (see diagram 4).
The top-fixing hole is a “key-hole” slot (another key-hole is provided for alternate fixing), and
should be marked and drilled first.
Tighten top screw with head protruding about 10mm from the wall and hook the backplate over
the screw head. This allows for correct and accurate alignment of your shower before marking
and fixing the bottom position.
You may not wish to tighten up both screws at this stage as the holes are elongated to allow for
adjustment after other connections have taken place.
b. PLUMBING
WARNING: ENSURE THAT THE MAINS WATER SUPPLY MEETS THE REQUIREMENTS
BELOW BEFORE CONTINUING WITH INSTALLATION.
The heater must be connected to the mains cold water supply.
This must have a minimum running pressure of 69kPa (0.7 bar, 10 psi)
and a maximum pressure of 690kPa (7.0 bar, 100 psi).
WARNING: BEFORE CONNECTING THE PIPE WORK TO THE SHOWER,
ENSURE THAT THE PIPE WORK IS FULLY FLUSHED OUT.
1. Unscrew the “Red Cap” and “Washer” from the shower outlet pipe and discard them in a suitable
manner. These have been used to seal the shower during transit, and are no longer required.
2. It is recommended that a WRAS (Water Regulations Advisory Scheme) listed isolating valve is
fitted between the rising main and the unit.
This will allow the unit to be serviced or exchanged without having to turn off the water at the
water stop valve.
3. The heater can be fed from a header tank provided this has a minimum head of 7 metres (23ft).
4. Ø15mm copper or stainless steel pipe should be used.
To avoid cross threading, DO NOT REMOVE the nut from the elbow when positioning the pipe.
If top entry is required, turn the elbow 180
° into the required position.
If rear entry is required, treat as top entry with an additional “Yorkshire” elbow (soldered type)
for fitting into the rear channel.
In multiple installations, correct pipe work sizes should be calculated to maintain adequate flow
to each shower.
5. It is in order to use a WRAS (Water Regulations Advisory Scheme) approved sealant sparingly
whilst avoiding excess finding its way into the shower operating parts.
6. With stop valve connected, flush the pipe work through to remove any particles etc,
before making the final connection to the shower
.
Blockage in the water ways (particularly the handset and solenoid valve) will prevent the heater
working properly.
7. The shower is designed to have an open outlet and should only be used with ”Redring”
recommended fittings.
Do not connect the handset until after the shower front cover and corner section are fitted.
WARNING: DO NOT FIT A TAP ON THE SHOWER OUTLET.
WARNING: TAKE CARE TO AVOID RESTRICTING THE OUTLET OF THE
PRESSURE RELIEF DEVICE

9
c) ELECTRICAL
WARNING: THIS SHOWER MUST BE EARTHED.
The electrical installation must be in accordance with the current BS.7671 (IEE Wiring Regulations)
and “Part P” of the Building Regulations and/or local regulations
1. The SHOWER is designed for a single phase AC electrical supply.
Please check the rating plate on the unit to see what details apply to your unit.
AS A GUIDE ONLY (* Only applies if external earth impedance is less than 0.35 Ohms)
Rating Cable Sizes
Fuse / MCB
Cable Length
4.0mm²
6.0mm² 32A Type B MCB 21m Max.
35m Max.
7.2 / 6.6kW 240 / 230V
. 6.0mm²
10.0mm² 40A Type B MCB 27m Max.
45m Max.
6.0mm²
10.0mm² 40A Type B MCB 27m Max.
45m Max.
8.5 / 7.8kW 240 / 230V 6.0mm²
10.0mm² 45A BS.1361 fuse 12m Max.*
21m Max.*
6.0mm²
10.0mm² 40A Type B MCB 27m Max.
45m Max.
9.5 / 8.7kW 240 / 230V 6.0mm²
10.0mm² 45A BS.1361 fuse 12m Max.*
21m Max.*
Remember to upgrade the cable if it runs in thermal insulation in a loft, or for a longer distance.
2. A means for disconnection in all poles must be incorporated in the fixed wiring in accordance
with the wiring rules.
We recommend a ceiling switch mounted in a convenient position.
3. Cut back cable as in diagram 7. Connect cable to terminal block making sure that all the
retaining screws are VERY TIGHT and that no cable insulation is trapped under the screws.
WARNING: FAILURE TO COMPLY WITH THESE INSTRUCTIONS COULD RESULT IN
FAILURE OF THE TERMINAL BLOCK
4. Re-Fit the corner section back into the backplate.

10
5. Re-Fit the front cover (see diagram 9)
a. Ensure outer knob “A” is aligned fully anti-clockwise to the “ (stop)” position.
b. Ensure inner knob “B” is aligned fully to the “ (medium)” position.
c. In the main body of the shower, turn the “Drive Spider” fully anti-clockwise until it stops.
d. In the main body of the shower, turn the “Drive Gite” until it is at “3 o’clock”.
e. Fit the front cover of the shower to the main body ensuring that the 3 x “Drive Spider Legs”
engage with the slots in outer knob “A”.
f. Check that inner knob “A” has been correctly aligned by ensuring that the knob can turn
approximately 3/4 of a turn (270°).
g. Check that outer knob “B” has been correctly aligned by ensuring that all 3 power settings can
be selected, and the knob “B” returns to the “ (stop)” position.
6. Replace the top and bottom fastening screws.
7. Fit the shower hose, and operate the shower first without the handset to flush out particles,
fit the handset and then operate the shower as on page 3 or 12 and check:
a. That the water gets to a satisfactory temperature.
b. Water flow can be adjusted by inner control knob “B”.
c. Power selection operates in all 3 positions, giving a change in water temperature and
that the neon light functions correctly.
d. Check again for leaks
e. That the holes in the shower handset are not blocked
8. DEMONSTRATE OPERATION TO USER
Please Note:- The fitting of Spare Parts must be supervised by a suitably qualified person.
White 2 metre Shower Hose Cat No. 83792578 Front Cover Cat No. 93597857
WRAS Water Isolating Valve Cat No. 93792452 Tank-Base Assy (7.2kW) Cat No. 93597858
Chrome Standard Accessories Cat No. 83595317 Tank-Base Assy (8.5kW+) Cat No. 93597859
Chrome Premium Accessories Cat No. 83595319 Solenoid Valve Cat No. 93590722
Chrome Curved Accessories Cat No. 83595320 Neon Cable Assy Cat No. 93590506
Curtain and Rail Pack Cat No. 83792812 Tank Clip Cat No. 93590715
Curtain and Rail Pack with PRV Washer Cat No. 93795817
Non-Slip Mat Cat No. 83792811 Cylinder “O”-Ring Cat No. 93795809
Thermal Cut-Out 50/88°C Cat No. 93597871
Phased Shut-Down PCB Cat No. 93597877
Handset Cat No. 93597862
Height Adjuster Cat No. 93597861
ADDITIONAL ACCESSORIES SPARE PARTS
Additional accessories and spare parts can be
supplied against any Credit or Debit cards
from Redring Sales Hotline 08709 000420

11
:
Full details of terms and conditions are available on request from:-
APPLIED ENERGY PRODUCTS LIMITED
MORLEY WAY, PETERBOROUGH PE2 9JJ
TEL: +44 (0) 1733 456789
FAX: +44 (0) 1733 310606
Website: www.redring.co.uk
GUARANTEE AND CONTACT DETAILS

12
IMPORTANT WARNINGS!
DO NOT SWITCH THE APPLIANCE ON IF YOU SUSPECT IT OF BEING FROZEN.
WAIT UNTIL YOU ARE SURE IT HAS THAWED OUT.
DO NOT OPERATE THE APPLIANCE IF WATER LEAKS FROM THE PRESSURE RELIEF
VALVE. MAINTENANCE IS REQUIRED BEFORE THE APPLIANCE CAN BE SAFELY USED.
CONSIDERATION SHOULD BE GIVEN TO SUPERVISING THE YOUNG, ELDERLY AND
THE INFIRM WHILST THEY USE THIS APPLIANCE
HOW TO USE YOUR ACTIVE 350S SHOWER (SUMMARY)
1. Ensure the electricity and water are turned on to the unit.
2. Turn outer knob “A” clockwise to the “Power Select”
position of your choice.
The water will flow, and the neon indicator light will glow.
= High Power
= Medium Power
= Cold Shower
3. Turn inner knob “B” a small amount until you reach
the desired showering temperature.
Turn anti-clockwise (follow blue arrows) for cooler.
Turn clockwise (follow red arrows) for warmer.
4. When you have finished showering, turn outer knob “A” anti-clockwise to the “ ” position.
(You have no need to adjust inner knob “B”).
5. Water will continue to flow for approximately 7 seconds before switching off.
This reduces the temperature of the water in the tank for the next user.
The neon indicator light will go out.
6. Switch off the electricity supply at the ceiling switch or local isolator.
Notes
• Wait 20 seconds for the temperature to stabilise after each adjustment.
• The neon indicates when the heaters are on and, if the shower has been recently
used, can take up to 20 seconds to come on
.
During this time the water may go from very hot to cold before stabilising.
Also, please note that the neon indicator does not light when the shower is set to the
“ “ cold power setting.
• The position of inner knob “B” will be approximately the same each time the shower
is used, varying only with incoming water temperature or pressure changes
(e.g. you will only need to change from summer to winter).
• During normal operation, if an overheated water temperature is sensed then the
heater will switch off and the neon indi
cator will go out.
The water will continue to flow and cool down before the heater switches back on
again.
Leaflet No. 555-2137-01B