Reebok Fitness 365 Tr Exercise Cycle Rbex71507 0 Users Manual RBEX71507.0 256567
RBEX71507.0 to the manual 0aa02a43-c3dc-4907-b675-006cc5edc354
2015-02-06
: Reebok-Fitness Reebok-Fitness-365-Tr-Exercise-Cycle-Rbex71507-0-Users-Manual-522381 reebok-fitness-365-tr-exercise-cycle-rbex71507-0-users-manual-522381 reebok-fitness pdf
Open the PDF directly: View PDF
.
Page Count: 20

CAUTION
Read all precautions and instruc-
tions in this manual before using
this equipment. Keep this manual
for future reference.
Serial Number
Decal
Model No. RBEX71507.0
Serial No.
Write the serial number in the
space above for future reference.
QUESTIONS?
As a manufacturer, we are commit-
ted to providing complete customer
satisfaction. If you have questions,
or if parts are damaged or missing,
PLEASE DO NOT CONTACT THE
STORE; please contact Customer
Care.
IMPORTANT: You must note the
product model number and serial
number (see the drawing above)
before contacting us.
CALL TOLL-FREE:
1-877-994-4999
Mon.–Fri. 6 a.m.–6 p.m. MST
Sat. 8 a.m.–4 p.m. MST
ON THE WEB:
www.reebokservice.com
Visit our website at
www.reebokhomefitness.com
new products, prizes,
fitness tips, and much more!
USER'S MANUAL

2
TABLE OF CONTENTS
WARNING DECAL PLACEMENT . . . . . . . . . . . . . . . . . . . . . . . . . . . . . . . . . . . . . . . . . . . . . . . . . . . . . . . . . . . . . .2
IMPORTANT PRECAUTIONS . . . . . . . . . . . . . . . . . . . . . . . . . . . . . . . . . . . . . . . . . . . . . . . . . . . . . . . . . . . . . . . .3
BEFORE YOU BEGIN . . . . . . . . . . . . . . . . . . . . . . . . . . . . . . . . . . . . . . . . . . . . . . . . . . . . . . . . . . . . . . . . . . . . . .4
ASSEMBLY . . . . . . . . . . . . . . . . . . . . . . . . . . . . . . . . . . . . . . . . . . . . . . . . . . . . . . . . . . . . . . . . . . . . . . . . . . . . . . .5
HOW TO OPERATE THE EXERCISE CYCLE . . . . . . . . . . . . . . . . . . . . . . . . . . . . . . . . . . . . . . . . . . . . . . . . . . .10
MAINTENANCE AND TROUBLESHOOTING . . . . . . . . . . . . . . . . . . . . . . . . . . . . . . . . . . . . . . . . . . . . . . . . . . .15
EXERCISE GUIDELINES . . . . . . . . . . . . . . . . . . . . . . . . . . . . . . . . . . . . . . . . . . . . . . . . . . . . . . . . . . . . . . . . . . .16
PART LIST . . . . . . . . . . . . . . . . . . . . . . . . . . . . . . . . . . . . . . . . . . . . . . . . . . . . . . . . . . . . . . . . . . . . . . . . . . . . . .18
EXPLODED DRAWING . . . . . . . . . . . . . . . . . . . . . . . . . . . . . . . . . . . . . . . . . . . . . . . . . . . . . . . . . . . . . . . . . . . .19
ORDERING REPLACEMENT PARTS . . . . . . . . . . . . . . . . . . . . . . . . . . . . . . . . . . . . . . . . . . . . . . . . . .Back Cover
LIMITED WARRANTY . . . . . . . . . . . . . . . . . . . . . . . . . . . . . . . . . . . . . . . . . . . . . . . . . . . . . . . . . . . . . .Back Cover
WARNING DECAL PLACEMENT
The warning decal shown here
has been applied in the location
shown. If the decal is missing
or illegible, call the telephone
number on the front cover of
this manual and request a free
replacement decal. Apply the
decal in the location shown.
Note: The decal may not be
shown at actual size.
REEBOK and the Vector Logo are registered trademarks and service marks of Reebok. This product is
manufactured and distributed under license from Reebok International.

3
1. Before beginning any exercise program,
consult your physician. This is especially
important for persons over the age of 35 or
persons with pre-existing health problems.
2. It is the responsibility of the owner to ensure
that all users of the exercise cycle are ade-
quately informed of all precautions.
3. Your exercise cycle is intended for home use
only. Do not use your exercise cycle in a
commercial, rental, or institutional setting.
4. Keep your exercise cycle indoors, away from
moisture and dust. Place your exercise cycle
on a level surface, with a mat beneath it to
protect the floor or carpet. Make sure that
there is enough clearance around your exer-
cise cycle to mount, dismount, and use it.
5. Inspect and properly tighten all parts regular-
ly. Replace any worn parts immediately.
6. Keep children under age 12 and pets away
from your exercise cycle at all times.
7. Your exercise cycle should not be used by
persons weighing more than 250 lbs.
(113 kg).
8. Wear appropriate exercise clothes while
exercising; do not wear loose clothes that
could become caught on your exercise cycle.
Always wear athletic shoes for foot protec-
tion while exercising.
9. When adjusting the seat, insert the adjust-
ment knob into one of the holes in the seat
post. Do not insert the seat pin under the
seat post.
10. The pulse sensor is not a medical device.
Various factors, including the user's move-
ment, may affect the accuracy of heart rate
readings. The pulse sensor is intended only
as an exercise aid in determining heart rate
trends in general.
11. Keep your back straight while using your
exercise cycle; do not arch your back.
12. When you stop exercising, allow the pedals
to slowly come to a stop.
13. If you feel pain or dizziness while exercising,
stop immediately and cool down.
14. Use your exercise cycle only as described in
this manual.
WARNING: To reduce the risk of serious injury, read all important precautions and
instructions in this manual and all warnings on your exercise cycle before using your exercise
cycle. ICON assumes no responsibility for personal injury or property damage sustained by or
through the use of this product.
IMPORTANT PRECAUTIONS

4
BEFORE YOU BEGIN
Seat
Seat Knob Pedal/Strap
Console
Fan
Seat Post
Pulse Sensor
Water Bottle Holder*
*No water bottle is included
Congratulations for selecting the new REEBOK®365
TR exercise cycle. Cycling is one of the most effective
exercises for increasing cardiovascular fitness, building
endurance, and toning the entire body. The 365 TR
exercise cycle offers a selection of features designed
to let you enjoy this healthful exercise in the conve-
nience and privacy of your home.
For your benefit, read this manual carefully before
you use the exercise cycle. If you have questions
after reading this manual, please see the front cover
of this manual. To help us assist you, note the product
model number and serial number before contacting
us. The model number and the location of the serial
number decal are shown on the front cover of this
manual.
To avoid a registration fee for any service needed
under warranty, you must register the exercise
cycle at www.reebokservice.com/registration.
Before reading further, please familiarize yourself with
the parts that are labeled in the drawing below.

5
M8 Nylon
Locknut (37)–4
M8 Split
Washer (36)–4
M10 Black Split
Washer (34)–4
M10 x 73mm Button Bolt (33)–6
M10 x 20mm Button
Screw (35)–3
M6 Nylon
Locknut (54)–4
M10 Nylon
Locknut (52)–2
M4 x 15mm
Screw (40)–4
M4 x 25mm
Screw (39)–6
M4 x 15mm
Screw (15)–2
M6 x 40mm Button
Bolt (53)–4
M10 Bright Split
Washer (55)–3
1. Identify the Front Stabilizer (2), which is narrow-
er than the Rear Stabilizer (not shown). While
another person lifts the front of the Frame (1),
attach the Front Stabilizer to the Frame with two
M10 x 73mm Button Bolts (33) and two M10
Black Split Washers (34).
2
33
34
1
1
ASSEMBLY
To hire an authorized service technician to assemble the exercise cycle, call toll-free 1-800-445-2480.
Assembly requires two persons. Place all parts of the exercise cycle in a cleared area and remove the packing
materials. Do not dispose of the packing materials until assembly is completed. Assembly requires the includ-
ed tools and your own adjustable wrench and Phillips screwdriver .
Use the part drawings below to identify the small parts used in assembly. The number in parentheses below
each drawing refers to the key number of the part, from the PART LIST near the end of this manual. The number
following the parentheses is the quantity needed for assembly. Note: Some small parts may have been pre-
assembled. If a part is not in the parts bag, check to see if it has been preassembled.

6
2. While another person lifts the rear of the Frame
(1), attach the Rear Stabilizer (14) to the Frame
with two M10 x 73mm Button Bolts (33) and two
M10 Black Split Washers (34).
33
34
34
14
1
3
3
35
Be careful to avoid
pinching the Wire
Harnesses (31, 32)
55
55
1
35
3. While another person holds the Upright (3) near
the Frame (1), connect the Upper Wire Harness
(32) to the Lower Wire Harness (31).
Tip: Avoid pinching the wire harnesses dur-
ing this step. Gently pull the upper end of the
Upper Wire Harness (32) to remove the slack,
and slide the Upright (3) onto the Frame (1).
Attach the Upright with three M10 x 20mm
Button Screws (35) and three M10 Bright Split
Washers (55).
2
32
31
4
4. Attach the Water Bottle Holder (29) to the
Upright (3) with two M4 x 15mm Screws (15).
15
29
3

7
6. Attach the Left Arm Pad (49) to the Handlebar
(47) with three M4 x 25mm Screws (39).
Attach the Right Arm Pad (50) in the same
way.
47
39
50
49
6
7. Attach the Handlebar Bracket (48) to the Upright
(3) with two M10 x 73mm Button Bolts (33) and
two M10 Nylon Locknuts (52).
3
52
33
48
7
5. Attach the Handlebar (47) to the Handlebar
Bracket (48) with four M6 x 40mm Button Bolts
(53) and four M6 Nylon Locknuts (54).
54
53
47
48
53
54
5

8
9. While another person holds the Console (6)
near the Upright (3), connect the console wire
harness to the Upper Wire Harness (32).
Tip: Start all screws before tightening any of
them. Also, avoid pinching the Wire Harness
during this step. Insert the excess Wire
Harness (32) downward into the Upright (3).
Attach the Console (6) to the Upright with four
M4 x 15mm Screws (40). 3
40
32
6
Console Wire
Harness
9
8. The Console (6) can be operated with four 1.5V
“D” batteries (not included); alkaline batteries
are recommended. IMPORTANT: If the exer-
cise cycle has been exposed to cold temper-
atures, allow it to warm to room temperature
before inserting batteries into the Console. If
you do not do this, the console displays or
other electronic components may become
damaged. Press the tab on the battery cover
and remove the battery cover. Insert four batter-
ies into the console; make sure that the bat-
teries are oriented as shown. Then, reattach
the battery cover.
The Console (6) can also be operated with an
optional power supply (not included). To pur-
chase a power supply, call the telephone
number on the front cover of this manual. To
avoid damaging the console, use only a
manufacturer-supplied power supply. Plug
one end of the power supply into the jack on the
console; plug the other end into an outlet
installed in accordance with all local codes and
ordinances.
6
Batteries
Battery
Cover
8

9
13. Make sure that all parts are properly tightened before you use the exercise cycle. Note: After assembly
is completed, some extra parts may be left over. Place a mat beneath the exercise cycle to protect the floor.
12. Identify the Left Pedal (24), which is marked
with an “L.” Using an adjustable wrench, firmly
tighten the Left Pedal
counterclockwise
into the
left arm of the Crank (13). Tighten the Right
Pedal (not shown)
clockwise
into the right arm
of the Crank. IMPORTANT: Tighten both
Pedals as firmly as possible. After using the
exercise cycle for one week, retighten the
Pedals. For best performance, keep the
Pedals tightened.
Adjust the strap on the Left Pedal (24) to the
desired position, and press the end of the strap
onto the tab on the side of the Left Pedal.
Adjust the strap on the Right Pedal (not shown)
in the same way.
12
24 13
Strap
Tab
11. Remove the packing tube from the Frame (1),
and discard the packing tube.
Turn the Seat Knob (11) counterclockwise two or
three turns to loosen it (if the Seat Knob is not
loosened enough, it may scratch the Seat Post
[5]). Next, pull the Seat Knob, insert the Seat
Post into the Frame (1), and then release the
Seat Knob. Move the Seat Post upward and
downward slightly until the pin on the Seat
Knob snaps into one of the holes in the Seat
Post. Then, turn the Seat Knob clockwise until it
is tight.
5
11
Packing
Tube
11
1
10. Attach the Seat (12) to the Seat Post (5) with
four M8 Nylon Locknuts (37) and four M8 Split
Washers (36). Note: The Nylon Locknuts and
Split Washers may be pre-attached to the
Seat.
12
5
36
37
10

10
HOW TO OPERATE THE EXERCISE CYCLE
HOW TO ADJUST THE SEAT
For effective exer-
cise, the seat
should be at the
proper height. As
you pedal, there
should be a slight
bend in your knees
when the pedals
are in the lowest
position. To adjust
the height of the
seat, first turn the
seat knob counter-
clockwise two or
three turns to
loosen it (if the knob is not loosened enough, it may
scratch the seat post). Next, pull the knob, slide the
seat post to the desired height, and then release the
knob. Move the seat post up and down slightly until
the pin on the knob snaps into one of the holes in
the seat post. Then, turn the knob clockwise until it is
tight.
HOW TO ADJUST THE PEDAL STRAPS
To adjust the pedal
straps, first pull the
ends of the pedal
straps off the tabs
on the pedals.
Adjust the pedal
straps to the
desired position,
and then press the
ends of the pedal
straps back onto the tabs.
Pedal
Strap
Seat
Post
Seat
Knob
Seat

11
FEATURES OF THE CONSOLE
The advanced console offers an array of features
designed to make your workouts more effective and
enjoyable. When you select the manual mode of the
console, you can change the resistance of the pedals
with the touch of a button. As you exercise, the con-
sole will provide continuous exercise feedback. You
can even measure your heart rate using the handgrip
pulse sensor.
The console also offers sixteen preset workouts. Each
workout automatically changes the resistance of the
pedals and prompts you to increase or decrease your
pedaling speed as it guides you through an effective
workout.
You can even connect your MP3 player or CD player
to the console’s stereo sound system and listen to
your favorite music or audio books while you exercise.
To use the manual mode of the console, follow the
steps beginning on page 12. To use a preset
workout, see page 14. To use the stereo sound
system, see page 14.
Note: If there is a sheet of clear plastic on the face of
the console, remove the plastic.
CONSOLE DIAGRAM

12
HOW TO USE THE MANUAL MODE
1. Press any button on the console or begin ped-
aling to turn on the console.
When you turn on the console, the displays and
the workout target pacer will light. A tone will then
sound and the console will be ready for use.
2. Select the manual mode.
When you turn on the console, the manual mode
will be selected. If you have selected a workout,
reselect the manual mode by pressing one of the
eight buttons on the right or left side of the console
repeatedly until a track appears in the left display.
3. Begin pedaling and change the resistance of
the pedals as desired.
As you pedal, change
the resistance of the
pedals by pressing the
Magnetic Resistance
increase and
decrease buttons.
There are ten resistance levels. Note: After you
press the buttons, it may take a moment for the
pedals to reach the selected resistance level.
4. Follow your progress with the displays.
The upper right
display can show the
elapsed time, the
approximate number
of calories you have
burned, and the dis-
tance you have pedaled. The display will change
modes every few seconds.
The lower right
display can show your
pedaling speed and the
resistance level of the
pedals. The display will
change modes every
few seconds. The display will also show your heart
rate when you use the handgrip pulse sensor (see
step 5 on page 13).
The left display will
show a track repre-
senting 1/4 mile. As
you exercise, indicators
will appear in succes-
sion around the track
until the entire track
appears. The track will
then disappear and the indicators will again begin
to appear in succession
To change the display mode, press the Display but-
ton repeatedly until the desired exercise information
appears in the upper or lower right display. After
several seconds, the displays will change modes
automatically as before.
Note: The console can
display speed and dis-
tance in either miles or
kilometers. The letters
MPH or Km/H will
appear while your ped-
aling speed is dis-
played to show which unit of measurement is
selected. To change the unit of measurement, first
press the Display button for a few seconds until the
display is blank; then, release the Display button.
Press the Fan button repeatedly to change the unit
of measurement. You can also adjust the volume of
the console tones at this time. Press the Magnetic
Resistance increase and decrease buttons to select
a volume level between 1 and 5. When you have
selected the desired unit of measurement and vol-
ume level, press the Display button again.

13
5. Measure your heart rate if desired.
If there are
sheets of clear
plastic on the
metal contacts
on the handgrip
pulse sensor,
remove the plas-
tic. In addition,
make sure that
your hands are
clean. To measure
your heart rate,
hold the handgrip pulse sensor with your palms
resting against the metal contacts. Avoid moving
your hands or gripping the contacts tightly.
When your pulse is detected, a heart-shaped sym-
bol will flash in the lower right display each time
your heart beats, one or two dashes will appear,
and then your heart rate will be shown. For the
most accurate heart rate reading, hold the con-
tacts for at least 15 seconds.
If your heart rate is not shown, make sure that
your hands are positioned as described. Be care-
ful not to move your hands excessively or to
squeeze the metal contacts tightly. For optimal
performance, clean the metal contacts using a soft
cloth; never use alcohol, abrasives, or chemi-
cals to clean the contacts.
6. Turn on the fan if desired.
To turn on the fan at high speed, press the Fan
button. To turn on the fan at low speed, press the
Fan button a second time. To select the auto
mode, press the Fan button a third time; while the
auto mode is selected, the speed of the fan will
automatically increase or decrease as you
increase or decrease your pedaling speed.
Pivot the thumb tab
on the right side of
the fan to adjust
the fan angle.
To turn off the fan, press the Fan button again.
Note: If the pedals do not move for about thirty
seconds, the fan will automatically turn off to con-
serve the batteries.
7. When you are finished exercising, the console
will turn off automatically.
If the pedals do not move for several seconds, a
series of tones will sound and the console will
pause.
If the pedals do not move for about five minutes,
the console will turn off and the displays will be
reset.
Contacts
Thumb
Tab

14
HOW TO USE A PRESET WORKOUT
1. Press any button on the console or begin ped-
aling to turn on the console.
See step 1 on page 12.
2. Select a preset workout.
To select one of the sixteen preset workouts, press
one of the eight buttons on the right or left side of
the console.
When you select a preset workout, the name of
the workout and the maximum resistance level will
appear in the display for a few seconds. A profile
of the resistance levels of the workout will also
scroll across the left side of the display.
3. Begin pedaling to start the workout.
Each workout is divided into either 20 or 30 one-
minute segments. One resistance level and one
target pace setting are programmed for each seg-
ment. Note: The same resistance level and/or tar-
get pace setting may be programmed for consecu-
tive segments.
During the workout, the workout profile will show
your progress (see the drawing above). The flash-
ing segment of the profile represents the current
segment of the workout. The height of the flashing
segment indicates the resistance level for the cur-
rent segment. At the end of each segment of the
workout, a series of tones will sound and the next
segment of the profile will begin to flash. If a differ-
ent resistance level is programmed for the next
segment, the resistance level will appear in the
display for a few seconds to alert you. The resis-
tance of the pedals will then change.
During the workout, the workout target pacer will
prompt you to keep your pedaling speed near the
target pace setting for the current segment. When
a left indicator lights, increase your speed; when a
right indicator lights, decrease your speed. When
the center indicator lights, maintain your current
speed. IMPORTANT: The workout target pacer
is intended only to provide a goal. Make sure
to pedal at a speed that is comfortable for you.
If the resistance level for the current segment is
too high or too low, you can manually override the
resistance level by pressing the Magnetic
Resistance increase or decrease button. However,
when the current segment ends, the resistance of
the pedals will automatically adjust to the resis-
tance level programmed for the next segment.
If you stop pedaling for several seconds, a series
of tones will sound and the workout will pause. To
restart the workout, simply resume pedaling. The
workout will continue until the last segment of the
workout ends.
4. Follow your progress with the displays.
See step 4 on page 12.
5. Measure your heart rate if desired.
See step 5 on page 13.
6. Turn on the fan if desired.
See step 6 on page 13.
7. When you are finished exercising, the console
will turn off automatically.
See step 7 on page 13.
HOW TO USE THE STEREO SOUND SYSTEM
To play music or audio books through the console’s
stereo sound system while you exercise, plug an
audio cable (not included) into the jack on the console
and into a jack on your MP3 player or CD player;
make sure that the audio cable is fully plugged in.
Next, press the play button on your MP3 player or CD
player. Adjust the volume of the speakers using the
volume control on your MP3 player or CD player.
Profile

15
Inspect and properly tighten all parts of the exercise
cycle regularly. Replace any worn parts immediately.
To clean the exercise cycle, use a damp cloth and a
small amount of mild soap—never use alcohol, abra-
sives, or chemicals to clean the exercise cycle.
IMPORTANT: To avoid damage to the console,
keep liquids away from the console and keep the
console out of direct sunlight.
BATTERY REPLACEMENT
If the console display becomes dim, the batteries
should be replaced; most console problems are the
result of low batteries. To replace the batteries, see
assembly step 8 on page 8.
PULSE SENSOR TROUBLESHOOTING
For optimal performance of the pulse sensor, keep the
metal contacts clean. Clean the contacts with a soft
cloth—never use alcohol, abrasives, or chemicals
to clean the metal contacts.
Avoid moving your hands or squeezing the metal con-
tacts too tightly while using the pulse sensor; doing so
may interfere with heart rate readings. For the most
accurate heart rate reading, hold the metal contacts
for about 15 seconds.
MAINTENANCE AND TROUBLESHOOTING

16
These guidelines will help you to plan your exercise
program. For detailed exercise information, obtain a
reputable book or consult your physician. Remember,
proper nutrition and adequate rest are essential for
successful results.
EXERCISE INTENSITY
Whether your goal is to burn fat or to strengthen your
cardiovascular system, exercising at the proper inten-
sity is the key to achieving results. You can use your
heart rate as a guide to find the proper intensity level.
The chart below shows recommended heart rates for
fat burning and aerobic exercise.
To find the proper intensity level, find your age at the
bottom of the chart (ages are rounded off to the near-
est ten years). The three numbers listed above your
age define your “training zone.” The lowest number is
the heart rate for fat burning, the middle number is the
heart rate for maximum fat burning, and the highest
number is the heart rate for aerobic exercise.
Burning Fat—To burn fat effectively, you must exer-
cise at a low intensity level for a sustained period of
time. During the first few minutes of exercise, your
body uses
carbohydrate calories
for energy. Only after
the first few minutes of exercise does your body begin
to use stored
fat calories
for energy. If your goal is to
burn fat, adjust the intensity of your exercise until your
heart rate is near the lowest number in your training
zone. For maximum fat burning, exercise with your
heart rate near the middle number in your training
zone.
Aerobic Exercise—If your goal is to strengthen your
cardiovascular system, you must perform aerobic
exercise, which is activity that requires large amounts
of oxygen for prolonged periods of time. For aerobic
exercise, adjust the intensity of your exercise until
your heart rate is near the highest number in your
training zone.
WORKOUT GUIDELINES
Warming up—Start with 5 to 10 minutes of stretching
and light exercise. A warm-up increases your body
temperature, heart rate, and circulation in preparation
for exercise.
Training Zone Exercise—Exercise for 20 to 30 min-
utes with your heart rate in your training zone. (During
the first few weeks of your exercise program, do not
keep your heart rate in your training zone for longer
than 20 minutes.) Breathe regularly and deeply as you
exercise–never hold your breath.
Cooling down—Finish with 5 to 10 minutes of
stretching. Stretching increases the flexibility of your
muscles and helps to prevent post-exercise problems.
EXERCISE FREQUENCY
To maintain or improve your condition, complete three
workouts each week, with at least one day of rest
between workouts. After a few months of regular exer-
cise, you may complete up to five workouts each
week, if desired. Remember, the key to success is to
make exercise a regular and enjoyable part of your
everyday life.
EXERCISE GUIDELINES
WARNING: Before beginning
this or any exercise program, consult your
physician. This is especially important for
persons over the age of 35 or persons with
pre-existing health problems.
The pulse sensor is not a medical device.
Various factors may affect the accuracy of
heart rate readings. The pulse sensor is
intended only as an exercise aid in determin-
ing heart rate trends in general.

17
SUGGESTED STRETCHES
The correct form for several basic stretches is shown at the
right. Move slowly as you stretch—never bounce.
1. Toe Touch Stretch
Stand with your knees bent slightly and slowly bend forward
from your hips. Allow your back and shoulders to relax as you
reach down toward your toes as far as possible. Hold for 15
counts, then relax. Repeat 3 times. Stretches: Hamstrings, back
of knees and back.
2. Hamstring Stretch
Sit with one leg extended. Bring the sole of the opposite foot
toward you and rest it against the inner thigh of your extended
leg. Reach toward your toes as far as possible. Hold for 15
counts, then relax. Repeat 3 times for each leg. Stretches:
Hamstrings, lower back and groin.
3. Calf/Achilles Stretch
With one leg in front of the other, reach forward and place your
hands against a wall. Keep your back leg straight and your back
foot flat on the floor. Bend your front leg, lean forward and move
your hips toward the wall. Hold for 15 counts, then relax. Repeat
3 times for each leg. To cause further stretching of the achilles
tendons, bend your back leg as well. Stretches: Calves, achilles
tendons and ankles.
4. Quadriceps Stretch
With one hand against a wall for balance, reach back and grasp
one foot with your other hand. Bring your heel as close to your
buttocks as possible. Hold for 15 counts, then relax. Repeat 3
times for each leg. Stretches: Quadriceps and hip muscles.
5. Inner Thigh Stretch
Sit with the soles of your feet together and your knees outward.
Pull your feet toward your groin area as far as possible. Hold for
15 counts, then relax. Repeat 3 times. Stretches: Quadriceps
and hip muscles.
1
2
3
4
5

18
1 1 Frame
2 1 Front Stabilizer
3 1 Upright
4 4 Endcap
5 1 Seat Post
6 1 Console
7 1 Eddy Mechanism
8 1 Resistance Motor
9 5 M5 x 12mm Screw
10 1 Resistance Cable
11 1 Seat Knob
12 1 Seat
13 1 Pulley/Crank
14 1 Rear Stabilizer
15 2 M4 x 15mm Screw
16 1 Magnet
17 1 Left Side Shield
18 1 Right Side Shield
19 1 Spring
20 1 Seat Post Bushing
21 1 Reed Switch/Wire
22 1 Clamp
23 1 Belt
24 1 Left Pedal
25 2 Pedal Strap
26 1 Right Pedal
27 1 Crank Bearing Set
28 1 Idler
29 1 Water Bottle Holder
30 2 Eye Bolt
31 1 Lower Wire Harness
32 1 Upper Wire Harness
33 6 M10 x 73mm Button Bolt
34 4 M10 Black Split Washer
35 3 M10 x 20mm Button Screw
36 4 M8 Split Washer
37 5 M8 Nylon Locknut
38 2 “U” Bracket
39 11 M4 x 25mm Screw
40 4 M4 x 15mm Screw
41 8 M5 x 20mm Screw
42 2 M6 Nut
43 2 3/8" Nut
44 2 Flywheel Nut
45 1 M8 x 20mm Bolt
46 1 M8 Washer
47 1 Handlebar
48 1 Handlebar Bracket
49 1 Left Arm Pad
50 1 Right Arm Pad
51 2 Handlebar Endcap
52 2 M10 Nylon Locknut
53 4 M6 x 40mm Button Bolt
54 4 M6 Nylon Locknut
55 3 M10 Bright Split Washer
* – User’s Manual
* – Hex Key
* – Assembly Tool
Note: Specifications are subject to change without notice. See the back cover of this manual for information
about ordering replacement parts. *These parts are not illustrated.
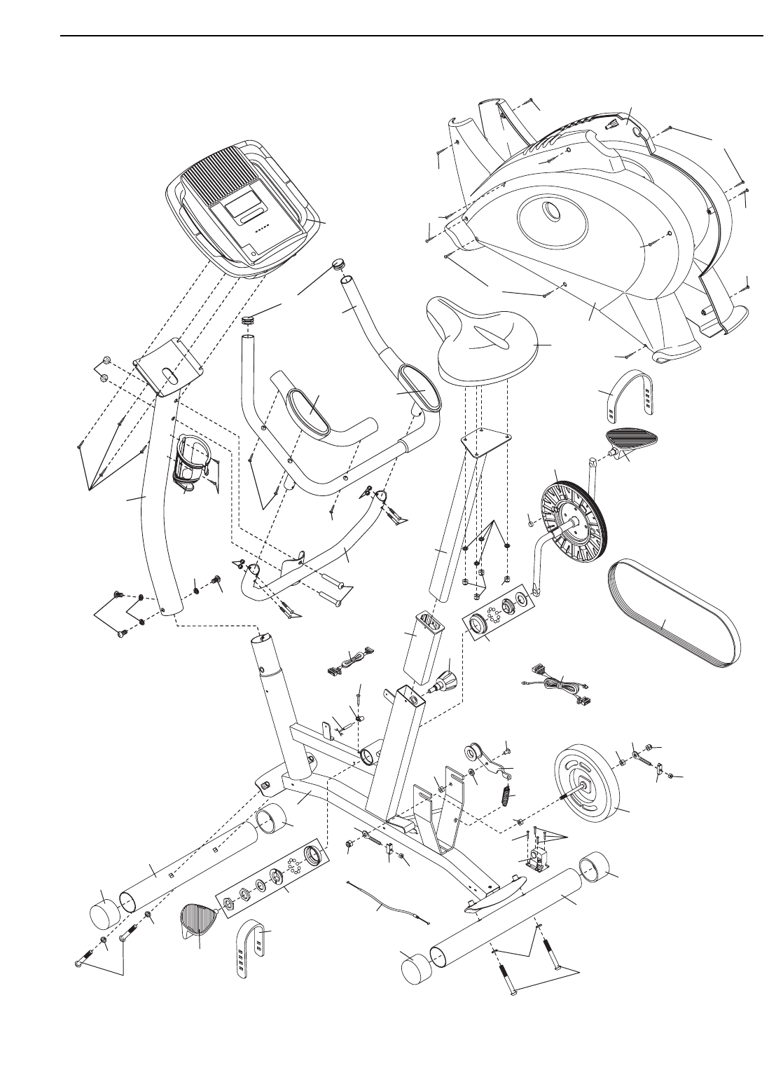
PART LIST—Model No. RBEX71507.0 R0707A
Key No. Qty. Description Key No. Qty. Description

19
2
1
4
4
5
10
11
12
13
14
4
4
16
17
18
19
20
21 22
23
24
25
25
26
27
27
30
31
32
33
33
36
37
38
9
41
41
41
41
41
41
9
39
39
39
7
8
28
38
30
9
42
42
43
43
44
44
45
46
34
34
34
37
3
6
29
35
35 55
55
15
40
39 39
47
50
51
52
33
49
48
53
53
54
54
39
EXPLODED DRAWING—Model No. RBEX71507.0 R0707A

Part No. 256567 R0707A Printed in China © 2007 ICON IP, Inc.
LIMITED WARRANTY
ICON Health & Fitness, Inc. (ICON) warrants this product to be free from defects in workmanship and
material, under normal use and service conditions, for a period of ninety (90) days from the date of pur-
chase. This warranty extends only to the original purchaser. ICON's obligation under this warranty is lim-
ited to replacing or repairing, at ICON's option, the product through one of its authorized service centers.
All repairs for which warranty claims are made must be pre-authorized by ICON. This warranty does not
extend to any product or damage to a product caused by or attributable to freight damage, abuse, mis-
use, improper or abnormal usage or repairs not provided by an ICON authorized service center, products
used for commercial or rental purposes, or products used as store display models. No other warranty
beyond that specifically set forth above is authorized by ICON.
ICON is not responsible or liable for indirect, special or consequential damages arising out of or in con-
nection with the use or performance of the product or damages with respect to any economic loss, loss
of property, loss of revenues or profits, loss of enjoyment or use, costs of removal, installation or other
consequential damages of whatsoever nature. Some states do not allow the exclusion or limitation of inci-
dental or consequential damages. Accordingly, the above limitation may not apply to you.
The warranty extended hereunder is in lieu of any and all other warranties and any implied warranties of
merchantability or fitness for a particular purpose is limited in its scope and duration to the terms set forth
herein. Some states do not allow limitations on how long an implied warranty lasts. Accordingly, the above
limitation may not apply to you.
This warranty gives you specific legal rights. You may also have other rights which vary from state to state.
ICON HEALTH & FITNESS, INC., 1500 S. 1000 W., LOGAN, UT 84321-9813
ORDERING REPLACEMENT PARTS
To order replacement parts, please see the front cover of this manual. To help us assist you, be prepared to
provide the following information when contacting us:
• the model number and serial number of the product (see the front cover of this manual)
• the name of the product (see the front cover of this manual)
• the key number and description of the replacement part(s) (see the PART LIST and the EXPLODED
DRAWING near the end of this manual)