Regency Liberty L900 1 Users Manual 918 726a (02 09 09)
L900-1 to the manual 2585efea-867d-4bc3-865f-b7f352c48821
2015-02-06
: Regency Regency-Liberty-L900-1-Users-Manual-522581 regency-liberty-l900-1-users-manual-522581 regency pdf
Open the PDF directly: View PDF
.
Page Count: 48

Tested by:
FPI FIREPLACE PRODUCTS INTERNATIONAL LTD. 6988 Venture St., Delta, BC Canada, V4G 1H4
918-726a
MODELS: L900-NG1 Natural Gas L900-LP1 Propane
FOR YOUR SAFETY
What to do if you smell gas:
Do not try to light any appliance
Do not touch any electrical switch:
do not use any phone in your
building.
Immediately call your gas supplier
from a neighbour's phone. Follow
the gas supplier's instructions.
If you cannot reach your gas
supplier, call the fi re department.
WARNING:
If the information in these instructions are not followed exactly,
a fi re or explosion may result causing property damage,
personal injury or loss of life.
FOR YOUR SAFETY
Do not store or use gasoline or other fl ammable vapors and
liquids in the vicinity of this or any other appliance.
Installation and service must be performed by a qualifi ed
installer, service agency or the gas supplier.
02/09/09
Installer: Please complete the details on the back cover
and leave this manual with the homeowner.
Homeowner: Please keep these instructions for future reference.
TM
LIBERTY™ L900-1 Gas Fireplace
Owners &
Installation Manual
www.regency-fi re.com

Regency® L900-1 Direct Vent Gas Fireplace
2
To the New Owner:
Congratulations!
You are the owner of a state-of-the-art Gas Fireplace by REGENCY®. The L900-1 has been
designed to provide you with all the warmth and charm of a wood fi replace at the fl ick of
a switch. The model L900-1 has been approved by Warnock Hersey for both safety and
effi ciency. As it also bears our own mark, it promises to provide you with economy, comfort
and security for many trouble free years to follow. Please take a moment now to acquaint
yourself with these instructions and the many features of your Regency® Fireplace.
MANUFACTURED MOBILE HOME REQUIREMENTS
INFORMATION FOR MOBILE/MANUFACTURED HOMES AFTER FIRST SALE
This Regency® product has been tested and listed by Warnock Hersey as a Direct Vent Wall Furnace to the following standards:
VENTED GAS FIREPLACE HEATERS ANSI Z21.88a-2007 / CSA 2.33a-2007 and GAS-FIRED APPLIANCES FOR USE AT HIGH
ALTITUDES CAN / CGA 2.17-M91.
This Direct Vent System Appliance must be installed in accordance with the manufacturer's installation instructions and the
Manufactured Home Construction and Safety Standard, Title 24 CFR, Part 3280, or the current Standard of Fire Safety Criteria for
Manufactured Home Installations, Sites, and Communities ANSI/NFPA 501A, and with CAN/CSA Z240-MH Mobile Home Standard
in Canada.
This appliance installation must comply with the manufacturer's installation instructions and local codes, if any. In the absence of
local codes follow the current National Fuel Gas Code, ANSI Z223.1 and the current National Electrical Code ANSI/NFPA 70 in the
U.S.A., and the current CAN/CGA B149 Gas Installation Code and the current Canadian Electrical Code CSA C22.1 in Canada.
This appliance comes equipped with a dedicated #8 Ground Lug for attachment of the ground wire to the steel chassis as applicable
to local codes.
The appliance, when installed, must be electrically grounded in accordance with local codes or, in the absence of local codes, with
the National Electrical Code, ANSI/NFPA 70, or the Canadian Electrical Code, CSA C22.1.
This appliance may only be installed in an aftermarket permanently located, manufactured (U.S.A only) or mobile home, where not
prohibited by local codes.
This appliance can only be used with the type of gas indicated on the rating plate. This appliance is not convertible for use with
other gases, unless a certifi ed kit is used.
Ensure that structural members are not cut or weakened during installation.

Regency® L900-1 Direct Vent Gas Fireplace 3
TABLE OF CONTENTS
SAFETY LABEL
Copy of Safety Decal .....................................................4
REQUIREMENTS
MA Code - CO Detector.................................................5
UNIT DIMENSIONS
Unit Dimensions ..........................................................6
INSTALLATION
Important Message ......................................................7
Before You Start ............................................................7
General Safety Information............................................7
Installation Checklist ......................................................7
Manufactured Mobile Home Additional Requirements ..8
Locating Your Gas Fireplace .........................................8
Heatwave Duct Kit ........................................................8
Heat Release Kit ...........................................................8
Finished Floor ................................................................8
Clearances ....................................................................9
Mantel Clearances.......................................................10
Mantel Leg Clearances................................................10
Framing & Finishing..................................................... 11
Unit Assembly Prior To Installation ..............................12
Top Standoff Assembly ........................................12
Side Nailing Strips ...............................................12
Finishing Template .......................................................12
Venting Introduction .....................................................12
Vent Restrictor Position ...............................................13
Exterior Vent Termination Requirements .....................14
Venting Arrangements ................................................15
Horizontal Termination (Flex) ...............................15
Rigid Pipe Venting Systems ........................................16
Basic Horizontal & Vertical Terminations .............16
5” x 8” Rigid Pipe Cross Reference Chart ...................17
Venting Arrangements ................................................19
Allowable Horizontal Terminations .......................19
Venting Arrangements ................................................22
Allowable Vertical Terminations ...........................22
Unit Installation with Horizontal Termination ................23
Unit Installation with Vertical Termination ....................24
Unit Installation ............................................................25
Horizontal Termination .........................................25
with Flex Vent System .........................................25
High Elevation .............................................................26
Gas Line Installation ....................................................26
Pilot Adjustment ...........................................................26
Gas Pipe Pressure Testing ..........................................26
SIT 829 Valve Description ...........................................26
Aeration Adjustment ....................................................27
Wiring Diagram ...........................................................27
Conversion from NG to LP ..........................................28
Brick Panel Installation ................................................30
Log Set Installation ......................................................32
Mesh Pull Screen Installation ......................................36
Optional Andiron Installation ........................................37
OPERATING INSTRUCTIONS
Operating Instructions .................................................38
Matching Remote Control & Receiver Code................38
Lighting Procedure ......................................................38
Shutdown Procedure ...................................................38
First Fire ......................................................................38
Normal Operating Sounds of Gas Appliances .............39
Copy of Lighting Plate Instructions ..............................39
MAINTENANCE
Maintenance Instructions.............................................40
General Vent Maintenance ..........................................40
Log Replacement ........................................................40
Thermopile / Thermocouple .........................................40
Glass Gasket ...............................................................40
Door Glass...................................................................40
Glass Replacement .............................................40
DC Spark Box Battery Replacement ...........................41
DC Spark Box Replacement........................................41
Valve Tray Replacement ..............................................42
PARTS LIST
Main Assembly ............................................................44
Burner & Log Assembly ...............................................46
WARRANTY
The Warranty: Limited Lifetime ...................................47

Regency® L900-1 Direct Vent Gas Fireplace
4
INSTALLATION
SAFETY LABEL
This is a copy of the label that accompanies
each L900-NG1 and L900-LP1 Direct Vent
Gas Fireplace. We have printed a copy of the
contents here for your review. The safety label
is located on the left hand side of the unit behind
the mesh screen.
NOTE: Regency® units are constantly being
improved. Check the label on the unit and if
there is a difference, the label on the unit is
the correct one.
COPY OF SAFETY DECAL
For the State of Massachusetts, installation
and repair must be done by a plumber or
gasfi tter licensed in the Commonwealth of
Massachusetts.
For the State of Massachusetts, fl exible
connectors shall not exceed 36 inches in
length.
For the State of Massachusetts, the appli-
ances individual manual shut-off must be a
t-handle type valve.
The State of Massachusetts requires the
installation of a carbon monoxide alarm in
accordance with NFPA 720 and a CO alarm
with battery back up in the same room where
the gas appliance is installed.

Regency® L900-1 Direct Vent Gas Fireplace 5
INSTALLATION
REQUIREMENTS
5.08: Modifications to NFPA-54, Chapter 10
(2) Revise 10.8.3 by adding the following additional requirements:
(a) For all side wall horizontally vented gas fueled equipment installed in every dwelling, building or structure used in whole or in part for
residential purposes, including those owned or operated by the Commonwealth and where the side wall exhaust vent termination is less than
seven (7) feet above finished grade in the area of the venting, including but not limited to decks and porches, the following requirements shall
be satisfied:
1. INSTALLATION OF CARBON MONOXIDE DETECTORS. At the time of installation of the side wall horizontal vented gas fueled
equipment, the installing plumber or gasfitter shall observe that a hard wired carbon monoxide detector with an alarm and battery back-up is
installed on the floor level where the gas equipment is to be installed. In addition, the installing plumber or gasfitter shall observe that a battery
operated or hard wired carbon monoxide detector with an alarm is installed on each additional level of the dwelling, building or structure
served by the side wall horizontal vented gas fueled equipment. It shall be the responsibility of the property owner to secure the services of
qualified licensed professionals for the installation of hard wired carbon monoxide detectors
a. In the event that the side wall horizontally vented gas fueled equipment is installed in a crawl space or an attic, the hard wired carbon
monoxide detector with alarm and battery back-up may be installed on the next adjacent floor level.
b. In the event that the requirements of this subdivision can not be met at the time of completion of installation, the owner shall have a period of
thirty (30) days to comply with the above requirements; provided, however, that during said thirty (30) day period, a battery operated carbon
monoxide detector with an alarm shall be installed.
2. APPROVED CARBON MONOXIDE DETECTORS. Each carbon monoxide detector as required in accordance with the above provisions
shall comply with NFPA 720 and be ANSI/UL 2034 listed and IAS certified.
3. SIGNAGE. A metal or plastic identification plate shall be permanently mounted to the exterior of the building at a minimum height of eight
(8) feet above grade directly in line with the exhaust vent terminal for the horizontally vented gas fueled heating appliance or equipment. The
sign shall read, in print size no less than one-half (1/2) inch in size, "GAS VENT DIRECTLY BELOW. KEEP CLEAR OF ALL
OBSTRUCTIONS".
4. INSPECTION. The state or local gas inspector of the side wall horizontally vented gas fueled equipment shall not approve the installation
unless, upon inspection, the inspector observes carbon monoxide detectors and signage installed in accordance with the provisions of 248 CMR
5.08(2)(a)1 through 4.
(b) EXEMPTIONS: The following equipment is exempt from 248 CMR 5.08(2)(a)1 through 4:
1. The equipment listed in Chapter 10 entitled "Equipment Not Required To Be Vented" in the most current edition of NFPA 54 as adopted by
the Board; and
2. Product Approved side wall horizontally vented gas fueled equipment installed in a room or structure separate from the dwelling, building or
structure used in whole or in part for residential purposes.
(c) MANUFACTURER REQUIREMENTS - GAS EQUIPMENT VENTING SYSTEM PROVIDED. When the manufacturer of Product
Approved side wall horizontally vented gas equipment provides a venting system design or venting system components with the equipment, the
instructions provided by the manufacturer for installation of the equipment and the venting system shall include:
1. Detailed instructions for the installation of the venting system design or the venting system components; and
2. A complete parts list for the venting system design or venting system.
(d) MANUFACTURER REQUIREMENTS - GAS EQUIPMENT VENTING SYSTEM NOT PROVIDED. When the manufacturer of a
Product Approved side wall horizontally vented gas fueled equipment does not provide the parts for venting the flue gases, but identifies
"special venting systems", the following requirements shall be satisfied by the manufacturer:
1. The referenced "special venting system" instructions shall be included with the appliance or equipment installation instructions; and
2. The "special venting systems" shall be Product Approved by the Board, and the instructions for that system shall include a parts list and
detailed installation instructions.
(e) A copy of all installation instructions for all Product Approved side wall horizontally vented gas fueled equipment, all venting instructions,
all parts lists for venting instructions, and/or all venting design instructions shall remain with the appliance or equipment at the completion of
the installation.
MA Code - CO Detector
(for the State of Massachusetts only)

Regency® L900-1 Direct Vent Gas Fireplace
6
INSTALLATION
UNIT DIMENSIONS

Regency® L900-1 Direct Vent Gas Fireplace 7
INSTALLATION
12) Installation and any repairs to this appliance
should be done by an authorized service
person. A professional service person should
be called to inspect this appliance annually.
Make it a practice to have all of your gas
appliances checked annually.
13) Do not slam shut or strike the glass door.
14) Under no circumstances should any solid
fuels (wood, paper, cardboard, coal, etc.)
be used in this appliance.
15) The appliance area must be kept clear and
free of combustible materials, (gases and
other fl ammable vapours and liquids).
INSTALLATION
CHECKLIST
1) Locate appliance
a) Room location (Refer to "Locating Your
Gas fi replace" section)
b) Clearances to Combustibles (Refer to
"Clearances" section)
c) Mantle Clearances (Refer to "Mantel
Clearances" section)
d) Framing & Finishing Requirements
(Refer to "Framing & Finishing"
section)
e) Venting Requirements (Refer to
"Venting" section)
2) Assemble Top and Side Standoffs (Refer to
"Unit Assembly Prior to Installation).
3) Install batteries; four "AA" batteries in the
wall mounted receiver; three "AAA" batteries
in the remote control and one "AA" battery
into the DC Sparker. (Refer to remote control
manual for operating instructions).
4) Convert to propane if desired (Refer to
"Conversion from NG to LP" section).
5) Slide unit into place.
6) Install vent (Refer to "Venting Arrangement"
sections).
7) Make gas connections (Refer to "Gas Line
Installation section).
8) Test the pilot (Refer to "Pilot Adjustment"
section).
Emissions from burning wood or gas could
contain chemicals known to the State of
California to cause cancer, birth defects or
other reproductive harm.
INSTALLATION
IMPORTANT MESSAGE
SAVE THESE
INSTRUCTIONS
The L900-1 Direct Vent Fireplace must be
installed in accordance with these instructions.
Carefully read all the instructions in this manual
fi rst. Consult the "authority having jurisdiction" to
determine the need for a permit prior to starting
the installation. It is the responsibility of the
installer to ensure this fi replace is installed in
compliance with manufacturers instructions and
all applicable codes.
BEFORE YOU START
Safe installation and operation of this appliance
requires common sense, however, we are
required by the Canadian Safety Standards
and ANSI Standards to make you aware of
the following:
YOUNG CHILDREN SHOULD BE
CAREFULLY SUPERVISED WHEN
THEY ARE IN THE SAME ROOM AS
THE APPLIANCE.
CLOTHING OR OTHER FLAMMABLE
MATERIAL SHOULD NOT BE PLACED
ON OR NEAR THE APPLIANCE.
INSTALLATION AND REPAIR SHOULD
BE DONE BY AN AUTHORIZED
SERVICE PERSON. THE APPLIANCE
SHOULD BE INSPECTED BEFORE
USE AND AT LEAST ANNUALLY BY A
PROFESSIONAL SERVICE PERSON.
MORE FREQUENT CLEANING MAY
BE REQUIRED DUE TO EXCESSIVE
LINT FROM CARPETING, BEDDING
MATERIAL, ETC. IT IS IMPERATIVE
THAT CONTROL COMPARTMENTS,
BURNERS AND CIRCULATING AIR
PASSAGEWAYS OF THE APPLIANCE
BE KEPT CLEAN.
DUE TO HIGH TEMPERATURES, THE
APPLIANCE SHOULD BE LOCATED
OUT OF TRAFFIC AND AWAY FROM
FURNITURE AND DRAPERIES.
WARNING: FAILURE TO INSTALL THIS
APPLIANCE CORRECTLY WILL VOID
YOUR WARRANTY AND MAY CAUSE
A SERIOUS HOUSE FIRE.
CHILDREN AND ADULTS SHOULD BE
ALERTED TO THE HAZARDS OF HIGH
SURFACE TEMPERATURES, ESPE-
CIALLY THE FIREPLACE GLASS, AND
SHOULD STAY AWAY TO AVOID BURNS
OR CLOTHING IGNITION.
GENERAL SAFETY
INFORMATION
1) The appliance installation must conform
with local codes or, in the absence of local
codes, with the current Canadian or National
Gas Codes, CAN1-B149 or ANSI Z223.1
Installation Codes.
2) The appliance when installed, must be
electrically grounded in accordance with
local codes, or in the absence of local codes
with the current National Electrical Code,
ANSI/NFPA 70 or CSA C22.1 Canadian
Electrical Code.
3) See general construction and assembly
instructions. The appliance and vent should
be enclosed.
4) This appliance must be connected to the
specifi ed vent and termination cap to the
outside of the building envelope. Never vent
to another room or inside a building. Make
sure that the vent is fi tted as per Venting
instructions.
5) Inspect the venting system annually for
blockage and any signs of deterioration.
6) Venting terminals shall not be recessed into
a wall or siding.
7) Any safety glass removed for servicing
must be replaced prior to operating the
appliance.
8) To prevent injury, do not allow anyone who
is unfamiliar with the operation to use the
fi replace.
9) Wear gloves and safety glasses for protection
while doing required maintenance.
10) Be aware of electrical wiring locations in
walls and ceilings when cutting holes for
termination.
11) Under no circumstances should this
appliance be modifi ed. Parts that have to be
removed for servicing should be replaced
prior to operating this appliance.

Regency® L900-1 Direct Vent Gas Fireplace
8
INSTALLATION
INSTALLATION
This includes:
1) Clocking the appliance to ensure the correct
fi ring rate (rate noted on label 41,500 (NG)
Btu/h, 38,500 (LP) Btu/h) after burning
appliance for 15 minutes.
2) If required, adjusting the primary air to ensure
that the fl ame does not carbon. First allow
the unit to burn for 15-20 min. to stabilize.
CAUTION: Any alteration to the product that
causes sooting or carboning that results
in damage is not the responsibility of the
manufacturer.
MANUFACTURED
MOBILE HOME
ADDITIONAL
REQUIREMENTS
1) Ensure that structural members are not cut
or weakened during installation.
2) Ensure proper grounding using the #8
ground lug provided. See "Wiring Diagram"
section.
LOCATING YOUR
GAS FIREPLACE
1) When selecting a location for your fi replace,
ensure that the clearances are met.
2) The appliance must be installed on a fl at,
solid, continuous surface (e.g. wood, metal,
concrete). This may be the fl oor, or raised up
on a platform to enhance its visual impact.
The appliance must be installed on a metal
or wood panel extending the full width and
depth of the appliance.
3) The L900-1 Direct Vent Gas Fireplace can
be installed in a recessed position or framed
out into the room as in A, B, C and D. See
Diagram 1.
4) This appliance is Listed for bedroom
installations using the standard Remote
(millivolt thermostat system). Some areas
may have further requirements, check local
codes before installation.
5) The L900-1 Direct Vent Gas Fireplace
is approved for alcove installations, see
"Clearances" section for details.
6) We recommend that you plan your installation
on paper using exact measurements for
clearances and floor protection before
actually installing this appliance. Have an
authorized inspector, dealer, or installer
review your plans before installation.
Note: For vent terminations refer to
"Exterior Vent Termination Locations"
section.
HEATWAVE
DUCT KIT
The HeatWave Air Duct Kit increases the
effectiveness of your fi replace by dispersing warm
air from the fi replace to remote locations in the
same room or other rooms in your home.
Up to two kits may be installed on the fi replace.
Please Note: Only 1 HeatWave kit may be
operated at one time.
See HeatWave installation manual for complete
details and clearances from side only.
Diagram 1
A) Flat on Wall
B) Flat on Wall Corner
C) Recessed into
Wall/Alcove
D) Corner
HEAT RELEASE KIT
The Heat Release Kit expels warm air from the
fi replace to the outside of the building, allowing
the fi replace to be operated with less heat entering
the room. The kit may be used on either the left
or right side.
See Heat Release installation manual for complete
details and clearances from side only.
9) Test Gas Pressure (Refer to "Gas Pipe Pres-
sure Testing" section).
10) Install standard and optional features. Refer
to the following sections:
a) Brick Panels
b) Log Set
c) Remote Control - refer to "Matching
Remote Handset & Control Box
ID Code" section.
11) Final check.
Before leaving this unit with the customer, the
installer must ensure that the appliance is fi ring
correctly and operation fully explained to
customer.
The HeatWave Duct Kit has different
clearance and framing requirements,
check the HeatWave manual for details.
IMPORTANT NOTE
Combustible material can only be installed to
the bottom lip of the fi replace as shown below.
The fi nished fl oor must not come in contact with
the front face of the fi replace. Non-combustible
material (see "Framing and Finishing" section)
must act as a barrier between the front face and
fi nished fl oor.
FINISHED FLOOR
The maximum height that combustible fl oor can
be brought above the base of the unit is 3".

Regency® L900-1 Direct Vent Gas Fireplace 9
INSTALLATION
INSTALLATION
CLEARANCES
The clearances listed below are Minimum distances unless otherwise stated:
A major cause of chimney related fi res is failure to maintain required clearances (air space) to combustible materials. It is of the greatest
importance that this fi replace and vent system be installed only in accordance with these instructions.
Clearance to Combustibles from:
Back 0" (0mm)
Side 0" (0mm)
Floor 0" (0mm)
Minimum Clearance from Top of Front Facing:
Mantel min. 17-1/2" (445mm)
Ceiling 49" (1245mm) from top of front facing
Side Wall to Unit:
15-3/4"* (400mm)
Horizontal Vent Clearances to Combustibles:
Top 3" (76mm)
Side 2" (51mm)
Bottom 2" (51 mm)
Vertical Vent Clearances to Combustibles:
All Sides 2" (51mm)
Alcove Clearances:
Min. Depth 36" (914mm)
Min. Width* 84" (2134mm)
Min. Height 84" (2134mm)
* Alcove side wall must have a minimum of 15-3/4" (400mm) clearance on one side.
IMPORTANT: Must install 1 set of brick panels. The operation of this unit without brick panels is prohibited.
Caution Requirements
The top, back and sides of the fi replace are defi ned by
standoffs. The metal ends of the standoff may NOT be
recessed into combustible construction.
WARNING
Fire hazard is an extreme risk
if these clearances (air space) to combustible materials
are not adhered to. It is of greatest importance that this
fi replace and vent system be installed only in
accordance with these instructions.
IMPORTANT
If converting this unit to LP, it is highly recommened
the conversion be done BEFORE the unit is slid into
position for ease of conversion. See "Conversion
from NG to LP" section for instructions.
NOTE: Only materials such as, but not limited to durarock,
wonderboard and concrete board may be put on the front face
of this appliance. See specifi c requirements under "Framing
and Finishing" section.

Regency® L900-1 Direct Vent Gas Fireplace
10
INSTALLATION
INSTALLATION
MANTEL CLEARANCES
Because of the extreme heat this fi replace emits, the mantel clearances are critical. Combustible mantel clearances from top of front facing
are shown in the diagram below.
Note: A non-combustible mantel may be installed at a lower height if the framing is made of metal studs covered with a non-combustible
board.
Note: Ensure the paint that is used
on the mantel and the facing is
"heat resistant" or the paint may
discolour.
MANTEL LEG CLEARANCES
Combustible mantel leg clearances as per diagram:

Regency® L900-1 Direct Vent Gas Fireplace 11
INSTALLATION
INSTALLATION
Diagram 1
1) Frame in the enclosure for the unit with framing material. The framed
opening for the assembled kit is 50-3/4" high x 52" wide x 26-1/2"
deep (1289mm x H 1321mm W x 673mm D). See Diagram 1. Also
see Diagram 2 for corner installations.
Note: When constructing the framed opening, please ensure
there is access to install the gas lines when the unit is installed.
See diagram 3 for details.
2) For exterior walls, insulate the enclosure to the same degree as the rest
of the house, apply vapour barrier and drywall, as per local installation
codes. (Do not insulate the fi replace itself.)
3) The unit does not have to be completely enclosed in a chase. You
must maintain clearances from the vent to combustible materials: See
"Clearances" section. Combustible materials can be laid against the
side and back standoffs and the stove base.
4) Finishing material such as tile, river rock, etc. must not pertrude beyond
the front facing fl anges on all 4 sides of the fi rebox opening.
FRAMING & FINISHING
50-3/4"
(1289mm)
52”
(1321mm)
Min. 26-1/2"
(673mm)
60"
(1524mm)
Combustible Header
(On Edge)
Diagram 2
Diagram 3
NON-COMBUSTIBLE REQUIREMENTS
IMPORTANT
If converting this unit to LP, it is highly recommened
the conversion be done BEFORE the unit is slid into
position for ease of conversion. See "Conversion
from NG to LP" section for instructions.

Regency® L900-1 Direct Vent Gas Fireplace
12
INSTALLATION
INSTALLATION
SIDE NAILING STRIPS
The side nailing strips come attached to the unit.
There are 2 plates on each side, one on the top
and bottom that can be folded out as required.
UNIT ASSEMBLY
PRIOR TO
INSTALLATION
The Top Facing Support, the Side Nailing Strips
and the 2 Top Standoffs must be correctly
positioned and attached to the top before unit
is slipped into position.
TOP STANDOFF ASSEMBLY
The top standoffs are shipped in a fl at position
and must be folded into shape and attached.
1) Remove the standoffs from the fi replace
top.
2) Take each standoff and bend into the correct
shape. Bend up at the bend lines until the
screw holes in the standoff and the pre-
punched screw holes on the fi replace top
line up.
3) Attach the standoff securely to the top
with 2 screws per standoff (on opposite
corners). Side Nailing Strips shown folded out.
FINISHING TEMPLATE
In order to maintain a clean face; the L900-1
allows for a 1/8” in overlap of fi nishing material,
such as rock or tile, on both the left and right
hand sides of the unit (top and bottom sides do
not allow for an overlap), this overlap must not
be exceeded or the glass door will no longer
open properly.
Non-combustible wall board is installed up
to the fl anges on all sides of the unit. When
installing any additional facing material use
the Finishing Template (included with the unit)
to ensure that the fi nishing material does not
exceed the allowable overlap.
The Finishing Template uses two magnets to
attach itself to the fl ange on the left or right side
of the unit (see diagram below). Install the facing
material up to the outside edge (when facing
the unit) of the fi nishing template. This template
may be discarded after the facing material has
been installed.
VENTING
INTRODUCTION
The L900-1 uses the "balanced fl ue" technology
Co Axial system. The inner liner vents products
of combustion to the outside while the outer liner
draws outside combustion air into the combustion
chamber thereby eliminating the need to use
heated room air for combustion and losing warm
room air up the chimney.
Note: These fl ue pipes must not be connected
to any other appliance.
The gas appliance and vent system must be
vented directly to the outside of the building,
and never be attached to a chimney serving a
separate solid fuel or gas burning appliance.
Each direct vent gas appliance must use it's own
separate vent system. Common vent systems
are prohibited.

Regency® L900-1 Direct Vent Gas Fireplace 13
INSTALLATION
Vent restriction is required for certain venting
installations, see the diagrams in the "Venting
Arrangements" section to determine if they are
required for your installation.
The Vent Restrictor plate is located on the inside
top of the fi rebox.
INSTALLATION
VENT RESTRICTOR POSITION
Screws for plugging the holes.
(all holes must be plugged with a screw).
Screw holes for fi xing the restrictor plate.
Vent Restrictor Plate
To set the vent restriction as indicated in the
venting arrangements diagrams, refer to the
following instructions;
3) Remove the glass door.
a. Release the 2 door latches on the left
and right side at the top of the fi rebox.
b. Swing the door out from the top and release
the hinge on the left side of the door and
lift out.
Latch
Latch Location
4) Remove the screws that hold the vent
restrictor plate in place.
5) Adjust the vent restrictor plate to the required
vent restrictor position as per the diagrams
shown.
6) Once the vent restrictor plate is in the required
position, secure with screws.
Door
Hinge
1) Remove the right side mesh by gathering the
mesh together and lifting the curved end of
the rod up and out of the bracket located on
the top right of the glass frame.
Now slide the straight end of the rod out from
the bracket located on the middle inside top
of the outer shell. Repeat for left side.
Front Cover Plate Right Side Pin Shown
2) Remove the front cover plate by lifting up
off of the pins on the left and right side of
the fi rebox.
Right Side Rod with Screen Removed
Vent Restrictor Set 4
Baffl e plate
Position the baffl e plate on the top inside
wall of the fi rebox, push it back until it
contacts the back wall of the fi rebox.
When baffl e plate is in position, secure with
2 relief door screws.
7) Vent Restrictor Set 4 = combination of
Vent Restrictor Set 1 + installation of the
baffl e plate (For application requirements
see vent diagram on page 19).
Relief Door Screws
Loosen the 2 centre relief door screws
(shown below).

Regency® L900-1 Direct Vent Gas Fireplace
14
INSTALLATION
EXTERIOR VENT TERMINATION REQUIREMENTS
INSTALLATION
Minimum Clearance Requirements Canada1USA2
AClearance above grade, veranda, porch, deck, or balcony 12"(30cm) 12"(30cm)
BClearance to window or door that may be opened 12"(30cm) 9" (23cm)
CClearance to permanently closed window **
DVertical clearance to ventilated soffi t located above the terminal within a horizontal distance of 2 feet (61cm) 33"(84cm) 33"(84cm)
EClearance to unventilated soffi t 33"(84cm) 33"(84cm)
FClearance to outside corner: with AstroCap Termination Cap. 13"(33cm) 13"(33cm)
Clearance to outside corner: with all other approved Termination Caps. 13"(33cm) 13"(33cm)
GClearance to inside corner: with AstroCap Termination Cap 18"(46cm) 18"(46cm)
Clearance to inside corner: with all other approved Termination Caps. 18"(46cm) 18"(46cm)
HClearance to each side of center line extended above meter/regulator assembly 36"(90cm)a*
JClearance to service regulator vent outlet 36"(90cm) *
KClearance to non-mechanical air supply inlet to building or the combustion air inlet to any other appliance 12"(30cm) 9" (23cm)
LClearance to a mechanical air supply inlet 72"(1.8m) 36"(90cm)b
MClearance above paved sidewalk or a paved driveway located on public property 84"(2.1m)┼*
NClearance under veranda, porch, deck, or balcony 12"(30cm)‡*
1 In accordance with current CSA B149.1, Natural Gas and Propane Installation Code
2 In accordance with the current ANSI Z223.1/NFPA 54, National Fuel Gas Code
┼ A vent shall not terminate directly above a sidewalk or paved driveway which is located between two single family dwellings and serves both dwellings
‡ Permitted only if veranda, porch, deck, or balcony is fully open on a minimum of two sides beneath the fl oor
* Clearance in accordance with local installation codes and the requirements of the gas supplier
a 3 feet (91cm) within a height of 15 feet (4.5m) above the meter / regulator assembly
b 3 feet (91cm) above - if within 10 feet (3m) horizontally

Regency® L900-1 Direct Vent Gas Fireplace 15
INSTALLATION
INSTALLATION
VENTING ARRANGEMENTS
HORIZONTAL TERMINATION (FLEX)
Regency® Direct Vent System
These venting systems, in combination with the L900-1, have been tested and listed as a direct vent system by Warnock Hersey. The location of the
termination cap must conform to the requirements in the Vent Terminal Locations diagram from the "Exterior Vent Termination Locations" section.
FPI Direct Vent (Flex) System Termination Kits include all the
parts needed to install the L900-1 using a fl exible vent.
Notes:
1) Liner sections should be continuous without any joints
or seams.
2) Only Flex pipe purchased from FPI may be used for Flex
installations.
3) Horizontal vent must be supported every 3 feet.
4) A wall thimble is mandatory for all horizontal terminations
due to high temperatures.
FPI Kit # Length Contains:
#946-615 4 Feet 1) 8” fl exible liner (Kit length)
2) 5” fl exible liner (Kit length)
3) spring spacers
4) thimble
5) AstroCap termination cap
6) screws
7) tube of Mill Pac
8) plated screws
9) S.S. screws #8 x 1-1/2” drill point
10) vinyl siding standoff
#946-618 6 Feet
#946-616 10 Feet

Regency® L900-1 Direct Vent Gas Fireplace
16
INSTALLATION
RIGID PIPE VENTING SYSTEMS
BASIC HORIZONTAL & VERTICAL TERMINATIONS
Rigid Pipe Vent Systems offer a complete
line of component parts for installation of both
horizontal and vertical installations. Many items
are offered in decorative black, as well as gal-
vanized fi nish.
The minimum components required for a basic
horizontal termination are:
1 AstroCap XL
1 90o Elbow
1 Rigid Pipe Adaptor
1 Wall Thimble
1 Length of pipe to suit wall thickness
The minimum components required for a basic
vertical termination are:
1 Vertical Termination Cap
1 Rigid Pipe Adaptor
1 Lengths of pipe to adequately
penetrate roof
1 Ceiling Firestop
1 Flashing
1 Storm Collar
Wall thickness is measured from the back
standoffs to the inside mounting surface of
termination cap. For siding other than vinyl
furring strips may be used, instead of the vinyl
siding standoff, to create a level surface to
mount the vent terminal. The Terminal must
not be recessed into siding. Measure the wall
thickness including furring strips.
If a Vinyl Siding Standoff is required (it must
be used with vinyl siding), measure to outside
surface of wall without siding and add 2
inches.
Alternate
Horizontal Termination
Caps
When using Rigid Vent other than
Simpson Dura-Vent, 3 screws must be
used to secure rigid pipe to adaptor.
The FPI AstroCap XLTM is certifi ed for installations using FPI venting systems as well as Simpson Dura-Vent® Direct Vent Pro and Selkirk Direct-Temp.
AstroCap XLTM is a proprietary trademark of FPI Fireplace Products International Ltd. Dura-Vent® and Direct Vent GS are registered and/or proprietary
trademarks of Simpson Dura-Vent Co. Inc.
This product has been evaluated by Intertek
for using a Rigid Pipe Adaptor in conjunction
with Simpson DV Pro, Metal-Fab Sure-Seal
and Selkirk Direct-Temp systems. Use of these
systems with the Rigid Pipe adaptor is deemed
acceptable and does not affect the Intertek WHI
listing of components.
WARNING:
Do not combine venting components from
different venting systems.
Expection: However, use of the the AstroCap
XLTM is acceptable with all systems.
INSTALLATION
Part # 5DT-ST14 (14")
Part # 5DT-ST36 (36")

Regency® L900-1 Direct Vent Gas Fireplace 17
INSTALLATION
INSTALLATION
5” X 8” RIGID PIPE CROSS REFERENCE CHART
Components from different Manufacturers may not be mixed. Not All Rigid Pipe components are available directly from FPI.

Regency® L900-1 Direct Vent Gas Fireplace
18
INSTALLATION
INSTALLATION

Regency® L900-1 Direct Vent Gas Fireplace 19
INSTALLATION
VENTING ARRANGEMENTS
ALLOWABLE HORIZONTAL TERMINATIONS
The diagram shows all allowable combinations of vertical runs with horizontal terminations, using one 90o two 45o elbows equal one 90o elbow).
Note: Must use optional rigid pipe adapter (Part# 770-994) when using Rigid Pipe Venting Systems.
• Maintain clearances to combustibles as listed in "Clearances" section
• Horizontal vent must be supported every 3 feet.
• Firestops are required at each fl oor level and whenever passing through a wall.
• A wall thimble is mandatory for all horizontal terminations due to high temperatures.
VENT RESTRICTOR SETTING:
Vent restrictor factory set, no adjustment required unless otherwise indicated.
Refer to the "Vent Restrictor Position" section for details on how to change the vent restrictor from the factory setting of Set 1 to
Set 2 or Set 4 if required.
Note: Regency® Direct Vent System (Flex) is only approved for horizontal terminations.
INSTALLATION

Regency® L900-1 Direct Vent Gas Fireplace
20
INSTALLATION
Horizontal Venting with Two (2) 90o Elbows
Horizontal Venting with Three (3) 90o Elbows
One 90o elbow = Two 45o elbows.
Option V H + H1
A) 2' Min. 4' Max.
B) 3' Min. 6' Max.
C) 4' Min. 8' Max.
D) 5' Min. 9' Max.
E) 6' Min. 10' Max.
With these options,
maximum total pipe length
is 30 feet with minimum
of 6 feet total vertical and
maximum 10 feet total
horizontal.
Please note minimum 1 foot between 90o elbows is
required.
VENT RESTRICTOR SETTING:
Vent restrictor factory set at Set 1, no adjustment required.
INSTALLATION
One 90o elbow = Two 45o elbows.
Option V H V + V1 H + H1
A) 2' Min. 1' Max. 3' Min. 2' Max.
B) 2' Min. 2' Max. 5' Min. 4' Max.
C) 3' Min. 2' Max. 7' Min. 5' Max.
D) 4' Min. 3 Max. 9' Min. 6' Max.
E) 5' Min. 4' Max. 10' Min. 7' Max.
F) 6' Min. 6' Max. 11' Min. 9' Max.
With these options, max.
total pipe length is 30 feet
with min. of 11 feet total
vertical and max. 9 feet total
horizontal.
Please note min. 1 foot
between 90o elbows is
required.
VENT RESTRICTOR SETTING:
Vent restrictor factory set at Set 1, no adjustment required.

Regency® L900-1 Direct Vent Gas Fireplace 21
INSTALLATION
Vertical Venting with Three (3) 90o Elbows
INSTALLATION
Option V H + H1 V + V1
A) 2' Min. 2' Max. 4' Min.
B) 3' Min. 4' Max. 6' Min.
C) 4' Min. 5' Max. 7' Min.
D) 5' Min. 6' Max. 8' Min.
E) 6' Min. 8' Max. 9' Min.
One 90o elbow = Two 45o elbows.
With these options, max. total
pipe length is 30 feet with min.
of 9 feet total vertical and max.
8 feet total horizontal.
Please note min. 1 foot
between 90o elbows is
required.
VENT RESTRICTOR SETTING:
Vent restrictor factory set at Set 1, no adjustment required.

Regency® L900-1 Direct Vent Gas Fireplace
22
INSTALLATION
VENTING ARRANGEMENTS
ALLOWABLE VERTICAL TERMINATIONS
The shaded area in the diagram shows all allowable combinations of straight vertical and offset to vertical terminations, using two 90o elbows, with
Rigid Pipe Venting Systems for Propane and Natural Gas. Two 45o elbows equal to one 90o elbow. Maximum of four 45o elbows allowed.
• Vent must be supported at offsets.
• Firestops are required at each fl oor level and whenever passing through a wall.
• Maintain clearances to combustibles as listed in the "Clearances" section.
• Refer to the "Vent Restrictor Position" section for details on how to change the vent restrictor from the factory setting of
Set 1 to Set 2 or Set 3 if required.
Note: Must use optional fl ue adapter when using Rigid Pipe (Part # 770-994).
INSTALLATION

Regency® L900-1 Direct Vent Gas Fireplace 23
INSTALLATION
INSTALLATION
Diagram 7
Diagram 5
7) Ensure that the pipe clearances to
combustible materials are maintained
(Diagram 5). Install the termination cap.
Note: If installing termination on a vinyl
siding covered wall, a vinyl siding
standoff or furring strips must be used
to ensure that the termination is not
recessed into the siding.
The four wood screws provided should be re-
placed with appropriate fasteners for stucco,
brick, concrete, or other types of sidings.
8) Before connecting the horizontal run of vent
pipe to the vent termination, slide the Wall
Thimble over the vent pipe. The wall thimble
is required for all horizontal terminations.
9) Slide the appliance and vent assembly
towards the wall carefully inserting the vent
pipe into the vent cap assembly. It is important
that the vent pipe extends into the vent cap
suffi cient distance so as to result in a minimum
pipe overlap of 1-1/4 inches (32mm). Secure
the connection between the vent pipe and
the vent cap.
10) Install wall thimble in the center of the 11"
(279mm) square and attach with wood screws
(Diagram 7).
UNIT INSTALLATION
WITH HORIZONTAL
TERMINATION
(Rigid Vent Systems)
A top clearance of 3"(76mm) and side & bottom
clearance of 2"(51mm) must be maintained;
except when passing through a wall, ceil-
ing, or at the termination where the use of a
fi restop or wall thimble reduces the required
clearance to 1-1/2" (38mm). We recommend
framing a 11"(279mm) x 11"(279mm) (inside
dimensions) hole to give structural rigidity
for mounting the termination.
Install the vent system according to the
manufacturer's instructions included with the
components.
1) Set the unit in its desired location. Check to
determine if wall studs or roof rafters are in
the way when the venting system is attached.
If this is the case, you may want to adjust
the location of the unit. Rough in the gas
preferably on the right side of the unit and
the electrical (junction block is on the left
side) on the left.
2) Direct Vent pipe and fi ttings are designed with
special twist-lock connections to connect the
venting system to the appliance fl ue outlet.
A twist-lock appliance adaptor is required.
3) In conjunction with the Simpson Direct Vent
Pro system, install the adaptor after the unit is
set in its desired location. Put a bead of high
temperature silicone inside the outer section
of the adapter and a bead of Mill Pack on the
inner collar. Slip the adapter over the existing
inner and outer fl ue collar. Fasten to the outer
collar only with the 3 supplied screws (drilling
pilot holes will make this easier).
4) Level the fi replace and fasten it to the framing
using nails or screws through the top and
side nailing strips.
5) Assemble the desired combination of pipe
and elbows to the appliance adaptor and
twist-lock for a solid connection.
Note: For best results and optimum
performance with each approved
venting system, it is highly
recommended to apply “Mill-Pac”
sealant (supplied) to every inner pipe
connection. Failure to do so may result
in drafting or performance issues not
covered under warranty. Silicone (red
RTV) is optional.
Diagram 1
6) Mark the wall for a 11" x 11" (279mm x
279mm) square hole. The center of the
square hole should line up with the center-
line of the horizontal pipe. Cut and frame the
11 inch (279mm) square hole in the exterior
wall where the vent will be terminated. See
diagram 2 for center line requirements.
If the wall being penetrated is constructed of
non-combustible material, i.e. masonry block
or concrete, an 8" (203mm) diameter hole
is acceptable.
Diagram 2
Note:
a) The horizontal run of vent must be level,
or have a 1/4 inch rise for every 1 foot
of run towards the termination. Never
allow the vent to run downward. This
could cause high temperatures and may
present the possibility of a fi re.
b) The location of the horizontal vent
termination on an exterior wall must meet
all local and national building codes, and
must not be blocked or obstructed. See
"Exterior Vent Termination Locations"
section for more details.
Horizontal runs of vent must be supported
every 3 feet (0.9meter). Wall straps are
available for this purpose.

Regency® L900-1 Direct Vent Gas Fireplace
24
INSTALLATION
INSTALLATION
6) Continue to assemble pipe lengths.
Note: If an offset is necessary in the attic
to avoid obstructions, it is important
to support the vent pipe every 3
feet (0.9 meter), to avoid excessive
stress on the elbows, and possible
separation. Wall straps are available
for this purpose
(Diagram 2).
Galvanized pipe is desirable above the roofl ine
due to its higher corrosion resistance. Continue
to add pipe sections through the fl ashing until
the height of the vent cap meets the minimum
height requirements specifi ed in Diagram 5 or
local codes. Note that for steep roof pitches,
the vertical height must be increased.
Diagram 3
Note:
For best results and optimum performance
with each approved venting system, it is
highly recommended to apply “Mill-Pac”
sealant (supplied) to every inner pipe connec-
tion. Failure to do so may result in drafting
or performance issues not covered under
warranty. Silicone (red RTV) is optional.
UNIT INSTALLATION
WITH VERTICAL
TERMINATION
(Rigid Vent Systems)
Note: A clearance of 2"(51mm) must be
maintained; except when passing
through a wall, ceiling, or at the
termination where the use of a fi restop
or wall thimble reduces the required
clearance to 1-1/2" (38mm). We
recommend framing a 11"(279mm) x
11"(279mm) (inside dimensions) hole
to give structural rigidity for mounting
the termination.
1) Maintain the 2" (51mm)
clearances (air spaces)
to combustibles when
passing through ceilings,
walls, roofs, enclosures,
attic rafter, or other nearby
combustible surfaces.
Do not pack air spaces
with insulation. Check
"Venting Arrangemnt
- Vertical Termination"
section for the
maximum vertical rise
of the venting system and
the maximum horizontal
offset limitations.
2) Set the gas appliance
in its desired location.
Drop a plumb bob
down from the ceiling
to the position of the
appliance fl ue exit,
and mark the location
where the vent will
penetrate the ceiling.
Drill a small hole at
his point. Next, drop
a plumb bob from
the roof to the hole
previously drilled in
the ceiling, and mark
the spot where the
vent will penetrate the roof. Determine if ceiling
joists, roof rafters or other framing will obstruct
the venting system. You may wish to relocate
the appliance or to offset, as shown in Diagram
2 to avoid cutting load bearing members.
3) A Firestop spacer must be installed in the fl oor
or ceiling of every level.
4) Assemble the desired lengths of pipe and
elbows. Ensure that all pipes and elbow
connections are in the fully twist-locked
position and sealed.
Diagram 4: The upper half of the fl ashing is
installed under the roofi ng material and not
nailed down until the chimney is installed.
This allows for small adjustments.
5) Cut a hole in the roof centered on the small
drilled hole placed in the roof in Step 2. The
hole should be of suffi cient size to meet
the minimum requirements for clearance to
combustibles of 1-1/2"(38mm). Slip the fl ashing
under the shingles (shingles should overlap
half the fl ashing) as per Diagram 4.
Offset Chart
A poor draft, or down drafting can result from
high wind conditions near big trees or adjoining
roof lines, in these cases, increasing the vent
height may solve the problem.
7) Ensure vent is vertical and secure the base
of the fl ashing to the roof with roofi ng rails,
slide storm collar over the pipe section and
seal with a mastic.
8) Install the vertical termination cap by twist-
locking it.
Note: Any closets or storage spaces, which
the vent passes through must be
enclosed.
Diagram 5
Roof Pitch
Minimum Vent
Height
Feet Meters
fl at to 7/12 2 0.61
over 7/12 to 8/12 2 0.61
over 8/12 to 9/12 2 0.61
over 9/12 to 10/12 2.5 0.76
over 10/12 to 11/12 3.25 0.99
over 11/12 to 12/12 4 1.22
over 12/12 to 14/12 5 1.52
over 14/12 to 16/12 6 1.83
over 16/12 to 18/12 7 2.13
over 18/12 to 20/12 7.5 2.29
Diagram 2
Diagram 1

Regency® L900-1 Direct Vent Gas Fireplace 25
INSTALLATION
INSTALLATION
4) Separate the 2 halves of the wall thimble and
securely fasten the one with the tabs to the
outside wall making sure that the tabs are
on top and bottom. Fasten the other thimble
half to the inside wall. The thimble halves
slip inside each other and can be adjusted
for 2 x 4 or 2 x 6 walls.
5) Slip the assembled liner and termination
assembly through the thimble making sure
the termination cap faces up (there are
markings on the cap that show which way
is up). This will position the termination cap
with proper down slope for draining water.
Fasten the cap to the outer wall with the 4
supplied screws.
6) Pull the centre 5"(127mm) liner and outer
8"(203mm) liner out enough to slip over
the fl ue collars of the fi replace. (You may
wish to cut the liner shorter to make it more
workable.) Do not bend liner more than 90o.
The liners must slip over the collars a
minimum of 1-3/8".
7) Apply Mill Pac over the fi replace inner collar
and slip the 5"(127mm) liner down over it
and attach with 3 supplied screws.
8) Do the same with the 8"(203mm) liner.
9) Apply a bead of silicone between the thimble
and termination and around the outer edge
of the terminal at the wall in order to keep
the water out.
UNIT INSTALLATION
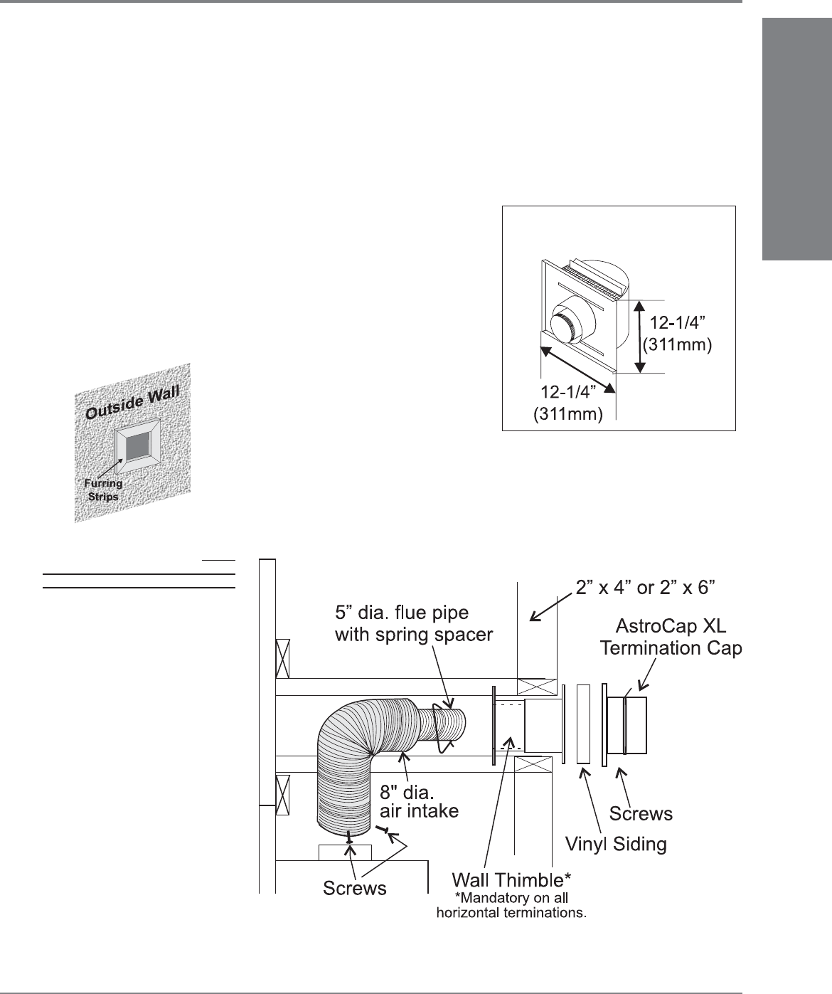
HORIZONTAL TERMINATION
WITH FLEX VENT SYSTEM
Note: A top clearance of 3"(76mm) and
side & bottom clearance of 2"(51mm)
must be maintained; except when
passing through a wall, ceiling, or
at the termination where the use of
a fi restop or wall thimble reduces the
required clearance to 1-1/2" (38mm).
We recommend framing a 11"(279mm)
x 11"(279mm) (inside dimensions)
hole to give structural rigidity for
mounting the termination.
1) Locate the unit in the framing, rough in the
gas (preferably on the right side of the unit).
Locate the centerline of the termination and
mark wall accordingly. Cut an 11"(279mm)
hole in the wall (inside dimension).
Note: If installing termination on a siding
covered wall, a vinyl siding standoff
or vinyl furring strips must be used
to ensure that the termination is not
recessed into the siding.
2) Level the fi replace and fasten it to the fram-
ing using nails or screws through the nailing
strips.
3) Assemble the vent assembly by applying
Mill Pac to the 5"(127mm) inner collar of
the termination and slipping the 5"(127mm)
liner over it at least 1-3/8" (35mm). Fasten
with the 3 screws (drilling pilot holes will
make this easier). Apply Mill Pac or high
temperature silicone to the 8"(203mm) fl ex
pipe and slip it over the 8" outer collar of
the vent terminal at least 1-3/8"(35mm) and
fasten with the 3 screws.
NOTE: Horizontal sections must be sup-
ported at intervals not exceeding 3
feet (0.9 meter). (Flame picture and
performance will be affected by sags
in the liner).
IMPORTANT: Do not locate termination
hood where excessive snow or ice
buildup may occur. Be sure to check vent
termination area after snow falls, and clear
to prevent accidental blockage of venting
system. When using snow blowers, make
sure snow is not directed towards vent
termination area.
ASTROCAP XL
DIMENSIONS (946-623/P)

Regency® L900-1 Direct Vent Gas Fireplace
26
INSTALLATION
GAS PIPE PRESSURE
TESTING
The appliance must be isolated from the gas
supply piping system by closing its individual
manual shut-off valve during any pressure
testing of the gas supply piping system at
test pressures equal to or less than 1/2 psig.
(3.45 kPa). Disconnect piping from valve at
pressures over 1/2 psig.
The manifold pressure is controlled by a regulator
built into the gas control, and should be checked
at the pressure test point.
Note: To properly check gas pressure, both
inlet and manifold pressures should
be checked using the valve pressure
ports on the valve.
1) Make sure the valve is in the "OFF"
position.
2) Loosen the "IN" and/or "OUT" pressure tap(s),
turning counterclockwise with a
1/8" wide fl at screwdriver.
3) Attach manometer to "IN" and/or "OUT"
pressure tap(s) using a 5/16" ID hose.
4) Light the pilot and turn the valve to "ON"
position.
5) The pressure check should be carried out
with the unit burning and the setting should
be within the limits specifi ed on the safety
label.
6) When fi nished reading manometer, turn off the
gas valve, disconnect the hose and tighten the
screw (clockwise) with a 1/8" fl at screwdriver.
Note: Screw should be snug, but do not
over tighten.
SIT 829 VALVE DESCRIPTION
1) Gas on/off knob
2) Electronically Operated Hi/Lo
3) Pilot Adjustment
4) Thermocouple Connection - option
5) Outlet Pressure Tap
6) Inlet Pressure Tap
7) Pilot Outlet
8) Main Gas Outlet
9) Alternative TC Connection Point
HIGH ELEVATION
This unit is approved in Canada for altitude 0
to 4500 ft. (CAN1 2.17-M91).
GAS LINE
INSTALLATION
Since some municipalities have additional
local codes it is always best to consult with
your local authorities and the CAN/CGA B149
installation code.
For USA installations follow local codes and/or
the current National Fuel Gas Code, ANSI
Z223.1.
When using copper or fl ex connectors use only
approved fi ttings. Always provide a union so
that gas lines can be easily disconnected for
servicing. Flare nuts for copper lines and fl ex
connectors are usually considered to meet this
requirement.
IMPORTANT: Always check for gas leaks
with a soap and water solution or gas leak
detector. Do not use open fl ame for leak
testing.
Periodically check the pilot fl ames. Correct
fl ame pattern has three strong blue fl ames:
1 fl owing around the thermopile, 1 around
the thermocouple and 1 fl owing across the
burner (it does not have to be touching the
burner).
Note: If you have an incorrect fl ame pattern,
contact your Regency® dealer for
further instructions.
Incorrect fl ame pattern will have small,
probably yellow fl ames, not coming into
proper contact with the rear burner or
thermopile or thermocouple.
PILOT ADJUSTMENT
L900-NG1 SYSTEM DATA
Min. Supply
Pressure
5" WC (1.25 kpa)
Low Setting Man.
Pressure
1.6" WC (0.39 kpa)
Max. Manifold
Pressure
3.5" WC (0.87 kpa)
Orifi ce Size #30 DMS
Minimum Input 28,000 Btu/h
(8.20 kW)
Maximum Input 41,500 Btu/h
(12.16 kW)
L900-LP1 SYSTEM DATA
Min. Supply
Pressure
12" WC (2.98 kpa)
Low Setting Man.
Pressure
6.4" WC (1.59 kpa)
Max. Manifold
Pressure
10" WC (2.49 kpa)
Orifi ce Size #49 DMS
Minimum Input 31,000 Btu/h
(9.08 kW)
INSTALLATION

Regency® L900-1 Direct Vent Gas Fireplace 27
INSTALLATION
WIRING DIAGRAM
AERATION ADJUSTMENT
The burner aeration is factory set but may need
adjusting due to either the local gas supply or
altitude. Open the air shutter for a blue fl ame or
close for a more yellow fl ame.
In order to adjust the aeration, the logs, grate
and burner will need to be removed to be able
to access the shutters.
Minimum Air Shutter Opening:
NG 1/8"
LP 1/2"
CAUTION: Label all wires prior to disconnection
when servicing controls. Wiring errors can
cause improper and dangerous operation.
Caution: Ensure that the wires do not touch any
hot surfaces and are away from sharp edges.
CAUTION: Carbon will be produced if air shutter
is tightly closed.
Note: Any damage due to carboning
resulting from improperly setting
the aeration controls is NOT covered
under warranty.
INSTALLATION
NOTE: The #8 ground lug is located on
the outer left side of the unit.

Regency® L900-1 Direct Vent Gas Fireplace
28
INSTALLATION
CONVERSION KIT #547-969 FROM NG TO LP
INSTALLATION
LP Conversion Kit Contains:
Qty. Part # Description
1 910-582 LP Conversion Coil
1 910-037 LP Pilot Orifi ce
1 904-431 Orifi ce #49
1 904-529 Allen Key
1 918-590 LP Conversion Decal
1 908-528 Red Propane Label
1 918-734 Instruction Sheet
4) Remove the grate by undoing the 4 screws,
2 on each side.
THIS CONVERSION MUST BE DONE BY A QUALIFIED GAS FITTER, IF IN DOUBT DO NOT DO THIS CONVERSION!!
c. Place the door on a soft surface to prevent
scratching.
Grate
5) Remove the burner tube by removing the 2
screws.
Burner Tube
3) Remove the glass door.
a. Release the 2 door latches on the left
and right side at the top of the fi rebox.
b. Swing the door out from the top and release
the hinge on the left side of the door and
lift out.
Latch
Latch Location
Door
Hinge
Front Cover Plate Right Side Pin Shown
2) Remove the front cover plate by lifting up
off of the pins on the left and right side of
the fi rebox.
Right Side Rod with Screen Removed
1) Remove the right side mesh by gathering the
mesh together and lifting the curved end of
the rod up and out of the bracket located on
the top right of the glass frame.
Now slide the straight end of the rod out from
the bracket located on the middle inside top
of the outer shell. Repeat for left side.

Regency® L900-1 Direct Vent Gas Fireplace 29
INSTALLATION
8) Remove the NG pilot orifice with the
5/32 Allen Key and replace with LP pilot
orifi ce.
9) Re-install the pilot cap.
13) Install the enclosed identifi cation label to the
valve body where it can be easily seen.
14) Attach the LP conversion decal near or
on top of the serial no. decal.
15) Replace yellow "Natural Gas" label with red
"Propane" label.
16) Adjust the burner aeration setting to the
LP setting (1/2") and re-install the burner
tube.
17) Re-install the grate.
18) Re-install the glass door.
19) Re-install the front cover plate
20) Continue with completing unit installation.
NOTE: Once the unit has been installed;
Installer Notice:
This instructions must be left
with the appliance.
a) Turn on the gas supply and check for
gas leaks.
b) Check the inlet and outlet pressures.
c) Check operation of fl ame control using
the remote control.
d) Check for proper fl ame appearance.
10) Undo the center wire clip on the side of the
fi rebox.
11) Unplug the wire harness that connects the
modulating coil to the receiver.
12) Remove NG modulating regulator by
undoing 3 screws and replace with LP
modulating regulator.
6) Remove the burner orifi ce with a 1/2" wrench.
Use another wrench to hold onto the elbow
behind the orifi ce. Replace the NG burner
orifi ce with LP orifi ce #49.
Burner Orifi ce
7) Pull off the pilot cap to expose the pilot
orifi ce.
INSTALLATION

Regency® L900-1 Direct Vent Gas Fireplace
30
INSTALLATION
BRICK PANEL INSTALLATION
IMPORTANT: Must install 1 set of brick panels. The operation of this unit without the brick panels is prohibited.
Dangerous operating conditions may occur if the panels are broken.
Handle with care. DO NOT FORCE INTO POSITION.
INSTALLATION
3) Remove the glass door.
a. Release the 2 door latches on the left and right side at the top of
the fi rebox.
Latch
b. Swing the door out from the top and release the hinge on the left
side of the door and lift out.
c. Place the door on a soft surface to prevent scratching.
4) Unwrap the brick panels from the protective wrapping.
Note: The logs must not be in the unit.
5) Remove the 2 brick panel clips on the inside top left and top right
side of the fi rebox by removing the screw.
Latch Location
Diagram 1
Diagram 2
Diagram 3
Diagram 4
Diagram 5
Diagram 6
Diagram 7
Screw
L676-1 L900-1
Brick
Panel
Clip
1) Remove the right side mesh by gathering the mesh together and
lifting the curved end of the rod up and out of the bracket located on
the top right of the glass frame.
Now slide the straight end of the rod out from the bracket located on
the middle inside top of the outer shell. Repeat for left side.
Door
Hinge
Front Cover Plate Right Side Pin Shown
2) Remove the front cover plate by lifting up off of the pins on the left
and right side of the fi rebox.
Right Side Rod with
Screen Removed

Regency® L900-1 Direct Vent Gas Fireplace 31
INSTALLATION
9) Slide the left side brick panel into position and secure in place with
the 2nd brick panel clip that was removed in step 5.
Top Brick Panel
Top Brick Panel
Right Side
Brick Panel
L900-1 Brick Panel Clip
Brick Panel Clip -
L676-1 only.
*Use this hole to
secure clip.
8) Place the top brick panel into position and hold it in place while slid-
ing the right side brick panel into position and secure using the brick
panel clip that was removed in step 5 (see Diagram 12).
L900-1
Left Side
Brick Panel
7) Install the back brick panel by carefully placing it against the back
wall of the fi rebox as shown.
Back Brick Panel
Burner Orifi ce Cover Plate
6) FOR L676-1 UNITS ONLY. L900-1 units proceed to step 7.
Remove the burner orifi ce cover plate from the log tray by undoing
the 2 screws.
10) FOR L676-1 UNITS ONLY:
Re-install the burner orifi ce cover plate.
NOTE: L676-1 Back Brick Panel, top has 4 full brick patterns and the
bottom has 2 half bricks at each end. L900-1 is fi ne either way as
both top and bottom are the same. L900-1 back brick panel shown
in place below.
L676-1 Brick Panel Clip
Back of
Unit
Front of
Unit
Diagram 9
Diagram 10
Diagram 11
Diagram 12
Diagram 13
Diagram 14
Diagram 8
INSTALLATION

Regency® L900-1 Direct Vent Gas Fireplace
32
INSTALLATION
LOG SET INSTALLATION
Installation of Brick Panels must be completed before installing the log set.
Read the instructions below carefully and refer to the images. If the
logs are broken do not use the unit until they are replaced. Broken
logs can interfere with pilot operation.
Improper positioning of the logs may create carbon build-up and can
alter the unit's performance which is not covered under warranty.
Log kit # 547-930 contains the following pieces:
Part # Description
A Log Rear
B Log Front Left
C Log Front Right
D Log Center Left
E Log Cross Left
F Log Cross Right
G Log Cross Front Left
902-179 Vermiculite
902-153 Rock Wool
946-669 Platinum Embers (supplied with packaged manual)
The reference numbers (i.e. A) are molded
into the rear of each log.
E
C
B
A
D
1) Carefully remove the logs from it's packaging and unwrap them. The
logs are fragile, handle with care - do not force into position.
F
G
2) Spread vermiculite along the base of the fi rebox.
Vermiculite
3) Place rock wool inbetween the burner tubes and cover the front burner
tube by pulling rock wool apart and loosely place as shown. Also
place a small amount of rock wool between the log support and the
rear of the burner tube. DO NOT block the air inlet or buner ports.
4) Separate platinum embers and place over top of the rock wool on
the front burner tube. Avoid stacking platinum embers.
INSTALLATION

Regency® L900-1 Direct Vent Gas Fireplace 33
INSTALLATION
7) Rest the notch on the bottom left side of log C onto the 3rd grate post
and rest the right side of log C on the 4th grate post.
6) Fit log D into the pin on the far left side of log A.
3rd Grate Post 4th Grate Post
A
D
A
D
C
C
5) Fit log A into the pins on the log tray.
A
INSTALLATION

Regency® L900-1 Direct Vent Gas Fireplace
34
INSTALLATION
8) Rest the notches on the underside log B onto the 1st and 2nd grate
post.
9) Fit the top of log F into the pin on the far right side of log A and rest
the bottom end of of log F on log C.
10) Fit log E into the pins on logs A and B as shown.
B
B
1st Grate Post 2nd Grate Post
A
F
C
F
E
A
B
E
INSTALLATION

Regency® L900-1 Direct Vent Gas Fireplace 35
INSTALLATION
Completed Log Set Installation
G
A
D
C
B
F
E
G
11) Rest the cut-out in log G onto the notch in log B.
G
B
INSTALLATION

Regency® L900-1 Direct Vent Gas Fireplace
36
INSTALLATION
MESH PULL SCREEN INSTALLATION
1) Hang the right side mesh screen on the right side rod by placing the
rings on the mesh screen thru the rod. Repeat for left side.
Outer Most Bracket Hole
Right Side Rod
Left Side Rod
2) Place the straight end of the right side rod thru the outer most bracket
hole located on the middle inside top of the outer shell.
3) Place the curved end of the right side rod thru the bracket located
on the top right of the glass frame.
4) Place the straight end of the left side rod thru the inner most bracket
hole located on the middle inside top of the outer shell.
Place the curved end of the left side rod thru the bracket located on
the top left of the glass frame.
Inner Most Bracket Hole
Completed Mesh Pull Screen Installation
5) Spread the mesh evenly along the rod's to cover the glass door.
Ensure the mesh goes around the curved end of the rod's as well.
Inside top view of Firebox
INSTALLATION

Regency® L900-1 Direct Vent Gas Fireplace 37
INSTALLATION
INSTALLATION
Optional Andiron installation for the L900-1:
1) Remove the mesh and the glass door (see Page 30 in the manual).
2) Remove Log G from the log set - see below.
Optional Andiron installation for the L676-1:
1) Remove the mesh and the glass door (see Page 30 in the manual).
2) Remove Log B from the log set - see below.
3) Slide bracket on the back of andiron over the 1st grate post.
4) Replace Log G.
3) Slide the bracket on the back of the andiron over the 1st grate
post.
4) Replace Log B (see below).
5) For the right side, slide the andiron bracket over the
4th grate post.
6) Reinstall glass door and mesh.
5) For the right side, slide the andiron bracket over the
4th grate post.
6) Reinstall glass door and mesh.
Log G
1st Grate Post
4th Grate Post
Log B
Final Installation L900-1 Final Installation L676-1
4th Grate Post
Right Side
1st Grate Post
Andiron Bracket Andiron Bracket
Adjustments
Note: Andiron bracket
can be adjusted by
bending.
Also the screw can
be loosened so
the bracket can be
adjusted higher or
lower.
Log B
OPTIONAL ANDIRON INSTALLATION

Regency® L900-1 Direct Vent Gas Fireplace
38
OPERATION
OPERATING
INSTRUCTIONS
1) Read and understand these instructions
before operating this appliance.
2) Check to see that all wiring is correct and
enclosed to prevent possible shock.
3) Check to ensure there are no gas leaks.
4) Make sure the glass in the door frame is
properly positioned. Never operate the
appliance with the glass removed.
5) Verify that the venting and cap are
unobstructed.
6) Ensure that the brick panels are installed.
7) Verify log placement. If the pilot cannot be
seen when lighting the unit, the logs have
been incorrectly positioned.
8) The unit should never be turned off, and on
again without a minimum of a 60 second
wait.
MATCHING REMOTE
CONTROL & RECEIVER
CODE
The Remote Control Handset has a set of unique
ID codes that is pre-programmed into its memory.
This set of ID codes helps to differentiate one
Remote Control Handset from another so that
only the control box with a matching ID code
will respond to the appropriate Remote Control
Handset.
To ensure the remote control is matched to
the receiver correctly, please follow the steps
below:
1) Install 4 "AA" batteries into the receiver.
2) Turn the 3-way switch on the receiver to the
"Remote" position.
3) Using a small pointy object (ie. the end of a
paper clip) press the button marked "PRG"
on the receiver. The receiver will beep 3 times
to indicate that it is ready to synchronize with
the remote control.
4) Install 3 "AAA' batteries into the remote con-
trol and push the "ON" button. The receiver
will beep 4 times to indicate the remote
control's command has been accepted and
sets to the particular code of that remote
control.
OPERATING INSTRUCTIONS
LIGHTING
PROCEDURE
NOTE: The Gas ON/OFF knob cannot be
turned from "ON", "PILOT" or "OFF" unless
it is partially depressed.
1) Ensure the 3-way switch on the wall mounted
receiver is in the "OFF" position.
2) Turn the gas control knob so the indicator
points to the "OFF" position and wait 5 min-
utes for any gas in the combustion chamber
to escape.
3) Turn the gas control knob counterclockwise
so the indicator points to the "PILOT" position.
Depress the gas control knob fully. Depress
the igniter button until the pilot lights. After
approximately one minute, release the gas
control knob. The pilot fl ame should continue
to burn.
Only when the pilot holds, without pressure
being applied to the gas control knob, re-install
the glass door to the unit. The unit must not
be operated without the glass door in place.
If the pilot does not remain lit, repeat opera-
tion allowing a longer period before releasing
gas control knob.
4) When the pilot stays lit, turn the gas control
knob to the "ON" position.
5) Use the wall switch or remote control to turn
the unit ON.
NOTE: When using the remote control refer to
the remote manual.
IMPORTANT
To ignite or reignite the pilot, you
must fi rst remove the glass door.
SHUTDOWN
PROCEDURE
1) Turn the 3-way switch on the wall mounted
receiver to the "OFF" position.
2) Press "OFF" on the remote control.
3) Turn the gas control knob to the "OFF" posi-
tion to turn off the pilot.
During the fi rst few fi res, a white fi lm
may develop on the glass front as part of
the curing process. The glass should be
cleaned after the unit has cooled down
or the fi lm will bake on and become very
diffi cult to remove. Use a non-abrasive
cleaner and DO NOT ATTEMPT TO CLEAN
THE GLASS WHILE IT IS HOT.
The FIRST FIRE in your heater is part of the paint
curing process. To ensure the paint is properly
cured, it is recommended you burn your fi replace
for at least four (4) hours the fi rst time.
When fi rst operated, the unit will release an
odour caused by the curing of the paint and the
burning off of any oils remaining from manufac-
turing. Smoke detectors in the house may go off
at this time. Open a few windows to ventilate
the room for a couple of hours. The glass may
require cleaning.
NOTE: When the glass is cold and the appliance
is lit, it may cause condensation and fog
the glass. This condensation is normal
and will disappear in a few minutes as
the glass heats up.
DO NOT ATTEMPT TO CLEAN THE
GLASS WHILE IT IS STILL HOT!
DO NOT BURN THE UNIT WITHOUT
THE GLASS DOOR IN PLACE.
FIRST FIRE

Regency® L900-1 Direct Vent Gas Fireplace 39
OPERATION
OPERATING INSTRUCTIONS
COPY OF LIGHTING PLATE INSTRUCTIONS
TO TURN OFF GAS APPLIANCE
FOR YOUR SAFETY READ BEFORE LIGHTING
LIGHTING INSTRUCTIONS
1) Push in gas control knob slightly and turn clockwise to “OFF”. Knob cannot be turned from
“PILOT” to “OFF” unless knob is pushed in slightly. Do not force.
2) Wait fi ve (5) minutes to clear out any gas. If you then smell gas STOP! Follow step “B” in the Safety
Information above on this label. If you don’t smell gas, go to the next step.
3) Turn knob on gas control counterclockwise to“PILOT”.
4) Push in control knob all the way and hold in until the pilot lights up. Continue to hold the control
knob in for about 20 seconds after the pilot is lit. Release knob and it will pop back up. Pilot should
remain lit. If it goes out, repeat steps 1) to 4). If knob does not pop up when released, stop and
immediately call your service technician or gas supplier. If the pilot will not stay lit after several tries,
turn the gas control knob to “OFF” and call your service technician or gas supplier.
5) Turn gas control knob counterclock-wise to “ON”.
6) Turn the unit on.
A) This appliance has a pilot which must be lighted by hand. When lighting the pilot, follow these
instructions exactly.
B) BEFORE LIGHTING smell all around the appliance area for gas. Be sure to smell next to the fl oor
because some gas is heavier than air and will settle on the fl oor.
WHAT TO DO IF YOU SMELL GAS
- Do not try to light any appliance.
- Do not touch any electric switch, do not use any phone in your building.
- Immediately call your gas supplier from a neighbours phone. Follow the gas supplier’s
instructions.
- If you cannot reach your gas supplier, call the fi re department.
C) Use only your hand to push in or turn the gas control knob. Never use tools. If the knob will not
push in or turn by hand, don’t try to repair it, call a qualifi ed service technician. Forced or attempted
repair may result in a fi re or explosion.
D) Do not use this appliance if any part has been under water. Immediately call a qualifi ed service
technician to inspect the appliance and to replace any part of the control system and any gas
control which has been under water.
E) This appliance needs fresh air for safe operation and must be installed so there are provisions for
adequate combustion and ventilation air.
CAUTION: Hot while in operation. Do not touch. Severe Burns may result. Due
to high surface temperatures keep children, clothing and furniture, gasoline and
other liquids having fl ammable vapors away. Keep burner and control compartment
clean. See installation and operating instructions accompanying appliance.
DO NOT REMOVE THIS INSTRUCTION PLATE
WARNING: If you do not follow these instructions exactly, a fire or explosion
may result causing property damage, personal injury or loss of life. Improper
installation, adjustment, alteration, service or maintenance can cause injury
or property damage. Refer to the owner’s information manual provided with
this appliance. For assistance or additional information consult a qualified
installer, service agency or gas supplier.
918-583
This appliance must be installed in accordance with local codes, if any; if none, follow the
National Fuel Gas Code, ANSI Z223.1/NFPA 54, or Natural Gas and Propane Installation Codes,
CSA B149.1. (Australia: AS5601-2004, New Zealand: NZS 5261)
STOP! Read the safety information above on this label.
1) Turn off the unit.
2) Push in the gas control knob slightly and turn clockwise to “OFF”. Do not force.
3) Turn off all electric power to the appliance if service is to be performed.
You may shut off the pilot during prolonged non use periods to conserve fuel.
ELEMENT
THERMO-
ELECTRIQUE
PILOT BURNER
THERMOPILE
VEILLEUSE OFF
NORMAL OPERATING
SOUNDS OF
GAS APPLIANCES
It is possible that you will hear some sounds from
your gas appliance. This is perfectly normal due to
the fact that there are various gauges and types
of steel used within your appliance. Listed below
are some examples. All are normal operating
sounds and should not be considered as defects
in your appliance.
Burner Tray:
The burner tray is positioned directly under the
burner tube and logs and is made of a different
gauge material from the rest of the fi rebox and
body. Therefore, the varying thicknesses of steel
will expand and contract at slightly different
rates which can cause "ticking" and "cracking"
sounds. You should also be aware that as there
are temperature changes within the unit these
sounds will likely re-occur. Again, this is normal
for steel fi reboxes.
Pilot Flame:
While the pilot fl ame is on it can make a very
slight "whisper" sound.
Gas Control Valve:
As the gas control valve turns ON and OFF, a
dull clicking sound may be audible, this is normal
operation of a gas regulator or valve.
Unit Body/Firebox:
Different types and thicknesses of steel will
expand and contract at different rates resulting
in some "cracking" and "ticking" sounds will be
heard throughout the cycling process.

Regency® L900-1 Direct Vent Gas Fireplace
40
MAINTENANCE
MAINTENANCE
MAINTENANCE
INSTRUCTIONS
1) Always turn off the gas valve before cleaning.
For relighting, refer to lighting instructions.
Keep the burner and control compartment
clean by brushing and vacuuming at least
once a year. When cleaning the logs, use a
soft clean paint brush as the logs are fragile
and easily damaged.
2) Clean appliance and door with a damp
cloth (never when unit is hot). Never use
an abrasive cleaner. The glass should be
cleaned with a gas fi replace glass cleaner.
The glass should be cleaned when it
starts looking cloudy.
3) The heater is fi nished in a heat resistant
paint and should only be refi nished with heat
resistant paint. Regency® uses StoveBright
Paint - Metallic Black #6309.
4) Make a periodic check of burner for proper
position and condition. Visually check the
fl ame of the burner periodically, making sure
the fl ames are steady; not lifting or fl oating.
If there is a problem, call a qualifi ed service
person.
5) The appliance and venting system must be
inspected before use, and at least annually,
by a qualifi ed fi eld service person, to ensure
that the fl ow of combustion and ventilation
air is not obstructed.
Note: Never operate the appliance without
the glass properly secured in place.
6) Do not use this appliance if any part has been
under water. Immediately call a qualifi ed
service technician to inspect the appliance
and to replace any part of the control system
and any gas control which has been under
water.
7) In the event this appliance has been
serviced check that the vent-air system
has been properly resealed & reinstalled
in accordance with the manufacturer's
instructions.
8) Verify operation after servicing.
GENERAL VENT
MAINTENANCE
Conduct an inspection of the venting system
semi-annually. Recommended areas to inspect
as follows:
1) Check the Venting System for corrosion in
areas that are exposed to the elements.
These will appear as rust spots or
streaks, and in extreme cases, holes.
GLASS GASKET
If the glass gasket requires replacement use a
tadpole glass gasket (Part # 936-155).
These components should be replaced
immediately.
2) Remove the Cap, and shine a fl ashlight
down the Vent. Remove any bird nests, or
other foreign material.
3) Check for evidences of excessive
condensation, such as water droplets forming
in the inner liner, and subsequently dripping
out the joints, Continuous condensation can
cause corrosion of caps, pipe, and fi ttings.
It may be caused by having excessive
lateral runs, too many elbows, and exterior
portions of the system being exposed to
cold weather.
4) Inspect joints, to verify that no pipe
sections or fi ttings have been disturbed,
and consequently loosened. Also check
mechanical supports such as Wall Straps,
or plumbers' tape for rigidity.
LOG REPLACEMENT
The unit should never be used with broken logs.
Turn off the gas valve and allow the unit to cool
before opening door and carefully remove the
logs. (The pilot light generates enough heat to
burn someone.) If for any reason a log should
need replacement, you must use the proper
replacement log. The position of these logs
must be as shown in the diagrams under Log
Installation.
Note: Improper positioning of logs may
create carbon build-up and will
severely alter the unit's performance
which is not covered under
warranty.
THERMOPILE /
THERMOCOUPLE
1) Remove the valve tray by following the
procedures from "Valve Tray Replacement"
section.
2) Disconnect thermocouple by loosening
nut from the valve with a 9mm wrench.
Disconnect thermopile by loosening 2
screws marked TP on the valve.
3) Remove 2 screws from the pilot assembly
and pull up far enough to be able to loosen
the thermocouple or thermopile with a 7/16"
wrench. NOTE: the pilot line is very fragile,
use caution when pulling it up.
4) Drop the thermocouple or thermopile down
through the extrusion and pull it out of the
unit.
5) Reinstall the new ones in reverse order.
CAUTION: Wear gloves when
removing damaged or broken
glass.
WARNING: Do not operate the
appliance with the glass panels
removed, cracked or broken.
Replacement of the glass panels
should be done by a licensed or
qualifi ed service person.
DOOR GLASS
Your Regency® fi replace is supplied with high
temperature 5mm-Ceramic glass. If your glass
requires cleaning, we recommend using an
approved glass cleaner available at all authorized
dealers. Do not use abrasive materials.
CAUTION & WARNINGS:
* Do not clean when the glass is hot.
* The use of substitute glass will void all product
warranties.
* Care must be taken to avoid breakage of the
glass.
* Do not strike or abuse the glass.
* Do not operate this fi replace without the
glass front or with a cracked or broken glass
front.
* Wear gloves when removing damaged or
broken glass.
* Replacement of the glass panel(s) should be
done by a licensed or qualifi ed service per
son.
GLASS REPLACEMENT
In the event that you break your glass by impact,
purchase your replacement from an authorized
Regency® dealer only.
Replacement glass is shipped already installed
into the door frame.

Regency® L900-1 Direct Vent Gas Fireplace 41
MAINTENANCE
MAINTENANCE
2) Disconnect the 2 DC Spark generator wires
from the DC spark box located on the right
side of the fi rebox.
DC SPARK BOX REPLACEMENT
5) Replace the DC spark box.
6) Reverse steps to re-install.
7) Spread the mesh along the rod ensuring that
it goes around the curved end of the rod.
3) Disconnect the spark electrode from the DC
spark box.
DC Spark Box
DC Spark Box
1) Gather the right side mesh together and slide
over to the center of the glass door to expose
the controls on the right side of the fi rebox.
DC SPARK
BOX BATTERY
REPLACEMENT 1) Gather the right side mesh together and slide
to the center of the glass door to expose the
controls on the right side of the fi rebox.
2) Remove the battery cover from the DC Spark
Box.
3) Remove AA battery and replace with a new
one.
4) Re-install battery cover on DC Spark Box.
5) Spread the mesh along the rod ensuring that
it goes around the curved end of the rod.
4) Remove the 2 screws that secure the DC
spark box in place.

Regency® L900-1 Direct Vent Gas Fireplace
42
MAINTENANCE
VALVE TRAY REPLACEMENT
5) Remove the log set.
6) Remove the brick panels.
7) Remove the grate by undoing the 4 screws,
2 on each side.
8) Remove the burner tube by removing the 2
screws.
9) Remove the rear log stand by removing
the 4 screws.
MAINTENANCE
Grate
Burner Tube
Rear Log Stand
c. Place the door on a soft surface to prevent
scratching.
4) Remove the glass door.
a. Release the 2 door latches on the left
and right side at the top of the fi rebox.
b. Swing the door out from the top and release
the hinge on the left side of the door and
lift out.
Latch
Latch Location
Door
Hinge
Front Cover Plate Right Side Pin Shown
3) Remove the front cover plate by lifting up
off of the pins on the left and right side of
the fi rebox.
Right Side Rod with Screen Removed
1) Shut off the gas supply to the unit.
2) Remove the right side mesh by gathering the
mesh together and lifting the curved end of
the rod up and out of the bracket located on
the top right of the glass frame.
Now slide the straight end of the rod out from
the bracket located on the middle inside top
of the outer shell. Repeat for left side.

Regency® L900-1 Direct Vent Gas Fireplace 43
MAINTENANCE
13) Unplug the green (TH) and white (TP/TH)
wires from the valve.
14) Disconnect the 2 DC Spark generator wires
from the DC spark box located in front of
the valve.
15) Disconnect the spark electrode wire from
the DC spark box.
DC Spark Box
DC Spark Box
16) Remove the 16 screws that hold the valve
tray to the fi rebox and slightly pull out the
valve tray.
Valve Tray
MAINTENANCE
17) Completely pull out the valve tray.
18) Replace the valve tray and reverse steps
to re-install.
19) Turn on the gas supply and check for gas
leaks.
20) Re-install the rear log stand.
21) Re-install the burner tube.
22) Re-install the grate.
23) Re-install the brick panels.
24) Re-install the log set.
25) Re-install the glass door.
26) Re-install the front cover plate
27) Re-install the mesh screen.
28) Check the inlet and outlet pressures.
29) Check operation of fl ame control.
30) Check for proper fl ame appearance.
10) Disconnect the inlet gas line from the
valve.
11) Undo the center wire clip on the side of the
fi rebox.
12) Unplug the wire harness that connects the
modulating coil to the receiver.

Regency® L900-1 Direct Vent Gas Fireplace
44
PARTS LIST
PARTS LIST
MAIN ASSEMBLY
Part # Description
1) 521-527 Flue Collar Inner Assembly
2) 502-008 Flue Collar Outer
5) 904-751 Capscrew 1/4 x 4-1/2
6) W260280 Gasket Top Relief Plate
7) 770-066F Top Relief Plate
8) 942-117 Top Relief Frame
9) W260260 Top Relief Frame Gasket
12) 547-539 Door Frame Assembly, no Glass
940-354/P Glass
13) 547-013 One Piece Faceplate
14) 547-027 Front Cover Plate
15) 522-036F Control Arm
16) 522-039 Bracket Control Arm
18) 522-024F Gas Line Screen Plate
20) 547-901 Brick Panel Set - Standard Brown
547-902 Brick Panel Set - Standard Red
* Left Side Panel
* Top Panel
* Back Panel
* Right Side Panel
Part # Description
25) 547-038 Black Mini Mesh
26) 547-029 Left Side Rod
27) 547-030 Right Side Rod
547-930 Log Set
946-669 Platinum Embers
910-570 GTM Remote Control
910-576 Cover Wall Mount
910-572 Receiver GTM SIT w/Batt & Cover
946-556 Heat Wave Kit
946-570 Heat Release Kit
547-969 LP Converison Kit
918-726 Manual
* Not available as a replacement part.

Regency® L900-1 Direct Vent Gas Fireplace 45
PARTS LIST
PARTS LIST

Regency® L900-1 Direct Vent Gas Fireplace
46
PARTS LIST
BURNER & LOG ASSEMBLY
PARTS LIST
Part # Description
31) 547-016 Log Tray
33) 547-015 Ember Tray
34) 522-017F Ember Plate
35) 948-466 Burner Tube
37) 547-050 Grate
42) 502-065 Pilot Holder
43) W840470 Gasket Pilot Assembly
46) 547-007 Valve Tray
47) 547-025 Valve Bracket
48) 910-578 Valve NG 829 SIT
547-574/P Valve Assembly - NG
547-576/P Valve Assembly - LP
910-008 Pilot Assembly - NG
910-009 Pilot Assembly - LP
904-660 NG - Orifi ce #30
904-431 LP - Orifi ce #49
910-073 Spark Generator Battery Holder
910-074 Spark Generator Switch c/w Wire

Regency® L900-1 Direct Vent Gas Fireplace 47
WARRANTY
Regency® Fireplace Products are designed with reliability and simplicity in mind. In addition, our internal Quality Assurance Team carefully inspects each unit
thoroughly before it leaves our facility. FPI Fireplace Products International Ltd. is pleased to extend this limited lifetime warranty to the original purchaser of a
Regency® Product. This warranty is not transferable.
The Warranty: Limited Lifetime
The combustion chamber, heat exchanger, burner tubes/pans, logs, brick panels and gold plating (against defective manufacture only) are covered under the Limited Lifetime
Warranty for fi ve (5) years for parts and subsidized labour* and parts only thereafter.
Glass is covered for lifetime against thermal breakage only, parts and subsidized labour* for fi ve (5) years and parts only thereafter from date of purchase.
External casting, surrounds and grills are covered against cracks and warps resulting from manufacturer defects, parts and subsidized labour* for three (3) years from the date
of purchase and parts only thereafter.
Special Finishes - One year on brushed nickel and antique copper full screens and doors. You can expect some changes in color as the product "ages" with constant heating
and cooling. FPI warranties the product for any manufacturing defects on the original product. However, the manufacturers warranty does not cover changing colors and marks,
ie. fi nger prints, etc applied after the purchase of the product. Damage from the use of abrasive cleaners is not covered by warranty.
Electrical and mechanical components such as blowers, switches, wiring, thermodiscs, FPI remote controls, spill switches, thermopiles, thermocouples, pilot assembly components,
and gas valves are covered for two years parts and one year subsidized labour* from the date of purchase. Blowers and valves replaced under warranty are considered repairs and
continue as if new with appliance. ie. twelve (12) months from original purchase date of appliance with a minimum of three (3) months coverage from date of replacement.
FPI venting components are covered parts and subsidized labour* for three (3) years from date of purchase.
Simpson Dura-Vent venting components (Direct Vent units) are covered by Simpson Dura-Vent Inc. warranty.
Repair/replacement parts purchased by the consumer from FPI after the original coverage has expired on the unit will carry a 90 day warranty, valid with a receipt only. Any
item shown to be defective will be repaired or replaced at our discretion. No labor coverage is included with these parts.
Conditions:
Any part or parts of this unit which in our judgement show evidence of such defects will be repaired or replaced at FPI's option, through an accredited distributor or agent provided
that the defective part be returned to the distributor or agent Transportation Prepaid, if requested.
Porcelain/Enamel - Absolute perfection is either guaranteed nor commercially possible. Any chips must be reported and inspected by an authorized dealer within three days of
installation. Reported damage after this time will be subject to rejection.
It is the general practice of FPI to charge for larger, higher priced replacement parts and issue credit once the replaced component has been returned to FPI and evaluated
for manufacturer defect.
The authorized selling dealer is responsible for all in-fi eld service work carried out on your Regency® product. FPI will not be liable for results or costs of workmanship from
unauthorized service persons or dealers.
At all times FPI reserves the right to inspect product in the fi eld which is claimed to be defective.
All claims must be submitted to FPI by authorized selling dealers. It is essential that all submitted claims provide all of the necessary information including customer name,
purchase date, serial #, type of unit, problem, and part or parts requested, without this information the warranty will be invalid.
Exclusions:
This limited Lifetime Warranty does not extend to or include paint, door or glass gasketing or trim.
At no time will FPI be liable for any consequential damages which exceed the purchase price of the unit. FPI has no obligation to enhance or modify any unit once manufactured.
ie. as products evolve, fi eld modifi cations or upgrades will not be performed.
FPI will not be liable for travel costs for service work.
Installation and environmental problems are not the responsibility of the manufacturer and therefore are not covered under the terms of this warranty policy.
Embers, rockwool, gaskets, door handles and paint are not covered under the terms of this warranty policy.
Any unit which shows signs of neglect or misuse is not covered under the terms of this warranty policy.
The warranty will not extend to any part which has been tampered with or altered in any way, or in our judgment has been subject to misuse, improper installation, negligence
or accident, spillage or downdrafts caused by environmental or geographical conditions, inadequate ventilation, excessive offsets, negative air pressure caused by mechanical
systems such as furnaces, fans, clothes dryer, etc.
Freight damage to stoves and replacement parts is not covered by warranty and is subject to a claim against the freight carrier by the dealer.
FPI will not be liable for acts of God, or acts of terrorism, which cause malfunction of the appliance.
Performance problems due to operator error will not be covered by this warranty policy.
Products made or provided by other manufacturers and used in conjunction with the operation of this appliance without prior authorization from FPI, may nullify your warranty
on this product.
Any alteration to the unit which causes sooting or carboning that results in damage to the interior / exterior facia is not the responsibility of FPI.
* Subsidy according to job scale as predetermined by FPI.

Regency® L900-1 Direct Vent Gas Fireplace
48
Installer: Please complete the following information
Dealer Name & Address: ______________________________________________
___________________________________________________________________
Installer: ___________________________________________________________
Phone #: ___________________________________________________________
Date Installed: ______________________________________________________
Serial No.: __________________________________________________________
Printed in Canada
Regency, Liberty, AstroCap, HeatWave, Heat Release and FireWizard are trademarks of FPI Fireplace Products International Ltd.
Register your Regency® online at
http://www.regency-fi re.com
© Copyright 2009, FPI Fireplace Products International Ltd. All rights reserved.
FPI fi replaces are designed with reliability and simplicity
in mind. In addition, our internal Quality Assurance Team
carefully inspects each unit thoroughly before it leaves
our door.
FPI Fireplace Products International Ltd. is pleased to extend
this Limited Lifetime Warranty to the original purchaser of
a FPI Product.
See the inside back cover for details.