Reliable Sprinkler Single Interlock Preaction System 16103060024 Users Manual 739.vp
2015-02-06
: Reliable-Sprinkler Reliable-Sprinkler-Reliable-Single-Interlock-Preaction-System-16103060024-Users-Manual-522855 reliable-sprinkler-reliable-single-interlock-preaction-system-16103060024-users-manual-522855 reliable-sprinkler pdf
Open the PDF directly: View PDF
.
Page Count: 18

Single Interlock
Preaction System
Bulletin 739
The Reliable Automatic Sprinkler Co., Inc., 103 Fairview Park Drive, Elmsford, New York 10523
Instructions for
Installation, Operation
Care and Maintenance
For Single Interlock Preaction Systems
With Dual Solenoid Actuation
Of Pneumatic Pilot Release
4"(100mm),
6"(150mm) & 165mm
Sizes with Trim
•LPCB Approved
•Redundant Solenoid Valve
Release
•Rated to 175 psi (12.1 bar)
•Externally Resetable
Clapper
•One Main Drain
Bulletin 739

General Description
Reliable Single Interlock Preaction Systems are de-
signed for water-sensitive areas that require protection
from inadvertent water flow into the sprinkler system pip-
ing.
Sprinkler piping in single interlock systems can effec-
tively be supervised by means of a Reliable Model A-2
Pressure Maintenance Device and a tank-mounted air
compressor. Loss of supervising pneumatic pressure,
due to a damaged sprinkler or sprinkler pipe will not
cause water to flow through the Model DDX Deluge
Valve and into the system piping. A significant loss of
pneumatic pressure will activate a trouble-annunciating
device when the system pressure falls below a predeter-
mined pressure level.
When one electrical detector senses the presence of
fire, the electrical releasing control panel activates fire
alarm devices and energizes the two redundant, nor-
mally-closed solenoid valves in the open position (Note:
Arranging detectors in a cross-zoned pattern will require
operation of two detectors before the solenoid valves
can open). These solenoid valves, when closed, retain
sufficient AIR pressure in the Model LP Pilot Line Actua-
tor, which in turn preserves sufficient WATER pressure in
the push rod chamber of the Model DDX Deluge Valve in
order to maintain it closed.
Energizing the solenoid valves relieves the air pressure
in the Model LP Dry Valve Actuator (see Fig. 8), thereby
releasing the water pressure that it was retaining. This is
turn relieves the pressure in the push rod chamber of the
Model DDX Deluge Valve. Venting this push rod cham-
ber will open the Model DDX Deluge Valve and allow wa-
ter to flow into the sprinkler system.
To fully operate a cross-zoned single interlock system,
two electrical detectors must activate and a sprinkler
head must open. During the early stages of a fire, smoke
or heat activates the first detector, which causes the con-
trol panel to produce a local alarm and an alarm at the
main fire alarm panel. Electrical relays inside the releas-
ing control panel can be used to shut down airmoving
equipment or activate security doors and other electrical
devices. Subsequent activation of a second, nearby or
adjacent detector will cause the panel to energize the
solenoid valves open and release water into the sprinkler
system piping. Water flowing into the sprinkler system
piping will simultaneously produce water pressure that
causes the transfer of contacts in the pressure switch
mounted in the trim. This pressure switch can electrically
initiate the shutdown or startup of equipment, such as
computers or other second alarm devices. This flow of
water into the sprinkler system piping effectively con-
verts the dry system into a wet pipe system. In the event
that the fire subsequently produces sufficient heat to op-
erate a sprinkler head, water will flow from that sprinkler,
controlling or suppressing the fire.
The major benefits of a single interlock preaction sys-
tem, when compared with a wet pipe (deluge) system
are as follows:
A. A fire alarm sounds prior to the operation of a
sprinkler head, which may enable extinguishing
the fire by handheld means before the actual oper-
ation of any sprinklers and subsequent water dam-
age.
B. A trouble annunciator signals whenever the in-
tegrity of the piping or sprinklers is accidentally or
intentionally disturbed; however, no water flow or
water damage will occur at that time.
C. Speedy detection and an early fire alarm are
provided by fire detectors, without the delay asso-
ciated with water delivery time in the event of a fire.
Note: with a wet pipe system, the fire alarm is de-
layed until after water has begun flowing from an
operated sprinkler head.
At the heart of Reliable’s Single Interlock Preaction Sys-
tem is the Model DDX Deluge Valve. This Deluge Valve is
a hydraulically operated, straight-through-design, differ-
ential-type valve (see Fig. 1). System maintenance is
simplified since priming water is not required and the
deluge valve can be reset externally without cover re-
moval. This is accomplished by pushing in and turning
the external reset knob at the rear of the deluge valve
(see Fig. 1). This feature provides a significant sys-
tem-restoration time advantage.
The Reliable Single Interlock Preaction System trim set
(see Fig. 2) provides all of the necessary equipment for
connections to the Model DDX Deluge Valve’s pushrod
chamber inlet and outlet ports, the 2” (50mm) main
drain, alarm devices, air supply, water supply, and re-
quired pressure gauges. This trim set is available in indi-
vidual parts, in time-saving, segmentally assembled kit
forms, or fully assembled to the Model DDX Deluge
Valve.
Listing & Approvals
The 4” (100mm), 6’ (150mm) and 165mm Single Inter-
lock Preaction Systems shown in this bulletin must only
be used in the combination described herein to be Loss
Prevention Certification Board (LPCB) approved. Instal-
lation of these systems must be according the require-
ments of Technical Bulletin TB21:1994:1.
The majority of the system’s components are individu-
ally Listed by Underwriters Laboratories Inc. and Fac-
tory Mutual Approved.
2.

Fig. 1
3.
Loss Prevention Certification Board
(LPCB) Installation Requirements of
Preaction systems Include:
1. Solenoid valves shall be installed in parallel.
2. Solenoid valves shall function in pneumatic condi-
tions only, and be protected by a strainer.
3. LPCB Certified detectors compatible with the control
and indicating equipment shall be used.
4. Suitable electrical detection, control and indicating
equipment and pneumatic systems shall be used.
The control and indicating equipment shall be LPCB
approved / certificated.
5. Connecting cables shall comply with BS 6387:1983,
classification C, W, Z evidenced by LPCB certifica-
tion.
6. Pre-action systems shall be electrically monitored to
demonstrate that they are in a ‘ready to operate’
state at all times.
7. Clear dry air shall be used. Compressor tank must
have provision for draining.
8. Pre-action system equipment shall be installed, oper-
ated and maintained as prescribed in the firm’s instal-
lation , operating and maintenance manual.
9. Pre-action systems shall be configured in accordance
with the manufacturer’s defined specifications.
10.Pre-action systems shall comply with the details spec-
ified in the related LPC Technical Bulletin (Ref. TB21).
11.The firm responsible for the complete pre-action sta-
tion, including electrics, shall be identified.
12.Normally un-energized solenoids may be used, pro-
vided that they are continuously monitored for ‘open’
and ‘short circuit.’

Fig. 2
3.

3.
ITEM
NO.
PART
NUMBER DESCRIPTION NO
REQ'D
1
6103040026 MODEL DDX VALVE,
ASSEMBLY, 4" (100MM)
16103060024 MODEL DDX VALVE,
ASSEMBLY, 6" (150MM)
6103060028 MODEL DDX VALVE,
ASSEMBLY, 165 MM
2 78653004 ASSEMBLY, VALVE CAUTION
STATION, 1/2" 1
3 98048000 BUSHING, REDUCER,
1/2" x 1/4", GALV. 4
4 98048015 BUSHING, REDUCER,
2" SPIGOT x 1" NPTF, PVC 1
5 98048022 BUSHING, REDUCER,
3/4" X 1/2", GALV. 1
6 98048025 BUSHING, REDUCER,
3/4" X 1/4", GALV. 2
7 92056809 CONNECTOR ASSEMBLY,
NO-LOSS, 3/8 x 1/2 NPT 1
8 92056810 CONNECTOR,
3/8" ID TUBE x 1/2" NPT 1
9 92056811 CONNECTOR,
3/8" ID TUBE x 1/4" NPT 1
10 92056702 CONNECTOR,
3/8" TUBING x 1/4" NPT 1
11 92056704 CONNECTOR, ELBOW,
3/8" ID TUBE x 1/2" NPT 1
12 98085666 REDUCER, 1/2" x 1/4" 4
13 98050004 DRAIN CUP, PVC 1
14 98174400 ELBOW, STREET, 1/2" 1
15 98174403 ELL, 1" 1
16 98174401 ELL, 1/2" 1
17 98174404 ELL, 1/4" 1
18 98174405 ELL, 2" 1
19 98174402 ELL, 3/4" 2
20 96920912 FLEX LINE, 12" 1
21 98240006 GAUGE, WATER PRESSURE
(16 BAR) W/ CONNECTOR 2
22 98240101 GAUGE, WATER PRESSURE
(6 BAR) W/ CONNECTOR 2
23 6304000100 MOD. A-2 AUTO AIR
MAINTENANCE DEVICE, 10PSI 1
24 78653000 MODEL B MANUAL
EMERGENCY STATION 1
25 71030010 MODEL LP
DRY VALVE ACTUATOR 1
26 94616917 NAMEPLATE,
SINGLE INTERLOCK 1
27 98543222 NIPPLE, STEEL, 1" X 3-1/2" 1
28 98543266 NIPPLE, STEEL, 1" X 6" 1
29 98543213 NIPPLE, STEEL, 1" X CLOSE 1
30 98543223 NIPPLE, STEEL, 1/2" X 1-1/2" 17
31 98543210 NIPPLE, STEEL, 1/2" X 2-1/2" 1
32 98543216 NIPPLE, STEEL, 1/2" X 3-1/2" 1
33 98543209 NIPPLE, STEEL, 1/2" X 2" 2
34 98543230 NIPPLE, STEEL, 1/2" X 3" 1
35 98543237 NIPPLE, STEEL, 1/2" X 8" 1
36 98543226 NIPPLE, STEEL, 1/4" X 1-1/2" 21
37 98543225 NIPPLE, STEEL, 1/4" X 2-1/2" 1
38 98543244 NIPPLE, STEEL, 1/4" X 2" 1
39 98543220 NIPPLE, STEEL, 1/4" X 3" 2
40 98543243 NIPPLE, STEEL, 1/4" X 4" 1
41 98543227 NIPPLE, STEEL, 1/4" X CLOSE 1
42 98543208 NIPPLE, STEEL, 2" X 3" 2
43 98543238 NIPPLE, STEEL, 2" X CLOSE 1
44 98543215 NIPPLE, STEEL, 3/4" X 1-1/2" 1
45 98543233 NIPPLE, STEEL, 3/4" X 2-1/2" 1
46 98543232 NIPPLE, STEEL, 3/4" X 2" 1
47 98543279 NIPPLE, STEEL, 3/4" X CLOSE 3
48 99080002 PAD-ADHESIVE 1
49 98750003 PIPE CROSS, 1/2" 2
50 98604406 PLUG, SQ. HD., 1/2" 1
51 98614403 PLUG, SQ. HD., 1/4" 5
52 98614401 PLUG, SQ. HD., 3/4" 3
53 98681630 REGULATOR, AIR LINE 1
54 78650201 STRAINER, 1/2" NPT 1
55 98727607 STRAINER, 1/4" 1
56 96556922 SWITCH, PRESSURE,
BAILEY & MACKEY 1
57 96606627 TEE, GLVN, 2 X 2 X 1 1
58 96606607 TEE, GLVN., 1/2 X 1/2 X 1/4 1
59 98761649 TEE, GLVN., 1/2 X 1/4 X 1/2 2
60 98761651 TEE, GLVN., 1/2" 2
61 96606608 TEE, GLVN., 1/4 X 1/4 X 1/4 3
62 96606612 TEE, GLVN., 3/4 X 1/2 X 1/2 1
63 96606601 TEE, GLVN., 3/4" 2
64 89141112 TIE, RETAINING 3
65 98815204 UNION, "O" RING SEAL, 1/2" 1
66 98815200 UNION, 1/2", IRON, G.J., GALV. 2
67 98815201 UNION, 1/4", IRON, G.J., GALV. 3
68 98815202 UNION, 3/4", IRON, G.J., GALV. 1
69 98840160 VALVE, 3-WAY, 1/4" 4
70 98840101 VALVE, ANGLE, 1/4" 1
71 98840100 VALVE, ANGLE, 2" 1
72 78653100 VALVE, BALL DRIP, 1/2" 1
73 98840110 VALVE, BALL, 1/4" 1
74 98840144 VALVE, CHECK GAUGE 2
75 98840145 VALVE, CHECK, 1" 1
76 98840181 VALVE, CHECK, 1/2" 1
77 98840171 VALVE, GLOBE, 1/2" 1
78 6871020010 VALVE, SOLENOID ASCO 1
79 6871020000 VALVE, SOLENOID SKINNER 1
80 98840193 VALVE, SPRING CHECK, 1/4" 2
81 96686722 TUBING, COPPER,
3/8" O.D. X 2 FT 1
82 96686756 TUBING,PVC,3/8"I.D.x6FT 1
SINGLE INTERLOCK PREACTION SYSTEM PARTS LIST (REFER TO FIG. 2)
ITEM
NO.
PART
NUMBER DESCRIPTION NO
REQ'D

Fig. 3
6.
Once the clapper has opened, the lever acts as a
latch, preventing the clapper from returning to the
closed position. Water from the supply flows through
the deluge valve into the system piping. Water also
flows through the deluge valve alarm outlet to the
alarm devices.
After system shutdown, resetting the Model DDX De-
luge Valve is quite simple. Doing so only requires
pushing in and turning the reset knob at the rear of the
valve (see Fig.1). The external reset feature of the
Model DDX Deluge Valve provides a means for sim-
ple, economical system testing, which is one essential
facet of a good maintenance program.
The external reset feature does not, however, elimi-
nate another important facet of good maintenance,
namely, periodic cleaning and inspection of the inter-
nal valve parts. In the event that water builds up inside
the valve due to condensate from the air supply sys-
tem or water left inside from valve system testing, a
drain is available for venting. After closing the main
supply valve, a small valve over the drain cup can be
opened slightly until the water inside the valve body
and the main pipe column has drained. See the sec-
tion titled “Draining Excess/Condensate Water From
System” in this bulletin for the detailed procedure.
The Model B Manual Emergency Station (see Fig. 3)
is also included in the trim set. It consists of an alumi-
num nameplate mechanically attached to a ball valve.
The valve handle in its OFF position is guarded
against accidental turning to the ON position (and
system discharge) by a nylon cable tie provided with
each trim kit. The cable tie is inserted, as shown in Fig.
3, after the system has been restored for operation.
The nylon cable tie is designed to allow, in case of an
emergency, forceful turning of the valve handle to the
ON position. As an alternative to the Model B Hydrau-
lic Manual Emergency Station, the Model A Hydraulic
Manual Emergency Pull Box (see Reliable Bulletin
506) is also available and can be provided as an op-
tion.
Whenever ambient temperature conditions are high,
the water temperature in the Model DDX Deluge
Valve’s pushrod chamber could possibly increase,
thereby increasing the pressure in the chamber to val-
ues exceeding the rated pressure of the system. In an
indoor installation where standard room temperatures
are exceeded, a pressure relief kit may be needed.
Pressure relief kit, P/N 6503050001, can be installed
into the pushrod chamber’s releasing line to limit the
pressure to 175 psi (12,1 bar).
System Operation
To fully operate a Reliable Single Interlock Preaction Sys-
tem, two independent events must coexist before water flow
will occur. One electrical detector (two detectors in a
cross-zoned system) must activate and a sprinkler head
must open. Operation of either one of these items will only
cause an alarm to annunciate, but will not cause water to
discharge from the sprinkler system piping.
When set correctly for service, the Model DDX Deluge
Valve is hydraulically established to withhold the supply wa-
ter from the sprinkler system piping. The Reliable Model
DDX Deluge Valve is shown in both closed and open posi-
tions in Fig.1. In the closed position, the supply pressure
acts on the underside of the clapper and also on the push
rod through the push rod chamber’s inlet restriction. The re-
sultant force due to the supply pressure acting on the push
rod is multiplied by the mechanical advantage of the lever
and is more than sufficient to hold the clapper closed
against normal supply pressure surges.
When a fire is detected, the energized solenoid valves vent
the air from the Model LP Dry Valve Actuator (see Fig. 8),
which in turn vents the push rod chamber to atmosphere
through the chamber’s outlet. Since the pressure cannot be
replenished through the inlet restriction as rapidly as it is
vented, the pushrod chamber pressure falls instanta-
neously. When the pushrod chamber pressure approaches
approximately one-third of the supply pressure, the upward
force of the supply pressure acting beneath the clapper
overcomes the lever-applied force thereby opening the
clapper.

7.
Pressurizing Line Connection
The water supply for the push-rod chamber must be
provided by connection of its inlet pressurizing line to the
water supply piping. Pressurizing lines for multiple
Model DDX Deluge Valve push-rod chambers must
never be manifolded together, having only a single tap
on the water supply piping. Each Model DDX Deluge
Valve must have its own push-rod chamber pressurizing
line connection. This connection must be made on the
supply side of the main water supply control valve. This
can be accomplished by:
a. Using a tapped connection directly below or next to
the main water supply control valve using a welded
outlet or the appropriate mechanical fittings. A
grooved-end outlet coupling is one way to achieve
this.
b. Using a water supply control valve that has an avail-
able threaded (NPT) supply-side tap design to allow
for a direct water supply connection to the Model DDX
Deluge Valve’s push-rod chamber.
Caution: Reliable’s Model DDX Deluge Valve is de-
signed with an inlet restriction built into the pushrod
chamber. It is important not to introduce additional re-
strictions into the direct water supply connection or the
discharge from the pushrod chamber by installing addi-
tional valves or improperly installing the copper lines
used in the trim of the valve.
System Design Considerations
The automatic sprinklers, air compressor, releasing de-
vices, electric releasing control equipment, fire detec-
tion devices, manual pull stations, and signaling devices
which are utilized with this Reliable Single Interlock
Preaction System must be Loss Prevention Certification
Board (LPCB) approved, as applicable.
The deluge valve and all interconnecting piping must
be located in a readily visible and accessible location
and in an area that can be maintained at a minimum tem-
perature of 40°F (4°C). Note: Heat tracing is not permit-
ted.
The redundant solenoid valves are operated and su-
pervised by an electrical releasing/control panel. Details
on the electrical connections and the Prescient Pre-Ac-
tion Sprinkler Extinguishing Fire Alarm Panel can be
found on Figure 5 of this bulletin.
System Air Pressure Requirements
When a Reliable Single Interlock Preaction System is
utilized, the sprinkler system piping requires a minimum
of 7 psi (0,5 bar) supervisory pneumatic pressure. The
Model A-2 Pressure Maintenance Device, along with an
additional air pressure regulator, are used to maintain
the system’s pneumatic pressure between 7 and 10 psi
(0,5 and 0,7 bar) where a dry nitrogen gas supply or a
clean, dependable, and continuous (24 hours per day, 7
days per week) compressed air source is available.
The sections of the preaction trim that contains the two
redundant normally-closed solenoid valves, and the up-
per portion of the Model LP Dry Valve Actuator, require
pneumatic pressure settings per Table A. When estab-
lishing the preaction system for service, refer to Table A of
this bulletin for the correct pneumatic pressure settings for
a corresponding water supply pressure. Note: During
the initial system set-up, a higher pneumatic pressure
may be required in order to properly seat the internal dia-
phragm of Model LP Dry Valve Actuator.
Refer to Reliable Bulletin 251 and/or Fig. 3 of this bulletin
for instructions on how to modify these pressure settings.
System Electrical Requirements
All releasing, alarm and detection devices in this Reliable
Single Interlock Preaction System are supervised by the
Prescient Pre-Action Sprinkler Extinguishing Fire Alarm
Panel. Connect these devices as shown in Fig. 5. The
power supply, the standby emergency power supply, bat-
tery charger, and the rectifier circuitry are all contained
within this panel. For additional and detailed wiring infor-
mation, refer to the manufacturer’s literature included with
the Prescient Releasing Control Panel. Caution: Repairs
or disassembly of the solenoid valves should only be
done by a trained technician. An improperly repaired or
partially assembled solenoid valve could result in failure of
the valve to operate.
Water Pressure
psi (bar)
Pneumatic Pressure to be Pumped
into Sprinkler System, psi (bar)
Maximum Not Less Than Not More Than
20 (1,4) 10 (0,7) 14 (0,9)
50 (3,4) 12 (0,8) 16 (1,1)
75 (5,2) 13 (0,9) 17 (1,2)
100 (6,9) 15 (1,0) 19 (1,3)
125 (8,6) 16 (1,1) 20 (1,4)
150 (10,3) 17 (1,2) 21 (1,4)
175 (12,1) 18 (1,2) 22 (1,5)
Table A

Fig. 4
8.

Fig. 5
9.

Technical Data
Reliable Single Interlock Preaction Systems, with asso-
ciated trim, sizes 4” (100mm), 6” (150mm) and 165mm
are rated for use at minimum water supply pressure of 20
psi (1,4 bar) and maximum supply pressure of 250 psi
(17,2 bar). Water supplied to the inlet of the valve and to
the pushrod chamber must be maintained between 40°F
(4°C) and 140°F (60°C).
The following list of technical bulletins pertains to valves
and devices that may be used in this preaction system:
Valve Description
1. Rated working pressure:
Valve & System - 175 psi (12,1 bar)
2. Factory tested to a hydrostatic pressure of 500 psi
(34,5 bar). (Valve only)
3. End and trim connections:
•ANSI/AWWA C606 grooved inlet and outlet
•Threaded openings Per ANSI B 2.1
4. Face to face dimensions:
•4" (100 mm) — 14” (355 mm)
•6" (150 mm) & 165 mm — 16” (406 mm)
5. Shipping weight:
6. Friction loss (Expressed in equivalent length of
Schedule 40 pipe, based on Hazen & Williams
Maintenance
Reliable Single Interlock Preaction Systems and asso-
ciated equipment shall periodically be given a thorough
inspection and test. NFPA 25, Inspection, Testing and
Maintenance of Water Based Fire Protection Systems,
provides minimum maintenance requirements. System
components shall be tested, operated, cleaned, and in-
spected at least annually, and parts replaced as re-
quired.
Resetting the Single Interlock Preaction
System
Refer to Figs. 2, 6, and 7.
1. Close the main valve controlling water supply (Fig.
7) to the Deluge Valve and close off the air supply to
the sprinkler system at the air supply’s source.
2. Close the pushrod chamber supply valve, valve A
(Fig. 7).
3. Open the main drain valve, valve B (Fig. 7), and
drain system.
4. Open all drain valves and vents at low points
throughout the system, closing them when flow of
water has stopped. Open valve D (Fig. 7). Note:
The above steps accomplish the relieving of pres-
sure in the pushrod chamber of the Deluge Valve.
5. With Valve F (Fig. 7) open, push in the plunger of ball
drip valve, valve G (Fig. 7), to force the ball from its
seat, and drain any water in the alarm line.
6. With the Model B Manual Emergency Station, valve
D(Fig.7), open, push in and rotate the deluge
valve’s external reset knob (#38, Fig. 6) clockwise
until you hear a distinct clicking noise, indicating that
the clapper has closed. Note: The reset knob can
be rotated only after pressure in the pushrod cham-
ber has been reduced to atmospheric conditions (0
psig).
7. Inspect and replace any portion of the sprinkler sys-
tem subjected to fire conditions.
8. Close valve F (Fig. 7). Activate a solenoid-release
pull station (Or other means of electric detection.) to
energize the solenoid valve(s). Silence any alarms
or audible tones on the releasing/control panel.
Open valve A (Fig. 7) to begin pressurizing the
push-rod chamber and its associated piping, while
simultaneously venting any entrapped air. Note:
This venting of the air from the actuation piping is
very important to ensure proper system operation
and avoidance of falsely tripping the Deluge Valve.
10.
Deluge Valve Reliable 510/511
Hydraulic Emergency Station (Model A) Reliable 506
Solenoid Valve Reliable 707
Mechanical Sprinkler Alarm Reliable 612/613
Pressure Maintenance Device Reliable 252
Air Compressor Reliable 707/708
Electric Emergency Station Reliable 707
Thermal/Smoke Detectors Reliable 707
Fire Alarm Devices Reliable 707
Waterflow Pressure Alar m Switch Bailey & Mackey Ltd.
Model 1381V
Groove Dimensions
Valve
Size
Outlet
Diameter
Groove
Diameter
Groove
Width
Outlet Face
to Groove
4"
(100mm)
4.500"
(114mm)
4.334"
(110)
38"
(10mm)
58"
(16mm)
165mm 6.500"
(165mm)
6.330"
(161mm)
6"
(150mm)
6.625
(168mm)
6.455"
(164mm)
Valve Size Weight
4" (100 mm)
6" (150 mm) & 165mm
64 lb. (29 kg)
95 lb. (43 kg)
Valve Size Color
4" (100mm)
6" (150mm) Black
165mm Red
formula with C=120 and a flow velocity of 15ft/sec
(4.6 m/sec)):
7. Installation position: Vertical
Valve Size Equivalent Length
4" (100mm)
6" (150mm) & 165mm
14' (4.27 m)
29.4' (9 m)

9. Upon seeing a solid flow of water from the drain tub-
ing, and the cessation of the “gurgling” sound at the
drip cup, H (Fig. 7), close valve D (Fig. 7) then rapidly
apply compressed air or nitrogen into the to chamber
of the Model LP Dry Valve Actuator until the pressure
conforms to Table A levels as indicated on the air
pressure gauge. The Model LP Dry Valve Actuator
will close during this pressurizing process and the
water will stop flowing into the drip cup. At this point,
the pressure gauge which indicates push-rod cham-
ber pressure (Fig. 7) will equalize to the available wa-
ter supply pressure. Note: It may be necessary to
isolate the various pressure gauges in the trim during
system set-up by closing the ¼” 3-way valves (#68
Fig. 2) that they are connected to. During set-up,
pressure fluctuations may occur that can be poten-
tially damaging to the gauges.
10. De-energize the solenoid valve(s). This is accom-
plished by resetting the solenoid-release pull station
and/or the detectors that were activated in Step #8
above. Note: All detection devices must be reset be-
fore the releasing/control panel can be reset.
11. Open valve F (Fig. 7). Open slightly the main valve
controlling water supply (Fig. 7) to the deluge valve,
closing drain valve B (Fig. 7) when water flows. Ob-
serve if water leaks through the ball drip valve, valve
G (Fig. 7), into the drip cup, H (Fig. 7). If no leak oc-
curs, the seluge valve’s clapper is sealed. Open
slowly, and verify that the main valve controlling water
supply is fully opened and properly monitored.
12. Verify that valve A (Fig. 7) and valve F (Fig. 7) are
open.
13. Secure the handle of the Model B Manual Emergency
Station, valve D (Fig. 7), in the OFF position with a ny-
lon tie (#64, Fig. 2).
Inspection and Testing
Refer to Figs. 2, 6, and 7.
1. Water supply — be sure the valve(s) controlling water
supply to the Deluge Valve are opened fully and
properly monitored.
2. Alarm line—be sure that valve F (Fig. 7) is opened
and remains in this position.
3. Other trimming valves — check that valve A (Fig. 7) is
open as well as all of the pressure gauge’s ¼” 3-way
valves. Valves C, D, and E (Fig. 7) should be closed.
4. Ball drip valve, valve G (Fig. 7)—make sure that valve
F (Fig. 7) is open. Push in on the plunger to be sure
the ball check is off its seat. If no water appears, the
deluge valve’s water seat is tight. Inspect the bleed
hole (see Fig. 7) on the underside of the deluge
valve’s push rod chamber for leakage.
5. System pneumatic pressure — check the Model LP
Dry Valve Actuator’s air pressure gauge (Fig. 7) and
water supply pressure gauge (Fig. 7) for confor-
mance to Table A.
6. Releasing device - Model LP Dry Valve Actuator (Fig.
7). Verify that the outlet is not leaking water. Check the
Model LP Dry Valve Actuator’s air pressure gauge
(Fig. 7) for proper pressure settings. Verify that the
tubing line from the actuator is not pinched or
crushed, which could prevent proper operation of the
deluge valve.
7. Testing alarms — make sure that valve F (Fig. 7) is
open. Open valve C (Fig. 7) permitting water from the
supply to flow to alarm portion of the trim. Typical de-
vices that are connected to this section of the trim are
pressure switches and/or a mechanical sprinkler
alarms (water motor). After testing has been com-
pleted, close this valve securely. Push in on the
plunger of ball drip valve G (Fig. 7) until all of the water
has drained from the alarm line.
8. Operational test — Open the Model B Manual Emer-
gency Station, valve D (Fig. 7). Note: An operational
test will cause the deluge valve to openand flow water
into the sprinkler system.
9. Secure the Model B Manual Emergency Station,
valveD(Fig.7),intheOFFpositionwithanylontie
(#64, Fig. 2) after the deluge valve is reset.
Testing the Model DDX Deluge Valve
without Flowing Water
Refer to Fig. 7
1. Close the valve controlling water supply to deluge
valve and open the main drain valve B.
2. Verify that valve A is open, allowing water to enter the
push rod chamber.
3. Operate detection system – energize the solenoid
valve(s) by operating a detector or manual pull sta-
tion.
4. Operation of the detection system will result in a sud-
den drop of water pressure in the push rod chamber.
5. Reset the detection system — reverse the operations
performed in step three above and then proceed ac-
cording to the directions listed in the “Resetting the
Single Interlock Preaction System” section of this bul-
letin for resetting the Deluge Valve.
Draining Excess/Condensate Water from
the System
Refer to Fig. 7
1. Close the main valve controlling water supply to de-
luge valve. Also, close valve A and open the main
drain valve B.
2. Open the condensate drain valve E until all of the wa-
ter has drained. Close valve E. Note: Be sure not to
keep valve E open for an extended period of time be-
cause that will cause enough system air to bleed off,
thereby causing an undesirable activation of a trou-
ble/alarm-annunciating device.
3. Close the main drain valve B. If system contains pres-
surized air, allow the air pressure to come back up to
specification. Open valve A first, and then open the
main valve controlling the water supply to the deluge
valve.
11.

12.
Models DDX 4" (100mm), 6" (150mm) & 165mm Deluge Valve Parts List
Fig. 6
Item
No
Part Number
Description
No.
Req'd
4"(100mm)
Valve
6"(150mm)
Valve
165mm
Valve
1 91006005 91006007 91006027 Valve Body 1
2 96016004 96016006 96016006 Seat 1
3 91916004 91916006 91916006 Clapper 1
4 92116064 92116066 92116065 Cover 1
5 93416004 93416006 93416006 Seal Faceplate
Subassembly 1
6 93706004 93706006 93706006 Gasket, Cover
(Not Shown) 1
7 94506004 94506006 94506006 Lever 1
8 92126066 Cover, Pushrod 1
9 95406407 O-ring (014) 1
10 95406007 O-ring (114) 1
11 95406016 O-ring (161) 2
12 95406024 O-ring (912) 2
13 93706001 N/A N/A Gasket, Clapper, 4" 1
N/A 93706002 93706002 Gasket, Clapper, 6"
14 96216086 Hinge Pin, Clapper 1
15 96216046 Pin, Lever 1
16 95606131 Threaded Stud,
#10-32 x ¾" 1
17 96216066 Pin, Locking, Seat
(Not Shown) 2
18 95106006 Piston 1
19 95200038
Plug, Socket,
Æ3/8" - 18 NPT
(Not Shown)
2
20 95506006 Pushrod 1
21 93916006 Pushrod Guide 1
Item
No.
Part Number
Description
No.
Req'd
4"(100mm)
Valve
6"(150mm)
Valve
165mm
Valve
22 95306267
Ring, Retaining
(2 Assembled to
Item No. 14)
3
23 95606128 Screw, Button Head,
#10-32 x 3/8" 1
24 95606129 Screw, Hex Washer
Head, #10-32 x 3/8" 4
25
95606107 N/A N/A Screw, Hex Cap,
ƽ"-13 x 1-1/2" 6
N/A 91106006 91106006 Screw, Hex Cap,
Æ5/8"-11 x 1-3/4"
26 96906111 Spring Lock
Washer, #10 1
27 95606127 Screw, C'sunk Cap
Head, Æ3/8"-16 x ¾" 1
28 95606130 Screw, Socket Head,
#10-32 x 1" 1
29 95606114 Screw, Socket Head,
Ƽ"-20 x 5/8" 6
30 93916006 Shaft, Reset 1
31 96406004 Spring, Lever 1
32 96406906 Spring 2
33 96906904
Teflon Washer, ƽ"
(2 Assembled to
Item No.14)
3
34 95276006 Diaphragm 1
35 92306006 Disc, Bumper 1
36 94106066 Housing, Reset 1
37 94206406 Inlet, Orifice 1
38 94356006 Knob, Reset 1
39 85000050 Grease, GPL-201
(Not Shown) 1

13.
Fig. 7

14.
Maintenance Procedures - Model DDX
Deluge Valve
RefertoFigs.2,6&7.
1. Mechanical sprinkler alarm (water motor–not
shown) not operating:
This is most likely caused by a clogged screen in the
strainer of the water motor. Proceed as follows: Re-
move plug from the strainer. Remove and clean the
screen. Replace the screen and the plug, and then
tighten securely (Ref. Bulletin 613).
2Leakage out of the ball drip valve G (Fig. 7).
a. Water leakage due to a water column above
the deluge valve’s clapper:
This condition can be caused by leakage past
the system side of the Model DDX Deluge
Valve’s seal faceplate subassembly (#5, Fig.
6). Be sure that this surface is free of any type
of debris. To eliminate leakage due to a water
column, refer to the section in this bulletin
marked “Draining Excess/Condensate Water
From System”. If the problem continues pro-
ceed to the following section.
b. Leakage, air or water from the ball drip
valve, G (Fig. 7):
If system air is leaking out the ball drip valve,
the problem is either damage to the airside of
the Model DDX Deluge Valve’s seal faceplate
subassembly (#5, Fig. 6), seat (#2, Fig. 6), or
the upper seat O-ring (#11, Fig. 6).
If supply water is leaking out the ball drip valve,
the problem could be caused by damage to
the Model DDX Deluge Valve’s seal faceplate
subassembly (#5, Fig. 6), seat (#2, Fig. 6), or
lower seat O-ring (#11, Fig. 6). The following
section provides instructions to correct both
conditions:
A) Shut down the valve controlling the water
supply to the Deluge Valve and open the main
drain valve B (Fig. 7). Open the water column
drain valve E (Fig. 7). Close the push rod
chamber supply valve A (Fig. 7) and open the
Model B Manual Emergency Station D (Fig.
7).
B) Remove the deluge valve’s front (handhold)
cover (#4, Fig. 6) and inspect the seat (#2,
Fig. 6), clapper (#3, Fig. 6), and seal face-
plate subassembly (#5, Fig. 6) for damage.
If inspection indicates damage to the clapper
(#3, Fig. 6) or seal faceplate subassembly
(#5, Fig. 6) only, then the clapper subassem-
bly can be removed as follows:
At the rear of the deluge valve, disconnect the
water column drain trim section at the ¾” un-
ion (#68, Fig. 2). Remove the retaining ring
(handhold cover side) from the clapper hinge
pin (#14, Fig. 6) and push this pin through the
water column drain line and remove the clap-
per subassembly. Remove the four retaining
screws (#24, Fig. 6) holding the seal face-
plate subassembly (#5, Fig. 6). Inspect the
clapper (#3, Fig. 6) visually before re-install-
ing. Apply a small amount of silicone-based
lubricant to the four retaining screws. Install a
new seal faceplate subassembly. Torque the
retaining screws to approximately 40
inch-pounds and reassemble.
If the seat (#2, Fig. 6) is damaged or it is sus-
pected that the leakage is through the lower
O-ring (#11, Fig. 6), the seat-clapper subas-
sembly is easily removed as a unit as follows:
Using a 5/16” Allen wrench, remove the two
3/8” NPT pipe plugs (#19 (not shown) Fig. 6)
located on the side of the Model DDX Deluge
Valve. The seat-clapper subassembly is re-
tained by two locking pins (#17 (not shown)
Fig. 6). The centers of these pins have a
¼”-20 threaded hole. Remove the two lock-
ing pins by engaging them with a ¼”-20
screw or threaded rod and pulling them out.
Note: The two locking pins are not threaded,
so turning them with the attached ¼”-20
screw or threaded rod is not recommended.
A proven method is to use ¼”-20 threaded
rod with a locknut on the un-inserted end.
Grab hold of the locknut with pliers or
vice-grips and tap the pliers or vice-grips in
the direction moving away from the deluge
valve. Doing so should pull the locking pins
out of the deluge valve. With the clapper (#2,
Fig. 6) in the closed position (not latched),
dislodge the seat-clapper subassembly from
the deluge valve’s body by inserting two
large flathead screw drivers under the lever
and clapper mounting ears of the seat and
pry up until the seat-clapper subassembly is
free of its bore. Reach into the deluge valve
and grasp the seat-clapper subassembly
from the sides. Lift up and rotate the
seat-clapper subassembly through 90 de-
grees about the main access of deluge valve
so that the lever-side of the seat-clapper sub-
assembly faces the outlet of the deluge
valve. Rotate the seat-clapper subassembly
around the centerline of the deluge valve until
the top of the clapper faces the handhold
opening and then pull it out clapper
hinge-pin side first. Visually examine all of
the components of the seat-clapper subas-
sembly, replacing any component that ap-
pears damaged. New O-rings (#11, Fig. 6)
should always be used for reassembly.
Re-assembly:
It is likely that the lower seat O-ring (#11, Fig.
6) has remained at the bottom of the deluge
valve body’s bore. Discard this O-ring and
clean the bore. Lubricate the bore with O-ring
grease and place the lower seat O-ring on
the step at the bottom of the bore, verifying
that it is in full contact with the bore. Lubri-
cate the bottom step and upper seat O-ring
(#11, Fig. 6) of the refurbished seat-clapper
subassembly. Insert the seat-clapper subas-
sembly into the handhold opening of the de-
luge valve lever-first, rotating it until the lever
side faces the outlet of the deluge valve. Ro-
tate the seat-clapper subassembly until the
lever (#7, Fig. 6) faces the push rod (#20, Fig.
6), then drop the seat-clapper subassembly
into the deluge valve’s bore. Verify that the
seat-clapper subassembly is fully depressed
in to the deluge valve’s body. Check to see
that the lever lines up with the push rod. Ad-

15.
just if necessary. Clean and lubricate the two
locking pins (#17 (not shown) Fig. 6) with
O-ring lubricant and drive them into the de-
luge valve body. Reinstall the 3/8” NPT pipe
plugs (#19 (not shown) Fig. 6). Reassemble
the handhold cover and set up the Model
DDX Deluge Valve as per the section of this
bulletin entitled “Resetting the Single Inter-
lock Preaction System”.
3. Leakage out of the push rod chamber vent hole:
A small bleed hole is located on the underside of the
push rod chamber (see Fig. 6). If there is air or water
leakage coming out of this hole, do the following:
A) Shut down the valve controlling water supply
to the deluge valve. Relieve the inlet pressure
by opening the main drain valve B (Fig. V).
Close valve A (Fig. 7), the valve that supplies
water to the push rod chamber, and open the
Model B Manual Emergency Station, valve D
(Fig. 7).
B) Remove the trim at the unions nearest to the
push rod chamber cover (#8, Fig. 6).
C) Take the push rod chamber cover (#8, Fig. 6)
off by removing the six retaining screws (#29,
Fig. 6).
Condition #1: Water coming out of the bleed
hole:
Water coming out of the bleed hole is caused by a
leaking diaphragm (#34, Fig. 6). Visually inspect the
push rod chamber cover (#8, Fig. 6) and piston (#18,
Fig. 6) to determine what could have damaged the
diaphragm and correct. Install a new diaphragm.
NOTE: The diaphragm has two different surfaces, it
is not bi-directional. It will fail if installed backwards!
Roll the diaphragm so that the smooth surface (the
pressure side) conforms to the inside of the push rod
chamber cover and re-assemble the six retaining
screws (#29, Fig. 6) with an installation torque of 15
foot-pounds. Set up the Model DDX Deluge Valve as
per the section of this bulletin entitled “Resetting the
Single Interlock Preaction System”.
Condition #2: System Air coming out of the bleed
hole:
System air coming out of the bleed hole is caused by
a defective O-ring assembled to the push rod guide
(#21, Fig. 6). Remove the piston-push rod subas-
sembly, push rod spring (#32, Fig. 6), and push rod
guide (#21, Fig. 6). Verify by hand turning, that the
push rod cannot be unscrewed from the piston. Re-
place all of the O-rings and the push rod guide. The
correct installation torque for the push rod guide is 35
inch-pounds. CAUTION: Do not over-tighten the
push rod guide. Re assemble the components that
were initially removed. Re-install the diaphragm (#34,
Fig. 6) if it appears to be in good shape, otherwise,
replace it also. NOTE: The diaphragm has two differ-
ent surfaces, it is not bi-directional. It will fail if in-
stalled backwards! Roll the diaphragm so that the
smooth surface (the pressure side) conforms to the
inside of the push rod chamber cover and re-assem-
ble the six retaining screws (#29, Fig. 6) with an instal-
lation torque of 15 foot-pounds. Set up the Model
DDX Deluge Valve as per the section of this bulletin
entitled “Resetting the Single Interlock Preaction Sys-
tem”.
Fig. 8

Model LP Dry Valve Actuator Parts List
P/N 71030010
Refer to Fig. 8
16.
Note: For metric installations, a 2" NPT x R2, ISO 7/1 x Close Nipple (Reliable P/N 98543401) is sold separately as an
adapter for the single drain outlet of the trims.
Ordering Information
Specify
Valve Model & Size — 4”(100mm) Model DDX Deluge Valve (P/N 6103040026), 6”(150mm) Model DDX Deluge Valve
(P/N 6103060024), 165mm Model DDX Deluge Valve (P/N 6103060028).
Trim — The trim set is available in individual parts, in time-saving segmentally assembled kit forms, or fully assembled
to the Model DDX Deluge Valve.
Item
No.
Part No. Description Qty.
Required
1 94106936 Lower Housing 1
2 94106935 Upper Housing 1
3 96006905 Seat 1
4 92206311 Diaphragm 1
5 95106911 Facing Plate Assembly 1
6 96906311 Diaphragm Washer 1
7 94906406 Facing Plate Nut 1
8 95406901 Seat O-Ring 1
995606305 Bolt 6
10 96406902 Compression Spring 1
Trim Configurations Trim Part Numbers
4" (100mm) Valve 6" (150mm) Valve 165mm Valve
Fully Assembled to Model DDX Valve 6505040400 6505060400 6505065400
Segmentally Assembled
(Model DDX Valve Sold Separately) 6502071710
Individual Parts
(Model DDX Valve Sold Separately) 6502071700
Maintenance – Model LP Dry Valve Actuator
RefertoFigs.7and8
1. If water constantly flows through the Model LP Dry
Valve Actuator and into the drain, there is a leak in the
seal of the Actuator’s seat.
2. Close the main valve controlling water supply (Fig. 7) to
the Deluge Valve and close off the air/nitrogen supply
to the sprinkler system. Close valve A (Fig. 7).
3. Drop pressure in the system by opening the ¼” angle
valve, valve E (Fig. 7), and remove the Actuator from
the system.
4. Remove all six bolts (#9, Fig. 8) holding the Actuator to-
gether. Clean or replace the facing plate assembly (#5,
Fig. 8) and seat (#3, Fig. 8).
5. Reassemble the Actuator, using a torque of 8 ft-lbs on
the facing plate nut (#7, Fig. 8) and 12 ft-lbs on the six
bolts (#9, Fig. 8). Use a cross-tightening pattern. Rein-
stall the Actuator. Set up the Model DDX Deluge Valve
as per the section of this bulletin entitle “Resetting the
Single Interlock Preaction System.”

17.
Fig. 9

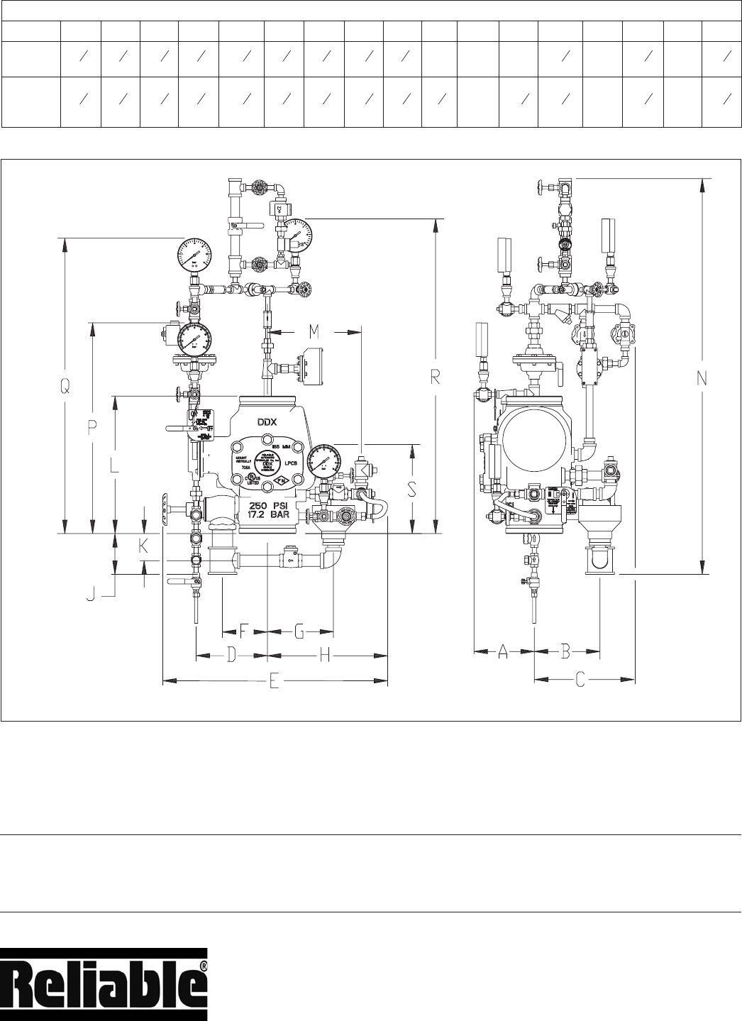
Installation Dimensions in Inches (mm)
VALVE A B C D E F G H J K L M N P Q RS
4"
(100mm)
514
(133)
634
(171)
1314
(337)
778
(200)
2534
(654)
512
(140)
812
(216)
1312
(343)
614
(159)
2½
(64)
14
(335)
12
(305)
4914
(1251)
23
(584)
3334
(857)
36
(914)
1034
(273)
6"
(150mm)
& 165mm
614
(159)
734
(197)
1314
(337)
778
(200)
2634
(654)
512
(140)
812
(216)
1412
(368)
834
(222)
314
(83)
16
(406)
1212
(318)
5114
(1302)
25
(635)
3534
(908)
38
(965)
1034
(273)
The equipment presented in this bulletin is to be installed in accordance with the latest pertinent Standards of the Na-
tional Fire Protection Association, Factory Mutual Research Corporation, or other similar organizations and also with the
provisions of governmental codes or ordinances whenever applicable.
The Reliable Automatic Sprinkler Co., Inc.
(800)431–1588 Sales Offices
(800)848–6051 Sales Fax
(914)829–2042 Corporate Offices
Www.reliablesprinkler.com Internet Address
Manufactured by
Reliable Fire Sprinkler Ltd.
Unit A2, Epsom Business Park
Kiln Lane, Epsom
Surrey, KT171JF
England
Phone: 0372 728899
Fax: 1372 724461
P/N 9999970344
09/07