Rheem Package Dedicated Horizontal Heat Pump Specification Sheet
2015-04-02
: Rheem Rheem-Package-Dedicated-Horizontal-Heat-Pump-Specification-Sheet-684032 rheem-package-dedicated-horizontal-heat-pump-specification-sheet-684032 rheem pdf
Open the PDF directly: View PDF
.
Page Count: 60

FORM NO. P11-769 REV. 5
Supersedes Form No. P11-769 Rev. 4
Featuring Industry Standard R-410A Refrigerant
RQNM- 13-SEER SERIES
NOMINAL SIZES 2-5 TONS [7-17.6 kW]
RQPM- 14-SEER SERIES
NOMINAL SIZES 2-5 TONS [7-17.6 kW]
RQRM- 15/16-SEER SERIES
NOMINAL SIZES 2.5, 3, 4 TONS [8.8, 10.6, 14 kW]
SELF-CONTAINED HEAT PUMP PACKAGE UNITS
(14 SEER ONLY)

2
TABLE OF CONTENTS
Unit Features & Benefits ..............................................................................3-6
Model Identification Options ............................................................................7
General Data
RQNM- Series ........................................................................................8-10
RQPM- Series ......................................................................................11-14
RQRM- Series ..........................................................................................15
General Data Notes ......................................................................................16
Performance Data
RQNM- Cooling Series ..........................................................................17-19
RQPM- Cooling Series ..........................................................................20-24
RQRM- Cooling Series ..........................................................................25-26
RQNM- Heating Series ..........................................................................27-29
RQPM- Heating Series ..........................................................................30-34
RQRM- Heating Series ..........................................................................35-36
Airflow Performance RQNM- Series............................................................37-38
Airflow Performance RQPM- Series............................................................39-40
Airflow Performance RQRM- Series ................................................................41
Electrical Data
RQNM- Series ..........................................................................................42
RQPM- Series ......................................................................................43-44
RQRM- Series ..........................................................................................45
Electric Heater Kits ..................................................................................46-50
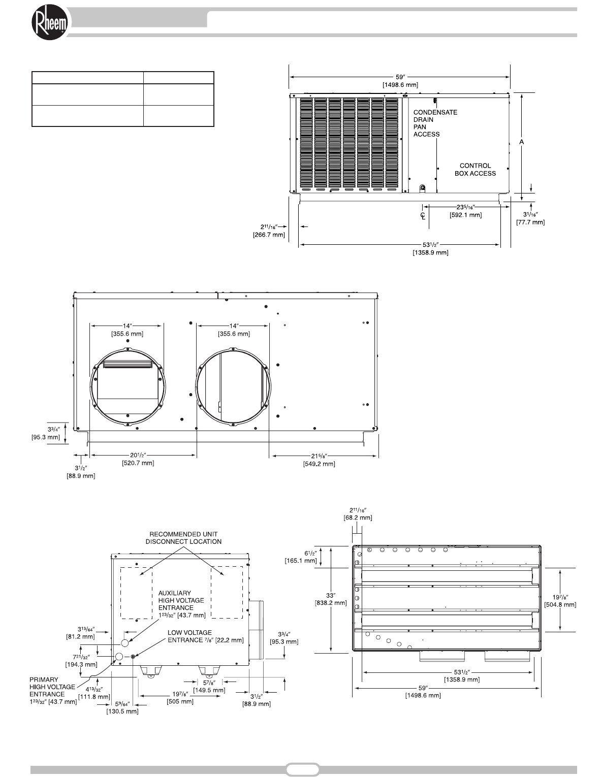
Dimensional Data..........................................................................................51
Typical Installations ......................................................................................52
Accessories ..................................................................................................53
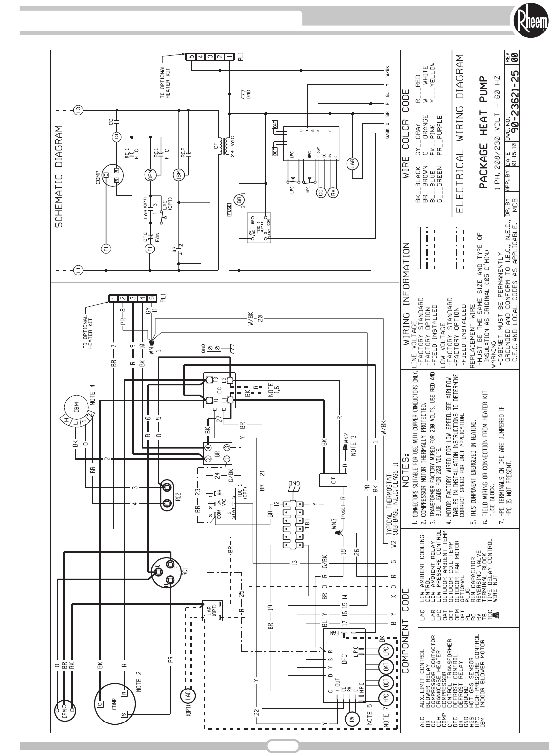
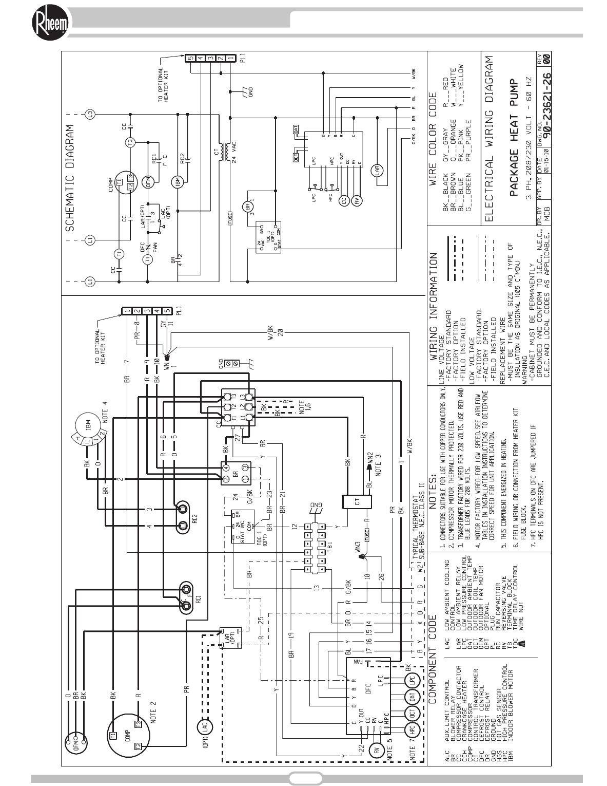
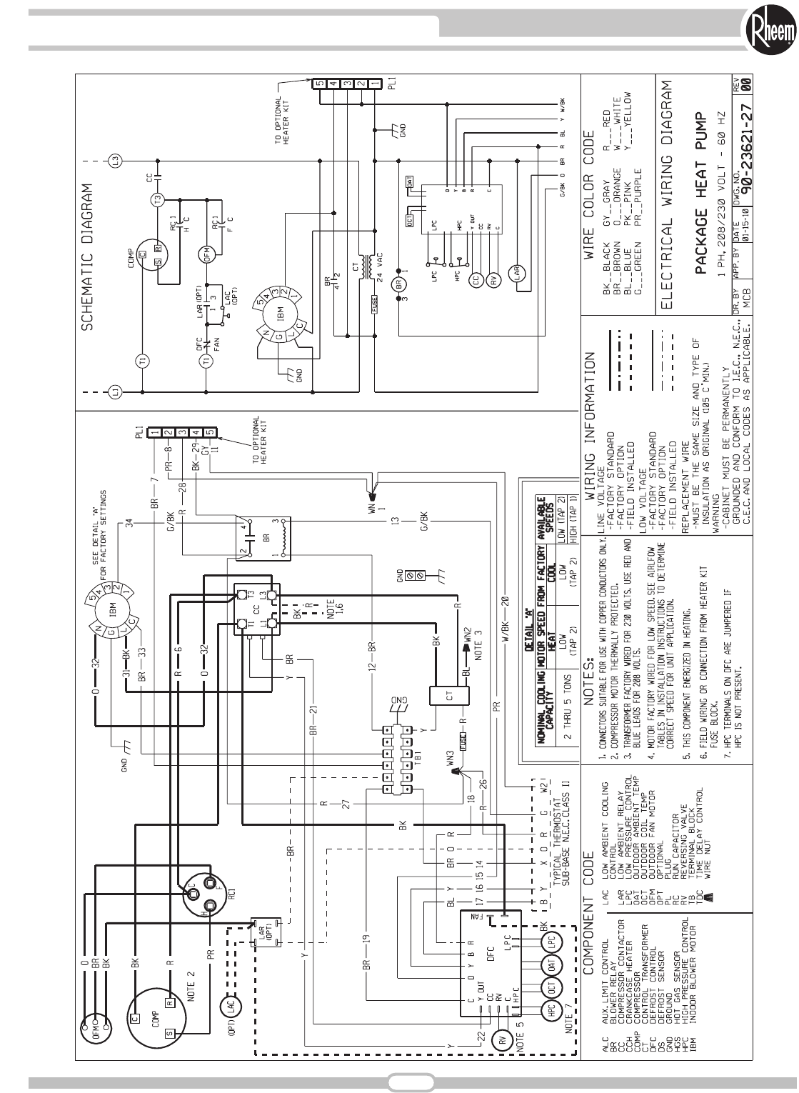
Typical Wiring ..........................................................................................54-59
Limited Warranty ..........................................................................................60

UNIT FEATURES & BENEFITS—RQNM/RQPM/RQRM- SERIES
3
The RQNM, RQPM & RQRM series of Package Heat Pumps are
designed to be the most efficient, quickest to install, easiest to ser-
vice, and most reliable units in the industry – while still maintaining
an affordable price. This platform provides you with a full line of
nominal capacities from 2 through 5 tons. RQNM models are 13
SEER, RQPM models are 14 SEER and RQRM models are 15/16
SEER, each AHRI-certified.
As with all units offered by Rheem, we started our design process
with input from the customer. From fan grille to the base rails,
Rheem has combined 30 years worth of package unit design
experience with input from Dealers to meet the latest application
requirements.
Starting at the bottom, the base rails ()allow for separation
between the unit base and the ground level, protecting the base
from ground moisture and providing air circulation around the unit.
Constructed from sturdy 18-gauge G-90 sheet metal, the base
rails also allow for easier maneuverability during installation.
1
1
2
1
11

4
UNIT FEATURES & BENEFITS—RQNM/RQPM/RQRM- SERIES
While other manufacturers have chosen to use pre-painted steel
in their equipment, which exposes raw edges and invites rust and
sharp edges, Rheem package equipment uses a powder-coat
paint system, rated at 1000 hour salt spray per ASTM B117. The
powder-coat process also greatly diminishes and dulls sharp
edges, reducing the occurrence of cuts and torn clothes.
To provide flexibility in space-limited installations, the unit can be
installed flush to the structure without blocking airflow over the
outdoor coil or making any screws inaccessible for maintenance.
Furthermore, the cabinet is a slim 33" wide. Full-louver coil pro-
tection ()makes Rheem unique in the industry and also totally
protects the outdoor coil from vandalism and weather extremes.
Two round 14" duct collar ()
are included with the unit, which
makes attaching duct a snap. The collar is crimped around the
leading edge, making it easier to install duct onto the collar. A
metal bead around the circumference prevents the attached duct-
ing from sliding off after installation.
Keeping service technicians in mind, Rheem takes pride providing
easy access to internal components. The outdoor-section top
cover () is easily removed to allow access to the scroll com-
pressor (), outdoor fan motor (), and refrigerant tubing ()
.
7
65
4
3
2
5
6
7
4
2
3

5
UNIT FEATURES & BENEFITS—RQNM/RQPM/RQRM- SERIES
The indoor-section top cover also easily opens to access the
removable blower housing and motor (). This also gains total
access to the indoor coil for cleaning and service ().
The indoor motor and blower system will achieve nominal 400
CFM per ton up to a minimum of .8 inches of static pressure,
which helps to eliminate customer dissatisfaction over poor airflow
brought about by high-static duct designs.
Optional electric heat ()can be easily installed in the field,
with either dual- or single-point power, and is designed to easily
install into the unit. Electric heat can also be specified as
factory installed.
10
9
8
The controls are located in a large, easy-to-access control box
(), which provides plenty of space in which to troubleshoot. A
demand defrost control () is used to manage the defrost cycle.
The transformer () is protected by a in-line fuse, which protects
the transformer during a low-voltage electrical short. The low-
voltage ()and high-voltage ()wiring connections are easily
accessed and have ample room around which to maneuver.
Troubleshooting is further aided with number- and color-coded
wiring, which corresponds with the large, easy-to-read wiring
diagram located on the inside of the control box access panel.
1514
13
12
11
10
11
12
13
14
15
10
9
8

Low pressure control standard on all models ().
High pressure control standard on -060 model.
20
6
UNIT FEATURES & BENEFITS—RQNM/RQPM/RQRM- SERIES
High and low pressure can easily and accurately be measured
using the two gauge ports ()located inside the control box.
16
A small side panel grants access to a removable, sloped drain pan
(), which helps to ensure indoor air quality (IAQ) throughout the
life of the unit. A 3/4" drain
trap () assembly is
provided for convenience.
“Patent 7,430,877”
18
17
Foil-faced insulation is securely glued and captured to the cabinet.
On the base of the unit, closed-cell insulation is used to prevent
moisture from being absorbed and help reduce mold content to
provide better indoor air quality.
For reliability and long-lasting operation, Rheem uses 100% scroll
compressor technology () on all package platforms. With over
12 years of history, the scroll compressor has proven to be
reliable, efficient, and quiet
during operation.
19
17
19
16
18
20

7
MODEL IDENTIFICATION—RQNM/RQPM/RQRM- SERIES
R Q N M — A 036 J K 010
Heating Capacity (Factory Installed)
000 = No Resistance Heat
005 = 05 KW Resistance Heat
007 = 07 KW Resistance Heat
010 = 10 KW Resistance Heat
015 = 15 KW Resistance Heat
020 = 20 KW Resistance Heat
Drive Package
K = Direct Drive
Electrical Designation
J = 208-230V—1PH—60 Hz
C = 208-230V—3PH—60 Hz
(13 SEER Only)
Nominal Cooling Capacity (BTUH) [kW]
024 = 24,000 [7.03]
030 = 30,000 [8.79]
036 = 36,000 [10.55]
037 = 36,000 [10.55]
042 = 42,000 [12.31]
043 = 42,000 [12.31]
048 = 48,000 [14.07]
049 = 48,000 [14.07]
060 = 60,000 [17.59]
Future Technical Variations
Design Series
M = R-410A
Efficiency Designation
N = 13 SEER
P = 14 SEER
R = 15/16 SEER
Product Classification
Q = Package Heat Pump
Tradebrand
R = Rheem
[ ] Designates Metric Conversions

8
GENERAL DATA—RQNM- SERIES
Model RQNM- Series A024JK A030JK A036CK A036JK
Cooling Performance1
Gross Cooling Capacity Btu [kW] 24,600 [7.21] 29,800 [8.73] 36,600 [10.72] 36,600 [10.72]
EER/SEER211/13 11.15/13 11/13 11/13
Nominal CFM/AHRI Rated CFM [L/s] 800/800 [378/378] 1000/1000 [472/472] 1200/1200 [566/566] 1200/1200 [566/566]
AHRI Net Cooling Capacity Btu [kW] 23,600 [6.91] 28,800 [8.44] 35,200 [10.31] 35,200 [10.31]
Net Sensible Capacity Btu [kW] 18,200 [5.33] 22,400 [6.56] 27,000 [7.91] 27,000 [7.91]
Net System Power kW 2.14 2.58 3.2 3.2
Heating Performance (Heat Pumps)3
Heating Input Btu [kW] Rating 23,400 [6.86] 28,800 [8.44] 35,000 [10.26] 35,000 [10.26]
System Power KW/COP 2.07/3.34 2.45/3.44 2.95/3.48 2.95/3.48
Low Temp. Btuh [kW] Rating 13,800 [4.04] 16,200 [4.75] 19,200 [5.63] 19,200 [5.63]
Net Weight lbs. [kg] 308 [140] 331 [150] 356 [161] 356 [161]
System Power KW/COP 1.91/2.12 2.22/2.14 2.65/2.1 2.65/2.1
Refrigerant Control TX Valves TX Valves TX Valves TX Valves
HSPF (Btu/Watts-hr) 7.7 7.7 7.7 7.7
Compressor
No./Type 1/Scroll 1/Scroll 1/Scroll 1/Scroll
Outdoor Sound Rating (dB)476 76 76 76
Outdoor Coil—Fin Type Louvered Louvered Louvered Louvered
Tube Type Rifled Rifled Rifled Rifled
Tube Size in. [mm] OD 0.375 [9.5] 0.375 [9.5] 0.375 [9.5] 0.375 [9.5]
Face Area sq. ft. [sq. m] 10.44 [0.97] 12.65 [1.18] 12.65 [1.18] 12.65 [1.18]
Rows / FPI [FPcm] 1 / 20 [8] 1 / 20 [8] 1 / 20 [8] 1 / 20 [8]
Net Latent Capacity Btu [kW] 5,400 [1.58] 6,400 [1.88] 8,200 [2.4] 8,200 [2.4]
Indoor Coil—Fin Type Louvered Louvered Louvered Louvered
Tube Type Rifled Rifled Rifled Rifled
Tube Size in. [mm] 0.375 [9.5] 0.375 [9.5] 0.375 [9.5] 0.375 [9.5]
Face Area sq. ft. [sq. m] 4.33 [0.4] 4.33 [0.4] 4.33 [0.4] 4.33 [0.4]
Rows / FPI [FPcm] 2 / 15 [6] 3 / 13 [5] 3 / 13 [5] 3 / 13 [5]
Refrigerant Control TX Valves TX Valves TX Valves TX Valves
Drain Connection No./Size in. [mm] 1/1 [25.4] 1/1 [25.4] 1/1 [25.4] 1/1 [25.4]
Outdoor Fan—Type Propeller Propeller Propeller Propeller
No. Used/Diameter in. [mm] 1/24 [609.6] 1/24 [609.6] 1/24 [609.6] 1/24 [609.6]
Drive Type/No. Speeds Direct/1 Direct/1 Direct/1 Direct/1
CFM [L/s] 3200 [1510] 3200 [1510] 3200 [1510] 3200 [1510]
No. Motors/HP 1 at 1/3 HP 1 at 1/3 HP 1 at 1/3 HP 1 at 1/3 HP
Motor RPM 825 825 825 825
Indoor Fan—Type FC Centrifugal FC Centrifugal FC Centrifugal FC Centrifugal
No. Used/Diameter in. [mm] 1/10x9 [254x228.6] 1/10x9 [254x228.6] 1/10x9 [254x228.6] 1/10x9 [254x228.6]
Drive Type/No. Speeds Direct/2 Direct/2 Direct/2 Direct/2
No. Motors 1 1 1 1
Motor HP 1/4 1/3 1/2 1/2
Motor RPM 1033 1080 1050 1050
Motor Frame Size 48 48 48 48
Filter—Type Field Supplied Field Supplied Field Supplied Field Supplied
Furnished No No No No
(No.) Size Recommended in. [mm] (1)1x20x16 [25x508x406] (1)1x20x20 [25x508x508] (1)1x24x24 [25x610x610] (1)1x24x24 [25x610x610]
Refrigerant Charge Oz. [g] 90 [2552] 93 [2637] 93 [2637] 93 [2637]
Weights
Ship Weight lbs. [kg] 332 [151] 355 [161] 380 [172] 380 [172]
CONTINUED
NOMINAL SIZES 2-5 TONS [7-17.6 kW]
See Page 16 for Notes. [ ] Designates Metric Conversions

9
GENERAL DATA—RQNM- SERIES
Model RQNM- Series A042CK A042JK A048CK A048JK
Cooling Performance1
Gross Cooling Capacity Btu [kW] 43,500 [12.75] 43,500 [12.75] 49,500 [14.5] 49,500 [14.5]
EER/SEER211/13 11/13 11/13 11/13
Nominal CFM/AHRI Rated CFM [L/s] 1400/1450 [661/684] 1400/1450 [661/684] 1600/1550 [755/731] 1600/1550 [755/731]
AHRI Net Cooling Capacity Btu [kW] 42,000 [12.31] 42,000 [12.31] 47,500 [13.92] 47,500 [13.92]
Net Sensible Capacity Btu [kW] 30,000 [8.79] 30,000 [8.79] 35,900 [10.52] 35,900 [10.52]
Net System Power kW 3.82 3.82 4.32 4.32
Heating Performance (Heat Pumps)3
Heating Input Btu [kW] Rating 39,500 [11.57] 39,500 [11.57] 43,000 [12.6] 43,000 [12.6]
System Power KW/COP 3.56/3.24 3.56/3.24 3.92/3.44 3.92/3.44
Low Temp. Btuh [kW] Rating 22,800 [6.68] 22,800 [6.68] 25,600 [7.5] 25,600 [7.5]
Net Weight lbs. [kg] 408 [185] 408 [185] 429 [195] 429 [195]
System Power KW/COP 3.25/2.06 3.25/2.06 3.56/2.14 3.56/2.14
Refrigerant Control TX Valves TX Valves TX Valves TX Valves
HSPF (Btu/Watts-hr) 7.7 7.7 7.7 7.7
Compressor
No./Type 1/Scroll 1/Scroll 1/Scroll 1/Scroll
Outdoor Sound Rating (dB)478 78 78 78
Outdoor Coil—Fin Type Louvered Louvered Louvered Louvered
Tube Type Rifled Rifled Rifled Rifled
Tube Size in. [mm] OD 0.375 [9.5] 0.375 [9.5] 0.375 [9.5] 0.375 [9.5]
Face Area sq. ft. [sq. m] 16.54 [1.54] 16.54 [1.54] 16.54 [1.54] 16.54 [1.54]
Rows / FPI [FPcm] 1 / 22 [9] 1 / 22 [9] 1 / 22 [9] 1 / 22 [9]
Net Latent Capacity Btu [kW] 12,000 [3.52] 12,000 [3.52] 11,600 [3.4] 11,600 [3.4]
Indoor Coil—Fin Type Louvered Louvered Louvered Louvered
Tube Type Rifled Rifled Rifled Rifled
Tube Size in. [mm] 0.375 [9.5] 0.375 [9.5] 0.375 [9.5] 0.375 [9.5]
Face Area sq. ft. [sq. m] 5.78 [0.54] 5.78 [0.54] 5.78 [0.54] 5.78 [0.54]
Rows / FPI [FPcm] 3 / 13 [5] 3 / 13 [5] 3 / 13 [5] 3 / 13 [5]
Refrigerant Control TX Valves TX Valves TX Valves TX Valves
Drain Connection No./Size in. [mm] 1/1 [25.4] 1/1 [25.4] 1/1 [25.4] 1/1 [25.4]
Outdoor Fan—Type Propeller Propeller Propeller Propeller
No. Used/Diameter in. [mm] 1/24 [609.6] 1/24 [609.6] 1/24 [609.6] 1/24 [609.6]
Drive Type/No. Speeds Direct/1 Direct/1 Direct/1 Direct/1
CFM [L/s] 4200 [1982] 4200 [1982] 4200 [1982] 4200 [1982]
No. Motors/HP 1 at 1/3 HP 1 at 1/3 HP 1 at 1/3 HP 1 at 1/3 HP
Motor RPM 1075 1075 1075 1075
Indoor Fan—Type FC Centrifugal FC Centrifugal FC Centrifugal FC Centrifugal
No. Used/Diameter in. [mm] 1/11x9 [279.4x228.6] 1/11x9 [279.4x228.6] 1/11x9 [279.4x228.6] 1/11x9 [279.4x228.6]
Drive Type/No. Speeds Direct/2 Direct/2 Direct/2 Direct/2
No. Motors 1 1 1 1
Motor HP 1/2 1/2 3/4 3/4
Motor RPM 1075 1075 1075 1075
Motor Frame Size 48 48 48 48
Filter—Type Field Supplied Field Supplied Field Supplied Field Supplied
Furnished No No No No
(No.) Size Recommended in. [mm] (1)1x24x24 [25x610x610] (1)1x24x24 [25x610x610] (1)1x24x24 [25x610x610] (1)1x24x24 [25x610x610]
Refrigerant Charge Oz. [g] 128 [3629] 128 [3629] 120 [3402] 120 [3402]
Weights
Ship Weight lbs. [kg] 434 [197] 434 [197] 455 [206] 455 [206]
CONTINUED
NOMINAL SIZES 2-5 TONS [7-17.6 kW]
See Page 16 for Notes. [ ] Designates Metric Conversions

10
GENERAL DATA—RQNM- SERIES
Model RQNM- Series A060CK A060JK
Cooling Performance1
Gross Cooling Capacity Btu [kW] 62,000 [18.17] 62,000 [18.17]
EER/SEER211/13 11/13
Nominal CFM/AHRI Rated CFM [L/s] 2000/1900 [944/897] 2000/1900 [944/897]
AHRI Net Cooling Capacity Btu [kW] 59,000 [17.29] 59,000 [17.29]
Net Sensible Capacity Btu [kW] 44,500 [13.04] 44,500 [13.04]
Net System Power kW 5.36 5.36
Heating Performance (Heat Pumps)3
Heating Input Btu [kW] Rating 61,000 [17.87] 61,000 [17.87]
System Power KW/COP 5.15/3.52 5.15/3.52
Low Temp. Btuh [kW] Rating 34,400 [10.08] 34,400 [10.08]
Net Weight lbs. [kg] 481 [218] 481 [218]
System Power KW/COP 4.64/2.18 4.64/2.18
Refrigerant Control TX Valves TX Valves
HSPF (Btu/Watts-hr) 7.7 7.7
Compressor
No./Type 1/Scroll 1/Scroll
Outdoor Sound Rating (dB)478 78
Outdoor Coil—Fin Type Louvered Louvered
Tube Type Rifled Rifled
Tube Size in. [mm] OD 0.375 [9.5] 0.375 [9.5]
Face Area sq. ft. [sq. m] 16.54 [1.54] 16.54 [1.54]
Rows / FPI [FPcm] 2 / 18 [7] 2 / 18 [7]
Net Latent Capacity Btu [kW] 14,500 [4.25] 14,500 [4.25]
Indoor Coil—Fin Type Louvered Louvered
Tube Type Rifled Rifled
Tube Size in. [mm] 0.375 [9.5] 0.375 [9.5]
Face Area sq. ft. [sq. m] 5.78 [0.54] 5.78 [0.54]
Rows / FPI [FPcm] 4 / 13 [5] 4 / 13 [5]
Refrigerant Control TX Valves TX Valves
Drain Connection No./Size in. [mm] 1/1 [25.4] 1/1 [25.4]
Outdoor Fan—Type Propeller Propeller
No. Used/Diameter in. [mm] 1/24 [609.6] 1/24 [609.6]
Drive Type/No. Speeds Direct/1 Direct/1
CFM [L/s] 4000 [1888] 4000 [1888]
No. Motors/HP 1 at 1/3 HP 1 at 1/3 HP
Motor RPM 1075 1075
Indoor Fan—Type FC Centrifugal FC Centrifugal
No. Used/Diameter in. [mm] 1/11x9 [279.4x228.6] 1/11x9 [279.4x228.6]
Drive Type/No. Speeds Direct/2 Direct/2
No. Motors 1 1
Motor HP 3/4 3/4
Motor RPM 1075 1075
Motor Frame Size 48 48
Filter—Type Field Supplied Field Supplied
Furnished No No
(No.) Size Recommended in. [mm] (1)1x24x24 [25x610x610] (1)1x24x24 [25x610x610]
Refrigerant Charge Oz. [g] 193 [5472] 193 [5472]
Weights
Ship Weight lbs. [kg] 507 [230] 507 [230]
NOMINAL SIZES 2-5 TONS [7-17.6 kW]
See Page 16 for Notes. [ ] Designates Metric Conversions

Model RQPM- Series A024JK A030JK A036CK A036JK
Cooling Performance1
Gross Cooling Capacity Btu [kW] 24,000 [7.03] 29,400 [8.61] 36,000 [10.55] 36,000 [10.55]
EER/SEER212/14 12.05/14 11.6/14 11.6/14
Nominal CFM/AHRI Rated CFM [L/s] 800/800 [378/378] 1000/1000 [472/472] 1200/1200 [566/566] 1200/1200 [566/566]
AHRI Net Cooling Capacity Btu [kW] 23,600 [6.91] 29,000 [8.5] 35,400 [10.37] 35,400 [10.37]
Net Sensible Capacity Btu [kW] 18,400 [5.39] 23,000 [6.74] 27,600 [8.09] 27,600 [8.09]
Net System Power kW 1.97 2.41 3.05 3.05
Heating Performance (Heat Pumps)3
Heating Input Btu [kW] Rating 23,200 [6.8] 28,000 [8.2] 34,200 [10.02] 34,200 [10.02]
System Power KW/COP 1.93/3.5 2.27/3.62 2.78/3.6 2.78/3.6
Low Temp. Btuh [kW] Rating 13,200 [3.87] 15,200 [4.45] 19,000 [5.57] 19,000 [5.57]
Net Weight lbs. [kg] 308 [140] 331 [150] 356 [161] 356 [161]
System Power KW/COP 1.71/2.26 2.01/2.22 2.48/2.24 2.48/2.24
Refrigerant Control TX Valves TX Valves TX Valves TX Valves
HSPF (Btu/Watts-hr) 8.0 8.0 8.0 8.0
Compressor
No./Type 1/Scroll 1/Scroll 1/Scroll 1/Scroll
Outdoor Sound Rating (dB)476 76 76 76
Outdoor Coil—Fin Type Louvered Louvered Louvered Louvered
Tube Type Rifled Rifled Rifled Rifled
Tube Size in. [mm] OD 0.375 [9.5] 0.375 [9.5] 0.375 [9.5] 0.375 [9.5]
Face Area sq. ft. [sq. m] 10.44 [0.97] 12.65 [1.18] 12.65 [1.18] 12.65 [1.18]
Rows / FPI [FPcm] 1 / 20 [8] 1 / 20 [8] 1 / 20 [8] 1 / 20 [8]
Net Latent Capacity Btu [kW] 5,200 [1.52] 6,000 [1.76] 7,800 [2.29] 7,800 [2.29]
Indoor Coil—Fin Type Louvered Louvered Louvered Louvered
Tube Type Rifled Rifled Rifled Rifled
Tube Size in. [mm] 0.375 [9.5] 0.375 [9.5] 0.375 [9.5] 0.375 [9.5]
Face Area sq. ft. [sq. m] 4.33 [0.4] 4.33 [0.4] 4.33 [0.4] 4.33 [0.4]
Rows / FPI [FPcm] 2 / 15 [6] 3 / 13 [5] 3 / 13 [5] 3 / 13 [5]
Refrigerant Control TX Valves TX Valves TX Valves TX Valves
Drain Connection No./Size in. [mm] 1/1 [25.4] 1/1 [25.4] 1/1 [25.4] 1/1 [25.4]
Outdoor Fan—Type Propeller Propeller Propeller Propeller
No. Used/Diameter in. [mm] 1/24 [609.6] 1/24 [609.6] 1/24 [609.6] 1/24 [609.6]
Drive Type/No. Speeds Direct/1 Direct/1 Direct/1 Direct/1
CFM [L/s] 3200 [1510] 3200 [1510] 3200 [1510] 3200 [1510]
No. Motors/HP 1 at 1/3 HP 1 at 1/3 HP 1 at 1/3 HP 1 at 1/3 HP
Motor RPM 825 825 825 825
Indoor Fan—Type FC Centrifugal FC Centrifugal FC Centrifugal FC Centrifugal
No. Used/Diameter in. [mm] 1/10x9 [254x228.6] 1/10x9 [254x228.6] 1/10x9 [254x228.6] 1/10x9 [254x228.6]
Drive Type/No. Speeds Direct/2 Direct/2 Direct/2 Direct/2
No. Motors 1 1 1 1
Motor HP 1/2 1/2 1/2 1/2
Motor RPM 1050 1050 1050 1050
Motor Frame Size 48 48 48 48
Filter—Type Field Supplied Field Supplied Field Supplied Field Supplied
Furnished No No No No
(No.) Size Recommended in. [mm] (1)1x20x16 [25x508x406] (1)1x20x20 [25x508x508] (1)1x24x24 [25x610x610] (1)1x24x24 [25x610x610]
Refrigerant Charge Oz. [g] 90 [2552] 93 [2637] 93 [2637] 93 [2637]
Weights
Ship Weight lbs. [kg] 332 [151] 355 [161] 380 [172] 380 [172]
CONTINUED
NOMINAL SIZES 2-5 TONS [7-17.6 kW]
See Page 16 for Notes. [ ] Designates Metric Conversions
11
GENERAL DATA—RQPM- SERIES

Model RQPM- Series A037CK A037JK A042CK A042JK
Cooling Performance1
Gross Cooling Capacity Btu [kW] 36,000 [10.55] 36,000 [10.55] 44,000 [12.89] 44,000 [12.89]
EER/SEER212/14 12/14 11.85/14 11.85/14
Nominal CFM/AHRI Rated CFM [L/s] 1200/1200 [566/566] 1200/1200 [566/566] 1400/1450 [661/684] 1400/1450 [661/684]
AHRI Net Cooling Capacity Btu [kW] 35,400 [10.37] 35,400 [10.37] 43,000 [12.6] 43,000 [12.6]
Net Sensible Capacity Btu [kW] 27,600 [8.09] 27,600 [8.09] 31,800 [9.32] 31,800 [9.32]
Net System Power kW 3.05 3.05 3.63 3.63
Heating Performance (Heat Pumps)3
Heating Input Btu [kW] Rating 34,200 [10.02] 34,200 [10.02] 38,500 [11.28] 38,500 [11.28]
System Power KW/COP 2.78/3.6 2.78/3.6 3.31/3.4 3.31/3.4
Low Temp. Btuh [kW] Rating 19,000 [5.57] 19,000 [5.57] 21,800 [6.39] 21,800 [6.39]
Net Weight lbs. [kg] 356 [161] 356 [161] 408 [185] 408 [185]
System Power KW/COP 2.48/2.24 2.48/2.24 3/2.06 3/2.06
Refrigerant Control TX Valves TX Valves TX Valves TX Valves
HSPF (Btu/Watts-hr) 8 8 8.1 8.0
Compressor
No./Type 1/Scroll 1/Scroll 1/Scroll 1/Scroll
Outdoor Sound Rating (dB)476 76 78 78
Outdoor Coil—Fin Type Louvered Louvered Louvered Louvered
Tube Type Rifled Rifled Rifled Rifled
Tube Size in. [mm] OD 0.375 [9.5] 0.375 [9.5] 0.375 [9.5] 0.375 [9.5]
Face Area sq. ft. [sq. m] 12.65 [1.18] 12.65 [1.18] 16.54 [1.54] 16.54 [1.54]
Rows / FPI [FPcm] 1 / 20 [8] 1 / 20 [8] 1 / 22 [9] 1 / 22 [9]
Net Latent Capacity Btu [kW] 7,800 [2.29] 7,800 [2.29] 11,200 [3.28] 11,200 [3.28]
Indoor Coil—Fin Type Louvered Louvered Louvered Louvered
Tube Type Rifled Rifled Rifled Rifled
Tube Size in. [mm] 0.375 [9.5] 0.375 [9.5] 0.375 [9.5] 0.375 [9.5]
Face Area sq. ft. [sq. m] 4.33 [0.4] 4.33 [0.4] 5.78 [0.54] 5.78 [0.54]
Rows / FPI [FPcm] 3 / 13 [5] 3 / 13 [5] 3 / 13 [5] 3 / 13 [5]
Refrigerant Control TX Valves TX Valves TX Valves TX Valves
Drain Connection No./Size in. [mm] 1/1 [25.4] 1/1 [25.4] 1/1 [25.4] 1/1 [25.4]
Outdoor Fan—Type Propeller Propeller Propeller Propeller
No. Used/Diameter in. [mm] 1/24 [609.6] 1/24 [609.6] 1/24 [609.6] 1/24 [609.6]
Drive Type/No. Speeds Direct/1 Direct/1 Direct/1 Direct/1
CFM [L/s] 3200 [1510] 3200 [1510] 4200 [1982] 4200 [1982]
No. Motors/HP 1 at 1/3 HP 1 at 1/3 HP 1 at 1/3 HP 1 at 1/3 HP
Motor RPM 850 850 1075 1075
Indoor Fan—Type FC Centrifugal FC Centrifugal FC Centrifugal FC Centrifugal
No. Used/Diameter in. [mm] 1/10x9 [254x229] 1/10x9 [254x229] 1/11x9 [279.4x228.6] 1/11x9 [279.4x228.6]
Drive Type/No. Speeds Direct/2 Direct/2 Direct/2 Direct/2
No. Motors 1 1 1 1
Motor HP 1/2 1/2 3/4 3/4
Motor RPM 1050 1050 1050 1050
Motor Frame Size 48 48 48 48
Filter—Type Field Supplied Field Supplied Field Supplied Field Supplied
Furnished No No No No
(No.) Size Recommended in. [mm] (1)1x24x24 [25x610x610] (1)1x24x24 [25x610x610] (1)1x24x24 [25x610x610] (1)1x24x24 [25x610x610]
Refrigerant Charge Oz. [g] 93 [2637] 93 [2637] 128 [3629] 128 [3629]
Weights
Ship Weight lbs. [kg] 380 [172] 380 [172] 434 [197] 434 [197]
CONTINUED
NOMINAL SIZES 2-5 TONS [7-17.6 kW]
See Page 16 for Notes. [ ] Designates Metric Conversions
12
GENERAL DATA—RQPM- SERIES

13
GENERAL DATA—RQPM- SERIES
Model RQPM- Series A043CK A043JK A048CK A048JK
Cooling Performance1
Gross Cooling Capacity Btu [kW] 43,500 [12.75] 43,500 [12.75] 49,000 [14.36] 49,000 [14.36]
EER/SEER212/14 12/14 11.8/14 11.8/14
Nominal CFM/AHRI Rated CFM [L/s] 1400/1425 [661/672] 1400/1425 [661/672] 1600/1550 [755/731] 1600/1550 [755/731]
AHRI Net Cooling Capacity Btu [kW] 42,500 [12.45] 42,500 [12.45] 48,000 [14.06] 48,000 [14.06]
Net Sensible Capacity Btu [kW] 32,500 [9.52] 32,500 [9.52] 36,800 [10.78] 36,800 [10.78]
Net System Power kW 3.44 3.44 4.07 4.07
Heating Performance (Heat Pumps)3
Heating Input Btu [kW] Rating 40,000 [11.72] 40,000 [11.72] 42,000 [12.31] 42,000 [12.31]
System Power KW/COP 3.32/3.5 3.32/3.5 3.59/3.66 3.59/3.66
Low Temp. Btuh [kW] Rating 22,000 [6.45] 22,000 [6.45] 25,400 [7.44] 25,400 [7.44]
Net Weight lbs. [kg] 408 [185] 408 [185] 429 [195] 429 [195]
System Power KW/COP 3/2.14 3/2.14 3.22/2.3 3.22/2.3
Refrigerant Control TX Valves TX Valves TX Valves TX Valves
HSPF (Btu/Watts-hr) 8 8 8.0 8.0
Compressor
No./Type 1/Scroll 1/Scroll 1/Scroll 1/Scroll
Outdoor Sound Rating (dB)478 78 78 78
Outdoor Coil—Fin Type Louvered Louvered Louvered Louvered
Tube Type Rifled Rifled Rifled Rifled
Tube Size in. [mm] OD 0.375 [9.5] 0.375 [9.5] 0.375 [9.5] 0.375 [9.5]
Face Area sq. ft. [sq. m] 13.45 [1.25] 13.45 [1.25] 16.54 [1.54] 16.54 [1.54]
Rows / FPI [FPcm] 2 / 18 [7] 2 / 18 [7] 1 / 22 [9] 1 / 22 [9]
Net Latent Capacity Btu [kW] 10,000 [2.93] 10,000 [2.93] 11,200 [3.28] 11,200 [3.28]
Indoor Coil—Fin Type Louvered Louvered Louvered Louvered
Tube Type Rifled Rifled Rifled Rifled
Tube Size in. [mm] 0.375 [9.5] 0.375 [9.5] 0.375 [9.5] 0.375 [9.5]
Face Area sq. ft. [sq. m] 5.78 [0.54] 5.78 [0.54] 5.78 [0.54] 5.78 [0.54]
Rows / FPI [FPcm] 3 / 13 [5] 3 / 13 [5] 3 / 13 [5] 3 / 13 [5]
Refrigerant Control TX Valves TX Valves TX Valves TX Valves
Drain Connection No./Size in. [mm] 1/1 [25.4] 1/1 [25.4] 1/1 [25.4] 1/1 [25.4]
Outdoor Fan—Type Propeller Propeller Propeller Propeller
No. Used/Diameter in. [mm] 1/24 [609.6] 1/24 [609.6] 1/24 [609.6] 1/24 [609.6]
Drive Type/No. Speeds Direct/1 Direct/1 Direct/1 Direct/1
CFM [L/s] 4200 [1982] 4200 [1982] 4200 [1982] 4200 [1982]
No. Motors/HP 1 at 1/3 HP 1 at 1/3 HP 1 at 1/3 HP 1 at 1/3 HP
Motor RPM 1075 1075 1075 1075
Indoor Fan—Type FC Centrifugal FC Centrifugal FC Centrifugal FC Centrifugal
No. Used/Diameter in. [mm] 1/11x9 [279x229] 1/11x9 [279x229] 1/11x9 [279.4x228.6] 1/11x9 [279.4x228.6]
Drive Type/No. Speeds Direct/2 Direct/2 Direct/2 Direct/2
No. Motors 1 1 1 1
Motor HP 3/4 3/4 3/4 3/4
Motor RPM 1050 1050 1050 1050
Motor Frame Size 48 48 48 48
Filter—Type Field Supplied Field Supplied Field Supplied Field Supplied
Furnished No No No No
(No.) Size Recommended in. [mm] (1)1x24x24 [25x610x610] (1)1x24x24 [25x610x610] (1)1x24x24 [25x610x610] (1)1x24x24 [25x610x610]
Refrigerant Charge Oz. [g] 161 [4564] 161 [4564] 120 [3402] 120 [3402]
Weights
Ship Weight lbs. [kg] 434 [197] 434 [197] 455 [206] 455 [206]
CONTINUED
NOMINAL SIZES 2-5 TONS [7-17.6 kW]
See Page 16 for Notes. [ ] Designates Metric Conversions

Model RQPM- Series A049CK A049JK A060CK A060JK
Cooling Performance1
Gross Cooling Capacity Btu [kW] 49,000 [14.36] 49,000 [14.36] 61,000 [17.87] 61,000 [17.87]
EER/SEER212/14 12/14 12.0/14 12.0/14
Nominal CFM/AHRI Rated CFM [L/s] 1600/1550 [755/731] 1600/1550 [755/731] 2000/1900 [944/897] 2000/1900 [944/897]
AHRI Net Cooling Capacity Btu [kW] 48,000 [14.06] 48,000 [14.06] 59,500 [17.43] 59,500 [17.43]
Net Sensible Capacity Btu [kW] 36,800 [10.78] 36,800 [10.78] 45,300 [13.27] 45,300 [13.27]
Net System Power kW 4 4 5.00 5.00
Heating Performance (Heat Pumps)3
Heating Input Btu [kW] Rating 42,000 [12.31] 42,000 [12.31] 59,500 [17.43] 59,500 [17.43]
System Power KW/COP 3.59/3.66 3.59/3.66 4.74/3.72 4.74/3.72
Low Temp. Btuh [kW] Rating 25,400 [7.44] 25,400 [7.44] 36,600 [10.72] 36,600 [10.72]
Net Weight lbs. [kg] 429 [195] 429 [195] 481 [218] 481 [218]
System Power KW/COP 3.22/2.3 3.22/2.3 4.26/2.54 4.26/2.54
Refrigerant Control TX Valves TX Valves TX Valves TX Valves
HSPF (Btu/Watts-hr) 8 8 8 8
Compressor
No./Type 1/Scroll 1/Scroll 1/Scroll 1/Scroll
Outdoor Sound Rating (dB)478 78 78 78
Outdoor Coil—Fin Type Louvered Louvered Louvered Louvered
Tube Type Rifled Rifled Rifled Rifled
Tube Size in. [mm] OD 0.375 [9.5] 0.375 [9.5] 0.375 [9.5] 0.375 [9.5]
Face Area sq. ft. [sq. m] 16.54 [1.54] 16.54 [1.54] 16.54 [1.54] 16.54 [1.54]
Rows / FPI [FPcm] 1 / 22 [9] 1 / 22 [9] 2 / 18 [7] 2 / 18 [7]
Net Latent Capacity Btu [kW] 11,200 [3.28] 11,200 [3.28] 14,200 [4.16] 14,200 [4.16]
Indoor Coil—Fin Type Louvered Louvered Louvered Louvered
Tube Type Rifled Rifled Rifled Rifled
Tube Size in. [mm] 0.375 [9.5] 0.375 [9.5] 0.375 [9.5] 0.375 [9.5]
Face Area sq. ft. [sq. m] 5.78 [0.54] 5.78 [0.54] 5.78 [0.54] 5.78 [0.54]
Rows / FPI [FPcm] 3 / 13 [5] 3 / 13 [5] 4 / 13 [5] 4 / 13 [5]
Refrigerant Control TX Valves TX Valves TX Valves TX Valves
Drain Connection No./Size in. [mm] 1/1 [25.4] 1/1 [25.4] 1/1 [25.4] 1/1 [25.4]
Outdoor Fan—Type Propeller Propeller Propeller Propeller
No. Used/Diameter in. [mm] 1/24 [609.6] 1/24 [609.6] 1/24 [609.6] 1/24 [609.6]
Drive Type/No. Speeds Direct/1 Direct/1 Direct/1 Direct/1
CFM [L/s] 4200 [1982] 4200 [1982] 4000 [1888] 4000 [1888]
No. Motors/HP 1 at 1/3 HP 1 at 1/3 HP 1 at 1/3 HP 1 at 1/3 HP
Motor RPM 908 908 1075 1075
Indoor Fan—Type FC Centrifugal FC Centrifugal FC Centrifugal FC Centrifugal
No. Used/Diameter in. [mm] 1/11x9 [279x229] 1/11x9 [279x229] 1/11x9 [279.4x228.6] 1/11x9 [279.4x228.6]
Drive Type/No. Speeds Direct/2 Direct/2 Direct/2 Direct/2
No. Motors 1 1 1 1
Motor HP 3/4 3/4 1 1
Motor RPM 1050 1050 1050 1050
Motor Frame Size 48 48 48 48
Filter—Type Field Supplied Field Supplied Field Supplied Field Supplied
Furnished No No No No
(No.) Size Recommended in. [mm] (1)1x24x24 [25x610x610] (1)1x24x24 [25x610x610] (1)1x24x24 [25x610x610] (1)1x24x24 [25x610x610]
Refrigerant Charge Oz. [g] 120 [3402] 120 [3402] 193 [5472] 193 [5472]
Weights
Ship Weight lbs. [kg] 455 [206] 455 [206] 507 [230] 507 [230]
NOMINAL SIZES 2-5 TONS [7-17.6 kW]
See Page 16 for Notes. [ ] Designates Metric Conversions
14
GENERAL DATA—RQPM- SERIES

15
GENERAL DATA—RQRM- SERIES
Model RQRM- Series A030JK A036JK A048JK
Cooling Performance1
Gross Cooling Capacity Btu [kW] 29,600 [8.67] 35,000 [10.25] 46,500 [13.62]
EER/SEER213/16 13/16 13/16
Nominal CFM/AHRI Rated CFM [L/s] 1000/1000 [472/472] 1200/1200 [566/566] 1600/1525 [755/720]
AHRI Net Cooling Capacity Btu [kW] 29,200 [8.56] 34,400 [10.08] 45,500 [13.33]
Net Sensible Capacity Btu [kW] 23,050 [6.75] 27,000 [7.91] 34,700 [10.17]
Net System Power kW 2.13 2.58 3.45
Heating Performance (Heat Pumps)3
Heating Input Btu [kW] Rating 28,800 [8.44] 33,200 [9.73] 43,500 [12.75]
System Power KW/COP 2.11/4 2.63/3.7 3.19/4
Low Temp. Btuh [kW] Rating 16,000 [4.69] 18,600 [5.45] 23,800 [6.97]
Net Weight lbs. [kg] 429 [195] 429 [195] 469 [213]
System Power KW/COP 1.95/2.4 2.37/2.3 2.79/2.5
Refrigerant Control TX Valves TX Valves TX Valves
HSPF (Btu/Watts-hr) 8 8 8.5
Compressor
No./Type 1/Scroll 1/Scroll 1/Scroll
Outdoor Sound Rating (dB)476 76 78
Outdoor Coil—Fin Type Louvered Louvered Louvered
Tube Type Rifled Rifled Rifled
Tube Size in. [mm] OD 0.375 [9.5] 0.375 [9.5] 0.375 [9.5]
Face Area sq. ft. [sq. m] 16.54 [1.54] 16.54 [1.54] 16.54 [1.54]
Rows / FPI [FPcm] 2 / 18 [7] 2 / 18 [7] 2 / 18 [7]
Net Latent Capacity Btu [kW] 6,150 [1.8] 7,400 [2.17] 10,800 [3.16]
Indoor Coil—Fin Type Louvered Louvered Louvered
Tube Type Rifled Rifled Rifled
Tube Size in. [mm] 0.375 [9.5] 0.375 [9.5] 0.375 [9.5]
Face Area sq. ft. [sq. m] 5.78 [0.54] 5.78 [0.54] 5.78 [0.54]
Rows / FPI [FPcm] 3 / 13 [5] 3 / 13 [5] 4 / 13 [5]
Refrigerant Control TX Valves TX Valves TX Valves
Drain Connection No./Size in. [mm] 1/1 [25.4] 1/1 [25.4] 1/1 [25.4]
Outdoor Fan—Type Propeller Propeller Propeller
No. Used/Diameter in. [mm] 1/24 [609.6] 1/24 [609.6] 1/24 [609.6]
Drive Type/No. Speeds Direct/1 Direct/1 Direct/1
CFM [L/s] 3200 [1510] 3200 [1510] 4200 [1982]
No. Motors/HP 1 at 1/3 HP 1 at 1/3 HP 1 at 1/3 HP
Motor RPM 825 825 1075
Indoor Fan—Type FC Centrifugal FC Centrifugal FC Centrifugal
No. Used/Diameter in. [mm] 1/10x9 [254x229] 1/10x9 [254x229] 1/11x9 [279x229]
Drive Type/No. Speeds Direct/2 Direct/2 Direct/2
No. Motors 1 1 1
Motor HP 1/2 1/2 3/4
Motor RPM 1050 1050 1050
Motor Frame Size 48 48 48
Filter—Type Field Supplied Field Supplied Field Supplied
Furnished No No No
(No.) Size Recommended in. [mmxmmxmm] (1)1x20x20 [25x508x508] (1)1x24x24 [25x610x610] (1)1x24x24 [25x610x610]
Refrigerant Charge Oz. [g] 203 [5755] 194 [5500] 216 [6124]
Weights
Ship Weight lbs. [kg] 455 [206] 455 [206] 495 [225]
NOMINAL SIZES 2.5, 3, 4 TONS [8.8, 10.6, 14 kW]
See Page 16 for Notes. [ ] Designates Metric Conversions

NOTES:
1. Cooling Performance is rated at 95° F ambient, 80° F entering dry bulb, 67° F entering wet bulb. Gross capacity does not
include the effect of fan motor heat. AHRI capacity is net and includes the effect of fan motor heat. Units are suitable for
operation to 20% of nominal cfm. Units are certified in accordance with the Unitary Air Conditioner Equipment
certification program, which is based on AHRI Standard 210/240 or 360.
2. EER and/or SEER are rated at AHRI conditions and in accordance with DOE test procedures.
3. Heating Performance is rated at 47° F ambient, 70° F entering dry bulb for High Temp rating and 17° ambient, 70° F
entering dry bulb for Low Temp rating. Performance ratings do include the effect of fan motor heat.
4. Outdoor Sound Rating shown is tested in accordance with AHRI Standard 270.
16
GENERAL DATA—RQNM/RQPM/RQRM- SERIES

GROSS SYSTEMS PERFORMANCE DATA—RQNM-A030
ENTERING INDOOR AIR @ 80°F [26.7°C] dbE ➀
wbE 71°F [21.7°C] 67°F [19.4°C] 63°F [17.2°C]
CFM [L/s] 1200 [566] 1000 [472] 800 [378] 1200 [566] 1000 [472] 800 [378] 1200 [566] 1000 [472] 800 [378]
DR ➀.14 .10 .05 .14 .10 .05 .14 .10 .05
O
U
T
D
O
O
R
D
R
Y
B
U
L
B
T
E
M
P
E
R
A
T
U
R
E
°F
[°C]
75
[23.9]
Total BTUH [kW]
Sens BTUH [kW]
Power
38.7 [11.34]
23.4 [6.86]
1.9
37.3 [10.93]
21.4 [6.27]
1.8
36.0 [10.55]
19.4 [5.69]
1.8
35.6 [10.43]
27.7 [8.12]
1.9
34.3 [10.05]
25.3 [7.41]
1.8
33.1 [9.70]
22.9 [6.71]
1.8
33.9 [9.94]
31.3 [9.17]
1.9
32.7 [9.58]
28.7 [8.41]
1.8
31.5 [9.23]
26.0 [7.62]
1.8
80
[26.7]
Total BTUH [kW]
Sens BTUH [kW]
Power
37.5 [10.99]
23.0 [6.74]
2.0
36.1 [10.58]
21.0 [6.15]
2.0
34.8 [10.20]
19.0 [5.57]
1.9
34.3 [10.05]
27.2 [7.97]
2.0
33.1 [9.70]
24.9 [7.30]
1.9
31.9 [9.35]
22.6 [6.62]
1.9
32.7 [9.58]
30.8 [9.03]
2.0
31.6 [9.26]
28.3 [8.29]
1.9
30.4 [8.91]
25.6 [7.50]
1.9
85
[29.4]
Total BTUH [kW]
Sens BTUH [kW]
Power
36.3 [10.64]
22.5 [6.59]
2.1
35.0 [10.26]
20.6 [6.04]
2.1
33.7 [9.88]
18.6 [5.45]
2.0
33.2 [9.73]
26.7 [7.83]
2.1
32.0 [9.38]
24.5 [7.18]
2.1
30.9 [9.06]
22.2 [6.51]
2.0
31.6 [9.26]
30.5 [8.94]
2.1
30.5 [8.94]
27.8 [8.15]
2.0
29.3 [8.59]
25.2 [7.39]
2.0
90
[32.2]
Total BTUH [kW]
Sens BTUH [kW]
Power
35.2 [10.32]
22.0 [6.45]
2.2
33.9 [9.94]
20.1 [5.89]
2.2
32.7 [9.58]
18.2 [5.33]
2.1
32.1 [9.41]
26.2 [7.68]
2.2
30.9 [9.06]
24.0 [7.03]
2.2
29.8 [8.73]
21.7 [6.36]
2.1
30.4 [8.91]
29.9 [8.76]
2.2
29.4 [8.62]
27.3 [8.00]
2.2
28.3 [8.29]
24.8 [7.27]
2.1
95
[35]
Total BTUH [kW]
Sens BTUH [kW]
Power
34.1 [9.99]
21.4 [6.27]
2.3
32.9 [9.64]
19.6 [5.74]
2.3
31.7 [9.29]
17.8 [5.22]
2.2
31.0 [9.09]
25.7 [7.53]
2.3
29.9 [8.76]
23.5 [6.89]
2.3
28.8 [8.44]
21.3 [6.24]
2.2
29.3 [8.59]
29.2 [8.56]
2.3
28.3 [8.29]
26.8 [7.85]
2.3
27.3 [8.00]
24.3 [7.12]
2.2
100
[37.8]
Total BTUH [kW]
Sens BTUH [kW]
Power
33.0 [9.67]
20.9 [6.13]
2.4
31.8 [9.32]
19.1 [5.60]
2.4
30.7 [9.00]
17.3 [5.07]
2.3
29.9 [8.76]
25.1 [7.36]
2.4
28.8 [8.44]
23.0 [6.74]
2.4
27.8 [8.15]
20.8 [6.10]
2.3
28.2 [8.26]
28.2 [8.26]
2.4
27.3 [8.00]
26.3 [7.71]
2.4
26.3 [7.71]
23.9 [7.00]
2.3
105
[40.6]
Total BTUH [kW]
Sens BTUH [kW]
Power
31.9 [9.35]
20.3 [5.95]
2.5
30.7 [9.00]
18.6 [5.45]
2.5
29.6 [8.67]
16.8 [4.92]
2.4
28.8 [8.44]
24.5 [7.18]
2.5
27.7 [8.12]
22.5 [6.59]
2.5
26.7 [7.83]
20.4 [5.98]
2.4
27.1 [7.94]
27.1 [7.94]
2.5
26.2 [7.68]
25.8 [7.56]
2.5
25.2 [7.39]
23.4 [6.86]
2.4
110
[43.3]
Total BTUH [kW]
Sens BTUH [kW]
Power
30.7 [9.00]
19.7 [5.77]
2.6
29.6 [8.67]
18.1 [5.30]
2.6
28.6 [8.38]
16.4 [4.81]
2.5
27.6 [8.09]
24.0 [7.03]
2.6
26.6 [7.80]
21.9 [6.42]
2.6
25.7 [7.53]
19.9 [5.83]
2.5
26.0 [7.62]
26.0 [7.62]
2.6
25.1 [7.36]
25.1 [7.36]
2.6
24.2 [7.09]
22.9 [6.71]
2.5
115
[46.1]
Total BTUH [kW]
Sens BTUH [kW]
Power
29.5 [8.65]
19.2 [5.63]
2.7
28.5 [8.35]
17.6 [5.16]
2.7
27.5 [8.06]
15.9 [4.66]
2.7
26.4 [7.74]
23.5 [6.89]
2.7
25.5 [7.47]
21.5 [6.30]
2.7
24.6 [7.21]
19.5 [5.71]
2.7
24.8 [7.27]
24.8 [7.27]
2.7
23.9 [7.00]
23.9 [7.00]
2.7
23.1 [6.77]
22.5 [6.59]
2.6
DR —Depression ratio
dbE —Entering air dry bulb
wbE—Entering air wet bulb
Total —Total capacity x 1000 BTUH
Sens —Sensible capacity x 1000 BTUH
Power—KW input
NOTES: ➀ When the entering air dry bulb is other than 80°F [27°C], adjust the sensible
capacity from the table by adding [1.10 x CFM x (1 – DR) x (dbE – 80)].
[ ] Designates Metric Conversions
ENTERING INDOOR AIR @ 80°F [26.7°C] dbE ➀
wbE 71°F [21.7°C] 67°F [19.4°C] 63°F [17.2°C]
CFM [L/s] 960 [453] 800 [378] 640 [302] 960 [453] 800 [378] 640 [302] 960 [453] 800 [378] 640 [302]
DR ➀.13 .09 .05 .13 .09 .05 .13 .09 .05
O
U
T
D
O
O
R
D
R
Y
B
U
L
B
T
E
M
P
E
R
A
T
U
R
E
°F
[°C]
75
[23.9]
Total BTUH [kW]
Sens BTUH [kW]
Power
30.8 [9.03]
18.7 [5.48]
1.7
29.7 [8.70]
17.1 [5.01]
1.6
28.7 [8.41]
15.5 [4.54]
1.6
29.0 [8.50]
22.5 [6.59]
1.7
27.9 [8.18]
20.6 [6.04]
1.6
26.9 [7.88]
18.7 [5.48]
1.6
27.7 [8.12]
25.9 [7.59]
1.7
26.7 [7.83]
23.7 [6.95]
1.7
25.7 [7.53]
21.5 [6.30]
1.6
80
[26.7]
Total BTUH [kW]
Sens BTUH [kW]
Power
29.9 [8.76]
18.4 [5.39]
1.7
28.8 [8.44]
16.8 [4.92]
1.7
27.8 [8.15]
15.3 [4.48]
1.7
28.0 [8.21]
22.2 [6.51]
1.7
27.0 [7.91]
20.3 [5.95]
1.7
26.1 [7.65]
18.4 [5.39]
1.7
26.7 [7.83]
25.7 [7.53]
1.7
25.8 [7.56]
23.5 [6.89]
1.7
24.8 [7.27]
21.3 [6.24]
1.7
85
[29.4]
Total BTUH [kW]
Sens BTUH [kW]
Power
29.0 [8.50]
18.0 [5.28]
1.8
28.0 [8.21]
16.5 [4.84]
1.8
27.0 [7.91]
15.0 [4.40]
1.7
27.1 [7.94]
21.8 [6.39]
1.8
26.2 [7.68]
20.0 [5.86]
1.8
25.2 [7.39]
18.1 [5.30]
1.7
25.8 [7.56]
25.3 [7.41]
1.8
24.9 [7.30]
23.1 [6.77]
1.8
24.0 [7.03]
21.0 [6.15]
1.7
90
[32.2]
Total BTUH [kW]
Sens BTUH [kW]
Power
28.1 [8.24]
17.6 [5.16]
1.9
27.1 [7.94]
16.1 [4.72]
1.8
26.2 [7.68]
14.6 [4.28]
1.8
26.3 [7.71]
21.4 [6.27]
1.8
25.4 [7.44]
19.6 [5.74]
1.8
24.4 [7.15]
17.7 [5.19]
1.8
25.0 [7.33]
24.8 [7.27]
1.9
24.1 [7.06]
22.7 [6.65]
1.8
23.2 [6.80]
20.6 [6.04]
1.8
95
[35]
Total BTUH [kW]
Sens BTUH [kW]
Power
27.3 [8.00]
17.1 [5.01]
1.9
26.3 [7.71]
15.7 [4.60]
1.9
25.4 [7.44]
14.2 [4.16]
1.9
25.4 [7.44]
20.9 [6.13]
1.9
24.5 [7.18]
19.1 [5.60]
1.9
23.6 [6.92]
17.3 [5.07]
1.8
24.1 [7.06]
24.1 [7.06]
1.9
23.3 [6.83]
22.3 [6.54]
1.9
22.4 [6.56]
20.2 [5.92]
1.9
100
[37.8]
Total BTUH [kW]
Sens BTUH [kW]
Power
26.4 [7.74]
16.6 [4.86]
2.0
25.5 [7.47]
15.2 [4.45]
2.0
24.5 [7.18]
13.8 [4.04]
1.9
24.5 [7.18]
20.4 [5.98]
2.0
23.7 [6.95]
18.6 [5.45]
1.9
22.8 [6.68]
16.9 [4.95]
1.9
23.2 [6.80]
23.2 [6.80]
2.0
22.4 [6.56]
21.8 [6.39]
2.0
21.6 [6.33]
19.8 [5.80]
1.9
105
[40.6]
Total BTUH [kW]
Sens BTUH [kW]
Power
25.4 [7.44]
16.0 [4.69]
2.0
24.5 [7.18]
14.7 [4.31]
2.0
23.6 [6.92]
13.3 [3.90]
2.0
23.6 [6.92]
19.8 [5.80]
2.0
22.7 [6.65]
18.1 [5.30]
2.0
21.9 [6.42]
16.4 [4.81]
2.0
22.3 [6.54]
22.3 [6.54]
2.0
21.5 [6.30]
21.3 [6.24]
2.0
20.7 [6.07]
19.3 [5.66]
2.0
110
[43.3]
Total BTUH [kW]
Sens BTUH [kW]
Power
24.4 [7.15]
15.5 [4.54]
2.1
23.5 [6.89]
14.1 [4.13]
2.1
22.7 [6.65]
12.8 [3.75]
2.0
22.5 [6.59]
19.2 [5.63]
2.1
21.7 [6.36]
17.6 [5.16]
2.1
20.9 [6.13]
16.0 [4.69]
2.0
21.2 [6.21]
21.2 [6.21]
2.1
20.5 [6.01]
20.5 [6.01]
2.1
19.7 [5.77]
18.8 [5.51]
2.0
115
[46.1]
Total BTUH [kW]
Sens BTUH [kW]
Power
23.2 [6.80]
14.9 [4.37]
2.2
22.4 [6.56]
13.6 [3.99]
2.1
21.6 [6.33]
12.3 [3.60]
2.1
21.3 [6.24]
18.6 [5.45]
2.2
20.6 [6.04]
17.0 [4.98]
2.1
19.8 [5.80]
15.5 [4.54]
2.1
20.0 [5.86]
20.0 [5.86]
2.2
19.3 [5.66]
19.3 [5.66]
2.1
18.6 [5.45]
18.3 [5.36]
2.1
GROSS SYSTEMS PERFORMANCE DATA—RQNM-A024
17
SYSTEMS PERFORMANCE—RQNM- SERIES

GROSS SYSTEMS PERFORMANCE DATA—RQNM-A042
ENTERING INDOOR AIR @ 80°F [26.7°C] dbE ➀
wbE 71°F [21.7°C] 67°F [19.4°C] 63°F [17.2°C]
CFM [L/s] 1740 [821] 1450 [684] 1160 [547] 1740 [821] 1450 [684] 1160 [547] 1740 [821] 1450 [684] 1160 [547]
DR ➀.23 .21 .17 .23 .21 .17 .23 .21 .17
O
U
T
D
O
O
R
D
R
Y
B
U
L
B
T
E
M
P
E
R
A
T
U
R
E
°F
[°C]
75
[23.9]
Total BTUH [kW]
Sens BTUH [kW]
Power
52.6 [15.42]
31.7 [9.29]
2.8
50.7 [14.86]
29.0 [8.50]
2.7
48.9 [14.33]
26.3 [7.71]
2.7
50.7 [14.86]
37.8 [11.08]
2.8
48.9 [14.33]
34.6 [10.14]
2.7
47.1 [13.80]
31.4 [9.20]
2.7
47.2 [13.83]
42.9 [12.57]
2.8
45.5 [13.33]
39.2 [11.49]
2.7
43.9 [12.87]
35.5 [10.40]
2.7
80
[26.7]
Total BTUH [kW]
Sens BTUH [kW]
Power
52.2 [15.30]
31.3 [9.17]
3.0
50.4 [14.77]
28.6 [8.38]
2.9
48.5 [14.21]
26.0 [7.62]
2.9
50.3 [14.74]
37.4 [10.96]
2.9
48.6 [14.24]
34.3 [10.05]
2.9
46.8 [13.72]
31.1 [9.11]
2.8
46.8 [13.72]
42.5 [12.46]
2.9
45.2 [13.25]
38.9 [11.40]
2.9
43.5 [12.75]
35.2 [10.32]
2.9
85
[29.4]
Total BTUH [kW]
Sens BTUH [kW]
Power
51.1 [14.98]
30.7 [9.00]
3.1
49.3 [14.45]
28.1 [8.24]
3.1
47.5 [13.92]
25.5 [7.47]
3.0
49.2 [14.42]
36.8 [10.79]
3.1
47.5 [13.92]
33.7 [9.88]
3.1
45.8 [13.42]
30.5 [8.94]
3.0
45.7 [13.39]
41.9 [12.28]
3.1
44.1 [12.92]
38.3 [11.22]
3.1
42.5 [12.46]
34.7 [10.17]
3.0
90
[32.2]
Total BTUH [kW]
Sens BTUH [kW]
Power
49.5 [14.51]
29.9 [8.76]
3.3
47.8 [14.01]
27.3 [8.00]
3.2
46.0 [13.48]
24.8 [7.27]
3.2
47.6 [13.95]
36.0 [10.55]
3.3
46.0 [13.48]
33.0 [9.67]
3.2
44.3 [12.98]
29.9 [8.76]
3.2
44.1 [12.92]
41.0 [12.02]
3.3
42.6 [12.48]
37.6 [11.02]
3.2
41.0 [12.02]
34.1 [9.99]
3.2
95
[35]
Total BTUH [kW]
Sens BTUH [kW]
Power
47.6 [13.95]
29.0 [8.50]
3.5
45.9 [13.45]
26.5 [7.77]
3.4
44.3 [12.98]
24.1 [7.06]
3.4
45.7 [13.39]
35.1 [10.29]
3.4
44.1 [12.92]
32.1 [9.41]
3.4
42.5 [12.46]
29.1 [8.53]
3.3
42.2 [12.37]
40.3 [11.81]
3.5
40.8 [11.96]
36.8 [10.79]
3.4
39.3 [11.52]
33.3 [9.76]
3.3
100
[37.8]
Total BTUH [kW]
Sens BTUH [kW]
Power
45.6 [13.36]
28.1 [8.24]
3.6
44.0 [12.90]
25.7 [7.53]
3.6
42.4 [12.43]
23.3 [6.83]
3.5
43.7 [12.81]
34.2 [10.02]
3.6
42.2 [12.37]
31.3 [9.17]
3.5
40.7 [11.93]
28.4 [8.32]
3.5
40.2 [11.78]
39.3 [11.52]
3.6
38.8 [11.37]
35.9 [10.52]
3.6
37.4 [10.96]
32.6 [9.55]
3.5
105
[40.6]
Total BTUH [kW]
Sens BTUH [kW]
Power
43.7 [12.81]
27.3 [8.00]
3.8
42.2 [12.37]
25.0 [7.33]
3.7
40.6 [11.90]
22.6 [6.62]
3.7
41.8 [12.25]
33.4 [9.79]
3.8
40.4 [11.84]
30.6 [8.97]
3.7
38.9 [11.40]
27.7 [8.12]
3.7
38.3 [11.22]
38.3 [11.22]
3.8
37.0 [10.84]
35.2 [10.32]
3.7
35.6 [10.43]
31.9 [9.35]
3.7
110
[43.3]
Total BTUH [kW]
Sens BTUH [kW]
Power
42.1 [12.34]
26.7 [7.83]
4.0
40.6 [11.90]
24.4 [7.15]
3.9
39.1 [11.46]
22.1 [6.48]
3.8
40.2 [11.78]
32.8 [9.61]
3.9
38.8 [11.37]
30.0 [8.79]
3.9
37.4 [10.96]
27.2 [7.97]
3.8
36.7 [10.76]
36.7 [10.76]
4.0
35.4 [10.37]
34.6 [10.14]
3.9
34.1 [9.99]
31.4 [9.20]
3.8
115
[46.1]
Total BTUH [kW]
Sens BTUH [kW]
Power
41.0 [12.02]
26.3 [7.71]
4.1
39.6 [11.61]
24.0 [7.03]
4.1
38.1 [11.17]
21.8 [6.39]
4.0
39.1 [11.46]
32.4 [9.50]
4.1
37.8 [11.08]
29.6 [8.67]
4.0
36.4 [10.67]
26.9 [7.88]
4.0
35.6 [10.43]
35.6 [10.43]
4.1
34.4 [10.08]
34.3 [10.05]
4.1
33.1 [9.70]
31.1 [9.11]
4.0
GROSS SYSTEMS PERFORMANCE DATA—RQNM-A036
ENTERING INDOOR AIR @ 80°F [26.7°C] dbE ➀
wbE 71°F [21.7°C] 67°F [19.4°C] 63°F [17.2°C]
CFM [L/s] 1440 [680] 1200 [566] 960 [453] 1440 [680] 1200 [566] 960 [453] 1440 [680] 1200 [566] 960 [453]
DR ➀.14 .11 .06 .14 .11 .06 .14 .11 .06
O
U
T
D
O
O
R
D
R
Y
B
U
L
B
T
E
M
P
E
R
A
T
U
R
E
°F
[°C]
75
[23.9]
Total BTUH [kW]
Sens BTUH [kW]
Power
45.5 [13.33]
28.2 [8.26]
2.4
43.9 [12.87]
25.8 [7.56]
2.3
42.3 [12.40]
23.4 [6.86]
2.3
43.0 [12.60]
33.7 [9.88]
2.3
41.5 [12.16]
30.8 [9.03]
2.3
40.0 [11.72]
27.9 [8.18]
2.3
40.2 [11.78]
37.8 [11.08]
2.3
38.8 [11.37]
34.6 [10.14]
2.3
37.4 [10.96]
31.4 [9.20]
2.3
80
[26.7]
Total BTUH [kW]
Sens BTUH [kW]
Power
44.4 [13.01]
27.6 [8.09]
2.5
42.8 [12.54]
25.3 [7.41]
2.5
41.3 [12.10]
22.9 [6.71]
2.4
41.9 [12.28]
33.1 [9.70]
2.5
40.5 [11.87]
30.3 [8.88]
2.4
39.0 [11.43]
27.5 [8.06]
2.4
39.1 [11.46]
37.5 [10.99]
2.5
37.8 [11.08]
34.2 [10.02]
2.4
36.4 [10.67]
31.0 [9.09]
2.4
85
[29.4]
Total BTUH [kW]
Sens BTUH [kW]
Power
43.2 [12.66]
27.0 [7.91]
2.6
41.6 [12.19]
24.7 [7.24]
2.6
40.1 [11.75]
22.4 [6.56]
2.6
40.7 [11.93]
32.5 [9.52]
2.6
39.3 [11.52]
29.7 [8.70]
2.6
37.8 [11.08]
26.9 [7.88]
2.5
37.9 [11.11]
36.8 [10.79]
2.6
36.6 [10.73]
33.6 [9.85]
2.5
35.2 [10.32]
30.4 [8.91]
2.5
90
[32.2]
Total BTUH [kW]
Sens BTUH [kW]
Power
41.8 [12.25]
26.3 [7.71]
2.8
40.3 [11.81]
24.0 [7.03]
2.7
38.9 [11.40]
21.8 [6.39]
2.7
39.3 [11.52]
31.8 [9.32]
2.7
38.0 [11.14]
29.1 [8.53]
2.7
36.6 [10.73]
26.3 [7.71]
2.6
36.5 [10.70]
35.9 [10.52]
2.7
35.2 [10.32]
32.9 [9.64]
2.7
34.0 [9.96]
29.8 [8.73]
2.6
95
[35]
Total BTUH [kW]
Sens BTUH [kW]
Power
40.3 [11.81]
25.5 [7.47]
2.9
38.9 [11.40]
23.3 [6.83]
2.8
37.5 [10.99]
21.2 [6.21]
2.8
37.9 [11.11]
31.0 [9.09]
2.8
36.6 [10.73]
28.4 [8.32]
2.8
35.2 [10.32]
25.7 [7.53]
2.8
35.1 [10.29]
35.1 [10.29]
2.8
33.8 [9.91]
32.2 [9.44]
2.8
32.6 [9.55]
29.2 [8.56]
2.7
100
[37.8]
Total BTUH [kW]
Sens BTUH [kW]
Power
38.9 [11.40]
24.8 [7.27]
3.0
37.5 [10.99]
22.7 [6.65]
3.0
36.1 [10.58]
20.5 [6.01]
2.9
36.4 [10.67]
30.3 [8.88]
3.0
35.1 [10.29]
27.7 [8.12]
2.9
33.9 [9.94]
25.1 [7.36]
2.9
33.6 [9.85]
33.6 [9.85]
3.0
32.4 [9.50]
31.5 [9.23]
2.9
31.3 [9.17]
28.6 [8.38]
2.9
105
[40.6]
Total BTUH [kW]
Sens BTUH [kW]
Power
37.4 [10.96]
24.1 [7.06]
3.1
36.1 [10.58]
22.0 [6.45]
3.1
34.8 [10.20]
20.0 [5.86]
3.0
35.0 [10.26]
29.5 [8.65]
3.1
33.8 [9.91]
27.0 [7.91]
3.0
32.5 [9.52]
24.5 [7.18]
3.0
32.2 [9.44]
32.2 [9.44]
3.1
31.0 [9.09]
30.9 [9.06]
3.0
29.9 [8.76]
28.0 [8.21]
3.0
110
[43.3]
Total BTUH [kW]
Sens BTUH [kW]
Power
36.1 [10.58]
23.4 [6.86]
3.3
34.8 [10.20]
21.4 [6.27]
3.2
33.5 [9.82]
19.4 [5.69]
3.2
33.6 [9.85]
28.9 [8.47]
3.2
32.4 [9.50]
26.4 [7.74]
3.2
31.3 [9.17]
24.0 [7.03]
3.1
30.8 [9.03]
30.8 [9.03]
3.2
29.7 [8.70]
29.7 [8.70]
3.2
28.6 [8.38]
27.5 [8.06]
3.1
115
[46.1]
Total BTUH [kW]
Sens BTUH [kW]
Power
34.8 [10.20]
22.9 [6.71]
3.4
33.6 [9.85]
20.9 [6.13]
3.3
32.4 [9.50]
19.0 [5.57]
3.3
32.4 [9.50]
28.4 [8.32]
3.4
31.2 [9.14]
26.0 [7.62]
3.3
30.1 [8.82]
23.5 [6.89]
3.2
29.5 [8.65]
29.5 [8.65]
3.3
28.5 [8.35]
28.5 [8.35]
3.3
27.5 [8.06]
27.0 [7.91]
3.2
DR —Depression ratio
dbE —Entering air dry bulb
wbE—Entering air wet bulb
Total —Total capacity x 1000 BTUH
Sens —Sensible capacity x 1000 BTUH
Power—KW input
NOTES: ➀ When the entering air dry bulb is other than 80°F [27°C], adjust the sensible
capacity from the table by adding [1.10 x CFM x (1 – DR) x (dbE – 80)].
[ ] Designates Metric Conversions
18
SYSTEMS PERFORMANCE—RQNM- SERIES

GROSS SYSTEMS PERFORMANCE DATA—RQNM-A060
ENTERING INDOOR AIR @ 80°F [26.7°C] dbE ➀
wbE 71°F [21.7°C] 67°F [19.4°C] 63°F [17.2°C]
CFM [L/s] 2280 [1076] 1900 [897] 1520 [717] 2280 [1076] 1900 [897] 1520 [717] 2280 [1076] 1900 [897] 1520 [717]
DR ➀.11 .07 .03 .11 .07 .03 .11 .07 .03
O
U
T
D
O
O
R
D
R
Y
B
U
L
B
T
E
M
P
E
R
A
T
U
R
E
°F
[°C]
75
[23.9]
Total BTUH [kW]
Sens BTUH [kW]
Power
76.5 [22.42]
46.7 [13.69]
3.7
73.8 [21.63]
42.7 [12.51]
3.6
71.2 [20.87]
38.7 [11.34]
3.6
72.1 [21.13]
56.0 [16.41]
3.7
69.5 [20.37]
51.2 [15.01]
3.6
67.0 [19.64]
46.4 [13.60]
3.5
68.0 [19.93]
63.5 [18.61]
3.6
65.6 [19.23]
58.1 [17.03]
3.6
63.2 [18.52]
52.7 [15.44]
3.5
80
[26.7]
Total BTUH [kW]
Sens BTUH [kW]
Power
74.8 [21.92]
46.0 [13.48]
3.9
72.2 [21.16]
42.1 [12.34]
3.9
69.6 [20.40]
38.2 [11.20]
3.8
70.4 [20.63]
55.3 [16.21]
3.9
67.9 [19.90]
50.5 [14.80]
3.8
65.4 [19.17]
45.8 [13.42]
3.8
66.3 [19.43]
62.8 [18.40]
3.8
64.0 [18.76]
57.5 [16.85]
3.8
61.7 [18.08]
52.1 [15.27]
3.7
85
[29.4]
Total BTUH [kW]
Sens BTUH [kW]
Power
72.9 [21.36]
45.0 [13.19]
4.2
70.3 [20.60]
41.2 [12.07]
4.1
67.8 [19.87]
37.3 [10.93]
4.0
68.5 [20.08]
54.3 [15.91]
4.1
66.1 [19.37]
49.6 [14.54]
4.1
63.7 [18.67]
45.0 [13.19]
4.0
64.4 [18.87]
61.9 [18.14]
4.1
62.1 [18.20]
56.6 [16.59]
4.0
59.9 [17.55]
51.3 [15.03]
3.9
90
[32.2]
Total BTUH [kW]
Sens BTUH [kW]
Power
70.8 [20.75]
43.9 [12.87]
4.4
68.3 [20.02]
40.1 [11.75]
4.3
65.9 [19.31]
36.4 [10.67]
4.2
66.4 [19.46]
53.1 [15.56]
4.3
64.1 [18.79]
48.6 [14.24]
4.3
61.7 [18.08]
44.0 [12.90]
4.2
62.3 [18.26]
60.8 [17.82]
4.3
60.1 [17.61]
55.5 [16.27]
4.2
57.9 [16.97]
50.3 [14.74]
4.2
95
[35]
Total BTUH [kW]
Sens BTUH [kW]
Power
68.6 [20.10]
42.6 [12.48]
4.6
66.2 [19.40]
39.0 [11.43]
4.5
63.8 [18.70]
35.3 [10.35]
4.5
64.2 [18.82]
51.9 [15.21]
4.6
61.9 [18.14]
47.4 [13.89]
4.5
59.7 [17.50]
43.0 [12.60]
4.4
60.1 [17.61]
59.4 [17.41]
4.5
58.0 [17.00]
54.4 [15.94]
4.5
55.9 [16.38]
49.3 [14.45]
4.4
100
[37.8]
Total BTUH [kW]
Sens BTUH [kW]
Power
66.3 [19.43]
41.4 [12.13]
4.8
64.0 [18.76]
37.8 [11.08]
4.8
61.7 [18.08]
34.3 [10.05]
4.7
61.9 [18.14]
50.6 [14.83]
4.8
59.7 [17.50]
46.3 [13.57]
4.7
57.6 [16.88]
42.0 [12.31]
4.7
57.8 [16.94]
57.8 [16.94]
4.8
55.8 [16.35]
53.2 [15.59]
4.7
53.8 [15.77]
48.2 [14.13]
4.6
105
[40.6]
Total BTUH [kW]
Sens BTUH [kW]
Power
64.0 [18.76]
40.2 [11.78]
5.1
61.8 [18.11]
36.8 [10.79]
5.0
59.5 [17.44]
33.4 [9.79]
4.9
59.6 [17.47]
49.5 [14.51]
5.0
57.5 [16.85]
45.2 [13.25]
5.0
55.4 [16.24]
41.0 [12.02]
4.9
55.5 [16.27]
55.5 [16.27]
5.0
53.5 [15.68]
52.2 [15.30]
4.9
51.6 [15.12]
47.3 [13.86]
4.8
110
[43.3]
Total BTUH [kW]
Sens BTUH [kW]
Power
61.6 [18.05]
39.3 [11.52]
5.3
59.5 [17.44]
35.9 [10.52]
5.2
57.3 [16.79]
32.6 [9.55]
5.1
57.2 [16.76]
48.5 [14.21]
5.3
55.2 [16.18]
44.4 [13.01]
5.2
53.2 [15.59]
40.2 [11.78]
5.1
53.1 [15.56]
53.1 [15.56]
5.2
51.3 [15.03]
51.3 [15.03]
5.1
49.4 [14.48]
46.5 [13.63]
5.1
115
[46.1]
Total BTUH [kW]
Sens BTUH [kW]
Power
59.3 [17.38]
38.6 [11.31]
5.5
57.2 [16.76]
35.3 [10.35]
5.4
55.1 [16.15]
32.0 [9.38]
5.4
54.9 [16.09]
47.9 [14.04]
5.5
52.9 [15.50]
43.8 [12.84]
5.4
51.0 [14.95]
39.7 [11.63]
5.3
50.8 [14.89]
50.8 [14.89]
5.5
49.0 [14.36]
49.0 [14.36]
5.4
47.2 [13.83]
46.0 [13.48]
5.3
GROSS SYSTEMS PERFORMANCE DATA—RQNM-A048
ENTERING INDOOR AIR @ 80°F [26.7°C] dbE ➀
wbE 71°F [21.7°C] 67°F [19.4°C] 63°F [17.2°C]
CFM [L/s] 1860 [878] 1550 [732] 1240 [585] 1860 [878] 1550 [732] 1240 [585] 1860 [878] 1550 [732] 1240 [585]
DR ➀.12 .09 .05 .12 .09 .05 .12 .09 .05
O
U
T
D
O
O
R
D
R
Y
B
U
L
B
T
E
M
P
E
R
A
T
U
R
E
°F
[°C]
75
[23.9]
Total BTUH [kW]
Sens BTUH [kW]
Power
59.4 [17.41]
36.9 [10.81]
3.0
57.3 [16.79]
33.7 [9.88]
3.0
55.2 [16.18]
30.6 [8.97]
2.9
56.9 [16.68]
44.1 [12.92]
3.0
54.9 [16.09]
40.3 [11.81]
3.0
52.9 [15.50]
36.5 [10.70]
2.9
52.3 [15.33]
48.7 [14.27]
3.0
50.5 [14.80]
44.5 [13.04]
2.9
48.7 [14.27]
40.4 [11.84]
2.9
80
[26.7]
Total BTUH [kW]
Sens BTUH [kW]
Power
59.1 [17.32]
36.3 [10.64]
3.2
57.0 [16.71]
33.2 [9.73]
3.1
54.9 [16.09]
30.1 [8.82]
3.1
56.5 [16.56]
43.5 [12.75]
3.2
54.5 [15.97]
39.8 [11.66]
3.2
52.6 [15.42]
36.1 [10.58]
3.1
52.0 [15.24]
48.0 [14.07]
3.2
50.2 [14.71]
44.0 [12.90]
3.1
48.3 [14.16]
39.9 [11.69]
3.1
85
[29.4]
Total BTUH [kW]
Sens BTUH [kW]
Power
57.9 [16.97]
35.7 [10.46]
3.4
55.8 [16.35]
32.7 [9.58]
3.3
53.8 [15.77]
29.6 [8.67]
3.3
55.3 [16.21]
42.9 [12.57]
3.4
53.4 [15.65]
39.3 [11.52]
3.4
51.4 [15.06]
35.6 [10.43]
3.3
50.8 [14.89]
47.8 [14.01]
3.4
49.0 [14.36]
43.5 [12.75]
3.3
47.2 [13.83]
39.4 [11.55]
3.3
90
[32.2]
Total BTUH [kW]
Sens BTUH [kW]
Power
56.0 [16.41]
35.0 [10.26]
3.6
54.1 [15.86]
32.0 [9.38]
3.5
52.1 [15.27]
29.0 [8.50]
3.5
53.5 [15.68]
42.2 [12.37]
3.6
51.6 [15.12]
38.6 [11.31]
3.5
49.7 [14.57]
35.0 [10.26]
3.5
49.0 [14.36]
47.0 [13.77]
3.6
47.2 [13.83]
42.8 [12.54]
3.5
45.5 [13.33]
38.8 [11.37]
3.4
95
[35]
Total BTUH [kW]
Sens BTUH [kW]
Power
53.8 [15.77]
34.2 [10.02]
3.8
51.9 [15.21]
31.3 [9.17]
3.7
50.1 [14.68]
28.4 [8.32]
3.7
51.3 [15.03]
41.4 [12.13]
3.8
49.5 [14.51]
37.9 [11.11]
3.7
47.7 [13.98]
34.3 [10.05]
3.7
46.8 [13.72]
45.7 [13.39]
3.8
45.1 [13.22]
42.1 [12.34]
3.7
43.5 [12.75]
38.2 [11.20]
3.6
100
[37.8]
Total BTUH [kW]
Sens BTUH [kW]
Power
51.5 [15.09]
33.3 [9.76]
4.0
49.7 [14.57]
30.5 [8.94]
3.9
47.9 [14.04]
27.6 [8.09]
3.8
48.9 [14.33]
40.5 [11.87]
4.0
47.2 [13.83]
37.1 [10.87]
3.9
45.5 [13.33]
33.6 [9.85]
3.9
44.4 [13.01]
44.4 [13.01]
4.0
42.9 [12.57]
41.3 [12.10]
3.9
41.3 [12.10]
37.4 [10.96]
3.8
105
[40.6]
Total BTUH [kW]
Sens BTUH [kW]
Power
49.3 [14.45]
32.4 [9.50]
4.2
47.5 [13.92]
29.6 [8.67]
4.1
45.8 [13.42]
26.9 [7.88]
4.0
46.7 [13.69]
39.6 [11.61]
4.2
45.1 [13.22]
36.2 [10.61]
4.1
43.4 [12.72]
32.8 [9.61]
4.1
42.2 [12.37]
42.2 [12.37]
4.1
40.7 [11.93]
40.4 [11.84]
4.1
39.2 [11.49]
36.7 [10.76]
4.0
110
[43.3]
Total BTUH [kW]
Sens BTUH [kW]
Power
47.4 [13.89]
31.4 [9.20]
4.4
45.7 [13.39]
28.7 [8.41]
4.3
44.1 [12.92]
26.0 [7.62]
4.2
44.8 [13.13]
38.6 [11.31]
4.4
43.3 [12.69]
35.3 [10.35]
4.3
41.7 [12.22]
32.0 [9.38]
4.2
40.3 [11.81]
40.3 [11.81]
4.3
38.9 [11.40]
38.9 [11.40]
4.3
37.5 [10.99]
35.8 [10.49]
4.2
115
[46.1]
Total BTUH [kW]
Sens BTUH [kW]
Power
46.1 [13.51]
30.3 [8.88]
4.6
44.5 [13.04]
27.7 [8.12]
4.5
42.9 [12.57]
25.2 [7.39]
4.4
43.6 [12.78]
37.5 [10.99]
4.6
42.0 [12.31]
34.3 [10.05]
4.5
40.5 [11.87]
31.1 [9.11]
4.4
39.0 [11.43]
39.0 [11.43]
4.5
37.7 [11.05]
37.7 [11.05]
4.5
36.3 [10.64]
35.0 [10.26]
4.4
DR —Depression ratio
dbE —Entering air dry bulb
wbE—Entering air wet bulb
Total —Total capacity x 1000 BTUH
Sens —Sensible capacity x 1000 BTUH
Power—KW input
NOTES: ➀ When the entering air dry bulb is other than 80°F [27°C], adjust the sensible
capacity from the table by adding [1.10 x CFM x (1 – DR) x (dbE – 80)].
[ ] Designates Metric Conversions
19
SYSTEMS PERFORMANCE—RQNM- SERIES

GROSS SYSTEMS PERFORMANCE DATA—RQPM-A030
ENTERING INDOOR AIR @ 80°F [26.7°C] dbE ➀
wbE 71°F [21.7°C] 67°F [19.4°C] 63°F [17.2°C]
CFM [L/s] 1200 [566] 1000 [472] 800 [378] 1200 [566] 1000 [472] 800 [378] 1200 [566] 1000 [472] 800 [378]
DR ➀.13 .09 .04 .13 .09 .04 .13 .09 .04
O
U
T
D
O
O
R
D
R
Y
B
U
L
B
T
E
M
P
E
R
A
T
U
R
E
°F
[°C]
75
[23.9]
Total BTUH [kW]
Sens BTUH [kW]
Power
37.9 [11.11]
23.4 [6.86]
1.9
36.6 [10.73]
21.4 [6.27]
1.9
35.3 [10.35]
19.4 [5.69]
1.8
34.9 [10.23]
27.6 [8.09]
1.9
33.7 [9.88]
25.2 [7.39]
1.9
32.4 [9.50]
22.9 [6.71]
1.8
33.0 [9.67]
30.9 [9.06]
1.9
31.9 [9.35]
28.4 [8.32]
1.9
30.7 [9.00]
25.7 [7.53]
1.8
80
[26.7]
Total BTUH [kW]
Sens BTUH [kW]
Power
37.0 [10.84]
23.0 [6.74]
2.0
35.7 [10.46]
21.0 [6.15]
2.0
34.4 [10.08]
19.1 [5.60]
1.9
33.9 [9.94]
27.2 [7.97]
2.0
32.7 [9.58]
24.9 [7.30]
2.0
31.5 [9.23]
22.6 [6.62]
1.9
32.0 [9.38]
30.8 [9.03]
2.0
30.9 [9.06]
28.0 [8.21]
2.0
29.8 [8.73]
25.4 [7.44]
1.9
85
[29.4]
Total BTUH [kW]
Sens BTUH [kW]
Power
35.9 [10.52]
22.6 [6.62]
2.1
34.6 [10.14]
20.6 [6.04]
2.1
33.4 [9.79]
18.7 [5.48]
2.0
32.9 [9.64]
26.8 [7.85]
2.1
31.7 [9.29]
24.5 [7.18]
2.1
30.5 [8.94]
22.2 [6.51]
2.0
31.0 [9.09]
30.3 [8.88]
2.1
29.9 [8.76]
27.6 [8.09]
2.1
28.8 [8.44]
25.0 [7.33]
2.0
90
[32.2]
Total BTUH [kW]
Sens BTUH [kW]
Power
34.8 [10.20]
22.0 [6.45]
2.2
33.6 [9.85]
20.1 [5.89]
2.2
32.3 [9.47]
18.3 [5.36]
2.1
31.7 [9.29]
26.2 [7.68]
2.2
30.6 [8.97]
24.0 [7.03]
2.2
29.5 [8.65]
21.8 [6.39]
2.1
29.9 [8.76]
29.5 [8.65]
2.2
28.8 [8.44]
27.1 [7.94]
2.2
27.8 [8.15]
24.6 [7.21]
2.1
95
[35]
Total BTUH [kW]
Sens BTUH [kW]
Power
33.6 [9.85]
21.4 [6.27]
2.3
32.4 [9.50]
19.6 [5.74]
2.3
31.2 [9.14]
17.8 [5.22]
2.2
30.5 [8.94]
25.7 [7.53]
2.3
29.5 [8.65]
23.5 [6.89]
2.3
28.4 [8.32]
21.3 [6.24]
2.2
28.7 [8.41]
28.7 [8.41]
2.3
27.7 [8.12]
26.7 [7.83]
2.3
26.7 [7.83]
24.1 [7.06]
2.2
100
[37.8]
Total BTUH [kW]
Sens BTUH [kW]
Power
32.4 [9.50]
20.8 [6.10]
2.4
31.2 [9.14]
19.1 [5.60]
2.4
30.1 [8.82]
17.3 [5.07]
2.3
29.3 [8.59]
25.1 [7.36]
2.4
28.3 [8.29]
22.9 [6.71]
2.4
27.3 [8.00]
20.8 [6.10]
2.3
27.5 [8.06]
27.5 [8.06]
2.4
26.5 [7.77]
26.0 [7.62]
2.4
25.5 [7.47]
23.6 [6.92]
2.3
105
[40.6]
Total BTUH [kW]
Sens BTUH [kW]
Power
31.1 [9.11]
20.2 [5.92]
2.5
30.0 [8.79]
18.5 [5.42]
2.5
28.9 [8.47]
16.8 [4.92]
2.4
28.1 [8.24]
24.4 [7.15]
2.5
27.1 [7.94]
22.3 [6.54]
2.5
26.1 [7.65]
20.3 [5.95]
2.4
26.2 [7.68]
26.2 [7.68]
2.5
25.3 [7.41]
25.3 [7.41]
2.5
24.4 [7.15]
23.1 [6.77]
2.4
110
[43.3]
Total BTUH [kW]
Sens BTUH [kW]
Power
29.8 [8.73]
19.6 [5.74]
2.6
28.8 [8.44]
17.9 [5.25]
2.6
27.7 [8.12]
16.2 [4.75]
2.5
26.8 [7.85]
23.8 [6.98]
2.6
25.8 [7.56]
21.8 [6.39]
2.6
24.9 [7.30]
19.8 [5.80]
2.5
24.9 [7.30]
24.9 [7.30]
2.6
24.0 [7.03]
24.0 [7.03]
2.6
23.1 [6.77]
22.6 [6.62]
2.5
115
[46.1]
Total BTUH [kW]
Sens BTUH [kW]
Power
28.5 [8.35]
19.0 [5.57]
2.7
27.5 [8.06]
17.4 [5.10]
2.7
26.5 [7.77]
15.8 [4.63]
2.6
25.4 [7.44]
23.2 [6.80]
2.7
24.5 [7.18]
21.3 [6.24]
2.7
23.6 [6.92]
19.3 [5.66]
2.6
23.6 [6.92]
23.6 [6.92]
2.7
22.7 [6.65]
22.7 [6.65]
2.7
21.9 [6.42]
21.9 [6.42]
2.6
GROSS SYSTEMS PERFORMANCE DATA—RQPM-A024
ENTERING INDOOR AIR @ 80°F [26.7°C] dbE ➀
wbE 71°F [21.7°C] 67°F [19.4°C] 63°F [17.2°C]
CFM [L/s] 960 [453] 800 [378] 640 [302] 960 [453] 800 [378] 640 [302] 960 [453] 800 [378] 640 [302]
DR ➀.14 .10 .05 .14 .10 .05 .14 .10 .05
O
U
T
D
O
O
R
D
R
Y
B
U
L
B
T
E
M
P
E
R
A
T
U
R
E
°F
[°C]
75
[23.9]
Total BTUH [kW]
Sens BTUH [kW]
Power
30.4 [8.91]
18.6 [5.45]
1.6
29.3 [8.59]
17.0 [4.98]
1.5
28.2 [8.26]
15.4 [4.51]
1.5
28.5 [8.35]
22.3 [6.54]
1.5
27.5 [8.06]
20.4 [5.98]
1.5
26.5 [7.77]
18.5 [5.42]
1.5
26.9 [7.88]
26.0 [7.62]
1.6
26.0 [7.62]
23.8 [6.98]
1.5
25.1 [7.36]
21.5 [6.30]
1.5
80
[26.7]
Total BTUH [kW]
Sens BTUH [kW]
Power
29.6 [8.67]
18.2 [5.33]
1.6
28.6 [8.38]
16.7 [4.89]
1.6
27.5 [8.06]
15.1 [4.43]
1.6
27.7 [8.12]
21.9 [6.42]
1.6
26.7 [7.83]
20.1 [5.89]
1.6
25.8 [7.56]
18.2 [5.33]
1.6
26.2 [7.68]
25.7 [7.53]
1.7
25.3 [7.41]
23.4 [6.86]
1.6
24.4 [7.15]
21.3 [6.24]
1.6
85
[29.4]
Total BTUH [kW]
Sens BTUH [kW]
Power
28.7 [8.41]
17.8 [5.22]
1.7
27.7 [8.12]
16.3 [4.78]
1.7
26.7 [7.83]
14.8 [4.34]
1.7
26.8 [7.85]
21.5 [6.30]
1.7
25.9 [7.59]
19.7 [5.77]
1.7
24.9 [7.30]
17.8 [5.22]
1.7
25.3 [7.41]
25.2 [7.39]
1.7
24.4 [7.15]
23.1 [6.77]
1.7
23.5 [6.89]
20.9 [6.13]
1.7
90
[32.2]
Total BTUH [kW]
Sens BTUH [kW]
Power
27.8 [8.15]
17.4 [5.10]
1.8
26.8 [7.85]
15.9 [4.66]
1.8
25.9 [7.59]
14.4 [4.22]
1.8
25.9 [7.59]
21.1 [6.18]
1.8
25.0 [7.33]
19.3 [5.66]
1.8
24.1 [7.06]
17.5 [5.13]
1.8
24.4 [7.15]
24.4 [7.15]
1.8
23.5 [6.89]
22.7 [6.65]
1.8
22.7 [6.65]
20.5 [6.01]
1.8
95
[35]
Total BTUH [kW]
Sens BTUH [kW]
Power
26.8 [7.85]
16.9 [4.95]
1.9
25.9 [7.59]
15.4 [4.51]
1.9
24.9 [7.30]
14.0 [4.10]
1.9
24.9 [7.30]
20.6 [6.04]
1.9
24.0 [7.03]
18.8 [5.51]
1.9
23.1 [6.77]
17.1 [5.01]
1.8
23.4 [6.86]
23.4 [6.86]
1.9
22.6 [6.62]
22.2 [6.51]
1.9
21.7 [6.36]
20.1 [5.89]
1.9
100
[37.8]
Total BTUH [kW]
Sens BTUH [kW]
Power
25.8 [7.56]
16.4 [4.81]
2.0
24.9 [7.30]
15.0 [4.40]
2.0
24.0 [7.03]
13.6 [3.99]
1.9
23.9 [7.00]
20.1 [5.89]
2.0
23.0 [6.74]
18.3 [5.36]
2.0
22.2 [6.51]
16.6 [4.86]
1.9
22.4 [6.56]
22.4 [6.56]
2.0
21.6 [6.33]
21.6 [6.33]
2.0
20.8 [6.10]
19.7 [5.77]
1.9
105
[40.6]
Total BTUH [kW]
Sens BTUH [kW]
Power
24.8 [7.27]
15.8 [4.63]
2.1
23.9 [7.00]
14.5 [4.25]
2.1
23.0 [6.74]
13.1 [3.84]
2.0
22.8 [6.68]
19.5 [5.71]
2.1
22.0 [6.45]
17.9 [5.25]
2.1
21.2 [6.21]
16.2 [4.75]
2.0
21.3 [6.24]
21.3 [6.24]
2.1
20.6 [6.04]
20.6 [6.04]
2.1
19.8 [5.80]
19.3 [5.66]
2.0
110
[43.3]
Total BTUH [kW]
Sens BTUH [kW]
Power
23.8 [6.98]
15.3 [4.48]
2.2
22.9 [6.71]
14.0 [4.10]
2.2
22.1 [6.48]
12.7 [3.72]
2.1
21.9 [6.42]
19.0 [5.57]
2.2
21.1 [6.18]
17.4 [5.10]
2.1
20.3 [5.95]
15.8 [4.63]
2.1
20.4 [5.98]
20.4 [5.98]
2.2
19.6 [5.74]
19.6 [5.74]
2.2
18.9 [5.54]
18.9 [5.54]
2.1
115
[46.1]
Total BTUH [kW]
Sens BTUH [kW]
Power
22.9 [6.71]
14.8 [4.34]
2.3
22.1 [6.48]
13.6 [3.99]
2.2
21.3 [6.24]
12.3 [3.60]
2.2
20.9 [6.13]
18.5 [5.42]
2.3
20.2 [5.92]
17.0 [4.98]
2.2
19.5 [5.71]
15.4 [4.51]
2.2
19.4 [5.69]
19.4 [5.69]
2.3
18.8 [5.51]
18.8 [5.51]
2.2
18.1 [5.30]
18.1 [5.30]
2.2
DR —Depression ratio
dbE —Entering air dry bulb
wbE—Entering air wet bulb
Total —Total capacity x 1000 BTUH
Sens —Sensible capacity x 1000 BTUH
Power—KW input
NOTES: ➀ When the entering air dry bulb is other than 80°F [27°C], adjust the sensible
capacity from the table by adding [1.10 x CFM x (1 – DR) x (dbE – 80)].
[ ] Designates Metric Conversions
20
SYSTEMS PERFORMANCE—RQPM- SERIES

GROSS SYSTEMS PERFORMANCE DATA—RQPM-A037
ENTERING INDOOR AIR @ 80°F [26.7°C] dbE ➀
wbE 71°F [21.7°C] 67°F [19.4°C] 63°F [17.2°C]
CFM [L/s] 1440 [680] 1200 [566] 960 [453] 1440 [680] 1200 [566] 960 [453] 1440 [680] 1200 [566] 960 [453]
DR ➀.03 .06 .09 .03 .06 .09 .03 .06 .09
O
U
T
D
O
O
R
D
R
Y
B
U
L
B
T
E
M
P
E
R
A
T
U
R
E
°F
[°C]
75
[23.9]
Total BTUH [kW]
Sens BTUH [kW]
Power
7.3 [2.1]
0.1 [0.0]
2.4
7.1 [2.1]
0.1 [0.0]
2.3
6.8 [2.0]
0.1 [0.0]
2.3
8.8 [2.6]
0.1 [0.0]
2.4
8.5 [2.5]
0.1 [0.0]
2.3
8.2 [2.4]
0.1 [0.0]
2.3
3.0 [0.9]
0.1 [0.0]
2.3
2.9 [0.8]
0.1 [0.0]
2.3
2.8 [0.8]
0.1 [0.0]
2.3
80
[26.7]
Total BTUH [kW]
Sens BTUH [kW]
Power
18.3 [5.4]
1.0 [0.3]
2.5
17.7 [5.2]
0.3 [0.1]
2.5
17.0 [5.0]
0.1 [0.0]
2.4
19.8 [5.8]
10.8 [3.2]
2.5
19.1 [5.6]
9.2 [2.7]
2.4
18.4 [5.4]
7.7 [2.3]
2.4
14.0 [4.1]
10.4 [3.1]
2.5
13.5 [4.0]
9.0 [2.6]
2.4
13.0 [3.8]
7.7 [2.3]
2.4
85
[29.4]
Total BTUH [kW]
Sens BTUH [kW]
Power
26.8 [7.9]
10.9 [3.2]
2.6
25.8 [7.6]
9.0 [2.6]
2.6
24.9 [7.3]
7.3 [2.1]
2.5
28.2 [8.3]
20.8 [6.1]
2.6
27.2 [8.0]
18.0 [5.3]
2.6
26.2 [7.7]
15.4 [4.5]
2.5
22.4 [6.6]
20.2 [5.9]
2.6
21.7 [6.4]
17.8 [5.2]
2.6
20.9 [6.1]
15.4 [4.5]
2.5
90
[32.2]
Total BTUH [kW]
Sens BTUH [kW]
Power
32.6 [9.6]
18.0 [5.3]
2.8
31.5 [9.2]
15.4 [4.5]
2.7
30.3 [8.9]
12.9 [3.8]
2.7
34.1 [10.0]
28.0 [8.2]
2.8
32.9 [9.6]
24.4 [7.2]
2.7
31.7 [9.3]
21.0 [6.2]
2.7
28.3 [8.3]
27.4 [8.0]
2.7
27.3 [8.0]
24.1 [7.1]
2.7
26.3 [7.7]
20.9 [6.1]
2.6
95
[35]
Total BTUH [kW]
Sens BTUH [kW]
Power
36.0 [10.6]
22.6 [6.6]
2.9
34.7 [10.2]
19.4 [5.7]
2.9
33.4 [9.8]
16.4 [4.8]
2.8
37.4 [11.0]
32.4 [9.5]
2.9
36.1 [10.6]
28.3 [8.3]
2.9
34.8 [10.2]
24.5 [7.2]
2.8
31.6 [9.3]
31.6 [9.3]
2.9
30.5 [8.9]
28.1 [8.2]
2.8
29.4 [8.6]
24.5 [7.2]
2.8
100
[37.8]
Total BTUH [kW]
Sens BTUH [kW]
Power
36.7 [10.8]
24.2 [7.1]
3.1
35.4 [10.4]
20.8 [6.1]
3.0
34.1 [10.0]
17.7 [5.2]
3.0
38.2 [11.2]
34.1 [10.0]
3.1
36.8 [10.8]
29.8 [8.7]
3.0
35.5 [10.4]
25.8 [7.6]
3.0
32.4 [9.5]
32.4 [9.5]
3.0
31.3 [9.2]
29.6 [8.7]
3.0
30.1 [8.8]
25.7 [7.5]
2.9
105
[40.6]
Total BTUH [kW]
Sens BTUH [kW]
Power
34.9 [10.2]
23.1 [6.8]
3.2
33.7 [9.9]
19.9 [5.8]
3.2
32.5 [9.5]
17.0 [5.0]
3.1
36.4 [10.7]
33.0 [9.7]
3.2
35.1 [10.3]
28.9 [8.5]
3.2
33.8 [9.9]
25.0 [7.3]
3.1
30.6 [9.0]
30.6 [9.0]
3.2
29.5 [8.6]
28.6 [8.4]
3.1
28.5 [8.4]
25.0 [7.3]
3.1
110
[43.3]
Total BTUH [kW]
Sens BTUH [kW]
Power
30.6 [9.0]
19.4 [5.7]
3.4
29.5 [8.6]
16.6 [4.9]
3.3
28.4 [8.3]
14.1 [4.1]
3.3
32.0 [9.4]
29.1 [8.5]
3.4
30.9 [9.1]
25.5 [7.5]
3.3
29.8 [8.7]
22.1 [6.5]
3.3
26.3 [7.7]
26.3 [7.7]
3.4
25.4 [7.4]
25.4 [7.5]
3.3
24.4 [7.2]
22.1 [6.5]
3.3
115
[46.1]
Total BTUH [kW]
Sens BTUH [kW]
Power
23.7 [6.9]
12.7 [3.7]
3.6
22.9 [6.7]
10.8 [3.2]
3.5
22.0 [6.4]
9.0 [2.6]
3.5
25.1 [7.4]
22.5 [6.6]
3.6
24.2 [7.1]
19.7 [5.8]
3.5
23.4 [6.9]
17.1 [5.0]
3.4
19.4 [5.7]
19.4 [5.7]
3.6
18.7 [5.5]
18.7 [5.5]
3.5
18.0 [5.3]
17.0 [5.0]
3.4
DR —Depression ratio
dbE —Entering air dry bulb
wbE—Entering air wet bulb
Total —Total capacity x 1000 BTUH
Sens —Sensible capacity x 1000 BTUH
Power—KW input
NOTES: ➀ When the entering air dry bulb is other than 80°F [27°C], adjust the sensible
capacity from the table by adding [1.10 x CFM x (1 – DR) x (dbE – 80)].
[ ] Designates Metric Conversions
ENTERING INDOOR AIR @ 80°F [26.7°C] dbE ➀
wbE 71°F [21.7°C] 67°F [19.4°C] 63°F [17.2°C]
CFM [L/s] 1440 [680] 1200 [566] 960 [453] 1440 [680] 1200 [566] 960 [453] 1440 [680] 1200 [566] 960 [453]
DR ➀.14 .10 .05 .14 .10 .05 .14 .10 .05
O
U
T
D
O
O
R
D
R
Y
B
U
L
B
T
E
M
P
E
R
A
T
U
R
E
°F
[°C]
75
[23.9]
Total BTUH [kW]
Sens BTUH [kW]
Power
45.3 [13.28]
27.8 [8.15]
2.4
43.7 [12.81]
25.4 [7.44]
2.4
42.1 [12.34]
23.1 [6.77]
2.3
42.5 [12.46]
33.3 [9.76]
2.4
41.0 [12.02]
30.5 [8.94]
2.3
39.5 [11.58]
27.6 [8.09]
2.3
39.6 [11.61]
37.2 [10.90]
2.4
38.3 [11.22]
34.1 [9.99]
2.3
36.9 [10.81]
31.0 [9.09]
2.3
80
[26.7]
Total BTUH [kW]
Sens BTUH [kW]
Power
44.2 [12.95]
27.3 [8.00]
2.6
42.7 [12.51]
25.0 [7.33]
2.5
41.1 [12.05]
22.7 [6.65]
2.5
41.4 [12.13]
32.8 [9.61]
2.5
39.9 [11.69]
30.0 [8.79]
2.5
38.5 [11.28]
27.2 [7.97]
2.4
38.6 [11.31]
37.0 [10.84]
2.5
37.2 [10.90]
33.7 [9.88]
2.5
35.9 [10.52]
30.5 [8.94]
2.4
85
[29.4]
Total BTUH [kW]
Sens BTUH [kW]
Power
43.0 [12.60]
26.7 [7.83]
2.7
41.5 [12.16]
24.5 [7.18]
2.6
39.9 [11.69]
22.2 [6.51]
2.6
40.2 [11.78]
32.2 [9.44]
2.6
38.7 [11.34]
29.5 [8.65]
2.6
37.3 [10.93]
26.7 [7.83]
2.6
37.3 [10.93]
36.4 [10.67]
2.6
36.0 [10.55]
33.2 [9.73]
2.6
34.7 [10.17]
30.1 [8.82]
2.6
90
[32.2]
Total BTUH [kW]
Sens BTUH [kW]
Power
41.6 [12.19]
26.1 [7.65]
2.8
40.1 [11.75]
23.9 [7.00]
2.8
38.7 [11.34]
21.6 [6.33]
2.7
38.8 [11.37]
31.6 [9.26]
2.8
37.4 [10.96]
28.9 [8.47]
2.7
36.1 [10.58]
26.2 [7.68]
2.7
35.9 [10.52]
35.5 [10.40]
2.8
34.7 [10.17]
32.5 [9.52]
2.7
33.4 [9.79]
29.5 [8.65]
2.7
95
[35]
Total BTUH [kW]
Sens BTUH [kW]
Power
40.1 [11.75]
25.4 [7.44]
3.0
38.7 [11.34]
23.2 [6.80]
2.9
37.3 [10.93]
21.0 [6.15]
2.9
37.3 [10.93]
30.9 [9.06]
2.9
36.0 [10.55]
28.2 [8.26]
2.9
34.7 [10.17]
25.6 [7.50]
2.8
34.5 [10.11]
34.5 [10.11]
2.9
33.3 [9.76]
32.0 [9.38]
2.9
32.1 [9.41]
28.9 [8.47]
2.8
100
[37.8]
Total BTUH [kW]
Sens BTUH [kW]
Power
38.6 [11.31]
24.6 [7.21]
3.1
37.3 [10.93]
22.5 [6.59]
3.0
35.9 [10.52]
20.4 [5.98]
3.0
35.8 [10.49]
30.1 [8.82]
3.0
34.6 [10.14]
27.6 [8.09]
3.0
33.3 [9.76]
25.0 [7.33]
2.9
33.0 [9.67]
33.0 [9.67]
3.0
31.8 [9.32]
31.2 [9.14]
3.0
30.7 [9.00]
28.3 [8.29]
2.9
105
[40.6]
Total BTUH [kW]
Sens BTUH [kW]
Power
37.1 [10.87]
23.9 [7.00]
3.2
35.8 [10.49]
21.8 [6.39]
3.2
34.5 [10.11]
19.8 [5.80]
3.1
34.3 [10.05]
29.4 [8.62]
3.2
33.1 [9.70]
26.9 [7.88]
3.1
31.9 [9.35]
24.4 [7.15]
3.1
31.5 [9.23]
31.5 [9.23]
3.2
30.4 [8.91]
30.4 [8.91]
3.1
29.3 [8.59]
27.7 [8.12]
3.1
110
[43.3]
Total BTUH [kW]
Sens BTUH [kW]
Power
35.6 [10.43]
23.2 [6.80]
3.4
34.4 [10.08]
21.2 [6.21]
3.3
33.1 [9.70]
19.2 [5.63]
3.2
32.8 [9.61]
28.7 [8.41]
3.3
31.7 [9.29]
26.2 [7.68]
3.3
30.5 [8.94]
23.8 [6.98]
3.2
30.0 [8.79]
30.0 [8.79]
3.3
28.9 [8.47]
28.9 [8.47]
3.3
27.9 [8.18]
27.1 [7.94]
3.2
115
[46.1]
Total BTUH [kW]
Sens BTUH [kW]
Power
34.2 [10.02]
22.5 [6.59]
3.5
33.0 [9.67]
20.5 [6.01]
3.4
31.8 [9.32]
18.6 [5.45]
3.4
31.4 [9.20]
28.0 [8.21]
3.4
30.3 [8.88]
25.6 [7.50]
3.4
29.2 [8.56]
23.2 [6.80]
3.3
28.6 [8.38]
28.6 [8.38]
3.5
27.6 [8.09]
27.6 [8.09]
3.4
26.6 [7.80]
26.5 [7.77]
3.3
GROSS SYSTEMS PERFORMANCE DATA—RQPM-A036
21
SYSTEMS PERFORMANCE—RQPM- SERIES

GROSS SYSTEMS PERFORMANCE DATA—RQPM-A043
ENTERING INDOOR AIR @ 80°F [26.7°C] dbE ➀
wbE 71°F [21.7°C] 67°F [19.4°C] 63°F [17.2°C]
CFM [L/s] 1740 [821] 1425 [672] 1160 [547] 1740 [821] 1425 [672] 1160 [547] 1740 [821] 1425 [672] 1160 [547]
DR ➀.05 .09 .12 .05 .09 .12 .05 .09 .12
O
U
T
D
O
O
R
D
R
Y
B
U
L
B
T
E
M
P
E
R
A
T
U
R
E
°F
[°C]
75
[23.9]
Total BTUH [kW]
Sens BTUH [kW]
Power
55.8 [16.4]
35.1 [10.3]
2.7
53.6 [15.7]
29.6 [8.7]
2.6
51.8 [15.2]
25.4 [7.5]
2.6
52.0 [15.2]
41.7 [12.2]
2.6
50.0 [14.7]
35.8 [10.5]
2.6
48.3 [14.2]
31.1 [9.1]
2.5
49.3 [14.4]
46.4 [13.6]
2.6
47.4 [13.9]
40.2 [11.8]
2.6
45.8 [13.4]
35.2 [10.3]
2.5
80
[26.7]
Total BTUH [kW]
Sens BTUH [kW]
Power
54.0 [15.8]
34.4 [10.1]
2.8
51.9 [15.2]
29.1 [8.5]
2.7
50.2 [14.7]
25.0 [7.3]
2.7
50.2 [14.7]
41.0 [12.0]
2.8
48.3 [14.2]
35.3 [10.4]
2.7
46.7 [13.7]
30.8 [9.0]
2.7
47.5 [13.9]
45.8 [13.4]
2.8
45.7 [13.4]
39.7 [11.6]
2.7
44.2 [13.0]
34.9 [10.2]
2.7
85
[29.4]
Total BTUH [kW]
Sens BTUH [kW]
Power
52.2 [15.3]
33.6 [9.9]
3.0
50.2 [14.7]
28.5 [8.4]
2.9
48.5 [14.2]
24.5 [7.2]
2.9
48.5 [14.2]
40.4 [11.9]
2.9
46.6 [13.7]
34.7 [10.2]
2.9
45.0 [13.2]
30.2 [8.9]
2.8
45.8 [13.4]
45.1 [13.2]
2.9
44.0 [12.9]
39.1 [11.5]
2.8
42.5 [12.5]
34.3 [10.1]
2.8
90
[32.2]
Total BTUH [kW]
Sens BTUH [kW]
Power
50.5 [14.8]
32.9 [9.7]
3.1
48.6 [14.2]
27.9 [8.2]
3.1
46.9 [13.7]
23.9 [7.0]
3.0
46.8 [13.7]
39.6 [11.6]
3.1
45.0 [13.2]
34.1 [10.0]
3.0
43.4 [12.7]
29.7 [8.7]
3.0
44.1 [12.9]
44.1 [12.9]
3.1
42.4 [12.4]
38.5 [11.3]
3.0
40.9 [12.0]
33.8 [9.9]
3.0
95
[35]
Total BTUH [kW]
Sens BTUH [kW]
Power
48.8 [14.3]
32.0 [9.4]
3.3
46.9 [13.7]
27.1 [8.0]
3.2
45.3 [13.3]
23.3 [6.8]
3.2
45.1 [13.2]
38.7 [11.4]
3.3
43.3 [12.7]
33.3 [9.8]
3.2
41.9 [12.3]
29.1 [8.5]
3.1
42.4 [12.4]
42.4 [12.4]
3.2
40.7 [11.9]
37.7 [11.1]
3.2
39.3 [11.5]
33.1 [9.7]
3.1
100
[37.8]
Total BTUH [kW]
Sens BTUH [kW]
Power
47.1 [13.8]
31.0 [9.1]
3.5
45.3 [13.3]
26.3 [7.7]
3.4
43.8 [12.8]
22.6 [6.6]
3.3
43.4 [12.7]
37.7 [11.1]
3.4
41.7 [12.2]
32.5 [9.5]
3.4
40.3 [11.8]
28.4 [8.3]
3.3
40.7 [11.9]
40.7 [11.9]
3.4
39.1 [11.5]
36.9 [10.8]
3.4
37.8 [11.1]
32.5 [9.5]
3.3
105
[40.6]
Total BTUH [kW]
Sens BTUH [kW]
Power
45.5 [13.3]
30.0 [8.8]
3.7
43.7 [12.8]
25.4 [7.5]
3.6
42.2 [12.4]
21.8 [6.4]
3.5
41.7 [12.2]
36.6 [10.7]
3.6
40.1 [11.8]
31.6 [9.3]
3.6
38.7 [11.3]
27.6 [8.1]
3.5
39.0 [11.4]
39.0 [11.4]
3.6
37.5 [11.0]
36.0 [10.6]
3.5
36.2 [10.6]
31.7 [9.3]
3.5
110
[43.3]
Total BTUH [kW]
Sens BTUH [kW]
Power
43.8 [12.8]
28.8 [8.5]
3.9
42.1 [12.3]
24.4 [7.2]
3.8
40.7 [11.9]
21.0 [6.2]
3.7
40.1 [11.8]
35.5 [10.4]
3.8
38.5 [11.3]
30.6 [9.0]
3.8
37.2 [10.9]
26.8 [7.9]
3.7
37.4 [11.0]
37.4 [11.0]
3.8
35.9 [10.5]
35.0 [10.3]
3.7
34.7 [10.2]
30.9 [9.1]
3.7
115
[46.1]
Total BTUH [kW]
Sens BTUH [kW]
Power
42.2 [12.4]
27.6 [8.1]
4.1
40.6 [11.9]
23.4 [6.9]
4.0
39.2 [11.5]
20.1 [5.9]
3.9
38.5 [11.3]
34.3 [10.1]
4.0
37.0 [10.8]
29.6 [8.7]
4.0
35.7 [10.5]
25.8 [7.6]
3.9
35.8 [10.5]
35.8 [10.5]
4.0
34.4 [10.1]
34.0 [10.0]
3.9
33.2 [9.7]
30.0 [8.8]
3.9
GROSS SYSTEMS PERFORMANCE DATA—RQPM-042
ENTERING INDOOR AIR @ 80°F [26.7°C] dbE ➀
wbE 71°F [21.7°C] 67°F [19.4°C] 63°F [17.2°C]
CFM [L/s] 1740 [821] 1450 [684] 1160 [547] 1740 [821] 1450 [684] 1160 [547] 1740 [821] 1450 [684] 1160 [547]
DR ➀.21 .18 .14 .21 .18 .14 .21 .18 .14
O
U
T
D
O
O
R
D
R
Y
B
U
L
B
T
E
M
P
E
R
A
T
U
R
E
°F
[°C]
75
[23.9]
Total BTUH [kW]
Sens BTUH [kW]
Power
52.5 [15.39]
31.7 [9.29]
2.8
50.7 [14.86]
29.0 [8.50]
2.7
48.8 [14.30]
26.3 [7.71]
2.7
50.4 [14.77]
38.2 [11.20]
2.7
48.7 [14.27]
34.9 [10.23]
2.7
46.9 [13.75]
31.7 [9.29]
2.7
47.1 [13.80]
43.4 [12.72]
2.7
45.5 [13.33]
39.7 [11.63]
2.7
43.8 [12.84]
36.0 [10.55]
2.6
80
[26.7]
Total BTUH [kW]
Sens BTUH [kW]
Power
51.6 [15.12]
31.2 [9.14]
2.9
49.8 [14.59]
28.5 [8.35]
2.9
48.0 [14.07]
25.9 [7.59]
2.8
49.5 [14.51]
37.7 [11.05]
2.9
47.8 [14.01]
34.5 [10.11]
2.9
46.0 [13.48]
31.3 [9.17]
2.8
46.2 [13.54]
42.9 [12.57]
2.9
44.6 [13.07]
39.3 [11.52]
2.9
43.0 [12.60]
35.6 [10.43]
2.8
85
[29.4]
Total BTUH [kW]
Sens BTUH [kW]
Power
50.4 [14.77]
30.6 [8.97]
3.1
48.7 [14.27]
28.0 [8.21]
3.1
46.9 [13.75]
25.4 [7.44]
3.0
48.3 [14.16]
37.1 [10.87]
3.1
46.6 [13.66]
33.9 [9.94]
3.0
44.9 [13.16]
30.8 [9.03]
3.0
45.0 [13.19]
42.3 [12.40]
3.1
43.4 [12.72]
38.7 [11.34]
3.0
41.9 [12.28]
35.1 [10.29]
3.0
90
[32.2]
Total BTUH [kW]
Sens BTUH [kW]
Power
49.0 [14.36]
29.9 [8.76]
3.3
47.3 [13.86]
27.4 [8.03]
3.2
45.6 [13.36]
24.8 [7.27]
3.2
47.0 [13.77]
36.4 [10.67]
3.3
45.3 [13.28]
33.3 [9.76]
3.2
43.7 [12.81]
30.2 [8.85]
3.2
43.6 [12.78]
41.6 [12.19]
3.2
42.1 [12.34]
38.1 [11.17]
3.2
40.6 [11.90]
34.5 [10.11]
3.1
95
[35]
Total BTUH [kW]
Sens BTUH [kW]
Power
47.5 [13.92]
29.2 [8.56]
3.5
45.8 [13.42]
26.7 [7.83]
3.4
44.2 [12.95]
24.2 [7.09]
3.3
45.4 [13.31]
35.7 [10.46]
3.4
43.8 [12.84]
32.6 [9.55]
3.4
42.2 [12.37]
29.6 [8.67]
3.3
42.1 [12.34]
41.0 [12.02]
3.4
40.6 [11.90]
37.4 [10.96]
3.4
39.1 [11.46]
33.9 [9.94]
3.3
100
[37.8]
Total BTUH [kW]
Sens BTUH [kW]
Power
45.9 [13.45]
28.4 [8.32]
3.6
44.3 [12.98]
26.0 [7.62]
3.6
42.7 [12.51]
23.5 [6.89]
3.5
43.8 [12.84]
34.9 [10.23]
3.6
42.2 [12.37]
31.9 [9.35]
3.6
40.7 [11.93]
28.9 [8.47]
3.5
40.5 [11.87]
40.0 [11.72]
3.6
39.0 [11.43]
36.7 [10.76]
3.5
37.6 [11.02]
33.3 [9.76]
3.5
105
[40.6]
Total BTUH [kW]
Sens BTUH [kW]
Power
44.2 [12.95]
27.6 [8.09]
3.8
42.6 [12.48]
25.3 [7.41]
3.7
41.1 [12.05]
22.9 [6.71]
3.7
42.1 [12.34]
34.1 [9.99]
3.8
40.6 [11.90]
31.2 [9.14]
3.7
39.2 [11.49]
28.3 [8.29]
3.7
38.8 [11.37]
38.8 [11.37]
3.8
37.4 [10.96]
36.0 [10.55]
3.7
36.1 [10.58]
32.6 [9.55]
3.6
110
[43.3]
Total BTUH [kW]
Sens BTUH [kW]
Power
42.5 [12.46]
26.9 [7.88]
4.0
41.0 [12.02]
24.6 [7.21]
3.9
39.6 [11.61]
22.3 [6.54]
3.8
40.4 [11.84]
33.4 [9.79]
4.0
39.0 [11.43]
30.5 [8.94]
3.9
37.6 [11.02]
27.7 [8.12]
3.8
37.1 [10.87]
37.1 [10.87]
3.9
35.8 [10.49]
35.3 [10.35]
3.9
34.5 [10.11]
32.0 [9.38]
3.8
115
[46.1]
Total BTUH [kW]
Sens BTUH [kW]
Power
41.0 [12.02]
26.2 [7.68]
4.2
39.5 [11.58]
24.0 [7.03]
4.1
38.1 [11.17]
21.8 [6.39]
4.0
38.9 [11.40]
32.7 [9.58]
4.1
37.5 [10.99]
30.0 [8.79]
4.1
36.1 [10.58]
27.2 [7.97]
4.0
35.5 [10.40]
35.5 [10.40]
4.1
34.3 [10.05]
34.3 [10.05]
4.1
33.0 [9.67]
31.5 [9.23]
4.0
DR —Depression ratio
dbE —Entering air dry bulb
wbE—Entering air wet bulb
Total —Total capacity x 1000 BTUH
Sens —Sensible capacity x 1000 BTUH
Power—KW input
NOTES: ➀ When the entering air dry bulb is other than 80°F [27°C], adjust the sensible
capacity from the table by adding [1.10 x CFM x (1 – DR) x (dbE – 80)].
[ ] Designates Metric Conversions
22
SYSTEMS PERFORMANCE—RQPM- SERIES

GROSS SYSTEMS PERFORMANCE DATA—RQPM-A049CK
ENTERING INDOOR AIR @ 80°F [26.7°C] dbE ➀
wbE 71°F [21.7°C] 67°F [19.4°C] 63°F [17.2°C]
CFM [L/s] 1860 [878] 1550 [732] 1240 [585] 1860 [878] 1550 [732] 1240 [585] 1860 [878] 1550 [732] 1240 [585]
DR ➀.01 .05 .09 .01 .05 .09 .01 .05 .09
O
U
T
D
O
O
R
D
R
Y
B
U
L
B
T
E
M
P
E
R
A
T
U
R
E
°F
[°C]
75
[23.9]
Total BTUH [kW]
Sens BTUH [kW]
Power
60.4 [17.7]
38.0 [11.1]
3.0
58.3 [17.1]
32.7 [9.6]
3.0
56.1 [16.4]
27.7 [8.1]
2.9
57.1 [16.7]
45.7 [13.4]
3.0
55.1 [16.1]
39.8 [11.7]
3.0
53.1 [15.6]
34.3 [10.1]
2.9
52.9 [15.5]
49.4 [14.5]
3.0
51.1 [15.0]
43.4 [12.7]
3.0
49.2 [14.4]
37.6 [11.0]
2.9
80
[26.7]
Total BTUH [kW]
Sens BTUH [kW]
Power
58.9 [17.3]
37.6 [11.0]
3.2
56.8 [16.6]
32.3 [9.5]
3.1
54.8 [16.1]
27.5 [8.1]
3.1
55.6 [16.3]
45.4 [13.3]
3.2
53.7 [15.7]
39.6 [11.6]
3.1
51.7 [15.2]
34.1 [10.0]
3.1
51.4 [15.1]
49.0 [14.4]
3.2
49.6 [14.5]
43.0 [12.6]
3.1
47.8 [14.0]
37.4 [11.0]
3.1
85
[29.4]
Total BTUH [kW]
Sens BTUH [kW]
Power
57.3 [16.8]
37.0 [10.9]
3.4
55.3 [16.2]
31.8 [9.3]
3.3
53.3 [15.6]
27.0 [7.9]
3.3
54.1 [15.9]
44.8 [13.1]
3.4
52.2 [15.3]
39.1 [11.5]
3.3
50.3 [14.7]
33.7 [9.9]
3.3
49.9 [14.6]
48.4 [14.2]
3.4
48.1 [14.1]
42.5 [12.5]
3.3
46.4 [13.6]
37.0 [10.9]
3.2
90
[32.2]
Total BTUH [kW]
Sens BTUH [kW]
Power
55.7 [16.3]
36.3 [10.6]
3.6
53.7 [15.7]
31.2 [9.2]
3.5
51.8 [15.2]
26.6 [7.8]
3.5
52.4 [15.4]
44.1 [12.9]
3.6
50.6 [14.8]
38.5 [11.3]
3.5
48.7 [14.3]
33.2 [9.7]
3.5
48.2 [14.1]
47.7 [14.0]
3.6
46.5 [13.6]
41.9 [12.3]
3.5
44.8 [13.1]
36.4 [10.7]
3.4
95
[35]
Total BTUH [kW]
Sens BTUH [kW]
Power
54.0 [15.8]
35.4 [10.4]
3.8
52.1 [15.3]
30.5 [8.9]
3.7
50.2 [14.7]
25.9 [7.6]
3.7
50.7 [14.9]
43.2 [12.7]
3.8
49.0 [14.4]
37.8 [11.1]
3.7
47.2 [13.8]
32.6 [9.6]
3.7
46.5 [13.6]
46.5 [13.6]
3.8
44.9 [13.2]
41.2 [12.1]
3.7
43.3 [12.7]
35.9 [10.5]
3.6
100
[37.8]
Total BTUH [kW]
Sens BTUH [kW]
Power
52.2 [15.3]
34.3 [10.1]
4.0
50.4 [14.8]
29.6 [8.7]
3.9
48.6 [14.2]
25.2 [7.4]
3.9
49.0 [14.4]
42.2 [12.4]
4.0
47.3 [13.9]
36.9 [10.8]
3.9
45.5 [13.3]
31.8 [9.3]
3.9
44.8 [13.1]
44.8 [13.1]
4.0
43.2 [12.7]
40.3 [11.8]
3.9
41.6 [12.2]
35.1 [10.3]
3.9
105
[40.6]
Total BTUH [kW]
Sens BTUH [kW]
Power
50.4 [14.8]
33.2 [9.7]
4.3
48.7 [14.3]
28.7 [8.4]
4.2
46.9 [13.7]
24.4 [7.2]
4.1
47.2 [13.8]
41.1 [12.1]
4.2
45.5 [13.3]
35.9 [10.5]
4.2
43.8 [12.8]
31.0 [9.1]
4.1
43.0 [12.6]
43.0 [12.6]
4.2
41.5 [12.2]
39.4 [11.6]
4.2
39.9 [11.7]
34.3 [10.1]
4.1
110
[43.3]
Total BTUH [kW]
Sens BTUH [kW]
Power
48.5 [14.2]
31.8 [9.3]
4.5
46.8 [13.7]
27.4 [8.0]
4.4
45.1 [13.2]
23.3 [6.8]
4.3
45.3 [13.3]
39.7 [11.6]
4.5
43.7 [12.8]
34.7 [10.2]
4.4
42.1 [12.3]
30.0 [8.8]
4.3
41.1 [12.0]
41.1 [12.1]
4.5
39.6 [11.6]
38.2 [11.2]
4.4
38.2 [11.2]
33.4 [9.8]
4.3
115
[46.1]
Total BTUH [kW]
Sens BTUH [kW]
Power
46.6 [13.7]
30.4 [8.9]
4.8
45.0 [13.2]
26.2 [7.7]
4.7
43.3 [12.7]
22.2 [6.5]
4.6
43.3 [12.7]
38.2 [11.2]
4.7
41.8 [12.3]
33.4 [9.8]
4.7
40.3 [11.8]
28.9 [8.5]
4.6
39.1 [11.5]
39.1 [11.5]
4.7
37.7 [11.0]
36.8 [10.8]
4.7
36.4 [10.7]
32.2 [9.4]
4.6
DR —Depression ratio
dbE —Entering air dry bulb
wbE—Entering air wet bulb
Total —Total capacity x 1000 BTUH
Sens —Sensible capacity x 1000 BTUH
Power—KW input
NOTES: ➀ When the entering air dry bulb is other than 80°F [27°C], adjust the sensible
capacity from the table by adding [1.10 x CFM x (1 – DR) x (dbE – 80)].
[ ] Designates Metric Conversions
ENTERING INDOOR AIR @ 80°F [26.7°C] dbE ➀
wbE 71°F [21.7°C] 67°F [19.4°C] 63°F [17.2°C]
CFM [L/s] 1860 [878] 1550 [732] 1240 [585] 1860 [878] 1550 [732] 1240 [585] 1860 [878] 1550 [732] 1240 [585]
DR ➀.12 .09 .04 .12 .09 .04 .12 .09 .04
O
U
T
D
O
O
R
D
R
Y
B
U
L
B
T
E
M
P
E
R
A
T
U
R
E
°F
[°C]
75
[23.9]
Total BTUH [kW]
Sens BTUH [kW]
Power
60.3 [17.67]
37.2 [10.90]
3.1
58.2 [17.06]
34.1 [9.99]
3.1
56.1 [16.44]
30.9 [9.06]
3.0
57.0 [16.71]
44.2 [12.95]
3.1
55.0 [16.12]
40.4 [11.84]
3.1
53.0 [15.53]
36.7 [10.76]
3.0
52.9 [15.50]
52.2 [15.30]
3.1
51.0 [14.95]
47.6 [13.95]
3.0
49.2 [14.42]
43.3 [12.69]
3.0
80
[26.7]
Total BTUH [kW]
Sens BTUH [kW]
Power
59.2 [17.35]
36.8 [10.79]
3.3
57.1 [16.73]
33.6 [9.85]
3.3
55.0 [16.12]
30.5 [8.94]
3.2
55.8 [16.35]
43.8 [12.84]
3.3
53.9 [15.80]
40.0 [11.72]
3.2
51.9 [15.21]
36.3 [10.64]
3.2
51.7 [15.15]
51.7 [15.15]
3.3
49.9 [14.62]
47.5 [13.92]
3.2
48.1 [14.10]
42.9 [12.57]
3.2
85
[29.4]
Total BTUH [kW]
Sens BTUH [kW]
Power
57.7 [16.91]
36.1 [10.58]
3.5
55.6 [16.29]
33.0 [9.67]
3.4
53.6 [15.71]
29.9 [8.76]
3.4
54.4 [15.94]
43.1 [12.63]
3.5
52.4 [15.36]
39.4 [11.55]
3.4
50.5 [14.80]
35.7 [10.46]
3.4
50.2 [14.71]
50.2 [14.71]
3.5
48.4 [14.18]
46.9 [13.75]
3.4
46.7 [13.69]
42.3 [12.40]
3.4
90
[32.2]
Total BTUH [kW]
Sens BTUH [kW]
Power
55.9 [16.38]
35.2 [10.32]
3.7
54.0 [15.83]
32.2 [9.44]
3.6
52.0 [15.24]
29.2 [8.56]
3.6
52.6 [15.42]
42.2 [12.37]
3.7
50.8 [14.89]
38.6 [11.31]
3.6
48.9 [14.33]
35.0 [10.26]
3.6
48.5 [14.21]
48.5 [14.21]
3.7
46.8 [13.72]
45.9 [13.45]
3.6
45.1 [13.22]
41.6 [12.19]
3.6
95
[35]
Total BTUH [kW]
Sens BTUH [kW]
Power
54.0 [15.83]
34.3 [10.05]
3.9
52.2 [15.30]
31.4 [9.20]
3.8
50.3 [14.74]
28.4 [8.32]
3.8
50.7 [14.86]
41.3 [12.10]
3.9
49.0 [14.36]
37.8 [11.08]
3.8
47.2 [13.83]
34.2 [10.02]
3.8
46.6 [13.66]
46.6 [13.66]
3.9
45.0 [13.19]
45.0 [13.19]
3.8
43.3 [12.69]
40.8 [11.96]
3.7
100
[37.8]
Total BTUH [kW]
Sens BTUH [kW]
Power
52.1 [15.27]
33.3 [9.76]
4.1
50.3 [14.74]
30.4 [8.91]
4.0
48.4 [14.18]
27.6 [8.09]
4.0
48.8 [14.30]
40.3 [11.81]
4.1
47.1 [13.80]
36.8 [10.79]
4.0
45.4 [13.31]
33.4 [9.79]
3.9
44.6 [13.07]
44.6 [13.07]
4.1
43.1 [12.63]
43.1 [12.63]
4.0
41.5 [12.16]
40.0 [11.72]
3.9
105
[40.6]
Total BTUH [kW]
Sens BTUH [kW]
Power
50.2 [14.71]
32.3 [9.47]
4.3
48.4 [14.18]
29.5 [8.65]
4.2
46.7 [13.69]
26.8 [7.85]
4.1
46.9 [13.75]
39.3 [11.52]
4.3
45.2 [13.25]
35.9 [10.52]
4.2
43.6 [12.78]
32.6 [9.55]
4.1
42.7 [12.51]
42.7 [12.51]
4.3
41.2 [12.07]
41.2 [12.07]
4.2
39.7 [11.63]
39.2 [11.49]
4.1
110
[43.3]
Total BTUH [kW]
Sens BTUH [kW]
Power
48.3 [14.16]
31.3 [9.17]
4.5
46.6 [13.66]
28.7 [8.41]
4.4
45.0 [13.19]
26.0 [7.62]
4.3
45.0 [13.19]
38.3 [11.22]
4.5
43.5 [12.75]
35.1 [10.29]
4.4
41.9 [12.28]
31.8 [9.32]
4.3
40.9 [11.99]
40.9 [11.99]
4.5
39.4 [11.55]
39.4 [11.55]
4.4
38.0 [11.14]
38.0 [11.14]
4.3
115
[46.1]
Total BTUH [kW]
Sens BTUH [kW]
Power
46.7 [13.69]
30.5 [8.94]
4.7
45.1 [13.22]
27.9 [8.18]
4.6
43.4 [12.72]
25.3 [7.41]
4.5
43.4 [12.72]
37.5 [10.99]
4.7
41.9 [12.28]
34.3 [10.05]
4.6
40.3 [11.81]
31.1 [9.11]
4.5
39.2 [11.49]
39.2 [11.49]
4.6
37.9 [11.11]
37.9 [11.11]
4.6
36.5 [10.70]
36.5 [10.70]
4.5
GROSS SYSTEMS PERFORMANCE DATA—RQPM-A048
23
SYSTEMS PERFORMANCE—RQPM- SERIES

GROSS SYSTEMS PERFORMANCE DATA—RQPM-A060
ENTERING INDOOR AIR @ 80°F [26.7°C] dbE ➀
wbE 71°F [21.7°C] 67°F [19.4°C] 63°F [17.2°C]
CFM [L/s] 2280 [1076] 1900 [897] 1520 [717] 2280 [1076] 1900 [897] 1520 [717] 2280 [1076] 1900 [897] 1520 [717]
DR ➀.11 .08 .03 .11 .08 .03 .11 .08 .03
O
U
T
D
O
O
R
D
R
Y
B
U
L
B
T
E
M
P
E
R
A
T
U
R
E
°F
[°C]
75
[23.9]
Total BTUH [kW]
Sens BTUH [kW]
Power
78.4 [22.98]
48.3 [14.16]
3.7
75.7 [22.19]
44.2 [12.95]
3.6
72.9 [21.36]
40.0 [11.72]
3.6
72.6 [21.28]
56.6 [16.59]
3.7
70.1 [20.54]
51.7 [15.15]
3.6
67.5 [19.78]
46.9 [13.75]
3.5
69.8 [20.46]
65.4 [19.17]
3.6
67.4 [19.75]
59.8 [17.53]
3.6
64.9 [19.02]
54.2 [15.88]
3.5
80
[26.7]
Total BTUH [kW]
Sens BTUH [kW]
Power
76.1 [22.30]
46.4 [13.60]
3.9
73.4 [21.51]
42.5 [12.46]
3.9
70.7 [20.72]
38.5 [11.28]
3.8
70.3 [20.60]
54.7 [16.03]
3.9
67.8 [19.87]
50.0 [14.65]
3.8
65.3 [19.14]
45.4 [13.31]
3.8
67.5 [19.78]
63.4 [18.58]
3.8
65.1 [19.08]
58.1 [17.03]
3.8
62.7 [18.38]
52.7 [15.44]
3.7
85
[29.4]
Total BTUH [kW]
Sens BTUH [kW]
Power
73.7 [21.60]
45.0 [13.19]
4.1
71.2 [20.87]
41.2 [12.07]
4.1
68.6 [20.10]
37.3 [10.93]
4.0
68.0 [19.93]
53.3 [15.62]
4.1
65.6 [19.23]
48.8 [14.30]
4.1
63.2 [18.52]
44.2 [12.95]
4.0
65.2 [19.11]
62.4 [18.29]
4.1
62.9 [18.43]
56.8 [16.65]
4.0
60.6 [17.76]
51.5 [15.09]
3.9
90
[32.2]
Total BTUH [kW]
Sens BTUH [kW]
Power
71.5 [20.95]
43.9 [12.87]
4.4
69.0 [20.22]
40.2 [11.78]
4.3
66.4 [19.46]
36.4 [10.67]
4.2
65.7 [19.25]
52.2 [15.30]
4.3
63.4 [18.58]
47.8 [14.01]
4.3
61.1 [17.91]
43.3 [12.69]
4.2
62.9 [18.43]
61.2 [17.94]
4.3
60.7 [17.79]
55.9 [16.38]
4.2
58.5 [17.14]
50.6 [14.83]
4.2
95
[35]
Total BTUH [kW]
Sens BTUH [kW]
Power
69.2 [20.28]
43.1 [12.63]
4.6
66.8 [19.58]
39.4 [11.55]
4.5
64.4 [18.87]
35.7 [10.46]
4.4
63.4 [18.58]
51.4 [15.06]
4.6
61.2 [17.94]
47.0 [13.77]
4.5
59.0 [17.29]
42.6 [12.48]
4.4
60.6 [17.76]
59.9 [17.55]
4.5
58.5 [17.14]
55.1 [16.15]
4.5
56.4 [16.53]
49.9 [14.62]
4.4
100
[37.8]
Total BTUH [kW]
Sens BTUH [kW]
Power
67.1 [19.67]
42.4 [12.43]
4.8
64.7 [18.96]
38.8 [11.37]
4.7
62.4 [18.29]
35.1 [10.29]
4.7
61.3 [17.97]
50.7 [14.86]
4.8
59.1 [17.32]
46.3 [13.57]
4.7
57.0 [16.71]
42.0 [12.31]
4.6
58.5 [17.14]
58.5 [17.14]
4.8
56.4 [16.53]
54.4 [15.94]
4.7
54.4 [15.94]
49.3 [14.45]
4.6
105
[40.6]
Total BTUH [kW]
Sens BTUH [kW]
Power
65.0 [19.05]
41.7 [12.22]
5.1
62.7 [18.38]
38.1 [11.17]
5.0
60.4 [17.70]
34.5 [10.11]
4.9
59.2 [17.35]
50.0 [14.65]
5.0
57.1 [16.73]
45.7 [13.39]
4.9
55.1 [16.15]
41.4 [12.13]
4.9
56.4 [16.53]
56.4 [16.53]
5.0
54.4 [15.94]
53.8 [15.77]
4.9
52.5 [15.39]
48.8 [14.30]
4.8
110
[43.3]
Total BTUH [kW]
Sens BTUH [kW]
Power
63.0 [18.46]
40.9 [11.99]
5.3
60.8 [17.82]
37.4 [10.96]
5.2
58.6 [17.17]
33.9 [9.94]
5.1
57.3 [16.79]
49.2 [14.42]
5.3
55.2 [16.18]
45.0 [13.19]
5.2
53.2 [15.59]
40.8 [11.96]
5.1
54.5 [15.97]
54.5 [15.97]
5.2
52.6 [15.42]
52.6 [15.42]
5.1
50.6 [14.83]
48.1 [14.10]
5.0
115
[46.1]
Total BTUH [kW]
Sens BTUH [kW]
Power
61.2 [17.94]
39.9 [11.69]
5.5
59.1 [17.32]
36.5 [10.70]
5.4
56.9 [16.68]
33.1 [9.70]
5.3
55.4 [16.24]
48.2 [14.13]
5.5
53.5 [15.68]
44.1 [12.92]
5.4
51.5 [15.09]
39.9 [11.69]
5.3
52.6 [15.42]
52.6 [15.42]
5.4
50.8 [14.89]
50.8 [14.89]
5.4
48.9 [14.33]
47.3 [13.86]
5.3
DR —Depression ratio
dbE —Entering air dry bulb
wbE—Entering air wet bulb
Total —Total capacity x 1000 BTUH
Sens —Sensible capacity x 1000 BTUH
Power—KW input
NOTES: ➀ When the entering air dry bulb is other than 80°F [27°C], adjust the sensible
capacity from the table by adding [1.10 x CFM x (1 – DR) x (dbE – 80)].
[ ] Designates Metric Conversions
ENTERING INDOOR AIR @ 80°F [26.7°C] dbE ➀
wbE 71°F [21.7°C] 67°F [19.4°C] 63°F [17.2°C]
CFM [L/s] 1860 [878] 1550 [732] 1240 [585] 1860 [878] 1550 [732] 1240 [585] 1860 [878] 1550 [732] 1240 [585]
DR ➀.01 .05 .09 .01 .05 .09 .01 .05 .09
O
U
T
D
O
O
R
D
R
Y
B
U
L
B
T
E
M
P
E
R
A
T
U
R
E
°F
[°C]
75
[23.9]
Total BTUH [kW]
Sens BTUH [kW]
Power
58.7 [17.2]
37.2 [10.9]
3.0
56.6 [16.6]
31.9 [9.4]
3.0
54.6 [16.0]
27.1 [8.0]
2.9
56.4 [16.5]
45.4 [13.3]
3.0
54.4 [15.9]
39.5 [11.6]
3.0
52.4 [15.4]
34.0 [10.0]
2.9
52.5 [15.4]
49.3 [14.5]
3.0
50.7 [14.9]
43.3 [12.7]
2.9
48.9 [14.3]
37.6 [11.0]
2.9
80
[26.7]
Total BTUH [kW]
Sens BTUH [kW]
Power
57.6 [16.9]
37.0 [10.9]
3.2
55.6 [16.3]
31.8 [9.3]
3.2
53.6 [15.7]
27.0 [7.9]
3.1
55.3 [16.2]
45.2 [13.3]
3.2
53.4 [15.6]
39.4 [11.6]
3.1
51.4 [15.1]
33.9 [9.9]
3.1
51.5 [15.1]
49.1 [14.4]
3.2
49.7 [14.6]
43.1 [12.6]
3.1
47.9 [14.0]
37.4 [11.0]
3.0
85
[29.4]
Total BTUH [kW]
Sens BTUH [kW]
Power
56.3 [16.5]
36.5 [10.7]
3.4
54.3 [15.9]
31.4 [9.2]
3.4
52.4 [15.4]
26.7 [7.8]
3.3
54.0 [15.8]
44.7 [13.1]
3.4
52.1 [15.3]
39.0 [11.4]
3.3
50.2 [14.7]
33.6 [9.9]
3.3
50.2 [14.7]
48.7 [14.3]
3.3
48.4 [14.2]
42.7 [12.5]
3.3
46.7 [13.7]
37.2 [10.9]
3.2
90
[32.2]
Total BTUH [kW]
Sens BTUH [kW]
Power
54.8 [16.1]
35.9 [10.5]
3.6
52.9 [15.5]
30.9 [9.1]
3.5
50.9 [14.9]
26.2 [7.7]
3.5
52.5 [15.4]
44.1 [12.9]
3.6
50.7 [14.9]
38.5 [11.3]
3.5
48.8 [14.3]
33.2 [9.7]
3.5
48.7 [14.3]
48.0 [14.1]
3.5
46.9 [13.7]
42.1 [12.3]
3.5
45.2 [13.2]
36.6 [10.7]
3.4
95
[35]
Total BTUH [kW]
Sens BTUH [kW]
Power
53.0 [15.5]
35.0 [10.3]
3.8
51.2 [15.0]
30.2 [8.9]
3.8
49.3 [14.4]
25.7 [7.5]
3.7
50.7 [14.9]
43.2 [12.7]
3.8
49.0 [14.4]
37.8 [11.1]
3.7
47.2 [13.8]
32.6 [9.6]
3.7
46.9 [13.7]
46.9 [13.8]
3.8
45.2 [13.2]
41.4 [12.1]
3.7
43.6 [12.8]
36.1 [10.6]
3.6
100
[37.8]
Total BTUH [kW]
Sens BTUH [kW]
Power
51.0 [14.9]
33.9 [9.9]
4.0
49.2 [14.4]
29.2 [8.6]
4.0
47.4 [13.9]
24.8 [7.3]
3.9
48.7 [14.3]
42.1 [12.3]
4.0
47.0 [13.8]
36.8 [10.8]
3.9
45.3 [13.3]
31.8 [9.3]
3.9
44.9 [13.2]
44.9 [13.2]
4.0
43.3 [12.7]
40.5 [11.9]
3.9
41.7 [12.2]
35.3 [10.4]
3.8
105
[40.6]
Total BTUH [kW]
Sens BTUH [kW]
Power
48.8 [14.3]
32.7 [9.6]
4.3
47.1 [13.8]
28.2 [8.3]
4.2
45.4 [13.3]
24.0 [7.0]
4.1
46.5 [13.6]
40.9 [12.0]
4.2
44.9 [13.2]
35.8 [10.5]
4.2
43.3 [12.7]
31.0 [9.1]
4.1
42.7 [12.5]
42.7 [12.5]
4.2
41.2 [12.1]
39.5 [11.6]
4.1
39.7 [11.6]
34.5 [10.1]
4.1
110
[43.3]
Total BTUH [kW]
Sens BTUH [kW]
Power
46.3 [13.6]
31.2 [9.2]
4.5
44.7 [13.1]
26.9 [7.9]
4.4
43.1 [12.6]
22.9 [6.7]
4.4
44.1 [12.9]
39.5 [11.6]
4.5
42.5 [12.5]
34.5 [10.1]
4.4
41.0 [12.0]
29.9 [8.8]
4.3
40.2 [11.8]
40.2 [11.8]
4.5
38.8 [11.4]
38.2 [11.2]
4.4
37.4 [11.0]
33.4 [9.8]
4.3
115
[46.1]
Total BTUH [kW]
Sens BTUH [kW]
Power
43.6 [12.8]
29.4 [8.6]
4.8
42.1 [12.3]
25.4 [7.5]
4.7
40.6 [11.9]
21.7 [6.4]
4.6
41.4 [12.1]
37.7 [11.1]
4.7
39.9 [11.7]
33.0 [9.7]
4.7
38.5 [11.3]
28.7 [8.4]
4.6
37.5 [11.0]
37.5 [11.0]
4.7
36.2 [10.6]
36.2 [10.6]
4.6
34.9 [10.2]
32.2 [9.4]
4.5
GROSS SYSTEMS PERFORMANCE DATA—RQPM-A049JK
24
SYSTEMS PERFORMANCE—RQPM- SERIES

GROSS SYSTEMS PERFORMANCE DATA—RQRM-A036
ENTERING INDOOR AIR @ 80°F [26.7°C] dbE ➀
wbE 71°F [21.7°C] 67°F [19.4°C] 63°F [17.2°C]
CFM [L/s] 1440 [680] 1200 [566] 960 [453] 1440 [680] 1200 [566] 960 [453] 1440 [680] 1200 [566] 960 [453]
DR ➀.0 .0 .0 .0 .0 .0 .0 .0 .0
O
U
T
D
O
O
R
D
R
Y
B
U
L
B
T
E
M
P
E
R
A
T
U
R
E
°F
[°C]
75
[23.9]
Total BTUH [kW]
Sens BTUH [kW]
Power
44.7 [13.1]
31.6 [9.3]
2.0
43.1 [12.6]
27.3 [8.0]
2.0
41.5 [12.2]
23.3 [6.8]
1.9
41.6 [12.2]
37.0 [10.9]
2.0
40.2 [11.8]
32.4 [9.5]
1.9
38.7 [11.3]
28.0 [8.2]
1.9
39.9 [11.7]
39.9 [11.7]
2.0
38.5 [11.3]
35.3 [10.4]
1.9
37.1 [10.9]
30.7 [9.0]
1.9
80
[26.7]
Total BTUH [kW]
Sens BTUH [kW]
Power
43.3 [12.7]
31.2 [9.2]
2.1
41.8 [12.3]
27.0 [7.9]
2.1
40.3 [11.8]
23.1 [6.8]
2.0
40.3 [11.8]
36.6 [10.7]
2.1
38.9 [11.4]
32.1 [9.4]
2.0
37.4 [11.0]
27.7 [8.1]
2.0
38.6 [11.3]
38.6 [11.3]
2.1
37.2 [10.9]
35.0 [10.3]
2.0
35.9 [10.5]
30.6 [9.0]
2.0
85
[29.4]
Total BTUH [kW]
Sens BTUH [kW]
Power
42.0 [12.3]
30.6 [9.0]
2.2
40.5 [11.9]
26.5 [7.8]
2.2
39.0 [11.4]
22.7 [6.7]
2.1
38.9 [11.4]
36.0 [10.6]
2.2
37.5 [11.0]
31.5 [9.2]
2.2
36.2 [10.6]
27.4 [8.0]
2.1
37.2 [10.9]
37.2 [10.9]
2.2
35.9 [10.5]
34.5 [10.1]
2.1
34.6 [10.1]
30.1 [8.8]
2.1
90
[32.2]
Total BTUH [kW]
Sens BTUH [kW]
Power
40.6 [11.9]
29.7 [8.7]
2.3
39.2 [11.5]
25.8 [7.6]
2.3
37.8 [11.1]
22.1 [6.5]
2.3
37.6 [11.0]
35.2 [10.3]
2.3
36.3 [10.6]
30.9 [9.1]
2.3
34.9 [10.2]
26.7 [7.8]
2.2
35.9 [10.5]
35.9 [10.5]
2.3
34.6 [10.1]
33.8 [9.9]
2.3
33.4 [9.8]
29.6 [8.7]
2.2
95
[35]
Total BTUH [kW]
Sens BTUH [kW]
Power
39.3 [11.5]
28.8 [8.5]
2.5
37.9 [11.1]
24.9 [7.3]
2.4
36.5 [10.7]
21.3 [6.3]
2.4
36.2 [10.6]
34.1 [10.0]
2.5
35.0 [10.3]
30.0 [8.8]
2.4
33.7 [9.9]
26.0 [7.6]
2.4
34.5 [10.1]
34.5 [10.1]
2.4
33.3 [9.8]
32.9 [9.7]
2.4
32.1 [9.4]
28.7 [8.4]
2.4
100
[37.8]
Total BTUH [kW]
Sens BTUH [kW]
Power
38.0 [11.1]
27.7 [8.1]
2.6
36.6 [10.7]
23.9 [7.0]
2.6
35.3 [10.3]
20.5 [6.0]
2.5
34.9 [10.2]
33.0 [9.7]
2.6
33.7 [9.9]
29.0 [8.5]
2.6
32.4 [9.5]
25.1 [7.4]
2.5
33.2 [9.7]
33.2 [9.7]
2.6
32.0 [9.4]
31.9 [9.4]
2.5
30.9 [9.1]
27.9 [8.2]
2.5
105
[40.6]
Total BTUH [kW]
Sens BTUH [kW]
Power
36.6 [10.7]
26.2 [7.7]
2.8
35.3 [10.3]
22.7 [6.7]
2.7
34.1 [10.0]
19.5 [5.7]
2.7
33.6 [9.8]
31.7 [9.3]
2.8
32.4 [9.5]
27.8 [8.2]
2.7
31.2 [9.1]
24.1 [7.1]
2.7
31.9 [9.3]
31.9 [9.4]
2.7
30.8 [9.0]
30.8 [9.0]
2.7
29.6 [8.7]
26.8 [7.9]
2.6
110
[43.3]
Total BTUH [kW]
Sens BTUH [kW]
Power
35.3 [10.3]
24.7 [7.2]
2.9
34.1 [10.0]
21.4 [6.3]
2.9
32.8 [9.6]
18.2 [5.3]
2.8
32.2 [9.4]
30.1 [8.8]
2.9
31.1 [9.1]
26.4 [7.7]
2.9
30.0 [8.8]
22.9 [6.7]
2.8
30.6 [9.0]
30.6 [9.0]
2.9
29.5 [8.6]
29.4 [8.6]
2.8
28.4 [8.3]
25.7 [7.5]
2.8
115
[46.1]
Total BTUH [kW]
Sens BTUH [kW]
Power
34.0 [10.0]
23.0 [6.8]
3.1
32.8 [9.6]
19.8 [5.8]
3.0
31.6 [9.3]
16.9 [5.0]
3.0
30.9 [9.1]
28.3 [8.3]
3.1
29.8 [8.7]
24.8 [7.3]
3.0
28.8 [8.4]
21.6 [6.3]
3.0
29.2 [8.6]
29.2 [8.6]
3.1
28.2 [8.3]
27.8 [8.2]
3.0
27.2 [8.0]
24.3 [7.1]
3.0
DR —Depression ratio
dbE —Entering air dry bulb
wbE—Entering air wet bulb
Total —Total capacity x 1000 BTUH
Sens —Sensible capacity x 1000 BTUH
Power—KW input
NOTES: ➀ When the entering air dry bulb is other than 80°F [27°C], adjust the sensible
capacity from the table by adding [1.10 x CFM x (1 – DR) x (dbE – 80)].
[ ] Designates Metric Conversions
ENTERING INDOOR AIR @ 80°F [26.7°C] dbE ➀
wbE 71°F [21.7°C] 67°F [19.4°C] 63°F [17.2°C]
CFM [L/s] 1200 [566] 1000 [472] 800 [378] 1200 [566] 1000 [472] 800 [378] 1200 [566] 1000 [472] 800 [378]
DR ➀.04 .06 .09 .04 .06 .09 .04 .06 .09
O
U
T
D
O
O
R
D
R
Y
B
U
L
B
T
E
M
P
E
R
A
T
U
R
E
°F
[°C]
75
[23.9]
Total BTUH [kW]
Sens BTUH [kW]
Power
37.9 [11.1]
25.4 [7.5]
1.7
36.6 [10.7]
21.9 [6.4]
1.6
35.2 [10.3]
18.6 [5.5]
1.6
35.9 [10.5]
29.6 [8.7]
1.6
34.6 [10.1]
25.8 [7.6]
1.6
33.3 [9.8]
22.2 [6.5]
1.6
34.2 [10.0]
32.5 [9.5]
1.6
33.0 [9.7]
28.5 [8.4]
1.6
31.8 [9.3]
24.8 [7.3]
1.6
80
[26.7]
Total BTUH [kW]
Sens BTUH [kW]
Power
36.7 [10.8]
24.7 [7.2]
1.7
35.4 [10.4]
21.3 [6.3]
1.7
34.2 [10.0]
18.2 [5.3]
1.7
34.7 [10.2]
29.0 [8.5]
1.7
33.5 [9.8]
25.3 [7.4]
1.7
32.3 [9.5]
21.9 [6.4]
1.7
33.1 [9.7]
31.9 [9.4]
1.7
31.9 [9.3]
28.0 [8.2]
1.7
30.7 [9.0]
24.3 [7.1]
1.6
85
[29.4]
Total BTUH [kW]
Sens BTUH [kW]
Power
35.5 [10.4]
24.1 [7.1]
1.8
34.2 [10.0]
20.7 [6.1]
1.8
33.0 [9.7]
17.7 [5.2]
1.8
33.5 [9.8]
28.3 [8.3]
1.8
32.3 [9.5]
24.7 [7.2]
1.8
31.1 [9.1]
21.3 [6.3]
1.8
31.8 [9.3]
31.2 [9.2]
1.8
30.7 [9.0]
27.4 [8.0]
1.8
29.6 [8.7]
23.8 [7.0]
1.7
90
[32.2]
Total BTUH [kW]
Sens BTUH [kW]
Power
34.2 [10.0]
23.4 [6.9]
1.9
33.0 [9.7]
20.2 [5.9]
1.9
31.8 [9.3]
17.2 [5.1]
1.9
32.1 [9.4]
27.6 [8.1]
1.9
31.0 [9.1]
24.1 [7.1]
1.9
29.9 [8.8]
20.9 [6.1]
1.9
30.5 [8.9]
30.5 [8.9]
1.9
29.4 [8.6]
26.8 [7.9]
1.9
28.3 [8.3]
23.3 [6.8]
1.8
95
[35]
Total BTUH [kW]
Sens BTUH [kW]
Power
32.7 [9.6]
22.6 [6.6]
2.1
31.6 [9.3]
19.6 [5.8]
2.0
30.4 [8.9]
16.7 [4.9]
2.0
30.7 [9.0]
26.8 [7.9]
2.0
29.6 [8.7]
23.4 [6.9]
2.0
28.5 [8.4]
20.2 [5.9]
2.0
29.0 [8.5]
29.0 [8.5]
2.0
28.0 [8.2]
26.1 [7.7]
2.0
27.0 [7.9]
22.8 [6.7]
2.0
100
[37.8]
Total BTUH [kW]
Sens BTUH [kW]
Power
31.2 [9.1]
21.9 [6.4]
2.2
30.1 [8.8]
18.9 [5.5]
2.1
29.0 [8.5]
16.1 [4.7]
2.1
29.2 [8.6]
26.0 [7.6]
2.2
28.1 [8.2]
22.7 [6.7]
2.1
27.1 [7.9]
19.7 [5.8]
2.1
27.5 [8.1]
27.5 [8.1]
2.2
26.6 [7.8]
25.5 [7.5]
2.1
25.6 [7.5]
22.2 [6.5]
2.1
105
[40.6]
Total BTUH [kW]
Sens BTUH [kW]
Power
29.6 [8.7]
21.0 [6.2]
2.3
28.5 [8.4]
18.1 [5.3]
2.3
27.5 [8.1]
15.5 [4.6]
2.2
27.5 [8.1]
25.1 [7.4]
2.3
26.6 [7.8]
22.1 [6.5]
2.3
25.6 [7.5]
19.1 [5.6]
2.2
25.9 [7.6]
25.9 [7.6]
2.3
25.0 [7.3]
24.8 [7.3]
2.2
24.1 [7.1]
21.7 [6.4]
2.2
110
[43.3]
Total BTUH [kW]
Sens BTUH [kW]
Power
27.9 [8.2]
20.1 [5.9]
2.5
26.9 [7.9]
17.4 [5.1]
2.4
25.9 [7.6]
14.9 [4.4]
2.4
25.8 [7.6]
24.3 [7.1]
2.4
24.9 [7.3]
21.3 [6.3]
2.4
24.0 [7.0]
18.5 [5.4]
2.4
24.2 [7.1]
24.2 [7.1]
2.4
23.3 [6.8]
23.3 [6.8]
2.4
22.5 [6.6]
20.9 [6.1]
2.3
115
[46.1]
Total BTUH [kW]
Sens BTUH [kW]
Power
26.0 [7.6]
19.0 [5.6]
2.6
25.1 [7.4]
16.5 [4.8]
2.6
24.2 [7.1]
14.1 [4.1]
2.5
24.0 [7.0]
23.3 [6.8]
2.6
23.2 [6.8]
20.5 [6.0]
2.6
22.3 [6.5]
17.8 [5.2]
2.5
22.4 [6.6]
22.4 [6.6]
2.6
21.6 [6.3]
21.6 [6.3]
2.5
20.8 [6.1]
20.3 [6.0]
2.5
GROSS SYSTEMS PERFORMANCE DATA—RQRM-A030
25
SYSTEMS PERFORMANCE—RQRM- SERIES

GROSS SYSTEMS PERFORMANCE DATA—RQRM-A048
ENTERING INDOOR AIR @ 80°F [26.7°C] dbE ➀
wbE 71°F [21.7°C] 67°F [19.4°C] 63°F [17.2°C]
CFM [L/s] 1860 [878] 1525 [720] 1240 [585] 1860 [878] 1525 [720] 1240 [585] 1860 [878] 1525 [720] 1240 [585]
DR ➀.05 .09 .12 .05 .09 .12 .05 .09 .12
O
U
T
D
O
O
R
D
R
Y
B
U
L
B
T
E
M
P
E
R
A
T
U
R
E
°F
[°C]
75
[23.9]
Total BTUH [kW]
Sens BTUH [kW]
Power
56.7 [16.6]
36.8 [10.8]
2.6
54.6 [16.0]
31.3 [9.2]
2.5
52.7 [15.4]
26.8 [7.9]
2.5
53.8 [15.8]
43.8 [12.8]
2.5
51.7 [15.2]
37.6 [11.0]
2.5
50.0 [14.7]
32.8 [9.6]
2.4
50.6 [14.8]
48.3 [14.2]
2.5
48.7 [14.3]
41.9 [12.3]
2.4
47.0 [13.8]
36.7 [10.8]
2.4
80
[26.7]
Total BTUH [kW]
Sens BTUH [kW]
Power
55.8 [16.4]
36.6 [10.7]
2.7
53.6 [15.7]
31.0 [9.1]
2.7
51.8 [15.2]
26.7 [7.8]
2.6
52.8 [15.5]
43.4 [12.7]
2.7
50.8 [14.9]
37.4 [11.0]
2.6
49.0 [14.4]
32.5 [9.5]
2.6
49.6 [14.5]
48.0 [14.1]
2.6
47.7 [14.0]
41.6 [12.2]
2.6
46.1 [13.5]
36.5 [10.7]
2.6
85
[29.4]
Total BTUH [kW]
Sens BTUH [kW]
Power
54.5 [16.0]
36.1 [10.6]
2.9
52.4 [15.4]
30.6 [9.0]
2.8
50.6 [14.8]
26.3 [7.7]
2.8
51.6 [15.1]
43.0 [12.6]
2.8
49.6 [14.5]
37.0 [10.9]
2.8
47.9 [14.0]
32.2 [9.4]
2.7
48.4 [14.2]
47.5 [13.9]
2.8
46.5 [13.6]
41.2 [12.1]
2.8
45.0 [13.2]
36.2 [10.6]
2.7
90
[32.2]
Total BTUH [kW]
Sens BTUH [kW]
Power
53.1 [15.6]
35.5 [10.4]
3.1
51.0 [14.9]
30.1 [8.8]
3.0
49.3 [14.4]
25.9 [7.6]
2.9
50.1 [14.7]
42.3 [12.4]
3.0
48.2 [14.1]
36.5 [10.7]
3.0
46.5 [13.6]
31.8 [9.3]
2.9
46.9 [13.7]
46.9 [13.8]
3.0
45.1 [13.2]
40.7 [11.9]
2.9
43.6 [12.8]
35.8 [10.5]
2.9
95
[35]
Total BTUH [kW]
Sens BTUH [kW]
Power
51.3 [15.0]
34.5 [10.1]
3.2
49.4 [14.5]
29.4 [8.6]
3.2
47.7 [14.0]
25.3 [7.4]
3.1
48.4 [14.2]
41.5 [12.2]
3.2
46.5 [13.6]
35.7 [10.5]
3.1
45.0 [13.2]
31.2 [9.2]
3.1
45.2 [13.2]
45.2 [13.3]
3.2
43.5 [12.7]
40.0 [11.7]
3.1
42.0 [12.3]
35.1 [10.3]
3.1
100
[37.8]
Total BTUH [kW]
Sens BTUH [kW]
Power
49.4 [14.5]
33.5 [9.8]
3.4
47.5 [13.9]
28.5 [8.4]
3.4
45.9 [13.5]
24.6 [7.2]
3.3
46.4 [13.6]
40.4 [11.9]
3.4
44.6 [13.1]
34.8 [10.2]
3.3
43.1 [12.6]
30.4 [8.9]
3.3
43.3 [12.7]
43.3 [12.7]
3.4
41.6 [12.2]
39.1 [11.5]
3.3
40.2 [11.8]
34.4 [10.1]
3.3
105
[40.6]
Total BTUH [kW]
Sens BTUH [kW]
Power
47.2 [13.8]
32.2 [9.4]
3.7
45.4 [13.3]
27.4 [8.0]
3.6
43.8 [12.8]
23.5 [6.9]
3.5
44.2 [13.0]
39.0 [11.4]
3.6
42.5 [12.5]
33.7 [9.9]
3.6
41.1 [12.0]
29.5 [8.7]
3.5
41.1 [12.0]
41.1 [12.1]
3.6
39.5 [11.6]
38.0 [11.1]
3.5
38.1 [11.2]
33.4 [9.8]
3.5
110
[43.3]
Total BTUH [kW]
Sens BTUH [kW]
Power
44.7 [13.1]
30.7 [9.0]
3.9
43.0 [12.6]
26.1 [7.7]
3.8
41.6 [12.2]
22.5 [6.6]
3.8
41.8 [12.3]
37.6 [11.0]
3.9
40.2 [11.8]
32.5 [9.5]
3.8
38.8 [11.4]
28.4 [8.3]
3.7
38.6 [11.3]
38.6 [11.3]
3.8
37.1 [10.9]
36.7 [10.8]
3.8
35.9 [10.5]
32.4 [9.5]
3.7
115
[46.1]
Total BTUH [kW]
Sens BTUH [kW]
Power
42.1 [12.3]
29.0 [8.5]
4.1
40.4 [11.8]
24.6 [7.2]
4.1
39.1 [11.5]
21.3 [6.3]
4.0
39.1 [11.5]
35.8 [10.5]
4.1
37.6 [11.0]
31.0 [9.1]
4.0
36.3 [10.6]
27.1 [8.0]
4.0
35.9 [10.5]
35.9 [10.5]
4.1
34.5 [10.1]
34.5 [10.1]
4.0
33.4 [9.8]
31.2 [9.2]
3.9
DR —Depression ratio
dbE —Entering air dry bulb
wbE—Entering air wet bulb
Total —Total capacity x 1000 BTUH
Sens —Sensible capacity x 1000 BTUH
Power—KW input
NOTES: ➀ When the entering air dry bulb is other than 80°F [27°C], adjust the sensible
capacity from the table by adding [1.10 x CFM x (1 – DR) x (dbE – 80)].
[ ] Designates Metric Conversions
26
SYSTEMS PERFORMANCE—RQRM- SERIES

HEATING PERFORMANCE DATA—RQNM-A024
IDB —Indoor air dry bulb
IDB 60°F [15.5°C] 70°F [21.1°C] 80°F [26.7°C]
CFM [L/s] 960 [453] 800 [378] 640 [302] 960 [453] 800 [378] 640 [302] 960 [453] 800 [378] 640 [302]
O
U
T
D
O
O
R
D
R
Y
B
U
L
B
T
E
M
P
E
R
A
T
U
R
E
°F
[°C]
0
[-17.8]
Total BTUH [kW]
Power
7.6 [2.23]
1.3
7.5 [2.20]
1.3
7.4 [2.17]
1.3
6.8 [1.99]
1.4
6.7 [1.96]
1.5
6.6 [1.93]
1.5
5.7 [1.67]
1.6
5.7 [1.67]
1.7
5.6 [1.64]
1.7
5
[-15]
Total BTUH [kW]
Power
9.4 [2.75]
1.3
9.2 [2.70]
1.3
9.1 [2.67]
1.4
8.6 [2.52]
1.5
8.5 [2.49]
1.5
8.3 [2.43]
1.6
7.5 [2.20]
1.6
7.4 [2.17]
1.7
7.3 [2.14]
1.7
15
[-9.4]
Total BTUH [kW]
Power
12.9 [3.78]
1.4
12.7 [3.72]
1.4
12.5 [3.66]
1.4
12.1 [3.55]
1.5
11.9 [3.49]
1.6
11.7 [3.43]
1.6
11.0 [3.22]
1.7
10.8 [3.17]
1.8
10.7 [3.14]
1.8
10
[-12.2]
Total BTUH [kW]
Power
11.1 [3.25]
1.3
11.0 [3.22]
1.4
10.8 [3.17]
1.4
10.3 [3.02]
1.5
10.2 [2.99]
1.5
10.1 [2.96]
1.6
9.3 [2.73]
1.7
9.1 [2.67]
1.7
9.0 [2.64]
1.8
25
[-3.9]
Total BTUH [kW]
Power
16.3 [4.78]
1.4
16.1 [4.72]
1.5
15.8 [4.63]
1.5
15.5 [4.54]
1.6
15.3 [4.48]
1.7
15.1 [4.43]
1.7
14.4 [4.22]
1.8
14.2 [4.16]
1.8
14.0 [4.10]
1.9
35
[1.7]
Total BTUH [kW]
Power
19.6 [5.74]
1.5
19.4 [5.69]
1.5
19.1 [5.60]
1.6
18.9 [5.54]
1.7
18.6 [5.45]
1.7
18.3 [5.36]
1.8
17.8 [5.22]
1.8
17.5 [5.13]
1.9
17.3 [5.07]
1.9
20
[-6.7]
Total BTUH [kW]
Power
14.6 [4.28]
1.4
14.4 [4.22]
1.4
14.2 [4.16]
1.5
13.8 [4.04]
1.6
13.6 [3.99]
1.6
13.4 [3.93]
1.7
12.7 [3.72]
1.7
12.5 [3.66]
1.8
12.4 [3.63]
1.8
30
[-1.1]
Total BTUH [kW]
Power
18.0 [5.28]
1.5
17.7 [5.19]
1.5
17.5 [5.13]
1.5
17.2 [5.04]
1.6
16.9 [4.95]
1.7
16.7 [4.89]
1.7
16.1 [4.72]
1.8
15.9 [4.66]
1.9
15.7 [4.60]
1.9
40
[4.4]
Total BTUH [kW]
Power
21.3 [6.24]
1.5
21.0 [6.15]
1.6
20.7 [6.07]
1.6
20.5 [6.01]
1.7
20.2 [5.92]
1.8
19.9 [5.83]
1.8
19.4 [5.69]
1.9
19.2 [5.63]
1.9
18.9 [5.54]
2.0
50
[10]
Total BTUH [kW]
Power
24.6 [7.21]
1.6
24.2 [7.09]
1.6
23.9 [7.00]
1.7
23.8 [6.98]
1.8
23.4 [6.86]
1.8
23.1 [6.77]
1.9
22.7 [6.65]
1.9
22.4 [6.56]
2.0
22.0 [6.45]
2.0
45
[7.2]
Total BTUH [kW]
Power
22.9 [6.71]
1.6
22.6 [6.62]
1.6
22.3 [6.54]
1.6
22.1 [6.48]
1.7
21.8 [6.39]
1.8
21.5 [6.30]
1.8
21.1 [6.18]
1.9
20.8 [6.10]
2.0
20.5 [6.01]
2.0
HEATING PERFORMANCE DATA—RQNM-A030
IDB —Indoor air dry bulb
[ ] Designates Metric Conversions
IDB 60°F [15.5°C] 70°F [21.1°C] 80°F [26.7°C]
CFM [L/s] 1200 [566] 1000 [472] 800 [378] 1200 [566] 1000 [472] 800 [378] 1200 [566] 1000 [472] 800 [378]
O
U
T
D
O
O
R
D
R
Y
B
U
L
B
T
E
M
P
E
R
A
T
U
R
E
°F
[°C]
0
[-17.8]
Total BTUH [kW]
Power
10.6 [3.11]
1.5
10.4 [3.05]
1.6
10.3 [3.02]
1.6
9.3 [2.73]
1.7
9.2 [2.70]
1.8
9.0 [2.64]
1.8
7.6 [2.23]
1.9
7.5 [2.20]
2.0
7.4 [2.17]
2.0
5
[-15]
Total BTUH [kW]
Power
12.1 [3.55]
1.6
11.9 [3.49]
1.6
11.7 [3.43]
1.6
10.8 [3.17]
1.8
10.7 [3.14]
1.8
10.5 [3.08]
1.8
9.2 [2.70]
2.0
9.0 [2.64]
2.0
8.9 [2.61]
2.1
15
[-9.4]
Total BTUH [kW]
Power
15.5 [4.54]
1.6
15.3 [4.48]
1.7
15.0 [4.40]
1.7
14.2 [4.16]
1.8
14.0 [4.10]
1.9
13.8 [4.04]
1.9
12.6 [3.69]
2.0
12.4 [3.63]
2.1
12.2 [3.58]
2.1
10
[-12.2]
Total BTUH [kW]
Power
13.7 [4.02]
1.6
13.5 [3.96]
1.6
13.3 [3.90]
1.7
12.5 [3.66]
1.8
12.3 [3.60]
1.8
12.1 [3.55]
1.9
10.8 [3.17]
2.0
10.6 [3.11]
2.0
10.5 [3.08]
2.1
25
[-3.9]
Total BTUH [kW]
Power
19.3 [5.66]
1.7
19.1 [5.60]
1.8
18.8 [5.51]
1.8
18.1 [5.30]
1.9
17.8 [5.22]
2.0
17.6 [5.16]
2.0
16.4 [4.81]
2.1
16.2 [4.75]
2.2
15.9 [4.66]
2.2
35
[1.7]
Total BTUH [kW]
Power
23.6 [6.92]
1.8
23.3 [6.83]
1.8
23.0 [6.74]
1.9
22.4 [6.56]
2.0
22.1 [6.48]
2.0
21.7 [6.36]
2.1
20.7 [6.07]
2.2
20.4 [5.98]
2.2
20.1 [5.89]
2.3
20
[-6.7]
Total BTUH [kW]
Power
17.4 [5.10]
1.7
17.1 [5.01]
1.7
16.9 [4.95]
1.8
16.1 [4.72]
1.9
15.9 [4.66]
1.9
15.6 [4.57]
2.0
14.4 [4.22]
2.1
14.2 [4.16]
2.1
14.0 [4.10]
2.2
30
[-1.1]
Total BTUH [kW]
Power
21.4 [6.27]
1.8
21.1 [6.18]
1.8
20.8 [6.10]
1.8
20.2 [5.92]
1.9
19.9 [5.83]
2.0
19.6 [5.74]
2.0
18.5 [5.42]
2.1
18.2 [5.33]
2.2
18.0 [5.28]
2.3
40
[4.4]
Total BTUH [kW]
Power
26.0 [7.62]
1.8
25.6 [7.50]
1.9
25.2 [7.39]
1.9
24.7 [7.24]
2.0
24.4 [7.15]
2.1
24.0 [7.03]
2.1
23.0 [6.74]
2.2
22.7 [6.65]
2.3
22.4 [6.56]
2.3
50
[10]
Total BTUH [kW]
Power
31.0 [9.09]
1.9
30.5 [8.94]
2.0
30.1 [8.82]
2.0
29.7 [8.70]
2.1
29.3 [8.59]
2.2
28.9 [8.47]
2.2
28.0 [8.21]
2.3
27.6 [8.09]
2.4
27.2 [7.97]
2.4
45
[7.2]
Total BTUH [kW]
Power
28.4 [8.32]
1.9
28.0 [8.21]
1.9
27.6 [8.09]
2.0
27.1 [7.94]
2.1
26.8 [7.85]
2.1
26.4 [7.74]
2.2
25.5 [7.47]
2.3
25.1 [7.36]
2.3
24.8 [7.27]
2.4
27
SYSTEMS PERFORMANCE—RQNM- SERIES

HEATING PERFORMANCE DATA—RQNM-A036
IDB —Indoor air dry bulb
IDB 60°F [15.5°C] 70°F [21.1°C] 80°F [26.7°C]
CFM [L/s] 1440 [680] 1200 [566] 960 [453] 1440 [680] 1200 [566] 960 [453] 1440 [680] 1200 [566] 960 [453]
O
U
T
D
O
O
R
D
R
Y
B
U
L
B
T
E
M
P
E
R
A
T
U
R
E
°F
[°C]
0
[-17.8]
Total BTUH [kW]
Power
11.5 [3.37]
1.8
11.4 [3.34]
1.8
11.2 [3.28]
1.8
9.8 [2.87]
2.0
9.7 [2.84]
2.1
9.5 [2.78]
2.1
8.7 [2.55]
2.3
8.6 [2.52]
2.3
8.4 [2.46]
2.4
5
[-15]
Total BTUH [kW]
Power
14.0 [4.10]
1.8
13.9 [4.07]
1.9
13.7 [4.02]
1.9
12.3 [3.60]
2.1
12.2 [3.58]
2.1
12.0 [3.52]
2.2
11.2 [3.28]
2.3
11.1 [3.25]
2.4
10.9 [3.19]
2.4
15
[-9.4]
Total BTUH [kW]
Power
19.2 [5.63]
1.9
18.9 [5.54]
2.0
18.6 [5.45]
2.0
17.4 [5.10]
2.2
17.2 [5.04]
2.2
17.0 [4.98]
2.3
16.3 [4.78]
2.4
16.1 [4.72]
2.5
15.9 [4.66]
2.5
10
[-12.2]
Total BTUH [kW]
Power
16.6 [4.86]
1.9
16.4 [4.81]
1.9
16.1 [4.72]
2.0
14.9 [4.37]
2.1
14.7 [4.31]
2.2
14.5 [4.25]
2.2
13.8 [4.04]
2.4
13.6 [3.99]
2.4
13.4 [3.93]
2.5
25
[-3.9]
Total BTUH [kW]
Power
24.3 [7.12]
2.0
24.0 [7.03]
2.1
23.6 [6.92]
2.1
22.6 [6.62]
2.3
22.3 [6.54]
2.3
22.0 [6.45]
2.4
21.5 [6.30]
2.5
21.2 [6.21]
2.6
20.9 [6.13]
2.7
35
[1.7]
Total BTUH [kW]
Power
29.5 [8.65]
2.1
29.1 [8.53]
2.2
28.7 [8.41]
2.2
27.8 [8.15]
2.4
27.4 [8.03]
2.4
27.0 [7.91]
2.5
26.7 [7.83]
2.6
26.3 [7.71]
2.7
26.0 [7.62]
2.8
20
[-6.7]
Total BTUH [kW]
Power
21.7 [6.36]
2.0
21.4 [6.27]
2.0
21.1 [6.18]
2.1
20.0 [5.86]
2.2
19.7 [5.77]
2.3
19.5 [5.71]
2.3
18.9 [5.54]
2.5
18.6 [5.45]
2.5
18.4 [5.39]
2.6
30
[-1.1]
Total BTUH [kW]
Power
26.9 [7.88]
2.1
26.5 [7.77]
2.1
26.2 [7.68]
2.2
25.2 [7.39]
2.3
24.9 [7.30]
2.4
24.5 [7.18]
2.4
24.1 [7.06]
2.6
23.8 [6.98]
2.6
23.4 [6.86]
2.7
40
[4.4]
Total BTUH [kW]
Power
32.2 [9.44]
2.2
31.7 [9.29]
2.2
31.3 [9.17]
2.3
30.4 [8.91]
2.4
30.0 [8.79]
2.5
29.6 [8.67]
2.5
29.3 [8.59]
2.7
28.9 [8.47]
2.7
28.5 [8.35]
2.8
50
[10]
Total BTUH [kW]
Power
37.5 [10.99]
2.3
36.9 [10.81]
2.3
36.4 [10.67]
2.4
35.7 [10.46]
2.5
35.2 [10.32]
2.6
34.7 [10.17]
2.6
34.6 [10.14]
2.8
34.1 [9.99]
2.8
33.7 [9.88]
2.9
45
[7.2]
Total BTUH [kW]
Power
34.8 [10.20]
2.2
34.3 [10.05]
2.3
33.8 [9.91]
2.3
33.1 [9.70]
2.5
32.6 [9.55]
2.5
32.2 [9.44]
2.6
32.0 [9.38]
2.7
31.5 [9.23]
2.8
31.1 [9.11]
2.9
HEATING PERFORMANCE DATA—RQNM-A042
IDB —Indoor air dry bulb
[ ] Designates Metric Conversions
IDB 60°F [15.5°C] 70°F [21.1°C] 80°F [26.7°C]
CFM [L/s] 1740 [821] 1450 [684] 1160 [547] 1740 [821] 1450 [684] 1160 [547] 1740 [821] 1450 [684] 1160 [547]
O
U
T
D
O
O
R
D
R
Y
B
U
L
B
T
E
M
P
E
R
A
T
U
R
E
°F
[°C]
0
[-17.8]
Total BTUH [kW]
Power
12.4 [3.63]
2.2
12.2 [3.58]
2.3
12.0 [3.52]
2.3
11.1 [3.25]
2.5
11.0 [3.22]
2.6
10.8 [3.17]
2.6
9.9 [2.90]
2.8
9.7 [2.84]
2.9
9.6 [2.81]
3.0
5
[-15]
Total BTUH [kW]
Power
15.4 [4.51]
2.3
15.2 [4.45]
2.3
14.9 [4.37]
2.4
14.1 [4.13]
2.6
13.9 [4.07]
2.6
13.7 [4.02]
2.7
12.9 [3.78]
2.9
12.7 [3.72]
3.0
12.5 [3.66]
3.0
15
[-9.4]
Total BTUH [kW]
Power
21.7 [6.36]
2.4
21.4 [6.27]
2.4
21.1 [6.18]
2.5
20.5 [6.01]
2.7
20.2 [5.92]
2.7
19.9 [5.83]
2.8
19.2 [5.63]
3.0
19.0 [5.57]
3.1
18.7 [5.48]
3.2
10
[-12.2]
Total BTUH [kW]
Power
18.5 [5.42]
2.3
18.3 [5.36]
2.4
18.0 [5.28]
2.4
17.3 [5.07]
2.6
17.0 [4.98]
2.7
16.8 [4.92]
2.7
16.0 [4.69]
3.0
15.8 [4.63]
3.0
15.6 [4.57]
3.1
25
[-3.9]
Total BTUH [kW]
Power
28.2 [8.26]
2.5
27.8 [8.15]
2.5
27.4 [8.03]
2.6
26.9 [7.88]
2.8
26.5 [7.77]
2.8
26.1 [7.65]
2.9
25.6 [7.50]
3.1
25.3 [7.41]
3.2
24.9 [7.30]
3.3
35
[1.7]
Total BTUH [kW]
Power
34.1 [9.99]
2.6
33.6 [9.85]
2.7
33.1 [9.70]
2.7
32.8 [9.61]
2.9
32.3 [9.47]
2.9
31.9 [9.35]
3.0
31.6 [9.26]
3.2
31.1 [9.11]
3.3
30.7 [9.00]
3.4
20
[-6.7]
Total BTUH [kW]
Power
25.0 [7.33]
2.4
24.6 [7.21]
2.5
24.3 [7.12]
2.6
23.7 [6.95]
2.7
23.4 [6.86]
2.8
23.0 [6.74]
2.9
22.5 [6.59]
3.1
22.2 [6.51]
3.1
21.8 [6.39]
3.2
30
[-1.1]
Total BTUH [kW]
Power
31.2 [9.14]
2.5
30.8 [9.03]
2.6
30.3 [8.88]
2.7
29.9 [8.76]
2.8
29.5 [8.65]
2.9
29.1 [8.53]
3.0
28.7 [8.41]
3.2
28.3 [8.29]
3.2
27.9 [8.18]
3.3
40
[4.4]
Total BTUH [kW]
Power
36.6 [10.73]
2.6
36.1 [10.58]
2.7
35.6 [10.43]
2.8
35.4 [10.37]
2.9
34.9 [10.23]
3.0
34.4 [10.08]
3.1
34.1 [9.99]
3.3
33.7 [9.88]
3.3
33.2 [9.73]
3.4
50
[10]
Total BTUH [kW]
Power
40.8 [11.96]
2.7
40.2 [11.78]
2.8
39.6 [11.61]
2.9
39.5 [11.58]
3.0
38.9 [11.40]
3.1
38.4 [11.25]
3.2
38.3 [11.22]
3.4
37.7 [11.05]
3.5
37.2 [10.90]
3.5
45
[7.2]
Total BTUH [kW]
Power
38.9 [11.40]
2.7
38.4 [11.25]
2.8
37.8 [11.08]
2.8
37.6 [11.02]
3.0
37.1 [10.87]
3.1
36.6 [10.73]
3.1
36.4 [10.67]
3.3
35.9 [10.52]
3.4
35.4 [10.37]
3.5
28
SYSTEMS PERFORMANCE—RQNM- SERIES

HEATING PERFORMANCE DATA—RQNM-A048
IDB —Indoor air dry bulb
IDB 60°F [15.5°C] 70°F [21.1°C] 80°F [26.7°C]
CFM [L/s] 1860 [878] 1500 [732] 1240 [585] 1860 [878] 1500 [732] 1240 [585] 1860 [878] 1500 [732] 1240 [585]
O
U
T
D
O
O
R
D
R
Y
B
U
L
B
T
E
M
P
E
R
A
T
U
R
E
°F
[°C]
0
[-17.8]
Total BTUH [kW]
Power
13.3 [3.90]
2.3
13.1 [3.84]
2.4
12.9 [3.78]
2.4
11.7 [3.43]
2.7
11.5 [3.37]
2.7
11.4 [3.34]
2.8
10.4 [3.05]
3.0
10.3 [3.02]
3.1
10.1 [2.96]
3.2
5
[-15]
Total BTUH [kW]
Power
17.4 [5.10]
2.4
17.1 [5.01]
2.4
16.9 [4.95]
2.5
15.7 [4.60]
2.7
15.5 [4.54]
2.8
15.3 [4.48]
2.9
14.5 [4.25]
3.1
14.3 [4.19]
3.2
14.1 [4.13]
3.2
15
[-9.4]
Total BTUH [kW]
Power
25.1 [7.36]
2.5
24.7 [7.24]
2.6
24.4 [7.15]
2.6
23.5 [6.89]
2.9
23.1 [6.77]
2.9
22.8 [6.68]
3.0
22.2 [6.51]
3.2
21.9 [6.42]
3.3
21.6 [6.33]
3.4
10
[-12.2]
Total BTUH [kW]
Power
21.3 [6.24]
2.4
21.0 [6.15]
2.5
20.7 [6.07]
2.6
19.7 [5.77]
2.8
19.4 [5.69]
2.9
19.1 [5.60]
2.9
18.4 [5.39]
3.1
18.2 [5.33]
3.2
17.9 [5.25]
3.3
25
[-3.9]
Total BTUH [kW]
Power
32.3 [9.47]
2.6
31.8 [9.32]
2.7
31.4 [9.20]
2.8
30.7 [9.00]
3.0
30.2 [8.85]
3.1
29.8 [8.73]
3.1
29.4 [8.62]
3.3
29.0 [8.50]
3.4
28.6 [8.38]
3.5
35
[1.7]
Total BTUH [kW]
Power
39.0 [11.43]
2.8
38.4 [11.25]
2.8
37.9 [11.11]
2.9
37.4 [10.96]
3.1
36.8 [10.79]
3.2
36.3 [10.64]
3.3
36.1 [10.58]
3.5
35.6 [10.43]
3.6
35.1 [10.29]
3.6
20
[-6.7]
Total BTUH [kW]
Power
28.7 [8.41]
2.6
28.3 [8.29]
2.6
27.9 [8.18]
2.7
27.1 [7.94]
2.9
26.7 [7.83]
3.0
26.4 [7.74]
3.1
25.9 [7.59]
3.3
25.5 [7.47]
3.4
25.1 [7.36]
3.4
30
[-1.1]
Total BTUH [kW]
Power
35.7 [10.46]
2.7
35.2 [10.32]
2.8
34.7 [10.17]
2.8
34.1 [9.99]
3.0
33.6 [9.85]
3.1
33.1 [9.70]
3.2
32.8 [9.61]
3.4
32.4 [9.50]
3.5
31.9 [9.35]
3.6
40
[4.4]
Total BTUH [kW]
Power
42.1 [12.34]
2.8
41.5 [12.16]
2.9
40.9 [11.99]
3.0
40.5 [11.87]
3.2
39.9 [11.69]
3.3
39.4 [11.55]
3.3
39.2 [11.49]
3.5
38.7 [11.34]
3.6
38.1 [11.17]
3.7
50
[10]
Total BTUH [kW]
Power
48.0 [14.07]
2.9
47.4 [13.89]
3.0
46.7 [13.69]
3.1
46.4 [13.60]
3.3
45.8 [13.42]
3.4
45.1 [13.22]
3.5
45.2 [13.25]
3.7
44.5 [13.04]
3.7
43.9 [12.87]
3.8
45
[7.2]
Total BTUH [kW]
Power
45.1 [13.22]
2.9
44.5 [13.04]
3.0
43.9 [12.87]
3.0
43.5 [12.75]
3.2
42.9 [12.57]
3.3
42.3 [12.40]
3.4
42.3 [12.40]
3.6
41.7 [12.22]
3.7
41.1 [12.05]
3.8
HEATING PERFORMANCE DATA—RQNM-A060
IDB —Indoor air dry bulb
[ ] Designates Metric Conversions
IDB 60°F [15.5°C] 70°F [21.1°C] 80°F [26.7°C]
CFM [L/s] 2280 [1076] 1900 [897] 1520 [717] 2280 [1076] 1900 [897] 1520 [717] 2280 [1076] 1900 [897] 1520 [717]
O
U
T
D
O
O
R
D
R
Y
B
U
L
B
T
E
M
P
E
R
A
T
U
R
E
°F
[°C]
0
[-17.8]
Total BTUH [kW]
Power
24.6 [7.21]
2.9
24.2 [7.09]
3.0
23.9 [7.00]
3.1
23.6 [6.92]
3.4
23.3 [6.83]
3.5
23.0 [6.74]
3.6
21.7 [6.36]
3.9
21.4 [6.27]
4.0
21.1 [6.18]
4.1
5
[-15]
Total BTUH [kW]
Power
27.8 [8.15]
3.0
27.4 [8.03]
3.1
27.1 [7.94]
3.2
26.9 [7.88]
3.5
26.5 [7.77]
3.6
26.2 [7.68]
3.7
25.0 [7.33]
4.0
24.7 [7.24]
4.1
24.3 [7.12]
4.2
15
[-9.4]
Total BTUH [kW]
Power
34.7 [10.17]
3.2
34.2 [10.02]
3.3
33.8 [9.91]
3.3
33.8 [9.91]
3.7
33.3 [9.76]
3.8
32.9 [9.64]
3.9
31.9 [9.35]
4.2
31.4 [9.20]
4.3
31.0 [9.09]
4.4
10
[-12.2]
Total BTUH [kW]
Power
31.2 [9.14]
3.1
30.8 [9.03]
3.2
30.4 [8.91]
3.3
30.3 [8.88]
3.6
29.9 [8.76]
3.7
29.5 [8.65]
3.8
28.4 [8.32]
4.1
28.0 [8.21]
4.2
27.6 [8.09]
4.3
25
[-3.9]
Total BTUH [kW]
Power
42.1 [12.34]
3.3
41.5 [12.16]
3.4
40.9 [11.99]
3.5
41.2 [12.07]
3.8
40.6 [11.90]
3.9
40.0 [11.72]
4.0
39.2 [11.49]
4.3
38.7 [11.34]
4.4
38.1 [11.17]
4.6
35
[1.7]
Total BTUH [kW]
Power
49.9 [14.62]
3.5
49.2 [14.42]
3.6
48.5 [14.21]
3.7
49.0 [14.36]
4.0
48.3 [14.16]
4.1
47.6 [13.95]
4.2
47.1 [13.80]
4.5
46.4 [13.60]
4.6
45.7 [13.39]
4.7
20
[-6.7]
Total BTUH [kW]
Power
38.4 [11.25]
3.3
37.8 [11.08]
3.4
37.3 [10.93]
3.4
37.4 [10.96]
3.7
36.9 [10.81]
3.8
36.4 [10.67]
3.9
35.5 [10.40]
4.3
35.0 [10.26]
4.4
34.5 [10.11]
4.5
30
[-1.1]
Total BTUH [kW]
Power
45.9 [13.45]
3.4
45.3 [13.28]
3.5
44.6 [13.07]
3.6
45.0 [13.19]
3.9
44.4 [13.01]
4.0
43.7 [12.81]
4.1
43.1 [12.63]
4.4
42.5 [12.46]
4.5
41.9 [12.28]
4.6
40
[4.4]
Total BTUH [kW]
Power
54.0 [15.83]
3.6
53.2 [15.59]
3.7
52.5 [15.39]
3.8
53.1 [15.56]
4.1
52.3 [15.33]
4.2
51.6 [15.12]
4.3
51.1 [14.98]
4.6
50.4 [14.77]
4.7
49.7 [14.57]
4.8
50
[10]
Total BTUH [kW]
Power
62.5 [18.32]
3.7
61.6 [18.05]
3.8
60.7 [17.79]
3.9
61.6 [18.05]
4.2
60.7 [17.79]
4.3
59.8 [17.53]
4.4
59.6 [17.47]
4.7
58.8 [17.23]
4.9
58.0 [17.00]
5.0
45
[7.2]
Total BTUH [kW]
Power
58.2 [17.06]
3.7
57.3 [16.79]
3.8
56.5 [16.56]
3.9
57.2 [16.76]
4.1
56.4 [16.53]
4.3
55.6 [16.29]
4.4
55.3 [16.21]
4.7
54.5 [15.97]
4.8
53.8 [15.77]
4.9
29
SYSTEMS PERFORMANCE—RQNM- SERIES

HEATING PERFORMANCE DATA—RQPM-A024
IDB —Indoor air dry bulb
IDB 60°F [15.5°C] 70°F [21.1°C] 80°F [26.7°C]
CFM [L/s] 960 [453] 800 [378] 640 [302] 960 [453] 800 [378] 640 [302] 960 [453] 800 [378] 640 [302]
O
U
T
D
O
O
R
D
R
Y
B
U
L
B
T
E
M
P
E
R
A
T
U
R
E
°F
[°C]
0
[-17.8]
Total BTUH [kW]
Power
8.8 [2.58]
1.4
8.6 [2.52]
1.4
8.5 [2.49]
1.4
7.5 [2.20]
1.5
7.4 [2.17]
1.5
7.3 [2.14]
1.6
6.8 [1.99]
1.8
6.7 [1.96]
1.8
6.6 [1.93]
1.8
5
[-15]
Total BTUH [kW]
Power
10.5 [3.08]
1.4
10.4 [3.05]
1.4
10.2 [2.99]
1.5
9.3 [2.73]
1.5
9.2 [2.70]
1.6
9.0 [2.64]
1.6
8.6 [2.52]
1.8
8.5 [2.49]
1.8
8.4 [2.46]
1.9
15
[-9.4]
Total BTUH [kW]
Power
13.8 [4.04]
1.5
13.6 [3.99]
1.5
13.4 [3.93]
1.5
12.6 [3.69]
1.6
12.4 [3.63]
1.6
12.2 [3.58]
1.7
11.9 [3.49]
1.8
11.7 [3.43]
1.9
11.6 [3.40]
1.9
10
[-12.2]
Total BTUH [kW]
Power
12.2 [3.58]
1.4
12.1 [3.55]
1.5
11.9 [3.49]
1.5
11.0 [3.22]
1.6
10.8 [3.17]
1.6
10.7 [3.14]
1.6
10.3 [3.02]
1.8
10.2 [2.99]
1.9
10.0 [2.93]
1.9
25
[-3.9]
Total BTUH [kW]
Power
16.9 [4.95]
1.5
16.7 [4.89]
1.6
16.5 [4.84]
1.6
15.7 [4.60]
1.6
15.5 [4.54]
1.7
15.3 [4.48]
1.7
15.0 [4.40]
1.9
14.8 [4.34]
1.9
14.6 [4.28]
2.0
35
[1.7]
Total BTUH [kW]
Power
20.1 [5.89]
1.6
19.8 [5.80]
1.6
19.6 [5.74]
1.7
18.9 [5.54]
1.7
18.6 [5.45]
1.7
18.4 [5.39]
1.8
18.2 [5.33]
2.0
17.9 [5.25]
2.0
17.7 [5.19]
2.1
20
[-6.7]
Total BTUH [kW]
Power
15.4 [4.51]
1.5
15.2 [4.45]
1.5
15.0 [4.40]
1.6
14.2 [4.16]
1.6
14.0 [4.10]
1.7
13.8 [4.04]
1.7
13.5 [3.96]
1.9
13.3 [3.90]
1.9
13.1 [3.84]
2.0
30
[-1.1]
Total BTUH [kW]
Power
18.5 [5.42]
1.5
18.2 [5.33]
1.6
18.0 [5.28]
1.6
17.3 [5.07]
1.7
17.0 [4.98]
1.7
16.8 [4.92]
1.8
16.6 [4.86]
1.9
16.4 [4.81]
2.0
16.1 [4.72]
2.0
40
[4.4]
Total BTUH [kW]
Power
21.8 [6.39]
1.6
21.5 [6.30]
1.6
21.2 [6.21]
1.7
20.6 [6.04]
1.7
20.3 [5.95]
1.8
20.0 [5.86]
1.8
19.9 [5.83]
2.0
19.6 [5.74]
2.0
19.3 [5.66]
2.1
50
[10]
Total BTUH [kW]
Power
25.6 [7.50]
1.7
25.2 [7.39]
1.7
24.9 [7.30]
1.7
24.4 [7.15]
1.8
24.0 [7.03]
1.8
23.7 [6.95]
1.9
23.7 [6.95]
2.0
23.4 [6.86]
2.1
23.0 [6.74]
2.1
45
[7.2]
Total BTUH [kW]
Power
23.6 [6.92]
1.6
23.3 [6.83]
1.7
23.0 [6.74]
1.7
22.4 [6.56]
1.8
22.1 [6.48]
1.8
21.8 [6.39]
1.8
21.7 [6.36]
2.0
21.4 [6.27]
2.1
21.1 [6.18]
2.1
HEATING PERFORMANCE DATA—RQPM-A030
IDB —Indoor air dry bulb
[ ] Designates Metric Conversions
IDB 60°F [15.5°C] 70°F [21.1°C] 80°F [26.7°C]
CFM [L/s] 1200 [566] 1000 [472] 800 [378] 1200 [566] 1000 [472] 800 [378] 1200 [566] 1000 [472] 800 [378]
O
U
T
D
O
O
R
D
R
Y
B
U
L
B
T
E
M
P
E
R
A
T
U
R
E
°F
[°C]
0
[-17.8]
Total BTUH [kW]
Power
10.3 [3.02]
1.6
10.1 [2.96]
1.6
10.0 [2.93]
1.7
8.9 [2.61]
1.7
8.8 [2.58]
1.8
8.7 [2.55]
1.8
7.5 [2.20]
2.0
7.4 [2.17]
2.0
7.3 [2.14]
2.1
5
[-15]
Total BTUH [kW]
Power
12.0 [3.52]
1.6
11.8 [3.46]
1.7
11.6 [3.40]
1.7
10.6 [3.11]
1.8
10.5 [3.08]
1.8
10.3 [3.02]
1.9
9.2 [2.70]
2.0
9.1 [2.67]
2.1
9.0 [2.64]
2.1
15
[-9.4]
Total BTUH [kW]
Power
15.6 [4.57]
1.7
15.4 [4.51]
1.7
15.2 [4.45]
1.8
14.2 [4.16]
1.9
14.0 [4.10]
1.9
13.8 [4.04]
1.9
12.9 [3.78]
2.1
12.7 [3.72]
2.1
12.5 [3.66]
2.2
10
[-12.2]
Total BTUH [kW]
Power
13.8 [4.04]
1.6
13.6 [3.99]
1.7
13.4 [3.93]
1.7
12.4 [3.63]
1.8
12.2 [3.58]
1.9
12.0 [3.52]
1.9
11.0 [3.22]
2.1
10.9 [3.19]
2.1
10.7 [3.14]
2.2
25
[-3.9]
Total BTUH [kW]
Power
19.6 [5.74]
1.7
19.3 [5.66]
1.8
19.0 [5.57]
1.8
18.2 [5.33]
1.9
17.9 [5.25]
2.0
17.7 [5.19]
2.0
16.8 [4.92]
2.2
16.6 [4.86]
2.2
16.3 [4.78]
2.3
35
[1.7]
Total BTUH [kW]
Power
23.8 [6.98]
1.8
23.5 [6.89]
1.9
23.1 [6.77]
1.9
22.4 [6.56]
2.0
22.1 [6.48]
2.0
21.8 [6.39]
2.1
21.1 [6.18]
2.2
20.8 [6.10]
2.3
20.5 [6.01]
2.3
20
[-6.7]
Total BTUH [kW]
Power
17.6 [5.16]
1.7
17.3 [5.07]
1.8
17.1 [5.01]
1.8
16.2 [4.75]
1.9
16.0 [4.69]
1.9
15.7 [4.60]
2.0
14.8 [4.34]
2.1
14.6 [4.28]
2.2
14.4 [4.22]
2.2
30
[-1.1]
Total BTUH [kW]
Power
21.6 [6.33]
1.8
21.3 [6.24]
1.8
21.0 [6.15]
1.9
20.3 [5.95]
2.0
20.0 [5.86]
2.0
19.7 [5.77]
2.1
18.9 [5.54]
2.2
18.6 [5.45]
2.2
18.4 [5.39]
2.3
40
[4.4]
Total BTUH [kW]
Power
26.0 [7.62]
1.9
25.7 [7.53]
1.9
25.3 [7.41]
1.9
24.7 [7.24]
2.0
24.3 [7.12]
2.1
24.0 [7.03]
2.1
23.3 [6.83]
2.3
23.0 [6.74]
2.3
22.6 [6.62]
2.4
50
[10]
Total BTUH [kW]
Power
30.8 [9.03]
1.9
30.3 [8.88]
2.0
29.9 [8.76]
2.0
29.4 [8.62]
2.1
29.0 [8.50]
2.1
28.6 [8.38]
2.2
28.0 [8.21]
2.3
27.6 [8.09]
2.4
27.2 [7.97]
2.5
45
[7.2]
Total BTUH [kW]
Power
28.4 [8.32]
1.9
28.0 [8.21]
1.9
27.6 [8.09]
2.0
27.0 [7.91]
2.1
26.6 [7.80]
2.1
26.2 [7.68]
2.2
25.6 [7.50]
2.3
25.2 [7.39]
2.4
24.9 [7.30]
2.4
30
SYSTEMS PERFORMANCE—RQPM- SERIES

HEATING PERFORMANCE DATA—RQPM-A036
IDB —Indoor air dry bulb
IDB 60°F [15.5°C] 70°F [21.1°C] 80°F [26.7°C]
CFM [L/s] 1440 [680] 1200 [566] 960 [453] 1440 [680] 1200 [566] 960 [453] 1440 [680] 1200 [566] 960 [453]
O
U
T
D
O
O
R
D
R
Y
B
U
L
B
T
E
M
P
E
R
A
T
U
R
E
°F
[°C]
0
[-17.8]
Total BTUH [kW]
Power
11.3 [3.31]
1.7
11.1 [3.25]
1.8
11.0 [3.22]
1.8
9.8 [2.87]
2.0
9.7 [2.84]
2.1
9.5 [2.78]
2.1
8.8 [2.58]
2.3
8.7 [2.55]
2.3
8.6 [2.52]
2.4
5
[-15]
Total BTUH [kW]
Power
13.9 [4.07]
1.8
13.7 [4.02]
1.8
13.5 [3.96]
1.9
12.4 [3.63]
2.1
12.2 [3.58]
2.1
12.1 [3.55]
2.2
11.5 [3.37]
2.3
11.3 [3.31]
2.4
11.1 [3.25]
2.4
15
[-9.4]
Total BTUH [kW]
Power
19.1 [5.60]
1.9
18.8 [5.51]
1.9
18.6 [5.45]
2.0
17.6 [5.16]
2.2
17.4 [5.10]
2.2
17.1 [5.01]
2.3
16.7 [4.89]
2.4
16.4 [4.81]
2.5
16.2 [4.75]
2.6
10
[-12.2]
Total BTUH [kW]
Power
16.5 [4.84]
1.8
16.3 [4.78]
1.9
16.0 [4.69]
1.9
15.0 [4.40]
2.1
14.8 [4.34]
2.2
14.6 [4.28]
2.2
14.1 [4.13]
2.4
13.9 [4.07]
2.4
13.7 [4.02]
2.5
25
[-3.9]
Total BTUH [kW]
Power
24.3 [7.12]
2.0
23.9 [7.00]
2.1
23.6 [6.92]
2.1
22.8 [6.68]
2.3
22.5 [6.59]
2.4
22.2 [6.51]
2.4
21.8 [6.39]
2.5
21.5 [6.30]
2.6
21.2 [6.21]
2.7
35
[1.7]
Total BTUH [kW]
Power
29.4 [8.62]
2.1
29.0 [8.50]
2.2
28.6 [8.38]
2.2
27.9 [8.18]
2.4
27.5 [8.06]
2.5
27.2 [7.97]
2.5
27.0 [7.91]
2.7
26.6 [7.80]
2.7
26.2 [7.68]
2.8
20
[-6.7]
Total BTUH [kW]
Power
21.7 [6.36]
1.9
21.4 [6.27]
2.0
21.1 [6.18]
2.0
20.2 [5.92]
2.2
19.9 [5.83]
2.3
19.6 [5.74]
2.4
19.2 [5.63]
2.5
19.0 [5.57]
2.6
18.7 [5.48]
2.6
30
[-1.1]
Total BTUH [kW]
Power
26.8 [7.85]
2.1
26.5 [7.77]
2.1
26.1 [7.65]
2.2
25.4 [7.44]
2.3
25.0 [7.33]
2.4
24.7 [7.24]
2.5
24.4 [7.15]
2.6
24.1 [7.06]
2.7
23.7 [6.95]
2.7
40
[4.4]
Total BTUH [kW]
Power
32.0 [9.38]
2.2
31.5 [9.23]
2.2
31.1 [9.11]
2.3
30.5 [8.94]
2.5
30.1 [8.82]
2.5
29.6 [8.67]
2.6
29.5 [8.65]
2.7
29.1 [8.53]
2.8
28.7 [8.41]
2.8
50
[10]
Total BTUH [kW]
Power
37.1 [10.87]
2.3
36.6 [10.73]
2.3
36.0 [10.55]
2.4
35.6 [10.43]
2.6
35.1 [10.29]
2.6
34.6 [10.14]
2.7
34.7 [10.17]
2.8
34.2 [10.02]
2.9
33.7 [9.88]
3.0
45
[7.2]
Total BTUH [kW]
Power
34.5 [10.11]
2.2
34.1 [9.99]
2.3
33.6 [9.85]
2.3
33.1 [9.70]
2.5
32.6 [9.55]
2.6
32.1 [9.41]
2.6
32.1 [9.41]
2.8
31.6 [9.26]
2.8
31.2 [9.14]
2.9
HEATING PERFORMANCE DATA—RQPM-A037
IDB —Indoor air dry bulb
[ ] Designates Metric Conversions
5
[-15]
Total BTUH [kW]
Power
14.4 [4.2]
1.9
14.2 [4.2]
2.0
13.9 [4.1]
2.0
13.1 [3.8]
2.1
12.9 [3.8]
2.2
12.7 [3.7]
2.3
11.8 [3.5]
2.4
11.7 [3.4]
2.5
11.5 [3.4]
2.5
IDB
15
[-9.4]
60°F [15.5°C]
Total BTUH [kW]
Power
19.3 [5.7]
2.0
70°F [21.1°C]
19.1 [5.6]
2.0
18.8 [5.5]
2.1
80°F [26.7°C]
18.1 [5.3]
2.2
17.8 [5.2]
2.3
CFM [L/s]
17.6 [5.2]
2.4
16.8 [4.9]
2.5
1440 [680] 1200 [566] 960 [453] 1440 [680] 1200 [566] 960 [453] 1440 [680] 1200 [566] 960 [453]
16.6 [4.9]
2.6
16.3 [4.8]
2.6
O
U
T
D
O
O
R
D
R
Y
B
U
L
B
T
E
M
P
E
R
A
T
U
R
E
°F
[°C]
0
[-17.8]
Total BTUH [kW]
Power
11.9 [3.5]
1.9
11.7 [3.4]
1.9
11.5 [3.4]
2.0
10.6 [3.1]
2.1
10.5 [3.1]
2.2
10.3 [3.0]
2.2
9.3 [2.7]
2.4
9.2 [2.7]
2.4
9.1 [2.7]
2.5
10
[-12.2]
Total BTUH [kW]
Power
16.8 [4.9]
1.9
16.6 [4.9]
2.0
16.4 [4.8]
2.0
15.6 [4.6]
2.2
15.4 [4.5]
2.2
15.1 [4.4]
2.3
14.3 [4.2]
2.5
14.1 [4.1]
2.5
13.9 [4.1]
2.6
25
[-3.9]
Total BTUH [kW]
Power
24.3 [7.1]
2.1
24.0 [7.0]
2.1
23.6 [6.9]
2.2
23.0 [6.7]
2.3
22.7 [6.7]
2.4
22.4 [6.6]
2.4
21.8 [6.4]
2.6
21.5 [6.3]
2.7
21.2 [6.2]
2.7
35
[1.7]
Total BTUH [kW]
Power
29.3 [8.6]
2.2
28.9 [8.5]
2.2
28.5 [8.4]
2.3
28.0 [8.2]
2.4
27.6 [8.1]
2.5
27.2 [8.0]
2.5
26.8 [7.9]
2.7
26.4 [7.7]
2.7
26.0 [7.6]
2.8
20
[-6.7]
Total BTUH [kW]
Power
21.8 [6.4]
2.0
21.5 [6.3]
2.1
21.2 [6.2]
2.1
20.6 [6.0]
2.3
20.3 [5.9]
2.3
20.0 [5.9]
2.4
19.3 [5.7]
2.5
19.0 [5.6]
2.6
18.8 [5.5]
2.7
30
[-1.1]
Total BTUH [kW]
Power
26.8 [7.9]
2.1
26.4 [7.7]
2.2
26.0 [7.6]
2.2
25.5 [7.5]
2.4
25.2 [7.4]
2.4
24.8 [7.3]
2.5
24.3 [7.1]
2.6
23.9 [7.0]
2.7
23.6 [6.9]
2.8
40
[4.4]
Total BTUH [kW]
Power
31.8 [9.3]
2.2
31.3 [9.2]
2.3
30.9 [9.1]
2.3
30.5 [8.9]
2.5
30.1 [8.8]
2.5
29.7 [8.7]
2.6
29.3 [8.6]
2.7
28.8 [8.4]
2.8
28.4 [8.3]
2.9
50
[10]
Total BTUH [kW]
Power
36.7 [10.8]
2.3
36.2 [10.6]
2.4
35.7 [10.5]
2.4
35.5 [10.4]
2.5
35.0 [10.3]
2.6
34.5 [10.1]
2.7
34.2 [10.0]
2.8
33.7 [9.9]
2.9
33.3 [9.8]
3.0
45
[7.2]
Total BTUH [kW]
Power
34.3 [10.1]
2.3
33.8 [9.9]
2.3
33.3 [9.8]
2.4
33.0 [9.7]
2.5
32.5 [9.5]
2.6
32.1 [9.4]
2.6
31.7 [9.3]
2.8
31.3 [9.2]
2.8
30.8 [9.0]
2.9
31
SYSTEMS PERFORMANCE—RQPM- SERIES

HEATING PERFORMANCE DATA—RQPM-A042
IDB —Indoor air dry bulb
IDB 60°F [15.5°C] 70°F [21.1°C] 80°F [26.7°C]
CFM [L/s] 1740 [821] 1450 [684] 1160 [547] 1740 [821] 1450 [684] 1160 [547] 1740 [821] 1450 [684] 1160 [547]
O
U
T
D
O
O
R
D
R
Y
B
U
L
B
T
E
M
P
E
R
A
T
U
R
E
°F
[°C]
0
[-17.8]
Total BTUH [kW]
Power
12.1 [3.55]
2.2
11.9 [3.49]
2.2
11.8 [3.46]
2.3
10.9 [3.19]
2.5
10.7 [3.14]
2.5
10.6 [3.11]
2.6
9.6 [2.81]
2.8
9.4 [2.75]
2.9
9.3 [2.73]
2.9
5
[-15]
Total BTUH [kW]
Power
15.2 [4.45]
2.2
14.9 [4.37]
2.3
14.7 [4.31]
2.3
13.9 [4.07]
2.5
13.7 [4.02]
2.6
13.5 [3.96]
2.7
12.6 [3.69]
2.9
12.4 [3.63]
2.9
12.3 [3.60]
3.0
15
[-9.4]
Total BTUH [kW]
Power
21.4 [6.27]
2.3
21.1 [6.18]
2.4
20.8 [6.10]
2.5
20.2 [5.92]
2.6
19.9 [5.83]
2.7
19.6 [5.74]
2.8
18.9 [5.54]
3.0
18.6 [5.45]
3.0
18.4 [5.39]
3.1
10
[-12.2]
Total BTUH [kW]
Power
18.3 [5.36]
2.3
18.0 [5.28]
2.3
17.8 [5.22]
2.4
17.0 [4.98]
2.6
16.8 [4.92]
2.6
16.5 [4.84]
2.7
15.7 [4.60]
2.9
15.5 [4.54]
3.0
15.3 [4.48]
3.1
25
[-3.9]
Total BTUH [kW]
Power
27.7 [8.12]
2.5
27.3 [8.00]
2.5
26.9 [7.88]
2.6
26.4 [7.74]
2.7
26.0 [7.62]
2.8
25.7 [7.53]
2.9
25.1 [7.36]
3.1
24.8 [7.27]
3.2
24.4 [7.15]
3.2
35
[1.7]
Total BTUH [kW]
Power
33.5 [9.82]
2.6
33.0 [9.67]
2.6
32.5 [9.52]
2.7
32.2 [9.44]
2.9
31.8 [9.32]
2.9
31.3 [9.17]
3.0
31.0 [9.09]
3.2
30.5 [8.94]
3.3
30.1 [8.82]
3.4
20
[-6.7]
Total BTUH [kW]
Power
24.6 [7.21]
2.4
24.2 [7.09]
2.5
23.9 [7.00]
2.5
23.3 [6.83]
2.7
23.0 [6.74]
2.8
22.7 [6.65]
2.8
22.0 [6.45]
3.0
21.7 [6.36]
3.1
21.4 [6.27]
3.2
30
[-1.1]
Total BTUH [kW]
Power
30.6 [8.97]
2.5
30.2 [8.85]
2.6
29.8 [8.73]
2.6
29.4 [8.62]
2.8
29.0 [8.50]
2.9
28.6 [8.38]
2.9
28.1 [8.24]
3.1
27.7 [8.12]
3.2
27.3 [8.00]
3.3
40
[4.4]
Total BTUH [kW]
Power
36.2 [10.61]
2.6
35.6 [10.43]
2.7
35.1 [10.29]
2.8
34.9 [10.23]
2.9
34.4 [10.08]
3.0
33.9 [9.94]
3.1
33.6 [9.85]
3.2
33.2 [9.73]
3.3
32.7 [9.58]
3.4
50
[10]
Total BTUH [kW]
Power
40.8 [11.96]
2.7
40.2 [11.78]
2.8
39.6 [11.61]
2.9
39.5 [11.58]
3.0
39.0 [11.43]
3.1
38.4 [11.25]
3.2
38.2 [11.20]
3.4
37.7 [11.05]
3.4
37.2 [10.90]
3.5
45
[7.2]
Total BTUH [kW]
Power
38.6 [11.31]
2.7
38.1 [11.17]
2.7
37.5 [10.99]
2.8
37.4 [10.96]
3.0
36.8 [10.79]
3.0
36.3 [10.64]
3.1
36.1 [10.58]
3.3
35.6 [10.43]
3.4
35.0 [10.26]
3.5
HEATING PERFORMANCE DATA—RQPM-A043
IDB —Indoor air dry bulb
[ ] Designates Metric Conversions
5
[-15]
Total BTUH [kW]
Power
15.7 [4.6]
2.3
15.5 [4.5]
2.3
15.3 [4.5]
2.4
14.4 [4.2]
2.6
14.2 [4.2]
2.6
14.0 [4.1]
2.7
13.1 [3.8]
2.9
12.9 [3.8]
3.0
12.8 [3.8]
3.1
IDB
15
[-9.4]
60°F [15.5°C]
Total BTUH [kW]
Power
21.8 [6.4]
2.4
70°F [21.1°C]
21.4 [6.3]
2.4
21.1 [6.2]
2.5
80°F [26.7°C]
20.5 [6.0]
2.7
20.2 [5.9]
2.7
CFM [L/s]
19.9 [5.8]
2.8
19.2 [5.6]
3.0
1740 [821] 1425 [672] 1160 [547] 1740 [821] 1425 [672] 1160 [547] 1740 [821] 1425 [672] 1160 [547]
18.9 [5.5]
3.1
18.6 [5.5]
3.2
O
U
T
D
O
O
R
D
R
Y
B
U
L
B
T
E
M
P
E
R
A
T
U
R
E
°F
[°C]
0
[-17.8]
Total BTUH [kW]
Power
12.7 [3.7]
2.2
12.5 [3.7]
2.3
12.4 [3.6]
2.3
11.4 [3.3]
2.5
11.2 [3.3]
2.6
11.1 [3.3]
2.6
10.1 [3.0]
2.9
10.0 [2.9]
3.0
9.8 [2.9]
3.0
10
[-12.2]
Total BTUH [kW]
Power
18.8 [5.5]
2.3
18.5 [5.4]
2.4
18.2 [5.3]
2.4
17.5 [5.1]
2.6
17.2 [5.0]
2.7
17.0 [5.0]
2.7
16.2 [4.7]
3.0
15.9 [4.7]
3.1
15.7 [4.6]
3.1
25
[-3.9]
Total BTUH [kW]
Power
27.8 [8.1]
2.5
27.4 [8.0]
2.5
27.0 [7.9]
2.6
26.5 [7.8]
2.8
26.1 [7.6]
2.8
25.8 [7.6]
2.9
25.2 [7.4]
3.1
24.8 [7.3]
3.2
24.5 [7.2]
3.3
35
[1.7]
Total BTUH [kW]
Power
33.8 [9.9]
2.6
33.3 [9.8]
2.6
32.9 [9.6]
2.7
32.6 [9.6]
2.9
32.0 [9.4]
3.0
31.6 [9.3]
3.0
31.3 [9.2]
3.2
30.8 [9.0]
3.3
30.4 [8.9]
3.4
20
[-6.7]
Total BTUH [kW]
Power
24.8 [7.3]
2.4
24.4 [7.2]
2.5
24.1 [7.1]
2.5
23.5 [6.9]
2.7
23.1 [6.8]
2.8
22.8 [6.7]
2.9
22.2 [6.5]
3.1
21.9 [6.4]
3.2
21.6 [6.3]
3.2
30
[-1.1]
Total BTUH [kW]
Power
30.8 [9.0]
2.5
30.3 [8.9]
2.6
29.9 [8.8]
2.7
29.5 [8.6]
2.8
29.1 [8.5]
2.9
28.7 [8.4]
3.0
28.2 [8.3]
3.2
27.8 [8.1]
3.3
27.4 [8.0]
3.4
40
[4.4]
Total BTUH [kW]
Power
36.9 [10.8]
2.6
36.3 [10.6]
2.7
35.8 [10.5]
2.8
35.6 [10.4]
2.9
35.0 [10.3]
3.0
34.6 [10.1]
3.1
34.3 [10.1]
3.3
33.7 [9.9]
3.4
33.3 [9.8]
3.5
50
[10]
Total BTUH [kW]
Power
42.9 [12.6]
2.7
42.2 [12.4]
2.8
41.7 [12.2]
2.9
41.6 [12.2]
3.0
41.0 [12.0]
3.1
40.4 [11.8]
3.2
40.3 [11.8]
3.4
39.7 [11.6]
3.5
39.2 [11.5]
3.6
45
[7.2]
Total BTUH [kW]
Power
39.9 [11.7]
2.7
39.3 [11.5]
2.8
38.7 [11.3]
2.8
38.6 [11.3]
3.0
38.0 [11.1]
3.1
37.5 [11.0]
3.1
37.3 [10.9]
3.3
36.7 [10.8]
3.4
36.2 [10.6]
3.5
32
SYSTEMS PERFORMANCE—RQPM- SERIES

HEATING PERFORMANCE DATA—RQPM-A048
IDB —Indoor air dry bulb
IDB 60°F [15.5°C] 70°F [21.1°C] 80°F [26.7°C]
CFM [L/s] 1860 [878] 1550 [732] 1240 [585] 1860 [878] 1550 [732] 1240 [585] 1860 [878] 1550 [732] 1240 [585]
O
U
T
D
O
O
R
D
R
Y
B
U
L
B
T
E
M
P
E
R
A
T
U
R
E
°F
[°C]
0
[-17.8]
Total BTUH [kW]
Power
12.7 [3.72]
2.3
12.6 [3.69]
2.4
12.4 [3.63]
2.4
11.5 [3.37]
2.7
11.3 [3.31]
2.7
11.1 [3.25]
2.8
10.0 [2.93]
3.0
9.9 [2.90]
3.1
9.7 [2.84]
3.2
5
[-15]
Total BTUH [kW]
Power
16.8 [4.92]
2.4
16.6 [4.86]
2.4
16.3 [4.78]
2.5
15.5 [4.54]
2.7
15.3 [4.48]
2.8
15.1 [4.43]
2.9
14.1 [4.13]
3.1
13.9 [4.07]
3.2
13.7 [4.02]
3.2
15
[-9.4]
Total BTUH [kW]
Power
24.5 [7.18]
2.5
24.2 [7.09]
2.6
23.8 [6.98]
2.6
23.3 [6.83]
2.8
22.9 [6.71]
2.9
22.6 [6.62]
3.0
21.8 [6.39]
3.2
21.5 [6.30]
3.3
21.2 [6.21]
3.4
10
[-12.2]
Total BTUH [kW]
Power
20.7 [6.07]
2.4
20.4 [5.98]
2.5
20.1 [5.89]
2.6
19.5 [5.71]
2.8
19.2 [5.63]
2.8
18.9 [5.54]
2.9
18.0 [5.28]
3.1
17.8 [5.22]
3.2
17.5 [5.13]
3.3
25
[-3.9]
Total BTUH [kW]
Power
31.8 [9.32]
2.6
31.3 [9.17]
2.7
30.9 [9.06]
2.8
30.5 [8.94]
3.0
30.1 [8.82]
3.0
29.7 [8.70]
3.1
29.1 [8.53]
3.3
28.7 [8.41]
3.4
28.3 [8.29]
3.5
35
[1.7]
Total BTUH [kW]
Power
38.5 [11.28]
2.8
38.0 [11.14]
2.8
37.5 [10.99]
2.9
37.3 [10.93]
3.1
36.7 [10.76]
3.2
36.2 [10.61]
3.2
35.8 [10.49]
3.4
35.3 [10.35]
3.5
34.8 [10.20]
3.6
20
[-6.7]
Total BTUH [kW]
Power
28.2 [8.26]
2.6
27.8 [8.15]
2.6
27.4 [8.03]
2.7
26.9 [7.88]
2.9
26.6 [7.80]
3.0
26.2 [7.68]
3.0
25.5 [7.47]
3.3
25.2 [7.39]
3.4
24.8 [7.27]
3.4
30
[-1.1]
Total BTUH [kW]
Power
35.2 [10.32]
2.7
34.7 [10.17]
2.8
34.2 [10.02]
2.8
34.0 [9.96]
3.0
33.5 [9.82]
3.1
33.0 [9.67]
3.2
32.5 [9.52]
3.4
32.1 [9.41]
3.5
31.6 [9.26]
3.6
40
[4.4]
Total BTUH [kW]
Power
41.7 [12.22]
2.8
41.1 [12.05]
2.9
40.6 [11.90]
3.0
40.5 [11.87]
3.1
39.9 [11.69]
3.2
39.3 [11.52]
3.3
39.0 [11.43]
3.5
38.5 [11.28]
3.6
37.9 [11.11]
3.7
50
[10]
Total BTUH [kW]
Power
47.7 [13.98]
2.9
47.1 [13.80]
3.0
46.4 [13.60]
3.1
46.5 [13.63]
3.3
45.8 [13.42]
3.3
45.2 [13.25]
3.4
45.0 [13.19]
3.6
44.4 [13.01]
3.7
43.8 [12.84]
3.8
45
[7.2]
Total BTUH [kW]
Power
44.8 [13.13]
2.9
44.2 [12.95]
2.9
43.5 [12.75]
3.0
43.5 [12.75]
3.2
42.9 [12.57]
3.3
42.3 [12.40]
3.4
42.1 [12.34]
3.6
41.5 [12.16]
3.7
40.9 [11.99]
3.8
HEATING PERFORMANCE DATA—RQPM-A049CK
IDB —Indoor air dry bulb
[ ] Designates Metric Conversions
5
[-15]
Total BTUH [kW]
Power
15.2 [4.45]
2.4
15.0 [4.40]
2.4
14.7 [4.31]
2.5
13.8 [4.04]
2.7
13.6 [3.99]
2.8
13.4 [3.93]
2.9
12.5 [3.66]
3.1
12.3 [3.60]
3.2
12.1 [3.55]
3.2
IDB
15
[-9.4]
60°F [15.5°C]
Total BTUH [kW]
Power
21.8 [6.39]
2.5
70°F [21.1°C]
21.5 [6.30]
2.6
21.2 [6.21]
2.6
80°F [26.7°C]
20.4 [5.98]
2.8
20.1 [5.89]
2.9
CFM [L/s]
19.9 [5.83]
3.0
19.1 [5.60]
3.2
1860 [878] 1550 [732] 1240 [585] 1860 [878] 1550 [732] 1240 [585] 1860 [878] 1550 [732] 1240 [585]
18.8 [5.51]
3.3
18.5 [5.42]
3.4
O
U
T
D
O
O
R
D
R
Y
B
U
L
B
T
E
M
P
E
R
A
T
U
R
E
°F
[°C]
0
[-17.8]
Total BTUH [kW]
Power
11.9 [3.49]
2.3
11.7 [3.43]
2.4
11.5 [3.37]
2.4
10.5 [3.08]
2.7
10.4 [3.05]
2.7
10.2 [2.99]
2.8
9.1 [2.67]
3.0
9.0 [2.64]
3.1
8.9 [2.61]
3.2
10
[-12.2]
Total BTUH [kW]
Power
18.5 [5.42]
2.4
18.2 [5.33]
2.5
18.0 [5.28]
2.6
17.1 [5.01]
2.8
16.9 [4.95]
2.8
16.6 [4.86]
2.9
15.8 [4.63]
3.1
15.5 [4.54]
3.2
15.3 [4.48]
3.3
25
[-3.9]
Total BTUH [kW]
Power
28.4 [8.32]
2.6
28.0 [8.21]
2.7
27.6 [8.09]
2.8
27.1 [7.94]
3.0
26.7 [7.82]
3.0
26.3 [7.71]
3.1
25.7 [7.53]
3.3
25.3 [7.41]
3.4
25.0 [7.33]
3.5
35
[1.7]
Total BTUH [kW]
Power
35.0 [10.26]
2.8
34.5 [10.11]
2.8
34.0 [9.96]
2.9
33.7 [9.88]
3.1
33.2 [9.73]
3.2
32.7 [9.58]
3.2
32.3 [9.47]
3.4
31.9 [9.35]
3.5
31.4 [9.20]
3.6
20
[-6.7]
Total BTUH [kW]
Power
25.1 [7.36]
2.6
24.7 [7.24]
2.6
24.4 [7.15]
2.7
23.7 [6.95]
2.9
23.4 [6.86]
3.0
23.1 [6.77]
3.0
22.4 [6.56]
3.3
22.1 [6.48]
3.4
21.8 [6.39]
3.4
30
[-1.1]
Total BTUH [kW]
Power
31.7 [9.29]
2.7
31.3 [9.17]
2.8
30.8 [9.03]
2.8
30.4 [8.91]
3.0
29.9 [8.76]
3.1
29.5 [8.65]
3.2
29.0 [8.50]
3.4
28.6 [8.38]
3.5
28.2 [8.26]
3.6
40
[4.4]
Total BTUH [kW]
Power
38.3 [11.22]
2.8
37.8 [11.08]
2.9
37.3 [10.93]
3.0
37.0 [10.84]
3.1
36.5 [10.70]
3.2
36.0 [10.55]
3.3
35.6 [10.43]
3.5
35.1 [10.29]
3.6
34.6 [10.14]
3.7
50
[10]
Total BTUH [kW]
Power
45.0 [13.19]
2.9
44.3 [12.98]
3.0
43.7 [12.81]
3.1
43.6 [12.78]
3.3
43.0 [12.60]
3.3
42.4 [12.43]
3.4
42.3 [12.40]
3.6
41.7 [12.22]
3.7
41.1 [12.05]
3.8
45
[7.2]
Total BTUH [kW]
Power
41.7 [12.22]
2.9
41.1 [12.05]
2.9
40.5 [11.87]
3.0
40.3 [11.81]
3.2
39.7 [11.63]
3.3
39.2 [11.49]
3.4
39.0 [11.43]
3.6
38.4 [11.25]
3.7
37.9 [11.11]
3.8
33
SYSTEMS PERFORMANCE—RQPM- SERIES

HEATING PERFORMANCE DATA—RQPM-A049JK
IDB —Indoor air dry bulb
5
[-15]
Total BTUH [kW]
Power
27.7 [8.12]
2.3
27.3 [8.00]
2.4
26.9 [7.88]
2.4
26.3 [7.71]
2.7
26.0 [7.62]
2.7
25.6 [7.50]
2.8
25.0 [7.33]
3.0
24.6 [7.21]
3.0
24.2 [7.09]
3.1
IDB
15
[-9.4]
60°F [15.5°C]
Total BTUH [kW]
Power
31.3 [9.17]
2.4
70°F [21.1°C]
30.9 [9.06]
2.5
30.5 [8.94]
2.6
80°F [26.7°C]
30.0 [8.79]
2.8
29.5 [8.65]
2.9
CFM [L/s]
29.1 [8.53]
3.0
28.6 [8.38]
3.1
1860 [878] 1550 [732] 1240 [585] 1860 [878] 1550 [732] 1240 [585] 1860 [878] 1550 [732] 1240 [585]
28.2 [8.26]
3.2
27.8 [8.15]
3.3
O
U
T
D
O
O
R
D
R
Y
B
U
L
B
T
E
M
P
E
R
A
T
U
R
E
°F
[°C]
0
[-17.8]
Total BTUH [kW]
Power
25.9 [7.59]
2.2
25.5 [7.47]
2.3
25.1 [7.36]
2.4
24.5 [7.18]
2.6
24.2 [7.09]
2.7
23.8 [6.98]
2.7
23.1 [6.77]
2.9
22.8 [6.68]
3.0
22.5 [6.59]
3.0
10
[-12.2]
Total BTUH [kW]
Power
29.5 [8.65]
2.4
29.1 [8.53]
2.4
28.7 [8.41]
2.5
28.1 [8.24]
2.7
27.8 [8.15]
2.8
27.4 [8.03]
2.9
26.8 [7.85]
3.0
26.4 [7.74]
3.1
26.0 [7.62]
3.2
25
[-3.9]
Total BTUH [kW]
Power
35.0 [10.26]
2.6
34.5 [10.11]
2.6
34.0 [9.96]
2.7
33.6 [9.85]
2.9
33.1 [9.70]
3.0
32.7 [9.58]
3.1
32.2 [9.44]
3.2
31.8 [9.32]
3.3
31.3 [9.17]
3.4
35
[1.7]
Total BTUH [kW]
Power
38.6 [11.31]
2.7
38.1 [11.17]
2.8
37.5 [10.99]
2.8
37.3 [10.93]
3.1
36.7 [10.76]
3.2
36.2 [10.61]
3.2
35.9 [10.52]
3.4
35.4 [10.37]
3.4
34.9 [10.23]
3.5
20
[-6.7]
Total BTUH [kW]
Power
33.2 [9.73]
2.5
32.7 [9.58]
2.6
32.2 [9.44]
2.6
31.8 [9.32]
2.9
31.3 [9.17]
2.9
30.9 [9.06]
3.0
30.4 [8.91]
3.2
30.0 [8.79]
3.2
29.6 [8.67]
3.3
30
[-1.1]
Total BTUH [kW]
Power
36.8 [10.79]
2.6
36.3 [10.64]
2.7
35.8 [10.49]
2.8
35.4 [10.37]
3.0
34.9 [10.23]
3.1
34.4 [10.08]
3.2
34.1 [9.99]
3.3
33.6 [9.85]
3.4
33.1 [9.70]
3.5
40
[4.4]
Total BTUH [kW]
Power
40.5 [11.87]
2.8
39.9 [11.69]
2.8
39.3 [11.52]
2.9
39.1 [11.46]
3.1
38.5 [11.28]
3.2
38.0 [11.14]
3.3
37.7 [11.05]
3.4
37.2 [10.90]
3.5
36.6 [10.73]
3.6
50
[10]
Total BTUH [kW]
Power
44.1 [12.92]
2.9
43.5 [12.75]
3.0
42.9 [12.57]
3.0
42.7 [12.51]
3.3
42.1 [12.34]
3.4
41.5 [12.16]
3.4
41.3 [12.10]
3.6
40.8 [11.96]
3.6
40.2 [11.78]
3.7
45
[7.2]
Total BTUH [kW]
Power
42.3 [12.40]
2.8
41.7 [12.22]
2.9
41.1 [12.05]
3.0
40.9 [11.99]
3.2
40.3 [11.81]
3.3
39.7 [11.63]
3.4
39.5 [11.58]
3.5
39.0 [11.43]
3.6
38.4 [11.25]
3.7
HEATING PERFORMANCE DATA—RQPM-A060
IDB —Indoor air dry bulb
[ ] Designates Metric Conversions
IDB 60°F [15.5°C] 70°F [21.1°C] 80°F [26.7°C]
CFM [L/s] 2280 [1076] 1900 [897] 1520 [717] 2280 [1076] 1900 [897] 1520 [717] 2280 [1076] 1900 [897] 1520 [717]
O
U
T
D
O
O
R
D
R
Y
B
U
L
B
T
E
M
P
E
R
A
T
U
R
E
°F
[°C]
0
[-17.8]
Total BTUH [kW]
Power
22.8 [6.68]
2.9
22.5 [6.59]
2.9
22.2 [6.51]
3.0
21.6 [6.33]
3.4
21.3 [6.24]
3.5
21.0 [6.15]
3.5
20.3 [5.95]
3.9
20.0 [5.86]
4.0
19.7 [5.77]
4.1
5
[-15]
Total BTUH [kW]
Power
26.7 [7.83]
3.0
26.3 [7.71]
3.0
25.9 [7.59]
3.1
25.5 [7.47]
3.5
25.1 [7.36]
3.5
24.8 [7.27]
3.6
24.2 [7.09]
4.0
23.8 [6.98]
4.1
23.5 [6.89]
4.2
15
[-9.4]
Total BTUH [kW]
Power
34.5 [10.11]
3.1
34.0 [9.96]
3.2
33.6 [9.85]
3.3
33.3 [9.76]
3.6
32.8 [9.61]
3.7
32.4 [9.50]
3.8
32.0 [9.38]
4.1
31.6 [9.26]
4.2
31.1 [9.11]
4.4
10
[-12.2]
Total BTUH [kW]
Power
30.6 [8.97]
3.0
30.2 [8.85]
3.1
29.7 [8.70]
3.2
29.4 [8.62]
3.5
29.0 [8.50]
3.6
28.6 [8.38]
3.7
28.1 [8.24]
4.1
27.7 [8.12]
4.2
27.3 [8.00]
4.3
25
[-3.9]
Total BTUH [kW]
Power
42.4 [12.43]
3.3
41.8 [12.25]
3.4
41.2 [12.07]
3.5
41.2 [12.07]
3.8
40.6 [11.90]
3.9
40.0 [11.72]
4.0
39.9 [11.69]
4.3
39.3 [11.52]
4.4
38.8 [11.37]
4.5
35
[1.7]
Total BTUH [kW]
Power
50.3 [14.74]
3.4
49.6 [14.54]
3.5
48.9 [14.33]
3.6
49.1 [14.39]
3.9
48.4 [14.18]
4.0
47.7 [13.98]
4.1
47.8 [14.01]
4.5
47.1 [13.80]
4.6
46.5 [13.63]
4.7
20
[-6.7]
Total BTUH [kW]
Power
38.5 [11.28]
3.2
37.9 [11.11]
3.3
37.4 [10.96]
3.4
37.2 [10.90]
3.7
36.7 [10.76]
3.8
36.2 [10.61]
3.9
35.9 [10.52]
4.2
35.4 [10.37]
4.3
34.9 [10.23]
4.4
30
[-1.1]
Total BTUH [kW]
Power
46.4 [13.60]
3.4
45.7 [13.39]
3.5
45.0 [13.19]
3.5
45.1 [13.22]
3.9
44.5 [13.04]
4.0
43.9 [12.87]
4.1
43.8 [12.84]
4.4
43.2 [12.66]
4.5
42.6 [12.48]
4.6
40
[4.4]
Total BTUH [kW]
Power
54.3 [15.91]
3.5
53.5 [15.68]
3.6
52.8 [15.47]
3.7
53.1 [15.56]
4.0
52.3 [15.33]
4.1
51.6 [15.12]
4.2
51.8 [15.18]
4.5
51.1 [14.98]
4.7
50.3 [14.74]
4.8
50
[10]
Total BTUH [kW]
Power
62.3 [18.26]
3.7
61.4 [17.99]
3.8
60.6 [17.76]
3.9
61.1 [17.91]
4.2
60.2 [17.64]
4.3
59.4 [17.41]
4.4
59.8 [17.53]
4.7
58.9 [17.26]
4.8
58.1 [17.03]
5.0
45
[7.2]
Total BTUH [kW]
Power
58.3 [17.09]
3.6
57.5 [16.85]
3.7
56.7 [16.62]
3.8
57.1 [16.73]
4.1
56.3 [16.50]
4.2
55.5 [16.27]
4.3
55.8 [16.35]
4.6
55.0 [16.12]
4.7
54.2 [15.88]
4.9
34
SYSTEMS PERFORMANCE—RQPM- SERIES

35
SYSTEMS PERFORMANCE—RQRM- SERIES
HEATING PERFORMANCE DATA—RQRM-A030JK
IDB —Indoor air dry bulb
IDB 60°F [15.5°C] 70°F [21.1°C] 80°F [26.7°C]
CFM [L/s] 1200 [566] 1000 [472] 800 [378] 1200 [566] 1000 [472] 800 [378] 1200 [566] 1000 [472] 800 [378]
O
U
T
D
O
O
R
D
R
Y
B
U
L
B
T
E
M
P
E
R
A
T
U
R
E
°F
[°C]
0
[-17.8]
Total BTUH [kW]
Power
9.3 [2.7]
1.5
9.2 [2.7]
1.5
9.0 [2.6]
1.6
8.4 [2.5]
1.6
8.3 [2.4]
1.7
8.2 [2.4]
1.7
7.5 [2.2]
1.9
7.4 [2.2]
1.9
7.3 [2.1]
2.0
5
[-15]
Total BTUH [kW]
Power
11.5 [3.4]
1.5
11.3 [3.3]
1.6
11.1 [3.3]
1.6
10.6 [3.1]
1.7
10.4 [3.0]
1.7
10.3 [3.0]
1.8
9.7 [2.8]
1.9
9.5 [2.8]
2.0
9.4 [2.8]
2.0
15
[-9.4]
Total BTUH [kW]
Power
15.8 [4.6]
1.6
15.6 [4.6]
1.6
15.4 [4.5]
1.7
14.9 [4.4]
1.7
14.7 [4.3]
1.8
14.5 [4.2]
1.8
14.0 [4.1]
2.0
13.8 [4.0]
2.0
13.6 [4.0]
2.1
10
[-12.2]
Total BTUH [kW]
Power
13.6 [4.0]
1.6
13.4 [3.9]
1.6
13.2 [3.9]
1.6
12.7 [3.7]
1.7
12.6 [3.7]
1.7
12.4 [3.6]
1.8
11.8 [3.5]
1.9
11.7 [3.4]
2.0
11.5 [3.4]
2.0
25
[-3.9]
Total BTUH [kW]
Power
20.1 [5.9]
1.7
19.9 [5.8]
1.7
19.6 [5.7]
1.7
19.2 [5.6]
1.8
19.0 [5.6]
1.8
18.7 [5.5]
1.9
18.3 [5.4]
2.0
18.1 [5.3]
2.1
17.8 [5.2]
2.2
35
[1.7]
Total BTUH [kW]
Power
24.5 [7.2]
1.7
24.1 [7.1]
1.8
23.8 [7.0]
1.8
23.6 [6.9]
1.9
23.3 [6.8]
1.9
22.9 [6.7]
2.0
22.7 [6.7]
2.1
22.4 [6.6]
2.2
22.0 [6.4]
2.2
20
[-6.7]
Total BTUH [kW]
Power
18.0 [5.3]
1.6
17.7 [5.2]
1.7
17.5 [5.1]
1.7
17.1 [5.0]
1.8
16.8 [4.9]
1.8
16.6 [4.9]
1.9
16.2 [4.7]
2.0
15.9 [4.7]
2.1
15.7 [4.6]
2.1
30
[-1.1]
Total BTUH [kW]
Power
22.3 [6.5]
1.7
22.0 [6.4]
1.7
21.7 [6.4]
1.8
21.4 [6.3]
1.8
21.1 [6.2]
1.9
20.8 [6.1]
1.9
20.5 [6.0]
2.1
20.2 [5.9]
2.1
19.9 [5.8]
2.2
40
[4.4]
Total BTUH [kW]
Power
26.6 [7.8]
1.8
26.3 [7.7]
1.8
25.9 [7.6]
1.8
25.8 [7.6]
1.9
25.4 [7.4]
1.9
25.0 [7.3]
2.0
24.9 [7.3]
2.1
24.5 [7.2]
2.2
24.2 [7.1]
2.3
50
[10]
Total BTUH [kW]
Power
31.0 [9.1]
1.8
30.6 [9.0]
1.9
30.1 [8.8]
1.9
30.1 [8.8]
2.0
29.7 [8.7]
2.0
29.2 [8.6]
2.1
29.2 [8.6]
2.2
28.8 [8.4]
2.3
28.4 [8.3]
2.3
45
[7.2]
Total BTUH [kW]
Power
28.8 [8.4]
1.8
28.4 [8.3]
1.8
28.0 [8.2]
1.9
27.9 [8.2]
1.9
27.5 [8.1]
2.0
27.1 [7.9]
2.0
27.0 [7.9]
2.2
26.6 [7.8]
2.2
26.3 [7.7]
2.3
HEATING PERFORMANCE DATA—RQRM-A036JK
IDB —Indoor air dry bulb
[ ] Designates Metric Conversions
IDB 60°F [15.5°C] 70°F [21.1°C] 80°F [26.7°C]
CFM [L/s] 1440 [680] 1200 [566] 960 [453] 1440 [680] 1200 [566] 960 [453] 1440 [680] 1200 [566] 960 [453]
O
U
T
D
O
O
R
D
R
Y
B
U
L
B
T
E
M
P
E
R
A
T
U
R
E
°F
[°C]
0
[-17.8]
Total BTUH [kW]
Power
11.0 [3.2]
1.7
10.9 [3.2]
1.8
10.7 [3.1]
1.8
10.0 [2.9]
1.9
9.8 [2.9]
2.0
9.7 [2.8]
2.0
9.0 [2.6]
2.3
8.8 [2.6]
2.4
8.7 [2.5]
2.5
5
[-15]
Total BTUH [kW]
Power
13.5 [4.0]
1.8
13.3 [3.9]
1.8
13.1 [3.8]
1.9
12.4 [3.6]
2.0
12.3 [3.6]
2.0
12.1 [3.5]
2.1
11.4 [3.3]
2.4
11.2 [3.3]
2.4
11.1 [3.3]
2.5
15
[-9.4]
Total BTUH [kW]
Power
18.4 [5.4]
1.9
18.1 [5.3]
1.9
17.9 [5.2]
2.0
17.4 [5.1]
2.1
17.1 [5.0]
2.1
16.9 [5.0]
2.2
16.3 [4.8]
2.5
16.1 [4.7]
2.5
15.9 [4.7]
2.6
10
[-12.2]
Total BTUH [kW]
Power
15.9 [4.7]
1.8
15.7 [4.6]
1.9
15.5 [4.5]
1.9
14.9 [4.4]
2.0
14.7 [4.3]
2.1
14.5 [4.2]
2.2
13.9 [4.1]
2.4
13.7 [4.0]
2.5
13.5 [4.0]
2.6
25
[-3.9]
Total BTUH [kW]
Power
23.3 [6.8]
2.0
23.0 [6.7]
2.0
22.7 [6.7]
2.1
22.3 [6.5]
2.2
22.0 [6.4]
2.2
21.7 [6.4]
2.3
21.2 [6.2]
2.6
20.9 [6.1]
2.6
20.6 [6.0]
2.7
35
[1.7]
Total BTUH [kW]
Power
28.2 [8.3]
2.1
27.8 [8.1]
2.1
27.4 [8.0]
2.2
27.2 [8.0]
2.3
26.8 [7.9]
2.3
26.4 [7.7]
2.4
26.2 [7.7]
2.7
25.8 [7.6]
2.7
25.4 [7.4]
2.8
20
[-6.7]
Total BTUH [kW]
Power
20.9 [6.1]
1.9
20.6 [6.0]
2.0
20.3 [5.9]
2.0
19.8 [5.8]
2.1
19.5 [5.7]
2.2
19.3 [5.7]
2.3
18.8 [5.5]
2.5
18.5 [5.4]
2.6
18.3 [5.4]
2.7
30
[-1.1]
Total BTUH [kW]
Power
25.8 [7.6]
2.0
25.4 [7.4]
2.1
25.1 [7.4]
2.1
24.7 [7.2]
2.2
24.4 [7.2]
2.3
24.0 [7.0]
2.4
23.7 [6.9]
2.6
23.4 [6.9]
2.7
23.0 [6.7]
2.8
40
[4.4]
Total BTUH [kW]
Power
30.7 [9.0]
2.1
30.3 [8.9]
2.2
29.8 [8.7]
2.2
29.7 [8.7]
2.3
29.2 [8.6]
2.4
28.8 [8.4]
2.5
28.6 [8.4]
2.7
28.2 [8.3]
2.8
27.8 [8.1]
2.9
50
[10]
Total BTUH [kW]
Power
35.6 [10.4]
2.2
35.1 [10.3]
2.3
34.6 [10.1]
2.3
34.6 [10.1]
2.4
34.1 [10.0]
2.5
33.6 [9.8]
2.6
33.5 [9.8]
2.8
33.1 [9.7]
2.9
32.6 [9.6]
3.0
45
[7.2]
Total BTUH [kW]
Power
33.2 [9.7]
2.2
32.7 [9.6]
2.2
32.2 [9.4]
2.3
32.1 [9.4]
2.4
31.7 [9.3]
2.4
31.2 [9.1]
2.5
31.1 [9.1]
2.8
30.6 [9.0]
2.8
30.2 [8.9]
2.9

36
SYSTEMS PERFORMANCE—RQRM- SERIES
HEATING PERFORMANCE DATA—RQRM-A048JK
IDB —Indoor air dry bulb
[ ] Designates Metric Conversions
IDB 60°F [15.5°C] 70°F [21.1°C] 80°F [26.7°C]
CFM [L/s] 1860 [878] 1525 [720] 1240 [585] 1860 [878] 1525 [720] 1240 [585] 1860 [878] 1525 [720] 1240 [585]
O
U
T
D
O
O
R
D
R
Y
B
U
L
B
T
E
M
P
E
R
A
T
U
R
E
°F
[°C]
0
[-17.8]
Total BTUH [kW]
Power
12.7 [3.7]
2.0
12.5 [3.7]
2.0
12.3 [3.6]
2.1
11.5 [3.4]
2.2
11.3 [3.3]
2.3
11.2 [3.3]
2.3
10.3 [3.0]
2.6
10.2 [3.0]
2.7
10.0 [2.9]
2.7
5
[-15]
Total BTUH [kW]
Power
16.1 [4.7]
2.0
15.8 [4.6]
2.1
15.6 [4.6]
2.1
14.9 [4.4]
2.3
14.6 [4.3]
2.3
14.4 [4.2]
2.4
13.7 [4.0]
2.6
13.5 [4.0]
2.7
13.3 [3.9]
2.8
15
[-9.4]
Total BTUH [kW]
Power
22.8 [6.7]
2.2
22.4 [6.6]
2.2
22.1 [6.5]
2.3
21.6 [6.3]
2.4
21.3 [6.2]
2.5
21.0 [6.2]
2.5
20.4 [6.0]
2.8
20.1 [5.9]
2.8
19.8 [5.8]
2.9
10
[-12.2]
Total BTUH [kW]
Power
19.4 [5.7]
2.1
19.1 [5.6]
2.1
18.9 [5.5]
2.2
18.2 [5.3]
2.3
18.0 [5.3]
2.4
17.7 [5.2]
2.5
17.1 [5.0]
2.7
16.8 [4.9]
2.8
16.6 [4.9]
2.8
25
[-3.9]
Total BTUH [kW]
Power
29.5 [8.6]
2.3
29.1 [8.5]
2.3
28.7 [8.4]
2.4
28.3 [8.3]
2.5
27.9 [8.2]
2.6
27.5 [8.1]
2.7
27.1 [7.9]
2.9
26.7 [7.8]
3.0
26.4 [7.7]
3.0
35
[1.7]
Total BTUH [kW]
Power
36.2 [10.6]
2.4
35.7 [10.5]
2.5
35.2 [10.3]
2.5
35.1 [10.3]
2.7
34.5 [10.1]
2.7
34.1 [10.0]
2.8
33.9 [9.9]
3.0
33.4 [9.8]
3.1
32.9 [9.6]
3.2
20
[-6.7]
Total BTUH [kW]
Power
26.1 [7.6]
2.2
25.7 [7.5]
2.3
25.4 [7.4]
2.3
25.0 [7.3]
2.5
24.6 [7.2]
2.5
24.3 [7.1]
2.6
23.8 [7.0]
2.8
23.4 [6.9]
2.9
23.1 [6.8]
3.0
30
[-1.1]
Total BTUH [kW]
Power
32.9 [9.6]
2.3
32.4 [9.5]
2.4
31.9 [9.3]
2.5
31.7 [9.3]
2.6
31.2 [9.1]
2.7
30.8 [9.0]
2.7
30.5 [8.9]
3.0
30.0 [8.8]
3.0
29.6 [8.7]
3.1
40
[4.4]
Total BTUH [kW]
Power
39.6 [11.6]
2.5
39.0 [11.4]
2.5
38.5 [11.3]
2.6
38.4 [11.3]
2.7
37.8 [11.1]
2.8
37.3 [10.9]
2.9
37.2 [10.9]
3.1
36.7 [10.8]
3.2
36.2 [10.6]
3.2
50
[10]
Total BTUH [kW]
Power
46.3 [13.6]
2.6
45.6 [13.4]
2.7
45.0 [13.2]
2.7
45.2 [13.2]
2.8
44.5 [13.0]
2.9
43.9 [12.9]
3.0
44.0 [12.9]
3.2
43.3 [12.7]
3.3
42.7 [12.5]
3.4
45
[7.2]
Total BTUH [kW]
Power
43.0 [12.6]
2.5
42.3 [12.4]
2.6
41.7 [12.2]
2.7
41.8 [12.3]
2.8
41.1 [12.0]
2.9
40.6 [11.9]
2.9
40.6 [11.9]
3.1
40.0 [11.7]
3.2
39.4 [11.5]
3.3

External Static Pressure—Inches W.C. [kPa]
CFM [L/s] Air Delivery/RPM/Watts—230 Volts Side Discharge—Wet Coil
RPM 533
Blower Size/
Motor
HP [W] &
# of Speeds
Nominal
Cooling
Capacity
Tons [kW]
10x9
1/3 HP [249]
2 Speed
(PSC Motor)
Motor
Speed
from
Factory
570
Manufacturer
Recommended
Air-Flow Range
(Min/Max) CFM
Motor
Speed
659 746 795 863 934
Watts 336 331 326 314 303 280 271
10x9
1/2 HP [373]
2 Speed
(PSC Motor)
11x9
1/2 HP [373]
2 Speed
(PSC Motor)
High
CFM 1312 [619] 1301 [614] 1292 [610] 1276 [602] 1246 [588] 1196 [564]
0.1 [.02] 0.2 [.05] 0.3 [.07] 0.4 [.10] 0.5 [.12] 0.6 [.15] 0.7 [.17]
1117 [527]
RPM 592 646 712 768
RPM 450 533 626 742 799 894 932
824 883 933
349
1012
1003 [473]
Watts 278 273 269 254 244 227 216
10x9
1/4 HP [186]
2 Speed
(PSC Motor)
227
11x9
3/4 HP [559]
2 Speed
(PSC Motor)
1019
596 [281]
High
CFM 1230 [580] 1223 [577] 1216 [574] 1211 [572] 1187 [560] 1125 [531] 1020 [481]
2.5
[8.79] Low 875/1125
Low
CFM 1032 [487]
RPM 575 643 703 767 819 877 976
1030 [486] 1014 [478] 979 [462] 923 [436] 843 [398] 735 [347]
Watts 482 473 466 454 433 421 401 329
1035
845 [399]
210
1050
423 [200]
—
—
—
—
—
—
RPM 648 705 754 802 854 896 985
Watts 398 395 387 391 370 361 323
11x9
3/4 HP [559]
2 Speed
(PSC Motor)
High
CFM 2068 [976] 2008 [948] 1957 [924] 1905 [899] 1841 [869] 1753 [827] 1629 [769]
RPM 850 883 917 946 972 999 1028
626
1049
1458 [688]
310
1008
788 [372]
3.0
[10.55] Low 1050/1350
Low
CFM 1261 [595] 1253 [591] 1225 [578] 1177 [555] 1110 [524]
341
1023 [483] 915 [432]
Watts 826 806 784 762 734 702 658 546
1091
1228 [580]
300
1041
641 [303]
512
1108
929 [438]
—
—
—
RPM 540 579 633 686 724 776 831
Watts 482 479 477 470 459 453 437
High
CFM 1960 [925] 1936 [914] 1903 [898] 1859 [877] 1806 [852] 1742 [822] 1669 [788]
RPM 703 727 750 780 809
1001
874 [412]
846 877
686
910
1585 [748]
423
868
1030 [486]
198
3.5
[12.31] Low 1225/1575
Low
CFM 1431 [675] 1394 [658] 1348 [636] 1302 [614]
985
1258 [594] 1208 [570] 1140 [538]
Watts 783 782 776 759 750 729 712
435 [205]
0.8 [.20]
2.0
[7.03] Low
656
700/900
Low
CFM 827 [390] 811 [383] 782 [369] 740 [349] 684 [323] 614 [290] 531 [251]
940
1491 [704]
335
1035
849 [401]
625
Watts 479 468 455 448 431 416 357
975
1387 [655]
292
1076
557 [263]
RPM 576 618 668 708 753 789 832
Watts
279
1072
696 [328]
—
—
—
0.9 [.22]
575 563 556 549 544 532 522
High
CFM 1996 [942] 1976 [933] 1947 [919] 1909 [901] 1863 [879] 1808 [853] 1744 [823]
RPM 680 722
259
1092
504 [238]
—
—
—
1.0 [.25]
752 781 807 833 867
699
912
1671 [789]
503
874
1293 [610]
4.0
[14.07] Low 1400/1800
Low
CFM 1674 [790] 1638 [773] 1595 [753] 1547 [730] 1492 [704] 1432 [676] 1365 [644]
Watts 799 787 784 760 753 749 730 693
936
1590 [750]
483
915
1214 [573]
652
973
1500 [708]
465
954
1129 [533]
RPM 689 723 756 798 822 855 889
Watts 886 870 865 849 831 817 799
High
CFM 2693 [1271] 2654 [1253] 2606 [1230] 2549 [1203] 2483 [1172] 2408 [1136] 2323 [1096]
RPM 876 897 915 938 956 975 996
1228
1009
2230 [1052]
782
924
1702 [803]
5.0
[17.6] Low 1750/2250
Low
CFM 2044 [965] 2017 [952] 1983 [936] 1941 [916] 1892 [893] 1836 [866] 1773 [837]
Watts 1438 1427 1399 1368 1340 1312 1274 1192
1025
2127 [1004]
755
951
1623 [766]
1146
1044
2015 [951]
726
988
1537 [725]
INDOOR AIRFLOW PERFORMANCE—230 VOLTS
[ ] Designates Metric Conversions
37
AIRFLOW PERFORMANCE—RQNM- SERIES

External Static Pressure—Inches W.C. [kPa]
CFM [L/s] Air Delivery/RPM/Watts—208 Volts Side Discharge—Wet Coil
RPM 498
Nominal
Cooling
Capacity
Tons [kW]
Motor
Speed
from
Factory
543
Manufacturer
Recommended
Air-Flow Range
(Min/Max) CFM
Motor
Speed
648 728 806 853 947
Watts 280 278 268 259 252 243 219
High
CFM 1164 [549] 1154 [545] 1143 [539] 1124 [530] 1090 [514] 1034 [489]
0.1 [.02] 0.2 [.05] 0.3 [.07] 0.4 [.10] 0.5 [.12] 0.6 [.15] 0.7 [.17]
948 [447]
RPM 526 596 670 744
RPM 443 528 651 710 819 863 914
803 864 945
310
971
826 [390]
Watts 230 222 219 214 202 196 184
201
989
483 [228]
High
CFM 1062 [501] 1062 [501] 1058 [499] 1043 [492] 1013 [478] 962 [454] 884 [417]
2.5
[8.79] Low 875/1125
Low
CFM 923 [435]
RPM 528 618 674 735 812 895 936
904 [426] 874 [413] 832 [393] 774 [365] 698 [329] 602 [284]
Watts 401 398 388 379 371 350 322 259
1051
660 [311]
—
—
—
235
1078
445 [210]
—
—
—
RPM 556 645 703 769 828 909 —
Watts 346 340 335 326 321 298 —
High
CFM 1884 [889] 1850 [873] 1815 [856] 1772 [836] 1712 [808] 1630 [769] 1516 [715]
RPM 791 834 871 912 946 975 1004
548
1032
1363 [643]
—
—
—
3.0
[10.55] Low 1050/1350
Low
CFM 1145 [540] 1142 [539] 1118 [528] 1073 [506] 1006 [475]
297
918 [433] —
Watts 704 694 675 655 638 606 581 464
1083
1164 [549]
—
—
—
440
1097
910 [430]
—
—
—
RPM 490 539 598 653 709 772 811
Watts 401 400 393 391 381 373 364
High
CFM 1751 [826] 1729 [816] 1698 [801] 1658 [782] 1608 [759] 1549 [731] 1481 [699]
RPM 640 668 706 734 781
985
774 [365]
813 851
581
888
1404 [663]
343
887
846 [399]
—
3.5
[12.31] Low 1225/1575
Low
CFM 1279 [604] 1237 [584] 1196 [564] 1151 [543]
—
1098 [518] 1032 [487] 950 [448]
Watts 660 658 651 644 628 617 603
—
0.8 [.20]
2.0
[7.03] Low
557
700/900
Low
CFM 723 [341] 692 [327] 654 [309] 609 [287] 556 [262] 496 [234] 428 [202]
937
1317 [622]
329
928
717 [338]
524
Watts 396 393 384 376 361 335 318
968
1221 [576]
305
978
558 [263]
RPM 536 578 623 677 718 782 830
Watts
244
1055
627 [296]
—
—
—
0.9 [.22]
471 466 458 455 453 442 429
High
CFM 1786 [843] 1764 [832] 1734 [818] 1695 [800] 1649 [778] 1595 [753] 1532 [723]
RPM 618 643
223
1080
437 [206]
—
—
—
1.0 [.25]
684 726 757 805 841
596
883
1462 [690]
420
863
1055 [498]
4.0
[14.07] Low 1400/1800
Low
CFM 1400 [661] 1393 [658] 1373 [648] 1337 [631] 1288 [608] 1225 [578] 1147 [541]
Watts 665 660 651 646 638 626 612 573
924
1384 [653]
403
902
949 [448]
555
955
1297 [612]
374
976
828 [391]
RPM 660 685 722 755 795 836 867
Watts 731 725 720 707 698 680 665
High
CFM 2444 [1153] 2420 [1142] 2384 [1125] 2337 [1103] 2278 [1075] 2208 [1042] 2127 [1004]
RPM 829 838 863 885 914 936 958
1068
983
2034 [960]
651
904
1486 [701]
5.0
[17.6] Low 1750/2250
Low
CFM 1848 [872] 1821 [859] 1785 [843] 1742 [822] 1690 [798] 1630 [769] 1562 [737]
Watts 1225 1218 1197 1191 1160 1135 1105 1035
1003
1930 [911]
623
940
1402 [662]
980
1029
1814 [856]
596
975
1309 [618]
Blower Size/
Motor
HP [W] &
# of Speeds
10x9
1/3 HP [249]
2 Speed
(PSC Motor)
10x9
1/2 HP [373]
2 Speed
(PSC Motor)
11x9
1/2 HP [373]
2 Speed
(PSC Motor)
10x9
1/4 HP [186]
2 Speed
(PSC Motor)
11x9
3/4 HP [559]
2 Speed
(PSC Motor)
11x9
3/4 HP [559]
2 Speed
(PSC Motor)
INDOOR AIRFLOW PERFORMANCE—208 VOLTS
[ ] Designates Metric Conversions
38
AIRFLOW PERFORMANCE—RQNM- SERIES

External Static Pressure—Inches W.C. [kPa]
CFM [L/s] Air Delivery/RPM/Watts—230 Volts Side Discharge—Wet Coil
RPM 603
Blower Size/
Motor
HP [W] &
# of Speeds
Nominal
Cooling
Capacity
Tons [kW]
10x9
1/3 HP [249]
2 Speed
X-13 (ECM) Motor
Motor
Speed
from
Factory
619
Manufacturer
Recommended
Air-Flow Range
(Min/Max) CFM
Motor
Speed
693 756 809 893 942
Watts 144 130 138 151 159 174 185
10x9
1/2 HP [373]
2 Speed
X-13 (ECM) Motor
11x9
1/2 HP [373]
2 Speed
X-13 (ECM) Motor
High
(Tap 1)
CFM 1365 [644] 1316 [621] 1266 [597] 1217 [574] 1168 [551] 1119 [528]
0.1 [.02] 0.2 [.05] 0.3 [.07] 0.4 [.10] 0.5 [.12] 0.6 [.15] 0.7 [.17]
1069 [505]
RPM 631 677 732 784
RPM 585 601 655 744 809 860 915
843 894 942
279
1035
1020 [481]
Watts 131 116 97 110 121 126 136
10x9
1/4 HP [186]
2 Speed
X-13 (ECM) Motor
195
11x9
3/4 HP [559]
2 Speed
X-13 (ECM) Motor
989
747 [353]
High
(Tap 1)
CFM 1240 [585] 1184 [559] 1127 [532] 1071 [505] 1014 [479] 958 [452] 901 [425]
2.5
[8.79]
Low
(Tap 2) 875/1125
Low
(Tap 2)
CFM 1169 [552]
RPM 607 634 698 761 815 880 946
1109 [523] 1049 [495] 988 [466] 928 [438] 868 [410] 807 [381]
Watts 177 190 204 218 234 247 256 289
1077
971 [458]
199
1034
687 [324]
294
1118
922 [435]
209
1076
626 [295]
RPM 648 697 752 807 857 903 989
Watts 178 191 206 220 233 246 265
11x9
3/4 HP [559]
2 Speed
X-13 (ECM) Motor
High
(Tap 1)
CFM 1510 [713] 1464 [691] 1418 [669] 1373 [648] 1327 [626] 1281 [605] 1235 [583]
RPM 707 743 792 841 890 5021 981
348
1031
1190 [562]
277
1036
990 [467]
3.0
[10.55]
Low
(Tap 2) 1050/1350
Low
(Tap 2)
CFM 1328 [627] 1280 [604] 1231 [581] 1183 [558] 1135 [536]
220
1086 [513] 1038 [490]
Watts 248 261 277 292 307 322 334 366
1114
1144 [540]
286
1077
941 [444]
358
1151
1098 [518]
291
1114
893 [421]
RPM 598 617 662 714 758 800 849
Watts 244 231 237 254 270 285 304
High
(Tap 1)
CFM 1740 [821] 1695 [800] 1649 [778] 1604 [757] 1558 [735] 1513 [714] 1467 [692]
RPM 632 665 709 749 797
989
845 [399]
833 879
426
917
1422 [671]
313
876
1180 [557]
149
3.5
[12.31]
Low
(Tap 2) 1225/1575
Low
(Tap 2)
CFM 1542 [728] 1490 [703] 1438 [679] 1386 [654]
1001
1335 [630] 1283 [606] 1231 [581]
Watts 295 311 331 350 371 386 409
508 [240]
0.8 [.20]
2.0
[7.03]
Low
(Tap 2)
440
700/900
Low
(Tap 2)
CFM 939 [443] 877 [414] 816 [385] 754 [356] 693 [327] 631 [298] 570 [269]
951
1376 [649]
326
913
1128 [532]
454
Watts 161 145 159 173 182 196 210
981
1331 [628]
340
951
1076
RPM 624 648 696 743 787 826 863
Watts
231
1038
788 [372]
152
1043
447 [211]
0.9 [.22]
280 287 309 328 347 363 380
High
(Tap 1)
CFM 1921 [907] 1878 [886] 1835 [866] 1792 [846] 1749 [825] 1706 [805] 1663 [785]
RPM 678 706
237
1091
732 [345]
—
—
—
1.0 [.25]
738 776 816 865 899
517
932
1620 [765]
392
895
1379 [651]
4.0
[14.07]
Low
(Tap 2) 1400/1800
Low
(Tap 2)
CFM 1701 [803] 1655 [781] 1609 [759] 1563 [738] 1517 [716] 1471 [694] 1425 [673]
Watts 385 400 416 439 458 484 501 537
967
1577 [744]
410
934
1333 [629]
550
994
1534 [724]
426
970
1287 [607]
RPM 731 759 792 832 871 909 943
Watts 446 458 477 499 521 543 562
High
(Tap 1)
CFM 2229 [1052] 2190 [1034] 2152 [1016] 2114 [998] 2075 [979] 2037 [961] 1999 [943]
RPM 795 824 851 882 919 952 983
764
1013
1960 [925]
582
979
1700 [802]
5.0
[17.6]
Low
(Tap 2) 1750/2250
Low
(Tap 2)
CFM 1986 [937] 1945 [918] 1905 [899] 1864 [880] 1823 [860] 1782 [841] 1741 [822]
Watts 619 638 658 680 703 724 745 784
1045
1922 [907]
600
1014
1659 [783]
804
1077
1884 [889]
621
1055
1618 [764]
INDOOR AIRFLOW PERFORMANCE—230 VOLTS
[ ] Designates Metric Conversions
39
AIRFLOW PERFORMANCE—RQPM- SERIES

External Static Pressure—Inches W.C. [kPa]
CFM [L/s] Air Delivery/RPM/Watts—208 Volts Side Discharge—Wet Coil
RPM 603
Blower Size/
Motor
HP [W] &
# of Speeds
Nominal
Cooling
Capacity
Tons [kW]
10x9
1/3 HP [249]
2 Speed
X-13 (ECM) Motor
Motor
Speed
from
Factory
626
Manufacturer
Recommended
Air-Flow Range
(Min/Max) CFM
Motor
Speed
690 752 815 906 941
Watts 143 124 136 148 157 175 180
10x9
1/2 HP [373]
2 Speed
X-13 (ECM) Motor
11x9
1/2 HP [373]
2 Speed
X-13 (ECM) Motor
High
(Tap 1)
CFM 1306 [616] 1253 [591] 1200 [566] 1147 [541] 1095 [517] 1042 [492]
0.1 [.02] 0.2 [.05] 0.3 [.07] 0.4 [.10] 0.5 [.12] 0.6 [.15] 0.7 [.17]
989 [467]
RPM 632 679 733 787
RPM 582 606 655 723 808 851 906
841 883 941
266
1035
937 [442]
Watts 132 110 96 106 119 123 132
10x9
1/4 HP [186]
2 Speed
X-13 (ECM) Motor
188
11x9
3/4 HP [559]
2 Speed
X-13 (ECM) Motor
984
717 [338]
High
(Tap 1)
CFM 1229 [580] 1170 [552] 1112 [525] 1054 [497] 996 [470] 938 [443] 879 [415]
2.5
[8.79]
Low
(Tap 2) 875/1125
Low
(Tap 2)
CFM 1162 [548]
RPM 607 634 698 761 815 880 946
1099 [519] 1035 [488] 972 [459] 908 [429] 844 [398] 781 [369]
Watts 174 187 201 215 227 235 248 273
1067
884 [417]
192
1027
654 [309]
277
1099
831 [392]
202
1096
590 [278]
RPM 642 693 747 803 852 903 988
Watts 173 187 200 214 226 238 254
11x9
3/4 HP [559]
2 Speed
X-13 (ECM) Motor
High
(Tap 1)
CFM 1508 [712] 1459 [689] 1409 [665] 1359 [641] 1310 [618] 1260 [595] 1210 [571]
RPM 698 738 789 839 888 933 983
332
1035
1160 [547]
263
1031
961 [454]
3.0
[10.55]
Low
(Tap 2) 1050/1350
Low
(Tap 2)
CFM 1328 [627] 1276 [602] 1223 [577] 1171 [553] 1118 [528]
220
1066 [503] 1013 [478]
Watts 243 255 271 285 299 310 322 343
1103
1111 [524]
—
—
—
343
1137
1061 [501]
—
—
—
RPM 602 619 668 715 757 801 844
Watts 238 227 236 251 266 281 296
High
(Tap 1)
CFM 1724 [814] 1678 [792] 1632 [770] 1586 [749] 1540 [727] 1495 [706] 1449 [684]
RPM 639 671 715 759 794
989
821 [387]
834 875
414
911
1403 [662]
307
878
1154 [545]
144
3.5
[12.31]
Low
(Tap 2) 1225/1575
Low
(Tap 2)
CFM 1531 [723] 1477 [697] 1423 [672] 1370 [647]
996
1316 [621] 1262 [596] 1208 [570]
Watts 295 309 330 348 363 380 397
491 [232]
0.8 [.20]
2.0
[7.03]
Low
(Tap 2)
429
700/900
Low
(Tap 2)
CFM 959 [453] 892 [421] 825 [389] 758 [358] 691 [326] 624 [294] 557 [263]
948
1357 [640]
320
918
1101 [520]
440
Watts 161 145 159 173 182 196 210
977
1311 [619]
333
954
1047 [494]
RPM 619 651 686 741 783 822 859
Watts
231
1038
763 [360]
—
—
—
0.9 [.22]
280 284 298 323 339 355 370
High
(Tap 1)
CFM 1917 [905] 1872 [883] 1827 [862] 1782 [841] 1736 [819] 1691 [798] 1646 [777]
RPM 673 702
237
1091
705 [333]
—
—
—
1.0 [.25]
736 769 818 860 898
504
928
1601 [756]
385
894
1361 [642]
4.0
[14.07]
Low
(Tap 2) 1400/1800
Low
(Tap 2)
CFM 1708 [806] 1658 [782] 1609 [759] 1559 [736] 1510 [713] 1460 [689] 1410 [665]
Watts 377 392 409 426 451 473 490 518
960
1556 [734]
402
937
1311 [619]
531
989
1510 [713]
415
971
1262 [596]
RPM 719 747 779 818 857 894 928
Watts 439 451 469 491 512 534 553
High
(Tap 1)
CFM 2173 [1026] 2136 [1008] 2098 [990] 2061 [973] 2024 [955] 1986 [937] 1949 [920]
RPM 775 803 830 860 896 928 959
745
988
1911 [902]
573
963
1673 [790]
5.0
[17.6]
Low
(Tap 2) 1750/2250
Low
(Tap 2)
CFM 1954 [922] 1914 [903] 1874 [884] 1833 [865] 1793 [846] 1753 [827] 1713 [808]
Watts 604 622 642 663 686 706 727 765
1019
1874 [884]
590
998
1632 [770]
784
1050
1837 [867]
611
1038
1592 [751]
INDOOR AIRFLOW PERFORMANCE—208 VOLTS
[ ] Designates Metric Conversions
40
AIRFLOW PERFORMANCE—RQPM- SERIES

External Static Pressure—Inches W.C. [kPa]
Inches
WC
Recommended
Airflow Range Motor
Speed/
Tap
Setting 0.1 [.02] 0.2 [.05] 0.3 [.07] 0.4 [.10] 0.5 [.12] 0.6 [.15] 0.7 [.17]
Watts 161 125 101 91 93 — —
1125
High CFM 1430 [675] 1340 [632] 1260 [595] 1180 [557] 1110 [524] 1040 [491] 980 [463]
251
920 [434]
—
—
0.8 [.20]
Low
875
Low CFM 1260 [595] 1020 [481] 820 [387] 660 [312] 530 [250] — —
Watts 208 208 210 214 221 229 239 265
870 [411]
—
—
0.9 [.22]
281
820 [387]
—
—
1.0 [.25]
Factory Setting
Motor Speed
Low
Model
RQRM-A030J
Low Watts 161 125 101 91 93 — —
High CFM 1420 [670] 1340 [632] 1260 [595] 1190 [562] 1120 [529] 1060 [500] 1000 [472]
259
940 [444]
—
—
Low
Low CFM 1150 [543] 980 [463] 830 [392] 690 [326] 570 [269] — —
Watts 209 210 212 217 224 233 245 275
890 [420]
—
—
294
840 [396]
—
—
Voltage
208
230
Heating
Speed/Tap
Cooling
Speed/Tap Min Max
Low
RQRM-A036J
Low
208
230 Watts
Watts 158 147 140 136 137 141 150
1350
158 147 140 136
High CFM 1510 [713] 1440 [680] 1380 [651] 1320 [623] 1270 [599] 1220 [576] 1170 [552]
137 141 150
High CFM 1510 [713] 1450 [684] 1390 [656] 1330 [628] 1280 [604] 1240 [585] 1190 [562]
295
1150 [543]
163
730 [345]
Low
Low CFM 1360 [642] 1240 [585] 1130 [533] 1030 [486] 940 [444] 860 [406] 790 [373]
Watts 210 221 232 244 256 269 282 309
1110 [524]
—
323
1080 [510]
—
284
1120 [529]
163
720 [340]
Low
1050
Low CFM 1360 [642] 1240 [585] 1120 [529] 1020 [481] 930 [439] 840 [396] 770 [363]
Watts 222 226 231 239 247 258 270 299
1080 [510]
—
316
1050 [496]
—
Low
RQRM-A048J
Low
208
230 Watts
Watts 226 241 257 273 289 305 321
1800
226 241 257 273
High CFM 1840 [868] 1810 [854] 1770 [835] 1740 821] 1700 [802] 1660 [784] 1620 [765]
289 305 321
High CFM 1840 [868] 1810 [854] 1780 [840] 1740 [821] 1710 [807] 1670 [788] 1630 [769]
495
1590 [750]
338
1310 [618]
Low
Low CFM 1600 [755] 1550 [732] 1510 [713] 1470 [694] 1430 [675] 1390 [656] 1350 [637]
Watts 361 377 393 411 430 451 472 519
1550 [732]
355
1270 [599]
545
1510 [713]
372
1240 [585]
481
1570 [741]
338
1300 614]
Low
1400
Low CFM 1600 [755] 1550 [732] 1510 713] 1460 689] 1420 670] 1380 651] 1340 632]
Watts 348 365 382 400 419 439 460 504
1530 [722]
355
1260 595]
527
1480 [699]
372
1,230 581]
INDOOR AIRFLOW PERFORMANCE—208/240 VOLTS
[ ] Designates Metric Conversions
41
AIRFLOW PERFORMANCE—RQRM- SERIES

ELECTRICAL DATA – RQNM SERIES
Minimum Circuit Ampacity 20/20
Unit Information
Unit Operating
Voltage Range 187-253
Minimum Overcurrent
Protection Device Size 25/25
Maximum Overcurrent
Protection Device Size 30/30
Compressor Motor
No. 1
Volts 208/230
Phase 1
HP 2
RPM 3450
Amps (RLA) 13.5/13.5
Amps (LRA) 58.3/58.3
Condenser Motor
No. 1
Volts 208/230
Phase 1
HP 1/3
Amps (FLA) 1.5
Amps (LRA) 3
Evaporator Fan
No. 1
Volts 208/230
Phase 1
HP 1/4
Amps (FLA) 1.5
Amps (LRA) 2.6 2.6
1.7
1/3
1
208/230
1
3
1.5
1/3
1
208/230
1
73/73
14.1/14.1
3450
2.5
1
208/230
1
35/35
25/25
21/21
187-253
5
2.5
1/2
1
208/230
1
3
1.5
1/3
1
208/230
1
88/88
10.4/10.4
3450
3
3
208/230
1
25/25
20/20
17/17
187-253
5
2.5
1/2
1
208/230
1
3
1.5
1/3
1
208/230
1
79/79
16.7/16.7
3450
3
1
208/230
1
40/40
30/30
25/25
187-253
4.6
2.7
1/2
1
208/230
1
4
1.9
1/3
1
208/230
1
95/95
14.1/14.1
3450
3.5
3
208/230
1
35/35
30/30
23/23
187-253
4.6
2.7
1/2
1
208/230
1
4
1.9
1/3
1
208/230
1
112/112
21.8/21.8
3450
3.5
1
208/230
1
50/50
40/40
33/33
187-253
4.4
3.2
3/4
1
208/230
1
4
1.9
1/3
1
208/230
1
83.1/83.1
13.7/13.7
3450
4
3
208/230
1
35/35
30/30
23/23
187-253
4.4
3.2
3/4
1
208/230
1
4
1.9
1/3
1
208/230
1
117/117
21.8/21.8
3450
4
1
208/230
1
50/50
40/40
33/33
187-253
11.3
5.8
3/4
1
208/230
1
4
1.9
1/3
1
208/230
1
120/120
17.9/17.9
3450
4.5
3
208/230
1
45/45
35/35
31/31
187-253
11.3
5.8
3/4
1
208/230
1
4
1.9
1/3
1
208/230
1
150/150
26.4/26.4
3450
4.5
1
208/230
1
60/60
50/50
41/41
187-253
-A024JK -A030JK -A036CK -A036JK -A042CK -A042JK -A048CK -A048JK -A060CK -A060JK
42
ELECTRICAL DATA—RQNM- SERIES

ELECTRICAL DATA – RQPM SERIES
Minimum Circuit Ampacity
Minimum Overcurrent
Protection Device Size
23/23
30/30
Maximum Overcurrent
Protection Device Size 35/35
Compressor Motor
No. 1
Volts 208/230
Phase 1
HP 2
RPM 3450
Amps (RLA) 13.5/13.5
Amps (LRA)
Unit Information
Unit Operating
Voltage Range
58.3/58.3
187-253
Condenser Motor
No. 1
Volts 208/230
Phase 1
HP 1/3
Amps (FLA) 1.5
Amps (LRA) 3
Evaporator Fan
No. 1
Volts 208/230
Phase 1
HP 1/2
Amps (FLA) 4.1 4.1
1/2
1
208/230
1
3
1.5
1/3
1
208/230
1
73/73
14.1/14.1
3450
2.5
1
208/230
1
35/35
30/30
21/21
187-253
4.1
1/2
1
208/230
1
3
1.5
1/3
1
208/230
1
88/88
10.4/10.4
3450
3
3
208/230
1
25/25
25/25
19/19
187-253
4.1
1/2
1
208/230
1
3
1.5
1/3
1
208/230
1
79/79
16.7/16.7
3450
3
1
208/230
1
40/40
35/35
27/27
187-253
4.1/4.1
1/2
1
208/230
1
3/3
1.5/1.5
1/3
1
208/230
1
88/88
10.4/10.4
3450
3
3
208/230
1
25/25
25/25
19/19
187-253
4.1/4.1
1/2
1
208/230
1
3/3
1.5/1.5
1/3
1
208/230
1
79/79
16.7/16.7
3450
3
1
208/230
1
40/40
35/35
27/27
187-253
6
3/4
1
208/230
1
4
1.9
1/3
1
208/230
1
95/95
14.1/14.1
3450
3.5
3
208/230
1
35/35
30/30
26/26
187-253
-A024JK -A030JK -A036CK -A036JK -A037CK -A037JK -A042CK
6
3/4
1
208/230
1
4
1.9
1/3
1
208/230
1
112/112
21.8/21.8
3450
3.5
1
208/230
1
50/50
45/45
36/36
187-253
-A042JK
43
ELECTRICAL DATA—RQPM- SERIES

ELECTRICAL DATA – RQPM SERIES
Minimum Circuit Ampacity
Minimum Overcurrent
Protection Device Size
25/25
25/25
Maximum Overcurrent
Protection Device Size 35/35
Compressor Motor
No. 1
Volts 208/230
Phase 3
HP 3450
RPM 3 1/2
Amps (RLA) 13.5/13.5
Amps (LRA)
Unit Information
Unit Operating
Voltage Range
88/88
187-253
Condenser Motor
No. 1
Volts 208/230
Phase 1
HP 1/3
Amps (FLA) 1.9/1.9
Amps (LRA) 4/4
Evaporator Fan
No. 1
Volts 208/230
Phase 1
HP 3/4
Amps (FLA) 6/6 6
3/4
1
208/230
1
4
1.9
1/3
1
208/230
1
110/110
13.7/13.7
3450
4
3
208/230
1
35/35
30/30
26/26
187-253
6
3/4
1
208/230
1
4
1.9
1/3
1
208/230
1
117/117
21.8/21.8
3450
4
1
208/230
1
50/50
45/45
36/36
187-253
6/6
3/4
1
208/230
1
4/4
1.9/1.9
1/3
1
208/230
1
110/110
13.7/13.7
4
3450
3
208/230
1
35/35
30/30
26/26
187-253
6/6
3/4
1
208/230
1
4/4
1.9/1.9
1/3
1
208/230
1
117/117
21.8/21.8
4
3450
1
208/230
1
50/50
45/45
36/36
187-253
7.6
1
1
208/230
1
4
1.9
1/3
1
208/230
1
120/120
17.9/17.9
3450
4.5
3
208/230
1
45/45
40/40
32/32
187-253
7.6
1
1
208/230
1
4
1.9
1/3
1
208/230
1
150/150
26.4/26.4
3450
4.5
1
208/230
1
60/60
50/50
43/43
187-253
-A043CK -A048CK -A048JK -A049CK -A049JK -A060CK -A060JK
31/31
35/35
45/45
1
208/230
1
3450
3 1/2
17.9/17.9
112/112
187-253
1
208/230
1
1/3
1.9/1.9
4/4
1
208/230
1
3/4
6/6
-A043JK
44
ELECTRICAL DATA—RQPM- SERIES

ELECTRICAL DATA – RQRM SERIES
Volts 208/230
Unit Information
Unit Operating
Voltage Range 187-253
Minimum Overcurrent
Protection Device Size 25/25
Maximum Overcurrent
Protection Device Size 30/30
Compressor Motor
No. 1
Volts 208/230
Phase 1
RPM 3450
HP, Compressor 1 2 1/2
Amps (RLA), Comp. 1 12.8/12.8
Amps (LRA), Comp. 1 64/64
Condenser Motor
No. 1
Volts 208/230
Phase 1
HP 1/3
Amps (FLA, each) 1.5/1.5
Amps (LRA, each) 3/3
Evaporator Fan
No. 1
Volts 208/230
Phase 1
HP 1/2
Amps (FLA, each) 4.1/4.1
Amps (LRA, each) 0/0 0/0
4.1/4.1
1/2
1
208/230
1
3/3
1.5/1.5
1/3
1
208/230
1
77/77
14.1/14.1
3
3450
1
208/230
1
35/35
30/30
208/230
187-253
0/0
6/6
3/4
1
208/230
1
4/4
1.9/1.9
1/3
1
208/230
1
109/109
19.9/19.9
4
3450
1
208/230
1
50/50
40/40
208/230
187-253
A030JK A036JK A048JK
Minimum Circuit Ampacity 22/22 24/24 33/33
45
ELECTRICAL DATA—RQRM- SERIES

5.4/7.2C07J 1 18.42/24.56 26/30 53/58 60/60
208-240 VOLT, SINGLE PHASE, 60 HZ, AUXILIARY ELECTRIC HEATER KITS CHARACTERISTICS AND APPLICATION
—
3.6/4.8
60/60
A024J
No Heat — — — 20/20 25/30 25/30
C05J 1 12.28/16.38 17.33/20 42/45 45/50 45/50
Rated
Heater kW
@ 208-240 V
1
—
1
Heater Kit Heat Pump
Unit
Model
No.
RQNM-
Heater Kit Heat Pump
Single Power Supply For Both Unit and Heater Kit Separate Power Supply For Both Unit and Heater Kit
No. of
Sequence
Steps
33/38 35/40 — — —
— — 20/20 25/30 25/30
22/25 25/25 — — —
RXQJ-
Heater Kit
Nominal kW
No. of
Elements
Heater
KBTU/Hr
@ 208-240 V
Heater
Amp.
@ 208-240 V
Unit Min. Ckt.
Ampacity
@ 208-240 V
Over Current
Protective Device Size
Min./Max.
@ 208 V
Min./Max.
@ 240 V
Min. Ckt.
Ampacity
Max. Fuse
Size
Min. Circuit
Ampacity
208-240 V
Over Current
Protective Device Size
Min./Max.
@ 208 V
Min./Max.
@ 240 V
C10J 2 1 7.2/9.6 24.57/32.76 34.7/40 64/70 70/70 70/70 44/50 45/50 — — —
A030J
No Heat — — — — — 21/21 25/35 25/35 — — 21/21 25/35 25/35
C05J 1 1 3.6/4.8 12.28/16.38 17.33/20 43/46 45/50 50/50 22/25 25/25 — — —
C07J 1 1 5.4/7.2 18.42/24.56 26/30 54/59 60/60 60/60 33/38 35/40 — — —
C10J 2 1 7.2/9.6 24.57/32.76 34.7/40 65/71 70/70 80/80 44/50 45/50 — — —
C15J 3 2 10.8/14.4 36.85/49.13 52/60 86/96 90/90 100/100 65/75 70/80 — — —
A036J
No Heat — — — — — 25/25 30/40 30/40 — — 25/25 30/40 30/40
C05J 1 1 3.6/4.8 12.28/16.38 17.33/20 47/50 50/50 60/60 22/25 25/25 — — —
C07J 1 1 5.4/7.2 18.42/24.56 26/30 58/63 60/60 70/70 33/38 35/40 — — —
C10J 2 1 7.2/9.6 24.57/32.76 34.7/40 69/75 70/70 80/80 44/50 45/50 — — —
C15J 3 2 10.8/14.4 36.85/49.13 52/60 90/100 90/90 0/100 65/75 70/80 — — —
C20J 4 2 14.4/19.2 49.12/65.52 69.33/80 112/125 125/125 125/125 87/100 90/100 — — —
A042J
No Heat — — — — — 33/33 40/50 40/50 — — 33/33 40/50 40/50
C05J 1 1 3.6/4.8 12.28/16.38 17.33/20 54/58 60/70 60/70 22/25 25/25 — — —
C07J 1 1 5.4/7.2 18.42/24.56 26/30 65/70 70/70 70/80 33/38 35/40 — — —
C10J 2 1 7.2/9.6 24.57/32.76 34.7/40 76/83 80/80 90/90 44/50 45/50 — — —
C15J 3 2 10.8/14.4 36.85/49.13 52/60 98/108 100/100 110/110 65/75 70/80 — — —
C20J 4 2 14.4/19.2 49.12/65.52 69.33/80 112/133 125/125 150/150 87/100 90/100 — — —
A048J
No Heat — — — — — 33/33 40/50 40/50 — — 33/33 40/50 40/50
C05J 1 1 3.6/4.8 12.28/16.38 17.33/20 55/58 60/70 60/70 22/25 25/25 — — —
C07J 1 1 5.4/7.2 18.42/24.56 26/30 65/70 70/80 70/80 33/38 35/40 — — —
C10J 2 1 7.2/9.6 24.57/32.76 34.7/40 76/83 80/80 90/90 44/50 45/50 — — —
C15J 3 2 10.8/14.4 36.85/49.13 52/60 98/108 100/100 110/110 65/75 70/80 — — —
C20J 4 2 14.4/19.2 49.12/65.52 69.33/80 120/133 125/125 150/150 87/100 90/100 — — —
A060J
No Heat — — — — — 41/41 50/60 50/60 — — 41/41 50/60 50/60
C05J 1 1 3.6/4.8 12.28/16.38 17.33/20 63/66 80/80 80/80 22/25 25/25 — — —
C07J 1 1 5.4/7.2 18.42/24.56 26/30 74/79 90/90 90/90 33/38 35/40 — — —
C10J 2 1 7.2/9.6 24.57/32.76 34.7/40 85/91 90/100 100/100 44/50 45/50 — — —
C15J 3 2 10.8/14.4 36.85/49.13 52/60 106/116 110/110 125/125 65/75 70/80 — — —
C20J 4 2 14.4/19.2 49.12/65.52 69.33/80 128/141 150/150 150/150 87/100 90/100 — — —
46
ELECTRIC HEATER KITS—RQNM- SERIES

A036C
No Heat — — — 17/17 20/25 20/25
C15C 3 36.85/49.13 30.1/34.7 55/61 60/60 70/70
C10C 2 24.57/32.76 20/23.1 42/46 45/45 50/50
38/44 40/45 — — —
— — 17/17 20/25 20/25
25/29 25/30 — — —
RXQJ-
Heater Kit
Nominal kW
No. of
Elements
Heater
KBTU/Hr
@ 208-240 V
Heater
Amp.
@ 208-240 V
Unit Min. Ckt.
Ampacity
@ 208-240 V
Over Current
Protective Device Size
Min./Max.
@ 208 V
Min./Max.
@ 240 V
Min. Ckt.
Ampacity
Max. Fuse
Size
Min. Circuit
Ampacity
208-240 V
Over Current
Protective Device Size
Min./Max.
@ 208 V
Min./Max.
@ 240 V
10.8/14.4
—
7.2/9.6
Rated
Heater kW
@ 208-240 V
2
—
1
No. of
Sequence
Steps
208-240 VOLT, THREE PHASE, 60 HZ, AUXILIARY ELECTRIC HEATER KITS CHARACTERISTICS AND APPLICATION
A042C
No Heat — — — — — 23/23 30/35 30/35 — — 23/23 30/35 30/35
C10C 2 1 7.2/9.6 24.57/32.76 20/23.1 48/52 50/50 60/60 25/29 25/30
C15C 3 2 10.8/14.4 36.85/49.13 30.1/34.7 61/66 70/70 70/70 38/44 40/45 — — —
C20C 4 2 14.4/19.2 49.12/65.52 40/46.3 73/81 80/80 90/90 50/58 50/60 — — —
No Heat — — — — — 23/23 30/35 30/35 — — 23/23 30/35 30/35
C10C 2 1 7.2/9.6 24.57/32.76 20/23.1 48/52 50/50 60/60 25/29 25/30 — — —
C15C 3 2 10.8/14.4 36.85/49.13 30.1/34.7 60/66 60/60 70/70 38/44 40/45 — — —
C20C 4 2 14.4/19.2 49.12/65.52 40/46.3 73/81 80/80 90/90 50/58 50/60 — — —
No Heat — — — — — 31/31 35/45 35/45 — — 31/31 35/45 35/45
C10C 2 1 7.2/9.6 24.57/32.76 20/23.1 56/59 60/60 60/70 25/29 25/30
C15C 3 2 10.8/14.4 36.85/49.13 30.1/34.7 69/74 70/70 80/80 38/44 40/45 — — —
C20C 4 2 14.4/19.2 49.12/65.52 40/46.3 81/88 90/90 90/90 50/58 50/60 — — —
Heater Kit Heat Pump
Unit
Model
No.
RQNM-
Heater Kit Heat Pump
Single Power Supply For Both Unit and Heater Kit Separate Power Supply For Both Unit and Heater Kit
A060C
A048C
47
ELECTRIC HEATER KITS—RQNM- SERIES

5.4/7.2C07J 1 18.42/24.56 26/30 55/60 60/60
208-240 VOLT, SINGLE PHASE, 60 HZ, AUXILIARY ELECTRIC HEATER KITS CHARACTERISTICS AND APPLICATION
—
3.6/4.8
60/60
A024J
No Heat — — — 23/23 30/35 30/35
C05J 1 12.28/16.38 17.33/20 45/48 45/50 50/50
Rated
Heater kW
@ 208-240 V
1
—
1
Heater Kit Heat Pump
Unit
Model
No.
RQPM-
Heater Kit Heat Pump
Single Power Supply For Both Unit and Heater Kit Separate Power Supply For Both Unit and Heater Kit
No. of
Sequence
Steps
33/38 35/40 — — —
— — 23/23 30/35 30/35
22/25 25/25 — — —
RXQJ-
Heater Kit
Nominal kW
No. of
Elements
Heater
KBTU/Hr
@ 208-240 V
Heater
Amp.
@ 208-240 V
Unit Min. Ckt.
Ampacity
@ 208-240 V
Over Current
Protective Device Size
Min./Max.
@ 208 V
Min./Max.
@ 240 V
Min. Ckt.
Ampacity
Max. Fuse
Size
Min. Circuit
Ampacity
208-240 V
Over Current
Protective Device Size
Min./Max.
@ 208 V
Min./Max.
@ 240 V
C10J 2 1 7.2/9.6 24.57/32.76 34.7/40 66/73 70/70 80/80 44/50 45/50 — — —
A030J
No Heat — — — — — 24/24 30/35 30/35 — — 24/24 30/35 30/35
C05J 1 1 3.6/4.8 12.28/16.38 17.33/20 45/49 45/50 50/50 22/25 25/25 — — —
C07J 1 1 5.4/7.2 18.42/24.56 26/30 56/61 60/60 70/70 33/38 35/40 — — —
C10J 2 1 7.2/9.6 24.57/32.76 34.7/40 67/74 70/70 80/80 44/50 45/50 — — —
C15J 3 2 10.8/14.4 36.85/49.13 52/60 89/99 90/90 100/100 65/75 70/80 — — —
A036J
A037J
No Heat — — — — — 27/27 35/40 35/40 — — 27/27 35/40 35/40
C05J 1 1 3.6/4.8 12.28/16.38 17.33/20 49/52 50/60 60/60 22/25 25/25 — — —
C07J 1 1 5.4/7.2 18.42/24.56 26/30 59/64 60/60 70/70 33/38 35/40 — — —
C10J 2 1 7.2/9.6 24.57/32.76 34.7/40 70/77 70/70 80/80 44/50 45/50 — — —
C15J 3 2 10.8/14.4 36.85/49.13 52/60 92/102 100/100 110/110 65/75 70/80 — — —
C20J 4 2 14.4/19.2 49.12/65.52 69.33/80 114/127 125/125 150/150 87/100 90/100 — — —
A042J
No Heat — — — — — 36/36 45/50 45/50 — — 36/36 45/50 45/50
C05J 1 1 3.6/4.8 12.28/16.38 17.33/20 47/61 60/70 70/70 22/25 25/25 — — —
C07J 1 1 5.4/7.2 18.42/24.56 26/30 68/73 70/80 80/80 33/38 35/40 — — —
C10J 2 1 7.2/9.6 24.57/32.76 34.7/40 79/86 80/90 90/90 44/50 45/50 — — —
C15J 3 2 10.8/14.4 36.85/49.13 52/60 101/111 110/110 125/125 65/75 70/80 — — —
C20J 4 2 14.4/19.2 49.12/65.52 69.33/80 112/136 125/125 150/150 87/100 90/100 — — —
A048J
A049J
No Heat — — — — — 36/36 45/50 45/50 — — 36/36 45/50 45/50
C05J 1 1 3.6/4.8 12.28/16.38 17.33/20 57/61 60/70 70/70 22/25 25/25 — — —
C07J 1 1 5.4/7.2 18.42/24.56 26/30 68/73 70/80 80/80 33/38 35/40 — — —
C10J 2 1 7.2/9.6 24.57/32.76 34.7/40 79/86 80/90 90/90 44/50 45/50 — — —
C15J 3 2 10.8/14.4 36.85/49.13 52/60 101/111 110/110 125/125 65/75 70/80 — — —
C20J 4 2 14.4/19.2 49.12/65.52 69.33/80 122/136 125/125 150/150 87/100 90/100 — — —
A060J
No Heat — — — — — 43/43 50/60 50/60 — — 43/43 50/60 50/60
C05J 1 1 3.6/4.8 12.28/16.38 17.33/20 65/68 80/80 80/80 22/25 25/25 — — —
C07J 1 1 5.4/7.2 18.42/24.56 26/30 75/80 90/90 90/90 33/38 35/40 — — —
C10J 2 1 7.2/9.6 24.57/32.76 34.7/40 86/93 90/100 100/100 44/50 45/50 — — —
C15J 3 2 10.8/14.4 36.85/49.13 52/60 108/118 110/110 125/125 65/75 70/80 — — —
C20J 4 2 14.4/19.2 49.12/65.52 69.33/80 130/143 150/150 150/150 87/100 90/100 — — —
A043J
No Heat — — — — — 31/31 45/45 45/45 — — 31/31 35/45 35/45
C05J 1 1 3.6/4.8 12.28/16.38 17.33/20 53/56 60/60 60/60 22/25 25/25 — — —
C07J 1 1 5.4/7.2 18.42/24.56 26/30 65/69 70/70 70/70 33/38 35/40 — — —
C10J 2 1 7.2/9.6 24.57/32.76 34.7/40 75/81 80/80 90/90 44/50 45/50 — — —
C15J 3 2 10.8/14.4 36.85/49.13 52/60 96/106 100/100 110/110 65/75 70/80 — — —
C20J 4 2 14.4/19.2 49.12/65.52 69.33/80 118/131 125/125 150/150 87/100 90/100 — — —
48
ELECTRIC HEATER KITS—RQPM- SERIES

A036C
A037C
No Heat — — — 19/19 25/25 25/25
C15C 3 36.85/49.13 30.1/34.7 57/61 60/60 70/70
C10C 2 24.57/32.76 20/23.1 44/48 45/45 50/50
38/44 40/45 — — —
— — 19/19 25/25 25/25
25/29 25/30 — — —
RXQJ-
Heater Kit
Nominal kW
No. of
Elements
Heater
KBTU/Hr
@ 208-240 V
Heater
Amp.
@ 208-240 V
Unit Min. Ckt.
Ampacity
@ 208-240 V
Over Current
Protective Device Size
Min./Max.
@ 208 V
Min./Max.
@ 240 V
Min. Ckt.
Ampacity
Max. Fuse
Size
Min. Circuit
Ampacity
208-240 V
Over Current
Protective Device Size
Min./Max.
@ 208 V
Min./Max.
@ 240 V
10.8/14.4
—
7.2/9.6
Rated
Heater kW
@ 208-240 V
2
—
1
No. of
Sequence
Steps
208-240 VOLT, THREE PHASE, 60 HZ, AUXILIARY ELECTRIC HEATER KITS CHARACTERISTICS AND APPLICATION
A042C
No Heat — — — — — 26/26 30/35 30/35 — — 26/26 30/35 30/35
C10C 2 1 7.2/9.6 24.57/32.76 20/23.1 51/55 60/60 60/60 25/29 25/30
C15C 3 2 10.8/14.4 36.85/49.13 30.1/34.7 64/69 70/70 70/70 38/44 40/45 — — —
C20C 4 2 14.4/19.2 49.12/65.52 40/46.3 76/84 80/80 90/90 50/58 50/60 — — —
No Heat — — — — — 26/26 30/35 30/35 — — 26/26 30/35 30/35
C10C 2 1 7.2/9.6 24.57/32.76 20/23.1 51/54 60/60 60/60 25/29 25/30 — — —
C15C 3 2 10.8/14.4 36.85/49.13 30.1/34.7 63/69 70/70 70/70 38/44 40/45 — — —
C20C 4 2 14.4/19.2 49.12/65.52 40/46.3 76/83 80/80 90/90 50/58 50/60 — — —
No Heat — — — — — 32/32 40/45 40/45 — — 32/32 40/45 40/45
C10C 2 1 7.2/9.6 24.57/32.76 20/23.1 57/61 60/60 70/70 25/29 25/30
C15C 3 2 10.8/14.4 36.85/49.13 30.1/34.7 69/76 70/70 80/80 38/44 40/45 — — —
C20C 4 2 14.4/19.2 49.12/65.52 40/46.3 82/90 90/90 90/90 50/58 50/60 — — —
Heater Kit Heat Pump
Unit
Model
No.
RQPM-
Heater Kit Heat Pump
Single Power Supply For Both Unit and Heater Kit Separate Power Supply For Both Unit and Heater Kit
A060C
A048C
A049C
A043C
No Heat — — — — — 25/25 35/35 35/35 — — 25/25 30/35 30/35
C10C 2 1 7.2/9.6 24.57/32.76 20/23.1 50/54 50/50 60/60 25/29 25/30 — — —
C15C 3 2 10.8/14.4 36.85/49.13 30.1/34.7 63/69 70/70 70/70 38/44 40/45 — — —
C20C 4 2 14.4/19.2 49.1/65.52 40/46.3 75/83 80/80 90/90 50/58 50/60 — — —
49
ELECTRIC HEATER KITS—RQPM- SERIES

208/240 VOLT, SINGLE PHASE, 60 HZ, AUXILIARY ELECTRIC HEATER KITS CHARACTERISTICS AND APPLICATION
Rated
Heater kW
@ 208/240 V
Heater Kit Heat Pump
Unit
Model
No.
RQRM-
Heater Kit Heat Pump
Single Power Supply For Both Unit and Heater Kit Separate Power Supply For Both Unit and Heater Kit
No. of
Sequence
Steps
RXQJ-
Heater Kit
Nominal kW
Heater
KBTU/Hr
@ 208/240 V
Heater
Amp.
@ 208/240 V
Unit Min. Ckt.
Ampacity
@ 208/240 V
Over Current
Protective Device Size
Min./Max.
@ 208 V
Min./Max.
@ 240 V
Min. Ckt.
Ampacity
Max. Fuse
Size
Min. Circuit
Ampacity
208/240 V
Over Current
Protective Device Size
Min./Max.
@ 208 V
Min./Max.
@ 240 V
A030JK
No Heat — — — — 22/22 25/30 25/30 — — 22/22 25/30 25/30
C05J 1 3.6/4.8 12.28/16.38 17.3/20 44/47 45/50 50/50 22/25 25/25 — — —
C07J 1 5.4/7.2 18.42/24.56 26/30 55/60 60/60 70/70 33/38 35/40 — — —
C10J 1 7.2/9.6 24.56/32.75 34.7/40 66/72 70/70 80/80 44/50 45/50 — — —
C15J 1 10.8/14.4 36.84/49.13 52/60 87/97 90/90 100/100 65/75 70/80 — — —
Heater Kit
Heater KitHeater KitHeater Kit
A036JK
No Heat — — — — 24/24 30/35 30/35 — — 24/24 30/35 30/35
C05J 1 3.6/4.8 12.28/16.38 17.3/20 46/49 50/50 50/50 22/25 25/25 — — —
C07J 1 5.4/7.2 18.42/24.56 26/30 57/62 60/60 70/70 33/38 35/40 — — —
C10J 1 7.2/9.6 24.56/32.75 34.7/40 68/74 70/70 80/80 44/50 45/50 — — —
C15J 1 10.8/14.4 36.84/49.13 52/60 89/99 90/90 100/100 65/75 70/80 — — —
A048JK
No Heat — — — — 33/33 40/50 40/50 — — 33/33 40/50 40/50
C05J 1 3.6/4.8 12.28/16.38 17.3/20 55/58 60/60 60/70 22/25 25/25 — — —
C07J 1 5.4/7.2 18.42/24.56 26/30 66/71 70/70 80/80 33/38 35/40 — — —
C10J 1 7.2/9.6 24.56/32.75 34.7/40 77/83 80/80 90/90 44/50 45/50 — — —
C15J 1 10.8/14.4 36.84/49.13 52/60 98/108 100/100 110/110 65/75 70/80 — — —
C20J 1 14.4/19.2 49.13/65.50 69.3/80 120/133 125/125 150/150 87/100 90/100 — — —
50
ELECTRIC HEATER KITS—RQRM- SERIES

51
UNIT DIMENSIONS—RQNM/RQPM/RQRM- SERIES
[ ] Designates Metric Conversions[ ] Designates Metric Conversions
Model
RQNM, RQPM: 024, 030, 036
RQRM: 024
RQNM, RQPM: 042, 048, 060
RQRM: 030, 036, 042, 048, 060
Height “A”
29 1/8"
37 1/8"
DIMENSIONS FRONT VIEW
REAR VIEW
ELECTRICAL CONNECTIONS BOTTOM VIEW

52
TYPICAL INSTALLATIONS
[ ] Designates Metric Conversions[ ] Designates Metric Conversions

ACCESSORY EQUIPMENT
Accessory
Description
Model
Application
Accessory
Model No.
Outdoor Thermostat RQNM/RQPM/RQRM RXPT-A01
Thermostats RQNM/RQPM/RQRM See Thermostat Specification Sheet (T11-001)
53
ACCESSORIES
■Thermostats s
THERMOSTATS

54
WIRING SCHEMATICS—RQNM- SERIES

55
WIRING SCHEMATICS—RQNM- SERIES

56
WIRING SCHEMATICS—RQPM- SERIES

57
WIRING SCHEMATICS—RQPM- SERIES

58
WIRING SCHEMATICS—RQPM- SERIES

59
WIRING SCHEMATICS—RQPM- SERIES

BEFORE PURCHASING THIS APPLIANCE, READ IMPORTANT ENERGY COST AND EFFICIENCY INFORMATION AVAILABLE FROM
YOUR RETAILER.
Rheem will furnish a replacement for any part of this product
which fails in normal use and service within the applicable
periods stated, in accordance with the terms of the limited
warranty.
*For Complete Details of the Limited Warranty, Including Applicable Terms
and Conditions, See Your Local Installer or Contact the Manufacturer for
a Copy.
Compressor
1 Phase, Residential Applications ..................Ten (10) Years
13 & 14 SEER, Commercial Applications .....Five (5) Years
Conditional Parts* (1 Phase – Residential)
(Registration Required) .................................Ten (10) Years
1 & 3 Phase, Commercial Applications .............One (1) Year
GENERAL TERMS OF LIMITED WARRANTY
Before proceeding with installation, refer
to installation instructions packaged
with each model, as well as complying
with all Federal, State, Provincial, and
Local codes, regulations, and practices.
Rheem Heating,
Cooling and
Water Heating
P.O. Box 17010, Fort Smith, AR 72917
“In keeping with its policy of continuous progress and product improvement, Rheem reserves the right to make changes without notice.”
PRINTED IN U.S.A. 7-10 DC FORM NO. P11-769 REV. 5
Supersedes Form No. P11-769 Rev. 4