Rheem Package Dedicated Horizontal Heat Pump Specification Sheet
2015-04-02
: Rheem Rheem-Package-Dedicated-Horizontal-Heat-Pump-Specification-Sheet-684041 rheem-package-dedicated-horizontal-heat-pump-specification-sheet-684041 rheem pdf
Open the PDF directly: View PDF
.
Page Count: 68

FORM NO. P11-790 REV. 2
Air Package Heat Pump
RQNM/RQPM/RQRM Series
(14-16 SEER ONLY)
RQNM- 13-SEER Series
Nominal Sizes 2-5 Tons [7-17.6 kW]
RQPM- 14-SEER Series
Nominal Sizes 2-5 Tons [7-17.6 kW]
RQRM- 15/16-SEER Series
Nominal Sizes 2-5 Tons [7-17.6 kW]
Rheem Classic®Series
Dedicated Horizontal Package
Heat Pump
“Proper sizing and installation of equipment is critical to achieve
optimal performance. Ask your Contractor for details or visit
www.energystar.gov.”

Air Table of Contents
RQNM/RQPM/RQRM Series
2
TABLE OF CONTENTS
Unit Features & Benefits ..............................................................................3-6
Model Number Identification ............................................................................7
General Data
RQNM- Series ........................................................................................8-10
RQPM- Series ......................................................................................11-14
RQRM- Series ......................................................................................15-17
General Data Notes ......................................................................................18
Gross Systems Performance Data
RQNM- Cooling Series ..........................................................................19-21
RQPM- Cooling Series ..........................................................................22-26
RQRM- Cooling Series ..........................................................................27-29
RQNM- Heating Series ..........................................................................30-32
RQPM- Heating Series ..........................................................................33-37
RQRM- Heating Series ..........................................................................38-40
Indoor Airflow Performance RQNM- Series ................................................41-42
Indoor Airflow Performance RQPM- Series ................................................43-44
Indoor Airflow Performance RQRM- Series ................................................45-46
Electrical Data
RQNM- Series ..........................................................................................47
RQPM- Series ......................................................................................48-49
RQRM- Series ..........................................................................................50
Electric Heater Kits ..................................................................................51-55
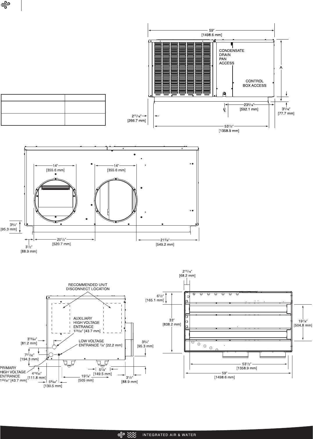
Dimensional Data ..........................................................................................56
Typical Installations ......................................................................................57
Accessories..................................................................................................58
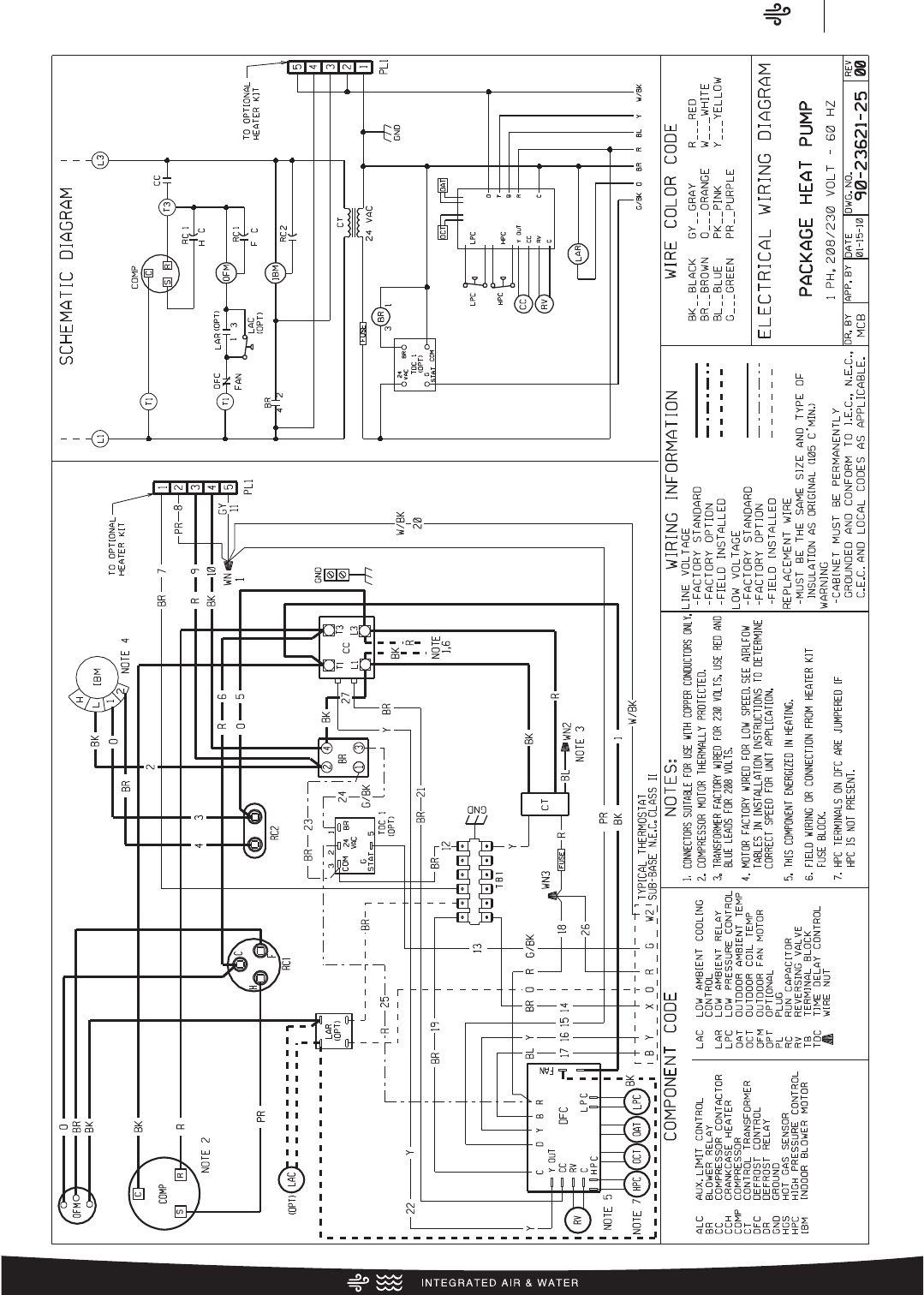
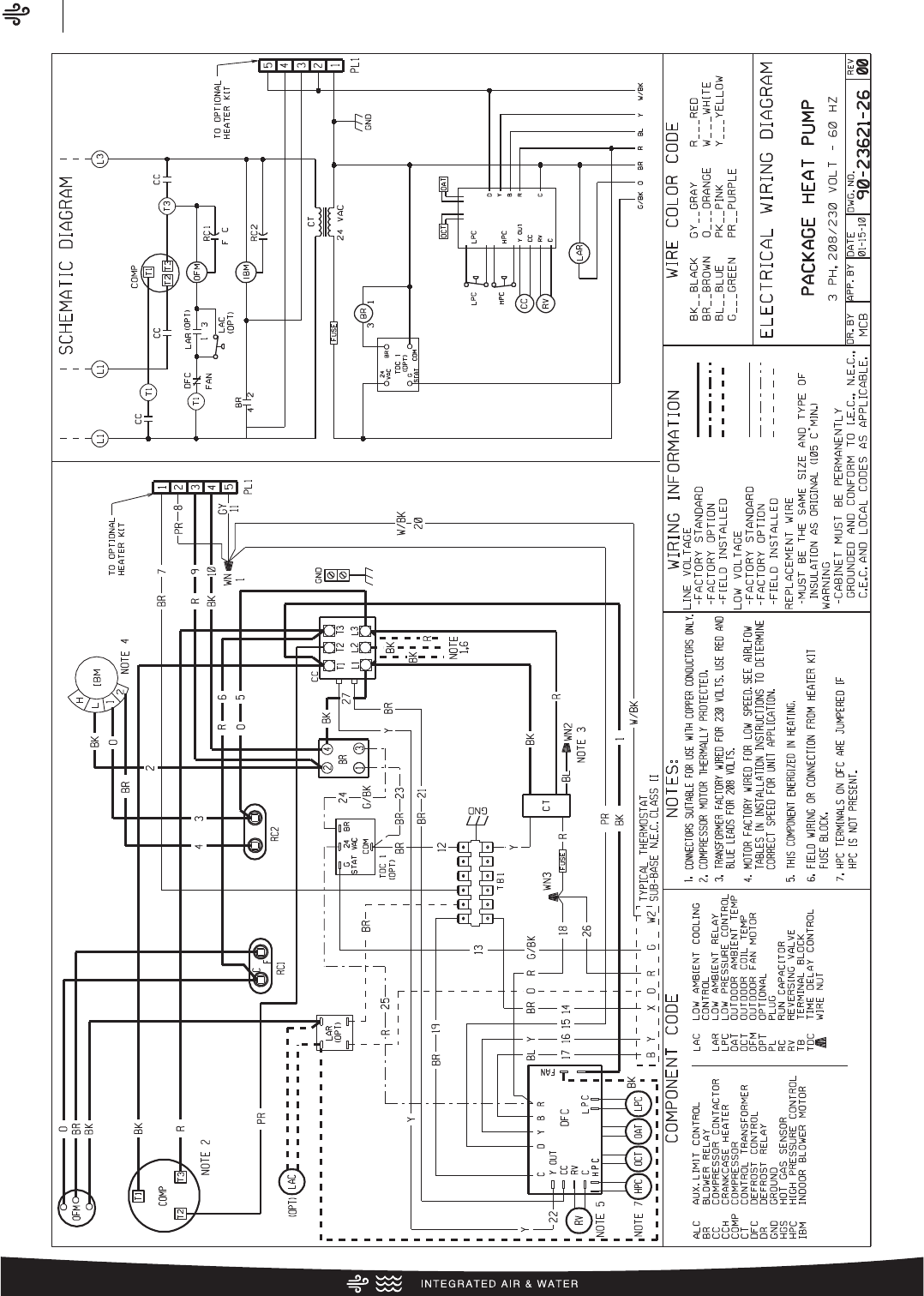
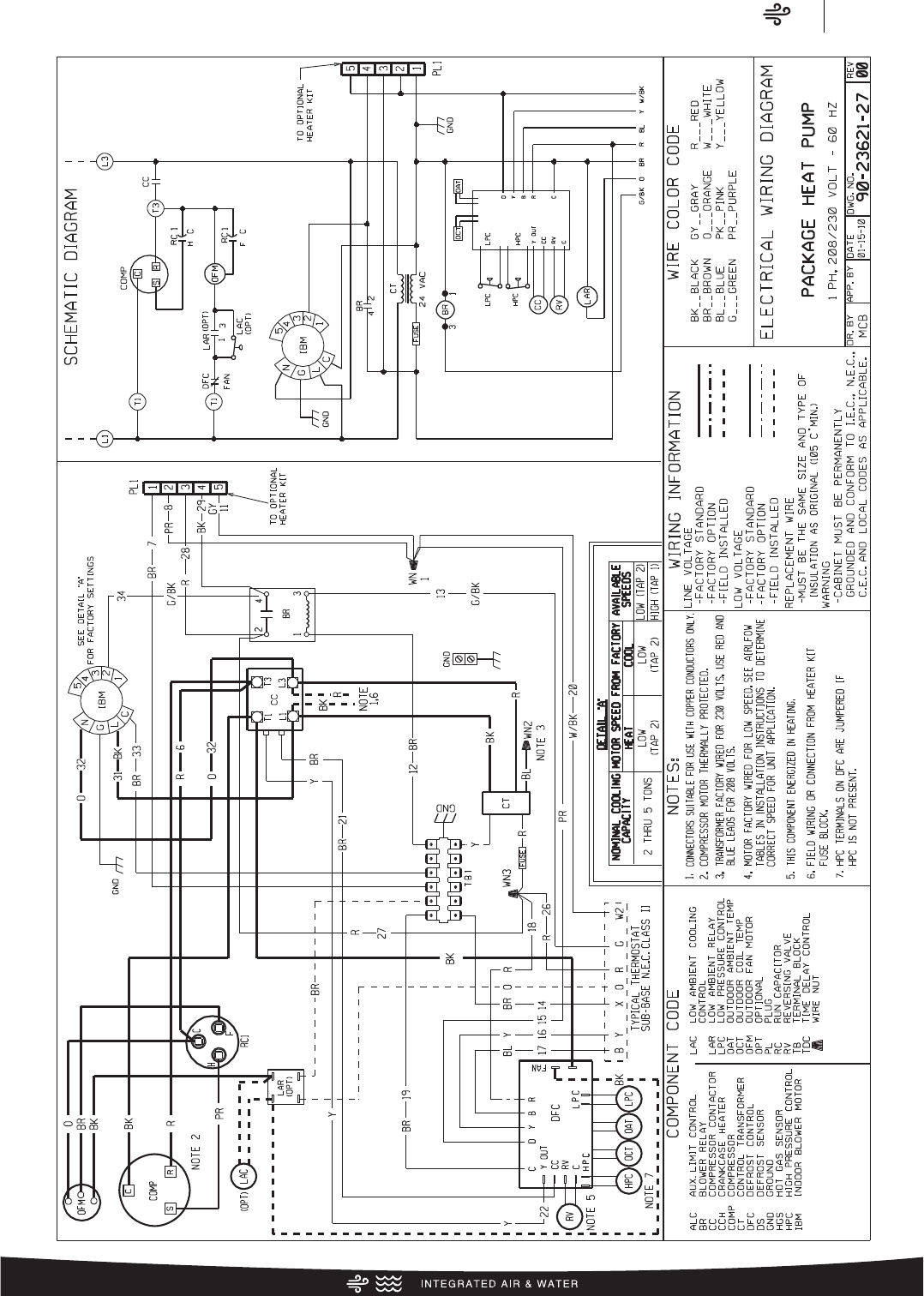
Wiring Diagrams ......................................................................................59-65
Limited Warranty ..........................................................................................66

Air Unit Features & Benefits
RQNM/RQPM/RQRM Series
3
The RQNM, RQPM & RQRM series of Package Heat Pumps are
designed to be the most efficient, quickest to install, easiest to
service, and most reliable units in the industry – while still main-
taining an affordable price. This platform provides you with a full
line of nominal capacities from 2 through 5 tons. RQNM models
are 13 SEER, RQPM models are 14 SEER and RQRM models are
15/16 SEER, each AHRI-certified.
As with all units offered by Rheem, we started our design
process with input from the customer. From fan grille to the base
rails, Rheem has combined 30 years worth of package unit
design experience with input from Dealers to meet the latest
application requirements.
Starting at the bottom, the base rails ()
allow for separation
between the unit base and the ground level, protecting the base
from ground moisture and providing air circulation around the
unit. Constructed from sturdy 18-gauge G-90 sheet metal, the
base rails also allow for easier maneuverability during installation.
1
2
1
11

Air Unit Features & Benefits
RQNM/RQPM/RQRM Series
4
To provide flexibility in space-limited installations, the unit can be
installed flush to the structure without blocking airflow over the
outdoor coil or making any screws inaccessible for maintenance.
Furthermore, the cabinet is a slim 33" wide. Full-louver coil pro-
tection ()makes Rheem unique in the industry and also totally
protects the outdoor coil from vandalism and weather extremes.
Two round 14" duct collar ()
are included with the unit, which
makes attaching duct a snap. The collar is crimped around the
leading edge, making it easier to install duct onto the collar. A
metal bead around the circumference prevents the attached
ducting from sliding off after installation.
Keeping service technicians in mind, Rheem takes pride provid-
ing easy access to internal components. The outdoor-section top
cover ()
is easily removed to allow access to the scroll com-
pressor ()
, outdoor fan motor ()
, and refrigerant tubing ()
.
2
3
4
567
5
6
7
4
2
3

Air Unit Features & Benefits
RQNM/RQPM/RQRM Series
5
The indoor-section top cover also easily opens to access the
removable blower housing and motor ()
. This also gains total
access to the indoor coil for cleaning and service ()
.
The indoor motor and blower system will achieve nominal 400
CFM per ton up to a minimum of .8 inches of static pressure,
which helps to eliminate customer dissatisfaction over poor air-
flow brought about by high-static duct designs.
Optional electric heat ()
can be easily installed in the field,
with either dual- or single-point power, and is designed to easily
install into the unit. Electric heat can also be specified as
factory installed.
10
9
8
The controls are located in a large, easy-to-access control box
(), which provides plenty of space in which to troubleshoot. A
demand defrost control ()
is used to manage the defrost cycle.
The transformer ()
is protected by a in-line fuse, which protects
the transformer during a low-voltage electrical short. The low-
voltage ()
and high-voltage ()
wiring connections are easily
accessed and have ample room around which to maneuver.
Troubleshooting is further aided with number- and color-coded
wiring, which corresponds with the large, easy-to-read wiring
diagram located on the inside of the control box access panel.
1514
13
12
11
10
11
12
13
14
15
10
9
8

Air Unit Features & Benefits
RQNM/RQPM/RQRM Series
6
Low pressure control standard on all models ().
High pressure control standard on -060 model.
20
High and low pressure can easily and accurately be measured
using the two gauge ports ()located inside the control box.
16
A small side panel grants access to a removable, sloped drain pan
()
, which helps to ensure indoor air quality (IAQ) throughout
the life of the unit. A 3/4"
drain trap ()
assembly is
provided for convenience.
“Patent 7,430,877”
18
17
Foil-faced insulation is securely glued and captured to the cabi-
net. On the base of the unit, closed-cell insulation is used to pre-
vent moisture from being absorbed and help reduce mold con-
tent to provide better indoor air quality.
For reliability and long-lasting operation, Rheem uses 100% scroll
compressor technology () on all package platforms. With over
18 years of history, the scroll compressor has proven to be
reliable, efficient, and quiet
during operation.
(Note: The RQRM- A060
uses a two stage scroll
compressor).
19
17
19
16
18
20

Air Model Number Identification
RQNM/RQPM/RQRM Series
7
R Q N M — A 036 J K 010
Heating Capacity (Factory Installed)
000 = No Resistance Heat
005 = 05 KW Resistance Heat
007 = 07 KW Resistance Heat
010 = 10 KW Resistance Heat
015 = 15 KW Resistance Heat
020 = 20 KW Resistance Heat
Drive Package
K = Direct Drive
Electrical Designation
J = 208-230V—1PH—60 Hz
C= 208-230V—3PH—60 Hz
(13 SEER Only)
Nominal Cooling Capacity (BTUH) [kW]
024 = 24,000 [7.03]
030 = 30,000 [8.79]
036 = 36,000 [10.55]
037 = 36,000 [10.55]
042 = 42,000 [12.31]
043 = 42,000 [12.31]
048 = 48,000 [14.07]
049 = 48,000 [14.07]
060 = 60,000 [17.59]
Future Technical Variations
Design Series
M = R-410A
Efficiency Designation
N= 13 SEER
P = 14 SEER
R = 15/16 SEER
Product Classification
Q= Package Heat Pump
Tradebrand
R = Rheem
[ ] Designates Metric Conversions

Air General Data
RQNM Series
8
Model RQNM- Series A024JK A030JK A036CK A036JK
Cooling Performance1
Gross Cooling Capacity Btu [kW] 24,600 [7.21] 29,800 [8.73] 36,600 [10.72] 36,600 [10.72]
EER/SEER211/13 11.15/13 11/13 11/13
Nominal CFM/AHRI Rated CFM [L/s] 800/800 [378/378] 1000/1000 [472/472] 1200/1200 [566/566] 1200/1200 [566/566]
AHRI Net Cooling Capacity Btu [kW] 23,600 [6.91] 28,800 [8.44] 35,200 [10.31] 35,200 [10.31]
Net Sensible Capacity Btu [kW] 18,200 [5.33] 22,400 [6.56] 27,000 [7.91] 27,000 [7.91]
Net System Power kW 2.14 2.58 3.2 3.2
Heating Performance (Heat Pumps)3
Heating Input Btu [kW] Rating 23,400 [6.86] 28,800 [8.44] 35,000 [10.26] 35,000 [10.26]
System Power KW/COP 2.07/3.34 2.45/3.44 2.95/3.48 2.95/3.48
Low Temp. Btuh [kW] Rating 13,800 [4.04] 16,200 [4.75] 19,200 [5.63] 19,200 [5.63]
Net Weight lbs. [kg] 308 [140] 331 [150] 356 [161] 356 [161]
System Power KW/COP 1.91/2.12 2.22/2.14 2.65/2.1 2.65/2.1
Refrigerant Control TX Valves TX Valves TX Valves TX Valves
HSPF (Btu/Watts-hr) 7.7 7.7 7.7 7.7
Compressor
No./Type 1/Scroll 1/Scroll 1/Scroll 1/Scroll
Outdoor Sound Rating (dB)476 76 76 76
Outdoor Coil—Fin Type Louvered Louvered Louvered Louvered
Tube Type Rifled Rifled Rifled Rifled
Tube Size in. [mm] OD 0.375 [9.5] 0.375 [9.5] 0.375 [9.5] 0.375 [9.5]
Face Area sq. ft. [sq. m] 10.44 [0.97] 12.65 [1.18] 12.65 [1.18] 12.65 [1.18]
Rows / FPI [FPcm] 1 / 20 [8] 1 / 20 [8] 1 / 20 [8] 1 / 20 [8]
Net Latent Capacity Btu [kW] 5,400 [1.58] 6,400 [1.88] 8,200 [2.4] 8,200 [2.4]
Indoor Coil—Fin Type Louvered Louvered Louvered Louvered
Tube Type Rifled Rifled Rifled Rifled
Tube Size in. [mm] 0.375 [9.5] 0.375 [9.5] 0.375 [9.5] 0.375 [9.5]
Face Area sq. ft. [sq. m] 4.33 [0.4] 4.33 [0.4] 4.33 [0.4] 4.33 [0.4]
Rows / FPI [FPcm] 2 / 15 [6] 3 / 13 [5] 3 / 13 [5] 3 / 13 [5]
Refrigerant Control TX Valves TX Valves TX Valves TX Valves
Drain Connection No./Size in. [mm] 1/1 [25.4] 1/1 [25.4] 1/1 [25.4] 1/1 [25.4]
Outdoor Fan—Type Propeller Propeller Propeller Propeller
No. Used/Diameter in. [mm] 1/24 [609.6] 1/24 [609.6] 1/24 [609.6] 1/24 [609.6]
Drive Type/No. Speeds Direct/1 Direct/1 Direct/1 Direct/1
CFM [L/s] 3200 [1510] 3200 [1510] 3200 [1510] 3200 [1510]
No. Motors/HP 1 at 1/3 HP 1 at 1/3 HP 1 at 1/3 HP 1 at 1/3 HP
Motor RPM 825 825 825 825
Indoor Fan—Type FC Centrifugal FC Centrifugal FC Centrifugal FC Centrifugal
No. Used/Diameter in. [mm] 1/10x9 [254x228.6] 1/10x9 [254x228.6] 1/10x9 [254x228.6] 1/10x9 [254x228.6]
Drive Type/No. Speeds Direct/2 Direct/2 Direct/2 Direct/2
No. Motors 1 1 1 1
Motor HP 1/4 1/3 1/2 1/2
Motor RPM 1033 1080 1050 1050
Motor Frame Size 48 48 48 48
Filter—Type Field Supplied Field Supplied Field Supplied Field Supplied
Furnished No No No No
(No.) Size Recommended in. [mm] (1)1x20x16 [25x508x406] (1)1x20x20 [25x508x508] (1)1x24x24 [25x610x610] (1)1x24x24 [25x610x610]
Refrigerant Charge Oz. [g] 90 [2552] 93 [2637] 93 [2637] 93 [2637]
Weights
Ship Weight lbs. [kg] 332 [151] 355 [161] 380 [172] 380 [172]
CONTINUED
NOMINAL SIZES 2-5 TONS [7-17.6 kW]
See Page 18 for Notes. [ ] Designates Metric Conversions

Air General Data
RQNM Series
9
Model RQNM- Series A042CK A042JK A048CK A048JK
Cooling Performance1
Gross Cooling Capacity Btu [kW] 43,500 [12.75] 43,500 [12.75] 49,500 [14.5] 49,500 [14.5]
EER/SEER211/13 11/13 11/13 11/13
Nominal CFM/AHRI Rated CFM [L/s] 1400/1450 [661/684] 1400/1450 [661/684] 1600/1550 [755/731] 1600/1550 [755/731]
AHRI Net Cooling Capacity Btu [kW] 42,000 [12.31] 42,000 [12.31] 47,500 [13.92] 47,500 [13.92]
Net Sensible Capacity Btu [kW] 30,000 [8.79] 30,000 [8.79] 35,900 [10.52] 35,900 [10.52]
Net System Power kW 3.82 3.82 4.32 4.32
Heating Performance (Heat Pumps)3
Heating Input Btu [kW] Rating 39,500 [11.57] 39,500 [11.57] 43,000 [12.6] 43,000 [12.6]
System Power KW/COP 3.56/3.24 3.56/3.24 3.92/3.44 3.92/3.44
Low Temp. Btuh [kW] Rating 22,800 [6.68] 22,800 [6.68] 25,600 [7.5] 25,600 [7.5]
Net Weight lbs. [kg] 408 [185] 408 [185] 429 [195] 429 [195]
System Power KW/COP 3.25/2.06 3.25/2.06 3.56/2.14 3.56/2.14
Refrigerant Control TX Valves TX Valves TX Valves TX Valves
HSPF (Btu/Watts-hr) 7.7 7.7 7.7 7.7
Compressor
No./Type 1/Scroll 1/Scroll 1/Scroll 1/Scroll
Outdoor Sound Rating (dB)478 78 78 78
Outdoor Coil—Fin Type Louvered Louvered Louvered Louvered
Tube Type Rifled Rifled Rifled Rifled
Tube Size in. [mm] OD 0.375 [9.5] 0.375 [9.5] 0.375 [9.5] 0.375 [9.5]
Face Area sq. ft. [sq. m] 16.54 [1.54] 16.54 [1.54] 16.54 [1.54] 16.54 [1.54]
Rows / FPI [FPcm] 1 / 22 [9] 1 / 22 [9] 1 / 22 [9] 1 / 22 [9]
Net Latent Capacity Btu [kW] 12,000 [3.52] 12,000 [3.52] 11,600 [3.4] 11,600 [3.4]
Indoor Coil—Fin Type Louvered Louvered Louvered Louvered
Tube Type Rifled Rifled Rifled Rifled
Tube Size in. [mm] 0.375 [9.5] 0.375 [9.5] 0.375 [9.5] 0.375 [9.5]
Face Area sq. ft. [sq. m] 5.78 [0.54] 5.78 [0.54] 5.78 [0.54] 5.78 [0.54]
Rows / FPI [FPcm] 3 / 13 [5] 3 / 13 [5] 3 / 13 [5] 3 / 13 [5]
Refrigerant Control TX Valves TX Valves TX Valves TX Valves
Drain Connection No./Size in. [mm] 1/1 [25.4] 1/1 [25.4] 1/1 [25.4] 1/1 [25.4]
Outdoor Fan—Type Propeller Propeller Propeller Propeller
No. Used/Diameter in. [mm] 1/24 [609.6] 1/24 [609.6] 1/24 [609.6] 1/24 [609.6]
Drive Type/No. Speeds Direct/1 Direct/1 Direct/1 Direct/1
CFM [L/s] 4200 [1982] 4200 [1982] 4200 [1982] 4200 [1982]
No. Motors/HP 1 at 1/3 HP 1 at 1/3 HP 1 at 1/3 HP 1 at 1/3 HP
Motor RPM 1075 1075 1075 1075
Indoor Fan—Type FC Centrifugal FC Centrifugal FC Centrifugal FC Centrifugal
No. Used/Diameter in. [mm] 1/11x9 [279.4x228.6] 1/11x9 [279.4x228.6] 1/11x9 [279.4x228.6] 1/11x9 [279.4x228.6]
Drive Type/No. Speeds Direct/2 Direct/2 Direct/2 Direct/2
No. Motors 1 1 1 1
Motor HP 1/2 1/2 3/4 3/4
Motor RPM 1075 1075 1075 1075
Motor Frame Size 48 48 48 48
Filter—Type Field Supplied Field Supplied Field Supplied Field Supplied
Furnished No No No No
(No.) Size Recommended in. [mm] (1)1x24x24 [25x610x610] (1)1x24x24 [25x610x610] (1)1x24x24 [25x610x610] (1)1x24x24 [25x610x610]
Refrigerant Charge Oz. [g] 128 [3629] 128 [3629] 120 [3402] 120 [3402]
Weights
Ship Weight lbs. [kg] 434 [197] 434 [197] 455 [206] 455 [206]
CONTINUED
NOMINAL SIZES 2-5 TONS [7-17.6 kW]
See Page 18 for Notes. [ ] Designates Metric Conversions

Air General Data
RQNM Series
10
Model RQNM- Series A060CK A060JK
Cooling Performance1
Gross Cooling Capacity Btu [kW] 62,000 [18.17] 62,000 [18.17]
EER/SEER211/13 11/13
Nominal CFM/AHRI Rated CFM [L/s] 2000/1900 [944/897] 2000/1900 [944/897]
AHRI Net Cooling Capacity Btu [kW] 59,000 [17.29] 59,000 [17.29]
Net Sensible Capacity Btu [kW] 44,500 [13.04] 44,500 [13.04]
Net System Power kW 5.36 5.36
Heating Performance (Heat Pumps)3
Heating Input Btu [kW] Rating 61,000 [17.87] 61,000 [17.87]
System Power KW/COP 5.15/3.52 5.15/3.52
Low Temp. Btuh [kW] Rating 34,400 [10.08] 34,400 [10.08]
Net Weight lbs. [kg] 481 [218] 481 [218]
System Power KW/COP 4.64/2.18 4.64/2.18
Refrigerant Control TX Valves TX Valves
HSPF (Btu/Watts-hr) 7.7 7.7
Compressor
No./Type 1/Scroll 1/Scroll
Outdoor Sound Rating (dB)478 78
Outdoor Coil—Fin Type Louvered Louvered
Tube Type Rifled Rifled
Tube Size in. [mm] OD 0.375 [9.5] 0.375 [9.5]
Face Area sq. ft. [sq. m] 16.54 [1.54] 16.54 [1.54]
Rows / FPI [FPcm] 2 / 18 [7] 2 / 18 [7]
Net Latent Capacity Btu [kW] 14,500 [4.25] 14,500 [4.25]
Indoor Coil—Fin Type Louvered Louvered
Tube Type Rifled Rifled
Tube Size in. [mm] 0.375 [9.5] 0.375 [9.5]
Face Area sq. ft. [sq. m] 5.78 [0.54] 5.78 [0.54]
Rows / FPI [FPcm] 4 / 13 [5] 4 / 13 [5]
Refrigerant Control TX Valves TX Valves
Drain Connection No./Size in. [mm] 1/1 [25.4] 1/1 [25.4]
Outdoor Fan—Type Propeller Propeller
No. Used/Diameter in. [mm] 1/24 [609.6] 1/24 [609.6]
Drive Type/No. Speeds Direct/1 Direct/1
CFM [L/s] 4000 [1888] 4000 [1888]
No. Motors/HP 1 at 1/3 HP 1 at 1/3 HP
Motor RPM 1075 1075
Indoor Fan—Type FC Centrifugal FC Centrifugal
No. Used/Diameter in. [mm] 1/11x9 [279.4x228.6] 1/11x9 [279.4x228.6]
Drive Type/No. Speeds Direct/2 Direct/2
No. Motors 1 1
Motor HP 3/4 3/4
Motor RPM 1075 1075
Motor Frame Size 48 48
Filter—Type Field Supplied Field Supplied
Furnished No No
(No.) Size Recommended in. [mm] (1)1x24x24 [25x610x610] (1)1x24x24 [25x610x610]
Refrigerant Charge Oz. [g] 193 [5472] 193 [5472]
Weights
Ship Weight lbs. [kg] 507 [230] 507 [230]
NOMINAL SIZES 2-5 TONS [7-17.6 kW]
See Page 18 for Notes. [ ] Designates Metric Conversions

Air General Data
RQPM Series
11
Model RQPM- Series A024JK A030JK A036CK A036JK
Cooling Performance1
Gross Cooling Capacity Btu [kW] 24,000 [7.03] 29,400 [8.61] 36,000 [10.55] 36,000 [10.55]
EER/SEER212/14 12.05/14 11.6/14 11.6/14
Nominal CFM/AHRI Rated CFM [L/s] 800/800 [378/378] 1000/1000 [472/472] 1200/1200 [566/566] 1200/1200 [566/566]
AHRI Net Cooling Capacity Btu [kW] 23,600 [6.91] 29,000 [8.5] 35,400 [10.37] 35,400 [10.37]
Net Sensible Capacity Btu [kW] 18,400 [5.39] 23,000 [6.74] 27,600 [8.09] 27,600 [8.09]
Net System Power kW 1.97 2.41 3.05 3.05
Heating Performance (Heat Pumps)3
Heating Input Btu [kW] Rating 23,200 [6.8] 28,000 [8.2] 34,200 [10.02] 34,200 [10.02]
System Power KW/COP 1.93/3.5 2.27/3.62 2.78/3.6 2.78/3.6
Low Temp. Btuh [kW] Rating 13,200 [3.87] 15,200 [4.45] 19,000 [5.57] 19,000 [5.57]
Net Weight lbs. [kg] 308 [140] 331 [150] 356 [161] 356 [161]
System Power KW/COP 1.71/2.26 2.01/2.22 2.48/2.24 2.48/2.24
Refrigerant Control TX Valves TX Valves TX Valves TX Valves
HSPF (Btu/Watts-hr) 8.0 8.0 8.0 8.0
Compressor
No./Type 1/Scroll 1/Scroll 1/Scroll 1/Scroll
Outdoor Sound Rating (dB)476 76 76 76
Outdoor Coil—Fin Type Louvered Louvered Louvered Louvered
Tube Type Rifled Rifled Rifled Rifled
Tube Size in. [mm] OD 0.375 [9.5] 0.375 [9.5] 0.375 [9.5] 0.375 [9.5]
Face Area sq. ft. [sq. m] 10.44 [0.97] 12.65 [1.18] 12.65 [1.18] 12.65 [1.18]
Rows / FPI [FPcm] 1 / 20 [8] 1 / 20 [8] 1 / 20 [8] 1 / 20 [8]
Net Latent Capacity Btu [kW] 5,200 [1.52] 6,000 [1.76] 7,800 [2.29] 7,800 [2.29]
Indoor Coil—Fin Type Louvered Louvered Louvered Louvered
Tube Type Rifled Rifled Rifled Rifled
Tube Size in. [mm] 0.375 [9.5] 0.375 [9.5] 0.375 [9.5] 0.375 [9.5]
Face Area sq. ft. [sq. m] 4.33 [0.4] 4.33 [0.4] 4.33 [0.4] 4.33 [0.4]
Rows / FPI [FPcm] 2 / 15 [6] 3 / 13 [5] 3 / 13 [5] 3 / 13 [5]
Refrigerant Control TX Valves TX Valves TX Valves TX Valves
Drain Connection No./Size in. [mm] 1/1 [25.4] 1/1 [25.4] 1/1 [25.4] 1/1 [25.4]
Outdoor Fan—Type Propeller Propeller Propeller Propeller
No. Used/Diameter in. [mm] 1/24 [609.6] 1/24 [609.6] 1/24 [609.6] 1/24 [609.6]
Drive Type/No. Speeds Direct/1 Direct/1 Direct/1 Direct/1
CFM [L/s] 3200 [1510] 3200 [1510] 3200 [1510] 3200 [1510]
No. Motors/HP 1 at 1/3 HP 1 at 1/3 HP 1 at 1/3 HP 1 at 1/3 HP
Motor RPM 825 825 825 825
Indoor Fan—Type FC Centrifugal FC Centrifugal FC Centrifugal FC Centrifugal
No. Used/Diameter in. [mm] 1/10x9 [254x228.6] 1/10x9 [254x228.6] 1/10x9 [254x228.6] 1/10x9 [254x228.6]
Drive Type/No. Speeds Direct/2 Direct/2 Direct/2 Direct/2
No. Motors 1 1 1 1
Motor HP 1/2 1/2 1/2 1/2
Motor RPM 1050 1050 1050 1050
Motor Frame Size 48 48 48 48
Filter—Type Field Supplied Field Supplied Field Supplied Field Supplied
Furnished No No No No
(No.) Size Recommended in. [mm] (1)1x20x16 [25x508x406] (1)1x20x20 [25x508x508] (1)1x24x24 [25x610x610] (1)1x24x24 [25x610x610]
Refrigerant Charge Oz. [g] 90 [2552] 93 [2637] 93 [2637] 93 [2637]
Weights
Ship Weight lbs. [kg] 332 [151] 355 [161] 380 [172] 380 [172]
CONTINUED
NOMINAL SIZES 2-5 TONS [7-17.6 kW]
See Page 18 for Notes. [ ] Designates Metric Conversions

Air General Data
RQPM Series
12
Model RQPM- Series A037CK A037JK A042CK A042JK
Cooling Performance1
Gross Cooling Capacity Btu [kW] 36,000 [10.55] 36,000 [10.55] 44,000 [12.89] 44,000 [12.89]
EER/SEER212/14 12/14 11.85/14 11.85/14
Nominal CFM/AHRI Rated CFM [L/s] 1200/1200 [566/566] 1200/1200 [566/566] 1400/1450 [661/684] 1400/1450 [661/684]
AHRI Net Cooling Capacity Btu [kW] 35,400 [10.37] 35,400 [10.37] 43,000 [12.6] 43,000 [12.6]
Net Sensible Capacity Btu [kW] 27,600 [8.09] 27,600 [8.09] 31,800 [9.32] 31,800 [9.32]
Net System Power kW 3.05 3.05 3.63 3.63
Heating Performance (Heat Pumps)3
Heating Input Btu [kW] Rating 34,200 [10.02] 34,200 [10.02] 38,500 [11.28] 38,500 [11.28]
System Power KW/COP 2.78/3.6 2.78/3.6 3.31/3.4 3.31/3.4
Low Temp. Btuh [kW] Rating 19,000 [5.57] 19,000 [5.57] 21,800 [6.39] 21,800 [6.39]
Net Weight lbs. [kg] 356 [161] 356 [161] 408 [185] 408 [185]
System Power KW/COP 2.48/2.24 2.48/2.24 3/2.06 3/2.06
Refrigerant Control TX Valves TX Valves TX Valves TX Valves
HSPF (Btu/Watts-hr) 8 8 8.1 8.0
Compressor
No./Type 1/Scroll 1/Scroll 1/Scroll 1/Scroll
Outdoor Sound Rating (dB)476 76 78 78
Outdoor Coil—Fin Type Louvered Louvered Louvered Louvered
Tube Type Rifled Rifled Rifled Rifled
Tube Size in. [mm] OD 0.375 [9.5] 0.375 [9.5] 0.375 [9.5] 0.375 [9.5]
Face Area sq. ft. [sq. m] 12.65 [1.18] 12.65 [1.18] 16.54 [1.54] 16.54 [1.54]
Rows / FPI [FPcm] 1 / 20 [8] 1 / 20 [8] 1 / 22 [9] 1 / 22 [9]
Net Latent Capacity Btu [kW] 7,800 [2.29] 7,800 [2.29] 11,200 [3.28] 11,200 [3.28]
Indoor Coil—Fin Type Louvered Louvered Louvered Louvered
Tube Type Rifled Rifled Rifled Rifled
Tube Size in. [mm] 0.375 [9.5] 0.375 [9.5] 0.375 [9.5] 0.375 [9.5]
Face Area sq. ft. [sq. m] 4.33 [0.4] 4.33 [0.4] 5.78 [0.54] 5.78 [0.54]
Rows / FPI [FPcm] 3 / 13 [5] 3 / 13 [5] 3 / 13 [5] 3 / 13 [5]
Refrigerant Control TX Valves TX Valves TX Valves TX Valves
Drain Connection No./Size in. [mm] 1/1 [25.4] 1/1 [25.4] 1/1 [25.4] 1/1 [25.4]
Outdoor Fan—Type Propeller Propeller Propeller Propeller
No. Used/Diameter in. [mm] 1/24 [609.6] 1/24 [609.6] 1/24 [609.6] 1/24 [609.6]
Drive Type/No. Speeds Direct/1 Direct/1 Direct/1 Direct/1
CFM [L/s] 3200 [1510] 3200 [1510] 4200 [1982] 4200 [1982]
No. Motors/HP 1 at 1/3 HP 1 at 1/3 HP 1 at 1/3 HP 1 at 1/3 HP
Motor RPM 850 850 1075 1075
Indoor Fan—Type FC Centrifugal FC Centrifugal FC Centrifugal FC Centrifugal
No. Used/Diameter in. [mm] 1/10x9 [254x229] 1/10x9 [254x229] 1/11x9 [279.4x228.6] 1/11x9 [279.4x228.6]
Drive Type/No. Speeds Direct/2 Direct/2 Direct/2 Direct/2
No. Motors 1 1 1 1
Motor HP 1/2 1/2 3/4 3/4
Motor RPM 1050 1050 1050 1050
Motor Frame Size 48 48 48 48
Filter—Type Field Supplied Field Supplied Field Supplied Field Supplied
Furnished No No No No
(No.) Size Recommended in. [mm] (1)1x24x24 [25x610x610] (1)1x24x24 [25x610x610] (1)1x24x24 [25x610x610] (1)1x24x24 [25x610x610]
Refrigerant Charge Oz. [g] 93 [2637] 93 [2637] 128 [3629] 128 [3629]
Weights
Ship Weight lbs. [kg] 380 [172] 380 [172] 434 [197] 434 [197]
CONTINUED
NOMINAL SIZES 2-5 TONS [7-17.6 kW]
See Page 18 for Notes. [ ] Designates Metric Conversions

Air General Data
RQPM Series
13
Model RQPM- Series A043CK A043JK A048CK A048JK
Cooling Performance1
Gross Cooling Capacity Btu [kW] 43,500 [12.75] 43,500 [12.75] 49,000 [14.36] 49,000 [14.36]
EER/SEER212/14 12/14 11.8/14 11.8/14
Nominal CFM/AHRI Rated CFM [L/s] 1400/1425 [661/672] 1400/1425 [661/672] 1600/1550 [755/731] 1600/1550 [755/731]
AHRI Net Cooling Capacity Btu [kW] 42,500 [12.45] 42,500 [12.45] 48,000 [14.06] 48,000 [14.06]
Net Sensible Capacity Btu [kW] 32,500 [9.52] 32,500 [9.52] 36,800 [10.78] 36,800 [10.78]
Net System Power kW 3.44 3.44 4.07 4.07
Heating Performance (Heat Pumps)3
Heating Input Btu [kW] Rating 40,000 [11.72] 40,000 [11.72] 42,000 [12.31] 42,000 [12.31]
System Power KW/COP 3.32/3.5 3.32/3.5 3.59/3.66 3.59/3.66
Low Temp. Btuh [kW] Rating 22,000 [6.45] 22,000 [6.45] 25,400 [7.44] 25,400 [7.44]
Net Weight lbs. [kg] 408 [185] 408 [185] 429 [195] 429 [195]
System Power KW/COP 3/2.14 3/2.14 3.22/2.3 3.22/2.3
Refrigerant Control TX Valves TX Valves TX Valves TX Valves
HSPF (Btu/Watts-hr) 8 8 8.0 8.0
Compressor
No./Type 1/Scroll 1/Scroll 1/Scroll 1/Scroll
Outdoor Sound Rating (dB)478 78 78 78
Outdoor Coil—Fin Type Louvered Louvered Louvered Louvered
Tube Type Rifled Rifled Rifled Rifled
Tube Size in. [mm] OD 0.375 [9.5] 0.375 [9.5] 0.375 [9.5] 0.375 [9.5]
Face Area sq. ft. [sq. m] 13.45 [1.25] 13.45 [1.25] 16.54 [1.54] 16.54 [1.54]
Rows / FPI [FPcm] 2 / 18 [7] 2 / 18 [7] 1 / 22 [9] 1 / 22 [9]
Net Latent Capacity Btu [kW] 10,000 [2.93] 10,000 [2.93] 11,200 [3.28] 11,200 [3.28]
Indoor Coil—Fin Type Louvered Louvered Louvered Louvered
Tube Type Rifled Rifled Rifled Rifled
Tube Size in. [mm] 0.375 [9.5] 0.375 [9.5] 0.375 [9.5] 0.375 [9.5]
Face Area sq. ft. [sq. m] 5.78 [0.54] 5.78 [0.54] 5.78 [0.54] 5.78 [0.54]
Rows / FPI [FPcm] 3 / 13 [5] 3 / 13 [5] 3 / 13 [5] 3 / 13 [5]
Refrigerant Control TX Valves TX Valves TX Valves TX Valves
Drain Connection No./Size in. [mm] 1/1 [25.4] 1/1 [25.4] 1/1 [25.4] 1/1 [25.4]
Outdoor Fan—Type Propeller Propeller Propeller Propeller
No. Used/Diameter in. [mm] 1/24 [609.6] 1/24 [609.6] 1/24 [609.6] 1/24 [609.6]
Drive Type/No. Speeds Direct/1 Direct/1 Direct/1 Direct/1
CFM [L/s] 4200 [1982] 4200 [1982] 4200 [1982] 4200 [1982]
No. Motors/HP 1 at 1/3 HP 1 at 1/3 HP 1 at 1/3 HP 1 at 1/3 HP
Motor RPM 1075 1075 1075 1075
Indoor Fan—Type FC Centrifugal FC Centrifugal FC Centrifugal FC Centrifugal
No. Used/Diameter in. [mm] 1/11x9 [279x229] 1/11x9 [279x229] 1/11x9 [279.4x228.6] 1/11x9 [279.4x228.6]
Drive Type/No. Speeds Direct/2 Direct/2 Direct/2 Direct/2
No. Motors 1 1 1 1
Motor HP 3/4 3/4 3/4 3/4
Motor RPM 1050 1050 1050 1050
Motor Frame Size 48 48 48 48
Filter—Type Field Supplied Field Supplied Field Supplied Field Supplied
Furnished No No No No
(No.) Size Recommended in. [mm] (1)1x24x24 [25x610x610] (1)1x24x24 [25x610x610] (1)1x24x24 [25x610x610] (1)1x24x24 [25x610x610]
Refrigerant Charge Oz. [g] 161 [4564] 161 [4564] 120 [3402] 120 [3402]
Weights
Ship Weight lbs. [kg] 434 [197] 434 [197] 455 [206] 455 [206]
CONTINUED
NOMINAL SIZES 2-5 TONS [7-17.6 kW]
See Page 18 for Notes. [ ] Designates Metric Conversions

Air General Data
RQPM Series
14
Model RQPM- Series A049CK A049JK A060CK A060JK
Cooling Performance1
Gross Cooling Capacity Btu [kW] 49,000 [14.36] 49,000 [14.36] 61,000 [17.87] 61,000 [17.87]
EER/SEER212/14 12/14 12.0/14 12.0/14
Nominal CFM/AHRI Rated CFM [L/s] 1600/1550 [755/731] 1600/1550 [755/731] 2000/1900 [944/897] 2000/1900 [944/897]
AHRI Net Cooling Capacity Btu [kW] 48,000 [14.06] 48,000 [14.06] 59,500 [17.43] 59,500 [17.43]
Net Sensible Capacity Btu [kW] 36,800 [10.78] 36,800 [10.78] 45,300 [13.27] 45,300 [13.27]
Net System Power kW 4 4 5.00 5.00
Heating Performance (Heat Pumps)3
Heating Input Btu [kW] Rating 42,000 [12.31] 42,000 [12.31] 59,500 [17.43] 59,500 [17.43]
System Power KW/COP 3.59/3.66 3.59/3.66 4.74/3.72 4.74/3.72
Low Temp. Btuh [kW] Rating 25,400 [7.44] 25,400 [7.44] 36,600 [10.72] 36,600 [10.72]
Net Weight lbs. [kg] 429 [195] 429 [195] 481 [218] 481 [218]
System Power KW/COP 3.22/2.3 3.22/2.3 4.26/2.54 4.26/2.54
Refrigerant Control TX Valves TX Valves TX Valves TX Valves
HSPF (Btu/Watts-hr) 8 8 8 8
Compressor
No./Type 1/Scroll 1/Scroll 1/Scroll 1/Scroll
Outdoor Sound Rating (dB)478 78 78 78
Outdoor Coil—Fin Type Louvered Louvered Louvered Louvered
Tube Type Rifled Rifled Rifled Rifled
Tube Size in. [mm] OD 0.375 [9.5] 0.375 [9.5] 0.375 [9.5] 0.375 [9.5]
Face Area sq. ft. [sq. m] 16.54 [1.54] 16.54 [1.54] 16.54 [1.54] 16.54 [1.54]
Rows / FPI [FPcm] 1 / 22 [9] 1 / 22 [9] 2 / 18 [7] 2 / 18 [7]
Net Latent Capacity Btu [kW] 11,200 [3.28] 11,200 [3.28] 14,200 [4.16] 14,200 [4.16]
Indoor Coil—Fin Type Louvered Louvered Louvered Louvered
Tube Type Rifled Rifled Rifled Rifled
Tube Size in. [mm] 0.375 [9.5] 0.375 [9.5] 0.375 [9.5] 0.375 [9.5]
Face Area sq. ft. [sq. m] 5.78 [0.54] 5.78 [0.54] 5.78 [0.54] 5.78 [0.54]
Rows / FPI [FPcm] 3 / 13 [5] 3 / 13 [5] 4 / 13 [5] 4 / 13 [5]
Refrigerant Control TX Valves TX Valves TX Valves TX Valves
Drain Connection No./Size in. [mm] 1/1 [25.4] 1/1 [25.4] 1/1 [25.4] 1/1 [25.4]
Outdoor Fan—Type Propeller Propeller Propeller Propeller
No. Used/Diameter in. [mm] 1/24 [609.6] 1/24 [609.6] 1/24 [609.6] 1/24 [609.6]
Drive Type/No. Speeds Direct/1 Direct/1 Direct/1 Direct/1
CFM [L/s] 4200 [1982] 4200 [1982] 4000 [1888] 4000 [1888]
No. Motors/HP 1 at 1/3 HP 1 at 1/3 HP 1 at 1/3 HP 1 at 1/3 HP
Motor RPM 908 908 1075 1075
Indoor Fan—Type FC Centrifugal FC Centrifugal FC Centrifugal FC Centrifugal
No. Used/Diameter in. [mm] 1/11x9 [279x229] 1/11x9 [279x229] 1/11x9 [279.4x228.6] 1/11x9 [279.4x228.6]
Drive Type/No. Speeds Direct/2 Direct/2 Direct/2 Direct/2
No. Motors 1 1 1 1
Motor HP 3/4 3/4 1 1
Motor RPM 1050 1050 1050 1050
Motor Frame Size 48 48 48 48
Filter—Type Field Supplied Field Supplied Field Supplied Field Supplied
Furnished No No No No
(No.) Size Recommended in. [mm] (1)1x24x24 [25x610x610] (1)1x24x24 [25x610x610] (1)1x24x24 [25x610x610] (1)1x24x24 [25x610x610]
Refrigerant Charge Oz. [g] 120 [3402] 120 [3402] 193 [5472] 193 [5472]
Weights
Ship Weight lbs. [kg] 455 [206] 455 [206] 507 [230] 507 [230]
NOMINAL SIZES 2-5 TONS [7-17.6 kW]
See Page 18 for Notes. [ ] Designates Metric Conversions

Air General Data
RQRM Series
15
Model RQRM- Series A024JK A030JK A036JK A042JK
Cooling Performance1
Gross Cooling Capacity Btu [kW] 24,400 [7.15] 29,600 [8.67] 35,000 [10.25] 43,000 [12.6]
EER/SEER213/16 13/16 13/16 13/16
Nominal CFM/AHRI Rated CFM [L/s] 800/900 [378/425] 1000/1000 [472/472] 1200/1200 [566/566] 1400/1425 [661/672]
AHRI Net Cooling Capacity Btu [kW] 24,000 [7.03] 29,200 [8.56] 34,400 [10.08] 42,000 [12.31]
Net Sensible Capacity Btu [kW] 20,000 [5.86] 23,050 [6.75] 27,000 [7.91] 32,200 [9.43]
Net System Power kW 1.85 2.13 2.58 3.14
Heating Performance (Heat Pumps)3
Heating Input Btu [kW] Rating 23,800 [6.97] 28,800 [8.44] 33,200 [9.73] 39,500 [11.57]
System Power KW/COP 1.79/3.9 2.11/4 2.63/3.7 2.89/4
Low Temp. Btuh [kW] Rating 11,700 [3.43] 16,000 [4.69] 18,600 [5.45] 22,400 [6.56]
Net Weight lbs. [kg] 385 [175] 429 [195] 429 [195] 479 [217]
System Power KW/COP 1.65/2.08 1.95/2.4 2.37/2.3 2.74/2.4
Refrigerant Control TX Valves TX Valves TX Valves TX Valves
HSPF (Btu/Watts-hr) 8 8 8 8.5
Compressor
No./Type 1/Scroll 1/Scroll 1/Scroll 1/Scroll
Outdoor Sound Rating (dB)476 76 76 76
Outdoor Coil—Fin Type Louvered Louvered Louvered Louvered
Tube Type Rifled Rifled Rifled Rifled
Tube Size in. [mm] OD 0.375 [9.5] 0.375 [9.5] 0.375 [9.5] 0.375 [9.5]
Face Area sq. ft. [sq. m] 12.12 [1.13] 16.54 [1.54] 16.54 [1.54] 15.85 [1.47]
Rows / FPI [FPcm] 2 / 18 [7] 2 / 18 [7] 2 / 18 [7] 2 / 18 [7]
Net Latent Capacity Btu [kW] 4,000 [1.17] 6,150 [1.8] 7,400 [2.17] 9,800 [2.87]
Indoor Coil—Fin Type Louvered Louvered Louvered Louvered
Tube Type Rifled Rifled Rifled Rifled
Tube Size in. [mm] 0.375 [9.5] 0.375 [9.5] 0.375 [9.5] 0.375 [9.5]
Face Area sq. ft. [sq. m] 4.33 [0.4] 5.78 [0.54] 5.78 [0.54] 5.78 [0.54]
Rows / FPI [FPcm] 3 / 13 [5] 3 / 13 [5] 3 / 13 [5] 4 / 13 [5]
Refrigerant Control TX Valves TX Valves TX Valves TX Valves
Drain Connection No./Size in. [mm] 1/1 [25.4] 1/1 [25.4] 1/1 [25.4] 1/1 [25.4]
Outdoor Fan—Type Propeller Propeller Propeller Propeller
No. Used/Diameter in. [mm] 1/24 [609.6] 1/24 [609.6] 1/24 [609.6] 1/24 [609.6]
Drive Type/No. Speeds Direct/1 Direct/1 Direct/1 Direct/1
CFM [L/s] 3200 [1510] 3200 [1510] 3200 [1510] 4200 [1982]
No. Motors/HP 1 at 1/3 HP 1 at 1/3 HP 1 at 1/3 HP 1 at 1/3 HP
Motor RPM 825 825 825 1075
Indoor Fan—Type FC Centrifugal FC Centrifugal FC Centrifugal FC Centrifugal
No. Used/Diameter in. [mm] 1/10x9 [254x229] 1/10x9 [254x229] 1/10x9 [254x229] 1/11x9 [279x229]
Drive Type/No. Speeds Direct/2 Direct/2 Direct/2 Direct/2
No. Motors 1 1 1 1
Motor HP 1/2 1/2 1/2 3/4
Motor RPM 1050 1050 1050 1050
Motor Frame Size 48 48 48 48
Filter—Type Field Supplied Field Supplied Field Supplied Field Supplied
Furnished No No No No
(No.) Size Recommended in. [mm] (1)1x20x16 [25x508x406] (1)1x20x20 [25x508x508] (1)1x24x24 [25x610x610] (1)1x24x24 [25x610x610]
Refrigerant Charge Oz. [g] 176 [4990] 203 [5755] 194 [5500] 206 [5840]
Weights
Ship Weight lbs. [kg] 409 [186] 455 [206] 455 [206] 505 [229]
CONTINUED
NOMINAL SIZES 2-5 TONS [7-17.6 kW]
See Page 18 for Notes. [ ] Designates Metric Conversions

Air General Data
RQRM Series
16
Model RQRM- Series A048JK
Cooling Performance1
Gross Cooling Capacity Btu [kW] 46,500 [13.62]
EER/SEER213/16
Nominal CFM/AHRI Rated CFM [L/s] 1600/1525 [755/720]
AHRI Net Cooling Capacity Btu [kW] 45,500 [13.33]
Net Sensible Capacity Btu [kW] 34,700 [10.17]
Net System Power kW 3.45
Heating Performance (Heat Pumps)3
Heating Input Btu [kW] Rating 43,500 [12.75]
System Power KW/COP 3.19/4
Low Temp. Btuh [kW] Rating 23,800 [6.97]
Net Weight lbs. [kg] 469 [213]
System Power KW/COP 2.79/2.5
Refrigerant Control TX Valves
HSPF (Btu/Watts-hr) 8.5
Compressor
No./Type 1/Scroll
Outdoor Sound Rating (dB)478
Outdoor Coil—Fin Type Louvered
Tube Type Rifled
Tube Size in. [mm] OD 0.375 [9.5]
Face Area sq. ft. [sq. m] 16.54 [1.54]
Rows / FPI [FPcm] 2 / 18 [7]
Net Latent Capacity Btu [kW] 10,800 [3.16]
Indoor Coil—Fin Type Louvered
Tube Type Rifled
Tube Size in. [mm] 0.375 [9.5]
Face Area sq. ft. [sq. m] 5.78 [0.54]
Rows / FPI [FPcm] 4 / 13 [5]
Refrigerant Control TX Valves
Drain Connection No./Size in. [mm] 1/1 [25.4]
Outdoor Fan—Type Propeller
No. Used/Diameter in. [mm] 1/24 [609.6]
Drive Type/No. Speeds Direct/1
CFM [L/s] 4200 [1982]
No. Motors/HP 1 at 1/3 HP
Motor RPM 1075
Indoor Fan—Type FC Centrifugal
No. Used/Diameter in. [mm] 1/11x9 [279x229]
Drive Type/No. Speeds Direct/2
No. Motors 1
Motor HP 3/4
Motor RPM 1050
Motor Frame Size 48
Filter—Type Field Supplied
Furnished No
(No.) Size Recommended in. [mm] (1)1x24x24 [25x610x610]
Refrigerant Charge Oz. [g] 216 [6124]
Weights
Ship Weight lbs. [kg] 495 [225]
NOMINAL SIZES 2-5 TONS [7-17.6 kW]
See Page 18 for Notes. [ ] Designates Metric Conversions

Air General Data
RQRM Series
17
Model RQRM- Series A060JK
Cooling Performance1
Gross Cooling Capacity (2nd Stage) Btu [kW] 57,500 [16.85]
SEER215
EER (1st stage / 2nd stage) 12.6/12.0
AHRI Rated CFM (1st / 2nd stage) [L/s] 1400 [660] / 1700 [802]
AHRI Net Cooling Capacity (1st / 2nd stage) Btu [kW] 40,900 [11.98] / 56,000 [16.41]
Net Sensible Capacity (1st / 2nd stage) Btu [kW] 32,850 [9.62] / 41,450 [12.14]
Net Latent Capacity (1st / 2nd stage) Btu [kW] 8,050 [2.35] / 14,550 [4.26]
Net System Power (1st / 2nd stage) [kW] 3.24 / 4.63
Heating Performance (Heat Pumps)3
High Temp. (1st stage / 2nd stage) Btuh [kW] Rating 38,000 [11.13] / 54,800 [16.06]
System Power (1st stage / 2nd stage) COP 3.68/3.82
System Power (1st stage / 2nd stage) KW 3.04/4.2
Low Temp. (1st stage / 2nd stage) Btuh [kW] Rating 20,800 [6.09] / 31,600 [9.26]
System Power (1st stage / 2nd stage) COP 2.15/2.54
System Power (1st stage / 2nd stage) KW 2.86/3.65
HSPF (Btu/Watts-hr) 8.5
Compressor
No./Type 1/Scroll
Outdoor Sound Rating (dB)478
Outdoor Coil—Fin Type Louvered
Tube Type Rifled
Tube Size in. [mm] OD 0.375 [9.5]
Face Area sq. ft. [sq. m] 16.54 [1.54]
Rows / FPI [FPcm] 2 / 18 [7]
Refrigerant Control TX Valves
Indoor Coil—Fin Type Louvered
Tube Type Rifled
Tube Size in. [mm] 0.375 [9.5]
Face Area sq. ft. [sq. m] 5.78 [0.54]
Rows / FPI [FPcm] 4 / 13 [5]
Refrigerant Control TX Valves
Drain Connection No./Size in. [mm] 1/1 [25.4]
Outdoor Fan—Type Propeller
No. Used/Diameter in. [mm] 1/24 [609.6]
Drive Type/No. Speeds Direct/1
CFM [L/s] 4200 [1982]
No. Motors/HP 1 at 1/3 HP
Motor RPM 1075
Indoor Fan—Type FC Centrifugal
No. Used/Diameter in. [mm] 1/11x9 [279x229]
Drive Type/No. Speeds Direct/2
No. Motors 1
Motor HP 1
Motor RPM 1050
Motor Frame Size 48
Filter—Type Field Supplied
Furnished No
(NO.) Size Recommended in. [mm x mm x mm] (1)1x24x24 [25x610x610]
Refrigerant Charge Oz. [g] 202 [5727]
Weights
Net Weight lbs. [kg] 482 [219]
Ship Weight lbs. [kg] 508 [230]
NOMINAL SIZES 2-5 TONS [7-17.6 kW]
See Page 18 for Notes. [ ] Designates Metric Conversions

Air General Data
RQNM/RQPM/RQRM Series
18
NOTES:
1. Cooling Performance is rated at 95° F ambient, 80° F entering dry bulb, 67° F entering wet bulb. Gross capacity does
not include the effect of fan motor heat. AHRI capacity is net and includes the effect of fan motor heat. Units are
suitable for operation to ⫾20% of nominal cfm. Units are certified in accordance with the Unitary Air Conditioner
Equipment certification program, which is based on AHRI Standard 210/240 or 360.
2. EER and/or SEER are rated at AHRI conditions and in accordance with DOE test procedures.
3. Heating Performance is rated at 47° F ambient, 70° F entering dry bulb for High Temp rating and 17° ambient, 70° F
entering dry bulb for Low Temp rating. Performance ratings do include the effect of fan motor heat.
4. Outdoor Sound Rating shown is tested in accordance with AHRI Standard 270.

Air Gross Systems Performance Data
RQNM Series
19
GROSS SYSTEMS COOLING PERFORMANCE DATA—RQNM-A030
DR —Depression ratio
dbE —Entering air dry bulb
wbE—Entering air wet bulb
Total —Total capacity x 1000 BTUH
Sens —Sensible capacity x 1000 BTUH
Power —KW input
NOTES: ➀ When the entering air dry bulb is other than 80°F [27°C], adjust the sensible
capacity from the table by adding [1.10 x CFM x (1 – DR) x (dbE – 80)].
[ ] Designates Metric Conversions
ENTERING INDOOR AIR @ 80°F [26.7°C] dbE ➀
wbE 71°F [21.7°C] 67°F [19.4°C] 63°F [17.2°C]
CFM [L/s] 960 [453] 800 [378] 640 [302] 960 [453] 800 [378] 640 [302] 960 [453] 800 [378] 640 [302]
DR ➀.02 .06 .09 .02 .06 .09 .02 .06 .09
O
U
T
D
O
O
R
D
R
Y
B
U
L
B
T
E
M
P
E
R
A
T
U
R
E
°F
[°C]
75
[23.9]
Total BTUH [kW]
Sens BTUH [kW]
Power
30.8 [9.0]
19.1 [5.6]
1.6
29.7 [8.7]
16.4 [4.8]
1.6
28.6 [8.4]
13.9 [4.1]
1.6
28.9 [8.5]
23.2 [6.8]
1.7
27.9 [8.2]
20.2 [5.9]
1.6
26.9 [7.9]
17.4 [5.1]
1.6
27.6 [8.1]
26.1 [7.7]
1.7
26.7 [7.8]
23.0 [6.8]
1.6
25.7 [7.5]
19.9 [5.8]
1.6
80
[26.7]
Total BTUH [kW]
Sens BTUH [kW]
Power
30.0 [8.8]
18.9 [5.5]
1.7
28.9 [8.5]
16.2 [4.8]
1.7
27.9 [8.2]
13.8 [4.1]
1.6
28.1 [8.2]
23.1 [6.8]
1.7
27.1 [7.9]
20.1 [5.9]
1.7
26.1 [7.6]
17.3 [5.1]
1.6
26.8 [7.9]
25.9 [7.6]
1.7
25.9 [7.6]
22.8 [6.7]
1.7
24.9 [7.3]
19.8 [5.8]
1.7
85
[29.4]
Total BTUH [kW]
Sens BTUH [kW]
Power
29.1 [8.5]
18.6 [5.5]
1.8
28.1 [8.2]
16.0 [4.7]
1.7
27.1 [7.9]
13.6 [4.0]
1.7
27.2 [8.0]
22.7 [6.7]
1.8
26.3 [7.7]
19.9 [5.8]
1.7
25.3 [7.4]
17.1 [5.0]
1.7
25.9 [7.6]
25.6 [7.5]
1.8
25.0 [7.3]
22.5 [6.6]
1.7
24.1 [7.1]
19.6 [5.8]
1.7
90
[32.2]
Total BTUH [kW]
Sens BTUH [kW]
Power
28.2 [8.3]
18.3 [5.4]
1.8
27.2 [8.0]
15.7 [4.6]
1.8
26.2 [7.7]
13.3 [3.9]
1.8
26.3 [7.7]
22.3 [6.5]
1.8
25.4 [7.4]
19.5 [5.7]
1.8
24.5 [7.2]
16.9 [5.0]
1.8
25.0 [7.3]
25.0 [7.3]
1.8
24.2 [7.1]
22.3 [6.5]
1.8
23.3 [6.8]
19.4 [5.7]
1.8
95
[35]
Total BTUH [kW]
Sens BTUH [kW]
Power
27.3 [8.0]
17.8 [5.2]
1.9
26.3 [7.7]
15.3 [4.5]
1.9
25.4 [7.4]
13.1 [3.8]
1.8
25.4 [7.4]
21.9 [6.4]
1.9
24.5 [7.2]
19.1 [5.6]
1.9
23.6 [6.9]
16.5 [4.8]
1.8
24.1 [7.1]
24.1 [7.1]
1.9
23.3 [6.8]
21.9 [6.4]
1.9
22.4 [6.6]
19.0 [5.6]
1.8
100
[37.8]
Total BTUH [kW]
Sens BTUH [kW]
Power
26.3 [7.7]
17.2 [5.1]
2.0
25.4 [7.4]
14.8 [4.3]
1.9
24.5 [7.2]
12.6 [3.7]
1.9
24.5 [7.2]
21.3 [6.3]
2.0
23.6 [6.9]
18.6 [5.5]
1.9
22.7 [6.7]
16.0 [4.7]
1.9
23.2 [6.8]
23.2 [6.8]
2.0
22.3 [6.5]
21.3 [6.3]
1.9
21.5 [6.3]
18.6 [5.5]
1.9
105
[40.6]
Total BTUH [kW]
Sens BTUH [kW]
Power
25.3 [7.4]
16.5 [4.8]
2.1
24.4 [7.2]
14.2 [4.2]
2.0
23.6 [6.9]
12.1 [3.6]
2.0
23.5 [6.9]
20.7 [6.1]
2.1
22.6 [6.6]
18.0 [5.3]
2.0
21.8 [6.4]
15.6 [4.6]
2.0
22.2 [6.5]
22.2 [6.5]
2.1
21.4 [6.3]
20.8 [6.1]
2.0
20.6 [6.0]
18.1 [5.3]
2.0
110
[43.3]
Total BTUH [kW]
Sens BTUH [kW]
Power
24.3 [7.1]
15.7 [4.6]
2.1
23.5 [6.9]
13.6 [4.0]
2.1
22.6 [6.6]
11.5 [3.4]
2.1
22.4 [6.6]
19.8 [5.8]
2.1
21.6 [6.3]
17.3 [5.1]
2.1
20.9 [6.1]
15.1 [4.4]
2.1
21.1 [6.2]
21.1 [6.2]
2.1
20.4 [6.0]
20.1 [5.9]
2.1
19.7 [5.8]
17.6 [5.2]
2.1
115
[46.1]
Total BTUH [kW]
Sens BTUH [kW]
Power
23.2 [6.8]
14.9 [4.4]
2.2
22.4 [6.6]
12.8 [3.8]
2.2
21.6 [6.3]
10.9 [3.2]
2.1
21.4 [6.3]
19.0 [5.6]
2.2
20.6 [6.0]
16.6 [4.9]
2.2
19.9 [5.8]
14.4 [4.2]
2.1
20.1 [5.9]
20.1 [5.9]
2.2
19.4 [5.7]
19.4 [5.7]
2.2
18.7 [5.5]
17.0 [5.0]
2.1
GROSS SYSTEMS COOLING PERFORMANCE DATA—RQNM-A024
ENTERING INDOOR AIR @ 80°F [26.7°C] dbE ➀
wbE 71°F [21.7°C] 67°F [19.4°C] 63°F [17.2°C]
CFM [L/s] 1200 [566] 1000 [472] 800 [378] 1200 [566] 1000 [472] 800 [378] 1200 [566] 1000 [472] 800 [378]
DR ➀.04 .06 .01 .04 .06 .01 .04 .06 .01
O
U
T
D
O
O
R
D
R
Y
B
U
L
B
T
E
M
P
E
R
A
T
U
R
E
°F
[°C]
75
[23.9]
Total BTUH [kW]
Sens BTUH [kW]
Power
38.7 [11.3]
24.8 [7.3]
1.9
37.3 [10.9]
21.3 [6.3]
1.8
35.9 [10.5]
18.0 [5.3]
1.8
35.5 [10.4]
29.0 [8.5]
1.9
34.3 [10.1]
25.3 [7.4]
1.8
33.0 [9.7]
21.8 [6.4]
1.8
33.9 [9.9]
32.5 [9.5]
1.9
32.7 [9.6]
28.5 [8.4]
1.8
31.5 [9.2]
24.8 [7.3]
1.8
80
[26.7]
Total BTUH [kW]
Sens BTUH [kW]
Power
37.5 [11.0]
24.3 [7.1]
2.0
36.2 [10.6]
20.9 [6.1]
1.9
34.9 [10.2]
17.8 [5.2]
1.9
34.4 [10.1]
28.5 [8.4]
2.0
33.2 [9.7]
24.9 [7.3]
1.9
32.0 [9.4]
21.5 [6.3]
1.9
32.8 [9.6]
32.0 [9.4]
2.0
31.6 [9.3]
28.1 [8.2]
1.9
30.5 [8.9]
24.5 [7.2]
1.9
85
[29.4]
Total BTUH [kW]
Sens BTUH [kW]
Power
36.4 [10.7]
23.8 [7.0]
2.1
35.1 [10.3]
20.5 [6.0]
2.0
33.8 [9.9]
17.4 [5.1]
2.0
33.2 [9.7]
28.0 [8.2]
2.1
32.1 [9.4]
24.5 [7.2]
2.0
30.9 [9.1]
21.1 [6.2]
2.0
31.6 [9.3]
31.5 [9.2]
2.1
30.5 [8.9]
27.7 [8.1]
2.0
29.4 [8.6]
24.1 [7.1]
2.0
90
[32.2]
Total BTUH [kW]
Sens BTUH [kW]
Power
35.2 [10.3]
23.2 [6.8]
2.2
34.0 [10.0]
20.0 [5.9]
2.2
32.8 [9.6]
17.0 [5.0]
2.1
32.1 [9.4]
27.4 [8.0]
2.2
31.0 [9.1]
24.0 [7.0]
2.1
29.8 [8.7]
20.7 [6.1]
2.1
30.5 [8.9]
30.5 [8.9]
2.2
29.4 [8.6]
27.2 [8.0]
2.1
28.4 [8.3]
23.8 [7.0]
2.1
95
[35]
Total BTUH [kW]
Sens BTUH [kW]
Power
34.1 [10.0]
22.6 [6.6]
2.3
32.9 [9.6]
19.5 [5.7]
2.3
31.7 [9.3]
16.6 [4.9]
2.2
31.0 [9.1]
26.9 [7.9]
2.3
29.9 [8.8]
23.5 [6.9]
2.3
28.8 [8.4]
20.3 [6.0]
2.2
29.4 [8.6]
29.4 [8.6]
2.3
28.3 [8.3]
26.7 [7.8]
2.3
27.3 [8.0]
23.3 [6.8]
2.2
100
[37.8]
Total BTUH [kW]
Sens BTUH [kW]
Power
32.9 [9.6]
22.0 [6.5]
2.4
31.8 [9.3]
19.0 [5.6]
2.4
30.6 [9.0]
16.1 [4.7]
2.4
29.8 [8.7]
26.2 [7.7]
2.4
28.8 [8.4]
23.0 [6.8]
2.4
27.7 [8.1]
19.9 [5.8]
2.3
28.2 [8.3]
28.2 [8.3]
2.4
27.2 [8.0]
26.2 [7.7]
2.4
26.2 [7.7]
22.8 [6.7]
2.3
105
[40.6]
Total BTUH [kW]
Sens BTUH [kW]
Power
31.8 [9.3]
21.3 [6.3]
2.6
30.7 [9.0]
18.4 [5.4]
2.5
29.6 [8.7]
15.7 [4.6]
2.5
28.7 [8.4]
25.6 [7.5]
2.6
27.7 [8.1]
22.4 [6.6]
2.5
26.7 [7.8]
19.4 [5.7]
2.5
27.1 [7.9]
27.1 [8.0]
2.6
26.1 [7.6]
25.7 [7.5]
2.5
25.2 [7.4]
22.5 [6.6]
2.5
110
[43.3]
Total BTUH [kW]
Sens BTUH [kW]
Power
30.7 [9.0]
20.7 [6.1]
2.7
29.6 [8.7]
17.8 [5.2]
2.7
28.5 [8.4]
15.1 [4.4]
2.6
27.6 [8.1]
24.9 [7.3]
2.7
26.6 [7.8]
21.8 [6.4]
2.7
25.6 [7.5]
18.9 [5.5]
2.6
25.9 [7.6]
25.9 [7.6]
2.7
25.0 [7.3]
25.0 [7.3]
2.6
24.1 [7.1]
21.9 [6.4]
2.6
115
[46.1]
Total BTUH [kW]
Sens BTUH [kW]
Power
29.6 [8.7]
20.0 [5.9]
2.8
28.5 [8.4]
17.2 [5.1]
2.8
27.5 [8.1]
14.7 [4.3]
2.7
26.4 [7.7]
24.2 [7.1]
2.8
25.5 [7.5]
21.2 [6.2]
2.8
24.6 [7.2]
18.4 [5.4]
2.7
24.8 [7.3]
24.8 [7.3]
2.8
23.9 [7.0]
23.9 [7.0]
2.8
23.1 [6.8]
21.4 [6.3]
2.7

Air Gross Systems Performance Data
RQNM Series
20
GROSS SYSTEMS COOLING PERFORMANCE DATA—RQNM-A042
ENTERING INDOOR AIR @ 80°F [26.7°C] dbE ➀
wbE 71°F [21.7°C] 67°F [19.4°C] 63°F [17.2°C]
CFM [L/s] 1740 [821] 1450 [684] 1160 [547] 1740 [821] 1450 [684] 1160 [547] 1740 [821] 1450 [684] 1160 [547]
DR ➀.15 .19 .24 .15 .19 .24 .15 .19 .24
O
U
T
D
O
O
R
D
R
Y
B
U
L
B
T
E
M
P
E
R
A
T
U
R
E
°F
[°C]
75
[23.9]
Total BTUH [kW]
Sens BTUH [kW]
Power
52.1 [15.3]
30.8 [9.0]
2.7
50.3 [14.7]
26.4 [7.7]
2.7
48.5 [14.2]
22.3 [6.5]
2.6
50.4 [14.8]
38.3 [11.2]
2.7
48.6 [14.2]
33.2 [9.7]
2.7
46.8 [13.7]
28.5 [8.4]
2.6
46.8 [13.7]
41.5 [12.2]
2.7
45.1 [13.2]
36.3 [10.6]
2.7
43.5 [12.7]
31.5 [9.2]
2.6
80
[26.7]
Total BTUH [kW]
Sens BTUH [kW]
Power
51.0 [14.9]
30.6 [9.0]
2.9
49.2 [14.4]
26.2 [7.7]
2.8
47.4 [13.9]
22.1 [6.5]
2.8
49.2 [14.4]
37.9 [11.1]
2.9
47.5 [13.9]
33.0 [9.7]
2.8
45.8 [13.4]
28.4 [8.3]
2.8
45.6 [13.4]
41.2 [12.1]
2.9
44.0 [12.9]
36.1 [10.6]
2.8
42.4 [12.4]
31.3 [9.2]
2.8
85
[29.4]
Total BTUH [kW]
Sens BTUH [kW]
Power
49.8 [14.6]
30.3 [8.9]
3.0
48.0 [14.1]
25.9 [7.6]
3.0
46.3 [13.6]
21.9 [6.4]
2.9
48.0 [14.1]
37.6 [11.0]
3.0
46.3 [13.6]
32.7 [9.6]
3.0
44.6 [13.1]
28.1 [8.2]
2.9
44.4 [13.0]
40.9 [12.0]
3.0
42.8 [12.5]
35.8 [10.5]
3.0
41.3 [12.1]
31.1 [9.1]
2.9
90
[32.2]
Total BTUH [kW]
Sens BTUH [kW]
Power
48.4 [14.2]
29.6 [8.7]
3.2
46.7 [13.7]
25.4 [7.5]
3.2
45.0 [13.2]
21.5 [6.3]
3.1
46.7 [13.7]
37.1 [10.9]
3.2
45.0 [13.2]
32.2 [9.4]
3.2
43.4 [12.7]
27.7 [8.1]
3.1
43.1 [12.6]
40.3 [11.8]
3.2
41.5 [12.2]
35.3 [10.4]
3.2
40.0 [11.7]
30.6 [9.0]
3.1
95
[35]
Total BTUH [kW]
Sens BTUH [kW]
Power
47.0 [13.8]
29.0 [8.5]
3.4
45.3 [13.3]
24.8 [7.3]
3.3
43.7 [12.8]
21.0 [6.2]
3.3
45.2 [13.2]
36.3 [10.6]
3.4
43.6 [12.8]
31.6 [9.3]
3.3
42.1 [12.3]
27.3 [8.0]
3.3
41.6 [12.2]
39.6 [11.6]
3.4
40.1 [11.8]
34.7 [10.2]
3.3
38.7 [11.3]
30.2 [8.9]
3.3
100
[37.8]
Total BTUH [kW]
Sens BTUH [kW]
Power
45.4 [13.3]
28.1 [8.2]
3.6
43.8 [12.8]
24.1 [7.1]
3.5
42.2 [12.4]
20.4 [6.0]
3.5
43.7 [12.8]
35.5 [10.4]
3.6
42.1 [12.3]
30.9 [9.1]
3.5
40.6 [11.9]
26.7 [7.8]
3.5
40.1 [11.8]
38.8 [11.4]
3.6
38.7 [11.3]
34.1 [10.0]
3.5
37.3 [10.9]
29.6 [8.7]
3.5
105
[40.6]
Total BTUH [kW]
Sens BTUH [kW]
Power
43.8 [12.8]
27.1 [8.0]
3.8
42.2 [12.4]
23.2 [6.8]
3.7
40.7 [11.9]
19.7 [5.8]
3.7
42.0 [12.3]
34.4 [10.1]
3.8
40.6 [11.9]
30.1 [8.8]
3.7
39.1 [11.5]
25.9 [7.6]
3.7
38.4 [11.3]
37.7 [11.1]
3.8
37.1 [10.9]
33.2 [9.7]
3.7
35.7 [10.5]
28.8 [8.5]
3.7
110
[43.3]
Total BTUH [kW]
Sens BTUH [kW]
Power
42.0 [12.3]
25.9 [7.6]
4.0
40.6 [11.9]
22.3 [6.5]
3.9
39.1 [11.5]
18.9 [5.5]
3.9
40.3 [11.8]
33.3 [9.8]
4.0
38.9 [11.4]
29.1 [8.5]
3.9
37.5 [11.0]
25.1 [7.4]
3.9
36.7 [10.8]
36.6 [10.7]
4.0
35.4 [10.4]
32.2 [9.4]
3.9
34.1 [10.0]
28.0 [8.2]
3.9
115
[46.1]
Total BTUH [kW]
Sens BTUH [kW]
Power
40.2 [11.8]
24.7 [7.2]
4.2
38.8 [11.4]
21.2 [6.2]
4.2
37.4 [11.0]
18.0 [5.3]
4.1
38.4 [11.3]
32.0 [9.4]
4.2
37.1 [10.9]
28.0 [8.2]
4.2
35.7 [10.5]
24.1 [7.1]
4.1
34.8 [10.2]
34.8 [10.2]
4.2
33.6 [9.8]
31.1 [9.1]
4.2
32.4 [9.5]
27.1 [8.0]
4.1
GROSS SYSTEMS COOLING PERFORMANCE DATA—RQNM-A036
ENTERING INDOOR AIR @ 80°F [26.7°C] dbE ➀
wbE 71°F [21.7°C] 67°F [19.4°C] 63°F [17.2°C]
CFM [L/s] 1440 [680] 1200 [566] 960 [453] 1440 [680] 1200 [566] 960 [453] 1440 [680] 1200 [566] 960 [453]
DR ➀.04 .07 .10 .04 .07 .10 .04 .07 .10
O
U
T
D
O
O
R
D
R
Y
B
U
L
B
T
E
M
P
E
R
A
T
U
R
E
°F
[°C]
75
[23.9]
Total BTUH [kW]
Sens BTUH [kW]
Power
45.5 [13.3]
28.6 [8.4]
2.4
43.9 [12.9]
24.6 [7.2]
2.3
42.3 [12.4]
20.9 [6.1]
2.3
43.1 [12.6]
34.8 [10.2]
2.3
41.5 [12.2]
30.2 [8.9]
2.3
40.0 [11.7]
26.0 [7.6]
2.3
40.2 [11.8]
37.9 [11.1]
2.3
38.8 [11.4]
33.3 [9.8]
2.3
37.4 [11.0]
28.9 [8.5]
2.2
80
[26.7]
Total BTUH [kW]
Sens BTUH [kW]
Power
44.2 [13.0]
28.1 [8.2]
2.5
42.7 [12.5]
24.2 [7.1]
2.4
41.1 [12.0]
20.5 [6.0]
2.4
41.8 [12.3]
34.3 [10.1]
2.5
40.3 [11.8]
29.9 [8.8]
2.4
38.9 [11.4]
25.8 [7.6]
2.4
39.0 [11.4]
37.5 [11.0]
2.4
37.6 [11.0]
32.9 [9.7]
2.4
36.2 [10.6]
28.6 [8.4]
2.3
85
[29.4]
Total BTUH [kW]
Sens BTUH [kW]
Power
42.9 [12.6]
27.6 [8.1]
2.6
41.4 [12.1]
23.7 [7.0]
2.6
39.9 [11.7]
20.1 [5.9]
2.5
40.5 [11.9]
33.8 [9.9]
2.6
39.1 [11.5]
29.5 [8.7]
2.5
37.7 [11.0]
25.5 [7.5]
2.5
37.7 [11.0]
37.0 [10.9]
2.6
36.4 [10.7]
32.5 [9.5]
2.5
35.0 [10.3]
28.2 [8.3]
2.5
90
[32.2]
Total BTUH [kW]
Sens BTUH [kW]
Power
41.6 [12.2]
27.0 [7.9]
2.7
40.2 [11.8]
23.3 [6.8]
2.7
38.7 [11.3]
19.8 [5.8]
2.6
39.2 [11.5]
33.1 [9.7]
2.7
37.8 [11.1]
28.9 [8.5]
2.7
36.5 [10.7]
25.0 [7.3]
2.6
36.4 [10.7]
36.3 [10.6]
2.7
35.1 [10.3]
31.9 [9.4]
2.6
33.8 [9.9]
27.7 [8.1]
2.6
95
[35]
Total BTUH [kW]
Sens BTUH [kW]
Power
40.3 [11.8]
26.2 [7.7]
2.9
38.9 [11.4]
22.6 [6.6]
2.8
37.5 [11.0]
19.2 [5.6]
2.8
37.9 [11.1]
32.5 [9.5]
2.8
36.6 [10.7]
28.4 [8.3]
2.8
35.2 [10.3]
24.5 [7.2]
2.8
35.0 [10.3]
35.0 [10.3]
2.8
33.8 [9.9]
31.3 [9.2]
2.8
32.6 [9.6]
27.3 [8.0]
2.7
100
[37.8]
Total BTUH [kW]
Sens BTUH [kW]
Power
39.0 [11.4]
25.6 [7.5]
3.0
37.6 [11.0]
22.0 [6.5]
3.0
36.2 [10.6]
18.7 [5.5]
2.9
36.5 [10.7]
31.6 [9.3]
3.0
35.3 [10.3]
27.7 [8.1]
2.9
34.0 [10.0]
23.9 [7.0]
2.9
33.7 [9.9]
33.7 [9.9]
3.0
32.5 [9.5]
30.7 [9.0]
2.9
31.3 [9.2]
26.7 [7.8]
2.9
105
[40.6]
Total BTUH [kW]
Sens BTUH [kW]
Power
37.6 [11.0]
24.7 [7.2]
3.2
36.3 [10.6]
21.3 [6.3]
3.1
34.9 [10.2]
18.0 [5.3]
3.1
35.2 [10.3]
30.8 [9.0]
3.1
33.9 [9.9]
26.9 [7.9]
3.1
32.7 [9.6]
23.3 [6.8]
3.0
32.3 [9.5]
32.3 [9.5]
3.1
31.2 [9.1]
30.0 [8.8]
3.1
30.0 [8.8]
26.1 [7.7]
3.0
110
[43.3]
Total BTUH [kW]
Sens BTUH [kW]
Power
36.2 [10.6]
23.7 [7.0]
3.3
34.9 [10.2]
20.4 [6.0]
3.3
33.6 [9.8]
17.3 [5.1]
3.2
33.8 [9.9]
30.0 [8.8]
3.3
32.6 [9.6]
26.2 [7.7]
3.3
31.4 [9.2]
22.7 [6.7]
3.2
30.9 [9.1]
30.9 [9.1]
3.3
29.8 [8.7]
29.1 [8.5]
3.2
28.7 [8.4]
25.4 [7.5]
3.2
115
[46.1]
Total BTUH [kW]
Sens BTUH [kW]
Power
34.7 [10.2]
22.6 [6.6]
3.5
33.5 [9.8]
19.5 [5.7]
3.4
32.3 [9.5]
16.6 [4.9]
3.4
32.3 [9.5]
28.9 [8.5]
3.5
31.2 [9.1]
25.3 [7.4]
3.4
30.1 [8.8]
21.9 [6.4]
3.4
29.5 [8.6]
29.5 [8.7]
3.5
28.4 [8.3]
28.2 [8.3]
3.4
27.4 [8.0]
24.7 [7.2]
3.3
DR —Depression ratio
dbE —Entering air dry bulb
wbE—Entering air wet bulb
Total —Total capacity x 1000 BTUH
Sens —Sensible capacity x 1000 BTUH
Power —KW input
NOTES: ➀ When the entering air dry bulb is other than 80°F [27°C], adjust the sensible
capacity from the table by adding [1.10 x CFM x (1 – DR) x (dbE – 80)].
[ ] Designates Metric Conversions

Air Gross Systems Performance Data
RQNM Series
21
GROSS SYSTEMS COOLING PERFORMANCE DATA—RQNM-A060
ENTERING INDOOR AIR @ 80°F [26.7°C] dbE ➀
wbE 71°F [21.7°C] 67°F [19.4°C] 63°F [17.2°C]
CFM [L/s] 2280 1076] 1900 [897] 1520 [717] 2280 1076] 1900 [897] 1520 [717] 2280 1076] 1900 [897] 1520 [717]
DR ➀0.03 .07 0.03 .07 0.03 .07
O
U
T
D
O
O
R
D
R
Y
B
U
L
B
T
E
M
P
E
R
A
T
U
R
E
°F
[°C]
75
[23.9]
Total BTUH [kW]
Sens BTUH [kW]
Power
76.5 [22.4]
48.1 [14.1]
3.7
73.9 [21.7]
41.4 [12.1]
3.6
71.2 [20.9]
35.1 [10.3]
3.6
72.1 [21.1]
58.1 [17.0]
3.7
69.6 [20.4]
50.6 [14.8]
3.6
67.1 [19.7]
43.6 [12.8]
3.5
68.0 [19.9]
64.4 [18.9]
3.6
65.6 [19.2]
56.5 [16.6]
3.6
63.3 [18.6]
49.1 [14.4]
3.5
80
[26.7]
Total BTUH [kW]
Sens BTUH [kW]
Power
74.7 [21.9]
47.3 [13.9]
3.9
72.1 [21.1]
40.7 [11.9]
3.8
69.4 [20.3]
34.5 [10.1]
3.8
70.3 [20.6]
57.4 [16.8]
3.9
67.8 [19.9]
50.0 [14.7]
3.8
65.3 [19.1]
43.1 [12.6]
3.7
66.2 [19.4]
63.6 [18.6]
3.8
63.9 [18.7]
55.9 [16.4]
3.8
61.5 [18.0]
48.5 [14.2]
3.7
85
[29.4]
Total BTUH [kW]
Sens BTUH [kW]
Power
72.8 [21.3]
46.5 [13.6]
4.1
70.2 [20.6]
39.9 [11.7]
4.1
67.6 [19.8]
33.8 [9.9]
4.0
68.3 [20.0]
56.4 [16.5]
4.1
65.9 [19.3]
49.2 [14.4]
4.0
63.5 [18.6]
42.4 [12.4]
3.9
64.2 [18.8]
62.8 [18.4]
4.1
62.0 [18.2]
55.2 [16.2]
4.0
59.7 [17.5]
48.0 [14.1]
3.9
90
[32.2]
Total BTUH [kW]
Sens BTUH [kW]
Power
70.7 [20.7]
45.4 [13.3]
4.4
68.2 [20.0]
39.0 [11.4]
4.3
65.8 [19.3]
33.2 [9.7]
4.2
66.3 [19.4]
55.4 [16.2]
4.3
64.0 [18.8]
48.4 [14.2]
4.3
61.6 [18.1]
41.7 [12.2]
4.2
62.2 [18.2]
61.8 [18.1]
4.3
60.0 [17.6]
54.3 [15.9]
4.2
57.9 [17.0]
47.3 [13.9]
4.1
95
[35]
Total BTUH [kW]
Sens BTUH [kW]
Power
68.6 [20.1]
44.3 [13.0]
4.6
66.2 [19.4]
38.1 [11.2]
4.5
63.8 [18.7]
32.4 [9.5]
4.5
64.2 [18.8]
54.3 [15.9]
4.6
61.9 [18.1]
47.4 [13.9]
4.5
59.7 [17.5]
41.0 [12.0]
4.4
60.1 [17.6]
60.1 [17.6]
4.5
58.0 [17.0]
53.4 [15.7]
4.5
55.9 [16.4]
46.5 [13.6]
4.4
100
[37.8]
Total BTUH [kW]
Sens BTUH [kW]
Power
66.4 [19.5]
43.1 [12.6]
4.9
64.1 [18.8]
37.1 [10.9]
4.8
61.7 [18.1]
31.5 [9.2]
4.7
62.0 [18.2]
53.1 [15.6]
4.8
59.8 [17.5]
46.4 [13.6]
4.8
57.6 [16.9]
40.1 [11.8]
4.7
57.9 [17.0]
57.9 [17.0]
4.8
55.9 [16.4]
52.4 [15.4]
4.7
53.8 [15.8]
45.6 [13.4]
4.6
105
[40.6]
Total BTUH [kW]
Sens BTUH [kW]
Power
64.1 [18.8]
41.8 [12.3]
5.2
61.9 [18.1]
36.0 [10.6]
5.1
59.6 [17.5]
30.6 [9.0]
5.0
59.7 [17.5]
51.8 [15.2]
5.1
57.6 [16.9]
45.3 [13.3]
5.0
55.5 [16.3]
39.2 [11.5]
4.9
55.6 [16.3]
55.6 [16.3]
5.1
53.6 [15.7]
51.1 [15.0]
5.0
51.7 [15.2]
44.6 [13.1]
4.9
110
[43.3]
Total BTUH [kW]
Sens BTUH [kW]
Power
61.7 [18.1]
40.3 [11.8]
5.5
59.6 [17.5]
34.8 [10.2]
5.4
57.4 [16.8]
29.6 [8.7]
5.3
57.3 [16.8]
50.3 [14.8]
5.4
55.3 [16.2]
44.0 [12.9]
5.3
53.3 [15.6]
38.1 [11.2]
5.2
53.2 [15.6]
53.2 [15.6]
5.4
51.3 [15.0]
49.9 [14.6]
5.3
49.5 [14.5]
43.6 [12.8]
5.2
115
[46.1]
Total BTUH [kW]
Sens BTUH [kW]
Power
59.3 [17.4]
38.8 [11.4]
5.8
57.2 [16.8]
33.4 [9.8]
5.7
55.1 [16.1]
28.4 [8.3]
5.6
54.8 [16.1]
48.8 [14.3]
5.7
52.9 [15.5]
42.7 [12.5]
5.6
51.0 [14.9]
37.0 [10.9]
5.5
50.7 [14.9]
50.7 [14.9]
5.7
49.0 [14.4]
48.7 [14.3]
5.6
47.2 [13.8]
42.5 [12.5]
5.5
GROSS SYSTEMS COOLING PERFORMANCE DATA—RQNM-A048
ENTERING INDOOR AIR @ 80°F [26.7°C] dbE ➀
wbE 71°F [21.7°C] 67°F [19.4°C] 63°F [17.2°C]
CFM [L/s] 1860 [878] 1550 [732] 1240 [585] 1860 [878] 1550 [732] 1240 [585] 1860 [878] 1550 [732] 1240 [585]
DR ➀.02 .05 .09 .02 .05 .09 .02 .05 .09
O
U
T
D
O
O
R
D
R
Y
B
U
L
B
T
E
M
P
E
R
A
T
U
R
E
°F
[°C]
75
[23.9]
Total BTUH [kW]
Sens BTUH [kW]
Power
59.5 [17.4]
37.2 [10.9]
3.0
57.4 [16.8]
31.9 [9.4]
3.0
55.3 [16.2]
27.0 [7.9]
2.9
57.1 [16.7]
45.5 [13.3]
3.0
55.1 [16.1]
39.6 [11.6]
3.0
53.1 [15.6]
34.1 [10.0]
2.9
52.4 [15.4]
48.4 [14.2]
3.0
50.6 [14.8]
42.5 [12.5]
3.0
48.8 [14.3]
36.9 [10.8]
2.9
80
[26.7]
Total BTUH [kW]
Sens BTUH [kW]
Power
58.3 [17.1]
37.1 [10.9]
3.2
56.2 [16.5]
31.8 [9.3]
3.2
54.2 [15.9]
27.0 [7.9]
3.1
55.8 [16.4]
45.2 [13.3]
3.2
53.9 [15.8]
39.4 [11.6]
3.2
51.9 [15.2]
33.9 [9.9]
3.1
51.2 [15.0]
48.2 [14.1]
3.2
49.4 [14.5]
42.3 [12.4]
3.1
47.6 [14.0]
36.7 [10.8]
3.1
85
[29.4]
Total BTUH [kW]
Sens BTUH [kW]
Power
56.9 [16.7]
36.6 [10.7]
3.4
54.9 [16.1]
31.5 [9.2]
3.3
52.9 [15.5]
26.7 [7.8]
3.3
54.5 [16.0]
44.8 [13.1]
3.4
52.5 [15.4]
39.0 [11.4]
3.3
50.6 [14.8]
33.6 [9.9]
3.3
49.8 [14.6]
47.8 [14.0]
3.4
48.0 [14.1]
41.9 [12.3]
3.3
46.3 [13.6]
36.4 [10.7]
3.3
90
[32.2]
Total BTUH [kW]
Sens BTUH [kW]
Power
55.4 [16.2]
36.1 [10.6]
3.6
53.4 [15.6]
31.0 [9.1]
3.5
51.5 [15.1]
26.4 [7.7]
3.5
52.9 [15.5]
44.2 [13.0]
3.6
51.1 [15.0]
38.6 [11.3]
3.5
49.2 [14.4]
33.3 [9.8]
3.5
48.3 [14.2]
47.2 [13.8]
3.6
46.6 [13.7]
41.5 [12.2]
3.5
44.9 [13.2]
36.1 [10.6]
3.5
95
[35]
Total BTUH [kW]
Sens BTUH [kW]
Power
53.7 [15.7]
35.2 [10.3]
3.8
51.8 [15.2]
30.3 [8.9]
3.8
49.9 [14.6]
25.7 [7.5]
3.7
51.3 [15.0]
43.4 [12.7]
3.8
49.5 [14.5]
37.9 [11.1]
3.7
47.7 [14.0]
32.7 [9.6]
3.7
46.6 [13.7]
46.4 [13.6]
3.8
45.0 [13.2]
40.8 [12.0]
3.7
43.3 [12.7]
35.5 [10.4]
3.7
100
[37.8]
Total BTUH [kW]
Sens BTUH [kW]
Power
51.9 [15.2]
34.1 [10.0]
4.0
50.1 [14.7]
29.4 [8.6]
4.0
48.3 [14.2]
25.0 [7.3]
3.9
49.5 [14.5]
42.4 [12.4]
4.0
47.8 [14.0]
37.1 [10.9]
4.0
46.0 [13.5]
32.0 [9.4]
3.9
44.8 [13.1]
44.8 [13.1]
4.0
43.3 [12.7]
40.0 [11.7]
3.9
41.7 [12.2]
34.8 [10.2]
3.9
105
[40.6]
Total BTUH [kW]
Sens BTUH [kW]
Power
50.0 [14.7]
32.9 [9.7]
4.3
48.2 [14.1]
28.3 [8.3]
4.2
46.5 [13.6]
24.1 [7.1]
4.1
47.6 [14.0]
41.2 [12.1]
4.3
45.9 [13.5]
36.0 [10.6]
4.2
44.2 [13.0]
31.1 [9.1]
4.1
42.9 [12.6]
42.9 [12.6]
4.3
41.4 [12.1]
38.9 [11.4]
4.2
39.9 [11.7]
33.9 [9.9]
4.1
110
[43.3]
Total BTUH [kW]
Sens BTUH [kW]
Power
48.0 [14.1]
31.6 [9.3]
4.5
46.3 [13.6]
27.2 [8.0]
4.4
44.6 [13.1]
23.1 [6.8]
4.4
45.5 [13.3]
39.7 [11.6]
4.5
43.9 [12.9]
34.7 [10.2]
4.4
42.3 [12.4]
30.0 [8.8]
4.3
40.9 [12.0]
40.9 [12.0]
4.5
39.4 [11.5]
37.6 [11.0]
4.4
38.0 [11.1]
32.8 [9.6]
4.3
115
[46.1]
Total BTUH [kW]
Sens BTUH [kW]
Power
45.8 [13.4]
30.0 [8.8]
4.8
44.2 [13.0]
25.8 [7.6]
4.7
42.6 [12.5]
21.9 [6.4]
4.6
43.4 [12.7]
38.3 [11.2]
4.8
41.8 [12.3]
33.4 [9.8]
4.7
40.3 [11.8]
28.9 [8.5]
4.6
38.7 [11.3]
38.7 [11.4]
4.7
37.3 [10.9]
36.3 [10.6]
4.7
36.0 [10.6]
31.7 [9.3]
4.6
DR —Depression ratio
dbE —Entering air dry bulb
wbE—Entering air wet bulb
Total —Total capacity x 1000 BTUH
Sens —Sensible capacity x 1000 BTUH
Power —KW input
NOTES: ➀ When the entering air dry bulb is other than 80°F [27°C], adjust the sensible
capacity from the table by adding [1.10 x CFM x (1 – DR) x (dbE – 80)].
[ ] Designates Metric Conversions

Air Gross Systems Performance Data
RQPM Series
22
GROSS SYSTEMS COOLING PERFORMANCE DATA—RQPM-A030
ENTERING INDOOR AIR @ 80°F [26.7°C] dbE ➀
wbE 71°F [21.7°C] 67°F [19.4°C] 63°F [17.2°C]
CFM [L/s] 1200 [566] 1000 [472] 800 [378] 1200 [566] 1000 [472] 800 [378] 1200 [566] 1000 [472] 800 [378]
DR ➀.04 .06 .01 .04 .06 .01 .04 .06 .01
O
U
T
D
O
O
R
D
R
Y
B
U
L
B
T
E
M
P
E
R
A
T
U
R
E
°F
[°C]
75
[23.9]
Total BTUH [kW]
Sens BTUH [kW]
Power
37.9 [11.1]
24.5 [7.2]
1.9]
36.6 [10.7]
21.1 [6.2]
1.9]
35.3 [10.3]
18.0 [5.3]
1.8]
34.9 [10.2]
28.9 [8.5]
1.9]
33.7 [9.9]
25.2 [7.4]
1.9]
32.4 [9.5]
21.7 [6.4]
1.8]
33.0 [9.7]
31.9 [9.4]
1.9]
31.9 [9.3]
28.1 [8.2]
1.9]
30.7 [9.0]
24.4 [7.2]
1.8
80
[26.7]
Total BTUH [kW]
Sens BTUH [kW]
Power
36.9 [10.8]
24.1 [7.1]
2.0]
35.6 [10.4]
20.7 [6.1]
2.0]
34.3 [10.1]
17.6 [5.2]
1.9]
33.9 [9.9]
28.4 [8.3]
2.0]
32.7 [9.6]
24.8 [7.3]
2.0]
31.5 [9.2]
21.4 [6.3]
1.9]
32.0 [9.4]
31.6 [9.3]
2.0]
30.9 [9.1]
27.8 [8.2]
2.0]
29.8 [8.7]
24.2 [7.1]
1.9
85
[29.4]
Total BTUH [kW]
Sens BTUH [kW]
Power
35.9 [10.5]
23.7 [7.0]
2.1]
34.6 [10.1]
20.4 [6.0]
2.0]
33.4 [9.8]
17.4 [5.1]
2.0]
32.8 [9.6]
28.0 [8.2]
2.1]
31.7 [9.3]
24.5 [7.2]
2.1]
30.5 [8.9]
21.1 [6.2]
2.0]
31.0 [9.1]
31.0 [9.1]
2.1]
29.9 [8.8]
27.4 [8.0]
2.1]
28.8 [8.4]
23.8 [7.0]
2.0
90
[32.2]
Total BTUH [kW]
Sens BTUH [kW]
Power
34.8 [10.2]
23.2 [6.8]
2.2]
33.5 [9.8]
19.9 [5.8]
2.2]
32.3 [9.5]
17.0 [5.0]
2.1]
31.7 [9.3]
27.4 [8.0]
2.2]
30.6 [9.0]
24.0 [7.0]
2.2]
29.5 [8.6]
20.8 [6.1]
2.1]
29.8 [8.7]
29.8 [8.7]
2.2]
28.8 [8.4]
26.9 [7.9]
2.2]
27.7 [8.1]
23.4 [6.9]
2.1
95
[35]
Total BTUH [kW]
Sens BTUH [kW]
Power
33.6 [9.8]
22.5 [6.6]
2.3]
32.4 [9.5]
19.4 [5.7]
2.3]
31.2 [9.1]
16.5 [4.8]
2.2]
30.5 [8.9]
26.8 [7.9]
2.3]
29.5 [8.6]
23.5 [6.9]
2.3]
28.4 [8.3]
20.3 [6.0]
2.2]
28.7 [8.4]
28.7 [8.4]
2.3]
27.7 [8.1]
26.4 [7.7]
2.3]
26.7 [7.8]
23.0 [6.8]
2.2
100
[37.8]
Total BTUH [kW]
Sens BTUH [kW]
Power
32.4 [9.5]
21.9 [6.4]
2.4]
31.3 [9.2]
18.9 [5.5]
2.4]
30.1 [8.8]
16.0 [4.7]
2.3]
29.3 [8.6]
26.1 [7.7]
2.4]
28.3 [8.3]
22.9 [6.7]
2.4]
27.3 [8.0]
19.9 [5.8]
2.3]
27.5 [8.1]
27.5 [8.1]
2.4]
26.5 [7.8]
25.9 [7.6]
2.4]
25.5 [7.5]
22.6 [6.6]
2.3
105
[40.6]
Total BTUH [kW]
Sens BTUH [kW]
Power
31.1 [9.1]
21.1 [6.2]
2.6]
30.0 [8.8]
18.2 [5.3]
2.5]
28.9 [8.5]
15.5 [4.6]
2.5]
28.1 [8.2]
25.5 [7.5]
2.6]
27.1 [7.9]
22.3 [6.5]
2.5]
26.1 [7.6]
19.3 [5.7]
2.5]
26.2 [7.7]
26.2 [7.7]
2.6]
25.3 [7.4]
25.2 [7.4]
2.5]
24.4 [7.2]
22.0 [6.5]
2.5
110
[43.3]
Total BTUH [kW]
Sens BTUH [kW]
Power
29.8 [8.7]
20.3 [6.0]
2.7]
28.8 [8.4]
17.6 [5.2]
2.6]
27.7 [8.1]
15.0 [4.4]
2.6]
26.8 [7.9]
24.7 [7.2]
2.7]
25.8 [7.6]
21.6 [6.3]
2.6]
24.9 [7.3]
18.8 [5.5]
2.6]
24.9 [7.3]
24.9 [7.3]
2.7]
24.0 [7.0]
24.0 [7.0]
2.6]
23.2 [6.8]
21.5 [6.3]
2.6
115
[46.1]
Total BTUH [kW]
Sens BTUH [kW]
Power
28.5 [8.4]
19.6 [5.8]
2.8]
27.5 [8.1]
16.9 [5.0]
2.8]
26.5 [7.8]
14.4 [4.2]
2.7]
25.4 [7.4]
23.8 [7.0]
2.8]
24.5 [7.2]
20.9 [6.1]
2.8]
23.6 [6.9]
18.1 [5.3]
2.7]
23.6 [6.9]
23.6 [6.9]
2.8]
22.7 [6.7]
22.7 [6.7]
2.8]
21.9 [6.4]
20.9 [6.1]
2.7
GROSS SYSTEMS COOLING PERFORMANCE DATA—RQPM-A024
ENTERING INDOOR AIR @ 80°F [26.7°C] dbE ➀
wbE 71°F [21.7°C] 67°F [19.4°C] 63°F [17.2°C]
CFM [L/s] 960 [453] 800 [378] 640 [302] 960 [453] 800 [378] 640 [302] 960 [453] 800 [378] 640 [302]
DR ➀.04 .07 .10 .04 .07 .10 .04 .07 .10
O
U
T
D
O
O
R
D
R
Y
B
U
L
B
T
E
M
P
E
R
A
T
U
R
E
°F
[°C]
75
[23.9]
Total BTUH [kW]
Sens BTUH [kW]
Power
30.4 [8.9]
18.5 [5.4]
1.5
29.3 [8.6]
15.8 [4.6]
1.5
28.3 [8.3]
13.4 [3.9]
1.5
28.5 [8.4]
22.9 [6.7]
1.5
27.5 [8.1]
19.9 [5.8]
1.5
26.5 [7.8]
17.1 [5.0]
1.5
27.0 [7.9]
25.6 [7.5]
1.5
26.0 [7.6]
22.4 [6.6]
1.5
25.1 [7.4]
19.5 [5.7]
1.5
80
[26.7]
Total BTUH [kW]
Sens BTUH [kW]
Power
29.5 [8.6]
18.3 [5.4]
1.6
28.5 [8.4]
15.7 [4.6]
1.6
27.4 [8.0]
13.2 [3.9]
1.5
27.6 [8.1]
22.6 [6.6]
1.6
26.6 [7.8]
19.7 [5.8]
1.6
25.7 [7.5]
17.0 [5.0]
1.5
26.1 [7.6]
25.4 [7.5]
1.6
25.2 [7.4]
22.3 [6.5]
1.6
24.3 [7.1]
19.4 [5.7]
1.5
85
[29.4]
Total BTUH [kW]
Sens BTUH [kW]
Power
28.6 [8.4]
18.0 [5.3]
1.7
27.6 [8.1]
15.5 [4.6]
1.7
26.6 [7.8]
13.1 [3.8]
1.6
26.7 [7.8]
22.3 [6.5]
1.7
25.8 [7.6]
19.5 [5.7]
1.7
24.9 [7.3]
16.9 [5.0]
1.6
25.2 [7.4]
25.1 [7.4]
1.7
24.3 [7.1]
22.1 [6.5]
1.7
23.4 [6.9]
19.2 [5.6]
1.6
90
[32.2]
Total BTUH [kW]
Sens BTUH [kW]
Power
27.7 [8.1]
17.6 [5.2]
1.8
26.7 [7.8]
15.1 [4.4]
1.7
25.8 [7.6]
12.9 [3.8]
1.7
25.8 [7.6]
22.0 [6.5]
1.8
24.9 [7.3]
19.2 [5.6]
1.8
24.0 [7.0]
16.6 [4.9]
1.7
24.3 [7.1]
24.3 [7.1]
1.8
23.4 [6.9]
21.7 [6.4]
1.8
22.6 [6.6]
18.9 [5.5]
1.7
95
[35]
Total BTUH [kW]
Sens BTUH [kW]
Power
26.8 [7.9]
17.2 [5.1]
1.9
25.8 [7.6]
14.7 [4.3]
1.8
24.9 [7.3]
12.5 [3.7]
1.8
24.9 [7.3]
21.5 [6.3]
1.9
24.0 [7.0]
18.8 [5.5]
1.8
23.1 [6.8]
16.2 [4.8]
1.8
23.4 [6.9]
23.4 [6.9]
1.9
22.5 [6.6]
21.4 [6.3]
1.9
21.7 [6.4]
18.7 [5.5]
1.8
100
[37.8]
Total BTUH [kW]
Sens BTUH [kW]
Power
25.8 [7.6]
16.6 [4.9]
2.0
24.9 [7.3]
14.3 [4.2]
1.9
24.0 [7.0]
12.1 [3.6]
1.9
23.9 [7.0]
20.9 [6.1]
2.0
23.1 [6.8]
18.3 [5.4]
2.0
22.2 [6.5]
15.8 [4.6]
1.9
22.4 [6.6]
22.4 [6.6]
2.0
21.6 [6.3]
20.9 [6.1]
2.0
20.8 [6.1]
18.2 [5.3]
1.9
105
[40.6]
Total BTUH [kW]
Sens BTUH [kW]
Power
24.8 [7.3]
16.0 [4.7]
2.1
24.0 [7.0]
13.8 [4.1]
2.1
23.1 [6.8]
11.7 [3.4]
2.0
22.9 [6.7]
20.2 [5.9]
2.1
22.1 [6.5]
17.7 [5.2]
2.1
21.3 [6.2]
15.3 [4.5]
2.0
21.4 [6.3]
21.4 [6.3]
2.1
20.7 [6.1]
20.4 [6.0]
2.1
19.9 [5.8]
17.8 [5.2]
2.0
110
[43.3]
Total BTUH [kW]
Sens BTUH [kW]
Power
23.8 [7.0]
15.2 [4.5]
2.2
23.0 [6.7]
13.1 [3.8]
2.2
22.2 [6.5]
11.2 [3.3]
2.1
21.9 [6.4]
19.5 [5.7]
2.2
21.2 [6.2]
17.1 [5.0]
2.2
20.4 [6.0]
14.8 [4.3]
2.1
20.4 [6.0]
20.4 [6.0]
2.2
19.7 [5.8]
19.7 [5.8]
2.2
19.0 [5.6]
17.2 [5.1]
2.1
115
[46.1]
Total BTUH [kW]
Sens BTUH [kW]
Power
22.8 [6.7]
14.3 [4.2]
2.3
22.0 [6.4]
12.3 [3.6]
2.3
21.2 [6.2]
10.4 [3.1]
2.2
20.9 [6.1]
18.7 [5.5]
2.3
20.2 [5.9]
16.4 [4.8]
2.3
19.4 [5.7]
14.1 [4.1]
2.3
19.4 [5.7]
19.4 [5.7]
2.3
18.7 [5.5]
18.7 [5.5]
2.3
18.0 [5.3]
16.5 [4.8]
2.3
DR —Depression ratio
dbE —Entering air dry bulb
wbE—Entering air wet bulb
Total —Total capacity x 1000 BTUH
Sens —Sensible capacity x 1000 BTUH
Power —KW input
NOTES: ➀ When the entering air dry bulb is other than 80°F [27°C], adjust the sensible
capacity from the table by adding [1.10 x CFM x (1 – DR) x (dbE – 80)].
[ ] Designates Metric Conversions

Air Gross Systems Performance Data
RQPM Series
23
GROSS SYSTEMS COOLING PERFORMANCE DATA—RQPM-A037
ENTERING INDOOR AIR @ 80°F [26.7°C] dbE ➀
wbE 71°F [21.7°C] 67°F [19.4°C] 63°F [17.2°C]
CFM [L/s] 1440 [680] 1250 [590] 960 [453] 1440 [680] 1250 [590] 960 [453] 1440 [680] 1250 [590] 960 [453]
DR ➀.10 .12 .16 .10 .12 .16 .10 .12 .16
O
U
T
D
O
O
R
D
R
Y
B
U
L
B
T
E
M
P
E
R
A
T
U
R
E
°F
[°C]
75
[23.9]
Total BTUH [kW]
Sens BTUH [kW]
Power
45.0 [13.2]
28.8 [8.5]
2.2
43.8 [12.8]
25.7 [7.5]
2.2
42.0 [12.3]
21.3 [6.3]
2.2
42.9 [12.6]
33.9 [9.9]
2.2
41.7 [12.2]
30.5 [8.9]
2.2
40.0 [11.7]
25.7 [7.5]
2.1
41.0 [12.0]
37.6 [11.0]
2.2
39.9 [11.7]
34.0 [10.0]
2.2
38.2 [11.2]
28.8 [8.5]
2.1
80
[26.7]
Total BTUH [kW]
Sens BTUH [kW]
Power
43.7 [12.8]
28.2 [8.3]
2.4
42.5 [12.5]
25.1 [7.4]
2.3
40.7 [11.9]
20.8 [6.1]
2.3
41.6 [12.2]
33.2 [9.7]
2.3
40.5 [11.9]
29.9 [8.8]
2.3
38.8 [11.4]
25.1 [7.4]
2.3
39.7 [11.6]
36.9 [10.8]
2.3
38.6 [11.3]
33.4 [9.8]
2.3
37.0 [10.8]
28.4 [8.3]
2.2
85
[29.4]
Total BTUH [kW]
Sens BTUH [kW]
Power
42.3 [12.4]
27.4 [8.0]
2.5
41.2 [12.1]
24.5 [7.2]
2.5
39.4 [11.5]
20.2 [5.9]
2.4
40.2 [11.8]
32.6 [9.6]
2.5
39.1 [11.5]
29.3 [8.6]
2.4
37.4 [11.0]
24.6 [7.2]
2.4
38.3 [11.2]
36.3 [10.6]
2.4
37.2 [10.9]
32.8 [9.6]
2.4
35.7 [10.5]
27.9 [8.2]
2.4
90
[32.2]
Total BTUH [kW]
Sens BTUH [kW]
Power
40.8 [12.0]
26.7 [7.8]
2.6
39.7 [11.6]
23.8 [7.0]
2.6
38.0 [11.1]
19.7 [5.8]
2.5
38.7 [11.3]
31.8 [9.3]
2.6
37.6 [11.0]
28.6 [8.4]
2.6
36.0 [10.6]
24.1 [7.1]
2.5
36.8 [10.8]
35.6 [10.4]
2.6
35.8 [10.5]
32.2 [9.4]
2.6
34.3 [10.1]
27.4 [8.0]
2.5
95
[35]
Total BTUH [kW]
Sens BTUH [kW]
Power
39.2 [11.5]
25.9 [7.6]
2.8
38.2 [11.2]
23.2 [6.8]
2.8
36.5 [10.7]
19.2 [5.6]
2.7
37.1 [10.9]
31.0 [9.1]
2.8
36.1 [10.6]
27.9 [8.2]
2.7
34.6 [10.1]
23.5 [6.9]
2.7
35.2 [10.3]
34.7 [10.2]
2.7
34.2 [10.0]
31.4 [9.2]
2.7
32.8 [9.6]
26.8 [7.9]
2.7
100
[37.8]
Total BTUH [kW]
Sens BTUH [kW]
Power
37.5 [11.0]
25.1 [7.4]
3.0
36.5 [10.7]
22.4 [6.6]
2.9
35.0 [10.3]
18.6 [5.5]
2.9
35.4 [10.4]
30.2 [8.9]
2.9
34.4 [10.1]
27.2 [8.0]
2.9
33.0 [9.7]
23.0 [6.8]
2.8
33.5 [9.8]
33.5 [9.8]
2.9
32.6 [9.6]
30.7 [9.0]
2.9
31.2 [9.1]
26.1 [7.7]
2.8
105
[40.6]
Total BTUH [kW]
Sens BTUH [kW]
Power
35.7 [10.5]
24.2 [7.1]
3.1
34.8 [10.2]
21.7 [6.4]
3.1
33.3 [9.8]
18.0 [5.3]
3.0
33.6 [9.8]
29.2 [8.6]
3.1
32.7 [9.6]
26.4 [7.7]
3.1
31.3 [9.2]
22.3 [6.5]
3.0
31.7 [9.3]
31.7 [9.3]
3.1
30.8 [9.0]
29.9 [8.8]
3.0
29.5 [8.6]
25.5 [7.5]
3.0
110
[43.3]
Total BTUH [kW]
Sens BTUH [kW]
Power
33.9 [9.9]
23.3 [6.8]
3.3
33.0 [9.7]
20.9 [6.1]
3.3
31.6 [9.3]
17.4 [5.1]
3.2
31.8 [9.3]
28.5 [8.4]
3.3
30.9 [9.1]
25.7 [7.5]
3.2
29.6 [8.7]
21.8 [6.4]
3.2
29.8 [8.7]
29.8 [8.7]
3.3
29.0 [8.5]
29.0 [8.5]
3.2
27.8 [8.1]
24.9 [7.3]
3.2
115
[46.1]
Total BTUH [kW]
Sens BTUH [kW]
Power
31.9 [9.3]
22.4 [6.6]
3.5
31.1 [9.1]
20.1 [5.9]
3.5
29.7 [8.7]
16.7 [4.9]
3.4
29.8 [8.7]
27.4 [8.0]
3.5
29.0 [8.5]
24.8 [7.3]
3.4
27.8 [8.1]
21.0 [6.2]
3.4
27.9 [8.2]
27.9 [8.2]
3.5
27.1 [7.9]
27.1 [8.0]
3.4
26.0 [7.6]
24.3 [7.1]
3.3
DR —Depression ratio
dbE —Entering air dry bulb
wbE—Entering air wet bulb
Total —Total capacity x 1000 BTUH
Sens —Sensible capacity x 1000 BTUH
Power —KW input
NOTES: ➀ When the entering air dry bulb is other than 80°F [27°C], adjust the sensible
capacity from the table by adding [1.10 x CFM x (1 – DR) x (dbE – 80)].
[ ] Designates Metric Conversions
ENTERING INDOOR AIR @ 80°F [26.7°C] dbE ➀
wbE 71°F [21.7°C] 67°F [19.4°C] 63°F [17.2°C]
CFM [L/s] 1440 [680] 1200 [566] 960 [453] 1440 [680] 1200 [566] 960 [453] 1440 [680] 1200 [566] 960 [453]
DR ➀.04 .07 .10 .04 .07 .10 .04 .07 .10
O
U
T
D
O
O
R
D
R
Y
B
U
L
B
T
E
M
P
E
R
A
T
U
R
E
°F
[°C]
75
[23.9]
Total BTUH [kW]
Sens BTUH [kW]
Power
45.3 [13.3]
28.5 [8.4]
2.4
43.7 [12.8]
24.5 [7.2]
2.4
42.1 [12.3]
20.8 [6.1]
2.3
42.5 [12.5]
34.4 [10.1]
2.4
41.0 [12.0]
30.0 [8.8]
2.3
39.5 [11.6]
25.8 [7.6]
2.3
39.7 [11.6]
37.7 [11.1]
2.4
38.3 [11.2]
33.1 [9.7]
2.3
36.9 [10.8]
28.7 [8.4]
2.3
80
[26.7]
Total BTUH [kW]
Sens BTUH [kW]
Power
44.1 [12.9]
28.1 [8.2]
2.5
42.5 [12.5]
24.1 [7.1]
2.5
41.0 [12.0]
20.5 [6.0]
2.4
41.3 [12.1]
34.1 [10.0]
2.5
39.9 [11.7]
29.8 [8.7]
2.5
38.4 [11.3]
25.7 [7.5]
2.4
38.4 [11.3]
37.3 [10.9]
2.5
37.1 [10.9]
32.8 [9.6]
2.4
35.7 [10.5]
28.5 [8.4]
2.4
85
[29.4]
Total BTUH [kW]
Sens BTUH [kW]
Power
42.8 [12.5]
27.6 [8.1]
2.6
41.3 [12.1]
23.7 [7.0]
2.6
39.8 [11.7]
20.1 [5.9]
2.6
40.0 [11.7]
33.6 [9.9]
2.6
38.6 [11.3]
29.3 [8.6]
2.6
37.2 [10.9]
25.3 [7.4]
2.5
37.2 [10.9]
36.8 [10.8]
2.6
35.9 [10.5]
32.4 [9.5]
2.6
34.6 [10.1]
28.2 [8.3]
2.5
90
[32.2]
Total BTUH [kW]
Sens BTUH [kW]
Power
41.5 [12.2]
27.0 [7.9]
2.8
40.0 [11.7]
23.2 [6.8]
2.7
38.6 [11.3]
19.8 [5.8]
2.7
38.7 [11.3]
33.0 [9.7]
2.8
37.4 [11.0]
28.9 [8.5]
2.7
36.0 [10.6]
24.9 [7.3]
2.7
35.8 [10.5]
35.8 [10.5]
2.8
34.6 [10.1]
31.8 [9.3]
2.7
33.3 [9.8]
27.7 [8.1]
2.7
95
[35]
Total BTUH [kW]
Sens BTUH [kW]
Power
40.1 [11.8]
26.2 [7.7]
2.9
38.7 [11.3]
22.6 [6.6]
2.9
37.3 [10.9]
19.2 [5.6]
2.8
37.3 [10.9]
32.3 [9.5]
2.9
36.0 [10.6]
28.2 [8.3]
2.9
34.7 [10.2]
24.4 [7.2]
2.8
34.5 [10.1]
34.5 [10.1]
2.9
33.3 [9.8]
31.3 [9.2]
2.8
32.1 [9.4]
27.3 [8.0]
2.8
100
[37.8]
Total BTUH [kW]
Sens BTUH [kW]
Power
38.7 [11.3]
25.5 [7.5]
3.1
37.4 [11.0]
22.0 [6.5]
3.0
36.0 [10.6]
18.7 [5.5]
3.0
35.9 [10.5]
31.5 [9.2]
3.1
34.7 [10.2]
27.6 [8.1]
3.0
33.4 [9.8]
23.8 [7.0]
3.0
33.1 [9.7]
33.1 [9.7]
3.1
31.9 [9.3]
30.6 [9.0]
3.0
30.7 [9.0]
26.7 [7.8]
2.9
105
[40.6]
Total BTUH [kW]
Sens BTUH [kW]
Power
37.2 [10.9]
24.6 [7.2]
3.3
35.9 [10.5]
21.2 [6.2]
3.2
34.6 [10.1]
18.0 [5.3]
3.1
34.5 [10.1]
30.6 [9.0]
3.2
33.2 [9.7]
26.7 [7.8]
3.2
32.0 [9.4]
23.1 [6.8]
3.1
31.6 [9.3]
31.6 [9.3]
3.2
30.5 [8.9]
29.8 [8.7]
3.2
29.4 [8.6]
26.0 [7.6]
3.1
110
[43.3]
Total BTUH [kW]
Sens BTUH [kW]
Power
35.7 [10.5]
23.5 [6.9]
3.4
34.5 [10.1]
20.3 [6.0]
3.4
33.2 [9.7]
17.2 [5.1]
3.3
32.9 [9.6]
29.5 [8.7]
3.4
31.8 [9.3]
25.9 [7.6]
3.3
30.6 [9.0]
22.4 [6.6]
3.3
30.1 [8.8]
30.1 [8.8]
3.4
29.0 [8.5]
28.9 [8.5]
3.3
28.0 [8.2]
25.3 [7.4]
3.3
115
[46.1]
Total BTUH [kW]
Sens BTUH [kW]
Power
34.2 [10.0]
22.5 [6.6]
3.6
33.0 [9.7]
19.4 [5.7]
3.5
31.8 [9.3]
16.5 [4.8]
3.5
31.4 [9.2]
28.5 [8.4]
3.6
30.3 [8.9]
25.0 [7.3]
3.5
29.2 [8.6]
21.7 [6.4]
3.5
28.5 [8.4]
28.5 [8.4]
3.6
27.5 [8.1]
27.5 [8.1]
3.5
26.5 [7.8]
24.4 [7.2]
3.4
GROSS SYSTEMS COOLING PERFORMANCE DATA—RQPM-A036

Air Gross Systems Performance Data
RQPM Series
24
GROSS SYSTEMS COOLING PERFORMANCE DATA—RQPM-A043
ENTERING INDOOR AIR @ 80°F [26.7°C] dbE ➀
wbE 71°F [21.7°C] 67°F [19.4°C] 63°F [17.2°C]
CFM [L/s] 1740 [821] 1425 [672] 1160 [547] 1740 [821] 1425 [672] 1160 [547] 1740 [821] 1425 [672] 1160 [547]
DR ➀.05 .09 .12 .05 .09 .12 .05 .09 .12
O
U
T
D
O
O
R
D
R
Y
B
U
L
B
T
E
M
P
E
R
A
T
U
R
E
°F
[°C]
75
[23.9]
Total BTUH [kW]
Sens BTUH [kW]
Power
54.5 [16.0]
35.9 [10.5]
2.6
52.4 [15.4]
30.4 [8.9]
2.6
50.6 [14.8]
26.1 [7.7]
2.6
51.3 [15.0]
41.9 [12.3]
2.6
49.3 [14.4]
36.0 [10.6]
2.6
47.7 [14.0]
31.4 [9.2]
2.5
48.5 [14.2]
46.4 [13.6]
2.6
46.6 [13.7]
40.2 [11.8]
2.6
45.1 [13.2]
35.3 [10.4]
2.5
80
[26.7]
Total BTUH [kW]
Sens BTUH [kW]
Power
52.9 [15.5]
35.0 [10.3]
2.8
50.8 [14.9]
29.6 [8.7]
2.7
49.1 [14.4]
25.5 [7.5]
2.7
49.7 [14.6]
41.1 [12.1]
2.8
47.8 [14.0]
35.4 [10.4]
2.7
46.2 [13.5]
30.9 [9.1]
2.7
46.9 [13.7]
45.6 [13.4]
2.7
45.1 [13.2]
39.5 [11.6]
2.7
43.6 [12.8]
34.7 [10.2]
2.6
85
[29.4]
Total BTUH [kW]
Sens BTUH [kW]
Power
51.3 [15.0]
34.2 [10.0]
2.9
49.3 [14.4]
29.0 [8.5]
2.9
47.7 [14.0]
25.0 [7.3]
2.8
48.2 [14.1]
40.4 [11.9]
2.9
46.3 [13.6]
34.7 [10.2]
2.9
44.7 [13.1]
30.2 [8.9]
2.8
45.4 [13.3]
44.8 [13.1]
2.9
43.6 [12.8]
38.8 [11.4]
2.8
42.1 [12.3]
34.1 [10.0]
2.8
90
[32.2]
Total BTUH [kW]
Sens BTUH [kW]
Power
49.8 [14.6]
33.4 [9.8]
3.1
47.8 [14.0]
28.3 [8.3]
3.0
46.2 [13.5]
24.4 [7.2]
3.0
46.6 [13.7]
39.5 [11.6]
3.1
44.8 [13.1]
34.0 [10.0]
3.0
43.3 [12.7]
29.7 [8.7]
3.0
43.8 [12.8]
43.8 [12.8]
3.1
42.1 [12.3]
38.2 [11.2]
3.0
40.7 [11.9]
33.6 [9.9]
3.0
95
[35]
Total BTUH [kW]
Sens BTUH [kW]
Power
48.2 [14.1]
32.5 [9.5]
3.3
46.3 [13.6]
27.6 [8.1]
3.2
44.8 [13.1]
23.8 [7.0]
3.2
45.1 [13.2]
38.7 [11.4]
3.3
43.3 [12.7]
33.3 [9.8]
3.2
41.8 [12.3]
29.0 [8.5]
3.1
42.2 [12.4]
42.2 [12.4]
3.2
40.6 [11.9]
37.4 [11.0]
3.2
39.2 [11.5]
32.9 [9.7]
3.1
100
[37.8]
Total BTUH [kW]
Sens BTUH [kW]
Power
46.7 [13.7]
31.7 [9.3]
3.5
44.9 [13.2]
26.9 [7.9]
3.4
43.3 [12.7]
23.1 [6.8]
3.4
43.5 [12.7]
37.8 [11.1]
3.5
41.8 [12.3]
32.6 [9.6]
3.4
40.4 [11.8]
28.5 [8.4]
3.3
40.7 [11.9]
40.7 [11.9]
3.4
39.1 [11.5]
36.7 [10.8]
3.4
37.8 [11.1]
32.3 [9.5]
3.3
105
[40.6]
Total BTUH [kW]
Sens BTUH [kW]
Power
45.1 [13.2]
30.8 [9.0]
3.7
43.4 [12.7]
26.2 [7.7]
3.6
41.9 [12.3]
22.6 [6.6]
3.5
42.0 [12.3]
37.0 [10.9]
3.7
40.3 [11.8]
31.8 [9.3]
3.6
39.0 [11.4]
27.9 [8.2]
3.5
39.2 [11.5]
39.2 [11.5]
3.6
37.6 [11.0]
36.0 [10.6]
3.6
36.4 [10.7]
31.8 [9.3]
3.5
110
[43.3]
Total BTUH [kW]
Sens BTUH [kW]
Power
43.6 [12.8]
29.9 [8.8]
3.9
41.9 [12.3]
25.4 [7.5]
3.8
40.5 [11.9]
21.9 [6.4]
3.7
40.4 [11.8]
36.1 [10.6]
3.9
38.9 [11.4]
31.2 [9.2]
3.8
37.6 [11.0]
27.3 [8.0]
3.7
37.6 [11.0]
37.6 [11.0]
3.8
36.2 [10.6]
35.3 [10.4]
3.8
35.0 [10.3]
31.1 [9.1]
3.7
115
[46.1]
Total BTUH [kW]
Sens BTUH [kW]
Power
42.1 [12.3]
29.0 [8.5]
4.1
40.4 [11.8]
24.6 [7.2]
4.0
39.1 [11.5]
21.3 [6.3]
4.0
38.9 [11.4]
35.2 [10.3]
4.1
37.4 [11.0]
30.4 [8.9]
4.0
36.1 [10.6]
26.6 [7.8]
3.9
36.1 [10.6]
36.1 [10.6]
4.1
34.7 [10.2]
34.5 [10.1]
4.0
33.5 [9.8]
30.4 [8.9]
3.9
GROSS SYSTEMS COOLING PERFORMANCE DATA—RQPM-042
ENTERING INDOOR AIR @ 80°F [26.7°C] dbE ➀
wbE 71°F [21.7°C] 67°F [19.4°C] 63°F [17.2°C]
CFM [L/s] 1740 [821] 1450 [684] 1160 [547] 1740 [821] 1450 [684] 1160 [547] 1740 [821] 1450 [684] 1160 [547]
DR ➀.11 .15 .19 .11 .15 .19 .11 .15 .19
O
U
T
D
O
O
R
D
R
Y
B
U
L
B
T
E
M
P
E
R
A
T
U
R
E
°F
[°C]
75
[23.9]
Total BTUH [kW]
Sens BTUH [kW]
Power
52.6 [15.4]
31.8 [9.3]
2.8
50.7 [14.9]
27.2 [8.0]
2.7
48.9 [14.3]
23.0 [6.8]
2.7
50.5 [14.8]
39.3 [11.5]
2.8
48.7 [14.3]
34.1 [10.0]
2.7
47.0 [13.8]
29.4 [8.6]
2.7
47.1 [13.8]
42.9 [12.6]
2.7
45.5 [13.3]
37.6 [11.0]
2.7
43.8 [12.8]
32.5 [9.5]
2.6
80
[26.7]
Total BTUH [kW]
Sens BTUH [kW]
Power
51.4 [15.1]
31.5 [9.2]
2.9
49.6 [14.5]
27.0 [7.9]
2.9
47.8 [14.0]
22.8 [6.7]
2.8
49.4 [14.5]
39.0 [11.4]
2.9
47.6 [14.0]
33.9 [9.9]
2.9
45.9 [13.5]
29.2 [8.6]
2.8
46.0 [13.5]
42.7 [12.5]
2.9
44.4 [13.0]
37.5 [11.0]
2.8
42.8 [12.5]
32.5 [9.5]
2.8
85
[29.4]
Total BTUH [kW]
Sens BTUH [kW]
Power
50.2 [14.7]
31.1 [9.1]
3.1
48.4 [14.2]
26.6 [7.8]
3.0
46.7 [13.7]
22.6 [6.6]
3.0
48.1 [14.1]
38.6 [11.3]
3.1
46.5 [13.6]
33.7 [9.9]
3.0
44.8 [13.1]
29.0 [8.5]
3.0
44.8 [13.1]
42.3 [12.4]
3.1
43.2 [12.7]
37.1 [10.9]
3.0
41.6 [12.2]
32.2 [9.4]
3.0
90
[32.2]
Total BTUH [kW]
Sens BTUH [kW]
Power
48.9 [14.3]
30.6 [9.0]
3.3
47.2 [13.8]
26.3 [7.7]
3.2
45.5 [13.3]
22.3 [6.5]
3.2
46.8 [13.7]
38.0 [11.1]
3.3
45.2 [13.2]
33.2 [9.7]
3.2
43.5 [12.7]
28.6 [8.4]
3.1
43.5 [12.7]
41.8 [12.3]
3.2
41.9 [12.3]
36.6 [10.7]
3.2
40.4 [11.8]
31.8 [9.3]
3.1
95
[35]
Total BTUH [kW]
Sens BTUH [kW]
Power
47.5 [13.9]
29.8 [8.7]
3.5
45.8 [13.4]
25.6 [7.5]
3.4
44.1 [12.9]
21.7 [6.4]
3.3
45.4 [13.3]
37.4 [11.0]
3.4
43.8 [12.8]
32.6 [9.6]
3.4
42.2 [12.4]
28.1 [8.2]
3.3
42.1 [12.3]
41.1 [12.1]
3.4
40.6 [11.9]
36.1 [10.6]
3.4
39.1 [11.5]
31.4 [9.2]
3.3
100
[37.8]
Total BTUH [kW]
Sens BTUH [kW]
Power
46.0 [13.5]
29.1 [8.5]
3.7
44.4 [13.0]
25.0 [7.3]
3.6
42.7 [12.5]
21.1 [6.2]
3.5
43.9 [12.9]
36.5 [10.7]
3.6
42.4 [12.4]
31.9 [9.4]
3.6
40.8 [12.0]
27.5 [8.1]
3.5
40.6 [11.9]
40.3 [11.8]
3.6
39.1 [11.5]
35.4 [10.4]
3.6
37.7 [11.0]
30.8 [9.0]
3.5
105
[40.6]
Total BTUH [kW]
Sens BTUH [kW]
Power
44.4 [13.0]
28.1 [8.2]
3.9
42.8 [12.5]
24.1 [7.1]
3.8
41.3 [12.1]
20.5 [6.0]
3.7
42.3 [12.4]
35.5 [10.4]
3.9
40.8 [12.0]
31.0 [9.1]
3.8
39.3 [11.5]
26.7 [7.8]
3.7
38.9 [11.4]
38.9 [11.4]
3.8
37.6 [11.0]
34.6 [10.2]
3.8
36.2 [10.6]
30.1 [8.8]
3.7
110
[43.3]
Total BTUH [kW]
Sens BTUH [kW]
Power
42.7 [12.5]
26.9 [7.9]
4.1
41.2 [12.1]
23.1 [6.8]
4.0
39.7 [11.6]
19.6 [5.8]
4.0
40.6 [11.9]
34.4 [10.1]
4.1
39.2 [11.5]
30.1 [8.8]
4.0
37.8 [11.1]
26.0 [7.6]
3.9
37.3 [10.9]
37.3 [10.9]
4.1
35.9 [10.5]
33.5 [9.8]
4.0
34.6 [10.1]
29.2 [8.6]
3.9
115
[46.1]
Total BTUH [kW]
Sens BTUH [kW]
Power
40.9 [12.0]
25.7 [7.5]
4.3
39.4 [11.5]
22.0 [6.5]
4.3
38.0 [11.1]
18.7 [5.5]
4.2
38.8 [11.4]
33.1 [9.7]
4.3
37.5 [11.0]
29.0 [8.5]
4.2
36.1 [10.6]
25.0 [7.3]
4.2
35.5 [10.4]
35.5 [10.4]
4.3
34.2 [10.0]
32.4 [9.5]
4.2
33.0 [9.7]
28.3 [8.3]
4.1
DR —Depression ratio
dbE —Entering air dry bulb
wbE—Entering air wet bulb
Total —Total capacity x 1000 BTUH
Sens —Sensible capacity x 1000 BTUH
Power —KW input
NOTES: ➀ When the entering air dry bulb is other than 80°F [27°C], adjust the sensible
capacity from the table by adding [1.10 x CFM x (1 – DR) x (dbE – 80)].
[ ] Designates Metric Conversions

Air Gross Systems Performance Data
RQPM Series
25
GROSS SYSTEMS COOLING PERFORMANCE DATA—RQPM-A049
ENTERING INDOOR AIR @ 80°F [26.7°C] dbE ➀
wbE 71°F [21.7°C] 67°F [19.4°C] 63°F [17.2°C]
CFM [L/s] 1860 [878] 1525 [720] 1240 [585] 1860 [878] 1525 [720] 1240 [585] 1860 [878] 1525 [720] 1240 [585]
DR ➀.08 .13 .18 .08 .13 .18 .08 .13 .18
O
U
T
D
O
O
R
D
R
Y
B
U
L
B
T
E
M
P
E
R
A
T
U
R
E
°F
[°C]
75
[23.9]
Total BTUH [kW]
Sens BTUH [kW]
Power
60.3 [17.7]
37.9 [11.1]
3.1
58.0 [17.0]
32.1 [9.4]
3.0
56.0 [16.4]
27.5 [8.1]
3.0
57.4 [16.8]
44.5 [13.1]
3.0
55.2 [16.2]
38.2 [11.2]
3.0
53.3 [15.6]
33.1 [9.7]
2.9
54.6 [16.0]
50.3 [14.8]
3.0
52.5 [15.4]
43.5 [12.8]
3.0
50.7 [14.9]
38.1 [11.2]
2.9
80
[26.7]
Total BTUH [kW]
Sens BTUH [kW]
Power
59.0 [17.3]
37.4 [11.0]
3.3
56.7 [16.6]
31.6 [9.3]
3.2
54.8 [16.1]
27.1 [8.0]
3.1
56.0 [16.4]
43.9 [12.9]
3.2
53.9 [15.8]
37.7 [11.1]
3.2
52.0 [15.2]
32.7 [9.6]
3.1
53.2 [15.6]
49.6 [14.5]
3.2
51.2 [15.0]
43.0 [12.6]
3.1
49.4 [14.5]
37.6 [11.0]
3.1
85
[29.4]
Total BTUH [kW]
Sens BTUH [kW]
Power
57.4 [16.8]
36.6 [10.7]
3.4
55.2 [16.2]
31.0 [9.1]
3.4
53.3 [15.6]
26.6 [7.8]
3.3
54.5 [16.0]
43.2 [12.7]
3.4
52.4 [15.4]
37.1 [10.9]
3.3
50.6 [14.8]
32.2 [9.4]
3.3
51.7 [15.2]
49.0 [14.4]
3.4
49.7 [14.6]
42.4 [12.4]
3.3
48.0 [14.1]
37.2 [10.9]
3.3
90
[32.2]
Total BTUH [kW]
Sens BTUH [kW]
Power
55.7 [16.3]
35.7 [10.5]
3.6
53.6 [15.7]
30.3 [8.9]
3.6
51.8 [15.2]
26.0 [7.6]
3.5
52.8 [15.5]
42.3 [12.4]
3.6
50.8 [14.9]
36.4 [10.7]
3.5
49.0 [14.4]
31.6 [9.3]
3.5
50.0 [14.7]
48.1 [14.1]
3.6
48.0 [14.1]
41.6 [12.2]
3.5
46.4 [13.6]
36.5 [10.7]
3.4
95
[35]
Total BTUH [kW]
Sens BTUH [kW]
Power
53.9 [15.8]
34.9 [10.2]
3.8
51.8 [15.2]
29.6 [8.7]
3.8
50.0 [14.7]
25.4 [7.5]
3.7
50.9 [14.9]
41.5 [12.2]
3.8
49.0 [14.4]
35.7 [10.5]
3.7
47.3 [13.9]
31.0 [9.1]
3.7
48.1 [14.1]
47.2 [13.8]
3.8
46.3 [13.6]
41.0 [12.0]
3.7
44.7 [13.1]
36.0 [10.6]
3.6
100
[37.8]
Total BTUH [kW]
Sens BTUH [kW]
Power
51.8 [15.2]
34.0 [10.0]
4.0
49.8 [14.6]
28.8 [8.5]
4.0
48.1 [14.1]
24.7 [7.2]
3.9
48.9 [14.3]
40.6 [11.9]
4.0
47.0 [13.8]
34.9 [10.2]
3.9
45.4 [13.3]
30.4 [8.9]
3.9
46.1 [13.5]
46.1 [13.5]
4.0
44.3 [13.0]
40.2 [11.8]
3.9
42.8 [12.5]
35.3 [10.4]
3.8
105
[40.6]
Total BTUH [kW]
Sens BTUH [kW]
Power
49.6 [14.5]
33.0 [9.7]
4.3
47.7 [14.0]
28.0 [8.2]
4.2
46.1 [13.5]
24.1 [7.1]
4.1
46.7 [13.7]
39.6 [11.6]
4.2
44.9 [13.2]
34.1 [10.0]
4.2
43.4 [12.7]
29.8 [8.7]
4.1
43.9 [12.9]
43.9 [12.9]
4.2
42.2 [12.4]
39.4 [11.6]
4.1
40.8 [12.0]
34.7 [10.2]
4.1
110
[43.3]
Total BTUH [kW]
Sens BTUH [kW]
Power
47.3 [13.9]
32.0 [9.4]
4.5
45.4 [13.3]
27.1 [8.0]
4.4
43.9 [12.9]
23.4 [6.9]
4.3
44.3 [13.0]
38.4 [11.3]
4.5
42.6 [12.5]
33.1 [9.7]
4.4
41.2 [12.1]
28.9 [8.5]
4.3
41.5 [12.2]
41.5 [12.2]
4.4
39.9 [11.7]
38.5 [11.3]
4.3
38.6 [11.3]
34.0 [10.0]
4.3
115
[46.1]
Total BTUH [kW]
Sens BTUH [kW]
Power
44.7 [13.1]
30.7 [9.0]
4.7
43.0 [12.6]
26.1 [7.7]
4.6
41.6 [12.2]
22.5 [6.6]
4.6
41.8 [12.3]
37.3 [10.9]
4.7
40.2 [11.8]
32.2 [9.4]
4.6
38.8 [11.4]
28.1 [8.2]
4.5
39.0 [11.4]
39.0 [11.4]
4.7
37.5 [11.0]
37.5 [11.0]
4.6
36.2 [10.6]
33.0 [9.7]
4.5
DR —Depression ratio
dbE —Entering air dry bulb
wbE—Entering air wet bulb
Total —Total capacity x 1000 BTUH
Sens —Sensible capacity x 1000 BTUH
Power —KW input
NOTES: ➀ When the entering air dry bulb is other than 80°F [27°C], adjust the sensible
capacity from the table by adding [1.10 x CFM x (1 – DR) x (dbE – 80)].
[ ] Designates Metric Conversions
ENTERING INDOOR AIR @ 80°F [26.7°C] dbE ➀
wbE 71°F [21.7°C] 67°F [19.4°C] 63°F [17.2°C]
CFM [L/s] 1860 [878] 1550 [732] 1240 [585] 1860 [878] 1550 [732] 1240 [585] 1860 [878] 1550 [732] 1240 [585]
DR ➀.01 .05 .09 .01 .05 .09 .01 .05 .09
O
U
T
D
O
O
R
D
R
Y
B
U
L
B
T
E
M
P
E
R
A
T
U
R
E
°F
[°C]
75
[23.9]
Total BTUH [kW]
Sens BTUH [kW]
Power
60.4 [17.7]
38.0 [11.1]
3.1
58.3 [17.1]
32.7 [9.6]
3.0
56.1 [16.4]
27.7 [8.1]
3.0
57.1 [16.7]
45.7 [13.4]
3.1
55.1 [16.1]
39.8 [11.7]
3.0
53.1 [15.6]
34.3 [10.1]
3.0
52.9 [15.5]
49.4 [14.5]
3.1
51.1 [15.0]
43.4 [12.7]
3.0
49.2 [14.4]
37.6 [11.0]
3.0
80
[26.7]
Total BTUH [kW]
Sens BTUH [kW]
Power
58.9 [17.3]
37.6 [11.0]
3.3
56.8 [16.6]
32.3 [9.5]
3.2
54.8 [16.1]
27.5 [8.1]
3.2
55.6 [16.3]
45.4 [13.3]
3.3
53.7 [15.7]
39.6 [11.6]
3.2
51.7 [15.2]
34.1 [10.0]
3.1
51.4 [15.1]
49.0 [14.4]
3.2
49.6 [14.5]
43.0 [12.6]
3.2
47.8 [14.0]
37.4 [11.0]
3.1
85
[29.4]
Total BTUH [kW]
Sens BTUH [kW]
Power
57.3 [16.8]
37.0 [10.9]
3.5
55.3 [16.2]
31.8 [9.3]
3.4
53.3 [15.6]
27.0 [7.9]
3.3
54.1 [15.9]
44.8 [13.1]
3.4
52.2 [15.3]
39.1 [11.5]
3.4
50.3 [14.7]
33.7 [9.9]
3.3
49.9 [14.6]
48.4 [14.2]
3.4
48.1 [14.1]
42.5 [12.5]
3.4
46.4 [13.6]
37.0 [10.9]
3.3
90
[32.2]
Total BTUH [kW]
Sens BTUH [kW]
Power
55.7 [16.3]
36.3 [10.6]
3.7
53.7 [15.7]
31.2 [9.2]
3.6
51.8 [15.2]
26.6 [7.8]
3.5
52.4 [15.4]
44.1 [12.9]
3.6
50.6 [14.8]
38.5 [11.3]
3.6
48.7 [14.3]
33.2 [9.7]
3.5
48.2 [14.1]
47.7 [14.0]
3.6
46.5 [13.6]
41.9 [12.3]
3.6
44.8 [13.1]
36.4 [10.7]
3.5
95
[35]
Total BTUH [kW]
Sens BTUH [kW]
Power
54.0 [15.8]
35.4 [10.4]
3.9
52.1 [15.3]
30.5 [8.9]
3.8
50.2 [14.7]
25.9 [7.6]
3.7
50.7 [14.9]
43.2 [12.7]
3.9
49.0 [14.4]
37.8 [11.1]
3.8
47.2 [13.8]
32.6 [9.6]
3.7
46.5 [13.6]
46.5 [13.6]
3.8
44.9 [13.2]
41.2 [12.1]
3.8
43.3 [12.7]
35.9 [10.5]
3.7
100
[37.8]
Total BTUH [kW]
Sens BTUH [kW]
Power
52.2 [15.3]
34.3 [10.1]
4.1
50.4 [14.8]
29.6 [8.7]
4.0
48.6 [14.2]
25.2 [7.4]
3.9
49.0 [14.4]
42.2 [12.4]
4.1
47.3 [13.9]
36.9 [10.8]
4.0
45.5 [13.3]
31.8 [9.3]
3.9
44.8 [13.1]
44.8 [13.1]
4.1
43.2 [12.7]
40.3 [11.8]
4.0
41.6 [12.2]
35.1 [10.3]
3.9
105
[40.6]
Total BTUH [kW]
Sens BTUH [kW]
Power
50.4 [14.8]
33.2 [9.7]
4.3
48.7 [14.3]
28.7 [8.4]
4.2
46.9 [13.7]
24.4 [7.2]
4.2
47.2 [13.8]
41.1 [12.1]
4.3
45.5 [13.3]
35.9 [10.5]
4.2
43.8 [12.8]
31.0 [9.1]
4.2
43.0 [12.6]
43.0 [12.6]
4.3
41.5 [12.2]
39.4 [11.6]
4.2
39.9 [11.7]
34.3 [10.1]
4.2
110
[43.3]
Total BTUH [kW]
Sens BTUH [kW]
Power
48.5 [14.2]
31.8 [9.3]
4.6
46.8 [13.7]
27.4 [8.0]
4.5
45.1 [13.2]
23.3 [6.8]
4.4
45.3 [13.3]
39.7 [11.6]
4.6
43.7 [12.8]
34.7 [10.2]
4.5
42.1 [12.3]
30.0 [8.8]
4.4
41.1 [12.0]
41.1 [12.1]
4.5
39.6 [11.6]
38.2 [11.2]
4.5
38.2 [11.2]
33.4 [9.8]
4.4
115
[46.1]
Total BTUH [kW]
Sens BTUH [kW]
Power
46.6 [13.7]
30.4 [8.9]
4.8
45.0 [13.2]
26.2 [7.7]
4.7
43.3 [12.7]
22.2 [6.5]
4.7
43.3 [12.7]
38.2 [11.2]
4.8
41.8 [12.3]
33.4 [9.8]
4.7
40.3 [11.8]
28.9 [8.5]
4.6
39.1 [11.5]
39.1 [11.5]
4.8
37.7 [11.0]
36.8 [10.8]
4.7
36.4 [10.7]
32.2 [9.4]
4.6
GROSS SYSTEMS COOLING PERFORMANCE DATA—RQPM-A048

Air Gross Systems Performance Data
RQPM Series
26
GROSS SYSTEMS COOLING PERFORMANCE DATA—RQPM-A060
ENTERING INDOOR AIR @ 80°F [26.7°C] dbE ➀
wbE 71°F [21.7°C] 67°F [19.4°C] 63°F [17.2°C]
CFM [L/s] 2280 1076] 1900 [897] 1520 [717] 2280 1076] 1900 [897] 1520 [717] 2280 1076] 1900 [897] 1520 [717]
DR ➀0.04 .08 0.04 .08 0.04 .08
O
U
T
D
O
O
R
D
R
Y
B
U
L
B
T
E
M
P
E
R
A
T
U
R
E
°F
[°C]
75
[23.9]
Total BTUH [kW]
Sens BTUH [kW]
Power
78.4 [23.0]
49.9 [14.6]
3.7
75.7 [22.2]
42.9 [12.6]
3.6
72.9 [21.4]
36.4 [10.7]
3.6
72.6 [21.3]
58.6 [17.2]
3.7
70.1 [20.5]
51.1 [15.0]
3.6
67.5 [19.8]
44.0 [12.9]
3.5
69.8 [20.5]
66.5 [19.5]
3.6
67.4 [19.8]
58.4 [17.1]
3.6
64.9 [19.0]
50.7 [14.9]
3.5
80
[26.7]
Total BTUH [kW]
Sens BTUH [kW]
Power
76.0 [22.3]
48.5 [14.2]
3.9
73.3 [21.5]
41.7 [12.2]
3.8
70.7 [20.7]
35.5 [10.4]
3.8
70.2 [20.6]
57.4 [16.8]
3.9
67.8 [19.9]
50.1 [14.7]
3.8
65.3 [19.1]
43.2 [12.7]
3.7
67.4 [19.8]
65.2 [19.1]
3.8
65.1 [19.1]
57.3 [16.8]
3.8
62.7 [18.4]
49.8 [14.6]
3.7
85
[29.4]
Total BTUH [kW]
Sens BTUH [kW]
Power
73.7 [21.6]
47.5 [13.9]
4.1
71.1 [20.8]
40.8 [12.0]
4.1
68.5 [20.1]
34.6 [10.2]
4.0
67.9 [19.9]
56.2 [16.5]
4.1
65.5 [19.2]
49.0 [14.4]
4.0
63.1 [18.5]
42.3 [12.4]
4.0
65.1 [19.1]
64.0 [18.8]
4.1
62.8 [18.4]
56.2 [16.5]
4.0
60.5 [17.7]
48.9 [14.3]
3.9
90
[32.2]
Total BTUH [kW]
Sens BTUH [kW]
Power
71.4 [20.9]
46.1 [13.5]
4.4
68.9 [20.2]
39.7 [11.6]
4.3
66.4 [19.5]
33.7 [9.9]
4.2
65.6 [19.2]
55.0 [16.1]
4.3
63.3 [18.6]
48.0 [14.1]
4.3
61.0 [17.9]
41.4 [12.1]
4.2
62.8 [18.4]
62.8 [18.4]
4.3
60.6 [17.8]
55.2 [16.2]
4.2
58.4 [17.1]
48.1 [14.1]
4.1
95
[35]
Total BTUH [kW]
Sens BTUH [kW]
Power
69.2 [20.3]
45.0 [13.2]
4.6
66.8 [19.6]
38.8 [11.4]
4.5
64.4 [18.9]
33.0 [9.7]
4.5
63.4 [18.6]
53.8 [15.8]
4.6
61.2 [17.9]
47.0 [13.8]
4.5
59.0 [17.3]
40.6 [11.9]
4.4
60.6 [17.8]
60.6 [17.8]
4.5
58.5 [17.1]
54.2 [15.9]
4.5
56.4 [16.5]
47.2 [13.8]
4.4
100
[37.8]
Total BTUH [kW]
Sens BTUH [kW]
Power
67.1 [19.7]
43.8 [12.8]
4.9
64.7 [19.0]
37.7 [11.1]
4.8
62.4 [18.3]
32.1 [9.4]
4.7
61.3 [18.0]
52.7 [15.5]
4.8
59.2 [17.3]
46.1 [13.5]
4.8
57.0 [16.7]
39.8 [11.7]
4.7
58.5 [17.1]
58.5 [17.2]
4.8
56.5 [16.6]
53.3 [15.6]
4.7
54.4 [15.9]
46.4 [13.6]
4.6
105
[40.6]
Total BTUH [kW]
Sens BTUH [kW]
Power
65.1 [19.1]
42.7 [12.5]
5.1
62.8 [18.4]
36.8 [10.8]
5.1
60.5 [17.7]
31.3 [9.2]
5.0
59.3 [17.4]
51.6 [15.1]
5.1
57.2 [16.8]
45.1 [13.2]
5.0
55.1 [16.1]
39.0 [11.4]
4.9
56.5 [16.6]
56.5 [16.6]
5.1
54.5 [16.0]
52.3 [15.3]
5.0
52.5 [15.4]
45.6 [13.4]
4.9
110
[43.3]
Total BTUH [kW]
Sens BTUH [kW]
Power
63.1 [18.5]
41.7 [12.2]
5.4
60.9 [17.8]
35.9 [10.5]
5.3
58.7 [17.2]
30.6 [9.0]
5.2
57.3 [16.8]
50.5 [14.8]
5.4
55.3 [16.2]
44.2 [13.0]
5.3
53.3 [15.6]
38.3 [11.2]
5.2
54.5 [16.0]
54.5 [16.0]
5.4
52.6 [15.4]
51.4 [15.1]
5.3
50.7 [14.9]
44.9 [13.2]
5.2
115
[46.1]
Total BTUH [kW]
Sens BTUH [kW]
Power
61.2 [17.9]
40.6 [11.9]
5.7
59.1 [17.3]
35.0 [10.3]
5.6
56.9 [16.7]
29.7 [8.7]
5.5
55.4 [16.2]
49.4 [14.5]
5.7
53.5 [15.7]
43.3 [12.7]
5.6
51.5 [15.1]
37.4 [11.0]
5.5
52.6 [15.4]
52.6 [15.4]
5.7
50.8 [14.9]
50.5 [14.8]
5.6
48.9 [14.3]
44.1 [12.9]
5.5
DR —Depression ratio
dbE —Entering air dry bulb
wbE—Entering air wet bulb
Total —Total capacity x 1000 BTUH
Sens —Sensible capacity x 1000 BTUH
Power —KW input
NOTES: ➀ When the entering air dry bulb is other than 80°F [27°C], adjust the sensible
capacity from the table by adding [1.10 x CFM x (1 – DR) x (dbE – 80)].
[ ] Designates Metric Conversions

Air Gross Systems Performance Data
RQRM Series
27
GROSS SYSTEMS COOLING PERFORMANCE DATA—RQRM-A030
ENTERING INDOOR AIR @ 80°F [26.7°C] dbE ➀
wbE 71°F [21.7°C] 67°F [19.4°C] 63°F [17.2°C]
CFM [L/s] 1200 [566] 1000 [472] 800 [378] 1200 [566] 1000 [472] 800 [378] 1200 [566] 1000 [472] 800 [378]
DR ➀.04 .06 .09 .04 .06 .09 .04 .06 .09
O
U
T
D
O
O
R
D
R
Y
B
U
L
B
T
E
M
P
E
R
A
T
U
R
E
°F
[°C]
75
[23.9]
Total BTUH [kW]
Sens BTUH [kW]
Power
37.9 [11.1]
25.4 [7.5]
1.7
36.6 [10.7]
21.9 [6.4]
1.6
35.2 [10.3]
18.6 [5.5]
1.6
35.9 [10.5]
29.6 [8.7]
1.6
34.6 [10.1]
25.8 [7.6]
1.6
33.3 [9.8]
22.2 [6.5]
1.6
34.2 [10.0]
32.5 [9.5]
1.6
33.0 [9.7]
28.5 [8.4]
1.6
31.8 [9.3]
24.8 [7.3]
1.6
80
[26.7]
Total BTUH [kW]
Sens BTUH [kW]
Power
36.7 [10.8]
24.7 [7.2]
1.7
35.4 [10.4]
21.3 [6.3]
1.7
34.2 [10.0]
18.2 [5.3]
1.7
34.7 [10.2]
29.0 [8.5]
1.7
33.5 [9.8]
25.3 [7.4]
1.7
32.3 [9.5]
21.9 [6.4]
1.7
33.1 [9.7]
31.9 [9.4]
1.7
31.9 [9.3]
28.0 [8.2]
1.7
30.7 [9.0]
24.3 [7.1]
1.6
85
[29.4]
Total BTUH [kW]
Sens BTUH [kW]
Power
35.5 [10.4]
24.1 [7.1]
1.8
34.2 [10.0]
20.7 [6.1]
1.8
33.0 [9.7]
17.7 [5.2]
1.8
33.5 [9.8]
28.3 [8.3]
1.8
32.3 [9.5]
24.7 [7.2]
1.8
31.1 [9.1]
21.3 [6.3]
1.8
31.8 [9.3]
31.2 [9.2]
1.8
30.7 [9.0]
27.4 [8.0]
1.8
29.6 [8.7]
23.8 [7.0]
1.7
90
[32.2]
Total BTUH [kW]
Sens BTUH [kW]
Power
34.2 [10.0]
23.4 [6.9]
1.9
33.0 [9.7]
20.2 [5.9]
1.9
31.8 [9.3]
17.2 [5.1]
1.9
32.1 [9.4]
27.6 [8.1]
1.9
31.0 [9.1]
24.1 [7.1]
1.9
29.9 [8.8]
20.9 [6.1]
1.9
30.5 [8.9]
30.5 [8.9]
1.9
29.4 [8.6]
26.8 [7.9]
1.9
28.3 [8.3]
23.3 [6.8]
1.8
95
[35]
Total BTUH [kW]
Sens BTUH [kW]
Power
32.7 [9.6]
22.6 [6.6]
2.1
31.6 [9.3]
19.6 [5.8]
2.0
30.4 [8.9]
16.7 [4.9]
2.0
30.7 [9.0]
26.8 [7.9]
2.0
29.6 [8.7]
23.4 [6.9]
2.0
28.5 [8.4]
20.2 [5.9]
2.0
29.0 [8.5]
29.0 [8.5]
2.0
28.0 [8.2]
26.1 [7.7]
2.0
27.0 [7.9]
22.8 [6.7]
2.0
100
[37.8]
Total BTUH [kW]
Sens BTUH [kW]
Power
31.2 [9.1]
21.9 [6.4]
2.2
30.1 [8.8]
18.9 [5.5]
2.1
29.0 [8.5]
16.1 [4.7]
2.1
29.2 [8.6]
26.0 [7.6]
2.2
28.1 [8.2]
22.7 [6.7]
2.1
27.1 [7.9]
19.7 [5.8]
2.1
27.5 [8.1]
27.5 [8.1]
2.2
26.6 [7.8]
25.5 [7.5]
2.1
25.6 [7.5]
22.2 [6.5]
2.1
105
[40.6]
Total BTUH [kW]
Sens BTUH [kW]
Power
29.6 [8.7]
21.0 [6.2]
2.3
28.5 [8.4]
18.1 [5.3]
2.3
27.5 [8.1]
15.5 [4.6]
2.2
27.5 [8.1]
25.1 [7.4]
2.3
26.6 [7.8]
22.1 [6.5]
2.3
25.6 [7.5]
19.1 [5.6]
2.2
25.9 [7.6]
25.9 [7.6]
2.3
25.0 [7.3]
24.8 [7.3]
2.2
24.1 [7.1]
21.7 [6.4]
2.2
110
[43.3]
Total BTUH [kW]
Sens BTUH [kW]
Power
27.9 [8.2]
20.1 [5.9]
2.5
26.9 [7.9]
17.4 [5.1]
2.4
25.9 [7.6]
14.9 [4.4]
2.4
25.8 [7.6]
24.3 [7.1]
2.4
24.9 [7.3]
21.3 [6.3]
2.4
24.0 [7.0]
18.5 [5.4]
2.4
24.2 [7.1]
24.2 [7.1]
2.4
23.3 [6.8]
23.3 [6.8]
2.4
22.5 [6.6]
20.9 [6.1]
2.3
115
[46.1]
Total BTUH [kW]
Sens BTUH [kW]
Power
26.0 [7.6]
19.0 [5.6]
2.6
25.1 [7.4]
16.5 [4.8]
2.6
24.2 [7.1]
14.1 [4.1]
2.5
24.0 [7.0]
23.3 [6.8]
2.6
23.2 [6.8]
20.5 [6.0]
2.6
22.3 [6.5]
17.8 [5.2]
2.5
22.4 [6.6]
22.4 [6.6]
2.6
21.6 [6.3]
21.6 [6.3]
2.5
20.8 [6.1]
20.3 [6.0]
2.5
DR —Depression ratio
dbE —Entering air dry bulb
wbE—Entering air wet bulb
Total —Total capacity x 1000 BTUH
Sens —Sensible capacity x 1000 BTUH
Power —KW input
NOTES: ➀ When the entering air dry bulb is other than 80°F [27°C], adjust the sensible
capacity from the table by adding [1.10 x CFM x (1 – DR) x (dbE – 80)].
[ ] Designates Metric Conversions
ENTERING INDOOR AIR @ 80°F [26.7°C] dbE ➀
wbE 71°F [21.7°C] 67°F [19.4°C] 63°F [17.2°C]
CFM [L/s] 1200 [566] 900 [425] 800 [378] 1200 [566] 900 [425] 800 [378] 1200 [566] 900 [425] 800 [378]
DR ➀.03 .06 .06 .03 .06 .06 .03 .06 .06
O
U
T
D
O
O
R
D
R
Y
B
U
L
B
T
E
M
P
E
R
A
T
U
R
E
°F
[°C]
75
[23.9]
Total BTUH [kW]
Sens BTUH [kW]
Power
36.9 [10.8]
29.4 [8.6]
1.5
34.8 [10.2]
23.3 [6.8]
1.4
34.1 [10.0]
21.4 [6.3]
1.4
29.9 [8.8]
27.4 [8.0]
1.5
28.2 [8.3]
22.0 [6.5]
1.4
27.6 [8.1]
20.3 [6.0]
1.4
16.5 [4.8]
15.8 [4.6]
1.4
15.5 [4.5]
12.7 [3.7]
1.4
15.2 [4.5]
11.8 [3.5]
1.4
80
[26.7]
Total BTUH [kW]
Sens BTUH [kW]
Power
35.8 [10.5]
28.7 [8.4]
1.5
33.7 [9.9]
22.7 [6.7]
1.5
33.0 [9.7]
20.9 [6.1]
1.5
28.8 [8.4]
26.7 [7.8]
1.5
27.1 [7.9]
21.4 [6.3]
1.5
26.6 [7.8]
19.8 [5.8]
1.5
15.3 [4.5]
15.1 [4.4]
1.5
14.4 [4.2]
12.2 [3.6]
1.5
14.2 [4.2]
11.4 [3.4]
1.5
85
[29.4]
Total BTUH [kW]
Sens BTUH [kW]
Power
34.7 [10.2]
28.0 [8.2]
1.6
32.7 [9.6]
22.2 [6.5]
1.6
32.0 [9.4]
20.4 [6.0]
1.6
27.7 [8.1]
26.0 [7.6]
1.6
26.1 [7.6]
20.9 [6.1]
1.6
25.6 [7.5]
19.3 [5.7]
1.6
14.3 [4.2]
14.3 [4.2]
1.6
13.4 [3.9]
11.7 [3.4]
1.6
13.2 [3.9]
10.9 [3.2]
1.5
90
[32.2]
Total BTUH [kW]
Sens BTUH [kW]
Power
33.7 [9.9]
27.5 [8.1]
1.7
31.8 [9.3]
21.9 [6.4]
1.7
31.1 [9.1]
20.1 [5.9]
1.7
26.7 [7.8]
25.5 [7.5]
1.7
25.2 [7.4]
20.6 [6.0]
1.7
24.7 [7.2]
19.1 [5.6]
1.6
13.3 [3.9]
13.3 [3.9]
1.7
12.5 [3.7]
11.4 [3.4]
1.7
12.3 [3.6]
10.6 [3.1]
1.6
95
[35]
Total BTUH [kW]
Sens BTUH [kW]
Power
32.8 [9.6]
27.2 [8.0]
1.8
30.9 [9.1]
21.6 [6.3]
1.8
30.3 [8.9]
19.9 [5.8]
1.8
25.8 [7.6]
25.2 [7.4]
1.8
24.3 [7.1]
20.3 [6.0]
1.8
23.8 [7.0]
18.8 [5.5]
1.7
12.3 [3.6]
12.3 [3.6]
1.8
11.6 [3.4]
11.1 [3.3]
1.7
11.4 [3.3]
10.3 [3.0]
1.7
100
[37.8]
Total BTUH [kW]
Sens BTUH [kW]
Power
31.9 [9.3]
26.8 [7.9]
1.9
30.1 [8.8]
21.4 [6.3]
1.9
29.5 [8.6]
19.7 [5.8]
1.9
24.9 [7.3]
24.8 [7.3]
1.9
23.5 [6.9]
20.1 [5.9]
1.9
23.0 [6.7]
18.6 [5.5]
1.8
11.5 [3.4]
11.5 [3.4]
1.9
10.8 [3.2]
10.8 [3.2]
1.9
10.6 [3.1]
10.1 [3.0]
1.8
105
[40.6]
Total BTUH [kW]
Sens BTUH [kW]
Power
31.2 [9.1]
26.7 [7.8]
2.0
29.4 [8.6]
21.3 [6.3]
2.0
28.8 [8.4]
19.6 [5.8]
2.0
24.2 [7.1]
24.2 [7.1]
2.0
22.8 [6.7]
20.0 [5.9]
2.0
22.3 [6.5]
18.5 [5.4]
2.0
10.7 [3.1]
10.7 [3.1]
2.0
10.1 [3.0]
10.1 [3.0]
2.0
9.9 [2.9]
9.9 [2.9]
1.9
110
[43.3]
Total BTUH [kW]
Sens BTUH [kW]
Power
30.5 [8.9]
26.7 [7.8]
2.2
28.7 [8.4]
21.3 [6.3]
2.1
28.2 [8.3]
19.7 [5.8]
2.1
23.5 [6.9]
23.5 [6.9]
2.1
22.1 [6.5]
20.0 [5.9]
2.1
21.7 [6.4]
18.6 [5.5]
2.1
10.0 [2.9]
10.0 [2.9]
2.1
9.5 [2.8]
9.5 [2.8]
2.1
9.3 [2.7]
9.3 [2.7]
2.1
115
[46.1]
Total BTUH [kW]
Sens BTUH [kW]
Power
29.9 [8.8]
26.8 [7.9]
2.3
28.2 [8.3]
21.5 [6.3]
2.2
27.6 [8.1]
19.8 [5.8]
2.2
22.9 [6.7]
22.9 [6.7]
2.3
21.6 [6.3]
20.2 [5.9]
2.2
21.1 [6.2]
18.7 [5.5]
2.2
9.4 [2.8]
9.4 [2.8]
2.3
8.9 [2.6]
8.9 [2.6]
2.2
8.7 [2.5]
8.7 [2.6]
2.2
GROSS SYSTEMS COOLING PERFORMANCE DATA—RQRM-A024

Air Gross Systems Performance Data
RQRM Series
28
GROSS SYSTEMS COOLING PERFORMANCE DATA—RQRM-A042
ENTERING INDOOR AIR @ 80°F [26.7°C] dbE ➀
wbE 71°F [21.7°C] 67°F [19.4°C] 63°F [17.2°C]
CFM [L/s] 1860 [878] 1425 [672] 1240 [585] 1860 [878] 1425 [672] 1240 [585] 1860 [878] 1425 [672] 1240 [585]
DR ➀.05 .09 .11 .05 .09 .11 .05 .09 .11
O
U
T
D
O
O
R
D
R
Y
B
U
L
B
T
E
M
P
E
R
A
T
U
R
E
°F
[°C]
75
[23.9]
Total BTUH [kW]
Sens BTUH [kW]
Power
54.7 [16.0]
37.1 [10.9]
2.4
51.9 [15.2]
29.7 [8.7]
2.3
50.6 [14.8]
26.7 [7.8]
2.3
51.4 [15.1]
43.4 [12.7]
2.4
48.7 [14.3]
35.3 [10.4]
2.3
47.5 [13.9]
32.0 [9.4]
2.3
48.8 [14.3]
48.1 [14.1]
2.4
46.2 [13.5]
39.5 [11.6]
2.3
45.1 [13.2]
36.1 [10.6]
2.3
80
[26.7]
Total BTUH [kW]
Sens BTUH [kW]
Power
53.4 [15.6]
36.6 [10.7]
2.5
50.6 [14.8]
29.2 [8.6]
2.5
49.4 [14.5]
26.3 [7.7]
2.4
50.1 [14.7]
42.8 [12.6]
2.5
47.4 [13.9]
34.8 [10.2]
2.5
46.3 [13.6]
31.7 [9.3]
2.4
47.4 [13.9]
47.4 [13.9]
2.5
44.9 [13.2]
39.0 [11.4]
2.4
43.9 [12.9]
35.7 [10.5]
2.4
85
[29.4]
Total BTUH [kW]
Sens BTUH [kW]
Power
52.0 [15.2]
35.9 [10.5]
2.7
49.2 [14.4]
28.6 [8.4]
2.6
48.1 [14.1]
25.8 [7.6]
2.6
48.6 [14.2]
42.0 [12.3]
2.7
46.0 [13.5]
34.2 [10.0]
2.6
45.0 [13.2]
31.2 [9.2]
2.6
46.0 [13.5]
46.0 [13.5]
2.7
43.5 [12.7]
38.4 [11.3]
2.6
42.5 [12.5]
35.1 [10.3]
2.6
90
[32.2]
Total BTUH [kW]
Sens BTUH [kW]
Power
50.3 [14.7]
35.1 [10.3]
2.8
47.7 [14.0]
28.1 [8.2]
2.8
46.5 [13.6]
25.3 [7.4]
2.7
47.0 [13.8]
41.4 [12.1]
2.8
44.5 [13.0]
33.7 [9.9]
2.7
43.4 [12.7]
30.6 [9.0]
2.7
44.3 [13.0]
44.3 [13.0]
2.8
42.0 [12.3]
37.9 [11.1]
2.7
41.0 [12.0]
34.7 [10.2]
2.7
95
[35]
Total BTUH [kW]
Sens BTUH [kW]
Power
48.5 [14.2]
34.2 [10.0]
3.0
46.0 [13.5]
27.4 [8.0]
2.9
44.9 [13.2]
24.7 [7.2]
2.9
45.2 [13.2]
40.4 [11.9]
3.0
42.8 [12.5]
33.0 [9.7]
2.9
41.8 [12.3]
30.1 [8.8]
2.9
42.5 [12.5]
42.5 [12.5]
3.0
40.3 [11.8]
37.2 [10.9]
2.9
39.3 [11.5]
34.0 [10.0]
2.9
100
[37.8]
Total BTUH [kW]
Sens BTUH [kW]
Power
46.6 [13.7]
33.2 [9.7]
3.2
44.1 [12.9]
26.6 [7.8]
3.1
43.1 [12.6]
24.0 [7.0]
3.1
43.2 [12.7]
39.4 [11.6]
3.2
40.9 [12.0]
32.2 [9.4]
3.1
40.0 [11.7]
29.4 [8.6]
3.0
40.6 [11.9]
40.6 [11.9]
3.1
38.4 [11.3]
36.4 [10.7]
3.1
37.5 [11.0]
33.3 [9.8]
3.0
105
[40.6]
Total BTUH [kW]
Sens BTUH [kW]
Power
44.5 [13.0]
32.2 [9.4]
3.4
42.1 [12.3]
25.8 [7.6]
3.3
41.1 [12.0]
23.3 [6.8]
3.2
41.1 [12.0]
38.4 [11.3]
3.3
38.9 [11.4]
31.4 [9.2]
3.3
38.0 [11.1]
28.7 [8.4]
3.2
38.5 [11.3]
38.5 [11.3]
3.3
36.4 [10.7]
35.6 [10.4]
3.2
35.6 [10.4]
32.7 [9.6]
3.2
110
[43.3]
Total BTUH [kW]
Sens BTUH [kW]
Power
42.2 [12.4]
31.1 [9.1]
3.5
40.0 [11.7]
25.0 [7.3]
3.5
39.0 [11.4]
22.5 [6.6]
3.4
38.8 [11.4]
37.2 [10.9]
3.5
36.8 [10.8]
30.6 [9.0]
3.4
35.9 [10.5]
27.9 [8.2]
3.4
36.2 [10.6]
36.2 [10.6]
3.5
34.3 [10.1]
34.3 [10.1]
3.4
33.5 [9.8]
31.9 [9.4]
3.4
115
[46.1]
Total BTUH [kW]
Sens BTUH [kW]
Power
39.8 [11.7]
29.9 [8.8]
3.7
37.7 [11.0]
24.1 [7.1]
3.6
36.8 [10.8]
21.8 [6.4]
3.6
36.4 [10.7]
36.1 [10.6]
3.7
34.5 [10.1]
29.7 [8.7]
3.6
33.7 [9.9]
27.1 [8.0]
3.6
33.8 [9.9]
33.8 [9.9]
3.7
32.0 [9.4]
32.0 [9.4]
3.6
31.2 [9.1]
31.1 [9.1]
3.6
DR —Depression ratio
dbE —Entering air dry bulb
wbE—Entering air wet bulb
Total —Total capacity x 1000 BTUH
Sens —Sensible capacity x 1000 BTUH
Power —KW input
NOTES: ➀ When the entering air dry bulb is other than 80°F [27°C], adjust the sensible
capacity from the table by adding [1.10 x CFM x (1 – DR) x (dbE – 80)].
[ ] Designates Metric Conversions
ENTERING INDOOR AIR @ 80°F [26.7°C] dbE ➀
wbE 71°F [21.7°C] 67°F [19.4°C] 63°F [17.2°C]
CFM [L/s] 1440 [680] 1200 [566] 960 [453] 1440 [680] 1200 [566] 960 [453] 1440 [680] 1200 [566] 960 [453]
DR ➀.0 .0 .0 .0 .0 .0 .0 .0 .0
O
U
T
D
O
O
R
D
R
Y
B
U
L
B
T
E
M
P
E
R
A
T
U
R
E
°F
[°C]
75
[23.9]
Total BTUH [kW]
Sens BTUH [kW]
Power
44.7 [13.1]
31.6 [9.3]
2.0
43.1 [12.6]
27.3 [8.0]
2.0
41.5 [12.2]
23.3 [6.8]
1.9
41.6 [12.2]
37.0 [10.9]
2.0
40.2 [11.8]
32.4 [9.5]
1.9
38.7 [11.3]
28.0 [8.2]
1.9
39.9 [11.7]
39.9 [11.7]
2.0
38.5 [11.3]
35.3 [10.4]
1.9
37.1 [10.9]
30.7 [9.0]
1.9
80
[26.7]
Total BTUH [kW]
Sens BTUH [kW]
Power
43.3 [12.7]
31.2 [9.2]
2.1
41.8 [12.3]
27.0 [7.9]
2.1
40.3 [11.8]
23.1 [6.8]
2.0
40.3 [11.8]
36.6 [10.7]
2.1
38.9 [11.4]
32.1 [9.4]
2.0
37.4 [11.0]
27.7 [8.1]
2.0
38.6 [11.3]
38.6 [11.3]
2.1
37.2 [10.9]
35.0 [10.3]
2.0
35.9 [10.5]
30.6 [9.0]
2.0
85
[29.4]
Total BTUH [kW]
Sens BTUH [kW]
Power
42.0 [12.3]
30.6 [9.0]
2.2
40.5 [11.9]
26.5 [7.8]
2.2
39.0 [11.4]
22.7 [6.7]
2.1
38.9 [11.4]
36.0 [10.6]
2.2
37.5 [11.0]
31.5 [9.2]
2.2
36.2 [10.6]
27.4 [8.0]
2.1
37.2 [10.9]
37.2 [10.9]
2.2
35.9 [10.5]
34.5 [10.1]
2.1
34.6 [10.1]
30.1 [8.8]
2.1
90
[32.2]
Total BTUH [kW]
Sens BTUH [kW]
Power
40.6 [11.9]
29.7 [8.7]
2.3
39.2 [11.5]
25.8 [7.6]
2.3
37.8 [11.1]
22.1 [6.5]
2.3
37.6 [11.0]
35.2 [10.3]
2.3
36.3 [10.6]
30.9 [9.1]
2.3
34.9 [10.2]
26.7 [7.8]
2.2
35.9 [10.5]
35.9 [10.5]
2.3
34.6 [10.1]
33.8 [9.9]
2.3
33.4 [9.8]
29.6 [8.7]
2.2
95
[35]
Total BTUH [kW]
Sens BTUH [kW]
Power
39.3 [11.5]
28.8 [8.5]
2.5
37.9 [11.1]
24.9 [7.3]
2.4
36.5 [10.7]
21.3 [6.3]
2.4
36.2 [10.6]
34.1 [10.0]
2.5
35.0 [10.3]
30.0 [8.8]
2.4
33.7 [9.9]
26.0 [7.6]
2.4
34.5 [10.1]
34.5 [10.1]
2.4
33.3 [9.8]
32.9 [9.7]
2.4
32.1 [9.4]
28.7 [8.4]
2.4
100
[37.8]
Total BTUH [kW]
Sens BTUH [kW]
Power
38.0 [11.1]
27.7 [8.1]
2.6
36.6 [10.7]
23.9 [7.0]
2.6
35.3 [10.3]
20.5 [6.0]
2.5
34.9 [10.2]
33.0 [9.7]
2.6
33.7 [9.9]
29.0 [8.5]
2.6
32.4 [9.5]
25.1 [7.4]
2.5
33.2 [9.7]
33.2 [9.7]
2.6
32.0 [9.4]
31.9 [9.4]
2.5
30.9 [9.1]
27.9 [8.2]
2.5
105
[40.6]
Total BTUH [kW]
Sens BTUH [kW]
Power
36.6 [10.7]
26.2 [7.7]
2.8
35.3 [10.3]
22.7 [6.7]
2.7
34.1 [10.0]
19.5 [5.7]
2.7
33.6 [9.8]
31.7 [9.3]
2.8
32.4 [9.5]
27.8 [8.2]
2.7
31.2 [9.1]
24.1 [7.1]
2.7
31.9 [9.3]
31.9 [9.4]
2.7
30.8 [9.0]
30.8 [9.0]
2.7
29.6 [8.7]
26.8 [7.9]
2.6
110
[43.3]
Total BTUH [kW]
Sens BTUH [kW]
Power
35.3 [10.3]
24.7 [7.2]
2.9
34.1 [10.0]
21.4 [6.3]
2.9
32.8 [9.6]
18.2 [5.3]
2.8
32.2 [9.4]
30.1 [8.8]
2.9
31.1 [9.1]
26.4 [7.7]
2.9
30.0 [8.8]
22.9 [6.7]
2.8
30.6 [9.0]
30.6 [9.0]
2.9
29.5 [8.6]
29.4 [8.6]
2.8
28.4 [8.3]
25.7 [7.5]
2.8
115
[46.1]
Total BTUH [kW]
Sens BTUH [kW]
Power
34.0 [10.0]
23.0 [6.8]
3.1
32.8 [9.6]
19.8 [5.8]
3.0
31.6 [9.3]
16.9 [5.0]
3.0
30.9 [9.1]
28.3 [8.3]
3.1
29.8 [8.7]
24.8 [7.3]
3.0
28.8 [8.4]
21.6 [6.3]
3.0
29.2 [8.6]
29.2 [8.6]
3.1
28.2 [8.3]
27.8 [8.2]
3.0
27.2 [8.0]
24.3 [7.1]
3.0
GROSS SYSTEMS COOLING PERFORMANCE DATA—RQRM-A036

Air Gross Systems Performance Data
RQRM Series
29
GROSS SYSTEMS COOLING PERFORMANCE DATA—RQRM-A060
ENTERING INDOOR AIR @ 80°F [26.7°C] dbE ➀
wbE 71°F [21.7°C] 67°F [19.4°C] 63°F [17.2°C]
CFM [L/s] 1860 [878] 1900 [897] 1240 [585] 1860 [878] 1900 [897] 1240 [585] 1860 [878] 1900 [897] 1240 [585]
DR ➀.15 .14 .23 .15 .14 .23 .15 .14 .23
O
U
T
D
O
O
R
D
R
Y
B
U
L
B
T
E
M
P
E
R
A
T
U
R
E
°F
[°C]
75
[23.9]
Total BTUH [kW]
Sens BTUH [kW]
Power
69.0 [20.2]
38.4 [11.3]
3.5
69.2 [20.3]
39.0 [11.4]
3.5
64.9 [19.0]
29.1 [8.5]
3.4
65.3 [19.1]
45.5 [13.3]
3.5
65.6 [19.2]
46.3 [13.6]
3.5
61.5 [18.0]
35.4 [10.4]
3.4
62.0 [18.2]
51.2 [15.0]
3.4
62.2 [18.2]
51.9 [15.2]
3.4
58.3 [17.1]
40.2 [11.8]
3.3
80
[26.7]
Total BTUH [kW]
Sens BTUH [kW]
Power
67.1 [19.7]
37.6 [11.0]
3.7
67.3 [19.7]
38.2 [11.2]
3.7
63.1 [18.5]
28.5 [8.4]
3.6
63.4 [18.6]
44.7 [13.1]
3.6
63.7 [18.7]
45.4 [13.3]
3.7
59.7 [17.5]
34.7 [10.2]
3.5
60.0 [17.6]
50.3 [14.8]
3.6
60.3 [17.7]
51.1 [15.0]
3.6
56.5 [16.6]
39.6 [11.6]
3.5
85
[29.4]
Total BTUH [kW]
Sens BTUH [kW]
Power
65.0 [19.0]
36.6 [10.7]
3.9
65.3 [19.1]
37.3 [10.9]
3.9
61.2 [17.9]
27.8 [8.2]
3.8
61.4 [18.0]
43.9 [12.9]
3.8
61.6 [18.1]
44.5 [13.1]
3.8
57.8 [16.9]
34.1 [10.0]
3.7
58.0 [17.0]
49.5 [14.5]
3.8
58.2 [17.1]
50.2 [14.7]
3.8
54.6 [16.0]
39.0 [11.4]
3.7
90
[32.2]
Total BTUH [kW]
Sens BTUH [kW]
Power
62.9 [18.4]
35.8 [10.5]
4.1
63.2 [18.5]
36.5 [10.7]
4.1
59.2 [17.3]
27.2 [8.0]
4.0
59.3 [17.4]
43.0 [12.6]
4.0
59.5 [17.4]
43.6 [12.8]
4.0
55.8 [16.4]
33.4 [9.8]
3.9
55.9 [16.4]
48.6 [14.3]
4.0
56.1 [16.4]
49.3 [14.5]
4.0
52.6 [15.4]
38.4 [11.3]
3.9
95
[35]
Total BTUH [kW]
Sens BTUH [kW]
Power
60.7 [17.8]
35.0 [10.3]
4.3
60.9 [17.8]
35.5 [10.4]
4.3
57.1 [16.7]
26.6 [7.8]
4.2
57.0 [16.7]
42.0 [12.3]
4.3
57.3 [16.8]
42.7 [12.5]
4.3
53.6 [15.7]
32.7 [9.6]
4.1
53.7 [15.7]
47.7 [14.0]
4.2
53.9 [15.8]
48.4 [14.2]
4.2
50.5 [14.8]
37.7 [11.1]
4.1
100
[37.8]
Total BTUH [kW]
Sens BTUH [kW]
Power
58.3 [17.1]
34.0 [10.0]
4.5
58.6 [17.2]
34.6 [10.2]
4.5
54.9 [16.1]
25.9 [7.6]
4.4
54.7 [16.0]
41.2 [12.1]
4.5
54.9 [16.1]
41.8 [12.3]
4.5
51.4 [15.1]
32.1 [9.4]
4.3
51.3 [15.0]
46.7 [13.7]
4.4
51.5 [15.1]
47.4 [13.9]
4.4
48.3 [14.2]
37.0 [10.9]
4.3
105
[40.6]
Total BTUH [kW]
Sens BTUH [kW]
Power
55.9 [16.4]
33.1 [9.7]
4.8
56.1 [16.4]
33.6 [9.9]
4.8
52.6 [15.4]
25.2 [7.4]
4.6
52.2 [15.3]
40.1 [11.8]
4.7
52.4 [15.4]
40.7 [11.9]
4.7
49.1 [14.4]
31.3 [9.2]
4.6
48.9 [14.3]
45.8 [13.4]
4.7
49.1 [14.4]
46.5 [13.6]
4.7
46.0 [13.5]
36.4 [10.7]
4.5
110
[43.3]
Total BTUH [kW]
Sens BTUH [kW]
Power
53.3 [15.6]
32.0 [9.4]
5.0
53.5 [15.7]
32.5 [9.5]
5.0
50.1 [14.7]
24.4 [7.2]
4.9
49.7 [14.6]
39.2 [11.5]
5.0
49.9 [14.6]
39.8 [11.7]
5.0
46.7 [13.7]
30.7 [9.0]
4.8
46.3 [13.6]
44.9 [13.2]
4.9
46.5 [13.6]
45.5 [13.3]
4.9
43.5 [12.7]
35.6 [10.4]
4.8
115
[46.1]
Total BTUH [kW]
Sens BTUH [kW]
Power
50.7 [14.9]
31.1 [9.1]
5.3
50.9 [14.9]
31.6 [9.3]
5.3
47.6 [14.0]
23.7 [7.0]
5.1
47.0 [13.8]
38.1 [11.2]
5.2
47.2 [13.8]
38.7 [11.4]
5.2
44.2 [13.0]
29.9 [8.8]
5.1
43.6 [12.8]
43.6 [12.8]
5.2
43.8 [12.8]
43.8 [12.8]
5.2
41.0 [12.0]
34.9 [10.2]
5.0
DR —Depression ratio
dbE —Entering air dry bulb
wbE—Entering air wet bulb
Total —Total capacity x 1000 BTUH
Sens —Sensible capacity x 1000 BTUH
Power —KW input
NOTES: ➀ When the entering air dry bulb is other than 80°F [27°C], adjust the sensible
capacity from the table by adding [1.10 x CFM x (1 – DR) x (dbE – 80)].
[ ] Designates Metric Conversions
ENTERING INDOOR AIR @ 80°F [26.7°C] dbE ➀
wbE 71°F [21.7°C] 67°F [19.4°C] 63°F [17.2°C]
CFM [L/s] 1860 [878] 1525 [720] 1240 [585] 1860 [878] 1525 [720] 1240 [585] 1860 [878] 1525 [720] 1240 [585]
DR ➀.05 .09 .12 .05 .09 .12 .05 .09 .12
O
U
T
D
O
O
R
D
R
Y
B
U
L
B
T
E
M
P
E
R
A
T
U
R
E
°F
[°C]
75
[23.9]
Total BTUH [kW]
Sens BTUH [kW]
Power
56.7 [16.6]
36.8 [10.8]
2.6
54.6 [16.0]
31.3 [9.2]
2.5
52.7 [15.4]
26.8 [7.9]
2.5
53.8 [15.8]
43.8 [12.8]
2.5
51.7 [15.2]
37.6 [11.0]
2.5
50.0 [14.7]
32.8 [9.6]
2.4
50.6 [14.8]
48.3 [14.2]
2.5
48.7 [14.3]
41.9 [12.3]
2.4
47.0 [13.8]
36.7 [10.8]
2.4
80
[26.7]
Total BTUH [kW]
Sens BTUH [kW]
Power
55.8 [16.4]
36.6 [10.7]
2.7
53.6 [15.7]
31.0 [9.1]
2.7
51.8 [15.2]
26.7 [7.8]
2.6
52.8 [15.5]
43.4 [12.7]
2.7
50.8 [14.9]
37.4 [11.0]
2.6
49.0 [14.4]
32.5 [9.5]
2.6
49.6 [14.5]
48.0 [14.1]
2.6
47.7 [14.0]
41.6 [12.2]
2.6
46.1 [13.5]
36.5 [10.7]
2.6
85
[29.4]
Total BTUH [kW]
Sens BTUH [kW]
Power
54.5 [16.0]
36.1 [10.6]
2.9
52.4 [15.4]
30.6 [9.0]
2.8
50.6 [14.8]
26.3 [7.7]
2.8
51.6 [15.1]
43.0 [12.6]
2.8
49.6 [14.5]
37.0 [10.9]
2.8
47.9 [14.0]
32.2 [9.4]
2.7
48.4 [14.2]
47.5 [13.9]
2.8
46.5 [13.6]
41.2 [12.1]
2.8
45.0 [13.2]
36.2 [10.6]
2.7
90
[32.2]
Total BTUH [kW]
Sens BTUH [kW]
Power
53.1 [15.6]
35.5 [10.4]
3.1
51.0 [14.9]
30.1 [8.8]
3.0
49.3 [14.4]
25.9 [7.6]
2.9
50.1 [14.7]
42.3 [12.4]
3.0
48.2 [14.1]
36.5 [10.7]
3.0
46.5 [13.6]
31.8 [9.3]
2.9
46.9 [13.7]
46.9 [13.8]
3.0
45.1 [13.2]
40.7 [11.9]
2.9
43.6 [12.8]
35.8 [10.5]
2.9
95
[35]
Total BTUH [kW]
Sens BTUH [kW]
Power
51.3 [15.0]
34.5 [10.1]
3.2
49.4 [14.5]
29.4 [8.6]
3.2
47.7 [14.0]
25.3 [7.4]
3.1
48.4 [14.2]
41.5 [12.2]
3.2
46.5 [13.6]
35.7 [10.5]
3.1
45.0 [13.2]
31.2 [9.2]
3.1
45.2 [13.2]
45.2 [13.3]
3.2
43.5 [12.7]
40.0 [11.7]
3.1
42.0 [12.3]
35.1 [10.3]
3.1
100
[37.8]
Total BTUH [kW]
Sens BTUH [kW]
Power
49.4 [14.5]
33.5 [9.8]
3.4
47.5 [13.9]
28.5 [8.4]
3.4
45.9 [13.5]
24.6 [7.2]
3.3
46.4 [13.6]
40.4 [11.9]
3.4
44.6 [13.1]
34.8 [10.2]
3.3
43.1 [12.6]
30.4 [8.9]
3.3
43.3 [12.7]
43.3 [12.7]
3.4
41.6 [12.2]
39.1 [11.5]
3.3
40.2 [11.8]
34.4 [10.1]
3.3
105
[40.6]
Total BTUH [kW]
Sens BTUH [kW]
Power
47.2 [13.8]
32.2 [9.4]
3.7
45.4 [13.3]
27.4 [8.0]
3.6
43.8 [12.8]
23.5 [6.9]
3.5
44.2 [13.0]
39.0 [11.4]
3.6
42.5 [12.5]
33.7 [9.9]
3.6
41.1 [12.0]
29.5 [8.7]
3.5
41.1 [12.0]
41.1 [12.1]
3.6
39.5 [11.6]
38.0 [11.1]
3.5
38.1 [11.2]
33.4 [9.8]
3.5
110
[43.3]
Total BTUH [kW]
Sens BTUH [kW]
Power
44.7 [13.1]
30.7 [9.0]
3.9
43.0 [12.6]
26.1 [7.7]
3.8
41.6 [12.2]
22.5 [6.6]
3.8
41.8 [12.3]
37.6 [11.0]
3.9
40.2 [11.8]
32.5 [9.5]
3.8
38.8 [11.4]
28.4 [8.3]
3.7
38.6 [11.3]
38.6 [11.3]
3.8
37.1 [10.9]
36.7 [10.8]
3.8
35.9 [10.5]
32.4 [9.5]
3.7
115
[46.1]
Total BTUH [kW]
Sens BTUH [kW]
Power
42.1 [12.3]
29.0 [8.5]
4.1
40.4 [11.8]
24.6 [7.2]
4.1
39.1 [11.5]
21.3 [6.3]
4.0
39.1 [11.5]
35.8 [10.5]
4.1
37.6 [11.0]
31.0 [9.1]
4.0
36.3 [10.6]
27.1 [8.0]
4.0
35.9 [10.5]
35.9 [10.5]
4.1
34.5 [10.1]
34.5 [10.1]
4.0
33.4 [9.8]
31.2 [9.2]
3.9
GROSS SYSTEMS COOLING PERFORMANCE DATA—RQRM-A048

Air Gross Systems Performance Data
RQNM Series
30
HEATING PERFORMANCE DATA—RQNM-A024
IDB —Indoor air dry bulb
IDB 60°F [15.5°C] 70°F [21.1°C] 80°F [26.7°C]
CFM [L/s] 960 [453] 800 [378] 640 [302] 960 [453] 800 [378] 640 [302] 960 [453] 800 [378] 640 [302]
O
U
T
D
O
O
R
D
R
Y
B
U
L
B
T
E
M
P
E
R
A
T
U
R
E
°F
[°C]
0
[-17.8]
Total BTUH [kW]
Power
8.1 [2.4]
1.2
8.0 [2.3]
1.3
7.9 [2.3]
1.3
7.2 [2.1]
1.4
7.1 [2.1]
1.5
7.0 [2.1]
1.5
6.2 [1.8]
1.6
6.1 [1.8]
1.6
6.1 [1.8]
1.7
5
[-15]
Total BTUH [kW]
Power
9.8 [2.9]
1.3
9.6 [2.8]
1.3
9.5 [2.8]
1.3
8.8 [2.6]
1.5
8.7 [2.5]
1.5
8.6 [2.5]
1.5
7.9 [2.3]
1.6
7.8 [2.3]
1.7
7.7 [2.3]
1.7
10
[-12.2]
Total BTUH [kW]
Power
11.4 [3.3]
1.3
11.3 [3.3]
1.3
11.1 [3.3]
1.4
10.5 [3.1]
1.5
10.3 [3.0]
1.5
10.2 [3.0]
1.6
9.6 [2.8]
1.7
9.4 [2.8]
1.7
9.3 [2.7]
1.8
15
[-9.4]
Total BTUH [kW]
Power
13.1 [3.8]
1.3
12.9 [3.8]
1.4
12.7 [3.7]
1.4
12.2 [3.6]
1.5
12.0 [3.5]
1.6
11.8 [3.5]
1.6
11.2 [3.3]
1.7
11.1 [3.3]
1.7
10.9 [3.2]
1.8
20
[-6.7]
Total BTUH [kW]
Power
14.8 [4.3]
1.4
14.5 [4.2]
1.4
14.3 [4.2]
1.4
13.8 [4.0]
1.6
13.6 [4.0]
1.6
13.4 [3.9]
1.6
12.9 [3.8]
1.7
12.7 [3.7]
1.8
12.5 [3.7]
1.8
25
[-3.9]
Total BTUH [kW]
Power
16.4 [4.8]
1.4
16.2 [4.7]
1.4
16.0 [4.7]
1.5
15.5 [4.5]
1.6
15.3 [4.5]
1.6
15.0 [4.4]
1.7
14.5 [4.2]
1.8
14.3 [4.2]
1.8
14.1 [4.1]
1.9
30
[-1.1]
Total BTUH [kW]
Power
18.1 [5.3]
1.4
17.8 [5.2]
1.5
17.6 [5.2]
1.5
17.1 [5.0]
1.6
16.9 [5.0]
1.7
16.7 [4.9]
1.7
16.2 [4.7]
1.8
16.0 [4.7]
1.8
15.8 [4.6]
1.9
35
[1.7]
Total BTUH [kW]
Power
19.7 [5.8]
1.5
19.5 [5.7]
1.5
19.2 [5.6]
1.5
18.8 [5.5]
1.7
18.5 [5.4]
1.7
18.3 [5.4]
1.7
17.9 [5.2]
1.8
17.6 [5.2]
1.9
17.4 [5.1]
1.9
40
[4.4]
Total BTUH [kW]
Power
21.4 [6.3]
1.5
21.1 [6.2]
1.5
20.8 [6.1]
1.6
20.5 [6.0]
1.7
20.2 [5.9]
1.7
19.9 [5.8]
1.8
19.5 [5.7]
1.9
19.3 [5.7]
1.9
19.0 [5.6]
2.0
45
[7.2]
Total BTUH [kW]
Power
23.1 [6.8]
1.5
22.7 [6.7]
1.6
22.4 [6.6]
1.6
22.1 [6.5]
1.7
21.8 [6.4]
1.8
21.5 [6.3]
1.8
21.2 [6.2]
1.9
20.9 [6.1]
1.9
20.6 [6.0]
2.0
50
[10]
Total BTUH [kW]
Power
24.7 [7.2]
1.6
24.4 [7.2]
1.6
24.0 [7.0]
1.6
23.8 [7.0]
1.8
23.5 [6.9]
1.8
23.1 [6.8]
1.8
22.9 [6.7]
1.9
22.5 [6.6]
2.0
22.2 [6.5]
2.0
HEATING PERFORMANCE DATA—RQNM-A030
IDB —Indoor air dry bulb
[ ] Designates Metric Conversions
IDB 60°F [15.5°C] 70°F [21.1°C] 80°F [26.7°C]
CFM [L/s] 1200 [566] 1000 [472] 800 [378] 1200 [566] 1000 [472] 800 [378] 1200 [566] 1000 [472] 800 [378]
O
U
T
D
O
O
R
D
R
Y
B
U
L
B
T
E
M
P
E
R
A
T
U
R
E
°F
[°C]
0
[-17.8]
Total BTUH [kW]
Power
8.9 [2.6]
1.5
8.8 [2.6]
1.6
8.7 [2.5]
1.6
7.5 [2.2]
1.7
7.4 [2.2]
1.8
7.3 [2.1]
1.8
6.0 [1.8]
1.9
5.9 [1.7]
2.0
5.8 [1.7]
2.0
5
[-15]
Total BTUH [kW]
Power
11.1 [3.3]
1.6
11.0 [3.2]
1.6
10.8 [3.2]
1.7
9.7 [2.8]
1.8
9.5 [2.8]
1.8
9.4 [2.8]
1.9
8.2 [2.4]
2.0
8.1 [2.4]
2.0
8.0 [2.3]
2.1
10
[-12.2]
Total BTUH [kW]
Power
13.3 [3.9]
1.6
13.1 [3.8]
1.7
13.0 [3.8]
1.7
11.9 [3.5]
1.8
11.7 [3.4]
1.8
11.5 [3.4]
1.9
10.4 [3.0]
2.0
10.3 [3.0]
2.0
10.1 [3.0]
2.1
15
[-9.4]
Total BTUH [kW]
Power
15.5 [4.5]
1.6
15.3 [4.5]
1.7
15.1 [4.4]
1.7
14.1 [4.1]
1.8
13.9 [4.1]
1.9
13.7 [4.0]
1.9
12.6 [3.7]
2.0
12.4 [3.6]
2.1
12.2 [3.6]
2.1
20
[-6.7]
Total BTUH [kW]
Power
17.7 [5.2]
1.7
17.5 [5.1]
1.7
17.2 [5.0]
1.8
16.3 [4.8]
1.9
16.0 [4.7]
1.9
15.8 [4.6]
2.0
14.8 [4.3]
2.1
14.6 [4.3]
2.1
14.4 [4.2]
2.2
25
[-3.9]
Total BTUH [kW]
Power
19.9 [5.8]
1.7
19.6 [5.7]
1.8
19.4 [5.7]
1.8
18.5 [5.4]
1.9
18.2 [5.3]
2.0
17.9 [5.2]
2.0
17.0 [5.0]
2.1
16.8 [4.9]
2.2
16.5 [4.8]
2.2
30
[-1.1]
Total BTUH [kW]
Power
22.1 [6.5]
1.8
21.8 [6.4]
1.8
21.5 [6.3]
1.9
20.7 [6.1]
2.0
20.4 [6.0]
2.0
20.1 [5.9]
2.1
19.2 [5.6]
2.1
18.9 [5.5]
2.2
18.7 [5.5]
2.3
35
[1.7]
Total BTUH [kW]
Power
24.3 [7.1]
1.8
24.0 [7.0]
1.8
23.6 [6.9]
1.9
22.9 [6.7]
2.0
22.5 [6.6]
2.0
22.2 [6.5]
2.1
21.4 [6.3]
2.2
21.1 [6.2]
2.2
20.8 [6.1]
2.3
40
[4.4]
Total BTUH [kW]
Power
26.5 [7.8]
1.8
26.1 [7.6]
1.9
25.8 [7.6]
1.9
25.0 [7.3]
2.0
24.7 [7.2]
2.1
24.3 [7.1]
2.1
23.6 [6.9]
2.2
23.2 [6.8]
2.3
22.9 [6.7]
2.3
45
[7.2]
Total BTUH [kW]
Power
28.7 [8.4]
1.9
28.3 [8.3]
1.9
27.9 [8.2]
2.0
27.2 [8.0]
2.1
26.9 [7.9]
2.1
26.5 [7.8]
2.2
25.8 [7.6]
2.3
25.4 [7.4]
2.3
25.1 [7.4]
2.4
50
[10]
Total BTUH [kW]
Power
30.9 [9.1]
1.9
30.5 [8.9]
2.0
30.0 [8.8]
2.0
29.4 [8.6]
2.1
29.0 [8.5]
2.2
28.6 [8.4]
2.2
28.0 [8.2]
2.3
27.6 [8.1]
2.4
27.2 [8.0]
2.4

Air Gross Systems Performance Data
RQNM Series
31
HEATING PERFORMANCE DATA—RQNM-A036
IDB —Indoor air dry bulb
IDB 60°F [15.5°C] 70°F [21.1°C] 80°F [26.7°C]
CFM [L/s] 1440 [680] 1200 [566] 960 [453] 1440 [680] 1200 [566] 960 [453] 1440 [680] 1200 [566] 960 [453]
O
U
T
D
O
O
R
D
R
Y
B
U
L
B
T
E
M
P
E
R
A
T
U
R
E
°F
[°C]
0
[-17.8]
Total BTUH [kW]
Power
10.8 [3.2]
1.8
10.7 [3.1]
1.8
10.5 [3.1]
1.8
9.4 [2.8]
2.0
9.3 [2.7]
2.1
9.2 [2.7]
2.1
8.0 [2.3]
2.3
7.9 [2.3]
2.3
7.8 [2.3]
2.4
5
[-15]
Total BTUH [kW]
Power
13.5 [4.0]
1.8
13.3 [3.9]
1.9
13.1 [3.8]
1.9
12.1 [3.5]
2.1
11.9 [3.5]
2.1
11.7 [3.4]
2.2
10.6 [3.1]
2.3
10.5 [3.1]
2.4
10.3 [3.0]
2.4
10
[-12.2]
Total BTUH [kW]
Power
16.1 [4.7]
1.9
15.9 [4.7]
1.9
15.6 [4.6]
2.0
14.7 [4.3]
2.1
14.5 [4.2]
2.2
14.3 [4.2]
2.2
13.3 [3.9]
2.4
13.1 [3.8]
2.4
12.9 [3.8]
2.5
15
[-9.4]
Total BTUH [kW]
Power
18.7 [5.5]
1.9
18.5 [5.4]
2.0
18.2 [5.3]
2.0
17.3 [5.1]
2.2
17.1 [5.0]
2.2
16.8 [4.9]
2.3
15.9 [4.7]
2.4
15.7 [4.6]
2.5
15.4 [4.5]
2.5
20
[-6.7]
Total BTUH [kW]
Power
21.4 [6.3]
2.0
21.0 [6.2]
2.0
20.7 [6.1]
2.1
19.9 [5.8]
2.2
19.7 [5.8]
2.3
19.4 [5.7]
2.3
18.5 [5.4]
2.5
18.3 [5.4]
2.5
18.0 [5.3]
2.6
25
[-3.9]
Total BTUH [kW]
Power
24.0 [7.0]
2.0
23.6 [6.9]
2.1
23.3 [6.8]
2.1
22.6 [6.6]
2.3
22.2 [6.5]
2.3
21.9 [6.4]
2.4
21.1 [6.2]
2.5
20.8 [6.1]
2.6
20.6 [6.0]
2.7
30
[-1.1]
Total BTUH [kW]
Power
26.6 [7.8]
2.1
26.2 [7.7]
2.1
25.9 [7.6]
2.2
25.2 [7.4]
2.3
24.8 [7.3]
2.4
24.5 [7.2]
2.4
23.8 [7.0]
2.6
23.4 [6.9]
2.6
23.1 [6.8]
2.7
35
[1.7]
Total BTUH [kW]
Power
29.2 [8.6]
2.1
28.8 [8.4]
2.2
28.4 [8.3]
2.2
27.8 [8.1]
2.4
27.4 [8.0]
2.4
27.0 [7.9]
2.5
26.4 [7.7]
2.6
26.0 [7.6]
2.7
25.7 [7.5]
2.8
40
[4.4]
Total BTUH [kW]
Power
31.9 [9.3]
2.2
31.4 [9.2]
2.2
31.0 [9.1]
2.3
30.4 [8.9]
2.4
30.0 [8.8]
2.5
29.6 [8.7]
2.5
29.0 [8.5]
2.7
28.6 [8.4]
2.7
28.2 [8.3]
2.8
45
[7.2]
Total BTUH [kW]
Power
34.5 [10.1]
2.2
34.0 [10.0]
2.3
33.5 [9.8]
2.3
33.1 [9.7]
2.5
32.6 [9.6]
2.5
32.1 [9.4]
2.6
31.6 [9.3]
2.7
31.2 [9.1]
2.8
30.8 [9.0]
2.9
50
[10]
Total BTUH [kW]
Power
37.1 [10.9]
2.3
36.6 [10.7]
2.3
36.1 [10.6]
2.4
35.7 [10.5]
2.5
35.2 [10.3]
2.6
34.7 [10.2]
2.6
34.3 [10.1]
2.8
33.8 [9.9]
2.8
33.3 [9.8]
2.9
HEATING PERFORMANCE DATA—RQNM-A042
IDB —Indoor air dry bulb
[ ] Designates Metric Conversions
IDB 60°F [15.5°C] 70°F [21.1°C] 80°F [26.7°C]
CFM [L/s] 1740 [821] 1450 [684] 1160 [547] 1740 [821] 1450 [684] 1160 [547] 1740 [821] 1450 [684] 1160 [547]
O
U
T
D
O
O
R
D
R
Y
B
U
L
B
T
E
M
P
E
R
A
T
U
R
E
°F
[°C]
0
[-17.8]
Total BTUH [kW]
Power
13.7 [4.0]
2.2
13.5 [4.0]
2.3
13.3 [3.9]
2.4
12.5 [3.7]
2.5
12.3 [3.6]
2.6
12.1 [3.5]
2.7
11.2 [3.3]
2.9
11.1 [3.3]
2.9
10.9 [3.2]
3.0
5
[-15]
Total BTUH [kW]
Power
16.5 [4.8]
2.3
16.3 [4.8]
2.3
16.0 [4.7]
2.4
15.2 [4.5]
2.6
15.0 [4.4]
2.6
14.8 [4.3]
2.7
14.0 [4.1]
2.9
13.8 [4.0]
3.0
13.6 [4.0]
3.1
10
[-12.2]
Total BTUH [kW]
Power
19.2 [5.6]
2.3
19.0 [5.6]
2.4
18.7 [5.5]
2.5
18.0 [5.3]
2.6
17.7 [5.2]
2.7
17.5 [5.1]
2.8
16.7 [4.9]
3.0
16.5 [4.8]
3.0
16.3 [4.8]
3.1
15
[-9.4]
Total BTUH [kW]
Power
22.0 [6.4]
2.4
21.7 [6.4]
2.5
21.4 [6.3]
2.5
20.7 [6.1]
2.7
20.5 [6.0]
2.8
20.2 [5.9]
2.8
19.5 [5.7]
3.0
19.2 [5.6]
3.1
18.9 [5.5]
3.2
20
[-6.7]
Total BTUH [kW]
Power
24.8 [7.3]
2.4
24.4 [7.2]
2.5
24.1 [7.1]
2.6
23.5 [6.9]
2.7
23.2 [6.8]
2.8
22.8 [6.7]
2.9
22.3 [6.5]
3.1
21.9 [6.4]
3.2
21.6 [6.3]
3.2
25
[-3.9]
Total BTUH [kW]
Power
27.5 [8.1]
2.5
27.1 [7.9]
2.6
26.7 [7.8]
2.6
26.3 [7.7]
2.8
25.9 [7.6]
2.9
25.5 [7.5]
2.9
25.0 [7.3]
3.1
24.7 [7.2]
3.2
24.3 [7.1]
3.3
30
[-1.1]
Total BTUH [kW]
Power
30.3 [8.9]
2.5
29.8 [8.7]
2.6
29.4 [8.6]
2.7
29.0 [8.5]
2.8
28.6 [8.4]
2.9
28.2 [8.3]
3.0
27.8 [8.1]
3.2
27.4 [8.0]
3.3
27.0 [7.9]
3.3
35
[1.7]
Total BTUH [kW]
Power
33.0 [9.7]
2.6
32.6 [9.6]
2.7
32.1 [9.4]
2.7
31.8 [9.3]
2.9
31.3 [9.2]
3.0
30.9 [9.1]
3.0
30.5 [8.9]
3.2
30.1 [8.8]
3.3
29.7 [8.7]
3.4
40
[4.4]
Total BTUH [kW]
Power
35.8 [10.5]
2.7
35.3 [10.3]
2.7
34.8 [10.2]
2.8
34.5 [10.1]
2.9
34.1 [10.0]
3.0
33.6 [9.8]
3.1
33.3 [9.8]
3.3
32.8 [9.6]
3.4
32.4 [9.5]
3.4
45
[7.2]
Total BTUH [kW]
Power
38.6 [11.3]
2.7
38.0 [11.1]
2.8
37.5 [11.0]
2.8
37.3 [10.9]
3.0
36.8 [10.8]
3.1
36.2 [10.6]
3.1
36.0 [10.6]
3.3
35.5 [10.4]
3.4
35.0 [10.3]
3.5
50
[10]
Total BTUH [kW]
Power
41.3 [12.1]
2.8
40.7 [11.9]
2.8
40.1 [11.8]
2.9
40.1 [11.8]
3.0
39.5 [11.6]
3.1
38.9 [11.4]
3.2
38.8 [11.4]
3.4
38.3 [11.2]
3.5
37.7 [11.0]
3.6

Air Gross Systems Performance Data
RQNM Series
32
HEATING PERFORMANCE DATA—RQNM-A048
IDB —Indoor air dry bulb
IDB 60°F [15.5°C] 70°F [21.1°C] 80°F [26.7°C]
CFM [L/s] 1860 [878] 1550 [732] 1240 [585] 1860 [878] 1550 [732] 1240 [585] 1860 [878] 1550 [732] 1240 [585]
O
U
T
D
O
O
R
D
R
Y
B
U
L
B
T
E
M
P
E
R
A
T
U
R
E
°F
[°C]
0
[-17.8]
Total BTUH [kW]
Power
12.1 [3.5]
2.1
12.0 [3.5]
2.1
11.8 [3.5]
2.2
10.7 [3.1]
2.4
10.6 [3.1]
2.5
10.4 [3.0]
2.5
9.3 [2.7]
2.8
9.1 [2.7]
2.8
9.0 [2.6]
2.9
5
[-15]
Total BTUH [kW]
Power
15.4 [4.5]
2.1
15.2 [4.5]
2.2
15.0 [4.4]
2.2
14.0 [4.1]
2.5
13.8 [4.0]
2.5
13.6 [4.0]
2.6
12.6 [3.7]
2.8
12.4 [3.6]
2.9
12.2 [3.6]
3.0
10
[-12.2]
Total BTUH [kW]
Power
18.7 [5.5]
2.2
18.4 [5.4]
2.2
18.2 [5.3]
2.3
17.3 [5.1]
2.5
17.0 [5.0]
2.6
16.8 [4.9]
2.7
15.8 [4.6]
2.9
15.6 [4.6]
3.0
15.4 [4.5]
3.0
15
[-9.4]
Total BTUH [kW]
Power
22.0 [6.4]
2.2
21.7 [6.4]
2.3
21.4 [6.3]
2.4
20.6 [6.0]
2.6
20.3 [5.9]
2.7
20.0 [5.9]
2.7
19.1 [5.6]
3.0
18.9 [5.5]
3.0
18.6 [5.5]
3.1
20
[-6.7]
Total BTUH [kW]
Power
25.3 [7.4]
2.3
24.9 [7.3]
2.4
24.6 [7.2]
2.4
23.9 [7.0]
2.7
23.5 [6.9]
2.7
23.2 [6.8]
2.8
22.4 [6.6]
3.0
22.1 [6.5]
3.1
21.8 [6.4]
3.2
25
[-3.9]
Total BTUH [kW]
Power
28.6 [8.4]
2.4
28.2 [8.3]
2.4
27.8 [8.1]
2.5
27.1 [7.9]
2.7
26.8 [7.9]
2.8
26.4 [7.7]
2.9
25.7 [7.5]
3.1
25.3 [7.4]
3.2
25.0 [7.3]
3.2
30
[-1.1]
Total BTUH [kW]
Power
31.9 [9.3]
2.4
31.4 [9.2]
2.5
31.0 [9.1]
2.6
30.4 [8.9]
2.8
30.0 [8.8]
2.9
29.6 [8.7]
2.9
29.0 [8.5]
3.1
28.6 [8.4]
3.2
28.2 [8.3]
3.3
35
[1.7]
Total BTUH [kW]
Power
35.1 [10.3]
2.5
34.7 [10.2]
2.6
34.2 [10.0]
2.6
33.7 [9.9]
2.9
33.2 [9.7]
2.9
32.8 [9.6]
3.0
32.3 [9.5]
3.2
31.8 [9.3]
3.3
31.4 [9.2]
3.4
40
[4.4]
Total BTUH [kW]
Power
38.4 [11.3]
2.6
37.9 [11.1]
2.6
37.4 [11.0]
2.7
37.0 [10.8]
2.9
36.5 [10.7]
3.0
36.0 [10.6]
3.1
35.6 [10.4]
3.3
35.1 [10.3]
3.4
34.6 [10.1]
3.4
45
[7.2]
Total BTUH [kW]
Power
41.7 [12.2]
2.6
41.1 [12.0]
2.7
40.6 [11.9]
2.8
40.3 [11.8]
3.0
39.7 [11.6]
3.1
39.2 [11.5]
3.1
38.9 [11.4]
3.3
38.3 [11.2]
3.4
37.8 [11.1]
3.5
50
[10]
Total BTUH [kW]
Power
45.0 [13.2]
2.7
44.4 [13.0]
2.8
43.7 [12.8]
2.8
43.6 [12.8]
3.0
43.0 [12.6]
3.1
42.4 [12.4]
3.2
42.1 [12.3]
3.4
41.6 [12.2]
3.5
41.0 [12.0]
3.6
HEATING PERFORMANCE DATA—RQNM-A060
IDB —Indoor air dry bulb
[ ] Designates Metric Conversions
IDB 60°F [15.5°C] 70°F [21.1°C] 80°F [26.7°C]
CFM [L/s] 2280 1076] 1900 [897] 1520 [717] 2280 1076] 1900 [897] 1520 [717] 2280 1076] 1900 [897] 1520 [717]
O
U
T
D
O
O
R
D
R
Y
B
U
L
B
T
E
M
P
E
R
A
T
U
R
E
°F
[°C]
0
[-17.8]
Total BTUH [kW]
Power
23.4 [6.9]
2.9
23.0 [6.7]
3.0
22.7 [6.7]
3.0
22.0 [6.4]
3.4
21.6 [6.3]
3.4
21.3 [6.2]
3.5
20.5 [6.0]
3.9
20.2 [5.9]
4.0
20.0 [5.9]
4.1
5
[-15]
Total BTUH [kW]
Power
27.3 [8.0]
3.0
26.9 [7.9]
3.0
26.5 [7.8]
3.1
25.9 [7.6]
3.4
25.5 [7.5]
3.5
25.2 [7.4]
3.6
24.5 [7.2]
3.9
24.1 [7.1]
4.0
23.8 [7.0]
4.1
10
[-12.2]
Total BTUH [kW]
Power
31.2 [9.1]
3.0
30.8 [9.0]
3.1
30.3 [8.9]
3.2
29.8 [8.7]
3.5
29.4 [8.6]
3.6
29.0 [8.5]
3.7
28.4 [8.3]
4.0
28.0 [8.2]
4.1
27.6 [8.1]
4.2
15
[-9.4]
Total BTUH [kW]
Power
35.2 [10.3]
3.1
34.7 [10.2]
3.2
34.2 [10.0]
3.3
33.7 [9.9]
3.6
33.3 [9.8]
3.7
32.8 [9.6]
3.8
32.3 [9.5]
4.1
31.9 [9.3]
4.2
31.4 [9.2]
4.3
20
[-6.7]
Total BTUH [kW]
Power
39.1 [11.5]
3.2
38.5 [11.3]
3.3
38.0 [11.1]
3.4
37.7 [11.0]
3.7
37.1 [10.9]
3.8
36.6 [10.7]
3.9
36.3 [10.6]
4.2
35.7 [10.5]
4.3
35.2 [10.3]
4.4
25
[-3.9]
Total BTUH [kW]
Power
43.0 [12.6]
3.3
42.4 [12.4]
3.4
41.8 [12.3]
3.4
41.6 [12.2]
3.8
41.0 [12.0]
3.9
40.4 [11.8]
4.0
40.2 [11.8]
4.3
39.6 [11.6]
4.4
39.1 [11.5]
4.5
30
[-1.1]
Total BTUH [kW]
Power
47.0 [13.8]
3.4
46.3 [13.6]
3.4
45.6 [13.4]
3.5
45.5 [13.3]
3.8
44.9 [13.2]
3.9
44.2 [13.0]
4.0
44.1 [12.9]
4.3
43.5 [12.7]
4.5
42.9 [12.6]
4.6
35
[1.7]
Total BTUH [kW]
Power
50.9 [14.9]
3.4
50.2 [14.7]
3.5
49.4 [14.5]
3.6
49.5 [14.5]
3.9
48.8 [14.3]
4.0
48.1 [14.1]
4.1
48.0 [14.1]
4.4
47.4 [13.9]
4.5
46.7 [13.7]
4.7
40
[4.4]
Total BTUH [kW]
Power
54.8 [16.1]
3.5
54.0 [15.8]
3.6
53.3 [15.6]
3.7
53.4 [15.6]
4.0
52.6 [15.4]
4.1
51.9 [15.2]
4.2
52.0 [15.2]
4.5
51.2 [15.0]
4.6
50.5 [14.8]
4.7
45
[7.2]
Total BTUH [kW]
Power
58.7 [17.2]
3.6
57.9 [17.0]
3.7
57.1 [16.7]
3.8
57.3 [16.8]
4.1
56.5 [16.6]
4.2
55.7 [16.3]
4.3
55.9 [16.4]
4.6
55.1 [16.1]
4.7
54.3 [15.9]
4.8
50
[10]
Total BTUH [kW]
Power
62.7 [18.4]
3.7
61.8 [18.1]
3.8
60.9 [17.8]
3.9
61.3 [18.0]
4.2
60.4 [17.7]
4.3
59.5 [17.4]
4.4
59.8 [17.5]
4.7
59.0 [17.3]
4.8
58.1 [17.0]
4.9

Air Gross Systems Performance Data
RQPM Series
33
HEATING PERFORMANCE DATA—RQPM-A024
IDB —Indoor air dry bulb
IDB 60°F [15.5°C] 70°F [21.1°C] 80°F [26.7°C]
CFM [L/s] 960 [453] 800 [378] 640 [302] 960 [453] 800 [378] 640 [302] 960 [453] 800 [378] 640 [302]
O
U
T
D
O
O
R
D
R
Y
B
U
L
B
T
E
M
P
E
R
A
T
U
R
E
°F
[°C]
0
[-17.8]
Total BTUH [kW]
Power
8.3 [2.4]
1.4
8.2 [2.4]
1.4
8.1 [2.4]
1.5
7.4 [2.2]
1.5
7.3 [2.1]
1.6
7.2 [2.1]
1.6
6.4 [1.9]
1.8
6.3 [1.8]
1.8
6.2 [1.8]
1.9
5
[-15]
Total BTUH [kW]
Power
10.0 [2.9]
1.4
9.9 [2.9]
1.5
9.7 [2.8]
1.5
9.1 [2.7]
1.5
8.9 [2.6]
1.6
8.8 [2.6]
1.6
8.1 [2.4]
1.8
8.0 [2.3]
1.8
7.9 [2.3]
1.9
10
[-12.2]
Total BTUH [kW]
Power
11.7 [3.4]
1.4
11.5 [3.4]
1.5
11.4 [3.3]
1.5
10.7 [3.1]
1.6
10.6 [3.1]
1.6
10.4 [3.0]
1.7
9.8 [2.9]
1.8
9.6 [2.8]
1.9
9.5 [2.8]
1.9
15
[-9.4]
Total BTUH [kW]
Power
13.4 [3.9]
1.5
13.2 [3.9]
1.5
13.0 [3.8]
1.5
12.4 [3.6]
1.6
12.2 [3.6]
1.6
12.1 [3.5]
1.7
11.4 [3.3]
1.9
11.3 [3.3]
1.9
11.1 [3.3]
1.9
20
[-6.7]
Total BTUH [kW]
Power
15.0 [4.4]
1.5
14.8 [4.3]
1.5
14.6 [4.3]
1.6
14.1 [4.1]
1.6
13.9 [4.1]
1.7
13.7 [4.0]
1.7
13.1 [3.8]
1.9
12.9 [3.8]
1.9
12.7 [3.7]
2.0
25
[-3.9]
Total BTUH [kW]
Power
16.7 [4.9]
1.5
16.5 [4.8]
1.6
16.2 [4.7]
1.6
15.8 [4.6]
1.7
15.5 [4.5]
1.7
15.3 [4.5]
1.7
14.8 [4.3]
1.9
14.6 [4.3]
2.0
14.4 [4.2]
2.0
30
[-1.1]
Total BTUH [kW]
Power
18.4 [5.4]
1.6
18.1 [5.3]
1.6
17.9 [5.2]
1.6
17.4 [5.1]
1.7
17.2 [5.0]
1.7
16.9 [5.0]
1.8
16.5 [4.8]
1.9
16.2 [4.7]
2.0
16.0 [4.7]
2.0
35
[1.7]
Total BTUH [kW]
Power
20.1 [5.9]
1.6
19.8 [5.8]
1.6
19.5 [5.7]
1.7
19.1 [5.6]
1.7
18.8 [5.5]
1.8
18.6 [5.5]
1.8
18.1 [5.3]
2.0
17.9 [5.2]
2.0
17.6 [5.2]
2.1
40
[4.4]
Total BTUH [kW]
Power
21.7 [6.4]
1.6
21.4 [6.3]
1.7
21.1 [6.2]
1.7
20.8 [6.1]
1.7
20.5 [6.0]
1.8
20.2 [5.9]
1.8
19.8 [5.8]
2.0
19.5 [5.7]
2.0
19.3 [5.7]
2.1
45
[7.2]
Total BTUH [kW]
Power
23.4 [6.9]
1.6
23.1 [6.8]
1.7
22.7 [6.7]
1.7
22.4 [6.6]
1.8
22.1 [6.5]
1.8
21.8 [6.4]
1.9
21.5 [6.3]
2.0
21.2 [6.2]
2.1
20.9 [6.1]
2.1
50
[10]
Total BTUH [kW]
Power
25.1 [7.4]
1.7
24.7 [7.2]
1.7
24.4 [7.2]
1.8
24.1 [7.1]
1.8
23.8 [7.0]
1.8
23.4 [6.9]
1.9
23.2 [6.8]
2.0
22.8 [6.7]
2.1
22.5 [6.6]
2.2
HEATING PERFORMANCE DATA—RQPM-A030
IDB —Indoor air dry bulb
[ ] Designates Metric Conversions
IDB 60°F [15.5°C] 70°F [21.1°C] 80°F [26.7°C]
CFM [L/s] 1200 [566] 1000 [472] 800 [378] 1200 [566] 1000 [472] 800 [378] 1200 [566] 1000 [472] 800 [378]
O
U
T
D
O
O
R
D
R
Y
B
U
L
B
T
E
M
P
E
R
A
T
U
R
E
°F
[°C]
0
[-17.8]
Total BTUH [kW]
Power
9.0 [2.6]
1.6
8.9 [2.6]
1.6
8.8 [2.6]
1.7
7.6 [2.2]
1.7
7.5 [2.2]
1.8
7.4 [2.2]
1.8
6.3 [1.8]
2.0
6.2 [1.8]
2.0
6.1 [1.8]
2.1
5
[-15]
Total BTUH [kW]
Power
11.2 [3.3]
1.6
11.0 [3.2]
1.6
10.8 [3.2]
1.7
9.8 [2.9]
1.8
9.7 [2.8]
1.8
9.5 [2.8]
1.9
8.4 [2.5]
2.0
8.3 [2.4]
2.1
8.2 [2.4]
2.1
10
[-12.2]
Total BTUH [kW]
Power
13.3 [3.9]
1.6
13.1 [3.8]
1.7
12.9 [3.8]
1.7
11.9 [3.5]
1.8
11.8 [3.5]
1.9
11.6 [3.4]
1.9
10.6 [3.1]
2.1
10.4 [3.0]
2.1
10.3 [3.0]
2.2
15
[-9.4]
Total BTUH [kW]
Power
15.5 [4.5]
1.7
15.3 [4.5]
1.7
15.0 [4.4]
1.8
14.1 [4.1]
1.8
13.9 [4.1]
1.9
13.7 [4.0]
1.9
12.7 [3.7]
2.1
12.6 [3.7]
2.1
12.4 [3.6]
2.2
20
[-6.7]
Total BTUH [kW]
Power
17.6 [5.2]
1.7
17.4 [5.1]
1.8
17.1 [5.0]
1.8
16.3 [4.8]
1.9
16.0 [4.7]
1.9
15.8 [4.6]
2.0
14.9 [4.4]
2.1
14.7 [4.3]
2.2
14.5 [4.2]
2.2
25
[-3.9]
Total BTUH [kW]
Power
19.8 [5.8]
1.7
19.5 [5.7]
1.8
19.2 [5.6]
1.8
18.4 [5.4]
1.9
18.2 [5.3]
2.0
17.9 [5.2]
2.0
17.0 [5.0]
2.2
16.8 [4.9]
2.2
16.6 [4.9]
2.3
30
[-1.1]
Total BTUH [kW]
Power
22.0 [6.4]
1.8
21.6 [6.3]
1.8
21.3 [6.2]
1.9
20.6 [6.0]
2.0
20.3 [5.9]
2.0
20.0 [5.9]
2.1
19.2 [5.6]
2.2
18.9 [5.5]
2.2
18.7 [5.5]
2.3
35
[1.7]
Total BTUH [kW]
Power
24.1 [7.1]
1.8
23.8 [7.0]
1.9
23.4 [6.9]
1.9
22.7 [6.7]
2.0
22.4 [6.6]
2.0
22.1 [6.5]
2.1
21.4 [6.3]
2.2
21.1 [6.2]
2.3
20.8 [6.1]
2.3
40
[4.4]
Total BTUH [kW]
Power
26.3 [7.7]
1.9
25.9 [7.6]
1.9
25.5 [7.5]
1.9
24.9 [7.3]
2.0
24.5 [7.2]
2.1
24.2 [7.1]
2.1
23.5 [6.9]
2.3
23.2 [6.8]
2.3
22.9 [6.7]
2.4
45
[7.2]
Total BTUH [kW]
Power
28.4 [8.3]
1.9
28.0 [8.2]
1.9
27.6 [8.1]
2.0
27.1 [7.9]
2.1
26.7 [7.8]
2.1
26.3 [7.7]
2.2
25.7 [7.5]
2.3
25.3 [7.4]
2.4
25.0 [7.3]
2.4
50
[10]
Total BTUH [kW]
Power
30.6 [9.0]
1.9
30.2 [8.9]
2.0
29.7 [8.7]
2.0
29.2 [8.6]
2.1
28.8 [8.4]
2.1
28.4 [8.3]
2.2
27.8 [8.1]
2.3
27.4 [8.0]
2.4
27.1 [7.9]
2.4

Air Gross Systems Performance Data
RQPM Series
34
HEATING PERFORMANCE DATA—RQPM-A036
IDB —Indoor air dry bulb
IDB 60°F [15.5°C] 70°F [21.1°C] 80°F [26.7°C]
CFM [L/s] 1440 [680] 1200 [566] 960 [453] 1440 [680] 1200 [566] 960 [453] 1440 [680] 1200 [566] 960 [453]
O
U
T
D
O
O
R
D
R
Y
B
U
L
B
T
E
M
P
E
R
A
T
U
R
E
°F
[°C]
0
[-17.8]
Total BTUH [kW]
Power
11.0 [3.2]
1.7
10.9 [3.2]
1.8
10.7 [3.1]
1.8
9.8 [2.9]
2.0
9.6 [2.8]
2.1
9.5 [2.8]
2.1
8.6 [2.5]
2.3
8.4 [2.5]
2.3
8.3 [2.4]
2.4
5
[-15]
Total BTUH [kW]
Power
13.6 [4.0]
1.8
13.4 [3.9]
1.8
13.2 [3.9]
1.9
12.4 [3.6]
2.1
12.2 [3.6]
2.1
12.0 [3.5]
2.2
11.1 [3.3]
2.3
11.0 [3.2]
2.4
10.8 [3.2]
2.4
10
[-12.2]
Total BTUH [kW]
Power
16.2 [4.7]
1.8
15.9 [4.7]
1.9
15.7 [4.6]
1.9
14.9 [4.4]
2.1
14.7 [4.3]
2.2
14.5 [4.2]
2.2
13.7 [4.0]
2.4
13.5 [4.0]
2.4
13.3 [3.9]
2.5
15
[-9.4]
Total BTUH [kW]
Power
18.8 [5.5]
1.9
18.5 [5.4]
1.9
18.2 [5.3]
2.0
17.5 [5.1]
2.2
17.3 [5.1]
2.2
17.0 [5.0]
2.3
16.3 [4.8]
2.4
16.1 [4.7]
2.5
15.9 [4.7]
2.6
20
[-6.7]
Total BTUH [kW]
Power
21.3 [6.2]
1.9
21.0 [6.2]
2.0
20.7 [6.1]
2.0
20.1 [5.9]
2.2
19.8 [5.8]
2.3
19.5 [5.7]
2.4
18.9 [5.5]
2.5
18.6 [5.5]
2.6
18.4 [5.4]
2.6
25
[-3.9]
Total BTUH [kW]
Power
23.9 [7.0]
2.0
23.6 [6.9]
2.0
23.2 [6.8]
2.1
22.7 [6.7]
2.3
22.4 [6.6]
2.3
22.1 [6.5]
2.4
21.5 [6.3]
2.5
21.2 [6.2]
2.6
20.9 [6.1]
2.7
30
[-1.1]
Total BTUH [kW]
Power
26.5 [7.8]
2.1
26.1 [7.6]
2.1
25.7 [7.5]
2.2
25.3 [7.4]
2.3
24.9 [7.3]
2.4
24.6 [7.2]
2.5
24.1 [7.1]
2.6
23.7 [6.9]
2.7
23.4 [6.9]
2.7
35
[1.7]
Total BTUH [kW]
Power
29.1 [8.5]
2.1
28.7 [8.4]
2.2
28.3 [8.3]
2.2
27.9 [8.2]
2.4
27.5 [8.1]
2.5
27.1 [7.9]
2.5
26.6 [7.8]
2.7
26.3 [7.7]
2.7
25.9 [7.6]
2.8
40
[4.4]
Total BTUH [kW]
Power
31.7 [9.3]
2.2
31.2 [9.1]
2.2
30.8 [9.0]
2.3
30.4 [8.9]
2.5
30.0 [8.8]
2.5
29.6 [8.7]
2.6
29.2 [8.6]
2.7
28.8 [8.4]
2.8
28.4 [8.3]
2.8
45
[7.2]
Total BTUH [kW]
Power
34.2 [10.0]
2.2
33.8 [9.9]
2.3
33.3 [9.8]
2.3
33.0 [9.7]
2.5
32.6 [9.6]
2.6
32.1 [9.4]
2.6
31.8 [9.3]
2.8
31.3 [9.2]
2.8
30.9 [9.1]
2.9
50
[10]
Total BTUH [kW]
Power
36.8 [10.8]
2.3
36.3 [10.6]
2.3
35.8 [10.5]
2.4
35.6 [10.4]
2.6
35.1 [10.3]
2.6
34.6 [10.1]
2.7
34.4 [10.1]
2.8
33.9 [9.9]
2.9
33.4 [9.8]
3.0
HEATING PERFORMANCE DATA—RQPM-A037
IDB —Indoor air dry bulb
[ ] Designates Metric Conversions
IDB 60°F [15.5°C] 70°F [21.1°C] 80°F [26.7°C]
CFM [L/s] 1440 [680] 1250 [590] 960 [453] 1440 [680] 1250 [590] 960 [453] 1440 [680] 1250 [590] 960 [453]
O
U
T
D
O
O
R
D
R
Y
B
U
L
B
T
E
M
P
E
R
A
T
U
R
E
°F
[°C]
0
[-17.8]
Total BTUH [kW]
Power
10.4 [3.0]
1.8
10.3 [3.0]
1.8
10.1 [3.0]
1.9
9.3 [2.7]
2.0
9.2 [2.7]
2.1
9.0 [2.6]
2.1
8.1 [2.4]
2.2
8.1 [2.4]
2.3
7.9 [2.3]
2.4
5
[-15]
Total BTUH [kW]
Power
12.9 [3.8]
1.8
12.8 [3.8]
1.9
12.5 [3.7]
1.9
11.8 [3.5]
2.1
11.6 [3.4]
2.1
11.5 [3.4]
2.2
10.7 [3.1]
2.3
10.5 [3.1]
2.3
10.4 [3.0]
2.4
10
[-12.2]
Total BTUH [kW]
Power
15.4 [4.5]
1.9
15.2 [4.5]
1.9
15.0 [4.4]
2.0
14.3 [4.2]
2.1
14.1 [4.1]
2.2
13.9 [4.1]
2.2
13.2 [3.9]
2.3
13.0 [3.8]
2.4
12.8 [3.8]
2.5
15
[-9.4]
Total BTUH [kW]
Power
17.9 [5.2]
1.9
17.7 [5.2]
2.0
17.4 [5.1]
2.0
16.8 [4.9]
2.2
16.6 [4.9]
2.2
16.3 [4.8]
2.3
15.7 [4.6]
2.4
15.5 [4.5]
2.4
15.3 [4.5]
2.5
20
[-6.7]
Total BTUH [kW]
Power
20.4 [6.0]
2.0
20.2 [5.9]
2.0
19.9 [5.8]
2.1
19.3 [5.7]
2.2
19.1 [5.6]
2.3
18.8 [5.5]
2.3
18.2 [5.3]
2.4
18.0 [5.3]
2.5
17.7 [5.2]
2.5
25
[-3.9]
Total BTUH [kW]
Power
22.9 [6.7]
2.0
22.7 [6.7]
2.0
22.3 [6.5]
2.1
21.8 [6.4]
2.3
21.6 [6.3]
2.3
21.2 [6.2]
2.4
20.7 [6.1]
2.5
20.5 [6.0]
2.5
20.1 [5.9]
2.6
30
[-1.1]
Total BTUH [kW]
Power
25.5 [7.5]
2.1
25.2 [7.4]
2.1
24.8 [7.3]
2.2
24.3 [7.1]
2.3
24.1 [7.1]
2.3
23.7 [6.9]
2.4
23.2 [6.8]
2.5
23.0 [6.7]
2.6
22.6 [6.6]
2.6
35
[1.7]
Total BTUH [kW]
Power
28.0 [8.2]
2.1
27.7 [8.1]
2.1
27.2 [8.0]
2.2
26.8 [7.9]
2.3
26.6 [7.8]
2.4
26.1 [7.6]
2.5
25.7 [7.5]
2.6
25.4 [7.4]
2.6
25.0 [7.3]
2.7
40
[4.4]
Total BTUH [kW]
Power
30.5 [8.9]
2.1
30.1 [8.8]
2.2
29.6 [8.7]
2.3
29.4 [8.6]
2.4
29.0 [8.5]
2.4
28.6 [8.4]
2.5
28.2 [8.3]
2.6
27.9 [8.2]
2.7
27.5 [8.1]
2.7
45
[7.2]
Total BTUH [kW]
Power
33.0 [9.7]
2.2
32.6 [9.6]
2.2
32.1 [9.4]
2.3
31.9 [9.3]
2.4
31.5 [9.2]
2.5
31.0 [9.1]
2.6
30.7 [9.0]
2.7
30.4 [8.9]
2.7
29.9 [8.8]
2.8
50
[10]
Total BTUH [kW]
Power
35.5 [10.4]
2.2
35.1 [10.3]
2.3
34.5 [10.1]
2.3
34.4 [10.1]
2.5
34.0 [10.0]
2.5
33.4 [9.8]
2.6
33.3 [9.8]
2.7
32.9 [9.6]
2.8
32.4 [9.5]
2.8

Air Gross Systems Performance Data
RQPM Series
35
HEATING PERFORMANCE DATA—RQPM-A042
IDB —Indoor air dry bulb
IDB 60°F [15.5°C] 70°F [21.1°C] 80°F [26.7°C]
CFM [L/s] 1740 [821] 1450 [684] 1160 [547] 1740 [821] 1450 [684] 1160 [547] 1740 [821] 1450 [684] 1160 [547]
O
U
T
D
O
O
R
D
R
Y
B
U
L
B
T
E
M
P
E
R
A
T
U
R
E
°F
[°C]
0
[-17.8]
Total BTUH [kW]
Power
13.3 [3.9]
2.2
13.1 [3.8]
2.2
12.9 [3.8]
2.3
12.0 [3.5]
2.5
11.9 [3.5]
2.5
11.7 [3.4]
2.6
10.8 [3.2]
2.8
10.6 [3.1]
2.9
10.5 [3.1]
3.0
5
[-15]
Total BTUH [kW]
Power
16.1 [4.7]
2.2
15.8 [4.6]
2.3
15.6 [4.6]
2.4
14.8 [4.3]
2.5
14.6 [4.3]
2.6
14.4 [4.2]
2.7
13.5 [4.0]
2.9
13.4 [3.9]
2.9
13.2 [3.9]
3.0
10
[-12.2]
Total BTUH [kW]
Power
18.9 [5.5]
2.3
18.6 [5.5]
2.4
18.3 [5.4]
2.4
17.6 [5.2]
2.6
17.3 [5.1]
2.7
17.1 [5.0]
2.7
16.3 [4.8]
2.9
16.1 [4.7]
3.0
15.9 [4.7]
3.1
15
[-9.4]
Total BTUH [kW]
Power
21.6 [6.3]
2.4
21.3 [6.2]
2.4
21.0 [6.2]
2.5
20.4 [6.0]
2.6
20.1 [5.9]
2.7
19.8 [5.8]
2.8
19.1 [5.6]
3.0
18.8 [5.5]
3.1
18.6 [5.5]
3.1
20
[-6.7]
Total BTUH [kW]
Power
24.4 [7.2]
2.4
24.1 [7.1]
2.5
23.7 [6.9]
2.5
23.2 [6.8]
2.7
22.8 [6.7]
2.8
22.5 [6.6]
2.8
21.9 [6.4]
3.0
21.6 [6.3]
3.1
21.3 [6.2]
3.2
25
[-3.9]
Total BTUH [kW]
Power
27.2 [8.0]
2.5
26.8 [7.9]
2.5
26.5 [7.8]
2.6
26.0 [7.6]
2.8
25.6 [7.5]
2.8
25.2 [7.4]
2.9
24.7 [7.2]
3.1
24.3 [7.1]
3.2
24.0 [7.0]
3.2
30
[-1.1]
Total BTUH [kW]
Power
30.0 [8.8]
2.5
29.6 [8.7]
2.6
29.2 [8.6]
2.6
28.7 [8.4]
2.8
28.3 [8.3]
2.9
27.9 [8.2]
3.0
27.5 [8.1]
3.1
27.1 [7.9]
3.2
26.7 [7.8]
3.3
35
[1.7]
Total BTUH [kW]
Power
32.8 [9.6]
2.6
32.3 [9.5]
2.6
31.9 [9.3]
2.7
31.5 [9.2]
2.9
31.1 [9.1]
2.9
30.6 [9.0]
3.0
30.3 [8.9]
3.2
29.8 [8.7]
3.3
29.4 [8.6]
3.4
40
[4.4]
Total BTUH [kW]
Power
35.6 [10.4]
2.6
35.1 [10.3]
2.7
34.6 [10.1]
2.8
34.3 [10.1]
2.9
33.8 [9.9]
3.0
33.4 [9.8]
3.1
33.1 [9.7]
3.3
32.6 [9.6]
3.3
32.1 [9.4]
3.4
45
[7.2]
Total BTUH [kW]
Power
38.4 [11.3]
2.7
37.8 [11.1]
2.8
37.3 [10.9]
2.8
37.1 [10.9]
3.0
36.6 [10.7]
3.1
36.1 [10.6]
3.1
35.8 [10.5]
3.3
35.3 [10.3]
3.4
34.8 [10.2]
3.5
50
[10]
Total BTUH [kW]
Power
41.2 [12.1]
2.7
40.6 [11.9]
2.8
40.0 [11.7]
2.9
39.9 [11.7]
3.0
39.3 [11.5]
3.1
38.8 [11.4]
3.2
38.6 [11.3]
3.4
38.1 [11.2]
3.4
37.5 [11.0]
3.5
HEATING PERFORMANCE DATA—RQPM-A043
IDB —Indoor air dry bulb
[ ] Designates Metric Conversions
IDB 60°F [15.5°C] 70°F [21.1°C] 80°F [26.7°C]
CFM [L/s] 1740 [821] 1425 [673] 1160 [547] 1740 [821] 1425 [673] 1160 [547] 1740 [821] 1425 [673] 1160 [547]
O
U
T
D
O
O
R
D
R
Y
B
U
L
B
T
E
M
P
E
R
A
T
U
R
E
°F
[°C]
0
[-17.8]
Total BTUH [kW]
Power
12.4 [3.6]
2.3
12.2 [3.6]
2.3
12.1 [3.5]
2.4
11.3 [3.3]
2.5
11.1 [3.3]
2.6
11.0 [3.2]
2.7
10.2 [3.0]
2.9
10.0 [2.9]
3.0
9.9 [2.9]
3.0
5
[-15]
Total BTUH [kW]
Power
15.5 [4.5]
2.3
15.2 [4.5]
2.4
15.0 [4.4]
2.4
14.3 [4.2]
2.6
14.1 [4.1]
2.7
13.9 [4.1]
2.7
13.2 [3.9]
2.9
13.0 [3.8]
3.0
12.8 [3.8]
3.1
10
[-12.2]
Total BTUH [kW]
Power
18.5 [5.4]
2.4
18.2 [5.3]
2.4
18.0 [5.3]
2.5
17.4 [5.1]
2.6
17.1 [5.0]
2.7
16.9 [5.0]
2.8
16.2 [4.7]
3.0
16.0 [4.7]
3.1
15.8 [4.6]
3.1
15
[-9.4]
Total BTUH [kW]
Power
21.5 [6.3]
2.4
21.2 [6.2]
2.5
20.9 [6.1]
2.5
20.4 [6.0]
2.7
20.1 [5.9]
2.8
19.8 [5.8]
2.8
19.3 [5.7]
3.0
19.0 [5.6]
3.1
18.7 [5.5]
3.2
20
[-6.7]
Total BTUH [kW]
Power
24.6 [7.2]
2.5
24.2 [7.1]
2.5
23.9 [7.0]
2.6
23.4 [6.9]
2.7
23.1 [6.8]
2.8
22.8 [6.7]
2.9
22.3 [6.5]
3.1
22.0 [6.4]
3.2
21.7 [6.4]
3.3
25
[-3.9]
Total BTUH [kW]
Power
27.6 [8.1]
2.5
27.2 [8.0]
2.6
26.8 [7.9]
2.6
26.5 [7.8]
2.8
26.1 [7.6]
2.9
25.7 [7.5]
2.9
25.3 [7.4]
3.1
24.9 [7.3]
3.2
24.6 [7.2]
3.3
30
[-1.1]
Total BTUH [kW]
Power
30.6 [9.0]
2.6
30.2 [8.9]
2.6
29.8 [8.7]
2.7
29.5 [8.6]
2.9
29.0 [8.5]
2.9
28.7 [8.4]
3.0
28.4 [8.3]
3.2
27.9 [8.2]
3.3
27.6 [8.1]
3.4
35
[1.7]
Total BTUH [kW]
Power
33.7 [9.9]
2.6
33.1 [9.7]
2.7
32.7 [9.6]
2.8
32.5 [9.5]
2.9
32.0 [9.4]
3.0
31.6 [9.3]
3.1
31.4 [9.2]
3.2
30.9 [9.1]
3.3
30.5 [8.9]
3.4
40
[4.4]
Total BTUH [kW]
Power
36.7 [10.8]
2.7
36.1 [10.6]
2.7
35.6 [10.4]
2.8
35.6 [10.4]
3.0
35.0 [10.3]
3.0
34.5 [10.1]
3.1
34.4 [10.1]
3.3
33.9 [9.9]
3.4
33.4 [9.8]
3.5
45
[7.2]
Total BTUH [kW]
Power
39.7 [11.6]
2.7
39.1 [11.5]
2.8
38.6 [11.3]
2.9
38.6 [11.3]
3.0
38.0 [11.1]
3.1
37.5 [11.0]
3.2
37.5 [11.0]
3.4
36.9 [10.8]
3.4
36.4 [10.7]
3.5
50
[10]
Total BTUH [kW]
Power
42.8 [12.5]
2.8
42.1 [12.3]
2.9
41.5 [12.2]
2.9
41.6 [12.2]
3.1
41.0 [12.0]
3.1
40.4 [11.8]
3.2
40.5 [11.9]
3.4
39.9 [11.7]
3.5
39.3 [11.5]
3.6

Air Gross Systems Performance Data
RQPM Series
36
HEATING PERFORMANCE DATA—RQPM-A048
IDB —Indoor air dry bulb
IDB 60°F [15.5°C] 70°F [21.1°C] 80°F [26.7°C]
CFM [L/s] 1860 [878] 1550 [732] 1240 [585] 1860 [878] 1550 [732] 1240 [585] 1860 [878] 1550 [732] 1240 [585]
O
U
T
D
O
O
R
D
R
Y
B
U
L
B
T
E
M
P
E
R
A
T
U
R
E
°F
[°C]
0
[-17.8]
Total BTUH [kW]
Power
11.9 [3.5]
2.1
11.7 [3.4]
2.2
11.5 [3.4]
2.2
10.5 [3.1]
2.4
10.4 [3.0]
2.5
10.2 [3.0]
2.6
9.1 [2.7]
2.8
9.0 [2.6]
2.9
8.9 [2.6]
2.9
5
[-15]
Total BTUH [kW]
Power
15.2 [4.5]
2.2
15.0 [4.4]
2.2
14.7 [4.3]
2.3
13.8 [4.0]
2.5
13.6 [4.0]
2.6
13.4 [3.9]
2.6
12.5 [3.7]
2.9
12.3 [3.6]
2.9
12.1 [3.5]
3.0
10
[-12.2]
Total BTUH [kW]
Power
18.5 [5.4]
2.2
18.2 [5.3]
2.3
18.0 [5.3]
2.3
17.1 [5.0]
2.6
16.9 [5.0]
2.6
16.6 [4.9]
2.7
15.8 [4.6]
2.9
15.5 [4.5]
3.0
15.3 [4.5]
3.1
15
[-9.4]
Total BTUH [kW]
Power
21.8 [6.4]
2.3
21.5 [6.3]
2.3
21.2 [6.2]
2.4
20.4 [6.0]
2.6
20.1 [5.9]
2.7
19.9 [5.8]
2.7
19.1 [5.6]
3.0
18.8 [5.5]
3.1
18.5 [5.4]
3.1
20
[-6.7]
Total BTUH [kW]
Power
25.1 [7.4]
2.3
24.7 [7.2]
2.4
24.4 [7.2]
2.5
23.7 [6.9]
2.7
23.4 [6.9]
2.7
23.1 [6.8]
2.8
22.4 [6.6]
3.0
22.1 [6.5]
3.1
21.8 [6.4]
3.2
25
[-3.9]
Total BTUH [kW]
Power
28.4 [8.3]
2.4
28.0 [8.2]
2.5
27.6 [8.1]
2.5
27.1 [7.9]
2.7
26.7 [7.8]
2.8
26.3 [7.7]
2.9
25.7 [7.5]
3.1
25.3 [7.4]
3.2
25.0 [7.3]
3.3
30
[-1.1]
Total BTUH [kW]
Power
31.7 [9.3]
2.5
31.3 [9.2]
2.5
30.8 [9.0]
2.6
30.4 [8.9]
2.8
29.9 [8.8]
2.9
29.5 [8.6]
2.9
29.0 [8.5]
3.2
28.6 [8.4]
3.2
28.2 [8.3]
3.3
35
[1.7]
Total BTUH [kW]
Power
35.0 [10.3]
2.5
34.5 [10.1]
2.6
34.0 [10.0]
2.7
33.7 [9.9]
2.9
33.2 [9.7]
2.9
32.7 [9.6]
3.0
32.3 [9.5]
3.2
31.9 [9.3]
3.3
31.4 [9.2]
3.4
40
[4.4]
Total BTUH [kW]
Power
38.3 [11.2]
2.6
37.8 [11.1]
2.7
37.3 [10.9]
2.7
37.0 [10.8]
2.9
36.5 [10.7]
3.0
36.0 [10.6]
3.1
35.6 [10.4]
3.3
35.1 [10.3]
3.4
34.6 [10.1]
3.5
45
[7.2]
Total BTUH [kW]
Power
41.7 [12.2]
2.6
41.1 [12.0]
2.7
40.5 [11.9]
2.8
40.3 [11.8]
3.0
39.7 [11.6]
3.1
39.2 [11.5]
3.1
39.0 [11.4]
3.3
38.4 [11.3]
3.4
37.9 [11.1]
3.5
50
[10]
Total BTUH [kW]
Power
45.0 [13.2]
2.7
44.3 [13.0]
2.8
43.7 [12.8]
2.8
43.6 [12.8]
3.0
43.0 [12.6]
3.1
42.4 [12.4]
3.2
42.3 [12.4]
3.4
41.7 [12.2]
3.5
41.1 [12.0]
3.6
HEATING PERFORMANCE DATA—RQPM-A049
IDB —Indoor air dry bulb
[ ] Designates Metric Conversions
IDB 60°F [15.5°C] 70°F [21.1°C] 80°F [26.7°C]
CFM [L/s] 1860 [878] 1525 [720] 1240 [585] 1860 [878] 1525 [720] 1240 [585] 1860 [878] 1525 [720] 1240 [585]
O
U
T
D
O
O
R
D
R
Y
B
U
L
B
T
E
M
P
E
R
A
T
U
R
E
°F
[°C]
0
[-17.8]
Total BTUH [kW]
Power
10.4 [3.0]
2.1
10.2 [3.0]
2.2
10.1 [3.0]
2.2
9.4 [2.8]
2.5
9.3 [2.7]
2.5
9.2 [2.7]
2.6
8.5 [2.5]
2.8
8.4 [2.5]
2.8
8.3 [2.4]
2.9
5
[-15]
Total BTUH [kW]
Power
13.8 [4.0]
2.2
13.6 [4.0]
2.3
13.4 [3.9]
2.3
12.9 [3.8]
2.5
12.7 [3.7]
2.6
12.5 [3.7]
2.7
11.9 [3.5]
2.8
11.8 [3.5]
2.9
11.6 [3.4]
3.0
10
[-12.2]
Total BTUH [kW]
Power
17.2 [5.0]
2.3
17.0 [5.0]
2.3
16.7 [4.9]
2.4
16.3 [4.8]
2.6
16.0 [4.7]
2.7
15.8 [4.6]
2.7
15.4 [4.5]
2.9
15.1 [4.4]
3.0
14.9 [4.4]
3.0
15
[-9.4]
Total BTUH [kW]
Power
20.6 [6.0]
2.3
20.3 [5.9]
2.4
20.1 [5.9]
2.4
19.7 [5.8]
2.7
19.4 [5.7]
2.7
19.2 [5.6]
2.8
18.8 [5.5]
3.0
18.5 [5.4]
3.0
18.3 [5.4]
3.1
20
[-6.7]
Total BTUH [kW]
Power
24.1 [7.1]
2.4
23.7 [6.9]
2.5
23.4 [6.9]
2.5
23.2 [6.8]
2.7
22.8 [6.7]
2.8
22.5 [6.6]
2.9
22.2 [6.5]
3.0
21.9 [6.4]
3.1
21.6 [6.3]
3.2
25
[-3.9]
Total BTUH [kW]
Power
27.5 [8.1]
2.5
27.1 [7.9]
2.5
26.7 [7.8]
2.6
26.6 [7.8]
2.8
26.2 [7.7]
2.9
25.8 [7.6]
2.9
25.7 [7.5]
3.1
25.3 [7.4]
3.2
24.9 [7.3]
3.2
30
[-1.1]
Total BTUH [kW]
Power
30.9 [9.1]
2.5
30.5 [8.9]
2.6
30.1 [8.8]
2.7
30.0 [8.8]
2.9
29.6 [8.7]
2.9
29.2 [8.6]
3.0
29.1 [8.5]
3.2
28.6 [8.4]
3.2
28.3 [8.3]
3.3
35
[1.7]
Total BTUH [kW]
Power
34.4 [10.1]
2.6
33.8 [9.9]
2.7
33.4 [9.8]
2.7
33.4 [9.8]
2.9
32.9 [9.6]
3.0
32.5 [9.5]
3.1
32.5 [9.5]
3.2
32.0 [9.4]
3.3
31.6 [9.3]
3.4
40
[4.4]
Total BTUH [kW]
Power
37.8 [11.1]
2.6
37.2 [10.9]
2.7
36.7 [10.8]
2.8
36.9 [10.8]
3.0
36.3 [10.6]
3.1
35.8 [10.5]
3.2
36.0 [10.6]
3.3
35.4 [10.4]
3.4
34.9 [10.2]
3.5
45
[7.2]
Total BTUH [kW]
Power
41.2 [12.1]
2.7
40.6 [11.9]
2.8
40.0 [11.7]
2.9
40.3 [11.8]
3.1
39.7 [11.6]
3.1
39.2 [11.5]
3.2
39.4 [11.5]
3.3
38.8 [11.4]
3.4
38.3 [11.2]
3.5
50
[10]
Total BTUH [kW]
Power
44.7 [13.1]
2.8
44.0 [12.9]
2.9
43.4 [12.7]
2.9
43.7 [12.8]
3.1
43.1 [12.6]
3.2
42.5 [12.5]
3.3
42.8 [12.5]
3.4
42.1 [12.3]
3.5
41.6 [12.2]
3.6

Air Gross Systems Performance Data
RQPM Series
37
HEATING PERFORMANCE DATA—RQPM-A060
IDB —Indoor air dry bulb
[ ] Designates Metric Conversions
IDB 60°F [15.5°C] 70°F [21.1°C] 80°F [26.7°C]
CFM [L/s] 2280 1076] 1900 [897] 1520 [717] 2280 1076] 1900 [897] 1520 [717] 2280 1076] 1900 [897] 1520 [717]
O
U
T
D
O
O
R
D
R
Y
B
U
L
B
T
E
M
P
E
R
A
T
U
R
E
°F
[°C]
0
[-17.8]
Total BTUH [kW]
Power
22.6 [6.6]
2.8
22.3 [6.5]
2.9
22.0 [6.4]
3.0
21.4 [6.3]
3.3
21.1 [6.2]
3.4
20.8 [6.1]
3.5
20.1 [5.9]
3.8
19.8 [5.8]
3.9
19.5 [5.7]
4.0
5
[-15]
Total BTUH [kW]
Power
26.6 [7.8]
2.9
26.2 [7.7]
3.0
25.8 [7.6]
3.1
25.3 [7.4]
3.4
25.0 [7.3]
3.5
24.6 [7.2]
3.6
24.1 [7.1]
3.9
23.7 [6.9]
4.0
23.4 [6.9]
4.1
10
[-12.2]
Total BTUH [kW]
Power
30.6 [9.0]
3.0
30.1 [8.8]
3.1
29.7 [8.7]
3.1
29.3 [8.6]
3.5
28.9 [8.5]
3.6
28.5 [8.4]
3.7
28.0 [8.2]
4.0
27.6 [8.1]
4.1
27.2 [8.0]
4.2
15
[-9.4]
Total BTUH [kW]
Power
34.5 [10.1]
3.1
34.0 [10.0]
3.1
33.5 [9.8]
3.2
33.3 [9.8]
3.6
32.8 [9.6]
3.7
32.3 [9.5]
3.7
32.0 [9.4]
4.1
31.5 [9.2]
4.2
31.1 [9.1]
4.3
20
[-6.7]
Total BTUH [kW]
Power
38.5 [11.3]
3.1
37.9 [11.1]
3.2
37.4 [11.0]
3.3
37.2 [10.9]
3.6
36.7 [10.8]
3.7
36.2 [10.6]
3.8
36.0 [10.6]
4.2
35.4 [10.4]
4.3
34.9 [10.2]
4.4
25
[-3.9]
Total BTUH [kW]
Power
42.4 [12.4]
3.2
41.8 [12.3]
3.3
41.2 [12.1]
3.4
41.2 [12.1]
3.7
40.6 [11.9]
3.8
40.0 [11.7]
3.9
39.9 [11.7]
4.3
39.4 [11.5]
4.4
38.8 [11.4]
4.5
30
[-1.1]
Total BTUH [kW]
Power
46.4 [13.6]
3.3
45.8 [13.4]
3.4
45.1 [13.2]
3.5
45.1 [13.2]
3.8
44.5 [13.0]
3.9
43.9 [12.9]
4.0
43.9 [12.9]
4.3
43.3 [12.7]
4.4
42.6 [12.5]
4.6
35
[1.7]
Total BTUH [kW]
Power
50.4 [14.8]
3.4
49.7 [14.6]
3.5
48.9 [14.3]
3.6
49.1 [14.4]
3.9
48.4 [14.2]
4.0
47.7 [14.0]
4.1
47.8 [14.0]
4.4
47.2 [13.8]
4.5
46.5 [13.6]
4.6
40
[4.4]
Total BTUH [kW]
Power
54.3 [15.9]
3.5
53.6 [15.7]
3.6
52.8 [15.5]
3.7
53.1 [15.6]
4.0
52.3 [15.3]
4.1
51.6 [15.1]
4.2
51.8 [15.2]
4.5
51.1 [15.0]
4.6
50.4 [14.8]
4.7
45
[7.2]
Total BTUH [kW]
Power
58.3 [17.1]
3.6
57.5 [16.9]
3.6
56.7 [16.6]
3.7
57.0 [16.7]
4.0
56.2 [16.5]
4.2
55.4 [16.2]
4.3
55.8 [16.4]
4.6
55.0 [16.1]
4.7
54.2 [15.9]
4.8
50
[10]
Total BTUH [kW]
Power
62.3 [18.3]
3.6
61.4 [18.0]
3.7
60.5 [17.7]
3.8
61.0 [17.9]
4.1
60.1 [17.6]
4.2
59.3 [17.4]
4.3
59.7 [17.5]
4.7
58.9 [17.3]
4.8
58.1 [17.0]
4.9

Air Gross Systems Performance Data
RQRM Series
38
HEATING PERFORMANCE DATA—RQRM-A024JK
IDB —Indoor air dry bulb
IDB 60°F [15.5°C] 70°F [21.1°C] 80°F [26.7°C]
CFM [L/s] 1200 [566] 900 [453] 800 [378] 1200 [566] 900 [453] 800 [378] 1200 [566] 900 [453] 800 [378]
O
U
T
D
O
O
R
D
R
Y
B
U
L
B
T
E
M
P
E
R
A
T
U
R
E
°F
[°C]
0
[-17.8]
Total BTUH [kW]
Power
7.2 [2.1]
1.2
7.0 [2.1]
1.3
7.0 [2.1]
1.3
6.2 [1.8]
1.4
6.1 [1.8]
1.4
6.0 [1.8]
1.5
5.2 [1.5]
1.5
5.1 [1.5]
1.6
5.1 [1.5]
1.6
5
[-15]
Total BTUH [kW]
Power
9.1 [2.7]
1.3
8.9 [2.6]
1.3
8.8 [2.6]
1.3
8.1 [2.4]
1.4
7.9 [2.3]
1.5
7.9 [2.3]
1.5
7.1 [2.1]
1.6
6.9 [2.0]
1.6
6.9 [2.0]
1.7
10
[-12.2]
Total BTUH [kW]
Power
11.0 [3.2]
1.3
10.7 [3.1]
1.3
10.7 [3.1]
1.4
10.0 [2.9]
1.4
9.8 [2.9]
1.5
9.7 [2.8]
1.5
9.0 [2.6]
1.6
8.8 [2.6]
1.7
8.7 [2.5]
1.7
15
[-9.4]
Total BTUH [kW]
Power
12.9 [3.8]
1.3
12.6 [3.7]
1.4
12.5 [3.7]
1.4
11.9 [3.5]
1.5
11.6 [3.4]
1.5
11.5 [3.4]
1.5
10.9 [3.2]
1.6
10.7 [3.1]
1.7
10.6 [3.1]
1.7
20
[-6.7]
Total BTUH [kW]
Power
14.8 [4.3]
1.3
14.4 [4.2]
1.4
14.3 [4.2]
1.4
13.8 [4.0]
1.5
13.5 [4.0]
1.5
13.4 [3.9]
1.6
12.8 [3.8]
1.6
12.5 [3.7]
1.7
12.4 [3.6]
1.7
25
[-3.9]
Total BTUH [kW]
Power
16.7 [4.9]
1.4
16.3 [4.8]
1.4
16.2 [4.7]
1.5
15.7 [4.6]
1.5
15.3 [4.5]
1.6
15.2 [4.5]
1.6
14.7 [4.3]
1.7
14.4 [4.2]
1.7
14.2 [4.2]
1.8
30
[-1.1]
Total BTUH [kW]
Power
18.6 [5.5]
1.4
18.2 [5.3]
1.5
18.0 [5.3]
1.5
17.6 [5.2]
1.5
17.2 [5.0]
1.6
17.0 [5.0]
1.6
16.6 [4.9]
1.7
16.2 [4.7]
1.8
16.1 [4.7]
1.8
35
[1.7]
Total BTUH [kW]
Power
20.5 [6.0]
1.4
20.0 [5.9]
1.5
19.9 [5.8]
1.5
19.5 [5.7]
1.6
19.0 [5.6]
1.6
18.9 [5.5]
1.7
18.5 [5.4]
1.7
18.1 [5.3]
1.8
17.9 [5.2]
1.8
40
[4.4]
Total BTUH [kW]
Power
22.4 [6.6]
1.5
21.9 [6.4]
1.5
21.7 [6.4]
1.5
21.4 [6.3]
1.6
20.9 [6.1]
1.7
20.7 [6.1]
1.7
20.4 [6.0]
1.7
19.9 [5.8]
1.8
19.8 [5.8]
1.9
45
[7.2]
Total BTUH [kW]
Power
24.3 [7.1]
1.5
23.7 [6.9]
1.5
23.5 [6.9]
1.6
23.3 [6.8]
1.6
22.7 [6.7]
1.7
22.6 [6.6]
1.7
22.3 [6.5]
1.8
21.8 [6.4]
1.9
21.6 [6.3]
1.9
50
[10]
Total BTUH [kW]
Power
26.2 [7.7]
1.5
25.6 [7.5]
1.6
25.4 [7.4]
1.6
25.2 [7.4]
1.6
24.6 [7.2]
1.7
24.4 [7.2]
1.7
24.2 [7.1]
1.8
23.6 [6.9]
1.9
23.4 [6.9]
1.9
HEATING PERFORMANCE DATA—RQRM-A030JK
IDB —Indoor air dry bulb
[ ] Designates Metric Conversions
IDB 60°F [15.5°C] 70°F [21.1°C] 80°F [26.7°C]
CFM [L/s] 1200 [566] 1000 [472] 800 [378] 1200 [566] 1000 [472] 800 [378] 1200 [566] 1000 [472] 800 [378]
O
U
T
D
O
O
R
D
R
Y
B
U
L
B
T
E
M
P
E
R
A
T
U
R
E
°F
[°C]
0
[-17.8]
Total BTUH [kW]
Power
9.3 [2.7]
1.5
9.2 [2.7]
1.5
9.0 [2.6]
1.6
8.4 [2.5]
1.6
8.3 [2.4]
1.7
8.2 [2.4]
1.7
7.5 [2.2]
1.9
7.4 [2.2]
1.9
7.3 [2.1]
2.0
5
[-15]
Total BTUH [kW]
Power
11.5 [3.4]
1.5
11.3 [3.3]
1.6
11.1 [3.3]
1.6
10.6 [3.1]
1.7
10.4 [3.0]
1.7
10.3 [3.0]
1.8
9.7 [2.8]
1.9
9.5 [2.8]
2.0
9.4 [2.8]
2.0
15
[-9.4]
Total BTUH [kW]
Power
15.8 [4.6]
1.6
15.6 [4.6]
1.6
15.4 [4.5]
1.7
14.9 [4.4]
1.7
14.7 [4.3]
1.8
14.5 [4.2]
1.8
14.0 [4.1]
2.0
13.8 [4.0]
2.0
13.6 [4.0]
2.1
10
[-12.2]
Total BTUH [kW]
Power
13.6 [4.0]
1.6
13.4 [3.9]
1.6
13.2 [3.9]
1.6
12.7 [3.7]
1.7
12.6 [3.7]
1.7
12.4 [3.6]
1.8
11.8 [3.5]
1.9
11.7 [3.4]
2.0
11.5 [3.4]
2.0
25
[-3.9]
Total BTUH [kW]
Power
20.1 [5.9]
1.7
19.9 [5.8]
1.7
19.6 [5.7]
1.7
19.2 [5.6]
1.8
19.0 [5.6]
1.8
18.7 [5.5]
1.9
18.3 [5.4]
2.0
18.1 [5.3]
2.1
17.8 [5.2]
2.2
35
[1.7]
Total BTUH [kW]
Power
24.5 [7.2]
1.7
24.1 [7.1]
1.8
23.8 [7.0]
1.8
23.6 [6.9]
1.9
23.3 [6.8]
1.9
22.9 [6.7]
2.0
22.7 [6.7]
2.1
22.4 [6.6]
2.2
22.0 [6.4]
2.2
20
[-6.7]
Total BTUH [kW]
Power
18.0 [5.3]
1.6
17.7 [5.2]
1.7
17.5 [5.1]
1.7
17.1 [5.0]
1.8
16.8 [4.9]
1.8
16.6 [4.9]
1.9
16.2 [4.7]
2.0
15.9 [4.7]
2.1
15.7 [4.6]
2.1
30
[-1.1]
Total BTUH [kW]
Power
22.3 [6.5]
1.7
22.0 [6.4]
1.7
21.7 [6.4]
1.8
21.4 [6.3]
1.8
21.1 [6.2]
1.9
20.8 [6.1]
1.9
20.5 [6.0]
2.1
20.2 [5.9]
2.1
19.9 [5.8]
2.2
40
[4.4]
Total BTUH [kW]
Power
26.6 [7.8]
1.8
26.3 [7.7]
1.8
25.9 [7.6]
1.8
25.8 [7.6]
1.9
25.4 [7.4]
1.9
25.0 [7.3]
2.0
24.9 [7.3]
2.1
24.5 [7.2]
2.2
24.2 [7.1]
2.3
50
[10]
Total BTUH [kW]
Power
31.0 [9.1]
1.8
30.6 [9.0]
1.9
30.1 [8.8]
1.9
30.1 [8.8]
2.0
29.7 [8.7]
2.0
29.2 [8.6]
2.1
29.2 [8.6]
2.2
28.8 [8.4]
2.3
28.4 [8.3]
2.3
45
[7.2]
Total BTUH [kW]
Power
28.8 [8.4]
1.8
28.4 [8.3]
1.8
28.0 [8.2]
1.9
27.9 [8.2]
1.9
27.5 [8.1]
2.0
27.1 [7.9]
2.0
27.0 [7.9]
2.2
26.6 [7.8]
2.2
26.3 [7.7]
2.3

Air Gross Systems Performance Data
RQRM Series
39
HEATING PERFORMANCE DATA—RQRM-A036JK
IDB —Indoor air dry bulb
IDB 60°F [15.5°C] 70°F [21.1°C] 80°F [26.7°C]
CFM [L/s] 1440 [680] 1200 [566] 960 [453] 1440 [680] 1200 [566] 960 [453] 1440 [680] 1200 [566] 960 [453]
O
U
T
D
O
O
R
D
R
Y
B
U
L
B
T
E
M
P
E
R
A
T
U
R
E
°F
[°C]
0
[-17.8]
Total BTUH [kW]
Power
11.0 [3.2]
1.7
10.9 [3.2]
1.8
10.7 [3.1]
1.8
10.0 [2.9]
1.9
9.8 [2.9]
2.0
9.7 [2.8]
2.0
9.0 [2.6]
2.3
8.8 [2.6]
2.4
8.7 [2.5]
2.5
5
[-15]
Total BTUH [kW]
Power
13.5 [4.0]
1.8
13.3 [3.9]
1.8
13.1 [3.8]
1.9
12.4 [3.6]
2.0
12.3 [3.6]
2.0
12.1 [3.5]
2.1
11.4 [3.3]
2.4
11.2 [3.3]
2.4
11.1 [3.3]
2.5
15
[-9.4]
Total BTUH [kW]
Power
18.4 [5.4]
1.9
18.1 [5.3]
1.9
17.9 [5.2]
2.0
17.4 [5.1]
2.1
17.1 [5.0]
2.1
16.9 [5.0]
2.2
16.3 [4.8]
2.5
16.1 [4.7]
2.5
15.9 [4.7]
2.6
10
[-12.2]
Total BTUH [kW]
Power
15.9 [4.7]
1.8
15.7 [4.6]
1.9
15.5 [4.5]
1.9
14.9 [4.4]
2.0
14.7 [4.3]
2.1
14.5 [4.2]
2.2
13.9 [4.1]
2.4
13.7 [4.0]
2.5
13.5 [4.0]
2.6
25
[-3.9]
Total BTUH [kW]
Power
23.3 [6.8]
2.0
23.0 [6.7]
2.0
22.7 [6.7]
2.1
22.3 [6.5]
2.2
22.0 [6.4]
2.2
21.7 [6.4]
2.3
21.2 [6.2]
2.6
20.9 [6.1]
2.6
20.6 [6.0]
2.7
35
[1.7]
Total BTUH [kW]
Power
28.2 [8.3]
2.1
27.8 [8.1]
2.1
27.4 [8.0]
2.2
27.2 [8.0]
2.3
26.8 [7.9]
2.3
26.4 [7.7]
2.4
26.2 [7.7]
2.7
25.8 [7.6]
2.7
25.4 [7.4]
2.8
20
[-6.7]
Total BTUH [kW]
Power
20.9 [6.1]
1.9
20.6 [6.0]
2.0
20.3 [5.9]
2.0
19.8 [5.8]
2.1
19.5 [5.7]
2.2
19.3 [5.7]
2.3
18.8 [5.5]
2.5
18.5 [5.4]
2.6
18.3 [5.4]
2.7
30
[-1.1]
Total BTUH [kW]
Power
25.8 [7.6]
2.0
25.4 [7.4]
2.1
25.1 [7.4]
2.1
24.7 [7.2]
2.2
24.4 [7.2]
2.3
24.0 [7.0]
2.4
23.7 [6.9]
2.6
23.4 [6.9]
2.7
23.0 [6.7]
2.8
40
[4.4]
Total BTUH [kW]
Power
30.7 [9.0]
2.1
30.3 [8.9]
2.2
29.8 [8.7]
2.2
29.7 [8.7]
2.3
29.2 [8.6]
2.4
28.8 [8.4]
2.5
28.6 [8.4]
2.7
28.2 [8.3]
2.8
27.8 [8.1]
2.9
50
[10]
Total BTUH [kW]
Power
35.6 [10.4]
2.2
35.1 [10.3]
2.3
34.6 [10.1]
2.3
34.6 [10.1]
2.4
34.1 [10.0]
2.5
33.6 [9.8]
2.6
33.5 [9.8]
2.8
33.1 [9.7]
2.9
32.6 [9.6]
3.0
45
[7.2]
Total BTUH [kW]
Power
33.2 [9.7]
2.2
32.7 [9.6]
2.2
32.2 [9.4]
2.3
32.1 [9.4]
2.4
31.7 [9.3]
2.4
31.2 [9.1]
2.5
31.1 [9.1]
2.8
30.6 [9.0]
2.8
30.2 [8.9]
2.9
HEATING PERFORMANCE DATA—RQRM-A042JK
IDB —Indoor air dry bulb
[ ] Designates Metric Conversions
IDB 60°F [15.5°C] 70°F [21.1°C] 80°F [26.7°C]
CFM [L/s] 1860 [878] 1425 [673] 1240 [585] 1860 [878] 1425 [673] 1240 [585] 1860 [878] 1425 [673] 1240 [585]
O
U
T
D
O
O
R
D
R
Y
B
U
L
B
T
E
M
P
E
R
A
T
U
R
E
°F
[°C]
0
[-17.8]
Total BTUH [kW]
Power
12.9 [3.8]
2.0
12.6 [3.7]
2.0
12.5 [3.7]
2.1
11.7 [3.4]
2.2
11.5 [3.4]
2.3
11.4 [3.3]
2.3
10.6 [3.1]
2.5
10.3 [3.0]
2.6
10.3 [3.0]
2.6
5
[-15]
Total BTUH [kW]
Power
15.8 [4.6]
2.0
15.5 [4.5]
2.1
15.3 [4.5]
2.1
14.7 [4.3]
2.2
14.4 [4.2]
2.3
14.2 [4.2]
2.4
13.5 [4.0]
2.5
13.2 [3.9]
2.6
13.1 [3.8]
2.7
10
[-12.2]
Total BTUH [kW]
Power
18.8 [5.5]
2.0
18.4 [5.4]
2.1
18.2 [5.3]
2.2
17.6 [5.2]
2.3
17.3 [5.1]
2.4
17.1 [5.0]
2.4
16.5 [4.8]
2.6
16.1 [4.7]
2.7
16.0 [4.7]
2.7
15
[-9.4]
Total BTUH [kW]
Power
21.7 [6.4]
2.1
21.3 [6.2]
2.2
21.1 [6.2]
2.2
20.6 [6.0]
2.3
20.2 [5.9]
2.4
20.0 [5.9]
2.4
19.5 [5.7]
2.6
19.0 [5.6]
2.7
18.9 [5.5]
2.7
20
[-6.7]
Total BTUH [kW]
Power
24.7 [7.2]
2.1
24.2 [7.1]
2.2
23.9 [7.0]
2.2
23.6 [6.9]
2.3
23.1 [6.8]
2.4
22.8 [6.7]
2.5
22.4 [6.6]
2.6
21.9 [6.4]
2.7
21.7 [6.4]
2.8
25
[-3.9]
Total BTUH [kW]
Power
27.7 [8.1]
2.2
27.1 [7.9]
2.2
26.8 [7.9]
2.3
26.5 [7.8]
2.4
26.0 [7.6]
2.5
25.7 [7.5]
2.5
25.4 [7.4]
2.7
24.8 [7.3]
2.8
24.6 [7.2]
2.8
30
[-1.1]
Total BTUH [kW]
Power
30.6 [9.0]
2.2
30.0 [8.8]
2.3
29.7 [8.7]
2.3
29.5 [8.6]
2.4
28.9 [8.5]
2.5
28.6 [8.4]
2.6
28.3 [8.3]
2.7
27.7 [8.1]
2.8
27.5 [8.1]
2.9
35
[1.7]
Total BTUH [kW]
Power
33.6 [9.8]
2.2
32.9 [9.6]
2.3
32.6 [9.6]
2.4
32.4 [9.5]
2.5
31.8 [9.3]
2.6
31.5 [9.2]
2.6
31.3 [9.2]
2.7
30.6 [9.0]
2.9
30.3 [8.9]
2.9
40
[4.4]
Total BTUH [kW]
Power
36.5 [10.7]
2.3
35.8 [10.5]
2.4
35.4 [10.4]
2.4
35.4 [10.4]
2.5
34.6 [10.1]
2.6
34.3 [10.1]
2.6
34.3 [10.1]
2.8
33.5 [9.8]
2.9
33.2 [9.7]
2.9
45
[7.2]
Total BTUH [kW]
Power
39.5 [11.6]
2.3
38.7 [11.3]
2.4
38.3 [11.2]
2.4
38.4 [11.3]
2.5
37.5 [11.0]
2.6
37.2 [10.9]
2.7
37.2 [10.9]
2.8
36.4 [10.7]
2.9
36.1 [10.6]
3.0
50
[10]
Total BTUH [kW]
Power
42.5 [12.5]
2.4
41.6 [12.2]
2.4
41.2 [12.1]
2.5
41.3 [12.1]
2.6
40.4 [11.8]
2.7
40.1 [11.8]
2.7
40.2 [11.8]
2.9
39.3 [11.5]
3.0
39.0 [11.4]
3.0

Air Gross Systems Performance Data
RQRM Series
40
HEATING PERFORMANCE DATA—RQRM-A048JK
IDB —Indoor air dry bulb
IDB 60°F [15.5°C] 70°F [21.1°C] 80°F [26.7°C]
CFM [L/s] 1860 [878] 1525 [720] 1240 [585] 1860 [878] 1525 [720] 1240 [585] 1860 [878] 1525 [720] 1240 [585]
O
U
T
D
O
O
R
D
R
Y
B
U
L
B
T
E
M
P
E
R
A
T
U
R
E
°F
[°C]
0
[-17.8]
Total BTUH [kW]
Power
12.7 [3.7]
2.0
12.5 [3.7]
2.0
12.3 [3.6]
2.1
11.5 [3.4]
2.2
11.3 [3.3]
2.3
11.2 [3.3]
2.3
10.3 [3.0]
2.6
10.2 [3.0]
2.7
10.0 [2.9]
2.7
5
[-15]
Total BTUH [kW]
Power
16.1 [4.7]
2.0
15.8 [4.6]
2.1
15.6 [4.6]
2.1
14.9 [4.4]
2.3
14.6 [4.3]
2.3
14.4 [4.2]
2.4
13.7 [4.0]
2.6
13.5 [4.0]
2.7
13.3 [3.9]
2.8
15
[-9.4]
Total BTUH [kW]
Power
22.8 [6.7]
2.2
22.4 [6.6]
2.2
22.1 [6.5]
2.3
21.6 [6.3]
2.4
21.3 [6.2]
2.5
21.0 [6.2]
2.5
20.4 [6.0]
2.8
20.1 [5.9]
2.8
19.8 [5.8]
2.9
10
[-12.2]
Total BTUH [kW]
Power
19.4 [5.7]
2.1
19.1 [5.6]
2.1
18.9 [5.5]
2.2
18.2 [5.3]
2.3
18.0 [5.3]
2.4
17.7 [5.2]
2.5
17.1 [5.0]
2.7
16.8 [4.9]
2.8
16.6 [4.9]
2.8
25
[-3.9]
Total BTUH [kW]
Power
29.5 [8.6]
2.3
29.1 [8.5]
2.3
28.7 [8.4]
2.4
28.3 [8.3]
2.5
27.9 [8.2]
2.6
27.5 [8.1]
2.7
27.1 [7.9]
2.9
26.7 [7.8]
3.0
26.4 [7.7]
3.0
35
[1.7]
Total BTUH [kW]
Power
36.2 [10.6]
2.4
35.7 [10.5]
2.5
35.2 [10.3]
2.5
35.1 [10.3]
2.7
34.5 [10.1]
2.7
34.1 [10.0]
2.8
33.9 [9.9]
3.0
33.4 [9.8]
3.1
32.9 [9.6]
3.2
20
[-6.7]
Total BTUH [kW]
Power
26.1 [7.6]
2.2
25.7 [7.5]
2.3
25.4 [7.4]
2.3
25.0 [7.3]
2.5
24.6 [7.2]
2.5
24.3 [7.1]
2.6
23.8 [7.0]
2.8
23.4 [6.9]
2.9
23.1 [6.8]
3.0
30
[-1.1]
Total BTUH [kW]
Power
32.9 [9.6]
2.3
32.4 [9.5]
2.4
31.9 [9.3]
2.5
31.7 [9.3]
2.6
31.2 [9.1]
2.7
30.8 [9.0]
2.7
30.5 [8.9]
3.0
30.0 [8.8]
3.0
29.6 [8.7]
3.1
40
[4.4]
Total BTUH [kW]
Power
39.6 [11.6]
2.5
39.0 [11.4]
2.5
38.5 [11.3]
2.6
38.4 [11.3]
2.7
37.8 [11.1]
2.8
37.3 [10.9]
2.9
37.2 [10.9]
3.1
36.7 [10.8]
3.2
36.2 [10.6]
3.2
50
[10]
Total BTUH [kW]
Power
46.3 [13.6]
2.6
45.6 [13.4]
2.7
45.0 [13.2]
2.7
45.2 [13.2]
2.8
44.5 [13.0]
2.9
43.9 [12.9]
3.0
44.0 [12.9]
3.2
43.3 [12.7]
3.3
42.7 [12.5]
3.4
45
[7.2]
Total BTUH [kW]
Power
43.0 [12.6]
2.5
42.3 [12.4]
2.6
41.7 [12.2]
2.7
41.8 [12.3]
2.8
41.1 [12.0]
2.9
40.6 [11.9]
2.9
40.6 [11.9]
3.1
40.0 [11.7]
3.2
39.4 [11.5]
3.3
HEATING PERFORMANCE DATA—RQRM-A060JK
IDB —Indoor air dry bulb
[ ] Designates Metric Conversions
IDB 60°F [15.5°C] 70°F [21.1°C] 80°F [26.7°C]
CFM [L/s] 1860 [878] 1900 [897] 1240 [585] 1860 [878] 1900 [897] 1240 [585] 1860 [878] 1900 [897] 1240 [585]
O
U
T
D
O
O
R
D
R
Y
B
U
L
B
T
E
M
P
E
R
A
T
U
R
E
°F
[°C]
0
[-17.8]
Total BTUH [kW]
Power
18.6 [5.5]
2.6
18.6 [5.5]
2.6
18.2 [5.3]
2.7
17.5 [5.1]
3.0
17.5 [5.1]
3.0
17.1 [5.0]
3.1
16.3 [4.8]
3.4
16.3 [4.8]
3.4
15.9 [4.7]
3.5
5
[-15]
Total BTUH [kW]
Power
22.4 [6.6]
2.7
22.5 [6.6]
2.7
21.9 [6.4]
2.8
21.3 [6.2]
3.1
21.3 [6.2]
3.1
20.8 [6.1]
3.2
20.1 [5.9]
3.5
20.2 [5.9]
3.5
19.7 [5.8]
3.6
10
[-12.2]
Total BTUH [kW]
Power
26.3 [7.7]
2.8
26.3 [7.7]
2.8
25.7 [7.5]
2.9
25.1 [7.4]
3.2
25.2 [7.4]
3.2
24.5 [7.2]
3.3
24.0 [7.0]
3.6
24.0 [7.0]
3.6
23.4 [6.9]
3.7
15
[-9.4]
Total BTUH [kW]
Power
30.1 [8.8]
2.9
30.1 [8.8]
2.9
29.4 [8.6]
3.0
29.0 [8.5]
3.3
29.0 [8.5]
3.3
28.3 [8.3]
3.4
27.8 [8.1]
3.7
27.8 [8.1]
3.6
27.1 [7.9]
3.8
20
[-6.7]
Total BTUH [kW]
Power
33.9 [9.9]
3.0
34.0 [10.0]
3.0
33.1 [9.7]
3.1
32.8 [9.6]
3.4
32.8 [9.6]
3.4
32.0 [9.4]
3.5
31.6 [9.3]
3.7
31.7 [9.3]
3.7
30.9 [9.1]
3.9
25
[-3.9]
Total BTUH [kW]
Power
37.8 [11.1]
3.1
37.8 [11.1]
3.1
36.9 [10.8]
3.2
36.6 [10.7]
3.4
36.7 [10.8]
3.4
35.8 [10.5]
3.6
35.5 [10.4]
3.8
35.5 [10.4]
3.8
34.6 [10.1]
4.0
30
[-1.1]
Total BTUH [kW]
Power
41.6 [12.2]
3.2
41.7 [12.2]
3.2
40.6 [11.9]
3.3
40.4 [11.8]
3.5
40.5 [11.9]
3.5
39.5 [11.6]
3.7
39.3 [11.5]
3.9
39.3 [11.5]
3.9
38.4 [11.3]
4.1
35
[1.7]
Total BTUH [kW]
Power
45.4 [13.3]
3.3
45.5 [13.3]
3.2
44.4 [13.0]
3.4
44.3 [13.0]
3.6
44.3 [13.0]
3.6
43.2 [12.7]
3.8
43.1 [12.6]
4.0
43.2 [12.7]
4.0
42.1 [12.3]
4.2
40
[4.4]
Total BTUH [kW]
Power
49.2 [14.4]
3.3
49.3 [14.4]
3.3
48.1 [14.1]
3.5
48.1 [14.1]
3.7
48.2 [14.1]
3.7
47.0 [13.8]
3.9
46.9 [13.7]
4.1
47.0 [13.8]
4.1
45.8 [13.4]
4.3
45
[7.2]
Total BTUH [kW]
Power
53.1 [15.6]
3.4
53.2 [15.6]
3.4
51.8 [15.2]
3.6
51.9 [15.2]
3.8
52.0 [15.2]
3.8
50.7 [14.9]
4.0
50.8 [14.9]
4.2
50.8 [14.9]
4.2
49.6 [14.5]
4.4
50
[10]
Total BTUH [kW]
Power
56.9 [16.7]
3.5
57.0 [16.7]
3.5
55.6 [16.3]
3.7
55.8 [16.4]
3.9
55.8 [16.4]
3.9
54.5 [16.0]
4.1
54.6 [16.0]
4.3
54.7 [16.0]
4.3
53.3 [15.6]
4.5

Air Indoor Airflow Performance
RQNM Series
41
Nominal
Cooling
Capacity
Tons [kW]
Motor
Speed
from
Factory
Manufacturer
Recommended Air-Flow
Range CFM
Blower Size/
Motor
HP [W]
# of Speed
Voltage Motor
Speed
CFM Air Delivery/RPM/Watts
External Static Pressure—Inches W.C. [kPa]
Min. Max. 0.1 [.02] 0.2 [.05] 0.3 [.07] 0.4 [.10] 0.5 [.12] 0.6 [.15] 0.7 [.17] 0.8 [.20] 0.9 [.22] 1.0 [.25]
2.0
[7.03] Low (PSC) 700 900
10x9
1/4 hp [186]
2 Speed
208
Low
CFM 723 [341] 692 [327] 654 [309] 609 [287] 556 [262] 496 [234] 428 [202] — — —
RPM 443 528 651 710 819 863 914 ———
Watts 230 222 219 214 202 196 184 — — —
High
CFM 1062 [501] 1062 [501] 1058 [499] 1043 [492] 1013 [478] 962 [454] 884 [417] 774 [365] 627 [296] 437 [206]
RPM 528 618 674 735 812 895 936 985 1055 1080
Watts 396 393 384 376 361 335 318 297 244 223
230
Low
CFM 827 [390] 811 [383] 782 [369] 740 [349] 684 [323] 614 [290] 531 [251] 435 [205] ——
RPM 450 533 626 742 799 894 932 985 — —
Watts 278 273 269 254 244 227 216 198 — —
High
CFM 1230 [580] 1223 [577] 1216 [574] 1211 [572] 1187 [560] 1125 [531] 1020 [481] 874 [412] 696 [328] 504 [238]
RPM 575 643 703 767 819 877 976 1001 1072 1092
Watts 479 468 455 448 431 416 357 341 279 259
2.5
[8.79} Low (PSC) 875 1125
10x9
1/3 hp [249]
2 Speed
208
Low
CFM 923 [436] 904 [427] 874 [412] 832 [393] 774 [365] 698 [329] 602 [284] 483 [228] — —
RPM 498 543 648 728 806 853 947 989 — —
Watts 280 278 268 259 252 243 219 201 — —
High
CFM 1164 [549] 1154 [545] 1143 [539] 1124 [530] 1090 [514] 1034 [488] 948 [447] 826 [390] 660 [311] 445 [210]
RPM 526 596 670 744 803 864 945 971 1051 1078
Watts 401 398 388 379 371 350 322 310 259 235
230
Low
CFM 1032 [487] 1030 [486] 1014 [479] 979 [462] 923 [436] 843 [398] 735 [347] 596 [281] 423 [200] —
RPM 533 570 659 746 795 863 934 1019 1050 —
Watts 336 331 326 314 303 280 271 227 210 —
High
CFM 1312 [619] 1301 [614] 1292 [610] 1276 [602] 1246 [588] 1196 [564] 1117 [527] 1003 [473] 845 [399] —
RPM 592 646 712 768 824 883 933 1012 1035 —
Watts 482 473 466 454 433 421 401 349 329 —
3.0
[10.55] Low (PSC) 1050 1350
10x9
1/2 hp [373]
2 Speed
208
Low
CFM 1145 [540] 1142 [539] 1118 [528] 1073 [506] 1006 [475] 918 [433] — — — —
RPM 556 645 703 769 828 909 — — — —
Watts 346 340 335 326 321 298 — — — —
High
CFM 1884 [889] 1850 [873] 1815 [857] 1772 [836] 1712 [808] 1630 [769] 1516 [715] 1363 [643] 1164 [549] 910 [429]
RPM 791 834 871 912 946 975 1004 1032 1083 1097
Watts 704 694 675 655 638 606 581 548 464 440
230
Low
CFM 1261 [595] 1253 [591] 1225 [578] 1177 [555] 1110 [524] 1023 [483] 915 [432] 788 [372] 641 [303] —
RPM 648 705 754 802 854 896 985 1008 1041 —
Watts 398 395 387 391 370 361 323 310 300 —
High
CFM 2068 [976] 2008 [948] 1957 [924] 1905 [899] 1841 [869] 1753 [827] 1629 [769] 1458 [688] 1228 [580] 929 [438]
RPM 850 883 917 946 972 999 1028 1049 1091 1108
Watts 826 806 784 762 734 702 658 626 546 512
INDOOR AIRFLOW PERFORMANCE—208/230 VOLTS
[ ] Designates Metric Conversions

Air Indoor Airflow Performance
RQNM Series
42
Nominal
Cooling
Capacity
Tons [kW]
Motor
Speed
from
Factory
Manufacturer
Recommended Air-Flow
Range CFM
Blower Size/
Motor
HP [W]
# of Speed
Voltage Motor
Speed
CFM Air Delivery/RPM/Watts
External Static Pressure—Inches W.C. [kPa]
Min. Max. 0.1 [.02] 0.2 [.05] 0.3 [.07] 0.4 [.10] 0.5 [.12] 0.6 [.15] 0.7 [.17] 0.8 [.20] 0.9 [.22] 1.0 [.25]
3.5
[12.31]
Low
(PSC) 1225 1575
11x9
1/2 hp [373]
2 Speed
208
Low
CFM 1279 [604] 1237 [584] 1196 [564] 1151 [543] 1098 [518] 1032 [487] 950 [448] 846 [399] 717 [338] 558 [263]
RPM 490 539 598 653 709 772 811 887 928 978
Watts 401 400 393 391 381 373 364 343 329 305
High
CFM 1751 [826] 1729 [816] 1698 [801] 1658 [782] 1608 [759] 1549 [731] 1481 [699] 1404 [663] 1317 [622] 1221 [576]
RPM 640 668 706 734 781 813 851 888 937 968
Watts 660 658 651 644 628 617 603 581 557 524
230
Low
CFM 1431 [675] 1394 [658] 1348 [636] 1302 [614] 1258 [594] 1208 [570] 1140 [538] 1030 [486] 849 [401] 557 [263]
RPM 540 579 633 686 724 776 831 868 1035 1076
Watts 482 479 477 470 459 453 437 423 335 292
High
CFM 1960 [925] 1936 [914] 1903 [898] 1859 [877] 1806 [852] 1742 [822] 1669 [788] 1585 [748] 1491 [704] 1387 [655]
RPM 703 727 750 780 809 846 877 910 940 975
Watts 783 782 776 759 750 729 712 686 656 625
4.0
[14.07]
Low
(PSC) 1400 1800
11x9
3/4 hp [559]
2 Speed
208
Low
CFM 1400 [661] 1393 [657] 1373 [648] 1337 [631] 1288 [608] 1225 [578] 1147 [541] 1055 [498] 949 [448] 828 [391]
RPM 536 578 623 677 718 782 830 863 902 976
Watts 471 466 458 455 453 442 429 420 403 374
High
CFM 1786 [843] 1764 [833] 1734 [818] 1695 [800] 1649 [778] 1595 [753] 1532 [723] 1462 [690] 1384 [653] 1297 [612]
RPM 618 643 684 726 757 805 841 883 924 955
Watts 665 660 651 646 638 626 612 596 573 555
230
Low
CFM 1674 [790] 1638 [773] 1595 [753] 1547 [730] 1492 [704] 1432 [676] 1365 [644] 1293 [610] 1214 [573] 1129 [533]
RPM 576 618 668 708 753 789 832 874 915 954
Watts 575 563 556 549 544 532 522 503 483 465
High
CFM 1996 [942] 1976 [933] 1947 [919] 1909 [901] 1863 [879] 1808 [853] 1744 [823] 1671 [789] 1590 [750] 1500 [708]
RPM 680 722 752 781 807 833 867 912 936 973
Watts 799 787 784 760 753 749 730 699 693 652
5.0
[17.6]
Low
(PSC) 1750 2250
11x9
3/4 hp [559]
2 Speed
208
Low
CFM 1848 [872] 1821 [859] 1785 [842] 1742 [822] 1690 [798] 1630 [769] 1562 [737] 1486 [701] 1402 [662] 1309 [618]
RPM 660 685 722 755 795 836 867 904 940 975
Watts 731 725 720 707 698 680 665 651 623 596
High
CFM 2444 [1153] 2420 [1142] 2384 [1125] 2337 [1103] 2278 [1075] 2208 [1042] 2127 [1004] 2034 [960] 1930 [911] 1814 [856]
RPM 829 838 863 885 914 936 958 983 1003 1029
Watts 1225 1218 1197 1191 1160 1135 1105 1068 1035 980
230
Low
CFM 2044 [965] 2017 [952] 1983 [936] 1941 [916] 1892 [893] 1836 [866] 1773 [837] 1702 [803] 1623 [766] 1537 [725]
RPM 689 723 756 798 822 855 889 924 951 988
Watts 886 870 865 849 831 817 799 782 755 726
High
CFM 2693 [1271] 2654 [1253] 2606 [1230] 2549 [1203] 2483 [1172] 2408 [1136] 2323 [1096] 2230 [1052] 2127 [1004] 2015 [951]
RPM 876 897 915 938 956 975 996 1009 1025 1044
Watts 1438 1427 1399 1368 1340 1312 1274 1228 1192 1146
[ ] Designates Metric Conversions
INDOOR AIRFLOW PERFORMANCE—208/230 VOLTS

Air Indoor Airflow Performance
RQPM Series
43
Nominal
Cooling
Capacity
Tons [kW]
Motor
Speed
from
Factory
Manufacturer
Recommended Air-Flow
Range CFM
Blower Size/
Motor
HP [W]
# of Speed
Voltage Motor
Speed
CFM Air Delivery/RPM/Watts
External Static Pressure—Inches W.C. [kPa]
Min. Max. 0.1 [.02] 0.2 [.05] 0.3 [.07] 0.4 [.10] 0.5 [.12] 0.6 [.15] 0.7 [.17] 0.8 [.20] 0.9 [.22] 1.0 [.25]
2.0
[7.03]
Low
(Tap 2)
X13
(ECM
Motor)
700 900
10x9
1/2 hp [373]
2 Speed
208
Low
(Tap 2)
CFM 959 [453] 892 [421] 825 [389] 758 [358] 691 [326] 624 [294] 557 [263] 491 [232] — —
RPM 582 606 655 723 808 851 906 996 — —
Watts 132 110 96 106 119 123 132 144 — —
High
(Tap 1)
CFM 1229 [580] 1170 [552] 1112 [525] 1054 [497] 996 [470] 938 [443] 879 [415] 821 [387] 763 [360] 705 [333]
RPM 607 634 698 761 815 880 946 989 1038 1091
Watts 161 145 159 173 182 196 210 220 231 237
230
Low
(Tap 2)
CFM 939 [443] 877 [414] 816 [385] 754 [356] 693 [327] 631 [298] 570 [269] 508 [240] 447 [211] —
RPM 585 601 655 744 809 860 915 1001 1043 —
Watts 131 116 97 110 121 126 136 149 152 —
High
(Tap 1)
CFM 1240 [585] 1184 [559] 1127 [532] 1071 [505] 1014 [479] 958 [452] 901 [425] 845 [399] 788 [372] 732 [345]
RPM 607 634 698 761 815 880 946 989 1038 1091
Watts 161 145 159 173 182 196 210 220 231 237
2.5
[8.79}
Low
(Tap 2)
X13
(ECM
Motor)
875 1125
10x9
1/2 hp [373]
2 Speed
208
Low
(Tap 2)
CFM 1162 [548] 1099 [519] 1035 [488] 972 [459] 908 [429] 844 [398] 781 [369] 717 [338] 654 [309] 590 [278]
RPM 603 626 690 752 815 906 941 984 1027 1096
Watts 143 124 136 148 157 175 180 188 192 202
High
(Tap 1)
CFM 1306 [616] 1253 [591] 1200 [566] 1147 [541] 1095 [517] 1042 [492] 989 [467] 937 [442] 884 [417] 831 [392]
RPM 632 679 733 787 841 883 941 1035 1067 1099
Watts 174 187 201 215 227 235 248 266 273 277
230
Low
(Tap 2)
CFM 1169 [552] 1109 [523] 1049 [495] 988 [466] 928 [438] 868 [410] 807 [381] 747 [353] 687 [324] 626 [295]
RPM 603 619 693 756 809 893 942 989 1034 1076
Watts 144 130 138 151 159 174 185 195 199 209
High
(Tap 1)
CFM 1365 [644] 1316 [621] 1266 [597] 1217 [574] 1168 [551] 1119 [528] 1069 [505] 1020 [481] 971 [458] 922 [435]
RPM 631 677 732 784 843 894 942 1035 1077 1118
Watts 177 190 204 218 234 247 256 279 289 294
3.0
[10.55]
Low
(Tap 2)
X13
(ECM
Motor)
1050 1350
10x9
1/2 hp [373]
2 Speed
208
Low
(Tap 2)
CFM 1328 [627] 1276 [602] 1223 [577] 1171 [553] 1118 [528] 1066 [503] 1013 [478] 961 [454] — —
RPM 642 693 747 803 852 903 988 1031 — —
Watts 173 187 200 214 226 238 254 263 — —
High
(Tap 1)
CFM 1508 [712] 1459 [689] 1409 [665] 1359 [641] 1310 [618] 1260 [595] 1210 [571] 1160 [547] 1111 [524] 1061 [501]
RPM 698 738 789 839 888 933 983 1035 1103 1137
Watts 243 255 271 285 299 310 322 332 343 343
230
Low
(Tap 2)
CFM 1328 [627] 1280 [604] 1231 [581] 1183 [558] 1135 [536] 1086 [513] 1038 [490] 990 [467] 941 [444] 893 [421]
RPM 648 697 752 807 857 903 989 1036 1077 1114
Watts 178 191 206 220 233 246 265 277 286 291
High
(Tap 1)
CFM 1510 [713] 1464 [691] 1418 [669] 1373 [648] 1327 [626] 1281 [605] 1235 [583] 1190 [562] 1144 [540] 1098 [518]
RPM 707 743 792 841 890 5021 981 1031 1114 1151
Watts 248 261 277 292 307 322 334 348 366 358
INDOOR AIRFLOW PERFORMANCE—208/230 VOLTS
[ ] Designates Metric Conversions

Air Indoor Airflow Performance
RQPM Series
44
Nominal
Cooling
Capacity
Tons [kW]
Motor
Speed
from
Factory
Manufacturer
Recommended Air-Flow
Range CFM
Blower Size/
Motor
HP [W]
# of Speed
Voltage Motor
Speed
CFM Air Delivery/RPM/Watts
External Static Pressure—Inches W.C. [kPa]
Min. Max. 0.1 [.02] 0.2 [.05] 0.3 [.07] 0.4 [.10] 0.5 [.12] 0.6 [.15] 0.7 [.17] 0.8 [.20] 0.9 [.22] 1.0 [.25]
3.5
[12.31]
Low
(Tap 2)
X13
(ECM
Motor)
1225 1575
11x9
3/4 hp [559]
2 Speed
208
Low
(Tap 2)
CFM 1531 [726] 1477 [697] 1423 [672] 1370 [647] 1316 [621] 1262 [596] 1208 [570] 1154 [545] 1101 [520] 1047 [494]
RPM 602 619 668 715 757 801 844 878 918 954
Watts 238 227 236 251 266 281 296 307 320 333
High
(Tap 1)
CFM 1724 [814] 1678 [792] 1632 [770] 1586 [749] 1540 [727] 1495 [706] 1449 [684] 1403 [662] 1357 [640] 1311 [619]
RPM 639 671 715 759 794 834 875 911 948 977
Watts 295 309 330 348 363 380 397 414 429 440
230
Low
(Tap 2)
CFM 1542 [728] 1490 [703] 1438 [679] 1386 [654] 1335 [630] 1283 [606] 1231 [581] 1180 [557] 1128 [532] 1076 [508]
RPM 598 617 662 714 758 800 849 876 913 951
Watts 244 231 237 254 270 285 304 313 326 340
High
(Tap 1)
CFM 1740 [821] 1695 [800] 1649 [778] 1604 [757] 1558 [735] 1513 [714] 1467 [692] 1422 [671] 1376 [649] 1331 [628]
RPM 632 665 709 749 797 833 879 917 951 981
Watts 295 311 331 350 371 386 409 426 440 454
4.0
[14.07]
Low
(Tap 2)
X13
(ECM
Motor)
1400 1800
11x9
3/4 hp [559]
2 Speed
208
Low
(Tap 2)
CFM 1708 [806] 1658 [782] 1609 [759] 1559 [736] 1510 [713] 1460 [689] 1410 [665] 1361 [642] 1311 [619] 1262 [596]
RPM 619 651 686 741 783 822 859 894 937 971
Watts 280 284 298 323 339 355 370 385 402 415
High
(Tap 1)
CFM 1917 [905] 1872 [883] 1827 [862] 1782 [841] 1736 [819] 1691 [798] 1646 [777] 1601 [756] 1556 [734] 1510 [713]
RPM 673 702 736 769 818 860 898 928 960 989
Watts 377 392 409 426 451 473 490 504 518 531
230
Low
(Tap 2)
CFM 1701 [803] 1655 [781] 1609 [759] 1563 [738] 1517 [716] 1471 [694] 1425 [673] 1379 [651] 1333 [629] 1287 [607]
RPM 624 648 696 743 787 826 863 895 934 970
Watts 280 287 309 328 347 363 380 392 410 426
High
(Tap 1)
CFM 1921 [907] 1878 [886] 1835 [866] 1792 [846] 1749 [825] 1706 [805] 1663 [785] 1620 [765] 1577 [744] 1534 [724]
RPM 678 706 738 776 816 865 899 932 967 994
Watts 385 400 416 439 458 484 501 517 537 550
5.0
[17.6]
Low
(Tap 2)
X13
(ECM
Motor)
1750 2250
11x9
1 hp [746]
2 Speed
208
Low
(Tap 2)
CFM 1954 [922] 1914 [903] 1874 [884] 1833 [865] 1793 [846] 1753 [827] 1713 [808] 1673 [790] 1632 [770] 1592 [751]
RPM 719 747 779 818 857 894 928 963 998 1038
Watts 439 451 469 491 512 534 553 573 590 611
High
(Tap 1)
CFM 2173 [1026] 2136 [1008] 2098 [990] 2061 [973] 2024 [955] 1986 [937] 1949 [920] 1911 [902] 1874 [884] 1837 [867]
RPM 775 803 830 860 896 928 959 988 1019 1050
Watts 604 622 642 663 686 706 727 745 765 784
230
Low
(Tap 2)
CFM 1986 [937] 1945 [918] 1905 [899] 1864 [880] 1823 [860] 1782 [841] 1741 [822] 1700 [802] 1659 [783] 1618 [764]
RPM 731 759 792 832 871 909 943 979 1014 1055
Watts 446 458 477 499 521 543 562 582 600 621
High
(Tap 1)
CFM 2229 [1052] 2190 [1034] 2152 [1016] 2114 [998] 2075 [979] 2037 [961] 1999 [943] 1960 [925] 1922 [907] 1884 [889]
RPM 795 824 851 882 919 952 983 1013 1045 1077
Watts 619 638 658 680 703 724 745 764 784 804
INDOOR AIRFLOW PERFORMANCE—208/230 VOLTS
[ ] Designates Metric Conversions

Air Indoor Airflow Performance
RQRM Series
45
Model
Motor
Speed
from
Factory
Recommended
Airflow Range Voltage Motor Speed
(Tap Setting)
External Static Pressure—Inches W.C. [kPa]
Min Max 0.1 [.02] 0.2 [.05] 0.3 [.07] 0.4 [.10] 0.5 [.12] 0.6 [.15] 0.7 [.17] 0.8 [.20] 0.9 [.22] 1.0 [.25]
RQRM-
A024J
2
X13
(ECM
Motor)
700 900
208
Low Speed
(Tap 2)
CFM 1070 [505] 960 [453] 860 [406] 760 [359] 680 [321] 610 [288] 550 [260] — — —
Watts 106 105 105 108 112 118 127 — — —
High Speed
(Tap 1)
CFM 1210 [571] 1160 [548] 1110 [524] 1050 [496] 1000 [472] 940 [444] 880 [415] 830 [392] 770 [363] 700 [330]
Watts 134 144 154 164 174 185 196 206 217 228
230
Low Speed
(Tap 2)
CFM 1080 [510] 960 [453] 860 [406] 770 [363] 690 [326] 620 [293] 570 [269] —— —
Watts 110 108 108 110 114 120 129 — — —
High Speed
(Tap 1)
CFM 1210 [571] 1160 [548] 1120 [529] 1060 [500] 1010 [477] 960 [453] 910 [430] 850 [401] 790 [373] 730 [345]
Watts 134 146 158 169 181 193 204 216 227 238
RQRM-
A030J
2
X13
(ECM
Motor)
875 1125
208
Low Speed
(Tap 2)
CFM 1260 [595] 1020 [481] 820 [387] 660 [312] 530 [250] — — — — —
Watts 161 125 101 91 93 — — — — —
High Speed
(Tap 1)
CFM 1430 [675] 1340 [632] 1260 [595] 1180 [557] 1110 [524] 1040 [491] 980 [463] 920 [434] 870 [411] 820 [387]
Watts 208 208 210 214 221 229 239 251 265 281
230
Low Speed
(Tap 2)
CFM 1150 [543] 980 [463] 830 [392] 690 [326] 570 [269] — — — — —
Watts 161 125 101 91 93 — — — — —
High Speed
(Tap 1)
CFM 1420 [670] 1340 [632] 1260 [595] 1190 [562] 1120 [529] 1060 [500] 1000 [472] 940 [444] 890 [420] 840 [396]
Watts 209 210 212 217 224 233 245 259 275 294
RQRM-
A036J
2
X13
(ECM
Motor)
1050 1350
208
Low Speed
(Tap 2)
CFM 1360 [642] 1240 [585] 1120 [529] 1020 [481] 930 [439] 840 [396] 770 [363] 720 [340] — —
Watts 158 147 140 136 137 141 150 163 — —
High Speed
(Tap 1)
CFM 1510 [713] 1440 [680] 1380 [651] 1320 [623] 1270 [599] 1220 [576] 1170 [552] 1120 [529] 1080 [510] 1050 [496]
Watts 222 226 231 239 247 258 270 284 299 316
230
Low Speed
(Tap 2)
CFM 1360 [642] 1240 [585] 1130 [533] 1030 [486] 940 [444] 860 [406] 790 [373] 730 [345] — —
Watts 158 147 140 136 137 141 150 163 — —
High Speed
(Tap 1)
CFM 1510 [713] 1450 [684] 1390 [656] 1330 [628] 1280 [604] 1240 [585] 1190 [562] 1150 [543] 1110 [524] 1080 [510]
Watts 210 221 232 244 256 269 282 295 309 323
RQRM-
A042J
2
X13
(ECM
Motor)
1225 1575
208
Low Speed
(Tap 2)
CFM 1440 [680] 1390 [656] 1330 [628] 1280 [604] 1230 [581] 1190 [562] 1140 [538] 1100 [519] 1060 [500] 1020 [481]
Watts 209 224 239 253 267 280 293 306 319 332
High Speed
(Tap 1)
CFM 1640 [774] 1600 [755] 1550 [732] 1510 [713] 1470 [694] 1420 [670] 1380 [651] 1340 [632] 1300 [614] 1250 [590]
Watts 286 307 327 346 365 382 399 415 430 444
230
Low Speed
(Tap 2)
CFM 1440 [680] 1390 [656] 1340 [632] 1280 [604] 1240 [585] 1190 [562] 1140 [538] 1100 [519] 1060 [500] 1020 [481]
Watts 215 229 243 257 272 286 301 315 330 345
High Speed
(Tap 1)
CFM 1640 [774] 1600 [755] 1560 [736] 1520 [717] 1480 [699] 1430 [675] 1390 [656] 1350 [637] 1310 [618] 1260 [595]
Watts 295 312 329 347 366 384 404 423 443 463
INDOOR AIRFLOW PERFORMANCE—208/240 VOLTS
[ ] Designates Metric Conversions

Air Indoor Airflow Performance
RQRM Series
46
Model
Motor
Speed
from
Factory
Recommended
Airflow Range Voltage Motor Speed
(Tap Setting)
External Static Pressure—Inches W.C. [kPa]
Min Max 0.1 [.02] 0.2 [.05] 0.3 [.07] 0.4 [.10] 0.5 [.12] 0.6 [.15] 0.7 [.17] 0.8 [.20] 0.9 [.22] 1.0 [.25]
RQRM-
A048J
2
X13
(ECM
Motor)
1400 1800
208
Low Speed
(Tap 2)
CFM 1600 [755] 1550 [732] 1510 [713] 1460 [689] 1420 [670] 1380 [651] 1340 [632] 1300 [614] 1260 [595] 1230 [581]
Watts 226 241 257 273 289 305 321 338 355 372
High Speed
(Tap 1)
CFM 1840 [868] 1810 [854] 1770 [835] 1740 [821] 1700 [802] 1660 [784] 1620 [765] 1570 [741] 1530 [722] 1480 [699]
Watts 348 365 382 400 419 439 460 481 504 527
230
Low Speed
(Tap 2)
CFM 1600 [755] 1550 [732] 1510 [713] 1470 [694] 1430 [675] 1390 [656] 1350 [637] 1310 [618] 1270 [599] 1240 [585]
Watts 226 241 257 273 289 305 321 338 355 372
High Speed
(Tap 1)
CFM 1840 [868] 1810 [854] 1780 [840] 1740 [821] 1710 [807] 1670 [788] 1630 [769] 1590 [750] 1550 [732] 1510 [713]
Watts 361 377 393 411 430 451 472 495 519 545
RQRM-
A060J
1
X13
(ECM
Motor)
1225 1575
208
1st Stage Low
Speed (Tap 1)
CFM 1430 [675] 1370 [647] 1310 [618] 1260 [595] 1200 [566] 1150 [543] 1100 [519] 1060 [500] 1020 [481] 980 [463]
Watts 200 213 225 238 251 263 276 289 302 315
1st Stage High
Speed (Tap 2)
CFM 1560 [736] 1510 [713] 1470 [694] 1420 [670] 1380 [651] 1340 [632] 1290 [609] 1250 [590] 1210 [571] 1170 [552]
Watts 253 269 284 300 315 330 345 359 374 388
3
X13
(ECM
Motor)
1650 2200
2nd Stage Low
Speed (Tap 3)
CFM 1710 [807] 1670 [788] 1620 [765] 1580 [746] 1530 [722] 1490 [703] 1450 [684] 1400 [661] 1360 [642] 1320 [623]
Watts 322 338 354 370 386 403 419 436 453 470
2nd Stage Med.
Speed (Tap 4)
CFM 1900 [897] 1870 [883] 1830 [864] 1790 [845] 1750 [826] 1710 [807] 1670 [788] 1620 [765] 1580 [746] 1530 [722]
Watts 446 461 477 492 509 525 543 560 578 597
2nd Stage High
Speed (Tap 5)
CFM 2100 [991] 2060 [972] 2030 [958] 1990 [939] 1950 [920] 1910 [902] 1870 [883] 1840 [868] 1800 [850] 1760 [831]
Watts 594 610 626 643 659 676 692 709 725 742
1
X13
(ECM
Motor)
1225 1575
230
1st Stage Low
Speed (Tap 1)
CFM 1430 [675] 1370 [647] 1310 [618] 1260 [595] 1200 [566] 1160 [548] 1110 [524] 1060 [500] 1020 [481] 990 [467]
Watts 207 219 231 243 255 268 280 293 305 318
1st Stage High
Speed (Tap 2)
CFM 1560 [736] 1520 [717] 1470 [694] 1430 [675] 1380 [651] 1340 [632] 1300 [614] 1260 [595] 1220 [576] 1180 [557]
Watts 255 272 288 305 320 335 349 363 377 390
3
X13
(ECM
Motor)
1650 2200
2nd Stage Low
Speed (Tap 3)
CFM 1720 [812] 1670 [788] 1630 [769] 1590 [750] 1550 [732] 1500 [708] 1460 [689] 1420 [670] 1380 [651] 1340 [632]
Watts 328 342 357 373 389 406 424 442 461 480
2nd Stage Med.
Speed (Tap 4)
CFM 1910 [902] 1870 [883] 1840 [868] 1800 [850] 1760 [831] 1720 [812] 1680 [793] 1640 [774] 1590 [750] 1550 [732]
Watts 452 468 484 501 518 535 553 572 590 610
2nd Stage High
Speed (Tap 5)
CFM 2120 [1001] 2080 [982] 2050 [968] 2010 [949] 1980 [935] 1940 [916] 1900 [897] 1860 [878] 1820 [859] 1780 [840]
Watts 599 618 636 655 674 692 711 730 748 767
INDOOR AIRFLOW PERFORMANCE—208/240 VOLTS
[ ] Designates Metric Conversions

Air Electrical Data
RQNM Series
47
ELECTRICAL DATA – RQNM SERIES
Minimum Circuit Ampacity 20/20
Unit Information
Unit Operating
Voltage Range 187-253
Minimum Overcurrent
Protection Device Size 25/25
Maximum Overcurrent
Protection Device Size 30/30
Compressor Motor
No. 1
Volts 208/230
Phase 1
HP 2
RPM 3450
Amps (RLA) 13.5/13.5
Amps (LRA) 58.3/58.3
Condenser Motor
No. 1
Volts 208/230
Phase 1
HP 1/3
Amps (FLA) 1.5
Amps (LRA) 3
Evaporator Fan
No. 1
Volts 208/230
Phase 1
HP 1/4
Amps (FLA) 1.5
Amps (LRA) 2.6 2.6
1.7
1/3
1
208/230
1
3
1.5
1/3
1
208/230
1
73/73
14.1/14.1
3450
2.5
1
208/230
1
35/35
25/25
21/21
187-253
5
2.5
1/2
1
208/230
1
3
1.5
1/3
1
208/230
1
88/88
10.4/10.4
3450
3
3
208/230
1
25/25
20/20
17/17
187-253
5
2.5
1/2
1
208/230
1
3
1.5
1/3
1
208/230
1
79/79
16.7/16.7
3450
3
1
208/230
1
40/40
30/30
25/25
187-253
4.6
2.7
1/2
1
208/230
1
4
1.9
1/3
1
208/230
1
95/95
14.1/14.1
3450
3.5
3
208/230
1
35/35
30/30
23/23
187-253
4.6
2.7
1/2
1
208/230
1
4
1.9
1/3
1
208/230
1
112/112
21.8/21.8
3450
3.5
1
208/230
1
50/50
40/40
33/33
187-253
4.4
3.2
3/4
1
208/230
1
4
1.9
1/3
1
208/230
1
83.1/83.1
13.7/13.7
3450
4
3
208/230
1
35/35
30/30
23/23
187-253
4.4
3.2
3/4
1
208/230
1
4
1.9
1/3
1
208/230
1
117/117
21.8/21.8
3450
4
1
208/230
1
50/50
40/40
33/33
187-253
11.3
5.8
3/4
1
208/230
1
4
1.9
1/3
1
208/230
1
120/120
17.9/17.9
3450
4.5
3
208/230
1
45/45
35/35
31/31
187-253
11.3
5.8
3/4
1
208/230
1
4
1.9
1/3
1
208/230
1
150/150
26.4/26.4
3450
4.5
1
208/230
1
60/60
50/50
41/41
187-253
-A024JK -A030JK -A036CK -A036JK -A042CK -A042JK -A048CK -A048JK -A060CK -A060JK

Air Electrical Data
RQPM Series
48
ELECTRICAL DATA – RQPM SERIES
Minimum Circuit Ampacity
Minimum Overcurrent
Protection Device Size
23/23
30/30
Maximum Overcurrent
Protection Device Size 35/35
Compressor Motor
No. 1
Volts 208/230
Phase 1
HP 2
RPM 3450
Amps (RLA) 13.5/13.5
Amps (LRA)
Unit Information
Unit Operating
Voltage Range
58.3/58.3
187-253
Condenser Motor
No. 1
Volts 208/230
Phase 1
HP 1/3
Amps (FLA) 1.5
Amps (LRA) 3
Evaporator Fan
No. 1
Volts 208/230
Phase 1
HP 1/2
Amps (FLA) 4.1 4.1
1/2
1
208/230
1
3
1.5
1/3
1
208/230
1
73/73
14.1/14.1
3450
2.5
1
208/230
1
35/35
30/30
21/21
187-253
4.1
1/2
1
208/230
1
3
1.5
1/3
1
208/230
1
88/88
10.4/10.4
3450
3
3
208/230
1
25/25
25/25
19/19
187-253
4.1
1/2
1
208/230
1
3
1.5
1/3
1
208/230
1
79/79
16.7/16.7
3450
3
1
208/230
1
40/40
35/35
27/27
187-253
4.1/4.1
1/2
1
208/230
1
3/3
1.5/1.5
1/3
1
208/230
1
88/88
10.4/10.4
3450
3
3
208/230
1
25/25
25/25
19/19
187-253
4.1/4.1
1/2
1
208/230
1
3/3
1.5/1.5
1/3
1
208/230
1
79/79
16.7/16.7
3450
3
1
208/230
1
40/40
35/35
27/27
187-253
6
3/4
1
208/230
1
4
1.9
1/3
1
208/230
1
95/95
14.1/14.1
3450
3.5
3
208/230
1
35/35
30/30
26/26
187-253
-A024JK -A030JK -A036CK -A036JK -A037CK -A037JK -A042CK
6
3/4
1
208/230
1
4
1.9
1/3
1
208/230
1
112/112
21.8/21.8
3450
3.5
1
208/230
1
50/50
45/45
36/36
187-253
-A042JK

Air Electrical Data
RQPM Series
49
ELECTRICAL DATA – RQPM SERIES
Minimum Circuit Ampacity
Minimum Overcurrent
Protection Device Size
25/25
25/25
Maximum Overcurrent
Protection Device Size 35/35
Compressor Motor
No. 1
Volts 208/230
Phase 3
HP 3450
RPM 3 1/2
Amps (RLA) 13.5/13.5
Amps (LRA)
Unit Information
Unit Operating
Voltage Range
88/88
187-253
Condenser Motor
No. 1
Volts 208/230
Phase 1
HP 1/3
Amps (FLA) 1.9/1.9
Amps (LRA) 4/4
Evaporator Fan
No. 1
Volts 208/230
Phase 1
HP 3/4
Amps (FLA) 6/6 6
3/4
1
208/230
1
4
1.9
1/3
1
208/230
1
110/110
13.7/13.7
3450
4
3
208/230
1
35/35
30/30
26/26
187-253
6
3/4
1
208/230
1
4
1.9
1/3
1
208/230
1
117/117
21.8/21.8
3450
4
1
208/230
1
50/50
45/45
36/36
187-253
6/6
3/4
1
208/230
1
4/4
1.9/1.9
1/3
1
208/230
1
110/110
13.7/13.7
4
3450
3
208/230
1
35/35
30/30
26/26
187-253
6/6
3/4
1
208/230
1
4/4
1.9/1.9
1/3
1
208/230
1
117/117
21.8/21.8
4
3450
1
208/230
1
50/50
45/45
36/36
187-253
7.6
1
1
208/230
1
4
1.9
1/3
1
208/230
1
120/120
17.9/17.9
3450
4.5
3
208/230
1
45/45
40/40
32/32
187-253
7.6
1
1
208/230
1
4
1.9
1/3
1
208/230
1
150/150
26.4/26.4
3450
4.5
1
208/230
1
60/60
50/50
43/43
187-253
-A043CK -A048CK -A048JK -A049CK -A049JK -A060CK -A060JK
31/31
35/35
45/45
1
208/230
1
3450
3 1/2
17.9/17.9
112/112
187-253
1
208/230
1
1/3
1.9/1.9
4/4
1
208/230
1
3/4
6/6
-A043JK

Air Electrical Data
RQRM Series
50
ELECTRICAL DATA – RQRM SERIES
-A024JK -A030JK -A036JK -A042JK -A048JK -A060JK
Unit Information
Unit Operating
Voltage Range 187-253 187-253 187-253 187-253 187-253 197-253
Volts 208/230 208/230 208/230 208/230 208/230 208/230
Minimum Circuit Ampacity 23/23 22/22 24/24 31/31 33/33 46/46
Minimum Overcurrent
Protection Device Size 30/30 25/25 30/30 35/35 40/40 60/60
Maximum Overcurrent
Protection Device Size 35/35 30/30 35/35 45/45 50/50 60/60
Compressor Motor
No. 111111
Volts 208/230 208/230 208/230 208/230 208/230 208/230
Phase 111111
RPM 3450 3450 3450 3450 3450 3450
HP, Compressor 1 2 2 1/2 3 3 1/2 4 5
Amps (RLA), Comp. 1 13.5/13.5 12.8/12.8 14.1/14.1 17.9/17.9 19.9/19.9 28.8/28.8
Amps (LRA), Comp. 1 58.3/58.3 64/64 77/77 112/112 109/109 152.9/152.9
Condenser Motor
No. 111111
Volts 208/230 208/230 208/230 208/230 208/230 208/230
Phase 111111
HP 1/3 1/3 1/3 1/3 1/3 1/3
Amps (FLA, each) 1.5/1.5 1.5/1.5 1.5/1.5 1.9/1.9 1.9/1.9 1.9/1.9
Amps (LRA, each) 3/3 3/3 3/3 4/4 4/4 4/4
Evaporator Fan
No. 111111
Volts 208/230 208/230 208/230 208/230 208/230 208/230
Phase 111111
HP 1/2 1/2 1/2 3/4 3/4 1
Amps (FLA, each) 4.1/4.1 4.1/4.1 4.1/4.1 6/6 6/6 7.6/7.6
Amps (LRA, each) 0/0 0/0 0/0 0/0 0/0 0/0

Air Electric Heater Kits
RQNM Series
51
5.4/7.2C07J 1 18.42/24.56 26/30 53/58 60/60
208-240 VOLT, SINGLE PHASE, 60 HZ, AUXILIARY ELECTRIC HEATER KITS CHARACTERISTICS AND APPLICATION
—
3.6/4.8
60/60
A024J
No Heat — — — 20/20 25/30 25/30
C05J 1 12.28/16.38 17.33/20 42/45 45/50 45/50
Rated
Heater kW
@ 208-240 V
1
—
1
Heater Kit Heat Pump
Unit
Model
No.
RQNM-
Heater Kit Heat Pump
Single Power Supply For Both Unit and Heater Kit Separate Power Supply For Both Unit and Heater Kit
No. of
Sequence
Steps
33/38 35/40 — — —
— — 20/20 25/30 25/30
22/25 25/25 — — —
RXQJ-
Heater Kit
Nominal kW
No. of
Elements
Heater
KBTU/Hr
@ 208-240 V
Heater
Amp.
@ 208-240 V
Unit Min. Ckt.
Ampacity
@ 208-240 V
Over Current
Protective Device Size
Min./Max.
@ 208 V
Min./Max.
@ 240 V
Min. Ckt.
Ampacity
Max. Fuse
Size
Min. Circuit
Ampacity
208-240 V
Over Current
Protective Device Size
Min./Max.
@ 208 V
Min./Max.
@ 240 V
C10J 2 1 7.2/9.6 24.57/32.76 34.7/40 64/70 70/70 70/70 44/50 45/50 — — —
A030J
No Heat — — — — — 21/21 25/35 25/35 — — 21/21 25/35 25/35
C05J 1 1 3.6/4.8 12.28/16.38 17.33/20 43/46 45/50 50/50 22/25 25/25 — — —
C07J 1 1 5.4/7.2 18.42/24.56 26/30 54/59 60/60 60/60 33/38 35/40 — — —
C10J 2 1 7.2/9.6 24.57/32.76 34.7/40 65/71 70/70 80/80 44/50 45/50 — — —
C15J 3 2 10.8/14.4 36.85/49.13 52/60 86/96 90/90 100/100 65/75 70/80 — — —
A036J
No Heat — — — — — 25/25 30/40 30/40 — — 25/25 30/40 30/40
C05J 1 1 3.6/4.8 12.28/16.38 17.33/20 47/50 50/50 60/60 22/25 25/25 — — —
C07J 1 1 5.4/7.2 18.42/24.56 26/30 58/63 60/60 70/70 33/38 35/40 — — —
C10J 2 1 7.2/9.6 24.57/32.76 34.7/40 69/75 70/70 80/80 44/50 45/50 — — —
C15J 3 2 10.8/14.4 36.85/49.13 52/60 90/100 90/90 0/100 65/75 70/80 — — —
C20J 4 2 14.4/19.2 49.12/65.52 69.33/80 112/125 125/125 125/125 87/100 90/100 — — —
A042J
No Heat — — — — — 33/33 40/50 40/50 — — 33/33 40/50 40/50
C05J 1 1 3.6/4.8 12.28/16.38 17.33/20 54/58 60/70 60/70 22/25 25/25 — — —
C07J 1 1 5.4/7.2 18.42/24.56 26/30 65/70 70/70 70/80 33/38 35/40 — — —
C10J 2 1 7.2/9.6 24.57/32.76 34.7/40 76/83 80/80 90/90 44/50 45/50 — — —
C15J 3 2 10.8/14.4 36.85/49.13 52/60 98/108 100/100 110/110 65/75 70/80 — — —
C20J 4 2 14.4/19.2 49.12/65.52 69.33/80 112/133 125/125 150/150 87/100 90/100 — — —
A048J
No Heat — — — — — 33/33 40/50 40/50 — — 33/33 40/50 40/50
C05J 1 1 3.6/4.8 12.28/16.38 17.33/20 55/58 60/70 60/70 22/25 25/25 — — —
C07J 1 1 5.4/7.2 18.42/24.56 26/30 65/70 70/80 70/80 33/38 35/40 — — —
C10J 2 1 7.2/9.6 24.57/32.76 34.7/40 76/83 80/80 90/90 44/50 45/50 — — —
C15J 3 2 10.8/14.4 36.85/49.13 52/60 98/108 100/100 110/110 65/75 70/80 — — —
C20J 4 2 14.4/19.2 49.12/65.52 69.33/80 120/133 125/125 150/150 87/100 90/100 — — —
A060J
No Heat — — — — — 41/41 50/60 50/60 — — 41/41 50/60 50/60
C05J 1 1 3.6/4.8 12.28/16.38 17.33/20 63/66 80/80 80/80 22/25 25/25 — — —
C07J 1 1 5.4/7.2 18.42/24.56 26/30 74/79 90/90 90/90 33/38 35/40 — — —
C10J 2 1 7.2/9.6 24.57/32.76 34.7/40 85/91 90/100 100/100 44/50 45/50 — — —
C15J 3 2 10.8/14.4 36.85/49.13 52/60 106/116 110/110 125/125 65/75 70/80 — — —
C20J 4 2 14.4/19.2 49.12/65.52 69.33/80 128/141 150/150 150/150 87/100 90/100 — — —

Air Electric Heater Kits
RQNM Series
52
A036C
No Heat — — — 17/17 20/25 20/25
C15C 3 36.85/49.13 30.1/34.7 55/61 60/60 70/70
C10C 2 24.57/32.76 20/23.1 42/46 45/45 50/50
38/44 40/45 — — —
— — 17/17 20/25 20/25
25/29 25/30 — — —
RXQJ-
Heater Kit
Nominal kW
No. of
Elements
Heater
KBTU/Hr
@ 208-240 V
Heater
Amp.
@ 208-240 V
Unit Min. Ckt.
Ampacity
@ 208-240 V
Over Current
Protective Device Size
Min./Max.
@ 208 V
Min./Max.
@ 240 V
Min. Ckt.
Ampacity
Max. Fuse
Size
Min. Circuit
Ampacity
208-240 V
Over Current
Protective Device Size
Min./Max.
@ 208 V
Min./Max.
@ 240 V
10.8/14.4
—
7.2/9.6
Rated
Heater kW
@ 208-240 V
2
—
1
No. of
Sequence
Steps
208-240 VOLT, THREE PHASE, 60 HZ, AUXILIARY ELECTRIC HEATER KITS CHARACTERISTICS AND APPLICATION
A042C
No Heat — — — — — 23/23 30/35 30/35 — — 23/23 30/35 30/35
C10C 2 1 7.2/9.6 24.57/32.76 20/23.1 48/52 50/50 60/60 25/29 25/30
C15C 3 2 10.8/14.4 36.85/49.13 30.1/34.7 61/66 70/70 70/70 38/44 40/45 — — —
C20C 4 2 14.4/19.2 49.12/65.52 40/46.3 73/81 80/80 90/90 50/58 50/60 — — —
No Heat — — — — — 23/23 30/35 30/35 — — 23/23 30/35 30/35
C10C 2 1 7.2/9.6 24.57/32.76 20/23.1 48/52 50/50 60/60 25/29 25/30 — — —
C15C 3 2 10.8/14.4 36.85/49.13 30.1/34.7 60/66 60/60 70/70 38/44 40/45 — — —
C20C 4 2 14.4/19.2 49.12/65.52 40/46.3 73/81 80/80 90/90 50/58 50/60 — — —
No Heat — — — — — 31/31 35/45 35/45 — — 31/31 35/45 35/45
C10C 2 1 7.2/9.6 24.57/32.76 20/23.1 56/59 60/60 60/70 25/29 25/30
C15C 3 2 10.8/14.4 36.85/49.13 30.1/34.7 69/74 70/70 80/80 38/44 40/45 — — —
C20C 4 2 14.4/19.2 49.12/65.52 40/46.3 81/88 90/90 90/90 50/58 50/60 — — —
Heater Kit Heat Pump
Unit
Model
No.
RQNM-
Heater Kit Heat Pump
Single Power Supply For Both Unit and Heater Kit Separate Power Supply For Both Unit and Heater Kit
A060C
A048C

Air Electric Heater Kits
RQPM Series
53
5.4/7.2C07J 1 18.42/24.56 26/30 55/60 60/60
208-240 VOLT, SINGLE PHASE, 60 HZ, AUXILIARY ELECTRIC HEATER KITS CHARACTERISTICS AND APPLICATION
—
3.6/4.8
60/60
A024J
No Heat — — — 23/23 30/35 30/35
C05J 1 12.28/16.38 17.33/20 45/48 45/50 50/50
Rated
Heater kW
@ 208-240 V
1
—
1
Heater Kit Heat Pump
Unit
Model
No.
RQPM-
Heater Kit Heat Pump
Single Power Supply For Both Unit and Heater Kit Separate Power Supply For Both Unit and Heater Kit
No. of
Sequence
Steps
33/38 35/40 — — —
— — 23/23 30/35 30/35
22/25 25/25 — — —
RXQJ-
Heater Kit
Nominal kW
No. of
Elements
Heater
KBTU/Hr
@ 208-240 V
Heater
Amp.
@ 208-240 V
Unit Min. Ckt.
Ampacity
@ 208-240 V
Over Current
Protective Device Size
Min./Max.
@ 208 V
Min./Max.
@ 240 V
Min. Ckt.
Ampacity
Max. Fuse
Size
Min. Circuit
Ampacity
208-240 V
Over Current
Protective Device Size
Min./Max.
@ 208 V
Min./Max.
@ 240 V
C10J 2 1 7.2/9.6 24.57/32.76 34.7/40 66/73 70/70 80/80 44/50 45/50 — — —
A030J
No Heat — — — — — 24/24 30/35 30/35 — — 24/24 30/35 30/35
C05J 1 1 3.6/4.8 12.28/16.38 17.33/20 45/49 45/50 50/50 22/25 25/25 — — —
C07J 1 1 5.4/7.2 18.42/24.56 26/30 56/61 60/60 70/70 33/38 35/40 — — —
C10J 2 1 7.2/9.6 24.57/32.76 34.7/40 67/74 70/70 80/80 44/50 45/50 — — —
C15J 3 2 10.8/14.4 36.85/49.13 52/60 89/99 90/90 100/100 65/75 70/80 — — —
A036J
A037J
No Heat — — — — — 27/27 35/40 35/40 — — 27/27 35/40 35/40
C05J 1 1 3.6/4.8 12.28/16.38 17.33/20 49/52 50/60 60/60 22/25 25/25 — — —
C07J 1 1 5.4/7.2 18.42/24.56 26/30 59/64 60/60 70/70 33/38 35/40 — — —
C10J 2 1 7.2/9.6 24.57/32.76 34.7/40 70/77 70/70 80/80 44/50 45/50 — — —
C15J 3 2 10.8/14.4 36.85/49.13 52/60 92/102 100/100 110/110 65/75 70/80 — — —
C20J 4 2 14.4/19.2 49.12/65.52 69.33/80 114/127 125/125 150/150 87/100 90/100 — — —
A042J
No Heat — — — — — 36/36 45/50 45/50 — — 36/36 45/50 45/50
C05J 1 1 3.6/4.8 12.28/16.38 17.33/20 47/61 60/70 70/70 22/25 25/25 — — —
C07J 1 1 5.4/7.2 18.42/24.56 26/30 68/73 70/80 80/80 33/38 35/40 — — —
C10J 2 1 7.2/9.6 24.57/32.76 34.7/40 79/86 80/90 90/90 44/50 45/50 — — —
C15J 3 2 10.8/14.4 36.85/49.13 52/60 101/111 110/110 125/125 65/75 70/80 — — —
C20J 4 2 14.4/19.2 49.12/65.52 69.33/80 112/136 125/125 150/150 87/100 90/100 — — —
A048J
A049J
No Heat — — — — — 36/36 45/50 45/50 — — 36/36 45/50 45/50
C05J 1 1 3.6/4.8 12.28/16.38 17.33/20 57/61 60/70 70/70 22/25 25/25 — — —
C07J 1 1 5.4/7.2 18.42/24.56 26/30 68/73 70/80 80/80 33/38 35/40 — — —
C10J 2 1 7.2/9.6 24.57/32.76 34.7/40 79/86 80/90 90/90 44/50 45/50 — — —
C15J 3 2 10.8/14.4 36.85/49.13 52/60 101/111 110/110 125/125 65/75 70/80 — — —
C20J 4 2 14.4/19.2 49.12/65.52 69.33/80 122/136 125/125 150/150 87/100 90/100 — — —
A060J
No Heat — — — — — 43/43 50/60 50/60 — — 43/43 50/60 50/60
C05J 1 1 3.6/4.8 12.28/16.38 17.33/20 65/68 80/80 80/80 22/25 25/25 — — —
C07J 1 1 5.4/7.2 18.42/24.56 26/30 75/80 90/90 90/90 33/38 35/40 — — —
C10J 2 1 7.2/9.6 24.57/32.76 34.7/40 86/93 90/100 100/100 44/50 45/50 — — —
C15J 3 2 10.8/14.4 36.85/49.13 52/60 108/118 110/110 125/125 65/75 70/80 — — —
C20J 4 2 14.4/19.2 49.12/65.52 69.33/80 130/143 150/150 150/150 87/100 90/100 — — —
A043J
No Heat — — — — — 31/31 45/45 45/45 — — 31/31 35/45 35/45
C05J 1 1 3.6/4.8 12.28/16.38 17.33/20 53/56 60/60 60/60 22/25 25/25 — — —
C07J 1 1 5.4/7.2 18.42/24.56 26/30 65/69 70/70 70/70 33/38 35/40 — — —
C10J 2 1 7.2/9.6 24.57/32.76 34.7/40 75/81 80/80 90/90 44/50 45/50 — — —
C15J 3 2 10.8/14.4 36.85/49.13 52/60 96/106 100/100 110/110 65/75 70/80 — — —
C20J 4 2 14.4/19.2 49.12/65.52 69.33/80 118/131 125/125 150/150 87/100 90/100 — — —

Air
54
Electric Heater Kits
RQPM Series
A036C
A037C
No Heat — — — 19/19 25/25 25/25
C15C 3 36.85/49.13 30.1/34.7 57/61 60/60 70/70
C10C 2 24.57/32.76 20/23.1 44/48 45/45 50/50
38/44 40/45 — — —
— — 19/19 25/25 25/25
25/29 25/30 — — —
RXQJ-
Heater Kit
Nominal kW
No. of
Elements
Heater
KBTU/Hr
@ 208-240 V
Heater
Amp.
@ 208-240 V
Unit Min. Ckt.
Ampacity
@ 208-240 V
Over Current
Protective Device Size
Min./Max.
@ 208 V
Min./Max.
@ 240 V
Min. Ckt.
Ampacity
Max. Fuse
Size
Min. Circuit
Ampacity
208-240 V
Over Current
Protective Device Size
Min./Max.
@ 208 V
Min./Max.
@ 240 V
10.8/14.4
—
7.2/9.6
Rated
Heater kW
@ 208-240 V
2
—
1
No. of
Sequence
Steps
208-240 VOLT, THREE PHASE, 60 HZ, AUXILIARY ELECTRIC HEATER KITS CHARACTERISTICS AND APPLICATION
A042C
No Heat — — — — — 26/26 30/35 30/35 — — 26/26 30/35 30/35
C10C 2 1 7.2/9.6 24.57/32.76 20/23.1 51/55 60/60 60/60 25/29 25/30
C15C 3 2 10.8/14.4 36.85/49.13 30.1/34.7 64/69 70/70 70/70 38/44 40/45 — — —
C20C 4 2 14.4/19.2 49.12/65.52 40/46.3 76/84 80/80 90/90 50/58 50/60 — — —
No Heat — — — — — 26/26 30/35 30/35 — — 26/26 30/35 30/35
C10C 2 1 7.2/9.6 24.57/32.76 20/23.1 51/54 60/60 60/60 25/29 25/30 — — —
C15C 3 2 10.8/14.4 36.85/49.13 30.1/34.7 63/69 70/70 70/70 38/44 40/45 — — —
C20C 4 2 14.4/19.2 49.12/65.52 40/46.3 76/83 80/80 90/90 50/58 50/60 — — —
No Heat — — — — — 32/32 40/45 40/45 — — 32/32 40/45 40/45
C10C 2 1 7.2/9.6 24.57/32.76 20/23.1 57/61 60/60 70/70 25/29 25/30
C15C 3 2 10.8/14.4 36.85/49.13 30.1/34.7 69/76 70/70 80/80 38/44 40/45 — — —
C20C 4 2 14.4/19.2 49.12/65.52 40/46.3 82/90 90/90 90/90 50/58 50/60 — — —
Heater Kit Heat Pump
Unit
Model
No.
RQPM-
Heater Kit Heat Pump
Single Power Supply For Both Unit and Heater Kit Separate Power Supply For Both Unit and Heater Kit
A060C
A048C
A049C
A043C
No Heat — — — — — 25/25 35/35 35/35 — — 25/25 30/35 30/35
C10C 2 1 7.2/9.6 24.57/32.76 20/23.1 50/54 50/50 60/60 25/29 25/30 — — —
C15C 3 2 10.8/14.4 36.85/49.13 30.1/34.7 63/69 70/70 70/70 38/44 40/45 — — —
C20C 4 2 14.4/19.2 49.1/65.52 40/46.3 75/83 80/80 90/90 50/58 50/60 — — —

Air Electric Heater Kits
RQRM Series
55
208-240 VOLT, SINGLE PHASE, 60 HZ, AUXILIARY ELECTRIC HEATER KITS CHARACTERISTICS AND APPLICATION
Unit
Model
No.
RQRM-
Heater Kit
Model No.
RXQJ-
Heater kW
@ 208/240 V
Heater
Kit FLA
Unit Min. Ckt.
Ampacity
Max. Fuse or Ckt. Bkr.
Size (Ckt. Bkr. Must
be HACR Type for USA)
Heater Kit
Min. Ckt.
Ampacity
Heater Kit Max. Fuse
(Ckt. Bkr. Must be
HACR Type for USA)
Heat Pump
Min. Ckt.
Ampacity
Heat Pump Max. Fuse
or Ckt. Bkr. Size
(Ckt. Bkr. Must be HACR
Type for USA)
A024JK
NONE — — 23/23 35/35 — — 23/23 35/35
C05J 3.6/4.8 17.3/20 45/48 50/50 22/25 25/25 23/23 35/35
C07J 5.4/7.2 26/30 56/61 60/70 33/38 35/40 23/23 35/35
C10J 7.2/9.6 34.7/40 67/73 70/80 44/50 45/50 23/23 35/35
C15J 10.8/14.4 52/60 88/98 90/100 65/75 70/80 23/23 35/35
A030JK
NONE ——22/22 30/30 ——22/22 30/30
C05J 3.6/4.8 17.3/20 44/47 50/50 22/25 25/25 22/22 30/30
C07J 5.4/7.2 26/30 55/60 60/70 33/38 35/40 22/22 30/30
C10J 7.2/9.6 34.7/40 66/72 70/80 44/50 45/50 22/22 30/30
C15J 10.8/14.4 52/60 87/97 90/100 65/75 70/80 22/22 30/30
A036JK
NONE ——24/24 35/35 ——24/24 35/35
C05J 3.6/4.8 17.3/20 46/49 50/50 22/25 25/25 24/24 35/35
C07J 5.4/7.2 26/30 57/62 60/70 33/38 35/40 24/24 35/35
C10J 7.2/9.6 34.7/40 68/74 70/80 44/50 45/50 24/24 35/35
C15J 10.8/14.4 52/60 89/99 90/100 65/75 70/80 24/24 35/35
A042JK
NONE ——31/31 45/45 ——31/31 45/45
C05J 3.6/4.8 17.3/20 53/56 60/60 22/25 25/25 31/31 45/45
C07J 5.4/7.2 26/30 64/69 70/70 33/38 35/40 31/31 45/45
C10J 7.2/9.6 34.7/40 75/81 80/90 44/50 45/50 31/31 45/45
C15J 10.8/14.4 52/60 96/106 100/110 65/75 70/80 31/31 45/45
C20J 14.4/19.2 69.3/80 118/131 125/150 87/100 90/100 31/31 45/45
A048JK
NONE ——33/33 50/50 ——33/33 50/50
C05J 3.6/4.8 17.3/20 55/58 60/70 22/25 25/25 33/33 50/50
C07J 5.4/7.2 26/30 66/71 70/80 33/38 35/40 33/33 50/50
C10J 7.2/9.6 34.7/40 77/83 80/90 44/50 45/50 33/33 50/50
C15J 10.8/14.4 52/60 98/108 100/110 65/75 70/80 33/33 50/50
C20J 14.4/19.2 69.3/80 120/133 125/150 87/100 90/100 33/33 50/50
A060JK
NONE ——46/46 60/60 ——46/46 60/60
C05J 3.6/4.8 17.3/20 68/71 90/90 22/25 25/25 46/46 60/60
C07J 5.4/7.2 26/30 79/84 100/100 33/38 35/40 46/46 60/60
C10J 7.2/9.6 34.7/40 90/96 100/110 44/50 45/50 46/46 60/60
C15J 10.8/14.4 52/60 111/121 125/125 65/75 70/80 46/46 60/60
C20J 14.4/19.2 69.3/80 133/146 150/150 87/100 90/100 46/46 60/60

Air Dimensional Data
RQNM/RQPM/RQRM Series
56
[ ] Designates Metric Conversions[ ] Designates Metric Conversions
Model
RQNM, RQPM: 024, 030, 036
RQRM: 024
RQNM, RQPM: 042, 048, 060
RQRM: 030, 036, 042, 048, 060
Height “A”
29 1/8"
37 1/8"
DIMENSIONS
FRONT VIEW
REAR VIEW
ELECTRICAL CONNECTIONS BOTTOM VIEW

Air Typical Installations
RQNM/RQPM/RQRM Series
57
[ ] Designates Metric Conversions[ ] Designates Metric Conversions

Air Accessories
RQNM/RQPM/RQRM Series
58
ACCESSORY EQUIPMENT
Accessory
Description
Model
Application
Accessory
Model No.
Outdoor Thermostat RQNM/RQPM/RQRM RXPT-A01
Thermostats RQNM/RQPM/RQRM See Thermostat Specification Sheet (T11-001)
■Thermostats s
* Photos are representative. Actual models may vary.
For detailed thermostat match-up information,
see specification sheet form number T11-001.
300-Series *
Deluxe
Programmable
400-Series *
Special Applications/
Programmable
500-Series *
Communicating/
Programmable
200-Series *
Programmable
THERMOSTATS

Air Wiring Diagrams
RQNM Series
59

Air Wiring Diagrams
RQNM Series
60

Air Wiring Diagrams
RQPM Series
61

Air Wiring Diagrams
RQPM Series
62

Air Wiring Diagrams
RQPM Series
63

Air Wiring Diagrams
RQPM Series
64

Air Wiring Diagrams
RQRM Series
65

Air Limited Warranty Information
RQNM/RQPM/RQRM Series
66
BEFORE PURCHASING THIS APPLIANCE, READ IMPORTANT ENERGY COST AND EFFICIENCY INFORMATION AVAILABLE FROM
YOUR RETAILER.
Rheem will furnish a replacement for any part of this product
which fails in normal use and service within the applicable
periods stated, in accordance with the terms of the limited
warranty.
*For complete details of the Limited and Conditional Warranties, including
applicable terms and conditions, contact your local contractor or the
Manufacturer for a copy of the product warranty certificate.
Conditional Parts (Registration Required)
1 Phase, Residential Applications ..................Ten (10) Years
Compressor
1 Phase, Residential Applications...................Ten (10) Years
1 & 3 Phase, Commercial Applications ...........Five (5) Years
Parts
1 & 3 Phase, Commercial Applications .............One (1) Year
GENERAL TERMS OF LIMITED WARRANTY*

Air Notes
RQNM/RQPM/RQRM Series
67

The new degree of comfort.
™
Rheem Heating, Cooling & Water Heating • P.O. Box 17010
Fort Smith, Arkansas 72917 • www.rheem.com
In keeping with its policy of continuous progress and product improvement, Rheem reserves the right to make changes without notice.
PRINTED IN U.S.A 04/14 QG FORM NO. P11-790 REV. 2
Rheem Canada Ltd./Ltée • 125 Edgeware Road, Unit 1
Brampton, Ontario • L6Y 0P5