Rigid Industries Automatic Pipe And Bolt Threading Machine 535 A Users Manual
2015-02-06
: Rigid-Industries Rigid-Industries-Automatic-Pipe-And-Bolt-Threading-Machine-535-A-Users-Manual-524028 rigid-industries-automatic-pipe-and-bolt-threading-machine-535-a-users-manual-524028 rigid-industries pdf
Open the PDF directly: View PDF
.
Page Count: 65

Automatic
Pipe and Bolt
Threading Machine
OPERATOR’S
MANUAL
• Français – Page 19
• Para el castellano vea la
página 41
535-A
WARNING!
Read this Operator’s Manual
carefully before using this
tool. Failure to understand
and follow the contents of this
manual may result in electri-
cal shock, fire and/or serious
personal injury.

535 Automatic Pipe and Bolt Threading Machine
Ridge Tool Company
ii
Table of Contents
Recording Form for Machine Serial Number..............................................................................................................1
General Safety Information
Work Area Safety........................................................................................................................................................2
Electrical Safety..........................................................................................................................................................2
Personal Safety ..........................................................................................................................................................2
Tool Use and Care......................................................................................................................................................3
Service........................................................................................................................................................................3
Specific Safety Information
Foot Switch Safety......................................................................................................................................................3
Machine Safety ..........................................................................................................................................................3
Description, Specifications and Standard Equipment
Description..................................................................................................................................................................4
Specifications..............................................................................................................................................................4
Standard Equipment ..................................................................................................................................................4
Die Heads and Dies....................................................................................................................................................5
Machine Assembly
Mounting Machine to Stand ........................................................................................................................................5
Mounting Machine to Bench .......................................................................................................................................6
Machine Inspection ......................................................................................................................................................6
Machine and Work Area Set-Up ..................................................................................................................................7
Operation Using Machine-Mounted Tools
Installing and Chucking Pipe in the Threading Machine ............................................................................................8
Cutting Pipe with No. 820 Cutter ................................................................................................................................9
Reaming Pipe with No. 341 Reamer ..........................................................................................................................9
Threading Pipe or Rod with Quick-Opening, Self-Opening or Semi-Automatic Die Head..........................................9
Removing Pipe ........................................................................................................................................................10
Installing Dies in Quick-Opening Die Head (Right Hand & Left Hand) ....................................................................10
Installing Dies in Self-Opening Die Head (Right Hand Only)....................................................................................10
Installing Dies in Model 816/817 Die Heads ............................................................................................................11
Checking Thread Length ..........................................................................................................................................12
No. 819 Nipple Chuck and 839 Adapter
Installation ................................................................................................................................................................12
Nipple Threading Procedures ..................................................................................................................................12
Operation Instructions Using Geared Threaders
Adjusting No. 141 Geared Threaders ......................................................................................................................13
Thread Size Adjustment Procedure..........................................................................................................................13
Indexing Guide Posts for Straight or Tapered Threads ............................................................................................13
Changing Dies ..........................................................................................................................................................14
Operating No. 141 Geared Threader with No. 241 Carriage Mount Kit ..................................................................14
Left Hand Machine Operation ....................................................................................................................................15
Accessories .................................................................................................................................................................15
Maintenance Instructions
Lubrication ................................................................................................................................................................15
Oil System Maintenance ..........................................................................................................................................15
Cleaning Oil System ................................................................................................................................................16
Jaw Replacement ....................................................................................................................................................16
Drive Belt Inspection ................................................................................................................................................16
Machine Storage ......................................................................................................................................................16
Service and Repair......................................................................................................................................................16
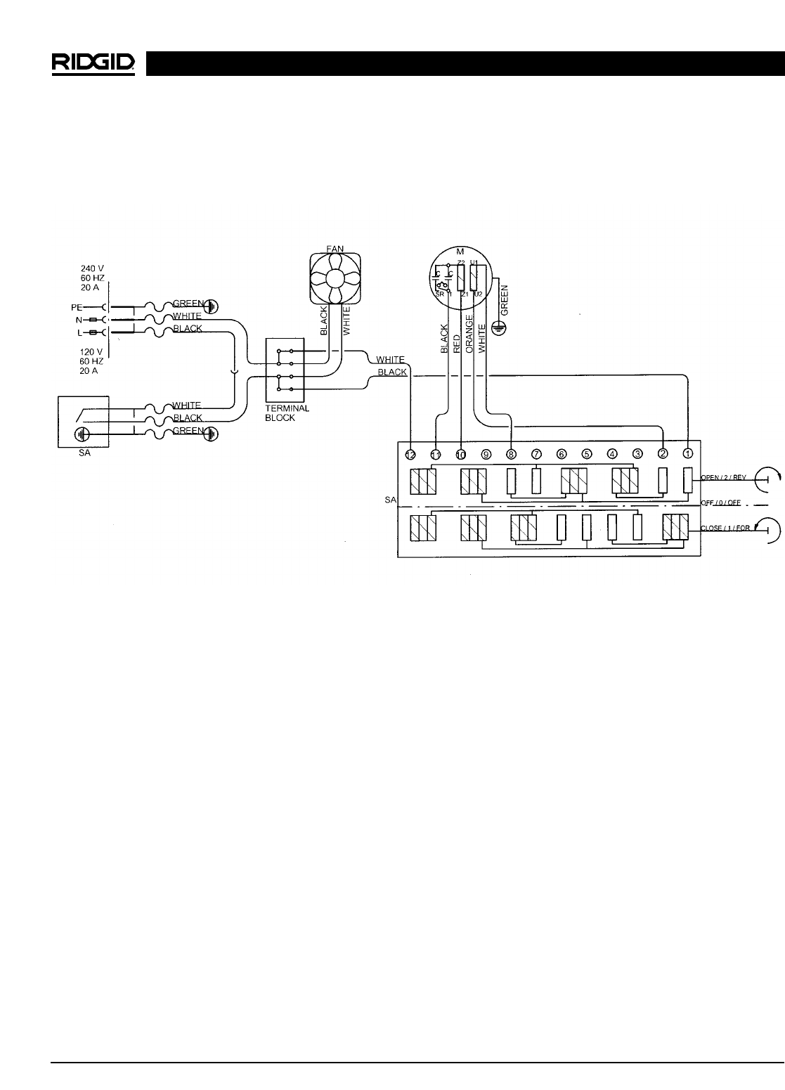
Wiring Diagram............................................................................................................................................................17
Lifetime Warranty .........................................................................................................................................Back Cover

535 Automatic Pipe and Bolt Threading Machine
Record Serial Number below and retain product serial number which is located on nameplate.
Serial
No.
535 Automatic
Pipe and Bolt Threading
Machine

535 Automatic Pipe and Bolt Threading Machine
•Do not abuse cord. Never use the cord to pull the
plug from an outlet. Keep cord away from heat, oil,
sharp edges or moving parts. Replace damaged
cords immediately. Damaged cords increase the
risk of electrical shock.
•When operating a tool outside, use an outdoor
extension cord marked “W-A” or “W”. These cords
are rated for outdoor use and reduce the risk of elec-
trical shock.
•Use only three-wire extension cords which have
three-prong grounding plugs and three-pole recep-
tacles which accept the tool’s plug. Use of other
extension cords will not ground the tool and increase
the risk of electrical shock.
•Use proper extension cords. (See chart.) Insuf-
ficient conductor size will cause excessive voltage
drop and loss of power.
•Keep all electric connections dry and off the
ground. Do not touch plugs or tool with wet hands.
Reduces the risk of electrical shock.
Personal Safety
•Stay alert, watch what you are doing and use
common sense when operating a power tool. Do
not use tool while tired or under the influence of
drugs, alcohol, or medications. A moment of inat-
tention while operating power tools may result in seri-
ous personal injury.
•Dress properly. Do not wear loose clothing or
jewelry. Contain long hair. Keep your hair, clothing,
and gloves away from moving parts. Loose clothes,
jewelry, or long hair can be caught in moving parts.
•Avoid accidental starting. Be sure switch is OFF
before plugging in. Carrying tools with your finger on
the switch or plugging in tools that have the switch ON
invites accidents.
•Remove adjusting keys before turning the tool
ON. A wrench or a key that is left attached to a rotat-
ing part of the tool may result in personal injury.
•Do not overreach. Keep proper footing and bal-
Ridge Tool Company
2
General Safety Information
WARNING! Read and understand all instructions. Failure
to follow all instructions listed below may
result in electric shock, fire, and/or serious
personal injury.
SAVE THESE INSTRUCTIONS!
Work Area Safety
•Keep your work area clean and well lit. Cluttered
benches and dark areas invite accidents.
•Do not operate tools in explosive atmospheres,
such as in the presence of flammable liquids,
gases, or dust. Tools create sparks which may ignite
the dust or fumes.
•Keep bystanders, children, and visitors away while
operating a tool. Distractions can cause you to lose
control.
•Keep floors dry and free of slippery materials
such as oil. Slippery floors invite accidents.
•Guard or barricade the area when work piece
extends beyond machine. A guard or barricade that
provides a minimum of three (3) feet clearance around
the work piece will reduce the risk of entanglement.
Electrical Safety
•Grounded tools must be plugged into an outlet,
properly installed and grounded in accordance
with all codes and ordinances. Never remove the
grounding prong or modify the plug in any way. Do
not use any adapter plugs. Check with a quali-
fied electrician if you are in doubt as to whether the
outlet is properly grounded. If the tool should elec-
trically malfunction or break down, grounding pro-
vides a low resistance path to carry electricity away
from the user.
•Avoid body contact with grounded surfaces. There
is an increased risk of electrical shock if your body is
grounded.
•Don’t expose electrical tools to rain or wet condi-
tions. Water entering a tool will increase the risk of
electrical shock.
Grounding prong
Cover of
grounded
outlet box
Grounding prong
Minimum Wire Gauge for Cord Set
Nameplate
Amps Total Length (in feet)
0 – 25 26 – 50 51 – 100
0 – 6 18 AWG 16 AWG 16 AWG
6 – 10 18 AWG 16 AWG 14 AWG
10 – 12 16 AWG 16 AWG 14 AWG
12 – 16 14 AWG 12 AWG NOT RECOMMENDED

Ridge Tool Company 3
ance at all times. Proper footing and balance enables
better control of the tool in unexpected situations.
•Use safety equipment. Always wear eye protection.
Dust mask, non-skid safety shoes, hard hat, or hearing
protection must be used for appropriate conditions.
Tool Use and Care
•Do not use tool if switch does not turn it ON or
OFF. Any tool that cannot be controlled with the switch
is dangerous and must be repaired.
•Disconnect the plug from the power source before
making any adjustments, changing accessories,
or storing the tool. Such preventive safety mea-
sures reduce the risk of starting the tool accidentally.
•Store idle tools out of the reach of children and
other untrained persons. Tools are dangerous in
the hands of untrained users.
•Check for misalignment or binding of moving
parts, breakage of parts, and any other condition
that may affect the tool's operation. If damaged,
have the tool serviced before using. Many acci-
dents are caused by poorly maintained tools.
•Use only accessories that are recommended for
your tool. Accessories that may be suitable for one tool
may become hazardous when used on another tool.
•Keep handles dry and clean; free from oil and
grease. Allows for better control of the tool.
Service
•Tool service must be performed only by qualified
repair personnel. Service or maintenance performed
by unqualified repair personnel could result in injury.
•When servicing a tool, use only identical replace-
ment parts. Follow instructions in the Maintenance
Section of this manual. Use of unauthorized parts or
failure to follow maintenance instructions may create a
risk of electrical shock or injury.
Specific Safety Information
WARNING
Read this operator’s manual carefully before using
the 535 Automatic Threading Machine. Failure to
understand and follow the contents of this manual
may result in electrical shock, fire and/or serious
personal injury.
Call the Ridge Tool Company, Technical Service
Department at (800) 519-3456 if you have any questions.
Foot Switch Safety
Using a threading machine without a foot switch
increases the risk of serious injury. A foot switch
provides better control by letting you shut off the
motor by removing your foot. If clothing should
become caught in the machine, it will continue to
wind up, pulling you into the machine. Because the
machine has high torque, the clothing itself can bind
around your arm or other body parts with enough
force to crush or break bones.
Machine Safety
•Threading Machine is made to thread and cut
pipe or bolt and to power roll grooving equip-
ment. Follow instructions on proper use of this
machine. Do not use for other purposes such
as drilling holes or turning winches. Other uses or
modifying this power drive for other applications may
increase the risk of serious injury.
•Secure machine to bench or stand. Support long
heavy pipe with pipe supports. This practice will
prevent tipping.
•Do not wear gloves or loose clothing when oper-
ating machine. Keep sleeves and jackets buttoned.
Do not reach across the machine or pipe. Clothing
can be caught by the pipe or machine resulting in
entanglement and serious injury.
•Operate machine from side with REV/OFF/FOR
switch. Eliminates need to reach over the machine.
•Do not use this machine if the foot switch is bro-
ken or missing. Foot switch is a safety device to
prevent serious injury.
•Keep hands away from rotating pipe and fittings.
Stop the machine before wiping pipe threads or
screwing on fittings. Allow the machine to come to
a complete stop before touching the pipe or
machine chucks. This practice will prevent entan-
glement and serious injury.
•Do not use this machine to make or break fittings.
This practice is not an intended use of the machine and
can result in serious injury.
•Keep covers in place. Do not operate the machine
with covers removed. Exposure to moving parts may
result in entanglement and serious injury.
•Lock foot switch when machine is not in use
(Figure 1).Avoids accidental starting.
535 Automatic Pipe and Bolt Threading Machine
WARNING

Ridge Tool Company
4
Figure 1 – Locked Foot Switch
Description, Specifications and
Standard Equipment
Description
The RIDGID Model 535 Automatic Threading Machine
is an electric motor-driven machine which automatically
centers and chucks pipe, conduit and rod (bolt stock) and
rotates it while threading, cutting and reaming operations
are performed. Threading dies are mounted in self-open-
ing, quick-opening die heads or semi-automatic 816/817
die heads. An automatic oiling system is provided to flood
the work with thread cutting oil during threading operations.
Geared Threader can also be used with the Threading
Machine to thread larger diameter pipe.
The RIDGID Model 535 Automatic Threading Machine
can also be used as a power source for roll grooving
equipment. Designed to attach to the carriage rail of
the Threading Machine, the roll grooving equipment
forms standard roll grooves on a variety of pipe sizes and
materials.
Specifications
Threading Capacity .......Pipe 1/8″through 2″
Bolt 1/4″through 2″
Geared Threader:
Pipe 21/2″through 4″
Chuck ............................Automatic Centering
Rear Centering Device....Automatic
Operating Speed ............16, 46, 58 RPM
Motor:
Type............................Induction
Horsepower.................2 HP
Volts............................120V Single Phase AC, 60 Hz
Amps...........................18 Amps
Controls.........................Rotary Type FOR/OFF/REV
Switch & ON/OFF Foot Switch
Pump.............................Gerotor-Type
Cutter.............................No. 820 - Roll-Type Cut-Off,
Self-Centering, Full Floating,
Pipe – 1/8″through 2″,
Bolt – 1/4″through 1″
Reamer..........................No. 341 - Positive-Locking,
5-Flute Cone, Right Hand,
1/8″through 2″
Weight............................350 lbs.
Standard Equipment
Model No. 535 Automatic Threading Machine with
Foot Switch
1 - No. 811-A Universal Quick-Opening Die Head (or
Models 816/817 Semi-automatic Die Heads)
1 - No. 341 Reamer
1 - No. 820 Cutter
1 - Set 1/2″- 3/4″Universal H.S. Dies
1 - Set 1″- 2″Universal H.S. Dies
1 - Gallon Stainless Steel Oil
4 - Hex Wrenches
1 - Spare E-1032 Cutter Wheel
1 - 4 oz. Can White Sealant with Teflon®
Machines listed as 1/8″- 2″include Standard Equipment. Machine
Only includes Standard Equipment less all Die Heads and Dies. All
machines have 60 Hz Induction 2 HP single-phase motors.
NOTE! NPT Dies are for NPT Die heads only. BSPT
Dies are for BSPT Die Heads only. Please use
Catalog Item Nos. when ordering. High-Speed
Dies are recommended for use with the 535
Automatic Threading Machine.
Figure 2 – No. 535 Machine Dimensions
535 Automatic Pipe and Bolt Threading Machine
Standard Machines
Catalog Model Description
No. No. 115V 25-60 Hz RPM
84097 535 115V
1/8″-2″NPT 16, 46, 58
Automatic w/811A Die Head
91142 535 115V Machine 16, 46, 58
Automatic ONLY
91332 535 1/2″- 2″NPT 16, 46, 58
Automatic w/816/817 Semi-automatic
Die Heads
191/4″
201/2″
361/2″O.A.L.
361/2″

Ridge Tool Company 5
Machine Assembly
WARNING
To prevent serious injury, proper assembly of the
Threading Machine is required. The following pro-
cedures should be followed:
Mounting Machine To Stand
1. The machine is designed to mount on the three uni-
versal stands listed.
Figure 3
2. Parts diagram and parts list for the stands are includ-
ed in the 535 Automatic Parts List.
3. Assemble stand with “inside” decals located towards
the inside of the stand (Figure 4).
4. Insert stand stop tabs into bottom of the legs as
shown in the detail drawing. Use the four (4) 3/8″ - 16
x 21/2″hex bolts to secure the legs to the cross-mem-
ber. Adjust the two halves of the stand stop to the
proper distance to fit into the rear legs on the stand.
The stand stop bracket is not required or supplied with
the No. 100 Leg and Tray Stand.
535 Automatic Pipe and Bolt Threading Machine
Die Heads and Dies Pipe Bolt
Model Capacity Capacity Dies Opening Operation
811A NPT 1/8″ - 2″1/4″- 2″Universal Quick R.H.
815A NPT 1/8″ - 2″1/4″ - 2″Universal Self R.H.
842 NPT 1/4″ - 2″—Universal Quick L.H.
816 NPT 1/8″- 3/4″—Universal TAP R.H.
817 NPT 1″- 2″1/4″- 2″Universal TAP R.H.
811A BSPT 1/8″- 2″1/4″ - 2″Universal Quick R.H.
815A BSPT 1/8″- 2″1/4″ - 2″Universal Self R.H.
531 Bolt —1/4″ - 1″500B Quick R.H./L.H.
532 Bolt —11/8″ - 2″500B Quick R.H./L.H.
Universal Pipe Die NPT NPSM
(Catalog Numbers) 1/8″1/4″- 3/8″1/2″- 3/4″1″- 2″1/8″1/4″- 3/8″1/2″- 3/4″1″- 2″
H.S. R.H. 47755 47760 47765 47770 47845 47850 47855 47860
H.S. L.H. —47810 47815 47820 ———70775
H.S. for S.S. R.H. 47775 47780 47785 47790 ————
H.S. for C.I. R.H. ———70740 ————
H.S. for PVC R.H. ——70745 70750 ————
H.S. for Coated R.H. ———31822 ————
Universal Pipe Die BSPT BSPP
(Catalog Numbers) 1/8″1/4″- 3/8″1/2″- 3/4″1″- 2″1/8″1/4″- 3/8″1/2″- 3 /4″1″- 2″
H.S. R.H. 66750 66755 66760 66765 66795 66800 66805 66810
H.S. L.H. —66840 66845 66850 ——
66870 66875
H.S. for S.S. R.H. 66770 66775 66780 66785 66815 66820 66825 66830
H.S. for S.S. L.H. —66855 66860 66865 ————
H.S. for PVC R.H. ——
70755 70760 ——
70765 70770
H.S. for Coated R.H. ———
31837 ————
Note: BSPT and BSPP Dies require a British Model Die Head
Note: L.H. operation of the 1822-I requires special set up
Note: High Speed Dies are recommended for threading 1″- 2″pipe at 45 RPM
Universal Bolt Dies for 811A and 815A Die Heads
Over 90 sets available from 1/4″to 2″, Alloy or High Speed.
Right Hand only in UNC, UNF and BSW thread forms.
500B Bolt Dies for 531 and 532 Die Heads
Over 200 sets for the 531 Bolt Die Head
Over 150 sets for the 532 Bolt Die Head
Mono Dies for Mono (A Series) Die Heads
Machine Stands
Model No. Cat. No. Description
100A 92457 Universal Leg & Tray Stand
150A 92467 Universal Wheel & Tray Stand
200A 92462 Universal Wheel & Cabinet Stand

Machine Inspection
WARNING
To prevent serious injury, inspect your Threading
Machine. The following inspection procedures
should be performed on a daily basis:
1. Make sure Threading Machine is unplugged and the
control switch is set to the OFF position (Figure 5).
Figure 5 – No. 535 Automatic Pipe and Bolt Threading
Machine
2. Clean the chuck jaws with a wire brush.
3. Inspect the jaws for excessive wear or damaged
teeth. Refer to the Maintenance Instructions if they
need to be replaced.
4. Make sure the foot switch is present and attached to
the Threading Machine (Figure 5).
Do not operate the Threading Machine
without a foot switch.
5. Inspect the power cord and plug for damage. If the
plug has been modified, is missing the grounding
Ridge Tool Company
6
NOTE! Insert axle into frame and secure it with a 1/2″
lock washer and nut.
5. Position stand stop bracket so that the end of the
bracket is held in place by the axle shaft. Slide a
wheel onto the axle. Slide a flat washer over the axle
and install a cotter pin to hold the wheel on the axle.
6. Mount machine to the stand using four (4) bolts that
mount into each corner of the base.
For proper balance and operation, RIDGID
machines must be mounted through the appropriate
holes in the legs (Figure 4). Do not mount 535 Automatic
Threading Machine on older RIDGID Universal stands.
Model “A” Stands have special hole location for proper
balance. Model “A” stands have 7/16″holes for use with
this machine.
Mounting Machine To Bench
1. If a stand is not used, the machine should be mount-
ed to a stable bench. To mount the unit on a bench,
use four (4) 5/16″bolts in holes provided at each corner
of machine base. Base dimensions are shown in
Figure 2.
Failure to mount the threading machine
to a stable stand or bench may result in tipping and seri-
ous injury.
Figure 4 – Stand Assembly
535 Automatic Pipe and Bolt Threading Machine
Quick or Self-
Opening Die Head No. 820
Cutter
(Standard)
No. 341
Reamer
Chip
Pan
REV/OFF/FOR
Switch
Foot Switch
Carriage
Handwheel
Length
Gauge
WARNING
WARNING
535
1224
(Rear)
1224
(Front)
535 (Front)
Detail Section
300 Compact
1233, 1822 (Rear)
300 Compact
1233, 1822
(Front)
3/8″- 16 x 21/2″Bolt
4 Required
CAUTION
535
Automatic
535
Automatic
Gear Shift

Machine and Work Area Set-Up
WARNING
To prevent serious injury, proper set-up of the
machine and work area is required. The following
procedures should be followed to set-up the machine:
1. Locate a work area that has the following:
•Adequate lighting.
•No flammable liquids, vapors or dust that may ignite.
•Grounded 20 AMP electrical outlet.
•Clear path to the electrical outlet that does not
contain any sources of heat or oil, sharp edges or
moving parts that may damage electrical cord.
•Dry place for machine and operator. Do not use
the machine while standing in water.
•Level ground.
2. Clean up the work area prior to setting up any equip-
ment. Always wipe up any oil that may have splashed
or dripped from the machine to prevent slips and falls.
3. If the workpiece extends more than four (4) feet beyond
the Threading Machine, use one or more pipe stands
to prevent tipping and the oscillation of the pipe.
4. If the workpiece extends beyond the Threading
Machine, set-up guards or barricades to create a min-
imum of three (3) feet of clearance around the
Threading Machine and workpiece. This “safety zone”
prevents others from accidentally contacting the
machine or workpiece and either causing the equip-
ment to tip or becoming entangled in the rotating parts.
5. If necessary, fill the reservoir with RIDGID Thread
Cutting Oil.
6. Make sure FOR/OFF/REV switch is in the OFF position.
7. Position the foot switch so that the operator can
safely control the machine, tools and workpiece. It
should allow the operator to do the following:
•Stand facing the control switch.
•Use the foot switch with his left foot.
•Have convenient access to the control switch and
tools without reaching across the machine.
Machine is designed for one person operation.
Ridge Tool Company 7
pin or if the cord is damaged, do not use the
Threading Machine until the cord has been replaced.
6. Inspect the Threading Machine for any broken, miss-
ing, misaligned or binding parts as well as any other
conditions which may affect the safe and normal
operation of the machine. If any of these conditions
are present, do not use the Threading Machine until
any problem has been repaired.
7. Lubricate the Threading Machine if necessary accord-
ing to the Maintenance Instructions.
8. Use tools and accessories that are designed for your
Threading Machine and meet the needs of your
application. The correct tools and accessories allow
you to do the job successfully and safely. Accessories
designed for use with other equipment may be haz-
ardous when used with this Threading Machine.
9. Clean any oil, grease or dirt from all handles and
controls. This reduces the risk of injury due to a tool or
control slipping from your grip.
Inspect the cutting edges of your tools and dies. If
necessary, have them replaced prior to using the
Threading Machine. Dull or damaged cutting tools and
dies can lead to binding, tool breakage and poor
quality threads.
NOTE! High speed dies are recommended for use with
this machine. Because of its high speed, alloy
dies will wear quickly and produce poor quality
threads.
10. Clean metal shavings and other debris from the chip
tray of the Threading Machine. Check the level and
quality of the thread cutting oil. Replace or add oil if
necessary. Reservoir in the base will hold approxi-
mately seven (7) quarts of thread cutting oil.
NOTE! Thread cutting oil lubricates and cools the threads
during the threading operation. A dirty or poor
grade cutting oil can result in poor thread quality.
NOTE! For quality threads use RIDGID Stainless Steel
Oil when threading at 58 RPM.
NOTE! To drain dirty oil and properly maintain the oil
system, refer to the “Maintenance Instructions”.
535 Automatic Pipe and Bolt Threading Machine

Ridge Tool Company
8
8. Plug the Threading Machine into the 20 AMP elec-
trical outlet making sure to position the power cord
along the clear path selected earlier. If the power
cord does not reach the outlet, use an extension
cord in good condition.
WARNING
To avoid electrical shock and electrical fires, never use
an extension cord that is damaged or does not meet the
following requirements:
•The cord has a three-prong plug similar to shown
in Electrical Safety section.
•The cord is rated as “W” or “W-A” if being used
outdoors.
•The cord has sufficient wire thickness (14 AWG
below 25′/12 AWG 25′ - 50′). If the wire thickness is
too small, the cord may overheat, melting the cord’s
insulation or causing nearby objects to ignite.
To reduce risk of electrical shock, keep
all electrical connections dry and off the ground. Do
not touch plug with wet hands.
9. Check the Threading Machine to insure it is operating
properly.
•Flip the control switch to FOR. Press and release
the foot switch. Check that the Threading Machine
rotates in a counterclockwise direction as you are
facing the front chuck and that the jaws close down
toward center. Have the Threading Machine ser-
viced if it rotates in the wrong direction or if the
foot switch does not control its stopping or starting.
•Depress and hold the foot switch. Inspect the
moving parts for misalignment, binding, odd nois-
es or any other unusual conditions that may affect
the safe and normal operation of the machine. If
such conditions are present, have the threading
machine serviced.
•Flip the control switch to REV (Reverse). Press and
release the foot switch. Check that the Threading
Machine rotates in a clockwise direction as you are
facing the chuck and that the jaws open.
•Release the foot switch and flip the control switch
to OFF.
Operation Using
Machine-Mounted Tools
WARNING
Do not wear gloves or loose clothing when oper-
ating Threading Machine. Keep sleeves and jack-
ets buttoned. Do not reach across the machine or
pipe or inside chuck openings.
Do not use this Threading Machine if the foot switch
is broken or missing. Always wear eye protection to
protect eyes from dirt and other foreign objects.
Keep hands away from rotating pipe and fittings.
Stop the machine before wiping pipe threads or
screwing on fittings. Allow the machine to come to
a complete stop before touching the pipe.
Do not use this machine to “make-on” or “break
off” fittings. This practice is not an intended use of
this Threading Machine.
Installing and Chucking Pipe In
Threading Machine:
1. Check to insure the cutter, reamer and die head are
swung to UP position.
2. Mark the pipe at the desired length if it is being cut to
length.
3. Place speed selector into 46 or 58 RPM position.
4. Insert the pipe into the Threading Machine so that the
end to be worked or the cutting mark is located about
12 inches to the front of the automatic chuck covers.
Never reach inside chuck cover while
the machine is connected to a power source.
5. Insert workpieces less than 2 feet long from the front
of the machine. Insert longer pipes through either
end so that the longer section extends out beyond the
rear of the Threading Machine.
To avoid equipment tip-overs, position
the pipe supports under the workpiece.
6. Place the control switch in the FOR position and
step on machine’s foot switch. The machine will auto-
matically center and grip pipe or bolt.
NOTE! If pipe is chucked off center, run the machine in
the REV switch position to release pipe and
rechuck. Slight off center chucking can be cor-
rected with a normal ream or cut-off operation.
535 Automatic Pipe and Bolt Threading Machine
WARNING
WARNING
WARNING

Ridge Tool Company 9
Cutting Pipe with No. 820 Cutter
1. Swing reamer and die head to UP position.
2. Move pipe cutter DOWN onto pipe and move car-
riage with handwheel to line up cutter wheel with
mark on pipe.
3. Tighten cutter feed screw handle on pipe keeping
wheel aligned with the pipe. (Figure 6)
4. Assume the correct operating posture.
Figure 6 – Cutting Pipe with 820 Cutter
This will allow you to maintain proper bal-
ance and to safely keep control of the machine and tools.
•Be sure you can quickly remove your foot from
the foot switch.
•Stand facing the control switch.
•Be sure you have convenient access to control
and speed switches and tools.
•Do not reach across the machine or workpiece.
5. Grasp the pipe cutter’s feedscrew handle with both
hands.
6. Depress and hold down the foot switch with the left foot.
7. Tighten the feedscrew handle slowly and continu-
ously until the pipe is cut. Do not force the cutter
into the workpiece.
8. Release the foot switch and remove your foot from the
housing.
9. Swing pipe cutter back to the UP position.
Figure 7 – Reaming with 341 Reamer
Reaming Pipe with No. 341 Reamer
1. Move reamer arm into DOWN position.
2. Extend reamer by pressing latch and sliding knob
toward pipe until latch engages bar.
3. Depress and hold the foot switch down with left foot.
4. Position reamer into pipe and complete reaming by
exerting pressure on handwheel. (Figure 7)
5. Retract reamer bar and return reamer to UP position.
6. Release foot switch and remove your foot from the
housing.
Threading Pipe or Rod with
Quick-Opening, Self-Opening or
Semi-Automatic Die Head
1. Install die set. Refer to die installation procedure.
Set die head to proper size.
2. Swing cutter and reamer to UP position.
3. Swing die head to DOWN position with throwout
lever set to CLOSE position.
4. Check gear shift lever and place it in the proper
speed shown in the speed selection chart.
535 Automatic Pipe and Bolt Threading Machine
WARNING

NOTE! Failure to select proper speed may result in
motor stalling under low voltage conditions.
5. Turn carriage handwheel to bring dies against end of
pipe. Slight pressure on handwheel will start dies.
(Figure 8)
Figure 8 – Threading With 535 Automatic Threading
Machine
6. Quick-Opening 811A Die Head (Figure 9) – When the
end of the pipe being threaded is flush with the end of
the number 1 die, rotate throwout lever to OPEN
position, retracting dies.
Self-Opening 815A Die Head (Figure 10) – When die
head trigger contacts end of pipe, throwout lever is
automatically opened.
Ridge Tool Company
10
Semi-automatic die head (Figure 11) – When the end
of the pipe being threaded is flush with the end of the
number 1 die, hit the handle for the dies to release
the pipe.
7. Turn carriage handwheel to back die head off pipe.
8. Move die head back to UP position.
Removing Pipe From
The Threading Machine
1. Turn the control switch to the REV position. Depress
foot switch and machine will release the pipe.
2. Release foot switch and turn control switch to the
OFF position.
Never reach inside chuck cover while
machine is connected to a power source. Fingers can be
crushed.
3. Slide the workpiece out of the Threading Machine,
keeping a firm grip on the workpiece as it clears the
Threading Machine.
To avoid injury from falling parts or equip-
ment tip-overs when handling long workpieces, make
sure that the end farthest from the Threading Machine is
supported prior to removal.
4. Clean up any oil spills or splatter on the ground sur-
rounding the Threading Machine.
Installing Dies in Quick-Opening Die
Head (Right Hand and Left Hand)
The No. 811A Universal Die Head (Figure 9) for right
hand threads requires four sets of dies to thread pipe
ranging from 1/8″through 2″. One set of dies is required
for each of the following pipe size ranges: (1/8″), (1/4″
and 3/8″), (1/2″and 3/4″) and (1″through 2″). Bolt threading
requires a separate set of dies for each bolt size. No bolt
dies are available for left hand universal die heads.
1. Lay die head on bench with numbers face up.
2. Flip throwout lever to OPEN position.
3. Loosen clamp lever approximately three turns.
4. Lift tongue of clamp washer up and out of slot under
size bar. Slide throwout lever all the way to end of slot
in the change die direction indicated on cam plate.
5. Remove dies from die head.
6. Insert new dies to mark on side of dies. Numbers 1
through 4 on the dies must match numbers on the
die head.
7. Slide throwout lever back so that tongue of clamp
lever washer will drop in slot under size bar.
535 Automatic Pipe and Bolt Threading Machine
WARNING
WARNING
Speed Selection Chart
Size/Material Recommended RPM
11/2″– 2″Pipe 46
1/8″– 11/4″Pipe 58
High Torque Applications 16
• Stainless Steel
• Bar Stock Rc30
Grooving Pipe 46

9. With head in vertical position, rotate cam plate until roll
pin on lock screw can be positioned in slot under size
bar. In this position dies will lock in die head. Make
sure roll pin points toward end of size bar marked
REMOVE DIES.
10. Adjust die head size bar until index line on lock screw
or link is aligned with proper size mark on size bar.
Figure 10 – Universal Self-Opening Die Head
11. Tighten clamp lever.
12. If oversize or undersize threads are required, set
the index line in direction of OVER or UNDER size
mark on size bar.
NOTE! When left hand threading the UNDER/OVER
position are reverse.
Ridge Tool Company 11
8. Adjust die head size bar until index line on link is
aligned with proper size mark on size bar. For bolt
threads, align index line with bolt line on size bar.
Figure 9 – Universal Quick-Opening Die Head
9. Tighten clamp lever.
10. If oversize or undersize threads are required, set
the index line in direction of OVER or UNDER size
mark on size bar.
Installing Dies in Self-Opening Die Head
(Right Hand only)
The No. 815A Self-Opening Die Head (Figure 10) for
right-hand threads requires four sets of dies to thread
pipe ranging from 1/8″- 2″. One set of dies is required for
each of the following pipe size ranges: (1/8″), (1/4″- 3/8″), (1/2″
- 3/4″), and (1″- 2″). Bolt threading requires a separate set
of dies for each bolt size.
1. Place self-opening die head on bench in vertical
position.
2. Make sure trigger assembly is released.
3. Loosen clamp lever approximately six full turns.
4. Pull lock screw out of slot under size bar so that roll
pin in lock screw will bypass slot. Position size bar so
that index line on lock screw is aligned with the end of
REMOVE DIES position.
5. Lay head down with numbers up.
6. Remove dies from die head.
7. Insert new dies to mark on side of dies. Numbers 1
through 4 on the dies must match numbers on the
die head.
8. Move throwout lever back to lock in dies.
535 Automatic Pipe and Bolt Threading Machine
Index Line
Link
Throwout
Lever
Washer
Head
Clamp Lever
Size Bar
Roll Pin
Index Line
Size Bar
Lock Screw
Throwout
Lever
Clamp
Lever
Trigger
Assembly

Checking Thread Length
(Figure 12)
1. Thread is cut to proper length when end of pipe is
flush with edge of dies (Figure 12A).
2. Die head is adjustable to obtain proper thread diam-
eter. If possible, threads should be checked with a
thread ring gage (Figure 12B). A proper thread is
cut when end of pipe is plus or minus one turn of
being flush with face of ring gage.
Figure 12 – Checking Thread Length
No. 819 Nipple Chuck and
No. 839 Adapter Kit
Installation
(Figure 13)
Figure 13
1. The machine utilizes No. 819 Nipple Chuck and
existing size adapter. Mounting requires No. 839
Adapter Kit.
Ridge Tool Company
12
Installing Dies in
Model 816/817 Die Heads
The Semi-Automatic Die Head (Figure 11) for right
hand threads requires four sets of dies to thread pipe
ranging from 1/8″through 2″. One set of dies is required
for each of the following pipe size ranges: (1/8″), (1/4″
and 3/8″), (1/2″ and 3/4″) and (1″ through 2″). Bolt threading
requires a separate set of of dies for each bolt size.
1. Depress handle so that camplate rests (Figure 11 –
Model 816/817 Die Head) against the stop. (As
shown).
2. Lay the Die Head down flat on a table or bench with
the numbers facing up.
3. Pull up on the plunger knob and push the handle all
the way to the left.
4. Select the correct dies for the size desired. (Size
marked on the back end or face of the dies.)
5. Numbers on the Dies must correspond with those on
the Die Head Slots. Insert Dies to the line marked on
the Dies – numbered edge up.
6. Rotate the handle back to the right so that the plunger
knob pops back down flush against the Die Head.
7. To set or adjust for desired size loosen the screw for
the desired position block size, move the block to the
right to make it Under-Size and to the left to make it
Over- Sized. When setting blocks for new dies start
with the position block on the middle mark and
adjust from there.
Figure 11 – Semi-Automatic Die Head
535 Automatic Pipe and Bolt Threading Machine
WW
DDD
Die
Pipe
Die
Pipe
A - Full Width Die Thread
Starting to Cut Thread
Flush
(Basic Size) One Turn Large
(Maximum Size) One Turn Small
(Minimum Size)
Thin Ring
Gage
Completed Thread
Die Flush
With End
of Pipe
B - Checking Threads Within Pipe Gage
Handle
Plunger Knob
Size Stop

535 Automatic Pipe and Bolt Threading Machine
Remove wrench before depressing die
head switch or starting the machine.
5. Screw nipple into adapter and ream and thread other
end. (Figure 15)
Operation Instructions Using
Geared Threaders
WARNING
Do not wear gloves or loose clothing when oper-
ating Threading Machine. Keep sleeves and jack-
ets buttoned. Do not reach across the machine or
geared threader.
Do not use this Threading Machine if the foot
switch is broken or missing. Always wear eye
protection to protect eyes from dirt and other for-
eign objects.
To prevent tipping, proper set-up of the Threading
Machine and Geared Threader is required. Follow
instructions carefully.
Only use the Model 141 Geared Threader with
this machine. Do not use the 840A Drive Bar.
Geared Threaders weigh 95 pounds. Two (2) per-
sons should be used to lift this threader.
Adjusting No. 141 Geared Threader
1. With the No. 141 Geared Threader on floor and drive
shaft facing up, pull two cam plate knobs and rotate
cam plate to desired size. Locating pins will drop
into holes in selector plate.
Thread Size Adjustment
(Figure 16)
1. For standard thread depth, hold workholder sta-
tionary and rotate gear case by hand until stan-
dard line on pinion sleeve is flush with bottom of die
head or the standard line on guide post if flush with
top of die head.
2. For oversize threads, rotate gear case until the 2T
over line on guide post is flush with top of die head.
3. For undersize threads, rotate gear case until the 2T
line on guide post is flush with top of die head.
Ridge Tool Company 13
2. Assemble the 839 nipple chuck.
3. Turn control switch to the REV position and depress
foot switch to fully open chuck.
NOTE! Make sure that special front retainer plate is
installed to allow for use of 819 and 839 adapter.
4. Insert the adapted No. 819 Nipple Chuck, tube end
first, into chuck of No. 535 Automatic machine. Rotate
assembly until key on 839 slides into notch.
Nipple Threading Procedure
(See Figures 14 & 15)
1. Ream, thread and cut pipe to desired length using
standard procedures.
2. Install No. 819 and 839 adapter (see above).
3. Position insert with small end toward adapter for 1/8″ to
3/4″pipe, large end toward adapter for 1″pipe and no
insert for pipe 11/4″and up.
4. Install proper adapter and tighten with wrench.
(Figure 14)
Figure 14 – Installing Nipple Chuck Body and Adapter
Figure 15 – Installing Unfinished Nipple and Releasing
Finished Nipple with Wrench
WARNING
Nipple Chuck
Insert Adapter
Wrench
Nipple
Release
Collar
Wrench

535 Automatic Pipe and Bolt Threading Machine
Indexing Guide Post For Straight Or
Tapered Threads
(Figure 17)
1. At a standard size thread setting, remove set screw at
base of guide post and pull post through die head.
2. For tapered threads, insert guide post with the diag-
onal slot inward through die head. Guide block will
engage diagonal slot and post will rotate toward
gear case.
3. For straight threads, insert guide post with straight slot
inward through die head to the gear case.
4. With guide block in diagonal/straight slot, replace
set screw.
Ridge Tool Company
14
Changing Dies
(Figure 17)
1. Remove stop screw.
2. Pull Knobs and rotate cam plate to CD mark.
3. Remove Die #1 and insert new Die #1 (repeat).
4. Rotate cam plate to size.
5. Replace stop screw.
NOTE! If it becomes necessary to remove or replace
the guide block, the stamped number E-1997 on
guide block must be AGAINST selector plate. If
number is visible you will cut an UNDERSIZE
thread.
Operating No. 141 Geared
Threader
Installing No. 141 Geared Threader
Mounting No. 141 Geared Threader on machine requires
a Carriage Mount Kit. The kit includes a carriage saddle,
carriage connecting link, reversing drive shaft and oil
routing manifold. The machine must be in the FORWARD
operating mode for No. 141 Geared Threader operation.
1. Remove cutter, die head and reamer from machine.
2. Install carriage saddle.
3. Install oil manifold.
Figure 17 – No. 141 Geared Threader showing Pinion
Sleeve and Guide Post Reference Lines
Die (Set of 5) Guide
Block
2T Under
Line
Standard
LIne
2T Over
Line
Screw
Guide Post
Gear Case
Selector
Plate
Die Head
Stop
Screw
Red Stop
Line
Standard
Line
Pinion
Sleeve
Guide Post
Head
Drive Shaft
Clamp Screw
Cam Plate
Knob (2)
Reference
Lines (3)
Figure 16 – No. 141 Geared Threader with Drive Shaft
Up

Ridge Tool Company 15
535 Automatic Pipe and Bolt Threading Machine
4. From the rear of machine, install drive shaft through
spindle tube up to front cover. A counter-clockwise
rotation is necessary for drive shaft installation or
removal.
Jaws must be fully open to install or remove
drive shaft.
5. With carriage away from chuck, carefully place No.
141 Geared Threader on the carriage saddle and
install connecting link.
6. From machine rear, rotate and push drive shaft onto
square shaft of No. 141. Tighten set screws. Tighten
connecting link set screw.
7. With No. 141 set at standard line, rotate carriage
handwheel until assembly is 1″from front chuck
cover.
Threading 21/2″To 4″Pipe (46 RPM)
1. Adjust No. 141 Geared Threader and install to 535
Automatic.
2. Support pipe with a pipe stand.
3. Insert pipe into the throat of dies and tighten
workholder and clamp screw.
4. Direct oil spout at dies and place oil manifold lever in
required position.
5. Place control switch in the FOR position and with
transmission lever in the 46 RPM position, depress
foot switch.
6. Thread until the red stop line appears on pinion
sleeve (reference the guide post markings for over-
sized or undersized threads.)
7. To back off threader, place control switch in the REV
position and depress foot switch.
8. After 1/4″turn, stop machine, pull cam plate knobs and
rotate cam plate toward CD mark of die head.
9. Loosen clamp screw and open workholder. Remove
the pipe.
10. Depress foot switch and reset No. 141 to standard
line.
If threaded barrel becomes disengaged from
workholder, it must be re-engaged by hand on a work-
bench. DO NOT use power.
NOTE! If a ring gauge is not available, a fitting can be
used. This fitting should be representative of
those being used on the job. The pipe thread
should be cut to obtain 2 to 3 turns hand tight
engagement with fitting. If pipe thread is not
proper diameter the index line should be moved
in the direction of the OVER or UNDER size
mark on size bar. (Refer to “Installing Dies In
Die Heads”).
Left Hand Machine Operation
Machine is capable of left hand operation. However, user
or Authorized Service Center modification is required
Simply, remove rear chuck cover, E-clips and plate. Flip
cover plate so that pin faces outward. Reinstall retaining
E-clips and rear chuck cover (Figures 18A, 18B and
18C). In addition, a left hand die head must be pinned to
the near side of the carriage through the hole in car-
riage rest.
NOTE! Left hand reaming requires an E-863 Reamer
Cone.
CAUTION
CAUTION
Figure 18A – Removing
Rear Chuck
Cover
Figure 18B – Removing
Cover Plate
E-clips
Figure 18C – Flipping
Cover Plate
Pin

Ridge Tool Company
16
Oil Line Set Up for Left Hand Operation
1. For left hand operation the oil supply line to the car-
riage connects to the oil pump fitting marked IN.
2. For left hand operation the oil return line connects to
the oil pump fitting marked OUT.
NOTE! For right hand operation oil lines are reversed
from the positions described above.
WARNING
In the left hand operating mode the main control
switch positions are reversed. FOR becomes REV.
REV becomes FOR.
Accessories
Only the following RIDGID products have
been designed to function with the 535 Automatic
Threading Machine. Other accessories designed for
use with other tools may become hazardous when used
on this Threading Machine. To prevent serious injury,
use only the accessories listed below.
Accessories For Threading Machine
Die Head Racks:
4U...........................holds 4 heads
6U...........................holds 6 heads
Stands:
No. 100A.................4 legs w/tray
No. 150A.................2 wheels w/tray
No. 200A...................2 wheels w/enclosed cabinet
Pipe Support Stands
No. 819 Nipple Chuck (Right Hand only):
No. 839 Adapter Kit
Pipe Adapters...........1/8″through 11/2″
Stud Adapters..........1/4″through 2″UNC
1/4″through 11/2″UNF
Accessories for Threading By Close-Coupled
Method
Carriage Mount Kit
No. 141 Geared Threader…for threading
21/2″ – 4″pipe
Pipe Support Stand
NOTE! See Ridge Tool catalog for complete list of pipe
supports, thread cutting oil and dies.
Maintenance Instructions
WARNING
Make sure machine is unplugged from power
source before performing maintenance or mak-
ing any adjustment.
Lubrication
(Figure 19)
Proper lubrication is essential to trouble-free operation
and long life of Power Drive.
1. Remove four (4) cover mounting screws and remove
the cover.
2. Use grease gun to apply grease to the shaft bearing
grease fittings every 2 to 6 months, depending upon
frequency of machine use.
3. Apply moderate coat of lubricating grease on large
gear each time bearings are lubricated.
Do not operate the threading machine
with cover off. Always replace cover immediately after
lubricating machine.
Oil System Maintenance
To help assure proper operation of threading machine,
keep oil system clean, as follows:
1. Replace thread cutting oil when it becomes dirty or
contaminated. To drain the oil, position a container
under drain valve and open valve.
2. To clean filter screen, loosen the screw that secures
filter to base and pull filter from oil line. Clean filter
screen in solvent and blow out with compressed air
if available. Do not operate machine with oil filter
screen removed.
NOTE! RIDGID Thread Cutting Oil produces high quality
threads and maximizes die life. For information
concerning its use and handling, refer to the labels
on the oil containers. Disposal of the oil should be
in accordance with government regulations.
535 Automatic Pipe and Bolt Threading Machine
WARNING
WARNING

Machine Storage
Motor-driven equipment must be kept
indoors or well covered in rainy weather. Store the
machine in a locked area that is out of reach of children
and people unfamiliar with threading machines. This
machine can cause serious injury in the hands of
untrained users.
Service and Repair
WARNING
Service and repair work on this Threading Machine
must be performed by qualified repair personnel.
Machine should be taken to a RIDGID Independent
Authorized Service Center or returned to the factory. All
repairs made by Ridge service facilities are warranted
against defects in material and workmanship.
When servicing this machine, only identical replace-
ment parts should be used. Failure to follow these
instructions may create a risk of electrical shock or
other serious injury.
If you have any questions regarding the service or repair
of this machine, call or write to:
Ridge Tool Company
Technical Service Department
400 Clark Street
Elyria, Ohio 44035-6001
Tel: (800) 519-3456
E-Mail: techservices@ridgid.com
For name and address of your nearest Independent
Authorized Service Center, contact the Ridge Tool
Company at (800) 519-3456 or http://www.ridgid.com
Ridge Tool Company 17
Figure 19 – Lubricating Machine
Cleaning Oil System
1. Place container under drain valve.
2. Open valve and drain oil.
3. Slide out chip tray and clean reservoir with mineral
spirits.
4. Use a putty knife to remove pipe scale, metal shav-
ings and dirt. Clean with mineral spirits.
5. Remove oil filter and clean screen in solvent and
blow out with compressed air if available.
Jaw Replacement
NOTE! When teeth on jaw become worn and fail to hold
pipe or rod during operation, replace entire set of
jaws. Clean teeth of jaws daily with wire brush.
1. Remove front cover.
2. Remove front support plate.
3. Remove jaws from shafts.
4. Replace with new jaws or flip over to unused side.
NOTE! Ensure key is in shaft when placing jaw onto
shaft.
5. Secure front support plate with e-clips.
6. Secure front cover with cap screws.
NOTE! Rear jaws do not have any teeth as they are for
centering purposes only. No need to replace
these jaws.
Drive Belt Inspection
The drive belt should be periodically inspected for prop-
er tension. 1/8″deflection of belt under moderate press (4
lbs.) is adequate tension. If belt shows sign of wear, it
should be replaced.
535 Automatic Pipe and Bolt Threading Machine
WARNING
Lubricate Gear
Grease Fittings

Ridge Tool Company
18
535 Automatic Pipe and Bolt Threading Machine
535 Wiring Diagram – 120V

Machine à Fileter
Automatique pour Tuyaux et
Boulons Modèle 535
Machine à Fileter Automatique pour Tuyaux et Boulons
Modèle 535
Inscrivez ci-dessous le numéro de série de la plaque signalétique l’appareil pour future référence.
N° de
série :

Machine à fileter automatique pour tuyaux et boulons Modèle 535
Ridge Tool Company
20
Table des Matières
Fiche d’enregistrement du numéro de série de la machine....................................................................................19
Consignes Générales de Sécurité
Sécurité du chantier..................................................................................................................................................21
Sécurité électrique ....................................................................................................................................................21
Sécurité personnelle .................................................................................................................................................21
Utilisation et entretien de l’appareil...........................................................................................................................22
Réparations...............................................................................................................................................................22
Consignes de Sécurité Particulières
Sécurité de la pédale de commande ........................................................................................................................22
Sécurité de la machine .............................................................................................................................................22
Description, Spécification et Equipements de Base
Description................................................................................................................................................................23
Spécifications............................................................................................................................................................23
Equipements de base ...............................................................................................................................................24
Têtes de filière et filières...........................................................................................................................................25
Montage de la Machine
Montage de la machine sur support..........................................................................................................................24
Montage de la machine sur établi.............................................................................................................................25
Inspection de la Machine............................................................................................................................................26
Préparation de la Machine et du Chantier.................................................................................................................27
Utilisation de la Machine et de ses Outils
Installation et mandrinage des tuyaux ......................................................................................................................28
Coupe des tuyaux à l’aide du coupe-tubes N° 820...................................................................................................29
Alésage des tuyaux à l’aide de l’alésoir N° 341........................................................................................................29
Filetage des tuyaux et boulons à l’aide des filières à ouverture rapide, ouverture automatique et ouverture
semi-automatique ..................................................................................................................................................29
Dépose des tuyaux ...................................................................................................................................................30
Installation des filières sur la tête de filière à ouverture rapide (filetages à droite et à gauche) ...............................30
Installation des filières sur la tête de filière à ouverture automatique (filetage à droite uniquement) .......................31
Installation des filières sur les têtes de filière N° 816 et N° 817................................................................................32
Vérification de la longueur de filetage.......................................................................................................................32
Mandrin à Raccords N° 819 et Adaptateur N° 839
Installation ................................................................................................................................................................33
Filetage des raccords................................................................................................................................................33
Utilisation des Filières Démultipliées
Réglage de la filière démultipliée N° 141..................................................................................................................34
Réglage des dimensions de filets .............................................................................................................................34
Guides indexés pour filetages droits et coniques .....................................................................................................34
Remplacement des filières........................................................................................................................................35
Utilisation de la Filière Démultipliée N° 141 avec Ensemble Chariot N° 241.........................................................35
Utilisation de la Machine pour Filetages Inversés ...................................................................................................36
Accessoires .................................................................................................................................................................36
Entretien
Lubrification de la machine .......................................................................................................................................37
Entretien du système de lubrification des filières......................................................................................................37
Nettoyage du système de lubrification......................................................................................................................37
Remplacement des mâchoires .................................................................................................................................37
Inspection de la courroie d’entraînement..................................................................................................................38
Stockage de la machine............................................................................................................................................38
Entretien et Réparations.............................................................................................................................................38
Schéma Electrique ......................................................................................................................................................39
Garantie à vie ...........................................................................................................................................Page de garde

Ridge Tool Company 21
Machine à fileter automatique pour tuyaux et boulons Modèle 535
•Evitez tout contact avec les surfaces mises à la
terre. Le contact avec des masses augmente les
risques de choc électrique.
•N’exposez pas les appareils électriques aux intem-
péries ou à l’eau. Toute pénétration d’eau à l’intérieur
de l’appareil augmente les risques de choc électrique.
•Ne maltraitez pas le cordon électrique de l’appareil.
Ne jamais porter l’appareil par son cordon élec-
trique, ni tirer sur celui-ci pour débrancher
l’appareil. Gardez le cordon à l’abri des sources de
chaleur, de l’huile, des angles tranchants et des
pièces mobiles. Remplacez immédiatement tout
cordon endommagé. Les cordons endommagés
augmentent les risques de choc électrique.
•A l’extérieur, utilisez une rallonge électrique por-
tant l’indication “W-A” ou “W”. Ce type de cordon
est prévu pour être utilisé à l’extérieur et réduit les
risques de choc électrique.
•Utilisez uniquement des rallonges à trois fils
équipées d’une fiche bipolaire plus terre à trois
barrettes et d’une prise bipolaire plus terre qui
correspond à la fiche de l’appareil. L’utilisation
d’autres types de rallonge électrique n’assurera pas la
mise à la terre de l’appareil et augmentera les risques
de choc électrique.
•Utilisez la section de rallonge appropriée (voir le
tableau). Une section de conducteurs insuffisante
entraînera des pertes de charge excessive et un
manque de puissance.
•Gardez toutes connexions électriques au sec et
surélevées. Ne touchez pas les fiches électriques
ou l’appareil avec les mains mouillées. Cette pré-
caution réduira les risques de choc électrique.
Sécurité personnelle
•Soyez attentif, faites attention à ce que vous faites
et faites preuve de bon sens lorsque vous utilisez
un appareil électrique. N’utilisez pas ce type
d’appareil lorsque vous êtes fatigués ou lorsque
vous prenez des médicaments, de l’alcool ou des
produits pharmaceutiques. Un instant d’inattention
Consignes générales de sécurité
MISE EN GARDE ! Familiarisez-vous avec l’ensemble des
instructions. Le respect des consignes
suivantes vous permettra d’éviter les
risques de choc électrique, d’incendie
et de blessure corporelle grave.
CONSERVEZ CES INSTRUCTIONS !
Sécurité du chantier
•Gardez le chantier propre et bien éclairé. Les étab-
lis encombrés et les locaux mal éclairés sont une
invitation aux accidents.
•N’utilisez pas d’appareils électriques dans un
milieu explosif tel qu’en présence de liquides, de
gaz ou de poussières inflammables. L’appareil pro-
duit des étincelles qui pourraient provoquer la com-
bustion des poussières et vapeurs.
•Gardez les tiers, les enfants et les visiteurs à
l’écart lorsque vous utilisez un appareil électrique.
Les distractions peuvent vous faire perdre le contrôle
de l’appareil.
•Assurez-vous que les sols sont secs et exempts
d’huile ou d’autres matières visqueuses. Les sols
glissants sont une invitation aux accidents.
•Clôturez ou barricadez votre chantier lorsque le
tuyau dépasse le gabarit de l’appareil. Une clôture
ou barricade assurant un dégagement minimum d’un
mètre autour du tuyau réduit les risques
d’enchevêtrement.
Sécurité électrique
•Les appareils électriques avec terre doivent être
branchés sur une prise avec terre appropriée et
conforme aux normes en vigueur. Ne jamais
enlever la barrette de terre ou tenter de modifier
la fiche d’aucune manière. Ne jamais utiliser
d’adaptateurs de prise. Consultez un électricien
qualifié en cas de doute sur la bonne mise à la
terre de la prise. Dans le cas d’une panne ou d’une
défaillance électrique de l’appareil, la terre assure un
passage de faible résistance qui éloigne le courant
électrique de l’opérateur.
Barrette de terre
Prise
avec
terre
Barrette de terre
Section minimale des fils conducteurs des rallonges
Ampères indiqués
sur la plaque Longueur totale (en pieds)
signalétique
0 à 25 26 à 50 51 à 100
0 à 6 18 AWG 16 AWG 16 AWG
6 à 10 18 AWG 16 AWG 14 AWG
10 à 12 16 AWG 16 AWG 14 AWG
12 à 16 14 AWG 12 AWG Déconseillé

Ridge Tool Company
22
Machine à fileter automatique pour tuyaux et boulons Modèle 535
peut entraîner de graves blessures lorsque l’on utilise
un appareil électrique.
•Habillez-vous de manière appropriée. Ne portez
pas de vêtements amples ni de bijoux. Attachez les
cheveux longs. Gardez vos cheveux, vos vête-
ments et vos gants à l’écart des pièces mobiles.
Les vêtements amples, les bijoux et les cheveux longs
peuvent s’entraver dans les pièces mobiles.
•Evitez les risques de démarrage accidentel.
Assurez-vous que l’interrupteur marche/arrêt est en
position OFF (arrêt) avant de brancher l’appareil. Le
fait de porter l’appareil avec votre doigt sur la gâchette
ou le brancher lorsque son interrupteur est en position
de marche, est une invitation aux accidents.
•Enlevez les clés de réglage et autres outils avant
de mettre l’appareil en marche. Une clé laissée sur
une partie rotative de l’appareil peut entraîner des
blessures corporelles
•Ne vous mettez pas en porte-à-faux. Maintenez
une bonne assise et un bon équilibre à tout
moment. Une bonne assise et un bon équilibre vous
permettent de mieux contrôler l’appareil en cas
d’imprévu.
•Utilisez les équipements de sécurité appropriés.
Portez une protection oculaire systématiquement.
Un masque à poussière, des chaussures de sécurité,
le casque et/ou une protection auditive doivent être
portés selon les conditions d’utilisation.
Utilisation et entretien de l’appareil
•N’utilisez pas un appareil si son interrupteur ne
permet pas de le mettre en marche ou de l’arrêter.
Tout appareil qui ne peut pas être contrôlé par son
interrupteur est dangereux et doit être réparé.
•Débranchez le cordon électrique de l’appareil
avant tout réglage, changement d’accessoires ou
rangement de celui-ci. De telles mesures préventives
réduisent le risque de démarrage accidentel de
l’appareil.
•Rangez les appareils non utilisés hors de la portée
des enfants et des personnes non-initiées. Ces
appareils sont dangereux entre les mains de person-
nes non initiées.
•Assurez-vous qu’il n’y a pas de mauvais aligne-
ment ou de grippage des pièces rotatives ou
d’autres conditions qui pourraient entraver le bon
fonctionnement de l’appareil. Le cas échéant,
faire réparer l’appareil avant de vous en servir. De
nombreux accidents sont le résultat d’un appareil
mal entretenu.
•Utilisez exclusivement les accessoires recom-
mandés par le fabricant pour votre appareil parti-
culier. Des accessoires prévus pour un certain type
d’appareil peuvent être dangereux.
•Gardez les poignées de l’appareil propres, sèches
et dépourvues d’huile ou de graisse. Cela vous
permettra de mieux contrôler l’appareil.
Réparations
•Toutes réparations de l’appareil doivent être con-
fiées à un réparateur qualifié. La réparation ou
l’entretien de l’appareil par du personnel non qualifié
peut entraîner des blessures.
•Lors de la réparation de l’appareil, utilisez exclu-
sivement des pièces de rechange identiques à
celles d’origine. Suivez les instructions de la sec-
tion “Entretien” du mode d’emploi. L’utilisation de
pièces de rechange non homologuées ou le non
respect des consignes d’entretien peut créer un risque
de choc électrique ou de blessure corporelle.
Consignes de sécurité
spécifiques
MISE EN GARDE !
Familiarisez-vous avec ce mode d’emploi avant
de tenter d’utiliser La machine à fileter automa-
tique Modèle 535. L’inobservation des consignes
qu’il contient augmenterait les risques de choc
électrique, d’incendie et/ou de graves blessures
corporelles.
En cas de questions, veuillez consulter les services
techniques de la Ridge Tool Company en composant le
(800) 519-3456.
Sécurité de la pédale de
commande
L’utilisation d’un système d’entraînement ou d’une machine
à fileter quelconque sans sa pédale de commande aug-
mente les risques de blessure grave. La pédale de com-
mande assure un meilleur contrôle de l’appareil, car elle
permet d’arrêter le système en retirant simplement le pied.
Si vos vêtements devaient se prendre dans le mécanisme,
ils s’embobineraient en vous entraînant avec eux. Vu le cou-
ple élevé de la machine, les vêtements eux-mêmes risquent
de s’entortiller autour d’un bras ou autre partie du corps
avec suffisamment de force pour briser les os.
Sécurité de l’appareil
•Cette machine à fileter est prévue pour le filetage
et la coupe des tuyaux et des boulons, ainsi que
pour l’entraînement du matériel de rainurage
MISE EN GARDE

Ridge Tool Company 23
Machine à fileter automatique pour tuyaux et boulons Modèle 535
RIDGID. Respectez les instructions d’utilisation
ci-après. Ne pas utiliser cet appareil à d’autres
fins, tels que le percement de trous ou l’entraîne-
ment de treuils. Toute utilisation imprévue ou modi-
fication de cet appareil augmente les risques de grave
blessure corporelle.
•Arrimez l’appareil solidement sur un établi ou un
support. Soulagez les grandes longueurs de
tuyaux à l’aide de porte-tubes. Cette précaution
évitera le renversement éventuel des tuyaux.
•Ne portez pas de gants ou de vêtements trop
amples. Gardez les manches de chemise et les
blousons boutonnés. Ne vous penchez pas sur
l’appareil. Les vêtements risquent de s’embobiner
autour du tuyau et provoquer de graves blessures
corporelles.
•Tenez-vous du côté du commutateur directionnel
REV/OFF/FOR de la machine lors de son utilisa-
tion. Cela vous évitera d’avoir à vous pencher sur
l’appareil.
•N’utilisez pas cet appareil en cas de défaillance ou
d’absence de la pédale de commande. La pédale de
commande est un dispositif de sécurité servant à
éviter les blessures corporelles graves.
•Ecartez vos mains des tuyaux et raccords en rota-
tion. Arrêtez l’appareil avant d’essuyer les filets
d’un tuyau ou d’y visser un raccord. Laissez
l’appareil s’arrêter complètement avant de touch-
er le tuyau ou les mandrins de la machine. Cette
précaution évitera les risques d’enchevêtrement et
grave blessure corporelle.
•N’utilisez pas cet appareil pour le montage ou le
déblocage desraccords. Ces opérations ne font pas
partie des utilisations prévues pour cet appareil et
risquent d’entraîner de graves blessures corporelles.
•Gardez les carters de sécurité de l’appareil en
place. Ne pas utiliser l’appareil sans ses carters de
sécurité. Toute exposition aux mécanismes de
l’appareil crée un risque d’enchevêtrement et de grave
blessure corporelle.
•Verrouillez la pédale de commande lorsque
l’appareil ne sert pas (Figure 1). Cela évitera les
risques de démarrage accidentel.
Figure 1 – Pédale de commande verrouillée
Description, Spécifications et
Accessoires de Base
Description
Le système d’entraînement RIDGID 300 est un appareil
à système électrique prévu pour le centrage, le man-
drinage et l’entraînement rotatif des tuyaux, gaines et
tiges (boulonnerie) lors des opérations de filetage, de
coupe et d’alésage. Les filières peuvent être montées sur
des têtes de filière à ouverture automatique, à ouverture
rapide ou à ouverture semi-automatique type 816/817.
Un système de lubrification automatique est prévu pour
inonder l’ouvrage d’huile de coupe en cours de file-
tage. Une filière démultipliée peut également être adap-
tée à cette machine à fileter afin de permettre le filetage
des tuyaux de section plus importante.
La machine à fileter automatique RIDGID Modèle 535
peut également servir de système d’entraînement pour
rainureuse à galets. Monté sur le rail du chariot de la
machine à fileter, la rainureuse à galets permet le rain-
urage standard des tuyaux de différentes sections et
compositions.
Spécifications
Capacité de filetage.......Tuyaux de 1/8à 2 po de
diamètre, Boulons de 1/4à 2
po de diamètre
Filière démultipliée : Tuyaux
de 21/2à 4 po de diamètre
Mandrin .........................A centrage automatique
Dispositif de
centrage arrière.............Automatique
Vitesse de rotation.........16, 46 et 58 t/min.
Moteur :
Type............................A induction
Puissance ...................2 CV
Tension
d’alimentation..............Courant alternatif monophasé
de 120V/60Hz
Ampères......................18A

Figure 2 – Dimensions de la 535
Assemblage de la Machine
MISE EN GARDE !
La machine à fileter doit être correctement assem-
blée afin d’éviter les risques de blessure cor-
porelle grave. Les consignes d’assemblage suiv-
antes doivent être respectées :
Montage de la machine sur support
1. Cette machine est prévue pour être montée sur les
trois supports universels répertoriés.
Figure 3
2. Un diagramme et une liste des pièces des supports
font partie de la liste des pièces détachées de la
535 Automatique.
3. Montez le support avec ses étiquettes orientées vers
l’intérieur (Figure 4).
4. Introduisez les arrêtoirs en bas des pieds comme
indiqué au dessin de détail. Utiliser les quatre (4)
boulons 6-pans de 3/8- 16 x 21/2po pour fixer les
pieds à l’entretoise. Réglez les deux moitiés de l’arrê-
toir du support à la distance nécessaire pour recevoir
Ridge Tool Company
24
Machine à fileter automatique pour tuyaux et boulons Modèle 535
Commandes..................Commutateur directionnel
Marche Avant/Arrêt/Marche
Arrière (FOR/OFF/REV)
rotatif et pédale de com-
mande M/A (ON/OFF)
Pompe...........................Type Gerotor
Coupe-tubes..................N°820 – à galets flottants et
centrage automatique
Tuyaux – de 1/8à 2 po de
diamètre,Boulonnerie – de 1/4
à 1 po de diamètre
Alésoir ...........................N°341 – à verrouillage posi-
tif, 5 goujures hélicoïdales,
pour filetages normaux de 1/8
à 2 po de diamètre
Poids .............................350 livres
Equipements de Base
Machine à fileter automatique Modèle 535 avec
pédale de commande
1 - Tête de filière universelle à ouverture rapide N°811-
A (ou têtes de filière semi-automatiques N°816 ou N°
817)
1 - Alésoir N°341
1 - Coupe-tubes N°820
1 - Jeu de filières H/V universelles de 1/2à 3/4po
1 - Jeu de filières H/V universelles de 1 à 2 po
1 - Gallon d’huile pour acier inox
4 - Clés 6-pans
1 - Galet de coupe de rechange réf. E-1032
1 - Canette de produit d’étanchéité blanc au Téflon®
Les machines de 1/8 à 2 po comprennent les accessoires de base.
Les machines seules comprennent les équipements de base, moins
les têtes de filière et filières. Toutes machines sont équipées d’un
moteur monophasé de 2 CV à induction de 60Hz.
NOTA ! Les filières NPT sont réservées exclusivement
aux têtes de filière NPT. Les filières BSPT sont
réservées exclusivement aux têtes de filières
BSPT. Veuillez indiquer les références cata-
logue lors des commandes. Il est recommandé
d’utiliser des filières haute vitesse avec la
machine à fileter automatique Modèle 535
Supports
Modèle Réf. Catalogue Désignation
100A 92457 Support universel sur pieds avec tiroir
150A 92467 Support universel roulant avec tiroir
200A 92462 Support universel roulant avec coffret
191/4″
201/2″
361/2″L.H.T.
361/2″
Machines de Base
Réf. Désignation
Catalogue Modèle 115V 25-60 Hz T/min.
84097 535 115V, 1/8 à 2 po NPT, 16, 46, 58
Automatique avec tête de filière 811A
91142 535 115V machine 16, 46, 58
Automatique seule
91332 535 1/2 à 2 po NPT, 16, 46, 58
Automatique avec têtes de filière
semi-automatiques 816 et 817

Ridge Tool Company 25
Machine à fileter automatique pour tuyaux et boulons Modèle 535
un parfait équilibre. Les supports Modèle A sont équipés
de trous de 7/16 po pour utilisation avec cette machine.
Montage de la machine sur établi
1. En l’absence d’un support, la machine doit être mon-
tée sur un établi solide. Pour monter la machine sur
établi, introduisez les quatre (4) boulons de 5/16 po et
les trous prévus à chaque coin de l’embase de la
machine. Les dimensions de l’embase sont indiquées
à la Figure 2.
La machine risque de se renverser et
provoquer de graves blessures corporelles si elle n’est pas
correctement montée sur un support ou établi stable.
les pieds arrière. La bride d’arrêt n’est ni nécessaire
ni fournie avec le support fixe N°100 avec tiroir.
NOTA ! Introduisez dans le châssis et retenez-le à l’aide
d’une rondelle fendue et d’un écrou de 1/2po.
5. Positionnez l’arrêtoir du support de manière à ce
que l’extrémité de l’arrêtoir soit retenue en place par
l’axe. Enfilez une des roues sur l’axe. Enfilez une
rondelle sur l’axe et introduisez une goupille fendue
pour retenir la roue.
6. Montez la machine sur le support à l’aide des quatre
(4) boulons prévus pour chaque coin de l’embase.
La stabilité opérationnelle des
machines RIDGID dépend de l’utilisation des trous de
montage appropriés (Figure 4). Ne montez pas la
machine à fileter automatique Modèle 535 sur un support
RIDGID Universal d’un modèle antérieur. Les supports
Modèle A sont équipés de trous spéciaux pour assurer
Têtes de Filières et Filières
Sections Sections
Modèle Tuyau Boulon Filières Ouverture Rotation
811A NPT 1/8- 2 po 1/4- 2 po Universelles Rapide à droite
815A NPT 1/8- 2 po 1/4- 2 po Universelles Automatique à droite
842 NPT 1/4- 2 po —Universelles Rapide à gauche
816 NPT 1/8- 3/4po —Universelles Taraudéeà droite
817 NPT 1 - 2 po 1/4- 2 po Universelles Taraudéeà droite
811A BSPT 1/8- 2 po 1/4- 2 po Universelles Rapide à droite
815A BSPT 1/8- 2 po 1/4- 2 po Universelles Automatique à droite
531 Boulon —1/4- 1 po 500B Rapide droite/gauche
532 Boulon —11/8- 2 po 500B Rapide droite/gauche
Filières à Tuyaux Universelles NPT NPSM
(réf. catalogue) 1/8po 1/4- 3/8po 1/2- 3/4po 1 - 2 po 1/8po 1/4- 3/8po 1/2- 3/4po 1 - 2 po
H/V à droite 47755 47760 47765 47770 47845 47850 47855 47860
H/V à gauche —47810 47815 47820 ———70775
H/V inox, à droite 47775 47780 47785 47790 ————
H/V fonte, à droite ———70740 ————
H/V PVC, à droite ——70745 70750 ————
H/V revêtu, à droite ———31822 ————
Filières à Tuyaux Universelles BSPT BSPP
(réf. catalogue) 1/8po 1/4- 3/8po 1/2- 3/4po 1 - 2 po 1/8po 1/4- 3/8po 1/2- 3 /4po 1 - 2 po
H/V à droite 66750 66755 66760 66765 66795 66800 66805 66810
H/V à gauche —66840 66845 66850 ——
66870 66875
H/V inox, à droite 66770 66775 66780 66785 66815 66820 66825 66830
H/V inox, à gauche —66855 66860 66865 ——— —
H/V PVC, à droite ——
70755 70760 ——
70765 70770
H/V revêtu, à droite ———
31837 ——— —
Nota : Les filières BSPT et BSPP nécessitent une tête de filière anglaise
Nota : La rotation à gauche de la 1822-I nécessite une préparation spéciale
Nota : Les filières haute vitesse sont recommandées pour le filetage des tuyaux
de 1 – 2 po à 45 t/min.
Filières à boulons universelles pour têtes de filière 811A et 815A
Plus de 90 jeux disponibles, allant de 1/8 à 2 po, alliage ou haute vitesse.
Filetages UNC, UNF et BSW à droite uniquement.
Filières à boulons pour têtes de filière 531 et 532
Plus de 200 jeux pour la tête de filière à boulons N°531
Plus de 150 jeux pour la tête de filière à boulons N°532
Filières Mono pour têtes de filière Mono (Série A)
MISE EN GARDE
AVERTISSEMENT

Ridge Tool Company
26
Machine à fileter automatique pour tuyaux et boulons Modèle 535
Figure 5 – Machine à fileter automatique pour tuyaux et
boulons Modèle 535
2. Nettoyez les mâchoires du mandrin à l’aide d’une
brosse métallique.
3. Examinez les mâchoires pour signes d’usure exces-
sive ou de dents endommagées. Reportez-vous
aux consignes d’entretien s’il est nécessaire de les
remplacer.
4. Vérifiez que la pédale de commande est présente et
qu’elle est reliée à la machine à fileter (Figure 5).
Ne pas utiliser la machine à fileter
sans pédale de commande.
5. Examinez le cordon d’alimentation et sa fiche pour
signes de détérioration. Si la fiche a été modifiée, si
elle manque la barrette de terre ou si le cordon d’ali-
mentation est endommagé, n’utilisez pas la machine
à fileter avant que le cordon ait été remplacé.
6. Examinez la machine à fileter pour signes de pièces
endommagées, manquantes, mal alignées ou grip-
pées, ainsi que pour toute autre condition qui puisse
nuire au bon fonctionnement et à la sécurité de la
machine. Le cas échéant, n’utilisez pas la machine
à fileter avant que toutes les anomalies aient été
réparées.
7. Si nécessaire, lubrifiez la machine à fileter selon les
consignes d’entretien.
Figure 4 – Support
Inspection de la machine
MISE EN GARDE !
Inspectez la machine à fileter afin d’éviter de
graves blessures. L’inspection suivante doit être
effectuée quotidiennement :
1. Vérifiez que la machine à fileter est débranchée et
que son commutateur est en position OFF
(arrêt)(Figure 5)
Tête de filière à ouverture
rapide ou automatique Coupe-tubes
N° 820
(standard)
Alésoir
N° 341
Tiroir
à
copeaux
Commutateur
REV/OFF/FOR
Pédale de commande
Volant du
chariot
Jauge de
longueur
535
1224
(Arrière)
1224
(Avant)
535 (Avant)
Detail
300 Compact
1233, 1822 (Arrière)
300 Compact
1233, 1822
(Avant)
4 Boulons de
3/8- 16 x 21/2po
535
Automatique
535
Automatique
Levier de
vitesses
MISE EN GARDE

Ridge Tool Company 27
Machine à fileter automatique pour tuyaux et boulons Modèle 535
8. Utilisez les outils et accessoires prévus pour cette
machine à fileter particulière et qui répondent aux
besoins de l’application envisagée. Les outils et
accessoires appropriés permettront d’effectuer le tra-
vail correctement et en toute sécurité. Les acces-
soires prévus pour d’autres types de matériel peuvent
être dangereux lorsqu’ils sont utilisés avec cette
machine à fileter.
9. Eliminez toutes traces d’huile, de graisse ou de
crasse des poignées et des commandes de l’appareil.
Cela réduira les risques de blessure dus à l’échappe-
ment d’un outil ou d’une commande de votre main.
Examinez le tranchant des outils et des filières. Si
nécessaire, faites-les remplacer avant d’utiliser la
machine à fileter. Des outils tranchants et filières
émoussés ou endommagés peuvent entraîner le
grippage ou la casse des outils, ainsi que des file-
tages de mauvaise qualité.
NOTA ! Il est recommandé d’utilisé des filières rapides
sur cette machine. En raison de son régime
élevé, les filières en alliage s’useraient rapi-
dement et produirarent des filetages de mau-
valse qualité.
10. Enlevez les copeaux métalliques et autres débris du
tiroir à copeaux de la machine à fileter. Vérifiez le
niveau et la qualité de l’huile de coupe. Si néces-
saire, remplacez-la ou faites l’appoint. Le réservoir
de l’embase contient environ sept (7) quarts d’huile
de coupe.
NOTA ! L’huile de coupe sert à lubrifier et refroidir les
filets durant le filetage. Une huile sale ou de
mauvaise qualité risque de nuire à la qualité du
filetage.
NOTA ! Pour assurer des filetages de haute qualité
lors du filetage à 58 t/min., utilisez l’huile de
coupe RIDGID Stainless Steel Oil.
NOTA ! Consultez la section Entretien pour la vidange
et l’entretien du système de lubrification.
Préparation de la Machine et
du Chantier
MISE EN GARDE !
Afin d’éviter les risques de grave blessure cor-
porelle, il est nécessaire de préparer l’appareil et le
chantier de manière appropriée. Respectez les con-
signes suivantes lors de la préparation de l’appareil.
1. Assurez-vous que le chantier a les caractéristiques
suivantes :
•Suffisamment d’éclairage.
•Absence de liquides, vapeurs ou poussières com-
bustibles.
•Prise de courant 20A avec terre.
•Un passage dégagé jusqu’à la prise de courant
sans sources de chaleur, sans huile, sans arrêtes
vives, et sans mécanismes qui risqueraient
d’endommager le cordon d’alimentation.
•Une surface sèche pour l’appareil et son utilisa-
teur. Ne pas utiliser l’appareil lorsque vous avez
les pieds dans l’eau.
•Un sol plan et de niveau.
2. Nettoyez le chantier avant d’installer le matériel.
Essuyez systématiquement toutes traces d’huile qui
auraient put s’éclabousser ou s’écouler de l’appareil
ou du système de lubrification afin d’éviter les risques
de dérapage et de chute.
3. Si l’ouvrage sailli de plus de quatre (4) pieds par
rapport à la machine à fileter, servez-vous d’un ou de
plusieurs porte-tubes pour éviter le renversement et
l’oscillation du tuyau.
4. Si l’ouvrage déborde de la machine à fileter, installez
des barrières ou des barricades afin de créer un
périmètre libre d’un minimum de trois (3) pieds autour
de la machine à fileter et de l’ouvrage. Cette “zone de
sécurité” empêchera les tiers de se heurter acciden-
tellement à la machine ou à l’ouvrage et provoquer leur
renversement ou s’enchevêtrer dans le mécanisme.
5. Si nécessaire, remplissez le réservoir d’huile de
coupe RIDGID Thread Cutting Oil.
6. Vérifiez que le commutateur FOR/OFF/REV se trou-
ve en position OFF (arrêt).
7. Positionnez la pédale de commande de manière à
pouvoir contrôler la machine, les outils et l’ouvrage
en toute sécurité. Celle-ci devrait permettre à l’opéra-
teur :
•De se tenir face au commutateur.
•D’utiliser la pédale de commande avec son pied
gauche.
•D’avoir accès au commutateur et aux outils sans
avoir à se pencher sur la machine.
Cette machine peut être utilisée par une seule per-
sonne.
8. Branchez la machine à fileter sur la prise de 20A
en faisant attention de faire passer le cordon d’ali-

Ridge Tool Company
28
Machine à fileter automatique pour tuyaux et boulons Modèle 535
mentation le long du passage dégagé précédem-
ment sélectionné. Si le cordon d’alimentation n’arrive
pas jusqu’à la prise, servez-vous d’une rallonge élec-
trique qui soit en bon état.
MISE EN GARDE !
Afin d’éviter les risques de choc électrique et d’incendie,
ne jamais utiliser de rallonge endommagée ou qui ne
répond pas aux exigences suivantes :
•La rallonge doit être équipée d’une fiche à trois
barrettes semblable à celle indiquée à la section
intitulée“Sécurité électrique”.
•La rallonge doit être du type “W” ou “W-A” si elle
doit servir à l’extérieur.
•La rallonge doit être de section suffisante (fils de
14 AWG sous 25′ou 12 AWG de 25′à 50′). Si la
section des fils conducteurs de la rallonge est
insuffisante, la rallonge risque de surchauffer, de
fondre et d’incendier les objets à proximité.
Afin de limiter les risques de choc
électrique, gardez toutes connexions électriques au sec
et surélevées. Ne jamais toucher la fiche d’un cordon
électrique avec les mains mouillées.
9. Vérifiez le bon fonctionnement de la machine à fileter.
•Mettez le commutateur directionnel en position
FOR (marche avant). Appuyez momentanément
sur la pédale de commande. Vérifiez que la
machine à fileter tourne bien à gauche lorsque
vous faites face au mandrin avant. Faites réparer
la machine à fileter si elle tourne en sens inverse
ou si la pédale de commande ne permet pas de
l’arrêter ou de la mettre en marche.
•Tenez la pédale de commande appuyée afin de
vérifier qu’il n’y a pas de mauvais alignement ou
de grippage des mécanismes et qu’il n’y ait pas de
bruits bizarres ou autres conditions inhabituelles
qui pourraient nuire à la sécurité et au fonction-
nement normal de l’appareil. Le cas échéant,
faites réparer la machine à fileter.
•Mettez le commutateur directionnel en position
REV (marche arrière). Appuyez momentanément
sur la pédale de commande. Vérifiez que la
machine à fileter tourne bien à droite lorsque
vous faites face au mandrin.
•Lâchez la pédale de commande et mettez le com-
mutateur directionnel en position OFF.
Utilisation des Outils à
Montage Direct
MISE EN GARDE !
Ne portez pas de gants ou de vêtements amples
lors de l’utilisation de cette machine à fileter.
Boutonnez vos manches de chemise et de blouson.
Ne vous penchez pas sur l’appareil ou sur le tuyau.
N’utilisez pas la machine à fileter si sa pédale de
commande est endommagée ou absente. Portez
systématiquement une protection oculaire afin de
protéger vos yeux contre la projection de débris.
Ecartez vos mains du tuyau et des raccords
lorsqu’ils tournent. Arrêtez l’appareil avant d’essuy-
er les filets ou de viser un raccord. Attendez que la
machine se soit arrêtée complètement avant de
toucher le tuyau.
N’utilisez pas cet appareil pour enfiler ou déblo-
quer les raccords. Cela ne fait pas partie des
opérations prévues pour cette machine à fileter.
Installation et mandrinage des tuyaux :
1. Vérifiez que le coupe-tubes, l’alésoir et la tête de fil-
ière se trouvent en position relevée.
2. S’il s’agit de couper un tuyau à longueur, marquez-le
à la longueur voulue.
3. Mettez le sélecteur de vitesse à la position 46 ou 58
RPM (t/min.).
4. Introduisez le tuyau dans la machine à fileter de
manière à ce que l’extrémité à travailler ou, le cas
échéant, le repère de coupe se trouve à environ 12
pouces en avant des carters du mandrin automatique.
Ne jamais mettre la main à l’intérieur
du carter de mandrin sans avoir débranché la machine.
5. Introduisez les ouvrages de moins de 2 pieds de
long via l’avant de la machine. Introduisez les tuyaux
plus longs d’un côté ou de l’autre, pourvu que la
partie la plus longue du tuyau dépasse de l’arrière de
la machine à fileter.
Mettez des porte-tubes sous le
tuyau afin d’éviter le renversement du matériel.
6. Mettez le commutateur directionnel en position FOR
(avant) et appuyez sur la pédale de commande de la
machine. Le tuyau ou le boulon sera automatique-
ment centré et serré par la machine.
MISE EN GARDE
MISE EN GARDE
MISE EN GARDE

Ridge Tool Company 29
Machine à fileter automatique pour tuyaux et boulons Modèle 535
NOTA ! Si le tuyau se trouve désaxé dans le mandrin,
faites tourner la machine en marche arrière en
mettant le commutateur en position REV pour
libérer le tuyau et le recentrer dans le man-
drin. Un léger décalage au niveau du mandrin
peut être corrigé lors des opérations normales
d’alésage ou de coupe.
Coupe des tuyaux à l’aide du
coupe-tubes N° 820
1. Relevez l’alésoir et la tête de filière.
2. Rabattez le coupe-tubes sur le tuyau et servez-vous
du levier du chariot pour déplacer le chariot et align-
er le galet de coupe sur le repère tracé.
3. Serrez la vis d’alimentation du coupe-tubes tout en
gardant le galet de coupe aligné sur le repère (Figure
6).
4. Mettez-vous en position de travail appropriée.
Figure 6 – Coupe des tuyaux à l’aide du coupe-tubes
N° 820
Cela vous permettra de maintenir
votre équilibre et de contrôler l’appareil et ses outils
en toute sécurité.
•Assurez-vous de pouvoir rapidement retirer votre
pied de la pédale de commande.
•Tenez-vous face au commutateur directionnel.
•Assurez-vous de pouvoir accéder facilement au
commutateur directionnel, au sélecteurs de vitesse
et aux outils.
•Ne vous penchez pas sur l’appareil ou sur l’ouvrage.
5. Prenez la poignée d’avancement du coupe-tubes
des deux mains.
6. Appuyez sur la pédale de commande avec votre
pied gauche.
7. Serrez la poignée d’avancement du coupe-tubes
lentement et uniformément jusqu’à ce que le tuyau
soit coupé. Ne forcez pas le coupe-tubes sur le
l’ouvrage.
8. Lâchez la pédale de commande et retirez votre pied
de l’étrier.
9. Relevez le coupe-tubes.
Figure 7 – Alésage à l’aide de l’alésoir N° 341
Alésage des tuyaux à l’aide de l’alésoir
N° 341
1. Rabattez le bras de l’alésoir.
2. Déployez l’alésoir en appuyant sur le loquet et en glis-
sant la molette vers le tuyau jusqu’à ce que le loquet
s’engage dans la barre.
3. Appuyez sur la pédale de commande avec votre
pied gauche.
4. Positionnez l’alésoir dans le tuyau et complétez
l’alésage en tournant le volant (Figure 7).
5. Ramenez la barre de l’alésoir et relevez l’alésoir.
6. Lâchez la pédale de commande et retirez votre pied
de l’étrier.
Filetage des tuyaux et des tiges à l’aide
des têtes de filière à ouverture rapide,
automatique ou semi-automatique.
1. Installez le jeu de filières approprié. Reportez-vous
aux instructions d’installation des filières. Réglez le jeu
de filières à la dimension voulue.
2. Relevez le coupe-tubes et l’alésoir.
3. Rabattez la tête de filière avec le levier de butée en
position CLOSE (fermer).
MISE EN GARDE

Ridge Tool Company
30
Machine à fileter automatique pour tuyaux et boulons Modèle 535
Tête de filière à ouverture automatique N°815A
(Figure 10) – Lorsque la gâchette de la tête de filière
entre en contact avec l’extrémité du tuyau, le levier
d’embrayage s’ouvre automatiquement.
Tête de filière à ouverture semi-automatique (Figure
11) – Lorsque l’extrémité du tuyau en cours de file-
tage arrive à fleur de l’extrémité de la filière numéro
1, tapez sur le poignée pour que les filières libèrent
le tuyau.
7. Tournez le volant du chariot pour retirer la tête de fil-
ière du tuyau.
8. Ramenez la tête de filière en position relevée.
Retrait des tuyaux de la machine
à fileter
1. Mettez le commutateur directionnel à la position REV
(marche arrière). Appuyez sur la pédale de com-
mande, et la machine libérera le tuyau.
2. Lâchez la pédale de commande et mettez le com-
mutateur directionnel à la position OFF (arrêt).
Ne mettez jamais la main dans le
carter du mandrin sans avoir débranché la machine. Vos
doigts risqueraient d’être écrasés.
3. Retirez l’ouvrage de la machine à fileter en le tenant
fermement lorsqu’il sort de la machine.
Avant de retirer un tuyau de grande
longueur, assurez-vous que son extrémité la plus
éloignée de la machine est soutenue afin d’éviter les
risques de blessure en cas de chute du tuyau ou de ren-
versement du matériel.
4. Nettoyez toutes éclaboussures d’huile éventuelles
autour de la machine à fileter.
Installation des filières dans la tête de
filière à ouverture rapide (filetages à
droite et à gauche)
La tête de filière universelle N°811A (Figure 9) pour file-
tages à droite utilise quatre jeux de filières pour couvrir
le filetage des tuyaux allant de 1/8à 2 po de diamètre. Un
jeu de filières est nécessaire pour chacune des sections
suivantes : (1/8po), (1/4à 3/8po), 1/2à 3/4po) et (1 à 2 po).
Le filetage des tiges nécessite un jeu de filières spécial
pour chaque section de tige. Il n’est pas prévu de filières
à boulons pour les têtes de filière universelles à filetage
à gauche.
1. Posez la tête de filière sur l’établi avec les chiffres vers
le haut.
2. Mettez le levier d’embrayage à la position OPEN
(ouvrir).
4. Vérifiez le levier de vitesses et mettez-le à la vitesse
indiquée au tableau de sélection de vitesse.
NOTA ! L’utilisation d’un régime mal adapté risque de
faire caler le moteur en cas de sous-tension
électrique.
5. Tournez le volant du chariot afin d’amener les fil-
ières contre l’extrémité du tuyau. Une légère pression
sur le volant engagera les filières (Figure 8).
Figure 8 – Filetage des tuyaux avec la machine à fileter
automatique Modèle 535
6. Tête de filière à ouverture rapide N°811A (Figure 9)
– Lorsque l’extrémité du tuyau en cours de filetage
arrive à fleur de l’extrémité de la filière numéro 1,
tournez le levier d’embrayage à la position OPEN
(ouvrir) pour ramener les filières.
Tableau de Sélection de Vitesse
Section/Matériau Régime Recommandé
Tuyaux de 11/2à 2 po 46
Tuyaux de 1/8à 11/4po 58
Applications à couple élevé16
• Acier Inox
• Tige d’acier Rc30
Rainurage des tuyaux 46
MISE EN GARDE
MISE EN GARDE

Ridge Tool Company 31
Machine à fileter automatique pour tuyaux et boulons Modèle 535
(1 à 2 po). Le filetage des boulons nécessite un jeu de
filières spécial pour chaque section de boulon.
1. Posez la tête de filière automatique verticalement
sur l’établi.
2. Vérifiez que la gâchette est lâchée.
3. Desserrez le levier de blocage d’environ six tours
complets.
4. Retirez la vis de blocage de la rainure sous la barre
graduée de manière à ce que la goupille cylindrique
de la vis de blocage échappe la rainure. Positionnez
la barre graduée de manière à ce que la ligne de
repérage de la vis de blocage s’aligne avec l’extrémité
de la position REMOVE DIES (retirer filières).
5. Couchez la tête avec les chiffres vers le haut.
6. Retirez les filières de la tête de filière.
7. Enfoncez les nouvelles filières jusqu’à leur repère
latéral. Les chiffres (1 à 4) des filières doivent corre-
spondre à ceux de la tête de filière.
8. Ramenez le levier d’embrayage en arrière pour ver-
rouiller les filières.
9. Avec la tête en position verticale, tournez la plaque à
cames jusqu’à ce que la goupille de la vis de blocage
puisse être positionnée dans la rainure sous la barre
graduée. Les filières seront alors verrouillées dans la
tête de filière. Vérifiez que la goupille cylindrique est
orientée vers l’extrémité de la barre graduée por-
tant la mention REMOVE DIES (retirer filières).
10. Réglez la barre graduée de la tête de filière jusqu’à ce
que le repère de la vis de blocage ou de la barre de
liaison s’aligne avec le repère dimensionnel voulu de
la barre graduée.
11. Serrez le levier de blocage.
12. Pour effectuer un filetage surdimensionné ou sous-
dimensionné, alignez le repère sur le repère approprié
de la barre graduée en direction OVER (surdimen-
sionné) ou UNDER (sousdimensionné).
NOTA ! Notez que pour les filetages à gauche, les
positions OVER et UNDER sont inversées.
3. Desserrez le levier de blocage de trois tours environ.
4. Retirez la languette de la rondelle de serrage qui
se trouve dans la rainure sous la barre graduée.
Poussez le levier d’embrayage jusqu’au bout de la
rainure dans la direction de changement des filières
indiquée sur la plaque à cames.
5. Retirez les filières de la tête de filière.
6. Enfoncez les nouvelles filières jusqu’à leur repère
latéral. Les chiffres (1 à 4) des filières doivent corre-
spondre à ceux de la tête de filière.
7. Ramenez le levier d’embrayage en arrière jusqu’à ce
que la languette de la rondelle de serrage puise
retomber dans la rainure sous la barre graduée.
8. Réglez la barre graduée de la tête de filière pour
amener le repère du bras de liaison face à la dimen-
sion voulue de la barre graduée. Pour le filetage
des tiges, alignez le repère sur le repère BOLT
(boulon) de la barre graduée.
Figure 9 – Tête de filière universelle à ouverture rapide
9. Serrez le levier de blocage.
10. Pour effectuer un filetage surdimensionné ou sous-
dimensionné, alignez le repère sur le repère approprié
de la barre graduée en direction OVER (surdimen-
sionné) ou UNDER (sousdimensionné).
Installation des filières dans la tête
de filière à ouverture automatique
(filetage à droite uniquement)
La tête de filière à ouverture automatique N°815A
(Figure 10) nécessite quatre jeux de filières pour couvrir
le filetage des tuyaux allant de 1/8à 2 po de diamètre. Un
jeu de filières est nécessaire pour chacune des sections
de tuyau suivantes : (1/8po), (1/4à 3/8po), (1/2à 3/4po), et
Ligne de repérage
Biellette
Levier
d’embrayage
Rondelle
Tête
Levier de
serrage
Barre de réglage

Ridge Tool Company
32
Machine à fileter automatique pour tuyaux et boulons Modèle 535
5. Les chiffres indiqués sur les filières doivent corre-
spondre à ceux des logements de la tête de filière.
Introduisez les filières jusqu’au repère avec le bord
numéroté vers le haut.
6. Ramenez la poignée à droite pour que la manette du
piston retombe à fleur de la tête de filière.
NOTA ! Pour régler la profondeur du filetage, desserrez
la vis du bloc de dimension correspondant,
déplacez le bloc vers la droite pour un filetage
sousdimensionné et à gauche pour un filetage
surdimensionné. Lors du réglage des blocs
avec de nouvelles filières, commencez par la
position centrale et partez de là.
Figure 11 – Tête de filière semi-automatique
Vérification de longueur des filetages
(Figure 12)
1. La longueur des filetages sera correcte lorsque
l’extrémité du tuyau arrive à fleur de l’arrête des filières
(Figure 12A).
2. La tête de filière peut être réglée de manière à obtenir
le diamètre de filets nécessaire. Si possible, con-
trôlez les filets à l’aide d’une jauge à filets (Figure
12B). Le filetage est correct lorsque l’extrémité du
tuyau se trouve à plus ou moins un tour d’être à
fleur de la surface de la jauge à filets.
Figure 10 – Tête de filière universelle à ouverture
automatique
Montage des filières sur les têtes de
filière Modèle 816/817
La tête de filière semi-automatique (Figure 11) pour
filetages à droite utilise quatre jeux de filières pour cou-
vrir le filetage des tuyaux allant de 1/8à 2 po de diamètre.
Un jeu de filières est nécessaire pour chacune des sec-
tions suivantes : (1/8po), (1/4à 3/8po),1/2à 3/4po) et (1 à 2
po). Le filetage des tiges nécessite un jeu de filières spé-
cial pour chaque section de tige. Il n’est pas prévu de fil-
ières à boulons pour les têtes de filière universelles à file-
tage à gauche.
1. Appuyez sur la poignée pour faire reposer la plaque
à cames (Figure 11 – tête de filière Modèle 816/817)
contre la butée comme indiqué.
2. Couchez la tête de filière à plat sur une table ou un
établi avec les chiffres vers le haut.
3. Tirez sur la manette du piston et poussez la poignée
complètement à gauche.
4. Sélectionnez les filières appropriées en fonction de la
section désirée. (La section est indiquée à l’arrière ou
en surface des filières.)
Poignée
Manette du
piston
Butée
dimensionnelle
Goupille
Ligne de
repérage
Barre de réglage
Vis de blocage
Levier
d’embrayage
Levier de
serrage
Gâchette

Figure 12 – Vérification de la longueur des filetages
Mandrin à raccords N° 819 et
ensemble d’adaptation N° 839
Installation
(Figure 13)
Figure 13
1. Cette machine utilise un mandrin à raccords N°
819 et l’adaptateur dimensionnel existant. Son mon-
tage nécessite l’utilisation de l’ensemble d’adapta-
tion N°839.
2. Assemblez le mandrin à raccords N°839.
3. Tournez le commutateur directionnel à la position
REV (marche arrière) et appuyez sur la pédale de
commande afin d’ouvrir le mandrin complètement.
NOTA ! Assurez-vous que la plaque de retenue avant
spécialement prévue pour l’installation du 819
et de l’adaptateur 839 est en place.
4. Introduisez l’extrémité tubulaire du mandrin N°819
équipé de l’adaptateur dans le mandrin de la machine
Ridge Tool Company 33
Machine à fileter automatique pour tuyaux et boulons Modèle 535
à fileter automatique N°535. Tournez l’ensemble
jusqu’à ce que le tenon du 839 s’engage dans la
mortaise.
Filetage des raccords
(Se reporter aux figures 14 &15)
1. Alésez, filetez et coupez le tuyau à longueur suivant
les méthodes normales.
2. Installez le 819 et l’adaptateur 839 (voir ci-dessus).
3. Positionnez l’insert avec sa petite extrémité vers
l’adaptateur pour les tuyaux de 1/8à 3/4po, avec sa
grande extrémité vers l’adaptateur pour les tuyaux de
1 po, et sans insert pour les tuyaux de 11/4po et de
diamètres supérieurs.
4. Installez l’adaptateur approprié, puis serrez-le avec la
clé (Figure 14).
Figure 14 – Installation du mandrin à raccords et son
adaptateur
Figure 15 – Installation d’un raccord à usiner et libéra-
tion d’un raccord terminé à l’aide de la clé
Enlevez la clé avant d’appuyer sur
l’interrupteur de la tête de filière ou de démarrer la
machine.
MISE EN GARDE
LL
PPP
Filière
Tuyau
Filière
Tuyau
A - Filetage largeur entière
Début de coupe
A fleur
(Taille de base) Un tour large
(Taille maximale) Un tour petit
(Taille minimale)
Bague de
calibrage
Filetage terminé
Filière à fleur
de l’extrémité
du tuyau
B - Vérification du filetage à l’intérieur de la bague de calibrage
Mandrin à raccords
Insert Adaptateur
Clé
Raccord
Collier de
libération
Clé

34
Machine à fileter automatique pour tuyaux et boulons Modèle 535
Ridge Tool Company
5. Vissez le raccord dans l’adaptateur, puis alésez et
filetez l’autre extrémité (Figure 15).
Utilisation des fileteuses
démultipliées
MISE EN GARDE !
Ne portez pas de gants ou de vêtements amples
lors de l’utilisation de la machine à fileter.
Boutonnez vos manches de chemise et de blouson.
Ne vous penchez pas sur l’appareil ou sur la file-
teuse démultipliée.
N’utilisez pas cette machine à fileter si sa pédale
de commande est endommagée ou absente.
Portez systématiquement une protection oculaire
afin de protéger vos yeux contre la projection de
débris et autres objets.
La machine à fileter et la fileteuse démultipliée
doivent être correctement installées afin d’éviter
les risques de renversement de l’ensemble. Suivez
les instructions correspondantes à la lettre.
Utilisez exclusivement la fileteuse démultipliée
Modèle 141 avec cette machine. N’utilisez pas
de barre d’entraînement N° 840A
Les fileteuses démultipliées pèsent 95 livres.
Deux (2) personnes devraient être prévues pour la
manutention de ces fileteuses.
Réglage de la fileteuse démultipliée
N° 141
1. Avec la fileteuse démultipliée N°141 posée au sol
avec son arbre d’entraînement à la verticale, tirez sur
les deux manettes de plaque à cames, puis tournez
la plaque à cames à la section voulue. Les broches
de positionnement tomberont dans les trous corre-
spondants de la plaque de sélection.
Réglage des dimensions du filetage
(Figure 16)
1. Pour une profondeur de filetage standard, immo-
bilisez le collier de serrage et tournez le bâti de la file-
teuse manuellement jusqu’à ce que le repère stan-
dard de la chemise du pignon arrive à fleur du bas de
la tête de filière ou du repère standard du poteau de
guidage s’il est à fleur du sommet de la tête de filière.
2. Pour obtenir un filetage surdimensionné, tournez le
bâti de la fileteuse jusqu’à ce que le repère 2T OVER
du poteau de guidage arrive à fleur du sommet de la
tête de filière.
3. Pour obtenir un filetage sousdimensionné, tournez le
bâti de la fileteuse jusqu’à ce que le repère 2TUN-
DER du poteau de guidage arrive à fleur du sommet
de la tête de filière.
Indexation du poteau de guidage pour
filetages droits ou coniques
(Figure 17)
1. En position de filetage standard, enlevez la vis de
blocage de l’embase du poteau de guidage et retirez
le poteau à travers la tête de filière.
2. Pour les filetages coniques, enfilez le poteau de
guidage dans la tête de filière avec sa rainure diag-
onale orientée vers l’intérieur. La butée du guide
s’engagera dans la rainure diagonale et le poteau
tournera vers le bâti de la fileteuse.
3. Pour les filetages droits, enfilez le poteau de guidage
à travers la tête de filière jusqu’au bâti de la file-
teuse avec sa rainure droite orientée vers l’intérieur.
4. Une fois la butée du guide engagée dans la rainure
diagonale ou droite, réinstallez la vis de blocage.
Poteau de guidage
Tête
Arbre
d’entraînement
Vis de blocage
Boutons de
la plaque à
cames (2)
Lignes de
référence (3)
Figure 16 – Fileteuse démultipliée N° 141 avec arbre
d’entraînement levé.

Ridge Tool Company 35
Machine à fileter automatique pour tuyaux et boulons Modèle 535
Remplacement des filières
(Figure 17)
1. Retirez la vis de blocage.
2. Tirez sur les manettes et tournez la plaque à cames
jusqu’au repère CD.
3. Retirez la filière N°1 et installez une nouvelle filière N°
1 (répéter).
4. Tournez la plaque à cames à la dimension voulue.
5. Réinstallez la vis de blocage.
NOTA ! S’il est nécessaire d’enlever ou de remplacer la
butée du guide, la référence E-1997 estampillée
sur la butée doit se trouver CONTRE la plaque
de sélection. Si cette référence est visible, vous
obtiendrez un filetage SOUSDIMENSIONNÉ.
Utilisation de la fileteuse
démultipliée N° 141
Installation de la fileteuse démultipliée
N° 141
Le montage de la fileteuse démultipliée N°141 nécessite
l’utilisation de l’ensemble de montage sur chariot. Cet
ensemble comprend une bride à chariot, une barre de
liaison au chariot, un arbre d’entraînement inversé et un
collecteur d’huile. La machine doit être en position FOR-
WARD (marche avant) pou pouvoir utiliser la fileteuse
démultipliée N°141.
1. Enlevez le coupe-tubes, la tête de filière et l’alésoir de
la machine.
2. Installez la bride à chariot.
3. Installez le collecteur.
4. A partir de l’arrière de la machine, introduisez l’arbre
d’entraînement à travers le tube d’arbre et jusqu’au
carter avant. Il est nécessaire de tourner l’arbre à
gauche lors de son installation ou sa dépose.
Les mâchoires doivent être com-
plètement ouvertes pour pouvoir installer ou retirer
l’arbre d’entraînement.
5. Après avoir éloigné le chariot du mandrin, posez
délicatement la fileteuse démultipliée N°141 sur la
bride à chariot et installez la barre de liaison.
6. A partir de l’arrière de la machine, tournez et enfoncez
l’arbre d’entraînement sur le carré de la N°141.
Serrez les vis de blocage. Serrez la vis de blocage de
la barre de liaison.
7. Avec la N°141 en position de filetage standard,
tournez le volant du chariot jusqu’à ce que l’ensemble
se trouve à 1 po du mandrin avant.
Filetage des tuyaux de 21/2à 4 po de
diamètre (46 t/min.)
1. Réglez la fileteuse démultipliée N°141 et installez.
2. Soutenez le tuyau à l’aide d’un porte-tubes.
3. Introduisez le tuyau dans la gorge des filières, puis
serrez le collier de serrage et la vis de blocage.
4. Orientez le bec de lubrifications vers les filières et met-
tez le levier du collecteur à la position nécessaire.
5. Mettez le commutateur directionnel en position FOR
(marche avant) et, avec le levier de vitesses à la
position 46 RPM (t/min.), appuyez sur la pédale de
commande.
6. Continuez le filetage jusqu’à ce que le repère d’arrêt
rouge apparaisse sur la chemise du pignon
(référencez les repères du poteau de guidage pour
filetages surdimensionnés ou sousdimensionnés).
7. Pour ramener la fileteuse, mettez le commutateur
directionnel en position REV (marche arrière) et
appuyez sur la pédale de commande.
8. Après un quart de tour, arrêtez la machine, tirez sur
les manettes de la plaque à cames et tournez la
plaque à cames vers le repère CD de la tête de filière.
9. Desserrez la vis de blocage et ouvrez le collier de ser-
rage. Retirez le tuyau.
Figure 17 – Fileteuse démultipliée N° 141 montrant les
repères de chemise de pignon et de poteau
de guidage
Filières (Jeu de 5)
Bloc de guidage
Ligne 2T
under
Ligne
standard
Ligne 2T
over
Vis
Poteau de
guidage
Boîtier
d’engrenages
Plaque de sélection
Tête de
filière
Vis de
blocage
Ligne
d’arrêt
(Rouge)
Ligne
standard
Manchon
du pignon
AVERTISSEMENT

Ridge Tool Company
36
Machine à fileter automatique pour tuyaux et boulons Modèle 535
Installation du système de lubrification
pour filetage à gauche
1. Pour le filetage à gauche, la conduite d’arrivée d’huile
vers le chariot doit être branchée au raccord IN de la
pompe.
2. Pour le filetage à gauche, le retour d’huile se branche
sur le raccord OUT de la pompe.
NOTA ! Pour le filetage à droite, les conduites d’huile
sont inversées par rapport aux positions décrites
ci-dessus.
MISE EN GARDE !
Lors du filetage à gauche, le fonctionnement du
commutateur directionnel est inversé. FOR
(marche avant) devient REV (marche arrière). REV
devient FOR.
Accessoires
Seuls les produits RIDGID suiv-
ants sont prévus pour fonctionner avec la machine à
fileter automatique Modèle 535. Les accessoires prévus
pour d’autres types d’appareil peuvent être dangereux
s’ils sont utilisés avec cette machine à fileter. Afin
d’éviter de graves blessures, servez-vous exclusive-
ment des accessoires indiqués ci-dessous.
Accessoires pour machine à fileter
Rampes à têtes de filière :
4U...........................capacité de 4 têtes
6U...........................capacité de 6 têtes
Supports :
No. 100A.................4 pieds et tiroir
No. 150A.................2 roues et tiroir
10. Appuyez sur la pédale de commande et ramenez la
N°141 au repère standard.
Si le manchon fileté se déloge du
collier de serrage, il doit être réinstallé manuellement sur
un établi. NE PAS utiliser le moteur.
NOTA ! En l’absence d’une bague étalon, un raccord
peut être utilisé. Ce raccord doit être représen-
tatif de ceux utilisés sur le chantier. Le filetage
du tuyau devrait permettre entre 2 et 3 tours
d’engagement manuel du raccord. Si le file-
tage n’est pas de section appropriée, le repère
d’indexation de la barre graduée doit être
déplacé en direction OVER ou UNDER.
(Reportez-vous à la section “Installation des
filières dans les têtes de filières”.)
Filetages à Gauche
Cette machine peut servir à produire des filetages à
gauche. Cependant, une modification doit être effectuée
par l’utilisateur ou par un centre de service autorisé. Il
s’agit simplement d’enlever le carter arrière du mandrin,
les clips de retenue et la plaque. Retournez la plaque de
couverture de manière à ce que la broche se trouve à
l’extérieur. Réinstallez les clips de retenue et le carter
arrière du mandrin (Figures 18A, 18B et 18C). De sur-
croît, une tête de filière pour filetages à gauche doit
être embrochée à l’arrière du chariot, via le trou dans le
support du chariot.
NOTA ! L’alésage pour filetage à gauche nécessite
l’utilisation d’un cône d’alésage E-863.
Figure 18A – Retrait de
carter arrière
du mandrin
Figure 18B – Retrait des
clips de
retenue de la
plaque de
couverture
Figure 18C – Renversement
de la plaque
de couverture
Pin
MISE EN GARDE
AVERTISSEMENT

No. 200A...................2 roues et armoire fermée
Porte-tubes
Mandrin à raccords N°819
(pour filetage à droite uniquement)
Ensemble d’adaptation N°839
Adaptateurs pour tuyaux........1/8à11/2po
Adaptateurs pour boulons......1/4à 2 po UNC
1/4à 11/2po UNF
Accessoires pour le filetage des mamelons
Ensemble de montage sur chariot
Fileteuse démultipliée N°141…pour filetage des
tuyaux de 21/2à
4 po
Porte-tubes
NOTA ! Consultez le catalogue Ridge Tool pour une
liste complète des porte-tubes, huiles de coupe
et filières disponibles.
Entretien
MISE EN GARDE !
Assurez-vous que l’appareil est débranché avant
tout entretien ou réglage.
Lubrification
(Figure 19)
Une bonne lubrification est essentielle à la fiabilité et à
la longévité du système d’entraînement.
1. Enlevez les quatre (4) vis du carter et retirez le
carter.
2. Servez-vous d’une pompe à graisse pour lubrifier
les graisseurs de palier d’arbre à intervalles de 2 à 6
mis selon la fréquence d’utilisation de la machine.
3. Appliquez une couche modérée de graisse sur le
gros pignon à chaque graissage des paliers.
Ne faites pas tourner la machine à
fileter sans son carter. Réinstallez systématiquement le
carter après avoir lubrifié la machine.
Entretien du système de lubrification
Le système de lubrification doit être nettoyé selon la
méthode suivante afin d’assurer le bon fonctionnement
de la machine à fileter :
1. Changez l’huile de coupe lorsqu’elle devient sale ou
contaminée. Pour vidanger l’huile, placez un récipient
sous le robinet de vidange et ouvrez le robinet.
2. Pour nettoyer le tamis de filtration, desserrez la vis qui
retient le filtre à l’embase et retirez le filtre de la con-
duite de lubrification. Nettoyez le tamis de filtration
dans du solvant suivi, si possible, d’un soufflage à l’air
comprimé. Ne laissez pas tourner la machine sans
son tamis de filtration d’huile.
NOTA ! L’huile de coupe RIDGID Thread Cutting Oil
assure à la fois des filetages de haute qualité et
la longévité des filières. Consultez les étiquettes
des bidons d’huile pour les consignes d’utili-
sation et de manipulation correspondantes. Le
recyclage de l’huile doit se faire selon les prévi-
sions réglementaires applicables.
Figure 19 – Lubrification de la machine
Nettoyage du système de lubrification
1. Placez un récipient sous le robinet de vidange.
2. Ouvrez le robinet et vidangez l’huile.
3. Retirez le tiroir à copeaux et nettoyez son réservoir
avec du white spirit.
4. Utilisez un couteau à mastic pour éliminer les dépôts
de tartre, les copeaux métalliques et la crasse.
Nettoyez-le avec du white spirit.
5. Enlevez le filtre à huile et nettoyez le tamis avec du
solvant puis, si possible à l’air comprimé.
Remplacement des mâchoires
NOTA ! Lorsque les dents des mâchoires deviennent
usées au point de ne plus retenir le tuyau ou la
tige durant le filetage, remplacez le jeu complet
de mâchoires. Nettoyez les dents de mâchoire
quotidiennement avec une brosse métallique.
1. Enlevez le carter avant.
2. Enlevez la plaque de soutien avant.
3. Enlevez les mâchoires de l’arbre.
Ridge Tool Company 37
Machine à fileter automatique pour tuyaux et boulons Modèle 535
MISE EN GARDE
Pignon à graisser
Graisseurs

Ridge Tool Company
38
4. Remplacez-les avec de nouvelles mâchoires ou
retournez-les pour utiliser le côté non utilisé..
NOTA ! Assurez-vous que la clé se trouve sur l’arbre
lorsque vous y installez les mâchoires.
5. Retenez la plaque de soutien avant à l’aide du cerclip
prévu.
6. Remontez le carter avant avec les vis à tête ronde
prévues.
NOTA ! Les mâchoires arrières n’ont pas de dents, car
elles servent uniquement au centrage. Il n’est
pas nécessaire de remplacer ces mâchoires.
Inspection de la courroie
d’entraînement
La tension de la courroie d’entraînement doit être véri-
fiée régulièrement, un fléchissement de 1/8po sous une
pression modéré (4 livres) constitue une tension suff-
isante. Si la courroie semble usée, elle devrait être
remplacée.
Stockage de la machine
Tout matériel électrique doit être
rangé à l’intérieur ou bien protégé en cas de pluie.
Stockez la machine dans un local fermé à clé et hors de
la portée des enfants et des individus non accoutumés
aux machines à fileter. Cette machine peut provoquer de
graves blessures entre les mains d’un utilisateur sans
formation adéquate.
Entretien et Réparations
MISE EN GARDE !
L’entretien et la réparation de cette machine à fileter
doivent être confiés à un réparateur qualifié. La machine
doit être confiée à un réparateur RIDGID indépendant ou
renvoyée à l’usine. Toutes réparations effectuées par les
services techniques Ridge sont garanties contre les
vices de matériel et de main d’œuvre.
Des pièces de rechange identiques aux pièces d’origine
doivent être utilisées lors de toute intervention sur cette
machine. Le non respect de cette consigne pourrait
créer un risque de choc électrique ou d’autre grave
blessure corporelle.
En cas de questions concernant l’entretien ou la répa-
ration de cet appareil veuillez appeler ou écrire selon les
coordonnées suivantes :
Ridge Tool Company
Technical Service Department
400 Clark Street
Elyria, Ohio 44035-6001
Tél. : (800) 519-3456
E-mail : techservices@ridgid.com
Pour obtenir les coordonnées du réparateur agréé le plus
proche, veuillez consulter la Ridge Tool Company au
(800) 519-3456 ou http://www.ridgid.com
Machine à fileter automatique pour tuyaux et boulons Modèle 535
MISE EN GARDE

Ridge Tool Company 39
Machine à fileter automatique pour tuyaux et boulons Modèle 535
Modèle 535 – Schéma électrique 120V
Vert
Vert
Vert
Blanc
Blanc
Blanc
Blanc
Blanc
Noir
Noir
Noir
Noir
Noir
Ventilateur
Rouge
Orange
Répartiteur
Ouvert-2-M/AR
Arrêt-0-Arrêt
Fermé-1-M/AV

Ridge Tool Company
40
Machine à fileter automatique pour tuyaux et boulons Modèle 535

Máquina Roscadora
Automática No. 535
de tubos y pernos
Máquina Roscadora Automática No. 535 de tubos
y pernos
A continuación apunte y retenga el número de serie del producto que se encuentra en la
placa de características.
No. de
Serie

Máquina Roscadora Automática No. 535 de tubos y pernos
Ridge Tool Company
42
Indice
Formulario para apuntar el Número de Serie de la máquina ..................................................................................41
Información general de seguridad
Seguridad en la zona de trabajo...............................................................................................................................43
Seguridad eléctrica ...................................................................................................................................................43
Seguridad personal...................................................................................................................................................43
Uso y cuidado de la herramienta ..............................................................................................................................44
Servicio .....................................................................................................................................................................44
Información específica de seguridad
Seguridad del interruptor de pie................................................................................................................................44
Seguridad de la máquina..........................................................................................................................................45
Descripción, especificaciones y equipo estándar
Descripción ...............................................................................................................................................................45
Especificaciones .......................................................................................................................................................45
Equipo estándar........................................................................................................................................................46
Cabezales de terrajas y terrajas ...............................................................................................................................47
Montaje de la máquina
Montaje de la máquina sobre un soporte..................................................................................................................46
Montaje de la máquina sobre un banco....................................................................................................................48
Revisión de la máquina ..............................................................................................................................................48
Preparación de la máquina y de la zona de trabajo.................................................................................................49
Funcionamiento con herramientas montadas a la máquina
Instalación y sujeción del tubo en la Roscadora.......................................................................................................50
Corte de tubos con la Cortadora No. 820 .................................................................................................................51
Escariado de tubos con la Escariadora No.341........................................................................................................51
Roscado de tubos o pernos con Cabezales de Terrajas de Apertura Rápida, de Autoapertura o Semiautomáticos....52
Cómo sacar el tubo de la Roscadora........................................................................................................................52
Instalación de terrajas en Cabezales de Terrajas de Apertura Rápida (a mano derecha y a mano izquierda)........53
Instalación de terrajas en Cabezales de Terrajas de Autoapertura (solamente a mano derecha)...........................53
Instalación de terrajas en Cabezales de Terrajas Modelos 816/817........................................................................54
Verificación de la longitud de la rosca ......................................................................................................................55
Mandril niplero No. 819 y Kit Adaptador No. 839
Instalación.................................................................................................................................................................55
Procedimiento para roscar niples .............................................................................................................................55
Instrucciones de funcionamiento utilizando roscadoras a engranajes
Regulación de la Roscadora a Engranajes No. 141.................................................................................................56
Regulación del tamaño de rosca ..............................................................................................................................56
Indicadores en el poste guía para labrar roscas rectas o achaflanadas...................................................................57
Cambio de terrajas....................................................................................................................................................57
Funcionamiento de la Roscadora a Engranajes No. 141 con el Kit No. 241 para el acoplamiento al carro......57
Funcionamiento de la máquina a mano izquierda ...................................................................................................58
Accesorios...................................................................................................................................................................59
Instrucciones para el mantenimiento
Lubricación................................................................................................................................................................59
Mantenimiento del sistema de circulación de aceite.................................................................................................60
Limpieza del sistema de lubricación .........................................................................................................................60
Recambio de la mordaza..........................................................................................................................................60
Inspección de la correa de accionamiento................................................................................................................60
Almacenamiento de la máquina................................................................................................................................60
Servicio y reparaciones..............................................................................................................................................61
Diagrama de cableado ................................................................................................................................................61
Garantía vitalicia ...............................................................................................................................(carátula posterior)

Ridge Tool Company 43
Máquina Roscadora Automática No. 535 de tubos y pernos
•Evite que su cuerpo haga contacto con superfi-
cies conectadas a tierra. Si su cuerpo queda conec-
tado a tierra, aumenta el riesgo de que sufra un
choque eléctrico.
•No exponga las herramientas eléctricas a la lluvia
o a condiciones mojadas. Si agua penetra en una
herramienta a motor, aumenta el riesgo de que se pro-
duzca un golpe eléctrico.
•No abuse del cordón. Nunca use el cordón para
sacar el enchufe del tomacorriente. Mantenga el
cordón lejos de fuentes de calor, aceite, bordes
cortantes o piezas movibles. Recambie los cor-
dones dañados de inmediato. Los cordones en mal
estado aumentan los riesgos de que se produzca un
choque eléctrico.
•Al hacer funcionar una herramienta a motor a la
intemperie, emplee un cordón de extensión fabri-
cado para uso exterior y rotulado “W-A” o “W”.
Estos cordones han sido diseñados para su empleo al
aire libre y reducen el riesgo de que se produzca un
choque eléctrico.
•Use solamente un cordón de extensión de tres
alambres equipado con un enchufe de tres clavijas
para conexión a tierra, y tomacorrientes de tres
polos que acojan a las tres clavijas del enchufe de
la herramienta. Otros alargadores no conectarán la
herramienta a tierra y aumentarán el riesgo de que se
produzca un choque eléctrico.
•Use cordones de extensión apropiados. (Vea la
tabla). Una dimensión insuficiente del conductor
causará una caída excesiva del voltaje y una pérdida
de potencia.
•Mantenga todas las conexiones eléctricas secas y
levantadas del suelo. No toque los enchufes o la
herramienta con las manos mojadas. De esta ma-
nera se evita un choque eléctrico.
Seguridad personal
•Manténgase alerta, preste atención a lo que está
haciendo y use sentido común cuando trabaje
con una herramienta a motor. No la use si está
cansado o se encuentra bajo la influencia de dro-
Información general de seguridad
¡ADVERTENCIA! Lea y comprenda todas las instrucciones.
Pueden ocurrir golpes eléctricos, incen-
dios y/o esiones personales graves si
no se siguen todas las instrucciones
detalladas a continuación.
¡GUARDE ESTAS INSTRUCCIONES!
Seguridad en la zona de trabajo
•Mantenga su área de trabajo limpia y bien ilumi-
nada. Los bancos de trabajo desordenados y las
zonas oscuras invitan a que se produzcan accidentes.
•No haga funcionar herramientas en atmósferas
explosivas, como por ejemplo, en la presencia de
líquidos, gases o polvos inflamables. Las herra-
mientas generan chispas que pueden encender el
polvo o los gases.
•Al hacer funcionar una herramienta, mantenga
apartados a los espectadores, niños y visitantes.
Las distracciones pueden causar que pierda el control.
•Mantenga el piso seco y libre de materiales res-
baladizos. Los suelos resbalosos provocan acci-
dentes.
•Vigile y rodee la zona de trabajo con barreras
cuando la pieza de trabajo se extienda más allá de
la máquina. Una barricada que deje un mínimo de tres
(3) pies de espacio alrededor de la pieza de trabajo
reducirá el riesgo de enganches.
Seguridad eléctrica
•Las herramientas provistas de una conexión a
tierra deben ser enchufadas a una salida de co-
rriente debidamente instalada y conectada a tierra
de acuerdo con todos los códigos y reglamentos.
Jamás extraiga del enchufe la tercera clavija que
conduce a tierra ni lo modifique de manera alguna.
No use ningún tipo de enchufes adaptadores. En
caso de estar en duda referente a la conexión a
tierra del enchufe, consulte con un electricista
calificado. En el caso de que la herramienta sufra una
avería eléctrica o de otro tipo, la conexión tierra pro-
porciona una vía de baja resistencia para conducir la
electricidad lejos del usuario.
Clavija para la
conexión a tierra
Tapa del
enchufe conectado
a tierra
Clavija para la
conexión a tierra
Dimensión Mínima de Alambre para Cordones de Extensión
Amperios en
la Placa de Longitud Total (en pies)
Características 0-25 26-50 51-100
0-6 18 AWG 16 AWG 16 AWG
6-10 18 AWG 16 AWG 14 AWG
10-12 16 AWG 16 AWG 14 AWG
12-16 14 AWG 12 AWG NO SE RECOMIENDA

Ridge Tool Company
44
Máquina Roscadora Automática No. 535 de tubos y pernos
gas, alcohol o medicamentos. Sólo un breve des-
cuido mientras hace funcionar una herramienta a
motor puede resultar en lesiones personales graves.
•Vístase adecuadamente. No lleve ropa suelta ni
joyas. Amarre una cabellera larga. Mantenga su
cabello, ropa y guantes apartados de las piezas en
movimiento. La ropa suelta, las joyas o el pelo largo
pueden engancharse en la piezas móviles.
•Evite echar a andar la herramienta sin querer.
Antes de enchufarla, asegure que el interruptor se
encuentre en la posición OFF (apagado). Trans-
portar la herramienta con el dedo en el interruptor o
enchufar herramientas que tienen el interruptor en la
posición de encendido constituye una invitación a
que se produzcan accidentes.
•Antes de colocar el interruptor en la posición de
ON (encendido) extraiga todas las llaves de ajuste.
Una llave mecánica o una llave que se ha dejado
acoplada a una pieza giratoria de la herramienta
puede ocasionar lesiones personales.
•No trate de sobreextender su cuerpo. Mantenga
sus pies firmes en tierra y un buen equilibrio en
todo momento. Al mantener el equilibrio y los pies
firmes, tendrá mejor control sobre la herramienta en
situaciones inesperadas.
•Use equipo de seguridad. Siempre lleve protec-
ción para la vista. Cuando las condiciones lo requier-
an, debe usar mascarilla para el polvo, calzado de
seguridad antideslizante, casco duro o protección
para los oídos.
Uso y cuidado de la herramienta
•Si el interruptor de ENCENDIDO/APAGADO no
funciona, no use la herramienta. Cualquier herra-
mienta que no pueda ser controlada mediante el inte-
rruptor es peligrosa y debe ser reparada.
•Antes de efectuar trabajos de regulación, de cam-
biar accesorios o de almacenar la herramienta,
desconecte el enchufe de la fuente de corriente
eléctrica. Este tipo de seguridad preventiva reduce el
riesgo de poner la herramienta en marcha involun-
tariamente.
•Almacene las herramientas que no estén en uso
fuera del alcance de los niños y de otras per-
sonas sin entrenamiento. Las herramientas son
peligrosas en las manos de usuarios no capacitados.
•Verifique si las piezas movibles están desali-
neadas o agarrotadas, si hay piezas quebradas y
si existe cualquiera otra condición que pueda
afectar el funcionamiento de la herramienta. En el
caso de estar dañada, antes de usar la herra-
mienta, hágala componer. Numerosos accidentes
son causados por herramientas que no han recibido
un mantenimiento adecuado.
•Solamente use accesorios recomendados para
su modelo. Los accesorios que son los adecuados
para una herramienta pueden ser peligrosos acoplados
a otra herramienta.
•Mantenga los mangos limpios y secos, libres de
aceite y grasa. Esto permite un mejor control de la
herramienta.
Servicio
•Los trabajos de servicio a la herramienta sólo
deben ser efectuados por personal de reparación
calificado. El servicio o mantenimiento practicado
por personal no calificado para efectuar reparaciones
puede resultar en lesiones.
•Cuande le haga mantenimiento a una herramienta,
debe usar únicamente repuestos o piezas de
recambio idénticas. Siga las instrucciones en la
Sección de Mantenimiento de este manual. Pueden
producirse choques eléctricos o lesiones personales si
no se emplean piezas y partes autorizadas o si no se
siguen las instrucciones de mantenimiento.
Información específica
de seguridad
ADVERTENCIA
Lea este Manual del Operador cuidadosamente
antes de usar esta Roscadora Automática No.
535. Pueden producirse choques eléctricos, incen-
dios y/o graves lesiones personales si no se com-
prenden y respetan todas las instrucciones de
este manual.
Si tiene cualquier pregunta, llame al Departamento de
Servicio Técnico de Ridge Tool Company al (800) 519-
3456.
Seguridad del Interruptor de Pie
El uso de una máquina roscadora
sin un interruptor de pie aumenta el riesgo de que se
produzca una lesión personal grave. El interruptor de
pie le permite controlar la herramienta porque con
sólo quitar el pie se apaga el motor. Si la ropa se le
llegara a enganchar en la máquina, continuará enro-
llándose tirándolo a usted hacia la máquina. Debido
a que la máquina dispone de un elevado par de tor-
sión, la ropa misma puede envolvérsele alrededor
del brazo u otras partes del cuerpo con suficiente
fuerza como para triturarle o quebrarle los huesos.
ADVERTENCIA

Ridge Tool Company 45
Máquina Roscadora Automática No. 535 de tubos y pernos
Seguridad de la máquina
•La Máquina Roscadora ha sido diseñada para
roscar y cortar tubos o pernos y para propulsar
equipos de ranurado a rodillos. Siga las instruc-
ciones para usar esta máquina correctamente. No
la emplee para otros propósitos tales como la
perforación de agujeros o para girar un torno o
malacate. Usar esta Roscadora para otras tareas o
hacerle modificaciones para someterla a otros usos
aumentará el riesgo de que se produzcan lesiones.
•Asegure la máquina a un banco o a un soporte.
Apoye los tubos largos y pesados con soportes
para tubos. Esto evitará que la máquina se vuelque.
•No lleve guantes ni ropa suelta. Mantenga las
mangas y las chaquetas abotonadas. No extienda
su cuerpo sobre la máquina ni el tubo. La ropa se
le puede enganchar en el tubo y causar graves
lesiones personales.
•Haga funcionar la máquina desde el lado en que se
encuentra el interruptor de REV/OFF/FOR (rever-
sa/apagada/adelante). Esto elimina la necesidad de
extender su cuerpo por encima de la máquina.
•No use la máquina si le falta el interruptor de pie o
está averiado. El interruptor de pie es un dispositivo
de seguridad diseñado para evitar lesiones graves.
•Mantenga sus manos apartadas de los tubos y fit-
tings que giran. Detenga la máquina antes de
limpiar las roscas de un tubo o de atornillar un
acoplamiento o fitting. Permita que la máquina se
detenga por completo antes de tocar el tubo o los
portaherramientas de la máquina. Estas prácti-
cas evitarán los enganches y que Ud. se lesione de
gravedad.
•No emplee esta máquina para fabricar o quebrar
acoplamientos o fittings. No use esta máquina para
dichas tareas, puede sufrir lesiones graves.
•Mantenga las tapas o cubiertas de la máquina en
su lugar. No la haga funcionar sin sus cubiertas.
Ud. puede ser herido de gravedad si una parte de su
cuerpo se engancha en una pieza movible.
•Cuando no se use, ponga el pestillo en el inte-
rruptor de pie (Figura 1).Esto evita la puesta en
marcha involuntaria de la máquina.
Figura 1 – Interruptor de Pie con pestillo
Descripción, especificaciones
y equipo estándar
Descripción
La Roscadora Automática Modelo 535 de RIDGID es
una máquina eléctrica accionada por un motor, que
automáticamente centra y sujeta en el portaherramien-
tas o mandril un tubo, conducto, o varilla (de pernos o
tornillos), haciéndolo girar mientras lo rosca, lo corta o lo
escaria. Las terrajas roscadoras se montan en cabeza-
les de terrajas de autoapertura, de apertura rápida, o en
los cabezales semiautomáticos Nos. 816/817. Viene
con un sistema automático de lubricación, el que moja la
pieza de trabajo con aceite para cortar roscas durante
las tareas de roscado. Con esta Roscadora también
puede usarse una Roscadora a Engranajes, para roscar
tubos de mayor diámetro.
La Roscadora Automática Modelo 535 de RIDGID tam-
bién puede emplearse como fuente de accionamiento
para un equipo de ranurado a rodillos. Cuando se acopla
al riel del carro de la Roscadora, el equipo de ranurado
a rodillo labra ranuras estándar en tubos de una variedad
de tamaños y materiales.
Especificaciones
Capacidad de roscado ...tubos de 1/8a 2 pulgadas
pernos de 1/4a 2 pulgadas
Roscadora a engranajes:
tubos de 21/2a 4 pulgadas
Portaherramientas..........de centrado automático
Dispositivo de
centrado trasero ............automático
Velocidad de
funcionamiento..............16, 46, 58 rpm
Motor:
Tipo.............................de inducción
Fuerza.........................2 HP
Voltaje.........................corriente alterna, 120V,
monofásica, 60 Hz
Amperaje.....................18 Amps

Ridge Tool Company
46
Máquina Roscadora Automática No. 535 de tubos y pernos
Controles.......................interruptor tipo rotatorio
FOR/OFF/REV
(adelante/apagado/reversa),
e interruptor de pie ON/OFF
(encendido/apagado)
Bomba...........................del tipo Gerotor
Cortadora ......................No. 820 con rodillos estabi-
lizadores, autocentrante y
completamente flotante.
Tubos: de 1/8hasta 2 pulgadas.
Pernos: de 1/4hasta 1 pulgada
Escariadora ...................No. 341 de cierre o seguro
positivo, cono de cinco
estrías, hacia la derecha, 1/8a
2 pulgadas
Peso ..............................350 libras
Equipo estándar
Máquina Roscadora Automática Modelo No. 535
con interruptor de pie
1 - Cabezal de terrajas universal de apertura rápida
No. 811-A (o cabezales de terrajas semiautomáticos
Modelos 816/817)
1 - Escariadora No. 341
1 - Cortadora No. 820
1 - juego de terrajas universales de alta velocidad, 1/2a
3/4pulgadas
1 - juego de terrajas universales de alta velocidad, 1 a 2
pulgadas
1 - galón de aceite para acero inoxidable
4 - llaves hexagonales
1 - rueda de corte E-1032 de repuesto
1 - lata de Sellador blanco con Teflon®
Las máquinas listadas como de 1/8a 2 pulgadas incluyen un equipo
estándar. Cuando se indica Sólo Máquina, se incluye el equipo
estándar sin los cabezales de terrajas y las terrajas. Todas las
máquinas tienen motor monofásico de inducción de 60 Hz y 2 HP.
¡NOTA! Las terrajas NPT son únicamente para cabeza-
les de terrajas NPT. Las terrajas BSPT son
únicamente para cabezales de terrajas BSPT.
Por favor indique los números de las piezas en
el catálogo al formular un pedido. Se recomien-
da el uso de terrajas de alta velocidad con la
Roscadora Automática No. 535.
Figura 2 – Dimensiones de la Roscadora No. 535
Montaje de la máquina
ADVERTENCIA
Se requiere montar la Roscadora correctamente
para evitar lesiones de gravedad. Deben seguirse
los siguientes procedimientos:
Montaje de la máquina en un soporte
1. La máquina puede montarse en los tres soportes
universales listados a continuación.
Figura 3
2. El diagrama y la lista de piezas y partes para los
soportes se incluyen en la Lista de Repuestos para la
Modelo No. 535 Automática.
3. Ensamble el soporte con las calcomanías interiores
apuntando hacia el interior del soporte (Figura 4).
4. Inserte las lengüetas de enclavamiento en la parte de
abajo de las patas como se muestra en el dibujo.
Introduzca los cuatro espaciadores entre las patas.
Use los cuatro (4) pernos hexagonales de 3/8″ - 16 x
21/2pulgs. para sujetar las patas a la viga cruzada.
Ajuste las dos mitades del enclavamiento del soporte
a la distancia correcta para que encajen en las patas
Soportes
No. en el
Modelo No. catálogo Descripción
100A 92457 Soporte universal con patas y bandeja
150A 92467 Soporte universal con ruedas y bandeja
200A 92462 Soporte universal con ruedas y armario
Máquinas estándar
No. en el Modelo Descripción
catálogo No. 115V 25-60 Hz rpm
84097 Automática 115V 1/8a 2 pulgadas NPT 16, 46, 58
535 con cabezal de terrajas 811A
91142 Automática SOLO 16, 46, 58
535 Máquina de 115V
91332 Automática 1/2a 2 pulgadas NPT con 16, 46, 58
535 cabezales de terrajas
semiautomáticos 816/817
191/4″
201/2″
361/2″ largo total
361/2″

Ridge Tool Company 47
Máquina Roscadora Automática No. 535 de tubos y pernos
el extremo del brazo quede sujeto por el asta del eje.
Deslice una rueda por el eje. Corra una arandela
plana por el eje y coloque una chaveta para sujetar la
rueda en el eje.
6. Monte la máquina sobre el soporte empleando cua-
tro (4) pernos, uno en cada esquina de la base.
traseras del soporte. El brazo de enclavamiento no se
requiere ni viene con el Soporte No. 100 con Patas y
Bandeja.
¡NOTA! Introduzca el eje en el armazón y fíjelo con
una arandela de seguridad y una tuerca de 1/2
pulgada.
5. Coloque el brazo de enclavamiento de tal manera que
Cabezales de terrajas y Terrajas
Capacidad Capacidad
Modelo Tubería Perno Terrajas Apertura Funcionamiento
811A NPT 1/8a 2 pulgadas 1/4a 2 pulgadas universal rápida mano der.
815A NPT 1/8a 2 pulgadas 1/4a 2 pulgadas universal autoapertura mano der.
842 NPT 1/4a 2 pulgadas —universal rápida mano izq.
816 NPT 1/8a 3/4pulgadas —universal con un golpecito mano der.
817 NPT 1 a 2 pulgadas 1/4a 2 pulgadas universal con un golpecito mano der.
811A BSPT 1/8a 2 pulgadas 1/4a 2 pulgadas universal rápida mano der.
815A BSPT 1/8a 2 pulgadas 1/4a 2 pulgadas universal autoapertura mano der.
531 perno —1/4a 1 pulgadas 500B rápida Mano der./mano izq.
532 perno —11/8a 2 pulgadas 500B rápida Mano der./mano izq.
Terrajas universales para NPT NPSM
tubería (Nos. en el catálogo) 1/8
pulgadas
1/4- 3/8
pulgadas
1/2- 3/4
pulgadas
1 - 2
pulgadas
1/8
pulgadas
1/4- 3/8
pulgadas
1/2- 3/4
pulgadas
1 - 2
pulgadas
de alta velocidad, mano der. 47755 47760 47765 47770 47845 47850 47855 47860
de alta velocidad, mano izq. —47810 47815 47820 —— —70775
de alta velocidad para 47775 47780 47785 47790 —— — —
acero inox., mano der.
de alta velocidad para —— —70740 —— — —
hierro fundido, mano izq.
de alta velocidad para PVC, —— 70745 70750 —— — —
mano der.
de alta velocidad para —— —31822 —— — —
materiales revestidos,
mano der
Universal Pipe Die BSPT BSPP
(Catalog Numbers) 1/8
pulgadas
1/4- 3/8
pulgadas
1/2- 3/4
pulgadas
1 - 2
pulgadas
1/8
pulgadas
1/4- 3/8
pulgadas
1/2- 3 /4
pulgadas
1 - 2
pulgadas
de alta velocidad, mano der. 66750 66755 66760 66765 66795 66800 66805 66810
de alta velocidad, mano izq. —66840 66845 66850 ——
66870 66875
de alta velocidad para 66770 66775 66780 66785 66815 66820 66825 66830
acero inox., mano der.
de alta velocidad para acero —66855 66860 66865 —— — —
inox., mano izq.
de alta velocidad para PVC, ——70755 70760 ——
70765 70770
mano der.
de alta velocidad para —— —
31837 —— — —
materiales revestidos,
mano der
Nota: Las terrajas BSPT y las BSPP requieren un cabezal de terrajas modelo
británico.
Nota: Para el funcionamiento de la Roscadora 1822-I a mano izq. se requiere
un montaje especial.
Nota: Se recomiendan terrajas de alta velocidad para roscar tubería de 1 a 2
pulgadas a 45 rpm.
Terrajas universales para pernos, para cabezales de terrajas 811A y 815A:
Hay disponibles más de 90 juegos, desde 1/4a 2 pulgadas, tanto de aleación
como de alta velocidad.
Solamente de mano derecha para roscas UNC, UNF y BSW.
Terrajas para pernos No. 500B para cabezales de terrajas
Nos. 531 y 532
Más de 200 juegos para el cabezal de terrajas para pernos
No. 531
Más de 150 juegos para el cabezal de terrajas para pernos
No. 532
Monoterrajas para monocabezales de terrajas (Serie A)

Ridge Tool Company
48
Máquina Roscadora Automática No. 535 de tubos y pernos
Revisión de la máquina
ADVERTENCIA
Revise su Roscadora para evitar lesiones graves.
Los siguientes procedimientos de inspección
deben realizarse a diario:
1. Asegure que la Roscadora esté desenchufada y que
su interruptor de control se encuentre en la posición
de OFF (apagado) (Figura 5).
Figura 5 – Roscadora automática de tubos y pernos No.
535
2. Limpie las mordazas del mandril con un cepillo
metálico.
3. Revise las mordazas por si están desgastadas en
exceso. Consulte las Instrucciones de Mantenimiento
si necesitan recambio.
4. Asegure que el interruptor de pie esté presente y
acoplado a la Roscadora (Figura 5).
No haga funcionar la Máquina
Roscadora sin su interruptor de pie.
Para funcionar en forma óptima y equilibra-
da, las máquinas RIDGID deben montarse sobre los
agujeros correctos en las patas (Figura 4). No monte la
Roscadora Automática No. 535 sobre un antiguo soporte
RIDGID de tipo universal. Los Soportes Modelo “A”
tienen agujeros en los lugares precisos para lograr el
equilibrio adecuado. Los Soportes Modelo “A” traen
agujeros de 7/16 pulgada, especiales para esta máquina.
Montaje de la máquina en un banco
1. Si no se emplea un soporte, la máquina debe mon-
tarse sobre un banco o mesa de trabajo estable.
Para montarla sobre un banco, atornille la base de la
máquina en sus cuatro esquinas con los cuatro (4)
pernos de 5/16 pulgada provistos. Las dimensiones de
la base se muestran en la Figura 2.
Si no se monta la roscadora sobre
soportes o bancos estables, la máquina puede vol-
carse y causar lesiones graves.
Figura 4 – Ensamble del soporte
ADVERTENCIA
Cabezal de terrajas
de apertura rápida o
de autoapertura
Cortadora
No. 820
(estándar)
Escariadora
No. 341
Bandeja
de
virutas
Interruptor de marcha
atrás/OFF/adelante
Interruptor de pie
Volante del
carro
Indicador
de longitud
Palanca de
cambios
Parte
trasera
de los
modelos
535, 1224
Parte delantera
del Modelo 1224
Parte delantera del
Modelo 535
Detalle de la sección
Parte trasera de los
modelos 300
Compacta,1233 y 1822
Parte delantera
de los modelos
300 Compacta,
1233 y 1822
Se requieren 4
pernos hexagonales
de 3/8″- 16 x 21/2″
535
Automática
535
Automática
CUIDADO
ADVERTENCIA

Ridge Tool Company 49
Máquina Roscadora Automática No. 535 de tubos y pernos
5. Inspeccione el cordón eléctrico y el enchufe para
comprobar que están en buen estado. Si el enchufe
ha sido modificado, no tiene su clavija de conexión a
tierra, o si el cordón está dañado, no use la
Roscadora hasta que el cordón haya sido cambiado.
6. Revise la Roscadora para asegurar que no le falten
piezas, que no tenga partes quebradas, desalineadas
o agarrotadas, o por si existe cualquiera otra condición
que pueda afectar el funcionamiento normal y seguro
de la máquina. Si detecta cualquier defecto, no use la
Roscadora hasta que no haya sido reparada.
7. Lubrique la Roscadora si es necesario, de acuerdo
con las Instrucciones de Mantenimiento.
8. Emplee las herramientas y accesorios indicados para
su Roscadora y para los usos que le dará. Las herra-
mientas y accesorios correctos le permitirán efectuar
un trabajo satisfactorio y seguro. Los accesorios dise-
ñados para usarse con otros equipos pueden resultar
peligrosos si se usan con esta Roscadora.
9. Limpie el aceite, grasa o mugre de todos los mangos
y controles. Así no se resbalan las herramientas o
mangos de sus manos y disminuye el riesgo de que
ocurran lesiones.
Revise los filos de corte de sus herramientas y terra-
jas. Si es necesario, recámbielas antes de usar la
Roscadora. Las herramientas de corte y terrajas
desafiladas pueden producir agarrotamientos, roturas
en la herramienta y roscas de baja calidad.
¡NOTA! Se recomienda el uso de terrajas de alta veloci-
dad en esta máquina. Debido a que ésta fun-
ciona a altas velocidades, las terrajas de
aleación se desgastarán muy pronto y labrarán
roscas de baja calidad.
10. Limpie las virutas y otros desechos de la bandeja de
virutas de la Roscadora. Revise el nivel y el estado
del aceite para cortar roscas. Cambie o agregue
aceite si es necesario. Al depósito en la base le
caben aproximadamente siete (7) cuartos de galón de
aceite para roscar.
¡NOTA! El aceite para cortar roscas lubrica y enfría
las roscas durante la operación de roscado. El
aceite sucio o de baja calidad puede producir
roscas deficientes.
¡NOTA! Al funcionar a 58 rpm obtendrá roscas de cali-
dad si emplea Aceite para Acero Inoxidable
RIDGID.
¡NOTA! Para vaciar el aceite y efectuar el manteni-
miento adecuado al sistema de lubricación,
consulte las “Instrucciones de Mantenimiento”.
Preparación de la máquina y
de la zona de trabajo
ADVERTENCIA
Se requiere una adecuada preparación de la
máquina y de la zona de trabajo para evitar que
ocurran lesiones de gravedad. Deben seguirse los
siguientes procedimientos para preparar la máquina:
1. Elija una zona de trabajo donde:
•haya suficiente luz.
•no estén presentes líquidos, vapores o polvos
que puedan prender fuego.
•exista una salida de corriente eléctrica de 20
amps. conectada a tierra.
•haya una senda directa hasta la salida de corrien-
te eléctrica, libre de fuentes de calor, aceites,
bordes afilados o cortantes o piezas movibles
que puedan dañar al cordón eléctrico.
•haya un lugar seco para situar la máquina y al
operador. No use la máquina si está puesta sobre
agua.
•el suelo esté nivelado.
2. Limpie la zona de trabajo antes de montar cualquier
equipo. Siempre limpie todo aceite que pueda haber
salpicado o goteado de la máquina para impedir que
alguien se resbale o caiga.
3. Si la pieza de trabajo se extiende más allá de cuatro
(4) pies de la Roscadora, use uno o más soportes
para evitar un volcamiento y la oscilación del tubo.
4. Si la pieza de trabajo se extiende más allá de la
Máquina Roscadora, rodee la zona de trabajo con
barreras para dejar un mínimo de tres (3) pies de
espacio libre alrededor de la Roscadora y la pieza de
trabajo. Esta “zona de seguridad” impedirá que otros
se acerquen a la máquina y a la pieza de trabajo. De
lo contrario, personas pueden volcar la máquina o
engancharse en sus partes movibles.
5. Si se hace necesario, llene el depósito con Aceite
para Roscar RIDGID.
6. Asegure que el interruptor de FOR/OFF/REV (ade-
lante/apagado/reversa) se encuentre en la posición de
OFF (apagado).
7. Sitúe el interruptor de pie donde el operador pueda

Ridge Tool Company
50
Máquina Roscadora Automática No. 535 de tubos y pernos
controlar la máquina, las herramientas y la pieza de tra-
bajo con seguridad. Debe permitir que el operador:
•quede parado frente al interruptor de control.
•accione el interruptor de pie con su pie izquierdo.
•pueda alcanzar con facilidad el interruptor de control,
las herramientas y las pieza de trabajo sin tener que
extender su cuerpo por encima de la máquina.
La máquina fue diseñada para funcionar al mando de
una persona.
8. Enchufe la Roscadora a la salida eléctrica de 20
amperios ubicada en la senda despejada elegida
con anterioridad. Si el cordón eléctrico no alcanza a
la salida de corriente, use un cordón de extensión que
se encuentre en buenas condiciones.
ADVERTENCIA
Para evitar choques e incendios eléctricos, nunca use un
cordón de extensión dañado o que no cumpla con los
siguientes requisitos:
•tener un enchufe de tres clavijas similar al que se
muestra en la sección Seguridad eléctrica.
•estar clasificado como “W” ó “W-A”, si será usado
a la intemperie.
•tener el grosor suficiente (14 AWG si mide 25 pies
de largo o menos, 12 AWG si mide entre 25 y 50
pies). Si el grosor del cable es insuficiente, el
cordón puede sobrecalentarse y derretirse su mate-
rial aislante, o prender fuego a objetos cercanos.
Para reducir el riesgo de ocasionar
choques eléctricos, mantenga todas las conexiones
eléctricas secas y levantadas del suelo. No toque el
enchufe con las manos mojadas.
9. Revise la Roscadora para asegurar que funciona
correctamente.
•Mueva el interruptor de control a la posición de
FOR (adelante). Oprima y suelte el interruptor
de pie. Verifique que la Roscadora gira en el sen-
tido contrario al de las manecillas del reloj cuando
usted se encuentra frente al portaherramientas
delantero y que las mordazas se cierran hacia el
centro. Haga componer la Roscadora si gira en el
sentido equivocado o si el interruptor de pie no
controla su detención o puesta en marcha.
•Oprima y mantenga el pie sobre el interruptor.
Revise las partes movibles por si están desali-
neadas o atascadas o por si emiten ruidos
extraños, y asegure que no existan otras condi-
ciones inusuales que afecten el normal y seguro
funcionamiento de la máquina. Si detecta alguna
anormalidad, lleve el motor a componer.
•Mueva el interruptor de control a la posición de
REV (reversa). Oprima y suelte el interruptor de
pie. Revise que la roscadora esté girando en el
sentido de las manecillas del reloj cuando usted
se encuentra de frente al portaherramientas y
que las mordazas se abran.
•Suelte el interruptor de pie y mueva el interruptor
de control a la posición de OFF (apagado).
Funcionamiento con herramien-
tas montadas a la máquina
ADVERTENCIA
No use guantes o ropa suelta cuando haga fun-
cionar la Roscadora. Mantenga las mangas y cha-
quetas abotonadas. No extienda su cuerpo sobre
la máquina ni el tubo.
No use esta Roscadora si le falta su interruptor de
pie o si éste está dañado. Siempre lleve protec-
ción para los ojos para que no les entren mugre u
objetos extraños.
Mantenga sus manos apartadas de un tubo o
acoplamiento que gira. Detenga la máquina antes
de limpiar las roscas de un tubo o de atornillar un
acoplamiento. Espere que la máquina se detenga
por completo antes de tocar el tubo.
No emplee la máquina para fabricar o desprender
un acoplamiento (fitting). La Roscadora no está
hecha para estos usos.
Instalación y sujeción del tubo en la
Roscadora:
1. Asegure que la cortadora, escariadora y cabezal de
terrajas estén elevados en la posición UP.
2. Haga una marca en el tubo, allí donde lo desea cortar.
3. Coloque el selector de velocidad en la posición de 46
o 58 rpm.
4. Introduzca el tubo en la Roscadora de tal manera que
el extremo que se labrará o la marca hecha en el
lugar del corte quede unas 12 pulgadas más adelante
que las cubiertas automáticas del mandril.
Mientras la máquina esté enchufada
a una fuente de corriente, jamás meta las manos más
allá de la cubierta del mandril.
5. Introduzca las piezas de trabajo de menos de 2 pies
de longitud por la parte delantera de la máquina.
ADVERTENCIA
ADVERTENCIA

Ridge Tool Company 51
Máquina Roscadora Automática No. 535 de tubos y pernos
Meta los tubos más largos por cualquiera de los dos
extremos para que el trozo más largo del tubo sobre-
salga de la parte trasera de la Roscadora.
Para evitar el volcamiento del equipo,
coloque los soportes para tubos debajo de la pieza de
trabajo.
6. Coloque el interruptor de control en la posición
FOR (adelante) y pise el interruptor de pie. Auto-
máticamente la máquina centrará y agarrará el
tubo o perno.
¡NOTA! Si el tubo queda descentrado, haga funcionar
la máquina en REV (reversa) para que suelte el
tubo. Vuelva a colocarlo en el mandril. Si el
tubo o perno queda sujeto levemente descen-
trado, es posible corregir su posición durante
un escariado o corte normal.
Corte de tubos con la Cortadora No. 820
1. Mueva la escariadora y el cabezal de terrajas a su
posición de UP (arriba).
2. BAJE la cortadora hacia el tubo y con el volante
mueva el carro para alinear la rueda de corte con la
marca hecha en el tubo.
3. Apriete el mango del tornillo de alimentación de la
cortadora sobre el tubo manteniendo la rueda ali-
neada con el tubo. (Figura 6)
4. Adopte la postura correcta para trabajar.
Figura 6 – Corte de un tubo con la Cortadora No. 820
Así mantendrá su equilibrio y
ejercerá control sobre la máquina y herramientas:
•Asegure que puede retirar su pie con rapidez del
interruptor de pie.
•Párese vuelto hacia el interruptor de control.
•Asegure que puede alcanzar con facilidad el inte-
rruptor de control, el de velocidades y las herra-
mientas.
•No extienda su cuerpo sobre la máquina o la
pieza de trabajo.
5. Agarre el mango del tornillo de alimentación de la cor-
tadora con ambas manos.
6. Con el pie izquierdo baje y mantenga oprimido el
interruptor de pie.
7. Lenta pero continuamente apriete el mango del torni-
llo de alimentación hasta que se haya cortado el
tubo. No fuerce la cortadora hacia la pieza de trabajo.
8. Suelte el interruptor de pie y saque el pie del alo-
jamiento.
9. Vuelva la cortadora a su posición UP (arriba).
Figura 7 – Escariado de tubos con la Escariadora No. 341
Escariado de tubos con la Escariadora
No. 341
1. Mueva el brazo de la escariadora a la posición de
DOWN (abajo).
2. Extienda la escariadora apretando el pestillo o seguro
y la perilla deslizante hacia el tubo hasta que el
pestillo encaje en la barra.
3. Pise y mantenga oprimido el interruptor de pie con su
pie izquierdo.
4. Ejerciendo presión sobre el volante, cargue la esca-
riadora sobre el tubo hasta completar el escariado.
(Figura 7)
5. Retraiga la barra de la escariadora y vuelva la escari-
adora a su posición de UP (arriba).
6. Suelte el interruptor de pie y saque su pie del alo-
jamiento.
ADVERTENCIA
ADVERTENCIA

Ridge Tool Company
52
Máquina Roscadora Automática No. 535 de tubos y pernos
Figura 8 – Roscado con la Roscadora Automática No. 535
Cómo sacar el tubo de la Roscadora
1. Gire el interruptor de control a la posición de REV
(reversa). Oprima el interruptor de pie y la máquina
soltará el tubo.
2. Suelte el interruptor de pie y gire el interruptor de con-
trol a la posición de OFF.
Jamás meta la mano más allá de la
cubierta del portaherramienta o mandril mientras la
máquina esté enchufada a una fuente de corriente.
Puede aplastar o triturarle los dedos.
3. Retire de la Roscadora la pieza de trabajo, sujetán-
dola firmemente.
Cuando trabaje con trozos largos de
tubos, asegure que el extremo que se encuentra más
lejos de la Roscadora esté sujeto antes de retirarlo.
De lo contrario, pueden ocurrir lesiones al volcarse la
máquina o al caer la pieza de trabajo.
4. Limpie los derrames y salpicaduras de aceite que
hayan caído al suelo alrededor de la Roscadora.
Roscado de tubos o varillas con
Cabezales de Terrajas de Apertura
Rápida, de Autoapertura o
Semiautomáticos
1. Instale un juego de terrajas. Consulte las instruc-
ciones referentes a la instalación de terrajas. Coloque
el cabezal de terrajas a la dimensión que desea.
2. Levante la cortadora y la escariadora a la posición UP
(arriba).
3. Baje el cabezal de terrajas a la posición de DOWN
(abajo) manteniendo la palanca de desenganche
puesta en la posición CLOSE (cerrada).
4. Chequee la palanca de cambio de velocidades y
póngala a la velocidad correcta según la tabla de
selección de velocidades.
¡NOTA! Si no se selecciona la velocidad adecuada, el
motor puede pararse cuando funciona en
condiciones de bajo voltaje.
5. Gire el volante del carro para colocar las terrajas
contra el extremo del tubo. Una leve presión sobre el
volante pondrá a las terrajas en marcha. (Figura 8)
6. Cabezal de terrajas de Apertura Rápida No. 811A
(Figura 9) – Cuando el extremo del tubo que se
rosca se encuentra al ras con el borde de la terraja
número 1, gire la palanca de desenganche a la posi-
ción de OPEN (abierta) para retraer las terrajas.
Cabezal de terrajas de Autoapertura No. 815A
(Figura 10) – Cuando el gatillo del cabezal haga con-
tacto con el extremo del tubo, la palanca de desen-
ganche se abre automáticamente.
Cabezal de terrajas Semiautomático (Figura 11) –
Cuando el extremo del tubo que se rosca se encuen-
tra al ras con el borde de la terraja número 1, golpee
la palanca del cabezal de terrajas para que las te-
rrajas suelten al tubo.
7. Gire el volante del carro para retraer y apartar el
cabezal de terrajas del tubo.
8. Vuelva el cabezal de terrajas a la posición UP (arriba).
Tabla de selección de velocidades
Tamaño/Material Rpm recomendadas
Tubos de 11/2a 2 pulgs. 46
Tubos de 1/8a 11/4pulgs. 58
Uso con alto par de torsión16
• acero inoxidable
• barras o pernos Rc30
Ranurado de tubos 46
ADVERTENCIA
ADVERTENCIA

Ridge Tool Company 53
Máquina Roscadora Automática No. 535 de tubos y pernos
Figura 9 – Cabezal de Terrajas Universal de Apertura
Rápida
9. Apriete la palanca de agarre.
10. En caso de requerirse roscas sobredimensionadas o
subdimensionadas, coloque la línea índice en direc-
ción a las marcas OVER (por encima) ó UNDER
(por debajo) en la barra de dimensionamiento.
Instalación de terrajas en Cabezales de
terrajas de Autoapertura (solamente a
mano derecha)
El Cabezal de Terrajas de Autoapertura No. 815A
(Figura 10) para roscas a mano derecha necesita cua-
tro juegos de terrajas para roscar tubería desde 1/8
hasta 2 pulgadas. Se precisa un juego de terrajas para
cada una de las siguientes gamas de tamaño: (1/8pulg),
(1/4y 3/8pulg), (1/2y 3/4pulg) y (1 a 2 pulg). Para roscar
pernos se necesita un juego distinto de terrajas para
cada tamaño de perno.
1. Coloque el cabezal de terrajas de autoapertura en
posición vertical sobre un banco.
2. Asegure que el conjunto del gatillo se encuentre
soltado.
3. Afloje la palanca de agarre unas seis vueltas com-
pletas.
4. Tire del tornillo de enclavamiento para que salga de
la ranura ubicada debajo de la barra de dimensiona-
miento, de tal manera que el pasador en el tornillo de
enclavamiento pase más allá de la ranura. Coloque
la barra de dimensionamiento de modo que la línea
índice en el tornillo de enclavamiento quede alinea-
da con el final de la posición REMOVE DIES (sacar
terrajas).
5. Tumbe el cabezal con los números apuntando hacia
arriba.
Instalación de terrajas en Cabezales de
Terrajas de Apertura Rápida (a mano
derecha y a mano izquierda)
El Cabezal de terrajas Universal No. 811A (Figura 9)
para roscas a mano derecha necesita cuatro juegos
de terrajas para roscar tubería desde 1/8hasta 2 pul-
gadas. Se precisa un juego de terrajas para cada una de
las siguientes gamas de tamaño: (1/8pulg), (1/4y 3/8
pulg), (1/2y 3/4pulg). Para roscar pernos se necesita un
juego distinto de terrajas para cada tamaño de perno. No
se encuentran disponibles terrajas para cabezales uni-
versales de mano izquierda.
1. Ponga el cabezal de terrajas sobre un banco con los
números apuntando hacia arriba.
2. Mueva la palanca de desenganche a la posición
OPEN (abierta).
3. Afloje la palanca de agarre dándole unas tres vueltas.
4. Levante y saque la lengüeta de la arandela de agarre
fuera de la ranura ubicada debajo de la barra de
dimensionamiento. Deslice la palanca de desen-
ganche hasta el final de la ranura, en la dirección de
(CHANGE DIE) cambio de terrajas indicada en la
placa de levas.
5. Extraiga las terrajas del cabezal.
6. Introduzca nuevas terrajas hasta las marcas a los
lados de las terrajas. Los números del 1 al 4 seña-
lados en las terrajas deben coincidir con los indicados
en el cabezal.
7. Mueva la palanca de desenganche hacia afuera
para que la lengüeta de la arandela en la palanca de
agarre caiga en la ranura ubicada debajo de la barra
de dimensionamiento.
8. Ajuste la barra de dimensionamiento del cabezal de
terrajas hasta que la línea índice en el eslabón quede
alineada con la marca de tamaño adecuada en la
barra de dimensionamiento. En el caso de roscas en
pernos, alinee la línea índice con la línea para pernos
(BOLT) en la barra de dimensionamiento.
Línea índice
Eslabón
Palanca de
desenganche
Arandela
Cabezal
Palanca de
agarre
Barra de
dimensionamiento

Ridge Tool Company
54
Máquina Roscadora Automática No. 535 de tubos y pernos
subdimensionadas, coloque la línea índice en direc-
ción a las marcas OVER (por encima) ó UNDER
(por debajo) en la barra de dimensionamiento.
¡NOTA! Para el roscado a mano izquierda, las posi-
ciones UNDER/OVER se invierten.
Instalación de terrajas en Cabezales de
Terrajas Modelos 816/817
El Cabezal de Terrajas Semiautomático para roscas a
mano derecha (Figura 11) necesita cuatro juegos de ter-
rajas para roscar tubería desde 1/8hasta 2 pulgadas. Se
precisa un juego de terrajas para cada una de las si-
guientes gamas de tamaño: (1/8pulg), (1/4y 3/8pulg), (1/2y
3/4pulg) y (1 a 2 pulg). Para roscar pernos se necesita un
juego distinto de terrajas para cada tamaño de perno.
1. Baje la manivela para que la placa de levas des-
canse contra una parada numérica, como se muestra
en la (Figura 11).
2. Tumbe el cabezal en una mesa o banco con los
números apuntando hacia arriba.
3. Tire de la perilla del émbolo y empuje la manivela por
completo hacia la izquierda.
4. Seleccione las terrajas correctas para el tamaño que
desea. (Los tamaños van marcados en la cara pos-
terior de las terrajas).
5. Los números en las terrajas deben coincidir con
aquellos en las ranuras del cabezal. Introduzca las ter-
rajas hasta la línea marcada en ellas; el borde numer-
ado hacia arriba.
6. Gire la manivela de vuelta hacia la derecha para
que la perilla del émbolo caiga y encaje al ras contra
el cabezal de terrajas.
¡NOTA! Para el ajuste de tamaños, afloje el tornillo
hasta llegar al tamaño deseado. Mueva la para-
da numérica hacia la derecha para lograr
tamaños subdimensionados y hacia la izquier-
da para sobredimensionados. Cuando regule
las paradas porque ha cambiado de terrajas,
comience por la parada numérica del medio y
desde allí proceda a efectuar los ajustes.
6. Extraiga las terrajas del cabezal.
7. Introduzca nuevas terrajas hasta las marcas a los
lados de las terrajas. Los números del 1 al 4 señala-
dos en las terrajas deben coincidir con los indicados
en el cabezal.
8. Mueva la palanca de desenganche hacia atrás para
enganchar las terrajas.
9. Con el cabezal en posición vertical, gire la placa de
levas hasta el pasador del tornillo de enclavamiento
entre en la ranura debajo de la barra de dimensio-
namiento. En esta posición las terrajas se enclavarán
en el cabezal. Asegure que el pasador apunte hacia
el final de la barra de dimensionamiento donde se
encuentra la marca REMOVE DIES (sacar terrajas).
10. Ajuste la barra de dimensionamiento del cabezal de
terrajas hasta que la línea índice en el tornillo de
enclavamiento o el eslabón quede alineada con la
marca de tamaño adecuada en la barra de dimen-
sionamiento.
Figura 10 – Cabezal de Terrajas Universal de
Autoapertura
11. Apriete la palanca de agarre.
12. En caso de requerirse roscas sobredimensionadas o
Pasador
Línea índice
Barra de
dimensionamiento
Tornillo de
enclavamiento
Palanca de
desenganche
Palanca
de agarre
Conjunto
del gatillo

Ridge Tool Company 55
Máquina Roscadora Automática No. 535 de tubos y pernos
Figura 11 – Cabezal de Terrajas Semiautomático
Verificación de la longitud de una rosca
(Figura 12)
1. La rosca queda de la longitud debida cuando el
extremo del tubo está al ras con los bordes de las te-
rrajas (Figura 12A).
2. El cabezal de terrajas puede ajustarse para obtener
el diámetro de rosca adecuado. Si es posible, las
roscas deben chequearse con un calibrador o medi-
dor anular de roscas (Figura 12B). La rosca está
bien cortada si el extremo del tubo se encuentra a
más/menos una vuelta de estar al ras con la cara del
calibrador anular.
Figura 12 – Verificación de la longitud de una rosca
Mandril Niplero No. 819 y Kit
Adaptador No. 839
Instalación
(Figura 13)
Figura 13
1. La máquina emplea el Mandril Niplero No. 819 y un
adaptador de tamaño. El montaje precisa un Kit
Adaptador No. 839.
2. Ensamble el mandril niplero No. 839.
3. Gire el interruptor de control a la posición REV (rever-
sa) y oprima el interruptor de pie para abrir el mandril
completamente.
¡NOTA! Asegure que la placa delantera de fijación se
encuentre instalada para que puedan usarse el
Mandril 819 y el Adaptador 839.
4. Introduzca el Mandril Niplero No. 819 ya adaptado,
con el extremo con tubo primero, dentro del porta-
herramienta de la Roscadora Automática No. 535.
Gire el conjunto ensamblado hasta que la llave en el
Modelo 839 caiga en la ranura.
Procedimiento para roscar niples
(Ver Figuras 14 y 15)
1. Escarie, rosque y corte el tubo del largo deseado
empleando los procedimientos habituales.
2. Instale el Mandril Niplero No. 819 y el Adaptador
No. 839 (como se indicó anteriormente).
3. Coloque la pieza de inserción con el extremo pequeño
hacia el adaptador cuando trabaje con tubos de 1/8a 3/4
pulgada; con el extremo grande hacia el adaptador en
el caso de tubos de 1 pulgada; y sin pieza de inserción
para tubos de 11/4 pulgada y más.
4. Instale el adaptador adecuado y apriételo con la
llave. (Figura 14)
Ancho Ancho
DDD
Terraja
Tubo
Terraja
Tubo
A – Ancho total de la rosca
Inicio del corte de la rosca
Al ras
(dimensión
básica)
Sobredimensionada
en una vuelta
(dimensión máxima)
Subdimensionada
en una vuelta
Calibrador
anular
delgado
Rosca completada
Terraja al
ras con el
extremo
del tubo
B – Verificación de las roscas con un calibrador anular
Manivela
Perilla del
émbolo
Parada
numérica

Ridge Tool Company
56
Máquina Roscadora Automática No. 535 de tubos y pernos
Figura 14 – Instalación del mandril niplero y del adaptador
Figura 15 – Instalación del niple sin terminar y modo de
soltar el niple terminado con una llave
Extraiga la llave antes de oprimir el
interruptor o de poner en marcha la máquina.
5. Atornille el niple al adaptador y escarie y rosque el
otro extremo. (Figura 15)
Instrucciones de
funcionamiento utilizando
roscadoras a engranajes
ADVERTENCIA
No use guantes o ropa suelta cuando haga fun-
cionar la Roscadora. Mantenga las mangas y cha-
quetas abotonadas. No extienda su cuerpo sobre
la máquina ni la roscadora a engranajes.
No use esta Roscadora si le falta su interruptor de
pie o si éste está dañado. Siempre lleve protección
para los ojos para que no les entren mugre u obje-
tos extraños.
Es necesario instalar la Máquina Roscadora y la
Roscadora a Engranajes correctamente para
impedir que se vuelquen. Siga las instrucciones
cuidadosamente.
Sólo use la Roscadora a Engranajes Modelo 141
con esta máquina. No emplee la Barra de
Accionamiento No. 840A.
La Roscadora a Engranajes pesa 95 libras. Se
requieren dos (2) personas para levantar esta
roscadora.
Regulación de la Roscadora a
Engranajes No. 141
1. Ponga la Roscadora a Engranajes No. 141 en el
suelo con el eje de accionamiento hacia arriba. Tire de
las dos perillas de la placa de levas y gire la placa de
levas al tamaño deseado. Los pasadores de ubi-
cación caerán en los agujeros en la placa de selección.
Regulación del tamaño de la rosca
(Figura 16)
1. Para obtener una profundidad estándar de rosca,
sujete el portapieza sin que se mueva y gire la caja
de engranajes con la mano hasta que la línea mar-
cada STANDARD (estándar) en la camisa del piñón
quede al ras con la parte de abajo del cabezal de te-
rrajas; o la línea STANDARD en el poste guía quede
al ras con la parte de arriba del cabezal de terrajas.
2. Para roscas sobredimensionadas, gire la caja de
engranajes hasta que la línea marcada 2T OVER (2
veces por encima) en el poste guía quede al ras
con la parte de arriba del cabezal de terrajas.
3. Para roscas subdimensionadas, gire la caja de
engranajes hasta que la línea marcada 2T UNDER (2
veces por debajo) en el poste guía quede al ras con
la parte de arriba del cabezal de terrajas.
Mandril niplero
Pieza de
inserción Adaptador
Llave
Niple
Collar de
desenganche
Llave
ADVERTENCIA

Ridge Tool Company 57
Máquina Roscadora Automática No. 535 de tubos y pernos
Indicadores en el poste guía para
labrar roscas rectas o achaflanadas
(Figura 17)
1. Estando el indicador en rosca de tamaño estándar,
desmonte el tornillo de agarre en la base del poste
guía y extraiga el poste tirándolo a través del cabezal
de terrajas.
2. Para roscas achaflanadas, introduzca el poste guía
a través del cabezal de terrajas, con la ranura diago-
nal hacia adentro. El bloque guía enganchará a la
ranura diagonal y el poste girará hacia la caja de
engranajes.
3. Para roscas rectas, introduzca el poste guía a través
del cabezal de terrajas, con la ranura recta hacia
adentro, hacia la caja de engranajes.
4. Con el bloque guía en la ranura recta o en la diago-
nal, reponga el tornillo de agarre.
Cambio de terrajas
(Figura 17)
1. Extraiga el tornillo de agarre.
2. Tire de las perillas y gire la placa de levas hasta la
marca CD.
3. Saque la terraja #1 y meta la nueva terraja #1 (repi-
ta el procedimiento para las otras).
4. Gire la placa de levas hasta el tamaño deseado.
5. Reponga el tornillo de agarre.
¡NOTA! Si se hace necesario extraer o cambiar el
bloque guía, el número estampado E-1997 en
el bloque guía debe quedar colocado CON-
TRA la placa de selección. Si el número per-
manece visible, usted cortará una rosca SUB-
DIMENSIONADA.
Funcionamiento de la
Roscadora a Engranajes No. 141
Instalación de la Roscadora a
Engranajes No. 141
Es necesario un kit especial de acoplamiento al carro
para montar la Roscadora a Engranajes No. 141 a la
máquina. El conjunto incluye una montura para el carro,
un eslabón para la conexión del carro, un eje de
accionamiento con marcha inversa y un múltiple para la
conducción de aceite. La máquina debe permanecer en
la modalidad de funcionamiento FORWARD (marcha
Figura 17 – Roscadora a Engranajes No. 141 mostrando
la camisa del piñón y las líneas de referen-
cia en el poste guía
Terrajas
(juego de 5) Bloque
guía
Línea
2T “por
debajo”
Línea
estándar
línea 2T
“por encima”
Tornillo
Poste guía
Caja de
cambios o de
engranajes
Placa de
selección
Cabezal de
terrajas
tornillo
de agarre
Linea roja
de parada
Línea
estándar
Camisa
del piñón
Poste guía
Cabezal
Eje de
accionamiento
Tornillo
de agarre
Perilla de la
placa de levas (2)
Líneas de
referencia (3)
Figura 16 – Roscadora a Engranajes No. 141 con el eje
de accionamiento apuntando hacia arriba

Ridge Tool Company
58
Máquina Roscadora Automática No. 535 de tubos y pernos
8. Después de 1/4de vuelta, detenga la máquina. Tire de
las perillas de la placa de levas y gire ésta hacia la
marca CD en el cabezal de terrajas.
9. Suelte el tornillo de agarre y abra el portamateriales.
10. Oprima el interruptor de pie y vuelva a colocar la
No. 141 a la línea STANDARD.
Si el cilindro roscado se llega a soltar del por-
tamateriales, debe ser vuelto a enganchar, a mano,
sobre un banco de trabajo. NO USE fuerza motriz.
¡NOTA! Si no dispone de un calibrador anular, puede
emplearse un acoplamiento o fitting. Este fitting
debe ser similar a los que se están usando
en la obra. La rosca del tubo debe cortarse
para lograr 2 ó 3 vueltas manuales de engrana-
je con el fitting. Si la rosca del tubo no resulta
del diámetro apropiado, la línea índice debe
moverse hacia las marcas OVER (por enci-
ma) ó UNDER (por debajo) en la barra de
dimensionamiento. (Vea “Instalación de terrajas
en Cabezales de Terrajas”).
Funcionamiento de la máquina
a mano izquierda
La máquina puede manejarse a mano izquierda. No
obstante, es necesario que el usuario o un Servicentro
Autorizado la modifique. Simplemente, saque la tapa del
mandril posterior, los clips en E y la placa. Voltee la
placa o cubierta para que la chaveta quede mirando
hacia afuera. Vuelva a colocar los clips de fijación en
forma de E y la tapa del mandril posterior (Figuras 18A,
18B y 18C). Adicionalmente, se debe instalar un cabezal
de terrajas izquierdo en el lado cercano al carro, a
través del agujero en el apoyo del carro.
¡NOTA! El escariado a mano izquierda precisa un Cono
de Escariado E-863.
adelante) para funcionar con la Roscadora a Engranajes
No. 141.
1. Desmonte la cortadora, el cabezal de terrajas y la
escariadora de la máquina.
2. Instale la montura del carro.
3. Instale el múltiple para el aceite.
4. Desde la parte trasera de la máquina, instale el eje de
accionamiento a través del tubo del husillo hasta la
tapa delantera. Para instalar o desmontar el eje de
accionamiento es necesario efectuar un giro en el
sentido contrario al de las manecillas del reloj.
Las mordazas deben estar completamente
abiertas para poder instalar o desmontar el eje de
accionamiento.
5. Con el carro apartado del portaherramienta, monte
cuidadosamente la Roscadora a Engranajes No. 141
sobre la montura del carro e introduzca el eslabón de
conexión.
6. Desde la parte trasera de la máquina, gire y empuje
el eje de accionamiento hacia adentro del eje cuadra-
do de la No. 141. Apriete los tornillos de agarre.
Apriete el tornillo de agarre del eslabón de conexión.
7. Con la No. 141 regulada a la línea STANDARD, gire
el volante del carro hasta que el conjunto ensambla-
do se encuentre a 1 pulgada de la tapa delantera del
portaherramienta.
Roscado de tubos de 21/2hasta
4 pulgadas (45 rpm)
1. Regule la Roscadora a Engranajes No. 141 e
instálela.
2. Sostenga el tubo con un soporte para tubos.
3. Introduzca el tubo en la garganta de las terrajas y
apriete el portamateriales y el tornillo de agarre.
4. Dirija el pico del aceite hacia las terrajas y coloque la
palanca del múltiple de aceite en la posición debida.
5. Coloque el interruptor de control en la posición FOR
(adelante) y, con la palanca de transmisión puesta en
45 rpm, pise el interruptor de pie.
6. Rosque hasta que aparezca la línea roja de parada
(STOP) en la camisa del piñón (consulte las marcas
en el poste guía para roscas sobre y subdimen-
sionadas).
7. Para que la roscadora retroceda, coloque el inte-
rruptor de control en la posición REV (reversa) y
oprima el interruptor de pie. Figura 18A – Extracción de
la tapa del
mandril
posterior
Figura 18B – Extracción de
los ganchitos
en forma de E
CUIDADO
CUIDADO

Ridge Tool Company 59
Configuración de la tubería de aceite
para el funcionamiento a mano izquierda
1. Para el funcionamiento a mano izquierda, se conec-
ta la tubería de suministro de aceite al carro con el fit-
ting de la bomba de aceite donde se encuentra la
marca IN (entrada).
2. Durante el funcionamiento a mano izquierda, el tubo
de retorno del aceite se conecta al fitting de la bomba
de aceite marcado OUT (salida).
¡NOTA! Cuando el funcionamiento es a mano derecha,
se invierte el trayecto de las tuberías de aceite
antes descrito.
ADVERTENCIA
En la modalidad de funcionamiento a mano izquier-
da, las posiciones del interruptor principal de con-
trol se invierten. FOR (adelante) se convierte en
REV (reversa). REV (reversa) se convierte en FOR
(adelante).
Accesorios
Los siguientes productos RIDGID
son los únicos aptos para funcionar con la Máquina
Roscadora No. 535. Los accesorios de otras he-
rramientas pueden resultar peligrosos si se usan en
esta Roscadora. Para evitar lesiones de gravedad, sólo
use los accesorios que se listan a continuación.
Accesorios para la Roscadora
Portacabezales de terrajas:
4U...........................contiene 4 cabezales
6U...........................contiene 6 cabezales
Soportes:
No. 100A.................de 4 patas con bandeja
No. 150A.................de 2 ruedas con bandeja
No. 200A...................de dos ruedas con armario
cerrado
Soportes para tubos
Mandril niplero No. 819 (a mano derecha solamente):
Kit Adaptador No. 839
Adaptadores para tubos........1/8hasta 11/2pulg.
Adaptadores para pernos .....1/4hasta 2 pulg UNC
1/4hasta 11/2pulg UNF
Accesorios para el roscado con el método de
acoplamiento corto
Kit para el acoplamiento al carro
Roscadora a Engranajes No. 141…para roscar
tubos de 21/2
hasta 4 pulgs.
Soporte para tubos
¡NOTA! Consulte el Catálogo de Ridge Tool para una
lista completa de soportes para tubos, aceites
para roscar y terrajas.
Instrucciones para
el mantenimiento
ADVERTENCIA
Asegúrese de que la máquina se encuentra des-
enchufada del cordón de suministro antes de efec-
tuarle servicio o ajustes.
Lubricación
(Figura 19)
Una lubricación adecuada es indispensable para lograr
un rendimiento sin problemas y una larga vida útil de la
máquina roscadora.
1. Extraiga los cuatro (4) tornillos de montaje y saque la
tapa o cubierta.
2. Utilice una pistola de engrase para engrasar los fittings
engrasadores de los cojinetes del eje cada 2 a 6
meses, de acuerdo al uso que se le dé a la máquina.
3. Cada vez que lubrique los cojinetes, aplique una
capa moderada de grasa lubricante al engranaje
grande.
No haga funcionar la roscadora sin
su cubierta. Siempre vuelva a colocar la cubierta inme-
diatamente después de lubricar la máquina.
Máquina Roscadora Automática No. 535 de tubos y pernos
Figura 18C – Volteo de la
placa o cubierta
chaveta
ADVERTENCIA
ADVERTENCIA

Ridge Tool Company
60
Mantenimiento del sistema de
circulación de aceite
Para asegurar el óptimo funcionamiento de la
Roscadora, mantenga limpio su sistema de circulación
de aceite de la siguiente manera:
1. Recambie el aceite de corte cuando se ensucie o se
contamine. Para vaciar el aceite, coloque un reci-
piente debajo del tapón de vaciado y saque el tapón.
2. Para limpiar la rejilla o tamiz del filtro de aceite, aflo-
je el tornillo que fija el filtro a la base y retire el filtro de
la tubería de aceite. Lave la rejilla del filtro en disol-
vente y sóplela con aire comprimido si es posible. No
haga funcionar la roscadora si la rejilla del filtro de
aceite no está puesta en su sitio.
¡NOTA! El Aceite para Roscar RIDGID produce roscas
de alta calidad y prolonga la vida útil de las te-
rrazas. Consulte las etiquetas en los recipientes
de los aceites para informarse sobre sus usos y
manejo. La eliminación de los aceites usados
debe realizarse de acuerdo a las normas guber-
namentales vigentes.
Figura 19 – Lubricación de la máquina
Limpieza del sistema de lubricación
1. Ponga un recipiente debajo del tapón de vaciado.
2. Abra la válvula y vacie el aceite.
3. Deslice hacia afuera la bandeja para virutas y límpiela
con espíritu de petróleo
4. Emplee una cuchilla del tipo para aplicar masilla para
raspar y eliminar las escamas de tubo, las virutas de
metal y mugres. Limpie con espíritu de petróleo.
5. Extraiga el filtro de aceite y lave la rejilla con disol-
vente. Sóplela con aire comprimido si es posible.
Recambio de las mordazas
¡NOTA! Si los dientes de la mordaza se desgastan y ya
no sostienen al tubo o a la varilla del perno
durante el funcionamiento, recambie todo el
juego de mordazas. Limpie los dientes de las
mordazas a diario con un cepillo metálico.
1. Saque la tapa o cubierta delantera.
2. Saque la placa delantera de soporte.
3. Extraiga las mordazas fuera de los ejes.
4. Coloque nuevas mordazas o voltéelas para usarlas
por el lado no utilizado.
¡NOTA! Asegure que la llave esté puesta en el eje
cuando coloque la mordaza en el eje.
5. Fije la placa de soporte delantera con los clips en E.
6. Fije la cubierta delantera con los tornillos de cas-
quete cuadrado.
¡NOTA! Las mordazas traseras no tienen dientes ya
que sólo sirven para centrar. No hay necesidad
de reemplazar estas mordazas.
Inspección de la correa de transmisión
Periódicamente se debe inspeccionar la correa de trans-
misión para asegurar que tenga la tensión debida. Una
deflexión de la correa igual a 1/8de pulgada bajo presión
moderada (4 libras), se considera una tensión adecua-
da. Si la correa muestra señales de desgaste, debe
ser cambiada.
Almacenamiento de la máquina
Los equipos a motor deben guardarse
dentro, bajo techo, o bien cubiertos para guarecerlos de la
lluvia. Almacene la máquina bajo llave, fuera del alcance
de los niños y personas que no conocen el manejo de
estas Roscadoras. Esta máquina puede causar graves
lesiones en manos de usuarios sin entrenamiento.
Máquina Roscadora Automática No. 535 de tubos y pernos
Engranaje grande
Fittings para
el engrase
ADVERTENCIA

Ridge Tool Company 61
Servicio y reparaciones
ADVERTENCIA
El servicio y las reparaciones a esta Roscadora deben
realizarlos técnicos en reparaciones calificados. La
máquina debe llevarse a un Servicentro Autorizado
Independiente de RIDGID o devuelta a la fábrica. Todas
los trabajos de reparación efectuados en servicentros
Ridge están garantizacos contra defectos en los mate-
riales y de la mano de obra.
Cuando se le haga mantenimiento a esta máquina,
sólo deben usarse repuestos idénticos. Se crea el ries-
go de que ocurran descargas eléctricas y lesiones
graves si no se siguen estas instrucciones.
Si tiene cualquier pregunta relacionada con el manteni-
miento o reparación de esta máquina, llama o escriba a:
Ridge Tool Company
Technical Service Department
400 Clark Street
Elyria, Ohio 44035-6001
Teléfono: (800) 519-3456
E-Mail: techservices@ridgid.com
Para ontener el nombre y la dirección del Servicentro
Autorizado más cercano, llame a Ridge Tool Company
al (800) 519-3456 o visítenos en internet:
http://www.ridgid.com
Máquina Roscadora Automática No. 535 de tubos y pernos
Diagrama de cableado del Modelo 535A - 120V
Verde
PE =Potencial a tierra
N= Neutro
L= Línea
Blanco
Negro
Verde
Blanco
Negro
Negro
Negro
Negro
Blanco
Blanco
Blanco
Rojo
Naranjo
Verde
Terminal
Ventilador
Abierto/2/Reversa
Apagado/0/Apagado
Cerrado/1/Adelante

Ridge Tool Company
62
Máquina Roscadora Automática No. 535 de tubos y pernos

Ridge Tool Subsidiary
Emerson Electric Co.
Ridge Tool Company
400 Clark Street
Elyria, Ohio 44035-6001
Printed in U.S.A. 4/01 999-998-021.10
Against Material Defects
& Workmanship
FULL LIFETIME
WARRANTY
Against Material Defects
& Workmanship
FULL LIFETIME
WARRANTY
What is covered
RIDGID®tools are warranted to be free of defects in workmanship and material.
How long coverage lasts
This warranty lasts for the lifetime of the RIDGID®tool. Warranty coverage ends when the prod-
uct becomes unusable for reasons other than defects in workmanship or material.
How you can get service
To obtain the benefit of this warranty, deliver via prepaid transportation the complete product
to RIDGE TOOL COMPANY, Elyria, Ohio, or any authorized RIDGID®INDEPENDENT SERVICE
CENTER. Pipe wrenches and other hand tools should be returned to the place of purchase.
What we will do to correct problems
Warranted products will be repaired or replaced, at RIDGE TOOL’S option, and returned at no
charge; or, if after three attempts to repair or replace during the warranty period the product
is still defective, you can elect to receive a full refund of your purchase price.
What is not covered
Failures due to misuse, abuse or normal wear and tear are not covered by this warranty. RIDGE
TOOL shall not be responsible for any incidental or consequential damages.
How local law relates to the warranty
Some states do not allow the exclusion or limitation of incidental or consequential damages,
so the above limitation or exclusion may not apply to you. This warranty gives you specific
rights, and you may also have other rights, which vary, from state to state, province to
province, or country to country.
No other express warranty applies
This FULL LIFETIME WARRANTY is the sole and exclusive warranty for RIDGID®products. No
employee, agent, dealer, or other person is authorized to alter this warranty or make any other
warranty on behalf of the RIDGE TOOL COMPANY.
Against Material Defects
& Workmanship
FULL LIFETIME
WARRANTY
Qué cubre
Las herramientas RIDGID están garantizadas contra defectos de la mano de obra y de los
materiales empleados en su fabricación.
Duración de la cobertura
Esta garantía cubre a la herramienta RIDGID durante toda su vida útil. La cobertura de la
garantía caduca cuando el producto se torna inservible por razones distintas a las de defectos
en la mano de obra o en los materiales.
Cómo obtener servicio
Para obtener los beneficios de esta garantía, envíe mediante porte pagado, la totalidad del pro-
ducto a RIDGE TOOL COMPANY, en Elyria, Ohio, o a cualquier Servicentro Independiente
RIDGID. Las llaves para tubos y demás herramientas de mano deben devolverse a la tienda donde
se adquirieron.
Lo que hacemos para corregir el problema
El producto bajo garantía será reparado o reemplazado por otro, a discreción de RIDGE TOOL,
y devuelto sin costo; o, si aún resulta defectuoso después de haber sido reparado o sustituido
tres veces durante el período de su garantía, Ud. puede optar por recibir un reembolso por el valor
total de su compra.
Lo que no está cubierto
Esta garantía no cubre fallas debido al mal uso, abuso o desgaste normal. RIDGE TOOL no se
hace responsable de daño incidental o consiguiente alguno.
Relación entre la garantía y las leyes locales
Algunos estados de los EE.UU. no permiten la exclusión o restricción referente a daños inci-
dentales o consiguientes. Por lo tanto, puede que la limitación o restricción mencionada ante-
riormente no rija para Ud. Esta garantía le otorga derechos específicos, y puede que, además,
Ud tenga otros derechos, los cuales varían de estado a estado, provincia a provincia o país a país.
No rige ninguna otra garantía expresa
Esta GARANTIA VITALICIA es la única y exclusiva garantía para los productos RIDGID. Ningún
empleado, agente, distribuidor u otra persona está autorizado para modificar esta garantía u ofre-
cer cualquier otra garantía en nombre de RIDGE TOOL COMPANY.
Ce qui est couvert
Les outils RIDGE®sont garantis contre tous vices de matériaux et de main d’oeuvre.
Durée de couverture
Cette garantie est applicable durant la vie entière de l’outil RIDGE®. La couverture cesse dès lors que
le produit devient inutilisable pour raisons autres que des vices de matériaux ou de main d’oeuvre.
Pour invoquer la garantie
Pour toutes réparations au titre de la garantie, il convient d’expédier le produit complet en port payé
à la RIDGE TOOL COMPANY, Elyria, Ohio, ou bien le remettre à un réparateur RIDGID®agréé. Les
clés à pipe et autres outils à main doivent être ramenés au lieu d’achat.
Ce que nous ferons pour résoudre le problème
Les produits sous garantie seront à la discrétion de RIDGE TOOL, soit réparés ou remplacés, puis
réexpédiés gratuitement ; ou si, après trois tentatives de réparation ou de remplacement durant
la période de validité de la garantie le produit s’avère toujours défectueux, vous aurez l’option de
demander le remboursement intégral de son prix d’achat.
Ce qui n’est pas couvert
Les défaillances dues au mauvais emploi, à l’abus ou à l’usure normale ne sont pas couvertes par
cette garantie. RIDGE TOOL ne sera tenue responsable d’aucuns dommages directs ou indirects.
L’influence de la législation locale sur la garantie
Puisque certaines législations locales interdisent l’exclusion des dommages directs ou indirects,
il se peut que la limitation ou exclusion ci-dessus ne vous soit pas applicable. Cette garantie vous
donne des droits spécifiques qui peuvent être éventuellement complétés par d’autres droits
prévus par votre législation locale.
Il n’existe aucune autre garantie expresse
Cette GARANTIE PERPETUELLE INTEGRALE est la seule et unique garantie couvrant les produits
RIDGID®. Aucun employé, agent, distributeur ou tiers n’est autorisé à modifier cette garantie ou à
offrir une garantie supplémentaire au nom de la RIDGE TOOL COMPANY.