Rinnai Energysaver Es38 Users Manual (1004RFA)
ES38 to the manual 136bb72c-f6c4-4b14-bce6-c975de7272cd
2015-02-05
: Rinnai Rinnai-Energysaver-Es38-Users-Manual-358524 rinnai-energysaver-es38-users-manual-358524 rinnai pdf
Open the PDF directly: View PDF
.
Page Count: 44

— Do not store or use gasoline or other flammable vapors and
liquids in the vicinity of this or any other appliance.
— WHAT TO DO IF YOU SMELL GAS
• Do not try to light any appliance.
• Do not touch any electrical switch; do not use any phone in
your building.
• Immediately call your gas supplier from a neighbor’s phone.
Follow the gas supplier’s instructions.
• If you cannot reach your gas supplier, call the fire
department.
— Installation and service must be performed by a qualified
installer, service agency or the gas supplier.
WARNING: If the information in these instructions is not
followed exactly, a fire or explosion may result causing
property damage, personal injury or loss of life.
Owner’s Operation and Installation Manual for the
ES38 (RHFE-1004RFA)
Energysaver
Gas Direct Vent Wall Furnace
INSTALLER: Leave this manual with the appliance.
CONSUMER: Retain this manual for future reference.
Table of Contents ........... 2
Safety Information .......... 3
Operating Instructions .... 6
Care and Maintenance ... 10
Fault Codes .................... 12
Installation Instructions ... 14
Parts List ........................ 32
Consumer Support ......... 42
Register your product at www.rinnairegistration.com
or call 1-866-RINNAI1 (746-6241)

2 Rinnai Corporation ES38 Manual
This appliance may be installed in an aftermarket, permanently located, manufactured home
(USA only) or mobile home, where not prohibited by local codes.
This appliance is only for use with the type of gas indicated on the rating plate. This appliance
is not convertible for use with other gases, unless a certified kit is used.
Table of Contents
This appliance may be installed as an OEM installation in a manufactured home (USA only) or
mobile home and must be installed in accordance with the manufacturer’s instructions and the
Manufactured Home construction and Safety Standard, Title 24 CFR, Part 3280, in the United
States, or the Mobile Home Standard, CAN/CSA Z240 MH Series, in Canada. This appliance
is only for use with types of gas indicated on the rating plate. A conversion kit is supplied with
the appliance.
Consumer Safety Information
Safety Definitions ............................................. 3
Safety Behaviors and Practices ....................... 3
Safety Features ................................................ 4
Specifications
Appliance Specifications .............................. 4, 5
Features ........................................................... 5
Flue Manifolds .................................................. 5
Operating Instructions
Getting to Know your New Heating Appliance 6
Control Panel ................................................... 7
Operating the Heater .................................. 8, 9
Care and Maintenance ................................... 10
Before Making a Service Call ......................... 11
Fault Codes .................................................... 12
Restart Function ............................................. 13
Troubleshooting ............................................. 13
Installation Instructions
General Instructions ....................................... 14
Gas Connection ............................................. 15
Clearances to Combustibles .......................... 15
Flue Terminal Clearances ....................... 16, 17
Dimensions .................................................... 18
Installation Parts ........................................... 19
Drilling Flue Hole ........................................... 20
Attach Wall Brackets ...................................... 20
Attach Back Spacers ..................................... 20
Flue Manifold Installation ......................... 21, 22
Extension Kit Installation .......................... 23-25
Connecting the Appliance .............................. 26
Operating Instructions ................................... 27
Cut-Away Diagram ......................................... 28
Wiring Diagram .............................................. 29
Ladder Diagram ............................................. 30
Parts List ................................................... 31-41
Consumer Support
Warranty Information ..................................... 42
Limited Warranty ...................................... 42, 43

Rinnai Corporation ES38 Manual 3
WARNING
CAUTION
Safety Behavior and Practices
• Do not block the warm air discharge. Do not allow
anyone to sleep directly in front of the appliance.
• Due to high temperatures, the appliance should be
located out of traffic and away from furniture and
draperies.
• Children and adults should be alerted to the
hazards of high surface temperature and should
stay away to avoid burns or clothing ignition.
• Young children should be carefully supervised
when they are in the same room as the appliance.
• Clothing or other flammable material should not be
placed on or near the appliance.
• Any safety screen or guard removed for servicing
must be replaced prior to operating the appliance.
• Do not insert items into the louvers.
• Do not spray aerosols near the appliance while it is
operating. Most aerosols contain butane gas which
is flammable.
• Do not unplug the appliance while it is operating or
while the fans are on.
• Do not use bare hands to touch the front louvers
due to high temperatures which may cause burns.
• Wear hand protection when touching the side back
covers, front louver, and rear intake for the
convection fan.
• Keep the area around the appliance clear and free
from combustible materials, gasoline, and other
flammable vapors and liquids.
• Never store liquid propane containers indoors.
• Do not use this appliance if any part has been
under water. Immediately call a qualified service
technician to inspect the appliance and to replace
any part of the control system and any gas control
which has been under water.
• This appliance is equipped with a three-prong plug
for your protection against shock hazard and
should be plugged directly into a properly grounded
three-prong receptacle. Do not cut or remove the
ground prong from this plug.
• Any alteration to the appliance or its controls can
be dangerous.
• Do not operate appliance with the panels removed,
cracked or broken. Replacement of the panels
should be done by a licensed or qualified service
person.
Consumer Safety Information
Safety Definitions
This is the safety alert symbol. This symbol alerts you to potential hazards that can kill or hurt you and
others.
Indicates an imminently hazardous situation which, if not avoided, will result in death or
serious injury.
Indicates a potentially hazardous situation which, if not avoided, could result in death or
serious injury.
Indicates a potentially hazardous situation which, if not avoided, could result in minor or
moderate injury. It may also be used to alert against unsafe practices.
DANGER
CAUTION
WARNING

4 Rinnai Corporation ES38 Manual
Application For manufactured home (USA only) or mobile home or residential installation
convertible for use with natural gas and liquefied petroleum gases (propane /
LPG) when provision is made for the simple conversion from one gas to the
other.
For commercial setting.
For installation at altitudes up to 10,200 feet (3109 m).
General Description Forced combustion, forced convection, flued gas furnace
Operation Push button electronic
Gas Connection 1/2 in female NPT
Gas Control Electronic
Burners Stainless steel Bunsen burner
Temperature Control Electronic thermostat
Ignition System Electronic spark ignition
Flue System The flue must be terminated to atmosphere with only flue components listed
with the appliance’s certification. Warranty will be voided if non listed
components are installed.
Humidifier Tray Capacity - 7 pints (3000 cc)
Electrical Connection AC 120V, 60 Hz, 121 watts
Weight 90 lbs (41 kg)
Noise Level 37-47 dB
AFUE Rating Natural Gas: 80.6% Propane: 82.0%
Specifications
Rinnai is continually updating and improving products. Therefore, specifications are subject to change without
prior notice.
The efficiency rating of this appliance is a product thermal efficiency rating determined under continuous operating
conditions and was determined independently of any installed system.
Safety Features
• Overheat: The appliance will automatically shut
down when the appliance exceeds a predetermined
temperature.
• Flame Failure: The appliance will automatically
shut down if the burner flame is extinguished.
• Power Failure: The appliance will cut off the gas if
it loses electrical power.
• Power Surge Fuse: A glass fuse on the PC board
protects against overcurrent. If the fuse blows then
all indicator lamps will be off.
• Spark Detector: The appliance automatically shuts
down if there is an abnormal spark at ignition.
• Fusible Link: In case the overheat feature
prevents the temperature from rising then the fusible
link will break shutting off the appliance.
Appliance Specifications

Rinnai Corporation ES38 Manual 5
Features
• Restarts automatically when ignition or combustion
fails.
• Clean Heating Forced Flue Type
• Easy Operation One-Touch Ignition
• Sensible Temperature Control Feature
• Comfortable Room Temperature Control and
Display
• Warm Air Outlet at Floor Level (keeps your feet
warm)
• Function Lock
• Room Temperature Setting Memory
• Clean the Air Filter - Indicator Lamp
• Energy Saving Economy Setting
• Humidifier Tray
• Air Flow Directional Louvers
• Direct Vent Easily Installed
• Proportional Heating Variable Capacity
• Hush! Quiet Operation
• Modern Design Minimizes Floor Space
Requirements
• Fault Code Message Display
Appliance Specifications
The following flue manifold sizes are
available for different wall thicknesses: Name Kit No. fits walls
S Vent Kit FOT-150 3 - 4 1/2 in (75 - 115 mm)
A Vent Kit FOT-151 4 1/2 - 9 1/2 in (115 - 240 mm)
B Vent Kit FOT-152 9 1/2 - 15 3/4 in (240 - 400mm)
C Vent Kit FOT-153 15 3/4 - 23 5/8 in (400 - 600 mm)
D Vent Kit FOT-154 23 5/8 - 31 1/2 in (600 - 800 mm)
Natural Gas Propane Gas
Minimum supply gas pressure 5.0 in (127 mm) W.C. 11.0 in (280 mm) W.C.
Maximum supply gas pressure 10.5 in (267 mm) W.C. 13.0 in (330 mm) W.C.
BTU/hour input Low 10,500 High 38,400 Low 10,500 High 36,500
BTU/hour output Low 8,400 High 30,720 Low 8,400 High 29,200
Flue Manifolds

6 Rinnai Corporation ES38 Manual
Getting to know your new heating appliance
Operating Instructions

Rinnai Corporation ES38 Manual 7
Control Panel
All buttons beep when operated.
Set Temp
Room Temp
Economy
Temp
Control
Function Lock
Filter
ON/OFF
ON
FUNCTION
LOCK
Lamp is "green"
when this feature
is on.
FILTER LAMP
Flashes when filter
is dirty.
OPERATION LAMP
This lamp turns
"green" when power
is on. Lamp will
change to "red"
when burner is on.
TEMPERATURE
BUTTONS
" " adjust temp. to
lower setting.
" " adjust temp. to
a higher setting.
ENERGY SAVING
BUTTON
Lamp is "green"
when this feature is
activated.
〈CONTROL PANEL 〉
〈INDICATOR DISPLAY 〉
>
>
TEMPERATURE
DISPLAY
SHOWS EITHER THE
TEMPERATURE OR
CODED ERROR
MESSAGES.
ON/OFF BUTTON
Easy operation
One touch ignition

8 Rinnai Corporation ES38 Manual
Operating the Heater
Turning the heater ON
When you press and release the
ON/OFF button, the Temperature
Level lamps will illuminate, the
combustion fan will begin to run,
and the spark will ignite the main
burner.
This heater has an automatic ignition system. When
the main burner has lit, the combustion lamp will glow
red, and the spark will stop.
If ignition does not occur after 15 seconds, the
appliance will automatically turn off and the
Temperature Level lamps will flash indicating a fault
code. This may occur when using the appliance for
the first time or if it has not been used for a while. Try
operating the appliance again.
There may be a smell of burning dust or oil the first
time the heater is lit or when the heater has been out
of operation for a long time.
The appliance may make noises after ignition or when
it is turned off. This is normal and is due to the
thermal expansion or contraction of its components.
Adjusting the Temperature
The first time that the appliance is turned on, the
preset temperature of 72° F will be shown on the
display. Every time the temperature setting is
changed, that temperature setting will be the latest
data appearing on the display the next time the
appliance is turned on.
To change the temperature setting, adjust the
temperature control buttons until the desired setting is
indicated.
When the desired temperature has been set, 10
seconds later, the display will show the current room
temperature.
The thermostat automatically modulates the burner
and the fan to maintain the temperature setting.
The temperature settings available are:
• LO - burner is on minimum combustion
• 60° F - 80° F in two degree increments
• HI - burner is on maximum combustion
Turning the heater OFF
Press the ON/OFF button. Do not
turn off by unplugging at the power
outlet.
The fan will continue to run for a
short time to prevent the internal
components from overheating.
ON/OFF
Economy Mode
Pressing the Economy button will cause
the appliance to go into Economy Mode
and the green lamp will glow. This
results in the temperature setting being
reduced by 2° F, 30 minutes after the
room temperature has reached the
temperature setting. After another 30
minutes the temperature setting is
reduced another 2° F. This could result
in the temperature setting being reduced by a
maximum of 4° F. The intent of this mode is to save
energy.
When the heater is running at the LO setting, the
Economy Mode does not function.
Economy
ON/OFF
Set Tem p
Ro o m Tem p
Temp
Control
Function Lock

Rinnai Corporation ES38 Manual 9
CAUTION
Adjusting Air Flow Direction
The vertical louvers may be adjusted to move the air
flow more to the right or to the left.
Use a screw driver or similar object to bend each
louver to the desired position.
Do not bend repeatedly (no more than 5 times) or else
the louver will break.
The horizontal louver (which determines the vertical air
flow direction) is fixed and cannot be adjusted.
Do not adjust the air flow
louvers while warm air is
flowing.
Operating the Heater
Adding Water to the Humidifier
To fill the tray, open the door as shown in the diagram
and pour water into the tray using the spout built into
the door. The air will be humidified as it passes over
the water in the tray.
During operation a small amount of condensation is
produced in the flue system and drains into the
humidifier tray.
If the water overflows from the water level hole, then
do not add any more water.
CAUTION
Do not fill the tray while the
appliance is in operation.
Close the door after filling.
The humidifier tray and
surrounding area are hot
when the appliance is on.
Lock
This feature locks the
buttons to prevent
unintended operation.
Press the up and
down buttons to
activate and the lamp
will glow. Pressing
and holding the up and down buttons for two seconds
will disengage the Lock.
If the Lock is engaged while the unit is operating, all
buttons will be disabled except for the ON/OFF button.
If the Lock is engaged while the unit is off, then all
buttons will be disabled. The Lock must be
disengaged in order to turn the unit on.
Filter Lamp
If the filter lamp flashes
during operation, check
the air filter for dust. If
dust is present, clean the
filter. See the Care and
Maintenance section. Turn the heater off before
cleaning the filter.
Sensible Temperature Control
The sensible temperature control feature allows
comfortable heating which matches the conditions in
the room.
Based on the information collected by the room
temperature thermistor when the heating starts, the
heating capacity is automatically adjusted to achieve
a comfortable heating effect and to reach the
temperature setting quickly.
Temp
Control
Function Lock
Fi lt er
ON
Access Door
Max. Fill Line
Humidifier Tray
Filler Spout
Do not force door open too far.
Close door during operation.
Pull

10 Rinnai Corporation ES38 Manual
Care and Maintenance
Filters
Dirty filters reduce the air flow and the appliance’s
ability to produce heat. The filters should be cleaned
frequently during the heating season. If the filters
become blocked the filter indicator lamp will flash and
the appliance will beep. Eventually the appliance will
turn off and the Temperature Level lamp 14 will light,
indicating a fault code.
To clean the filters, the
appliance should be OFF
and cool. Remove the
filter and clean it using a
soft dry cloth or vacuum.
If the filter is greasy wash
with warm soapy water,
rinse, and dry
completely.
Maintenance
All maintenance and service are to be performed by a
qualified service technician, preferably one who has
attended Rinnai service training classes on the Direct
Vent products.
The appliance should be inspected annually by a
qualified service technician. More frequent cleaning
may be required due to excessive lint from carpeting,
bedding material, etc. It is imperative that control
compartments, burners, and circulating air passage
ways of the appliance be kept clean.
Any screen or guard removed for servicing the
appliance must be replaced prior to operating the
appliance. Clean as follows:
1. Turn heat off. Allow to cool for one hour.
2. Remove the front panel by removing two screws.
3. Use pressurized air to remove dust from the main
burner, heat exchanger, and fan blades.
4. Use soft dry cloth to wipe cabinet.
Do not use wet cloth or spray cleaners on the burner.
The flue should be inspected annually for blockages or
damage.
Motors are permanently lubricated and do not need
periodic lubrication. Keep fan and motor free of dust
and dirt by cleaning annually.
Verify proper operation after servicing.
Visual Inspection
of Flame
Check that the burner flames are operating normally.
The flame can be seen through the circular window
through the louvers.
When operating normally the burner flame should
appear as long, clear, blue, stable, streaks. Yellow
flames or an orange color is abnormal and
maintenance is required.
Care of Exterior
Dampen soft cloth with warm water. Wring water out
well and wipe the unit.
Do not use volatile substances such as benzene or
thinners. They cause fading of the paint and
deformation of the resin.
Snow Accumulation
Keep the area around flue terminal free of snow and
ice. The appliance will not function properly if the
intake air or exhaust is impeded by obstructions.
Refer to the Flue Terminal Clearances. The clearance
in Ref. A should be maintained from any snow
accumulation.
AIR FILTERS
CAUTION
Prevent dust from accumulating on the power cord,
side covers, and parts behind the appliance.

Rinnai Corporation ES38 Manual 11
Before Making a Service Call
Before making a service call please check the following:
At Ignition:
Heater does not operate.
Warm air does not flow when the burner
lights.
Smoke or strange smells are produced
on the first trial light up after installation.
Sharp clicking noises at ignition, or when
unit cuts down on the thermostat, or goes
out.
During Combustion:
Clunking noise when the thermostat
operates.
Unit is not heating room.
Air filter is blocked or the louvers are
blocked or obstructed.
Heater will not re-ignite after overheating.
When the unit is turned off.
Convection fan continues to run after
turning OFF.
Other Points:
Steam is discharged from the flue terminal .
Unit cuts off without apparent reason.
Power Failure.
Is the heater plugged in?
Have the fuses or breaker blown at the fuse box / breaker panel?
Is there a power failure?
Is the air filter blocked?
Is anything blocking the outlet for the hot air?
Is the flue blocked?
The fan is started automatically after a short delay.
This is to allow the heat exchanger to warm up, helping to avoid cold draughts.
This is caused by grease or oil and dust on the heat exchanger and will stop
after a short time.
This is simply expansion noise from the heat exchanger.
This is the sound of the solenoid gas valves opening and closing.
Is the air filter blocked?
Is the set temperature high enough?
Is the warm air outlet blocked by anything?
Are the doors and windows of the room closed?
Was the appliance correctly sized for the space?
Allow heater to cool, clean air filter, operate again.
Even after unit has cooled down, the heater does not ignite again. Repair is
necessary.
Contact a qualified / authorized service provider.
This is to remove the residual heat from the heat exchanger. The fan will stop
when the heater cools down.
High efficiency appliances tend to discharge water vapor on cold days. This
is normal.
Check whether filters are blocked. Dirty filters will cause the heater to overheat.
Switch OFF, then ON again when power is restored to re-set controls.

12 Rinnai Corporation ES38 Manual
Fault Codes
If there is a malfunction the appliance may shut down
as a safety precaution and display a fault code to
assist in diagnosing the problem. The fault code will
flash in the display on the control panel. When making
a service call, this code will assist with diagnosing the
fault.
You may be able to clear the fault code by turning the
heater off and then on again. If the fault code remains
or returns on the next operation, contact Rinnai or your
nearest service agent and arrange for a service call.
[1] Remove any obstructions. The flue needs to be kept clear to expel exhaust gases. If the appliance fails to
operate contact a qualified service agency.
[2] If the fusible link needs replacement, it must be done by a qualified service agency. In addition, the cause of
the overheat needs to be determined. The fusible link is a one use safety device that breaks to shut off the
appliance.
CODE DISPLAYED FAULT REMEDY
11 Ignition Failure
Check that gas is turned ON.
Check that the vent termination is not
blocked.
Refer to the Restart Function explanation.
Service call if repeated.
14 Overheat Clean filter.
Service call if repeated. [1]
16 Room Overheat
Lower room temperature to less than 104°F
(40°C).
31 Room Temperature Sensor
Faulty Service call.
32
33 Overheat Temperature Sensor
Faulty Service call.
34
49 Sensor Breakdown Service call.
53 Sparker Failure Service call.
61 Combustion Fan Failure Service call.
70 Faulty ON/OFF Switch Service call.
71 Faulty Solenoids Service call.
72 Faulty Flame Rod Service call.
73 Communication Error Turn heater OFF, then ON again.
99 Flue Block
Check around the flue terminal for blockage.
[2]

Rinnai Corporation ES38 Manual 13
Troubleshooting
Problem
Remedy
Cause
Not Plugged In
Power Failure
(Initial Installation)
Air In Gas Pipe
Gas Filter Blocked
Miss Ignition
Flue terminal obstructed
Flue manifold not connected
Louver obstructed
Air filter blocked
Gas Escape
Function Lock Set
Gas turned off at meter, tank,
or valve.
Plug In
Push On/Off button to attempt
restart after power is restored.
Purge air
(Installer)
Service Call
Service Call
Clear obstruction
Service Call
Clear obstruction
Clean filter
Service Call
Cancel Function Lock
Turn gas on
No ON indicator
Burner doesn’t ignite
Unusual combustion
Combustion stops
during operation
Smell of gas
Noisy ignition
Takes too long to
warm the room
If the appliance fails to ignite, the appliance will attempt ignition after 1 hour. The “Ignition Failure” fault code, 11,
will appear during that hour and disappears after a successful ignition. If ignition fails again, then the fault code
will remain and another attempt to ignite will occur in 1 hour. The fault code is not stored in the fault code history.
If the flame is extinguished during forced combustion then the appliance will attempt ignition after 1 hour. The
“Ignition Failure” fault code, 11, will appear during that hour and disappears after a successful ignition. Forced
combustion takes place for about 15 seconds after ignition. After this time, the temperature control logic controls
the combustion.
If the flame is extinguished (burner combustion failure) while the temperature control logic is operating the
appliance, then the appliance will immediately attempt ignition. No fault code will appear.
Restart Function

14 Rinnai Corporation ES38 Manual
Installation Instructions
• A qualified service technician should install the
appliance and inspect it before use.
• If you move, check the gas type in your new area.
The local gas authority will be able to advise on
local regulations.
• The installation must conform with local codes or, in
the absence of local codes, with the National Fuel
Gas Code, ANSI Z223.1/NFPA 54, or the Natural
Gas and Propane Installation Code, CSA B149.1.
• A manufactured home (USA only) or mobile home
OEM installation must conform with the
Manufactured Home Construction and Safety
Standard, Title 24 CFR, Part 3280, or, when such a
standard is not applicable, the standard for
Manufactured Home Installations, ANSI/NCSBCS
A225.1, or the standard for Gas Equipped
Recreational Vehicles and Mobile Housing, CSA
Z240.4.
• The appliance, when installed, must be electrically
grounded in accordance with local codes or, in the
absence of local codes, with the National Electrical
Code, ANSI/NFPA 70, or the Canadian Electrical
Code, CSA C22.1.
• Appliance input ratings are based on sea level
operation and need not be changed for operation up
to 2000 ft (609.9 m) elevation. For operation at
elevations above 2000 ft (609.9 m), refer to the
Conversion Manual.
• The appliance and its appliance main gas valve
must be disconnected from the gas supply piping
system during any pressure testing of that system at
test pressures in excess of 1/2 psi (3.5 kPa).
• The appliance must be isolated from the gas supply
piping system by closing its equipment shutoff valve
during any pressure testing of the gas supply piping
system at test pressures equal to or less than 1/2
psi (3.5 kPa).
• If the flooring is carpet, tile, or other combustible
material other than wood, then the appliance must
be installed on a metal or wood panel extending the
full width and depth of the appliance.
• This appliance discharges a large volume of warm
air next to the floor. Any particles in the air such as
cigarette smoke could cause discoloration in nylon
carpets containing dyes or vinyl surfaces.
• This appliance is not designed to built in.
• This appliance is only for use with the type of gas
indicated on the rating plate. This appliance is not
convertible for use with other gases unless a
certified kit is used. If conversion of the unit is
needed, conversions must be performed by a
qualified service provider at the owner’s expense.
• This appliance must not be connected to a chimney
flue serving a separate solid-fuel burning appliance.
• Rinnai suggests that a dedicated electrical circuit
with a 120VAC, 60 hz, 10 amp power source be
used.
• A test plug are provided for testing of manifold
differential pressure. It is located on the modulating
gas valve.
• The appliance should be correctly sized for the
space it is required to heat.
• Follow the installations instructions and those in
Care and Maintenance for adequate combustion
and ventilation air.
• The flow of combustion and ventilation air shall not
be obstructed.
• Clearances to access the appliance during servicing
are 2 inches (50 mm) from the sides, 40 inches (1
m) from the front, and 10 inches (250 mm) from the
top.
General Instructions
WARNING
Do not use substitute materials.
Use only parts certified with the appliance.
If installation is at a location above
2001 ft (610 m), then follow the Adjust
Gas Pressure Settings procedure in
the Conversion Manual.
If installation is at or below 2000 ft
(610 m) then the pressure settings do
not need to be adjusted.
NOTICE

Rinnai Corporation ES38 Manual 15
Gas Connection
• The gas supply line shall be gas tight, sized and so
installed as to provide a supply of a gas sufficient to
meet the maximum demand of the heater without
loss of pressure.
• A shut off valve and appliance connector valve
should be installed in the upstream of the gas line to
permit servicing.
• Flexible pipe and any appliance connector valve
used for gas piping shall be types approved by
nationally recognized agencies.
• Any compound used on the threaded joint of the gas
piping shall be a type which resists the action of
liquefied petroleum gas (propane / LPG).
• After completion of gas pipe connections all joints
including the heater must be checked for gas
tightness by means of leak detector solution, soap
and water, or an equivalent nonflammable solution,
as applicable. (Since some leak test solutions,
including soap and water, may cause corrosion or
stress cracking, the piping shall be rinsed with water
after testing, unless it has been determined that the
leak test solution is non-corrosive.)
• Check the gas supply pressure immediately
upstream at a location provided by the gas
company. Supplied gas pressure must be within the
limits shown in the Specifications section.
• Refer to an approved pipe sizing chart if in doubt
about the size of the gas line.
• Install manual gas cut-off valve so that it can be
accessed for easy operation. Do not conceal
manual cut-off valve behind back spacer.
Clearances to Combustibles
When determining where to install the appliance the
clearances to combustibles shown in the figure must
be followed. Also refer to the Safety Behaviors and
Practices section. The clearance to combustibles from
the top is zero.
Rinnai recommends 10” (250 mm) clearance on both
sides for servicing.
10"(250mm)
0"
2"
(50mm)
2"
(50mm)
40" (1m)
When connecting the gas valve or other gas
components in the gas line, use a backup wrench to
ensure the connection is gas tight.
WARNING

16 Rinnai Corporation ES38 Manual
Flue Terminal Clearances
X
V
AIR SUPPLY INLET
VENT TERMINAL
AREA WHERE
TERMINAL IS NOT
PERMITTTED
INSIDE
CORNER DETAIL
FIXED
CLOSED
OPERABLE
FIXED
CLOSED
OPERABLE
B
B
B
A
J
BM
C
F
B
B
E
D
L
G
A
H
K
I
SNOW
TERMINATION
Clearance in
Ref. A also
applies to
anticipated
snow line

Rinnai Corporation ES38 Manual 17
Flue Terminal Clearances
1 A vent shall not terminate directly above a sidewalk or paved driveway that is located between two single
family dwellings and serves both dwellings.
2 Permitted only if veranda, porch, deck, or balcony is fully open on a minimum of two sides beneath the floor.
∗For clearances not specified in ANSI Z223.1/NFPA 54 or CSA B149.1, clearances are in accordance with local
installation codes and the requirements of the gas supplier.
Ref Description Canadian Installations US Installations
A Clearance above grade, veranda,
porch, deck, or balcony. (Take into
account the anticipated snow line) 12 inches (30 cm) 12 inches (30 cm)
B Clearance to window or door that may
be opened
6 inches (15 cm) for
appliances < 10,000 BTUh;
12 inches (30 cm) for
appliances > 10,000 BTUh
and < 100,000 BTUh,
36 inches (91 cm) for
appliances > 100,000 BTUh
6 inches (15 cm) for
appliances < 10,000 BTUh;
9 inches (23 cm) for
appliances > 10,000 BTUh
and < 50,000 BTUh,
12 inches (30 cm) for
appliances > 50,000 BTUh
C Clearance to permanently closed * *
D
Vertical clearance to ventilated soffit,
located above the terminal within a
horizontal distance of 2 feet (61 cm)
from the center line of the terminal
* *
E Clearance to unventilated soffit * *
F Clearance to outside corner * *
G Clearance to inside corner 20 inches (50 cm) 20 inches (50 cm)
H Clearance to each side of center line
extended above meter/regulator
assembly
3 feet (91 cm) within a height
15 feet (4.5 m) above the
meter/regulator assembly *
I Clearance to service regulator vent 3 feet (91 cm) *
J Clearance to nonmechanical air supply
inlet to building or the combustion air
inlet to any other appliance
6 inches (15 cm) for
appliances < 10,000 BTUh;
12 inches (30 cm) for
appliances > 10,000 BTUh
and < 100,000 BTUh,
36 inches (91 cm) for
appliances > 100,000 BTUh
6 inches (15 cm) for
appliances < 10,000 BTUh;
9 inches (23 cm) for
appliances > 10,000 BTUh
and < 50,000 BTUh,
12 inches (30 cm) for
appliances > 50,000 BTUh
K Clearance to a mechanical air supply
inlet 6 feet (1.83 m) 3 feet (91 cm) above if within
10 feet (3 m) horizontally
L Clearance above paved sidewalk or
paved driveway located on public 7 feet (2.13 m) 1 *
M Clearance under veranda, porch, deck,
or balcony
12 inches (30 cm) to non-
flammables 2
24 inches (60 cm) to
flammables 2
12 inches (30 cm) to non-
flammables 2
24 inches (60 cm) to
flammables 2

18 Rinnai Corporation ES38 Manual
Dimensions
inches (mm)
14 1/16" (357.5)
12 7/16" (316)
13" (330)
7 7/8" (200)
4 9/16" (116)
36 5/8" (930)
28 7/16" (723)
26 3/8" (670)
15 5/8" (397)
11 13/16" (300)
GAS CONNECTION
10 7/8"
(R277)
9 13/16" (250)
6 1/2" (165)
6 5/16"(160)
13 3/4" (R350)
Cavit y Opening
23 3/8" (593)

Rinnai Corporation ES38 Manual 19
Installation Parts
The following items are included with the appliance:
“A” Vent Kit, FOT-151
Flue Manifold .......................1 Spare rubber seal...........................1
(‘A’ Flue units only)
(For weatherboard installations)
Back Spacer
Set 1
1
1
2
11
7
3
1
7
1
1
2
Air inlet hose
Vent adaptor
Pipe stopper
A&S
Pipe stopper
E
Wall
Brackets
Insulation
Clip
Plastic tie for
air inlet
(M4)
(M4× 20)
(M4)
(M4.8× 32)
Wood Screws
Owner’s Manual
Conversion Manual
Template
For Flue Lock Stopper
For Flue Manifold
Wall Bracket Screws
For Back Spacer Set
4(M5)
For Wall Brackets
On/Off Valve 11
Elbow (gas)

20 Rinnai Corporation ES38 Manual
Drilling Flue Hole
Ensure that there are no gas or water lines, or
electrical circuits in the wall location where the flue
hole is to be drilled.
Drill the flue hole using a 3 1/8 inch (80 mm) drill. A
template is provided. The center of the hole must
be located anywhere within the shaded area, unless
extension kits are used. See the dimensions
diagram.
For weatherboard walls, drill through the center of
the weatherboard from the outside first and then
through the plasterboard.
Flue Hole
3 1/8"
(80 mm)
Attach the wall brackets as shown. A template is
provided.
593
723
Wall bracket
30
24
Attach Wall Brackets
Attach Back Spacers
Attach side back spacers to both sides of the
appliance with 2 screws each.

Rinnai Corporation ES38 Manual 21
Flue Manifold Installation
1. Disassemble the flue manifold
The flue consists of 3 parts:
• sleeve
• inside connection
• outside terminal
Disassemble the flue manifold by first pulling
out the inside connection. To remove the
outer terminal pull and release the two
internal ties and then pull out the outer
terminal.
Clearance to combustibles for the sleeve and
flanges is zero inches.
2. Adjust the sleeve length
Measure wall thickness through previously
drilled 3 1/8 inch (80 mm) hole.
The end of the sleeve should protrude 3/16 -
3/8 inch (5-10 mm) from the outside wall.
The sleeve is threaded for adjustment. Adjust
the sleeve length to wall thickness plus 3/16 -
3/8 inch (5-10 mm).
NOTE: Do not extend beyond the red line.
For other than the “S” type flue manifold, if a
shorter length is necessary an extension can
be removed. Cut the plastic and remove the
extension.
• The flue manifold must exhaust to the outside. Do
not exhaust into other rooms.
• The flue manifold is not designed to be positioned
under floors or below the heater.
• The termination cannot be vertical.
• This appliance can only be used with one of the
five types of Rinnai flue kits. The flue kits and their
dimensions are listed on the previous page.
• Refer to the Flue Terminal Clearances section.
3 screws
sleeve should extend
3/16 - 3/8 in (5-10 mm)
3. Attach the sleeve
Attach to the inside wall using 3 screws
arranging the flange so that the marking
“TOP” is at the top.
The flange is offset 2° to allow the
condensate drain to the outside.
Inside Connection
Sleeve
Terminal
Remove extension
if necessary

22 Rinnai Corporation ES38 Manual
Flue Manifold Installation
6. Lock the ties
Pulling hard on the left and right hand ties,
clip the ties over the notches inside the
sleeve. You should be able to pull the ties 2
or 3 notches past the starting point. Cut the
ties, leaving about 3/4 inch (20 mm) past the
notch. Bend the ties back into the sleeve and
parallel to the wall.
7. Insert Inside Connection Assembly
Push the assembly into the terminal tube,
ensuring that the seal is in place on the
inner tube.
Attach the inside connection with 3
screws. The inner connection can still
be turned to install the screws.
4.Install the Terminal
Check that the terminal seal is in place. For
weatherboard walls, add the second seal next
to the terminal seal to compensate for
weather board angle.
From the outside insert the terminal into the
sleeve with the marking “TOP” at the top.
The left hand side locking tie should be
marked “LEFT”.
Terminal seal
Locking tie
Terminal
Locking ties Sleeve
3 screws

Rinnai Corporation ES38 Manual 23
Extension Kit Installation
If necessary, extension kits are available to extend the exhaust line and air intake hose between the manifold and
the appliance. The maximum vent length is 13 feet (4 m) with 2 bends. The bent pipe attached to the appliance
does not count toward the max limit of 2 bends. Any length (horizontal and vertical) in excess of 8 feet (2.4 m)
must be sloped 3° downward toward the flue manifold to allow condensate to drain to the outside. Do not allow
any low points in the exhaust line where condensate will collect.
Vent extensions installed in unconditioned air space must be insulated with high temperature insulation and must
be accessible.
Vent extensions must not be concealed per NFPA 54 and must be accessible allowing inspection and repair.
Decorative covers are available from Rinnai.
Examples INCORRECT
• Too many bends (limit is 2)
• Air intake hose is above exhaust
pipe
CORRECT

24 Rinnai Corporation ES38 Manual
Clearances exhaust pipe to combustibles 1 inch (25.4 mm)
exhaust pipe to non-combustibles zero
Extension Kit Installation
Both the exhaust line and air intake hose are
supported by clamps which are attached to the wall.
A wall fixture can be used to offset the clamp from the
wall. Use Screw B to attach the wall fixture to the
wall. If the wall fixture is not used then use Screw A
and the nut to attach the clamp to the wall.
The air intake hose should always be underneath the
exhaust line so that in case the air intake hose sags it
will not come into contact with the exhaust line.
Clamps Exhaust pipe Exhaust pipe
Air intake hose
Air intake hose
The exhaust line is connected between the bent pipe
at the rear of the heater and the exhaust port on the
flue manifold.
Installing the Exhaust Line
To connect exhaust pipes with other straight pipes or
bends, fit the male end into the female end. Use pipe
stopper A to clamp the connection.
Use pipe stopper B to fix the length on the adjustable
exhaust pipes. Do not extend these pipes beyond the
red line.
Do not cut the exhaust pipe. Use the adjustable
pipes if necessary.
To bend the elbow, insert exhaust pipes into both
ends for additional leverage. Bend to desired angle.
Do not straighten the bent pipe attached to the
appliance.
Pipe stopper A
Pipe stopper B
Male end Female end
Adjust the angle
Connecting the Air Intake Hose
The air intake hose is connected between the air
connection at the rear of the heater and the air intake
port on the flue manifold.
Push the air intake hose onto the flue manifold and
secure with the plastic cable tie.
Join air intake hoses by screwing the hose joint half of
its length into the air intake hose and then screwing
another air intake hose into the hose joint.
The lengths of the air intake hose and the exhaust
pipe must be the same in order for the appliance to
operate properly. The hose can be cut to the required
length. Deburr all rough edges. Do not cut the hose
attached to the appliance.
Support the air intake hose with pipe clamps.
Hose joint
air intake hoses
CAUTION Use the pipe stoppers, connectors, clamps, and screws according to these instructions in
order to ensure no leakage of exhaust gases.

Rinnai Corporation ES38 Manual 25
Extension Kit Installation
Item Description Part No. FOT-102 FOT-103 FOT-114 FOT-115
1 Exhaust Pipe (adjustable)
11.4-20.3 in (290-515 mm) FOT 111-1 1
1 Exhaust Pipe (adjustable)
21.0-39.6 in (533-1005 mm) FOT 112-1 1 1
2 Exhaust Pipe - 40 in (1016 mm) FOT 114-3 1
3 Air Intake Hose - 29.5 in (750 mm) RHF 1000-130-e 1
3 Air Intake Hose - 49.2 in (1.25 m) RHF 1000-130-b 1
3 Air Intake Hose - 90.6 in (2.3 m) RHF 1000-130-F 1
4 Bent Elbow FOT 025-4 1
5 Hose Joint FOT 064-8 1 1 1
6 Pipe Stopper A 1001F-250 1 1 2 2
7 Pipe Stopper B FOT 111-6 1 1 1
9 Pipe Clamp FOT 064-11 2 sets 3 sets 4 sets
10 Wall Fixture FOT 064-12 2 3 4
11 Nut FOT 062-10 2 3 4
12 Screw A ZAA0420SC 2 3 4
13 Screw B CP-30408 4 6 8
8 Top Stopper FOT 062-7 1 1 1
14 O Ring M10B-4-49 1
Extension Kits and Parts
A FOT-102(11.4-20.3 inch)
B FOT-103(21.0-39.6 inch)
A FOT-102(29.5 inch)
B FOT-103(49.2 inch)
C FOT-114(90.6 inch)
EXHAUST PIPE
EXHAUST PIPE(STRAIGHT) 40 inch
AIR INTAKE HOSE
BENT ELBOW HOSE JOINT
PIPE STOPPER A
PIPE STOPPER B
PIPE CLAMP
WALL-FIXTURE
NUT
SCREW A
SCREW B
TOP STOPPER O RING
1
2
3
45
6 9
7
8
10
11
12
13
14

26 Rinnai Corporation ES38 Manual
Connecting the Appliance
1. Attach flue adapter to the flue manifold with
pipe stopper S.
2. Attach the air inlet hose to the flue manifold.
Secure with plastic tie. The unused inlet is
plugged with the rubber cap supplied on the
manifold.
3. Connect the vent sliding tube with pipe
stopper S and E. The sliding tube should
not be extended beyond the red line. The
red line should not be visible after sliding
the tube into the vent outlet.
4. Slide the insulation sleeve up to the flue
manifold and slip the securing clip over the
sleeve as shown.
5. Attach the appliance to the wall brackets,
using 2 screws at each bracket.
6. Attach the back spacer with 3 screws to the
top of the appliance.
Inlet hose
Inlet elbow
Plastic tie
7. If necessary, the appliance can be leveled
using the adjustable legs under the front
right and left legs.
Screw Sliding Tube
PIPE STOPPER S
PIPE STOPPER A
Flue Manifold
PIPE STOPPER E
Pipe stopper S
Flue Manifold
Flue Adapter
SCREW
(M5)

Rinnai Corporation ES38 Manual 27
Operating Instructions
FOR YOUR SAFETY READ BEFORE OPERATING
WARNING
If you do not follow these instructions exactly, a fire or explosion
may result causing property damage, personal injury or loss of life.
A. This appliance does not have a pilot. It is
equipped with an ignition device which
automatically lights the burner. Do not try to
light the burner by hand.
B. BEFORE OPERATING smell all around the
appliance area for gas. Be sure to smell next
to the floor because some gas is heavier than
air and will settle on the floor.
WHAT TO DO IF YOU SMELL GAS
• Do not try to light any appliance.
• Do not touch any electric switch; do not use
any phone in your building.
• Immediately call your gas supplier from a
neighbor’s phone. Follow the gas supplier’s
instructions.
• If you cannot reach your gas supplier, call
the fire department.
C. Use only your hand to push in or turn the gas
control knob. Never use tools. If the knob will
not push in or turn by hand, do not try to
repair it, call a qualified service technician.
Force or attempted repair may result in a fire
or explosion.
D. Do not use this appliance if any part has been
under water. Immediately call a qualified
service technician to inspect the appliance
and to replace any part of the control system
and any gas control which has been under
water.
TO TURN OFF GAS TO APPLIANCE
1. Set the thermostat to lowest setting.
2. Turn off all electric power to the appliance
using the ON/OFF button.
3. Locate the manual gas valve on the side of
the heater. Turn the manual valve
clockwise to the full OFF position.
NOTE: The fan will continue to operate until the
appliance is cool. Do not turn the
appliance off by unplugging it from the
wall. Keep burner and control
compartment clean. See installation and
operating instructions.
OPERATING INSTRUCTIONS
1. STOP! Read the safety information above.
2. Set the thermostat to lowest setting.
3. Turn off all electric power to the appliance
using the ON/OFF button.
4. This appliance is equipped with an ignition
device which automatically lights the burner.
Do not try to light the burner by hand.
5. Locate the manual gas valve on the side of
the heater. Turn the manual valve
clockwise to the full OFF position.
6. Wait five (5) minutes to clear out any gas.
Then smell for gas, including near the floor. If
you smell gas, STOP! Follow “B” in the safety
information above. If you don’t smell gas, go
to the next step.
7. Turn the manual gas valve counterclockwise
to the full ON position.
8. Turn on all electric power to the
appliance using the ON/OFF button.
9. Set the thermostat to desired setting.
10. Combustion indicator glows red when the
burner is lit and flashes when the burner fails
to ignite. If the appliance will not operate,
follow the instructions “To Turn Off Gas To
Appliance” and call your service technician or
gas supplier. See manual for additional
information.
CLOSE
Manual Valve
OPEN

28 Rinnai Corporation ES38 Manual
Cut-Away Diagram

Rinnai Corporation ES38 Manual 29
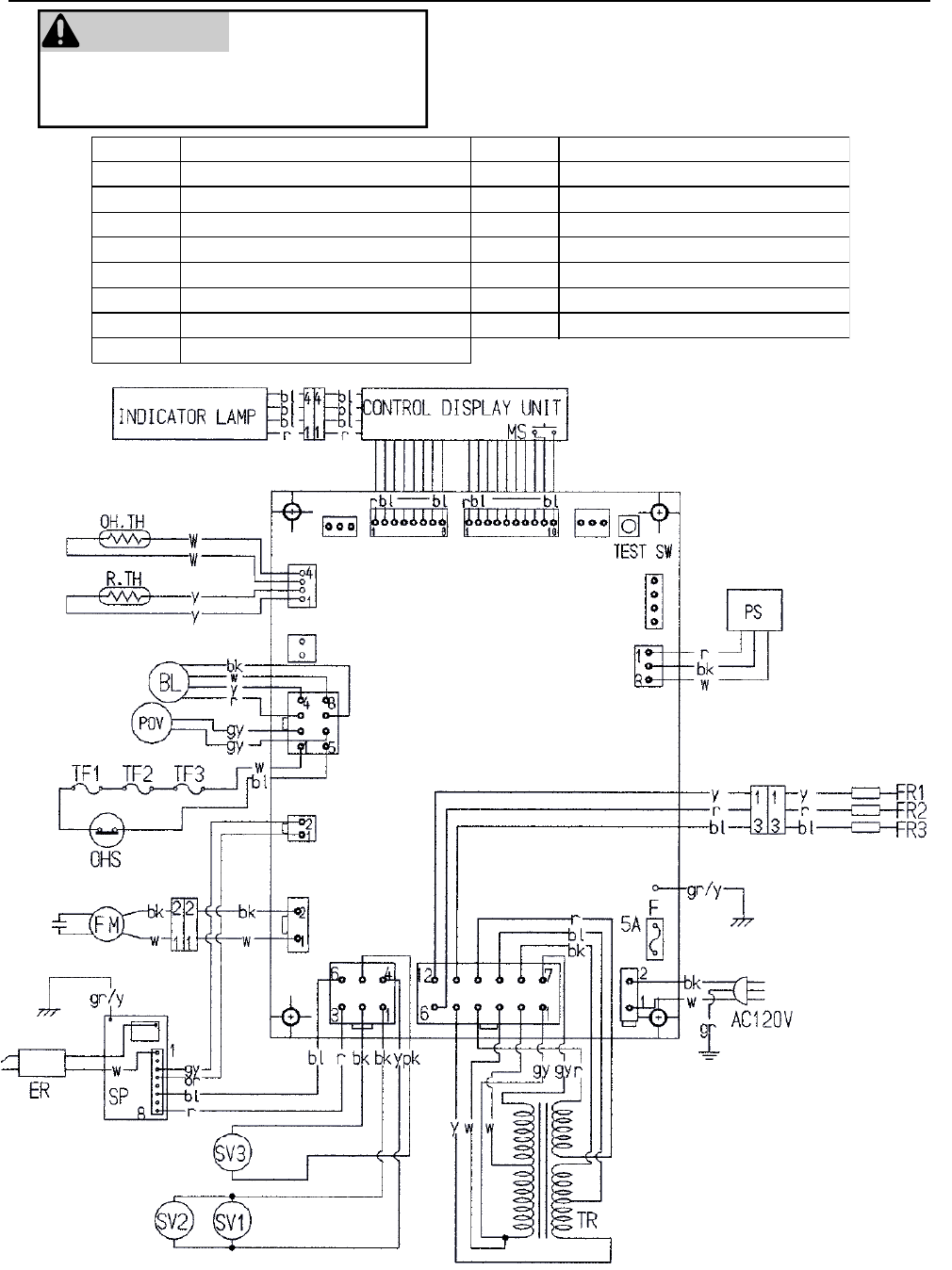
Wiring Diagram
If any of the original wire as supplied with the
appliance must be replaced, it must be
replaced with type 18 AWG wire or its
equivalent.
Label all wires prior to disconnection when
servicing controls. Wiring errors can cause
improper and dangerous operation.
CAUTION
MARK
MS
R.TH
TF1 ~3
F
ER
POV
TR
FR1 ~3
PARTS NAME
MAIN SWITCH
THERMISTOR
THERMAL FUSE
FUSE
ELECTRODE
MODULATING SOLENOID VALVE
TRANSFORMER
FLAME ROD 1 ~3
MARK
OH.TH
OHS
FM
SP
SV1 ~3
BL
PS
PARTS NAME
OVER HEAT THERMI STOR
OVER HEAT SWITCH
CONVECTION FAN MOTOR
SPARKER
MAIN SOLENOID VALVE 1 ~3
COMBUSTION FAN MOTOR
PRESSURE SENSOR

30 Rinnai Corporation ES38 Manual
Ladder Diagram

Rinnai Corporation ES38 Manual 31
Parts List
For replacement parts call Rinnai at 1-800-621-9419.

32 Rinnai Corporation ES38 Manual
Parts List
For replacement parts call Rinnai at 1-800-621-9419.

Rinnai Corporation ES38 Manual 33
Parts List
For replacement parts call Rinnai at 1-800-621-9419.

34 Rinnai Corporation ES38 Manual
Parts List
For replacement parts call Rinnai at 1-800-621-9419.

Rinnai Corporation ES38 Manual 35
Parts List
For replacement parts call Rinnai at 1-800-621-9419.

36 Rinnai Corporation ES38 Manual
Parts List
For replacement parts call Rinnai at 1-800-621-9419.

Rinnai Corporation ES38 Manual 37
Parts List
For replacement parts call Rinnai at 1-800-621-9419.

38 Rinnai Corporation ES38 Manual
Parts List
ITEM PART NUMBER
QTY
1004RFA
Beige
1004FA-W
White
001 1001F-073-9 SIDE PANEL I 2
1001F-073-4 SIDE PANEL D 2
002 1004F-2071-6 TOP PLATE F 1
1004F-2071-3 TOP PLATE C 1
003 1004F-2073-10 OPERATION LID J 1
1004F-2073-6 OPERATION LID F 1
004 556F-558-2 FULCRUM 1 1
005 ZUAA02SZ STOPPER 1 1
006 1001F-1514-2 DECORATION PANEL ASS’Y C 1
1001F-1514-3 DECORATION PANEL ASS’Y D 1
007 1001F-160-9 FRONT PANEL ASS’Y I 1
1001F-160-5 FRONT PANEL ASS’Y E 1
008 1004F-2080 ESCUTCHEON PANEL 1
1004F-2087 ESCUTCHEON PANEL B 1
009 1001F-084-2 LOUVER SUPPORT TRIM B 1
1001F-084-3 LOUVER SUPPORT TRIM C 1
010 1001F-163-2 LOUVER ASS’Y B 1
1001F-1323 LOUVER ASS’Y 1
011 1001F-162-7 BOTTOM TRIM ASS’Y G 1
1001F-162-4 BOTTOM TRIM ASS’Y D 1
012 1001F-164-4 FILLER ASS’Y D 1
1001F-1322 FILLER ASS’Y 1
013 1001F-078 LOUVER DOOR HINGES 1 1
014 551F-015 FILLER 1 1
015 RHF300-185-1 MAGNET 1 1
016 1001F-1410-2 BACK SPACER LEFT A 1
1001F-1410-9 BACK SPACER LEFT E 1
017 1001F-1411-4 BACK SPACER B RIGHT D 1
1001F-1411-5 BACK SPACER B RIGHT E 1
019 1001F-165-10 BACK SPACER UPPER ASS’Y J 1
1001F-165-13 BACK SPACER UPPER ASS’Y M 1
020 1004F-228 AIR FILTER ASS’Y 2 2
021 1001F-092 BACK SPACER SUPPORT 2 2
022 1004F-825 WALL BRACKET B 2 2
024 1001F-157 LEG ASS’Y 2 2
025 550F-0220 RUBBER BRACKET ASS’Y 2 2
026 550F-0225 BASE SUPPORT RUBBER 4 4
027 1004F-2111 LAMP HOUSE 1 1
100 1001F-150-3 HIGH BURNER LEFT ASS’Y C 1 1
101 1001F-144-3 HIGH BURNER RIGHT ASS’Y C 1 1
102 1001F-147-3 LOW BURNER ASS’Y C 1 1
103 RHF250-075 DAMPER PANEL 2 2
104 1001F-049 BURNER BRACKET PACKING 2 2
105 1004F-2022 BURNER BRACKET LEFT ASS’Y 1 1
106 1004F-2020 BURNER BRACKET RIGHT ASS’Y 1 1
107 1001F-104-2 FLAME ROD 1 1
108 RHF250-038 ELECTRODE CLIP 1 1
109 1001F-216 ELECTRODE 1 1
110 1001F-168 ELECTRODE BRACKET 1 1
111 1001F-175 ELECTRODE SEAL PACKING 1 1
PART NAME

Rinnai Corporation ES38 Manual 39
Parts List
ITEM PART NUMBER
QTY
1004RFA
Beige
1004FA-W
White
112 RHF250-076 AIR SHUTTER ADJUSTMENT 2 2
113 1004F-2031 MAIN INJECTOR 2 2
114 1004F-2036 MAIN INJECTOR 1 1
115 1001F-042 BURNER SHIELD LEFT 1 1
116 1001F-041 BURNER SHIELD RIGHT 1 1
117 1004F-2066 INTERCONNECTION C ASS’Y 1 1
118 1004F-2065 INTERCONNECTION B ASS’Y 1 1
119 1004F-2064 INTERCONNECTION A ASS’Y 1 1
120 M10B-4-8 O-RING 6 6
121 1001F-101-2 INTERCONNECTION CLIP 1 1
122 CP-30488 INTERCONNECTION BRACKET 1 1
123 1004F-2030 INTERCONNECTION BRACKET 1 1
124 RHFE1004-0130 GAS CONTROL ASS’Y A 1 1
126 1001F-008-2 VALVE BRACKET B 1 1
127 1001F-106-1 REVOLVING STOPPER A 1 1
129 BRR37-244 ON/OFF VALVE ASSEMBLY 1 1
137 1001F-138-2 MAIN HEAT EXCHANGER ASS’Y B 1 1
138 RHF1000-167 INLET FLANGE PACKING 1 1
139 300FT-14 GLASS WINDOW PACKING 2 2
140 300FT-15 VIEWING GLASS 2 2
141 1004F-2013 GLASS CLIP 2 2
142 1001F-115 BLANKING PANEL 1 1
143 1004F-2048 OT.TH BRACKET 1 1
144 1001F-142-2 SUB HEAT EXCHANGER No.1 ASS’Y B 1 1
147 1001F-143 SUB HEAT EXCHANGER No.2 ASS’Y 1 1
148 1001F-169 SPACER 1 1
149 1001F-021-1 SUB HEAT EXCHANGER CLIP A 1 1
150 1001F-021-2 SUB HEAT EXCHANGER CLIP B 1 1
151 1001F-183 SUB HEAT EXCHANGER B ASS’Y 1 1
152 RHF1000-174 HEAT EXCHANGER BRACKET SLIP 2 2
153 RHF1000-142-a O-RING A 3 3
154 1001F-131 EXHAUST ELBOW ASS’Y 1 1
155 1001F-132-2 SLIDE PIPE B 1 1
157 1004F-530 EXHAUST ADAPTOR B ASS’Y 1 1
158 1004F-401 SLIDE PIPE STOPPER 1 1
159 1001F-250 EXHAUST PIPE STOPPER ASS’Y 1 1
160 1001F-1730 EXHAUST PIPE STOPPER S ASS’Y 1 1
161 1001F-111 COVER 1 1
162 RHF1000-145 ELBOW COVER STOPPER 1 1
163 431F-1900 FLUE ASS’Y 1 1
164 RHF1000-132 AIR INTAKE ELBOW 1 1
165 RHF1000-130-d AIR INTAKE FLEXIBLE HOSE 1 1
166 1004F-2032-1 AIR INLET 1 1
167 1004F-2033 AIR INLET PACKING 1 1
168 1004F-2052-1 SENSING TUBE A 1 1
169 1004F-2052-2 SENSING TUBE B 1 1
170 1001F-158 AIR INTAKE DUCT 1 1
171 1001F-053 SEAL PACKING 1 1
172 1001F-153-2 COMBUSTION FAN CASING 1 1
178 CP-30310 SCREW FOR MOTOR 3 3
180 1004F-2082 COMBUSTION FAN TOTAL ASS’Y 1 1
PART NAME

40 Rinnai Corporation ES38 Manual
Parts List
ITEM PART NUMBER
QTY
1004RFA
Beige
1004FA-W
White
181 304F-9112 CAP 1 1
192 1004F-2088 BUSH RE-INFORCED BOARD 2 2
400 1001F-186-1 REAR PANEL ASS’Y 1 1
401 1001F-154 FRAME LEFT ASS’Y 1 1
402 1001F-156 FRAME RIGHT ASS’Y 1 1
403 1001F-112 WARM AIR SEAL PACKING 1 1
404 1001F-004-2 CONVECTION FAN SUPPORT B 1 1
405 1001F-066 TOP PANEL SUPPORT 1 1
406 1001F-064 FRAME CORNER 1 1
407 1001F-110 TOP PANEL REINFORCEMENT 1 1
408 1004F-2006 FRAME CORNER ASS’Y 1 1
409 ES-02051 CONVECTION MOTOR 1 1
410 550F-0903 CONVECTION MOTOR BRACKET 2 2
411 1004F-308-1 CONVECTION FAN A 1 1
412 1004F-308-2 CONVECTION FAN B 1 1
413 1001F-152 FAN CASING ASS’Y 2 2
414 RHF1000-89 BELL MOUTH 2 2
415 1001F-159-2 HEAT SHIELD BOARD B ASS’Y 1 1
416 RC-223-21-1 SEAL PACKING 2 2
417 1001F-137 VIEWING WINDOW PANEL 2 2
419 302F-0506 O.H.S. PROTECTOR 1 1
420 1001F-062 ELECTRODE VIEWING PANEL 1 1
421 1001F-070 ELECTRODE COVER 1 1
422 1001F-217 O.H.S. BRACKET 2 2
423 ES-01131 OVERHEAT SWITCH 1 1
424 1001F-172 WATER LEVEL INDICATOR 1 1
425 550F-1418 WATER LEVEL LABEL 1 1
426 1001F-037 HUMIDIFIER TRAY 1 1
427 1004F-2016 TRANSFORMER BRACKET 1 1
430 CP-90436-3 P.C.B. SUPPORT 4 4
431 RC-312-628 THERMISTOR HOLDER 1 1
432 RC-329-1033 POWER SUPPLY CABLE BRACKET 1 1
433 1004F-2009 EDGE 1 1
435 1004F-2085 CONVECTION MOTOR SUB ASS’Y 1 1
436 CP-90077-1 SPEED CLIP 2 2
700 1004F-2075 OPERATION P.C.B ASS’Y F 1 1
1004F-2075-2 OPERATION P.C.B ASS’Y G
702 1004F-2078 INDICATOR ASS’Y 1 1
703 EI-161 IGNITOR ASS’Y 1 1
704 ET-251 TRANSFORMER 1 1
705 1004F-2310 MAIN P.C.B. TOTAL ASS’Y 1 1
706 1004F-2051 PRESSURE SENSOR 1 1
707 CP-90466-3 POWER SUPPLY CABLE ASS’Y 1 1
708 1004F-2054 MOTOR LEAD ASS’Y B 1 1
709 1004F-2053 SENSOR LEAD ASS’Y 1 1
710 1004F-2059 FR LEAD ASS’Y 1 1
711 1001F-1667-3 HIGH TENSION CORD ASS’Y 1 1
712 1004F-2057 THERMISTOR LEAD ASS’Y 1 1
713 1004F-2058 SV.IG LEAD ASS’Y 1 1
714 1004F-2061 TF LEAD ASS’Y 1 1
800 CP-74167-27 RATING PLATE 1 1
PART NAME

Rinnai Corporation ES38 Manual 41
Parts List
ITEM PART NUMBER
QTY
1004RFA
Beige
1004FA-W
White
800 CP-74167-28 RATING PLATE 1 1
801 CP-74168-27 RATING PLATE 1 1
801 CP-74168-28 RATING PLATE 1 1
802 1004F-2093 OPERATION LABEL 1 1
803 1001F-1651 FILTER LABEL 1 1
804 556F-2065 CAUTION LABEL 1 1
805 1001F-1656 CAUTION MARK 1 1
806 431F-1840 PROPANE STICKER 1 1
806 431F-1841 NG STICKER 1 1
807 1001F-1654 EXHAUST CAUTION LABEL 1 1
808 CP-72062B-2 SPEC MARK 1 1
809 431F-1860 POWER SUPPLY CABLE LABEL 1 1
810 431F-1862 GAS CHECK LABEL 1 1
810 431F-1863 GAS CHECK LABEL 1 1
811 431F-1830 EXHAUST CAUTION LABEL 1 1
812 CP-71747-2 PULL LABEL 1 1
813 CP-74177-5 RATING PLATE SUPPORT LABEL 1 1
814 CP-74178-5 RATING PLATE SUPPORT LABEL 1 1
850 RHFE1004-0110 OWNER’S OPERATION AND INSTALLATION MANUAL 1 1
851 RHFE1004-0111 CONVERSION MANUAL 1 1
852 1004F-2040 TEMPLATE 1 1
853 1004F-2095-3 CONVERSION SET(TO NG) 1 1
853 1004F-2095-4 CONVERSION SET(TO LPG) 1 1
856 CP-30324 MALE - FEMALE ELBOW 1 1
901 ZBA0408SC SCREW
902 ZBA0408SZ SCREW
903 CP-30421-1 SCREW
904 ZBA0412SZ SCREW
905 ZBB0410SC SCREW
906 ZBD0408SC SCREW
907 ZBD0408SZ SCREW
908 ZEAB0408SZ SCREW
909 ZEAB0408SB SCREW
910 ZEAB0408SC SCREW
911 ZGAA0308SZ SCREW
912 ZAA0506SZ SCREW
913 ZAA0420SZ SCREW
914 ZEDB0408SZ SCREW
915 ZHAA0408SZ SCREW
916 ZHAD0510SC SCREW
917 ZDAA0410SZ SCREW
918 ZIAD0408SZ SCREW
919 ZRAB04SZ NUT
920 ZSCA04SZ WASHER
921 CP-30408 SCREW
922 ZAA0306SZ SCREW
923 CP-30486-2 SCREW
924 ZSCA04SC WASHER
925 ZRAA04SC NUT
926 ZAA0440UK SCREW
927 ZIAD0410SC SCREW
PART NAME

42 Rinnai Corporation ES38 Manual
Consumer Support
Warranty Information
Limited Warranty
Gas Direct Vent Wall Furnace
What is covered?
This Warranty covers any defects in materials or workmanship, subject to the terms stated below. This Warranty extends to
the original purchaser and subsequent transferees, but only while the product remains at the site of the original installation.
This Warranty only extends through the first installation of the product and terminates if the product is moved or reinstalled at a
new location.
How long does coverage last?
What will Rinnai do?
Rinnai will repair or replace the covered product or any part or component that is defective in materials or workmanship as set
forth. Rinnai will pay reasonable labor charges associated with the repair or replacement of any such part or component. All
repair parts must be genuine Rinnai parts. All repairs or replacements must be performed by an individual or servicing
company that is properly trained, state qualified or licensed to do the type of repair.
Item Period of Coverage
Heat Exchanger 10 years from date of purchase *
All Other Parts 5 years from date of purchase
Reasonable Labor 2 years from date of purchase
The installer is responsible for your heater’s correct installation.
Please complete the information below to keep for your records:
Purchased from: _________________________________________________________________
Address: _____________________________ Phone: _________________________________
_____________________________
Date of Purchase: __________________________________
Model No.: ________________________________________
Serial No.: ________________________________________
Installed by: ___________________________ Installer’s License No.: _____________________
Address: _____________________________ Phone: _________________________________
Date of Installation: __________________________________

Rinnai Corporation ES38 Manual 43
Limited Warranty - continued
Replacement of the product may be authorized by Rinnai
only. Rinnai does not authorize any person or company to
assume for it any obligation or liability in connection with the
replacement of the product. If Rinnai determines that repair
of a product is not possible, Rinnai will replace the product
with a comparable product at Rinnai’s discretion. If a
component or product returned to Rinnai is found to be free
of defects in material or workmanship, or damaged by
improper installation or damaged during return shipping, the
warranty claim for product, parts and labor may be denied.
* If the Heat Exchanger fails due to a defect in material or
workmanship within the sixth (6) through the tenth (10)
year from the date of purchase, Rinnai will make the
following allowances toward the purchase of a
replacement Heat Exchanger:
Year of Failure Allowance
6 50%
7 40%
8 30%
9 20%
10 10%
Heat Exchanger
How do I get service?
You must contact a state qualified/licensed contractor or authorized service provider for the repair of a product under this
Warranty. For the name of a qualified/authorized service provider please contact your place of purchase, visit the Rinnai
website (www.rinnai.us), call Rinnai at 1-800-621-9419 or write to Rinnai at 103 International Drive, Peachtree City, Georgia
30269.
Proof of purchase is required to obtain warranty service. You may show proof of purchase with a dated sales receipt, or by
registering within 30 days of purchasing the product. To register your appliance, please visit www.rinnairegistration.com. For
those without internet access, please call 1-866-RINNAI1 (745-6241). Receipt of Registration by Rinnai will constitute proof-of-
purchase for this product. However, Registration is not necessary in order to validate this Warranty.
What is not covered?
This Warranty does not cover any failures or operating difficulties due to the following:
• accident, abuse, or misuse
• alteration
• misapplication
• force majeure
• improper installation (such as but not limited to, condensate damage, improper venting, incorrect gas type, or incorrect gas
pressure)
• improper conversion (including conversions for inventory adjustment)
• improper maintenance (such as but not limited to vent blockage)
• incorrect sizing
• any other causes other than defects in materials or workmanship
This Warranty does not apply to any product whose serial number or manufacture date has been defaced.
Limitation on warranties
No one is authorized to make any other warranties on behalf of Rinnai America Corporation. Except as expressly provided
herein, there are no other warranties, expressed or implied, including, but not limited to warranties of merchantability or fitness
for a particular purpose, which extend beyond the description of the warranty herein and further Rinnai shall not be liable for
indirect, incidental, special, consequential or other similar damages that may arise, including lost profits, damage to person or
property, loss of use, inconvenience, or liability arising from improper installation, service or use. Some states do not allow the
exclusion or limitation of incidental or consequential damages, so the above limitation may not apply to you.
Any implied warranties of merchantability and fitness arising under state law are limited in duration to the period of coverage
provided by this limited Warranty, unless the period provided by state law is less. Some states do not allow limitations on how
long an implied Warranty lasts, so the above limitation may not apply to you.
This Warranty gives you specific legal rights, and you may also have other rights which vary from state to state.

Rinnai’s other fine products Rinnai America Corporation
103 International Drive
Peachtree City, GA 30269
TOLL FREE: 1-800-621-9419
www.rinnai.us
© 2009 Rinnai America Corporation
2/2009
Direct Vent Furnaces
• High Efficiency
• Cool-to-the-touch Cabinet
• Blower Included
• Vent Terminal A Included
• Gas Conversion Kit Included
Hydronic Air Handler
• Designed for Use with Rinnai Systems
• Domestic Hot Water Priority
• Optional Programmable Thermostat
• Zero Clearance to Combustibles
• Accommodates Standard Cased-Coils
Direct-Vent Fireplace, RHFE-750ETR
• Up to 83% AFUE Energy Efficiency
• Zero-Clearance Installation
• Available in Four Options of Fronts
• Remotes and Fan Included
• Gas Conversion Kit Available
Tankless Water Heaters
• Residential and Commercial Applications
• Continuous Hot Water
• Up to 9.8 GPM
• High Energy Efficiency
• Propane or Natural Gas
• Internal or External Installation
• Digital Temperature Control
• Small, Compact Design
Register your product at www.rinnairegistration.com
or call 1-866-RINNAI1 (746-6241)