Ryobi Ts254 Owner S Manual

2014-07-06

: Ryobi Ryobi-Ts254-Owner-S-Manual ryobi-ts254-owner-s-manual ryobi pdf

Open the PDF directly: View PDF PDF.
Page Count: 3

Page 1 of 3 - Ryobi Ryobi-Ts254-Owner-S-Manual
Page 2 of 3 - Ryobi Ryobi-Ts254-Owner-S-Manual
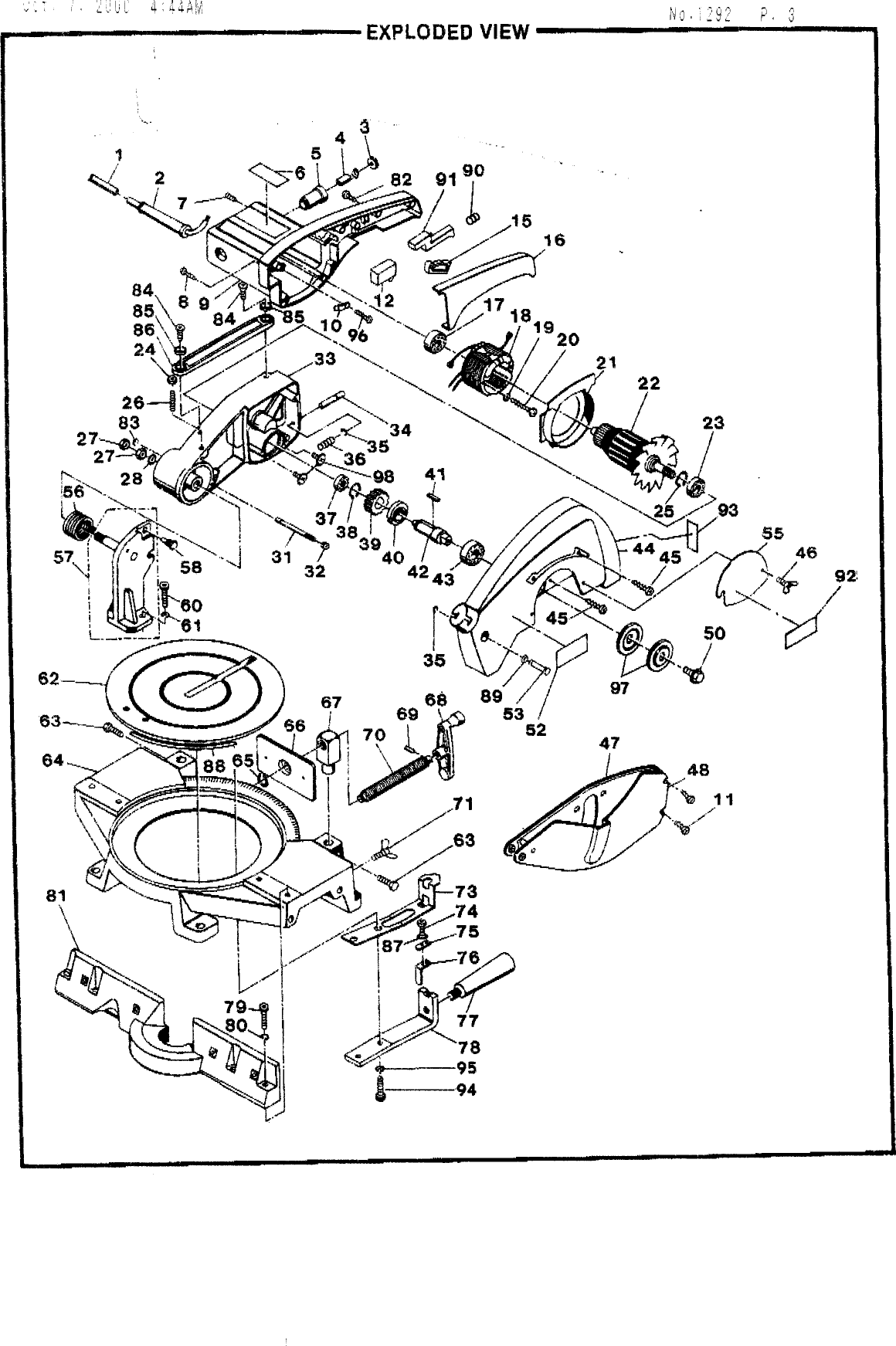
Page 3 of 3 - Ryobi Ryobi-Ts254-Owner-S-Manual

Navigation menu