SANSUI LCD Television Manual L0811584
User Manual: SANSUI SANSUI LCD Television Manual SANSUI LCD Television Owner's Manual, SANSUI LCD Television installation guides
Open the PDF directly: View PDF
.
Page Count: 76

SERVICEMANUAL IJ SAN SU
32" WiDE TFT LCD TELEViSiON
WiTH DiGiTAL TUNER
DLC
DiGiTAL
00C
ooo
ooo
:_ o o o
:_ o oo
IATTENTION 1
If you purchase a universal remote control from your local retailer, please contact the remote
manufacturer for the required programming code.
_.__m TV/CABLE MODE SELECTION 7
When shipped from the factory, the TV/CABLE menu option is set to the "CABLE" (Cable Television)|
°del !f n°! using Cable TY: se! this menu °P!i°n to the IITVIIposition: )
IF CONTACT WITH CUSTOMER SERVICE IS REQUIRED
PLEASE HAVE THE MODEL NUMBER READY PRIOR TO THE CALL
CUSTOMER SERVICE - 1-800-289-0980
ORLON WEBSITE
FOR INFORMATION ON OUR OTHER PRODUCTS, PLEASE VISIT OUR WEBSITE AT
vaJvw. _ri on._ I_.qi n_.._.o rn
Before operating the unit, please read this manual thoroughly,

IMPORTANT SERVICE SAFETY INFORMATION
Operating the receiver outside of its cabinet or with its
back removed involves a shock hazard. Work on
these models should only be performed by those who
are thoroughly familiar with precautions necessary
when working on high voltage equipment.
Exercise care when servicing this chassis with power
applied. Many B plus and high voltage RF terminals are
exposed which, if carelessly contacted, can cause
serious shock or result in damage to the chassis.
Maintain interconnecting ground lead connections
between chassis, escutcheon, picture tube dag and
tuner cluster when operating the chassis.
These receivers have a "polarized" AC line cord. The AC
plug is designed to fit into standard AC outlets in one
direction only. The wide blade connects to the "ground
side" and the narrow blade connects to the "hot side" of
the AC line. This assures that the TV receiver is properly
grounded to the house wiring. If an extension cord must
be used, make sure it is of the "polarized" type.
Since the chassis of this receiver is connected to one
side of the AC supply during operation, service should
not be attempted by anyone not familiar with the
precautions necessary when working on these types
of equipment.
When it is necessary to make measurements or tests with
AC power applied to the receiver chassis, an Isolation
Transformer must be used as a safety precaution and to
prevent possible damage to transistors. The Isolation
Transformer should be connected between the TV line
cord plug and the AC power outlet.
When removing springs or spring mounted parts from the
tuner, tuner cluster or chassis, shatterproof goggles must
be worn. Keep others without shatterproof goggles away.
Before returning the receiver to the user, perform the
following safety checks:
1. Inspect all lead dress to make certain that leads are
not pinched or that hardware is not lodged between
the chassis and other metal parts in the receiver.
2. Replace all protective devices such as nonmetallic
control knobs, insulating fishpapers, cabinet backs,
adjustment and compartment covers or shields,
isolation resistor-capacitor networks, mechanical
insulators, etc.
3. To be sure that no shock hazard exists, a check for
the presence of leakage current should be made at
each exposed metal part having a return path to the
chassis (antenna, cabinet metal, screw heads,
knobs and/or shafts, escutcheon, etc.) in the
following manner.
Plug the AC line cord directly into a 120V AC receptacle.
(Do not use an Isolation Transformer during these
checks.) All checks must be repeated with the AC line
cord plug connection reversed. (If necessary, a
nonpolarized adapter plug must be used only for the
purpose of completing these checks.)
If available, measure current using an accurate leakage
current tester. Any reading of 0.35mA or more is
excessive and indicates a potential shock hazard which
must be corrected before returning the receiver to the
owner.
If a reliable leakage current tester is not available, this
alternate method of measurement should be used.
Using two clip leads, connect a 1500 ohm, 10 watt
resistor paralleled by a 0.15pF capacitor in series with
a known earth ground, such as a water pipe or conduit
and the metal part to be checked. Use a VTVM or
VOM with 1000 ohms per volt, or higher, sensitivity to
measure this AC voltage drop across the resistor. Any
reading of 0.35 volt RMS or more is excessive and
indicates a potential shock hazard which must be
corrected before returning the receiver to the owner.
TO KNOWN
EARTH GROUND
A1-1

ABOUT LEAD FREE SOLDER (PbF)
Distinction of PbF PCB:
PCBs (manufactured) using lead free solder will have a PbF printing on the PCB.
(Please refer to figures.)
Caution:
• Pb free solder has a higher melting point than standard solder;
Typically the melting point is 86°F~104°F(30°C~40°C) higher.
Please use a soldering iron with temperature control and adjust it to 650°F + 20°F (350°C + 10°C).
In case of using high temperature soldering iron, please be careful not to heat too long.
• Pb free solder wilt tend to splash when heated too high (about 1100°F/600°C).
• All products with the printed circuit board with PbF printing must be serviced with lead free solder.
When soldering or unsoldering, completely remove all of the solder from the pins or solder area,
and be sure to heat the soldering points with the lead free solder until it melts sufficiently.
Recommendations
Recommended lead free solder composition is Sn-3.0Ag-0.5Cu.
A1-2

CONTENTS
IMPORTANT SERVICE SAFETY INFORMATION .....................................................................................
ABOUT LEAD FREE SOLDER (PbF) ..........................................................................................................
CONTENTS ...................................................................................................................................................
GENERAL SPECIFICATIONS .....................................................................................................................
REMOVAL AND INSTALLATION OF FLAT PACKAGE IC ........................................................................
SERVICE MODE LIST ..................................................................................................................................
WHEN REPLACING EEPROM (MEMORY) IC ............................................................................................
CONFIRMATION OF INITIAL DATA ............................................................................................................
ELECTRICAL ADJUSTMENTS ....................................................................................................................
TROUBLESHOOTING GUIDE ...................................................................................................................
IC DESCRIPTIONS ......................................................................................................................................
SEMICONDUCTOR BASE CONNECTIONS .............................................................................................
BLOCK DIAGRAM
POWER ....................................................................................................................................................
POWER (DIGITAL PCB) .........................................................................................................................
SIGNAL ....................................................................................................................................................
PRINTED CIRCUIT BOARDS
DIGITAL ...................................................................................................................................................
POWER/OPERATION/REMOCON ........................................................................................................
POWER!OPERATION .............................................................................................................................
SCHEMATIC DIAGRAMS
FLASH ......................................................................................................................................................
DDR2 ........................................................................................................................................................
HDMI ........................................................................................................................................................
JACK ........................................................................................................................................................
JACK2 ......................................................................................................................................................
LVDS ........................................................................................................................................................
MICON .....................................................................................................................................................
SCALER POWER ....................................................................................................................................
SOUND ....................................................................................................................................................
TUNER .....................................................................................................................................................
SCALER VIDEO/AUDIO ..........................................................................................................................
AV SWITCH .............................................................................................................................................
REGULATOR 2 .......................................................................................................................................
TIMING CONTROLLER ..........................................................................................................................
TIMING CONTROLLER2 ........................................................................................................................
REGULATOR3 ........................................................................................................................................
POWER ....................................................................................................................................................
POWER2 ..................................................................................................................................................
REGULATOR ..........................................................................................................................................
INVERTER ...............................................................................................................................................
INVERTER2 .............................................................................................................................................
OPERATION/REMOCON .......................................................................................................................
INTERCONNECTION DIAGRAM .................................................................................................................
WAVEFORMS ...............................................................................................................................................
MECHANICAL EXPLODED VIEW ...............................................................................................................
MECHANICAL REPLACEMENT PARTS LIST ............................................................................................
ACCESSORY REPLACEMENT PARTS LIST .............................................................................................
ELECTRICAL REPLACEMENT PARTS LIST ...........................................................................................
A1-1
A1-2
A2-1
A3-1~A3-5
B-l, B-2
C-1
C-2
C-2
D-1 ~D-7
E-I~E-4
F-1 ~F-6
G-l, G-2
H-l, H-2
H-3, H-4
H-5, H-6
I-1~1-4
I-5, I-6
I-7,1-8
J-l, J-2
J-3, J-4
J-5, J-6
J-7, J-8
J-9, J-10
J-11, J-12
J-13 J-14
J-15 J-16
J-17 J-18
J-19 J-20
J-21 J-22
J-23 J-24
J-25 J-26
J-27 J-28
J-29 J-30
J-31 J-32
J-33 J-34
J-35 J-36
J-37 J-38
J-39 J-40
J-41 J-42
J-43 J-44
J-45 J-46
K-l, K-2
L1-1 ,L1-2
M1-1
M1-1
M2-1~M2-11
A2-1

GENERAL SPECIFICATIONS
G-1 TV LCD LCD Size /Visual Size 31.5 inch /800.4mmV
System LCD Type Color TFT LCD
Number of Pixels 1366(H) x 768(V)
View Range Left/Right 88/88 degree
Up/Down 88/88 degree
Bright Dot n<--2
Zero Bright Dot Ratio 70% above
Color System NTSC
Speaker 2 Speaker
Position Front
Size 2.2 x 5.0 inch
Impedance 8 ohm
Sound Output Max 5.0W + 5.0W
1O%(Typical) ---
G-2 Tuning Broadcasting System Analog US System M
System Digital ATSC(8VSB)/QAM
Tuner and System 1Tuner
Receive CH Destination US (W/CABLE)
CH Coverage 2-69, 4A, A-5-A-1, A-I, J-W, W+1-W+84
Intermediate Digital 44.00MHz
Frequency Analog Picture(FP) 45.75MHz
Sound(FS) 41.25MHz
FP-FS 4.50MHz
Preset CH No
Stereo/Dual TV Sound US-Stereo
Tuner Sound Muting Yes
G-3 Signal Video Signal Input Level 1 V p-p/75 ohm
Output Level --
SIN Ratio (Weighted) --
Horizontal Resolution at DVD Mode --
RGB Signal Output Level --
Audio Signal Input Level -8.0dBm/5Ok ohm
Output Level at DVD --
at TV 0-600mV/1 k ohm
Digital Output Level 0.5 V p-p/75 ohm
SIN Ratio at DVD (Weighted) --
Harmonic Distortion --
Frequency Response : at DVD --
at Video CD --
at SVCD --
at CD --
G-4 Power Power Source AC 120V, 60Hz
DC --
Power Consumption at AC 170W at 120V 60Hz
at DC --
Stand by (at AC) 1W at 120V 60Hz
Energy Star Yes
Per Year -- kWhtYear
Protector Power Fuse Yes
Safety Circuit Yes
IC Protector(Micro Fuse) Yes
G-5 Regulation Safety UL(UL6500_2nd)/cUL(CSA E60065)(From MAR O/R)
Radiation FCC/IC(From MAR O/R)
Laser --
G-6 Temperature Operation +5°C - +40°C
Storage -2O°C - +6O°C
G-7 Operating Humidity Less than 80% RH
G-8 Clock and Clock No
Timer Sleep Timer Max Time 120 Min
On Timer Program No
Off Timer Program No
Game Timer No
Wake Up Timer No
Timer Back-up (at Power Off Mode) more than -- Min Sec
G-9 Remote Unit RC-MJ
Control Glow in Dark Remocon No
Remocon Format ORLON
Format NEC
Custom Code 88-05 h
Power Source Voltage(D C) 3V
UM size x pcs UM-3 x 2 pcs
Total Keys 27 Keys
A3-1

GENERAL SPECIFICATIONS
Keys POWER
1
2
3
4
5
6
7
8
9
0
DISPLAY
PICTURE SIZE(SCREEN SIZE)
INPUT SELECT
RECALL(QUICK VIEW)
SLEEP
MUTE
MENU
ENTER
EXIT
CH+ /UP
CH- /DOWN
VOL+ /RIGHT
VOL- /LEFT
FAV +
FAV -
CCD(CLOSED CAPTION)
RESET
6-10 Features Auto Shut Off
Auto Search
Power On Memory
Comb Filter
Game Position
Auto Setup(Language/CH Program)
Picture Setting(TV)
Picture Preference
Brightness, Contrast, Color
Tint
Sharpness
Color Temperature
DNR
Cable Clear
Picture Setting(PC)
HOR Position, VER Position
Phase, Clock
Red, Green, Blue
Auto Adjust
Backlight
Audio MTS
Tone Control (Bass/TrebIe/Balance)
Stable Sound
Surround
BBE
SRS WOW (SRS 3D/Focus/Tru Bass)
Variable Audio Out
Tuning CH Program
Air/CabIe
ADD/DELETE
Label CH Label
Video Label
Favorite CH
V-Chip
Type
RRT Setup
Lock Hotel Lock
Channel Lock
Yes
Yes
Yes
Yes
Yes
Yes
Yes
Yes
Yes
Yes
Yes
Yes
Yes
Yes
Yes
Yes
Yes
Yes
Yes
Yes
Yes
Yes
Yes
Yes
Yes
No
No
Yes
Yes
Yes
No
Yes
Yes
3 -D
No
No
Yes
Yes
Yes
Yes
Yes
Yes
Yes
No
Yes
Yes
Yes
No
No
No
Yes
Yes
No
No
No
No
Yes
Yes
Yes
Yes
Yes
Yes
No
Yes
USA Type
Yes
No
No
A3 -2

GENERAL SPECIFICATIONS
Menu Language
Closed Caption
CC Advanced
Picture Size
Picture Scroll
Film Mode
Aspect
Backlight
PFC(Power Factor circuit)
Freeze frame
PIP/POP
Direct Input Selection
Digital Out
Video Lock
Panel Lock English
Yes
Yes
Yes
No
No
No
Yes
No
Yes
No
No
No
Yes
DoIby Digital Yes
MPEG No
PCM No
DTS No
PC Monitor Input Yes
VGA (640x480) Yes (60Hz)
VGA (720x400) Yes (70Hz)
WVGA (848x480) No
SVGA (800x600) Yes (60Hz)
XGA (1024x768) Yes (60Hz)
WXGA (1280x768) Yes (60Hz)
WXGA (1280x720) Yes (60Hz)
WXGA (1360x768) Yes (60Hz)
SXGA (1280x1024) No
HDMI Input Yes
VGA (640x480) Yes (60Hz)
720x480i (4:3) Yes (60Hz)
720x480i (16:9) Yes (60Hz)
720x480p (4:3) Yes (60Hz)
720x480p (16:9) Yes (60Hz)
720x576i (4:3) No
720x576i (16:9) No
720x576p (4:3) No
720x576p (16:9) No
1280x720p Yes (60Hz)
1920x 1080i Yes (60Hz)
Component Input Yes
720x480i (4:3) Yes (60Hz)
720x480i (16:9) Yes (60Hz)
720x480p (4:3) Yes (60Hz)
720x480p (16:9) Yes (60Hz)
720x576i (4:3) No
720x576i (16:9) No
720x576p (4:3) No
720x576p (16:9) No
1280x720p Yes (60Hz)
1920x 1080i Yes (60Hz)
Wall Mount Size W x H(mm) Yes (200 x 200)
Screw Size M6 x 10
6-11 Accessories Owner's Manual Language English/French(From MAR O/R)
w/Guarantee Card Yes
Remote Control Unit Yes
Rod Antenna No
Poles --
Terminal --
Loop Antenna No
Terminal --
U/V Mixer No
DC Car Cord (Center+) No
Guarantee Card No
Warning Sheet No
Circuit Diagram No
Antenna Change Plug No
Service Facility List No
Important Safeguard No
Dew/AHC Caution Sheet No
Quick Set-up Sheet No
A3 -3

GENERAL SPECIFICATIONS
Battery Yes
UM size x pcs UM-3 x 2 pcs
OEM Brand No
AC Adapter No
AC Cord (for AC Adapter) No
AC Cord Yes
AV Cord (2Pin-1 Pin) No
Registration Card (NDL Card) No
300 to 75ohm Antenna Adapter No
Cable Clamp Yes
Sheet Information (Return) Yes
Sheet Information (HDMI) No
6-12 Interface Switch Top Power (Tact) Yes
Channel Up/Menu Up Yes
Channel Down/Menu Down Yes
Volume Up/Menu > Yes
Volume Down/Menu < Yes
Menu Yes
Play No
Eject No
Skip+, Search+ No
Skip-, Search- No
StilltPause No
Stop No
Main Power SW No
Input Select/Enter Yes
Rear Main Power SW No
Indicator Power/Stand-By Yes (Green /Red)
Power Wake Up No
On Timer No
Terminals Rear Video Input 1 RCA x 1
Audio Input 1 RCA x 2(L/MONO, R)
S - Input 1 Yes
Digital Audio Output Coaxial
VHF/UHF Antenna Input F Type
AC Inlet Yes
Side Video Input 2 RCA x 1
Audio Input 2 RCA x 2(L/MONO, R)
S - Input 2 No
Video Output No
Audio Output RCA x 2 (Variable) (L, R)
Component Input 1 RCA x 3
Analog Audio Video Input 2 Audio Input Alternative
Component Input 2 No
Analog Audio No
HDMI Input 1 HDMI x 1
Analog Audio Mini Jack
HDMI Input 2 HDMI x 1
Analog Audio No
Sub Woofer Out No
PC Monitor Input Yes
Analog Audio HDMI 1 Audio Input Alternative
DC Jack (Center +) No
Video Input 3 No
Audio Input 3 No
S - Input 3 No
Other Terminal No
6-13 Set Size Approx. W x D x H (mm) 822 x 282.5 x 604
w/o Handle,Stand Approx. W x D x H (mm) 822 x 116 x 556.5
6-14 Weight Net (Approx.) 14.1kg (31.1 Ibs)
Net w/o Handle, Stand (Approx.) 12.8kg (28.2 Ibs)
Gross (Approx.) 17.3kg (38.1 Ibs)
A3 -4

GENERAL SPECIFICATIONS
G-15 CaNon Master Carton
Content
Material
Dimensions W x D x H(mm)
Description of Origin
Gift Box Material
W/Color Photo Label
W/Handle
Dimensions W x D x H(mm)
Description of Origin
Drop Test
Height (cm)
Container Stuffing (40' container)
w/Pallet
w/Wrapping
G-16 Material Cabinet Front
Rear
Jack Panel
PCB Non-Halogen Demand
Eyelet Demand
G-17 Environment Environmental standard requirement
Pb-free
Measures for Whisker
No
--- Sets
/
Double/White
No
No
917 x 340 x 720
Yes
1 Corner /3 Edges /6 Surfaces
62
261 Sets/40' container
No
No
PS 94V0 DECABROM
PS 94V0 DECABROM
No
Yes
Green procurement of ORLON
Phase3(Phase3A)
Yes
A3 -5

DISASSEMBLY iNSTRUCTiONS
1. REMOVAL AND iNSTALLATiON OF
FLAT PACKAGE IC
REMOVAL
1. Put Masking Tape (cotton tape) around the Flat Package
IC to protect other parts from any damage.
(Refer to Fig. 1-1.)
NOTE
Masking is carried out on all the parts located within
10 mm distance from IC leads.
Masking Tape IC
(Cotton Tape)
Fig. 1-1
2. Heat the IC leads using a blower type IC desoldering
machine. (Refer to Fig. 1-2.)
NOTE
Do not rotate or move the IC back and forth until IC
can move back and forth easily after desotdering the
leads completely.
3. When IC starts moving back and forth easily after
desoldering completely, pickup the corner of the IC using
tweezers and remove the IC by moving with the IC
desoldering machine. (Refer to Fig. 1-3.)
NOTE
Some ICs on the PCB are affixed with glue, so be
careful not to break or damage the foil of each IC
leads or solder lands under the IC when removing it.
Blower type IC
desoldering
machine
Tweezers
Fig. 1-3
4. Peel off the Masking Tape.
5. Absorb the solder left on the pattern using the Braided
Shield Wire. (Refer to Fig. 1-4.)
NOTE
Blower type IC
desoldering machine
Fig. 1-2
Do not move the Braided Shield Wire in the vertical
direction towards the IC pattern.
Braided Shield Wire
\
×
IC pattern
Soldering Iron
Fig. 1-4
B-I

DISASSEMBLY iNSTRUCTiONS
INSTALLATION
1. Take care of the polarity of new IC and then install the
new IC fitting on the printed circuit pattern. Then solder
each lead on the diagonal positions of IC temporarily.
(Refer to Fig. 1-5.)
X Soldering Iron
Solder temporariIy Solder temporarily
Fig. 1-5
2. Supply the solder from the upper position of IC leads
sliding to the lower position of the IC leads.
(Refer to Fig. 1-6.)
Solde ing Iron
IC Supply soldering
from upper position
to lower position
Fig. 1-6
4. When bridge-soldering between terminals and/or the
soldering amount are not enough, resolder using a Thin-
tip Soldering Iron. (Refer to Fig. 1-8.)
Thin-tip Soldering Iron IC
Fig. 1-8
5. Finally, confirm the soldering status on four sides of the
IC using a magnifying glass.
Confirm that no abnormality is found on the soldering
position and installation position of the parts around the
IC. If some abnormality is found, correct by resoldering.
NOTE
When the IC leads are bent during soldering and/or
repairing, do not repair the bending of leads. If the
bending of leads are repaired, the pattern may be
damaged. So, always be sure to replace the IC in this
case.
3. Absorb the solder left on the lead using the Braided
Shield Wire. (Refer to Fig. 1-7.)
NOTE
Do not absorb the solder to excess.
Soldering Iron
IC
Braided Shield Wire
Fig. 1-7
B-2

SERVICE MODE LIST
This unit is provided with the following SERVICE MODES so you can repair, examine and adjust easily.
To enter to the SERVICE MODE function, press and hold both buttons simultaneously on the main unit and on the remote
control for more than a the standard time in the appropriate condition. (See below chart.)
Set
Condition
Power ON
Power ON
Power ON
Power ON
Power ON
Set Key
VOL. DOWN
(Minimum)
VOL. DOWN
(Minimum)
VOL. DOWN
(Minimum)
VOL. DOWN
(Minimum)
VOL. DOWN
(Minimum)
IRemocon
IKey
I0
I
I
I1
I
I
I6
I
I
I8
I
I
I9
I
Standard
Time
2 sec.
2 sec.
2 sec.
2 sec.
2 sec.
Operations
Releasing of V-CHIP PASSWORD.
Initialization of factory TV data.
NOTE: If you set factory initialization, the memories are reset
such as the channel setting, and the POWER ON total
hours.
Can be checked of the INITIAL DATA of MEMORY IC.
Refer to the "WHEN REPLACING EEPROM (MEMORY) IC".
Check of the SUM DATA and MICON VERSION on the screen.
Refer to the "WHEN REPLACING EEPROM (MEMORY) IC".
Display of the Adjustment MENU on the screen.
Refer to the "ELECTRICAL ADJUSTMENT"
(On-Screen Display Adjustment).
C-1

WHEN REPLACING EEPROM (MEMORY)IC
CONFIRMATION OF CHECK SUM, POWER ON TOTAL HOURS AND MICON VERSION
Initial total of MEMORY IC, POWER ON total hours and MICON VERSION can be checked on the screen. Total hours are
displayed in 16 system of notation.
NOTE: If you set afactory initialization, the total hours is reset to "0".
Please refer to "CONFIRMATION OF INITIAL DATA" when SUM DATA is not corresponding.
1. Turn on the POWER, and set to the TV mode.
2. Set the VOLUME to minimum.
3. Press both VOL. DOWN button on the set and Channel button (8) on the remote control for more than 2 seconds.
4. After the confirmation of each check sum, turn off the power.
NOTE: The each item value might be different according to each set.
Sub Micon check version
Main Micon check version
EEPROM check version
Parameter
CHECK SUM: 39AD
LCDPWRON: 0000
SUB: DAOE782141
DTV: CAOFE82261
EEPROM: W35D011M00
Picture: _dispSmartPic
Initial setting data check sum.
POWER ON total hours.
= (16 x 16 x 16 x thousands digit value)
+ (16 x 16 x hundreds digit value)
+ (16 x tens digit value)
+ (ones digit value)
FIG. 1
CONFIRMATION OF INITIAL DATA
If a service repair is undertaken where it has been required to change the MEMORY IC, the following steps should be
taken to ensure correct data settings while making reference to INITIAL SETTING TABLE (Attached "INITIAL DATA").
1,
2.
3.
Turn on the POWER, and set to the TV mode.
Set the VOLUME to minimum.
Press both VOL. DOWN button on the set and Channel button (6) on the remote control for more than 2 seconds.
ADDRESS and DATA should appear as FIG 2.
ADDRESS DATA
INIT : 0001 0090
SUB: DAOE782141
DTV: CAOFE82261
EEPROM: W35D011M00
FIG. 2
4. ADDRESS is now selected and should "blink". Using the UP/DOWN buton on the remote, step through the ADDRESS
until required ADDRESS to be changed is reached.
5. Press LEFT/RIGHT button to select DATA. When DATA is selected, it will "blink".
6. Again, step through the DATA using UP/DOWN button until required DATA value has been selected.
7. Pressing LEFT/RIGHT button wilt take you back to ADDRESS for further selection if necessary.
8. Repeat steps 4 to 6 until all data has been checked.
9. When satisfied correct DATA has been entered, turn POWER off (return to STANDBY MODE) to finish DATA input.
After the data input, set to the initializing of shipping.
10. Turn on the POWER, and set to the TV mode.
11. Press both VOL. DOWN button on the set and Channel button (1) on the remote control for more than 2 seconds.
12. After the finishing of the initializing of shipping, the unit will turn off automatically.
The unit will now have the correct DATA for the new MEMORY IC.
C-2

ELECTRICAL ADJ USTM ENTS
1. ADJUSTMENT PROCEDURE
Read and perform these adjustments when repairing the
circuits or replacing electrical parts or PCB assemblies.
CAUTION
•Use an isolation transformer when performing any
service on this chassis.
•When removing a PCB or related component, after
unfastening or changing a wire, be sure to put the wire
back in its original position.
• When you exchange IC and Transistor with a heat sink,
apply silicon grease (YG6260M) on the contact section
of the heat sink. Before applying new silicon grease,
remove all the old silicon grease. (Old grease may
cause damages to the IC and Transistor).
Prepare the following measurement tools for electrical
adjustments.
1. Pattern Generator
On-Screen Display Adjustment
1. Set the VOLUME to minimum.
2. Press the VOL. DOWN button on the set and the
channel button (9) on the remote control for more than
2 seconds to display adjustment mode on the screen as
shown in Fig. 1-1.
TV
Full
480i
03 R DRIVE(N) 8
Fig. 1-1
3. Use the CH. UP/DOWN button or Channel button (0-9)
on the remote control to select the options shown in
Fig. 1-2
4. Press the MENU button on the remote control to end the
adjustments.
5. To display the adjustment screen for TV, AV, COMPONENT
HDMI and PC mode, press the INPUT SELECT button on
the remote control to set to the TV, AV, COMPONENT
HDMI and PC mode.
6. Receive the DIGITAL broadcasting.
7. To display the adjustment screen for DTV mode,
select the digital channel.
8. Press the VOL.DOWN button on the set and the channel
(9) on the remote control for more than 2 seconds.
NO. FUNCTION NO. FUNCTION
03. R DRIVE(N) 31 BAK LIGHT MIN
04 R CUTOFF(N) 32 BRIGHTNESS CENT
05 G DRIVE(N) 33 BRIGHTNESS MAX
06 G CUTOFF(N) 34 BRIGHTNESS MIN
07 B DRIVE(N) 35 TINT
08 B CUTOFF(N) 36 SHARP H1 MAX
09. R DRIVE(C) 37 SHARP H1 MIN
10 R CUTOFF(C) 38 SHARP H2 MAX
11 G DRIVE(C) 39 SHARP H2 MIN
12 G CUTOFF(C) 40 SHARPV1 MAX
13 B DRIVE(C) 41 SHARP V1 MIN
14 B CUTOFF(C) 42 CONTRAST CENTER
15. R DRIVE(W) 43 CONTRAST MAX
16 R CUTOFF(W) 44 CONTRAST MIN
17 G DRIVE(W) 45 COLOR CENTER
18 G CUTOFF(W) 46 COLOR MAX
19 B DRIVE(W) 47 COLOR MIN
20 B CUTOFF(W) 50 CONTRAST 40
29 BAK LIGHT CENT 51 INVERSION
30 BAK LIGHT MAX 52 BRIGHT
53 CONTRAST
Fig. 1-2
2. BASIC ADJUSTMENTS
2-1: WHITE BALANCE
1. Place the set in Aging Test for more than 15 minutes.
2. Receive the gray scale pattern from the Pattern
Generator.
3. Using the remote control, set the brightness and contrast
to normal position.
4. Activate the adjustment mode display of Fig. 1-1 and
press the channel button (03) on the remote control to
select "R DRIVE(N)".
5. Press the CH. UP/DOWN button on the remote control
to select the "R DRIVE(N)", "R CUTOFF(N)", "B
DRIVE(N)", "B CUTOFF(N)", "R DRIVE(C)", "R
CUTOFF(C)", "B DRIVE(C)", "B CUTOFF(C)", "R
DRIVE(W)","R CUTOFF(W), "B DRIVE(W)" or "B
CUTOFF(W)".
6. Adjust the VOL. UP/DOWN button on the remote control
to whiten the "R DRIVE(N)", "R CUTOFF(N)", "B
DRIVE(N)", "B CUTOFF(N)", "R DRIVE(C)", "R
CUTOFF(C)", "B DRIVE(C)", "B CUTOFF(C)", "R
DRIVE(W)","R CUTOFF(W), "B DRIVE(W)" and "B
CUTOFF(W)". at each step tone sections equally.
7. Perform the above adjustments 5 and 6 until the white
color is achieved.
D-1

ELECTRICAL ADJ USTM ENTS
2-2: BRIGHT CENT
1. Receive the monoscope pattern. (RF Input)
2. Using the remote control, set the brightness and contrast
to normal position.
3. Activate the adjustment mode display of Fig. 1-1 and
press the channel button (32) on the remote control to
select "BRIGHTNESS CENT"
4. Press the VOL. UP/DOWN button on the remote control
until the contrast step No. becomes "111".
5. Check if the picture is normal.
6. Receive the monoscope pattern. (VIDEO Input)
7. Press the INPUT SELECT button on the remote control
to set to the AV mode.
8. Using the remote control, set the brightness and contrast
to normal position.
9. Activate the adjustment mode display of Fig. 1-1 and
press the channel button (32) on the remote control to
select "BRIGHTNESS CENT"
10. Press the VOL. UP/DOWN button on the remote control
until the contrast step No. becomes "120".
11. Check if the picture is normal.
12. Receive the monoscope pattern. (S-VIDEO Input)
13. Press the INPUT SELECT button on the remote control
to set to the AV(S) mode.
14. Using the remote control, set the brightness and contrast
to normal position.
15. Activate the adjustment mode display of Fig. 1-1 and
press the channel button (32) on the remote control to
select "BRIGHTNESS CENT"
16. Press the VOL. UP/DOWN button on the remote control
until the contrast step No. becomes "124".
17. Check if the picture is normal.
18. Playback the DVD(480i)disc. (COMPONENT Input)
19. Press the INPUT SELECT button on the remote control
to set to the COMPONENT mode.
20. Using the remote control, set the brightness and contrast
to normal position.
21. Activate the adjustment mode display of Fig. 1-1 and
press the channel button (32) on the remote control to
select "BRIGHTNESS CENT"
22. Press the VOL. UP/DOWN button on the remote control
until the contrast step No. becomes "121".
23. Check if the picture is normal.
24. Playback the DVD(480p) disc. (COMPONENT Input)
25. Press the INPUT SELECT button on the remote control
to set to the COMPONENT mode.
26. Using the remote control, set the brightness and contrast
to normal position.
27. Activate the adjustment mode display of Fig. 1-1 and
press the channel button (32) on the remote control to
select "BRIGHTNESS CENT"
28. Press the VOL. UP/DOWN button on the remote control
until the contrast step No. becomes "134".
29. Check if the picture is normal.
30. Playback the DVD(720p) disc. (COMPONENT Input)
31. Press the INPUT SELECT button on the remote control
to set to the COMPONENT mode.
32. Using the remote control, set the brightness and contrast
to normal position.
33. Activate the adjustment mode display of Fig. 1-1 and
press the channel button (32) on the remote control to
select "BRIGHTNESS CENT"
34. Press the VOL. UP/DOWN button on the remote control
until the contrast step No. becomes "131"
35. Check if the picture is normal.
36. Playback the DVD(1080i) disc. (COMPONENT Input)
37. Press the INPUT SELECT button on the remote control to
set to the COMPONENT mode. Then perform the above
adjustments 32~35.
38. Playback the DVD(480i) disc. (HDMI Input)
39. Press the INPUT SELECT button on the remote control to
set to the HDMI mode.
40. Using the remote control, set the brightness and contrast
to normal position.
41. Activate the adjustment mode display of Fig. 1-1 and
press the channel button (32) on the remote control to
select "BRIGHTNESS CENT".
42. Press the VOL. UP/DOWN button on the remote control
until the contrast step No. becomes "124".
43. Check if the picture is normal.
2-3: CONTRAST MAX
1. Receive the color bar pattern. (RF Input)
2. Using the remote control, set the brightness and
contrast to normal position.
3. Activate the adjustment mode display of Fig. 1-1 and
press the channel button (43) on the remote control to
select "CONTRAST MAX".
4. Press the VOL. UP/DOWN button on the remote control
until the contrast step No. becomes "147".
5. Check if the picture is normal.
6. Receive the color bar pattern. (VIDEO Input)
7. Press the INPUT SELECT button on the remote control
to set to the AV mode.
8. Using the remote control, set the brightness and
contrast to normal position.
9. Activate the adjustment mode display of Fig. 1-1 and
press the channel button (43) on the remote control to
select "CONTRAST MAX".
10. Press the VOL. UP/DOWN button on the remote control
until the contrast step No. becomes "152".
11. Check if the picture is normal.
12. Receive the color bar pattern. (S-VIDEO Input)
13. Press the INPUT SELECT button on the remote control
to set to the AV(S) mode.
14. Using the remote control, set the brightness and
contrast to normal position.
15. Activate the adjustment mode display of Fig. 1-1 and
press the channel button (43) on the remote control to
select "CONTRAST MAX".
16. Press the VOL. UP/DOWN button on the remote control
until the contrast step No. becomes "162".
17. Check if the picture is normal.
18. Playback the DVD(480i) disc. (COMPONENT Input)
19. Press the INPUT SELECT button on the remote control
to set to the COMPONENT mode.
20. Using the remote control, set the brightness and
contrast to normal position.
21. Activate the adjustment mode display of Fig. 1-1 and
press the channel button (43) on the remote control to
select "CONTRAST MAX".
22. Press the VOL. UP/DOWN button on the remote control
until the contrast step No. becomes "131".
23. Check if the picture is normal.
D-2

ELECTRICAL ADJ USTM ENTS
24. Playback the DVD(480i) disc. (HDMI Input)
25. Press the INPUT SELECT button on the remote control to
set to the HDMI mode.
26. Using the remote control, set the brightness and contrast
to normal position.
27. Activate the adjustment mode display of Fig. 1-1 and
press the channel button (43) on the remote control to
select "CONTRAST MAX".
28. Press the VOL. UP/DOWN button on the remote control
until the contrast step No. becomes "135".
29. Check if the picture is normal.
2-4: CONTRAST CENTER
1. Receive the color bar pattern. (RF Input)
2. Using the remote control, set the brightness and
contrast to normal position.
3. Activate the adjustment mode display of Fig. 1-1 and
press the channel button (42) on the remote control to
select "CONTRAST CENTER".
4. Press the VOL. UP/DOWN button on the remote control
until the contrast step No. becomes "98".
5. Check if the picture is normal.
6. Receive the color bar pattern. (VIDEO Input)
7. Press the INPUT SELECT button on the remote control
to set to the AV mode.
8. Using the remote control, set the brightness and
contrast to normal position.
9. Activate the adjustment mode display of Fig. 1-1 and
press the channel button (42) on the remote control to
select "CONTRAST CENTER".
10. Press the VOL. UP/DOWN button on the remote control
until the contrast step No. becomes "102".
11. Check if the picture is normal.
12. Receive the color bar pattern. (S-VIDEO Input)
13. Press the INPUT SELECT button on the remote control
to set to the AV(S) mode.
14. Using the remote control, set the brightness and
contrast to normal position.
15. Activate the adjustment mode display of Fig. 1-1 and
press the channel button (42) on the remote control to
select "CONTRAST CENTER".
16. Press the VOL. UP/DOWN button on the remote control
until the contrast step No. becomes "109".
17. Check if the picture is normal.
18. Playback the DVD(480i) disc. (COMPONENT Input)
19. Press the INPUT SELECT button on the remote control
to set to the COMPONENT mode.
20. Using the remote control, set the brightness and
contrast to normal position.
21. Activate the adjustment mode display of Fig. 1-1 and
press the channel button (42) on the remote control to
select "CONTRAST CENTER".
22. Press the VOL. UP/DOWN button on the remote control
until the contrast step No. becomes "88".
23. Check if the picture is normal.
24. Playback the DVD(480i) disc. (HDMI Input)
25. Press the INPUT SELECT button on the remote control
to set to the HDMI mode.
26. Using the remote control, set the brightness and contrast
to normal position.
27. Activate the adjustment mode display of Fig. 1-1 and
press the channel button (42) on the remote control to
select "CONTRAST CENTER".
28.
29.
2-5:
1.
2.
3.
Press the VOL. UP/DOWN button on the remote control
until the contrast step No. becomes "90".
Check if the picture is normal.
CONTRAST 40
Receive the color bar pattern. (RF Input)
Using the remote control, set the brightness and
contrast to normal position.
Activate the adjustment mode display of Fig. 1-1 and
press the channel button (50) on the remote control to
select "CONTRAST 40".
4. Press the VOL. UP/DOWN button on the remote control
until the contrast step No. becomes "128".
5. Check if the picture is normal.
6. Receive the color bar pattern. (VIDEO Input)
7. Press the INPUT SELECT button on the remote control
to set to the AV mode.
8. Using the remote control, set the brightness and
contrast to normal position.
9. Activate the adjustment mode display of Fig. 1-1 and
press the channel button (50) on the remote control to
select "CONTRAST 40".
10. Press the VOL. UP/DOWN button on the remote control
until the contrast step No. becomes "132".
11. Check if the picture is normal.
12. Receive the color bar pattern. (S-VIDEO Input)
13. Press the INPUT SELECT button on the remote control
to set to the AV(S) mode.
14. Using the remote control, set the brightness and
contrast to normal position.
15. Activate the adjustment mode display of Fig. 1-1 and
press the channel button (50) on the remote control to
select "CONTRAST 40".
16. Press the VOL. UP/DOWN button on the remote control
until the contrast step No. becomes "142".
17. Check if the picture is normal.
18. Playback the DVD(480i) disc. (COMPONENT Input)
19. Press the INPUT SELECT button on the remote control
to set to the COMPONENT mode.
20. Using the remote control, set the brightness and
contrast to normal position.
21. Activate the adjustment mode display of Fig. 1-1 and
press the channel button (50) on the remote control to
select "CONTRAST 40".
22. Press the VOL. UP/DOWN button on the remote control
until the contrast step No. becomes "122".
23. Check if the picture is normal.
24. Playback the DVD(480i) disc. (HDMI Input)
25. Press the INPUT SELECT button on the remote control
to set to the HDMI mode.
26. Using the remote control, set the brightness and contrast
to normal position.
27. Activate the adjustment mode display of Fig. 1-1 and
press the channel button (50) on the remote control to
select "CONTRAST 40".
28. Press the VOL. UP/DOWN button on the remote control
until the contrast step No. becomes "120".
29. Check if the picture is normal.
D-3

ELECTRICAL ADJ USTM ENTS
2-6: FLICKER
WARNING!
If you perform this adjustment with a metallic tool, you will
destroy the DIGITAL PCB plus the LCD panel.
To prevent this disastrous damage, you must use a non-
metallic tool to perform the Flicker adjustment.
NOTE: The following adjustment is necessary for changing
the DIGITAL PCB and Panel module.
1. Activate the adjustment mode display of Fig. 1-2 and
press the CH. UP/DOWN button to select
"38 Flicker Pattern". (Refer to Fig. 2-1)
2. Check if the screen is flashing.
3. Turn Variable Resistor, and adjust it not appear
FLICKER (FLASHING). (Refer to Fig. 2-2)
Fig. 2-1
Variable Resistor
Fig. 2-2
D-4

ELECTRICAL ADJUSTMENTS
2-7: Confirmation of Fixed Value (Step No,)
Please check if the fixed values of each of the adjustment item is set correctly referring below (TVIAVICOMPONENTINDMItPCIDIGITAL TUNER)
AV COMPONENT
NO. FUNCTION TV
CVBS Y/C 480i 480p 720p 108Oi
Step No. Step No. Step No Step No. Step No. Step No. Step No.
3 R.DRWE (N) "10 "10 "10 *9 "10 "10 "10
4 R CUTOFF (N) *0 *2 *0 *0 *0 *0 *0
5 G DRIVE (N) O O O O O O O
6 G CUTOFF (N) O O O O O O O
7 B DRWE (N) *8 "12 *9 "10 "10 "10 "10
8 B CUTOFF (N) *0*-3 *-2 *-3 *-3 *-2 *-2
9 R.DRWE (C) *3 *2 *2 *2 *2 *2 *2
10 R CUTOFF (C) *0 *2 *0 *0 *0 *0 *0
11 G DRIVE (C) O O O O O O O
12 G CUTOFF (C) O O O O O O O
13 B DRWE (C) "13 "16 "13 "13 "13 "13 "13
14 B CUTOFF (C) *-1 *-4 *-2 *-2 *-3 *-3 *-3
15 R. DRWE (W) "21 "17 *20 *20 *20 *20 *20
16 R CUTOFF (W) *0 *3 *0 *0 *0 *0 *0
17 G DRIVE (W) O O O O O O O
18 G CUTOFF (W) O O O O O O O
19 B DRIVE (W) *-1 * 2 * -1 * -1 * -1 * -1 * -1
20 B CUTOFF (W) * -3 * -5 * -4 * -4 * -4 * -4 * -4
21 H POSI CENTER x x x x x x x
22 H POSI MAX x x x x x x x
23 H POSI MIN x x x x x x x
24 V POSI CENTER x x x x x x x
25 V POSI MAX x x x x x x x
26 V POSI MIN x x x x x x x
27 H POS{ 50 x x x x x x x
28 V POSI 50 x x x x x x x
29 BAK LIGHT CENT 75 75 75 75 75 75 75
30 BAK LIGHT MAX 93 93 93 93 93 93 93
31 BAK LIGHT MIN 50 50 50 50 50 50 50
32 BRIGHT CENT 111 120 124 121 134 131 131
33 BRIGHT MAX 200 200 200 200 200 200 200
34 BRIGHT MIN 60 60 60 60 60 60 60
35 TINT 137 125 122 125 125 126 125
36 SHARP H1 MAX 511 511 511 511 511 511 511
37 SHARP H1 MIN 0 0 0 0 0 0 0
38 SHARP H2 MAX 511 511 511 511 511 511 511
39 SHARP H2 MIN 0 0 0 0 0 0 0
40 SHARP V1 MAX 511 511 511 511 511 511 511
41 SHARP V1 MIN 0 0 0 0 0 0 0
42 CONTRAST CENTER * 98 * 102 * 109 * 88 * 88 * 88 * 88
43 CONTRAST MAX * 147 * 152 * 162 * 131 * 130 * 131 * 132
44 CONTRAST MIN 60 60 60 60 60 60 60
45 COLOR CENT 125 147 122 125 125 138 138
46 COLOR MAX 255 255 255 255 255 255 255
47 COLOR MIN 0 0 0 0 0 0 0
48 H.POZl TEXT x x x x x x
49 VPOZl TEXT x x x x x x
50 CONT 40 "128 "132 "142 "122 "113 "124 "115
51 INVERSION x x x x x x
52 BRIGHT (NTSC) x x x x x x
BRIGHT (PAL) x x x x x x x
BRIGHT SECAM) x x x x x x x
53 CONTRAST (NTSC) x x x x x x x
CONTRAST (PAL) x x x x x x x
CONTRAST (SECAM) x x x x x x x
NOTE: For the step no. with * mark. please adjust it according to the situation of the set
480i
Step No.
"10
*0
O
O
"10
*-2
*2
*-1
O
O
"13
*-3
"19
*0
O
O
*-1
*-4
x
x
x
x
x
x
x
x
75
93
50
124
200
60
122
511
O
511
O
511
O
* 90
* 135
60
153
255
O
x
x
* 120
x
x
x
x
x
x
x
480p
Step No.
"10
*0
O
O
"10
*-2
*2
*-1
O
O
"13
*-3
"19
*0
O
O
*-1
*-4
x
x
x
x
x
x
x
x
75
93
50
134
200
60
122
511
O
511
O
511
O
* 90
*134
60
153
255
O
x
x
* 119
x
x
x
x
x
x
x
HDMI
720p
Step No.
"10
*0
O
O
"10
*-2
*2
*-1
O
O
"13
*-3
"19
"1
O
O
*-1
*-4
x
x
x
x
x
x
x
x
75
93
50
134
200
60
122
511
O
511
O
511
O
*96
*143
60
153
255
O
x
x
* 127
x
x
x
x
x
x
x
PC DIGITAL TUNER
480p 720p 1080i
Step No. Step No. Step No.
*9 *9 *9
*0 *0 *0
OOO
OOO
*9 *9 *9
* -2 * -2 * -2
*2 *2 *2
* -1 * -1 * -1
OOO
OOO
"14 "14 "14
*-3 *-3 *-3
"19 "19 "19
*0 *0 *0
OOO
OOO
* -3 * -3 * -3
* -3 * -3 * -3
xxx
xxx
xxx
xxx
xxx
xxx
xxx
xxx
75 75 75
93 93 93
50 50 50
127 127 127
200 200 200
60 60 60
137 137 137
511 511 511
OOO
511 511 511
OOO
511 511 511
OOO
* 94 * 94 * 94
"142 "142 "142
60 60 60
128 128 128
255 255 255
OOO
xxx
xxx
"125 "125 "125
xxx
xxx
xxx
xxx
xxx
xxx
xxx
1080i VGA 640*480 720*400 800*600 1024"768 1280"768 1280"720 1360"768 480i
Step No. Step No. Step No Step No Step No Step No. Step No. Step No. Step No. Step No.
*9 "10 *0 *0 *0 *0 *0 *0 *0 *9
* 0 * 0 * 0 *0 *0 *0 *0 *0 *0 * 0
O O O O O O O O O O
O O O O O O O O O O
*9 "10 *0 *0 *0 *0 *0 *0 *0 *9
* -2 * -2 * 0 *0 *0 *0 *0 *0 *0 * -2
* 2 * 2 * 0 *0 *0 *0 *0 *0 *0 * 2
* -1 * -1 * 0 *0 *0 *0 *0 *0 *0 * -1
O O O O O O O O O O
O O O O O O O O O O
"14 "14 *0 *0 *0 *0 *0 *0 *0 "14
*-3 *-3 * 0 *0 *0 *0 *0 *0 *0 *-3
"19 "19 *0 *0 *0 *0 *0 *0 *0 "19
* 0 * 0 * 0 *0 *0 *0 *0 *0 *0 * 0
O O O O O O O O O O
O O O O O O O O O O
* -3 * -1 * 0 *0 *0 *0 *0 *0 *0 * -3
* -3 * -4 * 0 *0 *0 *0 *0 *0 *0 * -3
x x x x x x x x x x
x x x x x x x x x x
x x x x x x x x x x
x x x x x x x x x x
x x x x x x x x x x
x x x x x x x x x x
x x x x x x x x x x
x x x x x x x x x x
75 75 75 75 75 75 75 75 75 75
93 93 93 93 93 93 93 93 93 93
50 50 50 50 50 50 50 50 50 50
134 133 127 127 127 127 127 127 127 127
200 200 140 140 140 140 140 140 140 200
60 60 110 110 110 110 110 110 110 60
122 125 128 128 128 128 128 128 128 137
511 511 511 511 511 511 511 511 511 511
O O O O O O O O O O
511 511 511 511 511 511 511 511 511 511
O O O O O O O O O O
511 511 511 511 511 511 511 511 511 511
O O O O O O O O O O
* 96 * 83 * 88 *88 *88 *88 *88 *88 *88 * 94
"142 "124 "128 "128 "128 "128 "128 "128 "128 "142
60 60 60 60 60 60 60 60 60 60
153 153 128 128 128 128 128 128 128 128
255 255 255 255 255 255 255 255 255 255
O O O O O O O O O O
x x x x x x x x x x
x x x x x x x x x x
"125 "108 "114 "114 "114 "114 "114 "114 "114 "125
x x x x x x x x x x
x x x x x x x x x x
x x x x x x x x x x
x x x x x x x x x x
x x x x x x x x x x
x x x x x x x x x x
x x x x x x x x x x
D-5 D-6

ELECTRICAL ADJ USTM ENTS
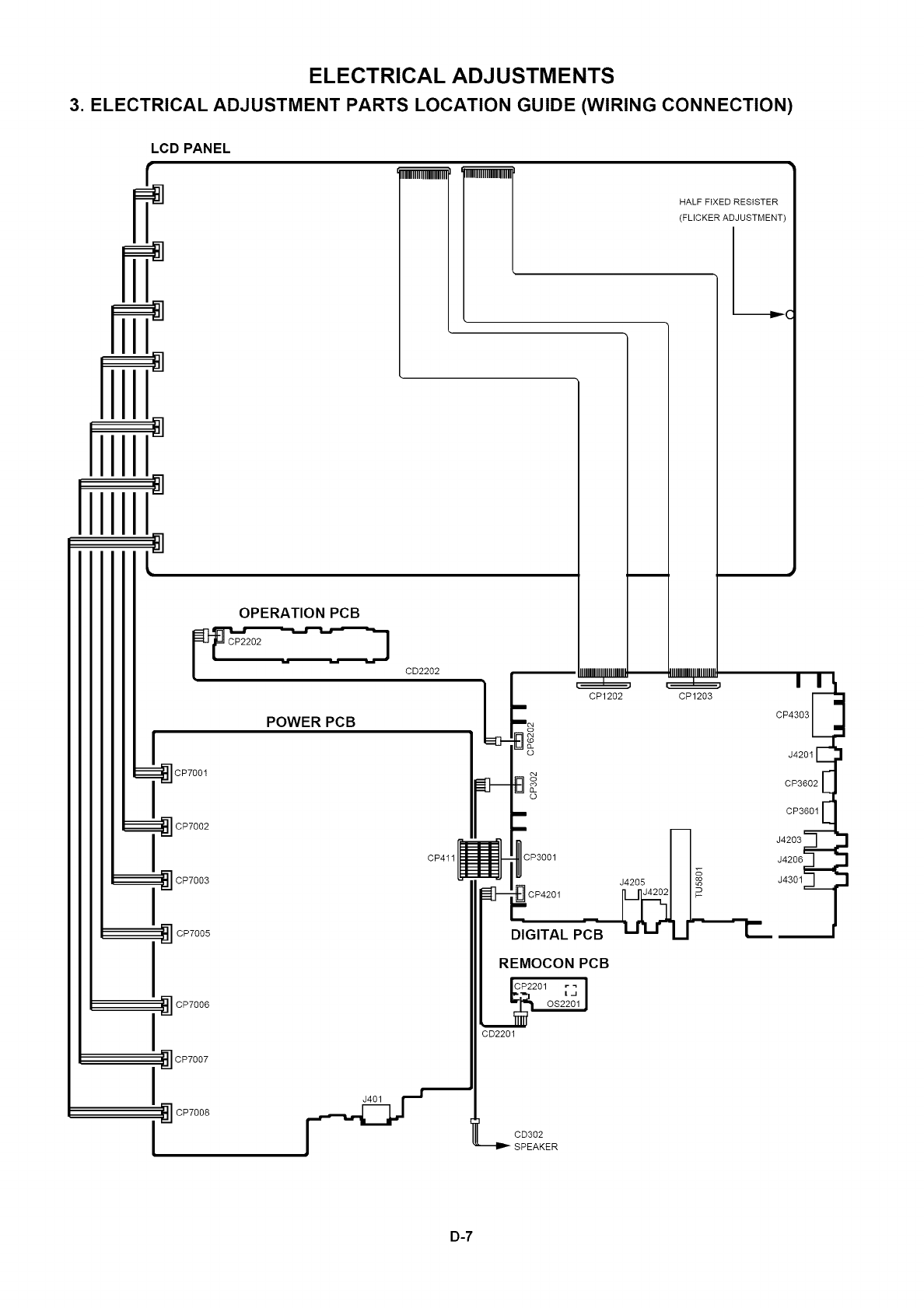
3. ELECTRICAL ADJUSTMENT PARTS LOCATION GUIDE (WIRING CONNECTION)
LCD PANEL
[':
IIIIIIIIIIIIIIIIIIIIII
IIIMIIIIIIIMIIIIII
OPERATION PCB
°°2202 __
CP1202 CP1203
POWER PCB
HALF FIXED RESISTER
(FLICKER ADJUSTMENT)
CP4303
CP7001
J4201
CP3602
I
I
I
I
CP7002
CP7003
CP7005
-1CP7006
_-]CP7007
CP7008
CP411
DIGITAL PCB
REMOCON PCB
LCP2201 [3 I
CD2201
CD302
"_SPEAKER
J4205 S
2
D-7

TROUBLESHOOTING GUIDE
(LCD SECTION)
I
POWER DOES NOT TURN ON I
Yes
No
No
Yes
No
ls there voltage at pin 10
of IC401 about 19V?
Change DIGITAL PCB.
_I Change F401.
I Check IC402 and peripheral
circuit.
Change R412.
circuit.CheckIC401 and peripheral
E-1

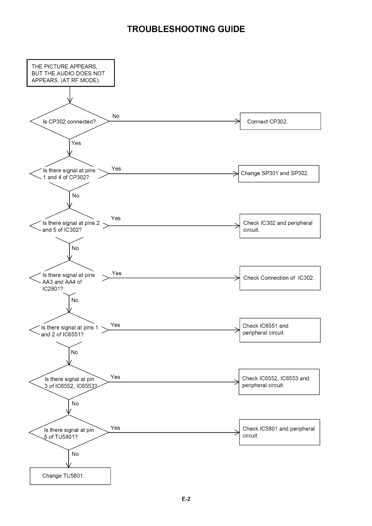
TROUBLESHOOTING GUIDE
THE PICTURE APPEARS,
BUT THE AUDIO DOES NOT
APPEARS. (AT RF MODE)
No
Connect CP302. 1
Yes
ls there signal at pins _ Yes
1 and 4 of CP302? _[ Change SP301 and SP302.
ls there signal at pins 2
and 5 of IC302? J
No
Yes
t heck IC302 and peripheral
circuit.
Yes
ls there signal at pins _
AA3 and AA4 of
IC2801?
Yes
ls there signal at pins 1 _
and 2 of IC6551?
No
Yes
Yes
l Change TU5801. 1
Check Connection of IC302.
l Check IC6551 and
peripheral circuit.
Check IC6552, IC6553 and
peripheral circuit.
circuit.CheckIC5801 and peripheral
E-2

TROUBLESHOOTING GUIDE
I
THE PICTURE DOES NOT I
APPEAR
No
No
ls CP1202 and CP1203
connected?
Yes
ls there signal at
NR2810, N R281 ] ,R2800
and R2830.
/No
Change DIGITAL PCB.
< Is there voltage at pins 26
of IC7001 about 24V?
-T Yes
Check IC401, T401, D436
and peripheral circuit.
r
_I Connected CD1202 and
[CD1203.
\/
Change V2301 (PANEL).
E-3

TROUBLESHOOTING GUIDE
THE COLOR DOES NOT
APPEAR I
No
No
_ No
ls there color signal _,
at IC2801?
t
Change DIGITAL PCB. 1
1
Adjust the color.
_[ Receive the color signal.
Check IC2801 and
peripheral circuit.
E-4

R8J66954BGI
DIVISIO_I
RESET
3LOCK
_VDS
RSDS/CMOS
IS output
3PDIF
_,CLK
_,eatog audio output
IC DESCRIPTION
3DRAM
PIN NO.
A1
B16
A16
C14
B15
A15
G19
G18
F19
E21
F21
G21
H21
E19
E20
F20
G20
H20
D19
C19
B19
A21
B21
C21
D21
A19
A20
B20
C20
D20
D18
E18
H18
H19
AA6
Y6
W6
V5
W5
AA4
AA3
W3
U20
AA18
AA20
AA17
U18
V16
U21
Y16
T20
Y17
Y18
W16
T18
AA19
V17
N17
U13
V18
W20
W21
Y20
V21
V19
Y21
Y19
P21
L21
N18
K18
N19
K19
PIN NAME
RESETIN
XIN
XOUT
Not used
XIN25
XOUT25
LVDSOCLKOUTP
LVDSOCLKOUTM
LVDSOOUTOP
LVDSOOUT1P
LVDSOOUT2P
LVDSOOUT3P
Not used
LVDS0OUTOM
LVDS0OUT1M
LVDS0OUT2M
LVDS0OUT3M
Not used
Not used
Not used
Not used
Not used
Not used
Not used
Not used
Not used
Not used
Not used
Not used
Not used
REFR
LPFP
Not used
Not used
BCLK
LRCK
SDOUT
SPDIFO
ACLK
LOUT
ROUT
DACVREF
SDA0
SDA1
SDA2
SDA3
SDA4
SDA5
SDA6
SDA7
SDA8
SDA9
SDA1O
SDA11
SDA12
SDBA0
SDBA1
SDVREF0
SDVREF1
SDODT
SDCLK
SDCLKN
SDCKE
SDCS N
SDRAS N
SDCAS N
SDWE N
SDDM0
SDDM1
SDDQS0
SDDQS1
SDDQS0_N
SDDQS1 N
I/O
I
I
o
o
I
o
o
o
o
o
o
o
o
o
o
o
o
o
o
o
o
o
o
o
o
o
o
o
o
o
I
I
o
o
I
I
I
o
I
o
o
o
o
o
o
o
o
o
o
o
o
o
o
o
o
o
o
I
I
I/O
o
o
o
o
o
o
o
o
o
I/O
I/O
I/O
I/O
Reset si_nat input terminal
27MHz Oscillation
25MHz Oscillation
_VDS0 clock output +
_VDS0 clock output -
_VDS0 serial data output 0 +
_VDS0 serial data output 1 +
_VDS0 serial data output 2 +
_VDS0 serial data output 3 +
_VDS0 serial data output 0 -
_VDS0 serial data output 1 -
_VDS0 serial data output 2 -
_VDS0 serial data output 3 -
External resistance (putldown)
_VDS PLL LPF
IIS_BUS input
IIS_BUS input
IIS BUS input
Digital audio output
_,udio master clock
_,ealog audio output (L)
_,ealog audio output (R)
Reference voltage
3DR2 controller address
3DR2 Reference voltage
3DR2 controller clock
3DR2 controller control
DESCRIPTION
F-1

R8J66954BGI
DIVISIO_I
_IOR Flash
IC DESCRIPTION
PIN NO.
R20
R21
T21
R18
P18
R19
N20
P20
M20
L18
L20
M18
L19
N21
K21
M21
AA14
AA11
V13
V10
W13
W10
Y14
W15
V14
V15
AA16
Y15
AA15
Y13
Vll
Wll
Yll
V12
AA13
AA12
Y12
AA10
B6
D6
A5
D7
C7
A14
B3
A3
C4
B4
A4
D5
C5
B5
B7
A7
D8
C8
B8
A8
D9
C9
B14
B9
J1
A9
C6
A13
C13
A12
C12
All
Cll
A10
C10
B13
D13
B12
D12
PIN NAME
SDDQ0
SDDQ1
SDDQ2
SDDQ3
SDDQ4
SDDQ5
SDDQ6
SDDQ7
SDDQ8
SDDQ9
SDDQ1O
SDDQ11
SDDQ12
SDDQ13
SDDQ14
SDDQ15
SDDM2
SDDM3
SDDSQ2
SDDSQ3
SDDSQ2_N
SDDSQ3_N
SDDQ16
SDDQ17
SDDQ18
SDDQ19
SDDQ2O
SDDQ21
SDDQ22
SDDQ23
SDDQ24
SDDQ25
SDDQ26
SDDQ27
SDDQ28
SDDQ29
SDDQ3O
SDDQ31
A22
A21
A2O
A19
A18
A17
A16
A15
A14
A13
A12
All
A1O
A9
A8
A7
A6
A5
A4
A3
A2
A1
BL ON
CS__N
PCVDIN (CS2_N)
RD_N
WE_0N
D15
D14
D13
D12
Dll
D10
D9
D8
D7
D6
D5
D4
I/O
I/O
I/O
I/O
I/O
I/O
I/O
I/O
I/O
I/O
I/O
I/O
I/O
I/O
I/O
I/O
I/O
O
O
I/O
I/O
I/O
I/O
I/O
I/O
I/O
I/O
I/O
I/O
I/O
I/O
I/O
I/O
I/O
I/O
I/O
I/O
I/O
I/O
O
O
O
O
O
O
O
O
O
O
O
O
O
O
O
O
O
O
O
O
O
O
O
O
I
O
O
I/O
I/O
I/O
I/O
I/O
I/O
I/O
I/O
I/O
I/O
I/O
I/O
DESCRIPTION
}DR2 controller subordinate position 16 bits data
3DR2 controller control
}DR2 controller subordinate position 16 bits data
3onnects it with 13pin through the jumper.
=lash address bus
9acklight ON/OFF
=LASH Chip select signal
_C V
=LASH read signal
=LASH write signal
--lash data bus
F-2

R8J66954BGI
DIVISION
3CIF0
3SIO0
IC0
IC1
_32R debug
-10A interface
JTAG
VIODE
_,DC
¢SB
_,DC
3acklight control output
3CIF1 modem control
qDMI
110MHz ADC
IC DESCRIPTION
PIN NO.
Bll
Dll
B10
D10
A6
W7
V7
V8
AA8
Y8
W8
Y9
AA9
V9
W9
B18
C17
C18
C16
D16
C2
B1
D4
D3
C3
B2
A2
F4
E4
Y1
AA1
W2
Y2
AA2
AA7
Y7
V6
AA5
Y5
W4
V4
J21
J20
J19
J18
F1
F2
G1
G2
G3
H3
H1
H2
G4
F3
J2
C1
D1
D2
E1
E2
E3
PIN NAME
D3
D2
D1
DO
Not used
IIC_OFF
MCU_SCITXD
MCU_SCIRXD
ASW0
ASW1
ASW2
12COC
12COD
12C CLK
12C DATA
No'used
Not used
A MUTE
PC _OOL TX
PC TOOL RX
AS_BRKA_:_N
ASEMD0
TRST_N
TCK
TMS
SCIRXD1
SCITXD1
MODE1
MODEO
ADIN
ADIN
ADVREF
ADVREF
ADVREF
IFAGC
Not used
DVD-H
MCUADIN0
Not used
$1 DET
No_'used
BL PWM
L_D-H
TWIRE RXDC
TWIRE TXDC
Not _sed
Not used
Not used
Not used
Not used
Not used
Not used
Not used
Not used
Not used
Not used
Not used
Not used
Not used
Not used
Not used
Not used
I/O
I/O
I/O
I/O
I/O
I
I
I
O
O
O
O
O
I/O
O
I/O
I
I
I
I
O
O
I
I
I
I
I
O
I
I
I
I
O
O
O
O
O
O
I
O
I
I
O
O
I
O
I
I
I
I
I
I
I
I
I/O
I/O
I
I
I
I
I
O
I
Flash data bus
DESCRIPTION
dSBCS/puttdown /
IIC_BUS communication is stopped when Low is input.
dART communication with Sub micom
dART communication with Sub micom
High is output at the TV mode.
',Low, Low) at the Video mode, (Low, High) Not used
',High, Low) at the Component mode, (High, High) at the PC mode
IIC BUS communication with Tuner unit
IIC BUS communication with Tuner unit
IIC BUS communication with EEPROM IC.
IIC BUS communication with EEPROM IC.
_,udio output of the speaker is mute when High is output.
dART communication with PC(picture control tool)
dART communication with PC(picture control tool)
E10A Terminal for ICE connection
-10A Terminal for ICE connection
S4US mode setting 01/Flash 16bit
Digital tuner IF signal input
_/REF output
Digital tuner IF gain adjust output (PWM output)
_lot used
-li_h is output at the DVD mode.
_,FT voltage input
_lot used
S cable was connected when Low is input
Terminal that adjusts output of backtight
_ower supply of LCD is supplied when High is an output
dART communication with DVD unit.
dART communication with DVD unit.
L2
L3
L1
M2
N3
N2
N1
P3
R3
T2
U2
M1
P2
R1
VIN1A
VIN2A
VIN3A
VI N4A
VIN5A
VIN6A
VIN2B
VIN3B
VIN4B
VIN2C
VIN3C
VREFA
VREFB
VREFC
I SVBS signal input at the TV mode
I SVBS signal input at the Video mode
I '( signal input at the S mode
I '( signal input at the Component mode
I _lot used
I _lot used
I S signal input at the S mode
I 3b signal input at the Component mode
I _lot used
I _r signal input at the Component mode
I _lot used
I _GA reference
I _,DC reference
I _,DC reference
F-3

R8J66954BGI
DIVISION
_,nalog power supply
3.3
31.8
3DR power supply
O power supply
IC DESCRIPTION
PIN NO.
M3
P1
T1
N4
R2
U1
Vl
K1
K2
PIN NAME
VRPA
VRPB
VRPC
VRMA
VRMB
VRMC
LPF
SSlN1
SSlN2
I/O
I =GA reference
I _,DC reference
I _,DC reference
I =GA reference
I _,DC reference
I _,DC reference
I _PF
I =C H
I '(at the Component mode
DESCRIPTION
J4
K4
L4
J3
U4
H5
R5
C15
A17
D14
A18
E13
B17
P4
E14
C15
N5
T4
P5
F17
D17
H17
J17
M4
M5
V2
U3
V3
Y4
W1
Y3
E17
F18
E18
G17
K3
T3
K5
R4
F5
G5
H4
J5
L5
K20
AVDDA
AVDDB
AVDDC
VDD33
VDD33
VSS33
VSS33
PLL_AVCC_I
PLL_AVCC_2
PLL_AVSS_I
PLL_AVSS_2
PLL_DVDD_I
PLL_DVDD_2
PLLVDD
PLL_DVSS_I
PLL_DVSS_2
PLLVSS
DLLVDD
DLLVSS
VCC33BIAS
VSS33BIAS
VDD 10LVDS
VSS 10LVDS
DVD DABC
DVS SABC
VDD33ADDA
VSS33ADDA
VCC33AD_A
VCC33DA_A
VSS33AD_A
VSS33DA_A
VCC33LVDS
VCC33LVDS
VSS33LVDS
VSS33LVDS
VDD18
VDD18
VSS18
VSS18
ADVSS
ADVSS
ADVSS
ADVSS
ADVSS
VCCQ18
I _,nalog power supply
I _,nalog power supply
I _,nalog power supply
I 3igitat power supply
I 3igitat power supply
I 3igital GND
I 3i_ital GND
ISLL 3.3V power supply
I
ISLL 3.3V GND
I
I
I SLL 1.0V power supply
I
I
I SLL 1.0VGND
I
I _,udio DAC power supply (3.3V)
I _,udio DAC GND (3.3V)
I _VDS PLL BIAS power supply (3.3V)
I _VDS PLL BIAS GND (3.3V)
I _VDS digital power supply (1.0V)
I _VDS digitat GND (1.0V)
I 3AC power supply (3.3V)
I
I _/SB ADC power supply (3.3V)
I
I _/SB ADC power supply (3.3V)
I _/SB ADC power supply (3.3V)
I _/SB ADC power supply (3.3V)
I
I _VDS power supply (3.3V)
I
I
I
I
I
I
I
I
I
I
I
I
I
M17 VSSQ18 I
P19 VSSQ18 I
T17 VSSQ18 I
U10 VSSQ18 I
U14 VSSQ18 I
V20 VSSQ18 I
T19 VSSQ18 I
W12 VSSQ18 I
W18 VSSQ18 I
W19 VSSQ18 I
E5 VCCQ33 I
E6 VCCQ33 I
E 11 VCCQ33 I
U5 VCCQ33 I
U8 VCCQ33 I
F-4

R8J66954BGI
DIVISIO_I
Core power supply
IC DESCRIPTION
PIN NO.
E7
E9
E15
J9
J10
Jll
J12
J13
K9
K13
L9
L13
M9
M13
N9
N10
Nll
N12
N13
T5
U6
U9
E8
El0
E12
K10
Kll
K12
K17
L10
Lll
L12
L17
M10
Mll
Mt2
M19
P17
R17
U7
Ull
U12
U15
U16
U17
U19
W14
W17
Y10
AA21
PIN NAME
VDD
VDD
VDD
VDD
VDD
VDD
VDD
VDD
VDD
VDD
VDD
VDD
VDD
VDD
VDD
VDD
VDD
VDD
VDD
VDD
VDD
VDD
VSS
VSS
VSS
VSS
VSS
VSS
VSS
VSS
VSS
VSS
VSS
VSS
VSS
VSS
VSS
VSS
VSS
VSS
VSS
VSS
VSS
VSS
VSS
VSS
VSS
VSS
VSS
VSS
I/O
I
I
I
I
I
I
I
I
I
I
I
I
I
I
I
I
I
I
I
I
I
I
I
I
I
I
I
I
I
I
I
I
I
I
I
I
I
I
I
I
I
I
I
I
I
I
I
I
I
I
Sore power supply 1.09V
Digital GND
DESCRIPTION
F-5

IC DESCRIPTION
R5F21124FPI
PIN NO.
1
2
3
4
5
6
7
8
9
10
11
12
13
14
15
16
17
18
19
20
21
22
23
24
25
26
27
28
29
3O
31
32
PII_ NAME I/O
MAIN RXD I
CNVSS I
RESET I
XOUT O
VSS I
XIN I
VCC I
REMOCON IN I
5VD I
EEPROM SCL O
EEPROM SDA I/O
PDP VS O
PDP RLY O
DTV POWER-H O
DTV RESET O
POWER FAIL I
STAND BY-H O
NOT USED O
(SLEEP MODE=L)
VREF I
DVP POWER-H O
NOT USED I
(AVSS)
llC OFF I
IVCC O
KEY B I
KEY A I
DVP RESET O
DVP_1.5 POWER-H O
MODE I
EXT MUTE O
AUDIO MUTE O
DISPEN_H O
MAIN TXD O
DESCRIPTION
UART DATA input. (for DVP-M2) [38400bps]
It connects it with VSS. When you write Flash "H".
RESET input, "L"--->when Flash is written "H".
Output the clock count crystal. (16MHz)
GND.
Input the clock count crystal. (16MHz)
Main Power. (3.3V)
REMOCON input.
5VD input.(from Panel power block )
IIC BUS CLOCK output, (for EEPROM) [MAX:384KHz]
IIC BUS DATA I/O. (for EEPROM) [MAX:384KHz]
Control the power supply of PANEL
Control the power supply of PANEL.
Control the power supply of Digital IC.
RESET control for Digital IC.
Input for the detection of power interruption.
STAND_BY LED output.
Not used,
Reference Voltage input for A/D.
Control the power supply (3.3V) of DVP-M2.
Not used,
IIC BUS STOP input for adjustment.
Connect with the terminal VCC. (for being steady of the internal power supply.)
Main unit key input.
Main unit key input.
RESET control for DVP-M2.
Control the power supply (1.5V) of DVP-M2.
Connect with the terminal VCC. (for writing FLASH)
Output EXTERNAL AUDIO MUTE.
Output Volume MUTE.
Control the terminal dispen of PANEL.
UART DATA output. (for DVP-M2) [38400bps I
F-6

DIODE
SEMICONDUCTOR BASE CONNECTIONS
1 N5406FL-6737
1SS133T-77
MTZJ15B T-77
MTZJ27B T-77
MTZJ3.3B T-77
MTZJ3.9B T-77
MTZJ30B T-77
MTZJ33B T-77
BAT54S 215
RL106F-E 1 N4005-EIC FCH10A20
31 DQ09-FC YG862C15R
MR111-(TX)
BAV99DW 1SS355 TE-17 EN E241 D-10A-Q6
AVRL161A1R1NT
EC31QS04-TE12L
SMAB34
UDZSNP20B TE-17
UDZSNP4.7B TE-17
UDZSNP6.8B TE-17
ANODE
LTL-1BEFJ-002A
BAT54WS
RB520S-30-TE61
UDZSNP5.6B TE-17
M24256-BWMN6TP
[_3
2
A P431AW LA
1F5-E
1H3-E
1
AAT1343-T1 -T
S-24CS16A01-J8T1GE
AN 17808B
f
ERC91-02J11SC
AL1015
BA10358FV-E2
BD9130NV
NJM2534V(TE2)
S-24CS02AFJ-TB-GE
EC50117ABG
IC
1
ATM EGA48-20AU
EC5579-HG
R5F21124FP
R8J66731FT
STHDMI002ABTR
1
PST3229NR
S-1170B33UC-OTSTFG
1
MIP2F4
1
AK5358A
AN5832SA-E1V
BD9897FS
KIA431A-AT
PQ035ZN 1HZPH
1
EN29LV320AB-70TCP
C o
KIA78D09F
1
PS2561AL1-1-V(W)
6
1
EC5461AB3-G
RTQ035P02-TR
TPC6108(TE85L,F,M)
<C>
1
HYB18TC256160BF-3S
R8J66954BG
4
MP3A5038
G-1

TRANSISTOR
DD_G
D
D
AO6604
MMDT4401
D G
2SK3019 TL
AO3400
AO3407
MMBT4401
MMBT4403
SEMICONDUCTOR BASE CONNECTIONS
E_ BCE'_ [_B
C B C
2SC2120Y(TPE2) KTA1281_Y
KTC3198-AT(Y,GR)
KRA101SRTK
KRA102SRTK
KRA103SRTK
KRC102SRTK
KRCl03SRTK
KTA1504S Y RTK
KTC3875S Y RTK
E9
KTB1151
G-2

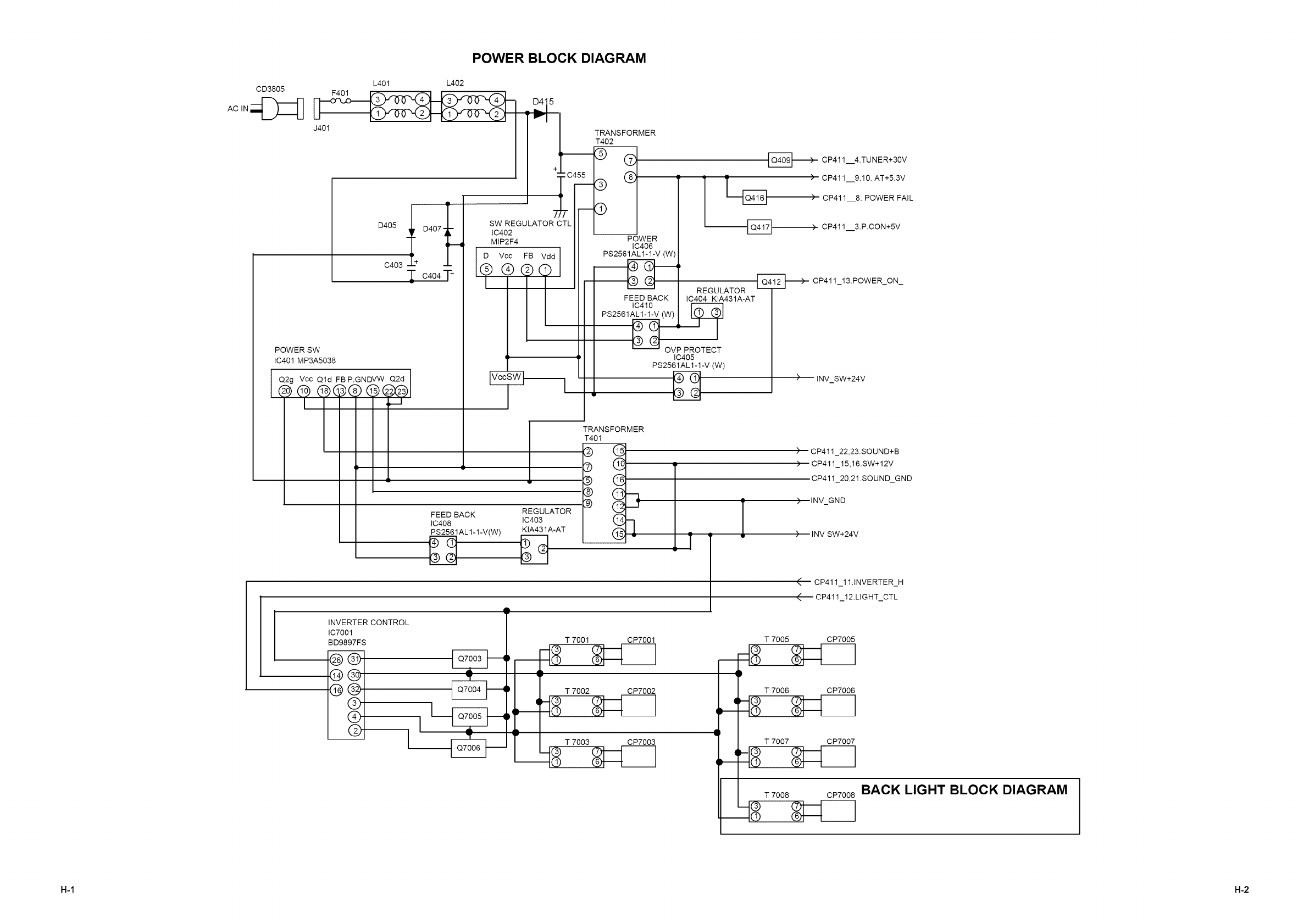
POWER BLOCK DIAGRAM
CD3805
AC IN
L401 L402
i
D405 D407
D Vcc FB Vdd
C403
T c404 T + @ @ @ @
POWER SW
IC401 MP3A5038
Q2g Vcc Qld FBP.GNDVW Q2d
_) @ @@q) @@@
, ,ll
I
T
SW REGULATOR CTL
IC402
MIP2F4
I
FEED BACK REGULATOR
IC408 IC403
PS2561ALl-l-V(W) KIA431A-AT
D
TRANSFORMER
T402
,5 ,_ G i_)- CP411 4.TUNER+30V
i ) CP411 9.10. AT+5.3V
) CP411 8. POWERFAIL
. _ ) CP411 3.P.CON+5V
POWER
IC406
PS2561AL1-1-V (W)
REGULATOR
IC404 KIA431A-AT
IIC410
F_ 12_)- CP411_13.POWER ON
INV_SW+24V
) CP41 l_22,23.SOUND+B
) CP411_15,16.SW+12V
CP411_20,21 .SOUND_GND
INV_GND
) INV SW+24V
TRANSFORMER
T401
G
@7
®-
( CP411_11.1NVERTER_H
( CP411_12.LIGHT_CTL
INVERTER CONTROL
IC7001
BD9897FS
@®
@®
@@
®
@
@
T 7001 CP7001 T 7005 CP7005
_BACK LIGHT BLOCK DIAGRAM
H-1 H-2

POWER(DIGITAL PCB) BLOCK DIAGRAM
4
8
13
5
6
7
3
9
10
17
18
19
14
12
11
1
2
20
21
22
23
15
16
CP3001
TUNER+30V
POWER FAIL
SYS POWER H
GND
P.CON+5V
AT+5V
GND
STBY H/VS DET
LIGHT POWER H
INVERTER H
DTV+B
SOUND GND
SOUND+B
SW+ 12V
TUNER+30V
P.CON+5V
AT+5V i s_B,v,,co,,,il _E___o,v,
IC6202 IC2805
R5F21124FP M24256-BWMN6TP
• 1 DIGITALTu5801TUNERENG36E19KF
i,
1
D 5.0V
SW+ 12V
AT+3.3V
_L-_ S_11::B_3C33_0Ti_7_;:TFGl
E_-_o_II _E_-_o_II_TSOO_OO_ATO_I A_O,OAOC1
IC3601 IC3602 IC5801 IC6551
S-24CS02AFJ-TB-GE S-24CS02AFJ-TB-GE AN5832SA-E1V AK5358A
VDD CORE 1V
IC3001 I lVBD9130NV
DC/DC CNT !
IC3002
AL1015
DC/DC FET
IC3004
TPC6108
3.3V
l FLASH IC
IC2804
EN29LV320AB-70TCP
P.CON+9V I I
IC3603
STHDMI002ABTR
A_O,O_ohSWII A_O,ORohSWII _V__
IC6552 IC6553 IC3008
NJM2534VITE2 ) NJM2534V(TE2) KIA78D09F I
REG+1.8V I
IC3003
PQ035ZN1 HZPH
SCALER IC
IC2801
R8J66954BG
1.8V T I
I
LCD+B
IC3006
RTQ035P02
T_Lt._I LCDPANELI
I v23ol I
I CLAA320WF01CI
I DDR SDRAM
IC2802
HYB18TC256160BF-3S
H-3H-4

SIGNAL BLOCK DIAGRAM
I AUDIO OUT
OUT J4301
AV2-13P2-07H
I OMPONENT IN
IN J4203
AV3-13P2-31S1
AV3 Y
AV3 PB
AV3 PR )>
l HDMI IN 1
IN CP3601
5-1903015-4
l HDMI IN 2
IN CP3602
5-1903015-4
I S + COAXIAL
IN J4202
R102-D04KAF-06
HDMI 1
HDMI 2
SPDIF
I HDMI SW IC
IC3603
STHDMI002ABTR
,.-[ HDMI
SVV_Y
SW_C b>>
I)
l TUNER
IN TU5801
ENG36E19KF
l CVBS IN1/S AUDIO IN
IN J4205
RCA-349-00C-02
CVBS IN2/YUV AUDIO IN
IN I J4206
RCA-349-00C-02
I HDMI AUDIO IN
IN J4201
MSJ-20OOB AG(087)
DIGITAL RF (IF)
ANALOG RF(CVBS)
SIF v_..1
1CVBS
BTSC DEMODULATOR IC
IC5801
AN5832SA-E1V
AUDIO Lch SW IC
IC6557
NJM2534V(TE2)
AUDIO Rch SW IC
IC6558
NJM2534V(TE2)
TUNER AUDIO L
TUNER AUDIO R
SW AUDIO I.
SW AUDIO R_I_
AUDIO Lch SWIC
IC6552
NJM2534V(TE2)
AUDIO Rch SW IC
IC6553
NJM2534V(TE2)
AUDIO L
AUDIO R I_
AUDIO ADC IC
IC6551
AK5358A
AUDIO DATA
V
SCALER IC
IC2801
R8J66954BG
AUDIO L/R
LVDS DATA/CLK
PC R
,_/,/, PCG
.,_ (,/ PC B
ql
I SPEAKER L/R
SP303, SP304
FB136N4-B2
tAMP L/R
i_ I SOUNDAMPIC
IC302
AN17808B
LCD PANEL
V2301
CLAA320WF01 CO
PC IN
CP4303
1B630020
_ COMPONENT SIGNAL(V)
_'_ COMPONENT SIGNAL(U)
<<<:1 COLOR SIGNAL
<<'4t LUMINANCE SIGNAL
<_I_ R. SIGNAL
.:._...._G. SIGNAL
(_ B. SIGNAL
AUDIO SIGNAL
VIDEO SIGNAL
._ CAPSTAN AFC SIGNAL
H-5H-6

PRINTED CIRCUIT BOARDS
DIGITAL (TOP SIDE)
I-1 I-2

PRINTED CIRCUIT BOARDS
DIGITAL (BOTTOM SIDE)
1-31-4

PRINTED CIRCUIT BOARDS
POWER/OPERATION/REMOCON (INSERTED PARTS)
SOLDER SIDE
I-5
V
CP7001
AS MARKED.
- REPLACE
_E
I-6

A I B I C I F I G I n
TO HDMI
HDMI SW ...........................................................
I FROM/TO SCALER VIDEO/AUDIO ]]
llCOFF _"
12C DAT_ > ....................................................
12C CLK >
TO SOUND ]]
AMUTE
ASEMDO <
IICOFF <
FROM/TO REGULATOR2 ]]
D3.3VJIG < ...........................................................
iNVETER II <
D3.3V >
GHD
EEP/PC TOOL JIG CON
@2801
A2001WV 9A
9 NC/RESET
8 D3.3V
7 PC TOOLTX
6 PC TOOL RX
5 D GHD
4 IIC OFF
3 SDA
2 SCL
I GHD
%.,
I D I E
FLASH SCHEMATIC DIAGRAM
(DIGITAL PCB)
@2803
A2001WV 12A
_K > TCK I
TDO TRST H 2
ASEBRKAK_Iq _ TDO 3
ASEBRKAK H 4
TMS - TMS 5
TD! < TDI 6
....RE_E!_N ....................................................................................................................................................................................................................RESET N 7
[I ASH )_P ...............................................................................................................................................................................................................FLASH WP 8
AS[MD0 < ASEMDO 9
FLASH
, NR2802
CRA108100JV
............................................ , ............................... I _q ,1\' I ..........................
' { ,/W' 4
I ....v+l
I '_"
N_2803
_ 08100JV
r I ,/,A,' 4
C2806 I NR2804
" _ _ I CRA108100JV
I _ /V/' !
NR2801
CRA108100JV
[..................,_C ............................
t,iVV I
I v_,Y ,
GN_G D 1C
_ VDD33 11
_ GND 12
A17 i
[)15
D14 ]
[)13 )
............._:
D12
.........[!!!
D3
DI_
B_
D9
D8
DO
RDN
D3.3V
NC
D3.3VJIG
PC TOOL TX
PC TOOL R_ i
i D3.3V B2801 _ D3.3V FLASH
HCB1608KF 221T20 l
I
÷_
°i >
2
qsP_N ]
R2802
CV\,'_
10K
NOR FLASH
IC2804 EN29EV320AB ?0T@
A16 3.3 Kj" A15 \J A1GYT_ 3.3
i A 5 _ _" A14 BYTE#/A_ _
33 _ L'4"
...............................................................................................................4_ A13 VSSI_ 0
A!_ 3:3 _ A12 DQ15/A 1 _ 33
j A12 _#_ A11 DQ7(_} "
J All 3.3 #_ A10 DQ14_€\,,_ 3.3
kA10 3.3 >_ Ag DQ6_'Q_', 3.3
b g_............................................................................................................_?,,_ A8 DQ13,_ ?_ .................................
L A_ 0 3:3, A19 DQ5_°x_ 3.3
I A21 3.3 L< A20 DQ12,_;S 3.3
>Z- "22A
j WE0 N 3.3,_ WE# DQ4' _\' 3.3
L RESETN 3.3 >'_ RESET# VCCF_< 3.3
j _ A21/NC DQ11'_ _:_.................................
k [LASH-- WR , 0_ WP#/ACC DQ3{_ 35
[ JG2801 r- ,t,_ #/',#-, 3 3
i _ _\_: RY/BY DQ10\_s) "
J A19 3.3 /_< A18 DQ2_7\%_ 3.3
LAI_ _37-"AI_ OFS._"_ 3_
k AZ ?:3 a_ A6 DQS_°x 3.3
JA_ 33>g<A5 OF_O,_33
[ A5 3.3 L/X" A4 OE#>Z{ 3.3
A3 33
ix2.................................................................................................................................................
J I I
..................................................................................................................................................................................................................................................................I
NOTE:THIS SCHEMATIC DIAGRAM IS THE LATEST AT THE TIME
OF PRINTING AND SUBJECTTO CHANGEWITHOUT NOTICE
_Fp05
RESET N 9 3.3 AI RESET N
R2807 ....._ ......................................... 3 3
................................All, ...................................}.............................................................................................................;........ E4 MODE0
10K i 0
_ij _ ASEBRKAK N 0
F4 MODE1
i ASEMDO 3.3 B1 ASEMD0
B2 TDI
001 B TMS 0 C3 TMS
...._K .......................................................................................3:3..... D3 TCK
TRST N 0 D4 TRST N
<
_\,Vq 1OK USB CS 0A6 WAIT N(GPIO)
WE0_N 3.3 C6 WEO N
....._S(LN ............................................................................3:_........... B9 CS0 N
RD N 3.3 A9 RD N
R2811
0
A21 3.3 B6 A22(GPIO)
....................................................................... D6 A21
_&_q ...................................................................................._:! ........ AS A20
k A19 3.3 D7 A19
A18 3.3
Al? 3.3 C7 A18
i A16 3.3 A14 A17
A15 3.3 B3 A16
A3 A15
A14 3.3 C4 A14
_._!3 .................................................................................._:_ ........ B4 A13
A12 3.3 A4 A12
All 3.3 D5 All
! A10 3.3 65 A10
A9 3.3
A8 3.3 B5 A9
B7 A8
i, A7 3.3 A7 A7
. A6 3.3 D8 A6
........................................................................................_:! ........ 68 AS
A4 3.3 B8 A4
A3 3.3
A2 3.3 A8 A3
D9 A2
i A1 3.3 C9 A1
• INVETERH 3.3 B14 (GPIO)
D15 3.3 A13 D15
D14 3.3 C13 D14
_, D 3 3.3 A12 D13
.......D]2 ...................................................................................._:_........ C12 D12
__ Dll 3.3 All Dll
D10 3.3
D9 3.3 Cll D10
A10 D9
! D8 3.3 C10 D8
D7 3.3 B13 D7
D6 3.3 D13 D6
_-D_ ..................................................... _:_ ...... B12 D5
.......D4......................................................................................_:_ ........ D12 D4
i- D3 3.3 Bll D3
L D2 3.3
i D] 3.3 Dll D2
B10 D1
i DO 3.3 DI0 DO
A MUTE _ JG2806 3.3 C18
(_ JG2802 0 B18
NC--C14
C2809 , R2812
__\,\,\, 12 A16
12P CH _ 1.8K _<Z
/
27P CH
C2812
II
20P CH
NOTE:THEDC VOLTAGEAT EACH PARTWAS MEASURED
WITH THE DIGITAL TESTERWHEN THE COLOR BROADCAST
WAS RECEIVED IN GOOD CONDITION AND PICTURE IS NORMAL.
M32TDI 1
M32TDO
M32TCK
M32TMS
M32TRST
VCNT(GPIOy
12 A15 XOUT25 --
12 B15 XIN25
IC2801
RSJ66954BG
SCALER
A I B I C I D I E I r I G I H
J-1 J-2

A I B I C I F I G I H
DDR SDRAM
IC2802 HYB18TC256160BF 3S
DAAO 1.8 M8 A0
DAAI 1.8 M3 A1
.......(!_ .................... ]:8 N7 A2
DAA4 1.8
DAA5 _]_ N8 A4
DAA6 i]_ N3 A5
N7 A6
DAA7 18 P2 A7
DAA8 1.8 P8 A8
DAA9 1.8 P3 A9
.....[!AA]0 ...................................................1:8 M2 AIO
DAA11 1.8 P7 All
DAA12 1.8 R2 A12
DADQSO 1.8 F7 LDQS
DADOSO N 1.8 E8 LDQS
DADQS1 1.8 B7 UDQS
DQ0 G8
DQ1 G2
DQ2 H7
DQ3 H3
DQ4 H1
DQ5 p_
DO6
DQ7 F9
DQ8 C8
DQ9 C2
DQ10 D7
DQ11 D3
DQ12 D1
DQ13 D9
DQ14 B1
DQ15 B9
CK J8
CK K8
CS L8
] :8 DAQ0
] :8 DAQ1
_].8 ............................................................................................................ DAQ2
]._ ............................................................................................................................................................................................................................._AQ3 .....
1.8 DAQ4
1.8 DAQ5
i ] D#_
1 8 DAQ7
1.8 DAQ8
118 DAQ9
]8 ...........................................................................................................................................................................................................................EBA]#
18 DAQ11
]_8 DAQ12
1 8 DAQ13
18 DAQ14
_].8 ............................................................................................................................................................................................................................DAQ]5
/
1.6 _ DACLK
1.8 DACS
, DADQS1N 1.8 A8 UDQS
.......DAQMQ .................................1:8-- F3 LDM
DAQM1 1.8 B3 UDM
DACKE 1.8 K2 CKE
DAWE N 1.8 K3 WE
DABA0 1.8 L2 BA0
DABA1 1.8 L3 BA1
0A3 VSS
0E3 VSS
0J3 VSS
0N1 VSS
0P9 VSS
0A7 VSSQ
0B2 VSSO
0B8 VSSO
0D2 VSSQ
0 D8 VSSQ
0E7 VSSQ
0F2 VSSQ
0F8 VSSQ
0H2 VSSQ
0 H8 VSSQ
0J7 VSSDL
NC--R8 NC6
NC--R7 NC5
NC--R3 NC4
NC--L1 NC3
NC_E2 NC2
NC--A2 NC1
RAS K7 1.8 DARAS
ODT K9 1.8 DAODT
VDD
VDD
VDD
VDD
VDD
VDDO
VDDQ
VDDQ
VDDQ
VDDO
VDDQ
VDDQ
VDDQ
VDDQ
VDDO
VDDL
VREF
A1
E1
Ec
G1
G_
G]
G_.
31
J2
18
18
18
18
18
18
18
18
18
18
18
18
09
8t_ =
_-_
D1.8V
.7
:7
U I E
DDR SCHEMATIC DIAGRAM
(DIGITALPCB)
DADQS1 N 1.8
0 NC_
0 NC--
1.8
DAQ3 -- R20
DAQ1 1.8 R21
............_!@'_.....................................................................................................................................................T21
DAQ5 1.8 R18
DAO0 18 P18
DAQ2 1.8 R19
DAQ7 1.8 N20
...................................................................................................................................................!8__ P20
DAQ12 1.8 M20
DAO8 18 L18
DAQ14 1.8 L20
DAQIO 1.8 M18
DAQ13 1.8
..............................................................................................................................................................................................L19
DAQ11 1.8 N21
DAO15 18
DAQ9 1.8
18 NC_
18 NC--
18 NC--
18 NC--
18 NC_
18 NC_
18 NC--
18 NC--
18 NC--
18 NC--
18 NC--
18 NC--
18 NC--
18 NC_
18 NC--
18 NC--
K19 SDDQS1N
W13 SDDQS2 N
W10 SDDQS3 N
K21
M21
Y14
W15
V14
V15
AA16
Y15
AA15
Y13
Vll
Wll
Yll
V12
AA13
AA12
Y12
AAIO
SDDQO
SDDQ1
SDDO2
SDDQ3
SDDQ4
SDDQ5
SDDO6 VCCQ18 K20
SDDQ7 VSS K17
SDDQ8 VSS L17
SDDQ9 VSS MI_
SDDO10 VCCO18 M1]
SDDO11 SDVREF0 N17
SDDQ12 VCCCQ18 P19
SDDQ13 VSS P17
SDDO14 VSS R17
SDDQ15 VCCQ18 T19
SDDO16 VCCQ18 T17
SDDQ17 VSS U19
SDDQ18 VSS U17
SDDQ19 VCCQ18 V20
SDDO20 VCCO18 WI!
SDDO21 VCCO18 WI_
SDDO22 VSS Wl:
SDDO23 VSS AA21
SDDO24 VSS U16
SDDO25 VSS U15
SDDO26 VCCQ18 U14
SDDQ27 VSS WIz
SDDO28 SDVREF1 U13
SDDO29 VCCQ18 WI_
SDDQ30 VSS U12
SDDO31 VSS Ull
VSS Y10
VCCQ18 U10
1:8
O
1:8
0:9
O
1:8
1.8
1.8
1.8
1.8
1.8
0.9
1.8
1.8
D18V
C2859
1 B
10V(1608)
C2860
10V 22 V S
I
/
NOTE:THIS SCHEMATIC DIAGRAM IS THE EATESTAT THE TIME
OF PRINTING AND StJBJECT TO CHANGEWITHOUT NOTICE: NOTE:THE DCVOLTAGE AT EACH PART WAS MEASURED
WITH THE DIGITAL TESTER WHEN THE COLOR BROADCAST
WAS RECEIVEDIN GOODCONDITION AND PICTURE IS NORMAL.
I[ FROM REGULATOR2 ]]
GND
: D18V
A I B I C I D I E I r I G I H
J-3 J-4

A I B I C I DI E I F I G I H
HDMI SCHEMATIC DIAGRAM
(DIGITALPCB)
EEP ROM IC
IC3601
S 24CS02AFJ TB GE
n / 'Lf ] _ 1_ _)JG3601
_'_' F_-_ AO VCC/_o_ _) JG3602
o E_ ">< 3o4 _JGSGO3
_cjAI WPL_ )" _
GND SDA 3.04 .......................................................................................................................................................U_NI!__D_,
22 34B [
C3604 • D BUFFER [
I , _ o 3.12 C_ I:_, Q3606 [
0.1 B o _ _ _'L_"_ 2SK3019 TL i
_D_ 4921S W914 HDMI P5V I[
lc_I ,3.12 [
PORTI NPD SW_I_ 3.12 R3642 HP RSTI
HDMICONNECTOR / F_36o9_ 4Z" I - I
/ o / i
5 1903015 4 I R:!617
18 +BY POWER > D3604 V\ ,_ R3601,'
17 DDC GND 'AVRL16_ R3605,.,A" [
16 DDC SDA < R3606 'nq / I [
15ODCSCL /I14 RESERVED _ NC _ D_5 T .......'
12 TMDS CLK _ I [(_ _,,_] / I /I£ UDM!L@LK_Nl
, _ _._[ L3601 {HDMI1 CLK P
1011 TMDsTMDSCLK+CLKSH ) ................i(g_) _I EXC280%900U /
9 TMDS DATA0 > , (_ .<o% _ I
8 TMDS DATAO S E..................... hZ:_ "_;J I [ / RDM!J_DON [
' _:E'_ _xi ....................................................................................................................Z..............................L!g_M!]_g!_R ] HP RST2
7 T.DSOATA0+ ........................: r / i
6 TMDS DATA1 _ I / / HDIVl D N
5 TMDS DATA1 S_ , [ "Y)_b _/ / HDMI1 D1P
4 TMDS DATA1+ > 'T_J _'J [ J k -
3 TMDS DATA2 .......> .............................................................................................................................................._ #_, [ HDM 2 SCL
" -_s_- _ L3602 _ NDIVlIL D2N r
2 TMDsTMDBDATA2DATA2S_ .'[_e__ IEXC2BCGgOOU] 1 _L_i
FROMREGU_ ' / i ND_,2CL_,
GND D3607 ' • [ HDMI2 CLK I
D5.0V > I_ EERRBMi_ n,._T i
BAT54WS 1C3602 S 24CSO2AFJ-TB GE WP [
0S_o _ .......Z_ _:J_ i u_L_o.
0 _ ....... _ 3.04 T"_JG3606 / / _-
_IAI WR _-- _ _ l[0,_< A2 SCL _ 3.04 RDMI2 SCL i RDMI2 DOP
o R i
• _ ,_ _ _2SKSO19TL i
_i,_ _ 0_S W912 HDMI p5v 21
cs6os / z _ T............................................................................................../.....................................................
PORT2 HPD BW*'\_ _ ..................................................................R_%(,;,4 ;f.......................................................HI_ I_S#Zj
HDMI CONNECTOR KTC3875S Y RTK O 4,7K
CP3602 (CP3603)
519030154 I /R3618 _ /
19 HOT PLUG < R3602 ....._K ' I l
18 +5V POWER ID_Ol "is__ _-_ / l
17 DDCGND AVRLIg_ R3eO3_ i
16 DDC SDA < R3604 cW1oo l
1_ ODCBCL , _o2 ; .....
14 RESERVED _ NC
13 CEC < AVRL161AIRINT
12 TIVlDS F;LK ) I r, ", _ _] I I HDMI2 CLK N
11 TMDS CLK SH _IZ_ _%_' L3603 NDMi2-CEK-P"
_: "?('P_.L_b EXC28CG9OOU - - "
.....................................................................................................................]
10 TMDS CLK+ .......> .............................................................._,,_J
9 TMDS DATAO _ ' _}._(?)l 'I RDM!2 DON
8 TMDS DATAO S b _'_2] _
,A_ HDMI2 DOP,
7 TMDS DATA0+ >
6 TMDS DATA1 > [ i,_, _,_l I HDMI2 D1Nj
5 TMDS DATAI S b............... I_ #A_: # H[iM[2-[}ll S]
I_4_1_ I...................................................................................................................................................................................
4 TMDS DATA1+ > I 'k _I ' _1 L '
3 TMDS DATA2 * .............I_'_ _ \72i 'L3604 1 HDMI2 D2N 4
2 TMDS DATA2 S
TMDS-DATA2] > [ i(_S(_}' I EXC28CG900U I HDNIZ-DT_
D3.3V
i
i
i
C_607
001 B
<
c36o6
0.01 B
Z
< 14DMI SW
............................................................................< .....................HP RST
./ SCALER
IC2B01
RBJ66954BG
3.46_ _ _:
O___, B HPD
I O_ GND
4.96 {@_ BDDC SDA
4.88 _?_._ BDDC SCL
RDMLPOWE R > 3?4:E3 PWR0
+ ,
_HDM!_CLKN _ 3"OB --_ F1 RXCN
................................................................................................................* .........................................................................................._:2_ _ F2 RXCP
+ _ _ 5.12 HDMI1 SOL
_D _: 6 _s __ _: _. RDM! DBN _ 3:B5 G1 RXON
A DDC SDt 5.20 HDMI1 SD_ H[)_!_D_91_....................................................................................................................> ............................................................................................_:[}_O2 RXOP
3.46
VCC ' ....................................................................................................................> ............................................................................................_:_ G3 RX1N
O HP RST1 _ RDMLDjE > 3:06_H3 RX1P
A HPD ]
Y HPD HDMLD7 E > 3:0_ H2 RX2N
5,04 Y HDMI SDA : RX2P
IC3603 5,04 Y HDMI SC[
STHDMIOO2ABTR -- --
Y DDC SCL 5,12 3.27
346 352 Y HDMI SCL HDMI SCL _. G4
" _%_ BCLK+ YCLK • ,,_,,,,,._,,,.HDMCLKN ........................................Y HDMI SDA _ _ ';'_* _ ..................................................................._ HDMI SCL1O
_N GND 352 NOM,CL_R I _O12S_3019TL_ 'v_
I BUFFER)'2O_11/_ HDMI SDA 3.29 F3
344 _ BO :_ _37_, YO GND O :: _ o ' _ _ HDMI SDA10
\_j _2_ B L" _ + - _ _ _ > _ _ 3 46 R3631
- "r _ _1 m _ >_ Q36OB _ 3.46 f
344 /_.\ // 3.52 HDM DON : _< _ _<'_ 2SK30 9 TL_\i/,,
<_uoo+ _0_ -- -_ I 33_ ::
0A/i" 3 52 :
_N GND + _ _ _ _ ,_-" " HDMI DOP
\_ _ z _ _ _ + , z+ , z _ - 4 •
_' ..... _ _. _D _. _. _D _ " &52 D3610 _i,_) HDMI XIN 18MHz El
iI C_611 II-- £P2_I II RDM' XOUT < I BMN! E2
_ _,_f EXTRES_ 2_9_2EXTRES
z _ z _ _ 470 _ _ ::
.... % q _ q _ 8 E
S S S S ...... C3616 01 B
:= :m := :m mi m m m m R3633
t : / ; D36134.7 B £/'......... _ PLL XF(; A 0"98 C1 PLL XFD A
6L_V(2125) 4.7K iI
C3614 00022 B R3634 PLL XFC P 0.98 ::
I _ A.'_N......... D1 PLL XFD P
]
C3615 k ....,,V'v
C3615 00027 B R3635 PLL XFC X 1.01 [)2 PLL XFC X
B.2K
NOTE:THEDC VOLTAGEAT EACH PART WAS MEASURED CAUTION: DIGITAL TRANSISTOR CAUTION: DIGITAL TRANSISTOR
WITH THE DIGITAL TESTERWHEN THE COLOR BROADCAST _ _, ?
WAS RECEIVEDINGOODCONDITIONANDPICTUREISNORMALo[::;_I _ h_)_ f_,_ _ .......
NOTE:THIS SCHEMATIC DIAGRAM IS THE LATEST AT THE TIME i _ o
OFPRINTING AND SUBJECTTO CHANGE WITHOUT NOTICE
VDD33 >
A I B I C I D I E I F I G I H
J-5 J-6

A I B I C I DI E I F I G I H
JACK SCHEMATIC DIAGRAM
(DIGITALPCB)
SPDIF OUT
VGA R R4303
\,\,\,
100
100
R4348
DB15ds
CP4303
-- I B630020
W842
0_4,0 VGA R
q/.'_ ' 1
VGA G 2
i ! ........................................._ VGA B 3
NC4 NC 4
-- DGND 5
..........; ..............; '---- AGNDAGND 76
_ Nf;d NC 9
-- DGND 18
NC.q NC 11
2.2K NC'_ DDCD 12
PCH ...........................................................................................................................................................................................................................................................................................................................................................................................................................................................................................*_A
....ZI) _ _: i_4_44,::i::_ ..........................................................................................................................................................................................................................................................................................................................................................................................................................................__ "C'4' VGAVSVGAHSDDBB
13
14
15
LOUT FI ;_
L4301
P,CON+9V
22uHNLCV32T
u_
>
# _ C4333
_ II
18 C
18V(2125)
AT+BV
EX__MUTER _""V:':_ I
MUTE SW O
Q4381
KTC3875S Y RTK
BUFFER
04384
KTC3875S Y RTK
5.8 _ MUTE SW
I _ Q4383
• KRAIO1SRTK
:_:_
R4326 8.7
)
40
i!o
BUFFER
Q4310
KTC3875S Y RTK
:_ _I _
4.7
1.3_
Z¸
BUFFER
04308
KTC3875S Y RT_
I
KTc3 7 I
BUFFER
04312
KTC3875S Y RTK
C4343 ,k_ AUDIO OUT
_ J4301
10 C
10V(2125) AV2 13P2 07H
8.7
C4344
_,_ 1_ _
10V(2125) /
R4318
%,',-
1K
R4319
1K /
NOTE:THIS SCHEMATIC DIAGRAM IS THE LATEST AT THE TIME
OFPRINTING AND SUBJECTTO CHANGE WITHOUT NOTICE NOTE:THE DCVOLTAGE AT EACH PART WAS MEASURED
WITH THE DIGITAL TESTER WHEN THE COLOR BROADCAST
WAS RECEIVEDIN GOODCONDITION AND PICTURE IS NORMAL.
_1 • DIGITAL AUDIO SIGNAL(PB)
_: AUDIO SIGNAL
_-._1R,SIGNAL
< G,SIGNAL
_( B,SIGNAL
I E
CAUTION: DIGITAL TRANSISTOR
?
FROM MICON
EXT MUTE H
II FROM/TO SCALER VIDEO/AUDIO
r:> PBV
................................................................................................> ....................PC H
VGA R
> VGA G
VGA B
< ROUT FI
.................................................................................................< ...................LOUT FI
< SPDIF
FRF)M REGULATOR2 I]
_" SPDIF OUT
GND
A I B I C I D I F I G I H
J-7 J-8

A I B I C I DI E I F I G I H
JACK2 SCHEMATIC DIAGRAM
(DIGITALPCB)
B4309 5 0
FCM16OSCF 600T06 O.1 B 68 DAUDIO DRIVER FCM1608KF 151T06
Q4306
KTC3875S Y RTK
R4203
JV/' _]DET
1K
S+COAXlAE
J4202
R102 D04KAF 06
J _
AV V N _ R4239 W855 W900
.... 100
R4271
AVI A IN R I"_ D4220
I B
10V(1608) I
AVI A IN E <. F;4#I I R4269
I B T T I ^IAiIK....
19V(1608) I I ..
zm
CVBS IN I
J4205
RCA 349 00C 02
,_,_
...................
CVBS IN 2
J4206
COMPONENT VIDEO IN 1
J4203
AV3 13P2 31S1
\\\\\\ FROM REGULATOR2
< DS.OV
(A GND) GND
IITO AV SWITCH
> DVIAIN L
> DVIAIN R
_> AV2/YUVAIN R
k...........................................> AV2/YUVAIN L
> AV1A IN R
> AV1A IN L
> AV1 Y IN
x _ AV1 D IN
[ITO SCALER VIDEO/AUDIO II
> AV3 Y IN
_ AV3 PBIN
> AV3 PR IN
_AV2 VIN
F.........................................- AVI VIN
L..........................................<- SPDIF OUT
NOTE:THIS SCHEMATIC DIAGRAM IS THE LATEST AT THE TIME
OF PRINTING AND SUBJECT TO CHANGEWITHOUT NOTICE_ NOTE:THE DC VOLTAGEAT EACH PART WAS MEASURED
WITH THE DIGITAL TESTER WHEN THE COLOR BROADCAST
WAS RECEIVEDIN GOOD CONDITION AND PICTURE IS NORMAL.
_::::_AUDIO SIGNAL
<%:.iCOLOR SIGNAL
_:i VIDEO SIGNAL
-_.<]COMPONENTSIGNAL(U)
%'._ LUMINANCE SIGNAL
_< COMPONENTSIGNAL(V)
DIGITAL AUDIO SIGNAL(PB)
A I B I C I D I E I E I G I H
J-9 J-10

A I g I C I DI E I F I G I H
LVDS SCHEMATIC DIAGRAM
(DIGITALPCB)
IFROMREOOLATOR2I] 332
W848 • 3.31
GND
D1.0V >
GND
SCALER
IC2801 RSJ66954BG
B2806
HCB1608KF 221T20
[12807
_, HCB1608KF 221T20
B2808
= 8Is
STS
B2804
T
B2803
HCB1608KF 221T20 _,
0
0
104
104
0
' 0
1,59
2.69
0
3.30
3.28
o
: o
1,04
0
C15 PLLAVCC 1
A17 PLLAVCC 2
D14 PLLAVSS
A18 PLLAVSS
E13 PLLDVDD 1
B17 PLLDVDD 2
E14 PLLDVSS
D15 PLLDVSS
E18 LPFP
D18 REFR
D17 VSS33BIAS
F17 VCC33BIAS
E17 VCC33LVDS
F18 VCC33LVDS
E16 VSS33LVDS
G17 VSS33LVDS
H17 VCCIOLVDS
J17 VSSIOLVDS
LVDSOOUTOM E19
LVDSOOUTOP F19
1.52
LVDSOOUT1M E20
1.52
LVDSOOUT1P E21
1.44
LVDSOOUT2M F20 1.33
LVDSOOUT2P F21
1.16
LVDSOCLKOUTM G18
1.37
LVDSOCLKOUTP G19
1.42
LVDSOOUT3M G20 1.17
LVDSOOUT3P G21
LVDSOOUT4M H20 NC
LVDSOOUT4P H21 NC
LVDS1OUTOM A19 NC
LVDS1OUTOP B19 NC
LVDS1OUT1M A20 NC
LVDS1OUT1P A21 NC
LVDS1OUT2M B20 NC
LVDS1OUT2P B21 NC
LVDS1CLKOUTM C19 NC
LVDS1CLKOUTP D19 NC
LVDS1OUT3M C20 NC
LVDSIOUT3P C21 NC
LVDS1OUT4M D20 NC
LVDS1OUT4P D21 NC
2
RSDSA H18 NC
RSDSB H19 NC
I[ TOTIMINGCONTROLLER ]1
1.52 NR2811 LCD TXOUTO
1.42 > _ LCD TXOUT0+
NR2810
> LCD TXOUTI
> LCD TXOUTI+
NOTE:THIS SCHEMATIC DIAGRAM IS THE LATEST AT THE TIME
OF PRINTING AND SUBJECT TO CHANGEWITHOUT NOTICE
NOTE:THEDC VOLTAGEAT EACHPART WAS MEASURED
WITH THE DIGITAL TESTER WHEN THE COLOR BROADCAST
WAS RECEIVED IN GOOD CONDITION AND PICTURE IS NORMAL.
LCD TXOUT2
LCD TXOUT2+
> LCD TXCLKOUT
> LCD TXCLKOUT+
R2800 22
¢,,_,,'_ # LCD TXOUT3
R2830,,,/ 22 LCD TXOUT3+
A I B I C I D I E I F I G I H
J-11 J-12

A I B I C I F I G HD I E
MICONSCHEMATICDIAGRAM
(DIGITAL PCB)
CP6202 (CP2202 1)
A2001WV2 3P
SUB MICON
DP6201
A2001WV 11A
1 GND 4
2 TX <
3 BUSY (MODE) <
4 NC _ NC
5VCC >
6 CLK (CNVSS) <
7 RX
8 NC " NC RESET
9 RESET
10 GND _ |
[
11 GND
CP4201 (CP2201)
A2001WV2 5P
CD4202
CU256501
FLASH WRITE TXD
MODE
AT+5V
CNVSS
FLASH WRITE RXD
R6201 100
&,\^
R6202.,UB_ 100
,2"i'_
W903 AT+SV i
t
R4280 5.0 5.0 l
i,P/
330 LED SW :/ _:
Q4212 ......
KRAI03SRTK O
R4283 470
DS,0V
LED SW
04211 !0 _0
KRCIO2SRTK _ :_: _ZBY: H
c_ NC NC
:z f:zO f;,_ O
_- Nc Nc ::
OUT,.
-- ,,.12 \2) ,,._j
>-_ >-;
TO JACK
W867 > EXT MUTE H
f
34 33
ca,/_ b5
3.4 [Q6201 0.5/_ _3
s.4'_,i_ QS2O2
2SK3019 T
i
i,
R6205
b-AA&
33K R6210
_AA
R62B6 471< iI
47K
W864
O1 K)
W870
R6231
--</%
47K
C6218
[01 B
3.4@, £, ASEMDQ_ 3.4
Cd' DTV RESET _ 100
,,._@ IV F;TL ,_)KEY A _
#_MAIN MICON TXD
:5.4:_
DVD POW_) ND
,\_) MODE ,_ HDMI CEC _
3.4 _% ,_ POWER FAIL SYS POWER _: 3.3
_/ EXT MUTE
EEPROM SD@ 3"4 lOO
R6223
NC\t_0rJADVD RESET ',_J)MAIN MICON RXD EEPROM S(_._'"\'\IOO
R6211 34 ,m _ _ mO
lOO o c_ x > x > ,
:: SUB MCON_ ,q% f2_ /p /,1% fc_ ,/p ,/7% f8% : R6228
C6202 <.J '\) 'k.) \L/ '\:_) k.) \%? '<.Y _%\t.,
R5F21124FpO5 O 3.4i 3.1 O 2.8i 3.4 3.3 4.7K
:: R6212 :: R6224
100 :: 4.7K
i;; i i R6225
%'V'_
4,7K
s_s S_i _s_
i = =
, :: _T_ :: STo_ ;;
i- -ii
oi
-i
<
<>
<
<
i <
> RESET N
> MCU SCITXD
MDU SCIRXD
12C DATA
12C CLK
AUDIO MUTE
IIC OFF
ASEMD0
i
i'
i'
i'
[ r -POWER FAIL
i i
i i 3.3V POWER H
i > SYS POWER H
; < AT+_V
i AT+.V
<
i < STBY H
i<DSOV
i>IV CTL
GND
>i >
CAUTION: DIGITAL TRANSISTOR
9
if,. ,_,7_q
t 4
NOTE:THIS SCHEMATIC DIAGRAM IS THE LATEST AT THE TIME
OF PRINTING AND SUBJECT TO CHANGEWITHOUT NOTICEo
CAUTION: DIGITAL TRANSISTOR
cI
NOTE:THE DC VOLTAGE AT EACH PART WAS MEASURED
WITH THE DIGITAL TESTERWHEN THE COLOR BROADCAST
WAS RECEIVEDIN GOODCONDITION AND PICTURE IS NORMAL.
a
A I B I D I E I F I G I H
J-13 J-14

A I B I C I DI E I F I G I H
SCALER POWER SCHEMATIC DIAGRAM
(DIGITALPCB)
FROMREOOLATORII
D3.3V
D10V :
GND
D1.8V
GND
B2810 3.36
I _ 3.36
HCB1608KF 221T20
3.36
W933
B2811
HCB1608KF 221T20
MS
?
103
o
o
103
o
o
o
o
o
o
o
o
o
o
o
o
o
SCALER
IC2801 RSJ66954BG
E5 VCCQ33
E6 VCCQ33
E11 VCCQ33
u_ vccQ33 ,oP....
U8 VCCQ33
E7 VDD
E9 VDD
E15 VDD
J9 VDD
J10 VDD
Jll VDD
J12 VDD
J13 VDD
K9 VDD
KI3 VDD
L9 VDD
_ VDD
VDD
M13 VDD
N9 VDD
NIO VDD
NIl VDD
N12 VDD
N13 VDD
T5 VDD
U6 VDD
U9 VDD
Core Power
A3.3V
M4 DVDDABC
MS DVSSABC
D3.3V
E8 VSS
El0 VSS
E12 VSS
K10 VSS
Kll VSS
K12 VSS
L10 VSS
Lll VSS
L12 VSS
M10 VSS
Mll VSS
M12 VSS
U7 VSS
GND D1.SV
AVDDA J4
AVDDB K4
AVDDC L4
ADVSS F5
ADVSS G£
ADVSS H4
ADVSS J5
ADVSS L5
PLLVDD P4
PLLVSS NE
DLLVDD T4
DLLVSS P5
VCC33AD A V3
VSS33AD A W
VCC33DA A Y4
VSS33DA A Y3
VDD33 J3
VDD33 U4
VSS33 HE
VSS33 RE
VDD33ADDAV2
VSS33ADDAU2
VDD18K3
VDD18T3
VSS18 K5
VSS18 R4
3.30 B2813 I[ FROM/TO SCALER VIDEO/AUDIO
3.30 BLM18PG121SN1D _" AD A3.3V
-
3.30 I
3.32 I
3.30 I
5
W972
B2815
BLM18PG121SN1D
B2816
BLM18PG121SN1D
B2817
BLM18PG121SN1D
A3.3V W930 W931
B2820
BLM18PG121SN1D
3.31
o°
3.30 B2821
_ _!_ BLM18PG121SN1_D
184 B2822
0u_ BLM18PG121SN1D
o
NOTE:THIS SCHEMATIC DIAGRAM IS THE EATESTAT THE TIME
OF PRINTING AND SUBJECT TO CHANGEWITHOUT NOTICE=
NOTE:THEDC VOLTAGE AT EACH PART WAS MEASURED
WITH THE DIGITAL TESTER WHEN THE COLOR BROADCAST
WAS RECEIVEDIN GOODCONDITION AND PICTURE IS NORMAL.
< D3.3V
TO HDMI
: VDD33
D3.3V
A I B I C I D I E I r I O I H
J-15 J-16

A I B I C I DI E I F I G I H
SOUND SCHEMATIC DIAGRAM
(DIGITALPCB)
DB.OV
SOUND_B >
R303
3.3K
SOUND GND
AT+SV
A MUTE
AUDIO MUTE >
P CON+9V >
W893
o! €<-;
R3414
'V'A,
1OK _
_I _ ° ,g
L3401
330uHNLCV32T
D3402 R3401
> [LL'_z I _'/'7', ,ROUT FI
10 C 100
IOV(2125)
LOUT FI > _
C3401
100
R3415
5.0
0 -- MUTE SW
RTK
MUTE SW
Q3409
KRA101SRTK
5.0
NOTE:THIS SCHEMATIC DIAGRAM IS THELATEST AT THE TIME NOTE:THEDC VOLTAGE AT EACH PARTWAS MEASURED
OF PRINTING AND SUBJECT TO CHANGEWITHOUT NOTICF_ WITH THE DIGITAL TESTERWHEN THE COLOR BROADCAST
WAS RECEIVEDIN GOODCONDITION AND PICTURE IS NORMAL.
IB
10V(1608)
0.2
R3428 O A:
1K \_/ MUTE SW
0Q3411
KTC3875S Y RTt_
SOUND AMP IC
IC302 AN17808B
o 0/ L
D349
25V1000 MHE
C350 1
:N
25V 1000 MHE
HS92
HS302
763WAA0368
BUFFERQ3401
KTD3875S Y RTK 9.0
44 -
d
8) 1.8
1 ,
C3415 R3425
I _-'W'_
I B IK
IOV(1608)
IB ,,_:
lOV(16o8) _.
i_ _UFFER
Q3412 gO
KTC3875S Y RTK
45 _L D3416 R3426
1._ _'V¢,_
2 _,1 B 1K
_ _ 10v(1608)
CAUTIONsmcETHESE PARTS MARKED BY _ ARE
CRITICAL FOR SAFETY,USE ONES
DESCRIBED INPARTS LISTONLY
ATTENTION LESP,ECES REPAREES PAR UN /"_ ETANT
DANDEREUSES AN POINT DE VUE SECURITE
N'UTILISERQUE CELLS DECRITES
DANS EA NOMENCEATURE DES PIECES
W865
W887
W888
CAUTION: DIGITAL TRANSISTOR CAUTION: DIGITAL TRANSISTOR
? t
I S
A2502WV2 4P
SP OUT L
GND
SP OUT R
DD302
E8147502
SPEAKER
2 _
3 :: 3 _, _ SPEAKER
A
_,::: AUDIO SIGNAL
AUDIO SlGNAL(REC)
SP304
FB136N4 B2
SP303
FB136N4 B2
A I B I C I D I E I r I H
J-17 J-18

A I B I C DI E I F I G I H
TUNERSCHEMATICDIAGRAM
L
t FROMRE U TOR2
D3.3V >
D5.OV >
TUNER+30V
GND
T
c_ c_
[E,ROM/TOSCALERVIDEO/AUDIO] •
2C DATA < > _/4°,! •
" I
>.O _f_ 50 SK3
12C CLI, 3.\_I_:_ BUFFER05801
I 2SK3019 TL ,,,
TO AV SWITCH
TU AUDIO R < .dl ._1
TU AUDIO L < _ •
I D5801
i 6.3V 220 VV_
I W831
i :>_K
TU 12C CLK
52°
_T_
_±_
8T_
TU 12C DATA
C5819 63V 220 V S
B5804 _:ibi
FCM1608KF 151T06
C5823 0.33 B
SIF OUT C5817 0.001 B
_'1o0 50_
"' o_
R5811 180K --_..,_
R5812W'A_100 :: 5N_>_
C5827'vV'' 2.2 B IOV 1"7S_
2.2,_ _
2.2__-"
C5830 2.2 B IOV 1 3_
_ "_
TUNER
TU AFT
T BTSC DEMODULATOR
IC5801 AN5832SA EIV
I
PILOT DET
PLL LR RL, ''_' -_ (10_}.0
vgc SAP DET ?_
2 g C5835 0.I B
NC NOISE DET _
INPUT SIF/BB } NC
SIF REF MUTE } NC
STEREO REF FOMO _ NC
SDA/SAPID MODE }NC
GND AGC SW }NC
PE IIC/PARA 5.0
<_2 4 C5837 0022 B
SCLISTID SPE FIL __ 101 B
24 C5838
AGC DET SPE DEL ¢2_13.3 B
05
ROUT SPE TIME __ I
_<£_2q C5840 0.33 B
LOUT WB DET k_;_ I
05 D5841 1
NC WB TIME@_ 110 _63V
L_F _NC
R5819 C5844 W932
R5820 C5845 W877
100 0.01 B
W878
_8
8_
CAUTION siNcETHESE PARTS MARKED BY ,::_ ARE
CRITICAL FOR SAFETY,USE ONES
DESCRIBED IN PARTS LIST ONLY
ATTENTION :LES PIECES REPAREESPAR UN ,_ ETANT
DANGEREUSESAN POINT DE VUE SECURITE
N!UTILISER QUE CELLS DECRITES
DANS LA NOMENCLATURE DES PIECES
167
15
8
107
0.70
1.67
0.69
, NEAR IC2401 R5823 _ - 3 28
2.81
Rs_22,v,L47 3:28
R5821 47 3.28
W+
NOTE:THIS SCHEMATIC DIAGRAM IS THE LATEST AT THE TIME
OF PRINTING AND SUBJECT TO CHANGEWITHOUT NOTICE,>
NOTE:THEDC VOLTAGEAT EACH PART WAS MEASURED
WITH THE DIGITAL TESTER WHEN THE COLOR BROADCAST
WAS RECEIVEDIN GOOD CONDITION AND PICTURE IS NORMAL.
I TO SCALER VIDEO/AUDIO
> TU CVBS
SCALER
IC2801 R8J66954BG
AA1 ADIN1
Y1 ADIN0
VSBADC
W2 ADVREF0
Y2 ADVREF1
AA2 ADVREF2
AA7 IF AGC I TUNER IF
AA5 MCUADINO3 MCU ADC
Y9 SICLO _ IIC0
AA9 SIDA0
_ TUNER VIDEO SIGNAL
_I_I CAPSTAN AFC SIGNAL
A I B I c I D I E I F I G I H
J-19 J-20

A I B I C I DI E I F I G I H
SCALER VIDEO/AUDIO SCHEMATIC DIAGRAM
(DIGITALPCB)
1 NOTE:THIS SCHEMATIC DIAGRAM ISTHE LATEST AT THE TIME
OF PRINTING AND StJBJECTTO CHANGE WITHOtJT NOTICE,
IC2801 RSJ66954BG SCALER
PC V...................._ ..........................,
PC H _ 4
VGA _ ....................._ .........................
VGA G......................_ ..........................4
VGA B _
SPDIF_
AV3 Y IN.................._ .........................,
AV3 PB IN _ ,
AV3 PR IN )
AV1V IN _ q
AV2V IN................._ ....................4
$1DET _ J
TU CVBS _ ,
HP RST.....................< ..........................,
I FROM SCALER POWER ]1
PC V 3.24
F J1 PCVIN
i PC H 3.24
-- KI SSINI
[ _C2946 1 01 B 3.24 K2 SSIN2
-- ,_ L1VIN3A
0
i TU CVBS _m_. C293911 0.1 B L2 VINIA
C2938 _0:] B _ ]:34 L3 VIN2A
_1 0.1 B 003 M1 VREFA
[ AV3 Y IN II_.> _I 0.1 B _ 192 M2 VIN4A
C2941 i 01 B 1.61
: M3 VRPA
SW C IN _. C2932 0.1 B _ 2.02
_j' II N1 VIN2B
..........................._?_281 .........................................................#:#2..................N2 VIN6A
VGA G _. C2927 10:1 B 0.91 N3 VINSA
C2942 0.1 B 3.20
........................_ F-- ........................................................................................................N4 VRMA
C2933 0.1 B 1.61
_ _ P1 VRPB
Ol B 134
I P2 VREFB
_AV:LPB tN i_ C2904aioJ B 3@ !:_5 PS VINSB
C2944 0.1 B 1.59
' C295_ _0:i B i:3i RI VREFC
,}TGA:B _" ..........C}92_ m : ........................................................O03................ R3R2VIN4BVRMB
C2936 01 B 161
1 TlVRRR
pAV3 pB_! N _._ 0:] B :67 T2 VIN2C
C2947 0.1 B 0.81
_ _ ........................................ U1 VRMC
c2_2%o:! s o u2VIN3C
[VGA-R _
C2929 0.1 B R2837 3.32
AD A3.3V _ _ - q_ 4//, V1 LPF
1K
FROM/TO AV SWITCH II
SW Y IN > ,
SW C IN
MCLK <
SDOUT >
BCLF_ < _ 4
ol°
I
8
s±
T
I I
[
NOTE:THEDC VOLTAGEAT EACH PART WAS MEASURED
WITH THE DIGITAL TESTER WHEN THE COLOR BROADCAST
WAS RECEIVEDIN GOODCONDITION AND PICTURE IS NORMAL.
<< B.SIGNAL
< G.SIGNAL
<'_ R.SIGNAL
-_._-_COLOR SIGNAL
I
W889
W890
ROUT
................................................LOUT.........
,÷tg__F:L_
SICE V9 3725 i 12C DATA
3.22
W _.
_ mSs_s_s
3.20 S
SCLKO(GPIO) AAO _ _- _ • ASW0
3,31
SRXDO(GPIO) Y8 i ASW]
STXD0(GPIO) W_ 3.28 ASW2 ASW2
R2850
QBLCA J21
3.31 47K 0.1 B 0.1 B LCD H
QBLCB(GPIO) J20 0
QBLCC(RXD0)J19
J18 -_ ..........................................
l R2847 4.7K
/JV'_,
3.30
V8
SCIRXD V7 3.26 MCU SCITXD
3.36 W882
MCU SCIRXD
llC OFF
C2968
SCISCK(GPIO) W7
TO SOUND
L_ > LOUT FI
I_ ROUT FI
TO JACK
> ROUT FI
> LOUT FI
VIDEO SIGNAL
_-_._1LUMINANCE SIGNAL _:::] AUDIO SIGNAL
_< TUNER VIDEO SIGNAL _ COMPONENTSIGNAL(U)
_L COMPONENT SIGNAL(V) _1 _ DIGITAL AUDIO SIGNAL(PB)
E I I
I FROM/TO TUNER I
120 CLK
<" 120 DATA
II0 OFF
> 120 CLK
_120 DATA
TO AV SWITCH ]]
ASWO
.........................._ .................ASW1
ASW2
..........................:>.................DVD H
I FROM/TO MIOON 1
.........................._ .................MOU SClRXD
- < MOU SClTXD
12C CLK
<p 120 DATA
1[ TOREGULATOR2 1
.....................> .............LCD H
LIGHT CTL
GND
< D3.3V
GND
< AT+3.3V
TO SCALER POWER 11
D3.3V
AIBIcI D rI H
J-21 J-22

f
/
A I B I C I DI E I F I G I H
AV SWITCH SCHEMATIC DIAGRAM
(DIGITALPCB)
L6551 _ T _ _ _ z!;
22uHNLCV32T I
R_8 _ AOD_O_ R_ _. Sf_ ._ "
..................................J,#,,'.........................I VJr /
R6559 3.3K AUDOR R6561 2.7K _ _, /
AUDIO ADC •
IC6551 AKS358A
:: 3.28 f_ 0R6566
....._62_,_!_............................__, .................................................................................._,_.............
:: 10V(2125) "[ \- 4.7K I /
__' ANL CKS2_ _'t_Sz_L I /
10V(2125) 1 \i 417K I I
5.28 JN /__ 3.60 I /
C6557 _-_ 272 ]352 _ /
2.2 B "]" /
1OV(2125) O fm _'-_, 360 /
/ I /
o_p_ ,_28_i _ _2 ,
_o'o T _- ,_VA MCLm I
10V(2125) 360 £, _ 3521 / :: I
C6556 I {_) VD LRCFX_' I::
_ I o 7 i _ / i x_l
Lc°S "L_/' ': _ 100DT01217
.........................................................................................................._: ] ._
10 C _
1OVI(_ICG) ii I
c656o :: 7@ O)l
/ I o Dc
::::::::::::tT
/
Lch SW IC
IC6552 NJM2534V
OJ\J ] A _ C6570
4.0 sJm SL_ER _L 3.3 10V(2125) ASWO
g\L,_,' ' _:-_*L/A_ >s_x:'u TU AUDIO L
"<<::::::"t1::/ T T
Rch SW IC /
IC6553 NJM2534V I
0._'_/_ F_'_ 4.3 ¢;6571 _. SW R
40 _ _:'_L, _l_ I/ 10V(2125)
'I@XiX_I I 10 C
Lch SW IC
I06557 NJM2534V
/ k._ 143
9/Z :i S_&I 48
....,r)'IG 1"._S,:
3.2
4
Rch SW IC
IC6558 NJM2534V
0_[_ _ _]X43
,,r--# I i f_i \ J
93 2, / #_ L L_4 7, 4"_
1- Y::@ss/
4.9 _ /N3.2
AVI AIN L
ASW2 4
<_, DV2/YUV--A_!N_[
DVI AIN R
SW Y IN
AVI Y IN
SW C IN
" <> LRCK
............................................_- SDOUT
<> BCLK
< MCLK
F < ASW0
i
b............................................_- SW Y IN
i> SW C IN
i < ASW1
i.............................................<- DVD H
<TU AUDIO L
.............................................TU AUDIO R
!.............................................<- AVI Y IN
AVI C IN
...................................< DVI A IN L
< DVI A IN R
AV2/YUV A IN L
< AV2/YUV A IN R
i- _ AVI A IN L
< AVI A IN R
RESET N
............................................< PCON+9V
_: D3.3V
< D5.0V
GND
NOTE:THIS SCHEMATIC DIAGRAM IS THE LATEST ATTHE TIME
OF PRINTING AND SUBJECT TO CHANGEWITHOUT NOTICB NOTE:THE DC VOLTAGE AT EACH PART WAS MEASURED
WITH THE DIGITAL TESTERWHEN THE COLOR BROADCAST
WAS RECEIVEDIN GOOD CONDITION AND PICTURE IS NORMAL.
_ AUDIO SIGNAL
_I CAPSTAN AFC SIGNAL
A I B I c I D I E I F I G I H
J-23 J-24

A I B I C I DI E I F I G I H
[ FROM/TO REGULATOR
CP3001 (CP411 2)
127301123K2
23 SOUND+B
22 SOUND+B
21 SOUND GND
20 SOUND GND
19 GND
10 GND
17 GND
16 SW+12V
5 SW+12V
14 STBY H/VS DET
13 SYS POWER H
12 LIGHT POWER t
11 INVETER H
10 AT+SV
9 AT+5V
POWER FAIL
GND
i GND
GND
TUNER+30V
P,CON+SV
DTV+B
DTV+B
HCB3216KF-391T20
SOUND GND
HCB3216KF391T20
> ................................
7i:w!'
B3011 TUNER+30V
HCB3216KF 391T20
_ ST_N
B3(E_H14 P CON+5V
HCB3216KF 391T20
REGULATOR2SCHEMATIC
(DIGITAL PCB)
TO FLASH
DIAGRAM D3.3
_INVETER H
R3031 b.........................GND
.......................................................i_ .........................................................................I > D3.3V JIG
NDo/5.o/
r,.a) '\z) kU1
ND GND S{/I _ V +D1.SV
_t _ _ GND
,. ou
l : --o
). 3.30 > D5.0V
......................................................................................................................................................................................................................................................t_!±_,_ ...................................................................................................................4 I_IDE@AUDIO ]1
_±°_ _±_ L _ AT+3.3v
s _ _ _U _UGHTCTL
_ _q _GND
I _ _ F D3.3V
NOTE:THEDC VOLTAGE AT EACH PART WAS MEASURED
WITH THE DIGITAL TESTER WHEN THE COLOR BROADCAST
WAS RECEIVEDIN GOOD CONDITION AND PICTURE IS NORMAL.
NOTE:THIS SCHEMATIC DIAGRAM IS THE LATEST AT THE TIME
OF PRINTING AND SUBJECTTO CHANGE WITHOUT NOTICE
CAUTIONs,NCETHESE PARTS MARKED BY _ ARE
CRITICALFOR SAFETY,USE ONES
DESCRIBED IN PARTS LISTONLY ,
ATTENTION:LESP,ECES REPAREES PAR UN 4, ETANT
DANGEREUSES AN POINT DE VUE SECURITE
N:UTILISERQUE CELLS DECRITES
DANS LA NOMENCLATURE DES PIECES
CAUTION: DIGITAL TRANSISTOR
?
!_'\9V REGULATOR
IC3008 KIA78D09F
3.3V POWER H R3010
......... ,_/%__
IK
D3.3V
VCCIOV DC/DC
R3022 0.047 1/4W 2125
2.%
i R3020 0.047 1/4W 2125
W894 W904
R3016 R3018
GND
VCC+3.3V DC/DC
for CORE
,:L 1.0V REGURATOR
IC3003 PQO35ZN1HZPH
D D
G D D
R3024 R3025
1.SK 220
+1% +1% _:
R3007
'/v%
lOO
(typ 1 ,SA)
L300_
(SCALER:typ 1800mA)
D3.3V JIG
83006
BLM18PG181SN1D
B3007
BLM18PG181SN1D
L3003
8 o 8 ' _
D1,SV
(DDR2:typ 1095mA)
/
<
p>-TUNER+BOV
> P.CON+9V
>AT+SV
SOUND GND
i
_D3.3V
i_ D1.0V
i
_GND
._SYS POWER H
i
_ _-3.3V POWER H
> AT+3 3V
b<STBY H
i
b -_ IV CTL
i_POWER FAIL
_>AT+SV
- GND
_DS.0V
TO SCALER POWER
GND
k _ D3.3V
i
_DI .SV
b > D1.0V
I[ TOAVSWITCH
'- _ P,CON+9V
+D5.0V
_ D3.3V
- GND
.............>D5.0V
P _ P,CON+9V
I[ TOTIMINGCONTROLLER 1
LCD+B
A I B I C I D I E I F I G I H
J-25 J-26

A I I C F I G I H
EEPROMIC _
FROM REGULATOR2
LCD+B >
JG12790' NC
LCD TXOUTO
LCD
LCD TXOUTI
LCD
LCD TXOUT2
LCD TXOUT2÷
LCD
LCD TXOUT3_
B
TCON E2PROM
CP1201 A2OOIWV2 5P
VDDD
SCL P
SDA P
B1201
BLM21PG300SNID
D I E I
TIMING CONTROLLERSCHEMATIC DIAGRAM
(RSDS:ReducedSwing Differential Signaling)
(DIGITALPCB)
GND
CAUTIONs,NCETHESE PARTS MARKED BY /'\ARE
CRITICAL FOR SAFETY,USE ONES
DESCRIBED IN PARTS LISTONLY o
>
r_
oO
Z
(D
ATTENTION:LESPIeces REPAREES PAR UN _ ETANT
DANGEREUSES AN POINT DE VUE SECURITE
N_UTILISERQUE CELLS DECRITES
DANS LA NOMENCLATURE DES PIECES
JG1222E}_
C1205 10 C 6.3V(2125)
C 613V(2125)
.>
_T_
NOTE:THIS SCHEMATIC DIAGRAM IS THE EATESTAT THE TIME
OF PRINTING AND SUBJECT TO CHANGEWITHOtJT NOTICE°
}
fi _ . #RSDS GND) : - -" > 2 VGMA2
TZ C1222 T F_
] :01 B ] u_ < VGMA3
...............................€ .- , _ £
[ 01 B J ca _a _ _/ _ _ _} _/ _ ca _ ca _J ca _ ca ca _ ca ca ca _j ca ca _ _/_Z _ _ ._T_-
<0 o co o _ _ VGMA6
VDD15 _ __ ca
DDD I / /', ;
:$ _@ _ $ _ _ $$ _@$_@$_o_$$_@$$_o$o ....................................................VGMA9
C121 • 0 4_ VSS > ca ca ca _ ca _ o @_ _ c o @_ _ ¢n c_ c_ c_ c_ c_ c_ c_ c_ _ _ PI I s VGMA 2
_, " _\ VDD33 VDDBG _ _ _1 i B3+FI 51233 BLM15AG121SN1D B3P F
c_ c_ _ VDDBG JG124g < VGMA 3
\_ ',_ _ i " _ -- B3P F
STHF 0 _<_O STH11 L B3P _2"20 B3+F ] _B1234 BLM15AG121SN1D B3N F _JG 250 .........................................................VGMA14
............................................................................................................................................................................... _) ........................................... B3N F
_ NC,_OSTH21 LBBE_210 53:[ ]i B2+FI B235 BLMSAG21SNDB2PF _)JG1251 < VGMA15
01 B _ 160 #_SVDDlC L B2P_ \'2"36 ; B2+FI J 52 FI 51236 BLM15AG121SN10 B2N F L_ G 252 4 VGMA16
L_ _ __/ _ ' B2N F
:: 0 L/CO_vss /_' /-_ L B2M _j_ 2.20 _ B2 F J ;; B +F B 237 BLM SAG 213N D B P F _JG1253 VGMA17
L_ " _71 VDD15 _7_ VSSBG "R i " _ -- _ B1PF
. [LVDS GND) 0 _&_ VSS3EV /'/ _: LBP %_Z_ B_+H _ i B1FI B1238 BLM15AG121SN1D B1N F OJG1254 < VGMA18
............................ ............................................................................... ,L77_ VSS \3_' VDD15 L B M _1239 BLM15AG121SN1D BOPF _JG1255 _10_ _ .........................................................CS1
:: L _JL&# 148 _RAP C_D_ 0 ; B0F B240 BLM 5AG21SNDBONF 0JG1256 < CS2
:: R1222 100 1/10W+ 1% 148 _._,_ ........ _-_># 2.24 B0 F [ " _ - . B0N F _ CS3
[¢_ R1BM L BOPt_ + J
/,,,,,,' 1_ _<R1BP EBOM__ ' G3+F B24 BEM5AG21SNDG3PF OJG1257 CS4
R1223 1001/10W 1_ 1 48 P:'_ 212 G3 FI < CS5
[ . +_ 0o "_-" RICM L GSP _ _J ] G3 F B 242 BLM SAG 213N DG3N F _JG1258
; T _ "_' i " _ - G3N F
............................_......................._v:{_ ............................................................................................ L G3M ] _B1243 BLM15AG121SN1DG2P F _JG1259 ..... ...................................................CS6
k _ R]2241001/10W+-1% !:36 '_R1CEKM LG2P,_?Z24 k GZ+F'_I j :: G2-F,_1244 BLM15AG121SN1DG2N F @JG1260 G2'N'F < CS7
:: / •,,............. 1.36 L_:_#R1CLKP L G2M__ GI+FI B 245 BLM 5AG 213N DG1PF 0JG1261 _nc < CS8
R1225 100 1/10W+ 1% 1.52 /'_o #/_% 3.50 i C1230 , G1-FI B1246 BLM15AG1213N1DG1N F _ CS9
/,_ _ _R1DM VDDRS':_ _01 B ....G0+F _1247 BLM 5A_
_-'vVV C1209 1.44 _ R1DP L GIP _'_ Z._Z GI+FI J i " " GOFI_]248 BEM15AG121SN]DGON-[ OJG1263 < CS10
_CVDDdB1202 "BLMSPG3303NO 01 B ViD3LV 3,18 _ _i _-Fl] i _,G1264 GOPF VCOM
"I ..............'................:.....................,_ VDD3LV L G1M,_) .... i bbrl _1 i L1203 OLW21HN9003Q2L _GON F ........................................................
iiJCCDt 51203 BLM18PG330SN1D I _-- VOD15LV 1:60 _ VDD15EV TCON ROSA OD,r'l?n? L GOP,_+FI d__ i CK+F' CLKP F (_)G!26_ CLKP F < GSP
VSS15LV R8JG'6_f1FT LGOM__ i ._[! ........... ' ............. CONV
___ _ws EF;E,<_,,__ i .............."-': _-'_..........
• _, _3h • CK F i XJG 267 < GCK
-_ VDD33 L CLKId,_ ,_mu i CK-FI _1 ;; _R3P F
_ C1211 01 B 156 L_ _ _ ...................... JG1268 _ VDDD
C1212 0.1 B 0 _ _< Z.O0 i I:L_+FI ] i R3 e _ 250 BLM SAG 2]SN DR3NF ¢)JG1269 ...........................................................VGH
_ IO GPIO 0 L R3P,\_}" p R2+FI _ 251 BLM SAG 213N DR2P FI iI R2P F
0 __<_ O GP O L RSM/&i\'_z8 _ El -J i " R2:€i 5i292 gEMi_A_i215NitiR2N-_ _]G1270 _ _ VGE
SCL P 3.44 /&" SCLI L R2P #"-__] :: (_JG1271 < POL
SDA L R2MZ__] ii .RI+FI _B51253 BLM15AG1213N1[R1P F _JG1272 _11PNFF < STHF
0 _2" "/2.24 RI+FI RIZFJ B]254 BLM]BAG121SN1[RIN-F [ _JG1273 ........................................................VDDA
...................................................................................................................................................................................... L R1P __ROP F
:; t:Z: #'_'WDD1 ....: _ #._ L R1M _:az\; R]:[[ j R0-FI _B1256 BLM15AG121SN1[RON F _RON'JG1274 F ::
_C1213 0.1 B 0 _ _ _09 VSSSD 1_ VSS _ "\_2_i _lo+FFl__ i "-
__2 _o_plo_ _ .... " LROpEL-_ i
_:o"10 GPIO 7 _10 VDDSD L2) I TEST L ROM,_D _ ::
_5 TESTMODE " VDDRS,_< 3_2 _ _ 1.5V REGULATOR 'C
_ 0 C1231 0.1 Bj A\1C1203 EC50117ABG :: __
..................................................................................................................................................................................'1 TESTCLK VSS k_'_) i _0 .................................................._;_:_ /.........................................................................I FROM/TO REGULATOR3 1
IIC OFF P " '_1 RESET o _ VDD15f_ _, " ' L
, / -340 _VDD33 _ o_ S £ o o S £ S, S, mm £ S, S, S £ o, S, S £ _, on, o, mm £ o, on, u_, mm £ _, on, _ S ,,/'4} 047K , _ ...........................................................VCC+12V
-_ _ i_ _ i i> _ o o > > o o > > o o > > o o o > > o o o > > o o > > -_ _
............... i_] _10_1 _1_Lll;_1_1_4_1_11_1_1_1_12_2_2_ _2)a_: _2(_2_2_2_13_131d3_3]_3>_3_3.Y_3_14_41d4_4_4_ _ o _ ....
_i i>-:__ -_[_[_i_ i _ _#_A:_I :_I i _ IS,>: :: i i />_ ' I_ v_>._'..................o,#_ ..........................................................GCK
i BLM18PGSSOSN1D i i _ _ J i _ >> J @_ :: i SJ 5 [ S Z :: _ --
•' _ i _' i c_i:_ *, , _ Soo £
k/ /6.3v(2125) o o _ :_: :_: : _' l °° I I h I h >: J J
B1208 BLM18PG330SNID
_ __>_± _± b_? _± _± _
-- i i i 1 i 1 1 i i i i 1 . 1 i- i- i -- i- GND
NOTE:THE DC VOLTAGE AT EACH PART WAS MEASURED
WITH THE DIGITAL TESTER WHEN THE COLOR BROADCAST
WAS RECEIVED IN GOOD CONDITION AND PICTURE IS NORMAL,
PANELCONNECTOR
CNSLi
1_ CNSR A
AIBIcI D I EIFI G I H
J-27 J-28

8
7
A I I C I D I E H
CONV
vi
_/JG12
_)JG12
<: _, o
.q
Icsw
IC SW
Q1208 AO6604
Icsw
Q1209 AO6604
o
NC _;;
% ,% r,=-
N{.{_,PD7 {_,PB71XTAL2 _ PD3 PD0t_/_NC
3.80 A-J-_ PD5/T1 _2_ PD2 "i"
,_ PB5/SCK #_,PC1/ADC1
MICON TC
IC1204
ATMEGA48 2OAU
i C13211 0.1 B25V q
R1338 R1339 1 II i 2.40
.Wv--:,I\",
1.8K I/IOW + I% 82 I/IOW+ I%
C1320 25V 040
PC4/ADC4:-_:_ 3.20 CSA5 01 B R1337 3.20
" " _ ' ' / 'AA,
CSA4 R1336 1_ 100 1/1OW+ 1% j 4.20
--*A_,
NOTE:THIS SCHEMATIC DIAGRAM IS THE LATEST AT THE TIME
OF PRINTING AND SUBJECT TO CHANGEWITHOUT NOTICC
NOTE:THE DC VOLTAGE AT EACH PART WAS MEASURED
WITH THE DIGITAL TESTER WHEN THE COLOR BROADCAST
WAS RECEIVED IN GOOD CONDITION AND PICTURE IS NORMAL.
AI
J-29
0 iqx _ @ _ < /m340
_d, _ _ _ z O S _o. : CSA3
T< < < < < _ TC 319 0 B 25V
oIoI =o o =coo
S_ _ Z _ i o__B25v
\
o,
820 + 1% ii 420
R1334 R1335 1 i
1K I/1OW+ 1% 47 + 1%
R1332 1 R1333 1 _i :
i:,,'V_ ,V'iv_ _ d
820+ 1% 150 + 1% _ :_'o
, AI
#i h 8.20
,BI COMb _
_1_ 13.4
/_113"7
, DI _37_ Pl QI t_ .................................
I F I o I
TIMING CONTROLLER2 SCHEMATIC DIAGRAM
(DIGITAL PCB)
_Lo_ (RSDS:ReducedSwing Differential Signaling)
IC SW l
Q1213 AO6604 l
__ 088_ 0_1204_2081wv24_
_'IQ: _7.90 { k _Dc VDDD 4
7.90 /J_j_ $2 SI_] 5786 / _ scLSDATCTc 23
51_8_ _. _1_o ............................_"° 1
C1281
R1351 17 #5.6K +1% '
R1350 1 ,,. 300 + 1% R1349 1 '< 43K + 1% '
d} JG1323 7V1" AzV
T
,_ _30_1 R1307 I
'V,/v : ,,",'<',_ C 1304
580 + 1% 82 l/lOW + 1% _ 01 B 25V
vw..... iv%_ / IC1301
1.8K 1/10W+ 1% 82 1/1OW+)W+1%_1% C1306C306 I_0 1 B 25V | AP431AWLA I
_}/,,, 1K l/lOW + 1% \&,_]OOO AnlJdeCathod .... I
i _ c1144i I' L JG1"322 _/ S/
178
i [ + 0.5% + 0.5% R13_ 1
' 11 _W New! l/lOW ,_,,,'V, I_I
"R1301 1 JG13210 3. + 1%
_:_7_1_J I 81302 iO.1 B 25V
150 + 1% _ C 30311 0 B 25V
3216 CS08B0317K
_CS2
> CS3
C84
_- CS5
C86
_CS7
CNSL , _ o38
QSOCNA222WJZ_y > CS9
Im CSIO
I > VGMA1
I_VGMA2
• I _. > VGMA3
h I _ VGMA4
I m VGMA5
lO I _" _ VGMA6
_I_VGMA7
13 _ > VGMA8
> VGMA9
lsl
161 _ VGMA1O
171 _ _ VGMA11
181
191 _VGMA12
20 _ > VGMA13
22 > VGMA14
23 m VGMA15
24
25 _ _ VGMA16
26 _VGMA17
27
28 "> VGMA18
29 ......_ VCOM
30 _" VGL
34
32 _" > VGH
33 _GCK
i
351 _" > GOE
37
3_I _RON
39
I _ > ROP F
4O
41 _RIN F
43 ) _ RIP F
R2N F
45 _- R2P F
43
> R3N F
:: _R3PF
49
_ _ CLKN F
52
53 ) _" CONV
54 > STHF
55
56 _POL
57 > G0N F
5t
6oI _ GOP F
61 _" GIN F
63124 _ G1PF
_G2N F
i
651 _. _ G2P F
_71_ _3._
_ I _BOP F
73 ) _ BIN F
> B1P F
751
761 _ B2N F
7tl _" :> B2P F
791 _B3N F
8oi > B3P F
B I c I D I E I F I O I H J-30

A I B I C I DI E I F I G I H
REGULATOR3 SCHEMATIC DIAGRAM
(DIGITALPCB)
>
D3501
BAT54WS
15.3 _ 152 T
_:<--'_ _TO _ 7,60/ Q3507 /
c_J_ _1 _ I AO3407 I_
- T _ _! _
0 0 _q_ _ S >
+ 0 .5 R3525
-- SW _ "7\/V _ I
Q3508 k(-£, 22K 1/10W_+ 11 I
.o.4Ol.
: _ ,z: -\Oh
_+ KI/
P
_i_ _ _ _IIIM_
_ _ °'°_w4_
! MMBT4401 SMAB34
I • _£.,_ 123
19 D
" '__ 11.9 T i d Q35O6
-I _ I_ _ I_L oSiAO3400_
ST° s_>_ m 12/ 0i 03505 I
| _ 0 _Sp MMBT4403
/
_<_ 0 0350_, ,
CDRHI04RNP 100NC
C3517
12.35 3.30 L3502
R3513 t _k_ _ 10uHvCY_DRH104R
1K 1/10W 03511 Iossos111,o6
MMBT4401 11.66 AO3407
11.O6 _ 12.35 0 , _, 11.06
1166 I 0S5V_/8 F_I_
MMOT44031 I
," _
W937 (_ JG3501
D3505
BAT54S 215
W938
VREF
DTC1 R%5_2
_ 6.3 %'_ 148 .... 03516 c_ [o_
i 6.;: TMM°T44°1-
? ?
0.2 ,_J\, _ :_
_°1 0351o
_'_ •MMBT4401 i
SW
03513
MMBT4401
3517
_BT4403
4
W943
o
NOTE:THIS SCHEMATIC DIAGRAM IS THE LATEST AT THE TIME
OF PRINTING AND SUBJECT TO CHANGEWITHOUT NOTICF_ NOTE:THE DC VOLTAGEAT EACH PART WAS MEASURED
WITH THE DIGITAL TESTER WHEN THE COLOR BROADCAST
WAS RECEIVED IN GOOD CONDITION AND PICTURE IS NORMAL.
NOTE:THE DC VOLTAGE EACH PART WAS
MEASURED WITH THE DIGITALTESTER
DURING PLAYBACK.
I[ FROM/TO TIMING CONTROLLER]I
:VCC+12V
> VDDA
> VGL
GND
> VDDD
VGH
_GCK
A I B I C I D I E I r I G I H
J-31 J-32

8
7
A I
/'\ F4Ol Ni\
6.3A125V /_ \
51MS063L
EYF 52BCY EYF 52BCY _] I
_\ _ I I I
CD3005 J401 _/
P201 2476 2 CCT2302 0901C _
___ BEARK _
:li2
[
CHASSIS GND _ [ [
x
A
TH401
ID2 18ECS
D405
--" [
1N5406FL 6737
D407
1N5406FL 6737
ACCESSOR_
BT002
GR6M
[_] TM101
R56 1260
BT001
GR6M
CAUTION :FOR CONTINUED PROTECTION AGAINST FIRE HAZARD,
REPLACE ONLY WITH THE SAME TYPE FUSE
6.3A 125V(F401)
ATTENTION :POUR UNE PROTECTION CONTINUE LES RISQUES D'INCEIE
N'UTILISEROUE DES FUSIBLE DE MEME TYPE
6.3A 125V(F401)
B I C I DI E I F I G I H
POWERSCHEMATIC DIAGRAM AT+34V
(POWER PCB)
COIL,LINE FILTER COIL,LINE FILTER 1N4005 EIC
L401 E402
SS30V R300071 SS30V R300071
D432
RLI06F E
Q401 _ _ [ _
VCCSW
19.0 _ _, 19.0 .........................................................................................................................................
_,_"_./ R463 T R469
_, ._ £,'/ , ,_ A/V,
i_.u _ _ 22K _ II _ PROTECT IOK
I _ D408 _ Q404 KTA1504S Y RTK
1_ I1SS133T =_ 71'<_0[ I ovP PROTECT
IC405
Iol I _ _ PS2561AL1 1 V(W)
o± 0 i
[ !i _ i [
KRCI02SRTK 0 l KTC3075S Y RTK K}_# _±_Z _ _'A ,
. , i " II POWE--R _W _2'_'--LNJ'
[ 1C406
[ PS2561AE1 1 V(W) I
R412
,/_ 0.22 IW
POWER CONTROL IC
IC401 MP3A5038
C407 1
35V I_0 MFE
CAUTION: #,,_ IS THE LIVE CONNECTION
NOTE:THERESISTORMARKEDF IS FUSERESISTOR.
THE ALUMI ELECTROLYTICCAPACITORMARKEDNP
IS NONPOLARONE.
NOTE:THISSCHEMATICDIAGRAMISTHELATESTATTHETIME
OFPRINTINGANDSUBJECTTOCHANGEWITHOUTNOTICE
NOTE:THEDC VOLTAGEAT EACH PART WAS MEASURED
WITH THE DIGITAL TESTERWHEN THE COLOR BROADCAST
WAS RECEIVEDIN GOOD CONDITION AND PICTURE IS NORMAL.
I
I
i
1.0
15 1/4W
REGULATOR IC
IC404
KIA431A AT
i
II TO POWER2
> > AT+5.3V
,....................>SW+I 2V[UNREG]
> P GND
TO INVERTER
R475 D413
_ 220 1/4W MTZJ30B " _ INV SW+24V
,R?o AT+_.3v--,NV PGNO
t/ ......................................._Y_i_iYt:_..................................................._o _Z,................................................................................................................
Z:::_ IO412
KTC3875S Y RTK R477 SYS POWER
"Io -- , • V\"_
/,_, J 2.2 _ 4.7K 1/4W
h........................................_: .........................................................................................................................................P__N_
1 6.0
'_8"IVcc I6V _' NC _ D435
\_J
_i 12.5 ERC91 02
12V 'U_ ................................
_- 0 . & , _'\ D440
GNDt 12_ :i 'i--_ 'IM YG862C 5R
_j 24._i _i
4-d9.ot
S+B ,_ .........................A R432 C401
[ 221w 2KV0001_R
S GNB_'¢_ DI:_ ' Z D436 IB R
i'T;*Lg,FBH10A20.
HS406 _ _9 _D£/
763WAAA143_:Ii>_I
_\ FEEDBACK
IC400
PS2561AL1 1V(W)
L
R438
2.2K i
1/4W i
R503 470 1/2W
R446 1
%,\
1OK 1/4W
W820
C437 1
IF
100V 0033 MMTS
SOUND+B
........................................................................................................................_qUNP_GNP
L411
..................................#db': ...............................................................
i
10uH TSL0800
_z
P GND
1[ FROM/TO REGULATOR]]
_T+34V 5
" _ AT+5.3V
........................_POWER FAIL
" < SYS POWER H
SOUND+B
"SOUNDGND
>........................................PGND
C495
_F
220P CH
_ REGULATOR IC
IC403 KIA431A AT
CAtJTION: DIGITAL TRANSISTOR
?
;4
CAUTION SINCE THESE PARTS MARKED BY <::_ ARE
CRITICAL FOR SAFETY,USE ONES
DESCRIBED IN PARTS LIST ONLY o
ATTENTION :LESPIECES REPAREES PAR UN _ ETANT
DANGEREUSES AN POINT DE VUE SECURITE
N UTILISERQUE CELLS DECRITES
DANS LA NOMENCLATURE DES PIECES
A I B I C I D I E I r I G I H
J-33 J-34

A I B I C I DI E I F I G I H
POWER2 SCHEMATIC DIAGRAM
(POWER PCB)
FROMROWER]I
SW+12V[UNREG] >
P GND
CAUTION :FOR CONTINUED PROTECTION AGAINST FIREHAZARD,
REPLACE ONLY WITH THE SAME TYPE FUSEI.6V125V(F404).
ATTENTION :POUR UNE PROTECTION CONTINUE LES RISQUES D'INCEIE
N'UTILISERQUE DES FUSIBLE DE MEME TYPE 1.6V125V(F404).
CAUTION :F404ISMANUFACTURED BY SKYGATE CO.,LTD.,TYPE 20N.
SW+12V
F404
SW+]2V[UNREG] _)
20N 2000FS
2A125V
12.8
10()" SW+I2V REG \r_-
Q420 4,5
KTC3198
o
..........LGNr_..........................................................................................
AT+5.3V
SYS_POWER_H
SW+12VREG :_
Q422 _
KTB1151 I
_, 13.5 5.2 I
/' '_J T
#_%_ // o
45 SW+12VREG
>
P,CON+SVSW
Q417
KTA1281Y L404
5.2_ 5.2 22uH
?
_ 4:4+ TSLO808
4.41 _ i'_
ol_z o
_4
P.CON+5V
TO REGULATOR
:'_SW+12V
_ P,CON+SV
GND
> SYS POWER H
NOTE:THIS SCHEMATIC DIAGRAM IS THE LATEST AT THE TIME
OF PRINTING AND SUBJECT TO CHANGE WITHOUT NOTICE
NOTE:THE DCVOLTAGEAT EACH PARTWAS MEASURED
WITH THE DIGITAL TESTERWHEN THE COLOR BROADCAST
WAS RECEIVED IN GOOD CONDITION AND PICTURE IS NORMAL.
CAUTIONsmcETHESE PARTS MARKED BY _ ARE
CRITICAL FOR SAFETY,USE ONES
DESCRIBED IN PARTS LISTONLY o
ATTENTION:LESPIECES REPAREES PAR UN _'_ ETANT
DANGEREUSES AN POINT DE VUE SECURITE
N UTILISERQUE CELLS DECRITES
DANS LA NOMENCLATURE DES PIECES
A I B I C I D I E I E I G I H
J-35 J-36

A I g I C I DI E I F I G I H
REGULATOR SCHEMATIC DIAGRAM
(POWER PCB)
SW+12V ...........................> ........................................................
PCON+5V
GND
SYS POWERH <
FROM/TO POWE_I
AT+34V .............................> ........................................................
AT+g.3V >
POWER FAIL <
SYS POWER 44 ........................_ .......................................................
SOUND IB >
SOUND GND
PGNB .......................................................................................
TO INVERTER ]]
INVERTER H<
LIGHT CTL _
TU+32VSW
Q409
KTA1504S Y RTK
f
/
0 PCON SW
Q410 C7083
_HND P GND
NOTE:THIS SCHEMATIC DIAGRAM IS THE LATEST AT THE TIME
OF PRINTING AND SUBJECT TO CHANGEWITHOUT NOTICF_
NOTE:THEDC VOLTAGEAT EACH PARTWAS MEASURED
WITH THE DIGITAL TESTERWHEN THE COLOR BROADCAST
WAS RECEIVED IN GOOD CONDITION AND PICTURE IS NORMAL.
CAUTION: DIGITAL TRANSISTOR
SOUND+B
L SOUND GND
L GND
LSW+12V
_SYS_POWER_H
LLIGHT CTL
[INVERTER H
i AT+5.3V
i POWER_FAIL
TUNERt3()Y ..............
L P.CON+5V
DTV+B
W829
I[ FROM/TO REGULATOR2]I
CP411 2(CP3001)
TWG P23P A1
DTV+B 1
DTV+B
P,CON+SV
..................................................................................................> ........ TUNER+30V 4
..........................................................._ GNDGND i5
GND
> POWER FAIL
AT+S.3V 9
AT+S.3V 10
INVETER H 11
LIGHTE CTL 12
POWER ON H 13
STAND BY H 14
1
SW+12V
SW+12V 16
GND 17
GND 18
GND 19
SOUND GND 20
SOUND GND 21
SOUND+B 22
SOUND+B 23
DTV+B= USA:DTV+lSV
EC:DTV+4V
A I B I C I D I E I E I G I H
J-37 J-38

A I B I C I DI E I F I G I H
INVERTERSCHEMATIC DIAGRAM
(POWER PCB)
INV SW+24V >
INV PGND
W828 R7079
LIGHTCTb _ <.1 bO "VV\
47K
INVERTER t_ R7080
_v\Iv
IK I/4W
W830
F7002 L7002
1206FA5A T 1OuHTSL0808
5A 32V
!!i\ F7OOl L7OO_
1206FA5A T 1OuHTSL08O8 :=
e •
A, s802_
z_ ::c[ __z _i D7055 8802×_
x ] 1SS133
.,.ergo,Co,.ro,er :: T T_ _
C7OO BDg897FS _ _a _[o o
NN2 46 f. 2 2°8
_±_ _--L_XSW2 BSTI\_j _ i_ I I l_:g ° T T-_'S_
0_03_ 1416 ..[_ 5_2o_ o
REG I_ l' ° '#_) BST2 REG,L'_j "c_ _ / k : : I i : =
1SS355 \ 5 8V
oS ,£500 I / /
R7088256A" "L °84
i,VMv ...............................:.................o_ SRT COMP! ..............................................................................I, I
33K + 1% \
R7082 R70871 416 l ]_ 444 I
'V'/ .... -'"V_ i La_ RT COMP_, _ '
3.3K + 1% 18 + 1% J _J C7050 i
B7043 330P CH + 1% 464 /.oJ\ _.._ 4.52 _0:0047 Bi {';7058
07046 5P CH _ >' C7052 i O 047 B
_1 / O _ L" 400
C7044 196 I 4 6 • • R7094
_ d_78CT is %_ i / U,A_
0.1 B 448 T I / i ;; 1OOK 1/4%_
R7085 i_:;TT _i_ ___i 4 12 _ Ni R1102
:2: :i T440 Y V 696 i ,SDET _R:!9:i;i3 /
I I C_;BUT','OUT FAILk_} NO i _oi_ i,
I I T T i _i_ " !Ivs DET !
528 _ _ O ssi ii R7091
/m / / - "::i_±_ I i 6_K
_i _oToom_ om_ , / _g i,_T_: _ i
C7077
0.1 B
i
1416 i 1416 f 5.060
ATTENTION:LESPIECES REPAREES PAR UN _\_ ETANT
DANGEREUSES AN POINT DE VUE SECURITE
N UTILISERQUE CELLS DECRITES
DANS LA NOMENCLATURE DES PIECES
R7156
_A//,
ilk 1/4W
l R7139
#i_: IK
i _ R7144
'7,,%--
22K
@oo
12.80 l
i
i R7137
L.\Mv_
R7113
NOTE:THIS SCHEMATIC DIAGRAM IS THE LATESTAT THE TIME
OF PRINTING AND SUBJECT TO CHANGEWITHOUT NOTICEo
R7190
1K 1/4W
:m
+
R7116
'VIL
10 l/4W
<_ _ Bufer
_ 07003 t/
T_8_86_3_Q>/ 24o _/
d
NN z " E_<<_
R7117 R7121 320 __ >
g,V_ VAt ' _
0
SW1 1/4W . 28.8 ..........................
_7_7
R7118 R7122 28.8
LNI , , > 6.80 _IX
A_\,, "Vv, _ i
10 39 Buffer _24 O
1/4W 07004 / "
TK3OA06J3A(Q) / HS7802 58
.
240
R7119 R7123 14.16 /;/
_,\i,__,q/. _ Buffer
10 39 14 16L: 107005
1/4W TK3OAO6J3A(Q)
SW2
14.16
LN2 R7120 R7124 8 56
_<'ir ,,/V_v : C_
10 1/4W 39 _
HS7OO1
763WAAO358
T< T<
Buffer
/07006
TK30AOGJ3A(Q)
R7142
FROM/TOINVERTER2
< COMP1DET
INV SGND
< vs
ovP I
P GND
0001 B
NOTE:THEDC VOLTAGEAT EACH PART WAS MEASURED
WITH THE DIGITAL TESTERWHEN THE COLORBROADCAST
WAS RECEIVED IN GOOD CONDITION AND PICTURE IS NORMAL.
CAUTIONsiNCETHESE PARTS MARKED BY J\ ARE
CRITICAL FOR SAFETY,USE ONES
DESCRIBED INPARTS LISTONLY o
A I B I C I D I e I F I G I H
J-39 J-40

A I B I C I DI E I F I G I H
INVERTER2 SCHEMATIC DIAGRAM
(POWER PCB) R7057 D7028
10
SW_
SW2 >
IS q
COMP1 DE_ < ........................................................................................................................................................................................
VS _ <
INV SGND _
OVP t _ -_
\\\\
OVP 1 D7040 MAll1
R7031 10 D7015 MAll1
IS A/./v
PRO1 + R7028
R7150 2.2K
iii iT7ool
C7001 1 B 50V
R7032 10
8
C7003 I B 50V_
R7038 10
C7005 IB 50V
D7019
6KVIOP SL MA111
D7020
_ HV lamp2 MAll 1
R7145 2.2K _
R7152 2.2K
R7033 1,8K
D7016 MAll 1
o HV lampl
PRO3
INV SGND
VS
PRO5 +
_ca
D7021
L MAll1
[T7002
D7022
£ HV lamp2 ca MA111
R7177 2.2K o
@ > o T, <>.o
D7017 MAll1 _z _"{ _
;ii i
R7155 2.2K c_ ,
R7149 2.2K
GKV 10P SL MAll1
[ T7003
D7024
HVlamp2 MAIl I
R7146 2.2K
CP7001
A4001WR0 B4P HK H
CP7002
A4001WRO B4P HK H
CP7003
A40OIWR0 B4P HK H
/
MAll1
R7059
R7168 1.8K o
2.2K R7159
2.2K
1100 C7031
t 6KVI_0P SL
T7005 I
ETJV23ZF2 C ¢;_032
1100 HV lamp2 6KV10P SL i
C7026 1 B 5OV 162 22K
C7027 1 B 50V _OT_I_/_
D7030 CP7005
_, A40OIWR0 B4P HK H
MAll1
D7031
MAll1
R7056 10
R7058 10
[ T7006
i) C7034 D7033
ETJV23ZF2SAC
11oo HV lamp2 6KVI_P SL
2.2K _ _o
o 0 A111I
R7064 18K _
%,'t.i_
2.2K
AA/r_
22" _I_
A/\"F
1100 HV lamp1 C7035 D7034
6KV 10P SL MAll1
F
R7092
10
iT7007
_i ETJV23ZF2SAC 67036
d
1100 HV lamp2
165 2.2K
D7045
MAll1
131 1.0K
//v'V
170 2.2K
163 2.2K
//v'V
D7035
6KV1 MAll1
oT
IB 50V
1 B 50V
qF
166 2.2K
NOTE:THIS SCHEMATIC DIAGRAM IS THE LATEST AT THE TIME
OFPRINTING AND SUBJECTTO CHANGE WITHOUT NOTICEo NOTE:THEDC VOLTAGE AT EACH PARTWAS MEASURED
WITH THE DIGITAL TESTERWHEN THE COLOR BROADCAST
WAS RECEIVEDIN GOOD CONDITION AND PICTURE IS NORMAL.
CAUTIONBINCETHESE PARTS MARKED BY _\_ARE
CRITICAL FOR SAFETY,USE ONES
DESCRIBED IN PARTS LISTONLY
ATTENTION :LES PIECES REPAREES PAR UN _ ETANT
DANGEREUSES AN POINT DE VUE SECURITE
N UTILISERQUE CELLS DECRITES
DANS EA NOMENCEATURE DES PIECES
CP7006
A4001WRO B4P HK H
CP7007
A4001WRO B4P HK H
CP7008
A4001WRO B4P HK H
A I B I cIDI E I r I O I H
J-41 J-42

A I B I C I DI E I F I G I H
OPERATION/REMOCONSCHEMATICDIAGRAM
(REMOCON PCB)
OB2201 IEFROM/TOM,DON
ROM V338TAO CP2201 (CP4201)
A2001WR2 5P
R2208
_\?"_,
47 1/4W
STANDBY/POWER _ (D
D2201 i X_
LTL IBEFJ 002A
OS 32
BD2201 1
CU256501
R2201 R2202
-- ',<,\_,_Z/v'X,
516K _ . 212K
_, = °o5, _ =o 5,,
(OPERATION PCB)
R2209
39O
R2203 R2206 R2207
[EFROM_OM'CON]I
CD2202
E8231302
NOTE:THIS SCHEMATIC DIAGRAM IS THE LATEST AT THE TIME
OF PRINTING AND SUBJECTTO CHANGE WITHOUT NOTICE, NOTE:THE DC VOLTAGE AT EACH PART WAS MEASURED
WITH THE DIGITAL TESTERWHEN THE COLOR BROADCAST
WAS RECEIVEDIN GOOD CONDITION AND PICTURE IS NORMAL.
A I B I C I D I E I r I O I H
J-43 J-44

A I B I C I DI E I F I G I H
INTERCONNECTIONDIAGRAM
A
CD3805
-._BEA0/'s}
i ) ),
c_
o=
CP7001 NC
CP7002 ND
CP7003 ND
CP7005 NC
CP7006 ND
CP7007 NC
CP7008 NC
J401
BLACK
i--
WHITE
CP411 2
DTV+B 1
DTV+B 2
P,CON+5V 3
TUNER+30V 4
GND 5
GND 6
GND 7
POWER FAIL 8
AT+5.3V 9
AT+5.3V 10
INVETER H 11
LIGHTE CTL 12
POWER ON 113
ND STAND BY H 14
SW+12V 15
SW+12V 16
GND 17
GND 18
GND 19
SOUND GND 20
SOUND GND 21
SOUND+B 22
SOUND+B 23
OS2201
_1_, Vout
:2} GND
STANDBY/POWER
D2201
@2201
REMODONIN 1
GND 2
AT+5V 3
STANDBYLED 4
POWER ON LED 5
US 32
CD2201 1
CD4201
;2 12i
PDB270
CEG370
CP2202 1 CD2202
GND 1 _
KEY g 2
KEY]A 3
CD302
SPEAKER
/.,\
SP304 _) .........
q 7
SPEAKER ..................i3
SP303 i
\J
CP3001
1 DTV+B
2 DTV+B
3 P,CON+SV
4 TUNER+30V
5 GND
6 GND
7 GND
8 POWER FAIL
9 AT+5V
10 AT+5V
11 INVETER H
12 LIGHT POWER I
13 SYS POWER k
14 STBY H/VS DET
15 SW+12V
16 SW+12V
17 GND
18 GND
19 GND
20 SOUND GND
21 SOUND GND
22 SOUND+B
23 SOUND+B
HDMIAUDIO IN
J4201
CP4201
1 REMOCONIN
2 GND
3 AT+5V
5 POWER ON LED
4 STANDBYLED
DP6202
@302
I SP OUTL
2 GND
4 SP OUT R
3 GND
AUDIO OUT
J4301
TU5801
NC(BB) (I]_ NC
NC _z_- i NC
NC _5_ NC
NC (4) NC
s,F ...._8-i
A_DC>ND
T,,q_}NC
IF OUT,_,_ NC
COMPONENT VIDEO IN 1
J4203
CVBS IN 1 CVBS IN 2 S+COAXIAL
J4205 J4206 J4202
CP1204
1 GND
2 SDL TC
3 SDA TC
4 VDDD
CP1201
1 GND
2 SDL
3 SDA
4 IIC OFF
5 VDOM NC
CP1205
1 MISO
2 V33STB
3 SDK
4 MCSI
5 RESET
6 GND
CP2801
I GND
2 SDL
3 SDA
4 liDOFF
5 D GND
6 PC TOOL RX
7 PC TOOL TX
8 D3.3V
9 NC/RESET NC
SUB MICON
@6201
1 GND
2 TX
3 BUSY (MODE)
4 NC NC
5 VCD
6 DLK (CNVSS)
7 RX
8 NC NC
9 RESET
10 GND
11 GND
@2803
1 TCK
2 TRST N
3 TDO
4 ASEBRKAK N
5 TMS
6 TDI
7 RESET N
8 FLASH WP
9 ASEMDO
10 GND
11 VDD33
12 GND
DB15ds
@4303
I VGA R
2 VGA G
3 VGA B
4 NC NC
5 DGND
6 AGND
7 AGND
8 AGND
9 NC NC
10 DGND
11 ND ND
12 ND NC
13 VGAHS
14 VGAVS
15 NC NC
PORTI
HDMICONNECTOR
CP3601
1 TMDS DATA2+
2 TMDS DATA2 SI
3 TMDS DATA2
4 TMDS DATA1+
5 TMDS DATA1SI
6 TMDS DATA1
7 TMDS DATA0+
8 TMDS DATA0 SI
9 TMDS DATA0
10 TMDSCLK+
11 TMDS DLK SH
12 TMDSCLK
13 DEC
14 RESERVED
15 DDD SCL
16 DDD SDA
17 DDD GND
18 +5VPOWER
19 HOT PLUG
PORT2
HDMICONNECTOR
@3602
1 TMDS DATA2+
2 TMDS DATA2 S
3 TMDS DATA2
4 TMDS DATA1+
5 TMDS DATA1S
6 TMDS DATA1
7 TMDSDATA0+
8 TMDS DATAOS
9 TMDSDATA0
lC TMDS DLK+
11 TMDS CLK SH
12 TMDS DLK
13 CEC
14 RESERVED
15 DDC SCL
lC DDC SDA
17 DDC GND
18 +5V POWER
I£ HOT PLUG
PANELCONNECTOR
CNSR A [CNSL
_IL DEAA32OWF01 DO
_i v2_Ol
CNSR CNSL
CP1202 DP1203
GND 1 GND 1
R0N B 2 VCOM 2
R0P B s VCOM s
R1NB 4 VGL 4
R1P B 5 VGL 5
R2NB 6 VGH 6
R2P B 7 VGH 7
R3N B s DSI s
R3P B 9 DS2 9
GND lo DS3 lo
DEKN B 11 CS4 11
DLKP B12 DS5 12
GND ls DS6 ls
DONV 14 DS7 14
STHB 15 CS8 15
POLN 16 DS9 16
GND 17 CSI0 17
G0N B lS GND 18
GOPB 19 VDDD 19
G1NB 2o VDDD 2o
G1PB 21 VDDA 21
G2N B 22 VDDA 22
G2P B 23 GND 23
G3N B 24 VGMA1 24
G3PB 25 VGMA2 25
BUN B 26 VGMA3 26
BOPB 27 VGMA4 27
B1N B 2s VGMA5 2s
B1PB 29 VGMA6 29
B2N B so VGMA7 so
B2P B 31 VGMA8 31
B3N B 32 VGMA9 32
B3PB 33 VGMA10 33
GND 34 VGMA11 34
NC 35 VGMA12 35
GSP 36 VGMA13 36
GOE 37 VGMA14 37
GCK 3s VGMA15 3s
GND s9 VGMA16 s9
VGMA1 40 VGMA17 40
VGMA2 41 VGMA18 41
VGMA3 42 GND 42
VGMA4 43 GCK 4s
VGMA5 44 GOE 44
VGMA6 45 GSP 45
VGMA7 46 VDDD 46
VGMA8 47 GND 47
VGMA9 4s R0N F 4s
VGMAIO 49 ROPF 49
VGMA11 5o R1NF 5o
VGMA12 51 R1PF 51
VGMA13 52 R2N F 52
VGMA14 5s R2P F 5s
VGMA15 54 R3N F 54
VGMA16 55 R3PF 55
VGMA17 56 GND 56
VGMA18 57 CLKN F 57
GND 5s CLKPF 58
VDDA 59 GND 59
VDDA 6o DONV 6o
VDDD 61 STHF 61
VDDD 62 POL 62
GND 6s GND 63
CS1 64 G0N F 64
CS2 65 GOPF 65
CS3 66 GINF 66
CS4 67 G1P F 67
CS5 6s G2N F 68
CS6 69 G2P F 69
CS7 70 G3NF 70
CS8 71 G3P=F 71
CS9 72 BON=F 72
DSlO 73 B0P F 73
VGH 74 B1N_F 74
VGH 75 B1P F 75
VGL 76 B2N F 76
VGL 77 B2P F 77
VDOM 7s B3NF 78
VCOM 79 B3P F 79
GND 8o GND 8o
NOTE:THEDC VOLTAGEAT EACH PART WAS MEASURED
WITH THE DIGITAL TESTER WHEN THE COLOR BROADCAST
WAS RECEIVED IN GOOD CONDITION AND PICTURE IS NORMAL.
CAUTIONsINCETHESE PARTS MARKED BY Z_ ARE
CRITICAL FOR SAFETY,USE ONES
DESCRIBED IN PARTS LISTONLY ,_
ATTENTION:LESPIECes REPAREES PAR UN Z_ ETANT
DANGEREUSES AN POINT DE VUE SECURITE
N:UTILISERQUE CELLS DECRITES
DANS LA NOMENCLATURE DES PIECES
A I B I C I D I e I F I G I H
J-45 J-46

FLASH
20ns
20OmV
20ns
20OmV
HDMI
20ns
20OmV
JACK
2ms
500mY
2ms
500mV
MICON
20ns
20OmV
WAVEFORMS
TUNER
in._ :'r; rloos
/ _ IO.5V
_! ............. _ _
[ :/ L
/ _ * 1 : /
SCALER VIDEO/AUDIO
.........i_I.......f',_ i / 1'_! _ r°°_
/ _ " mm
........._ ! ...........................;........
i
i "€ "
Ous
OOmV
10
£/' a/_/
010us
.5V
6V\' /_/V /V
2lous
OOmV
12
10us
100mY ]
13
i: i::::::7:::7:::::i::::i
i_,_i:_q_i,_i_q.... i_:_
["-'!'"-"T""! --!"'""T-"T"-T-"!'"'-T-]
i : : : : : : : : : i
i
..... ]
! : : : : : : : : : !
1Ous i!-T7-!7!7!7]
lOOmY i : : : : : : : : : i
J
: : :_i: : : : : _
===========================
i i ! i; i i i i iili)
AV SWITCH
2ms
1O0mV I
2ms
100mV
16 V \ /k/ V \' /L!
SOUND
1ms
2OOmV
17
1ms
200mV
18
NOTE: The following waveforms were measured
at the point of the corresponding balloon
number in the schematic diagram.
K-1

JACK2
2ms
100mY
19
Ai _A_A/ IA
Jl.... l
? 1....J 1....
VV_ _V_
WAVEFORMS
2ms
lOOmV
20
NOTE: The following waveforms were measured
at the point of the corresponding balloon
number in the schematic diagram.
K-2

MECHANICAL EXPLODED VIEW
118
L-1
205
110
2O5 110
211
111 205
211
205
208 206 106
206 _'_ 1
6A 106B
108
PCBDH0
(DIGITAL PCB ASS'Y)
115
2O4
13
105
"_,
I
1
204
211
206
_208
2O7
2O7
PCB240
(POWER PCB ASS'Y)
207 207
22 207
211
2O4
109
2O7
1010
123
120
208
208 209
2O9
2O8
209 117
212
209
i
I
L
"_ 1020 102A
209_,
"_
/./1040 202 1040 ._.
• 202
¢._ 1040 202 ""_1
I lO4A I
1040 I
I
I I
I ._.f
L, ,_'_
"_. ._
104 •_. m./. PCB270
(OPERATION PCB ASS'Y)
210
210
I_.121
I • " 103A
I 210 .' "
i _ PCBDAO ¢l
REMOCON PCB ASS'Y) , 210
_" L • 103B
• _
"_,
103
I
I
I
102F
209
L-2

REF. NO,
lol
101A
1OlB
101C
101D
102
102A
102B
102C
102D
102E
102F
103
103A
103B
1O4
104A
104B
104 C
104D
105
105A
105B
106
106A
106B
107
108
109
110
111
112
113
114
115
116
117
118
119
120
121
122
123
PART NO.
7A701 BO94A
701WPJD663
713WPA0407
713WPA0422
7234650032
800WQOA046
7A702A567A
702WPAB238
706WPA0021
800WQOA046
800WQOA108
800WQOA127
800WQ00128
7A7110042A
711WPD0758
800WQOA097
7A704A098A
704WPB0046
761WSA0581
800WFA0121
800WB00004
7G7610082C
761WSA0620
744WUA0030
7G761A048A
761WSAA109
744WUA0030
752WSAA152
8965TS1210
761WSA0459
761WSA0472
761WSA0491
761WSA0497
761WSA0498
771WPA0392
8965TS3020
709WPA0051
706WPA0025
722465A468
800WBOA007
7230007075
735WPB0354
752WSA0344
8900P5055B
MECHANICAL REPLACEMENT PARTS LIST
FRONTCABtASS'Y
CABINETFRONT
GLASS LED
GLASS LED
BADGEBRAND
FELT SHEET
DESCRIPTION
BACK CABt ASS'Y
CABtNETBACK
COVER CONNECTOR
FELT SHEET
FELT SHEET
FELT SHEET18x310xT0.5
FELT SHEET9x520xT1.0
PLATE BUTTON ASS'Y
PLATE BUTTON
FELT SHEET
STAND ASS'Y
STAND
ANGLE STAND
CUSHION LEG
FIBER WASHER 7x3.2xT0.5
PLATE JACK-1 ASS'Y
PLATE JACK-1
SPRING EARTH-2
PLATE JACK-2 ASS'Y
PLATE JACK-2
SPRING EARTH-2
SHIELD MAIN
CUSHION W10/H 12/L10
SHIELD tC
ANGLE MAiN
ANGLE HINGE
ANGLE LCD TOP
ANGLE LCD BOTTOM
HOLDER AC-INLET
CUSHION 65TS10-30(20x20x12)
HOLDER WIRE
COVER CONNECTOR
SHEET RATING
FIBER WASHER
SHEETINFORMATION
BUTTON FRAME
EARTH LUG
RIVET NYLON
REF. NO, PART NO.
201 810763080U
202 811063080U
or 203 8109t30AOU
204 810A140A6U
205 810A14080U
206 810213060U
207 810223060U
208 810923080U
209 8110230A4U
210 8110630AOU
211 8117540A6U
212 8167150DOU
774WPA0012
791WHA0135
791WHAA202
792WHA0738
792WHA0739
793WCDD675
DESCRIPTION
SCREW TAP TITE(S) BRAZIER 3*8 CH
SCREW TAP TITE(P) BRAZIER 3*8 CH
SCREW TAP TITE(B) WH7 3"10 CH
SCREW WASH ER(A) M4"16 CH
SCREW WASHER(A) M4"8 CH
SCREW PAN M3"6 CH
SCREW BIND M3"6 CH
SCREW TAP TITE(B) BIND 3*8 CH
SCREW TAP TITE(P) BIND 3"14 CH
SCREW TAP TITE(P) BRAZIER 3"10 CH
SCREW TAPPING(B0) TRUSS 4"16 CH
SCREW WASHER(B) 5*40 CH
HOLDER CORD
LAMtFtLM BAG
LAMtFtLM BAG
PACKAGE TOP
PACKAGE BOTTOM
GIFT BOX
1300*1050*T0.5MM.
ACCESSORY REPLACEMENT PARTS LIST
REF. NO, PART NO. DESCRIPTION
/1,, CD3805 120Q119905 CORD SET AC P201-2476-2
TM101 076ROMJ041 TRANSMITTER R56-1260
--- J35DO101A INSTRUCTION BOOK(E)
--- J3T11629A INFORMATION SHEET(RETURN)
--- JB5NDOOO POLYBAG,tNSTRUCTION(RED CAUTION)
M1-1

REF, NO, I
R303
R305
R334
R335
R336
R337
R401
z_ R404
z_R406
R410
R411
z_R412
R414
R416
R417
R420
R421
R423
R428
R429
R431
z_R432
R433
R435
R436
R437
R438
R439
R441
R443
R444
z_R445
R446
z_R447
R448
R449
R450
R451
R452
R454
R455
R456
R458
R460
R461
R463
R464
R466
R467
R469
R470
R471
R472
R474
R475
R476
R477
R478
R479
R480
R481
R482
R491
R492
R493
R494
R495
R496
/'ikR497
R501
R502
R503
R505
R506
R508
R511
R513
PART NO,
R808R9332J
R808R9103J
R808R9392J
R808R9472J
R808R9392J
R808R9472J
R002T4103J
RC31X1125J
R3K681S39J
R002T4821J
R803R9103J
R63881R22J
R803R9103J
R65584100J
R803R9104J
R803R9473J
R002T2222J
R002T2222J
R803R9152J
R002T4105J
R002T2103J
R3K781220J
R803R9274J
R803R9102J
R002T2683J
R002T42R2J
R002T4222J
R803R9102J
R803R9153J
R803R9102J
R803R9222J
R002T4101J
R002T4103J
R65584150J
R803R9393F
R803R9682F
R803R9392F
R803R9102J
R002T4102J
R803R9331F
R803R9222F
R803R9222F
R803R9103J
R803R9473J
R803R9223J
R803R9223J
R002T4101J
R803R9223J
R002T4753J
R803R9103J
R002T4561J
R803R9753J
R803R9222J
R803R9152J
R002T4221J
R803R9103J
R002T4472J
R002T4471J
R803R9152J
R803R9222J
R803R9152J
R803R9152J
R803R9561F
R803R9272F
R803R9222F
R803R9102J
R803R9101J
R803R9223J
R65581010J
R002T4223J
R002T4152J
R002T2471J
R803R9183J
R002T4101J
R803R9473J
R803R9224J
R002T4470J
RC
RC
RC
RC
RC
RC
RC
RC
R,METAL OXIDE
RC
RC
R,FUSE
RC
R,FUSE
RC
RC
RC
RC
RC
RC
RC
R,METAL OXIDE
RC
RC
RC
RC
RC
RC
RC
RC
RC
RC
RC
R,FUSE
RC
RC
RC
RC
RC
RC
RC
RC
RC
RC
RC
RC
RC
RC
RC
RC
RC
RC
RC
RC
RC
RC
RC
RC
RC
RC
RC
RC
RC
RC
RC
RC
RC
RC
R,FUSE
RC
RC
RC
RC
RC
RC
RC
RC
ELECTRICAL REPLACEMENT PARTS LIST
DESCRIPTION
RESISTORS
3.3K OHM 1/16W
10K OHM 1/16W
3.9K OHM 1/16W
4.7K OHM 1/16W
3.9K OHM 1/16W
4.7K OHM 1/16W
10K OHM 1/4W
1.2M OHM 1W
0.039 OHM 1W
820 OHM 1/4W
10K OHM 1/16W
0.22 OHM 1W
10K OHM 1/16W
10 OHM 1/4W
100K OHM 1/16W
47K OHM 1/16W
2.2K OHM 1/2W
2.2K OHM 1/2W
1.5K OHM 1/16W
1M OHM 1/4W
10K OHM 1/2W
22 OHM 1W
270K OHM 1/16W
1K OHM 1/16W
68K OHM 1/2W
2.2 OHM 1/4W
2.2K OHM 1/4W
1K OHM 1/16W
15K OHM 1/16W
1K OHM 1/16W
2.2K OHM 1/16W
100 OHM 1/4W
10K OHM 1/4W
15 OHM 1/4W
39K OHM 1/16W
6.8K OHM 1/16W
3.9K OHM 1/16W
1K OHM 1/16W
1K OHM 1/4W
330 OHM 1/16W
2.2K OHM 1/16W
2.2K OHM 1/16W
10K OHM 1/16W
47K OHM 1/16W
22K OHM 1/16W
22K OHM 1/16W
100 OHM 1/4W
22K OHM 1/16W
75K OHM 1/4W
10K OHM 1/16W
560 OHM 1/4W
75K OHM 1/16W
2.2K OHM 1/16W
1.5K OHM 1/16W
220 OHM 1/4W
10K OHM 1/16W
4.7K OHM 1/4W
470 OHM 1/4W
1.5K OHM 1/16W
2.2K OHM 1/16W
1.5K OHM 1/16W
1.5K OHM 1/16W
560 OHM 1/16W
2.7K OHM 1/16W
2.2K OHM 1/16W
1K OHM 1/16W
100 OHM 1/16W
22K OHM 1/16W
1 OHM 1W
22K OHM 1/4W
1.5K OHM 1/4W
470 OHM 1/2W
18K OHM 1/16W
100 OHM 1/4W
47K OHM 1/16W
220K OHM 1/16W
47 OHM 1/4W
REF.NO.I PART NO. I
R519 R803R9224J
R520 R803R9184J
R521 R803R9223J
R522 R002T4473J
R523 R803R9104J
R524 R803R9184J
R525 R803R9184J
R528 R002T4101J
R536 R803R9152J
R537 R803R9152J
R538 R803R9152J
R539 R803R9152J
R540 R803R9152J
R590 R002T4101J
R1211 R803R9472J
R1212 R803R9472J
R1213 R803R9472J
R1214 R803R9472J
R1215 R803R9472J
R1216 R803R9472J
R1217 R803R9103J
R1218 R803R9472J
R1219 R803R9472J
R1221 R803R9101F
R1222 R803R9101F
R1223 R803R9101F
R1224 R803R9101F
R1225 R803R9101F
R1227 R803R9472J
R1228 R803R9472J
R1229 R803R9472J
R1232 R803R9472J
R1233 R803R9472J
R1245 R803R9103J
R1246 R803R9472J
R1249 R803R9472J
R1250 R803R9472J
R1251 R803R9472J
R1252 R803R9434J
R1253 R803R9434J
R1254 R803R9434J
R1255 R803R9434J
R1256 R803R9434J
R1257 R803R9434J
R1259 R803R9100J
R1260 R803R9100J
R1261 R803R9100J
R1263 R803R9100J
R1264 R803R9100J
R1265 R803R9100J
R1266 R803R9153J
R1267 R803R9434J
R1268 R803R9434J
R1269 R803R9434J
R1270 R803R9434J
R1271 R803R9100J
R1272 R803R9100J
R1278 R803R9100J
R1279 R803R9100J
R1301 R803R9151F
R1302 R803R7123D
R1303 R803R7CS1D
R1304 R803R9390F
R1305 R803R95R1J
R1306 R803R9561F
R1307 R803R7820F
R1308 R803R7182F
R1309 R803R7820F
R1310 R803R7102F
R1312 R803R9681F
R1313 R803R9271F
R1314 R803R9821F
R1315 R803R9620F
R1316 R803R9271F
R1317 R803R7820F
R1318 R803R9152F
R1319 R803R9470F
DESCRIPTION
RESISTORS
RC
RC
RC
RC
RC
RC
RC
RC
RC
RC
RC
RC
RC
RC
RC
RC
RC
RC
RC
RC
RC
RC
RC
RC
RC
RC
RC
RC
RC
RC
RC
RC
RC
RC
RC
RC
RC
RC
RC
RC
RC
RC
RC
RC
RC
RC
RC
RC
RC
RC
RC
RC
RC
RC
RC
RC
RC
RC
RC
RC
RC
RC
RC
RC
RC
RC
RC
RC
RC
RC
RC
RC
RC
RC
RC
RC
RC
220K OHM 1/16W
180K OHM 1/16W
22K OHM 1/16W
47K OHM 1/4W
100K OHM 1/16W
180K OHM 1/16W
180K OHM 1/16W
100 OHM 1/4W
1.5K OHM 1/16W
1.5K OHM 1/16W
1.5K OHM 1/16W
1.5K OHM 1/16W
1.5K OHM 1/16W
100 OHM 1/4W
4.7K OHM 1/16W
4.7K OHM 1/16W
4.7K OHM 1/16W
4.7K OHM 1/16W
4.7K OHM 1/16W
4.7K OHM 1/16W
10K OHM 1/16W
4.7K OHM 1/16W
4.7K OHM 1/16W
100 OHM 1/16W
100 OHM 1/16W
100 OHM 1/16W
100 OHM 1/16W
100 OHM 1/16W
4.7K OHM 1/16W
4.7K OHM 1/16W
4.7K OHM 1/16W
4.7K OHM 1/16W
4.7K OHM 1/16W
10K OHM 1/16W
4.7K OHM 1/16W
4.7K OHM 1/16W
4.7K OHM 1/16W
4.7K OHM 1/16W
430K OHM 1/16W
430K OHM 1/16W
430K OHM 1/16W
430K OHM 1/16W
430K OHM 1/16W
430K OHM 1/16W
10 OHM 1/16W
10 OHM 1/16W
10 OHM 1/16W
10 OHM 1/16W
10 OHM 1/16W
10 OHM 1/16W
15K OHM 1/16W
430K OHM 1/16W
430K OHM 1/16W
430K OHM 1/16W
430K OHM 1/16W
10 OHM 1/16W
10 OHM 1/16W
10 OHM 1/16W
10 OHM 1/16W
150 OHM 1/16W
12K OHM 1/10W
2.49K OHM 1/10W
39 OHM 1/16W
5.1 OHM 1/16W
560 OHM 1/16W
82 OHM 1/10W
1.8K OHM 1/10W
82 OHM 1/10W
1K OHM 1/10W
680 OHM 1/16W
270 OHM 1/16W
820 OHM 1/16W
62 OHM 1/16W
270 OHM 1/16W
82 OHM 1/10W
1.5K OHM 1/16W
47 OHM 1/16W
M2-1

REF, NO, I
R1320
R1321
R1322
R1323
R1324
R1325
R1326
R1327
R1328
R1329
R1330
R1331
R1332
R1333
R1334
R1335
R1336
R1337
R1338
R1339
R1340
R1341
R1344
R1345
R1346
R1347
R1349
R1350
R1351
R1378
R1379
R1380
R1381
R1382
R1383
R1384
R1385
R1386
R1387
R1388
R1389
R1390
R1391
R1392
R1393
R1394
R1395
R2201
R2202
R2203
R2205
R2206
R2207
R2208
R2209
R2210
R2213
R2800
R2802
R2804
R2805
R2806
R2807
R2809
R2810
R2811
R2812
R2813
R2814
R2815
R2817
R2818
R2819
R2823
R2824
R2825
R2826
PART NO,
R803R9561F
R803R7101F
R803R9821F
R803R7560F
R803R9561F
R803R9390F
R803R9152F
R803R9680F
R803R9391F
R803R9180F
R803R9821F
R803R7101F
R803R9821F
R803R9151F
R803R7102F
R803R9470F
R803R9821F
R803R7101F
R803R7182F
R803R7820F
R803R9681F
R803R9680F
R803R9562F
R803R95R1J
R803R9132F
R803R9682F
R803R9432F
R803R9301F
R803R9562F
R803R73R3J
R803R73R3J
R803R73R3J
R803R73R3J
R803R73R3J
R803R73R3J
R803R73R3J
R803R73R3J
R803R73R3J
R803R73R3J
R803R73R3J
R803R73R3J
R803R73R3J
R803R73R3J
R803R73R3J
R803R73R3J
R803R73R3J
R803R73R3J
R803R9562J
R803R9222J
R803R9122J
R803R9391J
R803R9152J
R803R9391J
R002T4470J
R803R9100J
R803R9100J
R803R9100J
R808R9220J
R808R9103J
R808R9103J
R808R9103J
R808R9103J
R808R9103J
R808R9103J
R808R9103J
R808R9103J
R808R9182J
R808R9182J
R808R9105J
R808R9105J
R808R9820J
R808R9102F
R808R9102F
R808R9270J
R808R9270J
R808R95R1J
R808R95R1J
RC
RC
RC
RC
RC
RC
RC
RC
RC
RC
RC
RC
RC
RC
RC
RC
RC
RC
RC
RC
RC
RC
RC
RC
RC
RC
RC
RC
RC
RC
RC
RC
RC
RC
RC
RC
RC
RC
RC
RC
RC
RC
RC
RC
RC
RC
RC
RC
RC
RC
RC
RC
RC
RC
RC
RC
RC
RC
RC
RC
RC
RC
RC
RC
RC
RC
RC
RC
RC
RC
RC
RC
RC
RC
RC
RC
RC
ELECTRICAL REPLACEMENT PARTS LIST
DESCRIPTION
RESISTORS
560 OHM 1/16W
100 OHM 1/10W
820 OHM 1/16W
56 OHM 1/10W
560 OHM 1/16W
39 OHM 1/16W
1.5K OHM 1/16W
68 OHM 1/16W
390 OHM 1/16W
18 OHM 1/16W
820 OHM 1/16W
100 OHM 1/10W
820 OHM 1/16W
150 OHM 1/16W
1K OHM 1/10W
47 OHM 1/16W
820 OHM 1/16W
100 OHM 1/10W
1.8K OHM 1/10W
82 OHM 1/10W
680 OHM 1/16W
68 OHM 1/16W
5.6K OHM 1/16W
5.1 OHM 1/16W
1.3K OHM 1/16W
6.8K OHM 1/16W
4.3K OHM 1/16W
300 OHM !/16W
5.6K OHM 1/16W
3.3 OHM 1/10W
3.3 OHM 1/10W
3.3 OHM 1/10W
3.3 OHM 1/10W
3.3 OHM 1/10W
3.3 OHM 1/10W
3.3 OHM 1/10W
3.3 OHM 1/10W
3.3 OHM 1/10W
3.3 OHM 1/10W
3.3 OHM 1/10W
3.3 OHM 1/10W
3.3 OHM 1/10W
3.3 OHM 1/10W
3.3 OHM 1/10W
3.3 OHM 1/10W
3.3 OHM 1/10W
3.3 OHM 1/10W
5.6K OHM 1/16W
2.2K OHM 1/16W
1.2K OHM 1/16W
390 OHM 1/16W
1.5K OHM 1/16W
390 OHM 1/16W
47 OHM 1/4W
10 OHM 1/16W
10 OHM 1/16W
10 OHM 1/16W
22 OHM 1/16W
10K OHM 1/16W
10K OHM 1/16W
10K OHM 1/16W
10K OHM 1/16W
10K OHM 1/16W
10K OHM 1/16W
10K OHM 1/16W
10K OHM 1/16W
1.8K OHM 1/16W
1.8K OHM 1/16W
1M OHM 1/16W
1M OHM 1/16W
82 OHM 1/16W
1K OHM 1/16W
1K OHM 1/16W
27 OHM 1/16W
27 OHM 1/16W
5.1 OHM 1/16W
5.1 OHM 1/16W
REF.NO.I PART NO. I
R2827 R808R9270J
R2828 R808R9102F
R2829 R808R9102F
R2830 R808R9220J
R2835 R808R9102J
R2836 R808R9562J
R2837 R808R9102J
R2838 R808R9472J
R2839 R808R9472J
R2840 R808R9103J
R2841 R808R9103J
R2842 R808R9103J
R2843 R808R9103J
R2846 R808R9472J
R2847 R808R9472J
R2849 R808R9472J
R2850 R808R9472J
R2853 R808R9103J
R2856 R808R9103J
R2857 R808R9103J
R2860 R808R9472J
R2862 R808R9472J
R3002 R808R9104J
R3007 R808R9101J
R3008 R808R9103J
R3009 R808R9472F
R3010 R808R9102J
R3011 R808R9102J
R3012 R808R9682J
R3013 R808R9332F
DESCRIPTION
R3015 R808R9682F
R3016 R808R9152F
R3017 R808R9151F
R3018 R808R9101F
R3019 R808R9333J
R3020 R81YR4S47J
R3022 R81YR4S47J
R3023 R808R9102F
R3024 R808R9152F
R3025 R808R9221F
R3030 R808R9822J
R3031 R808R9102J
R3104 R808R9332J
R3401 R808R9101J
R3402 R808R9101J
R3403 R808R9184J
R3404 R808R9224J
R3407 R808R9184J
R3408 R808R9683J
R3414 R808R9103J
R3415 R808R9103J
R3416 R808R9472J
R3417 R808R9184J
R3418 R808R9683J
R3420 R808R9472J
R3422 R808R9561J
R3425 R808R9102J
R3426 R808R9102J
R3427 R808R9102J
R3428 R808R9102J
R3431 R808R9682J
R3432 R808R9682J
R3433 R808R9472J
R3434 R808R9184J
R3435 R808R9224J
R3436 R808R9472J
R3501 R803R7473F
R3502 R803R7BT2F
R3503 R803R7473F
R3504 R803R7473F
R3505 R803R7EV2F
R3506 R803R7473F
R3507 R803R7243F
R3508 R803R7103J
R3509 R803R7100J
R3510 R803R7473F
R3511 R803R9473F
RESISTORS
RC
RC
RC
RC
RC
RC
RC
RC
RC
RC
RC
RC
RC
RC
RC
RC
RC
RC
RC
RC
RC
RC
RC
RC
RC
RC
RC
RC
RC
RC
RC
RC
RC
RC
RC
RC
RC
RC
RC
RC
RC
RC
RC
RC
RC
RC
RC
RC
RC
RC
RC
RC
RC
RC
RC
RC
RC
RC
RC
RC
RC
RC
RC
RC
RC
RC
RC
RC
RC
RC
RC
RC
RC
RC
RC
RC
RC
27 OHM 1/16W
1K OHM 1/16W
1K OHM 1/16W
22 OHM 1/16W
1K OHM 1/16W
5.6K OHM 1/16W
1K OHM 1/16W
4.7K OHM 1/16W
4.7K OHM 1/16W
10K OHM 1/16W
10K OHM 1/16W
10K OHM 1/16W
10K OHM 1/16W
4.7K OHM 1/16W
4.7K OHM 1/16W
4.7K OHM 1/16W
4.7K OHM 1/16W
10K OHM 1/16W
10K OHM 1/16W
10K OHM 1/16W
4.7K OHM 1/16W
4.7K OHM 1/16W
100K OHM 1/16W
100 OHM 1/16W
10K OHM 1/16W
4.7K OHM 1/16W
1K OHM 1/16W
1K OHM 1/16W
6.8K OHM 1/16W
3.3K OHM 1/16W
6.8K OHM 1/16W
1.5K OHM 1/16W
150 OHM 1/16W
100 OHM 1/16W
33K OHM 1/16W
0.047 OHM 1/4W
0.047 OHM 1/4W
1K OHM 1/16W
1.5K OHM 1/16W
220 OHM 1/16W
8.2K OHM 1/16W
1K OHM 1/16W
3.3K OHM 1/16W
100 OHM 1/16W
100 OHM 1/16W
180K OHM 1/16W
220K OHM 1/16W
180K OHM 1/16W
68K OHM 1/16W
10K OHM 1/16W
10K OHM 1/16W
4.7K OHM 1/16W
180K OHM 1/16W
68K OHM 1/16W
4.7K OHM 1/16W
560 OHM 1/16W
1K OHM 1/16W
1K OHM 1/16W
1K OHM 1/16W
1K OHM 1/16W
6.8K OHM 1/16W
6.8K OHM 1/16W
4.7K OHM 1/16W
180K OHM 1/16W
220K OHM 1/16W
4.7K OHM 1/16W
47K OHM 1/10W
18.2K OHM 1/10W
47K OHM 1/10W
47K OHM 1/10W
4.87K OHM 1/10W
47K OHM 1/10W
24K OHM 1/10W
10K OHM 1/10W
10 OHM 1/10W
47K OHM 1/10W
47K OHM 1/16W
M2-2

REF, NO, I
R3512
R3513
R3514
R3515
R3516
R3517
R3518
R3519
R3520
R3521
R3522
R3523
R3524
R3525
R3526
R3527
R3528
R3529
R3530
R3531
R3532
R3533
R3534
R3535
R3536
R3537
R3539
R3540
R3542
R3543
R3545
R3546
R3549
R3601
R3602
R3603
R3604
R3605
R3606
R3609
R3610
R3611
R3612
R3613
R3614
R3615
R3616
R3617
R3618
R3619
R3622
R3625
R3628
R3629
R3630
R3631
R3632
R3633
R3634
R3635
R3636
R3638
R3639
R3640
R3641
R3642
R3643
R4201
R4202
R4203
R4207
R4208
R4212
R4214
R4215
R4216
R4219
PART NO,
R803R7101F
R803R7102J
R803R7332F
R803R7332F
R803R7512F
R803R7302F
R803R7203F
R803R7182F
R803R7473F
R803R7203F
R803R7123F
R803R7473F
R803R7103J
R803R7223F
R803R7103J
R803R9101F
R803R9562F
R803R7102J
R803R7102J
R803R7FF1F
R803R7103J
R803R7222J
R803R7302F
R803R7102J
R803R7102J
R803R7513F
R803R7103J
R803R7332F
R803R7202J
R803R7332F
R803R7332F
R803R9562F
R803R7222J
R808R9100J
R808R9100J
R808R9101J
R808R9101J
R808R9101J
R808R9101J
R808R9103J
R808R9103J
R808R9102J
R808R9102J
R808R9473J
R808R9473J
R808R9472J
R808R9472J
R808R9223J
R808R9223J
R808R9103J
R808R9103J
R808R9103J
R808R9103J
R808R9471J
R808R9332J
R808R9332J
R808R9105J
R808R9472J
R808R9332J
R808R9822J
R808R9103J
R808R9103J
R808R9472J
R808R9472J
R808R9102J
R808R9472J
R808R9472J
R808R9750J
R808R9750J
R808R9102J
R808R9102J
R808R9102J
R808R9473J
R808R9473J
R808R9101J
R808R9101J
R808R9101J
RC
RC
RC
RC
RC
RC
RC
RC
RC
RC
RC
RC
RC
RC
RC
RC
RC
RC
RC
RC
RC
RC
RC
RC
RC
RC
RC
RC
RC
RC
RC
RC
RC
RC
RC
RC
RC
RC
RC
RC
RC
RC
RC
RC
RC
RC
RC
RC
RC
RC
RC
RC
RC
RC
RC
RC
RC
RC
RC
RC
RC
RC
RC
RC
RC
RC
RC
RC
RC
RC
RC
RC
RC
RC
RC
RC
RC
ELECTRICAL REPLACEMENT PARTS LIST
DESCRIPTION
RESISTORS
100 OHM 1/10W
1K OHM 1/10W
3.3K OHM 1/10W
3.3K OHM 1/10W
5.1K OHM 1/10W
3K OHM 1/10W
20K OHM 1/10W
1.8K OHM 1/10W
47K OHM 1/10W
20K OHM 1/10W
12K OHM 1/10W
47K OHM 1/10W
10K OHM 1/10W
22K OHM 1/10W
10K OHM 1/10W
100 OHM 1/16W
5.6K OHM 1/16W
1K OHM 1/10W
1K OHM 1/10W
5.49K OHM 1/10W
10K OHM 1/10W
2.2K OHM 1/10W
3K OHM 1/10W
1K OHM 1/10W
1K OHM 1/10W
51K OHM 1/10W
10K OHM 1/10W
3.3K OHM 1/10W
2K OHM 1/10W
3.3K OHM 1/10W
3.3K OHM 1/10W
5.6K OHM 1/16W
2.2K OHM 1/10W
10 OHM 1/16W
10 OHM 1/16W
100 OHM 1/16W
100 OHM 1/16W
100 OHM 1/16W
100 OHM 1/16W
10K OHM 1/16W
10K OHM 1/16W
1K OHM 1/16W
1K OHM 1/16W
47K OHM 1/16W
47K OHM 1/16W
4.7K OHM 1/16W
4.7K OHM 1/16W
22K OHM 1/16W
22K OHM 1/16W
10K OHM 1/16W
10K OHM 1/16W
10K OHM 1/16W
10K OHM 1/16W
470 OHM 1/16W
3.3K OHM 1/16W
3.3K OHM 1/16W
1M OHM 1/16W
4.7K OHM 1/16W
3.3K OHM 1/16W
8.2K OHM 1/16W
10K OHM 1/16W
10K OHM 1/16W
4.7K OHM 1/16W
4.7K OHM 1/16W
1K OHM 1/16W
4.7K OHM 1/16W
4.7K OHM 1/16W
75 OHM 1/16W
75 OHM 1/16W
1K OHM 1/16W
1K OHM 1/16W
1K OHM 1/16W
47K OHM 1/16W
47K OHM 1/16W
100 OHM 1/16W
100 OHM 1/16W
100 OHM 1/16W
REF.NO.I PART NO. I
R4221 R808R9101J
R4224 R808R9101J
R4236 R808R9101J
R4239 R808R9101J
R4240 R808R9473J
R4241 R808R9473J
R4248 R808R9473J
R4252 R808R9473J
R4267 R808R9750J
R4269 R808R9102J
R4270 R808R9102J
R4271 R808R9102J
R4272 R808R9102J
R4273 R808R9750J
R4275 R808R9750J
R4277 R808R9750J
R4278 R808R9750J
R4279 R808R9471J
R4280 R808R9331J
R4283 R808R9471J
R4303 R808R9101J
R4304 R808R9101J
R4305 R808R9101J
R4306 R808R9103J
R4307 R808R9152J
R4309 R808R9222J
R4316 R808R9334J
R4317 R808R9683J
R4318 R808R9102J
R4319 R808R9102J
R4320 R808R9562J
R4321 R808R9102J
R4322 R808R9152J
R4323 R808R9332J
R4326 R808R9102J
R4329 R808R9221J
R4330 R808R9680J
R4331 R808R9102J
R4332 R808R9332J
R4334 R808R9332J
R4335 R808R9334J
R4336 R808R9683J
R4337 R808R9104J
R4340 R808R9222J
R4341 R808R9562J
R4342 R808R9102J
R4343 R808R9750J
R4344 R808R9222J
R4345 R808R9102J
R4346 R808R9750J
R4347 R808R9750J
R4348 R808R9102J
R4349 R808R9561J
R4350 R808R9561J
R4351 R808R9104J
R4352 R808R9104J
R5801 R808R9154J
R5802 R808R9473J
R5803 R808R9101J
R5804 R808R9101J
R5807 R808R9104J
R5808 R808R9472J
R5809 R808R9472J
R5810 R808R9101J
R5811 R808R9184J
R5812 R808R9101J
R5813 R808R9332J
R5817 R808R9332J
R5818 R808R9332J
R5819 R808R9101J
R5820 R808R9101J
R5821 R808R9470J
R5822 R808R9470J
R5823 R808R9102J
R5824 R808R9473J
R5825 R808R9473J
R6201 R803R9101J
DESCRIPTION
RESISTORS
RC
RC
RC
RC
RC
RC
RC
RC
RC
RC
RC
RC
RC
RC
RC
RC
RC
RC
RC
RC
RC
RC
RC
RC
RC
RC
RC
RC
RC
RC
RC
RC
RC
RC
RC
RC
RC
RC
RC
RC
RC
RC
RC
RC
RC
RC
RC
RC
RC
RC
RC
RC
RC
RC
RC
RC
RC
RC
RC
RC
RC
RC
RC
RC
RC
RC
RC
RC
RC
RC
RC
RC
RC
RC
RC
RC
RC
100 OHM 1/16W
100 OHM 1/16W
100 OHM 1/16W
100 OHM 1/16W
47K OHM 1/16W
47K OHM 1/16W
47K OHM 1/16W
47K OHM 1/16W
75 OHM 1/16W
1K OHM 1/16W
1K OHM 1/16W
1K OHM 1/16W
1K OHM 1/16W
75 OHM 1/16W
75 OHM 1/16W
75 OHM 1/16W
75 OHM 1/16W
470 OHM 1/16W
330 OHM 1/16W
470 OHM 1/16W
100 OHM 1/16W
100 OHM 1/16W
100 OHM 1/16W
10K OHM 1/16W
1.5K OHM 1/16W
2.2K OHM 1/16W
330K OHM 1/16W
68K OHM 1/16W
1K OHM 1/16W
1K OHM 1/16W
5.6K OHM 1/16W
1K OHM 1/16W
1.5K OHM 1/16W
3.3K OHM 1/16W
1K OHM 1/16W
220 OHM 1/16W
68 OHM 1/16W
1K OHM 1/16W
3.3K OHM 1/16W
3.3K OHM 1/16W
330K OHM 1/16W
68K OHM 1/16W
100K OHM 1/16W
2.2K OHM 1/16W
5.6K OHM 1/16W
1K OHM 1/16W
75 OHM 1/16W
2.2K OHM 1/16W
1K OHM 1/16W
75 OHM 1/16W
75 OHM 1/16W
1K OHM 1/16W
560 OHM 1/16W
560 OHM 1/16W
100K OHM 1/16W
100K OHM 1/16W
150K OHM 1/16W
47K OHM 1/16W
100 OHM 1/16W
100 OHM 1/16W
100K OHM 1/16W
4.7K OHM 1/16W
4.7K OHM 1/16W
100 OHM 1/16W
180K OHM 1/16W
100 OHM 1/16W
3.3K OHM 1/16W
3.3K OHM 1/16W
3.3K OHM 1/16W
100 OHM 1/16W
100 OHM 1/16W
47 OHM 1/16W
47 OHM 1/16W
1K OHM 1/16W
47K OHM 1/16W
47K OHM 1/16W
100 OHM 1/16W
M2-3

REF, NO, I
R6202
R6203
R6204
R6205
R6206
R6210
R6211
R6212
R6213
R6214
R6215
R6216
R6217
R6219
R6220
R6221
R6222
R6223
R6224
R6225
R6226
R6227
R6228
R6231
R6519
R6558
R6559
R6560
R6561
R6562
R6563
R6566
R6567
R6569
R7002
R7003
R7004
R7005
R7006
R7007
R7008
R7009
R7010
R7011
R7012
R7016
R7017
R7018
R7019
R7020
R7021
R7022
R7023
R7024
R7025
R7026
R7027
R7028
R7029
R7031
R7032
R7033
R7034
R7035
R7036
R7038
R7040
R7041
R7042
R7043
R7044
R7045
R7048
R7049
R7050
R7051
R7052
PART NO,
R803R9101J
R808R9103J
R808R9103J
R808R9333J
R808R9472J
R808R9472J
R808R9101J
R808R9101J
R808R9472J
R808R9222J
R808R9222J
R808R9472J
R808R9472J
R808R9472J
R808R9101J
R808R9273J
R808R9101J
R808R9101J
R808R9472J
R808R9472J
R808R9101J
R808R9101J
R808R9472J
R808R9472J
R808R9472J
R808R9332J
R808R9332J
R808R9472J
R808R9272J
R808R9272J
R808R9472J
R808R9472J
R808R9472J
R808R9101J
R803R9104J
R803R9104J
R803R9104J
R803R9104J
R803R9104J
R803R9104J
R803R9104J
R803R9104J
R803R9104J
R803R9104J
R803R9104J
R803R9104J
R803R9104J
R803R9104J
R803R9104J
R803R9104J
R803R9104J
R803R9104J
R803R9104J
R803R9104J
R803R9104J
R803R9104J
R803R9104J
R803R9182J
R803R9182J
R803R9100J
R803R9100J
R803R9182J
R803R9182J
R803R9182J
R803R9182J
R803R9100J
R803R9681J
R803R9681J
R803R9681J
R803R9681J
R803R9681J
R803R9681J
R803R9681J
R803R9681J
R803R9681J
R803R9681J
R803R9681J
RC
RC
RC
RC
RC
RC
RC
RC
RC
RC
RC
RC
RC
RC
RC
RC
RC
RC
RC
RC
RC
RC
RC
RC
RC
RC
RC
RC
RC
RC
RC
RC
RC
RC
RC
RC
RC
RC
RC
RC
RC
RC
RC
RC
RC
RC
RC
RC
RC
RC
RC
RC
RC
RC
RC
RC
RC
RC
RC
RC
RC
RC
RC
RC
RC
RC
RC
RC
RC
RC
RC
RC
RC
RC
RC
RC
RC
ELECTRICAL REPLACEMENT PARTS LIST
DESCRIPTION
RESISTORS
100 OHM 1/16W
10K OHM 1/16W
10K OHM 1/16W
33K OHM 1/16W
4.7K OHM 1/16W
4.7K OHM 1/16W
100 OHM 1/16W
100 OHM 1/16W
4.7K OHM 1/16W
2.2K OHM 1/16W
2.2K OHM 1/16W
4.7K OHM 1/16W
4.7K OHM 1/16W
4.7K OHM 1/16W
100 OHM 1/16W
27K OHM 1/16W
100 OHM 1/16W
100 OHM 1/16W
4.7K OHM 1/16W
4.7K OHM 1/16W
100 OHM 1/16W
100 OHM 1/16W
4.7K OHM 1/16W
4.7K OHM 1/16W
4.7K OHM 1/16W
3.3K OHM 1/16W
3.3K OHM 1/16W
4.7K OHM 1/16W
2.7K OHM 1/16W
2.7K OHM 1/16W
4.7K OHM 1/16W
4.7K OHM 1/16W
4.7K OHM 1/16W
100 OHM 1/16W
100K OHM 1/16W
100K OHM 1/16W
100K OHM 1/16W
100K OHM 1/16W
100K OHM 1/16W
100K OHM 1/16W
100K OHM 1/16W
100K OHM 1/16W
100K OHM 1/16W
100K OHM 1/16W
100K OHM 1/16W
100K OHM 1/16W
100K OHM 1/16W
100K OHM 1/16W
100K OHM 1/16W
100K OHM 1/16W
100K OHM 1/16W
100K OHM 1/16W
100K OHM 1/16W
100K OHM 1/16W
100K OHM 1/16W
100K OHM 1/16W
100K OHM 1/16W
1.8K OHM 1/16W
1.8K OHM 1/16W
10 OHM 1/16W
10 OHM 1/16W
1.8K OHM 1/16W
1.8K OHM 1/16W
1.8K OHM 1/16W
1.8K OHM 1/16W
10 OHM 1/16W
680 OHM 1/16W
680 OHM 1/16W
680 OHM 1/16W
680 OHM 1/16W
680 OHM 1/16W
680 OHM 1/16W
680 OHM 1/16W
680 OHM 1/16W
680 OHM 1/16W
680 OHM 1/16W
680 OHM 1/16W
REF.NO.I PART NO. I
R7053 R803R9681J
R7056 R803R9100J
R7057 R803R9100J
R7058 R803R9100J
R7059 R803R9182J
R7060 R803R9182J
R7061 R803R9182J
R7062 R803R9182J
R7063 R803R9182J
R7064 R803R9182J
R7065 R803R9681J
R7066 R803R9681J
R7067 R803R9681J
R7068 R803R9681J
R7069 R803R9681J
R7070 R803R9681J
R7071 R803R9681J
R7072 R803R9681J
R7073 R803R9681J
R7074 R803R9681J
R7075 R803R9681J
R7076 R803R9681J
R7079 R803R9472J
R7080 R002T4102J
R7082 R803R9332F
R7083 R803R9273F
R7085 R803R9273F
R7087 R803R9180F
R7090 R803R9333F
R7092 R803R9100J
R7093 R803R9182J
R7094 R002T4104J
R7095 R803R9562F
R7096 R803R9821F
R7097 R4X5T6103F
R7100 R803R9272F
R7101 R803R9223F
R7102 R002T4513J
R7103 R3K78A102J
R7106 R803R9103F
R7108 R803R9103F
R7109 R002T4683J
R7110 R803R9563F
R7112 R803R9243F
R7113 R002T4101J
R7114 R803R9334J
R7116 R002T4100J
R7117 R002T4100J
R7118 R002T4100J
R7119 R002T4100J
R7120 R002T4100J
R7121 R803R9390J
R7122 R803R9390J
R7123 R803R9390J
R7124 R803R9390J
R7127 R803R9104J
R7128 R803R9104J
R7129 R803R9104J
R7131 R803R9182J
R7132 R803R9681J
R7133 R803R9681J
R7134 R803R9681J
R7135 R803R9681J
R7137 R803R9101J
R7138 R803R9154J
DESCRIPTION
R7139 R803R9102J
R7140 R803R9824J
R7141 R803R9684J
R7142 R803R9224J
R7143 R803R9103J
R7144 R803R9223J
R7145 R803R9222J
R7146 R803R9222J
R7149 R803R9222J
R7152 R803R9222J
R7153 R803R9222J
R7154 R803R9222J
RESISTORS
RC
RC
RC
RC
RC
RC
RC
RC
RC
RC
RC
RC
RC
RC
RC
RC
RC
RC
RC
RC
RC
RC
RC
RC
RC
RC
RC
RC
RC
RC
RC
RC
RC
RC
R,METAL
RC
RC
RC
R,METAL OXIDE
RC
RC
RC
RC
RC
RC
RC
RC
RC
RC
RC
RC
RC
RC
RC
RC
RC
RC
RC
RC
RC
RC
RC
RC
RC
RC
RC
RC
RC
RC
RC
RC
RC
RC
RC
RC
RC
RC
680 OHM 1/16W
10 OHM 1/16W
10 OHM 1/16W
10 OHM 1/16W
1.8K OHM 1/16W
1.8K OHM 1/16W
1.8K OHM 1/16W
1.8K OHM 1/16W
1.8K OHM 1/16W
1.8K OHM 1/16W
680 OHM 1/16W
680 OHM 1/16W
680 OHM 1/16W
680 OHM 1/16W
680 OHM 1/16W
680 OHM 1/16W
680 OHM 1/16W
680 OHM 1/16W
680 OHM 1/16W
680 OHM 1/16W
680 OHM 1/16W
680 OHM 1/16W
4.7K OHM 1/16W
1K OHM 1/4W
3.3K OHM 1/16W
27K OHM 1/16W
27K OHM 1/16W
18 OHM 1/16W
33K OHM 1/16W
10 OHM 1/16W
1.8K OHM 1/16W
100K OHM 1/4W
5.6K OHM 1/16W
820 OHM 1/16W
10K OHM 1/6W
2.7K OHM 1/16W
22K OHM 1/16W
51K OHM 1/4W
1K OHM 2W
10K OHM 1/16W
10K OHM 1/16W
68K OHM 1/4W
56K OHM 1/16W
24K OHM 1/16W
100 OHM 1/4W
330K OHM 1/16W
10 OHM 1/4W
10 OHM 1/4W
10 OHM 1/4W
10 OHM 1/4W
10 OHM 1/4W
39 OHM 1/16W
39 OHM 1/16W
39 OHM 1/16W
39 OHM 1/16W
100K OHM 1/16W
100K OHM 1/16W
100K OHM 1/16W
1.8K OHM 1/16W
680 OHM 1/16W
680 OHM 1/16W
680 OHM 1/16W
680 OHM 1/16W
100 OHM 1/16W
150K OHM 1/16W
1K OHM 1/16W
820K OHM 1/16W
680K OHM 1/16W
220K OHM 1/16W
10K OHM 1/16W
22K OHM 1/16W
2.2K OHM 1/16W
2.2K OHM 1/16W
2.2K OHM 1/16W
2.2K OHM 1/16W
2.2K OHM 1/16W
2.2K OHM 1/16W
M2-4

REF, NO, I
R7155
R7156
R7157
R7158
R7159
R7160
R7161
R7162
R7163
R7164
R7165
R7166
R7167
R7168
R7169
R7170
R7171
R7172
R7173
R7174
R7175
R7176
R7177
R7190
C307
C341
C342
C343
C344
C345
C346
C348
C349
C350
C357
C358
C401
z_C402
z_C403
C404
C405
C406
C407
C408
C409
C411
C412
C413
C414
C418
C419
C420
/KC423
C426
C428
C429
C430
C431
/iXC433
iK C434
/KC435
C436
C437
/ikc438
C440
/ikc441
/ikc442
C443
/ikc444
C446
/ikc448
C449
C450
/'ikc455
C464
C483
ELECTRICAL REPLACEMENT PARTS LIST
PART NO,
R803R9222J
R002T4102J
R803R9222J
R803R9222J
R803R9222J
R803R9222J
R803R9222J
R803R9222J
R803R9222J
R803R9222J
R803R9222J
R803R9222J
R803R9222J
R803R9222J
R803R9222J
R803R9222J
R803R9222J
R803R9222J
R803R9222J
R803R9222J
R803R9222J
R803R9222J
R803R9222J
R002T4102J
RC
RC
RC
RC
RC
RC
RC
RC
RC
RC
RC
RC
RC
RC
RC
RC
RC
RC
RC
RC
RC
RC
RC
RC
DESCRIPTION
RESISTORS
2.2K OHM 1/16W
1K OHM 1/4W
2.2K OHM 1/16W
2.2K OHM 1/16W
2.2K OHM 1/16W
2.2K OHM 1/16W
2.2K OHM 1/16W
2.2K OHM 1/16W
2.2K OHM 1/16W
2.2K OHM 1/16W
2.2K OHM 1/16W
2.2K OHM 1/16W
2.2K OHM 1/16W
2.2K OHM 1/16W
2.2K OHM 1/16W
2.2K OHM 1/16W
2.2K OHM 1/16W
2.2K OHM 1/16W
2.2K OHM 1/16W
2.2K OHM 1/16W
2.2K OHM 1/16W
2.2K OHM 1/16W
2.2K OHM 1/16W
1K OHM 1/4W
CSOUBOP16K CC
CSOUBOP16K CC
CSOUB04Q3K CC
E70QT3101M CE
CSOUB04Q3K CC
E61UM5010D CE
E7ESF3102M CE
E61UM0101D CE
E7ESF3102M CE
E7ESF3102M CE
CSOPB0415K CC
CSOPB0415K CC
COPLRR7E3K CC
P2122B224M CMP
E718HC391D CE
E718HC391D CE
CSOPB0315K CC
CD39EOM13M CC
E7EST4101M CE
CSOPB04Q2K CC
CSOPB0415K CC
CSOPBON16K CC
CSOPB0315K CC
P2122B224M CMP
CSOPB04H3K CC
CSOPB0413K CC
CSOPBONH6K CC
CSOPCH412J CC
P4NBE5274H CMPP
CSOPB0315K CC
CSOPB0413K CC
CSOPB0315K CC
COPLRR7H3K CC
E8E2U5100D CE
E7EYF4471M CE
E7EYF4122M CE
E7EYF3102M CE
CSOPBONH6K CC
P232W1333J CMP
E7EYF4122M CE
E7EYF0222M CE
E8E2U52R2D CE
E7EPU5470M CE
CSOPB0414K CC
E7EPT0222M CE
E7EST2471M CE
P2122B224M CMP
P1S3T0182J CP
P4NBE5223H CMPP
E8E6FC470M CE
CD39EOM13M CC
CD39EOM13M CC
1 UF 6.3V B
1 UF 6.3V B
0.0047UF 50V B
100 UF 25V
0.0047UF 50V B
1 UF 50V
1000 UF 25V
100 UF 6.3V
1000 UF 25V
1000 UF 25V
0.1 UF 50V B
0.1 UF 50V B
0.0015 UF 2KV R
0.22 UF 275V ECQUL
390 UF 200V
390 UF 200V
0.1 UF 25V B
0.001 UF 250V
100 UF 35V
470 PF 50V B
0.1 UF 50V B
1 UF 10V B
0.1 UF 25V B
0.22 UF 275V ECQUL
0.0022UF 50V B
0.001 UF 50V B
2.2 UF 10V B
100 PF 50V CH
0.27 UF 630
0.1 UF 25V B
0.001 UF 50V B
0.1 UF 25V B
0.0022 UF 2KV R
10 UF 50V
470 UF 35V
1200 UF 35V
1000 UF 25V
2.2 UF 10V B
0.033 UF 100V MMTS
1200 UF 35V
2200 UF 6.3V
2.2 UF 50V
47 UF 50V
0.01 UF 50V B
2200 UF 6.3V
470 UF 16V
0.22 UF 275V ECQUL
0.0018UF 50V
0.022 UF 630
47 UF 200V
0.001 UF 250V
0.001 UF 250V
REF, NO, I PART NO, DESCRIPTION
CAPACITORS
C491 E7EPT0221M
C493 E7ESU5470M
C494 E7ESU54R7M
C495 CSOPCH4H2J
C497 E7ESU5100M
C1201 CSOPB0315K
C1204 CSOPBON16K
C1205 CT7RCOP17M
C1206 CT7RCOP17M
C1207 CSOPB0315K
C1208 CSOSB0317K
C1209 CSOPB0315K
C1210 CSOPB0315K
C1211 CSOPB0315K
C1212 CSOPB0315K
C1213 CSOPB0315K
C1214 CSOPB0315K
C1215 CSOPB0315K
C1216 CSOPB0315K
C1217 CSOPB0315K
C1218 CSOPB0315K
C1219 CSOPB0315K
C1220 CSOPB0315K
C1221 CSOPB0315K
C1222 CSOPB0315K
C1223 CSOPB0315K
C1224 CSOPB0315K
C1225 CSOPB0315K
C1226 CSOPB0315K
C1227 CSOPB0315K
C1228 CSOPB0315K
C1229 CSOPB0315K
C1230 CSOPB0315K
C1231 CSOPB0315K
C1232 CSOPB0315K
C1233 CSOPB0315K
C1234 CSOPBON16K
C1235 CSOPBON16K
C1236 CSOPB0315K
C1237 CSOPB0315K
C1238 CSOPB0315K
C1239 CSOPB0315K
C1240 CSOPBON16K
C1241 CSOPB0315K
C1242 CSOPB0315K
C1243 CSOPBON16K
C1244 CSOPB0216K
C1245 CSOPBON16K
C1246 CSOPB0216K
C1247 CSOPBON16K
C1248 CSOPB0216K
C1249 CSOPBON16K
C1256 CSOPB0216K
C1257 CSOPB0216K
C1258 CSOPB0216K
C1260 CSOPBON16K
C1261 CSOPBON16K
C1262 CSOPBON16K
C1263 CSOPB0315K
C1264 CSOPB0315K
C1265 CSOPB0315K
C1266 CSOPB0315K
C1267 CSOPB0216K
C1268 CSOPB0216K
C1269 CSOPBON16K
C1270 CSOPBON16K
C1274 CSOPB0216K
C1275 CSOPB0216K
C1278 CSOPBON16K
C1279 CSOPB0216K
C1280 CSOPBON16K
C1281 CSOPBON16K
C1282 E61UM2221D
C1283 E61UM2101D
C1286 CT7RCOP17M
C1287 E61UM2100D
C1290 E61UM2100D
CAPACITORS
CE
CE
CE
CC
CE
CC
CC
CC
CC
CC
CC
CC
CC
CC
CC
CC
CC
CC
CC
CC
CC
CC
CC
CC
CC
CC
CC
CC
CC
CC
CC
CC
CC
CC
CC
CC
CC
CC
CC
CC
CC
CC
CC
CC
CC
CC
CC
CC
CC
CC
CC
CC
CC
CC
CC
CC
CC
CC
CC
CC
CC
CC
CC
CC
CC
CC
CC
CC
CC
CC
CC
CC
CE
CE
CC
CE
CE
220 UF 6.3V
47 UF 50V
4.7 UF 50V
220 PF 50V CH
10 UF 50V
0.1 UF 25V B
1 UF 10V B
10 UF 6.3V C
10 UF 6.3V C
0.1 UF 25V B
10 UF 25V B
0.1 UF 25V B
0.1 UF 25V B
0.1 UF 25V B
0.1 UF 25V B
0.1 UF 25V B
0.1 UF 25V B
0.1 UF 25V B
0.1 UF 25V B
0.1 UF 25V B
0.1 UF 25V B
0.1 UF 25V B
0.1 UF 25V B
0.1 UF 25V B
0.1 UF 25V B
0.1 UF 25V B
0.1 UF 25V B
0.1 UF 25V B
0.1 UF 25V B
0.1 UF 25V B
0.1 UF 25V B
0.1 UF 25V B
0.1 UF 25V B
0.1 UF 25V B
0.1 UF 25V B
0.1 UF 25V B
1 UF 10V B
1 UF 10V B
0.1 UF 25V B
0.1 UF 25V B
0.1 UF 25V B
0.1 UF 25V B
1 UF 10V B
0.1 UF 25V B
0.1 UF 25V B
1 UF 10V B
1 UF 16V B
1 UF 10V B
1 UF 16V B
1 UF 10V B
1 UF 16V B
1 UF 10V B
1 UF 16V B
1 UF 16V B
1 UF 16V B
1 UF 10V B
1 UF 10V B
1 UF 10V B
0.1 UF 25V B
0.1 UF 25V B
0.1 UF 25V B
0.1 UF 25V B
1 UF 16V B
1 UF 16V B
1 UF 10V B
1 UF 10V B
1 UF 16V B
1 UF 16V B
1 UF 10V B
1 UF 16V B
1 UF 10V B
1 UF 10V B
220 UF 16V
100 UF 16V
10 UF 6.3V C
10 UF 16V
10 UF 16V
M2-5

REF, NO, I
C1302
C1303
C1304
C1305
C1306
C1307
C1308
C1309
C1310
C1311
C1312
C1313
C1314
C1315
C1316
C1317
C1318
C1319
C1320
C1321
C1322
C1323
C1324
C1325
C1326
C1327
C1328
C1329
C1330
C1331
C1332
C1333
C1334
C1335
C1336
C1337
C1338
C1339
C1340
C1341
C1342
C1343
C1344
C1345
C1347
C1348
C1350
C1351
C1352
C2205
C2802
C2806
C2807
C2808
C2809
C2810
C2811
C2812
C2813
C2814
C2815
C2816
C2821
C2822
C2841
C2842
C2843
C2844
C2845
C2850
C2851
C2859
C2860
C2865
C2866
C2867
C2868
PART NO,
CSOPBO315K
CSOSBO317K
CSOPBO315K
CSOPBO315K
CSOPBO315K
CSOPBO315K
CSOPBO315K
CSOPBO315K
CSOPBO315K
CSOPBO315K
CSOPBO315K
CSOPBO315K
CSOPBO315K
CSOPBO315K
CSOPBO315K
CSOPBO315K
CSOPBO315K
CSOPBO315K
CSOPBO315K
CSOPBO315K
CSOPBO316K
CSOPBO316K
CSOPBO316K
CSOPBON16K
CSOPBO316K
CSOPBO316K
CSOPBO316K
CSOPBON16K
CSOPBON16K
CSOPBON16K
CSOPBON16K
CSOPBON16K
CSOPBON16K
CSOPBON16K
CSOPBON16K
CSOPBON16K
CSOPBON16K
CSOPBON16K
CSOPBO316K
CSOPBO315K
CSOPBO315K
CSOPBO315K
CSOUB0315K
CSOUB0315K
CSOUB0315K
CSOUB0315K
E61VM2220D
E61VM2220D
CSOPBO315K
E70QUO101M
E61UM1220D
CSOUBON15K
CSOUBON15K
CSOUB0214K
CSOUCH4B1J
CSOPCH4K1J
CSOUCH4K1J
CSOUCH421J
CSOUBON15K
CSOUBON15K
CSOPBON16K
CSOPBON16K
CSOUBON15K
CSOUBON15K
CSOUBON15K
CSOPBON16K
CSOUBON15K
CSOUBON15K
CSOUBON15K
CSOUBON15K
CSOUBON15K
CSOPBON16K
E61UM1220D
E61UM1220D
E61UM1220D
E61UMQ470D
CSOUB0214K
CC
CC
CC
CC
CC
CC
CC
CC
CC
CC
CC
CC
CC
CC
CC
CC
CC
CC
CC
CC
CC
CC
CC
CC
CC
CC
CC
CC
CC
CC
CC
CC
CC
CC
CC
CC
CC
CC
CC
CC
CC
CC
CC
CC
CC
CC
CE
CE
CC
CE
CE
CC
CC
CC
CC
CC
CC
CC
CC
CC
CC
CC
CC
CC
CC
CC
CC
CC
CC
CC
CC
CC
CE
CE
CE
CE
CC
ELECTRICAL REPLACEMENT PARTS LIST
DESCRIPTION
CAPACITORS
0.1 UF 25V B
10 UF 25V B
0.1 UF 25V B
0.1 UF 25V B
0.1 UF 25V B
0.1 UF 25V B
0.1 UF 25V B
0.1 UF 25V B
0.1 UF 25V B
0.1 UF 25V B
0.1 UF 25V B
0.1 UF 25V B
0.1 UF 25V B
0.1 UF 25V B
0.1 UF 25V B
0.1 UF 25V B
0.1 UF 25V B
0.1 UF 25V B
0.1 UF 25V B
0.1 UF 25V B
1 UF 25V B
1 UF 25V B
1 UF 25V B
1 UF IOV B
1 UF 25V B
1 UF 25V B
1 UF 25V B
1 UF IOV B
1 UF IOV B
1 UF IOV B
1 UF IOV B
1 UF IOV B
1 UF IOV B
1 UF IOV B
1 UF IOV B
1 UF IOV B
1 UF IOV B
1 UF IOV B
1 UF 25V B
0.1 UF 25V B
0.1 UF 25V B
0.1 UF 25V B
0.1 UF 25V B
0.1 UF 25V B
0.1 UF 25V B
0.1 UF 25V B
22 UF 16V
22 UF 16V
0.1 UF 25V B
100 UF 6.3V
22 UF IOV
0.1 UF 10V B
0.1 UF 10V B
0.01 UF 16V B
12 PF 50V CH
27 PF 50V CH
27 PF 50V CH
20 PF 50V CH
0.1 UF 10V B
0.1 UF 10V B
1 UF IOV B
1 UF IOV B
0.1 UF 10V B
0.1 UF 10V B
0.1 UF 10V B
1 UF IOV B
0.1 UF 10V B
0.1 UF 10V B
0.1 UF 10V B
0.1 UF 10V B
0.1 UF 10V B
1 UF IOV B
22 UF IOV
22 UF IOV
22 UF IOV
47 UF 4V
0.01 UF 16V B
REF.NO.I PART NO. I
C2869 E61UMQ470D
C2871 CSOUBON15K
C2872 CSOUBON15K
C2875 CSOUBON15K
C2876 E61UM1220D
C2877 E61UMQ470D
C2879 CSOUBON15K
C2881 CSOUBON15K
C2882 E61UMQlO1D
C2883 E61UM1220D
C2884 CSOUBON16K
C2885 CSOUBON15K
C2887 CSOUBON15K
C2890 CSOUBON16K
C2891 E61UM1220D
C2894 CSOUBON15K
C2896 CSOUBON16K
C2898 CSOUBON16K
C2900 CSOUBON15K
C2901 CSOUBON15K
C2902 CSOUBON15K
C2903 CSOUBON15K
C2904 CSOUBON15K
C2905 E61UMO331D
C2906 CSOUBON15K
C2907 CSOUBON15K
C2908 CSOUBON15K
C2909 CSOUBON15K
C2910 CSOUBON16K
C2911 CSOUBON16K
C2912 CSOUBON16K
C2913 CSOUBON16K
C2914 E61UMO331D
C2917 CSOUBON15K
C2918 CSOUBON15K
C2919 CSOUBON15K
C2920 CSOUBON15K
C2921 E61UM1220D
C2922 CSOUBON15K
C2923 E61UM1220D
C2924 E61UM1220D
C2925 CSOUBON15K
C2926 CSOUBON15K
C2927 CSOUBON15K
C2928 CSOUBON15K
C2929 CSOUBON15K
C2931 CSOUBON15K
C2932 CSOUBON15K
C2933 CSOUBON15K
C2934 CSOUBON15K
C2935 CSOUBON15K
C2936 CSOUBON15K
C2937 CSOUBON15K
C2938 CSOUBON15K
C2939 CSOUBON15K
C2940 CSOUBON15K
C2941 CSOUBON15K
C2942 CSOUBON15K
C2943 CSOUBON15K
C2944 CSOUBON15K
C2945 CSOUBON15K
C2946 CSOUBON15K
C2947 CSOUBON15K
C2948 E61UM1220D
C2949 CSOUBON15K
C2950 CSOUBO413K
C2951 CSOUBO413K
C2959 CSOUBON15K
C2965 CSOUBON15K
C2968 CSOUBON15K
C2974 E61UM2100D
C2975 E61UM2100D
C3011 CSOUBON15K
C3012 CSOUBO214K
C3013 E71GM0680D
C3014 CSOUBON15K
C3015 CSOUBON15K
DESCRIPTION
CAPACITORS
GE
GC
GC
GC
GE
GE
GC
GC
GE
GE
GC
GC
GC
GC
GE
GC
GC
GC
GC
GC
GC
GC
GC
GE
GC
GC
GC
GC
GC
GC
GC
GC
GE
GC
GC
GC
GC
GE
GC
GE
GE
GC
GG
GC
GC
GC
GC
GC
GC
GC
GC
GC
GC
GC
GC
GC
GC
GC
GC
GC
GC
GC
GC
GE
GC
GC
GC
GC
GC
GC
GE
GE
GC
GC
GE
GC
GG
47 UF 4V
0.1 UF 10V B
0.1 UF 10V B
0.1 UF 10V B
22 UF IOV
47 UF 4V
0.1 UF 10V B
0.1 UF 10V B
100 UF4V
22 UF IOV
1 UF IOV B
0.1 UF 10V B
0.1 UF 10V B
1 UF IOV B
22 UF IOV
0.1 UF 10V B
1 UF IOV B
1 UF IOV B
0.1 UF 10V B
0.1 UF 10V B
0.1 UF 10V B
0.1 UF 10V B
0.1 UF 10V B
330 UF 6.3V
0.1 UF 10V B
0.1 UF 10V B
0.1 UF 10V B
0.1 UF 10V B
1 UF IOV B
1 UF IOV B
1 UF IOV B
1 UF IOV B
330 UF 6.3V
0.1 UF 10V B
0.1 UF 10V B
0.1 UF 10V B
0.1 UF 10V B
22 UF IOV
0.1 UF 10V B
22 UF IOV
22 UF IOV
0.1 UF 10V B
0.1 UF 10V B
0.1 UF 10V B
0.1 UF 10V B
0.1 UF 10V B
0.1 UF 10V B
0.1 UF 10V B
0.1 UF 10V B
0.1 UF 10V B
0.1 UF 10V B
0.1 UF 10V B
0.1 UF 10V B
0.1 UF 10V B
0.1 UF 10V B
0.1 UF 10V B
0.1 UF 10V B
0.1 UF 10V B
0.1 UF 10V B
0.1 UF 10V B
0.1 UF 10V B
0.1 UF 10V B
0.1 UF 10V B
22 UF IOV
0.1 UF 10V B
0.001 UF 50V B
0.001 UF 50V B
0.1 UF 10V B
0.1 UF 10V B
0.1 UF 10V B
10 UF 16V
10 UF 16V
0.1 UF 10V B
0.01 UF 16V B
68 UF 6.3V
0.1 UF 10V B
0.1 UF IOV B
M2-6

REF, NO, I
C3016
C3017
C3018
C3019
C3021
C3022
C3023
C3024
C3026
C3027
C3029
C3031
C3032
C3033
C3040
C3041
C3043
C3044
C3045
C3047
C3048
C3049
C3054
C3056
C3057
C3058
C3401
C3402
C3408
C3413
C3415
C3416
C3417
C3418
C3419
C3420
C3501
C3502
C3503
C3504
C3505
C3506
C3507
C3508
C3511
C3512
C3513
C3517
C3518
C3519
C3520
C3521
C3522
C3524
C3526
C3527
C3601
C3602
C3603
C3604
C3605
C3606
C3607
C3608
C3609
C3610
C3611
C3612
C3613
C3614
C3615
C3616
C3618
C4205
C4207
C4208
C4209
PART NO, I
CSOUCH4U2J CC
CSOUCH4K1J CC
CSORBONH6K CC
CSOUBON15K CC
CSOUB0413K CC
E71GM0680D CE
CSOPBON16K CC
CS7RCON17M CC
CS7RCON17M CC
CS7RCON17M CC
CT5RCOP17M CC
CT7RCOP17M CC
CT5RCOP17M CC
CT5RC0P17M CC
CSOUBON15K CC
CSOUBON15K CC
CSOUBON15K CC
CSOUBON16K CC
E61UM3470D CE
E61UM2101D CE
CS8RB02Q6K CC
CSORBOPQ6K CC
E61UM2101D CE
CT7RCOP17M CC
CSORBON17K CC
E61UM0331D CE
CS7RCON17M CC
CS7RC0N17M CC
CSOUBOP16K CC
CS7RC0N17M CC
CSOUBOP16K CC
CSOUBOP16K CC
E61UM2221D CE
CSOUBOP16K CC
CSOUBOP16K CC
E61UM2221D CE
CSOPB0315K CC
CSOPB04U4K CC
CSOPCH4L2J CC
CSOPB04U4K CC
CSOPB0315K CC
CSOPB0413K CC
CSOPB04Q3K CC
E61UM34R7D CE
CSOPB0413K CC
CSOPB0315K CC
CSOPBOP17M CC
CSOPB0315K CC
CSOPB0415K CC
CSOPB0415K CC
CSOPB0415K CC
CSOPB0315K CC
CS3RB0416K CC
E61UM34R7D CE
E61VM3220D CE
E61VM3220D CE
CSOUBON15K CC
CSOUBON15K CC
CSOUBON15K CC
CSOUBON15K CC
CSOUBON15K CC
CSOUB0214K CC
CSOUB0214K CC
CSOUBON15K CC
CSOUBON15K CC
CSOUCH480D CC
CSOUCH411J CC
CSOUBON15K CC
CSORBOPQ6K CC
CSOUB04H3K CC
CSOUB04K3K CC
CSOUBON15K CC
CSOUB0413K CC
CSOUCH4HIJ CC
CSOUCH4HIJ CC
CSOPBON16K CC
CSOPBON16K CC
ELECTRICAL REPLACEMENT PARTS LIST
DESCRIPTION
CAPACITORS
680 PF 50V CH
27 PF 50V CH
2.2 UF 10V B
0.1 UF 10V B
0.001 UF 50V B
68 UF 6.3V
1 UF 10V B
10 UF 10V C
10 UF 10V C
10 UF 10V C
10 UF 6.3V C
10 UF 6.3V C
10 UF 6.3V C
10 UF 6.3V C
0.1 UF 10V B
0.1 UF 10V B
0.1 UF 10V B
1 UF 10V B
47 UF 25V
100 UF 16V
4.7 UF 16V B
4.7 UF 6.3V B
100 UF 16V
10 UF 6.3V C
10 UF 10V B
330 UF 6.3V
10 UF 10V C
10 UF 10V C
1 UF 6.3V B
10 UF 10V C
1 UF 6.3V B
1 UF 6.3V B
220 UF 16V
1 UF 6.3V B
1 UF 6.3V B
220 UF 16V
0.1 UF 25V B
0.068 UF 50V B
330 PF 50V CH
0.068 UF 50V B
0.1 UF 25V B
0.001 UF 50V B
0.0047UF 50V B
4.7 UF 25V
0.001 UF 50V B
0.1 UF 25V B
10 UF 6.3V B
0.1 UF 25V B
0.1 UF 50V B
0.1 UF 50V B
0.1 UF 50V B
0.1 UF 25V B
1 UF 50V B
4.7 UF 25V
22 UF 25V
22 UF 25V
0.1 UF 10V B
0.1 UF 10V B
0.1 UF 10V B
0.1 UF 10V B
0.1 UF 10V B
0.01 UF 16V B
0.01 UF 16V B
0.1 UF 10V B
0.1 UF 10V B
8 PF 50V CH
10 PF 50V CH
0.1 UF 10V B
4.7 UF 6.3V B
0.0022UF 50V B
0.0027UF 50V B
0.1 UF 10V B
0.001 UF 50V B
22 PF 50V CH
22 PF 50V CH
1 UF 10V B
1 UF 10V B
REF.NO.I PART NO. I
C4220 CSOUBOP16K
C4221 CSOUBOP16K
C4222 CSOUBOP16K
C4223 CSOUBOP16K
C4224 CSOUCH4HIJ
C4225 CSOUCH4HIJ
C4227 CSOUCH4HIJ
C4228 CSOUCH4HIJ
C4328 E61UM2220D
C4329 CSOUBON15K
C4331 CT7RCOP17M
C4332 E61UM0101D
C4333 CS7RCON17M
C4335 CSOUB03H4K
C4336 CSOUCH412J
C4338 CSOUBON15K
C4339 CS7RCON17M
C4341 CSOUCH412J
C4342 CSOUCH412J
C4343 CS7RCON17M
C4344 CS7RCON17M
C4345 CS7RCON17M
C4346 CS7RCON17M
C5801 E61UM0221D
C5803 E61UM0221D
C5805 CSOPB0415K
C5806 CSOUBON15K
C5809 CSOUBON15K
C5814 CSOUCH4L1J
C5817 CSOUB0413K
C5818 CSOUBONH5K
C5819 E61UM0221D
C5820 CSOUBOPL5K
C5821 CSOUCH4Q1J
C5822 CSOUCH4Q1J
C5823 CSOUBOPL5K
C5824 CSOUBON15K
C5825 CSORBOPQ6K
C5826 CSOPBONH6K
C5827 CSOPBONH6K
C5830 CSOPBONH6K
C5833 CSOPBONH6K
C5834 CSOUB02L4K
C5835 CSOUBON15K
C5837 CSOUB03H4K
C5838 CSOUBON15K
C5839 CS3RBOPL6K
C5840 CSOUBOPL5K
C5841 CSOPBOP17M
C5844 CSOUB0214K
C5845 CSOUB0214K
C5846 CSOUCH4S1J
C5847 CSOUBON15K
C5852 CSOUBON15K
C5853 CSOUBON15K
C5855 CSOUBON15K
C5856 CSOUBON15K
C6201 CSOUCH4Q1J
C6202 CSOUCH4Q1J
C6205 E61UM0221D
C6206 CSOUB0214K
C6209 CSORBONH6K
C6210 CSOUBON15K
C6212 CSOUBOP16K
C6213 CSOUCH4G1J
C6215 CSOUCH4G1J
C6216 CSOUB0214K
C6218 CSOUBON15K
C6555 CS7RCON17M
C6556 CSOUBON15K
C6557 CSOPBONH6K
C6559 CS7RCON17M
C6560 CSOUBON15K
C6561 CS7RCON17M
C6562 CS7RCON17M
C6563 CSOPB0216K
C6564 E61UM2100D
DESCRIPTION
CAPACITORS
cc
cc
cc
cc
cc
cc
cc
cc
CE
CC
CC
CE
CC
CC
CC
CC
CC
CC
CC
CC
CC
CC
CC
CE
CE
CC
CC
CC
CC
CC
CC
CE
CC
CC
CC
CC
CC
CC
CC
CC
CC
CC
CC
CC
CC
CC
CC
CC
CC
CC
CC
CC
CC
CC
CC
CC
CC
CC
CC
CE
CC
CC
CC
CC
CC
CC
CC
CC
CC
CC
CC
CC
CC
CC
CC
CC
CE
1 UF 6.3V B
1 UF 6.3V B
1 UF 6.3V B
1 UF 6.3V B
22 PF 50V CH
22 PF 50V CH
22 PF 50V CH
22 PF 50V CH
22 UF 16V
0.1 UF 10V B
10 UF 6.3V C
100 UF 6.3V
10 UF 10V C
0.022 UF 25V B
100 PF 50V CH
0.1 UF 10V B
10 UF 10V C
100 PF 50V CH
100 PF 50V CH
10 UF 10V C
10 UF 10V C
10 UF 10V C
10 UF 10V C
220 UF 6.3V
220 UF 6.3V
0.1 UF 50V B
0.1 UF 10V B
0.1 UF 10V B
33 PF 50V CH
0.001 UF 50V B
0.22 UF 10V B
220 UF 6.3V
0.33 UF 6.3V B
47 PF 50V CH
47 PF 50V CH
0.33 UF 6.3V B
0.1 UF 10V B
4.7 UF 6.3V B
2.2 UF 10V B
2.2 UF 10V B
2.2 UF 10V B
2.2 UF 10V B
0.033 UF 16V B
0.1 UF 10V B
0.022 UF 25V B
0.1 UF 10V B
3.3 UF 6.3V B
0.33 UF 6.3V B
10 UF 6.3V B
0.01 UF 16V B
0.01 UF 16V B
56 PF 50V CH
0.1 UF 10V B
0.1 UF 10V B
0.1 UF 10V B
0.1 UF 10V B
0.1 UF 10V B
47 PF 50V CH
47 PF 50V CH
220 UF 6.3V
0.01 UF 16V B
2.2 UF 10V B
0.1 UF 10V B
1 UF 6.3V B
18 PF 50V CH
18 PF 50V CH
0.01 UF 16V B
0.1 UF 10V B
10 UF 10V C
0.1 UF 10V B
2.2 UF 10V B
10 UF 10V C
0.1 UF 10V B
10 UF 10V C
10 UF 10V C
1 UF 16V B
10 UF 16V
M2-7

REF, NO, I
C6567
C6568
C6570
C6571
C7001
C7002
C7003
C7004
C7005
C7007
C7009
C7010
C7011
C7012
C7013
C7014
C7017
C7018
C7019
C7020
C7021
C7022
C7025
C7026
C7027
C7028
C7029
C7030
C7031
C7032
C7033
C7034
C7035
C7036
C7037
C7038
C7039
C7040
C7041
C7042
C7043
C7044
C7046
C7047
C7048
C7049
C7050
C7051
C7052
C7053
C7054
C7055
C7056
C7058
C7059
C7060
C7061
C7062
C7063
C7064
C7065
C7070
C7071
C7072
C7073
C7074
C7075
C7076
C7077
C7078
C7079
C7080
C7081
C7082
C7083
C7088
C7089
PART NO, I
CS7RCON17M CC
CS7RCON17M CC
CS7RCON17M CC
CS7RCON17M CC
CS3RB0416K CC
CS3RB0416K CC
CS3RB0416K CC
CS3RB0416K CC
CS3RB0416K CC
CS3RB0416K CC
C234SLB11J CC
C234SLB11J CC
C234SLB11J CC
C234SLB11J CC
C234SLB11J CC
C234SLB11J CC
CSOPB0414K CC
CSOPB0414K CC
CSOPB0414K CC
CSOPB0414K CC
CSOPB0414K CC
CSOPB0414K CC
CS3RB0416K CC
CS3RB0416K CC
CS3RB0416K CC
CS3RB0416K CC
CS3RB0416K CC
CS3RB0416K CC
C234SLB11J CC
C234SLB11J CC
C234SLB11J CC
C234SLB11J CC
C234SLB11J CC
C234SLB11J CC
CSOPB0414K CC
CSOPB0414K CC
CSOPB0414K CC
CSOPB0414K CC
CSOPB0414K CC
CSOPB0414K CC
CSOPCH4L2H CC
CSOPB0415K CC
CSOPCH450C CC
CSOPB02H5K CC
CSOPB0415K CC
CSOPB0414K CC
CSOPB04Q3K CC
CSOPBONQ5K CC
CSOPB04Q3K CC
CSOPB02H5K CC
CS3RB0416K CC
CSOPB0413K CC
CSORBON17K CC
CSOPB04Q4K CC
CSOPB0413K CC
CSOPB0315K CC
CSOPB0315K CC
E8E1T4471M CE
E8E1T4471M CE
E8E1T4471M CE
E8E1T4471M CE
CS3RB0416K CC
CS3RB0416K CC
C234SLB11J CC
C234SLB11J CC
CSOPB0414K CC
CSOPB0414K CC
CSOPB0316K CC
CSOPB0415K CC
CSOPB0316K CC
CSOPB0413K CC
CSOPB0415K CC
CS3RB0416K CC
CS3RB0416K CC
CQGTCH413J CC
CSORBON17K CC
E7ESU4101M CE
ELECTRICAL REPLACEMENT PARTS LIST
DESCRIPTION
CAPACITORS
10 UF 10V C
10 UF 10V C
10 UF 10V C
10 UF 10V C
1 UF 50V B
1 UF 50V B
1 UF 50V B
1 UF 50V B
1 UF 50V B
1 UF 50V B
10 PF 6KV SL
10 PF 6KV SL
10 PF 6KV SL
10 PF 6KV SL
10 PF 6KV SL
10 PF 6KV SL
0.01 UF 50V B
0.01 UF 50V B
0.01 UF 50V B
0.01 UF 50V B
0.01 UF 50V B
0.01 UF 50V B
1 UF 50V B
1 UF 50V B
1 UF 50V B
1 UF 50V B
1 UF 50V B
1 UF 50V B
10 PF 6KV SL
10 PF 6KV SL
10 PF 6KV SL
10 PF 6KV SL
10 PF 6KV SL
10 PF 6KV SL
0.01 UF 50V B
0.01 UF 50V B
0.01 UF 50V B
0.01 UF 50V B
0.01 UF 50V B
0.01 UF 50V B
330 PF 50V CH
0.1 UF 50V B
5 PF 50V CH
0.22 UF 16V B
0.1 UF 50V B
0.01 UF 50V B
0.0047UF 50V B
0.47 UF 10V B
0.0047UF 50V B
0.22 UF 16V B
1 UF 50V B
0.001 UF 50V B
10 UF 10V B
0.047 UF 50V B
0.001 UF 50V B
0.1 UF 25V B
0.1 UF 25V B
470 UF 35V
470 UF 35V
470 UF 35V
470 UF 35V
1 UF 50V B
1 UF 50V B
10 PF 6KV SL
10 PF 6KV SL
0.01 UF 50V B
0.01 UF 50V B
1 UF 25V B
0.1 UF 50V B
1 UF 25V B
0.001 UF 50V B
0.1 UF 50V B
1 UF 50V B
1 UF 50V B
0.001 UF 50V CH
10 UF 10V B
100 UF 35V
REF, NO, I
C7090 I
PART NO, IDESCRIPTION
CAPACITORS
CSOPB04Q4K ICC 0.047 UF 50V B
D401 D97U03301B
z_D404 D6CE24110A
z_D405 D4CKN54060
z_D407 D4CKN54060
D408 D1VT001330
D410 D1VT001330
D411 D1VT001330
D412 D97U03R91B
D413 D97U03001B
z_D415 D2WXN40050
D421 D28R1QS040
D424 D97U03R31B
D425 D97U02701B
D426 D1VT001330
D427 D97U02701B
D432 D4AT106FE0
D433 D2LT001F50
z_D435 D2CFC91020
z_D436 D28AH10A20
z_D440 D2CA2C15R0
z_D442 D4AT01H3E0
z_D443 D28F31DQ09
Z_ D444 D2LT001F50
D445 D97U01501B
D1202 DGERMA1110
D1203 DGERMA1110
D1204 DGERMA1110
D1205 DGERMA1110
D1206 DGERMA1110
D1207 DGERMA1110
D1208 DGERMA1110
D1209 DGERMA1110
D1210 DGERMA1110
D1211 DGERMA1110
D2201 0021E9Q010
D3004 D28R1QS040
D3405 DGERMA1110
D3406 DGERMA1110
D3501 DGJRT54WS0
D3502 D2ARMAB340
D3503 D2ARMAB340
D3504 DGJRV99DW0
D3505 DDQRAT54S0
D3506 DE7RB5R62B
D3507 DE7RB2002B
D3508 DE7RB6R82B
D3510 DD7R20S300
D3601 D77R1A1R10
D3602 D77R1A1R10
D3604 D77R1A1R10
D3605 D77R1A1R10
D3607 DGJRT54WS0
D3610 DGERMA1110
D3611 DGERMA1110
D3630 DGERMA1110
D3631 DGERMA1110
D4214 DGERMA1110
D6201 DE7RB5R62B
D6202 DE7RB5R62B
D6205 DGJRT54WS0
D7001 DGERMA1110
D7002 DGERMA1110
D7003 DGERMA1110
D7004 DGERMA1110
D7005 DGERMA1110
D7006 DGERMA1110
D7007 DGERMA1110
D7008 DGERMA1110
D7009 DGERMA1110
D7010 DGERMA1110
D7011 DGERMA1110
D7014 DGERMA1110
D7015 DGERMA1110
D7016 DGERMA1110
D7017 DGERMA1110
DIODES
DIODE,ZENER
DIODE VARISTA
DIODE SILICON
DIODE SILICON
DIODE,SILICON
DIODE,SILICON
DIODE,SILICON
DIODE,ZENER
DIODE,ZENER
DIODE SILICON
DIODE
DIODE,ZENER
DIODE,ZENER
DIODE,SILICON
DIODE,ZENER
DIODE RECTIFIER
DIODE SILICON
DIODE SILICON
DIODE SCHOTTKY BARRIER
DIODE SCHOTTKY BARRIER
DIODE RECTIFIER
DIODE SCHOTTKY
DIODE SILICON
DIODE,ZENER
DIODE SILICON
DIODE SILICON
DIODE SILICON
DIODE SILICON
DIODE SILICON
DIODE SILICON
DIODE SILICON
DIODE SILICON
DIODE SILICON
DIODE SILICON
LED
DIODE
DIODE SILICON
DIODE SILICON
DIODE SCHOTTKY BARRIER
DIODE SCHOTTKY
DIODE SCHOTTKY
DIODE
DIODE SCHOTTKY BARRIER
DIODE ZENER
DIODE ZENER
DIODE ZENER
DIODE SCHOTTKY BARRIER
DIODE VARISTA
DIODE VARISTA
DIODE VARISTA
DIODE VARISTA
DIODE SCHOTTKY BARRIER
DIODE SILICON
DIODE SILICON
DIODE SILICON
DIODE SILICON
DIODE SILICON
DIODE ZENER
DIODE ZENER
DIODE SCHOTTKY BARRIER
DIODE SILICON
DIODE SILICON
DIODE SILICON
DIODE SILICON
DIODE SILICON
DIODE SILICON
DIODE SILICON
DIODE SILICON
DIODE SILICON
DIODE SILICON
DIODE SILICON
DIODE SILICON
DIODE SILICON
DIODE SILICON
DIODE SILICON
MTZJ33B %77
EN E241 D- 10A-Q6
1 N5406FL-6737
1 N5406FL-6737
1SS133T-77
1SS133T-77
1SS133T-77
MTZJ3.9B T-77
MTZJ30B %77
1N4005-EIC
EC31QS04-TE12L
MTZJ3.3B T-77
MTZJ27B %77
1SS133T-77
MTZJ27B %77
RL106F-E
1F5-E
ERC91-02J11SC
FCH10A20
YG862C15R
1H3-E
31DQ09-FC
1F5-E
MTZJ 15B %77
MA111-(TX)
MA111-(TX)
MA111-(TX)
MA111-(TX)
MA111-(TX)
MA111-(TX)
MA111-(TX)
MA111-(TX)
MA111-(TX)
MA111-(TX)
LTL-1 BEFJ-002A
EC31QS04-TE12L
MA111-(TX)
MA111-(TX)
BAT54WS
SMAB34
SMAB34
BAV99DW
BAT54 S_215
UDZSNP5.6B TE-17
UDZSNP20B TE-17
UDZSNP6.8B TE-17
RB520S-30-TE61
AVRL161A1R1NT
AVRL161A1R1NT
AVRL161A1R1NT
AVRL161A1R1NT
BAT54WS
MA111-(TX)
MA111-(TX)
MA111-(TX)
MA111-(TX)
MA111-(TX)
UDZSNP5.6B TE-17
UDZSNP5.6B TE-17
BAT54WS
MA111-(TX)
MA111-(TX)
MA111-(TX)
MA111-(TX)
MA111-(TX)
MA111-(TX)
MA111-(TX)
MA111-(TX)
MA111-(TX)
MA111-(TX)
MA111-(TX)
MA111-(TX)
MA111-(TX)
MA111-(TX)
MA111-(TX)
M2-8

REF, NO, I
D7019
D7020
D7021
D7022
D7023
D7024
D7027
D7028
D7029
D7030
D7031
D7032
D7033
D7034
D7035
D7036
D7037
D7038
D7043
D7045
D7046
D7047
D7048
D7049
D7050
D7051
D7053
D7055
IC302
_C4Ol
z_IC402
z_IC403
z_ IC404
z_IC405
z_IC406
z_IC408
IC410
IC1201
IC1202
z_IC1203
IC1204
IC1301
IC1302
IC1303
IC2801
IC2802
IC2804
IC2805
/KIC3001
/KIC3002
/iXIC3003
IC3004
IC3006
/KIC3007
/iXIC3008
IC3501
IC3601
IC3602
IC3603
I05801
IC6201
IC6202
IC6551
IC6552
IC6553
IC6557
I06558
IC7001
IC7002
Q307
Q401
Q403
Q404
Q405
Q406
ELECTRICAL REPLACEMENT PARTS LIST
PART NO,
DGERMA1110
DGERMA1110
DGERMA1110
DGERMA1110
DGERMA1110
DGERMA1110
DGERMA1110
DGERMA1110
DGERMA1110
DGERMA1110
DGERMA1110
DGERMA1110
DGERMA1110
DGERMA1110
DGERMA1110
DD7ROS3550
DD7ROS3550
DE7RB6R82B
DGERMA1110
DGERMA1110
DGERMA1110
DGERMA1110
DGERMA1110
DGERMA1110
DE7RB4R72B
D2LXSR2900
D 1VT001330
D 1VT001330
IOFSP7808B
I2GT050380
I5SDOP2F40
I1KJ9A431A
11KJ9A431A
000220002W
000220002W
000220002W
000220002W
S35D011E02
I56K067310
IlVF0117A0
ICRKOGA480
I1WJ9431A0
IGHKS55790
IGHFG54610
I56M069540
IGGM061600
S34D01PF01
S35D01]E01
I07F091300
I1LF010150
IOGF95ZN10
TJ5MC61080
TJ7T35P020
I5HJ0170B0
I1KF98D090
I1XJ913430
S34D01PE02
S34D01PE03
IOWF0002A0
I01FF58320
I9UF032290
S34L01PM01
IC1J053580
IOQF02534V
IOQF02534V
IOQF02534V
IOQF02534V
I07F098970
I07J003580
DESCRIPTION
DIODES
DIODE SILICON MA111-(TX)
DIODE SILICON MA111-(TX)
DIODE SILICON MA111-(TX)
DIODE SILICON MA111-(TX)
DIODE SILICON MA111-(TX)
DIODE SILICON MA111-(TX)
DIODE SILICON MA111-(TX)
DIODE SILICON MA111-(TX)
DIODE SILICON MA111-(TX)
DIODE SILICON MA111-(TX)
DIODE SILICON MA111-(TX)
DIODE SILICON MA111-(TX)
DIODE SILICON MA111-(TX)
DIODE SILICON MA111-(TX)
DIODE SILICON MA111-(TX)
DIODE SILICON 1SS355 TE-17
DIODE SILICON 1SS355 TE-17
DIODE ZENER UDZSNP6.8B TE-17
DIODE SILICON MA111-(TX)
DIODE SILICON MA111-(TX)
DIODE SILICON MA111-(TX)
DIODE SILICON MA111-(TX)
DIODE SILICON MA111-(TX)
DIODE SILICON MA111-(TX)
DIODE ZENER UDZSNP4.7B TE-17
DIODE SCHOTTKY SR290-F
DIODE,SILICON 1SS133T-77
DIODE,SILICON 1SS133T-77
ICS
SOUND AMP STEREO AN17808B
VDS=500V RDS1=0.77 RDS2=0.38 MP3A5038
VD=700V RDS(ON)=9.5OHM MIP2F4
VARIABLE SHUNT REGULATOR TAPE KIA431A-AT
VARIABLE SHUNT REGULATOR TAPE KIA431A-AT
PHOTO COUPLER PS2561ALl-l-V(W)
PHOTO COUPLER PS2561ALl-l-V(W)
PHOTO COUPLER PS2561ALl-l-V(W)
PHOTO COUPLER PS2561ALl-l-V(W)
MEMORY DATA EEPROM 16K SOP8 S-24CS16A0kJ8T1GE
SCALER R8J66731FT
REGULATOR 1.5V EC50117ABG
FLASH MICOM ROM 4K RAM 1K ATMEGA48-20AU
SHUNT REGULATOR IC AP431AWLA
18+1 CH BUFFER EC5579-HG
AMPLIFIER EC5461AB3-G
SCALER R8J66954BG
256MB DDR2 SDRAM HYB18TC256160BF-3S
MEMORY DATA 32MBIT FLASH 48PIN TSOP EN29LV320AB-70TCP
MEMORY DATA EEPROM 256KBIT SO8 M24256-BWMN6TP
1CH DC-DC CONVERTER BD9130NV
DC-DC CONVERTER CONTROLLER AL1015
VO=0.8-3.5V 1=1.5A TAPING PQ035ZN1HZPH
FET TPC6108(TE85L,F,M)
FET RTQ035P02-TR
REGULATOR VO=3.3V IO=800MA S-1170B33UC-OTSTFG
REGULATOR 9V KIA78D09F
SW REGULATOR IC AAT1343-T1-T
MEMORY DATA EEPROM 2K SOP8 S-24CS02AFJ-TB-GE
MEMORY DATA EEPROM 2K SOP8 S-24CS02AFJ-TB-GE
21N1 HDMI SW IC STHDMI002ABTR
USA STEREO AN5832SA-E1V
RESET IC 2.9V TYPE PST3229NR
REF, NO, I PART NO, DESCRIPTION
MEMORY DATA FLASH MICOM ROM16K 2KX2 RAM1 R5F21124FP
A/D CONVERTER AK5358A
AN SW 3INPUT 1OUTPUT NJM2534V(TE2)
AN SW 3INPUT 1OUTPUT NJM2534V(TE2)
AN SW 3INPUT 1OUTPUT NJM2534V(TE2)
z_Q407 TAAT01281Y
Q408 TCAA3875SY
Q409 TAAA1504SY
Q410 TNAAB05003
Q412 TCAA3875SY
Q416 TAAA1504SY
Z_Q417 TAAT01281Y
Q420 TCATC31980
Z_Q422 TBA0011510
Q423 TCATC31980
Q1204 TK7MO66040
Q1205 TK7MO66040
Q1206 TK7MO66040
Q1207 TK7MO66040
Q1208 TK7MO66040
Q1209 TK7MO66040
Q1210 TK7MO66040
Q1211 TK7MO66040
Q1212 TK7MO66040
Q1213 TK7MO66040
Q3003 TNAAC05002
Q3004 TNAAC05002
Q3005 TNAAB05003
Q3401 TCAA3875SY
Q3403 TCAA3875SY
Q3405 TCAA3875SY
Q3408 TCAA3875SY
Q3409 TPAAA05001
Q3410 TCAA3875SY
Q3411 TCAA3875SY
Q3412 TCAA3875SY
Q3502 TT8MT44010
Q3503 TK7MA34070
Q3504 TT8MT44010
Q3505 TT8MT44030
Q3506 TK7MO34000
Q3507 TK7MA34070
Q3508 TT8MT44010
Q3509 TK7MA34070
Q3510 TT8MT44010
Q3511 TT8MT44010
Q3512 TT8MDT4400
Q3513 TT8MT44010
Q3515 TT8MT44030
Q3516 TT8MT44010
Q3517 TT8MT44030
Q3518 TT8MT44030
Q3601 TPAAB05001
Q3602 TPAAB05001
Q3603 T27T030190
Q3606 T27T030190
Q3607 T27T030190
Q3608 T27T030190
Q3609 TCAA3875SY
Q3610 TCAA3875SY
Q3611 TNAAB05003
Q4211 TNAAB05003
Q4212 TPAAC05002
Q4301 TCAA3875SY
Q4303 TPAAA05001
Q4304 TCAA3875SY
Q4306 TCAA3875SY
Q4307 TCAA3875SY
Q4308 TCAA3875SY
Q4310 TCAA3875SY
Q4311 TCAA3875SY
Q4312 TCAA3875SY
TRANSISTORS
TRANSISTOR SILICON KTA1281_Y
TRANSISTOR SILICON KTC3875S_Y_RTK
TRANSISTOR SILICON KTA1504S_Y_RTK
COMPOUND TRANSISTOR KRCl02SRTK
TRANSISTOR SILICON KTC3875S_Y_RTK
TRANSISTOR SILICON KTA1504S_Y_RTK
TRANSISTOR SILICON KTA1281_Y
TRANSISTOR,SILICON KTC3198-AT(Y,GR)
TRANSISTOR SILICON KTB115!
TRANSISTOR,SILICON KTC3198-AT(Y,GR)
FET AO6604
FET AO6604
FET AO6604
FET AO6604
FET AO6604
FET AO6604
FET AO6604
FET AO6604
FET AO6604
FET AO6604
COMPOUND TRANSISTOR KRC103SRTK
COMPOUND TRANSISTOR KRC103SRTK
COMPOUND TRANSISTOR KRCl02SRTK
TRANSISTOR SILICON KTC3875S_Y_RTK
TRANSISTOR SILICON KTC3875S_Y_RTK
TRANSISTOR SILICON KTC3875S_Y_RTK
TRANSISTOR SILICON KTC3875S_Y_RTK
COMPOUND TRANSISTOR KRA101SRTK
TRANSISTOR SILICON KTC3875S_Y_RTK
TRANSISTOR SILICON KTC3875S_Y_RTK
TRANSISTOR SILICON KTC3875S_Y_RTK
TRANSISTOR SILICON MMBT4401
FET AO3407
TRANSISTOR SILICON MMBT4401
TRANSISTOR SILICON MMBT4403
FET AO3400
FET AO3407
TRANSISTOR SILICON MMBT4401
FET AO3407
TRANSISTOR SILICON MMBT4401
TRANSISTOR SILICON MMBT4401
TRANSISTOR SILICON MMDT4401
TRANSISTOR SILICON MMBT4401
TRANSISTOR SILICON MMBT4403
TRANSISTOR SILICON MMBT4401
TRANSISTOR SILICON MMBT4403
TRANSISTOR SILICON MMBT4403
COMPOUND TRANSISTOR KRA102SRTK
COMPOUND TRANSISTOR KRA102SRTK
FET 2SK3019_TL
FET 2SK3019_TL
FET 2SK3019_TL
FET 2SK3019_TL
TRANSISTOR SILICON KTC3875S_Y_RTK
TRANSISTOR SILICON KTC3875S_Y_RTK
COMPOUND TRANSISTOR KRC102SRTK
COMPOUND TRANSISTOR KRC102SRTK
COMPOUND TRANSISTOR KRA103SRTK
TRANSISTOR SILICON KTC3875S_Y_RTK
COMPOUND TRANSISTOR KRA101SRTK
TRANSISTOR SILICON KTC3875S_Y_RTK
TRANSISTOR SILICON KTC3875S_Y_RTK
TRANSISTOR SILICON KTC3875S_Y_RTK
TRANSISTOR SILICON KTC3875S_Y_RTK
TRANSISTOR SILICON KTC3875S_Y_RTK
TRANSISTOR SILICON KTC3875S_Y_RTK
TRANSISTOR SILICON KTC3875S_Y_RTK
TNAAC05002
TAAT01281Y
TNAAB05003
TAAA1504SY
TCAA3875SY
TC5T021204
AN SW 31NPUT 1OUTPUT NJM2534V(TE2)
19WLCD INVERTER CONTROL IC BD9897FS
DUAL OPE AMP SSOP8 PACKAGE BA10358FV-E2
TRANSISTORS
COMPOUND TRANSISTOR KRC103SRTK
TRANSISTOR SILICON KTA1281_Y
COMPOUND TRANSISTOR KRCl02SRTK
TRANSISTOR SILICON KTA1504S_Y_RTK
Q5801 T27T030190
Q5802 T27T030190
Q6201 T27T030190
Q6202 T27T030190
Q7003 T25006J3A0
Q7004 T25006J3A0
Q7005 T25006J3A0
Q7006 T25006J3A0
FET 2SK3019_TL
FET 2SK3019_TL
FET 2SK3019_TL
FET 2SK3019_TL
FET TK30A06J3A(Q)
FET TK30A06J3A(Q)
FET TK30A06J3A(Q)
FET TK30A06J3A(Q)
TRANSISTOR SILICON KTC3875S_Y_RTK
TRANSISTOR,SILICON 2SC2120Y(TPE2) /K L401
COILS &TRANSFORMERS
I 029X000129 ICOIL,LINE FILTER SS30V-R300071
M2-9

REF, NO, I PART NO,
Z_L402 029X000129
L404 02167E220K
L411 02167E100K
L413 02167E100K
L1202 02DA000107
L1203 02DA000107
L3001 02167E220K
L3002 02167E100K
L3003 02167E220K
L3004 0218MG220P
L3401 0216S8331K
L3501 0218MG100P
L3502 0218MG100P
L3601 02D1000119
L3602 02D1000119
L3603 02D1000119
L3604 02D1000119
L4301 0216S8220K
L5801 0216SD220J
L5805 021AS9224J
L6551 0216S8220K
L7001 02167E100K
L7002 02167E100K
T401 0481400844
T402 048119008W
z_T7001 0456300041
z_T7002 0456300041
z_T7003 0456300041
z_T7005 0456300041
z_T7006 0456300041
z_T7007 0456300041
z_T7008 0456300041
Z_J401 064Q1A0010
J4201 060J131019
J4202 063Y000087
J4203 060K411053
J4205 060R431035
J4206 060R431035
J4301 060K411041
SW2201 0504101T34
SW2202 0504101T34
SW2203 0504101T34
SW2204 0504101T34
SW2205 0504101T34
SW2206 0504101T34
SW2207 0504101T34
ELECTRICAL REPLACEMENT PARTS LIST
DESCRIPTION
COILS &TRANSFORMERS
COIL,LINE FILTER
COIL
COIL
COIL
COIL CHOKE
COIL CHOKE
COIL
COIL
COIL
COIL
COIL
COIL
COIL
COIL CHOKE
COIL CHOKE
COIL CHOKE
COIL CHOKE
COIL
COIL
COIL
COIL
COIL
COIL
TRANSFORMER,SWITCHING
TRANSFORMER,SWITCHING
TRANSFORMER,SWITCHING
TRANSFORMER,SWITCHING
TRANSFORMER,SWITCHING
TRANSFORMER,SWITCHING
TRANSFORMER,SWITCHING
TRANSFORMER,SWITCHING
TRANSFO RM ER,SWITC HtNG
JACKS
JACK,AC
HEADPHONE JACK
JACK PLATE
RCA JACK
RCA JACK
RCA JACK
RCA JACK
SS30V-R300071
22 UH
10 UH
10 UH
DLW21 HN900SQ2L
DLW21 HN900SQ2L
22 UH
10 UH
22 UH
22 UH
330 UH
10 UH
10 UH
EXC28CG00U
EXC28CG00U
EXC28CG00U
EXC28CG00U
22 UH
22 UH
0.22 UH
22 UH
10 UH
10 UH
81400844
8119008W
ETJV23ZF2SAC
ETJV23ZF2SAC
ETJV23ZF2SAC
ETJV23ZF2SAC
ETJV23ZF2SAC
ETJV23ZF2SAC
ETJV23ZF2SAC
SWITCHES
CCT2302-0901 C
MSJ-2000B_AG(O87)
R102-D04KAF-06
AV3-13P2-31S1
RCA-349-00C-02
RCA-349-00C-02
AV2-13P2-07H
EVQ21505R
EVQ21505R
EVQ21505R
EVQ21505R
EVQ21505R
EVQ21505R
EVQ21505R
PCB240 A35D011240 CEG368A
PCB270 A35D011270 CEG370A
PCBDA0 A35D011DA0 CEG371A
PCBDH0 A35D01 IDH0 CEG369A
B401
B404
B1201
B1202
B1203
B1204
B1205
B1206
B1207
B1208
B1209
B1210
B1211
B1212
B1213
B1214
B1215
B1216
B1217
B1218
B1219
B1220
B1221
SWITCH,TACT
SWITCH,TACT
SWITCH,TACT
SWITCH,TACT
SWITCH,TACT
SWITCH,TACT
SWITCH,TACT
P.C,BOARD ASSEMBLIES
POWER PCS ASS'Y
OPERATION PCB ASS'Y
REMOCON PCB ASS'Y
DIGITAL PCB ASS'Y
MISCELLANEOUS
W5RH3.5X5X1.0
W5RH3.5X5X1.0
BLM21PG300SN1D
BLM18PG330SN1D
BLM18PG330SN1D
BLM18PG330SN1D
BLM18PG330SN1D
BLM18PG330SN1D
BLM18PG330SN1D
BLM18PG330SN1D
BLM15AG121SN1D
BLM15AG121SN1D
BLM15AG121SN1D
BLM15AG121SN1D
BLM15AG121SN1D
BLM15AG121SN1D
BLM15AG121SN1D
BLM15AG121SN1D
BLM15AG121SN1D
BLM15AG121SN1D
BLM15AG121SN1D
BLM15AG121SN1D
BLM15AG121SN1D
REF, NO, I PART NO, DESCRIPTION
024HT03553 CORE,BEADS
024HT03553 CORE,BEADS
024AC3330P CORE,BEADS
024AC5330J CORE,BEADS
024AC5330J CORE,BEADS
024AC5330J CORE,BEADS
024AC5330J CORE,BEADS
024AC5330J CORE,BEADS
024AC5330J CORE,BEADS
024AC5330J CORE,BEADS
024AC8121T CORE,BEADS
024AC8121T CORE,BEADS
024AC8121T CORE,BEADS
024AC8121T CORE,BEADS
024AC8121T CORE,BEADS
024AC8121T CORE,BEADS
024AC8121T CORE,BEADS
024AC8121T CORE,BEADS
024AC8121T CORE,BEADS
024AC8121T CORE,BEADS
024AC8121T CORE,BEADS
024AC8121T CORE,BEADS
024AC8121T CORE,BEADS
B1222 024AC8121T
B1223 024AC8121T
B1224 024AC8121T
B1225 024AC8121T
B1226 024AC8121T
B1227 024AC8121T
B1228 024AC8121T
B1229 024AC8121T
B1230 024AC8121T
B1231 024AC8121T
B1232 024AC8121T
B1233 024AC8121T
B1234 024AC8121T
B1235 024AC8121T
B1236 024AC8121T
B1237 024AC8121T
B1238 024AC8121T
B1239 024AC8121T
B1240 024AC8121T
B1241 024AC8121T
B1242 024AC8121T
B1243 024AC8121T
B1244 024AC8121T
B1245 024AC8121T
B1246 024AC8121T
B1247 024AC8121T
B1248 024AC8121T
B1249 024AC8121T
B1250 024AC8121T
B1251 024AC8121T
B1252 024AC8121T
B1253 024AC8121T
B1254 024AC8121T
B1255 024AC8121T
B1256 024AC8121T
B1301 024HC51513
B1302 024HC51513
B2801 024HC52216
B2803 024HC52216
B2804 024HC52216
B2805 024HC52216
B2806 024HC52216
B2807 024HC52216
B2808 024HC52216
B2809 024HC52216
B2810 024HC52216
B2811 024HC52216
B2813 024BC5121J
B2815 024BC5121J
B2816 024BC5121J
B2817 024BC5121J
B2820 024BC5121J
B2821 024BC5121J
B2822 024BC5121J
B3003 024AC5181J
B3004 024AC5181J
B3005 024AC5181J
B3006 024AC5181J
B3007 024AC5181J
B3008 024HC13914
B3009 024HC13914
B3010 024HC13914
B3011 024HC13914
B3013 024AC5181J
B3014 024HC13914
B3601 024AC5181J
B4308 024HC51513
B4309 024HC56005
B5802 024HC51023
B5804 024HC51513
B5808 024HC51023
B5809 024HC51023
B6552 024HC51023
B6553 024HC51023
B7001 024HT03564
B7002 024HT03564
B7003 024HT03564
MISCELLANEOUS
CORE,BEADS
CORE,BEADS
CORE,BEADS
CORE,BEADS
CORE,BEADS
CORE,BEADS
CORE,BEADS
CORE,BEADS
CORE,BEADS
CORE,BEADS
CORE,BEADS
CORE,BEADS
CORE,BEADS
CORE,BEADS
CORE,BEADS
CORE,BEADS
CORE,BEADS
CORE,BEADS
CORE,BEADS
CORE,BEADS
CORE,BEADS
CORE,BEADS
CORE,BEADS
CORE,BEADS
CORE,BEADS
CORE,BEADS
CORE,BEADS
CORE,BEADS
CORE,BEADS
CORE,BEADS
CORE,BEADS
CORE,BEADS
CORE,BEADS
CORE,BEADS
CORE,BEADS
CORE,BEADS
CORE,BEADS
CORE,BEADS
CORE,BEADS
CORE,BEADS
CORE,BEADS
CORE,BEADS
CORE,BEADS
CORE,BEADS
CORE,BEADS
CORE,BEADS
CORE,BEADS
CORE,BEADS
CORE,BEADS
CORE,BEADS
CORE,BEADS
CORE,BEADS
CORE,BEADS
CORE,BEADS
CORE,BEADS
CORE,BEADS
CORE,BEADS
CORE,BEADS
CORE,BEADS
CORE,BEADS
CORE,BEADS
CORE,BEADS
CORE,BEADS
CORE,BEADS
CORE,BEADS
CORE,BEADS
CORE,BEADS
CORE,BEADS
CORE,BEADS
CORE,BEADS
CORE,BEADS
CORE,BEADS
CORE,BEADS
CORE,BEADS
CORE,BEADS
CORE,BEADS
CORE,BEADS
BLM15AG121SN1D
BLM15AG121SN1D
BLM15AG121SN1D
BLM15AG121SN1D
BLM15AG121SN1D
BLM15AG121SN1D
BLM15AG121SN1D
BLM15AG121SN1D
BLM15AG121SN1D
BLM15AG121SN1D
BLM15AG121SN1D
BLM15AG121SN1D
BLM15AG121SN1D
BLM15AG121SN1D
BLM15AG121SN1D
BLM15AG121SN1D
BLM15AG121SN1D
BLM15AG121SN1D
BLM15AG121SN1D
BLM15AG121SN1D
BLM15AG121SN1D
BLM15AG121SN1D
BLM15AG121SN1D
BLM15AG121SN1D
BLM15AG121SN1D
BLM15AG121SN1D
BLM15AG121SN1D
BLM15AG121SN1D
BLM15AG121SN1D
BLM15AG121SN1D
BLM15AG121SN1D
BLM15AG121SN1D
BLM15AG121SN1D
BLM15AG121SN1D
BLM15AG121SN1D
FCM1608KF-151T06
FCM1608KF-151T06
HCS1608KF-221T20
HCS1608KF-221T20
HCB1608KF-221T20
HCB1608KF-221T20
HCS1608KF-221T20
HCB1608KF-221T20
HCS1608KF-221T20
HCS1608KF-221T20
HCS1608KF-221T20
HCB1608KF-221T20
BLM18PG121SN1D
BLM18PG121SN1D
BLM18PG121SN1D
BLM18PG121SN1D
BLM18PG121SN1D
BLM18PG121SN1D
BLM18PG121SN1D
BLM18PG181SN1D
BLM18PG181SN1D
BLM18PG181SN1D
BLM18PG181SN1D
BLM18PG181SN1D
HCB3216KF-391T20
HCB3216KF-391T20
HCB3216KF-391T20
HCS3216KF-391T20
BLM18PG181SN1D
HCS3216KF-391T20
BLM18PG181SN1D
FCM1608KF-151T06
FCM1608CF-600T06
FCM1608KF-102T02
FCM1608KF-151T06
FCM1608KF-102T02
FCM1608KF-102T02
FCM1608KF-102T02
FCM1608KF-102T02
W4BRH3.5X6X1.0
W4BRH3.5X6X1.0
W4BRH3.5X6X1.0
M2-10

ELECTRICAL REPLACEMENT PARTS LIST
REF, NO, IPART NO, IDESCRIPTION
B7004 024HT03564
BT001 141R003018
BT002 141R003018
CD302 06E8147502
CP302 069S140419
CP404 069D01001A
CP411 06CK7N0301
CD1202 12BR480061
CD1203 12BR480061
CD2201 06CU256501
CD2202 06E8231302
CP1201 069S250629
CP1202 06AAY08019
CP1203 06AAY08019
CP1204 069S240629
CP1205 069S260629
CP2201 069S250639
CP2801 06GG290029
CP2803 06GG2C0029
CP3001 06977NM020
CP3601 0694YJ3038
CP3602 0694YJ3038
CP4201 069S250629
CP4303 06G8S21504
CP6201 06GG2B0029
CP6202 069S230629
CP7001 069SW20039
CP7002 069SW20039
CP7003 069SW20039
CP7005 069SW20039
CP7006 069SW20039
CP7007 069SW20039
CP7008 069SW20039
EL2401 124116281A
EL2402 124120301A
z_F401 081PC6R305
z_F404 0835C02003
z_F7001 083LA05007
z_F7002 083LA05007
FH401 06710T0009
FH402 06710T0009
NR2801 11074100M7
NR2802 11074100M7
NR2803 11074100M7
NR2804 11074100M7
NR2805 11074270M7
NR2806 11074270M7
NR2807 11074270M7
NR2808 11074270M7
NR2809 11074270M7
NR2810 11074220M7
NR2811 11074220M7
NR6551 11074470M7
OS2201 077A033001
SP303 070L056008
SP304 070L056008
iiXTH401 DSQOVE4ROL
/'iXTU5801 0164100026
/'ikv2301 09EK132025
X2801 100GT02728
X2802 100GT02509
X3601 100GT01807
X6201 100GT01615
X6551 100DT01217
MISCELLANEOUS
CORE,BEADS W4BRH3.5X6X1.0
BATTERY,MANGAN GR6M
BATTERY,MANGAN GR6M
CORD CONNECTOR E8147502
CONNECTOR PCB SIDE A2502WV2-4P
CONNECTOR PCB SIDE 003P-2100
CORD CONNECTOR TWG-P23P-A1
CORD JUMPER FFC058006003509T1-A0304
CORD JUMPER FFC058006003509T1-A0304
CORD CONNECTOR CU256501
CORD CONNECTOR E8231302
CONNECTOR PCB SIDE A2001WV2-5P
CONNECTOR PCB SIDE QSOCNA222WJZZYH(41)
CONNECTOR PCB SIDE QSOCNA222WJZZYH(41)
CONNECTOR PCB SIDE A2001WV2-4P
CONNECTOR PCB SIDE A2001WV2-6P
CONNECTOR PCB SIDE A2001WR2-5P
CONNECTOR PCB SIDE A2001WV-9A
CONNECTOR PCB SIDE A2001WV-12A
CONNECTOR PCB SIDE 127301123K2
CONNECTOR PCB SIDE 5-19030154
CONNECTOR PCB SIDE 5-19030154
CONNECTOR PCB SIDE A2001WV2-5P
CONNECTOR PCB SIDE 1B630020
CONNECTOR PCB SIDE A2001WV-11A
CONNECTOR PCB SIDE A2001WV2-3P
CONNECTOR PCB SIDE A4001WR0-B4P-HK-H
CONNECTOR PCB SIDE A4001WR0-B4P-HK-H
CONNECTOR PCB SIDE A4001WR0-B4P-HK-H
CONNECTOR PCB SIDE A4001WR0-B4P-HK-H
CONNECTOR PCB SIDE A4001WR0-B4P-HK-H
CONNECTOR PCB SIDE A4001WR0-B4P-HK-H
CONNECTOR PCB SIDE A4001WR0-B4P-HK-H
EYE LET XRY16X28BD
EYE LET XRY20X30BD
FUSE 51MS063L
MICRO FUSE 20N_2000FS
FUSE 1206FA5A-T
FUSE 1206FA5A-T
HOLDER,FUSE EYF-52BCY
HOLDER,FUSE EYF-52BCY
R,NETWORK CRA108100JV
R,NETWORK CRA108100JV
R,NETWORK CRA108100JV
R,NETWORK CRA108100JV
R,NETWORK CRA108270JV
R,NETWORK CRA108270JV
R,NETWORK CRA108270JV
R,NETWORK CRA108270JV
R,NETWORK CRA108270JV
R,NETWORK CRA108220JV
R,NETWORK CRA108220JV
R,NETWORK CRA108470JV
REMOTE RECEIVER ROM-V338TAO
SPEAKER FB136N4-B2
SPEAKER FB136N4-B2
THERMISTOR 4D2-18LCS
DIGITAL TUNER ENG36E19KF
LCD CLAA320WF01 CO
CRYSTAL SMD-49 C27000B030
CRYSTAL SMD-49 C25000H025
CRYSTAL SMD-49 C 18432B022
CRYSTAL B16000E007
CRYSTAL DS0321SRAB
RESISTOR
RC ................... CARBON RESISTOR
CAPACITORS
CC ................... CERAMIC CAPACITOR
CE ................... ALUMI ELECTROLYTIC CAPACITOR
CP ................... POLYESTER CAPACITOR
CPP .................. POLYPROPYLENE CAPACITOR
CPL .................. PLASTIC CAPACITOR
CMP ................... METAL POLYESTER CAPACITOR
CMPL ................ METAL PLASTIC CAPACITOR
CMPP ................ METAL POLYPROPYLENE CAPACITOR
M2-11

HOW TO ORDER PARTS
When placing a parts order, please have the following information
A. MODEL NUMBER and VERSION NUMBER
Located on the back of the unit.
EX: VR0100 (Model no.), VERSlON/A (Version no.)
B. PART NO. and DESCRIPTION
Located in your SERVICE MANUAL. ( See pages M1-2~M2-11
EX: 1235953420, STK5342, Voltage Regulator
IPART NO. J DESCRIPTION I
C. QUANTITY
D. Mailing address and NAME
EX: ABC Service Center
111 Broadway
NEW YORK, N.Y. 10005
ATTN: MR. X Y Z
ORION SALES, INC.
HIGHWAY 41
ORION PLACE
PRINCETON, INDIANA 47670