SEANYWELL XLW-002X WiFi Module User Manual Manual r2
SEANYWELL COMPANY LIMITED WiFi Module Manual r2
Contents
- 1. Manual r2
- 2. Manual addendum
Manual r2

SeanywellXLW‐002X
HongKongSeanywellCo.,LtdIEEE802.11b/gWiFiModuleDatasheetV1.00
ModelName:XLW‐002X
TheXLW‐002XWiFimoduleboardisaWiFimoduleboardwhichintegratesMCUand802.11b/g2.4GHzRF
transceiveronboardwithRFcircuithavingbeencalibrated,customerscandesignmainboardwithdesired
functionandinterfacecircuitsandassembleitwiththeXLW‐002XWiFimoduleboard,enablesimple,easy,and
lowcostWi‐Ficonnectioncapability.
KeyFeatures
2.4GHz,IEEE802.11b/g
IntegratedPCBantennawithexternalantennaoption.
SupportsoperationinInfrastructure/Ad‐Hoc(IBSS)/vitualAPmode,andIPHONE/IPAD/Androiddevicecan
connectitdirectly.
Supports802.11isecurity:WEP‐64/128,TKIP(WPA‐PSK)andAES(WPA2‐PSK)
IntegratedpowerfulMCUrunningTCP/IPprotocol
Supports2UARTinterfaces,maxupto4UARTinterfaceoption.
HighspeedSPIinterface,support50Mhzclock.
I2S/PCMinterfaceoption
Supports6GPIOinterface,maxupto24GPIOsoption(someGPIOsmultiplexedwithfunctioninterfaces
above)
SupportsTCP,UDP,ICMP,IGMP,IPv4,DHCP,BOOTP,ARP,DNS,SMTP,SNTP,uPnP,PPPoEandHTTPin
software
FullTCP/IPprotocolstackandTCP/IPtransmissionbandwidthexceed10Mbps
Maxoutdoorrageupto250meter(820ft),lineofsight
Singleoperatingvoltage:3.3Vtypical
BoardSize:25mmx45mm
Applications
SerialtoWiFi,SPItoWiFiBridge

SeanywellXLW‐002X
HongKongSeanywellCo.,LtdIEEE802.11b/gWiFiModuleDatasheetV1.00
WiFiRemoteControl/Monitor
WiFiToy
TCP/IPandWLANOffloadCo‐processor
WiFiInternetRadio
WiFiNetworkCamera
WiFiRFID
ProductSpecification
FeaturesSpecifications
Microprocessor80MhzCPU
RFTransceiver802.11b/g,2.4Ghz
CodeSize1MBFlash
DataSize64KBSRAM
DataRate
IEEE802.11b:1,2,5.5and11Mbps
IEEE802.11g:6,9,12,18,24,36,48and54Mbps
SupportsTXrateautofall‐backmechanism
FrequencyRange2.412~2.472GHz
NumberofSelectableSub‐channels
Upto11channels.ProfilesavailableincludeUSA,13inCanada,Europe,
Spain,France,Japan,China,Taiwanand“Other”(multiplecountries)
Modulations
802.11b:DSSSwithDBPSK,DQPSKandCCK
802.11g:DSSSwithDBPSK,DQPSKandCCK
OFDMwithBPSK,QPSK,16QAMand64QAM
Radio
AntennaIntegratedPCBantenna,supportexternalantenna
RFReceiverMaxReceiveLevel
802.11bDSSS:‐5dBm
802.11bCCK:‐10dBm
802.11gOFDM:‐15dBm
RFReceiverMinReceive
Sensitivity
802.11b:‐92dBm@1Mbps;‐90dBm@2Mbps;‐89dBm@5.5Mbps;
‐85dBm@11Mbps
802.11g:‐82dBm@6Mbps;‐82dBm@9Mbps;‐82dBm@12Mbps;
‐82dBm@18Mbps;‐79dBm@24Mbps;‐76dBm@36
Mbps;‐71dBm@48Mbps;‐70dBm@54Mbps
RFMaxOutputPower
802.11b:16.5±1dBm
802.11g:14±1dBm@54Mbps;15±1dBm@48Mbps;
16±1dBm@6~36Mbps
Security802.11isecurity:WEP‐64/128,TKIP(WPA‐PSK)andAES(WPA2‐PSK)
WiFiPowerSaving
Supports3WiFipowersavingmodesinnormaloperationof
Infrastructuremodewithauto‐wakeuptimerforupcomingBeaconframe
reception.
TypicalPowerSavingMode
FastPowerSavingMode
MaximumPowerSavingMode
I/OFunctionsFunctioninterface2UART,SPI,I2S/PCM

SeanywellXLW‐002X
HongKongSeanywellCo.,LtdIEEE802.11b/gWiFiModuleDatasheetV1.00
GeneralPurposeI/O6GPIOs(someGPIOsmultiplexedwithfunctioninterfaces)
OperatingVoltage3.3Vtypical
WLANmode,datatransfer250mAor825mWtypical
WLANmode,nodataintransfer,and
WiFiTypicalPowerSavingenabled.
121mAor399mWtypical
WLANmode,STOPmodewithwakeup
enabled,WiFiTypicalPowerSaving
Modeenabled.
80mAor264mWtypical
WLANmode,STOPmodewithwakeup
enabled,WiFiFastPowerSavingMode
enabled.
25mAor82.5mWtypical
Average
Power
Consumption
WLANunlinked,DeepSleepmodewith
wakeupenabled.
1.18mAor3.9mWtypical
PeakCurrentat3.3VPowerInputinSerialtoWiFi
Application
360mA
OperatingTemperature0°Cto+70°C
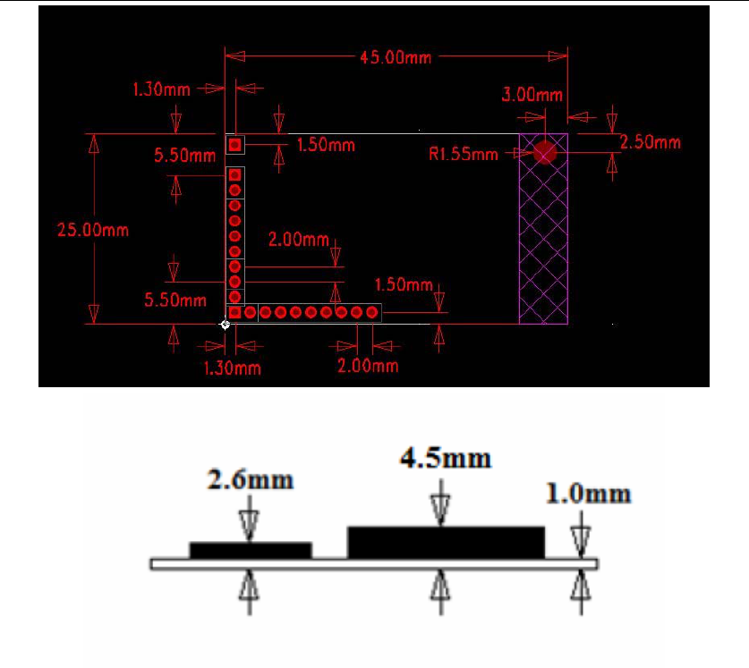
BoardSize25mmx45mm
BoardDimension
BelowshowstheXLW‐002Xwifimoduledimension,theconnectorismaleheaderconnectorwithpinpitchof2.0
mm.TheXLW‐002XwifimodulehaveanintegratedPCBantennawhichrequiresthehostPCBtomaintainthat
areakeep‐outforbestantennapeformance.Also,whenmountingonthehostPCBofuser'ssystem,themodule's
PCBantennashouldbeontheedgeofhostPCBandfacedoutward.

SeanywellXLW‐002X
HongKongSeanywellCo.,LtdIEEE802.11b/gWiFiModuleDatasheetV1.00
ConnectorsandPinAssignment
Belowshowspindefineofxlw‐002xwifimodule.Thepin1topin10isusuallyusedforUarttoWiFitransfer,and
thepin10topin19isusuallyusedforSPItoWiFitransfoer.

SeanywellXLW‐002X
HongKongSeanywellCo.,LtdIEEE802.11b/gWiFiModuleDatasheetV1.00
PinNo.PinNamePinDescription
0REVERSEDreversed
1LED/GPIOOutputwifilinkstatusled/multiplexedwithprogramablegpio
2RESET/GPIOInputmodulereset/multiplexedwithprogramablegpio
3VCC_3.3V3.3Vpowerinput
4RXD2RXDofuart2,TTL,uart2isusedfortrasnparentdatatransfer
5TXD2TXDofuart2,TTL,uart2isusedfortrasnparentdatatransfer
6GNDGround
7CTSCTSofuart2/multiplexedwithprogramablegpio
8RTSRTSofuart2/multiplexedwithprogramablegpio
9TXD0TXDofuart0,TTL,uart0isusedforconsolecommandinput
10RXD0RXDofuart0,TTL,uart0isusedforconsolecommandinput
11TXD0TXDofuart0,Itislinkedwithpin9
12VCC_3.3V3.3Vpowerinput
13SSSSofSPIinterface
14SCLKSCLKofSPIinterface
15MOSIMOSIofSPIinterface
16MISOMISOofSPIinterface
17GNDGround
18RESET/GPIOInputmodulereset/multiplexedwithprogramablegpio
19LED/GPIOOutputwifilinkstatusled/multiplexedwithprogramablegpio
RevisionHistory

SeanywellXLW‐002X
HongKongSeanywellCo.,LtdIEEE802.11b/gWiFiModuleDatasheetV1.00
RevisionDateDescription
1.002012/5/30Initialrelease.